KA5004 - Détecteur de proximité capacitif IFM - Notice d'utilisation et mode d'emploi gratuit
Retrouvez gratuitement la notice de l'appareil KA5004 IFM au format PDF.
| Caractéristiques Techniques | Détails non disponibles |
|---|---|
| Utilisation | Détails non disponibles |
| Maintenance et Réparation | Détails non disponibles |
| Sécurité | Détails non disponibles |
| Informations Générales | Détails non disponibles |
FOIRE AUX QUESTIONS - KA5004 IFM
Questions des utilisateurs sur KA5004 IFM
0 question sur cet appareil. Repondez a celles que vous connaissez ou posez la votre.
Poser une nouvelle question sur cet appareil
Téléchargez la notice de votre Détecteur de proximité capacitif au format PDF gratuitement ! Retrouvez votre notice KA5004 - IFM et reprennez votre appareil électronique en main. Sur cette page sont publiés tous les documents nécessaires à l'utilisation de votre appareil KA5004 de la marque IFM.
MODE D'EMPLOI KA5004 IFM
Montageanleitung Installation Instructions Notice de Montage


Fonctionnement et caractéristiques
Ce détecteur de proximité détecte les métaux, presque tous les plastiques, le verre, la céramique, le bois, le papier, les huiles, les graisses, l'eau et tous les matériaux aqueux sans contact et indique leur présence par un signal de commutation.
Portée nominale (Sn) 8 mm (mesurée sur une plaque mise à la terre ou sur l'eau ; en cas d'autres matériaux, portée inférieure à 8 mm).
Montage
Monter le détecteur de proximité avec l'équerre de fixation livrée.
Distance entre la face active et la bride 15mm.
Montage non encastré.

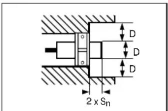
Zone de dégagement autour de la face active:


Distances minimales lorsque plusieurs détecteurs de la même version sont montés:


Raccordement électrique

Mettre l'installation hors tension avant le raccordement du détecteur de proximité.
Raccordement strictement selon les indications de l'étiquette.
Couleurs des fils: BN = brun, BU = bleu, BK = noir.
Réglage

| NO NF | ||
| 1. | Introduire le matériel à détecter dans la zone de détction sûre. | |
| → La LED est allumée. | → La LED s'éteigne. | |
| 2. | Réduire la portée jusqu'à ce que la LED s'éteigne.. | Réduire la portée jusqu'à ce que la LED est allumée. |
| 3. | Augmenter la portée jusqu'à ce que la LED est allumée. | Augmenter la portée jusqu'à ce que la LED s'éteigne. |
Ne pas augmenter la portée au-dessus de Sn.
Fonctionnement
Vérifier le bon fonctionnement du détecteur. La LED est allumée lorsque la sortie est commutée.
Pour un bon fonctionnement, il faut respecter les indications suivantes:
- La face active et la zone de dégagement doivent être dégagées de toute présence de dépôts et de corps étrangers, notamment en cas de montage avec la face active vers le haut.
- Ne pas faire fonctionner des appareils à champ de grande intensité (par exemple talkie-walkies) à proximité immédiate des détecteurs.
Notice Facile