CPY controller - Humidificateur Carel - Notice d'utilisation et mode d'emploi gratuit
Retrouvez gratuitement la notice de l'appareil CPY controller Carel au format PDF.
| Caractéristiques techniques | Contrôleur Carel CPY pour humidificateurs, gestion précise de l'humidité |
|---|---|
| Utilisation | Idéal pour le contrôle de l'humidité dans les environnements industriels et commerciaux |
| Maintenance | Vérification régulière des capteurs et calibration recommandée |
| Sécurité | Conforme aux normes de sécurité électrique, protection contre les surcharges |
| Informations générales | Compatible avec divers types d'humidificateurs, installation facile |
FOIRE AUX QUESTIONS - CPY controller Carel
Questions des utilisateurs sur CPY controller Carel
0 question sur cet appareil. Repondez a celles que vous connaissez ou posez la votre.
Poser une nouvelle question sur cet appareil
Téléchargez la notice de votre Humidificateur au format PDF gratuitement ! Retrouvez votre notice CPY controller - Carel et reprennez votre appareil électronique en main. Sur cette page sont publiés tous les documents nécessaires à l'utilisation de votre appareil CPY controller de la marque Carel.
MODE D'EMPLOI CPY controller Carel
Manuel d'instructions
Nous voulons vous faire economiser du temps et de l'argent!
Nous vous assurons que la lecture complete de ce manuel vous garantira une installation correcte et une'utilisation sure du produit décrit.

ATTENTION: séparer le plus possible les cables des sondes et des entrées numériques des cables des charges inductives et de puissance afin d'éviter de possibles interférences electromagnétiques. Ne jamais insérer dans les mêmes caniveaux (y compris ceux des tableaux électriques) les cables de puissance et les cables de signal.
AVERTISSEMENTS IMPORTANTS

AVANT D'INSTALLER OU D'INTERVENIR SUR L'APPAREIL, LIRE ATTENTIVEMENT ET SUIVRE LES INSTRUCTIONS ET LES NORMES DE SECURITE CONTENUES DANS CE MANUEL ET ILLUSTRÉES PAR LES ÉTIQUETTES PLACÉES SUR LA MACHINE.
LA NOTICE D'INSTRUCTIONS +050003765 DE LA CARTE DE CONTROLE CP* EST PARTIE INTEGRANTE DE CE MANUEL! CONSERVER CETTE NOTICE +050003765 AVEC SOIN JOINTE AU MANUEL!
Cet humidificateur produit de la vapeur non pressurisé au moyen d'électrodes immergées dans l'eau contenue dans le cylindre-bouilloire (appele cylindre ci-après): ces derniers portent la phase électricque dans l'eau, laquelle assume le role de résistance électricque et se surchauffe. La vapeur ainsi produit est utilisé pour humidifier les locaux ou les procédés industriels par des distributeurs spéciaux.
La qualite de I'eau utilisée influe sur le procede d'evaporation, c'est pour cela que l'appareil peut etre alimente avec de I'eau non traitee de type potable et non demineralisee (voir Caracteristiques de I'eau d'alimentation); I'eau evaporee est reintegree automatiqueau moyen d'une soupape de remplissage.
Cet appareil est concu unquieient pour humidifier directement dans des locaux ou bien dans des conduites au moyen de distributeurs. Les opérations d'installation, d'utilisation et d'entretien devont etre effectuees selon les instructions contenues dans ce manuel.
Les conditions du milieu environnant et de la tension d'alimentation doivent être comprises parmi celles spécifiées.
Toute utilise incorre cate ains quie aport de modifications, qu n'auraient pas ete expressement autorises par le constructeur, devont etre consideres comme improres.
La responsabilité de lésions ou de dommages causés par une utilisation impropre incombera exclusivement à l'utilisateur.
On observe que cette machine contient des composants électriques sous tension et des superficies chaudes.
Toutes les opérations de service et/ou d'entretien doivent être effectuées par un personnel expert, qualifié, conscient des précautions nécessaires et capable d'effectuer le travail dans les règles de l'art.
Avant d'acceder aux parties interieures, sectionner la machine du réseau électrique.
L'appareil doit être installé conformément aux réglementations locales en vigueur.
Dans tous les cas, appliquer les Réglementations de sécurité en vigueur dans le lieu de l'installation.
Evacuation des parties de l'humidificateur: l'humidificateur est composé de parties métalliques et plastiques.
Toutes ces parties doivent etre evacuées selon les Réglementations locales en matière d'évacuation des déchets.
Garantie sur les matieres: 2 ans a partir de la date de production, excepte les pieces d'usre comme, par exemple, le cylindre).

Homologations: la qualite et la sccutie des produits CAREL sont garantis par le systeme de conception et de production certifie ISO 9001, ainsq que par la marque
INDICE
1 MODELES ET DESCRIPTION DES COMPOSANTS 7
1.1 Description des composants.. 7
2 INSTALLATION: dimensions, poids, raccordement des tuyauteries 10
2.1 Positionnement 10
2.2 Raccordements des tuyauteries 12
2.3 Ecoullement 13
2.4 Alimentation 13
2.5 Vérifications 13
2.6 Installation du tube de canalisation de la vapeur et de retour de la condensation 14
2.7 Caracteristiques de I'eau 14
2.8 Eau de drainage 15
3 OEM AVEC CHARPENTE (seulement avec vanne de replissage et vidange à 24Vac ou avec vanne de replissage 24Vac et pompe de vidange 230Vac)
3.1 Introduction 16
3.2 Charpente 16
3.3 Carte de contrôle 16
3.4 Chargement eau 16
3.5 Écoulement 16
3.6 Systeme hydraulique 16
3.7 Structure 17
3.8 Interrupteur et Écoulement manuel 17
3.9 Connexions externes 17
3.10 Cable d'alimentation 17
3.11 Tranformateur amperemetrique 17
3.12 Panneau à LED. 17
3.13 Données techniques 17
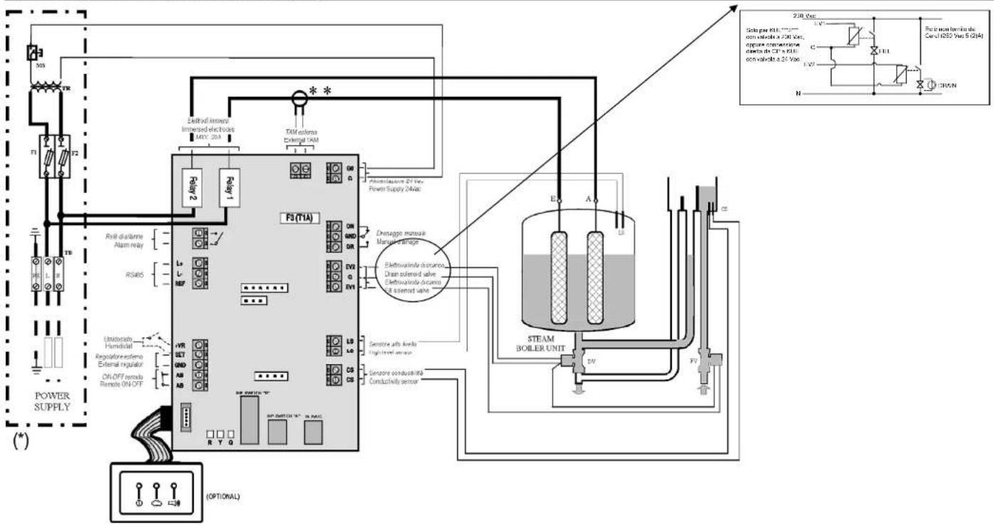
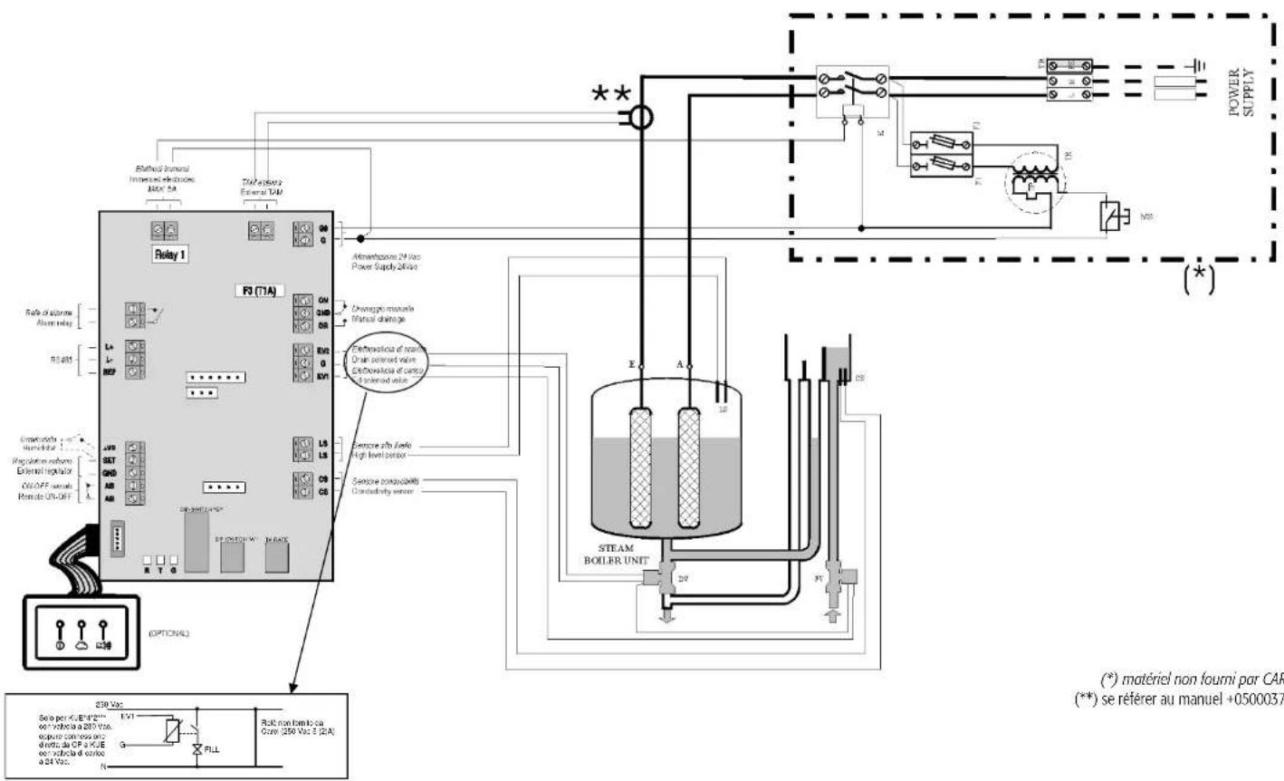
4 RACCORDEMENTS ELECTRIQUES (avec contrôle CAREL modele CP) 18
4.1 Schema electrique monophasé TAM EXTERIEURE (CP1) 18
4.2 Schema electrique monophasé TAM INTERIEURE (CP2*). 19
4.3 Schema electrique monophase TAM INTERIEURE avec telerupteur (CP4*). 20
4.4 Schema electrique monophasé TAM EXTERIEURE avec telerupteur (CP3*). 21
4.5 Schema electrique triphas TAM EXTERIEURE avec telerupteur (CP3^) 22
4.6 Schema electrique triphasé TAM INTERIEURE avec telérupteur (CP4) 23
4.7 Schema electrique triphasé KUE avec charpente TAM INTERNE avec telerupteur (CP4) 24
4.8 Schema electrique monophase KUE avec charpente TAM INTERNE avec telerupteur (CP4) 25
4.9 Schema electrique triphasé TAM EXTERNE avec telérupteur (CP3) pour KUE*4.26
5 MISE EN SERVICE, CONTROLE ET ARRÉT 27
5.1 Contrôles préliminaires 27
5.2 Mise en service 27
6ENTRETIEN ET PIECES DE RECHANGE 28
6.1 Remplacement du cylindre 28
6.2 Entretien des autres composants hydrauliques 29
6.3 Remplacement des composants 30
6.4 Pièces de rechange 31
6.5 Tableau de resolution des problèmes 33
6.6 Alarmes 33
7 PRINCIPES DE FONCTIONNEMENT, RÉGLAGE ET AUTRES FONCTIONS 34
7.1 Principe de fonctionnement 34
7.2 Principes de réglage 34
8 CHARACTERISTIQUES TECHNIQUES 35
1 MODELES ET DESCRIPTION DES COMPOSANTS
Le code qui désigne le modele d'humidificateur est composé de 10 caractères avec la signification suivante:

- La configuration du contrôle est pour la capacité maximale du KUE sélectionné et est modifiable avec humiSet.
Example:
KUET3D00C0 = JEU OEM avec cylindre triphase pouvant etre nettoye de 15 Kg/h vapeur pour une conductivite standard, a nivea de revision O;
KUE0RMP00 = KIT UE OEM réduit 1,5/3 Kg/h vapeur sans cylindre, avec enveloppe multiple à niveau de révision 0.
KUETROCC00 = KIT UE OEM réduit triphasé de 1,5/3 Kg/h vapeur, sans cylindre, avec charpente et contrôle configéré pour 3 kg/h, 400 V triphasé
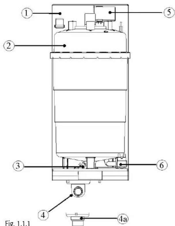
1.1 Description des composants

Tab. 1.1.1
| KUE*R / KUE*1 / KUE*2 / KUE*3 | |
| N° description | |
| 1 | Structure portante |
| 2 | Cylindre |
| 3 | Électrovanne de drainage |
| 4 | Raccord de drainage orientable 90° |
| 4a | Raccord de drainage droit (en ditation) |
| 5 | Cuve de chargement + conductimètre |
| 6 | Électrovanne d'alimentation |

Fig.1.1.1 A
Tab. 1.1.2
| KUE***CC** |
| n. description |
| * Pour les détails des composants voir chap.3 |

Fig.1.1.1 B
Tab. 1.1.3
| KUE*4 |
| n. description |
| 1 Structure portante |
| 2 Cylindre |
| 3 Pompe d'évacuation |
| 4 Collecteur chargement/écoulement |
| 5 Cuve de chargement + conductimètre |
| 6 Électrovanne d'alimentation |

CP1*

CP2*

CP3*

Cartes de contrôle CP* (voir aussi la notice d'instructions +050003765 des cartes)
CF
Fig. 1.1.1b TAM extérieure (necessaire pour les cartes CP1 et CP3 seulement)

La Fig. 1.2.2 se refère au tableau suivant pour la description.
| N° description |
| 1 électrovanne d'alimentation |
| 2 Limiteur de débit |
| 3 tueauterie d'alimentation |
| 4 Tuvauterie de replissage |
| 5 Tube de trop plein |
| 6 Electrodes de mesure de la conductivité |
| 7 Cuve d'alimentation - trop plein * |
| 8 Electrodes de niveau élevé |
| 9 Sortie vapeur |
| 10 électrodes (2/6 en mod. monophasé, 3/6 en mod. triphase) |
| 11 Enveloppe du cylindre |
| 12 Filtre de fond |
| 13 électrovanne de drainage |
| 15 Colonne de drainage |
| 16 Pompe d'évacuation |


Fig. 1.f
- Dispositif utilisé pour éviter des eventuels débordements de l'eau de la cuve d'alimentation au-delà du niveau de sécurité (par exemple, pour un mauvais fonctionnement du contrôleur ou pour fuite de l'électrovanne d'alimentation ou de contre-pressions diverses).
La cuve d'alimentation est doted d'un diaphragme de trop plein qui eflure l'eau introduite en exces en I'evacuant par un tube special. Ce diaphragme de trop plein est plus bas que celui de remplissage pour empêcher le reflux dans le tube d'alimentation.
2 INSTALLATION: DIMENSIONS, POIDS, RACCORDEMENT DES TUYAUTERIES
2.1 Positionnement
- Choiser la position la plus opportune pour installer la distribution de vapeur, c'est-à-dire celle qui permet d'avoir une longueur minimale du tube d'adduction de la vapeur. L'unité est consque pour un montage mural qui doit avoir une portée suffisante pour en supporter le poids en conditions opérationnelles.
L'enveloppe de l'humidificateur peut atteindre des températures allant jusqu'à 60^ - Positionner l'humidificateur a niveau.

KUER / KUE1 / KUE2 / KUE3






KUE*4
OEM
| modèles | |||||||
| KUE*R* KUE*1* KUE*2* KUE*3* KUE*4* | |||||||
| Poids (Kg) Vide 1,2Emballé 2,0Emballé 3,75,5 | 1,62,9 | 3,5 | 7,2 | ||||
| 3,74,3 | 8,9 | ||||||
| 913,8 | 39 | ||||||
| Emballé+ charpente | 7,7 | 10 | 14,3 | 21 | |||
| Dimensions (mm) | H | 300 | 391 | 412 | 511 | 630 | |
| L sans cylindre | 160 | 160 | 185 | 225 | 390 | ||
| L avec cylindre | (°) | 160 | 160 | 204 | 260 | ||
| P sans cylindre | 170 | 170 | 220 | 230 | 350 | ||
| P avec cylindre | (°) | 175 | 175 | 230 | 268 | ||
| Ø V | 23-30 | 23-30 | 31 | 31 | 40 | ||
| Ø S | 3232 | 32 | 32 | 40 | |||
| V1 | 81 | 82 | 93 | 113 | 220 | ||
| V2 | 79 | 78 | 92 | 112 | |||
| V3 | 99 | 99 | 124 | 135 | 181 | ||
| V4 | 54 | 54 | 20 | 26 | |||
| V5 | 16-17 | 16-17 | 37 | 37 | |||
| S1 | 4546 | 54 | 77 | 28 | |||
| S2 | 114 | 114 | 131 | 148 | 70 | ||
| S3 | 110 | 110 | 120 | 118 | |||
| Raccordementstuyauteries | S4 | 40-50 | 40-50 | 40-50 | 40-50 | ||
| S5 | 13-15-30 | 13-15-30 | 13-15-30 | 13-15-30 | |||
| Cotes de fixation | A1 | 19,5 | 19,5 | 19,5 | 19,5 | 55 | |
| A2 | 53 | 53 | 53 | 53 | 120 | ||
| X | 5535 | 47 | 68 | 90 | |||
| X1 | 90 | 90 | 90 | 90 | 210 | ||
| Dimensions charpente (mm) | Y | 146 | 146 | 213 | 288 | 494 | |
| Y1 | 68 | 68 | 69 | 69 | 106 | ||
| HC | 380 | 470 | 490 | 590 | |||
| LC | 277 | 277 | 302 | 354 | |||
| LC1 | 196 | 196 | 221 | 273 | |||
| LC2 | 21 | 21 | 21 | 21 | |||
| LC3 | 56.5 | 115 | 115 | 115 | |||
| LC4 | 80 | 80 | 80 | 80 | |||
| PC | 198 | 198 | 248 | 260 | |||
| INT | 142.3 | 142.3 | 192.3 | 204.3 | |||
Tab. 2.a
(1) Dimensions maximale avec cylindre
L'appareil peut etre monte au mur en utilisant les perforations prdisposedes ou sur une etagere en laissant l'espace opportun pour les connexions hydrauliques.
2.2 Raccordements des tuyauteries
L'installation d'un humidificateur nécessite le raccordement aux tuyauteries d'alimentation et de drainage de l'eau.

2.3 Écocoulement
| KUE*R* KUE*1* KUE* | Modèles | ||||
| 2* KUE*3* KUE*4* | |||||
| Débit inst. max. d'écoulement l/min ~ 4 ~ 4 | ~ 4 ~ 4 ~ 22,5 | ||||
| Attaché eau d'écoulement (mm) | 32 | 32 | 32 | 32 | 40 |
| Ø min. interieur du tube d'écoulement | 25 | 25 | 25 | 25 | 36 |
2.4 Alimentation
Tab. 2.4.1
| modèles KUE*R* KUE*1* KUE*2* | ||||
| KUE*3* | ||||
| Débit inst. max. d'écoulement l/min | 0.6 | 0.6 | 0.6 | 1.2 |
| Attache eau d'écoulement (mm) | 3/4 "G Mâle | 3/4 "G Mâle | 3/4 "G Mâle | 3/4 "G Mâle |
| Ø min. interieur du tube de chargement (tube rigide ou flexible) | 6 | 6 | 6 | 6 |
Pour simplifier l'installation, il est conseilé d'utiliser le tube flexible CAREL un diamètre extérieur égal à 8 mm (cod. 1312350APN qui peut être commande au mètre) et le raccord tournant 3/4 G croit (cod. 9995727ACA) ou à 90^ (cod. 9995728ACA) disponibles sur demande.
L'insertion d'un robinet de sectionnement et d'un filtrme mécanique est conseilée pour retenir d'eventuelles impuretés solides.
Le raccordement de l'eau de drainage est effectue grâce à un faisceau de tube en caoutchou ou en plastique résistant à 100^ , avec un diamètre interieur conseilé de 32 mm ou 40 mm pour les modèles 25÷ 45Kg / h (conforme à DIN 19535, UNI 8451/8452). Le raccord de drainage est adapté au soudage à lame chaude avec des tuyauteries de drainage en Polypropylène.
A VERTISSEMENT I MPORTANT: le tuyau de drainage doit etre libre, sans contre-pression et avec un siphon juste apres la connexion a l'humidificateur.
2.5 Verifications
Les conditions suivantes satisfont un raccordement hydraulique correct:
- Interruption de la ligne de l'eau d'alimentation au moyen d'un robinet de sectionnement
- Présence d'un filtre mécanique sur la ligne d'eau d'alimentation
- température et pression de l'eau dans les valeurs permises
tube de drainage résistant à une température de 100^
diametre interieur minimal du tube de drainage de 25 mm ou 36 mm pour les modeles 25÷ 45Kg / h - pente minimale du tube de drainage supérieure ou égale à 5^
- manchon électriquement non-conducteur
- présence d'un siphon dans la tuyauterie de drainage
AVERTISSEMENT IMPORTANT: une fois l'installation terminée, vidanger la tuyauterie d'alimentation pendant 30 minutes environ pour amener l'eau directement à la section de drainage sans l'introduire dans l'humidificateur. Ceci afin d'éliminer les évventuels déchets et substances d'usinage qui pourrait engorger la vanne de charge et/ou provoquer de la mousse durant l'ébullition.
2.6 Installation du tube de canalisation de la vapeur et de retour de la condensation
La connexion entre humidificateur et distributeur doit être réalisée avec un tube adapté pour cela comme le tube flexible CAREL.
- Éviter la formation de poches ou de siphons où la condensation pourrait s'arrête.
- Faire attention que des étranglements du tube ne se forment pas à cause de brusques courbures ou d'enroulements.
Fixer les extrémites du tube avec des colliers pourvus de vis de fixation.

Le parcours du tube peut etrechosii entre les deux solutions suivantes:

AVERTISSEMENT IMPORTANT: il est conseilé de limiter la longueur du tube de transport de la vapeur à 4 m. Le siphon du tube de condensation de la vapeur doit être rempli avec de l'eau avant la mise en service de l'humidificateur afin qu'il fonctionne correctement.
2.7 Caracteristiques de I'eau
Eau d'alimentation
L'humidificateur doit être alimenté avec de l'eau d'aqueduc et avec les caractéristiques suivantes:
- pression comprise entre 0.1 et 0.8MPa (1-8 bars, 14.5-116 PSI),
- température comprise entre 1 et 40^
débit instantané pas inférieur au nominal de l'électrovanne d'alimentation (voir tableau 2.4.1)
La connexion est de type 3 / 4''G Male
VALEURS LIMITES POUR LES Eaux D'ALIMENTATION A CONDUCTIVITE MOYENNE-HAUTE D'UN HUMIDIFCATEUR A ELECTRODES IMMERGÉES
| LIMITES | |
| Min. | Max. |
| Activité des ions hydrogène pH - 7 8,5 | ||||||
| Conductivité spécifique à 20 °C | σR20°C | - μS/cm | ||||
| Solides totaux dissous TDS - m g / l | ||||||
| Résidu fixe à 180 °C | R160 | - m | ||||
| Dureté totale TH - mg/l CaCO | ||||||
| Dureté-temporaire | - mg/l CaCO3 | |||||
| Fer + Manganèse | - mg/l Fe + Mn | |||||
| Chlorures | - ppm Cl | |||||
| Silice | - mg/l SiO2 | |||||
| Chlore résidu | - mg/l Cl | |||||
| Sulfate de Calcium | - mg/l CaSO4 | |||||
| Impuretés métalliques | - mg/l 0 | |||||
| Solvants, diluants, savons, lubrifiants - mg/l 0 0 | ||||||
Tab. 2.7.1.1
| 300 | 1250 |
| () | () |
| () | () |
| 100() | 400 |
| 60() | 300 |
| 0 | 0,2 |
| 0 | 30 |
| 0 | 20 |
| 0 | 0,2 |
| 0 | 100 |
| 0 | |
Valeurs dependantes de la conductivite specifique; en general: TDS 0,93^_x_0 R_180 0,65^_x_0
(†) non inférieur à 200% du contenu de chlorures en mg/l de Cl
( non inférieur à 300% du contenu de chlorures en mg/l de Cl
VALEURS LIMITES POUR LES Eaux D'ALIMENTATION A CONDUCTIVITE MOYENNE-BASSE D'UN HUMIDIFCATEUR A ELECTRODES IMMERGÉES
| Activité des ions hydrogène pH - 7 8,5 | ||
| Conductivite spécifique à 20 °C | σR20% | - μS/cm |
| Solides totaux dissous TDS - mg/l | ||
| Résidu fixe à 180 °C | R180 | - m g |
| Dureté totale TH - mg/l CaCO | ||
| Duretétemporaire | mg/l CaCO2 | |
| Fer + Manganèse | mg/l Fe + Mn | |
| Chlorures | ppm Cl | |
| Silice | mg/l SiO2 | |
| Silice | mg/l Cl | |
| Chlore résidu | mg/l CaSO4 | |
| Impuretés métalliques | mg/l 0 | |
| Solvants, diluants, savons, lubrifiants - mg/l 0 0 | ||
Tab. 2.7.1.2
| LIMITES | |
| Min. | Max. |
| 125 | 500 |
| () | () |
| () | () |
| 50() | 250 |
| 30() | 150 |
| 0 | 0,2 |
| 0 | 20 |
| 0 | 20 |
| 0 | 0,2 |
| 0 | 60 |
| 0 | |
(1) Valeurs dépendantes de la conductivité spécifique; en général: TDS ≡ 0,93 * σ20. R100 ≡ 0,65 * σ20
( ) non inférieur à 200% du contenu de chlorures en mg/l de Cl
(3) non inférieur à 300% du contenu de chlorures en mg/l de Cl
Avertissement: il n'existe aucune relation sure entre la durée et conductivité de l'eau.
AVERTISSEMENT IMPORTANT: il ne faut effectuer des traitements de l'eau avec des adoucissants! Ceci peut cause la corrosion des electrodes et la formation de mousse avec des problèmes potentiels d'irregularités de service.
Il est deconseilé:
- d'utiliser de l'eau de ville, de l'eau en réseau industriel ou bien de l'eau prélevée de circuits de refroidissement et, en général, de l'eau potentiellement polluée chimiquement ou bacteriologiquelement;
- d'ajouter à l'eau des substances désinfectantes ou des composés anti-corrosifs car potentiellement irritants.
2.8 Eau de drainage
L'ébullition de l'eau avec transformation en vapeur sans ajout de substance s'effectue à l'intérieur de l'humidificateur. L'eau de drainage, par conséquent, contient les mêmes substances dissoutes dans l'eau d'alimentation mais en quantité supérieure en fonction de la concentration dans l'eau d'alimentation et des cycles de drainage programmes et on peut atteindre une température de 100^ . N'était pas toxique, cette dernière peut être drainée dans le système de recueillement des eaux pluviales. La connexion de drainage a un diamètre extérieur de 32mm
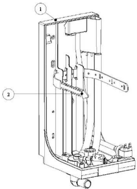
3 OEM AVEC CHARPENTE (seulement avec vanne de replissage et vidange à 24Vac ou avec vanne de replissage 24Vac et pompe de vidange 230Vac)
3.1 Introduction
ll s'agit d'un OEM particulier monte sur une charpente avec une carte de controle cablee avec interrupteur et touche d'ecoulement

Fig. 3.1.1
3.2 Charpente
Les Humidificateurs sont dotés d'une charpente metallique zingue à chaud, ouvrable, avec des dimensions d'encombrements très réduites et munie de poignée et fermeture à vis. La charpente comprend un boitier pour la carte de contrôle.
3.3 Carte de contrôle
Le contrôle utilisé pour ces OEM est la CP4 à microproceseur avec logiciel pour humidificateurs à electrodes immergées.
Type de configuration ON/OFF ou proportionnelle 0...10 V
Detecteur de courant intégré
Tension d'Allimentation 24V ca
Possibilité de ON/OFF déported (AB-AB)
Sorties: n^1 relais 250 Vca 5Amp(2 Amp) pour alimentation electrodes
N°1 relais 250 Vca 5 Amp (2 Amp) pour sortie alarmé
Possibilité de connexion au port série RS485 (TACP485000 optionnel)
Configurable avec le kit de programmation HUMISET000
3.4 Chargement eau
La position de l'électrovanne de charge avec raccord 3/4 G male est située sur le côté droit de la charpente selon les dimensions figurant dans le tableau 2.1.1 (LC3, LC4) afin d'être accessible, lorsque la machine est installée, pour le nettoyage du filtre de l'électrovanne.
3.5 Écoullement
Groupe d'écoulement du collecteur et de l'électrovanne de drainage avec une connexion à 90^ et un raccord d'un diamètre de 32mm avec la possibilité de replacer le dispositif d'écoulement par un dispositif d'a droit fourni.
3.6 Système hydraulique
Système hydraulique avec cuve de chargement avec conductimetre et groupe de tubles pour chargement, ecoulement et trop-plein du cylindre.
3.7 Structure
Dossier en plastique polypropylene additione fibre de verre pour augmenter la solidite et le positionnement du cylindre avec une fermeture a couroie tres pratique pour le blocage.
3.8 Interrupteur et Écoulement manuel
L'humidificateur est muni d'un interrupteur E-S pour la mise en marche et l'arrêt et d'un bouton pour l'écoulement manuel.
3.9 Connexions externes
La gestion exter de la machine est faite a l'aide de 2 connecteurs :
Le premier à 4 pôles sert pour la gestion d'une phase d'alimentation de la bobine du télérupteur de puissance externe (bornes 1,2) et à l'alimentation 24V ca des circuits auxiliaires (bornes 3,4);
Le second à 3 pôles sert pour la connexion à la sonde (voir schéma 4.7).
3.10 Cable d'alimentation
Le cable d'alimentation mesure 3 metres de long et est du type non-propagateur d'incendie, il est fourni avec un passé-cable en caoutchouc de protection et avec, à une extrémité, les bornes à cosse et bague pour la connexion au cylindre alors que l'autre extrémité du cable est libre.
3.11 Tranformateur amperemetrique
ll est monté sur la carte de contrôle et l'une des phases du cable d'alimentation pour la mesure du courant passe par ce dernier.
3.12 Panneau à LED
Pour la visualisation du fonctionnement, l'humidificateur est équipé d'un panneau à LED colorées ayant les significations suivantes :
verte: presence de tension
jaune : production en cours
rouge: signalisation d'alarmes
Ces événements sont indiqués par des clignotements, quant aux significations consulter la notice d'instruction +050003755
3.13 Données techniques
Production de vapeur, poids et dimensions voir chap. 2 page 7
Le degré de protection est IP20.
4 RACCORDEMENTS ÉLECTRIQUES (AVEC CONTROLE CAREL MODELE CP)
Avont de proceder à la réalisation des raccordements, s'assurer que la machine soit sectionnee du réseau electrique.
Pour des informations supplémentaires concernant le contrôle, se réféer à la notice d'instructions cod. +050003755.
4.1 Schema electrique monophasé TAM EXTERIEURE (CP1)

() matériel non foumi par CAREL
(^**) se référer au manuel +050003765
4.2 Schema elecrique monophasé TAM INTÉRIÉURE (CP2)

() matériel non foumi par CAREL
(**) se référent au manuel +050003765

Scheme electrolyte monophase TAM INTERIEURE avec telérupteur (CP4*)
OEM

() matériel non foumi par CAREL
(^*) se référer au manuel +050003765
OEM

OEM


Scheme electrique triphasé KUE avec charpente TAM INTERNE avec telérupleur (CP4*)
OEM
OEM

() matériel non foumi par CAREL
(^*) se referrer au manuel +050003765
OEM
4.9 Schema electrique triphase TAM EXTERNE avec telerupteur (CP3) pour KUE4

() matériel non foumi par CAREL
(*) se référez au manuel +050003765.
| 230 Vdc Skin pax GIL 472- non vibrate a 210 Vdc dop. non commensurate a 24 Vdc CP a 24 Vdc |
5 MISE EN SERVICE, CONTROLE ET ARRET
AVERTISSEMENTS IMPORTANTS:
- Avant la mise en service, vérifier que l'humidificateur soit en parfaites conditions, qu'il n'y ait pas de perte d'eau et que les parties électriques soient sèches.
- Ne pas donner tension si l'appareil est endommagé ou même s'il est partiellement mouillé!
Une fois l'installation terminée, vidanger la tuyauterie d'alimentation pendant 30 minutes environ pour amener l'eau directement à la section de drainage sans l'introduire dans l'humidificateur;eci afin d'éliminer les éventuels déchets et substances d'asinage qui pourrait engorger la vanne de charge et/ou provoquer de la mousse durant l'ébullition.
5.1 Contrôles préliminaires
Avant de mesure sen service l'humidificateur, il opportune de controler que:
les connexions hydrauliques et electriques ainsi que le systeme de distribution de la vapeur soient effectuees selon les instructions contues ici;
- le robinet de sectionnement de l'eau vers l'humidificateur soit ouvert;
les fusibles soient installés et intacts;
les bornes AB du contrôle CP soient raccordees ou bien quelles soient reliées au contact ON/OFF à distance et que ce dernier soit fermé;
qu'il n'y ait pas d'etranglement sur le tube de deversement de la vapeur.
5.2 Mise en service
Mise en service avec cylindre vide
Cte pse s'ectue automatique au moment de la mise en service de la machine: attendre un certain temps (qui depend considerablement de la conductivite de I'eau d'alimentation et qui peut se calculer en heures egalement) avant d'obtenir la production nominale.
6 ENTRETIEN ET PIECES DE RECHANGE
6.1 Remplacement du cylindre
AVERTISSEMENT IMPORTANT: le cylindre pourrait etree chaud. Le laisser refroidir avant de le toucher ou alors utilise des gants de protection.
Pour acceder au cylindre:
- Drainer complètement l'eau contenue dans le cylindre;
- Éteindre l'appareil et ouvrir le sectionneur de ligne de l'alimentation électrique (proéduire de sécurité);
- Retirer le tube de la vapeur du cylindre;
- Déconnecter les branchements électriques du toit du cylindre;
- Débloquer le cylindre de la fixation et le soulever pour l'extraire;
- Remonter le cylindre sur l'humidificateur en effectuant les opérations precedentes en sens inverse.
Entretien du cylindre (verifier la notice d'instructions des cylindres)
La durée du cylindre dépend de différents facteurs parmi lesquels: le replissage complet de calcaire et/ou corrosion partielle ou complete des electrodes, l'emploi correct et la mise à dimensions de l'humidificateur, la puissance d'exercice, la qualité de l'eau ainsi qu'un entretien soigneux et régulier. À cause du vieilissement de la matière plastique et de l'usure des electrodes, même un cylindre à vapeur ouvrant a une durée limite, il est donc conseilé de la changer tous les 5 ans au maximum ou après 10.000 heures de travail.
Avertissements importants
L'humidificateur et son cylindre contiennent des composants electriques sous tension et des superficies chaudes, par conséquent, toutes les opérations de service et/ou d'entretien doivent être conduites par un personnel expert et qualifié, conscient des précautions nécessaires. Avant d'intervenir sur le cylindre, s'assurer que l'humidificateur soit coupé du réseau électricque; dire attentivement et suivre les instructions containues dans ce manuel. Enlever le cylindre de l'humidificateur seulement après l'avoir vide complètement. S'assurer que le modele et la tension d'alimentation du nouveau cylindre correspondant à celui d'origine.
Contrôles périodiques
- Àprous une heures de fonctionnement
Controler l'absence de pertes d'eau significatives autant pour les cylindres jetables que pour les cylindres ouvrants.
- Tous les 15 jours et non au-delà des 300 premières heures d'exercice
Contrer le fonctionnement, l'absence de pertes d'eau significatives, les conditions generales du bac collecteur autant pour les cylindres jétables que pour les cylindres ouvrants. Verifier qu'il n'y ait pas d'arc ou d'étinçelle entre les electrodes durant le fonctionnement.
- Trimestriellement et non au-delà de 1000 heures d'exercice
Contrer le fonctionnement, l'absence de pertes d'eau significatives pour les cylindres jtables, remplacer eventuellement le cylindre; alors que pour les cylindres ouvrants, vérifier qu'il n'y ait pas de zone noircie sensiblement dans le bac collecteur: dans ce cas, contrer I'etat d'incrustation des electrodes et les remplacer eventuellement avec les O-ring d'etanchete ainsi que le joint du couvercle.
- Annellement et non au-delà de 2500 heures d'exercice
Remplacer le cylindre dans le cas des cylindres jétables; contrôler le fonctionnement, l'absence de pertes d'eau significatives, les conditions générales du bac collecteur pour les cylindres ouvrants, vérifier qu'il n'y ait pas de zone noircie sensiblement dans le bac collecteur; remplacer les electrodes avec les O-ring d'échéité ainsi que le joint du couvercle.
- Tous les cinq ans et non au-delà de 10.000 heures d'exercice
Remplacer tout le cylindre pour les cylindres jetables et les cylindres ouvrants.
Aprs un emploi tres prolonge ou bien a cause de l'utilisation d'eaux tres riches en sels, les depots solides se forment naturellement sur les electrodes et peuvent augmenter jusqu'à adherer à la paroi interne du cylindre; lors de depots particulièrement conducteurs, le développement de chaleur pourrait surchauffer le plastique au point de le faire fondre et, dans le pire des cas, pratiquer un trou par lequel I'eau pourrait se repandre du cylindre à la cuve.
Par précaution, vérifier féquèment, comme énoncé précèdément, l'entité des dépôts et l'absence de déformation ou de noircissement sur les parois du cylindre qui, dans le cas contraire, devra être changé.
ATTENTION: en cas de pertes, sectionner l'appareil de l'alimentation avant de toucher le cylindre car l'eau pourrait etre sous tension.
6.2 Entretien des autres composants hydrauliques
AVERTISSEMENTS IMPORTANTS:
- Ne pas utiliser de détergents ou de solvants pour le nettoyage des composants plastiques;
- Les lavages désincrustants peuvent être effectuels avec une solution au vinaigre ou à l'acid de acétique à 20% suivis d'un rincege avec de l'eau.
L'humidificateur à vapeur a un seul composant qui a besoin d'un remplacement périodique: le cylindre de production de vapeur.
Cette opération est necessaire lorsque les incrustations de calcaire qui se forment à l'intérieur du cylindre empêchent un passage suffisant de courant. Cette situation est signalée par le contrôleur à l'aide d'une alarme. La fréquence de cette intervention dépend de l'eau d'alimentation; plus l'eau est riche en sels ou en impuretés, plus le remplacement du cylindre sera fréquent.

| N° | description Codice di acquisso | |
| 1 | Structure portante | |
| 2 | Courroie de blocage du cylindre 18C499A006 | |
| 3 | Cuve de chargement + conductimètre 13C119A003 | |
| 4 | Tube de trop plein | UEKT00000* |
| 5 | Tube de chargement cylindre | |
| 6 | Tube de chargement de la cuve | |
| 7 | Electrovanne d'alimentation (24 VAc) KITVC000** | (ref. Tab. 6.d) |
| Electrovanne d'alimentation (230 VAc) KITVC020** | (ref. Tab. 6.d) | |
| 8 | Chargement / vidange grp 13C499A030 | |
| 9 | Joint | KITRACC000 |
| 10 | Raccord d'écoulement à 90° | |
| 11 | Raccord d'écoulement droit (en dotation) | |
| 12 | Electrovanne de vidange (24 Vac) 13C499A030 |
12 Electrovanne de vidange (230 Vac) 13C499A044
Tab. 5.2.1
- Électrovanne d'alimentation (Fig. 5.2.1, part. n° 7)
Après avoir débranché les cables et les tuyauteries,steroler l'electrovanne et contrclorl l'etat de propre du filtre en entree en le nettoyant, si nécessaire avec de I'eau et a I'aide d'une Brosse douce.
- Collecteur d'alimentation et drainage (Fig. 5.2.1, part. n° 8)
Vérifier qu'il n'y ait pas de résidu solide dans le logement de raccordement du cylindre, enlever les eventuelles impuretés.
Contrôler que le joint d'étanchéité (O-ring) ne soit pas endommagé ou fissure; le remplace si nécessaire.
- Électrovanne de drainage/ pompe d'évacuation (Fig. 5.2.1, part. n° 12)
Couper l'alimentation électric, enlever la bobine et démonter le corps de la vanne après avoir dévisse les deux vis de fixation du collecteur; enlever les impuretés eventuelles et rincer; - Cuve de chargement + conductimetre (Fig. 5.2.1, part. n° 3)
Contrôr qu'il n'y ait pas d'obstruction ou de particule solide et que les electrodes de mesure de la conductivité soient propres, enlever les impuretés eventuelles et rincer.
Tuyauteries d'alimentation, chargement, trop plein (Fig. 5.2.1, part. n° 4, 5, 6-8,9,10,11)
Contrer qu'elles soient degagées et sans impureté, enlever les impuretés eventuelles et rincer.

Fig. 5.2.1
N° description
Codice di acquisto
OEM

Tab. 5.2.1
| 1 Structure portante | |
| 2 Collecteurchargement/écoulement | 18C499A001 |
| 3 Circuit d'évacuation 13C499A064 | |
| 4 Pompe de drainage KITPS00000 | |
| 5 Electrovanne d'alimentation | KITVC00040 |
| 6 Cuve de charge ment | UEKVASC000 |
| 7 Couvercle, cuve de charge ment | |
| 8 Tube de charge ment de la cuve | UEKT0000XL |
| 9 Tube de charge ment cylindre | |
| 10 Tube de trop pleasin | |
| 11 Tube d'évacuation ondulé | 3C479A001 |
AVERTISSEMENT IMPORTANT: après avoir remplaced ou contrôle les parties hydrauliques, vérifier que les connexions aient eteffectuees correctement. Relancer la machine et efectuer quelques cycles d'alimentation et de drainage (de 2 à 4), une fois terminés, vérifier les eventuelles fuites d'eau en appliquant la procedure de sécurité.
6.3 Remplacement des composants
Fusibles des circuits auxiliaires
Utiliser des fusibles avec le calibrage indiqué au tableau. 5.3.1.
Tab. 5.3.1
| MODELES | KUES* | KUETR* | KUET1* | KUET2* | KUET3* | KUET4* |
| Fusibles F1-F 2 | 1 A, GL, 10,3 x 38 contenus dans les porte-fusibles sur guide Omega (0605319AXX) | |||||
| Fusible F3 (pompe) | 1 A, Fast 10,3 x 38 contenus dans les porte-fusibles sur guide Omega (0605319AXX) | |||||
| Fusible 3 *** 2 A, T, 5x20 | ||||||
***: sur la carte de contrôle de type CP.
6.4 Pièces de rechange
Humidificateurs MONOPHASES:
6.4.1 Pièces de rechange standards
Table 6.d
| Cylinders non ouvrants | |||
| 200 à 230 VAC 1 ~, conductivité 350 à 1250 μS/cm | BLOSRF00H1 BLQ51F00H1 BLO52F00H0 | BLO53F00H0 | |
| Partie électronique | |||
| Carte de contrôle ver. CP ** | CP** | ||
| Carte de contrôle ver. CPY ** | CPY** | ||
Pièces de rechange pour des applications spéciales:
Les pièces de rechange suivantes sont fournies séparément de l'humidificateur standard, c'est-à-dire qu'elles doivent être commandées à part.
| modele | KUESR* | KUES1* | KUES2* | KUES3* | |
| Cylindres non ouvrants | |||||
Tab. 5.4.2.1
| 200...230 VAC 1 ~, conductivité 125...350 μS/cm | BLOSRE00H1 | BLOS1E00H1 | BLO52E00H0 | BLO53E00H0 |
Humidificateurs TRIPHASÉS:
6.4.2 Pièces de rechange standards
Tab. 6.f
| MODELE | KUETR* | KUET1* | KUET2* | KUET3* | KUET4*25Kg/h | KUET4*35Kg/h | KUET4*45Kg/h≥400V |
| Partie hydraulique | |||||||
| Courroie de blocage cylindre | 18C499A006 | 18C499A006 | 18C499A006 | 18C499A006 | -- | -- | -- |
| Cuvette d'alimentation + conductimetre | 13C119A003 | 13C119A003 | 13C119A003 | 13C119A003 | 18C453A008 | 18C453A008 | 18C453A008 |
| kit electrovanne d'alimentation (24 Vac) | KITVC00006 | KITVC00006 | KITVC00006 | KITVC00012 | KITVC00040 | KITVC00040 | KITVC00040 |
| kit electrovanne de drainage (24 vac) | 13C499A030 | 13C499A030 | 13C499A030 | 13C499A030 | KITPSE0000 | KITPSE0000 | KITPSE0000 |
| kit electrovanne d'alimentation (230 Vac) | KITVC02008 | KITVC02008 | KITVC02008 | KITVC02012 | KITVC02040 | KITVC02040 | KITVC02040 |
| kit electrovanne de drainage (230 vac) | 13C499A044 | 13C499A044 | 13C499A044 | 13C499A044 | KITPSE0000 | KITPSE0000 | KITPSE0000 |
| kit raccords vidange | KITRACC000 | KITRACC000 | KITRACC000 | KITRACC000 | -- | -- | -- |
| kit tuyaux internes * | UEKT000005 | UEKT000005 | UEKT00000M | UEKT00000M | UEKT0000XL | UEKT0000XL | UEKT0000XL |
| Cylindres non ouvrants | |||||||
| 200...230 VAC 3~,conductivité 350...1250μS/cm | BLOTRB00H1 | BLOT1B00H1 | BLOT2B00H0 | BLOT3B00H0 | BLOT4C00H0 | BLOT4B00H0 | -- |
| ≥400 VAC 3~,conductivité 350...750 μS/cm | -- | BLOT1C00H0 | BLOT2C00H0 | BLOT3C00H0 | |||
| ≥400 VAC 3~,conductivité 350...1250 μS/cm | BLOTRD00H0 | BLOT4D00H0 | BLOT4D00H0 | BLOT4C00H0 | |||
| Partie électronique | |||||||
| Carte de contrôle ver. CP ** | CP** | ||||||
*: specificare kg/h, tensione di alimentazione, opzioni
: il est nécessaire de couper les tubes à la mesure désirée avant l'installation
Les pièces de rechange suivantes sont fournies séparément de l'humidificateur standard, c'est-à-dire qu'elles doivent être commandées à part.
Pièces de rechange pour des applications spéciales
| MODELE | KUETR* KUET1* | KUET2* KUET3* | KUET4* | (25Kg/h) | KUET4* (35Kg/h) | KUET4* (45Kg/h≥400V) | |
| Cylinders non ouvrants | |||||||
| 200...230 VAC 3~, conductivité 125...350 μS/cm | BLOTRA00H1 | BLOT1A00H1 | BLOT2A00H0 | BLOT3A00H0 | BLOT4B00H0 | BLOT4B00H0 | |
| 400 VAC 3~, conductivité 125...350 μS/cm | BLOTRC00H1 | BLOT1A00H1 | BLOT2B00H0 | BLOT3B00H0 | BLOT4C00H0 | BLOT4C00H0 | BLOT4B00H0 |
| 400 VAC 3~, conductivité 350...750 μS/cm | BLOTRD00H1 | BLOT1C00H1 | BLOT2C00H0 | BLOT3C00H0 | BLOT4D00H0 | BLOT4D00H0 | BLOT4C00H0 |
| 400 VAC 3~, conductivité 750...1250 μS/cm | BLOTRD00H1 | BLOT1D00H1 | BLOT2D00H0 | BLOT3D00H0 | BLOT4D00H0 | BLOT4D00H0 | BLOT4D00H0 |
| 460 VAC 3~, conductivité 125...350 μS/cm | BLOTRL00H1 | BLOT1B00H1 | BLOT2C00H0 | BLOT3C00H0 | BLOT4D00H0 | BLOT4C00H0 | BLOT4C00H0 |
| 460 VAC 3~, conductivité 350...1250 μS/cm | BLOTRMCOH1 | BLOT1D00H1 | BLOT2D00H0 | BLOT3D00H0 | BLOT4D00H0 | BLOT4D00H0 | BLOT4D000H0 |
| 575 VAC 3~, conductivité 125...350 μS/cm | - | - | BLOT2C00H0 | BLOT3C00H0 | BLOT4D00H0 | BLOT4D00H0 | BLOT4D00H0 |
| 575 VAC 3-, conductivité 350...1250 μS/cm | - | - | BLOT2D00H0 | BLOT3D00H0 | BLOT4D00H0 | BLOT4D00H0 | BLOT4D00H0 |
| Cylindres ouvrants | |||||||
| 200...230 VAC 3-, conductivité 125...350 μS/cm | BLCTRA00W1 | BLCT1A00W1 | BLCT2A00W0 | BLCT3A00W0 | BLCT4B00W0 | BLCT4B00W0 | |
| 200...230 VAC 3-, conductivité 350...1250 μS/cm | BLCTRB00W1 | BLCT1B00W1 | BLCT2B00W0 | BLCT3B00W0 | BLCT4C00W0 | BLCT4B00W0 | |
| 400 VAC 3-, conductivité 125...350 μS/cm | BLCTRC00W1 | BLCT1A00W1 | BLCT2B00W0 | BLCT3B00W0 | BLCT4C00W0 | BLCT4C00W0 | BLCT4B00W0 |
| 400 VAC 3-, conductivité 350...750 μS/cm | BLCTRD00W1 | BLCT1C00W1 | BLCT2C00W0 | BLCT3C00W0 | |||
| 400 VAC 3-, v 350...1250 μS/cm | BLCTRD00W1 | BLCT4D00W0 | BLCT4D00W0 | BLCT4C00W0 | |||
| 400 VAC 3-, conductivité 750...1250 μS/cm | BLCT1D00W1 | BLCT2D00W0 | BLCT3D00W0 | ||||
| 460/575 VAC 3-, conductivité 125...350 μS/cm | BLCT2C00W0 | BLCT3C00W0 | BLCT4D00W0 | ||||
| 460/575 VAC 3-, conductivité 350...1250 μS/cm | BLCT2D00W0 | BLCT3D00W0 | BLCT4D00W0 | ||||
| 460 VAC 3-, conductivité 125...350 μS/cm | BLCTRL00W1 | BLCT1B00W1 | BLCT4C00W0 | BLCT4C00W0 | |||
| 460 VAC 3-, conductivité 350...1250 μS/cm | BLCTRM00W1 | BLCT1D00W1 | BLCT4D00W0 | BLCT4D00W0 | |||
| 575 VAC 3-, conductivité 125...350 μS/cm | BLCT4D00W0 | BLCT4D00W0 | |||||
| 575 VAC 3-, conductivité 350...1250 μS/cm | BLCT4D00W0 | BLCT4D00W0 | |||||
| kit electrodes (200...230VAC 3~, 125...350 μS/cm) | KITBLCT2AO | KITBLCT3AO | KITBLCT4BO | KITBLCT4BO | |||
| kit electrodes (200...230VAC 3~, 350...1250 μS/cm) | KITBLCT2BO | KITBLCT3BO | KITBLCT4BO | KITBLCT4BO | |||
| kit electrodes (400VAC 3~, 125...350 μS/cm) | KITBLCT2BO | KITBLCT3BO | KITBLCT4CO | KITBLCT4CO | KITBLCT4BO | ||
| kit electrodes (400VAC 3~, 350...750 μS/cm) | KITBLCT2CO | KITBLCT3CO | |||||
| kit electrodes (400VAC 3~, 350...1250 μS/cm) | KITBLCT4DO | KITBLCT4DO | KITBLCT4CO | ||||
| kit electrodes (400VAC 3~, 750...1250 μS/cm) | KITBLCT2DO | KITBLCT3DO | |||||
| kit electrodes (460/575VAC 3~, 125...350 μS/cm) | KITBLCT2CO | KITBLCT3CO | KITBLCT4DO | ||||
| kit electrodes (460/575VAC 3~, 350...1250 μS/cm) | KITBLCT2DO | KITBLCT3DO | KITBLCT4DO | ||||
| kit electrodes (460VAC 3~, 125...350 μS/cm) | KITBLCT4CO | KITBLCT4CO | |||||
| kit electrodes (460VAC 3~, 350...1250 μS/cm) | KITBLCT4DO | KITBLCT4DO | |||||
| kit electrodes (575VAC 3~, 125...350 μS/cm) | KITBLCT4DO | KITBLCT4DO | |||||
| kit electrodes (575VAC 3~, 350...1250 μS/cm) | KITBLCT4DO | KITBLCT4DO | |||||
Tab. 6.g
6.5 Tableau de résolution des problèmes
Tab. 5.5
| PROBLÉME | CAUSE | SOLUTION |
| L'humidificateur ne s'allume pas | 1. absence d'alimentation électrique;2. connecteurs du contrôleur mal insérés;3. fusibles interrompus;4. transformateur en panne | 1. vérifier la protection placée avant l'humidificateur ainsi que la présence de la tension d'alimentation;2. contrôle que les connecteurs soient bien insérés dans le bornier;3. vérifier l'état des fusibles F1/F2/F3;4. vérifier que le transformateur secondaire ait 24 VAC |
| L'humidificateur ne se met pas en service | 1. contact ON/OFF à distance ouvert (relais/bornes AB - AB) sur contrôle CP2. signal de commande pas compatible avec le type programme | 1. fermer les contacts ON/OFF (relais/bornes AB - AB) sur le contrôle CP2. vérifier que le signal externe soit 0-10V |
| L'humidificateur charge de l'eau sans produit de la vapeur | 1. contre-pressions en soufflage vapeur trop elevées;2. filtré d'entrée du cylindre bouché;3. calcaire dans la cuve d'alimentation;4. mauvais fonctionnement de l'électrovanne de drainage | 1. vérifier qu'il n'y ait pas de pli ou d'étranglement au tube de souffage de vapeur;2. nettoyer le filtré;3. nettoyer la cuve d'alimentation;4. contrôle la présence anormale 24 Vac sur électrovanne de drainage et/ou remplacer électrovanne de drainage |
| L'interrupteur magnétothermique de la ligne intervient | 1. l'interrupteur magnétothermique est sous-dimensionné2. surintensité aux electrodes | 1. vérifier que l'interrupteur magnétothermique ait été dimensionné pour une valeur de courant égale à au moins 1,5 fois le courant nominal de l'humidificateur2. vérifier le fonctionnement de l'électrovanne de drainage, l'étanchéité de l'électrovanne de charge lorsqu'elle n'est pas excité, évacuer une partie de l'eau et remetre en service. |
| L'humidificateur mouille la conduite | 1. le distributeur n'est pas installé correctement (trop près du ciel de la conduite) ou bien la récapération de la condensation est entravée;2. le système est surdimentionné;3. humidificateur actif avec ventilateur en conduite étéint | 1. vérifier que l'installation du distributeur de vapeur ait été effectué correctement;2. diminuér la production de vapeur programmée sur le contrôle;3. vérifier le branchement d'un dispositif (interrupteur de débit ou pressostat différentiel) d'asservissement de l'humidificateur à la ventilation en conduite (bornes AB - AB) du contrôle CP |
| L'humidificateur mouille le sol | 1. le circuit hydraulique d'alimentation ou de trop plein présente des pertes;2. le tube de suffrage de vapeur n'est pas bien fixé au cylindre | 1. contrôle tout le circuit hydraulique;2. contrôle la fixation du collier sur le souffage de vapeur |
6.6 Alarmes
Voir la notice d'instructions +050003765 qui est partie integrente de ce manuel.
7 PRINCIPES DE FONCTIONNEMENT, RÉGLAGE ET AUTRES FONCTIONS
7.1 Principe de fonctionnement
Dans un humidificateur à electrode, la production d'humidité est obtenu à l'intérieur d'un cylindre (chauffe-eau) contenant de l'eau qui est chauffée jusqu'à atteindre et conserver l'ébullition. L'eau qui s'évapore est réintégrée automatiquement en la prélevant du réseau hydrique.
La chaleur nécessaire pour l'ébullition est obtenu en faisant passer à travers l'eau du cylindre un curant électricque; cela est possible grâce au branchement des electrodes (réseaux) immergées dans le chauffe-eau au réseau électricque.
La quantité de courant qui passé, au départ, dépend fortement du type d'eau provenant du réseau hydrique. Normalement, lorsque le cylindre est à peine mis en service, le courant est bas; toute fois, au fur et à mesure que le temps passé, la quantité de sels à l'intérieur de l'eau augmente (l'évaporation, en effet, ne transporte pas des sels). Ceci permet d'atteindre le niveau de courant nécessaire afin que la machine fournisse la quantité requise de vapeur.
À régime, le niveau de production requis est obtenu automatiquement à travers la régulation du niveau de l'eau du chauffe-eau. Ceci permet, en effet, d'obtenir des courants plus ou moins intenses.
Les sels, introduits par la compensation automatique de l'eau, se déposent en partie comme du calcaire à l'intérieur du chauffe-eau en contribuant ainsi à l'épuisement du cylindre, en partie ils se dissolvent dans l'eau. Afin d'eviter une accumulation excessive, une certaine quantité d'eau est, périodiquement et automatiquement, évacuée puis remplacee par de l'eau fraîche.
7.2 Principes de réglage
La gamme d'humidificateurs comprend les possibilités suivantes de réglage.
Réglage ON/OFF
L'action est de type tout ou rien, il est activé par un contact extérieur qui détermine donc le Point de Consigne et le différentiel de réglage.
Réglage proportionnel
La production de vapeur (quantité hora) est proportionnelle à la valeur d'un signal Y provenant d'un dispositif extérieur; le type peut être sélectionné par RS485 au moyen d'une programmation parmi les suivantes standards: 0-10 V (défaut), 2-10 V, 0-1 V. Toute l'excursion est indiquée avec BP (bande proportionnelle).
La production maximale Pmax, correspondante à la valeur maximale du signal extérieur Y, peut être programmée entre 20% et 100% de la valeur nominale de l'humidificateur (dip A3-A4).
La production minimale Pmin est fixe a 20% de la valeur nominale, avec une hysteresis d'activation donnée par al valeur hy, égale à 2% de toute l'excursion BP du signal extérieur Y.

Fig. 6.2.2.1
8 CARACTERISTIQUES TECHNIQUES
| Vapeur | |||||||||
| débit (kgh) | 1,5...3 | 1,5...3 | 1,5...3 | 1,5...3 | 5 | 5...8 | 9 | 10...15 | 25...45 |
| connexion (ø mm) | 22/30 | 30 | 40 | ||||||
| limites de la pression de soufflage (Pa) | 0...500 | 0...500 | 0...600 | 0...2300 | |||||
| Connexion | G/4 | ||
| limites de température (°C) | 1...40 | ||
| limites de pression (MPa) | 0.1...0.8 (1...8 bar, 14.5...116 PSI) | ||
| limites de durêté (°fH) | ≤ 40 | ||
| débit instantané (l/min) | 0,6 | 1,2 | 4 |
| intervalle de conductivité (μS/cm) | 125...1250 | ||
Eau de drainage
| connexion (Φ mm) | 32 | 40 |
| température typique (°C) | ≤100 | |
| débit instantané (l/min) | ~ 4 | 22,5 |
Conditions environnementales
| température ambiente de fonctionnement (°C) | 1...50 |
| humidité ambiente de fonctionnement (% rH) | 10...60 (90 non condensante) |
| température de stockage (°C) | -10T70 |
| humidité de stockage (% rH) | 5...95 |
| degré de protection (CEI EN 60529) | IP00 |
Contrôle électronique voir aussi la notice d'instructions contrôle CP cod. +050003755
| Type | CP1*, CP2*, CP3*, CP4* | CP3* |
| tension / fréquence des auxiliaires (VAC/Hz) | 24VAC(-15%...+10%) / 50...60Hz | |
| Puisance minimale auxiliaires (VA) | 30 | |
| Entrée du signal | Impédance d'entrée pour des signaux en tension 0...10 V, 2...10 V, 0...1 V: 15 kΩ | |
Caracteristiques electriques : v. feuille instructions du contrôle CP code +050003765.
MODELE
KUES1KUET1KUES2*KUET2
KUES3 KUET3
KUET4
Potentialité
| 1,5 | 3 | 1,5 | 3 | 1,5 | 3 | 1,5 | 3 | 5 | 5 | 8 | 9 | 10 | 15 | 25 | 35 | 45 | ||
| Tension nominale d'alimentation :208V-1~N cod.U | ||||||||||||||||||
| production instantanée de vapeur (1)(kg/h) | 1,5 | 3 | 1,5 | 3 | 1,5 | 3 | 1,5 | 3 | 5 | 8,7 | ||||||||
| Puisance absorbée à la tension nominale (kW) | 1,12 | 2,25 | 1,12 | 2,25 | 1,12 | 2,25 | 1,12 | 2,25 | 3,75 | 6,52 | ||||||||
| tension nominale d'alimentation :230V-1~N cod.D | ||||||||||||||||||
| Production instantanée de vapeur (1)(kg/h) | 5 | 9 | ||||||||||||||||
| Puisance absorbée à la tension nominale (kW) | 3,75 | 6,75 | ||||||||||||||||
| Tension nominale d'alimentation :208V-3~ cod.W | ||||||||||||||||||
| Production instantanée de vapeur (1)(kg/h) | 5 | 8 | 10 | 15 | 25 | 35 | ||||||||||||
| Puisance absorbée à la tension nominale (kW) | 3,75 | 6,00 | 7,50 | 11,25 | 18,75 | 26,25 | ||||||||||||
| tension nominale d'alimentation :230V-3~ cod.K | ||||||||||||||||||
| Production instantanée de vapeur (1)(kg/h) | 5 | 8 | 10 | 15 | 25 | 35 | ||||||||||||
| Puisance absorbée à la tension nominale (kW) | 3,75 | 6,00 | 7.50 | 11,25 | 18,75 | 26,25 | ||||||||||||
| tension nominale d'alimentation :400V-3~ cod.L | ||||||||||||||||||
| Production instantanée de vapeur (1)(kg/h) | 5 | 8 | 10 | 15 | 25 | 35 | 45 | |||||||||||
| Puisance absorbée à la tension nominale (kW) | 3,75 | 6,00 | 7,50 | 11,25 | 18,75 | 26,25 | 33,75 | |||||||||||
| tension nominale d'alimentation :460V-3~ cod.M | ||||||||||||||||||
| Production instantanée de vapeur (1)(kg/h) | 5 | 8 | 10 | 15 | 25 | 35 | 45 | |||||||||||
| Puisance absorbée à la tension nominale (kW) | 3,75 | 6,00 | 7,50 | 11,25 | 18,75 | 26,25 | 33,75 | |||||||||||
| tension nominale d'alimentation :575V-3~ cod.N | ||||||||||||||||||
| Production instantanée de vapeur (1)(kg/h) | 5 | 8 | 10 | 15 | 25 | 35 | 45 | |||||||||||
| Puisance absorbée à la tension nominale (kW) | 3,75 | 6,00 | 7,50 | 11,25 | 18,75 | 26,25 | 33,75 | |||||||||||
CAREL se reserve la possibite d'apporter des modifications ou des changements à ses propres produits sans aucun préavis.
NOTE:
NOTE:
Notice Facile