Zahara 125 - Scooter Tell - Notice d'utilisation et mode d'emploi gratuit
Retrouvez gratuitement la notice de l'appareil Zahara 125 Tell au format PDF.
| Caractéristiques techniques | 125 cm³, moteur 4 temps, refroidissement par air, transmission automatique |
|---|---|
| Dimensions | Longueur : 2000 mm, Largeur : 750 mm, Hauteur : 1100 mm |
| Poids | Poids à vide : 130 kg |
| Capacité du réservoir | Réservoir de carburant : 10 litres |
| Consommation | Consommation moyenne : 3,5 L/100 km |
| Utilisation | Conçu pour la conduite urbaine et les trajets quotidiens |
| Maintenance | Vidange tous les 3000 km, vérification des freins et des pneus régulièrement |
| Sécurité | Équipé de freins à disque avant et arrière, éclairage LED |
| Informations générales | Permis de conduire requis : permis A1 ou B, garantie constructeur de 2 ans |
FOIRE AUX QUESTIONS - Zahara 125 Tell
Questions des utilisateurs sur Zahara 125 Tell
0 question sur cet appareil. Repondez a celles que vous connaissez ou posez la votre.
Poser une nouvelle question sur cet appareil
Téléchargez la notice de votre Scooter au format PDF gratuitement ! Retrouvez votre notice Zahara 125 - Tell et reprennez votre appareil électronique en main. Sur cette page sont publiés tous les documents nécessaires à l'utilisation de votre appareil Zahara 125 de la marque Tell.
MODE D'EMPLOI Zahara 125 Tell
Disponible auprès de LANDI
Consignes de sécurité 33
35
Éléments de commande 36
Allumage, clé de contact et démarreur 38
Feux et clignotant 40
Compartment bagage et batterie 41
Vérification du niveau de l'huile de moteur et vidange 42
Vérification des composants 43
Freins 45
Vérifications relatives à l'essence et ravitationnement 46
Demarrage du moteur 46
Récapitulatif des erreurs 47
Conduite 47
Entretien 49
Nettoyage 54
Entreposage du vehicule 56
Plan d'entretien 57
Garantie 58
Carnet d'entretien 88
Scheme electrique 91
Import 92
Bienvenue
Vouaves des exigences,doncyouachetezde la qualite.Une qualite signee LANDI.Nous disposons pouryoude produits qui durent et qui presentent une securite absoluteresquilsontutilisescorrectement. Une conduite efficace et generalement sans risques n'est toutfois possible que si youlsisez attentivement cette notice d'utilisation et ses consignes de securiteet si youagsissez en les respectant.Conservez cette notice d'utilisationafin de pouvoirla consulter ulterieurement.
Cette notice d'utilisation fait partie du vehicule et doit toujours être jointe à celui-ci, même en cas de revente.
L'évolution permanente de la technique est susceptible d'entrainer éventuellesment des divergences optiques et/ou techniques entre votre vehicule et les descriptions contenues dans cette notice d'utilisation.
Nous you prions de respecter les consignes marquees d'un point d'exclamation ! .
Identification du vehicule
Le numero du chassis et celui du moteur sont nécessaires à l'enregistrement de votre vehicule. Nous vous recommendons d'inscrire le numero du moteur et celui du chassis dans les champs situés ci-dessous afin de pouvoir mieux identifier votre vehicule en cas de perte ou de vol.
Numéro du chassis:
Numéro du moteur:


Consignes de sécurité
Consignes de sécurité generales
- Respectez imperativement toutes les lois et reglementations du pays dans lequel vous vous trouvez.
- Lisez tout d'abord attentivement l'intégrality de cette notice d'utilisation et familiarisez-vous avec le vehicule sur des routes peu fréquentées. Tout non-respect de cette consigne est susceptible d'entrainer une perte de contrôle du vehicule et donc des accidents.
- Un grand nombre d'accidents se produit en raison d'un manque de pratique du conducteur. Avant de conduire le vehicule, assurez-vous que le conducteur dispose d'une experience suffisante et ne laissez jamais conduire une personne qui ne possède pas de permis de conduire valable.
-
Utilise ce vehicule de manière responsable. Assurez-vous que vous replissiez les criteres suivants:
-
Une personne qualifiée vous aprésenté en detail tous les aspects de l'utilisation de ce vehicule.
- Vous avez lu et compris cette notice d'utilisation et vous avez respecté les mises en garde et les consignes de sécurité.
- Vous disposez d'une formation qualifiée pour une conduite sure et correcte.
- Voiture vehicule est entretenu de façon professionnelle à l'aide de cette notice d'utilisation ou par un spécialiste) et ne presente aucun défaut.
- Un entretien non conforme et irrégulier du vehicule accroit les risques de blessures (entrainant parfois la mort) pendant la conduite et l'entretien. Si vous effectuez vous-même l'entretien du vehicule, veillez à réaliser correctement les travaux correspondant à cette opération. Dans un autre cas, confiez l'entretien de votre vehicule à un service d'assistance agrée.
- L'etat de fonctionnement du vehicule doit être contrôle avant chaque trajet (voir page 43) et tous les défauts existants doivent être éliminés.
- Ne conduisiez jamais sous l'effet de drogues, de l'alcool ou de médicaments.
- Conduisez le vehicule en fonction de la route et de la météo. Le freinage sur une route humide est dangereux: un freinage trop fort est susceptible de faire glisser le vehicule. Effectuez par conséquent un freinage progressif et prudent et respectez toujours une distance de sécurité suffisante.
Les pièces en métal, telles que les rails de tramway et de train, les plaques métalliques et les plaques d'égout deviennent très glissantes par temps humide. Roulez sur ces parties uniquement à une vitesse réduite et en tenant le vehicule droit afin de ne pas glisser.
- Veillez à ce que vous ne rouliez pas trop vite dans les virages (une vitesse trop importante serait susceptible de vous déporter trop loin) et évitez de couper les virages. Réduisez la vitesse avant de prendre un voyage et accélérez uniquement lorsque la route redevient droite.
- Vérifiez le bon fonctionnement des freins après avoir nettoyé le vehicule. Des plaquettes de frein humides sont susceptibles de nuire à la qualité du freinage. Vérifiez également le comportement du vehicule dans les virages.
- Roulez avec prudence devant les voitures déjà garées sachant que des passagers peuvent ne pas vous voir et ouvrir leur portière. Un tel événement est susceptible d'entrainer des accidents.
- En cas de conditions de circulation confuses (carrefours, obscurité, etc.), voirlez à ce que les autres usagers soient en mesure de vous voir. Ne conduisez jamais dans l'angle mort d'un autre usager.
- Ne pas fumer, boire, manger ou litre pendant la conduite.
- Le vehicule est concu pour deux personnes. Respectez néanmoins les dispositions locales relatives au transport d'un passager.
- Bloquez toujours le verrouillage de direction lorsqu'elles vous garez le vehicule.
- Respectez les règles de circulation en vigueur (vitesse, priorité, etc.).
- Mettez toujours votre clignotant avant de changer de voie ou de tourner et assurez-vous que les autres usagers comprendtent bien votre intention.
- Tenez toujours le guidon avec vos deux mains et posez vos pieds sur les repose-pieds.
- Le passager doit se tener avec ses deux mains au conducteur ou bien aux poignées de maintainier prévus à cet effet et poser ses pieds sur les repose-pieds. Ne transportez pas de passager si ces conditions ne peuvent être réunies.
- Utilisez ce vehicule uniquement pour conduire sur des routes. Il est interdit de faire du 4x4 avec ce vehicule.
Vêtements de protection:
- Portez toujours un casque certifié par un spécialiste qualifié et équipé d'une visière ou de lunettes de protection.
-
Portez également des vêtements de protection serrés: veste, chaussures fermées montant jusqu'àux chevilles, pantalons longs et gants. Optez pour des vêtements aux couleurs vives ou refléchissants qui aideront les autres usagers à vous voir.
-
Protégez vos jambes, vos chevilles et vos pieds de brûlures susceptibles d'être provoquées par des pieces brûlantes (moteur, pot d'échéppement, etc.).
- Assurez-vous que le passager respecte également ces consignes.
Prévention d'intoxications au monoxyde de carbone:
Les gaz d'échévement du vehicule contiennent du monoxyde de carbone. Le monoxyde de carbone est susceptible de provoquer des symptômes tels que des maux de tête, des vertiges, des étourdissements, des nausees, des confusions, voire d'entrainer la mort. Le monoxyde de carbone est incolore, inodore et dénué de goût. Il peut demeurer dans des pieces fermées et/ou mal aérées pendant des périodes prolongées.
- Évitez de respirer les gaz d'échéppement.
- Si vous ressentez l'un des symptômes mentionnés, quitterez immédiatement la piece dans laquelle vous vous trouvez, sortez respirer de l'air frais et demandez l'aide d'un medecin.
Laissez tournier le moteur dans des pieces fermées et mal aérées uniquement pendant de très courtes périodes (par exemple pour entrer dans un garage). La concentration en monoxyde de carbone est susceptible d'atteindre un niveau dangereux très rapidement en dépit de l'utilisation de ventilateurs et de l'ouverture de fenêtres.
- Laissez tourner le moteur en milieu extérieur et voirlez à ce que les gaz d'échéppement ne puissant pas pé-nétrer dans unBATIMENT par des ouvertures (portes et fenêtres).
Bagages:
Notez que le transport de bagages est susceptible d'influer sur la stabilité et la tenue de route de votre vehicule. Soyez donc prudent lorsque vous conduisez avec des bagages supplémentaires.
- Les bagages doivent toujours être solidement fixés.
Fixez les bagages avec un élastique ou une corde. Assurez-vous que les bagages (également les contenus d'une valise ou autres bagages similaires) ne peuvent pas bouger afin d'empêcher tout déséquilibre soudain. - N'emportez jamais de bagages dont le poids dépasse la charge admissible maximale (voir caractéristiques techniques). Risque d'accident! Charge admissible
maximale: poids total du conducteur, du passager, des accessoires et des bagages.
- Répartissez bien le poids des bagages des deux côtes du vehicule.
- Veillez à ce que vous posiez les bagages lourds le plus après possible du centre de gravité du vehicule.
- Contrôlez les accessoires et les fixations des bagages à intervalles réguliers.
- Ne fixez jamais de bagages grands ou lourds sur le guidon.
- Il est interdirit de fixer une remorque ou un side-car à ce vehicule.

ATTENTION
Ce signe indique les mesures de précaution spécifiques dont le non-respect est eventuellement susceptible d'endommager des pieces du vehicule.

AVERTISSEMENT
Ce signe indique les mesures de précaution spécifiques dans des situations très dangereuses dont le non-respect est eventuèlement susceptible de cause des blessures graves ou mortelles.
\section*{Caracteristiques techniques}
| Cylindrée | 124.6cm3 | 80 cmLargeur total |
| 1 cylindre 4 tempsMoteur | 126cmHauteur total | |
| ø52.4x57.8 mmAlésage x course | 12cmGarde au sol | |
| 6.3kW/7500r/minPuisance maximale | 125cmEmpattement | |
| 8.3N m/6500r/minCouple maximal | 90/90-12Dimension d | |
| 9.5:1Rapport de compression | 3.5-10Dimension du | |
| CarburateurPréparation du mélange | DisqueFrein avant | |
| C.D.IAllumage | 19cmøFrein avant | |
| Électrique & Kick de démarrageDémarreur | TambourFrein arrêté | |
| Pompe à huileLubrification du moteur | 11cmøFrein arrêté | |
| AirRefroidissement du moteur | 155kgCharge totale | |
| Automatic CVTBoîte de vitesses | 3kgCharge admi | |
| CourroieTraçancesadmissible max. comportiment bagage | 10kg | |
| CentrifugeEmChayggadmissible max. crochet portecasque | 1.5kg | |
| ca.106kgPoids à vide | 7.0ICapacité du | |
| 72.5cmHauteur de la selle | YTX7A-BSType de batte | |
| 184cmLongueur totale |
Éléments de commande

- Commande du frein arrêté
- Interrupteur des clignotants, des faux de route et de l'avertisseur sonore
- Tableau de bord
- Bouton des phares et démarreur électriche
- Poignée d'accelération
- Commande du frein avant
- Serrure de contact
- Crochet portecasque
- Batterie
- Kick de demarrage
- Béquille latérale
- Béquille centrale
- Raccord du réservoir sous la selle


Tableau de bord
1. Compteur (kilometres)
Il indique la distance déjà parcourue en kilometres.
2. Compteur de vitesse
Il indique la vitesse du vehicule. Le cercle extérieur indique les kilométres par heures et le cercle interieur les miles par heures.
3. Témoin des feuix de route
Il s'éclaire lorsque vous allumez les feuels de route.
4. Témoin de contrôle des clignotants
Il clignote lorsque vous mettez le clignotant.
5. Jauge d'essence
Elle indique le niveau d'essence. Le réservoir ne contient plus que 1.01 environ d'essence si l'indicateur se trouve dans la zone rouge. Ravitaillez le vehicule le plus vite possible.

ATTENTION
Le réservoir ne doit jamais être entiement vide.
6. sans function

Allumage, clé de contact et démarreur
Allumage
Demarrage du moteur
Introduisez la piece latérale de la clé de contact dans la serrure de contact croite et tournez-la sur la position « OPEN ». Insérez à présent la clé dans la serrure de contact et tournez-la sur la position souhaïée.
Piecelaterale

Clé de contact

Verrouillage de direction: Tournez le guidon vers la gauche jusqu'à la butée. Mettez ensuite la clé dans la serrure de contact et appuyez ou tournez-la sur la position du verrouillage de direction. Retirez alors la clé.
Pour débloquer le verrouillage de direction, tournez la clé sur la position «Marche» (2).

Mise en marche de l'allumage: Mettez la clé dans cette position afin de démarrer le moteur. La clé ne peut pas être retiree.

Arrêt de l'allumage: L'allumage est arrêté et la clé peut être retiree.

ERTISSEMENT
tournez pas la clé de contact sur la position
ou lorsque le vehicule est en mouvement sous peine de ne plus pouvoir le diriger correctement et d'en perdre le contrôle.

Arret du moteur
Tournez la clé de contact sur la position et ré-tirez-la. Introduisez la piece latérale de la clé de contact dans la serrure de contact douite et tournez-la sur la position «SHUT».

ATTENTION
Utilisez le verrouillage de direction afin de protégger le vehicule contre le vol.
N'utilisez pas le verrouillage de direction si vous vous arrêtez pendant votre trajet (par exemple au feu rouge et au passage à niveau).
Clé de contact
Votrecvhicule est equipede deux clés de contact identiques.
Conservez la seconde clé de contact en lieu sur.
Démarre électrique
Tournez tout d'abord la clé de contact sur la position «Marche» pour démarrer le moteur et faites basculer l'interrupteur d'allumage sur la position «Marche».
Actionnez le frein arrête ou avant, puis appuyez sur le démarreur électric et tournez eventuellement la poignée d'accelération dans votre direction.
ATTENTION
Afin de ne pas endommager le moteur, relâchez le bouton du démarreur électrique dés que le moteur a démarré et n'appuyez pas sur le bouton pendant que le moteur tourne.
Lemoteurdémarreuniquementsilefreinarriereou avant est actionné.

Démarreur électrique
Kick de demarrage
Le kick de démarriage se trouve du côte gauche du vehicule.
Tournez tout d'abord la clé de contact sur la position «Marche» (2). Posez le vehicule sur sa béquille centrale et appuyez fort sur le kick de démarrage.
Essayez une nouvelle fois en appuyant plus fort si le moteur ne démarre pas.
ATTENTION
!Après le démarrage du moteur, relevez à nouveau le kick de démarrage pour ne pas l'endomagerpendantla conduite.
Démarrez votre moteur d'après une seule méthode. Un démarrage du moteur en appliquant les deux méthodes simultanément pourrait l'endommager.

Kick de démarrage
Feux et clignotant
Lorsque l'allumage / le moteur est mis en marche, les deux s'allument automatiquement.
L'unité de commutation à gauche permet de commuter entre deux de croisement et deux de route.

Feux de route

Feux de croisement

Appuyez sur cette touche pour actionner l'avertisseur sonore.

Clignotant
Utilisez le clignotant lorsque vous tournez ou changez de voie.
Déplacez le clignotant vers la gauche pour clignoter vers la gauche ou déplacez-le vers la droite pour clignoter vers la droite.
Une fois que vous n'avez plus besoin de clignoter, appuyez sur l'interrupteur pour eteindre le clignotant.
Le clignotant est eteint dans cette position.

Compartment baggage et batterie
Compartment baggage
Le compartment bagage se trouve sous le siège.
Pour ouvrir le compartment bagage, insérez la clé dans la serrure de contact et tournez la clé sur la position du verrouillage de direction sans abaisser la clé. Vous pouvez à présent ouvrir le compartment bagage.
Pour referrer le compartment bagage, abaissez le siège jusqu'à ce qu'il soit bien enclenché.

ATTENTION
Charge maximaledu compartimentbagage:10kg Assurez-vous que la serrure de la selle est bien enclenchee.
La température du moteur devient très élevé. Par conséquent, ne conservez pas d'objets humides ou sensibles à la chaleur, de denrées alimentaires ni de substances inflammables dans le compartment bagage.
Ne conservez pas d'objets précieux dans le compartment bagage.
Retirez tous les objets lorsque vous lavez le vehicule afin de les protégger de l'eau.
Il est possible que certains casques ne puissant pas se ranger dans le compartment bagage en raison de leur taille ou de leur forme.



Batterie
La batterie du vehicule est un modele 12 V/6 A qui ne nécessite aucun entretien. Elle se trouve sous le marchepied.
Démontage de la batterie: voir page 53.

Boitier de la batterie

Vérification du niveau de l'huile de moteur et vidange
Vérification du niveau de l'huile de moteur
Placez le vehicule sur une surface plane en le maintainant sur sa bequille centrale.
Vérifiez le niveau d'huile en retardant la jauge, nettoyez-la avec un chiffon et réintroduisez-la (ne pas visser).
Retirez à nouveau la jauge et relevez le niveau d'huile.


Le niveau d'huile ne doit pas se trouver au-dessous de la marque inférieure ni au-dessus de la marque supérieure.
Si le niveau d'huile est trop bas, remettez de l'huile pour moteur à 4 temps.
Vidange d'huile de moteur
Effectuez toujours une vidange conformément au plan d'entretien.
- Placez le vehicule sur sa bequille centrale et coupez le moteur pendant environ 2-3 minutes.
- Devisserz la jauge d'huile.
- Posez un bac pour huile usagée sur le sol au-dessous du bouchon de vidange.
- Retirez le bouchon de vidange et laissez s'écouler l'huile usagée dans le bac.
AVERTISSEMENT: L'huile est brûlante!
- Vissez le bouchon de vidange et serrez-le à fond.
- Remettez de l'huile neue pour moteur à 4 temps dans l'ouverture de remplissage.
AVERTISSEMENT: L'huile ne doit pas dépasser la marque supérieure de la jauge!
- Vissez la jauge d'huile. Allumez le moteur pendant environ 2-3 minutes sans accelerer. Vérifiez si de l'huile coule. Resserrez le bouchon de vidange, le cas échéant.
- Coupez le moteur et vérifie le niveau d'huile (voir plus haut).
ATTENTION: L'huile ne doit pas dépasser la marque supérieure de la jauge!

ATTENTION
Un niveau d'huile trop important ou insuffisant est susceptible de nuire à la puissance du moteur.
Utilisez uniquement l'huile recommandaee sous peine d'endommager le moteur.
Filtrez l'huile neuve si nécessaire avant de procéder au remplissage.
Assurez-vous que l'huile ne coule pas dans la boite de vittesses.
Contrôlez si le joint du bouchon de vidange est endommagé et remplacez-le, le cas échéant.
Capacité: 0.91
Vidange: 0.75
Huile recommandée: SAE10W/40
Vérification des composants
Guidon
Posez le vehicule sur sa bequille centrale et veillez à ce qu'il ne puisse pas se renverser. Vérifiez que le guidon peut se déplacer sans rencontres de problèmes.
Feu de stop
Faites passer l'allumage en position «Marche» et actionnez les freins à tour de role. Le feu de stop doit s'allumer lorsque vous actionnez les freins. Vérifiez que le verre de protection ne soit ni sale ni défectueux.
Clignant
Faites passer l'allumage en position «Marche» et mettez le clignotant gauche, puis le clignotant droit. Le clignotant respectif doit clignoter et l'indicateur doit s'éclairer.
Phares et feuux arrirée
Allumez les feux et vérifie que les phares, les feux arrirée et leurs indicateurs respectifs s'éclairent.
Retroviseurs
Vérifiez que les rétroviseurs neprésent ni saletés ni dommages et ajustez-les en fonction de vos besoins.
Poignée d'accelération
Vérifiez le jeu du cable et le bon fonctionnement de la poignée d'accelération. Faites régler le jeu du cable par un service d'assistance/agree si nécessaire et lubrifiez le boîtier de la poignée et du cable.
Compteur de vitesse
Vérifiez le bon fonctionnement du compteur de vitesse.
Avertisseur sonore
Faites passer l'allumage en position «Marche» et actionnez l'avertisseur sonore afin de vérifier son bon fonctionnement.
Pot d'échéppement
Vérifiez que toutes les vis sont bien serrées. Démarrez le moteur et vérifiez que le pot d'échéppement ne produit pas de bruits inhabituels.
Amortisseurs
Contrôlez les amortisseurs en appuyant à tour de role sur le guidon et le siège plusieurs fois et en réduisant la pression exercée.
Plaque d'immatriculation
Vérifiez que la plaque d'immatriculation soit bien fixée et qu'elle ne puisse pas se décrocher.
Béquille centrale et béquille latérale
Verifiez le bon fonctionnement de la bequille centrale et de la bequille laterale. S'il est impossible de replier correctement les bequilles, elles pouraient toucher le sol pendant votre trajet et entraîner par conséquent une éventuelle perte de contrôle par distraction.
Instruments, faux, signaux et interrupteurs
Vérifiez le bon fonctionnement de tous les instruments et eliminez les dysfonctionnements évientuels.
Dysfonctionnements existants
Verifiez que tous les dysfonctionnements sont eliminés.
Pneus
Vérifiez la pression des pneus ainsi que leurs sculptures et contrôle si vos pneus présente des éclats ou d'autres dommages. Changez les pneus en cas de dommages ou si leurs sculptures ne correspondent pas à la profondeur minimale.
Pression des pneus:
Avant et arrriere: de 210 kPa (2.1 bar) à 240 kPa (2.4 bar) en fonction de la charge
ATTENTION
Vérifiez la pression des pneus immédiatement après votre trajet, mais laissez-les tout d'abord refroidir complètement.
Profondeur minimale des sculptures:
Avant et arriere: 1.6 mm
ATTENTION
Les réglementations légales nationales s'appliquent en priorité.
AVERTISSEMENT
Une pression trop faible des pneus accélere leur usure et peut entraîner une perte de sécurité et de stabilité pendant la conduite.
Les pneus défectueux et usés doivent être remplacés par un service d'assistance/agree.
Freins
Vérification des freins avant et arrière
La liberté de jeu des commandes des freins avant et arrrière doit être compris entre 10 et 20 mm.
La liberté de jeu désigne la distance qui permet de serrer les freins jusqu'à ce que la force de freinage soit exercée.
Les commandes des freins doivent pouvoir etre serrees sans le moindre probleme.
Testez la force de freinage sur une surface plane en poussant doucement le vehicule et en appuyant sur les freins.

AVERTISSEMENT
Si la liberté de jeu n'est pas comprise entre 10 et 20mm ,il est interdit d'utiliser le vehicule et necessaire de le faire vérifier par un service d'assistance agreé.
Liquide de frein (roue avant)
Il est recommandé d'utiliser uniquement le liquide de frein DOT4. N'utilise pas de liquide résiduel car celui-ci absorbe l'eau de l'air.
Ne vaporisez pas le liquide de frein sur la carrosserie ou sur les pieces en plastique. Une telle opération serait susceptible de provoquer la corrosion des matériaux.
Vérifiez le niveau du liquide de frein. Celui-ci doit se couver entre la marque supérieure et inférieure. Remettez du liquide de frein, le cas échéant.
Nous recommendons de faire remplacer le liquide de frein tous les 2 ans et les conduites de frein tous les 4 ans par un service d'assistance agreé.

Capacité minimale

Limin d'abrasion maximale
Sabots de frein (roue avant)
Vérifiez l'abrasion des sabots de frein et faites les remplacer par des modèles neufs si nécessaire.
Réglez le frein (roue arrière)
Le frein à tambour se regle sur la commande de frein de la roue arrrière en déplaçant la vis d'ajustement (1).
ATTENTION
Pour vous securite,seul un service d'assistance agree ou des entreprises qualifiées sont autorisés à proceeder à des opérations sur le systeme de freinage.
Si les sabots de frein viennent d'être replacés, vérifie les freins avant et arrêté tel que décrit plus haut avant de conduire le vehicule.

Vérifications relatives à l'essence et ravitationnement
Si laJAuge du reservoir atteintla quantite minimale, la quantite d'essence restante est d'environ 1.0 I.
Avant de ravitailler le vehicule, eteignez le moteur et assurez-vous que personne n'est assis sur le scooter.
Le réservoir se trouve sous le siège.
Ravitaillez le vehicule uniquement avec de l'essence sans plomb. Cela permettra d'optimiser le fonctionnement du vehicule et de prolonger sa durée de vie. Une essence non normalisée ou de mauvaise qualite peut endommager le vehicule et provoquer des accidents.
Ne replissez pas le réservoir de façon excessive. Le niveau d'essence ne doit pas dépasser le bord inférieur de la tubulure de replissage sous peine de faire déborder l'essence en cas de rechauffement.

Démarrage du moteur
Familiarisez-vous tout d'abord avec l'allumage et le démarreur (voir page 38).
Avant de démarrer le moteur, vérifie si le vehicule contient une quantité suffisante d'essence, d'huile de graissage et d'huile de moteur.
Introduisez la piece latérale de la clé de contact dans la serrure de contact droite et tournez-la sur la position « OPEN ». Insérez à présent la clé dans la serrure de contact et tournez-la sur la position «Marche»
Allumez le moteur avec le démarreur électrique ou le kick de démarrage conformément aux instructions de la notice à la page 39.
Actionnez le frein arrriere ou avant, puis appuyez sur le démarreur électriche et tournez eventuellement la poignée d'accelération dans votre direction.
Si le moteur est froid, notamment l'hiver, tournez la clé de contact sur la position «Marche» et actionnez légerement la poignée d'accélération pendant que vous appuyez sur le bouton du démarreur.
ATTENTION
La jauge du réservoir doit rester au-dessous de la limite maximale sous peine de faire deborder l'essence.
N'allumez pas le moteur sans avoir correctement fermé le couvercle.
Essuyez immidiatement l'essence renversée avec un chiffon propre, sec et doux. L'essence peut attaquer les surfaces vernies et les pieces en plastique.
AVERTISSEMENT
L'essence et ses vapeurs sont toxiques et facilement inflammables. Ne fumez jamais pendant le ravitationnement et eliminez les sources détincelles, les flammes nues ou d'autres sources d'inflammation (par exemple la flamme d'alumage d'un seche-linge et la veilleuse d'un chauffe-eau) situées dans les environs.
Ne jamais respirer ni avaler de l'essence et détournez toujours votre regard de cette-ci. Lavez bien votre peau à l'eau et au savon si elle est entree en contact avec de I'essence.
Changez de vêtements si vous peau est entrée en contact avec de l'essence.
Lorsque le moteur est chaud, démarrez-le conformément aux instructions sans toutefois actionner la poignée d'accelération.
Attention
Afin de ne pas endommager le moteur, relâchez le bouton du démarreur électrique dés que le moteur a démarré et n'appuyez pas sur le bouton pendant que le moteur tourne. N'accélérez pas trop fort si le moteur est encore froid.
Ne laissiez pas tournier le moteur pendant une période prolongée sans conduire le vehicule.
Ne démarrez jamais le moteur dans des pieces fermées.
N'appuyez pas plus que 5 secondes sur le bouton du démarreur afin de menager la batterie. Si le me tueur ne démarre pas, patientez 15 secondes avant d'appuyer à nouveau sur le bouton du démarreur.
Le vehicule ne peut pas demarrer si la bequille laterale n'est pas repliee.
AVERTISSEMENT
Ne démarrez jamais le moteur lorsque le vehicule se trouve sur sa béquille centrale sous peine de voir celui-ci bondir vers l'avant. Replies la béquille centrale uniquement lorsque le moteur tourne.
Récapitulatif des erreurs
Si vous rencontres des problèmes lors du démarriage du moteur ou si la puissance de ce dernier est insuffisante, vérifie les composants suivants:
ATTENTION
! En cas d'incertitude, prenez contact avec un service d'assistance agréé. Il dispose en effet des salariés technologies et d'un équipement spécifique qui permettra à son réseau de proposer une assistance optimale.
1. Vérification du niveau d'essence
Verifiez si le réserve contient une quantite d'essence suffisante. Si oui, vérifie z le compresseur. Dans le cas contraire, ravitaillez le vehicule et tentez a nouveau de demarrer le moteur. Si le moteur ne demarre toujours pas, vérifie le comprasseur.
AVERTISSEMENT
L'essence et ses vapeurs sont toxiques et facilement inflammables. Ne fumez jamais pendant le contrôle et eliminez les sources d'étincelles, les flammes nues ou d'autres sources d'inflammation (par exemple la flamme d'allumage d'un seche-linge et la veilleuse d'un chauffe-eau) situées dans les environs.
2. Verification de l'allumage
Retirez la bougie et contrôle les electrodes. Si les electrodes sont humides, sechez-les avec un chiffon et rectifiez l'écart entre les electrodes. Vérifiez si la bougie d'allumage à une étincelle d'allumage. Mettez pour ceci la bougie d'allumage dans son état demontée dans le capuchon de bougie, tener la partie inférieure de la bougie d'allumage à la mise à la terre (partie dénudée au bloc moteur) et confirmer le démarreur electrique (Attention haute tension, tener le capuchon de bougie à l'isolement). Si le moteur ne démarre toujours pas, vérifie la batterie. Si les electrodes sont sèches, faites vérifier le vehicule par un service d'assistance/agréé.
3. Verification de la batterie
Actionnez le démarreur électronique. Si le moteur tourne rapidement, la batterie est en bon état. Si le moteur a du mal à tourner, vérifie les raccords de la batterie. Rechargez la batterie si nécessaire. Si le moteur ne démarre toujours pas, faites vérifier le vehicule par un service d'assistance agrée.
Conduite
AVERTISSEMENT
Avant de conduire le vehicule, vérifiez les composants, garantisse la sécurité nécessaire et allumez les feuX.
Replier la bequille centrale ainsi que la bequille laterale et s'asseoir sur la selle
Repliez la béquille principale en actionnant la commande du frein arrrière avec la main gauche et en poussant le vehicule vers l'avant avec la main droite qui se tient au siège.
Une fois le vehicule garé à l'aide de la béquille latérale du côte gauche, maintenez-le en position droite et repliez la béquille latérale.
La béquille laterale et la béquille centrale doivent être entièrement reliées pendant que vous conduisez. Lorsque vous estes assis sur le vehicule, vérifie les rétroviseurs et réajustez-les si nécessaire.
Relâchéz le frein et conduisez le vehicule.
Après avoir démaré le moteur, relâchéz prudemment la commande de frein.
Faites attention aux autres usagers de la route lorsqu'youe conduisez le vehicule.
AVERTISSEMENT
Ne relâchéz jamais la commande de frein d'une manière soudaine pendant que vous actionnez la poignée d'accelération sous peine de faire sac-cader le vehicule.
Accélération
Accélérez progressively en tournant prudem- ment la poignée d'accelération dans votre direction. Évitez d'accélérer brusquement ou d'effectuer des trajets en accélérant à fond afin d'économiser du carburant, de préserver le moteur et de respecter l'environnement.
AVERTISSEMENT
Conduisez avec prudence par temps plouvieux. La chausse est humide et glissante et la distance de freinage plus longue. Reduisez your vitesse, respectez la distance de sécurité et soyez prudent lors du freinage.
Coupez la poignée d'accelération et freine en serrant simultanément les frein avant et arrêté et en exerçant une force progressivement croissante.
Sollicitez le moteur à plein régime uniquement une fois qu'il est chaud.
Freinage
Actionnez toujours simultanément les freins avant et arrêtre pour freiner pendant votre trajet.
Freinez toujours en douceur et non d'une maniere brusque.
Plus vous roulez vite, plus longue sera la distance de freinage. La distance de freinage est également plus longue si les routes sont humides et glissantes. Veillez donc toujours à garder une distance de sécurité suffisante entre vous et l'usage de devant.
AVERTISSEMENT
Un freinage brusque constitue la cause d'accident la plus fréquence. Évitez de freiner d'une façon seche et soudaine (le vehicule pourrait déraper ou se renverser). Freinez d'une façon particulièrement prudente lorsque vous vous étés penché d'un côte ou lorsque la route est humide. Un freinage en descente peut être très dangereux et difficile. Conduisez donc à une vitesse raisonnable.
Période de rodage
Pour roder le moteur de façon optimale, respectez les consignes suivantes pendant les 1000 premiers kilomètres.
0 à 150 km:
Accelerez a 30% maximum. Veillez a ne pas toujours conduire enmaintenant la poignee d'accélération dans la même position. Variez votre vitesse.
150 à 500 km: Accélérez à 50% maximum.
500 à 1000 km: Accélérez à 75% maximum.
À partir de 1000 km: Variez votre vitesse et ne conduisez pas en accélérer à fond en permanence.
ATTENTION
Si des problèmes liés au moteur survient pendant la période de rodage, faites immédiatement vérifier le vehicule par un service d'assistance agrée. Veillez à ce que vous nouveau moteur ne soit pas trop sollicité ni en surchauffependant les 1000 premiers kilomètres.
Evitez de faire de longs trajets en accélérer à fond ou de conduire en maintainant toujours la poignée d'accelération dans la même position.
Stationnement
Garez-vous à l'emplacement de votrechoix,eteignez lesfeux et tournez lacle sur la position «Arret» Depliez la bequille centrale et la bequille laterale. Assurez-vous que le vehicule ne peut pas re nverser au moment d'utiliser la bequille laterale.
Tournez le guidon vers la gauche jusqu'à la butée. Mettez ensuite la clé dans la serrure de contact et appuyez ou tournez-la sur la position du verrouillage de direction. Retirez alors la clé. Introduisez la piece laterale de la clé de contact dans la serrure de contact croite et tournez-la sur la position « SHUT »
AVERTISSEMENT
Le pot d'échévement chauffe pendant l'utilisation du vehicule. Risque d'incendie et de brûlle! Laissez d'abord refroidir le pot d'échévement et les autres pieces du moteur avant de les toucher. Ne garez jamais le vehicule à proximate de substances inflammables (herbe, essence, etc.). Veillez à ce que les passants ne touchent pas les pieces brûlantes par inadvertance.
Ne garez pas le vehicule sur un terrain escarpé ou humain. Une chute du vehicule peut entraîner un écoulement de l'essence etprésenter ainsi un risque d'incendie élevé.
Entretien
Votre vehicule doit faire I'objet d'un entretien à intervalles réguliers. Les opérations d'entretien non réalisés dans les règles de l'art conformément aux instructions de cette notice augmentent le risque de provoquer un accident ou l'endommagement du vehicule.
S'il existe un problème qu'il est impossible de résoudre à l'aide de cette notice, il est alors interdit d'utiliser le vehicule qui doit être vérifié par un service d'assistance/agree.
En l'absence d'autre indication, eteignez le moteur avant I'entretien et laisserze-le refroidir. Le non-respect de cette consigne est susceptible d'entrainer des blessures dues, entre autres, a des décharges electriques, des incendes, des parties du corps et des vêtements emportés.
Veuillez respecter le plan d'entretien tel qu'il figure à la page 57.
Niveau de l'huile de graissage et vidange
Placez le vehicule sur sa bequille centrale et coupez le moteur pendant environ 2-3 minutes. Verifiez le niveau de l'huile de graissage en retardant le bouchon de replissage. Le niveau d'huile doit atteindre directement le filetage. Autrement dit, l'huile doit s'écouler de l'ouverture lorsque le vehicule est place en position droite. Reversez de l'huile de graissage propre dans l'ouverture de replissage si nécessaire.
Changez l'huile de graissage tous les ans ou tous les 4000 kilométres. En cas de conditions difficiles, nous vous recommendons de changer l'huile de graissage plus souvent.
Vérifiez si la boite de vitesses présente une fuite.
Capacité: 0.12|
Vidange: 0.121. Huile recommandée: GL-5 85W/90 ou 80W/90

Bouchon de vidange | Ouverture de replissage
ATTENTION
Un niveau d'huile trop important ou insuffisant est susceptible de nuire à la puissance du moteur. Utilisez uniquement l'huile recommandaee sous peine d'endommager le moteur.
Lubrification
Les composants du vehicule doivent etre lubrifiés a intervals réguliers afin d'eviter leur usure précoe. Pour ce faire, consultez les illustrations ci-dessous.
Nous recommendons de lubrifier les composants après une longue période de conduite ou après un trajet par temps pluvieux.
Y Bombe de graphite
Z Graisse tous usages

1 Boulon de la commande du frein arrriere et tire-cable
2 Boulon de contact et ressort de la bequille latérale
3 Boulon de contact et ressort de la bequille centrale
4 Commande du compteur de vitesse
5 Cable d'acceleration
6 Boulon de la commande du frein avant
7 Axe du compteur de vitesse

Bougie
Enlevez les résidus sur la bougie à l'aide d'une Brosse métallique ou d'un nettoyant pour bougie pendant les 1000 premiers kilomètres conformément au plan d'entretien.
Utilisez un outil spécial afin de regler l'ecart entre les deux electrodes des bougies. Cet écart doit être compris entre 0.6 et 0.7 mm.
Remplacez la bougie tous les 8000km

ATTENTION
Utilisez uniquement des bougies correspondant au modele indique.
La bougie ne doit pas etre serree trop fort.
Veillez à ce qu'aucun objet ne tombe à l'intérieur du moteur lorsque vous procédez au remplacement de la bougie.

Modèle: CR7HSA ou similaire
Carburatour
Le carburateur est reglé de façon optimale en usine. Seul le cable d'accelération et le régime de ralenti doivent eventuèlement faire l'objet d'un réglage.
Régime de ralenti:
- Laissez chauffe le moteur.
- Serrez la vis dans le sens des aiguilles d'une montre pour augmenter le régime de ralenti. Serrez la vis dans le sens inverse des aiguilles d'une montre pour réduire le régime de ralenti.
Réglez le régime de ralenti de telle sorte que le moteur tourne tranquillement lorsqu'il est chaud (environ 1400 tr/min).


ATTENTION
Modifiez le régime de ralenti uniquement si le moteur est complètement chaud.
Réglage du cable d'accelération:
- Desserrez la vis de blocage.
- Reglez la vis de réglage sur un jeu compris entre 0.5 et 1.0 mm sur la poignée d'accelération.
- Serrez à nouveau la vis de blocage après avoir régèle la vis de réglage.

ATTENTION
!Après avoir regle le jeu, vérifie si la poignee d'acceleration peut etre tournée sans rencontre de probleme.

Feux
Ampoules:
Remplacez les ampoules defectueuses conformement aux caractéristiques suivantes:
| Lumière incidente/ de croisement | H4 12V 35W/35W |
| Feux de position LED | |
| Feux arrêté / Feux de stop 12V 5/21W | |
| Clignotant avant/arrêté 12V 10W orange | |
| Éclairage de la plaque d'immatriculation | 12V 5W |
Réglage du phare:
Une vis se trouve au-dessous du phare pour régler la hauteur.

Remplacement des feuix arrirere et des feuix de stop:
- Retirez le chassis chromé en desserrant la vis de fixation centrale (1).
- Retirez le feu arrière dans son intégralité en desserrant les 4 vis de fixation (2).
- Remplacez les ampoules.
- Reposez correctement toutes les pieces en procédant aux opérations dans l'ordre inverse une fois le remplacement effectué.


ATTENTION
Vissez le chassin chromosome sans serrer trop fort.
Remplacement des ampoules des phares:
Retirez le cache des phares ainsi que le manchon en caoutchouc et remplacez l'ampoule. Pour ce faire, il est nécessaire de dévisser ou démonter les pieces suivantes: 2 vis dans la partie supérieure à côté du tableau de bord (1), 2 vis de fixation du cache (en bas) (2), 2 vis sur le côté de la barre de direction au-dessous du phare (3), 1 vis à l'avant en position centrale au-dessous du phare (4) et deux rétroviseurs.

ATTENTION
Le rétroviseur croit présente un filetage à gauche.


Reposez correctement toutes les pieces en procédant aux opérations dans l'ordre inverse une fois le remplacement effectué.

ATTENTION
Utilisez un chiffon propre afin d'éliminer les résidus de saleté et d'huile.
Ne touchez jamais le verre de l'ampoule du phare.
Fusible
Eteignez l'allumage et vérifie le fusible principal situé dans le bac à batterie.

ATTENTION
N'utilissez pas de fusible représentant une intensité supérieure à celle du fusible d'origine sous peine de provoquer des courts-circuits ou des dysfonctionnements.
Clignotant
Remplacement du clignotant avant:
Retirez le cache median de l'avant. Pour ce faire, desserrez les 2 vis de fixation inférieures (1) et supérieures (2). Il est a present possible de tirer le cache vers le bas. L'espace cree permet d'acceder librement aux clignotants. Remplacez les ampoules. Reposez correctement toutes les pieces en procedant aux operations dans I'ordre inverse une fois le remplacement effectue.

ATTENTION
Vissez le cache sans serrer trop fort.
Remplacement des clignants arriré
Il est possible d'acceder librement aux ampoules par le dessous.


Filtre a air
Le filtré à air se trouve du côte gauche du vehicule. Il doit être entretenu et nettoyé à intervalles réguliers, surtout lorsque vous conduisez souvent le vehicule dans la poussière ou dans du sable.
- Desserrez les vis du cache du filtré à air (1).
- Retirez le cache du filtré à air, puis celui-ci.
- Nettoyez le filtré à air à l'air compré (de l'intérieur vers l'extérieur).
- Introduisez le filtré en procédant aux opérations dans l'ordre inverse.

ATTENTION
Ne démarrez jamais le moteur sans filtré à air sous peine d'endommager le moteur.
Veillez à ce que de l'huile ou de l'eau n'atteignent pas le filtré, faute de quoi il ne serait plus en mesure de fonctionner.

Durite d'huile résiduelle
Vérifiez à intervalles réguliers si de l'huile se trouve dans la durée d'huile résiduelle. Effectuez la vidange comme suit:
Tenez la durite vers le haut et retirez le bouchon.
Laissez l'huile s'écouler dans un bac et réintroduisez le bouchon. Pour ce faire, tenez la durite vers le bas si nécessaire.

BouchonDurite d'huile ré
Batterie
La batterie (qui ne nécessite aucun entretien) se
trouve sous le marchepied (voir également page 40). Si le vehicule n'est pas utilisé pendant une période prolongée, retirez la batterie afin de la preserver et rechargez-la tous les mois ou gardez le raccordé a un
chargeur de batterie ( disponible dans votre Landi). Si vous utilisez une batterie pour la première fois, rechargez-la dans un premier temps après que
l'acide de batterie soit rempli.
Retrait de la batterie:
- Eteignez l'allumage.
- Retirez le marchepied.
- Desserrez la vis du cache du compartment de la batterie et retirez la vis.
- Retirez tout d'abord le fil négatif (noir) et intro-duisez la vis. Retirez tout ensuite le fil positif (rouge) et introduisez la vis.
- Retirez la batterie avec précaution.
Effectuez les opérations dans l'ordre inverse afin d'introduire la batterie.
N'appuyez pas plus que 5 secondes sur le bouton du démarreur afin de menager la batterie. Si le moteur ne démarre pas, patientez 15 secondes avant d'appuyer à nouveau sur le bouton du démarreur.

ATTENTION
Les batteries ne doivent être inspectées ou rétiées uniquement lorsque l'allumage est étant. Le non-respect d'une polarité correcte est susceptible d'endommager le cablage du vehicule et de la batterie.


AVERTISSEMENT
La réaction chimique à l'intérieur de la batterie est susceptible de produit des gaz explosifs. Par conséquent, n'exposez pas la batterie à des températures élevées et éloignez-vous des flammes et des étincelles.
Ne rechargez pas la batterie dans des pieces fermées qui ne doivent pas une aération suffisante.
L'acid pour batterie à l'intérieur de celle-ci est susceptible de provoquer des brûlures graves de la peau ou des yeux. Soyez donc prudent lorsque vous manipuez les batteries et tenez les enfants à l'écart. Portez une protection pour les yeux et voirlez à ce que la peau, les yeux et les vêtements ne rentrent pas en contact avec l'acid pour batterie.
Si de l'acid pour batterie rentre en contact avec votre peau, procededez aux premiers soins suivants:
Contact extérieur avec la peau: Rincez abondament avec de l'eau la partie concernée.
Ingestion: Buvez une grande quantité d'eau ou de lait et consultez immédiatement un médecin.
Contact avec les yeux: Rincez abondament vos yeux avec de l'eau pendant au moins 15 minutes et consultez immédiatement un médecin.
Pneus
Vérifiez l'usure, l'abrasion, la présence de craquèlures ainsi que la pression des pneus à intervalles réguliers (voir page 44).
Les pneus defectueux entrainent une perte de stabilité, de sécurité et de force de freinage.
Nettoyage
Preparation
Éteignez le moteur et laissez-le refroidir. Assurez-vous que tous les caches, bouchons et autres fermétures sont posés correctement et que toutes les ouvertures sont fermées (si nécessaire).
Nettoyage de pieces très sales
Vous pouvez appliquer d'un dégraissant à l'aide d'un pinceau sur les pieces salies par de l'huile de moteur, à titre d'exemple. Rincez ensuite le dégraissant et les saletés avec de l'eau.

ATTENTION
Les joints et les essieux ne doivent jamais etre traitées au dégraissant.
Consignes generales relatives au nettoyage
- Evitez si possible les nettoyants pour roue qui contiennent de l'acide. En cas d'utilisation de tels nettoyants, laisser se agir le produit sur la surface à traiter uniquement pendant la période indiquée par la notice du nettoyant en question. Rincez abondamment le nettoyant avec de l'eau, sechez immédiatement les pieces et traitez-les avec une protection anticorrosion.
Effectuez le nettoyage des pieces en plastique uniquement avec des chiffons doux et propres ou avec des épONGs. Traitez les pieces en plastique avec de I'eau ou avec un nettoyant non agressif dilue a I'eau. Rincez abondament les pieces en plastique avec de I'eau après le nettoyage afin d'eviter tout dommage. - N'utilisez jamais de nettoyants alcalins ou très acides, de solvants, de l'essence, de produits antirouille, d'acide pour batterie, de liquide de frein ou de refroidissement pour nettoyer les pieces en plastique. Il est également interdit d'humezer les chiffons ou les éponges avec de tels produits.
-
N'utilisez pas de stations de lavage à haute pression ni de nettoyeurs à vapeur. Ces dispos-sitifs peuvent entraîner l'infiltration d'eau et endommager par conséquent les joints (roues, paliers d'oscillation, freins, etc.), les durites de purge et d'aération et les composants électriques (interrupteurs, prises, etc.).
-
Utilisez un produit de nettoyage non agressif, de l'eau chaude et une éponge propre et douce pour enlever les saletés et rincez-le ensuite abondamment avec de l'eau propre.
- Les endroits difficiles d'accès peuvent être nettoyés avec un goupillon ou une brosse à dents.
Pour enlever les saletés tenaces ou des insectes, la meilleure strategie consiste à poser un chiffon humide sur l'endetroit en question pendant quelques minutes et, par conséquent, à ramollir les saletés. - Notez que le Sel de mer et de dénèigement associé à l'eau peut provoquer la corrosion des matériaux. Si vous avez conduit le vehicule par temps de pluie sur des routes salées ou à proximité de l'eau salée, lavez le vehicule à l'eau froide avec un produit de nettoyage non agressif. Traitez ensuite toutes les surfaces métalliques (également les surfaces métalliques nickelées ou chromées) avec une protection anticorrosion.
Attention: Du sel de déneigement peut également se trouver sur les routes pendant le printemps.
Après le nettoyage
- Sechez le vehicule après le nettoyage avec un chiffon absorbant ou en cuir.
- Entretenez les pieces en acier inoxydable et en aluminium avec un vernis chromé. Entretenez également les pieces du dispositif d'échévement. Un tel vernis est également capable d'éliminer les changements de couleur dus à la température.
Veillez à ne pas utiliser trop souvent un vernis en raison des abrasifs qu'il contient et à appliquer une couche fine à chaque fois.
Traitez toutes les surfaces métalliques (égarlement les surfaces métalliques nickelées ou chromées) avec une protection anticorrosion.
- Éliminez les saletés résiduelles avec une bombe d'huile ou un nettoyant universel.
- Les dommages causés au vernis (par exemple par des chutes de pierres) doivent être réparés avec du vernis de couleur ou vitrifiés avec du vernis clair. Traitez toutes les surfaces vernies avec de la cire.
- Vérifiez si des résidus d'huile ou de cire se trouvent sur les freins ou les pneus et éliminez-les comme suit si nécessaire: Il est possible de nettoyer les disques et les plaquettes de frein avec de l'acétone ou un nettoyant pour frein et les pneus avec un produit de nettoyage non agressif et à l'eau chaude.
- Appliquez toujours une fine couche d'huile ou de cire et retirez tout le surplus restant.
- Ne traitez jamais les pieces en caoutchouc ou en plastique avec de l'huile ou de la cire. Utilisez uniquement des produits adaptés à leur entretien.
- Laissez secher entièrement toutes les pieces avant d'entreposer le vehicule.
- Vérifiez la puissance de freinage après chaque nettoyage.
- Verifiez si les verres diffuseurs des phares sont embués par le nettoyage ou une météo humide. Il est possible d'éliminer ce liquide en allumant le phare pendant une courte période.
Entreposage du vehicule
Stationnement du vehicule pendant une courte période
Stationnez le vehicule dans un environnement frais et sec et couvre-les avec une bache qui laisse passer l'air. Vous protégerez ainsi le vehicule de la poussière.
ATTENTION
Assurez-vous que vous n'entrepose pas le vehicule humide dans une piece non aérée ou que vous ne le couvrez pas avec une bache. L'humi-dité resterait dans les composants et entraine-rait une corrosion des matériaux.
Évitez également de laisser le vehicule dans des pieces humides (par exemple une cave), dans des étables (teneur en ammoniac) et dans les lieux destinés au stockage de produits chimiques agressifs. Un tel environnement peut aussi entraîner la corrosion des matérielaux.
Entreposage du vehicule pendant une période prolongée
Nous recommendons d'effectuer toute réparation avant l'entreposage. Procedez comme suit pour l'entreposage:
- Nettoyez le vehicule conformément aux instructions du chapitre «Nettoyage».
- Laissez l'essence restante s'écouler du réserveir et du carburant.
- Versez de l'essence neue dans le réservoir et ajoutez un additif stabilisant si disponible. Cela empêche l'essence de connaître une modification chimique et protège le réservoir contre la corrosion.
- Protection anticorrosion des segments de piston, du cylindre, etc.
1 Retirez la fiche de bougie et la bougie.
2 Versez une cuillere a café du huidemoteur par le trou de la bougie.
3 Remettezla fiche sur la bougie. Posezla bougie sur la culasse de telle sorte que les electrodes soient reliées à la masse. Cela restreint la formation d'étincelles lors de l'étape suivante.
4 Laissez le moteur tourner quelques fois avec le démarreur afin de huiher paroi des cylindres.
AVERTISSEMENT: Les electrodes de la bougie doivent etre reliées à la terre. Risque de blessure!
5 Retirez la fiche de bougie, vissez la bougie et reposez la fiche.
5. Huilez tous les cables d'accelération et les pivots des leviers et des bequilles.
6. Contrôlez la pression des pneus et rectifiez-la si nécessaire.
7. Soulevez le vehicule de telle sorte que les deux roues ne touchent pas terre. S'il est impossible de proceser à cette opération, faites un peu tournier les roues tous les mois. Vous empêchez ainsi une usure ponctuelle des pneus et par conséquent leur évientuel endommagement.
8. Protégez le silencieux de l'humidité avec des sacs en plastique.
9. Retirez la batterie (voir page 53). Entreposez la batterie dans un lieu sec et frais (entre 0 et 30^ ) où elle n'est pas exposée à la lumière directe du soleil. Rechargez la batterie tous les mois.
Remise en service
Nettoyez le vehicule et vérifie soigneusement le fonctionnement impeccable de tous les composants.
Pour le nettoyage, suivez les instructions figurant à partir de la page 54.
Plan d'entretien
| 1000 km | 4000 km | 8000 km | 12000 km | 16000 km | ou 1 fois | par an | |
| Conduite d'essence | ● | ● | ● | ● | ● | ● | ● |
| Instruments et éclairage | ● | ● | ● | ● | ● | ● | ● |
| Filtre à air1 | ● | □ | □ | ★ | □ | □ | ● |
| Bougie | ● | ● | ★ | ● | ★ | ● | ● |
| Soupapes | ● | ● | ● | ● | ● | ● | ● |
| Crépine pour huile de moteur | □ | □ | □ | □ | □ | □ | □ |
| Huile de moteur | ★ | ★ | ★ | ★ | ★ | ★ | ★ |
| Huile de graissage | ● | ★ | ★ | ★ | ★ | ★ | ● |
| Carburateur et ralenti* | ● | ● | ● | ● | ● | ● | ● |
| Sabots de frein, plaquettes de frein* | ● | ● | ● | ● | ● | ● | ● |
| Système de freinage** | ● | ● | ● | ● | ● | ● | ● |
| Liquide de frein** Tous les 2 ans: | ★ | ||||||
| Conduites de frein** | Tous les 4 ans: ★ | ||||||
| Système d'échéppement | ● | ● | ● | ● | ● | ● | ● |
| Courroie d'entrainment** | ● | ● | ● | ★ | |||
| Rouleurs d'entrainment** | ● | ★ | ● | ★ | |||
| Interrupteur des feux de stop | ● | ● | ● | ● | ● | ● | ● |
| Câble d'accélération | ● | ● | ● | ● | ● | ● | ● |
| Phares | ● | ● | ● | ● | ● | ● | ● |
| Embrayage | ● | ● | ● | ● | ● | ● | ● |
| Suspension | ● | ● | ● | ● | ● | ● | ● |
| Visserie | ● | ● | ● | ● | ● | ● | ● |
| Roues et pneus** 2 | ● | ● | ● | ● | ● | ● | ● |
| Roulement de roue** 2 | ● | ● | ● | ● | ● | ● | ● |
| Jeu de direction | ● | ● | ● | ● | ● | ● | ● |
| Béquille centrale et béquille latérale | ● | ● | ● | ● | ● | ● | ● |
| Guidon | ● | ● | ● | ● | ● | ● | ● |
-
Révision Nétoyage Remplacement
-
Pour des raisons de sécurité, la vérification / la réparation / le remplacement de ces pieces doit être effectuee par un service d'assistance agrée.
Respectez les consignes figurant dans cette notice d'utilisation si vous effectue vous même ces opérations.
** Pour des raisons de sécurité, la vérification / la réparation / le remplacement de ces pieces doit être effectuee par un service d'assistance/agree.
1 Entretenez et nettoyez le filtré à air plus souvent que prévu dans cette notice si vous conduisez également le vehicule dans la poussière ou dans du sable.
2 Inspectez ces pieces plus souvent que prévus dans cette notice si vous conduisez frequentlyment le vehicule sur des routes defoncées.
Garantie
Selon conditions de garantie séparées.

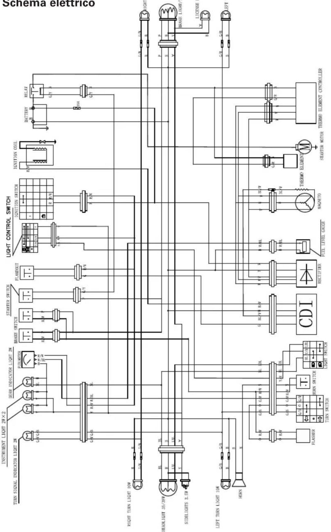
Elettroschema
Schéma électrique
Schema elettrico
| SYMBOL | B | R | W | BL | G | O | Y | P | N | LBL | Dg | G/Y | G/W | G/B | G/R | R/W | N/BL | B/W | N/W | Y/R | BL/W |
| COLOR | BLACK | RED | WHITE | BLUE | GREEN | ORANGE | YELLOW | PURPLE | BROWN | LIGHT | BLUE | DARK GREEN | GREEN YELLOW | GREEN BLACK | GREEN RED | RED WHITE | WHITE BLUE | BLACK WHITE | YELLOW RED | BLUE WHITE |
Notice Facile