HFX7000M - Interphone COMELIT - Notice d'utilisation et mode d'emploi gratuit
Retrouvez gratuitement la notice de l'appareil HFX7000M COMELIT au format PDF.
| Caractéristiques techniques | Interphone vidéo avec écran couleur de 7 pouces, résolution HD, connectivité Wi-Fi intégrée. |
|---|---|
| Utilisation | Permet de communiquer avec les visiteurs à distance, de visualiser l'entrée via la caméra intégrée et de déverrouiller la porte à distance. |
| Maintenance et réparation | Vérifier régulièrement les mises à jour du firmware, nettoyer l'écran et la caméra pour assurer une bonne visibilité. |
| Sécurité | Fonctionnalité de cryptage des données pour sécuriser les communications, possibilité de configurer des alertes de sécurité. |
| Informations générales | Compatible avec d'autres appareils de la gamme COMELIT, installation requise par un professionnel pour garantir le bon fonctionnement. |
FOIRE AUX QUESTIONS - HFX7000M COMELIT
Questions des utilisateurs sur HFX7000M COMELIT
0 question sur cet appareil. Repondez a celles que vous connaissez ou posez la votre.
Poser une nouvelle question sur cet appareil
Téléchargez la notice de votre Interphone au format PDF gratuitement ! Retrouvez votre notice HFX7000M - COMELIT et reprennez votre appareil électronique en main. Sur cette page sont publiés tous les documents nécessaires à l'utilisation de votre appareil HFX7000M de la marque COMELIT.
MODE D'EMPLOI HFX7000M COMELIT
pour le Kit Utilisateur Individuel HFX-7000M
1.Contenu du colis 44
2. Identification des pieces 45
2.1 POSTE EXTERIEUR EX-DSM 45
2.2 MONITEUR EX-7000H 46
2.3 ALIMENTATION ÉLECTRIQUE 1209/4 BUS. 47
2.4 IDENTIFICATION DES PIECES POUR L'EVOLUTION 47
2.4.1 Unité d'extension de la video à la porte 1405 47
3.Installation du systeme 48
3.1 DISTANCES OPÉRATOIRES ET DISPOSITION DE LA LIGNE 48
3.1.1 Kit utiliseur individuel art. HFX-7000M 48
3.1.2 Montheurs evolutifs maximum pour le raccordement en chaine bouclée....48
3.1.3 Schema de I'evolution complete du systeme 49
KIT DE BASE UTILISATEUR INDIVIDUEL
INSTALLATION STANDARD 50
KIT UTILISATEUR INDIVIDUEL EVOLUTIF
EVOLUTION MAXIMUM EN RACCORDEMENT EN CHAINE BOUCLEE .51
KIT UTILISATEUR INDIVIDUEL EVOLUTIF
EVOLUTION MAXIMUM 52
EXTENSION MULTI-UTILISATEURS
EXTENSION DEUX UTILISATEURS 53
EXTENSION MULTI-UTILISATEURS
EXTENSION QUATRE UTILISATEURS. 54
EXTENSION MULTI-UTILISATEURS COMPLÉTE
EXTENSION QUATRE UTILISATEURS AVEC QUATRE POSTES
EXTERIEURS 55
KIT DE BASE UTILISATEUR INDIVIDUEL
BRANCHEMENT DE L'INTERFACE TV (ART. 1257) 56
KIT DE BASE UTILISATEUR INDIVIDUEL
MODYLE DE RELAIS SUPPLEMENTaire (ART. 1256) 57
KIT DE BASE UTILISATEUR INDIVIDUEL
BRANCHEMENT DE L'INTERFACE CAMERA CCTV (ART. 1409) 58
EXTENSION MULTI-UTILISATEURS COMPLETE
EXTENSION QUATRE UTILISATEURS AVEC QUATRE POSTES EXTERIEURS
ET INTERFACEMCAMA CCTV (ART.1409) 59
3.2 ENSEMBLE MINI MAINS LIBRES ART. EX-7000H POSTE INTÉRIEUR 60
3.3 INSTALLATION DU POSTE EXTERIEUR ART. EX-DSM
3.3.1 Remplacement de I'etiquette porto-noms du poste extérieur art. EX-DSM 62
4. Programmation des fonctions supplémentaires 63
4.1 ADRESSAGE DE L'ART. EX-7000H A LAIDE DU DIP SWITCH 63
4.2 CONFIGURATION DES TOUCHES CAPACITIES ART. EX-7000H 63
4.2.1 Fonction de presélection 63
4.2.2 Programmation rapide 63
4.2.3 Programmation speciale d'une touche 64
4.2.3.1 COMMENT PROGRAMMER LA FONCTION ACTIONNEUR 64
4.2.3.2 COMMENT PROGRAMMER LA FONCTION
INTERCOMMUNICATION 64
4.2.3.3 COMMENT PROGRAMMER LA FONCTION RADIOMESSAGERIE65
4.2.3.4 COMMENT PROGRAMMER LA FONCTION AUTO-ALLUMAGE...65
4.2.3.5 COMMENT PROGRAMMER LA FONCTION MEDECIN 66
4.3 RETABLIR LA PROGRAMMATION DE L'ART. EX-7000H 67
4.4 PROGRAMMATION DE LA PLAGE ART. EX-7000H 67
4.5 SELECTION DE LA SONNERIE DU MONITEUR ART. EX-7000H 68
4.6 CONFIGURATION DE EX-DSM 68
4.6.1 Adressage du poste extérieur 68
4.6.2 Fonction programmation 68
4.6.3 Programmation des fonctions speciales 69
4.7 MODULE DU RELAIS DE L'ACTIONNEUR ART. 1256. 71
4.7.1 Description des pièces 71
4.7.2 Fonctions 71
4.8 INTERFACETVART.1257 72
4.8.1 Description des pieces 72
4.8.2 Fonctions 72
4.9 INTERFACEMCAMAIRCCTVART.1409 73
4.9.1 Description des pieces 73
4.9.2 Fonctionnement 73
4.9.2.1 PROGRAMMATION DU NOMBRE DE CAMÉRAS CONNECTÉES.73
4.9.2.2 FONCTION 1: MODE ACTIONNEUR GÉNÉRIQUE......73
4.9.2.3 FONCTION 2: MODE ACTIONNEUR AVEC CODE
4.9.2.4 TABLEAU DE COMPATIBILITÉ 74
5. Fonctions de la ligne 75
5.1 EFFECTUER UN APPEL 75
5.1.1 Comment effectuer un appel depuis un poste extérieur 75
5.1.2 Comment repondre a un appel d'un poste interieur 75
5.1.3 Comment transmettre un appel à d'autres postes intérieurs 75
5.1.4 Comment repondre a un appel d'un poste intérieur.. 75
5.2 APPEL DE RADIOMESSAGERIE 76
5.2.1 Commentancerunappeledradiomessagerie 76
5.2.2 Comment repondre a un appel de radiomessagerie 76
5.3 FONCTION AUTO-ALLUMAGE 76
5.3.1 Comment afficher à l'écran l'image transmise par laamera CCTV......76
FONCTION OUVRE-PORTE 77
5.5 ACTIVATION / DÉSACTIVATION DU MODE PRIVACY 77
5.6 ACTIVATION / DESACTIVATION DE LA FONCTION MÉDECIN 77
5.7 ACTIVATION / DÉSACTIVATION DU MODE RÉPONSE AUTOMATIQUE....................................77
5.6 REGLAGE DE LA LUMINOSITE 78
5.9 RÉGLAGE DU VOLUME DU HAUT-PARLEUR 78
Merci d'avoir acheté le kit mains libres art. HFX-7000M!
Ce système intercom utilise un installation à 2 cables et vous permet d'identifier et communiquer avec les personnes qui appellent à la porte. Cela vous assure sécurité et commodité depuis toutes les pieces de votre domicile ou de votre bureau. Les visiteurs activent le système en appuyant sur un bouton d'emploi du poste extérieur. Une sonnerie retentit alors, et le « monieur video mains libres » à l'intérieur s'allume.
Un système intercom à deux voies vous permet alors de parler avec les visiteurs après les avoir identifiés visuellement.
Il est constitué d'un poste monitateur mains libres et d'un poste extérieur.
Ce kit peut comprendre jusqu'à 4 moniteurs interieurs et 4 postes extérieurs.
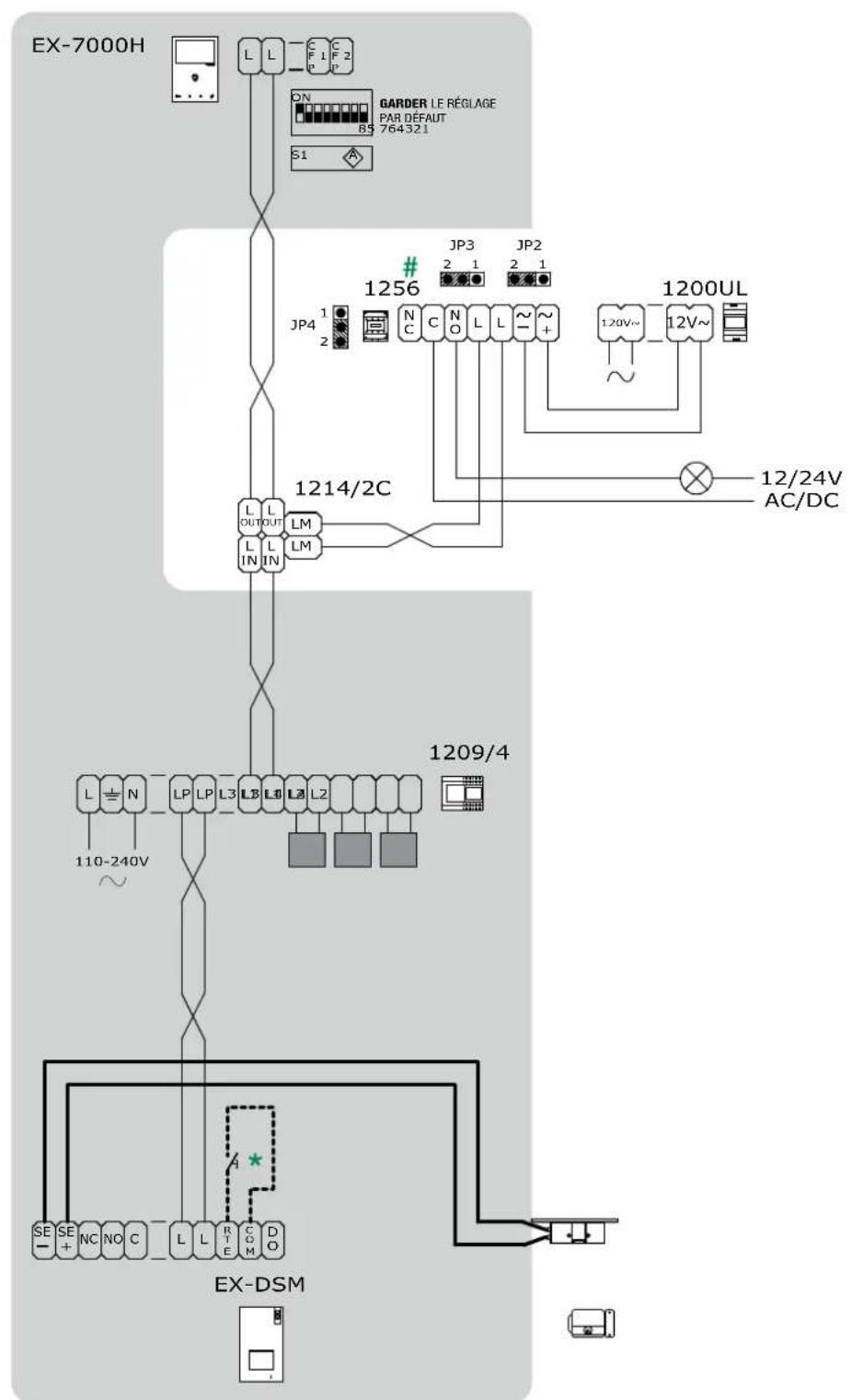
1. Contenu du colis

Kit HFX-7000M

EX-DSM - Poste extérieur

Étiquettes portenoms remplaçables
pour 1 résident pour 2 résidents pour 4 résidents


mur sec boulons d'ancrag
visposteextérieur

EX-7000H - Moniteur
moniteur étrier



mur sec boulons d'ancrage vis

Alimentation électrique BUS - 1209/4
vis

Manuel Technique
2. Identification des pieces
2.1 POSTE EXTÉRIEUR EX-DSM



- Couvercle en aluminium moulé sous pression
- Voyant LED camera
- Camera grand angle couleur
- Haut-parleur
- Indicateur LED:
appel envoyé / ouvre-porte activé
phonie activée /igne engagée
- Panneau avant porte-étiquette transparent
Les consignes pour le remplacement de l'étiquette portenoms sont fournies à la page 62 "3.3.1 Remplacement de l'étiquette porte-noms du poste extérieur art. EX-DSM". Les consignes pour l'activation des boutons sur les panneaux avant à 2/4 boutons sont fournies à la page 69 "4.6.3 Programmation des fonctions spéciales".
-
Micro
-
Bornier M1
LL raccordement à la ligne bus
RTE entrée ouvre-porte locale temporisée
COM entrée commune pour les contacts RTE et DO
DO entrée indication porto ouverte
- Bornier M2
SE- raccordement pour le verrouillage electrique de la porte
SE- raccordement pour la gache électrique de la porte
NC contact relais normalement fermé
NO contact relais normalement ouvert
C contact relais commun
- Contrôle du volume du haut-parleur
- Balance audio (Réglage du fabricant - NE PAS MODIFIER!)
- JP1 activation du réseau RC pour filtre gâché sur les contacts du relais

SUR CONTACTS C.NO.SUR CONTACTS C.NF. NO

DÉACTIVE: CONTACT PROPRE
- CNF switch de confirmacion de la programmation
- PR switch entrée/sortie de la programmation
- S1 DIP SWITCH pour la programmation des fonctions
- Contrôle du volume du micro



- Contrôle du volume du haut-parleur
- Reglage de la luminosité
- Écran couleur LCD 4,3"
- Réglage volume d'appel (haut - moyen - bas)
- Micro
- Touches tactiles capacitives
- Touche d'activation haut-parleur et phonie/touche d'applé de radiomessagerie
- S1 Micro-switches pour le réglage du code d'applé
- S2 Micro-switches pour la programmation des touches et des fonctions
DIP 1-2-3-4 pour la programmation des fonctions des touches
DIP 5-6 accès à la programmation
DIP 7 non utilise
DIP 8 garder le réglage par défaut (OFF)
- Reglage du fabricant - NE PAS MODIFIER!
- Reglage du fabricant - NE PAS MODIFIER!
- CV 5 Cavalier de fermeture video
- Broche de verrouillage du bornier
Bornier pour la connexion de l'installation :
L L Bornes de connexion ligne Bus
CFP1 CFP2 Entrée d'applé porte extérieure
Description de la touche tactile capacitive :

Appuyer une fois sur la touche voulue pour activer la fonction qui y est associée.
Attendre 1 sec. environ, puis appuyer une nouvelle fois sur la même touche. Pour effacer la commande, appuyer rapidement plusieurs fois sur la même touche.

Touche ouvre-porte

Puche 1 fonction actioneur (programmable)

Touche 2 fonction auto-allumage (programmable)

Touche Privacy

Touched activation haut-parleur et phonie/touched appel de radiomessagerie
Description de l'indicateur LED :

LED ouvre-porte
clignotement lent : porte ouverte
1 clignotement après avoir appuyé sur la touche : Confirmation de
I'ouverture de la porte
clignotement continu : appel en cours
1 clignotement après la programmation : Confirmation
«Programmation de la touche effectuee»

LED privacy (rouge)
fixefonctionprivacyactivée
3 clignotements (toutes les 5 sec.): fonction medecin activée
clignotement continu : disposifit en mode programmation

LED touche phonie
fixe (avec appel) : phonie activée
fixé (ralenti) : réponse automatique activée
clignotement continu : appel en cours


- LP LP raccordement du poste extérieur
- L1 | L1 raccordement moniteur 1
L2 | L2 raccordement moniteur 2
L3 | L3 raccordement moniteur 3
L4 | L4 raccordement moniteur 4 - Cavaliers de fermeture video (SUPPRIMER LORSQUE LA LIGNE EST UTILISEE)
- L N entree de puissance principale 110-240 V~
2.4 IDENTIFICATION DES PIECES POUR L'EVOLUTION
| POSTE INTÉRIEUR SUPPLEMENTaire | EX-7000H | L'art. EX-7000H est le poste intérieur supplémentaire pour les kits utilisateur individuel (pour de plus amples informations voir la page 46) |
| POSTE EXTÉRIEUR SUPPLEMENTaire | EX-DSQ | L'art. EX-DSQ est le poste extérieur supplémentaire pour les kits utilisateur individuel. Il contient le poste extérieur art. EX-DSM (pour de plus amples informations voir la page 45) et Unité d'extension de la réserve à la porte - art. 1405 (Voir point 2.4.1). |

2.4.1 Unité d'extension de la vente à la porte 1405

- LM LM raccordement art. 1209/4
- LS | LS raccordement poste extérieur supplémentaire LP | LP raccordement poste extérieur principal
3. Installation du système
3.1 DISTANCES OPÉRATOIRES ET DISPOSITION DE LA LIGNE
| Attribution du cable Attribution du cable Type de cable A MAXI B MAXI C MAXI | |||||
| CABLE PAIRE SIMPLE | CAT524 AWG | 1 115 pieds(340 m) | 557 pieds(170 m) | 557 pieds(170 m) | |
| CABLE PAIRE DOUBLE | CAT524 AWG | 1 312 pieds(400 m) | 656 pieds(200 m) | 656 pieds(200 m) | |
| CABLE PAIRES MULTIPLES RESPECTER LES COULEURS INDUQUÉES DANS LA FIGURE ! | VERT VERT/BLANC ORANGE/BLANC CHANGES BLU BRUN/BLANC BRON | CAT524 AWG | 1 312 pieds(400 m) | 656 pieds(200 m) | 656 pieds(200 m) |
| CABLE NON TRESSÉ | AWG22 | 1 115 pieds(340 m) | 557 pieds(170 m) | 557 pieds(170 m) | |
| CABLE NON TRESSÉ | AWG18 | 1 312 pieds(400 m) | 656 pieds(200 m) | 656 pieds(200 m) | |

3.1.1 Kit utiliseur individuel art. HFX-7000M

3.1.2 Moniteurs évolutifs maximum pour le raccordement en chaine bouclée

REMARQUE: Ce système peut contenir jusqu'à 4 postes extérieurs et 4 postes interieurs. Pour d'autres applications, veuillez consulter notre assistance technique au préalable.

Lorsque la colonne montante est raccordedepour la premiere fois,les postes interieurs acquirent automatiquement leur sous-adresse. Les LED et enignotent simultanement pendant quelsques secondes.Au terme de la procedure,les LED s'eteignent.

L'art. EX-DSQ est le poste extérieur supplémentaire pour les kits utilisateur individuel. Il contient le poste extérieur art. EX-DSM et le Unité d'extension de la video à la porte art. 1405.

3.1.3 Schema de I'evolution complete du systeme

Kit de base utiliseur individuel
INSTALLATION STANDARD

HFX-7000M
Scheme de connexion: MNVK/039QCU
Kit utilisateur individuel évolutif
ÉVOLUTION MAXIMUM EN RACCORDEMENT EN CHÂINE BOUCLÉE

Scheme de connexion: MNVK/Q19U

EVOLUTION MAXIMUM
HFX-7000M
- Bouton ouvre-porte local Les adresses doivent être progressives! correct:0,1,2,3/incorrect:0,1,3
| Adressage poste extérieur | ||||
| DIP 1 | DIP 2 | DIP 3 | CODE | |
| 0 | 0 | 0 | ON 12345678 | 0 (par défaut) |
| 1 | 0 | 0 | ON 12345678 | 1 |
| 0 | 1 | 0 | ON 12345678 | 2 |
| 0 | 0 | 1 | ON 12345678 | 3 |
Extension multi-utilisateurs
EXTENSION DEUX UTILISATEURS

HFX-7000M
- Bouton ouvre-porte local.
Pour la programmation se reporter à la page 69 "4.6.3 Programmation des fonctions spéciales"
Scheme de connexion: MNVK/040QCU
Extension multi-utilisateurs
EXTENSION QUATRE UTILISATEURS

- Bouton ouvre-porte local.
Pour la programmation, se reporter à la page 69 "4.6.3 Programmation des fonctions spéciales"
Scheme de connexion: MNVK/012AQCU
Extension multi-utilisateurs complete

EXTENSION QUATRE UTILISATEURS AVEC QUATRE POSTES EXTERIEURS
HPX-7000M
半

| ADRESSAGE POSTE EXTERIEUR | ||||
| DIP 1 | DIP 2 | DIP 3 | CODE | |
| 0 | 0 | 0 | ON 1245678 | 0 (par défaut) |
| 1 | 0 | 0 | ON 12245678 | 1 |
| 0 | 1 | 0 | ON 12345678 | 2 |
| 0 | 0 | 1 | ON 12345678 | 3 |
Les adresses doivent être progressives!
correct:0,1,2,3/incorrect:0,1,3

Bouton ouvre-porte local.
Pour la programmation, se reporter à la page 69 "4.6.3 Programmation des fonctions spéciales"

Scheme de connexion: MNVK/012CQCU
Kit de base utiliseur individuel
BRANCHEMENT DE L'INTERFACE TV (art. 1257)

HFX-7000M
- Bouton ouvre-porte local.
Pour la programmation se reporter à la page 72 "4.8 INTERFACE TV ART. 1257"
Scheme de connexion: MNVK/07U
Kit de base utiliseur individuel
MODULE DE RELAIS SUPPLEMENTaire (art. 1256)

HFX-7000M
- Bouton ouvre-porte local.
Pour la programmation se reporter à la page 71 "4.7 Module du relais de l'actionneur art. 1256"
Scheme de connexion: MNVK/EQCU
Kit de base utiliseur individuel
BRANCHEMENT DE L'INTERFACE CAMERA CCTV (art. 1409)

HFX-7000M
- Bouton ouvre-porte local.
Pour la programmation se reporter à la page 73 "4.9 Interface camera CCTV ART. 1409"
Scheme de connexion: MNVK/015QCU
Extension multi-utilisateurs complete

EXTENSION QUATRE UTILISATEURS AVEC QUATRE POSTES EXTERIEURS et INTERFACE CAMERA CCTV (art. 1409)








POUR OUVRIR
Les étiquettes doivent être en matière non conducteur, afin de ne pas compromètre le fonctionnement des boutons tactiles capacités.
Les consignes pour le remplacement de l'etiquette porte-noms sont fournies dans le manuel complet.
Avant de fixer la vis, veiller à ce qu'il ne soit pas nécessaire de programmer le poste extérieur (Voir la page 68 "4.6 Configuration de EX-DSM") et à ce que le panneau avant métallique ne frotte pas contre d'autres éléments métalliques, car cela pourrait endomager le revétement isolant.

ATTENTION! Pour assurer l'étanchéité à l'eau du produit, veiller à ce que la procédure de fixation soit correctement effectué.


3.3.1 Remplacement de I'etiquette porte-noms du poste extérieur art. EX-DSM

Les étiquettes doivent être en matière non conducteur, afin de ne pas promètre le fonctionnement des boutons tactiles capacitifs. Vous pouvez télécharger le logiciel gratuite (art. 1235A) à partir du site Internet www.comelitgroup.com afin d'imprimer les étiquettes portes-noms de la platine de rue sur les feuilles autocollantes pré-)découpées proposées dans notre catalogue.





4. Programmation des fonctions supplémentaires
4.1 ADRESSAGE DE L'ART. EX-7000H À L'AIDE DU DIP SWITCH
▶ Regler les codes d'accès sur les DIP switches S1, comme indiqué dans le tableau "TAB. A - Code usager" à la page 70.
4.2 CONFIGURATION DES TOUCHES CAPACITIVES ART. EX-7000H
4.2.1 Fonction de préselection


par défaut
LEGENDE
| Fonction ouvre-porte : elle peut être utilisée pour activer le relais ouvre-porte. | |
| Fonction privacy : elle peut être utilisée pour activer ou désactiver la sonnerie des appel depuis le poste extérieur et de la radiomessagerie. | |
| Fonction de la touche phonie : elle peut être utilisée pour activer une conversation entre le poste extérieur ou pour terminer une conversation. | |
| ACT | Fonction actioneur générique : elle peut être utilisée pour activer le relais d'un actioneur générique installé dans le système. Fonction actioneur à code : elle peut être utilisée pour activer le relais d'un actioneur spécifique installé dans le système. |
| AI | Fonction auto-allumage : elle peut être utilisée pour receivevoir des images des camères du poste extérieur (appuyer une nouvelle fois sur la touche pour passer d'un poste extérieur à l'autre). |
| D | Fonctionnécin : elle peut être utilisée pour habiliter l'activation automatique de l'ouvre-porte en réponse à un appel du poste extérieur. |
| INT | Fonction intercommunication interne : elle peut être utilisée pour effectuer un appel vers les postes intérieurs avec le même code d'accès. Intercommunication générique vers un autre code d'accès : elle peut être utilisée pour effectuer un appel vers les postes intérieurs avec un autre code d'accès. |
| PAG | Fonction radiomessagerie interne : elle peut être utilisée pour effectuer un appel de radiomessagerie vers les postes intérieurs avec le même code d'accès. Radiomessagerie générique vers un autre code d'accès : elle peut être utilisée pour effectuer un appel de radiomessagerie vers les postes intérieurs avec un autre code d'accès. |
| NUL | Aucune fonction |
| PROG | Fonctions programmesées : dans ce réglage du DIP switch, les boutons commandant les fonctions programmesées ; les boutons non programmes commandant les fonctions indiquées à la ligne 0000. |
4.2.2 Programmation rapide
Pour la programmation rapide des fonctions suivantes :
actionneur générique (ACT),
- appels intercommunicants internes (INT),
- appels de radiomessagerie internes (PAG),
- poste extérieur principal auto-allumage (AI),
- fonction médecin (D)
1
Regler les combinaison S2 des DIP switches correspondant aux fonctions que vous souhaitez programme pour TOUTES LES TOUCHES, comme indiquedans le tableau « 4.2.1 FONCTION DE PRESELECTION »
Par exemple
choisir la combinaison DIP switches S2 :
pour regler toutes les fonctions suivantes :
4.2.3 Programmation spéciale d'une touche
Si la fonction préseLECTIONnée (voir page 63 « 4.2.1 FONCTION DE PRESELECTION ») ne reflète pas les exigences, CHAQUE TOUCHE peut être programmée différément. Pour ce faire, suivre la procédure ci-dessous.
La programmation spéciale d'une touche permet de programmer les fonctions suivantes :
actionneur générique et actionneur à code (ACT),
les appels intercommunicans internes et les appels intercommunicans generiques vers un autre code d'acces (INT),
les appels de radiomessagerie internes et de radiomessagerie generique vers un autre code d'acces (PAG),
- poste extérieur principal auto-allumage (Al),
- fonction médecin (D)
4.2.3.1 COMMENT PROGRAMMER LA FONCTION ACTIONNEUR
| √ | ▲Prendre note du réglage S1 et le rétablier au terme de la programmation | |||||||
| 1 | Entrer le mode de programmation ▶ Régler le DIP switch S2 5-6 sur la combinaison 01 >le LED privacy clignote | S2 ON 12345678 ⇒ | ||||||
| 2 | 1. Choiser la fonction: consulter le tableau suivant et sélectionner une combinaison de DIP switch S2 dans laquelle la fonction de l'actionneur (ACT) est énoncée pour les touches que vous souhaitez programmer. | ★Exemple Pour P2 = actioneur générique S2 ON 12345678 S1 ON 12345678 | ||||||
| DIP S2 | PROGRAMMATION TOUCHES | |||||||
| DIP 1 | DIP 2 | DIP 3 | DIP 4 | |||||
| 0 0 0 0 ACT | ||||||||
| 1 1 0 0 ACT | ||||||||
| 0 0 1 0 ACT | ACT ACT | |||||||
| 1 0 1 0 ACT | ||||||||
| 1 1 1 1 PROG | ||||||||
| 2. Adressage : ▶ pour l'actionneur générique régler les DIP switches S1 sur la combinaison 11111111 ▶ pour l'actionneur à code régler les DIP switches S1 avec l'adresse voulue, conformément à "TAB. A - Code usager" (page 70). | ||||||||
| 3 | Sélectionner la touche à associer à la fonction ▶ Appuyer sur la touche à associer à la fonction, puis la relâcher >le LED ouvre-porte s'allume >une sonnerie de confirmation retentit. | key ⇒ | ||||||
| 4 | Quitter le mode programmation ▶ Pour quitter le mode programmation, régler les DIP switches S2 5-6 sur la combinaison 00 >Le LED privacy s'éteint | S2 ON 12345678 ⇒ | ||||||
| 5 | Au terme de la programmation, ▶ Régler les DIP switches S2 1-2-3-4 sur la combinaison 1111 (réglage PROG). Dans ce réglage de DIP switch, les touches commandent les fonctions programmesés ; les touches NON programmesés sont indiquées à la ligne 0000 (voir le tableau ci-dessus). ▶ Rétablir le réglage du code d'accès sur S1, voir "TAB. A - Code usager" (page 70). | S2 ON 12345678 S1 ON 12345678 | ||||||
4.2.3.2 COMMENT PROGRAMMER LA FONCTION INTERCOMMUNICATION
| 1 Entrer le mode de programmation • Régler le DIP switch S2 5-6 sur la combinaison 01 » le LED privacy clignote | S2 ON 12345678 ⇒ | |||||||
| 2 | 1. Choisir la fonction: consulter le tableau suivant et selectionner une combinaison de DIP switches S2 dans laquelle la fonction intercommunication (INT) est indiquée pour les touches que vous souhaitez programmer. | * Exemple Pour P1=intercommunication générique avec le code d'accès 3 S2 ON 12345678 ON 12345678 | ||||||
| DIP S2 | PROGRAMMATION TOUCHES | |||||||
| DIP 1 | DIP 2 | DIP 3 | DIP 4 | C | P1 | P2 | ||
| 0 | 1 | 0 | 0 | |||||
| 1 | 0 | 1 | 0 | |||||
| 1 | 0 | 1 | 1 | |||||
| 1 | 1 | 1 | 1 | PROG | ||||
| 2. Adressage : • pour l'intercommunication interne, régler les DIP switches S1 avec le même code d'accès que le poste interieur. • pour l'intercommunication générique avec un autre code d'accès, régler les DIP switches S1 avec l'adresse voulue, selon "TAB. A - Code usager" (page 70). | ||||||||
| 3 Sélectionner la touche à associer à la fonction • Appuyer sur la touche à associer à la fonction, puis la relâcher • le LED ouvre-porte s'allume • une sonnerie de confirmation retentit. | key ⇒ |
| 4 Quitter le mode programmation • Pour quitter le mode programmation, régler les DIP switches S2 5-6 sur la combinaison 00 • Le LED privacy s'éteint | S2 ON 12345678 ⇒ % |
| 5 Au terme de la programmation, • Régler les DIP switches S2 1-2-3-4 sur la combinaison 1111 (réglage PROG). Dans ce réglage de DIP switch, les touches commandent les fonctions programmesées ; les touches NON programmées sont indiquées à la ligne 0000 (voir le tableau ci-dessus). • Rétablit le réglage du code d'accès sur S1, voir "TAB. A - Code usager" (page 70). | S2 ON 12345678 ON 12345678 |
4.2.3.3 COMMENT PROGRAMMER LA FONCTION RADIOMESSAGERIE
| 1 Entrer le mode de programmation • Régler le DIP switch S2 5-6 sur la combinaison 01 • le LED privacy clignote | ||||||||
| 2 1. Choisir la fonction : consulter le tableau suivant et Sélectionner une combinaison de DIP switches S2 dans laquelle la fonction radiomessagerie (PAG) est indiquée pour les touches que vous souhaitez programmermer. | ||||||||
| DIP S2 | PROGRAMMATION TOUCHES | Exemple : pour = radiomessagerie générique vers le code d'accès 3 S2 ON 12345678 S1 ON 12345678 | ||||||
| DIP 1 | DIP 2 | DIP 3 | DIP 4 | P1 P2 | ||||
| 0 0 0 0 | ||||||||
| 1 0 0 0 | ||||||||
| 0 1 0 0 | ||||||||
| 1 1 0 0 | ||||||||
| 0 0 1 0 | ||||||||
| 1 0 1 0 | ||||||||
| 0 1 1 0 | ||||||||
| 0 0 1 1 | PAG PAG | |||||||
| 1 0 1 1 | ||||||||
| 0 1 1 1 | ||||||||
| 1 1 1 1 | PROG | |||||||
| 2. Adressage : • pour la radiomessagerie interne, régler les DIP switches S1 avec le même code d'accès que le poste interieur. • pour la radiomessagerie générique vers un autre code d'accès, régler les DIP switches S1 avec l'adresse voulue, selon “TAB. A - Code usager” (page 70). | ||||||||
| 3 Sélectionner la touche à associer à la fonction • Appuyer sur la touche à associer à la fonction, puis la relâcher • le LED ouvre-porte s'allume • une sonnerie de confirmation retentit. | ||||||||
| 4 Quitter le mode programmation • Pour quitter le mode programmation, régler les DIP switches S2 5-6 sur la combinaison 00 • Le LED privacy s'éteint | ||||||||
| 5 Au terme de la programmation, • Régler les DIP switches S2 1-2-3-4 sur la combinaison 1111 (réglage PROG). Dans ce réglage de DIP switch, les touches commandent les fonctions programmesés ; les touches NON programmesés sont indiquées à la ligne 0000 (voir le tableau ci-dessus). • Rétablir le réglage du code d'accès sur S1, voir “TAB. A - Code usager” (page 70). | ||||||||
4.2.3.4 COMMENT PROGRAMMER LA FONCTION AUTO-ALLUMAGE
| √ | A Prende note du réglage S1 et le rétablit au terme de la programmation | ||||||
| 1 Entrer le mode de programmation • Régler le DIP switch S2 5-6 sur la combinaison 01 • le LED privacy clignote | S2 ON 12345678 ⇒ | ||||||
| 2 | 1. Choisir la fonction : Consulter le tableau suivant et sélectionner une combinaison de DIP switches S2 dans laquelle la fonction d'auto-allumage (AI) est indiquée pour les touches que vous souhaitez programmer. | ||||||
| DIP S2 | PROGRAMMATION TOUCHES | ||||||
| DIP 1 | DIP 2 | DIP 3 | DIP 4 | C | P1 P2 | R | |
| 0 0 0 0 AI | |||||||
| 1 0 0 0 AI | |||||||
| 0 1 0 0 AI | |||||||
| 0 1 1 0 AI | |||||||
| 1 1 1 1 PROG | |||||||
| 2. Adressage : • pour la fonction d'auto-allumage, ne pas régler les DIP switches S1 | |||||||
| 3 Sélectionner la touche à associé à la fonction • Appuyer sur la touche à associé à la fonction, puis la relâcher • le LED ouvre-porte s'allume • une sonnerie de confirmation retentit. | |||||||
| 4 Quitter le mode programmation • Pour quitter le mode programmation, régler les DIP switches S2 5-6 sur la combinaison 00 • Le LED privacy s'éteint | |||||||
| 5 Au terme de la programmation, • Régler les DIP switches S2 1-2-3-4 sur la combinaison 1111 (réglage PROG). Dans ce réglage de DIP switch, les touches commandent les fonctions programmesées ; les touches NON programmesés sont indiquées à la ligne 0000 (voir le tableau ci-dessus). • Rétablit le réglage du code d'accès sur S1, voir "TAB. A - Code usager" (page 70). | |||||||
4.2.3.5 COMMENT PROGRAMMER LA FONCTION MÉDECIN
| √ | Prendre note du réglage S1 et le rétablit au terme de la programmation | |||||
| 1 Entrer le mode de programmation • Régler le DIP switch S2 5-6 sur la combinaison 01 • le LED privacy clignote | S2 ON 12345678 | |||||
| 2 | 1. Choisir la fonction : consulter le tableau suivant et Sélectionner une combinaison de DIP switches S2 dans laquelle la fonction médecin (D) est indiquée pour les touches que vous souhaitez programmer. DIP S2 DIP 1 DIP 2 DIP 3 DIP 4 0 1 1 0 D 1 1 1 1 PROG | PROGAMMATION TOUCHES | Example : pour P2=fonction médecin S2 ON 12345678 | |||
| C | C= | P1 P2 | ||||
| 2. Adressage : • pour la fonction médecin, ne pas régler les DIP switches S1 | ||||||
| 3 Sélectionner la touche à associer à la fonction • Appuyer sur la touche à associer à la fonction, puis la relâcher • le LED ouvre-porte s'allume • une sonnerie de confirmation retentit. | key ⇒ | |||||
| 4 Quitter le mode programmation • Pour quitter le mode programmation, régler les DIP switches S2 5-6 sur la combinaison 00 • Le LED privacy s'éteint | ON 12345678 | |||||
| 5 Au terme de la programmation, • Régler les DIP switches S2 1-2-3-4 sur la combinaison 1111 (réglage PROG). Dans ce réglage de DIP switch, les touches commandant les fonctions programmesés ; les touches NON programmesés sont indiquées à la ligne 0000 (voir le tableau ci-dessus). • Rétablir le réglage du code d'accès sur S1, voir "TAB. A - Code usager" (page 70). | ON 12345678 ON 12345678 | |||||
4.3 RÉTABLIR LA PROGRAMMATION DE L'ART. EX-7000H
Configurations d'usine :
- Fonctions des boutons pour la combinaison de DIP switch S2 1-2-3-4;
- Adresse d'intercommunication absente;
- Plage de fonction et adresses min./max. absentes;
- Remise à zéro de la sonnerie.

Pendre note du réglage S2, S1 et le rétablit au terme de la programmation.
| 123 | ||
| DIP ON S1 ON 12345678 | S2 DIP 1 2 3 4 5 6 1 1 1 1 1 1 | S2 ON 12345678 5 sec ⇒C |
4.4 PROGRAMMATION DE LA PLAGE ART. EX-7000H

Pendre note du réglage S2, S1 et le rétabir au terme de la programmation.
| A Effectuer les étapes de 1 à 4 | |||||
| 1234 | |||||
| Adresse minimum de la plage | S1 ON 12345678 régré le code, "TAB. A- Code usager" à la page 70. | S2 DIP 12345678 000010 | |||
| Adresse maximum de la plage | S2 ON 12345678 ↓ | ||||
| Activer la plage | |||||
| Déactiver la plage | |||||
| Suppression de la plage | DIP ON S1 ON 12345678 | S2 DIP 12345678 111110 | |||
4.5 SELECTION DE LA SONNERIE DU MONITEUR ART. EX-7000H
- Appuyer et garder enforcé pendant 6 sec.
une sonnerie de confirmation retentit
» la LED privacy clignote pour indiquer le mode « programmation »
La procedure ne peut se dérouler que lorsque le système est en veille ; dans le cas contraire, la LED privacy clignotera 4 fois afin d'informer l'utilisateur que le système est engagé.
- Appuyer et relacher =
une fois (1 sonnerie de confirmation retentit) pour modifier la sonnerie des appels du poste extérieur.
deux fois (2 sonneries de confirmation retentissant) pour modifier la sonnerie des appels du panneau de commande.
3 fo 3 tonneries de confirmation retentissent) pour modifier la sonnerie des appels intercommunicans efectués depuis le poste interieur.
4 fois : (4 sonneries de confirmation retentissent) pour modifier la sonnerie de l'appei porte paliere.
En appuyant une nouvelle fois sur la touche , la série indiquée ci-dessus reprend depuis le départ.
-
Appuyer et relacher pour faire defiler les differentes sonneries disponibles en sequence.
-
Appuyer sur 2 pour confirmer la selection de la derniere sonnerie ecoutee et pour quitter (a tout moment) le mode de modification de la sonnerie du moniteur.
"une sonnerie de confirmation retentit
Le LED privacy s'eteint - Repeter les etapes de 1 à 4 pour modifier les autres sonneries.
4.6 CONFIGURATION DE EX-DSM
4.6.1 Adressage du poste extérieur
Regler les DIP switches S1 correspondant à l'adresse que vous souhaitez régler, comme indiqué dans le tableau ci-dessous
| Adressage poste extérieur | ||||
| DIP 1 DIP 2 DIP 3 CODE | ||||
| 0 0 0 | 12345678 | 0* | ||
| 1 0 0 | 12345678 | 1 | ||
| 0 1 0 | 12345678 | 2 | ||
| 0 0 1 | 12345678 | 3 | ||
- par défaut
4.6.2 Fonction programmation
Regler les DIP switches S1 correspondant à la fonction que vous souhaitez programme, comme indiqué dans le tableau ci-dessous
| DIP S1 | FUNCTION | |
| DIP 4 | ON 12345678 | Le relais ouvre-porte et le second relais sont commandés par 2 boutons séparés (par ex. le bouton ouvre-porte et le bouton de l'actionneur) |
| ON 12345678 | Le relais ouvre-porte et le second relais sont commandés par un seul bouton (ex. bouton ouvre-porte) | |
| DIP 5 | ON 12345678 | Temps d'activation de l'ouvre-porte et temps d'activation du relais : 8 sec |
| ON 12345678 | Temps d'activation de l'ouvre-porte et temps d'activation du relais : 2 sec | |
| DIP 6 | ON 12345678 | Sonneries de confirmation (appel, ouvre-porte, relais, audio activé) : désactivé |
| ON 12345678 | Sonneries de confirmation (appel, ouvre-porte, relais, audio activé) : activé | |
| DIP 7 | ON 12345678 | LED éclairageamera : désactivé |
| ON 12345678 | LED éclairageamera : activé | |
| DIP 8 | ON 12345678 | Temps d'attente reset : 1 sec. |
| ON 12345678 | Temps d'attente reset : 10 sec. | |
- par défaut
4.6.3 Programmation des fonctions speciales

Noter les réglages du DIP-switch.








Rétablir la configuration des DIP-switches de S1
| TAB. A - Code usager | |||||||||||||||
| code | DIP switch ON | code | DIP switch ON | code | DIP switch ON | code | DIP switch ON | code | DIP switch ON | code | DIP switch ON | code | DIP switch ON | code | DIP switch ON |
| 1 1 31 1,2,3,4,5 61 | 1,3,4,5,6 | 91 1,2,4,5,7 121 | 1,4,5,6,7 151 1,2,3,5,8 | 181 1,3,5,6,8 211 1,2,5,7,8 | |||||||||||
| 2 2 3 2 6 62 2,3,4,5,6 | 6 92 3,4,5,7 122 2,4,5,6,7 | 152 4,5,8 182 2,3,5,6,8 | 212 3,5,7,8 | ||||||||||||
| 3 | 1,2 | 33 | 1,6 | 63 | 1,2,3,4,5,6 | 93 | 1,3,4,5,7 | 123 | 1,2,4,5,6,7 | 153 | 1,4,5,8 | 183 | 1,2,3,5,6,8 | 213 | 1,3,5,7,8 |
| 4 | 3 | 34 | 2,6 | 64 | 7 | 94 | 2,3,4,5,7 | 124 | 3,4,5,6,7 | 154 | 2,4,5,8 | 184 | 4,5,6,8 | 214 | 2,3,5,7,8 |
| 5 | 1,3 | 35 | 1,2,6 | 65 | 1,7 | 95 | 1,2,3,4,5,7 | 125 | 1,3,4,5,6,7 | 155 | 1,2,4,5,8 | 185 | 1,4,5,6,8 | 215 | 1,2,3,5,7,8 |
| 6 | 2,3 | 36 | 3,6 | 66 | 2,7 | 96 | 6,7 | 126 | 2,3,4,5,6,7 | 156 | 3,4,5,8 | 186 | 2,4,5,6,8 | 216 | 4,5,7,8 |
| 7 | 1,2,3 | 37 | 1,3,6 | 67 | 1,2,7 | 97 | 1,6,7 | 127 | 1,2,3,4,5,6,7 | 157 | 1,3,4,5,8 | 187 | 1,2,4,5,6,8 | 217 | 1,4,5,7,8 |
| 8 | 4 | 38 | 2,3,6 | 68 | 3,7 | 98 | 2,6,7 | 128 | 8 | 158 | 2,3,4,5,8 | 188 | 3,4,5,6,8 | 218 | 2,4,5,7,8 |
| 9 | 1,4 | 39 | 1,2,3,6 | 69 | 1,3,7 | 99 | 1,2,6,7 | 129 | 1,8 | 159 | 1,2,3,4,5,8 | 189 | 1,3,4,5,6,8 | 219 | 1,2,4,5,7,8 |
| 10 | 2,4 | 40 | 4,6 | 70 | 2,3,7 | 100 | 3,6,7 | 130 | 2,8 | 160 | 6,8 | 190 | 2,3,4,5,6,8 | 220 | 3,4,5,7,8 |
| 11 | 1,2,4 | 41 | 1,4,6 | 71 | 1,2,3,7 | 101 | 1,3,6,7 | 131 | 1,2,8 | 161 | 1,6,8 | 191 | 1,2,3,4,5,6,8 | 221 | 1,3,4,5,7,8 |
| 12 | 3,4 | 42 | 2,4,6 | 72 | 4,7 | 102 | 2,3,6,7 | 132 | 3,8 | 162 | 2,6,8 | 192 | 7,8 | 222 | 2,3,4,5,7,8 |
| 13 | 1,3,4 | 43 | 1,2,4,6 | 73 | 1,4,7 | 103 | 1,2,3,6,7 | 133 | 1,3,8 | 163 | 1,2,6,8 | 193 | 1,7,8 | 223 | 1,2,3,4,5,7,8 |
| 14 | 2,3,4 | 44 | 3,4,6 | 74 | 2,4,7 | 104 | 4,6,7 | 134 | 2,3,8 | 164 | 3,6,8 | 194 | 2,7,8 | 224 | 6,7,8 |
| 15 | 1,2,3,4 | 45 | 1,3,4,6 | 75 | 1,2,4,7 | 105 | 1,4,6,7 | 135 | 1,2,3,8 | 165 | 1,3,6,8 | 195 | 1,2,7,8 | 225 | 1,6,7,8 |
| 16 | 5 | 46 | 2,3,4,6 | 76 | 3,4,7 | 106 | 2,4,6,7 | 136 | 4,8 | 166 | 2,3,6,8 | 196 | 3,7,8 | 226 | 2,6,7,8 |
| 17 | 1,5 | 47 | 1,2,3,4,6 | 77 | 1,3,4,7 | 107 | 1,2,4,6,7 | 137 | 1,4,8 | 167 | 1,2,3,6,8 | 197 | 1,3,7,8 | 227 | 1,2,6,7,8 |
| 18 | 2,5 | 48 | 5,6 | 78 | 2,3,4,7 | 108 | 3,4,6,7 | 138 | 2,4,8 | 168 | 4,6,8 | 198 | 2,3,7,8 | 228 | 3,6,7,8 |
| 19 | 1,2,5 | 49 | 1,5,6 | 79 | 1,2,3,4,7 | 109 | 1,3,4,6,7 | 139 | 1,2,4,8 | 169 | 1,4,6,8 | 199 | 1,2,3,7,8 | 229 | 1,3,6,7,8 |
| 20 | 3,5 | 50 | 2,5,6 | 80 | 5,7 | 110 | 2,3,4,6,7 | 140 | 3,4,8 | 170 | 2,4,6,8 | 200 | 4,7,8 | 230 | 2,3,6,7,8 |
| 21 | 1,3,5 | 51 | 1,2,5,6 | 81 | 1,5,7 | 111 | 1,2,3,4,6,7 | 141 | 1,3,4,8 | 171 | 1,2,4,6,8 | 201 | 1,4,7,8 | 231 | 1,2,3,6,7,8 |
| 22 | 2,3,5 | 52 | 3,5,6 | 82 | 2,5,7 | 112 | 5,67 | 142 | 2,3,4,8 | 172 | 3,4,6,8 | 202 | 2,4,7,8 | 232 | 4,6,7,8 |
| 23 | 1,2,3,5 | 53 | 1,3,5,6 | 83 | 1,2,5,7 | 113 | 1,5,6,7 | 143 | 1,2,3,4,8 | 173 | 1,3,4,6,8 | 203 | 1,2,4,7,8 | 233 | 1,4,6,7,8 |
| 24 4 5 54 2,3,5,6 | 84 | 3,5,7 114 | 2,5,6,7 | 144 | 5,8 | 174 | 2,3,4,6,8 | 204 | 3,4,7,8 | 234 | 2,4,6,7,8 | ||||
| 25 | 1,4,5 | 55 | 1,2,3,5,6 | 85 | 1,3,5,7 | 115 | 1,2,5,6,7 | 145 | 1,5,8 | 175 | 1,2,3,4,6,8 | 205 | 1,3,4,7,8 | 235 | 1,2,4,6,7,8 |
| 26 | 2,4,5 | 56 | 4,5,6 | 86 | 2,3,5,7 | 116 | 3,5,6,7 | 146 | 2,5,8 | 176 | 5,6,8 | 206 | 2,3,4,7,8 | 236 | 3,4,6,7,8 |
| 27 | 1,2,4,5 | 57 | 1,4,5,6 | 87 | 1,2,3,5,7 | 117 | 1,3,5,6,7 | 147 | 1,2,5,8 | 177 | 1,5,6,8 | 207 | 1,2,3,4,7,8 | 237 | 1,3,4,6,7,8 |
| 28 | 3,4,5 | 58 | 2,4,5,6 | 88 | 4,5,7 | 118 | 2,3,5,6,7 | 148 | 3,5,8 | 178 | 2,5,6,8 | 208 | 5,7,8 | 238 | 2,3,4,6,7,8 |
| 29 | 1,3,4,5 | 59 | 1,2,4,5,6 | 89 | 1,4,5,7 | 119 | 1,2,3,5,6,7 | 149 | 1,3,5,8 | 179 | 1,2,5,6,8 | 209 | 1,5,7,8 | 239 | 1,2,3,4,6,7,8 |
| 30 | 2,3,4,5 | 60 | 3,4,5,6 | 90 | 2,4,5,7 | 120 | 4,5,6,7 | 150 | 2,3,5,8 | 180 | 3,5,6,8 | 210 | 2,5,7,8 | 240 | 5,6,7,8 |
4.7 MODULE DU RELAIS DE L'ACTIONNEUR ART. 1256
Dispositif intelligent pour la commande du relais 24 AC/DC 10A (en place) pour usage générique. Mettre en place 10 modules de relais d'actionneur art. 1256 au maximum dans l'ensemble du système.

4.7.1 Description des pieces
- JP4
2.JP3
3.JP2

Pour utiliser le module du relais de l'actionneur avec le kit HFX-7000M
Placer le cavalier JP2 en position 2
Placer le cavalier JP3 en position 2
Placer le cavalier JP4 en position 2

- DIP switch S1 pour tout autre réglage
- JP1 pour le réglage des fonctions
- Bornier pour la connexion de l'installation : NC contact relais N.F.
COM contact relais COM
NO contact relais N.O.
LL entree ligne BUS
\~+,-- bornes d'entree de I'alimentation
4.7.2 Fonctions
L'art. 1256 propose les fonctions suivantes, selon la position du cavalier JP1:
- commande de l'éclairage du poste extérieur
- fonction d'activation sur le bouton-poussoir de l'actionneur.
- fonction d'activation sur le bouton-poussoir de l'actionneur avec code.
| JP1 | Commande de l'éclairage du poste extérieur Le relais est activé en fermant le contact C.NO. en réponse à un appel du poste extérieur à toute adresse, à l'allumage interne d'une installation vidéophonique (ex. pour activer automatiquement l'éclairage, les contacts d'alarme CCTV, etc.). Le temps de fermeture du relais peut être programmé à l'aide d'un DIP switch S1 (voir le tableau A). |
| JP1 | Fonction activation sur le bouton-poussoir de l'actionneur Le relais est activé en fermant le contact C.NO. en réponse à un appel de l'actionneur générique depuis une installation vidéophonique. Le temps de fermeture du relais peut être programné à l'aide d'un DIP switch S1 (voir le tableau A). Tous les modules de l'art. 1256 régles pour être utilisés avec cette fonction sont activés simultanément lorsque le bouton-poussoir du poste intérieur est enforcé. |
| JP1 | Fonction d'activation sur le bouton-poussoir de l'actionneur avec code Le relais est actionné en fermant le contact C.NO. si le bouton-poussoir enforcé pour l'appeil vidéophonique a étéprogrammé pour envoyer l'appeil de l'actionneur avec le code de l'actionneur. Le temps de fermeture du relais est définî à 2 sec. Pour régler le code d'accès à l'aide d'un DIP switch S1, voir la page 70 "TAB. A - Code usager". |
| TAB. A: TEMPS DE FERMETURE DU RELAIS DE PROGRAMMATION (POUR LA FONCTION ÉCLAIRAGE DU POSTE EXTERIEUR/ECLAIRAGE DE L'ESCALIER, FONCTION ACTIVATION SUR LE BOUTON-POUSSOIR DE L'ACTIONNEUR) | |||||||||
| DIP switches sur ON | TOUS | 1 | 2 | 3 | 4 | 5 | 6 | 7 | 8 |
| Temps fermeture relais | * | 1" | 2" | 4" | 8" | 16" | 32" | 1' 5" | 2' 10" |
*Le relais de l'art. 1256 travaille en mode BISTABLE : il change d'etat à chaque commande ; en cas de coupure de l'alimentation, il revient en position C.NO. et y reste jusqu'à ce que l'alimentation revienne. Le mode bistable est disponible pour les produits dont I'indice de revision est égal ou supérieur à 003.
4.8 INTERFACETVART.1257
L'art. 1257 permet d'extraire une sortie video analogue du système.

4.8.1 Description des pieces
- Cavalier JP4 pour selectionner le mode permanent ou temporisé pour le signal de sortie
- JP2 ne pas toucher
- DIP switch IND 1 pour les réglages
- DIP switch IND 2 DIP pour les réglages
- Cavalier JP3 pour les réglages

Pour utiliser l'art. 1257 avec le kit HFX-7000M : placer le cavalier JP3 en position S2
- Bornier pour la connexion de l'installation : \~+, - bornes d'entrée de l'alimentation
L L BUS entree de ligne
OUT GND sortie du collecteur ouvert 12V (max 30mA).Peut etre utilise pour actionner les relais,declencher les DVR,ou comme signal « passage de fonction » (passer d'une entree à l'autre des télévisions)
- CV5 cavalier de fermeture video
- JP1 ne pas toucher
4.8.2 Fonctions
Le module peut fonctionner en différents modes, selon le type d'utilisation :
| Mode à adressé simple Avec ce mode, l'art. 1257 est activé lorsqu'un appel est effectué vers un poste intérieur avec la mêmeADFRESSE. Un poste intérieur adressé au moins doit être present, avec la mêmeADFRESSE que celle qui est réglée dans le module. L'art. 1257 ne s'active qu'après qu'un appel a été effectué à cetteADFRESSE. Pour programmer cette fonction, régler l'adresse voulue (Voir la page 70 “TAB. A - Code usager”) sur le DIP switch IND 1 et laisser IND 2 sur zéro. | Exemple de code de réglage 7 IND 1 IND 2 ON 12345678 ON 12345678 |
| Mode indépendant Avec de mode, le module doit avoir uneADFRESSE unique (non utilisée pour les autres postes intérieurs). L'art. 1257 ne s'active qu'après qu'un appel a été effectué à cetteADFRESSE. Pour programmer cette fonction régler IND 1 sur « 11111111 » et régler l'adresse voulue sur IND 2. (Voir la page 70 “TAB. A - Code usager”). | Exemple de code de réglage 3 IND 1 IND 2 ON 12345678 ON 12345678 |
| Mode plage d'adresse Avec ce mode, un poste intérieur au moins doit être present pour chaqueADFRESSE, y compris dans la plage réglée sur le module. L'art. 1257 ne s'active qu'après qu'un appel a été effectué à cesADFRESSES. Pour programmer cette fonction, régler l'adresse minimum de la plage sur le DIP switch IND 1 et l'adresse maximum de la plage IND 2. (Voir la page 70 “TAB. A - Code usager”). | Exemple de réglage du code MIN 1 et du code MAX 239 IND 1 IND 2 ON 12345678 ON 12345678 |
4.9 INTERFACEMÉRA CCTV ART. 1409
L'art. 1409 permet de gérer laamera CCTV analogique (jusqu'à 3).

4.9.1 Description des pieces
- Bornier M2 pour la connexion du système :
INA non utilisé
GND Contact commun
V1 S1 Entree coaxiale camera 1
V2 S2 Entrée coaxiale camera 2
V3 S3 Entrée coaxiale camera 3 - TM2 Contrôle la fréquence de la modulation du signal video (réglé par le fabricant au réglage optimal : ne pas régler)
- TM1 Commande l'amplitude du signal video modulé (réglé par le fabricant au réglage optimal : ne pas régler)
- Micro-switches de programmation S1
- Bornier M1 pour la connexion du système :
LOUT LOUT Sortie ligne Bus
L IN L IN Entreigne ligne Bus
\~\~+Entree de puissance 12V CA 20V CC
4.9.2 Fonctionnement
√ Le moniteur est allumé
Appuyer sur le bouton programme pour passer d'uneamera à l'autre, selon le diagramme suivant:

4.9.2.1 PROGRAMMATION DU NOMBRE DE CAMÉRAS CONNECTÉES
Selectionner le nombre de cameras connectées à l'aide des switches 7 et 8 du selecteur S1, comme indiqué dans le tableau suivant.
| DIP 7 DIP 8 | |||
| 0 Caméra 0 0 | DIP-SWITCHES 1 2 3 4 5 6 7 8 | ||
| 1 Caméra 1 0 | DIP-SWITCHES 1 2 3 4 5 6 7 8 | ||
| 2 Cameras 0 1 | DIP-SWITCHES 1 2 3 4 5 6 7 8 | ||
| 3 Cameras 1 1 | DIP-SWITCHES 1 2 3 4 5 6 7 8 | ||
4.9.2.2 FONCTION 1: MODE ACTIONNEUR GÉNÉRIQUE
REMARQUE: avant de programmerme le module, consulter le tableau: «4.9.2.4 Tableau de compatibilite» à la page 74. En appuyant sur le bouton programme comme « actionneur générique», l'utiliseur peut passer d'uneamera à l'autre.
Le microswitch « S1 » doit être régle comme indiqué dans le tableau suivant.
| DIP 1 DIP 2 DIP 3 DIP 4 DIP 5 DIP 6 | |||||||
| Programmation pour l'actionneur spécifique | 1 1 0 0 | 0 0 | DIP-SWITCHES | ||||
REMARQUE: avant de programmerme le module, consulter le tableau: «4.9.2.4 Tableau de compatibilite>. En appuyant sur le bouton regle comme « actioneur a code», l'utiliser peut passer d'uneamera à l'autre. Le microswitch « S1 » doit être regle comme indiquedans le tableau suivant :
| Correspondance de l'actionneur avec code dont l'adresse est 1409 sur le support | |||||||
| DIP 1 | DIP 2 | DIP 3 | DIP 4 | DIP 5 | DIP 6 | Adresse 1409 | Code actionneur sur bride |
| 1 0 | 0 0 0 | 0 220 | |||||
| 1 0 | 1 0 0 | 1 221 | |||||
| 1 0 | 0 1 0 | 2 222 | |||||
| 1 0 | 1 1 0 | 3 223 | |||||
| 1 0 | 0 0 1 | 4 224 | |||||
| 1 0 | 1 0 1 | 5 225 | |||||
| 1 0 | 0 1 1 | 6 226 | |||||
| 1 0 | 1 1 1 | 7 227 | |||||
| DIP 1 DIP 2 | DIP 3 DIP | 4 | DIP 5 | DIP 6 | ||||
| Exemple de réglage d'adresse sur l'art.1409 pour le contrôle à l'aide du codeactionneur 224. | 1000 | 10 | DIP-SWITCHES |
Avec ce mode, à moniter d'applé videophonique allumé, appuyer plusieurs fois sur l'actionneur à l'aide du bouton-poussoir à code pour passer UNIQUÉMENT entre les caméras qui sont connectées au module 1409, avec leur adresse correspondante. Dans le même système, il est possible d'installer jusqu'à 8 modules 1409 avec des codes différents.
4.9.2.4 TABLEAU DE COMPATIBILITÉ
| COMPATIBILITÉ DE 1409 AVEC 1256 OU 1409 | ||
| MODE ACTIONNEUR GÉNÉRIQUE MODE ACTIONNEUR AVEC CODE | ||
| Compatibilité avec 1256 | Aucun 1256 dans « Mode actionneur générique » | Aucun 1256 dans « Mode actionneur avec code » avec des codes compris entre 220 et 227 |
| Compatibilité avec 1409 | Aucun autre 1409 | Uniquement 1409 dans « Mode actionneur avec code » avec des codes différents |
5. Fonctions de la ligne

5.1 EFFECTUER UN APPEL
5.1.1 Comment effectuer un appel depuis un poste extérieur
Pour lancer un appel depuis un poste extérieur, touchez le bouton d'applé correspondant à l'utilisateur que vous souhaitez contacter.
Le LED d'éclairage de la personne qui appelle s'allume sur le poste extérieur, le LED clignote et la sonnerie de confirmation retentit. L'image video du poste extérieur s'affiche automatiquement sur le(s) moniter(s) interne(s).
Si la ligne est occupée: le LED clignote et le poste extérieur émet la sonnerie de ligne occupée.

5.1.3 Comment transmettre un appel à d'autres postes interieurs
Cette fonction peut être utilisée pour transmettre un appel à d'autres postes interieurs régés sur le même code d'accès ou régés sur un autre code d'accès (pour la programmation, voir la page 63 "4.2 Configuration des touches capacités art. Ex-7000H".
Appuyer sur le bouton programme pour envoyer l'appeil Si le système est occupé : le LED clignote 4 fois

Touche ouvre-porte

Touche 1 Bouton programmable

Touche 2 Fonction auto-allumage (programmable)

Mode privacy

Réponse à un appel/appele de radiomessagerie
5.1.2 Comment répondre à un appel d'un poste interieur
"La sonnerie d'applel retentit lorsque vous receivez un appel du poste extérieur.
Appuyer sur pour entrer en communication avec la personne qui appelle le LED s'allume sur le poste extérieur.
Appuyer à nouveau sur pour terminer l'appeil.

Unappeldupooste extérieur a tousjours la priorite sur une communication intercommunicante ou sur un appel de radiomessagerie
l'appeI en cours sera terminé pour les autres disposits.
5.1.4 Comment répondre à un appel d'un poste interieur
» Lorsque vous receivez un appel du poste interieur, une sonnerie retentit. Lorsque le « mode privacy » est activé, le poste interieur émet une sonnerie dans tous les cas.
Appuyer sur pour entrer en communication avec la personne qui appelle.
Appuyer à nouveau sur pour terminer l'appeil.
Un appel du poste extérieur a tous jours la priorite sur une communication intercommunicante ou sur un appel de radiomessagerie
l'appeI en cours sera terminé pour les autres dispositifs.

5.2 APPEL DE RADIOMESSAGERIE
5.2.1 Commentancer un appel de radiomessagerie
Appuyer sur pour activer une sonnerie de radiomessagerie Lorsque la sonnerie retentit, un message de 30 secondes peut etre transmis a tous les moniteurs de la ligne (4 moniteurs au maximum).
5.2.2 Comment répondre à un appel de radiomessagerie
- Appuyer sur pour répondre à l'appel de radiomessagerie « une conversation de point à point (300 secondes) est établie entre les deux moniteurs. « l'appel de radiomessagerie sera terminé pour les autres dispositifs.



Un appel du poste extérieur a tous les priorite sur une communication intercommunicante ou sur un appel de radiomessagerie l'appei en cours sera terminé pour les autres dispositifs.
5.3 FONCTION AUTO-ALLUMAGE
√ L'auto-allumage n'est possible que lorsque l'installation est en veille.
Appuyer sur le bouton d'auto-allumage2 (par défaut) pour afficher la vente du poste extérieur sur le moniteur.

Appuyer à nouveau pour faire défilier les différentes caméras Il n'est PAS possible de faire défilier les postes extérieurs si un appel est en cours avec le poste extérieur

5.3.1 Comment afficher à l'écran l'image transmise par laamera CCTV
Durant un « appel en cours » ou l'auto-allumage.
Appuyer sur le bouton programme pour afficher à l'écran l'image transmise par laamera CCTV.
Appuyer une nouvelle fois pour passer aux différentes caméras et revenir au poste extérieur


5.4 FONCTION OUVRE-PORTE

Durant un « appel en cours » ou l'auto-allumage.
Appuyer sur pour ouvrir la porte.
"le LED s'allume sur le poste extérieur.
5.5 ACTIVATION / DÉSACTIVATION DU MODE PRIVACY

Appuyer sur pour désactiver/activer la sonnerie des appel du poste extérieur et de la radiomessagerie. Le LED rouge indique que la fonction privacy est activée.

Les appel de radiomessagerie restent disponibles en mode privacy
5.6 ACTIVATION / DÉSACTIVATION DE LA FONCTION MÉDECIN

Appuyer pendant 3 sec. sur le bouton programme pour désactiver / activer la fonction médecin » 3 clignotements (toutes les 5 sec.) du LED indiquent que la fonction médecin est active.
5.7 ACTIVATION / DÉSACTIVATION DU MODE RÉPONSE AUTOMATIQUE

Appuyer sur pendant 10 sec. pour activer/désactiver le mode réponse automatique
» Une sonnerie de confirmation retentit
» Le LED3 indique que le mode réponse automatique est activé.

Cette fonction n'est pas adaptée lorsque 2 moniteurs ou plus sont installés
5.8 RÉGLAGE DE LA LUMINOSITÉ

Tournier dans le sens des aiguilles d'une montre pour augmenter la luminosité.
5.9 RÉGLAGE DU VOLUME DU HAUT-PARLEUR

Tourner dans le sens des aiguilles d'une montre pour augmenter le volume.
6. Spécifications techniques
6.1 MONITEUR PRINCIPAL EX-7000H
| Affichage Écran couleur LCD 4,3" | |
| Résolution | 480x272 pixel |
| Temporisateur automatique (intercom) | 300 sec |
| Température de fonctionnement | Plage normale classe B1 intéérieur de 41°F à 104°F (de 5°C à 40°C) |
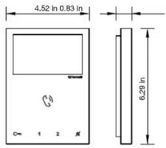
| Dimensions (avec support) L × H × P | 4,52 × 6,29 × 0,83 po (115 × 160 × 21,5 mm) |
| Consummation | 10 W MAX |
6.2 POSTE EXTÉRIEUR EX-DSM
| Capteur d'images | 4" CMOS |
| Résolution | 600TVL - 640(H)*480(V) |
| Optiqueamera | F2.1 |
| Angle de vision | 98° diagonal |
| Capteur d'éclairage automatique | NON |
| Température de fonctionnement | Plage large classe A2 extérieur de -13°F à 131°F (de -25°C à +55°C) |
| Dimensions (avec support) L × H × P | 3,79 × 7,72 × 1,06 po (96,2 × 196,2 × 27 mm) |
| Consommation | 8W MAX |
| Oùvre-porte : (contact relais) | 24V DC 2A |
| Oùvre-porte : (sortie de courant direct) | Décharge capacitive 1000uF-25V - 12Vdc-200mA ajustien |
| Gâches compatibles | 12V AC, 12V DC |
6.3 ALIMENTATION ÉLECTRIQUE 1209/4 BUS
| Consummation | 12W MAX |
| Température de fonctionnement | Plage large classe A1 interieur de 23°F à 104°F (de -5°C à +40°C) |
| Dimensions L x H x P | 4,17 x 3,52 x 2,44 po (106 x 89,5 x 62 mm) |
| Catégorie CSA États-Unis et Canada | |
6.4 MODULE RELAIS ACTIONNEUR ART. 1256
| Consommation | |
| Température de fonctionnement de 32°F à 86°F (de 0°C à 30°C) | |
| Dimensions L x H x P 2,6 x 3,35 x 1,38 po (66 x 85 x 35 mm) | |
6.5 INTERFACE TV ART. 1257
| Consommation | |
| Température de fonctionnement de 32°F à 86°F (de 0°C à 30°C) | |
| Dimensions L x H x P 2,6 x 3,35 x 1,38 po (66 x 85 x 35 mm) | |
6.6 MODULE CAMÉRA DEPORTÉE ART. 1409
| Consommation | |
| Température de fonctionnement de 23°F à 104°F (-de 5°C à +40°C) | |
| Dimensions L × H × P 2,6 × 3,35 × 1,38 po (66 × 85 × 35 mm) | |
6.7 UNITE D'EXTENSION DE LA VIDÉO À LA PORTE ART. 1405
| Consommation | |
| Température de fonctionnement | de 23°F à 104°F (-de 5°C à +40°C) |
| Dimensions L x H x P | 1,42 x 3,54 x 2,28 po (36 x 90 x 58 mm) |
7. Annexe
7.1 AVENTISSEMENT
AVERTISSEMENT:
POUR RÉDUIRE LE RISQUE D'INCENDIE OU D'ÉLECTROCUTION, NE PAS EXPOSER LE MONITEUR OU L'ADAPTATEUR À LA PLUIE OU À L'HUMIDITÉ.
ATTENTION:
- Le moniteur est concu uniquement pour un usage en interieur. Ne pas l'installer en extérieur.
L'equipement doit toujours être sec. S'il entre en contact avec de l'eau, l'essuyer immédiatement. L'eau contient des mineraux qui sont corrosifs pour les circuits électroniques. - Le système Intercom ne fonctionne pas en cas de coupure de courant.
Le système Intercom peut subir les interférences radio ou EMI (interférences electromagnétiques) s'il est placé à proximé d'antennes de diffusion. - Les cables doivent passer à 1 pied au moins des systèmes d'éclairage fluorescent, des variateurs et de l'alimentation CA.
EXPLICATION DES SYMBOLES

Le symbole de l'éclair avec une pointe en forme de flèche positionné à l'intérieur d'un triangle équilatéral est utilisé pour indiquer à l'utilisateur la présence, à l'intérieur de l'appareil, de « tensions dangereuses » non isolées pouvant représentier un danger d'électrocution

Le point d'exclamation dans un triangle équilatéral prévient l'utilisateur de la présence d'instructions d'utilisation et de maintenance (entretien) importantes dans la documentation accompagnant l'ordinateil.
7.2 CONSIGNES DE SECURITE IMPORTANTES
AVERTISSEMENT:
POUR RÉDUIRE LE RISQUE D'INCENDIE OU D'ÉLECTROCUTION, NE PAS EXPOSER LE MONTEUR OU L'ADAPTATEUR À LA PLUIE OU À L'HUMIDITE.
Lire les consignes - Lire toutes les consignes de sécurité et de fonctionnement avant d'utiliser cet équipement. Cesignes doivent etre conservées pour toute consultation ultérieure.
- Avertissement HEED - Tous les averissements appliqués sur le produit ou figurant dans le guide de l'utilisateur doivent être scrupuleusement suivis. Toutes les indications de précaution et d'utilisation de ce dispositif doivent être suivies.
- Sources d'alimentation - L'équipment ne doit être branché qu'à une source d'alimentation telle que spécifiée dans le guide de l'utilisateur ou en suivant les indications placées sur le dispositif même.
Protection des cables electriques - Garder les cables electriques et les fiches à l'ecart d'autres objets, en particulier à l'endroit ou ils sortent du dispositif.
Nettoyage - Nettoyer I'equipement a l'aide d'un linge souple (ne pas utiliser de produits abrasifs ni d'eau).
- Périodes d'arrêt prolongé - Lorsque le dispositif n'est pas utilisé durant une période prolongée, débrancher les cables électriques de la prise.
- Pénétration d'objets et de liquides - Veiller à ne pas laisser tomber d'objets ou de liquides sur les éléments de l'équipement.
Dommages necessitant l'intervention de I'assistance technique - L'unité doit etre réparée par du personnel qualifié :
- En cas de dommage du cable ou de la fiche d'alimentation ou
Lorsque des objets sont tombes ou lorsque des liquides se sont ecoulés sur le dispositif ou -
En cas d'exposition de l'appareil à la pluie ou
Lorsque l'equipement semble ne pas fonctionner normalement ou s'il presente un changement important de performances ou
Lorsque I'equipement est tombé et/ou si son boitier est endommage. -
Réparation - Ne pas essayer d'effectuer des réparations autres que celles qui sont indiquées dans le mode d'emploi. Toutes les autres opérations devront être confiées au personnel technique qualifié du distributeur.
7.3 AVIS SUR LE FCC CLASSE B
REMARQUE:
Cet equipement a ete teste ande rclare compatible avec les limites fixees par les normes FCC et CE. Il est donc prevu pour fournir une protection raisonnable contre les interfences et ne provoquera aucune interfeence avec d'autres disposits. L'utiliseur est toutefois tenu de respecter les indications du present manuel afin d'eviter une utilisation inappropriee qui pourrait endommager l'unité, provoquer un risque d'électrocution, d'incendie ou provoquer des blessures. Les specifications sont regulierement soumises à des modifications, sans qu'aucun avis ne soit fourni, afin d'améliorer les fonctions et la qualité du produit.
REMARQUE:
Cet equipement a ete teste et declaré conforme aux limites imposées aux appeareils numériques de la classe B, en vertu de la partie 15 des règles de la FCC. Ces limites ont eté établies pour assurer une protection suffisante contre les interférences nuisibles dans les installations résidentielles. Cet equipement général, utilise et peut émettre des fréquences radio et, s'il n'est pas installé et utilise conformément aux instructions du fabricant, il peut provoquer des interférences avec les communications radio. Il n'existe toutefois aucune garantie d'absence totale d'interférences dans une installation particulière. Si cet equipement entraine des interférences préjudiciable à la réception des émissions radio ou de télévision, identifiables en eteignant et rallumant l'équipment, il est recommendé à l'utiliseur de tenter de résoudre ce problème en adoptant une ou plusieurs des mesures suivantes.
- Réorienter ou déplacer moniteur
- Augmenter la distance séparant le moniteur de laamera
- Brancher l'équipement à une autre prise
- Consulter le distributeur ou un spécialiste de radios ou de télévisions
7.4 GARANTIE GÉNÉRIQUE SUR LE PRODUIT :
Tous les produits marqués Comelit (sauf les produits HFX 700, 720 et 900) sont couverts par 2 ans de garantie fabricant. Pour tous les retours, un justificatif d'achat de la part du distributeur, sous forme de facture, est nécessaire.
Politique RMA (RETOUR) :
- Référence DOIT ÉTRE faite au RMA afin d'assurer la précision des opérations. Les demandes de RMA transmises par fax ou par courriel ne seront pas prises en compte.
- Avant de demander un numero de RMA, l'installeur doit faire apel à notre service d'assistance technique afin de vérifier l'état du produit et les mesures de dépannage possibles afin que Comelit puisse étabir si un RMA doit être effectué.
- Si l'assistance technique estime qu'un retour n'est pas nécessaire, elle émettra un numero de dossier de panne, associé au problème du produit défectieux. Tous les distributeurs doivent avoir un numero de dossier de panne pour receivevoir un numero de RMA.
- Tout l'équipment doit être returné tel que le fabricant l'a expédé, et toutes les pieces doivent être prsentes. Si des pieces manquent, le traitement du RMA et l'eventuel renvoi des pieces au client pourrait être retardés.
- Les frais de return sont à la charge du client (et ils ne sont pas remboursables). Les frais de transport pour le « return au client » sont à la charge de Comelit.
- Un produit « hors garantie » est sujet aux frais de réparation, lesquels devront être payés par le client.
Pour tous les produits Comelit (kits Comelit et pieces Multi-tenant, à l'exception de la série HFX et des pieces qui s'y rattachent),
- des pièces de rechange neuves seront fournies lorsque les produits défecteurs seront returnés. Un crédit n'est accordé aux distributeurs que dans des circonstances particulières, après approbation de Comelit.
- La facture d'achat devra always accompagner les produits returnes lorsque les distributeurs demandent un credit.
- Tous les RMA doivent être accompagnés du formulaire RMA dûment rempli.
- Les unités expediées sans documentation rencontres des retards de traitement et seront returnées au demandeur.
Pour toute demande de RMA, veuillez vous adresser à :
Comelit USA Service RMA
Appel gratuite : (800) 692-9739 Option 2
Bureau principal : (626) 930-0388 Option 2
tech@comelitusa.com
Indices
L L Terminales de connexion de la ligne Bus
Notice Facile