TA 210 A - Thermostat Junkers - Notice d'utilisation et mode d'emploi gratuit
Retrouvez gratuitement la notice de l'appareil TA 210 A Junkers au format PDF.
| Caractéristiques Techniques | Détails |
|---|---|
| Type de thermostat | Thermostat programmable |
| Plage de température réglable | 5°C à 30°C |
| Alimentation | 230 V AC |
| Dimensions | Dimensions compactes pour une installation facile |
| Affichage | Écran LCD clair et lisible |
| Fonctionnalités supplémentaires | Programmation hebdomadaire, mode éco |
| Utilisation | Idéal pour le contrôle de la température dans les systèmes de chauffage |
| Maintenance | Vérification régulière des connexions électriques et nettoyage de l'appareil |
| Sécurité | Protection contre les surchauffes, conforme aux normes de sécurité |
| Informations générales | Facilité d'installation, compatible avec la plupart des systèmes de chauffage |
FOIRE AUX QUESTIONS - TA 210 A Junkers
Questions des utilisateurs sur TA 210 A Junkers
0 question sur cet appareil. Repondez a celles que vous connaissez ou posez la votre.
Poser une nouvelle question sur cet appareil
Téléchargez la notice de votre Thermostat au format PDF gratuitement ! Retrouvez votre notice TA 210 A - Junkers et reprennez votre appareil électronique en main. Sur cette page sont publiés tous les documents nécessaires à l'utilisation de votre appareil TA 210 A de la marque Junkers.
MODE D'EMPLOI TA 210 A Junkers
weersafhankelijke regelingen régulations climatiques

Un fonctionnement impeccable ne peut être garantie que lorsque les prescriptions sont strictement observées. Ous réserve de modifications. S
Nous vous prions de bien pouvoir lire attentivement ces prescriptions, de les remetter à l'utilisateur et de lui conseiller de les conserver soigneusement.
L'INSTALLATION, LA MISE EN SERVICE, L'ENTRE-TIEN ET LE SERVICE APRES VENTE DOIVENT ETRE EFFECTUES PAR UN INSTALLATEUR AGREE.
| INHOUD | blz. / page | RESUME |
| CENTRALE REGELAAR TA 210 A 3 COMMANDE CENTRALE TA 210 A | ||
| technische gegevens 3 verbesserten techniques | ||
| montage | 3 | montage |
| montage van de buitenvoeler AF 3 montage de la somme extérieure AF | ||
| montage van de vertrekvoeler VF 4 montage de la somme de départ VF | ||
| montage van de centrale regelaar | 4 montage de la commande centrale | |
| TA 210 A | TA 210 A | |
| elektrische aansluiting 5 raccordement électrique | ||
| vloerverwarming (alleen met TA 210 A) 5 chauffage sol (uniquemment avec TA 210 A) | ||
| installing TA 210 A 7 réglage du TA 210 A | ||
| verwarmingscurve 7 courbe de chauffe | 8 | point |
| voetpunt | ||
| proportioneel bereik 8 plage proportionnelle | ||
| uitschakelen van de verwarming 8 mise hors service du chauffage | ||
| voorbeelden van correcties van de instelwaarden | 9 exemples de correction des valeurs de réglage du | |
| voor TA 210 A | TA 210 A | |
| CENTRALE REGELAAR TA 210 E 10 COMMANDE CENTRALE TA 210 E | ||
| technische gegevens | 10données techniques | |
| montage | 10 | montage |
| montage van de buitenvoeler AF | 10 | montage de la sonde extérieure AF |
| montage van de centrale regelaar | 11 | montage de la commande centrale |
| TA 210 E | TA 210 E | |
| elektrische aansluiting | 12raccordement électrique | |
| installing TA 210 E | 13réglage du TA 210 E | |
| automatische uitschakeling van de verwarming | 13couple automatique du chauffage | |
| bedrijfskeuzeschakelaar | 13sélécteur de modes de service | |
| installing van de verwarmingscurve | 15réglage de la courbe de chauffe | |
| AFSTANDSBEDIERING TFQ 2 T | 16COMMANDE A DISTANCE TFQ 2 T | |
| technische gegevens | 16données techniques | |
| montage | 16 | montage |
| installing | 17 | réglage |
| functiekeuzeschakelaar | 17commutateur de dérogation | |
| correctieknoppen | 17bouts de correction | |
| verkorte handleiding | 17mode d'emploi condensé | |
| schuifschakelaars | 18interrupteurs | |
| installing van de klok | 19mise à l'heure | |
| AFSTANDSBEDIERING TFP 3 | 19COMMANDE A DISTANCE TFP 3 | |
| technische gegevens | 19données techniques | |
| montage | 19 | montage |
| installing | 20 | réglage |
| functiekeuzeschakelaar | 20commutateur de dérogation | |
| correctieknoppen | 20bouts de correction | |
| verkorte handleiding | 21mode d'emploi condensé | |
| schuifschakelaars | 21interrupteurs | |
| installing van de klok | 19mise à l'heure | |
| CASCADEREGELING TAS 21 | 25COMMANDE EN CASCADE TAS 21 | |
| MOGELIJKE STORINGEN EN HOE ERAAN TE | 27PERTURBATIONS EVENTUELLES ET COMMENT | |
| VERHELPHEN | Y REMEDIER | |
| TIPS VOOR INÉRGIEBESPARING | CONSEILS POUR L'ECONOMIE D'ENERGIE | |
| BELANGRIJKE NOTA'S | NOTICES IMPORTANTES | |
| NAVERKOOPSERVICE | SERVICE APRES VENTE | |
| WAARBORG | GARANTIE | |
| NUTTIGE ADRESSEN | 32ADRESSES UTILES | |
1. COMMANDE CENTRALE TA 210 A convient pour chauffage sol
1.1 TECHNISCHE GEGEVENS 1.1 DONNEES TECHNIQUES
Ingangsspanning
(tussen klemmen 1 en 4)
Uitgangsspanning
(tussen klemmen 2 en 4)
27 V-DC Tension entree
entre bornes 1 et 4) max.24 V-DC Tension sortie min.3V-DC (entre bornes 2 et 4)
Weerstandswaarden :
Valeurs de résistance :
| vertrekvoeler sonde de départ | buitenvoeler AF sonde extérieure AF | ||
| vertrektemperatuur in °C températ. de départ en °C | weerstand in Ohm * résistance en Ohm * | vertrektemperatuur in °C températ. de départ en °C | weerstand in Ohm * résistance en Ohm * |
| 20 | 14772 | -20 | 2392 |
| 26 | 11500 | -16 | 2088 |
| 32 | 9043 | -12 | 1811 |
| 38 | 7174 | -8 | 1562 |
| 44 | 5730 | -4 | 1342 |
| 50 | 4608 | +0 | 1149 |
| 56 | 3723 | +4 | 984 |
| 62 | 3032 | +8 | 842 |
| 68 | 2488 | +12 | 720 |
| 74 | 2053 | +16 | 616 |
| 80 | 1704 | +20 | 528 |
| 86 | 1421 | +24 | 454 |
- deze waarden gelden enkel wanner de centrale regelaar van de klemsokkel afgenomen werd
- ces valeurs ne sont correctes que lorsque le régulateur central est enlevé du socle
1.2 MONTAGE 1.2 MONTAGE
1.2.1 MONTAGE VAN DE BUITENVOELER AF
La sonde extérieure doit être montée sur le mur extérieur. Les expositions ideales sont les murs extérieurs nord ou est. Les influences directes des rayons solaires sont à éviter. Montez la sonde comme indiquedans fig.2 ou 3.

fig. 1 buitenvoeler / sonde extérieure
La sonde de départ VF est fixée à l'aide des accessoires prévus sur la conduite de départ du circuit chauffage. Utilisez de la pate conductrice à l'endetroit de fixation. (voir fig. 5 et 6)

fig. 5 montageschema voor TA 210 A schéma de montage pour TA 21
AF =buitenvoeler/sondeextérieure
VF = vertrekvoeler / sonde de départ
TA 210 A = centrale regelaar / commande centrale
TFQ/TFP = afstandsbediening / commande à distance

fig.6 vertrekvoeler sonde de depart
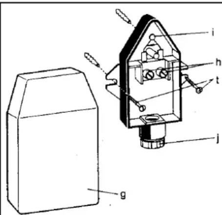
Après dégagement des vis, démonze le capot du socle. Le socle est à monter à proximé de la chaudière. (voir fig. 5 et 7)

fig. 7 centr. regelaar/comm. centrale
a = klemskokel / socle
g = regelaarhuis / capot du régulateur
h = schroef / vis
1.3 ELEKTRISCHE AANSLUITING
Les bornes de la chaudière, du TA 210 A et du TFQ 2T/TFP 3 doivent être raccordées comme dans fig. 8.
Le TA 210 A est pourvu d'une résistance 5,1k entre les bornes 11 et 12. Lors de l'installation d'une commande à distance, cette résistance est à enlever (voir fig.9). Ne raccordez enaucun cas du 230V sur le TA 210 A et TFQ 2T/TFP 3.

fig. 8

fig. 9
1.3.1 CHAUFFAGE SOL (uniquement avec TA 210 A)
En cas de chauffage par le sol, un limiteur de tempereure doit etre fixe sur le depart de la chaudiere (aquastat applique). Il doit etre regle a la temperature maximale admise du chauffage par le sol. (voir fig. 10 et 11) Cet aquastat coupe les bornes 8 et 9 de la chaudiere. Quand la temperature de depart est trop elevée, l'aquastat coupe l'appareil. Il ne peut pas declencher la chaudiere en cas de fonctionnement normal.
Note : Nous vous conseillons d'installer un circulateur complémentaire avec collecteur d'équilibre. (fig. 11 à la page 6)

fig. 11
1 handbediende schakelaar voor circulatiepomp 1 interrupteur à commande manuelle pour circulateur
2 bijkomende circulatiepomp 2 circulator suplementaire
3 temperatuurbegrenzer 3 limiteur de tempera
4 thermometer 4 thermometre
5 vertrekvoeler 5 sonde de depart
6 buitenvoeler 6 sonde extérieure
7 collector 7 collecteur
8 expansievat 8 vase d'expansion
1.4. INSTELLING TA 210 A
L'appareil est pré-reglé en usine, au point fixe de 20^ et une courbe de chauffage de 1,6, afin d'obtenir une température suffisante, même pendant la période de transition entre l'hiver et l'éte. Pour des températures de départ inférieures à 50^ , il convient de diminuer la courbe de chauffe et le point fixe.

fig. 12
A = vertrektemp.°C / temp. départ °C
B = buitentemp.°C / temp. extérieure °C

fig. 13

fig. 14
1.4.1 VERWARMINGSCURVE (fig.13 & 14)
Le chiffre,CHOsi avec le bouton de reglage (a), correspond a la courbe de chauffe du schema.
Plage de réglage: sans étapes de 0,2 à 5,0.
Afin deCHOISIR la courbe de chauffe exacte, il faut connaitre la temperature de depart maximale lorsque la temperature exterieure est la plus basse. Vous pouvez definir cette valeur par experience ou, dans le cas d'une nouvelle abitation, par le calcul des déperditions de chaleur. h
EXEMPLE : chauffage avec des radiateurs avec une température de départ maximal de 75^ lorsque la temperature extérieure est de -15^ .
Réglage de la courbe de chauffe: 1,6.
maximale vertrektemperatuur in ^ C température de départ maximale en ^ C
| verwarming met radiatorenlaagste buitentemperatuertempérature extérieurela plus basse en | chauffage avec radiateurs | vloerverwarmingchauffage par le sol | |||
| 90 | 75 | 60 | 50 | 35 | |
| - 20 | °C | 1,7 | 1,4 | 0,9 | |
| - 18 | °C | 1,9 | 1,5 | 1,0 | |
| - 15 | °C | 2,1 | 1,6 | 1,1 | |
| - 12 | °C | 2,3 | 1,7 | 1,2 | |
verwarmingscurven / courbes de chauffe
1.4.2 VOETPUNT (fig. 13)
Avec le bouton de réglage (b) vous pouvez modifier la courbe de chauffe pour obtenir une adaptation de la température de départ aux exigences spécifiques de l'installation de chauffage et de l'habitation.
Plage de réglage
10 60^ C
Réglage en usine
20^ C
1.4.3 PLAGE PROPORTIONNELLE (fig. 14)
Avec le bouton de réglage (d) on peut modifier la sensibilité du régulateur.
Plage de réglage
5 15K
Réglage en usine
15K
p.ex.-avec radiateurs
10 12K
- avec chauffage sol
8 10K
REMARQUE: Des valeurs de réglage basses menont à une précision de réglage plus haute mais également à une stabilité plus basse. Ceci peut dire que l'enclement et le déclenchement peuvent se presenter même dans la plage de modulation. Des valeurs de réglage élevées menont à une précision de réglage plus basse mais à une excellente stabilité. Parce qu'une régulation modulante doit avoir un fonctionnement STABLE, on doit faire une correction avec le bouton (d) le plus souvent vers des valeurs de réglage plus élevées.
1.4.4 MISE HORS SERVICE DU CHAUFFAGE (fig. 14)
Avec le bouton de réglage (c) la mise en et hors service du chauffage est dépendante de la température extérieure. Meme avec l'interrupteur du circulateur en position de commande III, le circulateur est arrêté quand cette température extérieure est dépassée.
Plage de réglage
15 25^ C
Réglage en usine
25^ C
1.5. VOORBEELDEN VAN CORRECTIES VAN DE INSTELWAARDEN (fig. 15)
1.5. EXAMPLES DE CORRECTION DES VALEURS DE REGLAGE (fig. 15)
| in de kamers is het ... dans les chambres il fait ... | verwarming met vertrektempera-turen tot 90°C chauffage avec températures de départ jusqu'à 90°C | lagetemperatuurverwarming (vloerverwarming) tot 60°C chauffageasse température (chauffage sol) jusqu'à 60°C |
| te koud bij gelijk welke buiten-temperatuur | knop (b) met 5 tot 10 verhogen | knop (b) met 3 tot 6 verhogen |
| trop froid par n'importe qu'elle températe extérieure | augmenter bouton (b) de 5 à 10 | augmenter bouton (b) de 3 à 6 |
| te koud bij een gemiddelde buitentemperatuur | knop (a) met 0,2 tot 0,4 verlagen knop (b) met 5 tot 10 verhogen | knop (a) met 0,1 tot 0,2 verlagen knop (b) met 3 tot 6 verhogen |
| trop froid à une températe extérieure moyenne | abaisser bouton (a) de 0,2 à 0,4 augmenter bouton (b) de 5 à 10 | abaisser bouton (a) de 0,1 à 0,2 augmenter bouton (b) de 3 à 6 |
| te koud bij strenge vorst | knop (a) met 0,2 tot 0,3 verhogen | knop (a) met 0,1 tot 0,2 verhogen |
| trop froid en cas de grand froid | augmenter bouton (a) de 0,2 à 0,3 | augmenter bouton(a) de 0,1 à 0,2 |
| te warm bij gelijk welke buiten-temperatuur | knop (b) met 5 tot 10 verlagen | knop (b) met 3 tot 6 verlagen |
| trop chaud par n'importequelle températe extérieure | abaisser (b) de 5 à 10 | abaisser bouton (b) de 3 à 6 |
| te warm bij een gemiddelde buitentemperatuur | knop (a) met 0,2 tot 0,4 verhogen knop (b) met 5 tot 10 verlagen | knop (a) met 0,1 tot 0,2 verhogen knop (b) met 3 tot 6 verlagen |
| trop chaud à une températe extérieure moyenne | augmenter bouton (a) de 0,2 à 0,4 abaisser bouton (b) de 5 à 10 | augmenter bouton (a) de 0,1 à 0,2 abaisser bouton (b) de 3 à 6 |
| te warm bij strenge vorst | knop (a) met 0,2 tot 0,4 verlagen | knop (a) met 0,1 tot 0,2 verlagen |
| trop chaud en cas de grand froid | abaisser bouton (a) de 0,2 à 0,4 | abaisser bouton (a) de 0,1 à 0,2 |

fig. 15
2. CENTRALE REGELAAR TA 210 E
in te bouwen in ketels CERASTAR
2.COMMANDE CENTRALE TA 210 E
a encastrer dans chaudières CERASTAR
BELANGRIJKE OPMERKING :
DE TA 210 E MAG NIET GEBRUIKT WORDEN BIJ VLOERVERWARMING.
EBRUIK HIERVVOOR ALLEEN DE TA 210 A.
REMARQUE IMPORTANTE
LE TA 210 E NE PEUT PAS ETRE UTILISE AVEC CHAUFFAGE PAR LE SOL.
UTILISEZ UNIQUEMENT LE TA 210 A.G
Valeurs de résistance : W
| vertrekvoeler (ingebouwd in de gaswandketel)sonde de départ (incorporee dans la chaudière murale) | buitenvoeler AFsonde extérieure AF | ||
| vertrektemperatuur in °Ctempérat. de départ en °C | weerstand in Ohm *résistance en Ohm * | vertrektemperatuur in °Ctempérat. de départ en °C | weerstand in Ohm *résistance en Ohm * |
| 20 | 14772 | - 20 | 2392 |
| 26 | 11500 | - 16 | 2088 |
| 32 | 9043 | - 12 | 1811 |
| 38 | 7174 | - 8 | 1562 |
| 44 | 5730 | - 4 | 1342 |
| 50 | 4608 | + 0 | 1149 |
| 56 | 3723 | + 4 | 984 |
| 62 | 3032 | + 8 | 842 |
| 68 | 2488 | + 12 | 720 |
| 74 | 2053 | + 16 | 616 |
| 80 | 1704 | + 20 | 528 |
| 86 | 1421 | + 24 | 454 |
2.2 MONTAGE 2.2 MONTAGE
2.2.1 MONTAGE VAN DE BUITENVOELER AF
La sonde extérieure doit être montée sur le mur extérieur. Les expositions ideales sont les murs extérieurs nord ou est. Les influences directes des rayons solaires sont à éviter. Montez la sonde comme indiqué dans fig. 17 ou 18.

fig. 16 buitenvoeler / sonde extérieure

fig. 17

fig. 18








fig. 19 verboden montageplaatsen / endroits de montage interdits
2.2.2 MONTAGE VAN DE CENTRALE REGELAAR TA 210 E (zie fig. 20)
Le commande centrale doit être montée dans le boîtier de commande de la chaudière CERASTAR. (voir fig. 20)
- Enlevez le manteau de la chaudière.
- Devissez la partie inférieure (s) du couvercle.
- Otez les boutons de réglage de l'interrupteur principal (f), de l'aquastat (e) et du sélecteur de température d'eau sanitaire (m - uniquement pour ZWR). Enlevez également les capes protectrices du sélecteur de fonctionnement (n) et du limiteur de température (u).
- Devissez les 4 vis du couvercle supérieure (k) et ouvrez le boitier de commande.
- Enlevez le couvercle (o).
- Insérez le TA 210 E par l'arrière dans l'endetroit prévu dans le boîtier de commande (p). Bloquez le régulateur par la vis (I).
- Glissez le panneau de commande (q) au-dessus des boutons de réglage et fixez par pression.
Montez la partie supérieure (k) du boîtier de commande (4 vis). - Raccordez le cable de liaison (r) entre le régulateur et le bornier du circuit imprimé de la chaudière.
Montez les deux couvertures (k) et (s) sur le boitier de commande et montez le manteau de la chaudière.

fig.20
2.3 ELEKTRISCHE AANSLUITING
De gasketel, TA 210 E en TFQ 2 T/TFP 3 verbinden Zoals aangeduid in fig. 22.
La chaudière, le TA 210 E et le TFQ 2T / TFP 3 doivent être raccordées comme dans fig. 22.
Le TA 210 E ne peut etre utilise que lorsque I'interrupteur du circulateur sera regle sur la position de commande III. Avec toutes les autres positions de commande, la mention d2 s'affiche sur le display de la chaudiere.
Le régulateur et la chaudière sont raccordés avec le cable de liaison livré avec. (voir fig. 20 & 22)
Les bornes (h) de la sonde extérieure doivent etre raccordees par un raccordement a 2 fils aux bornes AF de la chaudiere. (voir fig. 21 & 22)
Les conduites 24 V/DC doivent etre installés séparément de la conduite du réseau 230 V/AC.
Respectez les mesures suivantes pour le câblage :
a) du TA 210 E vers la commande à distance 3 × 1.5 ~mm^2
b) du TA 210 E vers la sonde extérieure jusqu'à 20 m, minimum 0,75 mm² jusqu'à 30 m, minimum 1,00 mm² à partir de 30 m = 1,50 mm²

2.4 INSTELLING
2.4.1 AUTOMATISCHE UITSCHAKELING VAN DE VERWARMING (fig. 23 - d)
On règle par cette molette la température extérieure (15 à 25^ ) d'enclenchement / déclenchement automatique du chauffage (brûleur et circulateur). Cette fonction évite la commande manuelle d'éte en hiver.
Example:
En position 20, le chauffage sera déclenché lors de températures extérieures de plus de +20^ et ré-enclenché automatiquement au-dessous de +19^ . La valeur de réglage est à déterminer par l'utilisateur. En réglage d'usine ∞ cette commande n'est pas en fonction, c.-à-d. que le chauffage peut être enclenché avec toutes les températures extérieures, p. ex. lors de la mise en fonction en plein eté.

fig. 23
2.4.2 BEDRIJFSKEUZESCHAKELAAR (fig. 23 - a)
2.4.2 SELECTEUR DE MODES DE SERVICE (fig. 23 - a)
La position du selecteur doit correspondre avec la position du commutateur de dérogation du TFQ 2 T ou TFP 3.
Vous choisirez entre les 5 différents modes de service décrits ci-après.

UITSCHAKELING BIJ NACHTVORST

COUPURE AVEC SECURITE ANTIGEL
Efficace uniquely sur commutation III du circulator de la chaudière. Si la températe extérieure monte à plus de +4^ , le brûleur et le circulator coupent.
Si la température extérieure tombe en dessous de +3^ , le circulateur s'enclenché et la température de départ sera réglée au minimum de 10^ .
Choisissez cette position en et durant vos vacances d'hiver, quand la température ambiente peut descendre sensiblement (attention : plantes d'appartement, animaux domestiques,...).

La température de départ reste abaisée à la valeur réglée à la molette (c).
Choisissez cette position durant vos vacances d'hiver, si la température ambiente ne doit pas trop baisser.

SERVICE D'ECONOMIE AUTOMATIQUE
Commutation automatique entre le service d'arrêt total et le service normalaux heures régées sur l'horloge.
Choisissez cette commutation quand votre batiment est bien isolé et qu'un abaisissement rapide est ainsi évité. Lors du service coupure (p. ex. pendant la nuit), le brûleur et le circulateur sont arrêtés jusqu'à une température extérieure de +3^ environ.

SERVICE AUTOMATIQUE
Commutation automatique entre service abaisse
et service normal suivant les heures régées sur l'horloge.
Choisissez cette position quand l'isolement du batiment n'est pas trop bonne pour éviter un refroidissement trop rapide lors du service abaissement. Lors du service abaissement, l'installation de chauffage reste en service à la température d'abaissement à n'importe qu'elle température extérieure. Le circulateur tourne.

SERVICE NORMAL EN PERMANENCE
La température de départ ne sera pas abaissée.
Choisissez temporairement cette position si, occasionnellement, vous allez au lit plus tard que d'habitude (p. ex. soit entre amis). L'abaissement ou l'arrêt regle sur l'horloge sera alors ignore. Remettez
apres-coup sur position ou

fig. 24
A = vertrektemperatuur
température de départ
B = buitentemperaturet uertéature extérieure
C = vertrektemperatuur température de départ
2.4.3 INSTELLING VAN DE VERWARMINGSCURVE
(fig. 24)
La courbe de chauffe indique qu'elle tempereut de depart sera necessaire aquelle tempereut exterieure pour assurer un service de chauffe suffisant.
La courbe de chauffe est la ligne droite entre la température de départ maximal réglée (e) et le point de base (b).

POINT FIXE (fig. 23 - b)
Le point fixe de la courbe de chauffe est la température de départ (température des corps de chauffe) atteinte lors d'une température extérieure de +20^ . Il est régliable de 10 à 60^ .
Choisissez une valeur de réglage basse (p. ex. 20) pour autant que la conception de l'installation de chauffage (p. ex. chauffage à basse température) l'admette.
Si la températe ambiente est trop BASSE lors de temperatures extérieures élevées et malgré les vannes de radiateurs grand ouvertes, choisissez une valeur plus élevée (p. ex. 30).

REGLAGE DE LA TEMPERATURE DE DEPART MAXIMALE DU CHAUFFAGE (fig. 23 - e)
La température de départ maximal régiable entre 35 et 88^ , est àCHOISIR au selecteur de temperature de depart. Le tableau suivant indique qu'elle temperature de consigne correspond aux valeurs 1 a 7 du cadran du selecteur de temperature de depart.
| waarde | 1 | 2 | 3 | 4 | 5 | 6 | 7 | valeur | 1 | 2 | 3 | 4 | 5 | 6 | 7 | |
| referentie-temperatuur °C | 35 | 40 | 50 | 60 | 70 | 80 | 88 | températurede consigne °C | 35 | 40 | 50 | 60 | 70 | 80 | 88 |
Cette température de départ maximale sera atteinte lors d'une température extérieure de -15^ . La température de chauffe nécessaire au niveau des corps de chauffe, résultat de la conception de l'installation de chauffage. Si ces données manquent, on se basera sur les valeurs d'expérience.
En cas de températures extérieures très basses et avec les vannes de radiateurs grand ouvertes, les locaux sont trop froids, on choisisra une valeur de réglage de 1/2 trait plus haut du cadran.
En cas de températures extérieures très basses, les locaux sont trop chauds, on désira une valeur de réglage de 1/2 trait plus bas du cadran.

ABAISSEMENT NOCTURNE (fig. 23 - c)
(uniquement d'application avec horloge incorpore dans la chaudiere)
Lors du service abaissement, la température de départ est abaissee de la valeur réglée sur la molette (c), c.a.d. que la courbe de chauffe sera décalée en parallèle vers le bas (ligne discontinue, voir fig. 24). La température nocturne est régable entre 0 et -40 K.
Choisissez la valeur de réglage dont vous désirez abaisser la température ambiente.
Mention : D'un abaisissement de la température de départ de 5 K résultat un abaisissement de la température ambiente de 1 K environ.
3. AFSTANDBEDIENING TFQ 2 T 3. COMMANDE A DISTANCE TFQ 2 T
3.1 DONNEES TECHNIQUES
0,05
K/min
Plage de réglage AVEC compensa
tion de température ambiente
(sellecteurs (i) et (j) en position
17 23^ C
régime jour
12 17^ C
égime nuit
Plage de réglage SANS compensa
tion de température ambiente
(sellecteurs (i) et (j) en position O )
25K→+25K
régime jour
50K + / - 0K
égime nuit
0 35^ C
Température d'utilisation
3.2 MONTAGE
Retirez la partie supérieure du socle. (voir fig. 26)
Les boutons de commande restent fixé à la partie supérieure. Le socle se fixe directement au mur à une hauteur d'environ 1,5 m. (voir fig. 25)
Utilisez le gabarit de perçage. (voir fig. 27)

fig. 25
aanbevolen montageplaatendroit dinstallation conseillé


fig. 27
fig. 26
L'endetroit de montage (local pilote) doit être adapté pour le réglage de la température de toute l'installation. En général c'est la piece de jour. Les corps de chauffe de ce local ne peuvent pas été équipés de robinets thermostatiques.
L'emplacement doit etre a l'abri des courants d'air en provenance de portes ou fenetes,etc...et a l'abri des sources de chaleur:TV,rayonnement solaire,feu ouvert, etc.. Uniquement quand la correction de temperature ambiente est declenchee, on peut y faire exception.
3.3 INSTELLING
Le TFQ 2 T est une simple commande à distance avec ou sans détéction de la température ambiente et non un thermostat d'ambiance individuel. Il peut décaler suivant les besoinls la courbe de chauffe du TA 210 A ou TA 210 E. Il est donc important que celle-ci soit régée correctement.
3.3.1 COMMUTATEUR DE DEROGATION (fig. 28 - f)
La position du.selecteur doit correspondre avec la position du selecteur de modes de service du TA 210 E. (ne s'applique pas au TA 210 A)

Vorstbeveiliging.
Continu nachtverlaging.

Protection contre le gel.
Abaissement nocturne continu.

Fonctionnement automatique entre le régime jour et la protection contre le gel suivant l'horloge.
Fonctionnement automatique entre le régime

jour et l'abaissement nocturne uivant l'horloge. s
Régime jour continu.

3.3.2 CORRECTIEKNOPPEN (fig 28 - h en g)
3.3.2 BOUTONS DE CORRECTION (fig. 28 - h et g)
A l'aide de ces boutons, on peut decaler parall element la
courbe de chauffe reglee sur le TA 210 A/E.
Une graduation represente une variation de la temperature ambiente de 1K environ resp.de la temperature de depart de 5K environ.
3.3.3 MODE D'EMPLOI CONDENSE (fig. 28 - n)
Celui se trouve sur le côté droit de la commande à distance.
3.3.4 SCHUIFSCHEKELAARS (fig. 29 - o en p)
3.3.4 INTERRUPTEURS (fig. 29 - o et p)
Sur le dos de la commande se trouvent deux interrupteurs coulissants :
Position O sonde de température d'ambiance débranchée
REMARQUE: Ces valeurs ne sont valables qu'après un réglage correct de la courbe de chauffe. s
3.4. INSTELLING VAN DE KLOK (fig. 30)
3.4 MISE AL'HEURE (fig. 30)
La mise à l'heure peut être effectue dans les 2 sens de rotation. Les cavaliers rouges marquent le début du régime de jour. Les cavaliers bleus marquent le début du régime de nuit. Les cavaliers sont à placer alternatively rouge/bleu. La durée de commutation minimale est de 30 min. L'anneau pour les cavaliers est divisé en périodes de 15 min.

fig. 30
m = merkpunt
$$ j = 2 4 \text {u u r - r i n g} $$
k = cavaliers de reserve pour periodes de commutation
4. AFSTANDBEDIENING TFP 3 4. COMMANDE A DISTANCE TFP 3
4.1 DONNEES TECHNIQUES
0,05
K/min
Plage de réglage AVEC compensa
tion de température ambiente
(sellecteurs (i) et (j) en position
17 23^
régime jour
12 17^ C
égime nuit
Plage de réglage SANS compensa
tion de température ambiente
(sellecteurs (i) et (j) en position O )
25K→+25K
régime jour
50K + / - 0K
égime nuit
0 35^ C
Température d'utilisation
4.2 MONTAGE
Retirez la partie supérieure du socle. (voir fig. 32)
Les boutons de commande restent fixé à la partie supérieure. Le socle se fixe directement au mur à une hauteur d'environ 1,5 m. (voir fig. 31)
Utilisez le gabarit de perçage. (voir fig. 33)

fig. 31
endroit d'installation conseillé

fig. 32

fig. 33
L'endetroit de montage (local pilote) doit être adapté pour le réglage de la température de toute l'installation. En général c'est la piece de jour. Les corps de chauffe de ce local ne peuvent pas été équipés de robinets therostatiques. m
L'emplacement doit etre a l'abri des courants d'air en provenance de portes ou fenetes,etc...et a l'abri des sources de chaleur:TV,rayonnement solaire,feu ouvert, etc.... Uniquement quand la correction de temperture ambiente est declenchee, on peut y faire exception.
4.3 REGLAGE
Le TFP 3 est une simple commande à distance avec ou sans détéction de la température ambiente et non un thermostat d'ambiance individuel. Il peut décaler suivant les besoinis la courbe de chauffe du TA 210 A ou TA 210 E. Il est donc important que celle-ci soit régée correctement.
4.3.1 COMMUTATEUR DE DEROGATION (fig. 32 - f)
La position du sélection doit correspondre avec la position du sélection de modes de service du TA 210 E. (ne s'applique pas au TA 210 A)

Protection contre le gel.
Abaisissement nocturne continu.

Fonctionnement automatique entre le régime jour et la protection contre le gel suivant l'horloge. Fonctionnement automatique entre le régime jour et l'abaisement nocturne uivant l'horloge. s
Régime jour continu.
4.3.2 BOUTONS DE CORRECTION (fig. 32 - h et g)
A l'aide de ces boutons, on peut decaler parallelement la courbe de chauffe reglee sur le TA 210 A/E. Une graduation represente une variation de la temperature ambiente de 1K environ resp. de la temperature de depart de 5K environ.
4.3.3 VERKORTE HANDLEIDING (fig 32 - e)
Celui se trouve sur le côte droit de la commande à distance.
4.3.4 INTERRUPTEURS (fig. 34 - o et p)
Sur le dos de la commande se trouvent deux interrupteurs coulissants :
REMARQUE: Ces valeurs ne sont valables qu'après un réglage correct de la courbe de chauffe.
4.4 INSTELLING VAN DE KLOK (fig. 35)
4.4.1 BEDIENINGSKNOPPEN EN FUNCIE-AANDUIDING :

4.4.1 POUSSOIRS ET AFFICHAGES FONCTIONNELS :
i bouton de reglage du jour et de l'heure
j bouton d'effacement du mémoire (CL)
k pouvoir de réglage de l'heure
I poussoir de réglage du jour
m poussoir debut du régime de nuit
n poussoir début du régime de jour
o affichage du programme
p affichage de l'heure
q affichage du jour
Programmation de base par l'usine :
- 06.00 h = début du régime de jour,
- 22.00 h = début du régime de nuit.
Cette programmation est la même pour tous les jours de la semaine et pour chaque des quatre cycles de commutation.
4.4.2 DEBUT DE LA PROGRAMMATION (fig. 36)
4.5.6.7. Actionner avec une pointe la touché d'effacement (CL).
L'affichage clignote.
4.4.3 INSTELLEN VAN DE DAG (fig. 37)
Appuyez sur la touche et tournez en même temps le bouton rotatif (i) jusqu'à ce que la flèche indique le jour exact. (p. ex. 1 = lundi, 2 = mardi, etc...)
Relacher la touche . Affichage resultant, voir fig. 37. Affichage constant du jour en cours (ici 3 = mercredi). L'affichage de l'heure 00.00 clignote en alternance avec le point decimal.
4.4.4 INSTellen VAN HET UUR (fig. 38)
4.4.4 MISE AL'HEURE (fig. 38)
Enoncez la touche et tournez le bouton rotatif (i) de façon a obtaining l'heure désirée. Relâchez la touche . L'heure programmée ainsi que les flèches de tous les jours de la semaine s'affichent.
4.4.5 PROGRAMMEREN VAN DE SCHAKELPERIODES
REMARQUE: Nous vous conseillons d'introduire d'abord le programme commun à une majorité de jours de la semaine. Ce programme est valable pour tous les jours.
Les programmes différents seront introduits ultérieurement.
Par jour, 8 périodes de commutation peuvent etre programmes.
Pour la programmation du début du premier régime de jour, actionnez le pouvoir gauche de la série (voir ig. 35) f
Pour la programmation du début du premier régime de
nuit, actionnez le pouvoir gauche de la série (voir fig. 35)
PROGRAMMEREN VAN DE EERSTE OPWARMINGS-ERIODE (fig. 39)
Enoncez la touche gauche (fig. 35 - n) de la série . La valeur programmée en usine, 06.00 h s'affiche.
Simultanément tournez le bouton rotatif (i) jusqu'à obtenir
I'heure desirée. Relachez le bouton
PROGRAMMEREN VAN DE EERSTE ACHTVERLAGING (fig. 40)
Enoncez la touche gauche (fig. 35 - m) de la série . La valeur programmee en usine, 22.00 h s'affiche.
Simultanément tournez le bouton rotatif (i) jusqu'à obtenir l'heure désirée. Relâchez le bouton
Ainsi de suite, programmez les autres périodes de commutation à l'aide des touches (fig. 35 n & m). S'il n'y a qu'une période de commutation prévue par jour, effacez les 3 autres. (voir fig. 41) (
4.4.6 WISSEN VAN EEN SCHAKELPERIODE (fig. 41)
4.4.6 EFFACEMENT D'UNE PERIODE DE COMMUTATION (fig. 41)
Enoncez la touche de la période à effacer et simultanément tournez le bouton rotatif (i) vers la gauche, jusqu'à ce que les traits s'affichent.
Deze handeling met de toets van de betreffende Procedez de meme avec la touche de la période a effacer. schakelperiode herhalen.
4.4.7 AANDUIDING VAN HET PROGRAMMA
Chaque période de commutation est affichee par deux flèches. La flèche gauche ! indique le début du régime de jour, la flèche droite ! indique le début du régime de nuit.
Entre les flèches apparaisent un ou plusieurs traits indiquant la période qui est actuellement en service.
Si une ou plusieurs périodes de commutation ont ete effacees, les flèches ainsi que les traits correspondants ne sont plus affichés.
1 période effacée
2 période déjà utilisé
3 période en service
4 période pas encore utilisé
4.4.8 INGEVEN VAN EEN AFWIJKEND DAGPROGRAMMA
La programmation effectue jusqu'à présent est valable pour tous les sept jours de la semaine.
Si pour un ou plusieurs jours, l'on souhaite un déroulement différent, actionnez la touche et simultanément tournez le bouton rotatif (i) jusqu'au jour désire s'affiche. (p. ex. 7 = dimanche)
L'introduction du nouveau programme et/ou l'effacement des périodes de commutation superflues, se fait suivant s paragraphs 4.4.5 et 4.4.6. le
ATTENTION: NE PLUS ACTIONNER LE TOUCHE CL. CECI MENE A L'EFFACEMENT COMPLET DU PROGRAMME.
Retour automatique de l'affichage du jour après 1 minute environ.
4.4.9 OPVRAGEN EN VERANDEREN VAN HET PROGRAMMA
Le programme introduit peut et modifie a tout oment. m
Si l'on désire modifier une période de commutation quelconque, actionnez d'abord la touche et simultanément tournez le bouton rotatif (i) pour régler sur le jour où la modification doit avoir lieu. Relâchez la touche . La flèche d'affichage du jour clignote.
Actionnez la touche de la série ou de la période à modifier et simultanément tournez le bouton rotatif (i) de façon à atteir le réglage souhaite.
A la fin des modifications, actionnez brièvement la touche . La flèche revient au jour actuel.
4.4.10 COMMUTATION DE L'HEURE ETE VERS HEURE HIVER ET VICE VERSA
Actionnez la touche 念 et simultanément tournez le bouton rotatif (i) pour ajouter ou retrancher une heures. Les périodes de commutation programmes ne doivent pas etre modifiées.
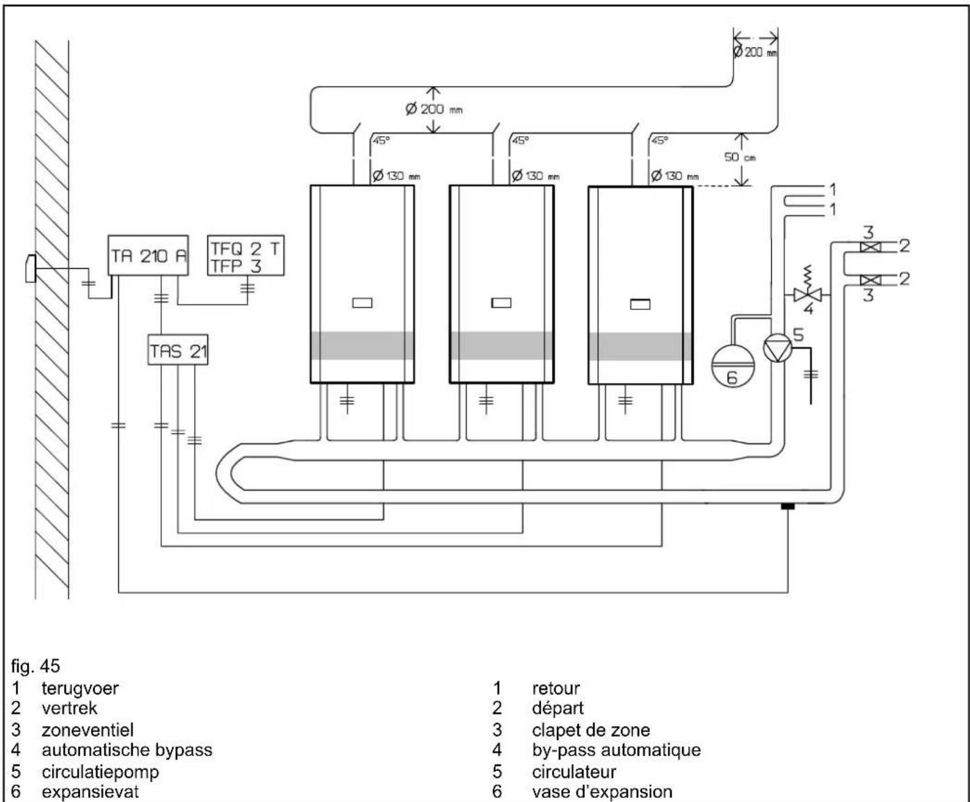
5. COMMANDEN CASCADE TAS 21
5.1 GENERALITES
Uniquement à combiner avec le TA 210 A.
Avec la régulation en cascade, les chaudières raccordées sont mises en service lors de la demande de chaleur. La chaudière pilote qui couvre la demande de chaleur de base, cède sa fonction de pilote à la deuxième et éventuellesment à la troisième chaudière, quand la demande de chaleur descend en dessous de 40% de la puissance nominale de la chaudière. (tension aux raccordements 2 et 4 du thermostat en dessous de 6 V) On obtient ainsi une durée de fonctionnement égale pour outes les chaudières. t
Quand la demande de chaleur augmente, les chaudières sont mises en service dans l'ordre où elles sont raccordées au TAS 21. Quand la demande baisse, elles sont mises hors service dans l'ordre inverse. Il est possible de raccorder des chaudières de puissance différente, même avec production d'eau chaude. On obtient un chauffage économique par le réglage précis et la plage de réglage étendue.
9.2 MONTAGE ET RACCORDEMENT
Dévissez les vis de fixation. Retirez le couvercle du socle. Le socle doit être installé à proximité des chaudières. La distance entre les points de fixation dans socle est de 85 mm. le
La sonde de départ est installée dans la conduite département commune de toutes les chaudières. Veillez à ce que le ébit eau ne soit jamais nul. d
Les circulateurs des chaudières doivent être en position II (intermittente).
Le circulateur supplémentaire doit être choisi en fonction de la hauteur manometrique totale et le débit de installation. I'
Raccordez comme indiquedans fig.44 et 45.

fig. 44

6. MOGELIJKE STORINGEN EN HOE ERAAN TE VERHELPEN
6. PERTURBATIONS EVENTuelles ET COMMENT Y REMEDIER
6.1 GROTE TEMPERATUURSCHOMMELINGEN 6
Le TFQ 2T/TFP 3 est installé à un endroit défavorable.
- Choisissez un endroit de montage plus favorable.
Eventuellesmettrelesinterrupteurs(o)et(p) en position O. (voir fig.46)
6.2 TEMPERATUURVERHOGING IN PLAATS VAN VERLAGING
Mauvais réglage de l'horloge.
- Revoyez le réglage de l'horloge. (avec TFQ 2 T - cavaliers dans le mauvais endroit).
6.3 TEMPERATURE AMBIANTE CONSTAMMENT TROP ELEVEE OU TROP FAIBLE
Mauvais réglage de la courbe de chauffe. La sonde de la commande à distance est débranchée.
Corrigez la courbe de chauffe.
- Contrôlez la position des interrupteurs (o) et (p) de la commande à distance. (voir fig. 46)
6.4 TEMPERATURE AMBIANTE TROP ELEVEE PENDANT LA PERIODE D'ABAISSEMENT
Trop de chaleur latente dans le batiment.
Température minimale (point fixe) du TA 210 A / TA 210 E régée trop élevé.
Programmez la période d'abaisissement plus tout.
- Contrôlez le réglage du TA 210 A / TA 210 E.
6.5 MISE EN MARCHE ET ARRET TROP FREQUENTS DE LA CHAUDIERE
Contrôlez le débit d'eau. Lorsque le volume d'eau de l'installation est faible, sélectionnez la position Ill du circulateur (sur la plaque imprimée de la chaudière). Ou règlez de nouveau le bouton (fig. 47 - d) du TA 210 A. Cette valeur doit dépasser 10 K.

fig. 46

fig. 47
7. TIPS VOOR ENERGIEBESPARING 7. CONSEILS POUR L'ECONOMIE D'ENERGIE
Ne laissez pas les fenêtres entrouvertes. Le meilleur moyen d'áérer les chambres est une courte période mais de façon intensive. Reglez le thermostat à une valeur plus BASSE pendant l'aération.
Réglez à une température plus BASSE pendant la nuit ou endant les périodes d'absence. p
En cas d'habitations bien isolées, il peut arriver que la température abaissee ne soit même pas atteinte. Cependant vous faites une économie parce que lechauffage reste déclenché.
8. BELANGRIJKE NOTA'S 8.NOTICES IMPORTANTES
Voutrouverez l'indication du type et le numero FD sur la plaque signaletique de I'appareil. Veuillez mentionner ces données lors de chaque contact avec votre I'installateur ou avec notre service après vente.
9. NAVERKOOPSERVICE
L'Agence Générale JUNKERS tient un service après vente à la disposition de l'installateur et de l'usager.
En cas de difficulté, adressez-vous à l'Agence Générale JUNKERS ou à l'un de ses agents locaux (service après vente de l'usine).
10. WAARBORG
La garantie accordee n'est valable que si l'installation est rigoureusement conforme aux presentses prescriptions et si l'installation entiere est correctement effectuee.
| DIENST NA VERKOOP (met techniekers uit Uw regio) | SERVICE APRES-VENTE (avec techniciens de votre région) | |
| SERVICO nv heeft een Dienst na verkoop ter beschikking an de installerateur en de gebruiker. v | SERVICO sa tient un service après-vente à la disposition e l'installateur et de l'usager. d | |
| In geval van moeilijkheden, wendl U tot SERVICO nv (officièle Dienst na verkoop van de fabrikant). | En cas de difficulté, adressé-vous à SERVICO sa (service après-vente officiel du fabricant). | |
| JUNKERS SERVICE | nv SERVICO sa Kontichsesteenweg 60 2630 Aartselaar | |
| ALGEMEEN NUMMER NUMERO GENERAL | 03 887 20 60 | |
| FAX ALGEMEEN NUMMER NUMERO GENERAL | 03 877 01 29 | |
| DIENST NA VERKOOP onderhoud & herstellingen SERVICE APRES-VENTE entretien & réparations | 03 880 71 00 | |
| TECHNISCH ADVIES CONSEIL TECHNIQUE | 03 880 71 02 | |
| FAX DIENST NA VERKOOP SERVICE APRES-VENTE | 03 888 91 56 | |
| COMMERCIELE DIENST verkoop, documentatie & scholingen SERVICE COMMERCIAL vente, documentations & écolages | 03 880 71 03 | |
| FAX COMMERCIELE DIENST SERVICE COMMERCIAL | 03 877 01 29 | |
| LOGISTIEK bestellingen & wisselstukken LOGISTIQUE commandes & pièces de rechange | 03 880 71 01 | |
| FAX LOGISTIEK LOGISTIQUE | 03 887 01 03 | |
| WEB www.junkers-servico.be | ||
BELANGRIJKE OPMERKING REMARQUE IMPORTANTE
Mème un JUNKERS a besoin d'une surveillance et d'un entretien régulier.
Un entretien préventif évite une usure prematurée et/ou une consommation anormale.
Ce travail peut être effectué uniquement par un installateur, un homme de métier/agréé ou par le service technique de JUNKERS.

TIP:
Un entretien tous les 2 ans est un minimum.
Toute reproduction interdite sans accord préalable de l'éditeur.
Sous réserve de modifications.

JUNKERS
nv SERVICEO sa
Kontichsesteenweg 60
2630 AARTSELAAR
038872060
Fax 03 877 01 29
Notice Facile