TFP 3 - Thermostat Junkers - Notice d'utilisation et mode d'emploi gratuit
Retrouvez gratuitement la notice de l'appareil TFP 3 Junkers au format PDF.
| Caractéristiques techniques | Thermostat programmable, compatible avec chaudières à gaz Junkers |
|---|---|
| Plage de température | 5°C à 30°C |
| Alimentation | Fonctionne sur piles (type AA) |
| Affichage | Écran LCD rétroéclairé |
| Modes de fonctionnement | Mode manuel, mode programmé, mode éco |
| Installation | Installation murale, nécessite un accès à l'alimentation électrique |
| Maintenance | Vérifier les piles régulièrement, nettoyage de l'écran |
| Réparation | Consulter un professionnel en cas de dysfonctionnement |
| Sécurité | Conforme aux normes de sécurité en vigueur, protection contre les surchauffes |
| Informations générales | Garantie de 2 ans, assistance technique disponible |
FOIRE AUX QUESTIONS - TFP 3 Junkers
Questions des utilisateurs sur TFP 3 Junkers
0 question sur cet appareil. Repondez a celles que vous connaissez ou posez la votre.
Poser une nouvelle question sur cet appareil
Téléchargez la notice de votre Thermostat au format PDF gratuitement ! Retrouvez votre notice TFP 3 - Junkers et reprennez votre appareil électronique en main. Sur cette page sont publiés tous les documents nécessaires à l'utilisation de votre appareil TFP 3 de la marque Junkers.
MODE D'EMPLOI TFP 3 Junkers

Nous vous prions de bien vouloir lire attentivement ces prescriptions, de les remettre à l'utilisateur et de lui conseiller de les conserver soigneusement.
L'INSTALLATION, LA MISE EN SERVICE, L'ENTRE-TIEN ET LE SERVICE APRES VENTE DOIVENT ETRE EFFECTUES PAR UN INSTALLATEUR AGREE.
| INHOUD | blz. / page | RESUME |
| CENTRALE REGELAAR TA 210 A 3 COMMANDE CENTRALE TA 210 A | ||
| technische gegevens 3 verbesserten techniques | ||
| montage | 3 | montage |
| montage van de buitenvoeler AF 3 montage de la somme extérieure AF | ||
| montage van de vertrekvoeler VF 4 montage de la somme de départ VF | ||
| montage van de centrale regelaar | 4 montage de la commande centrale | |
| TA 210 A | TA 210 A | |
| elektrische aansluiting 5 raccordement électrique | ||
| vloerverwarming (alleen met TA 210 A) 5 chauffage sol (uniquemment avec TA 210 A) | ||
| installing TA 210 A 7 réglage du TA 210 A | ||
| verwarmingscurve 7 courbe de chauffe | 8 | point |
| voetpunt | ||
| proportioneel bereik 8 plage proportionnelle | ||
| uitschakelen van de verwarming 8 mise hors service du chauffage | ||
| voorbeelden van correcties van de instelwaarden | 9 exemples de correction des valeurs de réglage du | |
| voor TA 210 A | TA 210 A | |
| CENTRALE REGELAAR TA 210 E 10 COMMANDE CENTRALE TA 210 E | ||
| technische gegevens | 10données techniques | |
| montage | 10 | montage |
| montage van de buitenvoeler AF | 10 | montage de la sonde extérieure AF |
| montage van de centrale regelaar | 11 | montage de la commande centrale |
| TA 210 E | TA 210 E | |
| elektrische aansluiting | 12raccordement électrique | |
| installing TA 210 E | 13réglage du TA 210 E | |
| automatische uitschakeling van de verwarming | 13couple automatique du chauffage | |
| bedrijfskeuzeschakelaar | 13sélécteur de modes de service | |
| installing van de verwarmingscurve | 15réglage de la courbe de chauffe | |
| AFSTANDSBEDIERING TFQ 2 T | 16COMMANDE A DISTANCE TFQ 2 T | |
| technische gegevens | 16données techniques | |
| montage | 16 | montage |
| installing | 17 | réglage |
| functiekeuzeschakelaar | 17commutateur de dérogation | |
| correctieknoppen | 17bouts de correction | |
| verkorte handleiding | 17mode d'emploi condensé | |
| schuifschakelaars | 18interrupteurs | |
| installing van de klok | 19mise à l'heure | |
| AFSTANDSBEDIERING TFP 3 | 19COMMANDE A DISTANCE TFP 3 | |
| technische gegevens | 19données techniques | |
| montage | 19 | montage |
| installing | 20 | réglage |
| functiekeuzeschakelaar | 20commutateur de dérogation | |
| correctieknoppen | 20bouts de correction | |
| verkorte handleiding | 21mode d'emploi condensé | |
| schuifschakelaars | 21interrupteurs | |
| installing van de klok | 19mise à l'heure | |
| CASCADEREGELING TAS 21 | 25COMMANDE EN CASCADE TAS 21 | |
| MOGELIJKE STORINGEN EN HOE ERAAN TE | 27PERTURBATIONS EVENTUELLES ET COMMENT | |
| VERHELPHEN | Y REMEDIER | |
| TIPS VOOR INERGIEBESPARING | CONSEILS POUR L'ECONOMIE D'ENERGIE | |
| BELANGRIJKE NOTA'S | NOTICES IMPORTANTES | |
| NAVERKOOPSERVICE | SERVICE APRES VENTE | |
| WAARBORG | GARANTIE | |
| NUTTIGE ADRESSEN | 32ADRESSES UTILES | |
1. Commande centrale TA 210 a convient pour chauffage sol
Alimentation en entrée
(tussen klemmen 1 en 4)
(entre les bornes 2 et 4)
27 V-DC Tension entrée
entre bornes 1 et 4) max. 24 V-DC Tension sortie min. 3 V-DC (entre bornes 2 et 4)
Valeurs de résistance :
| vertrekvoeler sonde de départ | buitenvoeler AF sonde extérieure AF | ||
| vertrektemperatuur in °C températ. de départ en °C | weerstand in Ohm * résistance en Ohm * | vertrektemperatuur in °C températ. de départ en °C | weerstand in Ohm * résistance en Ohm * |
| 20 | 14772 | -20 | 2392 |
| 26 | 11500 | -16 | 2088 |
| 32 | 9043 | -12 | 1811 |
| 38 | 7174 | -8 | 1562 |
| 44 | 5730 | -4 | 1342 |
| 50 | 4608 | +0 | 1149 |
| 56 | 3723 | +4 | 984 |
| 62 | 3032 | +8 | 842 |
| 68 | 2488 | +12 | 720 |
| 74 | 2053 | +16 | 616 |
| 80 | 1704 | +20 | 528 |
| 86 | 1421 | +24 | 454 |
- ces valeurs ne sont correctes que lorsque le régulateur central est enlevé du socle
La sonde extérieure doit être montée sur le mur extérieur. Les expositions idéales sont les murs extérieurs nord ou est. Les influences directes des rayons solaires sont à éviter. Montez la sonde comme indiqué dans fig. 2 ou 3.
fig. 1 sonde extérieure
La sonde de départ VF est fixée à l'aide des accessoires prévus sur la conduite de départ du circuit chauffage. Utilisez de la pâte conductrice à l'endroit de fixation. (voir fig. 5 et 6)
fig. 5 montageschema voor TA 210 A schéma de montage pour TA 21
AF = buitenvoeler / sonde extérieure
VF = vertrekvoeler / sonde de départ
TA 210 A = commande centrale
TFQ/TFP = télécommande / commande à distance
fig. 6 vertrekvoeler sonde de départ
Après dégagement des vis, démontez le capot du socle. Le socle est à monter à proximité de la chaudière. (voir fig. 5 et 7)
fig. 7 centr. réglaar/comm. centrale
a = socle
g = régulateurhuis / capot du régulateur
h = vis
Les bornes de la chaudière, du TA 210 A et du TFQ 2T/TFP 3 doivent être raccordées comme dans fig. 8.
Le TA 210 A est pourvu d'une résistance 5,1k entre les bornes 11 et 12. Lors de l'installation d'une commande à distance, cette résistance est à enlever (voir fig. 9). Ne raccordez en aucun cas du 230V sur le TA 210 A et TFQ 2T/TFP 3.
fig. 8
fig. 9
1.3.1 Chauffage SOL (uniquement avec TA 210 a)
En cas de chauffage par le sol, un limiteur de température doit être fixé sur le départ de la chaudière (aquastat appliqué). Il doit être réglé à la température maximale admise du chauffage par le sol. (voir fig. 10 et 11) Cet aquastat coupe les bornes 8 et 9 de la chaudière. Quand la température de départ est trop élevée, l'aquastat coupe l'appareil. Il ne peut pas déclencher la chaudière en cas de fonctionnement normal.
Note : Nous vous conseillons d'installer un circulateur complémentaire avec collecteur d'équilibre. (fig. 11 à la page 6)
fig. 11
1 interrupteur à commande manuelle pour circulateur 2 circulateur supplémentaire 3 limiteur de température 4 thermomètre 5 sonde de départ 6 sonde extérieure 7 collecteur 8 vase d'expansion
L'appareil est pré-régler en usine, au point fixe de 20°C et une courbe de chauffage de 1,6, afin d'obtenir une température suffisante, même pendant la période de transition entre l'hiver et l'été. Pour des températures de départ inférieures à 50°C, il convient de diminuer la courbe de chauffe et le point fixe.
fig. 12
A = température départ °C / temp. départ °C
B = temp. extérieure °C
fig. 13
fig. 14
Le chiffre, choisi avec le bouton de réglage (a), correspond à la courbe de chauffe du schéma.
Plage de réglage : de 0,2 à 5,0.
Afin de choisir la courbe de chauffe exacte, il faut connaître la température de départ maximale lorsque la température extérieure est la plus basse. Vous pouvez définir cette valeur par expérience ou, dans le cas d'une nouvelle habitation, par le calcul des déperditions de chaleur.
EXEMPLPE : chauffage avec des radiateurs avec une température de départ maximal de 75°C lorsque la temperature extérieure est de -15°C
Réglage de la courbe de chauffe: 1,6.
température de départ maximale en ^ C
| verwarming met radiatoren laagste buitentemperatuur température extérieure la plus BASSE en | chauffage avec radiateurs | vloerverwarming chauffage par le sol | |||
| 90 | 75 | 60 | 50 | 35 | |
| - 20 | °C | 1,7 | 1,4 | 0,9 | |
| - 18 | °C | 1,9 | 1,5 | 1,0 | |
| - 15 | °C | 2,1 | 1,6 | 1,1 | |
| - 12 | °C | 2,3 | 1,7 | 1,2 | |
courbes de chauffe
Avec le bouton de réglage (b) vous pouvez modifier la courbe de chauffe pour obtenir une adaptation de la température de départ aux exigences spécifiques de l'installation de chauffage et de l'habitation.
Plage de réglage
10 60^ C
Réglage en usine
1.4.3 PLAGE proportionnelle (fig. 14)
Avec le bouton de réglage (d) on peut modifier la sensibilité du régulateur.
Plage de réglage
5 15K
Réglage en usine
15K
p. ex. - avec radiateurs
10 12K
- avec chauffage sol
8 → 10K
REMARQUE: Des valeurs de réglage basses mènent à une précision de réglage plus haute mais également à une stabilité plus basse. Ceci peut signifier que l'enclenchement et le déclenchement peuvent se présenter même dans la plage de modulation. Des valeurs de réglage élevées mènent à une précision de réglage plus basse mais à une excellente stabilité. Parce qu'une régulation modulante doit avoir un fonctionnement STABLE, on doit faire une correction avec le bouton (d) le plus souvent vers des valeurs de réglage plus élevées.
1.4.4 Mise hors service du chauffage (fig. 14)
Avec le bouton de réglage (c) la mise en et hors service du chauffage est dépendante de la température extérieure. Même avec l'interrupteur du circulateur en position de commande III, le circulateur est arrêté quand cette température extérieure est dépassée.
Plage de réglage
15 25^ C
Réglage en usine
1.5. Examples de correction des valeurs de reglage (fig. 15)
| in de kamers is het ... dans les chambres il fait ... | verwarming met vertrektempera-turen tot 90°C chauffage avec températures de départ jusqu'à 90°C | lagetemperatuurverwarming (vloerverwarming) tot 60°C chauffageasse température (chauffage sol) jusqu'à 60°C |
| te koud bij gelijk welke buiten-temperatuur | knop (b) met 5 tot 10 verhogen | knop (b) met 3 tot 6 verhogen |
| trop froid par n'importe qu'elle températe extérieure | augmenter bouton (b) de 5 à 10 | augmenter bouton (b) de 3 à 6 |
| te koud bij een gemiddelde buitentemperatuur | knop (a) met 0,2 tot 0,4 verlagen knop (b) met 5 tot 10 verhogen | knop (a) met 0,1 tot 0,2 verlagen knop (b) met 3 tot 6 verhogen |
| trop froid à une températe extérieure moyenne | abaisser bouton (a) de 0,2 à 0,4 augmenter bouton (b) de 5 à 10 | abaisser bouton (a) de 0,1 à 0,2 augmenter bouton (b) de 3 à 6 |
| te koud bij strenge vorst | knop (a) met 0,2 tot 0,3 verhogen | knop (a) met 0,1 tot 0,2 verhogen |
| trop froid en cas de grand froid | augmenter bouton (a) de 0,2 à 0,3 | augmenter bouton(a) de 0,1 à 0,2 |
| te warm bij gelijk welke buiten-temperatuur | knop (b) met 5 tot 10 verlagen | knop (b) met 3 tot 6 verlagen |
| trop chaud par n'importequelle températe extérieure | abaisser (b) de 5 à 10 | abaisser bouton (b) de 3 à 6 |
| te warm bij een gemiddelde buitentemperatuur | knop (a) met 0,2 tot 0,4 verhogen knop (b) met 5 tot 10 verlagen | knop (a) met 0,1 tot 0,2 verhogen knop (b) met 3 tot 6 verlagen |
| trop chaud à une températe extérieure moyenne | augmenter bouton (a) de 0,2 à 0,4 abaisser bouton (b) de 5 à 10 | augmenter bouton (a) de 0,1 à 0,2 abaisser bouton (b) de 3 à 6 |
| te warm bij strenge vorst | knop (a) met 0,2 tot 0,4 verlagen | knop (a) met 0,1 tot 0,2 verlagen |
| trop chaud en cas de grand froid | abaisser bouton (a) de 0,2 à 0,4 | abaisser bouton (a) de 0,1 à 0,2 |
fig. 15
2. Centrale regelaar TA 210 e
intégré dans les chaudières CERASTAR
2. Commande centrale TA 210 e
EBRUIK HIERVVOOR ALLEEN DE TA 210 A.
Remarque importante
LE TA 210 E NE PEUT PAS ETRE UTILISE AVEC CHAUFFAGE PAR LE SOL.
UTILISEZ UNIQUEMENT LE TA 210 A. G
Valeurs de résistance : W
| vertrekvoeler (ingebouwd in de gaswandketel)sonde de départ (incorporee dans la chaudière murale) | buitenvoeler AFsonde extérieure AF | ||
| vertrektemperatuur in °Ctempérat. de départ en °C | weerstand in Ohm *résistance en Ohm * | vertrektemperatuur in °Ctempérat. de départ en °C | weerstand in Ohm *résistance en Ohm * |
| 20 | 14772 | - 20 | 2392 |
| 26 | 11500 | - 16 | 2088 |
| 32 | 9043 | - 12 | 1811 |
| 38 | 7174 | - 8 | 1562 |
| 44 | 5730 | - 4 | 1342 |
| 50 | 4608 | + 0 | 1149 |
| 56 | 3723 | + 4 | 984 |
| 62 | 3032 | + 8 | 842 |
| 68 | 2488 | + 12 | 720 |
| 74 | 2053 | + 16 | 616 |
| 80 | 1704 | + 20 | 528 |
| 86 | 1421 | + 24 | 454 |
La sonde extérieure doit être montée sur le mur extérieur. Les expositions idéales sont les murs extérieurs nord ou est. Les influences directes des rayons solaires sont à éviter. Montez la sonde comme indiqué dans fig. 17 ou 18.
fig. 16 sonde extérieure
fig. 17
fig. 18







fig. 19 verboden montageplaatsen / endroits de montage interdits
La commande centrale doit être montée dans le boîtier de commande de la chaudière CERASTAR. (voir fig. 20)
- Enlevez le manteau de la chaudière.
- Dévissez la partie inférieure (s) du couvercle.
- Otez les boutons de réglage de l'interrupteur principal (f), de l'aquastat (e) et du sélecteur de température d'eau sanitaire (m - uniquement pour ZWR). Enlevez également les capes protectrices du sélecteur de fonctionnement (n) et du limiteur de température (u).
- Dévissez les 4 vis du couvercle supérieur (k) et ouvrez le boîtier de commande.
- Enlevez le couvercle (o).
- Insérez le TA 210 E par l'arrière dans l'emplacement prévu dans le boîtier de commande (p). Bloquez le régulateur par la vis (l).
- Glissez le panneau de commande (q) au-dessus des boutons de réglage et fixez par pression. Montez la partie supérieure (k) du boîtier de commande (4 vis).
- Raccordez le câble de liaison (r) entre le régulateur et le bornier du circuit imprimé de la chaudière. Montez les deux couvertures (k) et (s) sur le boîtier de commande et montez le manteau de la chaudière.
fig. 20
De gasketel, TA 210 E en TFQ 2T/TFP 3 verbinden zoals aangeduid in fig. 22.
La chaudière, le TA 210 E et le TFQ 2T / TFP 3 doivent être raccordées comme dans fig. 22.
Le TA 210 E ne peut être utilisé que lorsque l'interrupteur du circulateur sera réglé sur la position de commande III. Avec toutes les autres positions de commande, la mention d2 s'affiche sur le display de la chaudière.
Le régulateur et la chaudière sont raccordés avec le câble de liaison livré avec. (voir fig. 20 & 22)
Les bornes (h) de la sonde extérieure doivent être raccordées par un raccordement à 2 fils aux bornes AF de la chaudière. (voir fig. 21 & 22)
Les conduites 24 V/DC doivent être installées séparément de la conduite du réseau 230 V/AC.
Respectez les mesures suivantes pour le câblage :
a) du TA 210 E vers la commande à distance 3 × 1.5 mm^2 b) du TA 210 E vers la sonde extérieure jusqu'à 20 m, minimum 0,75 mm² jusqu'à 30 m, minimum 1,00 mm² à partir de 30 m = 1,50 mm²

On règle par cette molette la température extérieure (15 à 25°C) d'enclenchement/déclenchement automatique du chauffage (brûleur et circulateur). Cette fonction évite la commande manuelle d'éte en hiver.
En position 20, le chauffage sera déclenché lors de températures extérieures de plus de +20°C et ré-enclenché automatiquement au-dessous de +19°C. La valeur de réglage est à déterminer par l'utilisateur. En réglage d'usine, cette commande n'est pas en fonction, c.-à-d. que le chauffage peut être enclenché avec toutes les températures extérieures, p. ex. lors de la mise en fonction en plein éte.
fig. 23
2.4.2 Selecteur de MODES de service (fig. 23 - a)
La position du sélecteur doit correspondre avec la position du commutateur de dérogation du TFQ 2 T ou TFP 3.
Vous choisirez entre les 5 différents modes de service décrits ci-après.


Coupure avec sécurité antigel
Efficace uniquement sur commutation III du circulateur de la chaudière. Si la température extérieure monte à plus de +4°C, le brûleur et le circulateur coupent.
Si la température extérieure tombe en dessous de +3°C, le circulateur s'enclenche et la température de départ sera réglée au minimum de 10°C.
Choisissez cette position en et durant vos vacances d'hiver, quand la température ambiantepeut descendre sensiblement (attention : plantes d'appartement, animaux domestiques,...).

La température de départ reste abaissée à la valeur réglée à la molette (c).
Choisissez cette position durant vos vacances d'hiver, si la température ambiantne ne doit pas trop baisser.

Service d'economie automatique
Commutation automatique entre le service d'arrêt total
et le service normal aux heures régées sur l'horloge.
Choisissez cette commutation quand votre bâtiment est bien isolé et qu’un abaissement rapide est ainsi évité. Lors du service coupure (p. ex. pendant la nuit), le brûleur et le circulateur sont arrêtés jusqu’à une température extérieure de +3°C environ.

Service automatique
Commutation automatique entre service abaisse
et service normal suivant les heures réglées sur l'horloge.
Choisissez cette position quand l'isolement du bâtiment n'est pas trop bon pour éviter un refroidissement trop rapide lors du service abaissement. Lors du service abaissement, l'installation de chauffage reste en service à la température d'abaissement à n'importe quelle température extérieure. Le circulateur tourne.

Service NORMAL en permanence
La température de départ ne sera pas abaissée.
Choisissez temporairement cette position si, occasionnellement, vous allez au lit plus tard que d'habitude (p. ex. soit entre amis). L'abaissement ou l'arrêt réglé sur l'horloge sera alors ignoré. Remettez
après-coup sur position ou
fig. 24
A = température de départ B = température extérieure C = température de départ
(fig. 24)
La courbe de chauffe indique quelle température de départ sera nécessaire pour quelle température extérieure pour assurer un service de chauffe suffisant.
La courbe de chauffe est la ligne droite entre la température de départ maximale réglée (e) et le point de base (b).
POINT FIXE (fig. 23 - b)
Le point fixe de la courbe de chauffe est la température de départ (température des corps de chauffe) atteinte lors d'une température extérieure de +20°C. Il est réglable de 10 à 60°C.
Choisissez une valeur de réglage basse (p. ex. 20) pour autant que la conception de l'installation de chauffage (p. ex. chauffage à basse température) l'admette.
Si la température ambiante est trop BASSE lors de températures extérieures élevées et malgré les vannes de radiateurs grand ouvertes, choisissez une valeur plus élevée (p. ex. 30).
REGLAGE DE LA TEMPERATURE DE DEPART MAXIMALE DU CHAUFFAGE (fig. 23 - e)
La température de départ maximale réglable entre 35 et 88°C, est à CHOISIR au sélecteur de température de départ. Le tableau suivant indique quelle température de consigne correspond aux valeurs 1 à 7 du cadran du sélecteur de température de départ.
| waarde | 1 | 2 | 3 | 4 | 5 | 6 | 7 | valeur | 1 | 2 | 3 | 4 | 5 | 6 | 7 | |
| referentie-temperatuur °C | 35 | 40 | 50 | 60 | 70 | 80 | 88 | températurede consigne °C | 35 | 40 | 50 | 60 | 70 | 80 | 88 |
Cette température de départ maximale sera atteinte lors d'une température extérieure de -15°C. La température de chauffe nécessaire au niveau des corps de chauffe, résultat de la conception de l'installation de chauffage. Si ces données manquent, on se basera sur les valeurs d'expérience.
En cas de températures extérieures très basses et avec les vannes de radiateurs grand ouvertes, les locaux sont trop froids, on choisira une valeur de réglage de 1/2 trait plus haut du cadran.
En cas de températures extérieures très basses, les locaux sont trop chauds, on désirera une valeur de réglage de 1/2 trait plus bas du cadran.

Abaissement nocturne (fig. 23 - c)
(uniquement d'application avec horloge incorporée dans la chaudière)
Lors du service d'abaissement, la température de départ est abaissée de la valeur réglée sur la molette (c), c. a. d. que la courbe de chauffe sera décalée en parallèle vers le bas (ligne discontinue, voir fig. 24). La température nocturne est régleable entre 0 et -40 K.
Choisissez la valeur de réglage dont vous désirez abaisser la température ambiante.
Mention : Un abaissement de la température de départ de 5 K résulte en un abaissement de la température ambiente de 1 K environ.
| Plage de réglage AVEC compensa-tion de température ambiente | |
| (sélecteurs (i) et (j) en position ●) | |
| 23 °C | régime jour |
| 17 °C | régime nuit |
| Plage de réglage SANS compensa-tion de température ambiente | |
| (sélecteurs (i) et (j) en position ●) | |
| + 25 K | régime jour |
| +/- 0 K | régime nuit |
| 35°C | Température d'utilisation |
3.2 Montage
Retirez la partie supérieure du socle. (voir fig. 26)
Les boutons de commande restent fixés à la partie supérieure. Le socle se fixe directement au mur à une hauteur d'environ 1,5 m. (voir fig. 25)
Utilisez le gabarit de perçage. (voir fig. 27)
fig. 25
montage plaque endroit d'installation conseillé

fig.27 fig. 26
L'endroit de montage (local pilote) doit être adapté pour le réglage de la température de toute l'installation. En général, c'est la pièce de jour. Les corps de chauffe de ce local ne peuvent pas être équipés de robinets thermostatiques.
L'emplacement doit être à l'abri des courants d'air en provenance de portes ou fenêtres, etc... et à l'abri des sources de chaleur: TV, rayonnement solaire, feu ouvert, etc.. Uniquement quand la correction de temperature ambiante est déclenchée, on peut y faire exception.
Le TFQ 2 T est une simple commande à distance avec ou sans détection de la température ambiante et non un thermostat d'ambiance individuel. Il peut décaler suivant les besoins la courbe de chauffe du TA 210 A ou TA 210 E. Il est donc important que celle-ci soit réglée correctement.
3.3.1 COMMUTATEUR DE DEROGATION (fig. 28 - f)
La position du sélecteur doit correspondre avec la position du sélecteur de modes de service du TA 210 E. (ne s'applique pas au TA 210 A)

Vorstbeveiliging.
Continu nachtverlaging.
Protection contre le gel.
Abaissement nocturne continu.

Fonctionnement automatique entre le régime jour et la protection contre le gel suivant l'horloge.
Fonctionnement automatique entre le régime

jour et l'abaissement nocturne suivant l'horloge.

Régime jour continu.

3.3.2 Boutons de correction (fig. 28 - h et g)
À l'aide de ces boutons, on peut décaler parallèlement la courbe de chauffe réglée sur le TA 210 A/E. Une graduation représente une variation de la température ambiante de 1K environ, resp. de la température de départ de 5K environ.
3.3.3 Mode d'emploi condense (fig. 28 - n)
Celui se trouve sur le côté droit de la commande à distance.
3.3.4 Interrupteurs (fig. 29 - o et p)
Sur le dos de la commande se trouvent deux interrupteurs coulissants :
Position O : sonde de température d'ambiance débranchée
REMARQUE: Ces valeurs ne sont valables qu'après un réglage correct de la courbe de chauffe.
3.4 Mise à l'heure (fig. 30)
La mise à l'heure peut être effectuée dans les 2 sens de rotation. Les cavaliers rouges marquent le début du régime de jour. Les cavaliers bleus marquent le début du régime de nuit. Les cavaliers sont à placer alternativement rouge/bleu. La durée de commutation minimale est de 30 min. L'anneau pour les cavaliers est divisé en périodes de 15 min.
fig. 30
m = merkpunt
j = anneau 24 heures k = cavaliers de réserve pour périodes de commutation
4.1 Donnees techniques
0,05
K/min
Plage de réglage AVEC compensation
régulation de température ambiantе
(sélecteurs (i) et (j) en position )
17 23^
régime jour
12 17^ C
égime nuit
Plage de réglage SANS compensation
régulation de température ambiantе
(sélecteurs (i) et (j) en position O )
25K→+25K
régime jour
50K → ± 0K
égime nuit
0 35^ C
Température d'utilisation
4.2 Montage
Retirez la partie supérieure du socle. (voir fig. 32)
Les boutons de commande restent fixés à la partie supérieure. Le socle se fixe directement au mur à une hauteur d'environ 1,5 m. (voir fig. 31)
Utilisez le gabarit de perçage. (voir fig. 33)
fig. 31
endroit d'installation conseillé
fig. 32
fig. 33
L'emplacement doit être à l'abri des courants d'air en provenance de portes ou fenêtres, etc... et à l'abri des sources de chaleur : TV, rayonnement solaire, feu ouvert, etc.... Uniquement quand la correction de température ambiante est déclenchée, on peut y faire exception.
4.3 REGLAGE
Le TFP 3 est une simple commande à distance avec ou sans détection de la température ambiante et non un thermostat d'ambiance individuel. Il peut décaler suivant les besoins la courbe de chauffe du TA 210 A ou TA 210 E. Il est donc important que celle-ci soit réglée correctement.
4.3.1 COMMUTATEUR DE DEROGATION (fig. 32 - f)
La position du sélecteur doit correspondre avec la position du sélecteur de modes de service du TA 210 E. (ne s'applique pas au TA 210 A)

Protection contre le gel.
Abaissement nocturne continu.

Fonctionnement automatique entre le régime jour et la protection contre le gel suivant l'horloge. Fonctionnement automatique entre le régime jour et l'abaissement nocturne suivant l'horloge.
Régime jour continu.
4.3.2 Boutons de correction (fig. 32 - h et g)
À l'aide de ces boutons, on peut décaler parallèlement la courbe de chauffe réglée sur le TA 210 A/E. Une graduation représente une variation de la température ambiante de 1K environ, resp. de la température de départ de 5K environ.
Celui se trouve sur le côté droit de la commande à distance.
4.3.4 Interrupteurs (fig. 34 - o et p)
Sur le dos de la commande se trouvent deux interrupteurs coulissants :
REMARQUE: Ces valeurs ne sont valables qu'après un réglage correct de la courbe de chauffe.

4.4.1 Poussoirs et affichages fonctionnels :
i bouton de réglage du jour et de l'heure j bouton d'effacement du mémoire (CL) k pouvoir de réglage de l'heure I pousoir de réglage du jour
m poussoir début du régime de nuit
n poussoir début du régime de jour o affichage du programme p affichage de l'heure q affichage du jour
Programmation de base par l'usine :
- 06.00 h = début du régime de jour,
- 22.00 h = début du régime de nuit.
Cette programmation est la même pour tous les jours de la semaine et pour chaque des quatre cycles de commutation.
4.4.2 DEBUT DE LA PROGRAMMATION (fig. 36)
4.5.6.7 Actionner avec une pointe la touche d'effacement (CL).
L'affichage clignote.
Appuyez sur la touche et tournez en même temps le bouton rotatif (i) jusqu'à ce que la flèche indique le jour exact. (p. ex. 1 = lundi, 2 = mardi, etc...)
Relâcher la touche. Affichage resultant, voir fig. 37. Affichage constant du jour en cours (ici $3 = mercredi). L'affichage de l'heure 00.00 clignote en alternance avec le point decimal.
4.4.4 MISE À L'HEURE (fig. 38)
Enoncez la touche et tournez le bouton rotatif (i) de façon à obtenir l'heure désirée. Relâchez la touche . L'heure programmée ainsi que les flèches de tous les jours de la semaine s'affichent.
REMARQUE: Nous vous conseillons d'introduire d'abord le programme commun à une majorité de jours de la semaine. Ce programme est valable pour tous les jours.
Les programmes différents seront introduits ultérieurement.
Par jour, 8 périodes de commutation peuvent être programmées.
Pour la programmation du début du premier régime de jour, actionnez le pouvoir gauche de la série (voir fig. 35) f
Pour la programmation du début du premier régime de nuit, actionnez le pouvoir gauche de la série (voir fig. 35)
Enlevez la touche gauche (fig. 35 - n) de la série. La valeur programmée en usine, 06.00 h, s'affiche.
Simultanément tournez le bouton rotatif (i) jusqu'à obtenir l'heure désirée. Relâchez le bouton.
Enlevez la touche gauche (fig. 35 - m) de la série. La valeur programmée en usine, 22.00 h, s'affiche.
Simultanément, tournez le bouton rotatif (i) jusqu'à obtenir l'heure désirée. Relâchez le bouton.
Ainsi de suite, programmez les autres périodes de commutation à l'aide des touches (fig. 35 n & m). S'il n'y a qu'une période de commutation prévue par jour, effacez les 3 autres. (voir fig. 41)
Enoncez la touche de la période à effacer et simultanément tournez le bouton rotatif (i) vers la gauche, jusqu'à ce que les traits s'affichent.
Deze handeling met de toets van de betreffende Procedez de même avec la touche de la période à effacer.
Chaque période de commutation est affichée par deux flèches. La flèche gauche indique le début du régime de jour, la flèche droite indique le début du régime de nuit.
Entre les flèches apparaissent un ou plusieurs traits indiquant la période qui est actuellement en service.
Si une ou plusieurs périodes de commutation ont été effacées, les flèches ainsi que les traits correspondants ne sont plus affichés.
1 période effacée 2 période déjà utilisée 3 période en service 4 période pas encore utilisée
La programmation effectuée jusqu'à présent est valable pour tous les sept jours de la semaine.
Si pour un ou plusieurs jours, l'on souhaite un déroulement différent, actionnez la touche et simultanément tournez le bouton rotatif (i) jusqu'au jour désiré s'affiche. (p. ex. $7 = dimanche)
L'introduction du nouveau programme et/ou l'effacement des périodes de commutation superflues se fait suivant les paragraphes 4.4.5 et 4.4.6. le
ATTENTION: NE PLUS ACTIONNER LE TOUCHE CL. CECI MENE A L'EFFACEMENT COMPLET DU PROGRAMME.
Retour automatique de l'affichage du jour après 1 minute environ.
Le programme introduit peut être modifié à tout moment.
Si l'on désire modifier une période de commutation quelconque, actionnez d'abord la touche et simultanément tournez le bouton rotatif (i) pour régler sur le jour où la modification doit avoir lieu. Relâchez la touche. La flèche d'affichage du jour clignote.
Actionnez la touche de la série ou de la période à modifier et simultanément tournez le bouton rotatif (i) de façon à atteindre le réglage souhaité.
À la fin des modifications, actionnez brièvement la touche ©. La flèche revient au jour actuel.
4.4.10 Commutation de l'heure ETE vers HEURE HIVER et VICE VERSA
Actionnez la touche et simultanément tournez le bouton rotatif (i) pour ajouter ou retrancher une heure. Les périodes de commutation des programmes ne doivent pas être modifiées.
Uniquement à combiner avec le TA 210 a.
Avec la régulation en cascade, les chaudières raccordées sont mises en service lors de la demande de chaleur. La chaudière pilote qui couvre la demande de chaleur de base cède sa fonction de pilote à la deuxième et éventuellement à la troisième chaudière quand la demande de chaleur descend en dessous de 40% de la puissance nominale de la chaudière. (tension aux raccordements 2 et 4 du thermostat en dessous de 6 V) On obtient ainsi une durée de fonctionnement égale pour toutes les chaudières.
Quand la demande de chaleur augmente, les chaudières sont mises en service dans l'ordre où elles sont raccordées au TAS 21. Quand la demande baisse, elles sont mises hors service dans l'ordre inverse. Il est possible de raccorder des chaudières de puissance différente, même avec production d'eau chaude. On obtient un chauffage économique par le réglage précis et la plage de réglage étendue.
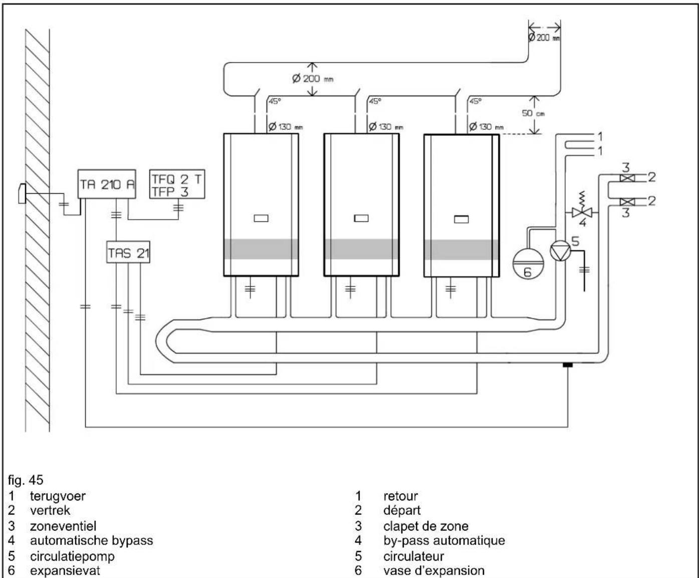
9.2 Montage et raccordement
Dévissez les vis de fixation. Retirez le couvercle du socle. Le socle doit être installé à proximité des chaudières. La distance entre les points de fixation dans le socle est de 85 mm. Le
Les circulateurs des chaudières doivent être en position II (intermittente).
Le circulateur supplémentaire doit être choisi en fonction de la hauteur manométrique totale et le débit de l'installation. I'
Raccordez comme indiqué dans fig. 44 et 45.
fig. 44

6. Perturbations eventuelles et comment y remedier
Le TFQ 2T/TFP 3 est installé à un endroit défavorable.
- Choisissez un endroit de montage plus favorable. Eventuellement mettre les interrupteurs (o) et (p) en position O. (voir fig. 46)
6.2 Elevation de temperature au LIEU d'abaissement
Mauvais réglage de l'horloge. - Revoyez le réglage de l'horloge. (avec TFQ 2 T - cavaliers dans le mauvais endroit).
6.3 Temperature ambiante constamment TROP ELEVEE ou TROP FAIBLE
Mauvais réglage de la courbe de chauffe. La sonde de la commande à distance est débranchée.
Corrigez la courbe de chauffe. - Contrôlez la position des interrupteurs (o) et (p) de la commande à distance. (voir fig. 46)
6.4 Temperature ambiante TROP ELEVEE pendant la periode d'abaissement
Trop de chaleur latente dans le bâtiment. Température minimale (point fixe) du TA 210 A / TA 210 E réglée trop élevée. Programmez la période d'abaissement plus longtemps. - Contrôlez le réglage du TA 210 A / TA 210 E.
6.5 Mise en MARCHE et ARRET TROP frequents de la chaudiere
→ Contrôlez le débit d'eau. Lorsque le volume d'eau de l'installation est faible, sélectionnez la position III du circulateur (sur la plaque imprimée de la chaudière). Ou règlez de nouveau le bouton (fig. 47 - d) du TA 210 A. Cette valeur doit dépasser 10 K.
fig. 46
fig. 47
Ne laissez pas les fenêtres entrouvertes. Le meilleur moyen d'aérer les chambres est une courte période mais de façon intensive. Réglez le thermostat à une valeur plus BASSE pendant l'aération.
Réglez à une température plus BASSE pendant la nuit ou pendant les périodes d'absence.
En cas d'habitations bien isolées, il peut arriver que la température abaissée ne soit même pas atteinte. Cependant vous faites une économie parce que le chauffage reste déclenché.
Vous trouverez l'indication du type et le numéro FD sur la plaque signalétique de l'appareil. Veuillez mentionner ces données lors de chaque contact avec votre installateur ou avec notre service après-vente.
L'Agence Générale JUNKERS tient un service après-vente à la disposition de l'installateur et de l'usager.
En cas de difficulté, adressez-vous à l'Agence Générale JUNKERS ou à l'un de ses agents locaux (service après vente de l'usine).
10. Garantie
La garantie accordée n'est valable que si l'installation est rigoureusement conforme aux présentes prescriptions et si l'installation entière est correctement effectuée.
| DIENST NA VERKOOP (met techniekers uit Uw regio) | SERVICE APRES-VENTE (avec techniciens de votre région) | |
| SERVICO nv heeft een Dienst na verkoop ter beschikking an de installerateur en de gebruiker. v | SERVICO sa tient un service après-vente à la disposition e l'installateur et de l'usager. d | |
| In geval van moeilijkheden, wendl U tot SERVICO nv (officièle Dienst na verkoop van de fabrikant). | En cas de difficulté, adressé-vous à SERVICO sa (service après-vente officiel du fabricant). | |
| JUNKERSERVICE | nv SERVICO sa Kontischseleenweg 60 2630 Aartselaar | |
| ALGEMEEN NUMMER NUMERO GENERAL | 03 887 20 60 | |
| FAX ALGEMEEN NUMMER NUMERO GENERAL | 03 877 01 29 | |
| DIENST NA VERKOOP onderhoud & herstellingen SERVICE APRES-VENTE entretien & réparations | 03 880 71 00 | |
| TECHNISCH ADVIES CONSEIL TECHNIQUE | 03 880 71 02 | |
| FAX DIENST NA VERKOOP SERVICE APRES-VENTE | 03 888 91 56 | |
| COMMERCIELE DIENST verkoop, documentatie & scholingen SERVICE COMMERCIAL vente, documentations & écolages | 03 880 71 03 | |
| FAX COMMERCIELE DIENST SERVICE COMMERCIAL | 03 877 01 29 | |
| LOGISTIEK bestellingen & wisselstukken LOGISTIQUE commandes & pièces de rechange | 03 880 71 01 | |
| FAX LOGISTIEK LOGISTIQUE | 03 887 01 03 | |
| WEB www.junkers-servico.be | ||
Même un JUNKERS a besoin d'une surveillance et d'un entretien régulier.
Un entretien préventif évite une usure prématurée et/ou une consommation anormale.
Ce travail peut être effectué uniquement par un installateur, un homme de métier/agréé ou par le service technique de JUNKERS.
TIP:
Un entretien tous les 2 ans est un minimum.
Toute reproduction interdite sans accord préalable de l'éditeur. Sous réserve de modifications.

nvServICO sa
Kontichsestenweg 60
2630 AARTSELAAR
038872060
Fax 038770129
Notice Facile