TF 20 - Thermostat Junkers - Notice d'utilisation et mode d'emploi gratuit
Retrouvez gratuitement la notice de l'appareil TF 20 Junkers au format PDF.
| Caractéristiques techniques | Thermostat électronique, compatibilité avec chaudières Junkers, réglage de température précis. |
|---|---|
| Utilisation | Permet de réguler la température ambiante, facile à programmer selon les besoins. |
| Maintenance et réparation | Vérifier régulièrement les connexions électriques, nettoyer les capteurs pour un fonctionnement optimal. |
| Sécurité | Équipé de protections contre les surchauffes, respecter les instructions d'installation pour éviter les risques. |
| Informations générales | Produit conçu pour une utilisation domestique, garantie constructeur de 2 ans, consulter le manuel pour des conseils d'installation. |
FOIRE AUX QUESTIONS - TF 20 Junkers
Questions des utilisateurs sur TF 20 Junkers
0 question sur cet appareil. Repondez a celles que vous connaissez ou posez la votre.
Poser une nouvelle question sur cet appareil
Téléchargez la notice de votre Thermostat au format PDF gratuitement ! Retrouvez votre notice TF 20 - Junkers et reprennez votre appareil électronique en main. Sur cette page sont publiés tous les documents nécessaires à l'utilisation de votre appareil TF 20 de la marque Junkers.
MODE D'EMPLOI TF 20 Junkers
Un fonctionnement impeccable ne peut être garanti que lorsque les prescriptions sont strictement observées. Sous réserve de modifications.
Nous vous prions de bien vouloir lire attentivement ces prescriptions, de les remettre à l'utilisateur et de lui conseiller de les conserver soigneusement. s
L'INSTALLATION, LA MISE EN SERVICE, L'ENTRE-TIEN ET LE SERVICE APRES-VENTE DOIVENT ETRE EFFECTUES PAR UN INSTALLATEUR AGREE.
| INHOUD | blz. / page | RESUME |
| VEILIGHEIDSVOORSCHRIFTEN | 3 | INDICATIONS DE SECURITE |
| GEGEVENS OVER DE TF 20 3 INDICATIONS CONCERNANT LE TF 20 | ||
| bestanddelen 3 pièces fournies | ||
| technische gegevens 3 données techniques | ||
| toebehoren 4 accessoires | ||
| overige gegevens 4 autres indications | ||
| installatievoorbeeld 4 exemple d'installation | ||
| INSTALLATIE | 6 | INSTALLATION |
| montage 6 montage | ||
| montage van de TF 20 9 montage du TF 20 | ||
| montage van de toebehoren 7 montage des accessoires | ||
| elektrische aansluiting 7 branchement électrique | ||
| BEDIENING | 9 | UTILISATION |
| in bedrijf stellen 9 mise en service | ||
| codering van de busdeelnemers 9 codage des composants reliés au bus | ||
| codering bij aansluiting van een TF 20 met toe- | 9 codage en cas de raccordement d'un TF 20 avec | |
| wijzing van ongemengd verwarmingscircuit 0 | attribution circuit de chauffage non mélangé 0 | |
| codering bij aansluiting van een of meer TF 20 | 10 codage en cas de raccordement d'une ou de | |
| met toewijzing van een of meer gemengde | plusieurs télécommandes TF 20 avec attribution | |
| verwarmingscircuits 1...10 | de 1 ou plusieurs circuit(s) de chauffage | |
| mélangé(s) 1...10 | ||
| codering van de TF 20 | 10 codage du TF 20 | |
| algemene bedieningsvoorschriften | 10 indications générales d'utilisation | |
| verwarmingstemperatuur instellen | 11 réglage de la température de chauffage | |
| spaartemperatuur instellen | 11 réglage de la température économique | |
| bescherming tegen vorst | 11 protection antigel | |
| functiemodus wijzigen | 12 changement du mode de service | |
| automatische functie (basisinstelling) | 12 mode de service automatique (régul. de base) | |
| continu verwarmen | 12 chauffage en continu | |
| spaarfunctie | 12 service économique | |
| programmeren | 13 programmation | |
| algemene opmerkingen | 13 indications générales | |
| taal instellen | 13 sélectionner la langue | |
| dag van de week en de tijd instellen | 13 réglage du jour de la semaine et de l'heure | |
| verwarmingsprogramma instellen | 14 réglage du programme de chauffage | |
| vakantieprogramma | 15 programmate vacances | |
| ingestelde waarden weergeven | 16 affichage des valeurs réglées | |
| snelopwarming in- of uitschakelen | 17 mettre en/hors fonctionnement du chauffage | |
| rapide | ||
| kamertemperatuurafschakeling kiezen | 18 sélectionner la commande par pièce | |
| verwarmingscurve vastleggen | 19 déterminer la courbe de chauffe | |
| vastleggen van de buitentemperatuur waarbij | 20 déterminer la température extérieure à partir de | |
| de verwarming wordt uitgeschakeld | laquelle le chauffage se met hors fonctionnement | |
| het niveau voor de installateur | 21 le niveau spécialiste | |
| verwijderen | 23 effacement | |
| overige opmerkingen | 24 remarques supplémentaires | |
| TF 20 met aangesloten afstandsvoeler RF 1 | 25 TF 20 avec sonde de temp. à distance RF 1 | |
| TF 20 met aangesloten afstandschakelaar | 25 télé rupteur branché sur le TF 20 | |
| meldingen van de TF 20 | 25 messages du TF 20 | |
| ALGEMENE OPMERKINGEN 26 REMARQUES GENERALES | ||
| FOUTEN OPSPOREN | 27 DEPANNAGE | |
| OVERZICHT | 30 VUE GLOBALE | |
| BELANGRIJKE NOTA'S | 33 NOTICES IMPORTANTES | |
| WAARBORG | 33 GARANTIE | |
| TECHNISCHE DIENST | 36 SERVICE TECHNIQUE | |
| (met techniekers uit Uw regio) | (avec techniciens de votre région) | |
VEILIGHEIDSVOORSCHRIFTEN INDICATIONS DE SECURITE
Algemeen
▶ Respecter ces instructions afin d'assurer un fonctionnement impeccable.
L'installation et la mise en service du TF 20 ne doivent être effectuées que par un installateur agréé.
Les appareils raccordés doivent être montés et mis en service suivant les instructions.
Utilisation
N'utiliser le TF 20 qu'avec les chaudières indiquées ci-dessus. Respecter le schéma des connexions électriques.
Branchement
▶ Ne brancher en aucun cas le TF 20 sur le réseau 230 V.
Avant d'effectuer le montage du TF 20 et du module de bus: interrompre l'alimentation en courant (230 V/AC) de la chaudière et de tous les autres composants reliés au bus.
▶ Ne pas installer le TF 20 dans des locaux humides.
1. GEGEVENS OVER DE TF 20 1. INDICATIONS CONCERNANT LE TF 20
1.1 Bestanddelen 1.1 Pièces fournies
• commande à distance TF 20
- notice succincte d'utilisation

text_image
176 46 192 98 6720 610 307-03.10Fig. 2
1.2 Données techniques
1.3 Toebehoren 1.3 Accessoires
- RF 1: sonde de température ambiante au cas où l'emplacement du TF 20 ne conviendrait pas pour mesurer la température (paragraphe 2.1.1)
- HSM: module de commande du chauffage pour commander un circuit de chauffage non mélangé (la pompe de circulation et la pompe du boiler ne peuvent être commandées que par le thermostat).
• HMM: module mélangeur de chauffage.
Commande d'un circuit de chauffage mélangé. - Télé rupteur sur les lieux d'installation (p. ex. sous forme d'une commande à distance par téléphone, paragraphe 2.2).
1.4 Overige gegevens 1.4 Autres indications
| Digitale schakelklok | Drie schakelpunten per dag van de week | Horloge digitale programmable | 3 points de commutation pour chaque jour de la semaine |
| Regelaar | TF 20 | Thermostat | TF 20 |
| Kamertemperatuur-voeler | Inschakelbaar | Sonde de température ambiante | Peut être branchée |
| Woonoppervlak | Naar keuze | Surfaces habitables | Au choix |
| Vloerverwarming, kli-maatvloer | Geschikt | Chauffage au sol, sols climatiques | Approprié |
1.5 Exemples d'installation (fig. 3)
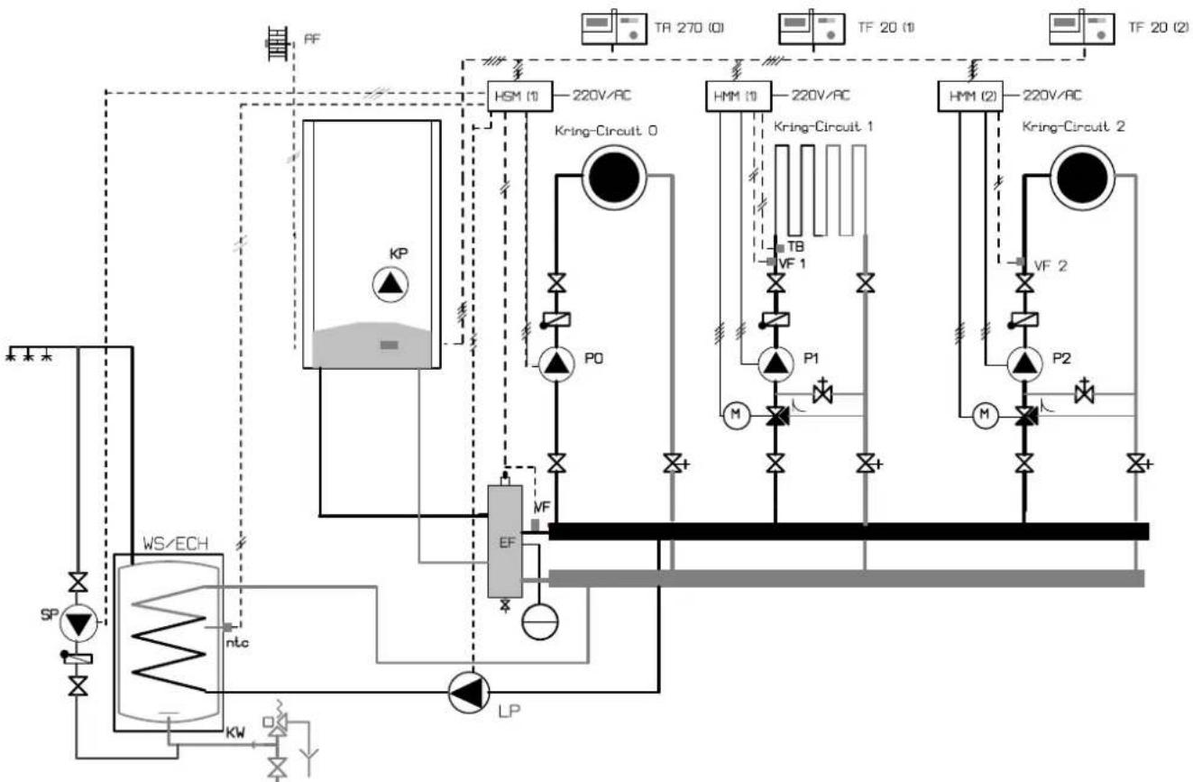
Le TF 20 peut commander un circuit de chauffage non mélangé 0 par l'intermédiaire d'un module de commande du chauffage HSM et un circuit de chauffage mélangé 1 par l'intermédiaire d'un module mélangeur de chauffage HMM.
En option, ces circuits de chauffage peuvent être commandés chacun par une télécommande TF 20.
Tout autre circuit de chauffage mélangé 2...10 supplémentaire nécessite chacun une télécommande TF 20 et un module mélangeur de chauffage HMM (au maximum 9, voir fig. 3).
En conséquence, il est possible de monter dans des installations munies d'un TF 20 maximum 11 télécommandes TF 20, maximum 10 modules mélangeurs de chauffage HMM et un module de commande du chauffage HSM.
▶ Effectuer le codage des composants reliés au bus (TF 20, TF 20, HSM et HMM) conformément à l'attribution du circuit de chauffage paragraphe 3.1).
Les valeurs valables pour le circuit de chauffage en question ne sont affichées que sur la télécommande TF 20.
Le TF 20 indique les valeurs des circuits de chauffage 0 et 1, tant qu'il n'y a pas de télécommande TF 20 qui accède à l'un des deux circuits de chauffage affichage: TELECOMMANDE).
Le TF 20 règle toujours la préparation d'eau chaude, la pompe de circulation ZP, la pompe de la chaudière murale KP et la température de départ de la chaudière en fonction de la plus grande demande de chauffe de tous les circuits de chauffage.
Voir schéma simplifié d'une installation sur la fig. 3 (représentation correspondant au montage et autres possibilités se trouvent dans les documents d'installation).

flowchart
graph TD
A["Power Supply"] --> B["HVAC System"]
B --> C["HP1 (1)"]
B --> D["HP2 (2)"]
B --> E["HP3 (1)"]
B --> F["HP4 (2)"]
C --> G["HVAC Control Valve"]
D --> H["HVAC Control Valve"]
E --> I["HVAC Control Valve"]
F --> J["HVAC Control Valve"]
G --> K["Control Valve"]
H --> L["Control Valve"]
I --> M["Control Valve"]
J --> N["Control Valve"]
K --> O["HVAC Control Valve"]
L --> P["HVAC Control Valve"]
M --> Q["HVAC Control Valve"]
N --> R["HVAC Control Valve"]
O --> S["HVAC Control Valve"]
P --> T["HVAC Control Valve"]
Q --> U["HVAC Control Valve"]
R --> V["HVAC Control Valve"]
S --> W["HVAC Control Valve"]
T --> X["HVAC Control Valve"]
U --> Y["HVAC Control Valve"]
V --> Z["HVAC Control Valve"]
W --> AA["HVAC Control Valve"]
X --> AB["HVAC Control Valve"]
Y --> AC["HVAC Control Valve"]
Z --> AD["HVAC Control Valve"]
AA --> AE["HVAC Control Valve"]
AB --> AF["HVAC Control Valve"]
AC --> AG["HVAC Control Valve"]
AD --> AH["HVAC Control Valve"]
AE --> AI["HVAC Control Valve"]
AF --> AJ["HVAC Control Valve"]
AG --> AK["HVAC Control Valve"]
AH --> AL["HVAC Control Valve"]
AI --> AM["HVAC Control Valve"]
AJ --> AN["HVAC Control Valve"]
AK --> AO["HVAC Control Valve"]
AL --> AP["HVAC Control Valve"]
AM --> AQ["HVAC Control Valve"]
AN --> AR["HVAC Control Valve"]
Fig. 3 ZBRECL.zw
| afsluitkraan | vanne | d'arrêt | |
| flow valve f | low valve | ||
| pomp | circulateur | ||
| driewegmengkraan 1/2", 230 V/AC | vanne à 3 voies mélangeuse 1/2", 230 V/AC | ||
| min. looptijd (links-rechts) 2 minuten | temps d'ouverture minimal (gauche-droit) 2 minutes | ||
| ontluchter | purgeur | ||
| regelventiel s | oupape de réglage | ||
| overdrukventiel (optie) soupape de surpression (option) | |||
| terugslagklep (optie) clapet anti-retour (option) | |||
| TA 270 | weersafhankelijke regelaar régulateur climatique | ||
| TF 20 | afstandsbediening commande à distance | ||
| LP | laadpomp boiler pompe du boiler | ||
| AF | buitenvoeler | sonde | extérieure |
| VS/ECH | boiler of zwembad boiler ou piscine | ||
| VF | vertrekvoeler (optie **) sonde de départ (option **) | ||
| TB | temperatuurbegrenzer limiteur de température | ||
| KP | circulatiepomp van de ketel circulateur de la chaudière | ||
| EF | evenwichtsfles | bouteille | casse-pres |
| SP | sanitaire pomp circulateur sanitaire | ||
| (0), (1) | codering kringen codage circuits | ||
| ** leverbaar door Junkers | ** livrable par Junkers | ||
2. INSTALLATIE 2. INSTALLATION
2.1 Montage 2.1 Montage

Danger: d'électrocution!
Avant d'effectuer le branchement électrique, interrompre l'alimentation en courant de la chaudière et de tous les autres composants reliés au bus.
2.1.1 Montage van de TF 20
2.1.1 Montage du TF 20
Lorsque le mode de commande par pièce est en service: la qualité de réglage du TF 20 dépend du choix de l'endroit de montage. Emplacement recommandé pour le TF 20: fig. 4.
Conditions requises pour l'emplacement du thermostat:
- L'endroit de montage (= pièce de commande) doit être approprié à la régulation du circuit de chauffage. (voir paragraphe 1.5)
- (si possible) un mur intérieur sans courant d'air ni flux thermique (même par l'arrière, p. ex. par des tuyaux vides, des murs creux, etc.).
- Suffisamment de place au-dessus et au-dessous du TF 20 pour que l'air ambiant puisse circuler librement à travers les orifices d'aération (laisser libre les parties hachurées sur la fig. 4).

text_image
min. 0,3m 0,6m 1,2 - 1,5m 0,3m Fig. 4 4192-03.1/GEn cas de vannes thermostatiques dans la pièce de commande:
▶ Ouvrir complètement les vannes thermostatiques.
▶ Régler la puissance des radiateurs de la manière la plus juste à l'aide des raccords réglables.
De ce fait, la pièce réglée est chauffée comme les autres pièces.
Au cas où il n'y aurait pas d'endroit de montage approprié:
Monter la sonde de température ambiante RF 1 (accessoire) dans la pièce qui demande les plus grands besoins thermiques, p. ex. chambre d'enfants ou salle de bains.

Il ne faut mettre en service qu'une seule sonde de température ambiante.
Au besoin, monter sur place un interrupteur qui déconnecte la sonde RF 1.
A ce moment-là, seule la sonde intégrée dans le TF 20 sera opérationnelle.
Montage: Montage:
▶ Retirer la partie supérieure (a) (fig. 12).
Lors du montage du socle, les marques figurant sur les bornes doivent rester visibles:
▶ Fixer le socle avec les quatre vis directement sur le mur (montage du socle: fig. 6).
▶ Effectuer le branchement électrique (voir paragraphe 2.2).
▶ Remonter la partie supérieure du thermostat (a).

2.1.2 Montage des accessoires
Monter les accessoires conformément aux règlements en vigueur et aux instructions de montage correspondantes fournies:
- Externe kamertemperatuurvoeler RF 1 - Sonde de température externe RF 1
- Verwarmingsschakelmodule (HSM) - Module de commande du chauffage HSM
- Verwarmingsmengmodule (HMM) - Module mélangeur de chauffage HMM
- Afstandschakelaar (bouwzijdig) - Télé rupteur (sur les lieux d'installation)
2.2 Elektrische aansluiting 2.2 Branchement électrique

flowchart
graph TD
A1["A"] -->|4| B1["B"]
A2["A"] -->|4| B2["B"]
A3["A"] -->|4| B3["B"]
B1 --> C1["1 2 4 6"]
B2 --> C2["1 2 4 6"]
B3 --> C3["1 2 4 6"]
style A1 fill:#f9f,stroke:#333
style A2 fill:#f9f,stroke:#333
style B1 fill:#ccf,stroke:#333
style B2 fill:#ccf,stroke:#333
style B3 fill:#ccf,stroke:#333
A aftakdoos
boîte de dérivation
B busdeelnemer
compasants reliés au bus
Fig. 7
Pour le bus partant du TF 20 vers les autres composants reliés au bus (figure 7):
Utiliser un fil de cuivre à 4 conducteurs à blindage en feuilles minces d'une section de 0,25 mm² minimum. Les câbles se trouvent ainsi blindés contre des influences inductives extérieures comme par exemple câbles à courant fort, conducteurs aériens, postes de transformation, postes de radio ou de télévision, stations radio amateurs, micro-ondes, ou autres.
Busdeelnemers: Composants reliés au bus:
Tous les câbles de 24 V (courant de mesure) doivent être posés séparément des câbles de 230 V ou 400 V afin d'empêcher une influence inductive (distance minimale 100 mm).
▶ Longueurs maximales des câbles des connexions du bus:
- Entre les composants du bus les plus éloignés 150 m env.
- Longueur totale de tous les câbles du bus reliant les différents composants 500 m env. Economiser les longueurs de câbles en installant des boîtes de distribution.
Eviter des dérèglements:
▶ Ne pas établir de connexion en cercle entre les différents composants du bus.
En règle générale, brancher la borne 1 sur la borne 1, etc.
Connexion des composants reliés au bus (fig. 7)
Aménagement des conducteurs:
• 1 = Alimentation en courant électrique 17...24 V DC
• 2 = Ligne des données (BUS-High)
• 4 = GND (terre)
- 6 = Ligne des données (BUS-Low).
▶ Raccordez la télécommande TF 20 sur un composant quelconque du bus (p. ex. TF 20).
- Brancher la sonde de température ambiante externe RF 1 (accessoire) (fig. 9).
Si besoin est, rallonger les câbles de la sonde RF 1:
▶ Rallonger les câbles du RF 1 avec un câble à conducteurs bifilaires torsadés (au minimum 2 x 0,75 mm² et d'une longueur de 40 m max).
- Brancher le télé rupteur (accessoire, sur les lieux d'installation) (fig. 10).
▶ Rallonger les câbles du RF 1 avec un câble à conducteurs bifilaires torsadés (au minimum 2 x 0,75 mm² et d'une longueur de 40 m max).

text_image
B 1 2 4 6 1 2 4 6 4 1 2 4 6 1 2 4 6 RF TF 20 4678-02.2RFig. 8

text_image
RF 1 1 2 4 6 R F TF 20 4878-03.1VGFig. 9

text_image
4878-04.1/G TF 20Fig. 10
Fonction du télé rupteur:
- Lorsque le contact de commutation est fermé: le chauffage se met en mode de service économique pour le circuit de chauffage réglé par le TF 20.
- Lorsque le contact de commutation est ouvert: le mode de service réglé sur le TF 20 est repris.
Le télé rupteur doit disposer d'un contact libre de potentiel approprié pour 5 V DC.
3. BEDIENING 3 Utilisation

3.1.1 Codage des composants reliés au bus
- Le thermostat peut commander via le bus les modules suivants:
commande du chauffage HSM, ngeur de chauffage HMM. - En option, chaque circuit de chauffage peut être commandé par une télécommande TF 20.
- Les modules commandent à leur tour les appareils externes tels que pompes, servomoteurs de vannes mélangeuses, sondes, etc.
- Tous les composants reliés au bus - à l'exception du TF 20 - doivent être codés. Ceci permet à chaque composant de « connaître » sa fonction dans l'installation.
- Le TF 20 est automatiquement réglé pour les circuits de chauffage suivants (tant qu'il n'y a pas de télécommande TF 20 de codée sur l'un de ces circuits de chauffage):
- Circuit de chauffage non mélangé 0 (par l'intermédiaire du HSM),
- Circuit de chauffage mélangé 1 (par l'intermédiaire du HMM).
Dans ce cas standard, coder le HSM attribué au TF 20 sur "1", même si la pompe de circulation pour le circuit de chauffage 0 s'y trouve raccordée paragraphe 1.5).
▶ Coder le module mélangeur de chauffage HMM attribué au TF 20 également sur "1" paragraphe 1.5).
3.1.2 Codage en cas de raccordement d'une télécommande TF 20 avec attribution circuit de chauffage non mélangé 0
- Mettre le codage sur la télécommande TF 20 sur "0" et coder le module de commande du chauffage HSM sur "1" paragraphe 1.5).
3.1.3 Codage en cas de raccordement d'une ou de plusieurs télécommande(s) TF 20 avec attribution de 1 ou plusieurs circuit(s) de chauffage mélangé(s) 1...10
Pour les circuits de chauffage mélangés 1, 2...10: mettre le codage correspondant sur la télécommande TF 20 et sur le module de commande du chauffage HMM attribué en fonction du numéro du circuit de chauffage sur "1, 2...10" paragraphe 1.5.
Exemple:
circuit 1 = "1": module mélangeur de chauffage (HMM) = "1" et TF 20 = "1",
circuit 2 = "2": module mélangeur de chauffage (HMM) = "2" et TF 20 = "2"
etc.
3.1.4 Codage du TF 20 (CIRC.CHAU. +/-)
Dès que la tension d'alimentation est appliquée sur la télécommande TF 20, CHOIS.CIRC.CHAU. est affiché.
▶ Ouvrir le capot.
CIRC.CHAU. +/- est affiché.
▶ Sélectionner le numéro de codage du circuit de chauffage correspondant entre 0 et 10 à l'aide des touches ⚠ ou ⚡
- Appuyer sur la touche Ⓑ ou refermer le capot. Le codage est actif.
Modification ultérieure du codage:
▶ Régler dans le niveau spécialiste (voir paragraphe 3.7.11).
Ceci permet de réinitialiser tous les paramètres sur le réglage d'origine. Le programme horaire réglé reste conservé.
3.2 Indications générales d'utilisation
- Lorsque le capot est fermé, toutes les fonctions sont actives (voir "Temps de réaction" à la page 24).
- Le TF 20 fonctionne suivant la courbe de chauffe prédéterminée qui établit une relation entre la température extérieure et la température de départ (température des radiateurs).
- Lorsque les courbes de chauffe sont correctement réglées, la température ambiante reste constante, quelle que soit la température extérieure (en fonction des robinets thermostatiques).
- Lorsque le TF 20 travaille selon le bouton de réglage ⚙ (k), c'est alors le voyant de contrôle inférieur (l) qui est allumé.
A l'aide du bouton de réglage de la température de départ de la chaudière, régler la température de départ maximale nécessaire.
N'effectuer des réglages ultérieurs que par l'intermédiaire du TA 270 ou TF 20.
3.3 Réglage de la température de chauffage (k)
▶ A l'aide du bouton de réglage ⚙ (k), régler la température de chauffage (=température de départ en fonction de laquelle le TF 20 travaille en "Mode de service normal").
Pour les valeurs précises, voir paragraphe 3.7.8.
La courbe de chauffe sera décalée parallèlement.
Dès que le circuit de chauffage requiert de la chaleur, le TF 20 règle la chaudière afin d'atteindre la température requise.
3.4 Réglage de la température économique (m)
▶ Ouvrir le capot.
A l'aide du bouton de réglage C (m), régler la température économique (= température de départ en fonction de laquelle le TF 20 travaille en "Mode de service économique").
Pour les valeurs précises, voir paragraphe 3.7.8.
La courbe de chauffe sera décalée parallèlement.
Dès que le circuit de chauffage requiert de la chaleur, le TF 20 règle la chaudière afin d'atteindre la température requise.
Adviezen:
▶ Si le bâtiment dispose d'une isolation thermique suffisante: mettre le bouton de réglage ℃ (m) sur la position ✉ (antigel).
▶ Afin d'éviter un refroidissement trop important des pièces: utiliser le mode de service économique de réglage par pièce (voir paragraphe 3.7.8).
3.5 Protection antigel
Protection antigel du chauffage
Lorsque les boutons de réglage ⚙ (k) et Ⓔ (m) se trouvent sur la position ⚙, le circuit de chauffage réglé par le TF 20 se met en mode de service antigel.
Au cas où il n'y aurait que l'un des boutons de réglage se trouvant sur la position ✉, le mode de service antigel n'est valable que pour cet état de service.
- Au-dessus de la température extérieure sélectionnée: le circuit de chauffage réglé par le TF 20 et la pompe de circulation correspondante sont mis hors service.
- En dessous de la température extérieure sélectionnée: la température de départ est réglée sur 10°C, la pompe de circulation est en marche (protection antigel pour l'installation).
- Lorsque le mode de commande par pièce est en service, la température ambiante est maintenue sur 5°C (protection antigel pour la pièce).
3.6 Changement du mode de service
3.6.1 Mode de service automatique (régulation de base)
- Changement automatique entre le mode de service normal et le mode de service économique aux heures prédéterminées dans le programme horaire.
- Service chauffage (= "jour"): le TF 20 règle la température en fonction de la valeur déterminée sur le bouton de réglage ⚙ (k).
- Service économique (= "nuit"): le TF 20 règle la température en fonction de la valeur déterminée sur le bouton de réglage ℃ (m).
D'autres modes de service sont indiqués par un voyant de contrôle. Il est possible à chaque moment de revenir au mode de service automatique.
3.6.2 Chauffage en continu (g)
Dans le mode de service “Chauffage en continu” le TF 20 règle constamment la température en fonction de la valeur déterminée sur le bouton de réglage ⚙ (k). Le réglage effectué dans le programme horaire n’est pas pris en compte.
▶ Appuyer sur la touche (g).
Le mode de service "Chauffage en continu" est mis en marche pour le circuit de chauffage.
Le mode de service "Chauffage en continu" restera en fonction:
- Jusqu'à ce qu'on appuie de nouveau sur la touche à ce moment-là, c'est le mode de service automatique qui entrera en fonction.
- Jusqu'à ce qu'on appuie sur la touche (h) à ce moment-là, c'est le mode "Service économique" qui entrera en fonction.
- Appuyer sur la touche ⊙ et tourner le bouton de réglage ⚡k) sur . ✝a pompe de circulation s'arrête pour le circuits de chauffage. La protection contre un blocage de la pompe ainsi que l'antigel sont activés!
3.6.3 Service économique (h)
Dans le mode de service "Service économique" le TF 20 règle constamment la "Température économique" en fonction de la valeur déterminée sur le bouton de réglage (m) (voir paragraphe 3.4). Le réglage effectué dans le programme horaire n'est pas pris en compte.
▶ Appuyer sur la touche (h).
Le mode de service "Service économique" est mis en marche pour le circuit de chauffage.
Le mode "Service économique" restera en fonction:
- Jusqu'à minuit (00:00 heure); à ce moment-là, c'est le mode de service automatique qui entrera en fonction.
- Jusqu'à ce qu'on appuie de nouveau sur la touche à ce moment-là, c'est le mode de service automatique qui entrera en fonction.
- Jusqu'à ce qu'on appuie sur la touche (g) à ce moment-là, c'est le mode de service "Chauffage en continu" qui entrera en fonction.
Advies:
Choisissez cette fonction lorsque vous allez très tôt au lit ou que vous quittez l'habitation pour un long moment. Si vous êtes de retour avant minuit:
Appuyez sur la touche Le TF 20 recommencera à travailler en mode de service automatique et réglera alors la température en fonction de la température sélectionnée.
3.7 Programmation
Vous trouverez une vue d'ensemble à la page 9.
- Les figures indiquent toujours les réglages effectués en usine.
- Suivant le codage des circuits de chauffage (attribution de circuits de chauffage mélangé ou non mélangé), quelques affichages changent, d'autres n'apparaissent plus.
3.7.1 Indications générales
Pour commencer le processus de programmation, ouvrir le capot.
- Appuyer brièvement sur les touches ⊕ (p) ou ⊖(o) pour modifier d'une unité la valeur affichée.
Pour faire dérouler les valeurs plus rapidement, il suffit d'appuyer plus longtemps sur les touches.
▶ Refermer le capot lorsqu'un processus de programmation est terminé. Trois minutes maximum s'écoulent jusqu'à ce que toutes les modifications soient traitées.
3.7.2 Sélectionner la langue (Deutsch +/-)
▶ Mettre le bouton de réglage (n) en position P.
- Appuyer à plusieurs reprises sur la touche Ⓑ jusqu'à ce que Deutsch +/- soit affiché.
- Sélectionner la langue désirée à l'aide des touches ⚠ et ⏻
- Français,
• Néerlandais (Nederlands),
• Allemand (Deutsch).
3.7.3 Réglage du jour de la semaine et de l'heure
Dans l'affichage de la télécommande TF 20 apparaissent les réglages suivants du thermostat asservi à la température extérieure:
- jour actuel de la semaine,
- heure actuelle.
▶ Effectuer les modifications sur le thermostat asservi à la température extérieure.
3.7.4 Verwarmingsprogramma instellen
Instelmogelijkheden
3.7.4 Réglage du programme de chauffage
Possibilités de réglage
- Trois horaires max. de mise en route du chauffage et du mode de service économique par jour.
- Au choix - ces heures sont les mêmes pour chaque jour ou peuvent être fixées différemment pour chaque jour.
• Au choix: - Au cas où un module de commande du chauffage HSM avec pompe de circulation pour le circuit de chauffage 0 était raccordé, cette pompe est alors commandée.
- Programme de chauffage pour le circuit de chauffage 1 pour commander la pompe de circulation sur le HMM.
Réglage des points de commutation (SERVICE CHAUF et SERVICE ECON)
Une heure pour la mise en route du chauffage et une heure pour la mise en route du mode de service économique ont été réglées en usine. Les heures de commutation non affectées sont affichées par --:--.
▶ Mettre le bouton de réglage (n) en position SELEC. JOUR +/- est affiché.
▶ Choisir le jour de la semaine à l'aide des touches ⚠ ou ⊖:
- TOUS JOURS: les heures de la mise en route du mode de "Service chauffage" et de la mise en route du mode "Service économique" » sont les mêmes pour tous les jours de la semaine.
- Jour spécifique (p. ex. JEUDI): c'est toujours ce jour-là et à l'heure sélectionnée, que le programme correspondant se met en route. Donc chaque jeudi, à la même heure, le mode "Service chauffage" et le mode "Service économique" se mettent en route.
i JOURS --:-- c'est-à-dire qu'il n'y a momentanément pas d'heure de commutation commune pour tous les jours de la semaine. Les heures de commutation pour les différents jours restent cependant valables.
▶ Appuyer sur la touche Ⓑ (q).
1. SERVICE CHAUF est affiché.
- Sélectionner la première mise en service souhaitée du mode "Chauffage" à l'aide des touches ⚠ ou ⊖.
▶ Appuyer sur la touche Ⓑ.
1. SERVICE ECON est affiché
- Sélectionner la première mise en service souhaitée du mode "Service économique" à l'aide des touches ⚠ ou ⏻.
▶ Appuyer sur la touche Ⓗ
Si on le souhaite: sélectionner d'autres heures pour les mises en service des modes "Chauffage" et "Service économique" conformément à la description ci-dessus.
- sélectionner des heures de commutation pour un autre jour de la semaine.
- Appuyer sur la touche touche ➤ jusqu'à ce que SELEC. JOUR +/- soit affiché.
Schakelpunt kiezen
Sélection du point de commutation
Les points de commutation que l'on ne veut pas modifier peuvent être sautés à l'aide de la touche ▶(q).
- Appuyer sur la touche Ⓑ jusqu'à ce que le point de commutation souhaité soit affiché.
Effacement du point de commutation
- Appuyer sur la touche Ⓑ jusqu'à ce que le point de commutation souhaité soit affiché.
Appuyer brièvement sur la touche C (r) à l'aide d'un crayon. Sur l'affichage apparaît --:-- (voir aussi paragraphe 3.7.12).
3.7.5 Programme vacances (JOURS VACANCE+/-)
Le programme vacances permet de régler immédiatement le circuits de chauffage réglé par le TF 20 sur la température de départ en fonction de la valeur déterminée sur le bouton de réglage C.
Au cas où tous les composants du bus étaient mis sur vacances, le boiler refroidit et la pompe de circulation est mise hors fonctionnement.
▶ Tourner le bouton de réglage (n) sur position 📄 JOURS VACANCE +/- soit affiché.
- Sélectionner le nombre des jours de vacances à l'aide des touches tou (au maximum 99 jours).
i
Le jour actuel est inclus dans le nombre de jours de vacances, c'est-à-dire que le TF 20 commence aussitôt à suivre le programme de vacances. Le jour de retour ne doit être inclus dans le nombre de jours de vacances que si, ce jour-là, il n'est pas nécessaire de chauffer.
▶ Appuyer sur la touche Ⓗ
▶ Régler le mode de service qui sera valable après les jours de vacances à l'aide des touches ⊕ ou ⊖
- Mode de service automatique si l'on souhaite commencer à partir du premier point de commutation du chauffage
- Chauffage en continu, si vous souhaitez que le thermostat mette en route le chauffage à partir de minuit parce que vous comptez rentrer déjà dans la matinée.
A l'aide du bouton de réglage C (m), régler la température économique (=température de départ pendant votre absence). Faites attention à ce que la température réglée ne nuise pas à vos animaux domestiques, plantes d'appartement, etc.
▶ Refermer le capot.
Le mode de service vacances est directement opérationnel. Le nombre de jours restants est constamment affiché.
Une fois les jours entrés écoulés, le TF 20 termine automatiquement à minuit le mode de service économique et retourne au mode de service automatique ou chauffage n continu. e
Pour arrêter prématurément le mode de service vacances:
appuyer deux fois sur la touche (g),
▶ mettre le nombre de jours sur "0".
3.7.6 Affichage des valeurs réglées (i)
▶ Mettre le bouton de réglage (n) en position i.
Chaque valeur est affichée durant 3 secondes, ensuite le TF 20 affiche la sivante.
Arrêter le déroulement automatique: Appuyer sur la touche ⊕ ou ⊖
- ⊕: pour afficher la valeur suivante,
- ⊖: pour afficher la valeur précédente.
Pour redémarrer l'affichage automatique: Appuyer sur la touche (q).
Au cas où --.-- est affiché, lors de la mise en service, la valeur de température correspondante est disponible au bout d'une minute env., soit elle n'existe pas, soit elle est interrompue.
Il est possible d'afficher les valeurs suivantes:
| Texte d'affichage | Description |
| ... | Pour les pannes éventuellement affichées, voir paragraphe 5 |
| Circuit chauff. X | Le TF 20 est attribué au circuit de chauffage X. |
| Temp. extérieur | Température extérieure |
| Temp. amb. effect | Température ambiante effective (lorsqu'aucune sonde de température ambiante RF 1 n'est branchée) |
| Temp. amb. locale | Température ambiante sur le TF 20 (lorsqu'une sonde de température ambiante RF 1 est branchée) |
| Temp. à distance | Température ambiante sur le RF 1 (lorsqu'un RF 1 est branché) |
| Temp départ max Y ^1) | Température de départ max. réglée sur la chaudière |
| Service hiver Y ^1) | Etat du sélecteur de la température de départ sur la chaudière |
| Temp. départ eff | Température de départ à la chaudière (affichée sur la sonde de température de départ du module de commande du chauffage HSM) |
| Temp. melange eff. | Température de départ sur circuit de chauffage mélangé (seulement en cas d'attribution circuit de chauffage mélangé) |
| Temp. dép. prescr. | Température de départ demandée par le TF 20 à la chaudière (ou sur la sonde de température de départ sur le module de commande du chauffage HSM) (seulement en cas d'attribution circuit de chauffage non mélangé) |
| Temp. mélang. dem. | Température de départ demandée par le TF 20 au le circuit de chauffage mélangé 1 (seulement en cas d'attribution circuit de chauffage mélangé) |
| Chauff. rap. off | Indique si le chauffage rapide s'effectue pour le circuit de chauffage attribué |
| Displaytekst | Betekenis |
| Boileropw. uit/aan of Boiler naloop | Opwarmtoestand van de boiler |
| Sanit. water aan | Toestand van de gebruikswaterbereiding van het combinatietoestel |
| Mengpomp aan | Toestand van de circulatiepomp van het gemengde verwarmingscircuit (alleen bij toewijzing gemengd verwarmingscircuit) |
| Donderdag | Huidige dag van de week |
| Texte d'affichage | Description |
| Cha.verr on/offouRetouraccum.res | Etat de charge du boiler |
| Eau sanit.on | Etat de la préparation d'eau chaude sanitaire de l'appareil combiné |
| Pompe me.on | Etat de la pompe de circulation du circuit de chauffage (seulement en cas d'attribution circuit de chauffage mélangé) |
| Jeudi | Jour actuel de la semaine |
3.7.7 Mettre en/hors fonctionnement le chauffage rapide (CHAU.RAP.OFF +/- ou C.RAP.C.M.OFF+/-
Le chauffage rapide permet d'atteindre le plus vite possible un réchauffement rapide après le mode "Service économique". Lors de chaque changement du mode "Service économique" en mode de service "Chauffage", pendant une durée de temps déterminée, le TF 20 autorise alors une valeur de température plus élevée que d'habitude (les valeurs peuvent être réglées au niveau spécialiste, voir aussi le paragraphe 3.7.11, "Régler l'augmentation du chauffage rapide (AUGMENTATION+/- ou AUGM.CIRC.MEL +/-)" sur la page 22 ou "Régler la durée du chauffage rapide (DUREE +/- ou DUREE AUGM.C.M.)" sur la page 22).
Lorsque le chauffage rapide est mis en marche, il est également possible de le déclencher en appuyant deux fois sur la touche économique.
Lorsque la commande par pièce est en mode "Service économique" ou qu'elle est toujours enclenchée, le chauffage rapide est interrompu dès que la température ambiante réglée sur le bouton de réglage (k) est atteinte (voir aussi le paragraphe "Ajustement de la sonde de température à distance (accessoire RF 1) (SOND.TEM.DIS +/-)" sur la page 21).
La température maximale réglée sur la chaudière ne sera pas, elle non plus, dépassée!
▶ Mettre le bouton de réglage (n) en position P.
Appuyer à plusieurs reprises sur la touche Ⓑ (q) jusqu'à ce que CHAU.RAP.OFF +/- soit affiché.
▶ A l'aide des touches ⚠ ou Ⓔ sélectionner CHAU.RAP.ON +/- ou CHAU.RAP.OFF +/-.
3.7.8 Sélectionner la commande par pièce (MOD.PIECE OFF +/-)
La température de départ demandée par le TF 20 dépend de la courbe de chauffe réglée, de la température extérieure actuelle et de la position du bouton de réglage ✉ (k) ou ℃ (m).
Lorsque le mode Commande par pièce n'est pas en service, le décalage de la température de départ suivant est réglé:
| Position bouton de réglage ⚙ | Décalage |
| (antigel) | 10°C température de départ souhaitée |
| - 25 K | |
| + 25 K |
| Position bouton de réglage ( | Décalage |
| (antigel) | 10°C température de départ souhaitée |
| - 50 K | |
| 0 K |
Avec la commande par pièce, une valeur de température ambiante est attribuée comme valeur réglée aux boutons de réglage ⚙ (k) et ℂ (m).
Les tableaux suivants rassemblent des données à titre indicatif:
| Position bouton de réglage ⚙ | Température ambiante |
| (antigel) | ca. 5°C |
| ca. 17°C | |
| ca. 23°C |
| Position bouton de réglage ( | Température ambiante |
| (antigel) | ca. 5°C |
| ca. 10°C | |
| ca. 20°C |
La compensation de l'ambiance peut être établie soit tout le temps, soit seulement durant la fonction économie.
▶ Mettre le bouton de réglage (n) en position P.
- Appuyer à plusieurs reprises sur la touche Ⓑ (q) jusqu'à ce que MOD.PIECE OFF +/- soit affiché.
▶ Sélectionner le mode de commande par pièce à l'aide des touches ⭕ ou ⭺
- MOD.PIECE OFF: la température ambiante n'est pas prise en compte.
- MOD.PIECE ECO: le mode de commande par pièce n'est actif qu'en mode "Service économique" Lors du passage du mode "Service Chauffage" en mode "Service économique", la chaudière est arrêté (mode antigel), jusqu'à ce que la température ambiante ait baissé pour atteindre la valeur déterminée sur le bouton de réglage ℃ (m). Ensuite, la température est réglée en fonction de la valeur choisie pour le mode de la commande par pièce.
- MOD.PIECE ON: le mode de la commande par pièce est toujours enclenché. Durant le service de chauffage, la valeur souhaitée est déterminée par le bouton de réglage ⚙ (k). Durant le "Service économique", la valeur souhaitée est déterminée par le bouton de réglage ℂ (m) ) conformément à la description dans MOD.PIECE ECO.
Lorsqu'il y a dans l'habitation une autre source de chaleur telle un feu ouvert, un poêle, du soleil ou des courants d'air qui peuvent influencer la température dans toutes les pièces, le mode de commande par pièce peut se révéler judicieux.
i che que si les conditions température sur le lieu de montage du TF 20 resp. du RF 1 se révèlent appropriées pour le réglage.
Dans cette pièce-là, ouvrir les robinets thermostatiques au moins jusqu'à ce que la température ambiante réglée sur le TF 20 puisse être atteinte.
3.7.9 Verwarmingscurve vastleggen (Verw.curve kiez.)
3.7.9 Déterminer la courbe de chauffe (CHOISIR COURBE)
La courbe de chauffe est représentée par une ligne droite déterminée par deux valeurs (le pied de courbe et le point final) (voir fig. 12).
Régler le pied de courbe (PIED COURBE +/-)
Le pied de courbe représente la température de départ nécessaire au radiateur afin de chauffer l'habitation lorsque la température extérieure est de 20 °C.
Il est possible de sélectionner des valeurs entre 10 °C et 85 °C, cependant il n'est pas possible de choisir des valeurs au-delà du point final réglé.
▶ Mettre le bouton de réglage (n) en position P.
Appuyer à plusieurs reprises sur la touche Ⓑ (q) jusqu'à ce que PIED COURBE +/− soit affiché.
- Sélectionner le pied de la courbe à l'aide des touches
⊕ ou ⊖
Sélectionner le point final (FIN COURBE +/-)
Le point final de la courbe représente la température de départ nécessaire dans le radiateur afin de chauffer l'habitation lorsque la température extérieure est de -15°C. Il est possible de sélectionner des valeurs entre 10°C et 85°C, cependant il n'est pas possible de choisir des valeurs plus basses que la valeur du pied de courbe réglée.
- Appuyer à plusieurs reprises sur la touche Ⓑ jusqu'à ce que FIN COURBE +/- soit affiché.
▶ Sélectionner le point final à l'aide des touches ⭕ou Ⓑ.
TF 20 avec codage 0
Lors de la mise en service, pour le circuit de chauffage 0, le TF 20 reprend comme point final la température de départ maximale réglée à la chaudière.
Si le point final est modifié sur le TF 20, celui-ci est valable jusqu'à ce que la touche Ⓐ C (r) soit brièvement appuyée. Puis le TF 20 reprend comme point final la température de départ maximale réglée sur la chaudière.
TF 20 avec codage 1 ... 10
Le réglage d'origine pour le point final est de 45°C.
La température de départ maximale réglée sur la chaudière n'est pas reprise comme point final.
De toute façon, la température de départ maximale est toujours limitée par le régulateur de température de départ de la chaudière et elle ne peut pas être dépassée.
3.7.10 Déterminer la température extérieure à partir de laquelle le chauffage se met hors fonctionnement (CHAUFF.OFF A +/-)
La température extérieure a été réglée en usine sur 99 °C, c'est-à-dire que la fonction n'est pas active et que l'installation peut être mise en service quelle que soit la température extérieure.
▶ Mettre le bouton de réglage (n) en position P.
- Appuyer à plusieurs reprises sur la touche Ⓑ (q) jusqu'à ce que CHAUFF.OFF A +/– soit affiché.
- Sélectionner les valeurs entre 10 °C et 25 °C à l'aide des touches ⚠ ou ⏻
i correspondante sont automatiquement mis hors service en période de transition et en été. Le service d'eau chaude n'est pas influencé pour autant.
Désactiver la fonction p. ex. pour une mise en service de l'installation en été:
▶ Entrer la valeur 99.0 °C à l'aide des touches ⊕ ou ⊖.
3.7.11 Le niveau spécialiste (NIV.SPECIALISTE)
A ce niveau, il est possible d'entrer les valeurs suivantes:
- l'ajustement des sondes de température ambiante et à distance,
- l'élévation de la température de départ pour un chauffage rapide,
• sa durée, - l'influence sur la température d'ambiance par compensation de l'ambiance,
- la limite de température maximale pour le circuit de chauffage mélangé,
• et il est possible de modifier le codage,
Ajustement de la sonde de température ambiante (SONDE AMB. +/-)
L'ajustement de la sonde de température ambiante permet de modifier l'affichage de la température du TF 20. La valeur peut être corrigée au maximum de 3K (°C) par étapes de 0,1 K vers le haut ou vers le bas.
▶ Positionner un instrument de mesure approprié (étalonné) de manière à mesurer la température ambiante du TF 20 sans pour autant que cet instrument de mesure ne soit influencé par la chaleur.
▶ Refermer le capot du TF 20.
▶ Tenir le TF 20 éloigné de toute source de chaleur (soleil, chaleur du corps, etc.) pendant au moins une heure avant d'effectuer l'ajustement.
▶ Ouvrir le capot.
▶ Relever immédiatement la “bonne” température ambiante sur l’instrument de mesure de précision et notez celle-ci.
▶ Tourner le bouton de réglage (n) sur la position P.
- Appuyer sur la touche Ⓑ pendant 5 secondes env. jusqu'à ce que NIV.SPECIALISTE soit affiché.
Appuyer à plusieurs reprises sur la touche jusqu'à ce que SOND. TEMP. AMB.+/- soit affiché. La température ambiante "figée" sur le TF 20 est affichée à 0,1 °C près.
- Modifier l'ajustement de la sonde de température ambiante à l'aide des touches ⚠ ou ⏻
Ajustement de la sonde de température à distance (accessoire RF 1) (SOND.TEM.DIS +/-) (
Il est recommandé d'effectuer l'ajustement de la sonde de température ambiante, si nécessaire, au cours d'une opération de travail séparée.
L'ajustement de la sonde de température ambiante RF 1 permet de modifier l'affichage de la température du TF 20. La valeur peut être corrigée au maximum de 3 K (°C) par étapes de 0,1 K vers le haut ou vers le bas.
▶ Positionner un instrument de mesure approprié (étalonné) de manière à saisir la température ambiante de la sonde de température ambiante RF 1 sans pour autant dissiper de la chaleur pouvant l'influencer.
▶ Refermer le capot du TF 20.
▶ Tenir la sonde de température ambiante RF 1 éloignée de toute source de chaleur (soleil, chaleur du corps, etc.) pendant au moins une heure avant d'effectuer l'ajustement.
▶ Ouvrir le capot.
▶ Relever immédiatement la “bonne” température ambiante sur l’instrument de mesure de précision et notez celle-ci.
▶ Tourner le bouton de réglage (n) sur la position P.
- Appuyer sur la touche Ⓑ pendant 5 secondes env. jusqu'à ce que NIV.SPECIALISTE soit affiché.
Appuyer à plusieurs reprises sur la touche jusqu'à ce que SOND. TEMP. DIST +/- soit affiché. La température "figée" de la sonde de température à distance est affichée à 0,1 °C près.
- Modifier l'ajustement de la sonde de température ambiante RF 1 à l'aide des touches ⚠ ou ⏻
Régler l'augmentation du chauffage rapide (AUGMENTATION+/-)
L'augmentation de la courbe de chauffe peut s'effectuer dans une plage de 10.0 K et 40.0 K (°C) par étapes de 5 K (°C).
▶ Tourner le bouton de réglage (n) sur la position P.
- Appuyer sur la touche Ⓑ pendant 5 secondes env. jusqu'à ce que NIV.SPECIALISTE soit affiché.
- Appuyer à plusieurs reprises sur la touche Ⓑ jusqu'à ce que
AUGMENTATION+/- soit affiché.
- Modifier la valeur de l'augmentation de la courbe de chauffe à l'aide des touches ⚠ ou ⏰
Régler la durée du chauffage rapide (DUREE +/-)
La durée de l'augmentation de la courbe de chauffe peut être réglée dans une plage de 10 minutes à 2 heures par étapes de 10 minutes.
▶ Tourner le bouton de réglage (n) sur la position P.
- Appuyer sur la touche ▶ pendant 5 secondes env. jusqu'à ce que NIV.SPECIALISTE soit affiché.
- Appuyer à plusieurs reprises sur la touche Ⓑ jusqu'à ce que DUREE +/− soit affiché.
- Modifier la valeur de l'augmentation de la courbe de chauffe à l'aide des touches ⚙ et ⏻
Influence de la commande par pièce (PENETRATION V +/-)
Cette fonction n'est opérationnelle que si la commande par pièce est mise en fonctionnement (voir paragraphe 3.7.8).
Plus la valeur de l'action est grande, plus l'influence de la sonde de température ambiante (dans le TF 20 ou le RF 1) est importante sur la courbe de chauffe (température de départ souhaitée).
▶ Tourner le bouton de réglage (n) sur la position P.
- Appuyer sur la touche Ⓑ pendant 5 secondes env. jusqu'à ce que NIV.SPECIALISTE soit affiché.
Appuyer à plusieurs reprises sur la touche ☑ jusqu'à ce que PENETRATION V +/- soit affiché.
Régler l'action à l'aide des touches Ⓔ et ōou dans une plage de 0 (aucune influence de la sonde de température ambiante sur la température de départ) à 10 (influence maximale de la sonde de température ambiante sur la température de départ).
Même lorsque la valeur de l'action a été réglée sur 0, les fonctions suivantes restent opérationnelles si elles ont été mises en service:
- Interruption du chauffage rapide dans mode de commande par pièce, dès que la température ambiante souhaitée sur le bouton de réglage ✿ est atteinte (voir paragraphe 3.7.7).
- Le chauffage commute sur la fonction réglée par pièce "Service économique", dès que la température ambiante souhaitée sur le bouton de réglage C est atteinte (voir paragraphe 3.7.8).
Limitation de la température maximale pour le circuit de chauffage mélangé (TEMP.MEL.MAX +/-)
Cette fonction n'est active que si la télécommande TF 20 est attribuée à un circuit de chauffage mélangé.
La limitation de la température maximale peut être réglée dans une plage de 25 °C et 60 °C par étapes de 5 K (°C).
▶ Tourner le bouton de réglage (n) sur la position P.
- Appuyer sur la touche ▶ pendant 5 secondes env. jusqu'à ce que NIV.SPECIALISTE soit affiché.
- Appuyer à plusieurs reprises sur la touche Ⓑ jusqu'à ce que TEMP.MEL.MAX +/- soit affiché.
▶ Entrer la valeur pour le circuit de chauffage mélangé à l'aide des touches ⊕ et ⊖
i Cette fonction est importante pour un chauffage par le sol:
Il peut être utile de raccorder un contrôleur mécanique pour ce circuit de chauffage sur le module mélangeur de chauffage HMM.
Verandering van de codering (Verw.kring +/-)
Modification du codage (CIRC.CHAU. +/-)
Lors de la mise en service, effectuer le codage conformément au paragraphe 3.1.4.
Au cas où un autre circuit de chauffage devrait être attribué ultérieurement:
▶ Tourner le bouton de réglage (n) sur la position P.
- Appuyer sur la touche Ⓑ pendant 5 secondes env. jusqu'à ce que NIV.SPECIALISTE soit affiché.
- Appuyer à plusieurs reprises sur la touche Ⓑ jusqu'à ce que CIRC.CHAU. +/- soit affiché.
▶ Entrer le nouveau codage à l'aide des touches ⏻ ou ⏱ (voir chapiter 3.1).
Une modification ulterieure du codage entraîne une remise à l'état initial de tous les paramètres. Le programme horaire réglé reste conservé
3.7.12 Verwijderen
- Les points suivants peuvent être effacés au choix:
- Afin d'éviter toute action involontaire, la touche ⒶC (r) est enfoncée. Il est facile d'enfoncer cette touche p. ex. à l'aide d'un stylo à bille.
Effacement d'un seul point de commutation
▶ Mettre le bouton de réglage (n) sur la position désirée.
- Appuyer à plusieurs reprises sur la touche Ⓔ (q) jusqu'à ce que le point de commutation souhaité soit affiché.
- Appuyer brièvement sur la touche Ⓐ C (r).
Effacement de tous les points de commutation personnels
Si vous désirez effectuer de nombreuses modifications dans la programmation, il est quelquefois plus commode de sortir de la programmation effectuée en usine.
▶ Mettre le bouton de réglage (n) en position 111.
SELEC. JOUR +/- est affiché.
▶ Appuyer brièvement sur la touche Ⓐ C (r).
La programmation effectuée en usine est remise en marche: TOUS JOURS; 1. SERVICE CHAUF 06:00, 1. SERVICE ECON 22:00, autres points de commutation --:--.
Remettre tous les réglages sur la programmation effectuée en usine
- Appuyer sur la touche Ⓐ C (r) pendant plus de 15 secondes env.
Au bout de 5 secondes env. apparaît sur le cadran
l'affichage
!!! ATTENTION!!!
EFFACER EN 9 SEC
EFFACER EN 8 SEC
EFFACER EN 7 SEC
...
3.7.13 Remarques supplémentaires
Panne de courant
En cas de panne de courant, l'affichage s'éteint. Tous les autres réglages restent mémorisés.
La télécommande TF 20 reprend du thermostat TA 270 l'heure actuelle ainsi que le jour actuel de la semaine. Une fois le temps d'autonomie du thermostat dépassé, les réglages doivent y être corrigés.
- Les temps de réaction dans le bus sont de 3 minutes au maximum.
- Les composants du bus faisant défaut sont reconnus au plus tard au bout de 3 minutes maximum.
Protection de blocage
- Protection de blocage de la pompe (dans la chaudière, module de commande du chauffage HSM ou module mélangeur de chauffage HMM):
La pompe correspondante est surveillée et après un temps d'arrêt de 24 heures, elle est mise en service pour une courte durée. Ceci permet d'éviter un blocage de la pompe. - Protection de blocage du mélangeur (dans module mélangeur de chauffage HMM):
le mélangeur correspondant est surveillé et après un temps d'arrêt de 24 heures, il est mis en service pour une courte durée. Ceci permet d'éviter un blocage du mélangeur.
Notice succincte d'utilisation
Une notice succincte d'utilisation se trouve à droite dans le socle.
3.7.14 TF 20 avec sonde de température à distance intégrée RF 1 (accessoire)
Le RF 1 rend inopérant la sonde intégrée dans le TF 20. Le RF 1 est déterminant pour l'affichage et le réglage.
▶ Utiliser le RF 1 lorsque l'emplacement du TF 20 ne convient pas pour une mesure correcte de la température ambiante désirée.
3.7.15 Télé rupteur (sur les lieux d'installation) branché sur le TF 20
Commande à distance des circuits de chauffage réglés par le TF 20 à l'aide d'un télé rupteur.
L'application la plus courante:
mise en marche du chauffage par commande à distance par l'intermédiaire du téléphone et d'un code personnel.
▶ Avant de quitter l'installation:
Choisir le mode de service pour le moment du retour (chauffage automatique ou en continu).
▶ Fermer le télé rupteur: le TF 20 fonctionne en mode Service économique, Sur le cadran apparaît l'affichage BLOQUE PAR. TEL.
Lorsque le contact est ouvert p. ex. par un signal téléphonique codé, le TF 20 travaille en mode de service choisi préalablement.
Lors d'une absence prolongée, l'habitation (murs, etc.) se refroidit considérablement et met, en conséquence, plus longtemps à se réchauffer. Enclencher donc le chauffage à temps.
3.7.16 Messages du TF 20
Les pannes survenues sur la chaudière ou sur un autre composant relié au bus sont transmises au TF 20 et peuvent être lues sur celui-ci.
En cas de panne à la chaudière, le voyant de contrôle ⚙ (I) clignote en plus, et le display affiche p. ex. TESTER INSTALL. A3.
▶ Respecter les indications figurant dans les instructions de la chaudière.
- Consulter votre installateur ou le service technique de JUNKERS.
Lorsque, sur le cadran du TF 20, apparaît l'affichage MANQUE MODUL.BUS:
Contrôler si la chaudière est mise en marche.
Si cette erreur ou une ERREUR CAN continue d'être affichée: consulter votre installateur ou le service technique de JUNKERS.
Lorsque, sur le cadran du TF 20, apparaît l'affichage MANQUE MCC ou MANQUE MMC:
▶ Tourner le bouton de réglage (n) sur la position i (paragraphe 5).
4. ALGEMENE OPMERKINGEN
... en tips om energie te besparen:
4 REMARQUES GENERALES
... et conseils pour économiser de l'énergie:
- Goede warmte-isolatie van het gebouw. De ingestelde spaartemperatuur wordt niet bereikt. Toch wordt energie bespaard omdat de verwarming uitgeschakeld blijft. Stel het begintijdstip van de spaarfunctie vroeger in.
- Laat bij het luchten het venster niet op een kier staan. Daarbij wordt voortdurend warmte aan de ruimte ont-trokken zonder dat de kamerlucht noemenswaardig wordt verbeterd.
- Het is beter om kort, maar intensief te luchten (raam geheel openen).
-
Draai tijdens het luchten de thermostaatkraan dicht of schakel op de TF 20 de "Spaarfunctie" in.
-
Dans une régulation climatique, la température de départ est réglée en fonction de la courbe de chauffe déterminée: plus la température extérieure est basse, plus la température de départ est haute.
Pour économiser de l'énergie: en fonction de l'isolation thermique du bâtiment et des conditions d'installation, régler la courbe de chauffe sur la position la plus basse possible (voir paragraphe 3.7.9), de sorte que les pièces se réchauffent rapidement après le mode "Service économique" même lorsque la courbe de chauffe est réglée sur une position basse: mettre en marche le chauffage rapide (voir page 17). - Chauffage par le sol avec circuit de chauffage mélangé: ne pas dépasser la température maximale recommandée par le fabricant comme température de départ maximale (p. ex. 60°C) (voir "Limitation de la température maximale pour le circuit de chauffage mélangé (TEMP.MEL.MAX +/-)" page 23).
- Economiser de l'énergie dans un bâtiment disposant d'une bonne isolation thermique: mettre la température économique sur la position (voir paragraphe 3.4). Eviter un refroidissement trop important des pièces (thermostat TF 20 ou RF 1 à un endroit approprié): mode de service économique à réglage par pièce (voir paragraphe 3.7.8).
- Dans toutes les pièces, ouvrir les vannes thermostatiques de sorte que la température ambiante souhaitée puisse effectivement être atteinte. Seulement si, au bout d'un certain temps, la température n'est pas atteinte, augmenter la température de chauffage sur le TF 20 (voir paragraphe 3.3).
- Un abaissement de la température ambiante diurne ou nocturne permet d'économiser beaucoup d'énergie. L'abaissement de la température ambiante d'un seul degré (°C) peut se traduire par une économie d'énergie pouvant aller jusqu'à 5%.
Cependant, il n'est pas recommandé de laisser la température ambiante des pièces chauffées tous les jours descendre en dessous de +15 °C, car des murs trop refroidis continuent à répandre du froid dans la pièce et on a tendance à choisir une température ambiante trop élevée ce qui se traduit par une consommation en énergie plus élevée que dans le cas d'un apport de chaleur régulier.
- Bonne isolation thermique du bâtiment: la température économique déterminée n'est pas atteinte. Pourtant on économise de l'énergie puisque le chauffage est arrêté. Choisir plutôt l'heure de la mise en route du mode de service économique.
- Pour aérer les pièces, ne pas laisser les fenêtres en position basculée. La pièce perd de manière permanente de la chaleur sans que l'air s'en trouve amélioré pour autant.
- Mieux vaut aérer brièvement mais intensément (fenêtres grandes ouvertes).
- Fermer les vannes thermostatiques durant l'aération ou choisir "Service économique" sur le TF 20.
5. FOUTEN OPSPOREN 5. DEPANNAGE
Les messages d'erreur sont affichés, le cas échéant, lorsque le capot est ouvert et que le bouton de réglage (n) est mis en position i (voir paragraphe 3.7.6).
Lorsqu'une erreur est affichée pour une durée inférieure à 1 minute env., il ne s'agit pas d'une erreur mais du temps de réaction prédéterminé jusqu'à ce que les données soient reprises.
A l'exception du BM 1, les composants du bus faisant défaut ne seront indiqués que s'ils se sont présentés auprès du TF 20 une fois mis sous tension d'alimentation. Les messages restent conservés jusqu'à ce que la tension d'alimentation soit interrompue.
| Weergave Indication | Oorzaak Cause | Oplossing Remède | |
| N | Busmodule Y ontbreekt | Busmodule in ketel Y meldt zich niet meer. | Controleer of de hoofdschakelaar van ketel Y ingeschakeld is. Controleer de bedrading en hef de onderbreking indien nodig op. |
| F | MANQUE MODUL.BUSY | Le module de bus dans la chaudière Y n'est plus détecté. | Contrôler si l'interrupteur principal de la chaudière Y est actionné. Contrôler le câblage et, le cas échéant, rétablir la liaison. |
| N | Fout XY Fout XY in de | ketels. Controleer de weergave | van de ketel en verhelp de fout volgens de bijbehorende documentatie |
| F | ERREUR XY | Erreur XY dans la chaudière. | Contrôler l'affichage de la chaudière et éliminer l'erreur conformément à la documentation correspondante. |
| N | VSM ontbreekt Module Codeerschakelaar op | HSM meldt zich niet meer. | Controleer of voedingsspanning op de HSM aanwezig is. Controleer de bedrading en hef de onderbreking indien nodig op. |
| HSM onder spanning gedraaid. | Onderbreek de voedingsspanning van de hele installatie kort. | ||
| F | MANQUE MCC Le module HSM n'est plus détecté. | Contrôler si la tension d'alimentation est appliquée au HSM. Contrôler le câblage et, le cas échéant, rétablir la liaison. | |
| Commutateur de codage sur HSM tourné sous tension. | Interrompre brièvement la tension d'alimentation de l'ensemble de l'installation. | ||
| N | VSM fout X Module HSM meldt fout X (= LED-weergave van HSM knippert X keer). | Zie installatie- en bedieningshandleiding van de HSM. | |
| F | ERREUR X MCC | Le module HSM signale une erreur X (=affichage LED sur le HSM clignote X fois). | Voir instructions d'installation et d'utilisation du HSM. |
| N | VMM ontbreekt Codeerschakelaar op | Module HMM voor bijbehorend verwarmingscircuit (1 tot 10) meldt zich niet meer. | Controleer of voedingsspanning op de HMM aanwezig is. Controleer de bedrading en hef de onderbreking indien nodig op. |
| HSM onder spanning gedraaid. | Onderbreek de voedingsspanning van de hele installatie kort. | ||
| F | MANQUE MMC Commutateur de codage sur le module HMM tourné sous tension. | Contrôler si la tension d'alimentation est appliquée au HMM. Contrôler le câblage et, le cas échéant, rétablir la liaison. | |
| Interrompre brièvement la tension d'alimentation de l'ensemble de l'installation. | |||
| N | VMM Fout X Module H | HMM voor bijbehorend verwarmingscircuit (1 tot 10) meldt fout X (= LED-weergave op HMM knippert X keer). | Zie installatie- en bedieningshandleiding van de HMM. |
| F | ERREUR X MMC | Le module HMM pour le circuit de chauffage attribué (1 à 10) signale erreur X (=affichage LED sur le HMM clignote X fois). | Voir instructions d'installation et d'utilisation du HMM. |
| N | CAN-fout 1 Communicatie tussen de deelnemers onderbroken. | Hef de onderbreking op. | |
| F | ERREUR CAN 1 La communication entre les composants du bus est inter-rompue. | Rétablir la liaison. | |
| N | CAN-fout 2 Leidingen aan de klemmen 2 en 6 verwisseld of kort-sluiting. | Sluit de leidingen volgens het schakelschema aan of hef de kortsluiting op. | |
| F | ERREUR CAN 2 Les conducteurs ont été in-versés sur les bornes 2 et 6 ou court-circuit. | Brancher les conducteurs conformément au schéma électrique ou remédier aux causes du court-circuit. | |
| N | CAN-fout 3 Zie CAN-fout 1 en CAN-fout 2. | ||
| F | ERREUR CAN 3 voir ERREUR CAN 1 + ERREUR CAN 2. | ||
| N | KlachtPanne | OorzaakCause | OplossingRemède |
| N | Gewenste kamer-temperatuur wordt niet bereikt. | Thermostaatkraan of thermostaatkranen te laag ingesteld. | Stel de kraan of de kranen hoger in. |
| Verwarmingscurve te laag ingesteld. | Stel de draaiknop van de TF 20 hoger in of corrigeer de verwarmingscurve. | ||
| Keuzeknop voor de aan-voertemperatuur op ketel te laag ingesteld. | Stel de keuzeknop voor de aanvoertemperatuur hoger in. | ||
| Lucht in de verwarmings-installatie. | Ontlucht de verwarmingsradiatoren en de verwarmings-installatie. | ||
| F | La température am-biante souhaitée n'est pas atteinte. | Le réglage de(s) robinet(s) thermostatique(s) est trop bas. | Augmenter le réglage du (des) robinet(s) thermostatique(s). |
| La courbe de chauffe est trop basse. | Régler le bouton de réglage se trouvant sur le TF 20 sur une position plus élevée ou corriger la courbe de chauffe. | ||
| La température de départ réglée à la chaudière est trop basse. | Augmenter la température de départ sur la chaudière en réglant sur une position plus élevée. | ||
| Présence d'air dans l'installation de chauffage. | Purger les radiateurs et l'installation de chauffage. | ||
| N | Verwarmen duurt te lang. | Snelopwarming is uitgeschakeld. | Schakel de snelopwarming in. |
| Duur of verhoging van de snelopwarming te laag. | Stel de waarden hoger in. | ||
| F | Le réchauffement dure trop longtemps | Chauffage rapide est hors fonctionnement. | Mettre en fonctionnement le chauffage rapide. |
| La durée ou l'augmentation du chauffage rapide est trop basse. | Augmenter les valeurs. | ||
| N | Gewenste kamer-temperatuur wordtver overschreden. | Verwarmingsradiatoren wor-den te warm. | Stel de thermostaatknop of de thermostaatknoppen lager in. |
| Stel de draaiknop op de TF 20 lager in.Of beter, corrigeer de verwarmingscurve. | |||
| Montageplaats van de TF 20 ongunstig, bijvoorbeeld bij buitenmuur, in de buurt van een raam, luchtstroom, enz. | Kies een betere montageplaats (zie paragraaf 2.1.1) of gebruik een externe RF 1. | ||
| F | La température am-biante souhaitée est largement dépassée. | trop chauds. | Baisser le réglage du (des) robinet(s) thermostatique(s). Les |
| Régler le bouton de réglage se trouvant sur le TF 20 sur une positon plus basse.Ou mieux, corriger la courbe de chauffe. | |||
| Emplacement du thermostat TF 20 mal choisi, p. ex. mur extérieur, proximité de fenê-tres, courant d'air, etc. | Choisir un meilleur emplacement pour le thermostat (voir paragraphe 2.1.1) ou utiliser la sonde de température externe RF 1. | ||
| N | Te grote tempera-tuurschommelingen. | Tijdelijke inwerking van warmte op de ruimte, bij-voorbeeld door zonlicht, ver-lichting, televisie, open haard enz. | Schakel de kamercompensatie in. |
| Vergroot de invloed. | |||
| Kies een betere montageplaats (zie paragraaf 2.1.1) of gebruik een externe RF 1. | |||
| F | Variations de tempé-ratures trop élevées. | Influence temporaire de sources de chaleur dans la pièce telles éclairage, soleil, télévision, feu ouvert, une cheminée, etc. | Mettre en marche le mode de commande par pièce. |
| Augmenter l'effet. | |||
| Choisir un meilleur emplacement pour le thermostat (voir paragraphe 2.1.1) ou utiliser la sonde de température externe RF 1. | |||
| N | Stijging in plaats van verlaging van tempe-ratuur. | Tijd van de dag verkeerd ingesteld. | Controleer de instelling. |
| F | La température monte au lieu de baisser. | Mauvais réglage de l'heure. | Contrôler le réglage. |
| N | Bij de spaarfunctie een te hoge kamer-temperatuur. | Te grote warmteopslag van het gebouw. | Kies het begintijdstip van de spaarfunctie vroeger. |
| F | Température am-biante trop élevée en mode de service économique. | Bâtiment dispose d'une bonne isolation thermique. | Choisir plutôt l'heure de la mise en route du mode de service économique. |
| N | Verkeerde regeling of geen regeling. | Verkeerde bedrading van de TF 20. | Controleer de bedrading volgens het aansluitschema en corrigeer indien nodig. |
| F | Mauvais réglage ou pas de réglage du tout. | Mauvais branchement du thermostat TF 20. | Contrôler les connexions conformément au schéma électrique et les corriger si nécessaire. |
| N | Geen weergave of weergave reageert niet. | Stroom zeer kort uitgevallen. | Zet de hoofdschakelaar van de ketel uit. Wacht enkele seconden en schakel opnieuw in. |
| F | Aucun affichage ou l'affichage ne réagit pas. | Panne de courant de très courte durée. | Arrêter la chaudière par l'interrupteur principal, attendre quelques secondes, puis remettre en marche. |
6. OVERZICHT 6. VUE GLOBALE
| Programmeeroverzicht (fabrieksinstelling) | Vue globale de la programmation (réglage effectué en usine) | ||||
| Stand van de draaischakelaar | Druk op toets | Display (fabrieksinstelling) | Instelbereik (toetsen + of +) | Ingesteld op TF 20 | Beschrijving → blz ... |
| Position du bou-ton de réglage | Appuyer sur la touche | Indication (réglage en usine) | Plage de réglage (touches + ou +) | Réglée sur le TF 20 | Description → page ... |
| --- | --- | Verw.kring +/- (12:00) | 0 ... 10 (alleen bij inbe-drijfstelling, zie anders paragraaf 3.7.11) | 10 | |
| Circ.Chau. +/- (12:00) | 0 ... 10 (seulement lors de la mise en service, sinon voir paragraphe 3.7.11) | ||||
![]() | --- | Dag kiezen +/- | maandag ... zondag | --- | 14 |
| Sélec. jour +/- | lundi ... dimanche | ||||
| ◎ | 1^e normale temp. (6:00) zie blz 3200:00 ... 23:50 | 14 | |||
| 1 service chauff (6:00) | voir page 32 | ||||
| ◎ | 1^e gered. temp. (22:00) zie blz 3200:00 ... 23:50 | 14 | |||
| 1. service écon (22:00) | voir page 32 | ||||
| 2^e en 3^e begintijdstip verwarmen en spaarfunctie, zie boven.Verwijder niet noodzakelijke schakelpunten (druk kort op de toets "C", in het display wordt --;-- weergegeven). | zie blz. 32 | 15 | |||
| Pour les 2 ième et 3^ème mises en route du chauffage et du mode de service économique, voir ci-dessus. Effacer tous les points de commu-tation dont vous n'avez pas besoin (appuyer brièvement sur la touche "C", sur le cadran apparaît --;--). | voir page 32 | ||||
| Programmeeroverzicht (fabrieksinstelling) | Vue globale de la programmation (réglage effectué en usine) | ||||
| Stand van de draaischakelaar | Druk op toets | Display (fabrieksinstelling) | Instelbereik (toetsen of) | Ingesteld op TF 20 | Beschrijving → blz ... |
| Position du bouton de réglage | Appuyer sur la touche | Indication (réglage en usine) | Plage de réglage (touches ou) | Réglée sur le TF 20 | Description → page ... |
![]() | Vrije dagen +/- (0) | 0 ... 99 | 15 | ||
| Jours vacance +/- (0) | |||||
| Automatisch +/- | automatisch / continu verwarmer | 15 | |||
| Automatique +/- | automatique / chauffage permanent | ||||
| Programmeeroverzicht (fabrieksinstelling) | Vue globale de la programmation (réglage effectué en usine) | ||||
| Stand van de draaischakelaar | Druk op toets | Display (fabrieksinstelling) | Instelbereik (toetsen + of -) | Ingesteld op TF 20 | Beschrijving → blz ... |
| Position du bou-ton de réglage | Appuyer sur la touche | Indication (réglage en usine) | Plage de réglage (touches + ou -) | Réglée sur le TF 20 | Description → page ... |
![]() | Ingestelde waarden weergevenElke waarde wordt gedurende 3 seconden weergegeven. Roep waarden op met de toetsen + en -Druk op de toets . De waarden worden gedurende 3 seconden weergegeven. | --- | 16 | ||
| Afficher les valeurs réglées Chaque valeur est affichée pour une durée de 3 secondes. Appeler les valeurs au choix à l'aide des touches + ou -Appuyer sur la touche ▶ Les valeurs sont encore une fois affichées pour une durée de 3 secondes. | |||||
| Programmeeroverzicht (fabrieksinstelling) Vue globale de la programmation (réglage effectué en usine) | |||||
| Stand van de draaischakelaar | Druk op toets | Display (fabrieksinstelling) | Instelbereik (toetsen of) | Ingesteld op TF 20 | Beschrijving → blz ... |
| Position du bouton de réglage | Appuyer sur la touche | Indication (réglage en usine) | Plage de réglage (touches ou) | Réglée sur le TF 20 | Description → page ... |
![]() | --- | programm.niveau niveau programme | --- | --- | 16 |
| ◎ | snelopw. uit +/- uit / aan chau.rap.off +/- off / on | 17 | |||
| ◎ | RO-modus uit +/- uit / spaarstand / aan mod.pièce off +/- off / économique / on | 18 | |||
| ◎ | verw.curve kiezen choisir courbe | --- | --- | 19 | |
| ◎ | VC_voetpunt +/- (25.0°C) 10°C | C tot 85°C, echter niet hoger dan eindpunt | 19 | ||
| pied courbe +/- (25.0°C) 10°C | C à 85°C, mais pas au-delè du point final | ||||
| ◎ | VC_eindpunt +/- (60.0°C) 10°C | C tot 85°C, echter niet lager dan voetpunt | 20 | ||
| fin courbe +/- (60.0°C) 10°C | à 85°C, mais pas en decç du pied de la courbe | ||||
| ◎ | verw. uit bij +/- (99.0°C) | 10°C ... 25°C, 99 C (= functie uit) | 20 | ||
| chauff. off à +/- (99.0°C) | 10°C ... 25°C, 99 C (= fonction inactivée) | ||||
| ◎ | Deutsch +/- Deutsch | Nederlands Français | 13 | ||
| Instellingen voor de installateur Réglages pour l'installateur | |||||
| Stand van de draaischakelaar | Druk op toets | Display (fabrieksinstelling) | Instelbereik (toetsen of) | Ingesteld op TF 20 | Beschrijving → blz ... |
| Position du bouton de réglage | Appuyer sur la touche | Indication (réglage en usine) | Plage de réglage (touches ou) | Réglée sur le TF 20 | Description → page ... |
![]() | --- | programm.niveau | --- | --- | 21 |
| niveau programme | |||||
| ≥5 s | inst. niveau | --- | --- | 21 | |
| niv. spécialiste | |||||
| € | compensaties | --- | --- | 21 | |
| ajustage | |||||
| € | ruimtevoeler +/- (20.8°C) | ±3 K (°C) in stappen van 0,1 K | 21 | ||
| sonde amb. +/- (20.8°C) | ±3 K (°C) par étapes de 0,1 K | ||||
| € | afst.voeler +/- (20.3°C) Indien aanwezig. ±3 K (°C) in stappen van 0,1 K | 21 | |||
| sonde dist. +/- (20.3°C) S'il y en a un. ±3 K (°C) par étapes de 0,1 K | |||||
| € | snelopwarmen | --- | --- | 22 | |
| chauffage rapide | |||||
| € | verhoging +/- (20.0°C) | 10 K (°C) ... 40 K (°C) in stappen van 5 K | 22 | ||
| augmentation +/- (20.0°C) | 10 K (°C) ... 40 K (°C) par étapes de 5 K | ||||
| € | duur +/- (1:00) 10 minuten tot 2 uur in stappen van 10 minuten | 22 | |||
| durée +/- (1:00) 10 minutes à 2 heures par étapes de 10 minutesdoorgr. V +/- (5) | |||||
![]() | 0 ... 10 | 22 | |||
| pénétration V +/- (5) | |||||
| ☑ | max. temp +/- (99.0°C) | 25°C ... 60°C, 99 C (= functie uit) in stappen van 5 K (alleen bij mengerkring) | 23 | ||
| temp. mel. max +/- (99.0°C) | 25°C ... 60°C, 99 C (= fonction désactivée) par étapes de 5 K (seulement dans circuit mélangeur) | ||||
| ☑ | verw.kring +/- (1) | 0 ... 10 (parameters worden ingesteld op afleverings-toestand) | 23 | ||
| circ.chau. +/- (1) | 0 ... 10 (paramètres sont remis sur réglage d'origine) | ||||
De typeaanduiding en het FD-nummer vindt U terug op het toestel. Gelieve deze gegevens te vermelden bij elk contact met Uw installateur of met onze technische dienst. Vous trouverez l'indication du type et le numéro FD sur l'appareil. Veuillez mentionner ces données lors de chaque contact avec votre l'installateur ou avec notre service technique.
8. WAARBORG
8. GARANTIE
De toegestane waarborg is slechts geldig indien de installatie nauwkeurig voldoet aan deze voorschriften en indien de volledige installatie volgens de regels der kunst uitgevoerd werd. La garantie accordée n'est valable que si l'installation est rigoureusement conforme aux présentes prescriptions et si l'installation entière est correctement effectuée.
| DIENST NA VERKOOP(met techniekers uit Uw regio) | SERVICE APRES-VENTE(avec techniciens de votre région) |
SERVICO sa tient un service après-vente à la disposition e l'installateur et de l'usager. d
En cas de difficulté, adressez-vous à SERVICO sa (service après-vente officiel du fabricant).
![]() | nv SERVICO saKontichsesteenweg 602630 Aartselaar | |
| ALGEMEEN NUMMERNUMERO GENERAL | 03 887 20 60 | |
| FAX ALGEMEEN NUMMERNUMERO GENERAL | 03 877 01 29 | |
![]() | DIENST NA VERKOOPonderhoud & herstellingenSERVICE APRES-VENTeentretien & réparations | 03 880 71 00 |
| TECHNISCH ADVIESCONSEIL TECHNIQUE | 03 880 71 02 | |
| FAX DIENST NA VERKOOPSERVICE APRES-VENTE | 03 888 91 56 | |
| COMMERCIELE DIENSTverkoop, documentatie & scholingenSERVICE COMMERCIALvente, documentations & écolages | 03 880 71 03 | |
| FAX COMMERCIELE DIENSTSERVICE COMMERCIAL | 03 877 01 29 | |
| LOGISTIEKbestellingen & wisselstukkenLOGISTIQUEcommandes & pièces de rechange | 03 880 71 01 | |
| FAX LOGISTIEKLOGISTIQUE | 03 887 01 03 | |
| WEB www.junkers-servico.be | ||
BELANGRIJKE OPMERKING REMARQUE IMPORTANTE
Même un JUNKERS a besoin d'une surveillance et d'un entretien régulier.
Un entretien préventif évite une usure prématurée et/ou une consommation anormale.
Ce travail peut être effectué uniquement par un installateur, un homme de métier agréé ou par le service technique de l'usine.
Notice Facile 






