TR 220 CANBUS - Thermostat Junkers - Notice d'utilisation et mode d'emploi gratuit
Retrouvez gratuitement la notice de l'appareil TR 220 CANBUS Junkers au format PDF.
| Caractéristiques techniques | Thermostat programmable avec interface CANBUS, compatible avec les chaudières Junkers. |
|---|---|
| Utilisation | Permet de réguler la température ambiante, programmation hebdomadaire, réglage manuel et automatique. |
| Maintenance et réparation | Vérifier régulièrement les connexions, nettoyer l'écran et les boutons, consulter le manuel pour les procédures de dépannage. |
| Sécurité | Conforme aux normes de sécurité électrique, protection contre les surchauffes, installation recommandée par un professionnel. |
| Informations générales | Dimensions compactes, écran LCD, alimentation par piles, garantie de 2 ans. |
FOIRE AUX QUESTIONS - TR 220 CANBUS Junkers
Questions des utilisateurs sur TR 220 CANBUS Junkers
0 question sur cet appareil. Repondez a celles que vous connaissez ou posez la votre.
Poser une nouvelle question sur cet appareil
Téléchargez la notice de votre Thermostat au format PDF gratuitement ! Retrouvez votre notice TR 220 CANBUS - Junkers et reprennez votre appareil électronique en main. Sur cette page sont publiés tous les documents nécessaires à l'utilisation de votre appareil TR 220 CANBUS de la marque Junkers.
MODE D'EMPLOI TR 220 CANBUS Junkers
Un fonctionnement impeccable ne peut être garanti que lorsque les prescriptions sont strictement observées. Sous réserve de modifications.
Nous vous prions de bien vouloir lire attentivement ces prescriptions, de les remettre à l'utilisateur et de lui conseiller de les conserver soigneusement. s
L'INSTALLATION, LA MISE EN SERVICE, L'ENTRE-TIEN ET LE SERVICE APRES-VENTE DOIVENT ETRE EFFECTUES PAR UN INSTALLATEUR AGREE.
| INHOUD | blz. / page | RESUME |
| VEILIGHEIDSVOORSCHRIFTEN | 3 | INDICATIONS DE SECURITE |
| GEGEVENS OVER DE TR 220 3 INDICATIONS CONCERNANT LE TR 220 | ||
| bestanddelen 3 pièces fournies | ||
| technische gegevens 3 données techniques | ||
| toebehoren 4 accessoires | ||
| overige gegevens 4 autres indications | ||
| installatievoorbeeld 4 exemple d'installation | ||
| INSTALLATIE | 5 | INSTALLATION |
| montage 5 montage | ||
| montage van de busmodule BM 1 5 montage du module de bus BM 1 | ||
| montage van de TR 220 6 montage du TR 220 | ||
| montage van de toebehoren 7 montage des accessoires | ||
| elektrische aansluiting 7 branchement électrique | ||
| BEDIENING | 9 | UTILISATION |
| in bedrijf stellen met aangesloten HSM 9 mise en service le HSM étant branché | ||
| algemene bedieningsvoorschriften | 9 indications générales d'utilisation | |
| kamertemperatuur (verwarmen) instellen | 9 réglage de la température ambiante (chauffage) | |
| kamertemperatuur (spaartemperatuur) instellen | 10 réglage de la température ambiante (température économique) | |
| bescherming tegen vorst | 10 protection antigel | |
| functiemodus wijzigen | 10 changement du mode de service | |
| automatische functie (basisinstelling) | 10 mode de service automatique (régul. de base) | |
| continu verwarmen | 10 chauffage en continu | |
| spaarfunctie | 11 service économique | |
| programmeren | 11 programmation | |
| algemene opmerkingen 11 indications générales | ||
| taal instellen | 11 sélectionner la langue | |
| dag van de week, tijd en vakantieprogramma | 12 réglage du jour de la semaine, de l'heure et du programme vacances | |
| instellen | ||
| verwarmingsprogramma met of zonder | 12 réglage du programme de chauffage avec ou sans optimisation de réchauffement | |
| optimalisatie voor opwarmen instellen | ||
| warmwaterprogramma invoeren | 14 programmation eau chaude | |
| vakantieprogramma | 17 programme vacances | |
| ingestelde waarden weergeven | 17 affichage des valeurs réglées | |
| tijdprogramma voor de circulatiepomp invoeren | 19 introduire le programme horaire pour la pompe de circulation | |
| instellingen voor de installateur | 19 le niveau pour l'installateur | |
| verwijderen | 22 effacement | |
| overige opmerkingen | 23 remarques supplémentaires | |
| TR 220 met aangesloten afstandsvoeler RF 1 | 23 TR 220 avec sonde de temp. à distance RF 1 | |
| TR 220 met aangesloten afstandschakelaar | 23 télé rupteur branché sur le TR 220 | |
| meldingen van de TR 220 | 23 messages du TR 220 | |
| ALGEMENE OPMERKINGEN 24 REMARQUES GENERALES | ||
| FOUTEN OPSPOREN | 26 DEPANNAGE | |
| OVERZICHT | 28 VUE GLOBALE | |
| BELANGRIJKE NOTA'S | 35 NOTICES IMPORTANTES | |
| NAVERKOOPSERVICE | 35 SERVICE APRES-VENTE | |
| WAARBORG | 35 GARANTIE | |
| NUTTIGE ADRESSEN | 36 ADRESSES UTILES | |
VEILIGHEIDSVOORSCHRIFTEN INDICATIONS DE SECURITE
Algemeen
▶ Respecter ces instructions afin d'assurer un fonctionnement impeccable.
L'installation et la mise en service du TR 220 ne doivent être effectuées que par un installateur agréé.
Les appareils raccordés doivent être montés et mis en service suivant les instructions.
Utilisation
N'utiliser le TR 220 qu'avec les chaudières indiquées ci-dessus. Respecter le schéma des connexions électriques.
Branchement
▶ Ne brancher en aucun cas le TR 220 sur le réseau 230 V.
Avant d'effectuer le montage du TR 220 et du module de bus: interrompre l'alimentation en courant (230 V/AC) de la chaudière et de tous les autres composants reliés au bus.
▶ Ne pas installer le TR 220 dans des locaux humides.
1. GEGEVENS OVER DE TR 220 1. INDICATIONS CONCERNANT LE TR 220
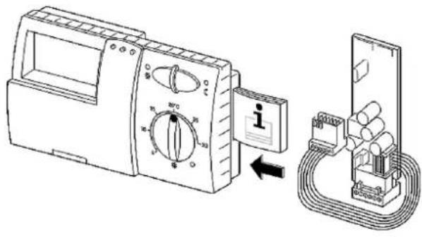
1.1 Bestanddelen 1.1 Pièces fournies
- korte handleiding
• CAN-busmodule BM 1

- notice succincte d'utilisation
- module de bus CAN BM 1

text_image
176 46 192 98 6720 610 307-03.10Fig. 2
1.2 Données techniques
1.3 Toebehoren 1.3 Accessoires
1.5 Exemple d'installation (fig. 3)
Voir schéma simplifié d'une installation sur la fig. 3 (représentation correspondant au montage et autres possibilités dans les documents d'installation).
Fig. 3

text_image
HSM -230V AC TR 220 230V AC BM1 KP HK WW ZP SF S Z 6 720 604 435-36.1R KWBM1 busmodule module de bus
HK verwarmingscircuit circuit de chauffage
HSM verwarmingsschakelmodule module de commande du chauffage
KP circulatiepomp ketel circulateur de la chaudière
KW koudwateringang entrée eau froide
SF temperatuurvoeler boiler (NTC) sonde de température boiler (CTN)
TR 220 thermostaat thermostat
WS boiler
WW warmwateruitgang sortie eau chaude
2.1 Montage 2.1 Montage

Danger: d'électrocution!
- Avant d'effectuer le branchement électrique, interrompre l'alimentation en courant de la chaudière et de tous les autres composants reliés au bus.
2.1.1 Montage van busmodule BM 1
2.1.1 Montage du module de bus BM 1
Le module de bus BM 1 a déjà été préparé pour être emboîté facilement lors du montage.
Chaudières murales avec Heatronic
▶ Enlever le panneau. (fig. 4)
▶ Enlever le couvercle. (fig. 5)
▶ Retirer le cache. (fig. 6)
Monter le module de bus BM 1 dans les glissières de guidage et continuer à pousser vers le haut jusqu'à ce qu'il s'encliquette, monter le cache. (fig. 7)
▶ Brancher la fiche du module de BM 1 à l'endroit prévu à cet effet (ST 9 TA Module). (fig. 8)
▶ Brancher le TR 220 ou la connexion du bus. (fig. 9)
▶ Monter le couvercle (fig. 5) et le panneau (fig. 4).

text_image
1100-02.2/G ① 4100-02.2/G ② ③ 4100-04.2/G ④2.1.2 Montage du TR 220
La qualité de réglage du TR 220 dépend du choix de l'endroit de montage. Emplacement recommandé pour le TR 220: fig. 10.
Conditions requises pour l'emplacement du thermostat:
- L'endroit de montage (= pièce de commande) doit être approprié à la régulation de l'ensemble de l'installation de chauffage.
- (si possible) un mur intérieur sans courant d'air ni flux thermique (même par l'arrière, p. ex. par des tuyaux vides, des murs creux, etc.).
- Suffisamment de place au-dessus et au-dessous du TR 220 pour que l'air ambiant puisse circuler librement à travers les orifices d'aération (laisser libre les parties hachurées sur la fig. 10).

text_image
min. 0,3m 1,2 - 1,5m 0,6m 0,3m Fig. 10 4192-03.1/GAfin d'atteindre également la température demandée dans les autres chambres, il est à conseiller de freiner les radiateurs dans la cambre pilote.
En cas de vannes thermostatiques dans la pièce de commande:
▶ Ouvrir complètement les vannes thermostatiques.
- Régler la puissance des radiateurs de la manière la plus juste à l'aide des raccords réglables.
De ce fait, la pièce réglée est chauffée comme les autres pièces.
Au cas où il n'y aurait pas d'endroit de montage approprié:
Monter la sonde de température ambiante RF 1 (accessoire) dans la pièce qui demande les plus grands besoins thermiques, p. ex. chambre d'enfants ou salle de bains.
Lorsque le mode d'optimisation de réchauffement est en service:
Durant le mode de service économique, les conditions doivent être constamment les mêmes dans la pièce de commande:
• Garder les mêmes portes fermées.
• Garder, si possible, les fenêtres fermées.
- Chauffer les mêmes pièces.
- Ne rien mettre devant ou sur les radiateurs et les vannes.
- La même sonde de température ambiante (TR 220 ou RF 1) doit être opérationnelle.
Si ces conditions ne peuvent pas être respectées pendant une durée de plusieurs jours:
▶ Faire travailler le thermostat d'ambiance TR 220 sans optimisation de réchauffement.
Montage: Montage:
▶ Retirer la partie supérieure (a) (fig. 11).
Lors du montage du socle, les marques figurant sur les bornes doivent rester visibles: (fig. 12):
▶ Fixer le socle avec les quatre vis directement sur le mur (montage du socle: fig. 12).
▶ Effectuer le branchement électrique (voir paragraphe 2.2).
▶ Remonter la partie supérieure du thermostat (a).

2.1.3 Montage des accessoires
Monter les accessoires conformément aux règlements en vigueur et aux instructions de montage correspondantes fournies:
- Externe kamertemperatuurvoeler RF 1 - Sonde de température externe RF 1
- Verwarmingsschakelmodule (HSM) - Module de commande du chauffage HSM
- Afstandschakelaar (bouwzijdig) - Télé rupteur (sur les lieux d'installation)
- NTC in boiler (indien aanwezig). - Résistance CTN dans le boiler (s'il y en a un).
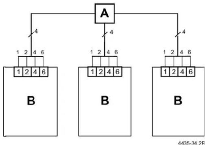
2.2 Elektrische aansluiting 2.2 Branchement électrique

flowchart
graph TD
A["A"] -->|4| B["B"]
A -->|4| B["B"]
A -->|4| B["B"]
B -->|1 2 4 6| A
B -->|1 2 4 6| B
B -->|1 2 4 6| B
B -->|1 2 4 6| B
style A fill:#f9f,stroke:#333
style B fill:#ccf,stroke:#333
style B fill:#cfc,stroke:#333
A aftakdoos
boîte de dérivation
B BUS deelnemers
composants reliés au BUS
Fig. 13
Pour le bus partant du TR 220 vers les autres composants reliés au bus (figure 13):
Utiliser un fil de cuivre à 4 conducteurs à blindage en feuilles minces d'une section de 0,25 mm² minimum. Les câbles se trouvent ainsi blindés contre des influences inductives extérieures comme par exemple câbles à courant fort, conducteurs aériens, postes de transformation, postes de radio ou de télévision, stations radio amateurs, micro-ondes, ou autres.
Tous les câbles de 24 V (courant de mesure) doivent être posés séparément des câbles de 230 V ou 400 V afin d'empêcher une influence inductive (distance minimale 100 mm).
- Longueurs maximales des câbles du bus:
- Entre les composants du bus les plus éloignés 150 m env.
- Longueur totale de tous les câbles du bus reliant les différents composants 500 m env. Economiser les longueurs de câbles en installant des boîtes de distribution.
| Voorkom storingen: | Eviter des dérèglements: |
| ► Maak geen kringverbinding van busdeelnemers.► Sluit altijd klem 1 aan op klem 1 etc. | ► Ne pas établir de connexion en cercle entre les différents composants du bus.► En règle générale, brancher la borne 1 sur la borne 1, etc. |
| Verbinding van de busdeelnemers (fig. 13)Toewijzing van aders:1 = Voedingsspanning 17...24 V DC2 = Gegevenskanaal (BUS-High)4 = GND (aarde)6 = Gegevenskanaal (BUS-Low). | Connexion des composants reliés au bus (fig. 13)Aménagement des conducteurs:1 = Alimentation en courant électrique 17...24 V DC2 = Ligne des données (BUS-High)4 = GND (terre)6 = Ligne des données (BUS-Low). |
| Gaswandketels:► Sluit TR 220 bijvoorbeeld rechtstreeks aan op BM 1 (afb. 9).Indien aanwezig: S'il y en a une:► Sluit externe temperatuurvoeler RF 1 (toebehoren) aan (fig. 14). | Chaudières murales:► Brancher le TR 220 p. ex. directement sur le module de bus BM 1 (fig. 9).► Brancher la sonde de température ambiante externe RF 1 (accessoire) (fig. 14). |
| Verleng indien nodig de leidingen van de RF 1: | Si besoin est, rallonger les câbles de la sonde RF 1: |
| ► Verleng leidingen met een gedraaide tweederige kabel (min. 2 x 0,75 mm2 en max. 40 m). | ► Rallonger les câbles du RF 1 avec un câble à conducteurs bifilaires torsadés (au minimum 2 x 0,75 mm2 et d'une longueur de 40 m max ). |
| Indien aanwezig: S'il y en a un:► Sluit een afstandschakelaar (toebehoren, bouwzijdig) aan (fig. 15). | ► Brancher le télé rupteur (accessoire ; sur les lieux d'installation) (fig. 15). |
| Functie van de afstandschakelaar:Bij gesloten schakelcontact: spaarfunctie aan de door de TR 220 geregelde verwarmingscircuits.Bij geopend schakelcontact: op de TR 220 ingestelde modus wordt overgenomen. | Fonction du télé rupteur:Lorsque le contact de commutation du télé rupteur est fermé: le chauffage se met en mode de service économique pour les circuits de chauffage réglés par le TR 220.Lorsque le contact de commutation du télé rupteur est ouvert: le mode de service réglé sur le TR 220 est repris. |
| De afstandschakelaar moet een voor 5 V DC geschikt potentiaalvrij contact bevatten. | Le télé rupteur doit disposer d'un contact libre de potentiel approprié pour 5 V DC. |

text_image
RF 1 1 2 4 6 R F TR 220 Fig. 14 4876-02.1/G
text_image
Fig. 15 4676-01.1/8 TR 2203. BEDIENING 3 UTILISATION

text_image
r e q o p f g h i I C 15°C 20 10 25 5 30 15 25 10 30 5 k l n m Fig. 16 6 720 610 301-01.103.1 Mise en service le module de commande du chauffage HSM (accessoire) étant branché
- Mettre le codage du HSM sur "1".
3.2 Indications générales d'utilisation
- Lorsque le capot est fermé, toutes les fonctions sont actives (voir "Temps de réaction" à la page 22).
- Lorsque le TR 220 travaille selon le bouton de réglage ⚙ (k), c'est alors le voyant de contrôle inférieur (l) qui est allumé.
3.3 Réglage de la température ambiante (chauffage)
A l'aide du bouton de réglage ⚙(k), régler la température ambiante suivant de laquelle le TR 220 travaille en "Mode de service normal").
Dès que le TR 220 requiert de la chaleur, la chaudière se met en marche jusqu'à ce que la température ambiante déterminée soit atteinte.
3.4 Réglage de la température ambiante (température économique)
▶ A l'aide du bouton de réglage C (m), régler la température ambiante suivant de laquelle le TR 220 travaille en "Mode de service économique").
Dès que le TR 220 requiert de la chaleur, la chaudière se met en marche jusqu'à ce que la température ambiante déterminée soit atteinte.
Recommendations:
▶ Si le bâtiment dispose d'une isolation thermique suffisante: mettre le bouton de réglage C (m) sur la position "5" (antigel).
3.5 Protection antigel
Protection antigel du chauffage
Lorsque les boutons de réglage ⚙ (k) et ℂ (m) se trouvent sur la position “5”, les circuits de chauffage réglés par le TR 220 se mettent en mode de service antigel.
Au cas où il n'y aurait que l'un des boutons de réglage se trouvant sur la position "5", le mode de service antigel n'est valable que pour cet état de service.
Protection antigel pour la préparation d'eau chaude
Une protection antigel dans le boiler est assurée à condition que le boiler soit branché et en fonction du programme d'eau chaude choisi (paragraphe 3.7.5).
A l'aide du bouton de réglage de la température de départ de la chaudière, régler la température de départ maximale nécessaire.
3.6 Changement du mode de service
3.6.1 Mode de service automatique (régulation base)
- Changement automatique entre le mode de service normal et le mode de service économique aux heures prédéterminées dans le programme horaire.
- Service chauffage (= "jour"): le TR 220 règle la température en fonction de la valeur déterminée sur le bouton de réglage ⚙ (k).
- Service économique (= "nuit"): le TR 220 règle la température en fonction de la valeur déterminée sur le bouton de réglage ℃ (m).
D'autres modes de service sont indiqués par un voyant de contrôle. Il est possible à chaque moment de revenir au mode de service automatique.

3.6.2 Chauffage en continu (g)
Dans le mode de service “Chauffage en continu” le TR 220 règle constamment la température en fonction de la valeur déterminée sur le bouton de réglage ⚙ (k). Le réglage effectué dans le programme horaire n’est pas pris en compte.
- Appuyer sur la touche ⬇ (g). Le mode de service “Chauffage en continu” est mis en marche.
Le mode de service "Chauffage en continu" restera en fonction:
- Jusqu'à ce qu'on appuie de nouveau sur la touche à ce moment-là, c'est le mode de service automatique qui entrera en fonction.
- Jusqu'à ce qu'on appuie sur la touche D(h) à ce moment-là, c'est le mode "Service économique" qui entrera en fonction.
- Appuyer sur la touche ⊙ et tourner le bouton de réglage ⚙(k) sur "5". Le mode antigel est opérationnel!
3.6.3 Service économique (h)
Dans le mode de service "Service économique" le TR 220 règle constamment la "Température économique" en fonction de la valeur déterminée sur le bouton de réglage (m) (voir paragraphe 3.4). Le réglage effectué dans le programme horaire n'est pas pris en compte.
Appuyer sur la touche ▷(h). Le mode de service "Service économique" est mis en marche.
Le mode "Service économique" restera en fonction:
- Jusqu'à minuit (00:00 heure); à ce moment-là, c'est le mode de service automatique qui entrera en fonction.
- Jusqu'à ce qu'on appuie de nouveau sur la touche à ce moment-là, c'est le mode de service automatique qui entrera en fonction.
- Jusqu'à ce qu'on appuie sur la touche (g) à ce moment-là, c'est le mode de service "Chauffage en continu" qui entrera en fonction.
Recommendation:
Choisissez cette fonction lorsque vous allez très tôt au lit ou que vous quittez l'habitation pour un long moment.
Si vous êtes de retour avant minuit:
Appuyez sur la touche Le TR 220 recommencera à travailler en mode de service automatique et réglera alors la température en fonction de la température sélectionnée.
3.7 Programmation
Vous trouverez une vue d'ensemble à la page 9.
- Les figures indiquent toujours les réglages effectués en usine.
3.7.1 Indications générales
Pour commencer le processus de programmation, ouvrir le capot.
Appuyer brièvement sur les touches ⊕ (p) ou ⊖(o) pour modifier d'une unité la valeur affichée.
Pour faire dérouler les valeurs plus rapidement, il suffit d'appuyer plus longtemps sur les touches.
▶ Refermer le capot lorsqu'un processus de programmation est terminé. Trois minutes maximum s'écoulent jusqu'à ce que toutes les modifications soient traitées.
3.7.2 Sélectionner la langue (Deutsch +/-)
▶ Mettre le bouton de réglage (n) en position P.
- Appuyer à plusieurs reprises sur la touche Ⓑ jusqu'à ce que Deutsch +/- soit affiché.
▶ Sélectionner la langue désirée à l'aide des touches ⚠ et ⊖
- Français,
• Néerlandais (Nederlands),
• Allemand (Deutsch).
Zomer- of wintertijd instellen: Réglage heure d'été/heure d'hiver:
3.7.3 Réglage du jour de la semaine, de l'heure et du programme vacances
Lors de la mise en service ou en cas de panne de courant assez longue, régler d'abord le jour de la semaine puis l'heure.
Jour de la semaine (SELEC. JOUR +/-)
▶ Mettre le bouton de réglage (n) en position ⏻.
SELEC. JOUR +/− est affiché.
▶ Si, par contre, REGL. HEURE +/- est affiché: appuyer sur la touche (q).
▶ Sélectionner le jour actuel de la semaine à l'aide des touches ⊕ et ⊖
Heure (REGL. HEURE +/-)
▶ Mettre le bouton de réglage (n) en position Ⓐ. REGL. HEURE +/− est affiché.
▶ Si, par contre, SELEC. JOUR +/- est affiché: appuyer sur la touche
▶ Mettre l'heure à l'aide des touches ⊕ et ⊖ Les secondes seront mises sur "0" lorsqu'on appuie sur les touches. Dès que la touche est relâchée, l'horloge se remet en route.
- Mettre l'heure conformément à la description ci-dessus.
▶ Ne pas modifier les heures de commutation (mise en route du chauffage, du mode de service économique, etc.).
3.7.4 Réglage du programme de chauffage avec ou sans optimisation de réchauffement
Possibilités de réglage
- Trois horaires max. de mise en route du chauffage et du mode de service économique par jour.
- Au choix - ces heures sont les mêmes pour chaque jour ou peuvent être fixées différemment pour chaque jour.
- Avec ou sans optimisation de réchauffement.
Mettre en/hors service l'optimisation de réchauffement
▶ Mettre le bouton de réglage (n) en position "P".
- Appuyer à plusieurs reprises sur la touche Ⓑ (q) jusqu'à ce que Optim.: +/- soit affiché:
▶ Mettre en / hors service le mode d'optimisation de réchauffement à l'aide des touches ⊕ et ⒽSignification des points suivants:
- OPTIM.: OFF: le programme de chauffage comprend des heures de commutation pour le chauffage.
- OPTIM.: ON: le programme de chauffage comprend des horaires pour la température ambiante souhaitée.
Le TR 220 décale automatiquement les heures de commutation pour le chauffage. Pour cela, il s'oriente d'après les heures de chauffage dont il avait besoin les jours précédents. C'est ainsi que le TR 220 peut prendre en considération les variations de la température extérieure en fonction de la saison.
Respecter les conditions pour la pièce de commande, voir paragraphe 2.1.2.
Une heure pour la mise en route du chauffage et une heure pour la mise en route du mode de service économique ont été réglées en usine.
Les heures de commutation non affectées sont affichées par --:--.
▶ Mettre le bouton de réglage (n) en position SELEC. JOUR +/- est affiché.
▶ Choisir le jour de la semaine à l'aide des touches ⚠ ou ⊖:
- TOUS JOURS: les heures de la mise en route du mode de "Service chauffage" et de la mise en route du mode "Service économique" » sont les mêmes pour tous les jours de la semaine.
- Jour spécifique (p. ex. JEUDI): c'est toujours ce jour-là et à l'heure sélectionnée, que le programme correspondant se met en route. Donc chaque jeudi à la même heure, le mode "Service chauffage" et le mode "Service économique" se mettent en route.
| i | JOURS --:-- c'est-à-dire qu'il n'y a momentanément pas d'heure de commutation commune pour tous les jours de la semaine. Les heures de commutation pour les différents jours restent cependant valables. |
▶ Appuyer sur la touche Ⓞ(q).
1. SERVICE CHAUF est affiché.
- Sélectionner la première mise en service souhaitée du mode "Chauffage" à l'aide des touches ⭕ ou ⊖.
▶ Appuyer sur la touche Ⓗ.
1. SERVICE ECON est affiché
- Sélectionner la première mise en service souhaitée du mode "Service économique" à l'aide des touches ⚠ ou ⏻.
▶ Appuyer sur la touche
Si on le souhaite: sélectionner d'autres heures pour les mises en service des modes "Chauffage" et "Service économique" comme décrit.
- sélectionner des heures de commutation pour un autre jour de la semaine.
- Appuyer sur la touche touche Ⓑ jusqu'à ce que SELEC. JOUR +/- soit affiché.
Schakelpunt kiezen
Sélection du point de commutation
Les points de commutation que l'on ne veut pas modifier peuvent être sautés à l'aide de la touche ▶(q).
- Appuyer sur la touche Ⓑ jusqu'à ce que le point de commutation souhaité soit affiché.
Effacement du point de commutation
- Appuyer sur la touche Ⓑ jusqu'à ce que le point de commutation souhaité soit affiché.
Appuyer brièvement sur la touche “C” (r) à l’aide d’un crayon. Sur l’affichage apparaît --:-- (voir aussi paragraphe 3.7.104).
3.7.5 Warmwaterprogramma invoeren
Algemeen
3.7.5 Programmation eau chaude
Généralités
- Un programme horaire pour la préparation d'eau chaude a été entrée en usine.
- Lorsque la touche ECO n'est pas appuyée sur la chaudière, il est possible de verrouiller, en fonction de l'heure, la commande de confort dans des appareils de chauffage combinés qui chauffent l'eau chaude sanitaire suivant le principe de chauffe-eau instantané. A ce moment-là, c'est le réchauffement « normal » de l'eau chaude sanitaire suivant le principe du chauffe-eau instantané qui devient opérationnel (voir instructions d'utilisation de la chaudière).
- Les chaudières raccordées à un boiler chargent ce boiler en fonction de l'heure.
- Dans le paragraphe "Réglage des heures et des températures pour la préparation d'eau chaude (HEUR.CHAUF-EAU ET TEMP. CHAUF-EAU)"se trouvant sur la page 16, vous trouverez la description vous indiquant comment commuter sur une programmation de l'heure et de la température dans des chaudières avec boiler raccordé.
- Le programme peut être interrompu à tout moment pour un processus de charge unique.
- Lorsque un boiler est équipé d'une résistance CTN de sonde de température boiler, une protection antigel est toujours assurée (10 °C).
Prudence: dans un boiler muni d'un contact thermostatique, un service antigel n'est pas assuré durant le "Temps de verrouillage".
Accumulation du boiler: immédiatement (= sauter le programme une fois)
▶ Mettre le bouton de réglage (n) en position 📁 IMMEDIAT: NON+/- est affiché.
▶ Mettre en / hors fonctionnement le programme automatique à l'aide des touches ⚠ ou ⚡ Signification des points suivants:
- IMMEDIAT: NON: programme automatique normal (service eau chaude en fonction du programme horaire ou de la programmation de l'heure/de la température).
- IMMEDIAT: OUI: le boiler est (immédiatement) rechargé une fois, malgré le verrouillage. Lorsque le boiler est déjà chargé, l'affichage se remet aussitôt sur IMMEDIAT: NON.
Dans des appareils de chauffage combinés, la commande de confort est active pendant deux heures.
Lorsque un profil heure/température a été programmé, c'est la plus haute valeur de température programmée qui est atteinte (60°C au maximum). Une désinfection thermique éventuellement programmée ne sera pas prise en compte.
Réglage des heures pour la préparation d'eau chaude (DEVERROUILLAGE et VERROUILLAGE)
- Trois points de mise en/hors fonctionnement au maximum sont disponibles par jour pour la préparation d'eau chaude.
- Durant le temps de préparation d'eau chaude, le boiler n'est rechargé qu'en cas de soutirage d'eau ou de chute de la température à l'intérieur du boiler.
• Pour les installations avec boiler:
Durant le temps de verrouillage, l'eau chaude n'est disponible qu'en quantités limitées.
Suivant le volume du boiler et la consommation en eau chaude, un remplissage est souvent suffisant pour une journée (p. ex. avant la première mise en service du mode "Chauffage" ou le soir après la dernière phase de chauffage).
- Pour les installations avec des appareils de chauffage combinés générant de l'eau chaude suivant le principe du chauffe-eau instantané:
Durant le temps de verrouillage, le robinet d'eau chaude doit rester longtemps ouvert, avant que l'eau chaude ne sorte du robinet, étant donné que l'échangeur de chaleur intégré dans la chaudière (p. ex. dans les appareils combinés...) ne reste pas chaud.
Etant donné que, durant la préparation d'eau chaude, le chauffage est peu ou pas utilisé, il est recommandé de faire chauffer le boiler avant la première période de chauffage ou le soir après la dernière période de chauffage.
▶ Mettre le bouton de réglage (n) en position
Appuyer sur la touche Ⓑ (q).
SELEC. JOUR +/- est affiché.
▶ Sélectionner le jour de la semaine à l'aide des touches ⊕ ou ⊖
Appuyer sur la touche ▶.
1. DEVERROUILLAGE est affiché.
▶ Régler le premier temps de déverrouillage à l'aide des touches ⒤ ou .
Appuyer sur la touche ▶.
1. VERROUILLAGE est affiché.
▶ Régler le premier temps de verrouillage à l'aide des touches ⊕ ou ⊖
▶ Sélectionner tous les autres points de commutation conformément au paragraphe 3.7.4 dans lequel vous trouverez une description détaillée.
Réglage des heures et des températures pour la préparation d'eau chaude
Ce réglage n'est disponible que si un boiler est raccordé à la chaudière.
Lorsqu'un boiler est raccordé par un contact thermostatique, seule la fonction EC:HEURE SEUL+/- peut être utilisée.
La fonction "Programmation des heures et des températures pour le boiler" doit d'abord être sélectionnée.
A chaque indication de l'heure est attribuée une température du boiler que le TR 220 cherche à atteindre. Si la préparation d'eau chaude est prioritaire, des températures plus élevées sont rapidement atteintes.
Le refroidissement du boiler survient principalement lors le l'utilisation d'eau chaude. Cela signifie que, même si une température plus basse au niveau du boiler a été choisie, il peut y avoir de l'eau chaude dans ce boiler!
▶ Mettre le bouton de réglage (n) en position P.
Appuyer sur la touche Ⓑ (q) jusqu'à ce que l'affichage suivant apparaisse:
- EC:HEURE SEUL+/- ou
- EC:HEURE/TEMP+/-
▶ Sélectionner le réglage des heures et de la température (EC:HEURE/TEMP+/-) à l'aide des touches ⊕ et ⊖
Ketels met boiler
Appareils de chauffage avec boiler
HEURE SEUL signifie que durant le temps de verrouillage, le boiler refroidit (de manière incontrôlée) en fonction de la fréquence des soutirages et de la température de l'eau à l'entrée du boiler, jusqu'à atteindre la température antigel (10 °C).
HEURE/TEMP signifie: Il est possible de sélectionner au maximum six horaires différents avec des températures de boiler correspondantes.
Le chauffe-eau essaie d'atteindre le plus rapidement possible le profil de température prédéterminé. La vitesse de refroidissement dépend de la fréquence des soutirages et de la température de l'eau froide!
Appareils de chauffage sans préparation d'eau chaude sanitaire
Ni les réglages ni les horaires introduits ne sont pris en compte!
▶ Mettre le bouton de réglage (n) en position
▶ Appuyer sur la touche Ⓑ (q).
SELEC. JOUR +/- est affiché.
▶ Sélectionner le jour de la semaine à l'aide des touches ⚠ ou Ⓔ. P. ex. TOUS JOURS.
▶ Appuyer sur la touche
1. HEUR. CHAUF-EAU est affiché.
▶ Régler les heures désirées à l'aide des touches ⚠ ou ⏻
▶ Appuyer sur la touche Ⓑ.
1. TEMP. CHAUF-EAU est affiché.
▶ Régler la température du boiler à l'aide des touches
⊕ et ⊖
Afin d'obtenir un "verrouillage" à partir de ce moment-là, régler la température du boiler p. ex. à 10°C.
| Verbrandingsgevaar! Avertissement: risques de brûlure!Gebruik temperaturen boven 60°C slechts▶ gedurende korte tijd en alleen voor thermische desinfectie. | ![]() | N'utiliser des températures supérieures à 60°C que sur une courte durée et pour une désinfection thermique! |
| ▶ Voor het instellen van boilertemperaturen boven 60°C (tot 70°C): houd de toets + ca. 5 seconden ingedrukt. | ▶ Pour régler des températures du boiler à des valeurs supérieures à 60 °C (jusqu'à 70 °C): maintenir la touche + enfoncée pendant 5 secondes environ. | |
| De keuzeknop voor de gebruikswatertemperatuur op de ketel moet altijd hoger dan of gelijk aan de door de TR 220 gevraagde temperatuur worden ingesteld. | Le régulateur de température d'eau chaude sanitaire se trouvant sur la chaudière doit toujours être mis sur une valeur supérieure ou égale à celle demandée par le TR 220. | |
Pour régler des températures du boiler à des valeurs supérieures à 60 °C (jusqu'à 70 °C): maintenir la touche ⊕ enfoncée pendant 5 secondes environ.
Le régulateur de température d'eau chaude sanitaire se trouvant sur la chaudière doit toujours être mis sur une valeur supérieure ou égale à celle demandée par le TR 220.
▶ Appuyer sur la touche
▶ Entrer les points de commutation 2 à 6 de la même manière.
L'affichage --:-- signifie que ce point de commutation n'est pas consigné.
Le programme vacances permet de régler immédiatement d'après la température de départ en fonction de la valeur déterminée sur le bouton de réglage C.
Le boiler refroidit et la pompe de circulation est mise hors fonctionnement.
▶ Tourner le bouton de réglage (n) sur position
▶ JOURS VACANCE +/- est affiché.
- Sélectionner le nombre des jours de vacances à l'aide des touches ⚠ ou ⚡ (au maximum 99 jours).
Le jour actuel est inclus dans le nombre de jours de vacances, c'est-à-dire que le TR 220 commence aussitôt à suivre le programme de vacances. Le jour de retour ne doit être inclus dans le nombre de jours de vacances que si, ce jour-là, il n'est pas nécessaire de chauffer.
▶ Appuyer sur la touche
▶ Régler le mode de service qui sera valable après les jours de vacances à l'aide des touches ⚠ ou ⏻
- Mode de service automatique si l'on souhaite commencer à partir du premier point de commutation du chauffage
- Chauffage en continu, si vous souhaitez que le thermostat mette en route le chauffage à partir de minuit parce que vous comptez rentrer déjà dans la matinée.
▶ A l'aide du bouton de réglage C (m), régler la température économique (=température de départ pendant votre absence). Faites attention à ce que la température réglée ne nuise pas à vos animaux domestiques, plantes d'appartement, etc.
▶ Refermer le capot.
Le mode de service vacances est directement opérationnel. Le nombre de jours restants est constamment affiché.
Une fois les jours entrés écoulés, le TR 220 termine automatiquement à minuit le mode de service économique et retourne au mode de service automatique ou chauffage en continu.
Pour arrêter prématurément le mode de service vacances:
- appuyer deux fois sur la touche (g),
▶ mettre le nombre de jours sur "0".
3.7.7 Affichage des valeurs réglées (i)
▶ Mettre le bouton de réglage (n) en position i.
Chaque valeur est affichée durant 3 secondes, ensuite le TR 220 affiche la suivante.
▶ Arrêter le déroulement automatique:
Appuyer sur la touche ⊕ ou ⊖
- ⊕: pour afficher la valeur suivante,
- ⊖: pour afficher la valeur précédente.
Pour redémarrer l'affichage automatique:
Appuyer sur la touche (q).

Au cas où --.-- est affiché, lors de la mise en service: la valeur de température correspondante est disponible au bout d'une minute env. ; soit elle n'existe pas, soit elle est interrompue.
Il est possible d'afficher les valeurs suivantes:
| Texte d'affichage | Description |
| Jeudi | Jour actuel de la semaine |
| Temp. amb. prescri | Température ambiante souhaitée |
| Temp. amb. effect | Température ambiante effective (lorsqu'aucune sonde de température ambiante RF 1 n'est branchée) |
| Temp. amb. locale | Température ambiante sur le TR 220 (lorsqu'une sonde de température ambiante RF 1 est branchée) |
| Temp. à distance | Température ambiante sur le RF 1 (lorsqu'un RF 1 est branché) |
| Temp départ max | Température de départ max. réglée sur la chaudière |
| Temp. départ eff | Température de départ à le chaudière |
| % exigen. chauff | (seulement dans Chauff.Econ. +/-) Puissance de chauffage demandée par le TR 220 (ne correspond pas à la puissance de chauffage de la chaudière) |
| Temp. dép. prescr. | (seulement dans Chauff.Econ. +/-) Température de départ demandée par le TR 220 |
| Optim.: off/on | Etat du mode d'optimisation de réchauffement |
| Eau chaude déver/verr | (seulement dans Ec:heure seul +/-) Etat du programme eau chaude |
| Cha.verr. off/on | Etat de charge du boiler |
| Eau chaude max | Température maximale admise au boiler ou température de prise d'eau dans les appareils combinés |
| Temp. eau chaude | Température du boiler ou température au robinet d'eau dans les appareils combinés |
| Temp.pres. eau chaude | Température d'eau chaude souhaitée |
| Pomp. circul. off/on | Etat de la pompe de circulation (seulement avec HSM) |
| Flamme off/on | Etat du brûleur |
| Pompe off/on | Etat de la pompe de circulation de la chaudière |
| Service hiver Y ^1) | Etat du sélecteur de la température de départ sur la chaudière |
| Erreur A3 | Perturbation de la chaudière |
3.7.8 Introduire le programme horaire pour la pompe de circulation
Le fonctionnement ne s'avère efficace que si une pompe de circulation est reliée à un HSM. p
▶ Mettre le bouton de réglage (n) en position P.
Appuyer sur la touche Ⓑ (q) pendant 5 secondes env. jusqu'à ce que PROG. POMP.CIR. soit affiché.
Appuyer brièvement sur la touche Ⓑ jusqu'à ce que SELEC. JOUR +/- soit affiché.
A l'aide des touches tou, sélectionner le jour de la semaine, p. ex. TOUS JOURS.
▶ Appuyer sur la touche Ⓗ.
1. DEBU.CIRCULAT. est affiché.
A l'aide des touches +ou, régler l'heure à partir de laquelle la pompe de circulation doit fonctionner.
i
Une mise en marche de la pompe de circulation pendant 10 ou 20 minutes avant votre réveil est souvent suffisante. Pendant le reste de la journée, le contenu dans les conduites reste suffisamment chaud en raison des soutirages fréquents.
▶ Appuyer sur la touche Ⓑ.
1. FIN CIRCULAT. est affiché.
▶ A l'aide des touches ⚠ ou ⏰ régler l'heure à laquelle la pompe doit être déclenchée.
▶ Appuyer sur la touche
▶ Sélectionner tous les autres points de commutation conformément au paragraphe 3.7.4 dans lequel vous trouverez une description détaillée.
3.7.9 Le niveau pour l'installateur
A ce niveau, il est possible d'entrer les valeurs suivantes:
- l'ajustement des sondes de température ambiante et à distance.
- les ajustements pour les graduations des boutons de réglage "☆ou "C".
- modifications de différents paramètres de réglage:
- mode de service: Eco/Confort,
- pénétration,
- vitesse d'adaptation.
Ajustement de la sonde de température ambiante
L'ajustement de la sonde de température ambiante permet de modifier l'affichage de la température du TR 220.
La valeur peut être corrigée au maximum de 3 K (°C) par étapes de 0,1 K vers le haut ou vers le bas.
▶ Positionner un instrument de mesure approprié (étalonné) de manière à mesurer la température ambiante du TR 220 sans pour autant que cet instrument de mesure ne soit influencé par la chaleur.
▶ Refermer le capot du TR 220.
▶ Tenir le TR 220 éloigné de toute source de chaleur (soleil, chaleur du corps, etc.) pendant au moins une heure avant d'effectuer l'ajustement.
▶ Ouvrir le capot.
▶ Relever immédiatement la “bonne” température ambiante sur l’instrument de mesure de précision et notez celle-ci.
▶ Tourner le bouton de réglage (n) sur la position P.
Appuyer sur la touche Ⓑ (q) pendant 5 secondes env. jusqu'à ce que PROG. POMP.CIR. soit affiché.
- Appuyer sur la touche Ⓑ pendant 5 secondes env. jusqu'à ce que NIV.SPECIALISTE soit affiché.
Appuyer à plusieurs reprises sur la touche Ⓑ jusqu'à ce que SONDE AMB. +/- soit affiché. La température ambiante figée sur le TR 220 est affichée à 0,7°C près.
- Modifier l'ajustement de la sonde de température ambiante à l'aide des touches ⚠ ou ⏻
Ajustement de la sonde de température à distance (accessoire RF 1)
Il est recommandé d'effectuer l'ajustement de la sonde de température ambiante, si nécessaire, au cours d'une opération de travail séparée.
L'ajustement de la sonde de température ambiante RF 1 permet de modifier l'affichage de la température du TR 220. La valeur peut être corrigée au maximum de 3 K (°C) par étapes de 0,1 K vers le haut ou vers le bas.
▶ Positionner un instrument de mesure approprié (étalonné) de manière à saisir la température ambiante de la sonde de température ambiante RF 1 sans pour autant dissiper de la chaleur pouvant l'influencer.
▶ Refermer le capot du TR 220.
▶ Tenir la sonde de température ambiante RF 1 éloignée de toute source de chaleur (soleil, chaleur du corps, etc.) pendant au moins une heure avant d'effectuer l'ajustement.
▶
▶ Relever immédiatement la “bonne” température ambiante sur l’instrument de mesure de précision et notez celle-ci.
▶ Tourner le bouton de réglage (n) sur la position P.
- Appuyer sur la touche (fq) pendant 5 secondes env. jusqu'à ce que PROG. POMP.CIR. soit affiché.
Appuyer sur la touche Ⓑ pendant 5 secondes env. jusqu'à ce que NIV.SPECIALISTE soit affiché.
Appuyer à plusieurs reprises sur la touche jusqu'à ce que SOND. TEMP. DIST +/− soit affiché. La température "figée" de la sonde de température à distance est affichée à 0,1 °C près.
- Modifier l'ajustement de la sonde de température ambiante RF 1 à l'aide des touches ⊕ ou ⊖
Effectuer l'ajustement des graduations des boutons de réglage " ✝" et " ℃"
Grâce à l'ajustement de la graduation, il est possible de compenser des tolérances éventuelles dans les indications écrites sur les boutons de réglage “✝” et “¢” sur le TR 220.
▶ Tourner le bouton de réglage (n) sur la position P.
- Appuyer sur la touche Ⓑ (q) pendant 5 secondes env. jusqu'à ce que PROG. POMP.CIR. soit affiché.
- Appuyer sur la touche Ⓑ pendant 5 secondes env. jusqu'à ce que NIV.SPECIALISTE soit affiché.
Pour la graduation “☀”: appuyer à plusieurs reprises sur la touche ☑ jusqu’à ce que GRADUA.CHAUF+/-soit affiché.
Pour la graduation “C”: appuyer à plusieurs reprises sur la touche Ⓑ jusqu’à ce que GRADUA.ECON. +/- soit affiché.
▶ Tourner avec précision le bouton de réglage en question dans une position souvent utilisée p. ex.:
- 20°C pour "☀",
- 15°C pour "C".
Stel de functie "ECO" of "COMFORT" in
Régler le mode de service sur "ECO" ou sur "Confort"
▶ Tourner le bouton de réglage (n) sur la position P.
- Appuyer sur la touche (q) pendant 5 secondes env. jusqu'à ce que PROG. POMP.CIR. soit affiché.
- Appuyer sur la touche Ⓑ pendant 5 secondes env. jusqu'à ce que NIV.SPECIALISTE soit affiché.
- Appuyer à plusieurs reprises sur la touche Ⓑ jusqu'à ce que CHAUFF.CONF. +/- soit affiché.
▶ A l'aide de touches +of, sélectionner le mode de service CHAUFF.CONF. +/- ou CHAUFF.ECON. +/-
- CHAUFF.CONF.: la température de départ est utilisée comme valeur de référence. La pompe travaille plus longtemps. La température des radiateurs varie moins.
- CHAUFF.ECON.: la puissance de chauffage de la chaudière est commandée. La pompe travaille moins longtemps. La température des radiateurs varie plus.
Régler la pénétration
La pénétration peut être réglée entre les valeurs 10 et 25 par étapes de 5.
▶ Tourner le bouton de réglage (n) sur la position P.
- Appuyer sur la touche Ⓑ (q) pendant 5 secondes env. jusqu'à ce que PROG. POMP.CIR. soit affiché.
- Appuyer sur la touche ▶ pendant 5 secondes env. jusqu'à ce que NIV.SPECIALISTE soit affiché.
- Appuyer à plusieurs reprises sur la touche Ⓑ jusqu'à ce que PENETRATION V +/- soit affiché.
▶ Régler la pénétration à l'aide de touches ⊕ of ⊖
La pénétration influence les demandes de chaleur en fonction des variations de la température ambiante:
- Pénétration moins importante (p. ex. "10"):
Ceci signifie: petite réaction aux différences. Résultat: adaptation plus lente de la température ambiante, mais plus stable. Standard: "20". - Pénétration plus importante (p. ex. "25"):
Ceci signifie: réaction plus importante aux différences. Résultat: adaptation plus rapide de la température ambiante, mais moins stable. Standard: "20".
Pour les installations de chauffage avec grande quantité d'eau:
- Sélectionner une pénétration plus importante afin que la grande quantité d'eau soit rapidement réchauffée.
Régler la vitesse d'adaptation
La vitesse d'adaptation (facteur de correction "I" peut être réglée entre les valeurs 2 et 5 par étapes de 1.
▶ Tourner le bouton de réglage (n) sur la position P.
Appuyer sur la touche Ⓑ (q) pendant 5 secondes env. jusqu'à ce que PROG. POMP.CIR. soit affiché.
- Appuyer sur la touche ⚠ pendant 5 secondes env. jusqu'à ce que NIV.SPECIALISTE soit affiché.
- Appuyer à plusieurs reprises sur la touche Ⓑ jusqu'à ce que VIT.ADAPTAT. +/- soit affiché.
▶ Régler la vitesse d'adaptation à l'aide de touches ⓣ of Ⓔ.
L'augmentation d'une unité entraîne une multiplication par 2 de la vitesse d'adaptation.
La vitesse d'adaptation représente la vitesse à laquelle un écart constant de réglage est compensé:
- Vitesse d'adaptation moins importante (p. ex. "2"):
Ceci signifie: attendre plus longtemps à l'adaptation aux variations de température. Résultat: fonctionnement plus stable de la chaudière.
Standard: "4".
- Vitesse d'adaptation plus importante (p. ex. "5"):
Ceci signifie: adaptation plus rapide aux variations de température. Résultat: fonctionnement moins stable de la chaudière.
Standard: "4"..
3.7.10 Verwijderen
- Les points suivants peuvent être effacés au choix:
mmutation,
- un programme (p. ex. seulement le programme de chauffage),
- Afin d'éviter toute action involontaire, la touche ⒶC (r) est enfoncée. Il est facile d'enfoncer cette touche p. ex. à l'aide d'un stylo à bille.
Effacement d'un seul point de commutation
▶ Mettre le bouton de réglage (n) sur la position désirée.
Appuyer à plusieurs reprises sur la touche Ⓑ (q) jusqu'à ce que le point de commutation souhaité soit affiché.
▶ Appuyer brièvement sur la touche Ⓐ C (r).
Effacement de tous les points de commutation personnels
Si vous désirez effectuer de nombreuses modifications dans la programmation, il est quelquefois plus commode de sortir de la programmation effectuée en usine.
Exemple: effacer le programme de chauffage complet du circuit de chauffage non mélangé.
▶ Mettre le bouton de réglage (n) en position 1.
SELEC. JOUR +/- est affiché.
▶ Appuyer brièvement sur la touche Ⓔ C (r).
La programmation effectuée en usine est remise en marche: TOUS JOURS; 1. SERVICE CHAUF 06:00, 1. SERVICE ECON 22:00, autres points de commutation --:--.
Remettre tous les réglages sur la programmation effectuée en usine
- Appuyer sur la touche Ⓐ C (r) pendant plus de 15 secondes env.
Au bout de 5 secondes env. apparaît sur le cadran l'affichage
!!! ATTENTION!!!
EFFACER EN 9 SEC
EFFACER EN 8 SEC
EFFACER EN 7 SEC
...
3.7.11 Remarques supplémentaires
Autonomie
Après une journée de fonctionnement, le TR 220 dispose d'une autonomie d'environ 8 heures.
En cas de panne de courant, l'affichage s'éteint. Lorsque le temps d'autonomie est dépassé, l'heure n'est plus correctement réglée. Tous les autres réglages restent mémorisés.
Lorsque le temps d'autonomie a été dépassé: mettre à nouveau l'heure (voir paragraphe 3.7.3, "Heure").
▶ Ne pas arrêter le chauffage en été, mais choisir une température basse sur le TR 220 (voir paragraphe 3.6.2).
Temps de réaction
- Les temps de réaction dans le bus sont de 3 minutes au maximum.
- Les composants du bus faisant défaut sont reconnus au plus tard au bout de 3 minutes maximum.
Notice succincte d'utilisation
Une notice succincte d'utilisation se trouve à droite dans le socle.
3.7.12 TR 220 avec sonde de température à distance intégrée RF 1 (accessoire)
Le RF 1 rend inopérant la sonde intégrée dans le TR 220. Le RF 1 est déterminant pour l'affichage et le réglage.
▶ Utiliser le RF 1 lorsque l'emplacement du TR 220 ne convient pas pour une mesure correcte.
3.7.13 Télé rupteur (sur les lieux d'installation) branché sur le TR 220
Commande à distance du chauffage à l'aide d'un télé rupteur.
L'application la plus courante:
Mise en marche du chauffage par commande à distance par l'intermédiaire du téléphone et d'un code personnel.
▶ Avant de quitter l'installation:
Choisir le mode de service pour le moment du retour (chauffage automatique ou en continu). ▶ Fermer le télé rupteur: le TR 220 fonctionne en mode économique, le boiler refroidit et la pompe de circulation est hors fonctionnement. Sur le cadran apparaît l'affichage BLOQUE PAR. TEL.
Lorsque le contact est ouvert p. ex. par un signal téléphonique codé, le TR 220 travaille en mode de service choisi préalablement.
Lors d'une absence prolongée, l'habitation (murs, etc.) se refroidit considérablement et met, en conséquence, plus longtemps à se réchauffer. Enclencher donc le chauffage à temps.
3.7.14 Messages du TR 220
Les pannes survenues sur la chaudière sont transmises au TR 220 et peuvent être lues sur celui-ci.
En cas de panne à la chaudière, le voyant de contrôle ⚙ (I) clignote en plus, et le display affiche p. ex. TESTER INSTALL. A3.
▶ Respecter les indications figurant dans les instructions de la chaudière.
- Consulter votre installateur ou le service après-vente de JUNKERS.
Lorsque, sur le cadran du TR 220, apparaît l'affichage ERREUT CAN 4:
Contrôler si la chaudière est mise en marche.
Si cette erreur ou une ERREUR CAN continue d'être affichée: consulter votre installateur ou le service après-vente de JUNKERS.
4. REMARQUES GENERALES
... et conseils pour économiser de l'énergie:
- La température régnant dans la pièce de commande (lieu de montage du TR 220) détermine la commande de toute l'installation de chauffage. C'est la raison pour laquelle la capacité de réglage de la puissance des radiateurs doit être réduite le plus possible:
- En cas de simples vannes préréglées par l'intermédiaire du préréglage.
- Au cas où les vannes thermostatiques seraient complètement ouvertes, au moyen des robinets de retour.
Lorsque les vannes thermostatiques se trouvant dans la pièce de commande ne sont pas complètement ouvertes, elles ont tendance à brider le chauffage tandis que le TR 220 demanderait toujours plus de chaleur.
- Dans les pièces voisines, régler la température par l'intermédiaire des vannes thermostatiques.
- Lorsque la pièce de commande est chauffée par de la chaleur extérieure (p. ex. soleil, poêle en faïence, etc.), il peut en résulter un réchauffement insuffisant des pièces voisines (le chauffage reste hors service). Afin d'y remédier, monter une sonde de température ambiante RF 1 dans les pièces voisines qui sont plus froides.
- Un abaissement de la température ambiante diurne ou nocturne permet d'économiser beaucoup d'énergie. L'abaissement de la température ambiante d'un seul degré (°C) peut se traduire par une économie d'énergie pouvant aller jusqu'à 5%.
Cependant, il n'est pas recommandé de laisser la température ambiante des pièces chauffées tous les jours descendre en dessous de +15 °C, car des murs trop refroidis continuent à répandre du froid dans la pièce et on a tendance à choisir une température ambiante trop élevée ce qui se traduit par une consommation en énergie plus élevée que dans le cas d'un apport de chaleur régulier.
- Bonne isolation thermique du bâtiment: la température économique déterminée n'est pas atteinte. Pourtant on économise de l'énergie puisque le chauffage est arrêté. Choisir plutôt l'heure de la mise en route du mode de service économique.
- Pour aérer les pièces, ne pas laisser les fenêtres en position basculée. Le pièce perd de manière permanente de la chaleur sans que l'air s'en trouve amélioré pour autant.
- Mieux vaut aérer brièvement mais intensément (fenêtres grandes ouvertes).
- Fermer les vannes thermostatiques durant l'aération ou choisir "Service économique" sur le TR 220.
Le mode d'optimisation de réchauffement étant en service:
- Le système d'optimisation de réchauffement est en mesure d'apprendre les conditions existantes dans la pièce de commande (voir paragraphe 2.1.2).
Durant le premier réchauffement, il peut y avoir des variations de température considérables. Durant la première phase d'apprentissage, ne pas modifier la valeur souhaitée jusqu'à la fin du réchauffement. Au bout de quelques jours, le processus d'apprentissage est avancé et la précision du réglage augmente.
- Régler la température économique sur la valeur la plus basse possible.
- Durant le mode de service économique, les conditions doivent être constamment les mêmes dans la pièce de commande (voir paragraphe 2.1.2).
Lorsque les conditions sont modifiées, le système d'optimisation de réchauffement peut mettre plusieurs jours à s'adapter aux nouvelles conditions.
- Au cas où on ne chaufferait pas durant une période assez longue, p. ex. pendant le week-end, il se peut que les pièces refroidissent considérablement de sorte que la chaudière n'est pas en mesure de les réchauffer jusqu'à l'heure déterminée (heure de mise en route de la chaudière au maximum 6 heures avant mise en route du mode de chauffage).
Dans ce cas-là, avancer l'heure de commutation en conséquence.
- Charger le boiler seulement en dehors du temps de réchauffement, p. ex. 30 minutes après la mise en route du mode de service chauffage.
- Au cas où les radiateurs deviendraient vraiment trop chauds, réduire en conséquence la température de départ maximale au niveau de la chaudière.
- FOUTEN OPSPOREN 5. DEPANNAGE
| Weergave Indication | Oorzaak Cause | Oplossing Remède | |
| N | CAN-fout 1 Communicatie tussen de deelnemers onderbroken. | Hef de onderbreking op. | |
| F | ERREUR CAN 1 La communication entre les composants du bus est inter-rompue. | Rétablir la liaison. | |
| N | CAN-fout 2 Leidingen | aan de klemmen 2 en 6 verwisseld of kortsluiting. | Sluit de leidingen volgens het schakelschema aan of hef de kortsluiting op. |
| F | ERREUR CAN 2 Les conducteurs ont été in-versés sur les bornes 2 et 6 ou court-circuit. | Brancher les conducteurs conformément au schéma électrique ou remédier aux causes du court-circuit. | |
| N | CAN-fout 3 Zie CAN-fout 1 en CAN-fout 2. | ||
| F | ERREUR CAN 3 voir ERREUR CAN 1 + ERREUR CAN 2. | ||
| N | CAN-fout 4 Ketel uit geschakeld of geen BM 1 aangesloten. | Schakel de ketel in of sluit de BM 1 aan. | |
| F | ERREUR CAN 4 La chaudière est hors fonctionnement ou aucun BM 1 n'est branché. | Mettre la chaudière en fonctionnement ou brancher le BM 1. | |
| N | CAN-fout 5 Zie CAN-fout 1 + CAN-fout 4. | ||
| F | ERREUR CAN 5 Voir ERREUR CAN 1 + ERREUR CAN 4. | ||
| N | CAN-fout 6 Zie CAN-fout 2 + CAN-fout 4. | ||
| F | ERREUR CAN 6 Voir ERREUR CAN 2 + ERREUR CAN 2. | ||
| N | CAN-fout 7 Zie CAN-fout 1 + CAN-fout 2 + CAN-fout 4. | ||
| F | ERREUR CAN 7 Voir ERREUR CAN 1 + ERREUR CAN 2 + ERREUR CAN 4. | ||
| KlachtPanne | OorzaakCause | OplossingRemède | |
| N | Gewenste kamertemperatuur wordt niet bereikt. | Thermostaatkranen in de regelruimte te laag ingesteld. | Open de thermostaatkranen volledig of vervang deze door handbediende kranen. |
| Keuzeknop voor de aanvoer-temperatuur op ketel te laag ingesteld. | Stel de keuzeknop voor de aanvoertemperatuur hoger in. | ||
| Lucht in de verwarmingsinstallatie. | Ontlucht de verwarmingsradiatoren en de verwarmingsinstallatie. | ||
| F | La température ambiante souhaitée n'est pas atteinte. | Le réglage de(s) vanne(s) thermostatique(s) se trouvant dans le pièce de commande est trop bas. | Ouvrir complètement le(s) vanne(s) thermostatique(s) ou les échangeur contre une (des) vanne(s) manuelle(s). |
| La température de départ réglée à la chaudière est trop basse. | Augmenter la température de départ sur la chaudière en réglant sur une position plus élevée. | ||
| Présence d'air dans l'installation de chauffage. | Purger les radiateurs et l'installation de chauffage. | ||
| N | Gewenste kamertemperatuur wordt ver overschreden. | Montageplaats van de TR 220 ongunstig, bijvoorbeeld bij buitenmuur, in de buurt van een raam, luchtstroom, enz. | Kies een betere montageplaats (zie paragraaf 2.1.2) of gebruik een externe RF 1. |
| F | La température ambiante souhaitée est largement dépassée. | Emplacement du thermostat TR 220 mal choisi, p. ex. mur extérieur, proximité de fenêtres, courant d'air, etc. | Choisir un meilleur emplacement pour le thermostat (voir paragraphe 2.1.2) ou utiliser la sonde de température externe RF 1. |
| N | Stijging in plaats van ver-laging van temperatuur. | Tijd van de dag verkeerd ingesteld. | Controleer de instelling. |
| F | La température monte au lieu de baisser. | Mauvais réglage de l'heure. Contrôler le réglage. | |
| N | Bij de spaarfunctie een te hoge kamertemperatuur. | Te grote warmteopslag van het gebouw. (keuzeschakelaar € te hoog ingesteld) | Kies het begintijdstip van de spaarfunctie vroeger. |
| F | Température ambiante trop élevée en mode de service économique. | Bâtiment dispose d'une bonne isolation thermique. (sélecteur € réglé trop haut) | Choisir plutôt l'heure de la mise en route du mode de service économique. |
| N | Verkeerde regeling of geen regeling. | Verkeerde bedrading van de TR 220. | Controleer de bedrading volgens het aansluit-schema en corrigeer indien nodig. |
| F | Mauvais réglage ou pas de réglage du tout. | Mauvais branchement du ther-mostat TR 220. | Contrôler les connexions conformément au schéma électrique et les corriger si nécessaire. |
| N | Geen weergave of weergave reageert niet. | Stroom zeer kort uitgevallen. Zet | de hoofdschakelaar van de ketel uit.Wacht enkele seconden en schakel opnieuw in. |
| F | Aucun affichage ou l'affichage ne réagit pas. | Panne de courant de très courte durée. | Arrêter la chaudière par l'interrupteur principal, attendre quelques secondes, puis remettre en marche. |
| N | Boiler verwarmt niet. | Keuzeknop voor de warm-watertemperatuur op de ketel te laag ingesteld. | Stel de keuzeknop voor de warmwatertem-peratuur op de ketel hoger in. |
| F | Le boiler ne chauffe pas. La température de l'eau chaude réglée sur la chaudière est trop basse. | Régler la température de l'eau chaude sur la chaudière en mettant sur une position plus élevée. | |
| N | Weergave warmwater-temp. staat op "0". | Geen gebruikswaterfunctie sinds de laatste spanningsonderbreking. | Gebruikswaterbereiding starten:Draaischakelaar in de stand " ",Onmidd.: ja en warm water afnemen. |
| F | Affichage de la TEMP EAU CHAUDE est sur "0". | Aucun service d'eau chaude sanitaire depuis la dernière interruption de courant. | Procéder à la préparation d'eau chaude sanitaire: mettre le bouton de commande en position " ", IMMEDIAT: OUI et enlever de l'eau chaude. |
6. OVERZICHT 6. VUE GLOBALE
| Programmeeroverzicht (fabrieksinstelling) | Vue globale de la programmation (réglage effectué en usine) | ||||
| Stand van de draaischakelaar | Druk op toets | Display (fabrieksinstelling) | Instelbereik (toetsen of) | Ingesteld op TR 220 | Beschrijving → blz ... |
| Position du bouton de réglage | Appuyer sur la touche | Indication (réglage en usine) | Plage de réglage (touches ou) | Réglée sur le TR 220 | Description → page ... |
![]() | --- | Tijd inst. +/- (12:00) | 00:00 ... 23:59 --- | 12 | |
| Régl. heure +/- (12:00) | |||||
| ◎ | Dag kiezen +/- | maandag ... zondag | --- | 12 | |
| Sélec. jour +/- | lundi ... dimanche | ||||
![]() | --- | Dag kiezen +/- | alle dagen van de week maandag ... zondag | zie blz. 33 | 12 |
| Sélec. jour +/- | tous les jours lundi ... dimanche | voir page 33 | |||
| ◎ | 1^e normale temp. (6:00) zie blz 3300:00 ... 23:50 | voir page 33 | 13 | ||
| 1 service chauf (6:00) | |||||
| ◎ | 1^e gered. temp. (22:00) zie blz 3300:00 ... 23:50 | voir page 33 | 13 | ||
| 1. service écon (22:00) | |||||
| 2^e en 3^e begintijdstip verwarmen en spaarfunctie, zie boven.Verwijder niet noodzakelijke schakelpunten (druk kort op de toets "C", in het display wordt --:-- weergegeven). | zie blz. 33 | 13 | |||
| Pour la 2^ieme et 3^ieme mises en route du chauffage et du mode de service économique, voir ci-dessus. Effacer tous les points de commutation dont vous n'avez pas besoin (appuyer brièvement sur la touche "C", sur le cadran apparaît --:--). | voir page 33 | ||||
| Programmeeroverzicht (fabrieksinstelling) Vue globale de la programmation (réglage effectué en usine) | |||||
| Stand van de draaischakelaar | Druk op toets | Display (fabrieksinstelling) | Instelbereik (toetsen of) | Ingesteld op TR 220 | Beschrijving → blz ... |
| Position du bouton de réglage | Appuyer sur la touche | Indication (réglage en usine) | Plage de réglage (touches ou) | Réglée sur le TR 220 | Description → page ... |
![]() | --- | Onmidd.: nee +/- | nee / ja | 14 | |
| Immédiat.: non +/- | non / oui | ||||
| ◎ | Dag kiezen +/- | Alle dagen van de week maandag ... zondag | zie blz. 33 | 15 | |
| Sélec. jour +/- | Tous les jours lundi ... dimanche | voir page 33 | |||
| ◎ | 1^e vrijgave (5:00) zie blz. 33 | 00:00 ... 23:50 | 15 | ||
| 1. déverrouillage (5:00) | voir page 33 | ||||
| ◎ | 1^e blokkering (22:00) zie blz. | 33 | 15 | ||
| 1. verrouillage (22:00) | 00:00 ... 23:50 | voir page 33 | |||
| 2^e en 3^e vrijgave en blokkering, zie boven.Verwijder niet noodzakelijke schakelpunten (druk kort op de toets "C", in het display wordt --:-- weergegeven) | zie blz. 33 | 13 | |||
| Pour la 2^ieme et 3^ieme déverrouillage et verrouillage voir ci-dessus. Effacer tous les points de commutation dont vous n'avez pas besoin (Appuyer brièvement sur la touché "C" sur le cadran apparaît --:--). | voir page 33 | ||||
| Indien afwijkend van de fabrieksinstelling op het programmeerniveau Tijd/temp +/- ingesteld is: | 16 | ||||
| Au cas où, dans le niveau de programmation, contrairement au réglage effectué en usine, serait réglé EC:HEURE/TEMP +/-: | |||||
| --- | Onmidd.: nee +/- | nee / ja | 14 | ||
| Immédiat.: non +/- | non / oui | ||||
| ◎ | Dag kiezen +/- | Alle dagen van de week maandag ... zondag | zie blz. 33 | 16 | |
| Sélec. jour +/- | Tous les jours lundi ... dimanche | voir page 33 | |||
| ◎ | 1^e tijd boiler (5:00 60.0°C) | 00:00 ... 23:50 | zie blz. 33 | 16 | |
| 1. heur. chauff-eau (5:00 60.0°C) | voir page 33 | ||||
| ◎ | 1^e temp. boiler (5:00 60.0°C) | 10^ C ... 60^ C daarboven + ca. 5 seconden indrukken (tot 70^ C) | zie blz. 33 | 16 | |
| 1. temp. chauff-eau (5:00 60.0°C) | 10^ C à 60^ C au-delà ap-puyer + pendant 5 se-condes env. (jusqu'à 70^ C) | voir page 33 | |||
| Schakelpunten 2 tot 6 zie boven.Verwijder niet noodzakelijke schakelpunten (druk kort op de toets "C" in het display wordt --:-- weergegeven) | zie blz. 33 | 13 | |||
| Pour les points de commutation 2 à 6, voir ci-dessus. Effacer tous les points de commutation dont vous n'avez pas besoin (Appuyer brièvement sur la touché "C", sur le cadran apparaît --:--) | voir page 33 | ||||
![]() | Vrije dagen +/- (0) | 0 ... 99 --- | 17 | ||
| Jours vacanc +/- (0) | |||||
| ☑ | Automatisch +/- | automatisch / continu verwarmen | --- | 17 | |
| Automatique +/- | automatique / chauffage permanent | ||||
| Programmeeroverzicht (fabrieksinstelling) Vue globale de la programmation (réglage effectué en usine) | |||||
| Stand van de draaischakelaar | Druk op toets | Display (fabrieksinstelling) | Instelbereik (toetsen ⊕ of ⊙) | Ingesteld op TR 220 | Beschrijving ➔ blz ... |
| Position du bou-ton de réglage | Appuyer sur la touche | Indication (réglage en usine) | Plage de réglage (touches ⊕ ou ⊙) | Réglée sur le TR 220 | Description ➔ page ... |
![]() | Ingestelde waarden weergeven.Elke waarde wordt gedurende 3 seconden weergegeven. Roep waarden op met de toetsen ⊕ en ⊙ Druk op de toets . De waarden worden gedurende 3 seconden weergegeven. | --- | 17 | ||
| Afficher les valeurs réglées.Chaque valeur est affichée pour une durée de 3 secondes. Appeler les valeurs au choix à l'aide des touches ⊕ ou ⊙ Appuyer sur la touche ⊙ Les valeurs sont encore une fois affichées pour une durée de 3 secondes. | |||||
| Programmeeroverzicht (fabrieksinstelling) | Vue globale de la programmation (réglage effectué en usine) | ||||
| Stand van de draaischakelaar | Druk op toets | Display (fabrieksinstelling) | Instelbereik (toetsen of) | Ingesteld op TR 220 | Beschrijving → blz ... |
| Position du bou-ton de réglage | Appuyer sur la touche | Indication (réglage en usine) | Plage de réglage (touches ou) | Réglée sur le TR 220 | Description → page ... |
![]() | --- | Programm.niveau (= niveau 1)Niveau programme (= niveau 1) | --- | --- | 19 |
| ◎ | Optim.: Uit +/- | uit/aan | --- | 12 | |
| Optim.: OFF +/- | OFF/ON | ||||
| ◎ | Alleen tijd +/- | alleen tijd / tijd en temperaturen | 15 | ||
| EC: heure seul +/- | heure seulement / heure + température | ||||
| ◎ | Deutsch +/- | Deutsch Nederlands Français | 11 | ||
| Programmeeroverzicht (fabrieksinstelling) Vue globale de la programmation (réglage effectué en usine) | |||||
| Stand van de draaischakelaar | Druk op toets | Display (fabrieksinstelling) | Instelbereik (toetsen of) | Ingesteld op TR 220 | Beschrijving → blz ... |
| Position du bouton de réglage | Appuyer sur la touche | Indication (réglage en usine) | Plage de réglage (touches ou) | Réglée sur le TR 220 | Description → page ... |
![]() | --- | Programm.niveau (= niveau 1) | --- | --- | 19 |
| Niveau programme (= niveau 1) | |||||
| ≥5 s | Circ. pomp progr. (= niveau 2) | --- | --- | 19 | |
| Prog. pomp. cir. (= niveau 2) | |||||
| ◎ | Dag kiezen +/- | Alle dagen van de week maandag ... zondag | zie blz. 48 | 19 | |
| Sélec. jour +/- | Tous les jours lundi ... dimanche | voir page 48 | |||
| ◎ | 1^e begin circul. (6:00) | 00:00 tot 23:50 (alleen met HSM) | zie blz. 48 | 19 | |
| 1. débu. circulat (6:00) | 00:00 à 23:50 (uniquement avec met HSM) | voir page 48 | |||
| ◎ | 1^e einde circul. (22:00) | 00:00 tot 23:50 (alleen met HSM) | zie blz. 48 | 19 | |
| 1. fin circulat. (22:00) | 00:00 à 23:50 (uniquement avec met HSM) | voir page 48 | |||
| 2^e en 3^e begintijdstip en eindtijdstip circulatie zie boven.Verwijder niet noodzakelijke schakelpunten (druk kort op de toets "C", in het display wordt --:-- weergegeven) | zie blz. 48 | 13 | |||
| Pour la 2^ème et 3^ème mise en route et arrêt de la circulation voir ci-dessus. Effacer tous les points de commutation dont vous n'avez pas besoin (Appuyer brièvement sur la touché "C" sur le cadran apparaît --:--). | voir page 48 | ||||
| Instellingen voor de installateur Péglages pour l'installateur | |||||
| Stand van de draaischakelaar | Druk op toets | Display (fabrieksinstelling) | Instelbereik (toetsen + of +) | Ingesteld op TR 220 | Beschrijving → blz ... |
| Position du bouton de réglage | Appuyer sur la touche | Indication (réglage en usine) | Plage de réglage (touches + ou +) | Réglée sur le TR 220 | Description → page ... |
![]() | --- | Programm.niveau (= niveau 1) | --- | --- | 19 |
| Niveau programme (= niveau 1) | |||||
| ≥5 s | Circ. pomp progr. (= niveau 2) | --- | --- | 19 | |
| Prog. pomp. cir. (= niveau 2) | |||||
| ≥5 s | Inst. niveau (= niveau 3) | --- | --- | 19 | |
| Niv. spécialiste (= niveau 3) | |||||
| ☑ | Compensaties | --- | --- | 19 | |
| Ajustage | |||||
| ☑ | Ruimtevoeler +/- (20.8°C) | ±3 K (°C) in stappen van 0,1 K | 20 | ||
| Sonde amb. +/- (20.8°C) | ±3 K (°C) par étapes de 0,1 K | ||||
| ☑ | Afst.voeler +/- (20.3°C) Indien aanwezig. ±3 K (°C) in stappen van 0,1 K | 20 | |||
| Sonde dist. +/- (20.3°C) S'il y en a un. ±3 K (°C) par étapes de 0,1 K | |||||
| ☑ | Schaal verw. +/- (24.7°C) | ±3 K (°C) in stappen van 0,1 K | 20 | ||
| Gradua. chauff +/- (24.7°C) | ±3 K (°C) par étapes de 0,1 K | ||||
| ☑ | Schaal spar. +/- (15.3°C) | ±3 K (°C) in stappen van 0,1 K | 20 | ||
| Gradua. écon. +/- (15.3°C) | ±3 K (°C) par étapes de 0,1 K | ||||
| ☑ | Regelparameter | --- | 21 | ||
| Paramètre reg. | |||||
| ☑ | Verw.-comfort +/- | Verw.-comfort / Verw.-Eco | 21 | ||
| Chauff. conf. +/- | Chauff. conf / Chauff. Econ. | ||||
| ☑ | Doorg. V +/- (20) | 10 ... 25 in stappen van 5 | 21 | ||
| Pénétration V +/- (20) | 10 ... 25 par étapes de 5 | ||||
| ☑ | Aanpass-tempo +/- (4) | 2 ... 5 in stappen van 1 | 21 | ||
| Vit. adaptat. +/- (4) | 2 ... 5 par étapes de 1 | ||||
| Vrijgave / blokkeren van de warmwaterbereiding | Déverrouillage / verrouillage de la préparation d'eau chaude | |||||
| Schakelpunt | 1^e vrijgave 1 | ^e blokkeren 2 | ^e vrijgave | 2^e blokkeren | 3^e vrijgave 3 | ^e blokkeren |
| Point de com-mutation | 1^er déverrouil-lage | 1^er verrouillage | 2^ième déver-rouillage | 2^ième verrouillage | 3^ième déver-rouillage | 3^ième verrouillage |
| maandag | ||||||
| lundi | ||||||
| dinsdag | ||||||
| mardi | ||||||
| woensdag | ||||||
| mercredi | ||||||
| donderdag | ||||||
| jeudi | ||||||
| vrijdag | ||||||
| vendredi | ||||||
| zaterdag | ||||||
| samedi | ||||||
| zondag | ||||||
| dimanche | ||||||
Vous trouverez l'indication du type et le numéro FD sur l'appareil. Veuillez mentionner ces données lors de chaque contact avec votre l'installateur ou avec notre service après-vente.
8. NAVERKOOPSERVICE
SERVICO sa tient un service après-vente à la disposition de l'installateur et de l'usager.
En cas de difficulté, adressez-vous à SERVICO sa (service après-vente de l'usine).
9. WAARBORG
La garantie accordée n'est valable que si l'installation est rigoureusement conforme aux présentes prescriptions et si l'installation entière est correctement effectuée.
| DIENST NA VERKOOP(met techniekers uit Uw regio) | SERVICE APRES-VENTE(avec techniciens de votre région) |
SERVICO sa tient un service après-vente à la disposition e l'installateur et de l'usager. d
En cas de difficulté, adressez-vous à SERVICO sa (service après-vente officiel du fabricant).
![]() | nv SERVICO saKontichsesteenweg 602630 Aartselaar | |
| ALGEMEEN NUMMERNUMERO GENERAL | 03 887 20 60 | |
| FAX ALGEMEEN NUMMERNUMERO GENERAL | 03 877 01 29 | |
![]() | DIENST NA VERKOOPonderhoud & herstellingenSERVICE APRES-VENTeentretien & réparations | 03 880 71 00 |
| TECHNISCH ADVIESCONSEIL TECHNIQUE | 03 880 71 02 | |
| FAX DIENST NA VERKOOPSERVICE APRES-VENTE | 03 888 91 56 | |
| COMMERCIELE DIENSTverkoop, documentatie & scholingenSERVICE COMMERCIALvente, documentations & écolages | 03 880 71 03 | |
| FAX COMMERCIELE DIENSTSERVICE COMMERCIAL | 03 877 01 29 | |
| LOGISTIEKbestellingen & wisselstukkenLOGISTIQUEcommandes & pièces de rechange | 03 880 71 01 | |
| FAX LOGISTIEKLOGISTIQUE | 03 887 01 03 | |
| WEB www.junkers-servico.be | ||
BELANGRIJKE OPMERKING REMARQUE IMPORTANTE
Même un JUNKERS a besoin d'une surveillance et d'un entretien régulier.
Un entretien préventif évite une usure prématurée et/ou une consommation anormale.
Ce travail peut être effectué uniquement par un installateur, un homme de métier agréé ou par le service technique de l'usine.
Notice Facile 









