LR 250 - Autoradio AUDISON - Notice d'utilisation et mode d'emploi gratuit
Retrouvez gratuitement la notice de l'appareil LR 250 AUDISON au format PDF.
| Caractéristiques techniques | Amplificateur de puissance 2 canaux, puissance de sortie de 250W, impédance de 4 ohms, fréquence de réponse de 20Hz à 20kHz. |
|---|---|
| Utilisation | Conçu pour être installé dans des véhicules, compatible avec divers systèmes audio, idéal pour améliorer la qualité sonore. |
| Maintenance et réparation | Vérifier régulièrement les connexions et les câbles, nettoyer les contacts pour éviter la corrosion, consulter un professionnel en cas de panne. |
| Sécurité | Installer dans un endroit bien ventilé, éviter l'exposition à l'humidité, respecter les limites de puissance pour éviter les surchauffes. |
| Informations générales | Produit de la marque Audison, réputé pour sa qualité audio, garantie de 2 ans, vérifier la compatibilité avec votre véhicule avant l'achat. |
FOIRE AUX QUESTIONS - LR 250 AUDISON
Questions des utilisateurs sur LR 250 AUDISON
0 question sur cet appareil. Repondez a celles que vous connaissez ou posez la votre.
Poser une nouvelle question sur cet appareil
Téléchargez la notice de votre Autoradio au format PDF gratuitement ! Retrouvez votre notice LR 250 - AUDISON et reprennez votre appareil électronique en main. Sur cette page sont publiés tous les documents nécessaires à l'utilisation de votre appareil LR 250 de la marque AUDISON.
MODE D'EMPLOI LR 250 AUDISON
La série Supercurrent: LR 230, LR 250, LR 270. Amplis à deux canaux de dimensions compactes à haute des caractériques musicales. Les principaux éléments de leur circuit sophistique sont: stades «front end» réalisés avec deux stades différentiels complémentaires polarisés par deux générateurs de courant constant à bas bruit. La configuration du stade final est faite d'une triplette inversée à symétrie pure; l'amplificatuer de puissance est réalisé par un parallelele de transistors, cha cun avec capacité en courant de 15 A. L'alimentation PWM à MOSFET a été particulièrement étudie pour fournir des courants élevés au niveau des stade d'amplification. Ces caractéristiques permettent une grande capacité pour piloter des charges très basses. C'est pour cette raison que cette gamme d'appareils a été appelée Supercurrent, pour leur facilité à piloter des charges avec une impédance de 1 Ohm si connectés en stéreo et de 2 Ohm si connectés en mono à pont. Bien entendu, comme il s'agi d'amplis de dimensions très compactes par rapport aux performances qu'ils offrent, lorsqu'ils sont utilisés sur des charges très basses, il faut désir un endroit bien aéré pour leur installation oumettre un ventilateur de refroidissement pres d'eux pour éviter des surchauffes excessives.
PRECAUTIONS
- Pour un bon fonctionnement de l'appareil, il très important de veiller à l'instructor dans un endroit où la température ne tombe jamais en dessous de 0^ et ne dépasse jamais 55^ .
- L'installation doit se faire dans un endroit sec et bien ventilé.
- L'alimentation est de type 12VCC avec négatif à la masse. S'assurer que les caractéristiques de l'installation du vehicule soient indiquées pour ce type l'appareil.
- Pour une conduite sans risque, nous conseillons un niveau d'écoute ne couvrant pas le bruit du traffic environnant.
INSTALLATION
Pour le montage utiliser les rondelles et vis fournies à cet effet. Pour un résultat optimal il est recommendé d'utiliser les éléments de la ligne audison cable suivants: cables d'alimentation, cables signal, cables pour haut-parleurs, connecteurs RCA et tous les accessoires complétant le branchement.
ATTENTION
-
ENTRÉES: Si la masse de sortie de l'auto-radio n'est pas la même que celle du chassin, relier le fil du cable isolant au chassin de l'auto-radio.
-
SORTIES: Ne jamais connecter entre elles ou sur la masse les sorties -R et -L. Avant
d'utiliser un filtré crossover, s'assurer que les canaux n'ont pas de masse commune. RÉGLAGES: Si des phénomènes de saturation apparaissent à un niveau de volume
modéré, cela signific que le signal sort distordu de l'auto-radio. En ce cas, abaisser le volume de l'autoradio jusqu'à ce que le phénomène disparaisse et régler ensuite les niveaux de l'amplificateur.

23

| SIZE OF POWER CABLE 4/5 m (13/16fct) length | ||||
| Load | 4 Ohms | 2 Ohms | ||
| Measure Unit | mm2 | AWG | mm2 | AWG |
| LR 230 LR 250 | 5 | 10 | 8 | 8 |
| LR 270 | 8 | 8 | 16 | 5 |


6


TRI-MODE CONNECTION
| + L PASS | HI FREQUENCY Haertz | LOUDSPEAKERS IMPEDANCE | |||
| 4 Ohms | 8 Ohms | ||||
| L (mH) | C (μF) | L (mH) | C (μF) | ||
| SUBWOOFER | 60 | 10.6 | 660 | 21.0 | 330 |
| 80 | 7.9 | 495 | 15.9 | 245 | |
| 100 | 6.4 | 400 | 12.7 | 200 | |
| 120 | 5.3 | 330 | 10.6 | 165 | |
| 150 | 4.3 | 265 | 8.5 | 132 | |
| 200 | 3.2 | 200 | 6.4 | 100 | |
LR 230 ITALIANO
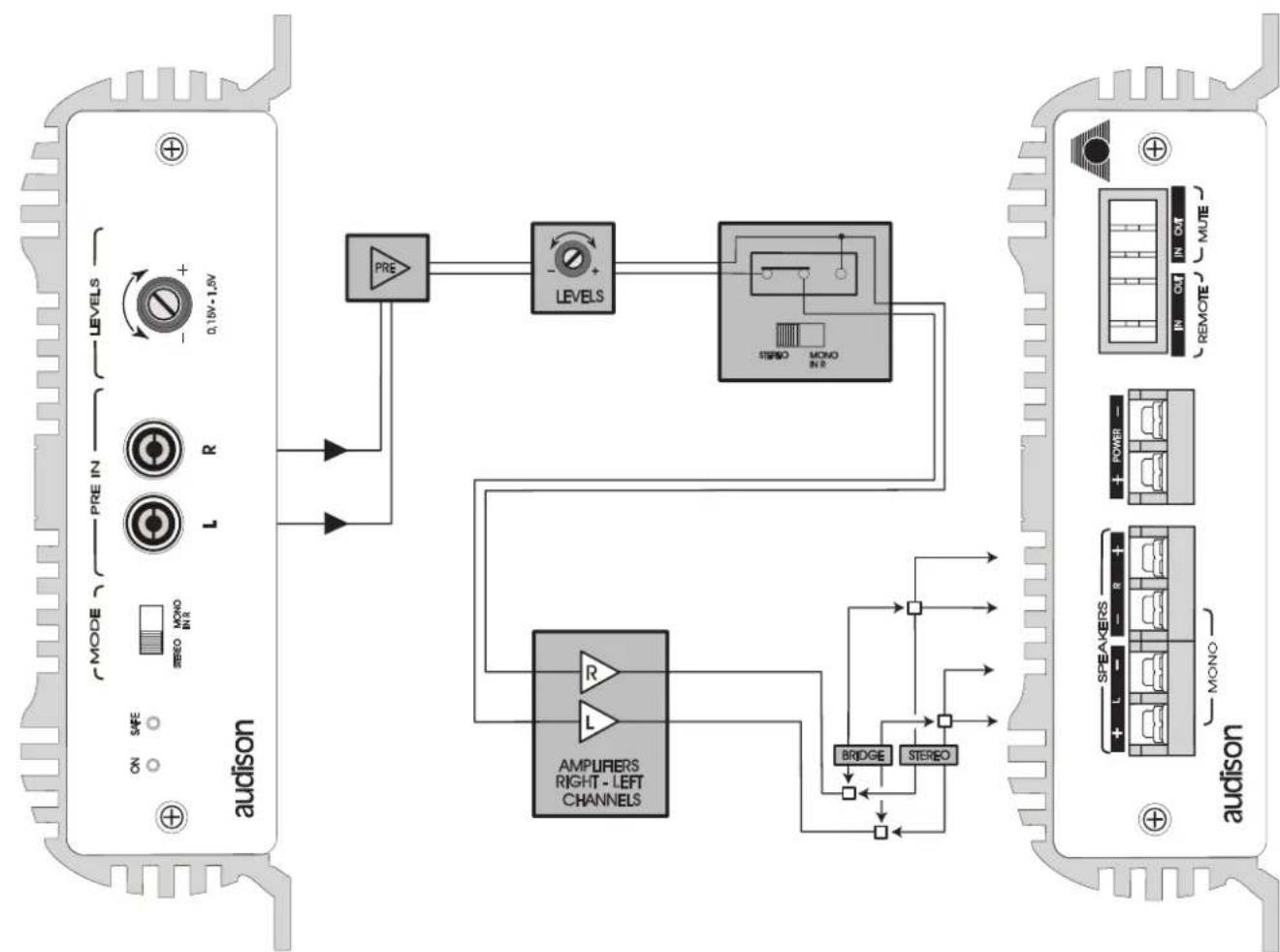
DISPOSITION DES BORNES DE CONNECTION

| ALIMENTAZIONE 11 + 15 VDC | |
| ASSORBIMENTO A VUOTO 0,6 A | |
| ASSORBIMENTO MAX (Pot. Nominale) 12 A | |
| POTENZA NOMINALE CONT. (Toll. +10%; -5%) | |
| 2 Ch x 4 Ohm; 0,3% THD; 12 VDC 30 W (RMS) | |
| POTENZA OUT CONTINUA (2 Ch x 4 Ohm; 13,8 VDC) 38 W (RMS) | |
| POTENZA OUT CONTINUA (2 Ch x 2 Ohm; 13,8 VDC) 65 W (RMS) | |
| POTENZA OUT CONTINUA (2 Ch x 1 Ohm; 13,8 VDC) 95 W (RMS) | |
| POTENZA OUT MONO (1 Ch x 4 Ohm; 13,8 VDC) Bridge 130 W (RMS) | |
| POTENZA OUT MONO (1 Ch x 2 Ohm; 13,8 VDC) Bridge 190 W (RMS) | |
| COLLEGAMENTO "TRI MODE" (4 Ohm) 38 + 38 + 130 (W RMS - pulse) | |
| DISTORSIONE THD (1 KHz; 90% Pot. Nominale) 0,06 % | |
| BANDA PASSANTE (-3 dB; Pot. Nominale) 4 Hz + 75 KHz | |
| FATTORE DI SMORZAMENTO (4 Ohm) 120 | |
| TEMPO DI SALITA 4,5 μS | |
| RAPPORTO S/N 100 dBA | |
| SENSIBILITA D'INGRESSO | 0,15 V ± 1,5 V |
| IMPEDENZA D'INGRESSO 15 KOhm | |
| IMPEDENZA DI USCITA Stereo | 1 - 2 - 4 - 8 Ohm |
| IMPEDENZA DI USCITA Mono | 2 - 4 - 8 Ohm |
| REMOTE IN | 3 ± 15 VDC |
| REMOTE OUT | 12 VDC |
| MUTE IN | 3 ± 15 VDC |
| MUTE OUT | 12 VDC |
| DIMENSIONI (BxAxL) | 175 x 50 x 210 mm |
| LR 230 | ENGLISH |
| TECHNICAL DATA | |
| POWER SUPPLY | 11 ÷ 15 VDC |
| IDLING ABSORPTION | 0.6 A |
| MAX ABSORPTION (Nominal Pwr) | 12 A |
| CONT. NOMINAL POWER (Tol. +10%; -5%) | |
| 2 Ch x 4 Ohms; 0.3% THD; 12 VDC | 30 W (RMS) |
| CONT. OUT POWER (2 Ch x 4 Ohms; 13.8 VDC) | 38 W (RMS) |
| CONT. OUT POWER (2 Ch x 2 Ohms; 13.8 VDC) | 65 W (RMS) |
| CONT. OUT POWER (2 Ch x 1 Ohm; 13.8 VDC) | 95 W (RMS) |
| MONO OUT POWER (1 Ch x 4 Ohms; 13.8 VDC) Bridge | 130 W (RMS) |
| MONO OUT POWER (1 Ch x 2 Ohms; 13.8 VDC) Bridge | 190 W (RMS) |
| TRI-MODE CONNECT. (4 Ohms) | 38 + 38 + 130 (W RMS - pulse) |
| DISTORTION THD (1 KHz; 90% Nominal Pwr) | 0.06 % |
| BANDWIDTH (-3 dB; Nominal Pwr) | 4 Hz + 75 KHz |
| DAMPING FACTOR (4 Ohms) | 120 |
| RISE TIME | 4.5 μS |
| S/N RATIO | 100 dBA |
| INPUT SENSITIVITY | 0.15 V ± 1.5 V |
| INPUT IMPEDANCE | 15 KOhms |
| OUTPUT IMPEDANCE Stereo | 1 - 2 - 4 - 8 Ohms |
| OUTPUT IMPEDANCE Mono | 2 - 4 - 8 Ohms |
| REMOTE IN | 3 ± 15 VDC |
| REMOTE OUT | 12 VDC |
| MUTE IN | 3 ± 15 VDC |
| MUTE OUT | 12 VDC |
| DIMENSIONS (WxHxD) | 175 x 50 x 210 mm (6.89 x 1.97 x 8.27 inch) |

LR 230 DEUTSCH
TECHNISCHE. DATEN
PETRIERSSPRNNING11-15VDC
BETRIEBSFPANNONG11-15VDC STROMAUENAHMEMIN0.6A
STROMAUJNAHME MAX CONT. (N)
La sensibilité varie de 126
150mV a 1,5V.
Notice Facile