ZH - Chaudière INVENTUM - Notice d'utilisation et mode d'emploi gratuit
Retrouvez gratuitement la notice de l'appareil ZH INVENTUM au format PDF.
| Type d'appareil | Chauffe-eau à pression |
| Capacité | Non précisé |
| Alimentation | Électrique |
| Installation | Murale |
| Pression maximale | Non précisé |
| Température maximale | Non précisé |
| Matériau du réservoir | Non précisé |
| Dimensions | Non précisé |
| Poids | Non précisé |
| Protection contre la surchauffe | Oui |
| Type de montage | Vertical |
| Garantie | Non précisé |
| Normes | Non précisé |
| Utilisation | Usage domestique |
| Marque | Non précisé |
FOIRE AUX QUESTIONS - ZH INVENTUM
Questions des utilisateurs sur ZH INVENTUM
0 question sur cet appareil. Repondez a celles que vous connaissez ou posez la votre.
Poser une nouvelle question sur cet appareil
Téléchargez la notice de votre Chaudière au format PDF gratuitement ! Retrouvez votre notice ZH - INVENTUM et reprennez votre appareil électronique en main. Sur cette page sont publiés tous les documents nécessaires à l'utilisation de votre appareil ZH de la marque INVENTUM.
MODE D'EMPLOI ZH INVENTUM
Nederland/Pays-Bas/Niederlande
Tel: +31 (0)30 274 84 84
Fax: +31 (0)30 274 84 85
Belgié/Belgique/Belgien
Tel:032274343
Fax:032274344
Manuel d'utilisation et d'installation
nl/fr/de-1 NEDERLANDS/FRANCAIS/DEUTSCH
De Inventum boiler
En achetant ce chaudiere, vous
aviez acquis un produit de
qualite, surl et fiable. Le chaudiere-
Inventur you fournir de l'eau
chaude, a une temperature
constante. Le comfort est elevé:
le pauchaud, stockée dans une
cuve, rapidement et sans
differences de temperature
incommodantes.
Tous les chaudière-Inventum satisfait aux normes les plus sevrentes en maltrie de qualite, cela équalement pour ce qui est de la consommation energetique. C'est ainsi que, pour isoler les chaudiere, nous utilisons des materiaux de qualite supérieure, exemplés de CFC. Nous sommes en mesure, de laorte, de limiter aufant que possible les pertes d'energie.
Déclaration de conformité
Inventum by est une société certificate ISO 9001.Inventum by declare que le chaudi-eau mentionné sur la page de couverture est conforme aux directives et normes suivantes:
Directive relative à la base tension 73/23/CEE Directive relative à la compatabilité electromagnétique (CEMI) 89/336/CEE
Normes harmonisées:
EN 60335-1
EN 60335-2-21
EN 50082-1
EN 55014
EN 61000-3-3
EN 61000-4-5
Bilthoven, le 1er Janvier 2004
Inventum by
10.1 Montage des Gerats

NEDERLANDS/FRANCAIS/DEUTSCH nl/fr/de-2
Fig. 1 Composants principaux
A Cheville
B Etrier mural
CDisque deréglage en maitère
synthétique
D Bacque d'etanchéité
E Boulon à tête sphérique
F Etrier de fixation
G Plaque signelletique
H Chauffe eau
I Profilé d'etanchéité
J Couvercle
K Echangeur thermique
I.D'évacuation de la chaudière
M Raccordement d'eau froide M Sanitairwasserzulauf
N D'adduction de la chaudiere
O Puroeur
B-Thermostat
O Groupe de securite
A Wandübel
B. Wandbugel
GEinstellscheibe aus
Kunststoff
D SchlieBring
E Schlusselschrauben
F Aufhengebüge
G Typenschild
H Warmwassererat
Dichtungssprofil
Abbrkung
K Wörmaust
K Wannadustachier
L2A-WaWssnckuHafH M SantinXeasorZulaf
N7Hw
2A-Wasser 2. Entstehungen
O Entungsgverbindung DTherostat
P Thermostat 0-12 hours
Abb.1 Hauptbauteile
O Sicherheitsgruppe

inventum
Inhoudsopgave
GEBRUKERSHANDLEIDING
1 Gebruik
chauffage, préexistent, le plus simple seraient de monter la vanne à trois voies et la jonction en T à l'emplacement d'un gousset ou d'un coude, le plus presse possible de la chaudière, sur la conduite d'adduction et ou'd'évacuation.
- Procédaz au montage de la varne à trois voies.
- Le raccord ouvert assisté de la varne à trois voies doit être branché sur l'échéance thermique du chauffe-eau (Ø 22), en interpolant eventulement le purgeur (embout Ø 22 x embout Ø 22)*.
- Faibles glisser le purgeur avec le tube étrôt en la raccord de droite de l'échéangeur thermique en le poussant vers le haut, jusqu'à ce qu'il touche l'embout mécanique.
Reliez I'autre raccord de I'echangere thermique (022) du chauffe-eaux conduites de chauffage allant vers/venant de la chaudiere en utilisant la junction en T.
- Placze la vanne a trois voies avec la manette en position verruillée (ouverte 100 mm)
- Remplissée l'installation de chauffage jusqu'à obtention de la pression souhaïée
- pour 40 kW: Ø 28 mm
** pour 40 kW: embout 28 x embout 0 28
10.5 Remplissage du chauffe-eau
Ouvrez le robinet d'eau chaude. - Ouivre le robinet d'arret du groupe de securite,
- L'assemblée au comité opérationnel d'exercice,
- Laissier le chiffreage enfin circuliert.
- Retiree le couverde et assurez vous que l'installation ne présente pas fuite.
Isplez le conduit d'eau chaude.
10.6 Branchements électriques
Voir aussi fig, 2.21 ou 2.2 selon ce cas. Consultee aussi cette notice d'installation du chaudiere ou du Cervax. Le thermostat est déjà incorpore dans les chaudières équipées d'un régulateur de chauffe-eau.
11 Mise en service/mise hors service
11.1 Généralités
- Pour avoir un bon transfert thermique, reglez le thermostat de la chaudiere sur 90^ ou au moins sur une temperature qui depasse de 20K celle du thermostat du chauffe-eau (reglage standard 60^ )
- Branchez la chaudiere à la prise murale (régrateur dechauffe-eau incorpore) ou au régulateur du chauffe-eau ou à la prise intermédiaire.
- Verifie la mise en marche de la chaudiere et le rechauffage du chauffeur (allumez au besoin).
- Recommenze la purge d'air au besoin!
- Vérifie l'évacuation du volume d'eau
- Reçoit le gaz de l'air.
Excecaire vecoulement goutte-a-goutte). Controle la temperature de e'eau de la chaudiere pendant le premier rechauffage du chauffe-eau. - Les réglages du thermostat de la chaudière et du thermostat du chauffe sont correct si le thermostat du chauffe-éau interrompt la préchauffe avant ou pendant la première marche à vide de la pompe.
- Le postchauffage du chauffe-eau continues pendant une période considérable de la marche à vide en fonction de la masse (chauleur spécifique) de la chaudière et de son conteur.
11.2 Mise en service
Contrôle que le chauffe-seau tout entertrement remplé d'eau et qu'il n'y ait au cuire fauite.
Suite à l'installation et au remplissage d'eau, le chaffue-eau doit être mis en service dans les trois mois pour en garantir le bon fonctionnement.
11.3 Contrôle du fonctionnement Une fois l'appareil mis en service, vérifie les points suivants:
L'eau d'expansion doit soit égoutter hors de la valve de décharge ou du mitigueur sans pression. Cela est nécessaire afin d'éviter la formation d'une pression tropielevée, dont le gaz ne s'est fauillé.
- L'appareil ne doit partager aucune falue, cela, égallément 30 minutes après la mise en service.
11.4 Mise hors service
- Consultez la notice d'installation du chaudière ou du Cervax. Le robinet principal du conduit d'eau peut demeurer ouvert.
11.5 Vidange du chauffe-eau
Debranche le chaudière-eva. Consultes la notice d'installation du chaudière ou du Cenvax.
Purgez quelques litres d'eau du robinet d'eau chaude.
Fermez le robinet principal du conduit d'eau. Fermez le robinet d'arrêt de la groupe de sécurité.
Ouvrez un robinet d'eau chaude; fermez-le des qu'il ne fournit plus d'eau chaude.
- Prenze les mesures nécessaires pour recueillir l'eau provenant d'eventuelles fultes.
- Deviseze la groupe de sécurité du chauffe-eau.
- Branchez un tuyau de vidange sur le raccordement d'eau froide du chauffe-eau; placez l'extrémité du tuyau du vidaign à un endroit où l'eau peut être évacuée correctement.
Ouvrez un robinet d'eau chaude ou devisez l'écrou de serrage du raccordement d'eau chaude.

inventum
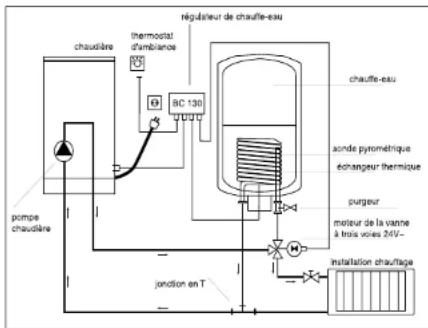
- Installation du chauffage: avec chaudière cobinée au régulateur de chauffe-eau Cenvax BC 130 (fig.2.1) ou avec chaudière et
regulateur de chauffe eau incorpore (fig.2.2). Raccordements courts au point de pulsage le
plus utilise = pertes thermique et d'au minimumales.
Le couloir est interne de la chaudière ne peut être modifiée.
Le moteur avec vanne à trois voies peut être monté dans tout les positions sauf moteur dirige vers le bas.
Pour le régulator du chauffe-eau mentionné, le moteur avec vanne à trois voies sans excitation électrique est ouvert en position chaudière.
9.4 Accessoires à utiliser
- Les conduits d'eau doivent être premiers ou pouvoir être installés.
- Il ne faut jamais placer un obturator entre la groupe de sécurité et le chiffre-eau.
- Un conduit d'évacuation résistant au gel doit être present ou pouvoir être installé.
Le conduit d'évacuation doit comprendre un entonnoir ouvert, place directement à la suite de la valve de décharge. - L'eau d'expansion soit de la valve de décharge doit être evacuée par le conduit d'évacuation vers la baignoire, le lavabo ou l'évier, ou directement dans l'égout, en respectant une déculité régulière.
- Matériel de fixation à la partir trois boultons à chevelle (M10) ou tirefonds (10 x 60 mm).
- Une groupe de sécurité équipe d'une valve de décharge; la pression d'entrée doit être égale ou inférieure à la pression de service du chauffe-eau et dépasser la pression du réseau de distribution d'eau d'eau, moins 100 kpa (1 bar).
- Un réducteur de pression si la pression du reseau de distribution d'eau est supérieure à la pression de fermeture de la valve de déchage.
- Un siphon si le conduit d'évacuation est relié directement à l'égout.
- Un support de chauffe-eau, Inventum type CDS, en cas de placement sur le sol.
- Matériel d'isolation de tuyaux pour isoler le conduit d'eau chaude.
- Purgeur **, Inventum type CDO, (embout Ø 22 x embout Ø 22 pour 30 kW échéateur ou embout Ø 28 x embout Ø 28 pour 40 kW).
- Moteur électriche 24 V avec vanne à trois voies et resort de rappel 3/4", Inventum type CDE.
- Régulator de chauffe-eau, inventum type CDC (Cervax BC 130 avec sonde pyrométrique). Pour les chaudières non munies d'un régulateur incorpore avec connexions électricité pour la vanche électricte a trois voies et thermostat.
Thermostat, Inventum type CDT (incorpore).
* A commender chez Inventum by Founi en meme temps
10 Installation
10.1 Montage du chauffe-eau
Fixaz l'étret de suspension au moyen de trois boulons, à la place déterminée au prétable.
- Faites pivoter les disques de réglage en matérielau synthétique de telle façon que l'étier mural se regle horizontally et vertalement.
Visez les vis de réglée dans l'étier de support Accrochez en suite le chauffe-eau à l'étier mural.
- Régloz verticalément le chauffe-eau à l'aide des vis de réglage.
10.2 Raccordements du conduit d'eau (fig.2)
Lors du montage des colliers de serrage et des écrous de raccord, utilisez toujours 2 clés à fourche afin d'évitier le fléchissement et la torsion des conduits et des accessories.
- Les conduits raccords au chiffre-eau doit être bien rincis en prétable (cela s'applique tout particulièrement aux maisons neuves).
- Fermiez le robinet principal du conduit d'eau
- Montez la groupe de sécurité sur le
raccordement d'eau froide du chauffe-eau.
Fermez le robinet d'arret de la groupe de sécurité.
Montez un réducteur de pression en amont du groupe de sécurité si la pression du conduit d'eau est supérieure à la pression de fermeture du groupe de sécurité. - Reliez le conduit d'eau froide à la groupe de sécurité ou au réducteur de pression; reliez le conduit d'eau chaude au raccordement prévu à cet effect sous le chauffe-eau. Utiliserez à cet effet les colliers de serrage et érouç des raccord qui sont fousmis avec l'appellant.
10.3 Raccordement du conduit d'évacuation
- Installez un entonnoir ouvert dans le conduit d'évacuation, directement à la suite de la valve de décharge.
- Installé un siphon sur le conduit d'évacuation si ce dernier est relié directement à l'égout.
10.4 Installation du chauffe-eau à
une chaudiere (fig.2.1 ou fig.2.2)
-Déterminé tout d'abord l'emplacement de la vanne à trois voies et de la jonction en T. Tenez compte des conduites existantes. Si vous develez intégrer un chauffe-eau à un
Table de matière
MANUEL UTILISATEUR
1 Utilisation du manuel fr - 4
1.1 Utilisation conforme à la conception prévue fr-4
1.2 Garantie fr - 4
1.3 Responsabilité fr - 4
2 Description fr - 5
2.1 Composants principaux fr - 5
2.2 Identification du produit fr -
2.3 Labels de qualite
2.4 Fonctionnement fr-5
3Commande et utilisationfr - 6
3.1Commande fr-6
3.2 Mise en service/ mise hors service fr - 6
3.3 Contrôle du fonctionnement fr -6
3.4 Travaux sur le réseau de distribution d'eau fr-6
3.5 Economies d'eau et d'énergie fr-6
4 Entretien fr-7
4.1 Nettoyage fr-7
4.2 Groupe de sécurité fr-7
5 Pannes fr-8 tableau des pannes fr-7
6 Longévité fr - 8
7.1 Contenu de l'emballage fr-8
7.2 Emballage et
environnement fr-8
8 Specifications
techniques fr-9
9 Préparation
à l'installation fr - 9
9.1 Prescriptions locales en
matiere d'installation fr-9
9.2 Conditions relatives a
I'installation fr-9
9.3 Conditions relatives
aux raccordements fr-10
9.4 Accessoires à utiliser fr - 10
10 Installation fr - 10
10.1 Montage du chauffe-eau fr - 10
10.2 Raccordements du
conduit d'eau fr-10
10.3 Raccordement du conduit d'évacuation fr - 10
10.4 Installation du chauffe-eau
a une chaudiere fr - 10
10.5 Remplissage du
chauffe-eau fr-11
10.6 Branchements
electriques fr-11
11 Mise en service/
mise hors service fr - 11
11.1 Généralités
Mise en service fr-11
11.3 Contrôle du fonctionnement fr - 11
11.4 Mise hors service fr-11
11.5 Vidange du chauffe-eau fr-11
fr - 4 FRANCAIS
1 Utilisation du manuel
Ce manuel est destiné à l'utilisateur et à l'installateur. Il permet d'installer, d'utiliser et d'entretenir en toute sécurité la chauffe-eau mentionné sur la page de couverture. Le manuel doit être conserve auprès des chauffe-eau. La première partie est destinée aussi bien à l'utilisateur qu'à l'installateur. La deuxieme partie est réservée à l'installateur. Lisez attentionivement la partie du manuel qui vous concernne. Il revient à l'utilisateur de demander à l'installateur des informations relativement à l'utilisation du chauffe-eau en toute sécurité. Le manuel fait usage des pictogrammes et des symboles suivants:

Attention!

Installateur
Action
Ce manufa et est rédige par Inventum by avec le plus grand soin possible. Tout fois, aucun droit ne pourra être tiré de ce document. La société Inventum by se reserve le droit de modifier les specifications du produit, en tout temps, sans notification prétable, afin d'appliquer des améliorations supplémentaires, rechnées.
1.1 Utilisation conforme à la
conception prevue
Ce chaudière eau est consçu pour stocker et chauffer de l'eau potable, sous pression. Le chaudière eau doit être raccordé à un réseau de distribution d'eau d'une pression maximale de 700 kPa (7 bars). Toutte autres utilisation sort de la conception prévue du广泛应用.
Le chauffe eau ne doit être installe et utilise que s'il se trouve en parfait et technique.
1.2 Garantie
Ce chauffe eau a eté fabriqué avec le plus grand soin et est garanti contre tous les défauts de matériel et/ou de fabrication.
Attribution de garantie
Lagarantine repose en premier lieu auprès de I'installateur ou du fournisseur ou le chauffeau e a etachet. Prenez donc TODujours d'abordcontact avec voite installateur ou voitefournisseur.
Durée de la garantie
- 5 ans sur le chaudron interieur en cuivre (sans accessories)
- 2 ans sur les autres peaches, à partir de la date d'achat
Conditions de garantie
- Le modele et le numero de series du chiffre-eau doit tous ye sont mentionnes en cas de revendication de la garantie
- La facture d'achat avec mention de la date d'achat doit pouvoir être représentée.
-La garantie ne s'applique qu'aux defaults d materiel et de fabrication (soumis à l'appreciation du fabriacanti
Le chauffe eau ne peut ettre installee,utilise et entrenue que suivant le mode d'installation et le mode d'empli - Lechauffe-eau ne peut pas avoir suib de modifications ou d'ajustements quant à la fabrication L'airborne.
La défaut ne peut pas être d'au faute personelle, à une maligné ou une mauvaine utilisation
Sont exclus de la garantie
-La main d'oeuvre
Les frais de displacement
Les mais d'envoi
- Les frais d'administration les
- Les démonnages causés par le transport des personnes en transports, tels que:
- Les dommages de condirés qui les dégats cause par l'incendie, les dommages commerciaux, les dégats causes par les eaux et les blessures corporelles
Service
Si vous ave des probleme lors de installation et/ou l'utilisation du chauffe eau, allez toutes chez l'installateur ou au point de vente local. Adresses-vous également a cette personne pour toutes vos commandes supplémentaires de pieces de rechange.Inventur dispose de son propre service apres-venture que I'installateur pourra contacter aux conditions indiquées ci-dessus.
N.B.
Taut défaut à une ou plusieurs pieces ne justifié en certain cas le replACEMENT ou le renvol du chaudière-eau complèt. Toutes les pieces de rechange Inventum sont disponibles à court terme.
1.3 Responsabilité
Inventur b ou l'installateur/fonneur sejette toute responsabilité relatives à des dommages matériels ou corporels, de chaque nature que ce soit, provoqués par:
le non respect des instructions presents dans ce manuel;
- la législation lors de l'installation, de l'utilisation, de l'entretien et des répartitions du chiffre-eau:
- une utilisation non conforme à la conception prévue:
- Futilisation de pièces qui n'ont pas été formés par le fabricant;
des fuites.

FRANCAIS fr - 9

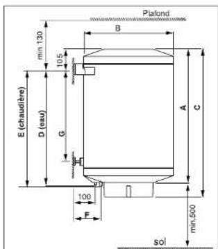
Fig. 3 Croquis cote
| Capsule | 50 | 80 | 100 | 120 | 150 | L |
| A | 650 | 788 | 931 | 1088 | 1278 | mm |
| B | 430 | 485 | 485 | 485 | 485 | mm |
| C | 720 | 858 | 1001 | 1158 | 1348 | mm |
| D | 555 | 705 | 850 | 1005 | 1195 | mm |
| E | 570 | 715 | 860 | 1015 | 1205 | mm |
| F | 130 | 160 | 160 | 160 | 160 | mm |
| G | 426 | 570 | 713 | 870 | 1060 | mm |
| * | 25 | 32 | 38 | 46 | 57 | kg |
| ** | 75 | 112 | 108 | 166 | 207 | kg |
- Poids à vide
** Poids chauffe-eau rempli
| Type Capacitance | Puisance | Temps de | chauffe |
| L kW | heurescmin | jusque 65°C | |
| CV 50 Super | 50 | 29 | 0:07 |
| CV 80 Super | 80 | 29 | 0:10 |
| CV 100 Super | 100 | 29 | 0:13 |
| CV 120 Super | 120 | 29 | 0:16 |
| CV 120 Super | 120 | 40 | 0:12 |
| CV 150 Super | 150 | 29 | 0:19 |
| CV 150 Super | 150 | 40 | 0:15 |
Tableaux 2: Temps de chauffe
Raccordements
Eau froide: G 2^+ embout 15 mm
Eau chaude: G 2^+ embout 15 mm
Arrivee chaudiere -022ext.(pour 40 kW:028ext.)
Retour chaudiere-022ext.(pour 40 kW:028ext.)
Purgeur embout 022xembout 022 (pour 40 kW:embout 028x embout 028)
Specifications
Pression de service côte au: 8 bar Pression de service cote chaudiere: 8 bar
Regulation de températe
Applicable pour: 250 V-, resp. 24 V-
Pegage upine: +60 iC
Reglable entre: ± 36^ et 74^
Résistance échangeur thermique
a 1000 Uh: 0,2 bar a 1500 Uh: 0,5 bar
9 Préparation à l'installation
9.1 Prescriptions locales en matière d'installation
Lors de l'installation du chauffe-eau, il s'agit de respecter les prescriptions locales en matière d'installation, édiciétes notamment par les
compagnies d'électricité et de distribution d'eau.
9.2 Conditions relatives à l'installation
Determine l'emplacement sur le mur du chaffe-eau en fonction de son
encombrement (fig. 3), de la chaudière et du poste deuisage d'eau chaudé le plus utilisée. A cet égard, tenez compte des aspects suivants:
- Chauffe-éau, groupe de sécurité, conduits d'eau et d'évacuation doivent se couver dans un local où le risque de gel est exclu;
La parron d'et la soient reviertre est plans et capables de supporter le pays du chaudière eau rempli.
- L'espace au tour de l'appareil doit être suffisant pour permettre les travaux d'entretien et de réparation.
fr - 8 FRANCAIS
5 Pannes
Leschauffe-eauInventum sont fabriques avec soin pour assurer une grande fiabilite.Si voirechauffe-eau nevail quand memeame tomer en panne,suivez les indicationspresentees dans letablea des pannes(tableau 1).
CONTACTEZ VOITRE INSTALLATEUR SI
VOUS NE REUSSISSEZ PAS A REMEDIER
À LA PANNE AU MOYEN DES
INSTRUCTIONS FOURNIES!!
A cet effet, veilze à désposer des informations suivantes:
-nom du produit
-numéro de type
- numero de série

No procódec Jamais-vous même à des réparations. Vous pourriez créé une situation dangereuse; par ailleurs, la garantie sera dans ce cas annulée.
6 Longévité
Tous les produits utilisés par Inventum by sont exemptes de substances qui pouraient polluer l'environnement lors de la mise au robust et/ou de l'élimination de l'airpèare.
MESURES DE PREVENTION CONTRE LA LEGIONELLOSE!

Dans le cadre de la prévention contre la légionnellose, lorsqu vous avez debranché le
longue période, par exemple lorsqu'voipartez en vacance, lorsqu'on utilisez lechauffe-eau pour la première fois, faits lechauffer intertrement = 60^
Avant la première utilisation après un long arrêt, nous vous conseillons de rincer les canalisations pendant 1 minute et d'évitier à ce moment l'utilisation de la poire de la douche.
AVERTISSEMENT!

Lorraine le chauffe-eau fonctionne a une temperature elevated, il existe des risques de brûlures (plus
particulierement pour les enfants). Nous vous conseillons d'utiliser un robinet mélangeur thermostatique.
7 Entreposage et transport
L'appareil doit toutes être entropé dans l'emballage d'origine fourni par le fabricant. Il s'agit de respecter toutes les instructions mentionnées sur la partie extérieur de l'emballage. Le local où l'appareil est entropéadoit être sec et agencé de sorté à évoir tout endommagerment de l'emballage. Lors du transport, l'emballage d'origine doit demeurer intact afin d'ourir une protection optimale de l'appareil. Mettez l'emballage de telle sorte qu'il ne puisse pas se déplacer dans le vehicule. Laissez l'apparemment dans son emballage jusqu'à ce qui se trouve dans le local où il sera instalé.

Ne place jamais le chaudiere directement sur le sol.
Laissez le chaudiere plus longtemps possible sur sa base dans l'emballage.
7.1 Contenu de l'emballage L'emballage contient les éléments suivants: - Chauffe-eau
- Etrier mural (se trouvent dans le couvercle en polystyrene de l'emballage)
- Sachet renferment le matériel de fixation
- Manuel
Purgeur
7.2 Emballage et environnement Afin de protégé l'environnement, il s'agit de respecter les points, suivants:
- Apportez les éléments en carton et en polystyrene dans la déchetterie prévue à cet effet, en vue d'un recyclage.
- Les attaches et autres restes d'emballage sont considérés comme des déchets normaux.
8 Spécifications techniques
Pour les specifications techniques du chauffe-eau, veuillez vous reférer aux éléments suivants:
- plaque signalétique (fig.1)
- croquis cote (fig. 3)
graphique presentant les durées de chaume (tableaux 21).
FRANCAIS fr - 5
2 Description
Ce chauffe-eau est concu pour stocker et chaffer de l'eau potable. C'est une chauffe-eau pour le rechauffage indirect par une chaudière individuelle.
Le chauffe-eau comprend une cuve isolée qui, selon l'execution, a une capacité de 50 à 150 litres d'eau. Une source de chaffage incorporese permet de chauffer l'eau. Le chauffe-eau peut être raccordé au réseau de distribution d'eau, par l'internériaire des raccordements d'eau froide et d'eau chaude.
2.1 Composants principaux
Les composants principaux sont représentés sur la fig. 1. (p.2)
2.2 Identification du produit La plaque signalétique presente les informations suivantes:
-nom du produit
- numero de type
- numero de series
- concept [1]
- capacitance [2]
- labels de qualité
- presion de service [kPa ou bar]
- résistance à l'humidité

Fig.2 Fonctionnement
A Chauffe-eau
B Conduit d'eau chaude
C Conduit d'eau froide D Groupe de societe
D Groupe de securite E Valeve de décharge
E valve de discharge 5. Robinet d'errait
F Robinet d arefet G. Entropair
2.3 Labels de qualité
L'un ou plusieurs des labels de qualite suivantes figure sur la plaque signaletique:
CE
- KEMA CEPEC
VDE
VDE
2.4 Fonctionnement
L'eau froide provenant du réseau parvient dans le chauffé-eau par l'intermédiaire de la groupe de sécurité. Un thermostat et une source de chauffage font en sortie que l'eau soit chauffée à la température足够. Dans le cas present, la source de chauffage est constituée par une échangeur de chaleur incorpore, une chaudière individuelle pour le rechauffage indirect est une régulateur de chauffée*. Etant donné que l'eau se dilate pendant la chauffe, la pression augmente dans le chauffé-eau. La valve de decharge de la groupe de sécurité permet de limiter cette suppression.
a Incorporé dans le chaudière ou, par exemple, une Cenvax BC 130 pour les chaudières non munies d'un régulateur incorpore.

Fig.2.1 Installation avec Multicontrole Cenvax

fr-6 FRANCAIS
Fig.2.2 Installation avec regulauteur de chaffeau-eau incorpore
3 Commande et utilisation
Le chauffe-eau est disponible en plusieurs exécutions. Les types CV 50 Super, CV 80 Super, CV 100 Super, CV 120 Super et le CV 150 Super sont livrable dans 30 kW pour chaudière 0 - 30 kW. Les types CV 120 Super et le CV 150 Super sont aussi livrable dans 40 kW pour chaudière 30 - 40 kW.
3.1Commande
Le chauffe-eau est pourv d'un thermostat régliable qui se trouve dans le couvercle du chauffe-eau. Le réglage de la température s'effectue en continu de 36 à 74 °C (seillement par l'installateur). Voir aussi "Legionnelle" page 8.
3.2 Mise en service/mise hors service
Consultez la notice d'installation du chaudiere ou du Cervax.
3.3 Contrôle du fonctionnement
L'appelle chaudié l'eau lorsque de l'eau d'expansion s'égoutte hors la valve de décharge. Consultez aussi la notice d'installation du chaudière ou du Cervax.
3.4 Travaux sur le réseau de distribution d'eau
En cas de coupee de la pression d'eau, en raison de travaux sur le réseau de distribution d'eau par exemple, agissez de la façon suivante:
Fermez le robinet d'arret de la groupe de sécurité (fig. 2).
Des que la pression d'eau est revenue: Ouivre le robinet d'arret de la groupe de sécurité.
Ouivre un robinet d'eau froide situé pres du robinet principal.
Fermezce robinet des que l'eau est redevueenne claire.
3.5 Economies d'eau et d'énergie
En utilisant l'eau chaude avec parcimonie, vous contribuèrez à la protection de l'environnement et réduirez vos frais de consommation d'eau et d'énergie.
Par exemple, l'utilisation d'une pomme de douche economise d'eau entrale une economie annuelle moyenne de 7500 litres d'eau chaude par personne. L'utilisation de robinets economise d'eau peut se traduire par une economie annuelle moyenne de 1000 litres par personne. Les robinets mélangeurs, thermostatiques contribuient à la sécurité d'utilisation d'eau chaude, à une augmentation du comfort et à une réduction de la consommation d'eau chaude.
FRANCAIS fr-7
4 Entretien
Faites détarterez leur chauffe-eau chaque année si vous habitez dans une région où la durée de l'eau est élevée (plus de 12dH
4.1 Nettoyage
La partie externe du chauffe-eau peut être nettoyée au moyen d'un chiffon doux et d'un produit de nettoyage non aagressif.
4.2 Groupe de sécurité
Contrôle régulierément que la valve de décharge (fig. 2.1) évacue sans problèmes l'eau d'expansion hors du chauffe-eau. Activé régulierément la valve de décharge afin d'évier la formation de tartre.

L'eau d'expansion doit tousjours pouvoir s'égoutter hors de la valve de décharge. Dans le cas contraire, la pression dans le chaudière- eau peut revenir excessively.
| PROBLEMME CAUSE | REMEDE | |
| Eau (trop) floire. | - Le thermostat est régé trop bas. | - Réglez le bouton du thermostat. |
| - Le conduit d'eau chaude est (trop) long ou n'est pas isolé. | - Isolez le conduit d'eau chaude. | |
| Eau trop chaude. | - Le thermostat est régé trop haut. | - Réglez le bouton du thermostat. |
| Trop peu d'eau. | - La pression d'eau est trop faible. | - Regardez si les robinetés d'eau froide connaissent le même problème. |
| - Prénez contact avec la société de distribution d'eau. | ||
| - Le robinet d'arrêt n'est pas ouvert correctement. | - Ouvrez le robinet d'arrêt. | |
| Fuites constantes de la valve de décharge. | - La pression du réseau de distribution d'eau est trop élevé. | - Placez un réducteur de pression en amont de la groupe de sécurité. |
| - La valve de décharge ne ferme pas correctement. | - Activez plusieurs fois la valve de décharge. | |
| Fuites du chauffe-eau. | - Les conduits d'eau ne sont pas raccordés correctement au chauffe-eau ou - Fuite du joint d'étan chéité ou - Fuite de la cuve. | - Fermez le robinet d'arrêt. |
| - Ouvrez un robinet d'eau chaude afin de supprimer la pression dans le chauffe-eau. | ||
| - Recueillez l'eau provenant de la fuite. | ||
| - Contactez votre installerateur. | ||
| Le chauffe-eau fait des bruits d'ébullition. | - Tâtre dans le chauffe-eau. | - Contactez votre installerateur. |
Tableau 1 Tableau des pannes
Notice Facile