MUSICA VOLO - Machine à café NUOVA SIMONELLI - Notice d'utilisation et mode d'emploi gratuit
Retrouvez gratuitement la notice de l'appareil MUSICA VOLO NUOVA SIMONELLI au format PDF.
| Type de produit | Machine à café expresso professionnelle |
| Caractéristiques techniques principales | Double chaudière, système de pré-infusion, groupe d'infusion en laiton |
| Alimentation électrique | 230 V / 50 Hz |
| Dimensions approximatives | Width: 30 cm, Depth: 45 cm, Height: 40 cm |
| Poids | 25 kg |
| Compatibilités | Compatible avec les filtres à café standard de 58 mm |
| Tension | 230 V |
| Puissance | 1200 W |
| Fonctions principales | Préparation d'expresso, vapeur pour mousse de lait, eau chaude |
| Entretien et nettoyage | Nettoyage quotidien des groupes d'infusion, détartrage régulier recommandé |
| Pièces détachées et réparabilité | Disponibilité de pièces détachées, manuel de réparation fourni |
| Sécurité | Système de protection contre la surchauffe, interrupteur de sécurité |
| Informations générales utiles | Idéale pour les cafés et restaurants, garantie de 2 ans |
FOIRE AUX QUESTIONS - MUSICA VOLO NUOVA SIMONELLI
Questions des utilisateurs sur MUSICA VOLO NUOVA SIMONELLI
0 question sur cet appareil. Repondez a celles que vous connaissez ou posez la votre.
Poser une nouvelle question sur cet appareil
Téléchargez la notice de votre Machine à café au format PDF gratuitement ! Retrouvez votre notice MUSICA VOLO - NUOVA SIMONELLI et reprennez votre appareil électronique en main. Sur cette page sont publiés tous les documents nécessaires à l'utilisation de votre appareil MUSICA VOLO de la marque NUOVA SIMONELLI.
MODE D'EMPLOI MUSICA VOLO NUOVA SIMONELLI
En choisissant le modèle MUSICA, vous avez fait un excellent achat.
Vous disposez en effet à partir non seulement d'un simple distributeur à café, mais d'une véritable machine pour café express, entièrement automatique et gérée par microprocesseur, garantie de fiabilité et d'une extrême facilité d'emploi.
Nous sommes certains que notre modèle MUSICA augmentera votre confiance envers Nuova Simonelli et que vous conseillerez à vos amis l'achat de cette machine à café, car le modèle MUSICA a été conçu pour augmenter la rentabilité du service cafétéria, optimisant au plus haut degré les coûts de service.
Cette machine a été fabriquée conformément aux normes CEE 89/392, CEE 89/336, CEE 73/23, CEE 89/109 et modifications successives.
Bien cordialement,
4. DESCRIPTION 35 4.1 Description du tableau des commandes. 36
- INSTALLATION 37 6. PROGRAMMATION 38
6.1 Programmation doses... 38 6.2 Programmation doses café page 38 6.3 Programmation eau chaude... 38 6.4 Programmation doses standard page 38 6.5 Fonction supplémentaires page 38
- UTILISATION page 39
7.1 Mise en marche/arrêt de la machine 39 7.2 Préparation du café page 39 7.3 Utilisation de la vapeur page 39 7.4 Préparation du cappuccino page 40 7.5 Sélection eau chaude page 40 7.6 Remplissage réservoir page 40
8. Arrêt page 40 9. Entretien page 40 10. Nettoyage page 41 11. Anomalies et remèdes page 42
1. Remarques generales a la livraison
La machine et ses éléments sont généralement livrés en boîtes palettisées. De toutes les manières, lors de la réception, contrôle que:
- L'emballage est en bon état.
- Le contenu est :
a. machine. b. boîte accessoires:
b0. Filtre double b1. Ressort filtré b2. Portefiltre b4. Doseur b5. Presseur b6. Filtre simple
- Que la machine ou les accessoires ne sont pas détériorés.
En cas de déteriorations ou de pièces manquantes, en informer immédiatement le constructeur ou ses représentants de zone ou son assurance.
2. Consignes de sécurité

Ce livre fait partie intégrante et essentielle du produit et doit être remis à l'utilisateur. Lire attentivement les avertissements se trouvant dans ce livre car ils fournissent d'importantes indications concernant la sécurité d'installation, d'utilisation et d'entretien. Conserver avec soin ce livre pour pouvoir le consulter à tout moment.

Après avoir enlevé l'emballage, s'assurer que l'appareil est en bon état. En cas de doute ne pas l'utiliser et s'adresser à un personnel professionnellement qualifié. Les éléments de l'emballage (sachets en plastique, polystyrène expansé, clous, etc.) ne doivent pas être laissés à la portée des enfants car ils sont dangereux, ni être jetés dans la nature.


Avant de raccorder l'appareil, s'assurer que les données figurant sur la plaque correspondent à celles du secteur électrique. La plaque se trouve sous le plan de travail de la machine en haut à droite.
L'installation doit être effectuée conformément aux normes en vigueur dans le pays où est installée la machine, selon les instructions du constructeur et par un personnel qualifié. Le constructeur décline toute responsabilité pour d'éventuels dommages découlant d'une absence de mise à la terre de l'installation. Pour la sécurité électrique de cet appareil, il faut obligatoirement installer une mise à la terre, en s'adressant à un électricien certifié, qui devra contrôler que la capacité électrique de l'installation est appropriée à la puissance maximale de l'appareil, figurant sur la plaque signalétique.
Fig. 2

Il devra plus particulièrement s'assurer que la section des câbles de l'installation est appropriée à la puissance absorbée par l'appareil.
Il est interdit d'utiliser des adaptateurs, des prises multiples ou des rallonges.
S'il faut obligatoirement en utiliser, faire appel à un électricien muni d'une autorisation provisoire.
Durant l'installation du dispositif, utiliser les composants et les matériaux fournis en dotation avec le dispositif. Si l'utilisation de composants supplémentaires s'avère nécessaire, l'installateur doit vérifier l'adéquation de ces derniers pour un emploi au contact de l'eau pour la consommation humaine.
La machine doit être installée conformément aux normes en vigueur, en matière de santé, pour les installations hydrauliques. Il faut donc que l'installation hydraulique soit réalisée par un technicien autorisé.
L'alimentation du dispositif doit être effectuée avec de l'eau ajustée pour la consommation humaine conformément aux dispositions en vigueur dans le pays d'installation. L'installateur doit recevoir de la part du propriétaire/gérant de l'installation, une confirmation écrite indiquant que l'eau respecte les caractéristiques susmentionnées.
Cet appareil ne doit être utilisé que pour l'utilisation décrite dans ce livre. Le constructeur décline toute responsabilité pour d'éventuelles déteriorations découlant d'utilisations inadéquates, erronées et déraisonnables.
L'appareil ne doit pas être utilisé par les enfants, ni par les personnes présentant des capacités physiques, sensorielles ou mentales réduites ou n'ayant pas les connaissances adéquates, sauf sous supervision ou après avoir reçu les instructions nécessaires.
Cet appareil est destiné à un usage professionnel.
La température de fonctionnement doit être comprise entre [+5, +35]^.
Au terme de l'installation, le dispositif doit être actionné jusqu'à ce qu'il atteigne la condition nominale de travail en le laissant en condition de "prêts au fonctionnement". Eteindre ensuite le dispositif et vider entièrement le circuit hydraulique de sa première eau afin d'éliminer toute impureté eventuelle. Le dispositif doit être ensuite à nouveau chargé et actionné jusqu'aux conditions nominales de fonctionnement.
Lorsqu'on atteint la condition "prêts au fonctionnement", effectuer les distributions suivantes:
- 100% du circuit café à travers le distributeur de café (pour plusieurs distributeurs, diviser en mesures égales);
- 100% du circuit eau chaude à travers le distributeur d'eau (pour plusieurs distributeurs, diviser en mesures égales);
- ouverture de chaque sortie vapeur pendant 1 minute.
Au terme de l'installation, il serait préférable de rédiger un rapport des opérations effectuées.

Avertissement
Avant d'utiliser la machine, lire entièrement et attentivement la notice d'utilisation ou au moins les consignes de sécurité et la mise au point.

L'utilisation de tout appareil électrique comporte le respect de certaines règles fondamentales.
En particulier:
- ne pas toucher l'appareil avec les mains ou les pieds mouillés;
- ne pas utiliser l'appareil lorsqu'on est pieds nus;
- ne pas utiliser de rallonge dans des endroits réservés au bain et à la douche;
- ne pas tirer sur le câble d'alimentation pour débrancher l'appareil du secteur d'alimentation;
- ne pas laisser l'appareil exposé aux agents atmosphériques (pluie, soleil, etc.);
- Ne pas laisser des enfants ou des personnes non autorisées, n'ayant pas lu et bien compris cette notice, utiliser l'appareil.



Le technicien autorisé doit, avant d'effectuer toute opération d'entretien, débrancher la fiche après avoir arrêté l'interrupteur de la machine.


Pour les opérations de nettoyage placer la machine en situation énergétique "O", c'est-à-dire "INTERRUPTEUR MACHINE ETEINT ET FICHE DEBRANCHEE" et respecter exclusivement ce qui est prévu dans ce livre.

En cas de panne ou de dysfonctionnement de l'appareil, l'arrêter. Il est strictement interdit d'intervenir. Il faut s'adresser exclusivement à un personnel professionnel qualifié.
L'éventuelle réparation des produits doit être effectuée uniquement par le constructeur ou par le centre d'assistance conventionné et en utilisant exclusivement des pièces détachées d'origine. Le non-respect de ce qui est indiqué ci-dessus peut compromettre la sécurité de l'appareil.

Lors de l'installation, l'électricien muni d'une autorisation provisoire doit installer un interrupteur omnipolaire conformément aux normes en vigueur en matière de sécurité, avec une distance d'ouverture des contacts égale ou supérieure à 3 mm.

Pour éviter des échauffements dangereux, il est recommandé de dérouler le câble d'alimentation sur toute sa longueur.

Ne pas boucher les grilles d'aspiration et/ou de dissipation en particulier du chauffe-tasses.


Le câble d'alimentation de cet appareil ne doit pas être remplacé par l'utilisateur. En cas de détérioration, arrêter l'appareil et pour le remplacer s'adresser uniquement à un personnel professionnel qualifié.

Dès que l'on décide de ne plus utiliser un appareil de ce genre il est recommandé de le rendre inopérant après avoir débranché la fiche, couper le câble d'alimentation.



Ne pas jeter la machine dans la nature : pour l'élimination, s'adresser à un centre autorisé ou contacter le constructeur qui vous fournira des indications nécessaires à ce sujet.

Pour favoriser l'aération de la machine, la placer à 15 cm (5,9 in) de murs ou d'autres machines du côté de l'aération.

Après avoir commencé le lavage de la machine, ne pas l'arrêter, car des résidus de détergent peuvent rester à l'intérieur du groupe de distribution.

Avertissement RISQUE d'intoxication

Pendant l'utilisation de la buse vapeur, faire très attention, ne pas mettre les mains sous cette dernière et ne pas la toucher immédiatement après l'utilisation.

Avertissement RISQUE de brulure


Ne pas oublier qu'avant d'effectuer toute opération d'installation, d'entretien, de vidange, de réglage, l'opérateur qualifié doit porter des gants de travail et des chaussures contre les accidents.

L'opérateur, lorsqu'il rajoute du café, ne doit pas mettre les mains à l'intérieur du conteneur.

Le niveau sonore de la machine est inférieur à 70db.

En cas de machine avec branchement hydrique au réseau, la pression minimum doit etre de 0,6 MPa alors que la pression maximum pour le fonctionnement correct de la machine ne doit pas dépasser 1.3MPa



Renseignements aux utilisateurs
Aux sens de l'art. 13 du Décret Législatif du 25 juillet 2005, n. 151 "Réalisation des Directives 2002/95/CE, 2002/96/CE et 2003/108/CE, relatives à la réduc
réduction de l'utilisation de substances dangereuses dans les appareillages électriques et électroniques, ainsi qu'à l'enlèvement des ordures".
Le symbole de la poubelle barré reporté sur l'appareillage indique que le produit, à la fin de sa propre vie utile, doit être recueilli séparément d'autres ordures. L'utilisateur devra, donc, transmettre l'appareillage arrivé à la fin de sa vie aux centres aptes à la récolte différentiée des déchets électroniques et techniques, ou le rendre au détaillant au moment de l'achat d'un nouvel appareillage de même type, à raison d'échange un à un. La récolte différentiée propre pour le départ successif de l'appareillage laissé au recyclage, au traitement et à l'enlèvement compatible d'un point de vue de l'environnement, contribue à éviter de possibles effets négatifs sur le milieu et sur la santé et il favorise le recyclage des matériels dont l'appareillage se compose. L'enlèvement illégal du produit de la part de l'utilisateur compte l'application des sanctions administratives dont au D. Lgs. n. 22/1997" (article 50 et suivants du D. Lgs. n.22/1997).
Pour toute communication avec le constructeur Nuova Simonelli, il faut toujours préciser le numéro de série de la machine.

La machine est transportée sur une palette avec plusieurs machines dans des boîtes assurées à la palette avec des sangles.
Avant toute opération de transport ou de manutention, l'opérateur doit:
- mesure des gants, des chaussures contre les accidents et une combinaison ayant des élastiques aux extrémités.
Le transport de la palette doit être effectué à l'aide d'un engin de levage approprié (type chariot élèveur).

Attention
DRISQUE DE CHOC
OU D'ECRASEMENT.
L'opérateur, pendant toute la manutention, doit faire attention que des personnes, des choses ou des objets ne se trouvent pas dans la zone d'opération. Lever lentement la palette à environ 30 cm (11,8 in) du sol et aller dans la zone de chargement. Après avoir contrôlé qu'il n'y a pas d'obstacles, de choses ou de personnes, procéder au chargement. Une fois arrivée à destination, toujours avec un moyen de levage approprié (ex. chariot élévateur), après s'être assuré qu'il n'y a pas de choses ou de personnes dans la zone de déchargement, amener la palette vers le sol en la manutentionnant à environ 30 cm (11,8 in) du sol, jusqu'à la zone de stockage.

Attention
RISQUE DE CHOC
OU D'ECRASEMENT
Avant l'opération suivante, contrôlez que la charge est en place et qu'en coupant les sangles elle ne tombe pas. L'opérateur, avec des gants et des chaussures contre les accidents, doit couper les sangles et stocker le produit.
Pendant cette opération, consulter les caractéristiques techniques du produit pour voir le poids de la machine à stocker et pouvoir se composer en conséquence.

Attention
DANGER DE POLLUTION
Fig. 10
Lorsque la machine est libérée de la palette ou du conteneur, ne pas la jeter dans la nature, danger de pollution.
4. Description
Fig. 11
Legende
b0 Filtre double. b1 Ressort. b2 Porte-filtre. b3 Bec débit. b4 Doseur café. b5 Presse café. b6 Filtre simple.
Legende
1 Réservoir d'eau. Le réservoir contient 2,3 litres d'eau. Même si la machine fonctionne avec n'importe quel type d'eau, plus l'eau a un faible degré de durcie, plus la durée est longue. 2 Manette vapeur. Ouvre le robinet et règle la quantité de vapeur distribuée. 3 Panneau de commande. 4 Prise isolante.
5 Buse articulée de distribution vapeur. Sortie vapeur pour chauffage à vapeur de liquides dans des récipients. 6 Raccords groupe distribution. Logement du porte-filtre (b1). 7 Bac récuperation d'eau. 8 Plan chauffe-tasses. 9 Manomètre. 10 Commutateur alimentation machine. 11 Commutateur éclairage. 12 Lance de distribution eau chaude. 13 Grilles de chauffage des tasses. 14 Porte réservoir d'eau.
4.1 Description du tableau des commandes
Fig. 12
Legende
15 Voyant lumineux résistance chaudière 16 Interrupteur marche/arrêt machine Appuyer sur cet interrupteur pendant 2 sec. pour allumer ou éteindre la machine 17 Poussoir de distribution 2 cafés
18 Poussoir de distribution continue café Frapper une fois ce poussoir pour la distribution du café Frapper deux fois ce poussoir pour interrompre la distribution du café 19 Poussoir de distribution 1 café 20 Poussoir de distribution eau chaude 21Voyant lumineux réservoir eau
5. Installation
Avant l'installation, lire attentivement les consignes de sécurité au début de cette notice.
- Àpres avoir sorti la machine de son emballage, se conformer à ce qui est décrit dans le chapitre "REMARQUES GENERALESALALIVRAISON".
- La placer sur un plan horizontal.
Installer les accessoires comme suit:
- Introduire la bague (b1) à l'intérieur du logement portefiltre.
- Introduire l'un des deux filtres (b0 ou b6).
Version jerrycan
- Ouvrir la porte (14) et extraire le réservoir (1).
- Surtout la première fois, laver le réservoir avec de l'eau et du savon.
- Remplir le réservoir d'eau et s'assurer que l'extérieur du réservoir soit sec.
- Remplacer le réservoir (1) dans son logement et refermer la porte (14).
Version Branchement direct au réseau de distribution d'eau

Attention
Pour le branchement au réseau hydrique, utiliser un tube nouveau et approprié à l'emploi de destination. 5. Extraire le tube de la porte située (14) sur la partie supérieure de la machine.
- Relier l'extrémité du tube au raccord situé sur la base de la machine.
- Brancher l'autre extrémité du tube avec raccord 1/8 au réseau de distribution d'eau.
- S'assurer que le bac de récupération d'eau (7) est bien introduit. S'assurer que la grille reposantasses (8) est bien droite et à plat.
- Vérifier que la poignée vapeur (2) soit fermée vers le bas.
- Contrôler que la tension du secteur correspond aux indications figurant au dos.
- Seulement si la poignée vapeur (2) est fermée et si la tension de réseau est appropriée, brancher la fiche dans la prise de courant.
- Fin des opérations préliminaires, la machine est prête pour la mise au point.
NOTE: En début de journée et en cas de pauses dépassant les 8 heures, il est nécessaire de procéder à la vidange complète de l'eau (100%) contenue dans les circuits, à travers les distributeurs respectifs.
NOTE: Pour les exercices ou le service est continu, effectuer les vidanges susmentionnées au moins une fois par SEMAINE.
6.1 Programmation DOSES
Pour accéder à Programmation, procédez comme suit:
NOTE: Cette opération peut être effectuée avec la machine allumée.
Pour accéder à la programmation doses, appuyer pendant 5 secondes sur la touche distribution continue - Les touches de distribution se mettent à clignoter.
Pour programmer la dose d'eau relative à l'une des touches de distribution, procéder comme suit:
- remplir avec la juste dose de café le porte-filtre (le porte-filtre peut être simple ou double, selon la touche que l'on désire programmer).
- Enclencher le porte filtre sur le groupe. Frapper l'un des boutons distributeurs:



La distribution démarre ; quand la quantité désirée est atteinte, frapper à nouveau cette touche.



Pour quitter la programmation, frapper la
touche
6.3 Programmation eau CHAUBE
- Entrer dans la page de programmation selon la procédure relative.

Frapper la touche sélection eau chaude. La distribution de l'eau chaude commence. Établir la dose d'eau chaude désirée et frapper à
nouveau la touche

Pour quitter la Programmation, frapper la
touche

6.4 Programmation DOSES standard
Il est possible de programmer des valeurs pré-déterminées pour les doses du groupe et pour l'eau chaude.
Pour cela, il suffit d'appuyer sur la touche

pendant au moins 10 secondes jusqu'à ce que les touches clignotantes s'éteignent.
Les doses sont:
| 1CN | 2CN | CONT. | EAU |
| 80 cc | 120 cc | 160 cc | 45 sec. |
NOTE : Un temps de 0 secondes pour l'eau détermine son fonctionnement en mode continu.
6.5 Fonctions supplementaires
Toujours à l'intérieur de la programmation (alors qu'aucune distribution n'est active), en appuyant sur
la touche " ZTOR" puis, en maintainant cette touche

toujours appuyée, en frappant la touche ", on accède à la page de programmation des paramètres:
- Actionnement bloc logiciel pour l'accès à la programmation des doses.
- Réglage luminosité clavier.
- Actionnement pré-infusion dosage.

- La touche permet d'actionner le bloc logiciel pour la programmation des doses (touche allumée) ou on l'exclut (touche éteinte). Pour éliminer le bloc logiciel pour la programmation, il suffit de quitter la modalité de programmation des doses et de suivre la procédure suivante : depuis l'état de OFF, positionner la centrale sur ON ; lors que le lamp-test
démarrera, relâcher la touche

et frapper


simultanément les touches jusqu'au terme du Lamp-test.

La touche, qui clignote, est utilisée pour régler la luminosité des touches parmi 9 niveaux
préétablis. La pression de la touche provoque la diminution de la valeur de luminosité jusqu'à minimum, pour revenir ensuite à la valeur maximum.

- La touche permet d'actionner la préinfusion (d'environ 3 sec) sur les distributions (touche allumée) ou de l'exclure (touche éteinte).

En appuyant sur la touche, on quitte la programmation des paramètres et on revient sur la programmation des doses.
7. Utilisation
L'opérateur doit, avant d'utiliser la machine, avoir lu et compris parfaitement les prescriptions de sécurité contenues dans ce manuel.
7.1 Mise en MARCHE/ arrêt de la machine
- Brancher la machine à la prise électrique, la diode lumineuse de la touche de mise en

commence à clignoter.

Appuyer sur touche de mise en marche pendant 2 secondes. L'état de machine en fonction est indiqué par l'allumage permanent de la diode lumineuse de
la touche de mise en marche et de toutes les diodes des touches de distribution.
À partir de la mise en marche, attendre 25 minutes environ pour obtenir un café crémeux.
NOTA: toutes les touches de sélection sont validées dès la fin du diagnostic.

Attention
En cas de manipulation de la carte électronique, éteindre la machine à l'aide de l'interrupteur général et débrancher le câble d'alimentation.
Pour éteindre la machine, appuyer sur la touche
de mise en marche pendant 5 secondes ; les diodes des touches de distribution s'éteignent et la diode de la touche de mise en marche se remet à clignoter.
7.2 Preparation du CAFE
Dégager le support à filtre et remplir l'une ou les deux doses de café moulu selon le filtre utilisé.
Si nécessaire, le replacer à l'aide d'un outil.
Fig. 14
Le doseur de café (b4) rempli au ras fournit la juste quantité pour obtenir un simple café. Mettre le café contenu dans le doseur (b4) dans le filtre individuel (b6) ou mettre 2 fois le café contenu dans le doseur (b4) dans le filtre double (b0).
Presser le café avec le presseur fourni, nettoyer le bord annulaire du filtre des résidus de poudre de café (pour garantir une meilleure tenue et une moindre usure de la garniture du filtre).
Fig. 15
Emboiter alors le support à filtre sur le groupe. Frapper le pouvoir café désiré:
1 Café
2 Café
Café Continu
La pompe s'actionne et l'électrovanne du groupe s'ouvre, en faisant démarrer l'infusion du café. L'opération est indiquée par l'allumage de la touche frappée.
NOTE : Lors des pauses, laisser le support à filtre emboité afin qu'il reste chaud.
Les groupes de distribution sont compensés thermiquement par circulation totale d'eau chaude, afin de garantir le maximum de stabilité thermique pendant le service.

Attention RISQUE de brulures
Pendant l'utilisation de la vapeur, veiller à ne pas mettre les mains sous la vapeur et à ne pas toucher tout de suite la lance.
La lance vapeur peut être utilisée de façon continue pendant une durée maximum de 45 secondes.
Pour utiliser la vapeur, il suffit de pousser le levier respectif (Fig. 16).
En poussant le levier à fond, il reste bloqué sur la position de distribution maximum ; en tirant sur le levier, son retour est automatique.

NOTE: L'utilisation de la lance vapeur doit être précédée d'une purge d'au moins 2 secondes de l'eau de condensation ou selon les instructions du constructeur.
7.4 Preparation du cappuccino
Pour obtenir la mousse typique du cappuccino, plonger le bec de la vapeur au fond du récipient qui doit être rempli d'un tiers (il est préférible que le récipient soit conique et allongé).
Ouvrir la vapeur. Avant que le lait n'ait atteint l'ébullition, positionner le bec de la vapeur à la surface en effleurant le lait par des petits mouvements dans le sens vertical. À la fin de l'opération, nettoyer soigneusement la lance avec un chiffon douple.


Attention RISQUE de brulures
Pendant l'utilisation de la lance à eau chaude, veiller à ne pas mettre les mains sous la vapeur et à ne pas toucher tout de suite la lance.
Permet la distribution de l'eau chaude pour la préparation du thé, de la camomille et des tisanes.
Positionner sous la lance de l'eau chaude un récipient et frapper le pouvoir de sélection de l'eau

Vérifier que le pouvoir s'allume.
La lance à eau chaude distribue de l'eau pendant le temps programmé.
NOTE: La distribution de l'eau chaude peut se faire de façon non simultanée à celle du café.
7.6 Remplissage reservoir
Quand l'eau du réservoir est terminée, le voyant

s'allume sur le panneau de commande
Pour rétablir le fonctionnement correct de l'appareil, agir de la façon suivante:
Ouvrir le portillon et extraire le réservoir.

- Remplir le réservoir avec de l'eau minérale (à bas contenu de calcaire).
Au terme de l'opération, il suffit de remettre le récipient dans son emplacement et de refermer le portillon pour remettre la machine en condition de fonctionnement correct.
NOTE: Le récipient peut être extrait même s'il n'est pas vide; en effet, le liquide ne peut pas fuir par-dessous.
8. Arrêt
Pour éteindre la machine, frapper la touche (16) qui se met à clignoter.
Il est possible aussi de commuter l'interrupteur machine (10) ; dans ce cas, tous les voyants lumineux s’éteignent.
NOTE: Pour les longues pauses et pour plus de sécurité, il est conseillé de débrancher la fiche de la prise de courant.
9. Entretien
Si les nettoyages, indiqués dans la partie précédente, sont exécutés comme il se doit, il n'y a peu d'entretien à effectuer.
Pour toute intervention sur la machine, contacter le concessionnaire ou où a été achetée la machine.
Durant l'entretien/réparation, les composants utilisés doivent garantir le maintien des conditions d'hygiène et de sécurité prévues pour le dispositif. Les pièces de rechange originales fournissent cette garantie.
Après une réparation ou une substitution de composants qui concernent des parties qui sont en contact avec l'eau et les alimentés, il faut effectuer la procédure de lavage ou suivre les procédures indiquées par le constructeur.
10. Nettoyage
Sauf le nettoyage du groupe de distribution (6), et indiqué sur le tableau qui suit, tout type de nettoyage doit être effectué en situation énergétique zéro (fiche débranchée du secteur) et avec les parties chaudes à température ambiante, suivant ce tableau.
| N° | Types de nettoyage | N° pièce | FRÉQUENCY | ||
| Immédiatement après utilisation | tous les jours | toutes les semaines | |||
| 1 | Nettoyage buse | 5 | ■ | ■ | ■ |
| 2 | Nettoyage filtré et porte-filtre | b2, b0, b6 | ■ | ■ | ■ |
| 3 | Nettoyage extérieur machine | a | ■ | ■ | |
| 4 | Nettoya ge grille | 8 | ■ | ■ | |
| 5 | Nettoyage bac porte-liquides | 7 | ■ | ■ | ■ |
| 6 | Nettoyage réservoir d'eau | 1 | ■ | ||
| 7 | Nettoya ge douche | 6 | ■ | ||
| 8 | Nettoyage joint groupe distribution | 6 | ■ | ■ | |
| 9 | Nettoyage groupe distribution | 6 | ■ | ||
1. Nettoyage de la buse.
Utiliser un chiffon légèrement humidifié d'eau chaude et/ou de détergent neutre.
2. Nettoyage du filtre et portefiltre.
Eventuellement en s'aidant d'un outil, séparer le filtre (b0/b6) du portefiltre (b2). - Nettoyer avec un jet d'eau (robinet) et essuyer. Le cas échéant, nettoyer le filtre à l'aide d'une petite brosse.
3. Nettoyage de la surface extérieure de la machine.
Pour le nettoyage extérieur de la machine, n'utiliser aucun type de solvant, mais uniquement un chiffon légèrement humidifié d'eau chaude et de savon neutre.
4) Nettoyage de la grille.
- Nettoyer la grille à l'eau chaude et au savon avec une brosse.
5) Nettoyage bac porte-liquide.
Nettoyer le bac porte-liquide à l'eau chaude et au savon en utilisant éventuellement une brosse.
REMARQUE: le bac porte-liquide peut être utilisé en lave-vaiselle.
ATTENTION: ne jamais utiliser de solvant.
6. Nettoyage réservoir d'eau.
Utiliser de l'eau et du savon, puis bien rincer. REMARQUE: si par hasard l'eau a laissé des dépôts indésirés, laver à l'aide d'un goupillon.
7. Nettoyage douche.
- ATTENTION RISQUE DE BRULURE: opération effectuée avec la machine allumée, il faut donc faire particulièrement attention.
- Nettoyer les trous de la douche de distribution à l'aide d'une brosse en soie légèrement rigide.
- Appuyer sur le bouton distribution (19) pour libérer les petits trous.
8. Nettoyage joint groupe distribution.
- À l'aide d'une petite rosse, éliminer les incrustations ou les résidus de café du joint du groupe de distribution.
9. Nettoyage groupe distribution
- À l'aide d'une petite brosse, éliminer les incrustations
tions et les résidus de café de la douche du groupe de distribution.
11. Anomalies et remèdes
votre machine a cafe express ne fonctionne pas correctement, essayez de voir parmi les causes et remèdes indiqués ci-dessous.
Consultez également les chapitres concernés dans la notice d'utilisation.
| Anomalies | Remèdes |
| La machine ne prépare pas l'express. | Vérifier si le tímoin lumineux, manque d'eau, est allumé: il n'y a plus d'eau dans le réservoir ou le réservoir n'est pas replacé correctement. Le café a été moulu trop fin ou a été trop pressé. La douche est bouchée. Il faut éliminer le calcaire de la machine. |
| Le café sort sur les côtés du portefiltre. | Le portefiltre n'a pas été introduit correctement. Le portefiltre n'a pas été assez serré. Il faut enlever les dépôts de café du joint (voir chap. Nettoyage). |
| La "crème" est insuffisante ou inexistant. | Contráler la dose de café: le doseur doit être rempli au ras. La machine n'est pas chaude: le tímoin lumineux résistance est étant? Le café moulu a un grain trop gros. Le café n'a pas été bien pressé dans le filtre. Le café n'est pas frais. L'eau n'est pas fraîche. |
| La "crème" est trop foncée et/ou le café a un goût de brûlé. | Le café est moulu trop fin. Le café a été trop pressé. La dose de café est excessive. |
| The coffee is not hot enough. | L'eau chaude passée à travers le filtre trop rapidément. Pour faire 2 tasses il faut de 25 à 40 secondes. Le café dans le filtre n'a pas été pressé correctement. Le café a été moulu trop gros. Le portefiltre est froid. Le porte-filtre doit toujours rester inséré dans la machine pendant le chauffage et l'utilisation pour le conservé chaud. Les tasses sont froides. Les tasses doivent être placées sur le plan chauffes-tasses ou préchauffées avec de l'eau chaude avant de les utilisier. Le thermostat de sécurité de la chaudière est intervenu: contacter le centre d'assistance le plus proche. |
| La pompé n'e prend pas l'eau du réservoir. | Ouvrir la lance vapeur (2) et agir de façon répétée sur la touche café (18). |

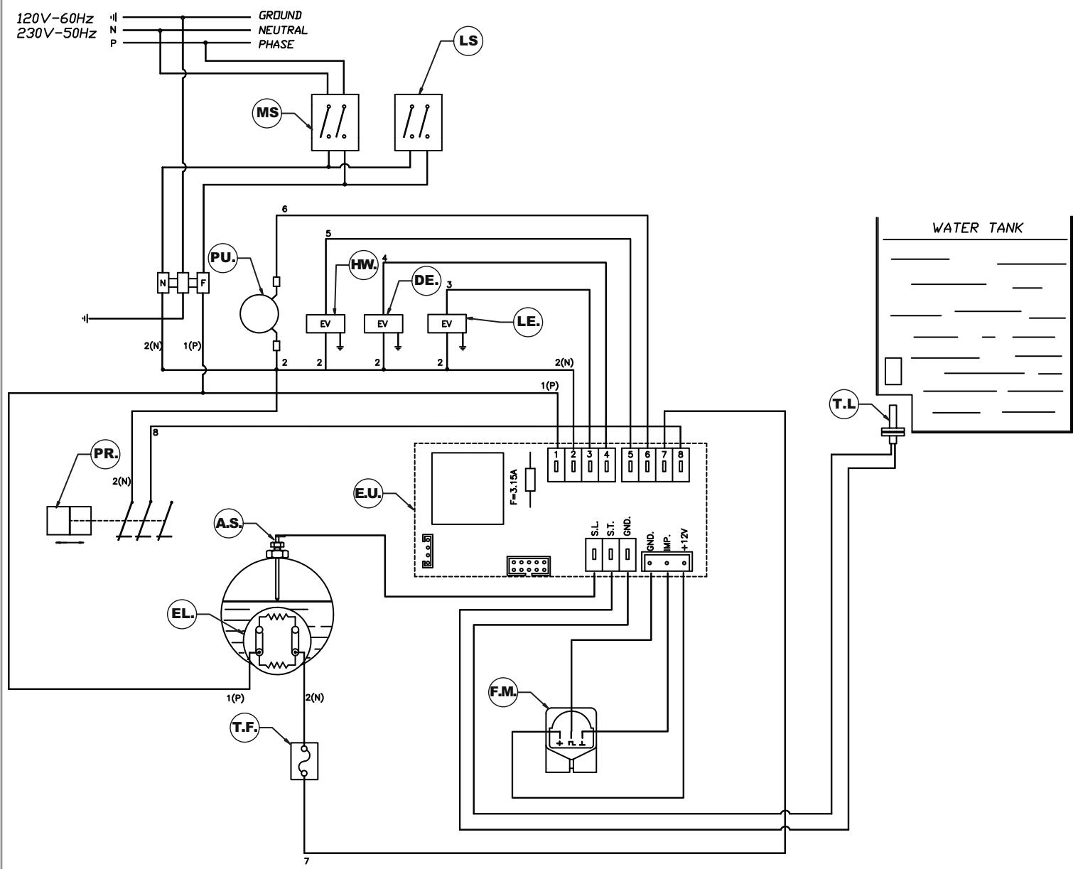
A. S. SENSORE AUTO LIVELLAMENTO M. S. INTERRUTTORE PRINCIPALE L. S. INTERRUTTORE LUCE E. U. UNITA' ELETTRONICA F. M. MISURATORE DI PORTATA T. L. SENSORE LIVELLO SERBATOIO PU. POMPA H. W. ELETTRVALVOLA ACQUA CALDA DE. ELETTRVALVOLA EROGATORE CAFFE' LE. ELETTRVALVOLA LIVELLO PR. PRESSOSTATO T. F. FUSIBLE EL. ELEMENTO
A.S. AUTO LEVEL SENSOR M.S. MAIN SWITCH L.S. LIGHT SWITCH E.U. ELECTRONIC UNIT F.M. FLOW METER T.L. TANK LEVEL SENSOR PU. PUMP H.W. HOT WATER ELECTROVALVE D.E. COFFEE DELIVERY ELECTROVALVE L.E. LEVEL ELECTROVALVE P.R. PRESSURE SWITCH T.F. THERMAL FUSE E.L. ELEMENT
Legende
A. S. CAPTEUR MISE A NIVEAU AUTOMATIQUE M. S. INTERRUPEUR PRINCIPAL L. S. INTERRUPEUR ECLAIRAGE E. U. UNITE ELECTRONIQUE F. M. MESUREUR DE DEBIT T. L. CAPTEUR NIVEAU RESERVOIR PU. POMPE H. W. ELECTROVANNE EAU CHAUBE DE. ELECTROVANNE DISTRIBUTEUR CAFE LE. ELECTROVANNE NIVEAU PR. PRESSOSTAT T. F. FUSIBLE EL. ELEMENT
Legende
A. S. SELBSTNIVELLIERUNGSSSENSOR M. S. HAUPTSCHALTER L. S. SCHALTER BELEUCHTUNG E. U. ELEKTRONISCHE STEÜRINHEIT F. M. DURCHFLUSSMESSER T. L. FULLSTANDSENSOR TANK PU. PUMPE H. W. MAGNETVENTIL HEISSWASSER DE. MAGNETVENTIL KAFFEEAUSGUSS LE. MAGNETVENTIL FULLSTAND PR. DRUCKSCHALTER T. F. SCHMELZSICHERUNG EL. ELEMENT
A. S. SENSOR AUTO NIVELADO M. S. INTERRUPTOR PRINCIPAL L. S. INTERRUPTOR LUZ E. U. UNIDAD ELECTRONICA F. M. MEDIDOR DE CAPACIDAD T. L. SENSOR NIVEL DEPOSITO PU. BOMBA H. W. ELECTROVÁLVULA AGUA CALIENTE DE. ELECTROVALVULA EROGADOR CAFÉ LE. ELECTROVÁLVULA NIVEL PR. PRESOSTATO T. F. FUSIBLE EL. ELEMENTO

| LEGENDA | LEGEND | LEGENDE |
| SL | SL | SL |
| SP | SP | SP |
| GND | GND | GND |
| IMP | IMP | IMP |
| +12V | +12V | +12V |
| F | F | F |
| N(Comune) | N (Common) | N(Commun) |
| EV LIVELLO | LEVEL ELECTROVALVE | EV NIVEAU |
| EV EROGAZIONE | DELIVERY ELECTROVALVE | EV DISTRIBUTION |
| VAP/H2O | STEAM/WATER | VAP/H2O |
| POMPA | PUMP | POMPE |
| RESISTENZA | ELEMENT | RESISTANCE |
| PRESSOSTATO | PRESSURE SWITCH | PRESSOSTAT |
| LEGENDE | LEYENDA |
| SL | SL |
| SP | SP |
| GND | GND |
| IMP | IMP |
| +12V | +12V |
| F | F |
| N( Nulleiter) | N (Común) |
| EV FÜLLSTAND | EV NIVEL |
| EV AUSGUSS | EV EROGÁNCION |
| VAP/H2O (DAMPF/WASSER) | VAP/H2O |
| PUMPE | BOMBA |
| WIDERSTAND | RESISTENCIA |
| DRUCKSCHALTER | PRESOSTATO |

- SERBATOIO ACQUA
- SONDE SERBATOIO
- POMPA
- VALVOLA DI NON RITORNO
- ELETTRVALVOLA LIVELLO
- SCAMBIATORE DI CALORE
- BOILER
- ELEMENTO RISCALDANTE
- VALVOLA DI SISTEMA
- PRESSOSTATO
- VALVOLA ANTI-VUOTO
- SONDA DI LIVELLO
- ELETTRVALVOLA EROGAZIONE
- GRUPPO
- VALVOLA DI ESPANSIONE
- ELETTRVALVOLA ACQUA CALDA
- MANOMETRO BOILER
- WATER TANK
- PROBES TANK
- PUMP
- RETAINING VALVE
- LEVEL SOLENOID
- HEAT EXCHANGER
- BOILER
- HEATING ELEMENT
- SYSTEM VALVE
- SAFETY VALVE
- PRESSOSTAT
- ANTI-VACUUM VALVE
- LEVEL PROBE
- DELIVERY SOLENOID
- GROUP
- EXPANSION VALVE
- HOT WATER SOLENOID
- BOILER PRESSURE METER
- FLOW METER
Legende
- RESERVOIR EAU
- SONDES RESERVOIR
- POMPE
- SOUPAPE DE NON RETOUR
- ELECTROVANNE NIVEAU
- ECHANGEUR DE CHALEUR
- CHAUFFE-EAU
- ELEMENT DE RECHAUFFEMENT
- SOUPAPE DE SYSTEME
- SOUPAPE DE SURETE
- PRESSOSTAT
- SOUPAPE ANTI-VIDE
- SONDE DE NIVEAU
- ELECTROVANNE DISTRIBUTION
- GROUPE
- SOUPAPE D'EXPANSION
- ELECTROVANNE EAU CHAUBE
- MANOMETRE CHAUFFE-EAU
- MESUREUR DE DEBIT
Legende
- WASSERTANK
- SONDEN TANK
- PUMPE
- MAGNETVENTIL FULLSTAND
- WARMEAUSTAUSCHER
- BOILER
- HEIZELEMENT
- SYSTEMVENTIL
- DRUCKSCHALTER
- ANTIVAKUUM-VENTIL
- FÜLLSTANDSONDE
- MAGNETVENTIL AUSGUSS
- GRUPPE
- AUSDEHNUNGSVENTIL
- MAGNETVENTIL HEISSWASSER
- MANOMETER BOILER
- DEPOSITO AGUA
- SONDAS DEPOSITO
- BOMBA
- VALVULA SIN RETORNO
- ELE ELECTROVALVULA NIVEL
- INTERCAMBIADOR DE CALOR
- CALENTADOR
- ELEMENTO CALENTADOR
- VALVULA DE SISTEMA
- VÁLVULA DE SEGURIDAD
- PRESOSTATO
- VALVULE ANTI-VACUO
- SONDA DE NIVEL
- ELE ELECTROVÁLVULA
- GRUPO
- VÁLVULA DE EXPANSION
- ELE ELECTROVALVULA AGUA
Notice Facile