SE 24 BT - Lanceur spatial ARIANE - Notice d'utilisation et mode d'emploi gratuit
Retrouvez gratuitement la notice de l'appareil SE 24 BT ARIANE au format PDF.
| Type d'appareil | Chaudière à gaz murale |
| Installation | Sur conduit de cheminée ou à l'aide d'une ventouse |
| Modèles disponibles | AE 24 BT, SE 24 BT, SE 28 BT |
| Fonction | Chauffage et production d'eau chaude sanitaire |
| Type de gaz | Gaz naturel ou propane |
| Puissance | Non précisé |
| Type de raccordement | Conduit de cheminée ou ventouse |
| Fabricant | IC IDEAL CLIMA S.p.A. |
| Lieu de fabrication | Italie |
| Garantie | Validation par technicien qualifié requise |
| Norme CE | 0068 |
| Maintenance | Entretien régulier recommandé |
| Dimensions | Non précisé |
| Poids | Non précisé |
| Type de ballon | Intégré |
| Alimentation électrique | Non précisé |
FOIRE AUX QUESTIONS - SE 24 BT ARIANE
Téléchargez la notice de votre Lanceur spatial au format PDF gratuitement ! Retrouvez votre notice SE 24 BT - ARIANE et reprennez votre appareil électronique en main. Sur cette page sont publiés tous les documents nécessaires à l'utilisation de votre appareil SE 24 BT de la marque ARIANE.
MODE D'EMPLOI SE 24 BT ARIANE
La première mise en service de la chaudière et la validation de la garantie doivent être effectuees par un technicien qualifie.
LIB0201PID - 2ème édition - 31/05/2000 + FG///09//00
AVERTISSEMENTS
Ce livre, qui fait partie intégrante et essentielle du produit, est fourni avec chaque chaudière.
Lire attentivement les informations contenues dans celui ci, car celles-ci fournissent des indications importantes concernant la sécurité de l'installation, de l'utilisation et de la maintenance. L'installation de la chaudiere doit etre effectue par des spécialistes du secteur, dans le respect des normes en vigueur et conformement aux instructions du fabricant. Apre s avoir efectue le deballage, s'assurer que le content est intact; en cas de doute, ne pas utiliser I'appareil et s'adresser au fournisseur.
IMPORTANT: cette chaudière sert à rechauffer l'eau à une température inférieure à celle d'ébullition à la pression atmosphérique : elle doit être raccordée à une installation de chauffage et/ou à un réseau de distribution d'eau chaude compatible avec ses capacités et sa puissance.
Cet appeareil devra etre destiné exusivement a l'emploi pour lequel il a ete expressement concu. Tout autre emploi sera considere impropre et, par consequent, dangereux. Le fabricant ne pourra en aucun cas etre considere responsable des dommages eventuels provoques par un usage impropre, incorrect ou irrationnel.
Ne pas obstruer les grilles d'air haute et basses, nécessaires au bon fonctionnement de la chaudiere.
Ne pas mouiller la chaudiere en l'aspergeant d'eau ou d'autres liquides.
Ne poser aucun objet sur la chaudiere.
Ne déposer aucin réciipient contenant des substances inflammables à proximé de la chaudière.
Ne jamais nettoyer la chaudière à l'aide de substances inflammables.
L'utilisation d'appareils utilisant I'énergie électrique comporte le respect de règles fondamentales, telles que :
a) ne pas toucher à l'appareil avec des parties du corps mouillé ou pieds nus.
b) ne pas tirer sur les cables electriques.
c) ne pas laisser les enfants ou les personnes inexpertes se servir de l'appareil.
d) le cable d'alimentation et les fusibles ne doivent pas etre substitués par l'usager mais par un technicien qualifie.
En cas d'odeur de gaz, ne pas actionner les commutateursurs electriques. Ouvrir les portes et les fenetres. Fermer les robinets du gaz.
Toutes les recommendations qui suivent sont destinées aux personnes autorisées, à installer et à intervenir sur les produits de l'entreprise IDEAL CLIMA S.P.A.
La maintenance ordinaire et I'eventuelle réparation des produits devront être effectues par un centre d'assistance Apré-s-Ventre agree par EUREKA, en n'utilisant que des pieces détaches d'origine.
Utiliser exclusivement des tubes d'évacuation de fumée et des accessoires électriques homologues et fournis par IDEAL CLIMA S.P.A.
L'homologation des chaudières, dont le code PIN est indiqued dans le present livre, se refère au système d'évacuation fuméchaudière. L'utilisation de tout autre accessoire compromet la sécurité de fonctionnement de l'installation de chauffage et fait déchoir la garantie. IDEAL CLIMA S.P.A. décline toute responsabilité pour les dommages provoqués aux personnes et aux choses en cas de non-respect des recommendations et des modalités d'installation. Le centre d'assistance après-vente agree par EUREKA. intervient en procédant à la mise en service.
En cas d'installation NON CONFORME, avant de proce der a la mise en service, il est indispensable qu'il substitue ou qu'il fasse substituer toute partie qui n'aurait pas ete installed dans le respect des presentes prescritions et des normes ou lois en vigueur.
Avant d'effectuer toute opération de nettoyage ou de maintenance,mettre l'appareil hors tension en agissant sur 1'interrupteur de l'installation et/ou au moyen des organes d'interruption correspondants.
Avant d'effectuer toute intervention prevoyant le demontage du bruleur ou l'ouverture de panneaux d'inspection, débrancher l'appareil et fermer les robinets du gaz.
Avant de changer un fusible ou de proceder à toute autre intervention sur le circuit electrique, débrancher l'appareil.
En cas de travaux à exécuter sur les CONDUITS, étèindre la chaudière ; après avoir terminé l'opération, faire contrôler la bonne évacuation des fumées par du personnel qualifié.
La sécurité de l'appareil n'est assures que si cette dernière est reliée à une installation de mise à terre ajusté, effectue conformément aux normes en vigueur. La verification de cette condition fondamentale doit être effectue par du personnel qualifié; le fabricant n'est enaucun cas responsable des dommages dérivant d'une mise à terre inadéquate de l'installation.
Contréor que l'installation électrique correspond bien à la puissance requise par l'appareil.
Pour l'alimentation de la chaudiere, il est defendu d'utiliser des adaptateurs, des prises multiples ou des rallonges; l'usage d'un interrupteur est prevu, conformement aux normes de sécurité en vigueur.
Sassurer que les ecoulements de securite de la chaudiere sont reliés a un dispositif de vidange ; dans le cas contraire, l'intervention des soupapes de suret pourrait provoquer l'inondation du local, ce dont le fabricant n'est en aucun cas responsable.
Sassurer que les tuyauteries de l'installation ne sont pas utilisées comme prises de terre pour d'autres installations; outre que ne pas ettre appropriees a cet usage, cela pourrait provoquer de graves dommages aux apparciels qui y sont reliés.
Controller:
a) l'etanchéité interieure et extérieure de l'installation d'adduction du gaz que
b) le débit du gaz correspond bien à la puissance de la chaudière;
c) le type de gaz correspond à celui pour lequel la chaudière a été concue ;
d) la pression d'alimentation du gaz est comprise dans les limites indiquees sur la plaquette de la chaudiere ;
e) l'installation d'adduction du gaz est dimensionnee et equipee de tous les dispositifs de securite ou de contrrole prescrit par les normes en vigueur.
INDEX
AVERTISSEMENTS 2
1.1.CARACTERISTIQUES TECHNIQUES ET DIMENSIONS 4
1.1. Dimensions 4
1.2. Schema hydraulique 4
1.3.Diagramme Hauteur de Pression Disponible Installation AE 24 BT.. 5
1.4.Diagramme Hauteur de Pression Disponible Installation SE 24 BT,SE 28 BT..
1.5.AE 24BT:Composants 6
1.6. SE 24 BT : Composants
1.7. SE 28 BT : Composants.. 8
1.8.Donnees techniques 9
1.9.Schemaelec triqueAE24BT 10
1.10.SchemaelectriqueSE24BT,SE28BT 11
- INSTRUCTIONS DESTINÉES À L'INSTALLATEUR 12
2.1.Evacuation des gaz de combustion:SE 24 BT,SE 28 BT 12
2.1.1. Differentes typologies d'évacuation 12
2.1.2. Dimension des tubulures d'évacuation : SE 24 BT 13
2.1.2.1. Tubulures d'évacuation DOUBLES 80 mm 13
2.1.2.2.Tubulures d'evacuation coaxiales 60 mm x 100 mm 13
2.1.3. Dimension des tubulures d'évacuation : SE 28 BT 15
2.1.4.1. Tubulures d'évacuation DOUBLES 80 mm 15
2.1.4.2. Tubules d'évacuation coaxiales 60 mm x 100 mm 16
2.2.Evacuation des gaz de combustion:AE 24 BT 16
2.2.1.Raccordement au conduit 16
2.2.2.Evacuation directe a l'extérieur.. 16
2.2.3. Ventilation des locaux 17
2.3. Fixation de la chaudiere SE BT 17
2.4. Branchements hydrauliques 18
2.5. Branchements electriques 18
2.6. Branchement gaz 19
2.7. Reglages: puissance maximale et puissance minimale 19
2.8. Reglages: allumage lent et puissance chauffage 20
2.8.1. Reglage allumage lent 20
2.8.2. Réglage puissance chauffage 20
2.9.Adaptation pour l'utilisation d'autres gaz 20
2.10.Tableau des pressions - tuyeres AE 24 BT 21
2.10.1 Diagramme Pression gaz - Debit thermique 21
2.11.Tableau des pressions -tuyeres SE 24 BT 21
2.11.1 Diagramme Pression gaz - Débit thermique 21
2.12.Tableau des pressions - tuyeres SE 28 BT 22
2.12.1 Diagramme Pression gaz - Débit thermique 22
- INSTRUCTIONS EN MATIÈRE DE MAINTENANCE 23
3.1 Recommendations generales 23
3.2.Deblocage du circulateur 23
- INSTRUCTIONS DESTINÉES À L'USAGER 24
4.1. Tableau de bord: Dispositifs de réglage et signalisation 24
4.2.Allumage de la chaudiere 24
4.3. Fonctionnement estival 25
4.4. Fonctionnement hivernal 25
4.5. Extinction temporaire 25
4.6. Extinction pendant de longues périodes 25
4.7.Conseils et remarques importants 25
4.8.Anomalies de fonctionnement 26
4.9. Conditions de garantie 27
1. CARACTERISTIQUES TECHNIQUES ET DIMENSIONS
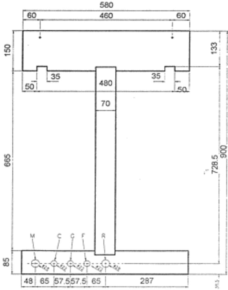
1.1.DIMENSIONS
| L (mm) | H (mm) | P (mm) | A (mm) | B (mm) | C (mm) | D (mm) | |
| AE 24 BT | 580 | 900 | 460 | 130 | 450 | 230 | 230 |
| SE 24 BT | 580 | 900 | 460 | 165 | 415 | 230 | 230 |
| SE 28 BT | 580 | 900 | 460 | 130 | 450 | 230 | 230 |

1.2.SCHEMA HYDRAULIQUE
Refoulement Sortie GuT Chauffage Sanit

1) Soupape du gaz
2) Brûleur
3) Echangeur primaire
4) Circulateur
5) Debitmetre (flussostat)
6) By-pass installation
7) Hydrometre
8) Soupape de sureté (3 bars)
9) Robinet de vidange de I installation
10) Robinet de remplissage de 1'installation
11) Vase d'expansion chauffage (7,5 litres)
12) Soupape à trois voies motorisée
13) Soupape de purgege de l'air automatique
14) Soupape de purgege de I'air manuelle
15) Ballon
16) Soupape de sureté sanitaire (7 bars)
17) Robinet de vidange du Balloon
18) Vase d'expansion circuit sanitaire (2 litres)
1. CARACTERISTIQUES TECHNIQUES ET DIMENSIONS

1.3. Diagramme Hauteur de Pression Disponible installation AE 24 BT, SE 24 BT

1.4. Diagramme Hauteur de Pression Disponible installation SE 28 BT
1. CARACTERISTIQUES TECHNIQUES ET DIMENSIONS
1.5. AE 24 BT: composants

1) Vase d'expansion chauffage
2) Soupape de purgege de I'air manuelle
3) Sonde de température
4) Ballon
5) Soupape de suture Ballon (7 bars)
6) Robinet de vidange du Balloon
7) Souape de déviation électrique
8) Débitmètre
9) Souape de sureté de l'installation (3 bars)
10) Robinet de remplissage de I'installation
11) Robinet de vidange de I'installation
12) Soupape du gaz
13) Circulateur
14) Vase d'expansion circuit sanitaire (2 litres)
15) Bruleur
16) Electrode d'allumage et de détction
17) échangeur primaire
18) Thermostat limite de securite (105^)
19) Soupape de purgege de I'air automatique
20) Thermostat fumeces 75^
21) Hotte fumées
22) Sonde circuit sanitaire
1. CARACTERISTIQUES TECHNIQUES ET DIMENSIONS
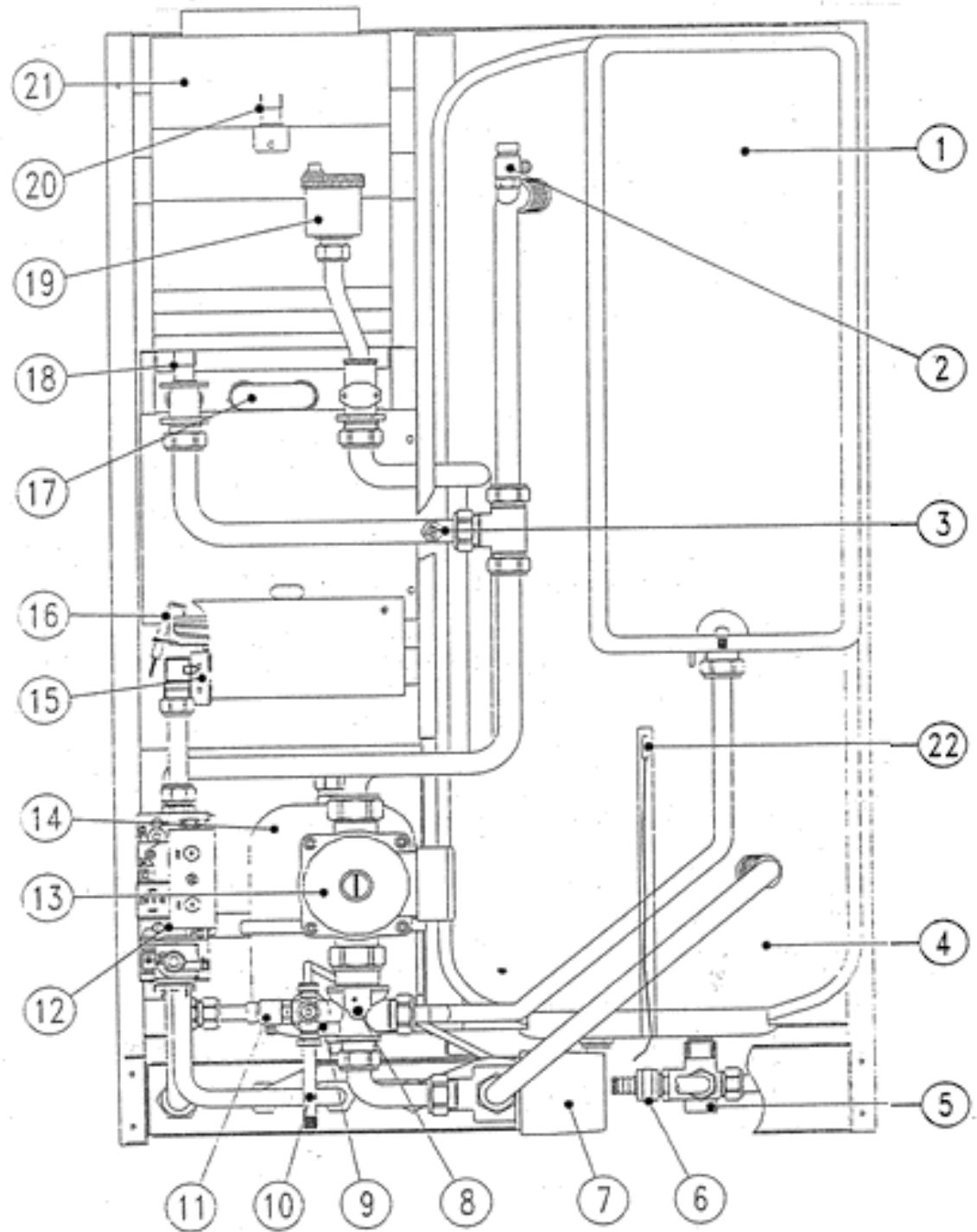
1.6. SE 24 BT: composants

1) Vase d'expansion chauffage
2) Soupape de purgege de I'air manuelle
3) Sonde chauffage
3) Thermostat limite de securite
4) Balloon
5) Soupape de suturec circuit sanitaire
6) Robinet de vidange du Balloon
7) Soupape de déviation électrique
8) Debitmetre
9) Soupape de surete de I'installation (3 bars)
10) Robinet de remplissage de l'installation
11) Robinet de vidange de I'installation
12) Soupape du gaz
13) Circulateur
14) Vase d'expansion circuit sanitaire (2 litres)
15) Bruleur
16) Electrode d'allumage et de détction
17) Regard
18) Chambre étanche
19) Echangeur primaire
20) Thermostat limite de sécurité (105^)
21) Convoyeur fumées
22) Soupape de purgege de l'air automatique
23) Pressostat air
24) Ventilateur
25) Sonde anti-condensation
26) Sonde circuit sanitaire
1. CARACTERISTIQUES TECHNIQUES ET DIMENSIONS
1.7. SE 28 BT: composants

1) Vase d'expansion chauffage
2) Soupape de purgege de I'air manuelle
3) Sonde chauffage
3) Thermostat limite de securite
4) Balloon
5) Soupape de sureté circuit sanitaire
6) Robinet de vidange du Balloon
7) Soupape de déviation électrique
8) Débitmètre
9) Soupape de sureté de l'installation (3 bars)
10) Robinet de remplissage de l'installation
11) Robinet de vidange de I'installation
12) Soupape du gaz
13) Circulateur
14) Vase d'expansion circuit sanitaire (2 litres)
15) Bruleur
16) Electrode d'allumage et de détction
17) Regard
18) Chambre étanche
19) Echangeur primaire
20) Thermostat limite de securite (105^)
21)Convoyeur fumées
22) Soupape de purgege de l'air automatique
23) Pressostat air
24) Ventilateur
25) Sonde anti-condensation
26) Sonde circuit sanitaire
1. CARACTERISTIQUES TECHNIQUES ET DIMENSIONS
| 1.8 DONNÉES TECHNIQUES | AE 24 BT | SE 24 BT | SE 28 BT | |
| Type | B11ba | C12-C12-C42-C52 | C12-C32-C42-C52 | |
| Debit Thermique Nominal | KW | 27 | 27 | 31,5 |
| Debit Thermique Nominal | Kcal/h | 21220 | 23220 | 27990 |
| Pouissance nominale | KW | 24,7 | 25,3 | 29,3 |
| Pouissance nominale | Kcal/h | 21200 | 21734 | 251,94 |
| Rendement utilis | % | 91,3 | 93,6 | 93,0 |
| Debit Thermique Minimal | KW | 10,5 | 10,5 | 12,4 |
| Pouissance Minimale | KW | 9,4 | 9,6 | 11,3 |
| Rendement au chargement réduct (30% de Pn) | % | 89,5 | 91,8 | 91,2 |
| DEBIT GAZ à la P. nominale | GAZ NAT (Méthane) G20 (2E+) | 2,855 | 2,855 | 3,331 |
| GAZ NAT (Méthane) G25 (ZELL) | 3,320 | 3,320 | 3,874 | |
| GPL (PROPANE) G30 (3+) | 2,128 | 2,128 | 2,482 | |
| GPL (PROPANE) G31 (3P) | 2,096 | 2,096 | 2,445 | |
| PRESSION GAZ DE RESEAU | GAZ NAT (Méthane) G20 (2E+) | 20/25 | 20/25 | 20/25 |
| GAZ NAT (Méthane) G25 (ZELL) | 20 | 20 | 20 | |
| GPL (PROPANE) G30 (3+) | 28/30 | 28/30 | 28/30 | |
| GPL (PROPANE) G31 (3P) | 28/30 | 28/30 | 28/30 | |
| Température fumées | °C | 115,3 | 126,7 | 131,4 |
| CO2(G30) | % | 6 | 7,7 | 7,6 |
| Dépréciation de chaleur par la chiminée avec brûlée en fonction | 6,8 | 6,1 | 6,5 | |
| Dépréciation de chaleur par la chiminée avec brûlée neuf | 0,2 | 0,1 | 0,1 | |
| Dépréciation de chaleur par la carcasse (ΔT=50°C) | 1,9 | 0,3 | 0,5 | |
| Debit fumées | Nm.l/h | 58,7 | 47,0 | 55,5 |
| CHAUFFAGE | ||||
| Set point minimum Chaudiage | °C | 35 | 35 | 35 |
| Set point maximum Chaudiage | °C | 90 | 90 | 90 |
| Volume d'eau dans la chaudière | l | 1,2 | 1,2 | 1,2 |
| Volume d'eau dans le vase d'expansion | l | 7,5 | 7,5 | 7,5 |
| Pression du vase d'expansion | bar | 0,7 | 0,7 | 0,7 |
| Pression minimale dans le circuit primaire | bar | 0,4 | 0,4 | 0,4 |
| Pression maximale dans le circuit primaire | bar | 3 | 3 | 3 |
| Conteu d'eau maximum dans l'installation | 230 | 150 | 230 | |
| Hasanteur de Pression pompe disponible installation Chaudiage avec débit de Q=1000 l/h | mbar | 330 | 330 | 330 |
| CIRCUIT SANITAIRE | ||||
| Set point minimum circuit sanitaire | 30 | 30 | 30 | |
| Set point maximum circuit sanitaire | 60 | 60 | 60 | |
| Production continue d'eau chaude ΔT=25°C | l/min | 14,1 | 14,5 | 16,8 |
| Production continue d'eau chaude ΔT=35°C | l/min | 10,1 | 10,3 | 12,0 |
| Volume d'eau ΔT=30°C au cours des 10 premières minutes | l | 157,8 | 160,7 | 180,0 |
| Debit minimal circuit sanitaire | l/min | 0 | 0 | 0 |
| Pression maximale circuit sanitaire | bar | 8 | 8 | 8 |
| Pression minimale circuit sanitaire | bar | 0,5 | 0,5 | 0,5 |
| Volume d'eau dans le vase d'expansion | l | 2 | 2 | 2 |
| Tension d'alimentation | V/Hz | 230/50 | 230/50 | 230/50 |
| Pouissance électrique absorbée | W | 90 | 120 | 130 |
| BRANCHEMENTS | ||||
| Branchements du changefuse | lach | 3/4** | 3/4** | 3/4** |
| Branchements du circuit sanitaire | lach | 1/2** | 1/2** | 1/2** |
| Branchements du gaz | lach | 1/2** | 1/2** | 1/2** |
| Hauteur | mm | 900 | 900 | 900 |
| Profondeur | mm | 460 | 460 | 460 |
| Largeur | mm | 580 | 580 | 580 |
| Longeur des tubulures d'évacuation | ||||
| Coaxiale Ø 60 x 100 mm | m | --- | 3 | 4 |
| Dedouble Ø 80 mm | m | --- | 16 | 10 |
| Dedouble Ø 60 mm | m | --- | --- | 7 |
| Poids | Kg | 84 | 84 | 84 |
| Degre de protection | IP | 44 | 44 | 44 |
| Homologation CE | 0063** | 0063*** | 0063*** | |
1. CARATTERISTICHE TECNICHE E DIMENSIONI
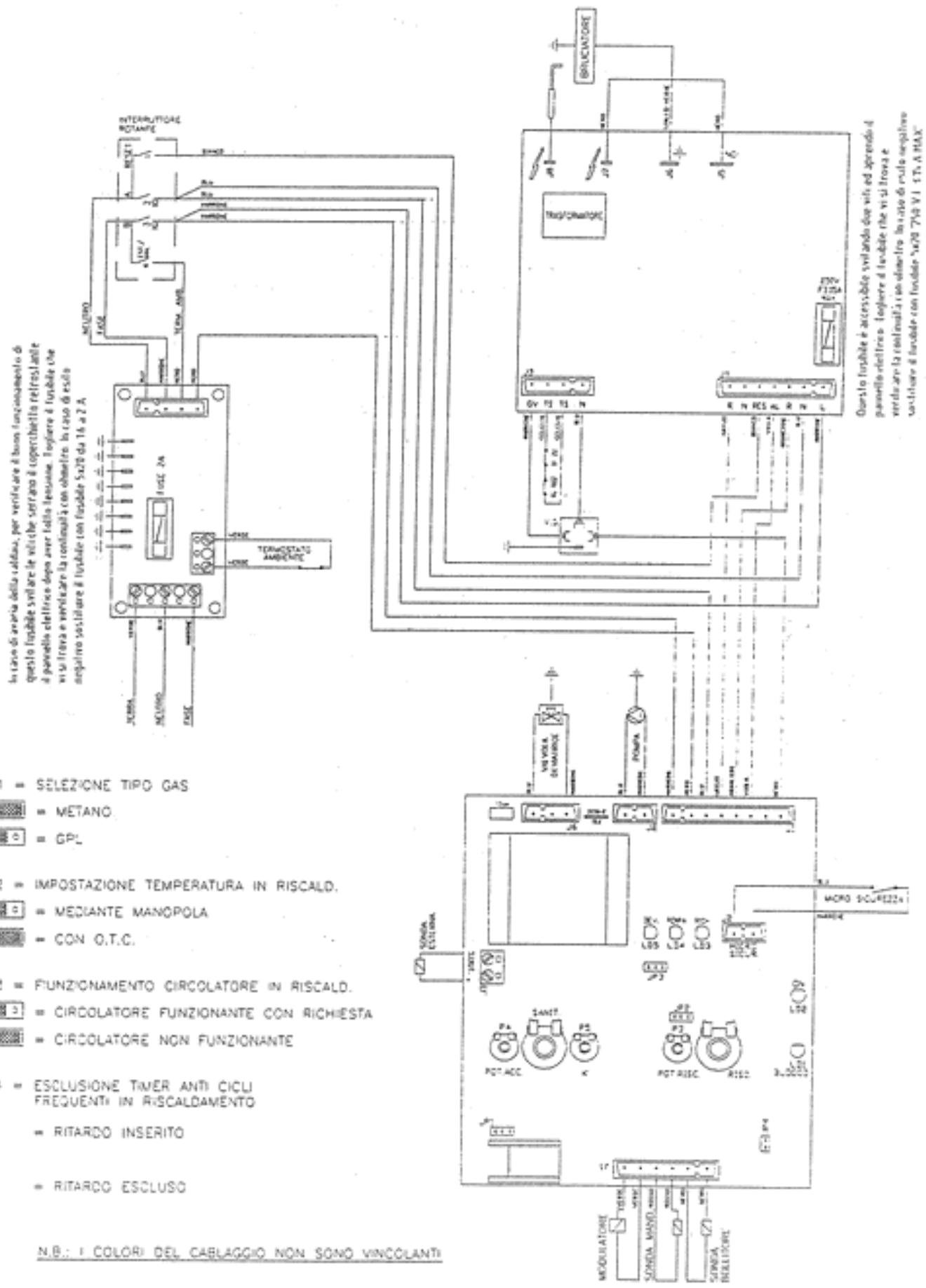
1.9 SCHEMA ELETTRICO AE 24 BT

1. CARACTERISTIQUES TECHNIQUES ET DIMENSIONS
1.9.SCHEMA ELECTRIQUE AE 24 BT
| En cas de panne de la chaudière, pour vérifier le bon fonctionnement de ce fusible, après avoir mis l'apparil hors tension, dévisser les vis qui fixent le couvercle, situé derrière le panneau électrique. Œter le fusible qui s'y trouve et contrôler la continuité à l'aide d'un ohmmeure. Si le résultat est négatif, remplaçer le fusible par un fusible 5x20 de 1.6 à 2A. | MARRON BLEU CIEL BLEU CIEL BLEU |
| TERRE VERT NEUTRE BLEU PHASE MARRON | GRIS BLANC VIOLET ORANGE BLEU MARRON |
| FUSIBLE 2A | |
| VERT THERMOSTAT AMBIANT VERT | |
| BLEU NEUTRE MARRON PHASE NOIR THERM.AMB. | NOIR JAUNE-VERT NOIR |
| NOIR BÉLUX MARRON MARRON | BRULEUR Pour acceder à ce fusible, il suffit de dévisser les deux vis et d'ouvoir le panneau électrique. Œter le fusible qui s'y trouve et contrôler la continuité à l'aide d'un ohmmeure. Si le résultat est négatif, remplaçer le fusible par un fusible 5x20 '250V F3.15 A MAX. |
| INTERRUPTEUR PIVOTANT | |
| BLANC BLEU BELU MARRON MARRON | |
| JP1= SELECTION TYPE GAZ GAZ NAT (Méthane) GPL (PROPANE) | SONDE EXTERIEURE BLEU SOUPAPE DE DÉVIATION MARRON |
| JP2= PROGRAMMATION TEMPERATURE DE CHAUFFAGE. Au moyen de la poignée Avec O.T.C. | BLEU POMPE MARRON |
| JP3= FONCTIONNEMENT CIRCULATEUR CIRCUIT CHAUFFAGE. Circulateur fonctionnant à la demande Circulateur ne fonctionnant pas | MARRON NOIR BLEU GRIS ORANGE VIOLET NOIR |
| JP4= EXCLUSION MINUTERIE ANTI-CYCLES FREQUÊNTS CIRCUIT CHAUFFAGE Retard activé Retard exclus N.B: Les couleurs des câblages peuvent varier. | MODULATEUR VERT / VERT SONDE REFOULEMENT ROUGE / ROUGE SONDE BALLON NOIR / NOIR DéV. POMPE DEM. MICRO SÉCURITÉ SANIT. PUISS. ALLUM. PUISS. CHAUFF. CHAUFF. SECURITÉ BLEU MICRO SÉCURITÉ MARRON |
1. CARATTERISTICHE TECHNICHE E DIMENSION
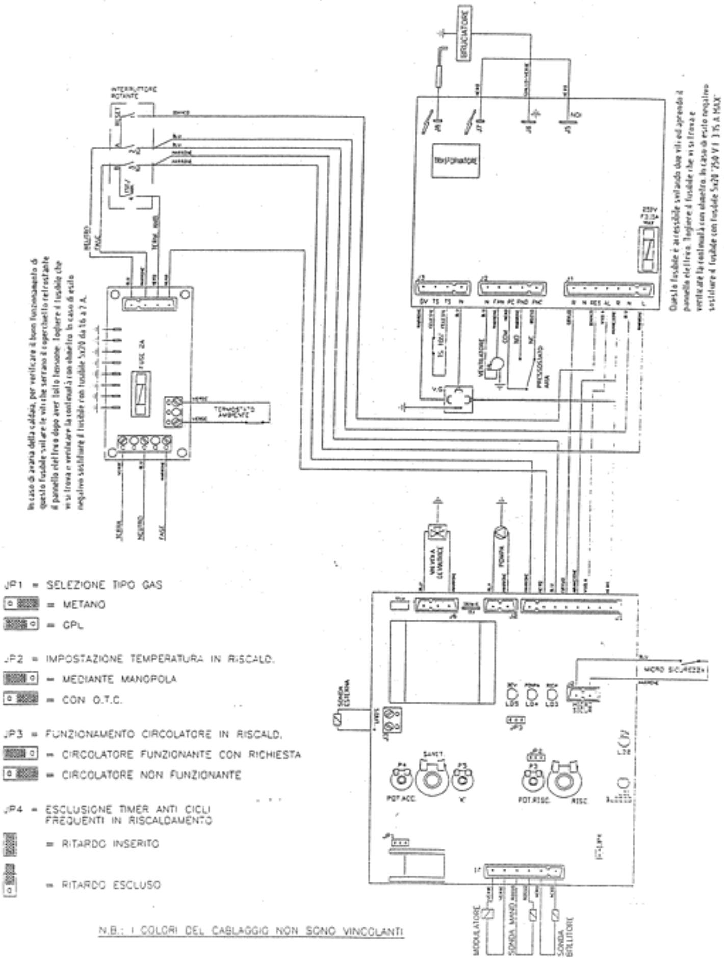
1.10 SCHEMA ELETTRICO SE 24 BT, SE 28 BT

1. CARACTERISTIQUES TECHNIQUES ET DIMENSIONS
1.10.SCHEMA ELECTRIQUE SE 24BT,SE 28BT
| En cas de panne de la chaudière, pour vérifier le bon fonctionnement de ce fusible, après avoir mis l'apparéil hors tension, dévisser les vis qui fixent le couvercle, situé derrière le panneau électrique. Øter le fusible qui s'y trouve et contrôler la continuité à l'aide d'un ohmmetre. Si le résultat est négatif, replacer le fusible par un fusible 5x20 de 1.6 à 2A. | MARRON BLEU CIEL BLEU CIEL BLEU |
| TERRE VERT NEUTRE BLEU PHASE MARRON | BLEU VENTILATEUR MARRON NOIR MARRON ROUGE PRESSOSTAT AIR |
| FUSIBLE 2A VERT THERMOSTAT AMBIANT VERT BLEU MARRON PHASE NOIR THERM.AMB. NOIR ETÉ/HIVER MISE À ZERO INTERRUPTEUR PIVOTANT BLANC BLEU BELU MARRON MARRON | GRIS BLANC VIOLET ORANGE BLEU MARRON TRANSFORMATEUR NOIR JAUNE-VERT BRULEUR NOIR Pour acceder à ce fusible, il suffit de dévisser les deux vis et d'ouvoir le panneau électrique. Øter le fusible qui s'y trouve et contrôler la continuité à l'aide d'un ohmmetre. Si le résultat est négatif, replacer le fusible par un fusible 5x20 '250V F3.15 A MAX. |
| JP1=SELECTION TYPE GAZ GAZ NAT (Méthane) GPL (PROPANE) JP2=PROGRAMMATION TEMPERATURE DE CHAUFFAGE. Au moyen de la poignée Avec O.T.C. JP3=FUNCTIONNELMENT CIRCULATEUR CIRCUIT CHAUFFAGE. Circulateur fonctionnant à la demande Circulateur ne fonctionnant pas JP4=EXCLUSION MINUTERIE ANTI-CYCLES FREQUENTS CIRCUIT CHAUFFAGE Retard activé Retard exclus N.B.: Les couleurs des câblages peuvent varier. | SONDE EXTÉRIEURE BLEU SOUPAPE DE DÉVIATION MARRON BLEU POMPE MARRON NOIR BLEU GRIS ORANGE VIOLET NOIR MODULATEUR VERT/VERT SONDE REFOULEMENT ROUGE/ROUGE SONDE BALLON NOIR / NOIR DéV. POMPE DEM. MICRO SÉCURITÉ SANIT. PUISS. ALLUM. PUISS. CHAUFF. CHAUFF. SÉCURITÉ BLEU MICRO SÉCURITÉ MARRON |
2. INSTRUCTIONS DESTINÉES À L'INSTALLATEUR
2.1. ÉVACUATION DES GAZ DE COMBUSTION: SE 24 BT, SE 28 BT
Les chaudieres du type à chambre étanche ne nécessitent aucune condition spécifique en ce qui concerne le local d'installation.
ll est recommande de soigner attentivement les jonctions des tuyaux d'aspiration/d'évacuation afin d'eviter toute dispersion de produits derivant de la combustion.
Il est vivement recommande de n'utiliser que des tubulures d'evacuation et des accessoires originaux.
2.2. DIFFÉRÊNTES TYPOLOGIES D'ÉVACUATION
I. Concentriques par le toit
2. Concentriques par la paroi extérieure
3. DOUBLE, par des CONDUITS séparés
4. DOUBLE, évacuation dans un conduit, aspiration par la paroi extérieure
5. Concentriques, reliées à des CONDUITS concentriques.

Pour le positionnement et les distances à respecter, par rapport des fenêtres, portes, murs etc., consulter les normes en vigueur.
2. INSTRUCTIONS DESTINÉES À L'INSTALLATEUR
2.1.2 DIMENSION DES TUBULURES D'EVACUATION: SE 24 BT

2.1.2.1 TUBULURES D'EVACUATION DOUBLES 80mm
N.B. La somme de la longueur de la tubulure d'évacuation et celle du tube d'aspiration ne doit pas dépasser 16 metres. Pour toute course supplémentaire, la longueur maximale autorisée doit être diminuée de 1 metre.
Les tubulures d'aspiration et d'évacuation doivent être montées de façon à partager une légère inclinaison vers l'extérieur.

2.1.2.2 TUBULURES D'EVACUATION COAXIALES 60 × 100 ~mm

N.B. La longueur de la tubulure coaxiale ne devra pas depasser 3 metres.
Les tubulures d'aspiration et d'évacuation doivent être montées de façon à partager une légère inclinaison vers l'extérieur.

2. INSTRUCTIONS DESTINÉS À L'INSTALLATEUR
2.1.4 DIMENSION DES TUBULURES D'EVACUATION: SE 28 BT
2.1.4.1 TUBULURES D'EVACUATION DOUBLES 80mm

N.B. La somme de la longueur de la tubulure d'évacuation et celle du tube d'aspiration ne doit pas dépasser 30 metres.
Pour toute courbe supplémentaire, la longueur maximale autorisée doit etre diminuée de 1 metre.
Si la longueur est comprise entre 0 et 6 metres, il est indispensable demettre un diaphragme 44 a l'intérieur du conduit de sortie des fumeces du ventilateur.
Si la longueur est comprise entre 7 et 15 metres, il est indispensable demettre un diaphragme 46 a l'intérieur du conduit de sortie desfumeces du ventilateur.
Les tubulures d'aspiration et d'évacuation doivent être montées de façon à désenter une légère inclinaison vers l'extérieur.

2.1.42 TUBULURES D'EVACUATION COAXIALES 60 x 100 mm

N.B. La longueur des tubulures coaxiales ne devra pas dépasser 4 metres.
Si la longueur est comprise entre 0 et 1 metre, il est indispensable demettre un diaphragme 44 a l'intérieur du conduit de sortie des fumées du ventilateur.
Si la longueur est comprise entre 2 et 3 metres, il est indispensable demettre un diaphragme 46 a l'intérieur du conduit de sortie des fumeces du ventilateur.
Les tubulures d'aspiration et d'évacuation doivent être montées de façon à partager une légère inclinaison vers l'extérieur.

2.2 EVACUATION DES GAZ DE COMBUSTION: AE 24 BT
Le conduit a une importance fondamentale pour le bon fonctionnement de l'appareil et il doit donc répondre aux conditions suivantes :
- il doit être en matériel imperméable et résistant à la température des fumées et aux condensations relatives ;
- il doit avoir une résistance mécanique suffisante et une faible conductibilité thermique;
- il doit avoir un cours le plus vertical et rectiligne possible et sa partie terminale doit être pourvue d'un aspirateur statique, à même de garantir une évacuation efficace et constante des funées;
- Afin d'éviter que le vent ne cree, autour de la cheminee, des zones de pression qui pourraient prevaloir sur la force ascensionnelle des gaz de combustion, il est indispensable que l'orifice d'évacuation domine d'au moins 0,4 m toute structure adjacente à la cheminee (y compris le faite du toit de l'edifice) si la distance est inférieure à 8 m.
- Le diamètre du conduit ne doit pas etre inférieur a celui de la hotte (pour les CONDUITS a section carrée ou rectangulaire, la section interieure doit etre majoree de 10% par rapport a celle de sortie de la hotte) ;
- À partir de la hotte, la longueur du morceau vertical du raccord ne doit pas être inférieure à deux fois le diamètre avant de s'engager dans le conduit.
2.2.2 ÉVACUATION DIRECTE À L'EXTÉRIEUR
Les appareils à tirage naturel peuvent évacuer les fumées directement à l'extérieur à travers un conduit traversant les murs d'enceinte de l'édifice; un terminal de tirage doit être appliqué à l'extremité du conduit.
Le conduit susmentionné doit satisfaire aux conditions suivantes :
- La partie horizontale se trouvant cote interieur de I'edifice doitetre reduite au minimum (1 m max.) et presenter une inclinaison en montee correspondant a 3 % vers l'extérieur;
- Il ne doit pas avoir plus de deux changements de direction;
Il ne doit recevoir les fumées que d'un seul apparéil; - Il doit être protégé et gainé (sur la partie qui traverse le mur, cette gaine doit être fermée du côte interieur de l'édifice et ouverte vers l'extérieur);
- La partie finale extérieure se trouvant avant le terminal de tirage doit dépasser du mur d'au moins deux diamétres;
La partie verticale, qui part de la hotte, doit etre d'au moins 1 metre;
Le terminal de tirage doit surmonter d'au moins 1,5 m le raccordement du conduit sur la hotte de la chaudiere.
2. INSTRUCTIONS DESTINÉES À L'INSTALLATEUR
2.2.3 VENTILATION DES LOCAUX
Les chaudières à tirage naturel sont à chambre de combustion ouverte et elles sont conçues pour être reliées au conduit ; l'air combustant est prélevé directement de l'endetroit où la chaudière est installée. Les locaux pourront avoir soit une aération du type directe (avec prise d'air dans le local où la chaudière est installée), soit une aération indirecte (avec prise d'air dans les locaux contigus), à condition de respecter les conditions suivantes :
AERATION DIRECTE
Le local doit disposer d'une ouverture d'airation correspondant à 6cm^2 pour chaque kW installé et, quoi qu'il en soit, en aucun cas inférieure à 100~cm^2 . Cette ouverture doit être effectue directement sur le mur vers l'extérieur;
L'ouverture doit se couver le plus pres possible du sol;
- Cette ouverture doit tous est libre et protege par une grille qui ne reduise pas la section utile pour le passage de l'air : c'est la raison pour laquelle, a la section du trou, il faut ajouter la section de la partie fermée de la grille ;
Pour l'obtention d'une bonne aération, on peut également faire la somme de plusieurs ouvertures, à condition que la somme des différences sections corresponde à celle nécessaire ;
- s'il n'est pas possible de pratiquer d'ouverture à proximé du sol, il faut augmenter la section de cette dernière d'au moins 50%;
La presence d'une cheminee dans le local d'installation neessite une alimentation d'air propre ; dans le cas contraire, l'installation d'appareils de type B n'est pas autorisee ;
Si, dans le local, il existe des appareils ayant besoin d'air pour fonctionner (teIs que des hotes ou des aspirateurs), la section de l'ouverture d'aeration doit etre dimensionnee de facon adequate.
AERATIONINDIRECTE
S'il n'est pas possible d'effectuer l'aération directement dans le local, il faut avoir recours à l'aération indirecte en préleverant l'air d'un local contigu à travers une ouverture ajustée, faite dans la partie inférieure de la porte. Cette solution n'est toute fois possible que si:
- le local contigu dispose d'une ventilation directe ajusté;
- le local contigu n'est pas une chambre à coucher ;
- le local contigu n'est pas une partie commune de l'immeuble ni meme un endroit presentant des risques d'incendie (par exemple depots de substances inflammables, garages, etc.).
N.B.: S'il existe une ventilation insuffisante du local ou une évacuation des fumées inadéquate, le thermostat fumées provoquera un arrêt de la chaudière. Pour débloquer, il faut régler le/selecteur sur la position de réarmement.
2.3 FIXATION DE LA CHAUDIERE BT
Pour l'installation, proceder de la façon suivante:
- ÀpRES avoir pris en considération l'encombrement de la chaudière, à l'aide de 2 clous fixer le gabarit sur la paroi.
Faire 2 trous sur les fentes du gabarit en se servant de 2 crochets à expansion. - Fixer ensuite les extrémités des tuyaux d'eau chaude et d'eau froide, de refoulement et de return, d'adduction du gaz et les connexions electriques dans les trous, qui leur sont destinés, dans la partie inférieure du gabarit.
- ÀpRES avoir procédé à la fixation définitive des tuyaux dans la paroi, oter le gabarit de façon à pouvoir l'utiliser à nouveau.
- Les crochets à expansion, utilisés précédemment, seront utilisés pour fixer la chaudière sur la traverse, située sur la partie postérieure du dos de l'appareil.
- Proceder à présent au branchement hydraulique, en visant tout d'abord les raccords fer-cuivre correspondants sur les raccordements préalablement effectuels, en coupant ensuite les tuyaux fournis suivant la distance entre les raccordements de la chaudière et les raccords fer-cuivre, positionnés sur la paroi.
- Tout visser parfaitement en veillant à ce qu'il n'y ait aucuneuite, lorsqu'installation est sous pression.
N.B.: It is important d'oter les bouchons en plastique des tuyaux de la chaudiere, qui s'y trouvent en tant que protection.

LEGENDE
Gbranchement gaz 1/2
C= sortie cau chaude 1/2
F entree cau froide 1/2
M= refoulement chauffage 3/4
Rretour chauffage 3/4
2. INSTRUCTIONS DESTINÉES À L'INSTALLATEUR
2.4 BRANCHEMENTS HYDRAULIQUES
Alimentation eau sanitaire
Dans le réseau d'alimentation, la pression doit varier de 1 à 6 bars (en cas de pressions supérieures, installer un réducteur). La durée de l'eau d'alimentation conditionne la fréquence du nettoyage du serpentin d'échange. L'opportunity d'installer des appareils ajustats pour le traitement de l'eau doit être décidée en fonction des caractéristiques de cette dernière.
Remplissage de l'installation
- Mettre la soupape de déviation en position manuelle (MAN) ;
Ouvrir la soupape manuelle de purgege de l'air pourvue d'un tuyau en caoutchouc et située sur la partie haute du tuyau de raccordement chaudiere-Ballon (Pour les opérations de purgege, placer un-scriptant sous cette derniere);
Ouvril lentement le robinet de remplissage de la chaudiere; - Refermer la soupape manuelle de purgege de l'air après en avoir fait sortir une grande quantité d'eau jusqu'à ce qu'il n'y ait plus aucune trace d'air et contrôle, au fur et à mesure, l'augmentation de pression sur le manomètre, jusqu'à l'obtention de 1,5 bars;
- Purger ensuite l'air des soupapes de purgege de l'air des radiateurs en contrôlant la pression dans la chaudière (1,5 bars)
Fermer le robinet de remplissage, faire fonctionner la chaudiere et regler l'installation a la temperture de fonctionnement;
Laisser refroidir l'installation et retablr la pression au cas ou cette derniere serait inférieure a 1,5 bars; - Remetre la soupape de déviation en position AUTO;
S'il y a encore de l'air dans la chaudiere ou dans l'installation, repeter les opérations susmentionnées.
N.B.: Si la pression de 1,5 bars ne peut etre obtenue dans I'installation, veiller a ce que la pression soit la plus haute possible.
Conseils et indications afin d'eviter que l'installation ne vibre et ne fasse du bruit
- Éviter d'utiliser des tuyaux représentant des diamètres réduits;
- Éviter d'utiliser des coudes représentant un rayon réduit et des réductions de sections importantes ;
- Il est recommandé de proceser au lavage a chaud de l'installation, afin d'éliminer les impuretés provenant des tuyaux et des radiateurs (notamment huiles et graisses), qui risqueraient d'endommager le circulateur.
Si la chaudière est installée dans des locaux ou la température ambiente peut descendre en dessous de 0^ , il est conseilé de replir l'installation avec une solution antigel.
Il est conseilé d'utiliser des solutions de glycol déjà diluées, afin d'éviter tout risque de délayages incontrolés.
| ÉTHYLÉNE GLYCOL (%) | TEMP. DE CONGÉLATION °C |
| 6 | 0,00 |
| 10 | -3,90 |
| 15 | -6,10 |
| 20 | -8,90 |
| 25 | -11,70 |
| 30 | -15,60 |
| 40 | -23,40 |
| 50 | -35,50 |
2.5 BRANCHEMENTS ÉLECTRIQUES
La chaudière est conçue pour être alimentée avec une tension monophasée de 230V / 50Hz . Le branchement doit être effectué à l'aide du cable correspondant, c'est à dire celui qui sort de la chaudière.
Le thermostat Ambient est, lui aussi, pourvu d'un cable extérieur; proceder à la connexion du thermostat après avoir eliminé le pont sur l'extremité du cable T.A. (ATTENTION: le branchement du T.A. est à la tension de réseau : monter donc des modèles en plastique ou bien, si ces derniers sont métalliques, les relier à une ligne de terre ajustée).
Le branchement de la chaudiere doit etre protegé avec un sectionneur bipolaire et un fusible approprié.
L'appareil doit également être connecté à une installation de terre efficace.
Quoi qu'il en soit, il est indispensable de se conformer aux normes en vigueur se rapportant à la sécurité.
N.B.: Respecter la position de phase et de neutre : une éventuelle inversion donne lieu à un blocage de la centrale d'allumage, auquel il est possible de remédier en positionnant correctement la phase et le neutre.
N.B.: L'entreprise IDEAL CLIMA S.P.A. décline toute responsabilité pour les dommages aux personnes, animaux ou choses dérivant du manque de connexion de la mise à terre et du non-respect des normes.
2. INSTRUCTIONS DESTINÉES À L'INSTALLATEUR
2.6 BRANCHEMENT DU GAZ
Le branchement doit etre effectue dans le plein respect des normes en vigueur.
Veiller a ce que le tuyau du gaz ait une section adequate en fonction de sa longueur.
Avant d'effectuer le branchement, controler que les caractéristiques du gaz distribué sont les mêmes que celles indiquées sur la plaquette de la chaudière : dans le cas contraire, il est indispensable d'effectuer de nouveaux réglages.
Installer un robinet d'interruption entre le reseau d'alimentation du gaz et la chaudiere.
Ouvr les portes et les fenêtres et éviter la présence de flammes libres.
Purger l'air se trouvant dans l'installation tuyauterie-appareil.
Lorsque la chaudiere est eteinte, controller qu'il n'y a pas de fuites de gaz.
Dans ces conditions, surveiller le compteur pendant 10 minutes au moins, afin de vérifier que ce dernier ne signe aucun passage de gaz.
Quoi qu'il en soit, controller toute la ligne d'adduction du gaz en se servant d'une solution savonneuse ou d'un produit équivalent.
Après quoi, allumer l'appareil et contrôler le bon fonctionnement du brûleur.
N.B.: S'il s'agit de GPL (PROPANE), il est absolutment indispensable d'installer un réducteur de pression en amont de la chaudière.

1- Prise pression gaz bruleur
2- Prise pression entree gaz
3-Vent.
A-Vis réglage minimum
B-Écrou réglage pression maximaie
C- Capuchon de protection
Pour effectuer le contrôle des pressions au bruleur, introduire les sondes du manometre dans les prises de pression disponibles sur la soupape du gaz (voir fig. ....).
N.B.: Pour contrôler si la pression et le débit du gaz de réseau suffisent à garantir le bon fonctionnement de l'apparéil, effectuer la mesure lorsque le brîleur est étant.
2.7 RÉGLAGES: PUISSANCE MAXIMALE ET PUISSANCE MINIMALE
A la sortie de l'usine, les chaudières sont déjà réglées et conçues pour fonctionner avec le type de gaz indiqué sur la plaquette, destinée à cet effet.
Toujours contrcler les valueurs de pression min./max., car les reseaux ne distribuents pas tous le gaz a la pressiion nominale, valeur sur laquelle l'appareil a ete regle a l'usine.
Pour contrcler et corriger, le cas echeant, les plages de reglage, proceder de la facon suivante :
- placer un manomètre pour gaz sur la prise de pression ;
allumer la chaudiere en prelevant le débit d'eau sanitaire maximal ; - veiller à ce que la bobine de modulation soit alimentée ;
- ōter le capuchon de protection "C";
- régler la pression maximale en agissant sur l'écrou "B" à l'aide d'une clé de 10 mm; si l'on tourne dans le sens des aiguilles d'une montre la pression augmente, dans le sens contraire à celui des aiguilles d'une montre la pression diminuée;
- oter le connecteur d'alimentation de la bobine de modulation ;
en continuant à bloquer l'écrou “B”, régler la pression minimale en dévisant progressivement la vis “A” à l’aide d'un tournevis de 4 mm;
activer a nouveau le connecteur d'alimentation du modulator et contrcler que les valeurs correspondent a celles établies.
N.B.: Ne jamais oublier de fermer les prises de pression après l'utilisation et de contrôle qu'elles sont parfaitementétanches.
2. INSTRUCTIONS DESTINÉES À L'INSTALLATEUR
2.8 RÉGLAGE DE L'ALLUMAGE LENT ET DE LA PUISSANCE DURE CHAUFFAGE
2.8.1. RÉGLAGE DE L'ALLUMAGE LENT
Lorsque la chaudiere sort de l'usine, elle est reglee sur les valeurs suivantes :
MÉTH: 30 mm env.
GPL (PROPANE) : 80 mm env.
S'il existe la necessities de corriger ces valeurs, proceder en se conformant aux points suivants:
ouvr au maximum le robinet de l'eau sanitaire et eteindre la chaudiere en positionnant le selecteur sur "0"
- dégager manuellement la poignée du thermostat de réglage circuit sanitaire du tableau électrique et localiser le potentiametre (2), situé en dessous du trou à droite de l'arbre de la poignée (voir fig. ci-après);
- allumer la chaudiere en positionnant le selecteur sur "ETÉ";
- En se servant d'un tournevis de 2 mm, tourner le potentiametre (2) dans le sens contraire à celui des aiguilles d'une montre, de façon à réduire la pression d'allumage lent, et dans le sens des aiguilles d'une montre pour l'augmenter;
ATTENTION: le temps utile pour le réglage de l'allumage lent est de 5 sec., après quoi la pression aux tuyères augmentera ou diminuera selon la nécessité d'énergie. Si un autre réglage est nécessaire, repeter l'opération en éteignant et en rallumant la chaudière.

1) potentiomètre de réglage puissance chauffage
2) potentiométre de réglage allumage lent
2.8.2. RÉGLAGE DE LA PUISSANCE DU CHAUFFAGE
La puissance maximale du chauffage doit etre reglee en fonction des necessities de l'installation.
Les valeurs de pression du gaz correspondant aux differentes puissances sont indiquees aux pages 20 et 21.
Pour le réglage de la pression du gaz au brûleur, procédé de la façon suivante :
- tourner le sélecteur en le positionnant sur Hiver ;
- creer un pont sur le thermostat ambient pour obtenir un signal de requete ;
- dégager manuellement la poignée du thermostat de réglage du chauffage du tableau électrique (voir fig. ci-dessus) et localiser le potentiamètre 1, situé sous le trou à droite de l'arbre de la poignée;
- A l'aide d'un tournevis de 2 mm, faire pivoter le potentiemetre dans le sens des aiguilles d'une montre pour augmenter et dans le sens contraire à celui des aiguilles d'une montre pour diminuer la puissance du chauffage.
N.B.: Attendre environ 10 sec. pour permettre à la pression de se stabiliser après l'allumage lent.
2.9 ADAPTATION POUR L'UTILISATION D'AUTRES GAZ
La chaudiere est a meme dutiliser du gaz naturel et du gaz GPL (PROPANE). La conversion de la chaudiere d'un gaz a un autre compe1e l'execution des operations suivantes:
Transformation de GAZ NAT (Methane) au GPL (PROPANE)
- Proceder à la substitution des tuyères du brûleur;
- Déplacer le pont JP1 sur la carte de modulation en position GPL (PROPANE) (voir schéma électrique);
- Proceder à un nouveau réglage des niveaux de pression MIN/MAX. en se conformant aux instructions mentionnées dans les paragraphs précédents;
Pour le diametre des tuyeres et la pression du gaz au bruleur, voir le tableau ci-dessus; - Àpèras avoir effectué les opérations susmentionnées, sceller les régulateurs à l'aide d'une goutte de vermis.
Transformation de GPL (PROPANE) au GAZ NAT (Methane)
- Proceder à la substitution des tuyères du brûleur
- Déplacer le pont JPI sur la carte de modulation en position GAZ NAT (MÉTHANE) (voir schéma électrique);
- Proceder à un nouveau réglage des niveaux de pression MIN./MAX. en se conformant aux instructions mentionnées dans les paragraphs précédents;
Pour le diametre des tuyeres et la pression du gaz au bruleur, voir le tableau ci-dessus; - Avec ouir effectue les opérations susmentionnées, sceller les régulateurs à l'aide d'une goutte de vernis.
2. INSTRUCTIONS DESTINÉES À L'INSTALLATEUR
2.10 TABLEAU PRESSION TUYERES AE 24 BT
| AE 24 BT | Tuyères brûleur | Diaphr. gaz | Pression brûleur | ||||
| TYPE DE GAZ | P.C.I. | Pressure réseau | Quantité | Ø | Ø | Q.min=10,5 KW | Q.nom=27 KW |
| MJ/m3 | mbars | n° | mm | mm | mbar | mbar | |
| GAZ NAT (Méthane)G20 (2H+) | 34,02 | 20 | 13 | 1,20 | 5,9* | 2,4 | 13,3 |
| GAZ NAT (Méthane)G25 (2H+) | 29,25 | 25 | 13 | 1,20 | 5,9* | 2,8 | 15,9 |
| GAZ NAT (Méthane)G25 (2LL) | 29,25 | 20 | 13 | 1,40 | ----- | 2,2 | 10,1 |
| Butane G30 | 116,09 | 28/30 | 13 | 0,75 | ----- | 4,4 | 27,1 |
| Propane G31 | 88 | 37 | 13 | 0,75 | ----- | 5,2 | 33,8 |

2.10.1. DIAGRAMME PRESSION GAZ - DEBIT THERMIQUE
2.11 TABLEAU PRESSION TUYERES SE 24 BT
| E 24 BT | Tuyères brûleur | Diaphr. gaz | Pression brûleur | ||||
| TYPE DE GAZ | P.C.I. | Pression réseau | Quantité | Ø | Ø | Q.min=10,5 KW | Q.nom=27 KW |
| MJ/m3 | mbars | n° | mm | mm | mbar | mbar | |
| GAZ NAT (Méthane)G20 (2H+) | 34,02 | 20 | 13 | 1,20 | 5,9 | 1,5 | 12,8 |
| GAZ NAT (Méthane)G25 (2H+) | 29,25 | 25 | 13 | 1,20 | 5,9 | 2,3 | 15,9 |
| GAZ NAT (Méthane)G25 (2LL) | 29,25 | 20 | 13 | 1,40 | ----- | 1,4 | 10,1 |
| Butane G30 | 116,09 | 28/30 | 13 | 0,75 | ----- | 4 | 27 |
| Propane G31 | 88 | 37 | 13 | 0,75 | ----- | 6 | 34,1 |

2.11.1. DIAGRAMME PRESSION GAZ-DEBIT THERMIQUE
2. INSTRUCTIONS DESTINÉES À L'INSTALLATEUR
2.12 TABLEAU PRESSION TUYERES SE 28 BT
| TYPE DE GAZ | P.C.I. | Pression réseau | Tuyères brûleur | Diaphr. gaz | Pressure brûleur | ||
| MJ/m3 | mbars | n° | mm | mm | Q.min=12,4 KW | Q.nom.=31,5 KW | |
| GAZ NAT (Méthane)G20 (2H+) | 34,02 | 20 | 13 | 1,30 | 5,9* | 1,5 | 12,7 |
| GAZ NAT (Méthane)G25 (2H+) | 29,25 | 25 | 13 | 1,30 | 5,9* | 2,5 | 13,5 |
| GAZ NAT (Méthane)G25 (2LL) | 29,25 | 20 | 13 | 1,40 | ----- | 1,7 | 13,5 |
| Butane G30 | 116,09 | 28/30 | 13 | 0,8 | ----- | 3,8 | 27,3 |
| Propane G31 | 88 | 37 | 13 | 0,8 | ----- | 5,1 | 35,4 |
2.12.1. DIAGRAMME PRESSION GAZ-DEBIT THERMIQUE

Pression bruleur (mbar)

3. INSTRUCTIONS EN MATIÈRE DE MAINTENANCE
3.1 RECOMMANDATIONS GÉNÉRALES
Toutes les opérations de maintenance et de transformation de gaz doivent être effectuees par du personnel professionnellement qualifie.
De plus, les opérations de MAINTENANCE doivent être effectuées suivant les prescriptions des normes en vigueur, au moins une fois par an, par des centres d'assistance technique agreeés par EUREKA. et mentionnées dans le livret d'installation correspondant.
Avant le début de la saison hivernale, il est indispensable de faire contrcler l'appareil par du personnel autorise, de façon a always garantir une parafaite effciencie de I'appareil.
Les opérations qu'il est indispensable d'effectuer sont les suivantes :
- Contrôler et évientuellesment nettoyer l'échangeur;
- Contrôler et évientuellesment nettoyer le brûleur;
- Contrôler et, si besoin rétablir la pression dans l'installation hydraulique;
- Contrôler l'efficiency du vase d'expansion du circuit de chauffage ;
- Contrôler le bon fonctionnement des thermostats de réglage et de sécurité ;
- Contrôler la propriété et l'intégrité de l'électrode d'allumage;
- Contrôler le bon fonctionnement du circulateur;
- Contrôler qu'il n'y a pas de fuites dans les différents circuits (gaz, eau, évacuation fumées) ;
- Contrôler que la pression du gaz au brûleur est ajusté;
- Contrôler le rendement de combustion;
- Contrôler l'hygiène de la combustion (emissions CO, CO₂, NOX);
En cas de substitution de l'un des composants de la chaudières, il est impératif d'utiliser des pieces détachées originales IDEAL CLIMA S.P.A.
L'entreprise IDEAL CLIMA S.P.A. decline toute responsabilité en cas de composants non originaux.
ATTENTION! ÀpRES toute intervention effectue en rapport avec le circuit du gaz, il est INDISPENSABLE de contrôler la parfaite étanchéité des joints et l'absence de fuites.
3.2 DÉBLOCAGE DU CIRCULATEUR
Lorsque la chaudiere est neue ou bien après une période de longue inactivite, il peut arriver que le circulateur se bloque.
Pour remédier à cet inconvénient, procéder de la façon suivante :
- dévisser complètement et 0ter le bouchon au centre du circulateur, en se servant d'un tournevis;
introduire la lame du tournevis dans la fente qui se touve sur l'arbre du circulateur et tourner jusqu'à ce qu'il ne se débloque; - remonter le bouchon qui avait ete precedemment enlevé ;

4. INSTRUCTIONS DESTINÉES À L'USAGER
4.1 TABLEAU DE BORD: DISPOSITIFS DE RÉGLAGE ET DE SIGNALISATION

Temoin lumineux de ligne: La fonction de ce temoin est celle de signaler la presence de tension electrique dans la chaudiere.
Thermometre: Il permet de vérifier la température de travail du circuit de chauffage, préalablement programme à l'aide du régulateur destiné à cet effet.
Manometre: Il visualise la pression de I'eau à l'intérieur du circuit de chauffage ; la valeur de cette pression ne doit pas etre inférieure a 0,8 -1 bar (a froid).
Si la pression est inférieure a 0,8 - 1 bar (à froid), il faut rétablir
la valeur correcte en agissant sur le robinet de remplissage de l'installation. Cette opération doit etre effectue a froid.

Témoin lumineux de sécurité : La fonction de ce témoin est celle de signaler l'intervention du dispositif de sureté du brûleur. Pour débloquer, il faut tournier le sélecteur en position de réarmement.
Regulateur de la température du chauffage:
Cette poignée sert a programme la température souhaïée pour le circuit du chauffage.
En agissant dans le sens contraire à celui des aiguilles d'une montre, on obtient la valeur la plus BASSE de la température disponible.
Regulateur de la température de l'eau sanitaire:
Cette poignée sert à fixer la valeur de la température de service de l'eau sanitaire;
En agissant dans le sens contraire à celui des aiguilles d'une montre, on obtient la valeur la plus BASSE de la température calculable.
Sélecteur modalité de fonctionnement :
Éteint
Lorsque le commutateur se trouve dans cette position, le fonctionnement de la chaudière est désactiver.
Lorsque le commutateur se trouve sur Eté, la chaudière se prépare à fonctionner pour la production d'eau chaude sanitaire seulement.
Éte
Hiver
Lorsque le commutateur se trouve sur Hiver, la chaudiere se prépare à fonctionner aussi bien pour le chauffage que pour la production d'eau chaude sanitaire.
Réarmement
Si I'on positionne le selecteur sur Rémènement, il est possible de réactiver le fonctionnement de la chaudière après l'intervention du dispositif de sécurité du brûleur.
0



4. INSTRUCTIONS DESTINÉES À L'USAGER
4.2 ALLUMAGE DE LA CHAUDIERE
Ouvrir le robinet d'interruption du gaz. Tourner le selecteur de modalite de fonctionnement et le positionner sur ETÉ ou HIVER: la chaudière s'allumera automatiquement (le témoin de réseau s'allumera sur le tableau de bord). Si la chaudière ne s'allume pas, le témoin de sécurité s'allumera: pour débloquer, il suffit de tourner le selecteur en le positionnant sur Rémarmement.
4.3 FONCTIONNEMENT ESTIVAL
Tourner le selector en le positionnant sur ET, mette la poignee de reglage de la temperature sanitaire sur la valeur souhaite. Dans cette situation, la chaudiere ne fonctionnera que pour la production d'eau chaude sanitaire.
4.4 FONCTIONNEMENT HIVERNAL
Tournier le selecteur en le positionnant sur HIVER,mettre la poignee de reglage de la temperature du chauffage sur la valeur souhaitee. Si I'on dispose d'un thermostat ambient, ce dernier servira a maintainir la temperature ambiente sur la valeurprogrammée.
N.B.: S'il existe un thermostat ambiant, veiller à ce que ce dernier soit bien positionné sur la température souhaïée.
4.5 EXTINCTION TEMPORAIRE
Il est possible d'eteindre l'appareil de plusieurs façon :
- à l'aide du thermostat ambiant ou chronothermostat ;
- à l'aide du régulateur de chauffage situé sur le panneau des commandes;
- à l'aide de l'interrupteur allumé-étéint, situé sur le panneau des commandes.
4.6 EXTINCTION PENDANT DE LONGUES PÉRIODES
Si la chaudiere doit rester inactive pendant une longue période,mettre l'appareil hors tension et fermer le robinet d'interruption du gaz.
4.7 CONSEILS ET REMARQUES IMPORTANTS
Une fois par an, faire nettoyer la chaudiere et faire contrcler tous les apparcellages.
Si la chaudière est restée inactive pendant une longue période, avant de la brancher à nouveau, débloquer le rotor du circulator en se servant de la vis, destinée à cet effet (voir fig. page 22).
Ne jamais intervênt soit même sur le réglage de la soupape du gaz : s'adresser à des techniciens qualifiés.
En cas d'intervention du dispositif de sécurité de l'allumage, signalé par le témoin (voir fig. page 23) situé sur le panneau des commandes, tourner le commutateur et le positionner sur Réarmement (voir fig. page 23). Au cas où l'inconvénient se repétérait souvent, s'adresser à un centre d'assistance après-vente/agréé par IDEAL CLIMA.
4.8 ANOMALIES DE FONCTIONNEMENT
| ANOMALIE | CAUSE | REMÉDE |
| 1. La flamme du brûleur principal ne s'allume pas | La température de l'eau de la chaudière est supérieure à celle du thermostat de régulation;A. Robinet du gaz fermé;B. Témoin de sécurité;C. Manque de détention de la flamme;D. Manque d'étinçelle electrode d'allumage;E. Préstance d'air dans les tuyaux de gaz;F. Le thermostat de sécurité est intervenu; | A. Régler le thermostat sur une température plus élevé;B. Ouvrir le robinet du gaz;C. Réamner en se conformant aux indications de la page 24;D. S'adresser au technicien;E. S'adresser au technicien;F. Régérer le cycle d'allumage;G. S'adresser au technicien; |
| 2. Allumage par à-coup | G. Pas de pression dans l'installation. | H. Ouvrir le robinet de replissage et rétablit-la pression. |
| A. Flamme défectueuse;B. Allumage lent inadéquat;C. Électrode d'allumage positionné de façon inadéquate. | A. S'adresser au technicien;B. S'adresser au technicien;C. S'adresser au technicien. | |
| 3. Odeur de gaz | ||
| 4. La chaudière produit condensation | A. Fuite dans le circuit du gaz (tuyaux à l'intérieur ou à l'extérieur de la chaudière). | A. Fermer le robinet général du gaz et s'adresser au technicien. |
| A. La chaudière fonctionne à une température trop BASSE. | A. Régler le thermostat de la chaudière sur une température plus élevé; | |
| Au selecteur est positionné sur ETÉ;B. Le thermostat ambiant est étant ou régle sur une température trop BASSE; | A. Le positionner sur HIVER;B. Allumer le thermostat Ambient, le régler sur une température plus élevé; | |
| 5. Radiateurs froids en hiver | C. Ouvrir les évientuelles soupapes de l'installation ou des radiateurs; | |
| D. Dysfonctionnement de la soupape à trois voies. | D. S'adresser au technicien. | |
| A. La température du thermostat circuit sanitaire est trop BASSE;B. Le prélèvement d'eau chaude est excessif; | A. Augmenter la température du thermostat sanitaire;B. Fermer partiellement le robinet de l'eau chaude;C. S'adresser au technicien. | |
| 6. Faible production d'eau chaude sanitaire | ||
| C. Le réglage du gaz au brûleur est inadéquat. | A. Augmenter la température du thermostat sanitaire;B. Fermer partiellement le robinet de l'eau chaude;C. S'adresser au technicien. |
4. INSTRUCTIONS DESTINÉES À L'USAGER
- L'appareil est garanti pour une durée de 12 mois à compter de la date du premier allumage, avec une limite maximale de deux ans à compter de la date de fabrication. Personne n'est autorisé à modifier les délais ni même à délivrer d'autres garanties verbales ou écrites.
- La garantie couvre toutes les parties composant la chaudiere et comprend la réparation ou la fourniture gratuite de toute piece représentant des vices de fabrication. L'intervention du personnel d'assistance après-vente sera effectuee contre remboursement des frais d'appeel (voir tarifaire des pieces detachedes).
- La réparation ou la substitution de pieces pendant la période de garantie ne compte aucun prolongement des déliés établis pour cette dernière.
- Les dommages occasionnés par le transport, un manque de maintenance ou une installation erronée, l'inefficacité des cheminées, l'anormalité des installations électriques ou hydrauliques, la mauvaise qualité du combustible, l'usage inadéquat, des réparations effectuees par du personnel non autorisé et, quoi qu'il en soit, par des causes ne dépendant pas de IDEAL CLIMA S.P.A. excluent toute prétention à la garantie.
- La garantie sera valide a condition que:
la mise en service et, par conséquent, une mise au point de l'appareil soit effectue par notre personnel technique agrée ;
la partie du certificat de compétence, dument remplie et souscrit, soit retournee a IDEAL CLIMA S.P.A. dans les quinze jours qui suivant la date d'achat ;
l'appareil soit soumis à des opérations d'entretien préventif par notre personnel autorisé, selon les recommendations dans le livre d'instructions
- La garantie devient caduque si :
des réparations ont été effectuees par des personnes non agreees par EUREKA;
l'installation n'est pas conforme aux normes en vigueur et aux prescriptions containues dans le livre d'instructions;
les cheminées ne sont pas efficentes;
les installations electriques ou hydrauliques ne sont pas conformes aux normes en vigueur ou aux prescriptions containues dans le livre d'instructions;
il a ete utilise des methodes differant de celles prescrites dans le livret d'instructions ou si I'usage de l'appareil ne correspond pas a celui auquel il est destiné;
l'usager est dans l'impossibilité d'exhiber au personnel agrée la copie de sa compétence, dûment remplie et validée du present certificat.
- La reception finale concerne exclusivement la chaudiere et en garantit le bon fonctionnement.
Le Service d'Assistance Avec-Ventre EUREKA ne peut enaucun cas etre considere responsable en cas d'inconvenients occasionnes par une installation non conforme aux normes en vigueur ou aux prescriptions containues dans le livre d'instructions.
Notice Facile