MF 220 H - Générateur d'air chaud S.PLUS - Notice d'utilisation et mode d'emploi gratuit
Retrouvez gratuitement la notice de l'appareil MF 220 H S.PLUS au format PDF.
| Type d'appareil | Générateur d'air chaud |
| Modèles disponibles | MF 100 H, MF 140 H, MF 175 H, MF 220 H, MF 140 C, MF 175 C, MF 220 C |
| Type de ventilateur | Hélicoïdes ou centrifuges |
| Alimentation électrique | Monophasé 230 V ou triphasé 400 V |
| Fonctionnement | Fioul |
| Usage | Chauffage d'air |
| Installation | Fixe |
| Maintenance | Manuel d'utilisation et d'entretien fourni |
| Sécurité | Respect strict des instructions d'emploi |
| Garantie | Non précisé |
| Poids | Non précisé |
| Dimensions | Non précisé |
| Puissance thermique | Non précisé |
| Débit d'air | Non précisé |
| Consommation de fioul | Non précisé |
| Niveau sonore | Non précisé |
| Fabricant | Non précisé |
| Normes | Non précisé |
FOIRE AUX QUESTIONS - MF 220 H S.PLUS
Téléchargez la notice de votre Générateur d'air chaud au format PDF gratuitement ! Retrouvez votre notice MF 220 H - S.PLUS et reprennez votre appareil électronique en main. Sur cette page sont publiés tous les documents nécessaires à l'utilisation de votre appareil MF 220 H de la marque S.PLUS.
MODE D'EMPLOI MF 220 H S.PLUS
Modèle : MF 100 H - MF 140 H - MF 175 H - MF 220 H (Ventilateurs hélicoides)
Modèle : MF 140 C - MF 175 C - MF 220 C (Ventilateurs centrifuges)
NB: Le modele MF 100 H fonctionne uniquement en monophasé 230 V. Les modele MF 140 H - MF 175 H - MF 140 C et MF 175 C sont livres standard en monophasé 230 V. Sur demande, ils peuvent etre livres en Tri 400 V. Le modele MF 220 C fonctionne uniquely en Tri 400.
Avant d'utiliser le générateur, nous vous prions de dire attentivement toutes les instructions pour l'emploi, mentionnées ci-apres, et d'en suivre scrupuleusement les indications.
Le constructeur n'est pas responsable pour les dommages aux choses et/ou personnes dus à une utilisation impropre de l'appareil.
Constructeur: S.PLUS 20 rue des Moulissards BP85 21240TALANT Tel:0380555113 Fax:0380555615
La société SMG SA déclare sous sa propre responsabilité que les générateurs de la série MFH et MFC avec brûleur écoflamme sont conformes aux exigences essentielles de sécurité reprises dans la Directive Machine 89/39L y compris les modifications introduites par les Directives 91/368, 93/44 et 93/68 et les Directives 89/336, 92/31 et 73/23.
Modèle: MF 100 H - MF 140 H - MF 175 H MF 140 C - MF 175 C - MF 220 C - MF 220 H
TABLEAude COMMANDE

1-Lampetemoinmisesoustension
2 - Commutateur chauffage - Stop - Ventilation
3-Cableelectrique alimentation
4 - Thermostat ventilateur, F
5 - Thermostat de sécurité de surchauffe, L1
6-Thermostat de sécurité a réarmement manuel, L2
7- Porte fusible pour bruleur
8 - Presse étoupe pour thermostat d'ambiance
9 - Lampe témoin sécurité de surchauffe, L2
10 - Lampe témoin arrêt ventilateur
11 - Rémamentement ventilateur
12 - Prise Brûleur
DESCRIPTION
Les générateurs d'air chaud de la série MF sont destinés au chauffage de locaux de moyennes ou de grandes dimensions qui imposent un système de chauffage fixe ou mobile.
L'air est chauffé grâce à l'énergie thermique développée pendant la combustion et transmise par les fumées chaudes à l'air frais à travers les superficies metalliques de la chambre de combustion, du type à double tour de fumées, et à travers l'échangeur de chaleur.
Le conduit de passage de l'air et celui des fumées sont séparés et ils sont réalisés avec des soudures et des joints à parfaite étanchéité. Les produits de la combustion, après refroidissement, sont diriges vers un tuyau de décharge; ce tuyau doit être relié à une cheminée ou à un conduit de fumées de dimensions suffisantes à garantir l'évacuation des fumées.
L'air comburant, c'est-à-dire l'air nécessaire à la combustion, est aspiré par le brûleur qui le préféve directement du milieu à chauffer; ce milieu doit être bien aéré pour assurer un changement d'air suffisant. Le conduit terminal de sortie de l'air chaud peut être substitué avec des conduits :
- à 2/4 de voies qui doivent être utilisés toutes voies ouvertes,
- du type «plenum» pourvu de quatre ouvertures laterales réglables en tournant des ailettes mobiles afin de diriger le flux d'air chaud dans la direction désirée (Fig.1).
Attention
Durant le fonctionnement, deux des quatre côtes doivent être ouverts, pour éviter la surchauffe de la chambre de combustion.

Les générateurs d'air chaud peuvent être utilisés avec des brûleurs à fuel ayant un système de fonctionnement ON-OFF.
Attention
Seuls les brûleurs choisis et fournis par le constructeur peuvent être utilisés. Le marquage CE déchoit si on substitue le brûleur avec un modèle non original, même si ce dernier possède des caractéristiques similaires.
Le fonctionnement de l'apparil est contrôle par trois dispositifs de sécurité qui intervennent en cas de grave anomalie. Le coffret de contrôle du brûleur, montés sur le chassis du brûleur-même et muni d'un bouton de réarmement, en provoque l'arrêt si la flamme s'éteint. Le thermostat de sécurité à réarmement manuel, L2, et l(relais thermique, RM, intervennent en arrêtant le fonctionnement du générateur. Le thermostat intervient si la température de la chambre de combustion dépasse la valeur limite préselectionée (la lampe (9)s'allume). Le relais thermique intervient si l'absorption de courant électrique du moteur du ventilateur dépasse la valeur limite (la lampe (10)s'allume).
Si un de ces dispositifs intervient, il faut toujours chercher la cause de cette intervention et l'éliminer avant de pousser le bouton de réarmament et faire démarrer le générateur (voir "ANOMALIES DEFONCTIONNEMENT, CAUSES ET SOLUTIONS").
Le thermostat de sécurité de surchauffe, L1, arrête le générateur dans l'eventualité où le flux d'air de refroidissement de la chambre de combustion est insuffisant: le générateur se remettant en marche automatiquement des que le température normale de fonctionnement est de nouveau atteinte.
RECOMMANDATIONS GENERALES
L'installation, le réglage et l'utilisation du générateur d'air chaud doivent respecter les normes et les lois en vigueur relatives à l'utilisation de l'appareil.
Il convient de s'assurer que :
- les instructions continues dans ce livre soient suivies scrupuleusement,
- le générateur ne soit pas installé dans des locaux où il y aurait des risques d'explosion ou d'incendie,
des matériaux inflammables ne soient pas déposés à côté de l'appareil (la distance minimun doit être d'au moins 3m), - des mesures suffisantes contre les incendies aient eté prévues,
-1 l'aration du local dans lequel se trouve le générateur soit garantic et suffisante aux necessities de ce générateur, -
l'appareil soit place a cotoé d'une cheminée et d'un tableau électrique d'alimentation avec des caractéristiques conformes aux caractéristiques déclarées,
-
le générate soit contrôle avant sa mise en marche et régulièrement surveillé durant son utilisation; il faut éviter que des enfants ou des animaux non surveillés s'approchant de l'appareil,
- à la fin de chaque période d'utilisation l'interrupteur de sectionnement soit débranché.
Il faut absolument respecter les conditions de fonctionnement du générateur d'air chaud et en particulier:
- ne pas dépasser la puissance thermique maximum (voir caractéristiques techniques),
- s'assurer que le débit de l'air ne soit pas inférieur au débit nominal. Il faut donc contrôler qu'il n'y ait pas d'obstacles ou d'obstructions aux conduites d'aspiration de l'air et/ou de sortie de l'air, comme des toiles ou des couvertures précises sur l'appareil, des murs ou des objets enconnbrants acoté du générateur, etc. En cas de débit d'air insuffisant, la chambre de combustion surchauffe, et le thermostat de sécurité de surchauffe intervent, arrêtant et redémmarant le générateur au façon répetitive (voir "ANOMALIES DE FONCTIONNEMENT, CAUSES ET SOLUTIONS").
INSTRUCTIONS POUR L'INSTALLATION
Attention
Toutes les opérations décrites dans ce paragraphe doivent être effectuées par le personnel spécialisé et autorisé à cet effet.
Le générateur d'air chaud est fourni avec tous les dispositifs de contrôle et de sécurité indispensablees au bon fonctionnement del'appareil: un coffret electrique, un brûleur, un thermostat pour le ventilateur, un thermostat de sécurité de surchauffe et un thermostat de sécurité à réarmement manuel sont déjà branchés.
Attention
La ligne électrique d'alimentation du générateur doit être poursuéd'une mise à la terre et d'un interrupteur magneto-thermique avec un différentiel.
Le cable d'alimentation électrique doit être branché à un tableau électrique munid'un interrupteur de sectionnement.
Il faut encore effectuer :
- le branchement au réseau électrique. Cette opération doit être effectue avec un cable d'alimentation, après un contrôle des caractéristiques de l'alimentation électrique qui se trouvent sur l'étiquette adhéasive (le type d'alimentation est indiqué sur Tab.I; l'étiquette appliquée aux machines ayant une alimentation triphase est reportée sur Tab. II).
| Modèle M - M/C | Modèle T - T/C | |
| Nombre de phases | 1 | 3 |
| Tension (V) | 230 | 230/400 |
| Fréquence (Hz) | 50 | 50 |

Tab. II
- l'éventuel branchement d'un thermostat d'ambiance ou d'autres accessoires de l'installation (par exemple, l'horloge) qui doit être branché au coffretélectrique du générateur à travers un presse-étoupe (8) et relié aux bornes 7 et 8 de la barette de connexion (voir schéma électrique).
Après avoir effectué toutes les opérations décrites et avant demettre en fonction la machine, il convient de contrôle les connexions électriques effectues avec celles reportées sur le schéma électrique et de vérifier l'étalonnage du thermostat F (voir le tableau des caractéristiques techniques).
Au premier démarrage il faut toujours contrôler que l'absorption de courant du ventilateur ne dépasse pas l'absorption déclarée.
Enfin, le brûleur doit être régê en suivant les instructions fournies sur le livre d'instructions relatif au brûleur.
1. RACCORDEMENT AUX CONDUITS DE SORTIE DE L'AIR DE CHAUD
Le générateur d'air chaud est prevu pour fonctionner avec une diffusion d'air chaud.
Le panneau de sortie de l'air chaud peut être remplace avec un panneau à 2 ou 4 voies, si on désire diviser le flux chaud avec des canalisations flexibles. Dans ce cas, il faut démonter le panneau de la sortie d'origine en enlevant les 8 vis qui le reliant à la structure du générateur et à sa place monter le panneau à 2 ou 4 voies.
En alternative le panneau de sortie de l'air peut être substitué avec un groupe type «plenum» (voir Fig. 1). Dans ce cas, il faut replacer le panneau de la sortie d'origine avec un des deux pannaux de la partie supérieure tandis que l'autre panneau doit être enlevé; il faut alors fixer le 'plenum' aux angles supérieurs restés libres.
Ces dispositifs, sans le "plenum", peuvent etre reliés à des conduits de section correcte, si des exigences spécifiques d'utilisation le demandent; la valeur du débit de l'air peut varier, pour ce motif il convient d'effectuer des contrôles et des réglages. Ces contrôles et réglages sont absolument nécessaires chaque fois qu'un changement significatif est apporté au circuit de distribution de l'air chaud modifications de la longueur et du diamètre des tubes, du nombre d'angles, etc).
Il faut :
- vérifier que le courant absorbé par le moteur du ventilateur ne soit pas supérieur à la valeur déclarée,
- vérifier que le débit de l'air soit égal au débit nominal.
Si le générateur d'air chaud a le ventilateur centrifugement et le valeur du début d'air est different du début spécifique, il faut effectuer les opérations suivantes (Fig. 2):
1) démonter et extraire la grille d'aspiration du côte moteur-ventilateur,
2) enlever la vis (2) du chariot du moteur,
3) enlever la courroie (1),
4) desserrer les vis (3),
(5) faire tournier la partie mobile (4) de la poulie en la dévissant ou en la vissant pour respectivement diminuer ou augmenter la rapidité de rotation et donc, le début de l'air du ventilateur,
6) bloquer les vis (3),
7) monter la grille d'aspiration,
(8) repeter les opérations de (1) à (7) jusqu'à ce que le début de l'air a iè rejoint sa valeur nominale.

Fig. 2
Le rendement de la combustion et le fonctionnement correct du brûleur dépendent du tirage de la cheminée. Le raccordement à la cheminée doit être effectué en respectant les conditions des lois en vigueur et en observant les prescriptions suivantes :
- le parcours du raccordement à la cheminée doit être le plus courte possible et en pente ascendante,
- il faut éviter les angles fermés ainsi que les réductions de section,
- il faut prévoir une cheminée pour chaque générateur,
- le tirage de la cheminée doit être au moins égal au tirage prescrit.
ANALYSE DES PRODUITS DE LA COMBUSTION
Les sondes pour le contrôle des produits de la combustion et de la température des fumées doivent êtreplatzées suivant lesindications de la Fig.3.
A la fin des tests d'essay le trou pratique pour l'introduction des sondes doit être scelle avec un matériel qui garantisse l'étanchéité du conduit et qui soit résistant aux températures élevées.

Fig. 3
1. BRANCHEMENT A LA LIGNE D'ALIMENTATION DURING COMBUSTIBLE
Ce branchement doit être exécuté en suivant les indications du livre d'instructions du brûleur en se servant des deux flexibles fioul et du filtré fioul déjà montés sur le générateur, en respectant la longueur et la position des tubes d'aspiration et de retard.
INSTRUCTIONS POUR L'UTILISATION
DEMARRAGE
Pourmettre en marche le générateur:
- Mettre le commutateur (2) sur la position "O",
- Alimenter electriquement le générateur en agissant sur l'interrupteur de sectionnement place sur le tableau electrique d'alimentation,
-Si le fonctionnement est manuel, il faut deplacer le commutateur (2)
sur la position : le brûleur démarre et après quelques minutes de préchauffage de la chambre de combustion, le ventilateur démarre,
- Si le fontiennement est automatique, il faut regler la valeur de la température désirée sur le thermostat d'ambiance et placer le commu
tateur (2) sur la position : le générateur demarre et s'arrête automatiquement quand la température du local est respectivement supérieure ou inférieure à la valeur sélectionnée,
- Si après ces opérations le générateur ne fonctionne pas, il faut consulter le paragraphe "ANOMALIES DE FONCTIONNEMENT CAUSES ET SOLUTIONS" et découvertir la cause pour laquelle l'appareil ne fonctionne pas.
ARRET
Pour arrêté l'appareil, il faut agir sur le commutateur (2), en lemettant, sur la position "O" si le fonctionnement est manuel, ou sur le thermostat d'ambiance si le fonctionnement est automatique. Le brûleur s'arrête et le ventilateur continue à fonctionner, en démarrant plusieurs fois, jusqu'àu refroidissement complet de la chambre de combustion.
Attention!
Il ne faut jamais arrêté le fontonnement du générateur en débranchant l'interrupteur de sectionnement du tableau d'alimentation.
L'alimentation électrique doit être débranchée seulement après l'arrêt du ventilateur.
VENTILATION
Pour obltenir la seule ventilation continue du générateur, il fautmettre le commutateur (2) sur la position
ENTRETIEN
Attention
Toutes les opérations décrites dans ce paragraphe doivent être effectuees par le personnel specialise et autorise a cet effet.
Pour un bon fonctionnement de l'appareil il est nécessaire d'effectuer periodically les opérations suivantes.
Avant de commencer, retirez la prise électrique du générateur.
Attention
Avant de commencer cette opération il faut :
- Arrête l'appareil selon les indications du paragraph précedent
- Débrancher l'alimentation électrique en agissant sur l'interrupteur de sectionnement place sur le tableau électrique d'alimentation
- Attendre que le générateur se refroidisse.
NETTOYAGE DE L'ECHANGESUR DE CHALEUR ET DE LA CHAMBRE DE COMBUSTION
Pour prolonger la durée de l'appareil et en maintainir sa bonne efficacité, cette opération doit être effectuee au moins a la fin de chaque saison de chauffe ou plus souvent s'il y a une presence excessive de suie. Ce phenomene peut dependre du tirage defectueux de la cheminée, de la mauvaise qualite du combustible, du mauvais reglage du bruleur, de la succession plus ou moins frqueente des phases d'allumage et d'arrêt du bruleur. Il est utile d'être attentif pendant le fonctionnement : des pulsations au moment du demarrage peuvent etre due a une presence excessive de suie.
Pour arriver à l'échangeur (a), une fois enlevé le panneau postérieur supérieur (c), il faut démonter le panneau d'inspection de la boîte des fumées (b) et enlever le turbulateur (g). Pour acceder à la chambe de combustion (d) il est nécessaire de déplacer le brûleur (e).
NETTOYAGEDUVENTILATEUR
Il faut enlever d'eventuels déchets déposés sur la grille d'aspiration (f), et si cela est nécessaire il faut nettoyer avec de l'air comprime les pales du ventilateur.
NETTOYAGEDUBRULEUR
Pour un bon fonctionnement du générateur il faut effectuer régulierement un entretien du bruleur en s'adressant à un centre d'assistance technique autorisé.
Les opérations de nettoyage, entretien et réglage doivent de toutes des cas, conformés à se dérouler en se conformant scrupuleusement aux instructions, des spécifiques reportées sur le livre d'instructions.

Fig. 4
Le déplacement et le transport doivent s'effectuer en saississant la machine par les poignées antérieures.
Attention
Avant de déplacer l'appareil il faut :
-
Arrête la machine selon les indications du paragraphe précisé.
-
Debrancher le courant électrique en enlevant la prise.
-
Attendre que le générateur se soit refroidi.
Le déplacement de l'appareil peut s'effectuer seulement avec l'équipe-ment approprié.
Pour le soulèvement, vous pouvez relier les cordes ou les chaines aux quatre points de soutien; avant des soulever le générateur il faut contrôler que l'équipement utilisé puisse supporter le poids de la machine reporté sur le tableau des caractéristiques techniques.
Attention
N'essayer jamais deSoulever manuellement le générateur:sonpoids excessif pourrait vous provoquer des dommages physiques
| Anomalie de fonctionnement | Cause | Solution |
| L'appareil ne démarre pas | Le courant électricité n'arrive pas | Vérifier le fonctionnement et la position de l'interrupteurVérifier les caractéristiques de la ligne électricaleVérifier les branchements électriquesVérifier l'éfficacité des fusibles |
| Mauvaise position de l'interrupteur général | Sélectionner la position correcte | |
| Mauvais fonctionnement du thermostat d'ambiance | Vérifier la position du thermostat et la corrigerVérifier le bon fonctionnement du thermostat | |
| Dispositif de sécurité (brûleur, thermostat L2, relais thermique) non réarmé après une réparation | Pousser le bouton de réarmement du brûleur ou L2... | |
| Intervention du thermostat L1 | Surchauffe de la chambre de combustion | Contrôler le débit du combustibleVérifier la correcte position d'éventuels ridesaux, gâches, etc ...Enlever d'éventuels déchets bloqués dans les conduites de l'air ou dans les grilles de ventilation |
| Intervention du relais thermique RM (la lampe 10 s'allume) | Absorption excessive de courant du moteur du ventilateur | Générateurs montés avec ventilateur hélicoïdal : enlever d'éventuels objets pouvant obstruer le passage de l'air dans la sortie ou l'aspiration d'air. Contrôler la longueur des gains de distribution d'air et réduire le cas échéant.Générateurs montés avec ventilateur centrifuge : reprendre les opérations de réglage du rapport de transmission moto-ventilateur (voir chapitre "Raccordement aux conduits de sortie de l'air chaud"). Dans tous les cas, contrôler que l'absorption de courant sera toutes inférieure aux valeurs indiquées sur la plaque de fabrication du moteur électricule |
| Déclenchement du thermostat L2 (le témoin lumineux 9 s'allume) | Echauffement excessif de la chambre de combustion | Procéder aux contrôles indiqués dans le paragraphe précédentSi le problème subsite,mettre le générateur hors service et s'adresser au Service d'Assistance Technique |
| Le brûleur démarre, la flamme ne s'allume pas, la lampe témoin du bouton de réarmement s'allume | Mauvais fonctionnement du brûleur | Si après avoir pousse le bouton de réarmement et après avoir fait démarrer le générateur, l'inconvénient se repête pour une seconde fois, il faut s'adresser au Service d'Assistance Technique |
| Le ventilateur ne démarre pas ou démarre en retard | Le courant électricque n'arrive pas | Vérifier l'éfficacité des fusiblesVérifier les branchements électriques |
| Panne du thermostat F | Contrôler le thermostat, le régler et éventuelles le replacer | |
| Bobinage du moteur brûlé ou interrompu | Remplacer le moteur du ventilateur | |
| Condensateur du moteur HS | Remplacer le condensateur | |
| Roulements du moteur bloqués | Remplacer les roulements | |
| Bruits et vibrations du ventilateur | Déchets déposés sur les pales du ventilateur | Enlever les déchets |
| Circulation de l'air insuffisante | Eliminer tout obstacle possible au passage de l'air | |
| Réchauffement insuffisant | Capacité du brûleur insuffisante | S'adresser au Service d'Assistance Technique |
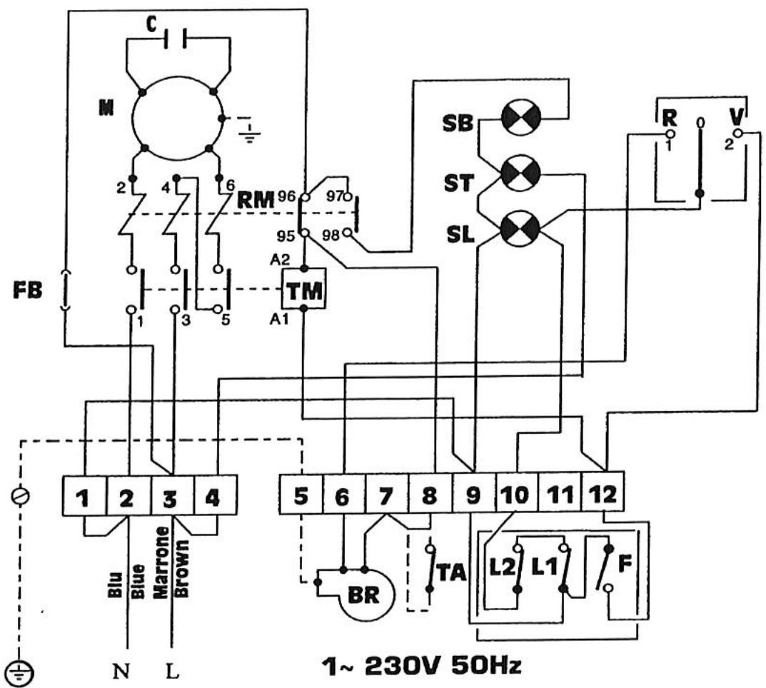
SCHEMA ÉLECTRIQUE MONOPHASE M, M/C

M Moteur ventilateur
RM Relais thermique du ventilateur
F ThermostatventilatourF
ST Lampe témoin mise sous tension
L1 Thermostat de sécurité de surchauffe L1
SL Lampe témoin sécurité de surchauffe L2
L2 Thermostat de sécurité à réarmement manuel L2
SB Lampe temoi arrét ventilateur
FB Fusible bruleur 6A
BR Bruleur
RV Commutateur chauffage stop ventilation
TA Thermostat d'ambiance
TM Telerupteur ventilateur
PB Prise bruleur
C Condensateur
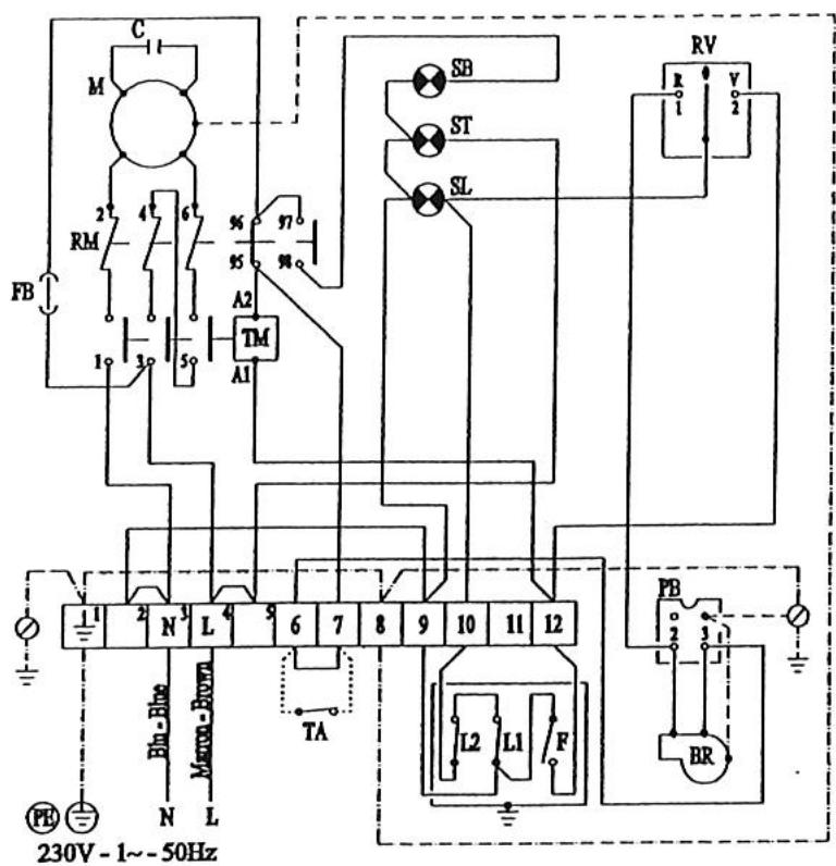
SCHEMA ÉLECTRIQUE MONOPHASE M, M/C


M Moteur ventilateur
F ThermostatventilatourF
I.1 Thermostat de sécurité de surchauffe L1
L2 Thermostat de sécurité à réarmement manuel L2
FB Fusible bruleur 6A
RV Commutateur chauffage stop ventilation
TM Télérupteur ventilateur
C Condensateur
RM Relais thermique du ventilateur
ST Lampe témoin mise sous tension
SL Lampe témoin sécurité de surchauffe L2
SB Lampe temoin arrêt ventilateur
BR Bruleur
TA Thermostat d'ambiance
PB Prise bruleur
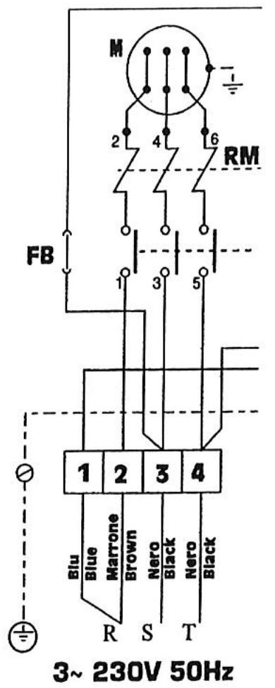
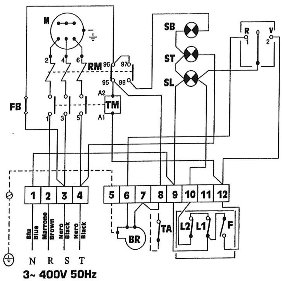
SCHEMA ÉLECTRIQUE TRIPHASE T/TC


M Moteur ventilateur
RM Relais thermique du ventilateur
F Thermostatventilatour F
ST Lampe témoin mise sous tension
L1 Thermostat de sécurité de surchauffe L1
SL Lampe temoin sécurité de surchauffe L2
L2 Thermostat de sécurité à réarmement manuel L2
SB Lampe témoin arrêt ventilateur
FB Fusible bruleur 6A
BR Bruleur
RV Commutateur chauffage stop ventilation
TA Thermostat d'ambiance
TM Telerupteur ventilateur
PB Prise bruleur
| CHARACTERISTIQUES TECHNIQUES | MF 100 H MONO | MF 140 H MONO / TRI | MF 140 C MONO / TRI | MF 175 H MONO / TRI | MF 175 C TRI | MF 220 H MONO / TRI | MF 220 C TRI | ||||||||||||||||||||||
| Puisance thermique max | [kcal/h] | 90 000 | 103 200 | 103 200 | 150 000 | 150 000 | 176 300 | 176 300 | |||||||||||||||||||||
| [kW] | 104,65 | 120,00 | 120,00 | 174,30 | 174,30 | 205,00 | 205,00 | ||||||||||||||||||||||
| Catégorie | II2H3BP | II2H3BP | II2H3BP | II2H3BP | II2H3BP | II2H3BP | II2H3BP | ||||||||||||||||||||||
| Débit d'air | [m³/h] | 6 000 | 7 800 | 8 000 | 10 500 | 10 500 | 12 000 | 12 500 | |||||||||||||||||||||
| Puisance thermique nette * | [kcal/h] | 79 650 | 92 020 | 92 020 | 131 250 | 131 250 | 159 100 | 159 100 | |||||||||||||||||||||
| [kW] | 92,62 | 107,00 | 107,00 | 152,62 | 152,62 | 185,00 | 185,00 | ||||||||||||||||||||||
| Rendement, η | [%] | 88,5 | 88,6 | 88,6 | 87,5 | 87,5 | 89,7 | 89,7 | |||||||||||||||||||||
| Alimentation électricité | Phase | 1 | 1/3 | 1/3 | 1/3 | 1/3 | 1/3 | 3 | |||||||||||||||||||||
| Tension [V] | 230 | 230/400 | 230/400 | 230/400 | 230/400 | 230/400 | 230/400 | ||||||||||||||||||||||
| Fréquence [Hz] | 50 | 50 | 50 | 50 | 50 | 50 | 50 | ||||||||||||||||||||||
| Combustible | Fioul | G20 | G30 | G31 | Fioul | G20 | G30 | G31 | Fioul | G20 | G30 | G31 | Fioul | G20 | G30 | G31 | Fioul | G20 | G30 | G31 | Fioul | G20 | G30 | G31 | Fioul | G20 | G30 | G31 | |
| Consommation | [kg/h] | 8,82 | - | 8,25 | 8,13 | 10,54 | - | 10,60 | 10,40 | 10,54 | - | 10,60 | 10,40 | 14,70 | - | 13,80 | 13,60 | 14,70 | - | 13,80 | 13,60 | 17,28 | - | 17,42 | 17,16 | 17,28 | - | 17,42 | 17,16 |
| [Nm³/h] | - | 10,50 | - | - | - | 13,40 | - | - | - | 13,40 | - | - | - | 17,50 | - | - | - | 17,50 | - | - | - | 22,15 | - | - | - | 22,15 | - | - | |
| Pression gaz | [mbar] | - | 20 | 29 | 37 | - | 20 | 29 | 37 | - | 20 | 29 | 37 | - | 20 | 29 | 37 | - | 20 | 29 | 37 | - | 20 | 29 | 37 | - | 20 | 29 | 37 |
| Température des fumées | [°C] | 260 | 240 | 240 | 287 | 287 | 225 | 225 | |||||||||||||||||||||
| Débit des fumées | [Nm³/h] | 213 | 280 | 280 | 354 | 354 | 440 | 440 | |||||||||||||||||||||
| Puisance électricque ventilateur | [W] | 1 470 | 1500 / 1300 | 2420 / 2620 | 1860 / 1600 | 2130 / 2340 | 2650 / 2820 | 4130 | |||||||||||||||||||||
| Puisance électricque totale | [W] | 1 760 | 1690 / 1460 | 2600 / 2780 | 2120 / 1860 | 2300 / 2600 | 2850 / 2540 | 4330 | |||||||||||||||||||||
| Pression statique disponible | [mbar] | 10 | 10 | 20 | 10 | 20 | 10 | 20 | |||||||||||||||||||||
| Contré pression fumées * | [mbar] | 1 | 1 | 1 | 1 | 1 | 1 | 1 | |||||||||||||||||||||
| Tirage minimum nécessaire * | [mbar] | 0,1 | 0,1 | 0,1 | 0,1 | 0,1 | 0,1 | 0,1 | |||||||||||||||||||||
| Diamètre sortie fumées | [mm] | 150 | 200 | 200 | 200 | 200 | 200 | 200 | |||||||||||||||||||||
| Sortie air | [mm] | 500 | 600 | 600 | 600 | 600 | 700 | 700 | |||||||||||||||||||||
| Température démarrage ventilateur | [°C] | 35 | 30 | 30 | 35 | 35 | 30 | 30 | |||||||||||||||||||||
| Température limite de sécurité | [°C] | 85 | 90 | 90 | 85 | 85 | 90 | 90 | |||||||||||||||||||||
| Niveau sonore à 1 m * | [dBA] | 73,80 | 79,60 | 75,00 | 82,00 | 80,00 | 81,30 | 75,70 | |||||||||||||||||||||
| Dimensions L x P x H | [mm] | 1905 x 770 x 1080 | 1780 x 840 x 1210 | 2060 x 840 x 1210 | 1950 x 880 x 1330 | 2350 x 880 x 1330 | 2235 x 985 x 1500 | 2720 x 960 x 1500 | |||||||||||||||||||||
| Poids | [kg] | 165 | 195 | 200 | 250 | 255 | 360 | 370 | |||||||||||||||||||||
| Brûleur | RIELLO 40 G 20 | ||||||||||||||||||||||||||||
Notice Facile