CCS 385 TOP - Chaudière ASTON THERMICA - Notice d'utilisation et mode d'emploi gratuit
Retrouvez gratuitement la notice de l'appareil CCS 385 TOP ASTON THERMICA au format PDF.
| Type de produit | Chaudière à condensation |
| Caractéristiques techniques principales | Chaudière murale, système de chauffage central, technologie à condensation |
| Alimentation électrique | 230 V / 50 Hz |
| Dimensions approximatives | 700 x 400 x 300 mm |
| Poids | 30 kg |
| Compatibilités | Compatible avec les systèmes de chauffage central existants |
| Type de batterie | Non applicable |
| Tension | Non applicable |
| Puissance | De 24 à 30 kW selon le modèle |
| Fonctions principales | Chauffage, production d'eau chaude sanitaire |
| Entretien et nettoyage | Entretien annuel recommandé par un professionnel, nettoyage des filtres |
| Pièces détachées et réparabilité | Disponibilité des pièces détachées auprès du fabricant |
| Sécurité | Système de sécurité intégré, protection contre la surchauffe |
| Informations générales utiles | Installation par un professionnel recommandée, garantie de 2 ans |
FOIRE AUX QUESTIONS - CCS 385 TOP ASTON THERMICA
Téléchargez la notice de votre Chaudière au format PDF gratuitement ! Retrouvez votre notice CCS 385 TOP - ASTON THERMICA et reprennez votre appareil électronique en main. Sur cette page sont publiés tous les documents nécessaires à l'utilisation de votre appareil CCS 385 TOP de la marque ASTON THERMICA.
MODE D'EMPLOI CCS 385 TOP ASTON THERMICA
Manuel d'utilisation

SOMMAIRE
PAGE
NORMES GENERALES 3
DESCRIPTION 7
COMPOSANTS PRINCIPAUX 81
DIMENSIONS 9
MISE EN MARCHE - ARRET 10
- DEFAULTS DE FONCTIONNEMENT 17
Nous yous felicitons...
...pour vousCHOIX,et nous youremercions de la
preferece que vous avez accordedea a nos produits.
"ASTON TERMICA" est très active depuis de nombreuses années sur le marché italien et sur les principaux marchés étrangers dans les divers secteurs du chauffage.
L'Organisation ASTON TERMICA se vante tout particulièrement de la rapidité en matière d'assistance, conséquence logique d'un service constant assurant conseils et support aux clients et aux utilisateurs en général.
POUR TOUT BESOIN, VEUILLEZ DONC VOUS ADRESSER A NOTRE AGENCE INDIQUEEE CONTRE.
AGENCE

Ville Departement
Adresse
Telephone
Cachet
Pour l'installation et l'emplacement de la chaudiere,
RESPECTER RIGOUREUSEMENT LES NORMES LOCALES
NORMES GENERALES
Le present livre est une partie intégrante et essentielle du produit, et il devra être remis à l'utilisateur.
Lire attentivement les instructions contenues dans ce livre car elles fournissant des indications importantes concernant la sureté d'emploi.
Conserver soigneusement ce livre pour toute consultation qui seendra nécessaire par la suite.
Cet apparéil devra être destiné uniquement à l'usage pour lequel il a été expressément prévu.
Tout autre usage est à considérer improupre et par conséquent dangereux.
Le constructeur décline toute responsabilité en cas d'eventuels dommages dérivant d'un usage improugre, incorrect et déraisonnable de l'appareil.
Ne pas obstruer les grilles d'aspiration ou de dissipation.
En cas de panne et/ou de mauvais fonctionnement de l'appareil, le désactiver, en évitant toute tentative de réparation ou d'intervention directe.
S'adresser exclusivement à des professionnels qualifiés.
L'éventuelle réparation des produits ne devra être effectuee que par un centre d'après-vente agree par le constructeur en utilisant exclusivement des pioces detachées d'origine.
Le non-respect de ces régles peut compromètre la sécurité de l'appareil.
Pour garantir les performances et le bon fonctionnement de l'appareil, il est indispensable de suivre scrupuleusement les indications du constructeur et faire effectuer l'entretien périodique de l'appareil par des professionnelnels qualifiés.
Si vous decide de ne plus utiliser l'appareil, il faudra neutraliser les pieces susceptibles de générer des sources de danger potentielles.
Livret: En cas de vente ou de transfert de l'appareil à un autre propriétaire ou bien en cas de déménagement, s'assurer toujours que le livre accompagne l'appareil de sorte que le nouveau propriétaire puisse le consulter.
La transformation a partir d'un gaz d'une famille (H/L ou B/P) en gaz d'une autre famille, qui peut meme etre efectuee lorsque la chaudiere a déjà ete installee, doit etre realisee uniquement par du personnel qualifie.
Avant de demarrer la chaudiere, faire vérifier par du personnel qualifié:
a) si les données indiquées sur la plaquette signalétique correspondent bien à celle du réseau d'alimentation du gaz, du courant et de l'eau;
b) si le réglage du brûleur est compatible avec la puissance de la chaudière;
c) si les conduits partant de la chaudière sont revétus de gains thermoisolantes adaptées;
d) le bon fonctionnement du conduit de fumée;
e) si l'afflux d'air comburant et l'évacuation des fumées se font correctement d'après les normes en vigueur;
f) si l'aération et l'entretien courant sont assurés lorsque la chaudière est placée entre des meubles.
Contrier la pression de I'eau de I'installation sur I'hydrometre: lorsque I'installation est froide, I'instrument doit indiquer une valeur comprise dans les limites etabies par le constructeur (1.5 bar); en cas de baisSES de pression, s'adresser a du personnel qualifie.
Apre s chaque reouverture du robinet du gaz, attendre quelques minutes avant de reallumer la chaudiere.
Ne pas laisser la chaudière branchée en cas de non-utilisation prolongée: débrancher les reseaux d'alimentation du gaz, de courant et de l'eau en agissant sur les robinets et les interrupteurs.
Ne pas toucher les pieces de la chaudière qui se rechauffent en cours de fonctionnement ainsi que par la suite (pendant un certain temps). La présence d'enfants ou de personnes in expertes dans le voisinage de la chaudière est par conséquent interdite.
Ne pas faire giclere d'eau ou d'autres liquides sur la chaudiere.
Ne poser aucun objet sur la chaudiere.
Faire contrôle par des personnes qualifiées si l'installation électrique est bien adaptée à la puissance que l'appareil exige.
Pour l'alimentation de la chaudière, l'utilisation d'adaptateurs à prises multiples ou de rallonges n'est pas admise; il faut prévoir l'utilisation d'un interrupteur répondant aux normes de sécurité en vigueur.
L'emploi d'appareils utilisant l'énergie électrique comporte le respect de régles fondamentales telles que:
ne pas toucher l'appareil lorsque des parties du corps sont mouillées ou si vous étés pieds nus
ne pas tirer sur les cables electriques
- ne pas permettre que des enfants ou des personnes in expertes utilisent l'appareil.
Le cable d'alimentation ne doit pas etre remplace par l'utilisateur mais par une personne qualifiée.
S'assurer que l'installateur ait relié les écoulements de sécurité de la chaudière et du ballon à un dispositif d'évacuation. Dans le cas contraire, l'intervention des soupapes de suture provoquerait l'inondation des locaux, dont le constructeur ne saurait être responsable.
S'assurer que les conduits de l'installation ne soient pas utilisés comme prises de terre pour d'autres installations; non seulement ils ne sont pas appropriés à cet usage mais ils pouraient provoquer de graves dégats aux apparciels qui y sont reliés (chaud., ballon, etc.).
Interdire l'utilisation de la chaudière aux enfants ou aux personnes in expertes.
Si vous decide de désactiver définitivement la chaudière, faire effectuer les opérations de désactivation à des personnes qualifiées en vous assurant que les reseaux d'alimentation soient bien débranchés.
Vérifier périodiquement le fonctionnement et le bon état du conduit d'évacuation des fumées.
Ne pas nettoyer la chaudiere avec des produits inflammables.
Ne pasmettre de recipients contenant des produits inflammables dansle local ou est située la chaudiere.
S'il y a des risques de gel, il faut prendre les mesures qui s'imposent, qui toute fois ne concernent pas le constructeur de la chaudiere.
La sécurité electrique de l'appareil n'est obtenue que par son raccordement à une installation de mise à la terre efficace, réalisée selon les normes en vigueur.
La vérification de cette condition fondamentale doit être effectuee par des personnes qualifiées, le constructeur n'etant pas responsable des dommages causés par la non-réalisation d'une bonne mise à la terre de l'installation.
Faire contrôler par du personnel qualifié:
a) l'étanchéité interne et externe de l'installation d'amnéée du gaz;
b) si le débit de gaz correspond bien à la puissance de la chaudière;
c) si le type de gaz est celui pour lequel la chaudiere a eté prévue;
d) si la pression d'alimentation du gaz est comprise entre les valeurs indiquées par la plaquette signalétique de la chaudière;
e) si l'installation d'amnéée du gaz est bien dimensionnée et dotée de tous les disposits de sécurité et de contrôle prescrits par les bois en vigueur.

Si vous sentez une odeur de gaz, ne pas actionner les interrupteurs électriques. Ouvrir les portes et les fenêtres. Fermer les robinets du gaz. Appeler des personnes qualifiées.
DESCRIPTION
Ce sont des groupes thermiques (chaudiere + bruleur) sur socle, dont le corps de la chaudiere est formé d' éléments à ailettes en fonte concus pour fonctionner avec un bruleur de gaz à aspiration d'air (atmosphérique) pour de petites et moyennes installations de chauffage. L'équilibre des surfaces d'échange côte fumées et côte eau assurent, par une excellente circulation de l'eau dans les éléments, un rendement élevé et une bonne durée. Les éléments sont en fonte mouée, soumis au contrôle de qualité, avec un système d'aillettes exploitant au maximum la transmission de la chaleur de la fumée de combustion par convection, tout en maintainant la facilité de nettoyage du corps de la chaudiere.
Les éléments, assemblés par cônes en acier,présentent un développement "en largeur" permettant de maintainir une profondeur de 60 cm jusqu'àux modèles 315, standard pour les meubles de cuisine. Le brûleur est construit en acier inox et est indiqué pour tous les types de gaz naturel, (H/L) et B/P.
L'esthétique et la parfaite isolation sont assurées par un élégant tableau de commandes, une jaquette en panneaux d'accier points et assemblés par pression, revétus de laine de verre. Le dispositif antirefouleur (anti-vent) est incorpore dans la jaquette.
La gamme comprend les versions suivantes:
CCS
C'est la version importante le moins d'accessoires hydrauliques, permettant à l'instantiateur un vaste choix quant à l'emplacement des composants nécessaires au bon fonctionnement de l'inflation. Le fonctionnement est automatique, avec allumage manuel piezo et contrôle de la flamme par thermocouple.
CCS TOP
C'est la version automatique des modèles CCS. Ils possèdent une boite de commande électronique pour l'allumage automatique et le contrôle de la flamme par electrode d'onisation. Ils sont équipés d'une horloge de programmation.
CCSPK-TOP
C'est la version des modèles TOP possédant l'équipement hydraulique le plus complet, avec le vase d'expansion, le circulateur, la valve de purgege d'air automatique, la soupape de suture, le thermohydromètre et les raccords à un ballon évientuel.
COMPOSANTS PRINCIPAUX

CCS

CCS TOP

CCSPK-TOP
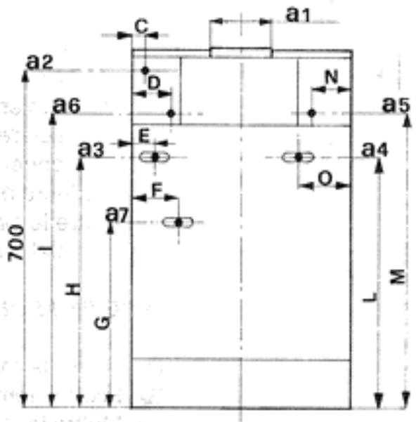
DIMENSIONS mm



a1 raccord de cheminée
a2 raccord de depart de l'installation 1"M
a3 raccord de retour de l'installation 1'M
a4 raccord d'eau froide 1/2"Mraccord de gaz
a5 raccord de depart du ballon 3/4"
a7 raccord de retour du ballon 3/4"
| Modèle | A | B | C | D | E | F | G | H | I | L | M | N | O | a5 |
| CCS 175 | 450 | 57 | 82 | - | 82 | - | - | 295 | - | - | 610 | 80 | - | 1/2"M |
| CCS 245 | 450 | 62 | 44 | - | 44 | - | - | 295 | - | - | 610 | 40 | - | 1/2"M |
| CCS 315 | 450 | 72 | 26 | - | 26 | - | - | 295 | - | - | 610 | 20 | - | 1/2"M |
| CCS 385 | 600 | 82 | 46 | - | 46 | - | - | 295 | - | - | 610 | 50 | - | 3/4"M |
| CCS 175 TOP | 450 | 57 | 82 | - | 82 | - | - | 295 | - | - | 610 | 80 | - | 1/2"M |
| CCS 245 TOP | 450 | 62 | 44 | - | 44 | - | - | 295 | - | - | 610 | 40 | - | 1/2"M |
| CCS 315 TOP | 450 | 72 | 26 | - | 26 | - | - | 295 | - | - | 610 | 20 | - | 1/2"M |
| CCS 385 TOP | 600 | 82 | 46 | - | 46 | - | - | 295 | - | - | 610 | 50 | - | 3/4"M |
| CCS 175 PK-TOP | 450 | 57 | 82 | 82 | 82 | 94 | 385 | 520 | 610 | 520 | 610 | 80 | 110 | 1/2"M |
| CCS 245 PK-TOP | 450 | 62 | 44 | 44 | 44 | 56 | 385 | 520 | 610 | 520 | 610 | 40 | 75 | 1/2"M |
| CCS 315 PK-TOP | 450 | 72 | 26 | 26 | 26 | 38 | 385 | 520 | 610 | 520 | 610 | 20 | 15 | 1/2"M |

MISE EN MARCHE
MISE EN MARCHE - VALVE MOD. V 4600C
Ouvrir le robinet du gaz.
Appuyer à plusieurs reprises sur le bouton-poussoir de l'allumeur piezo-électrique 1, tout en maintainant enforcé le bouton-poussoir 2 de la valve du gaz pendant 15-20 secondes. Le lacher lentement, en contrôle que le pilote reste allumé. Dans le cas contraire, attendre 30 secondes et repeter l'opération d'allumage.
Positionner le thermostat de regulation sur la valeur désirée (non inférieure à 45^ ).
Mettre le circuit electrique sous tension, allumant ainsi le bruleur principal qui fonctionnera automatique.
MISE EN MARCHE - VALVE VR 4605C
Ouvrir le robinet du gaz.
Fixer la températe désirée sur le thermostat de régulation.
- Mettre la chaudiere sous tension. Mettre l'interrupteur en position de marche. L'allumage se fera automatiquement et le fonctionnement sera assisté par le thermostat de régulation.
ARRET
VALVE V 4600C
Tournier dans le sens des aiguilles d'une montre le bouton-poussoir 2, pour fermer le passage du gaz au bruleur pilote ainsi qu'aux bruleurs principaux.
VALVE VR 4605C
La valve automatique n'a pas de pilote, il suffit donc d'éliminer le courant électrique.
ARRET PROLONGE
En cas de non-utilisation prolongée de la chaudière, fermer le robinet du gaz en冲动 etmettre l'appareil hors tension.
Aux saisons froides, si vous n'vez pas rempli l'installation avec un mélange anti-gel adapté, il y a lieu d'effectuer un vidage.
DEFAULTS DE FONCTIONNEMENT
| DEFAULT | CAUSE | REMEDE |
| 1. Non-allumage du pilote. | a. Robinet du gaz fermé.b. Chaudière éteinte.c. Pas de décharge d'allumage.d. Préence d'air dans le conduit. | a. Ouvrir le robinet du gaz.b. Appuyer sur l'interrupteur situé au tableau électrique.c. Appeler le technicien.d. Maintenir le bouton enfoncé plus longtemps.Si les contrôles a-b-d s'avent négatifs,appelez votre technicien. |
| 2. La flamme du brûleur principal ne s'allume pas. | a. Brûleur du pilote est inert.b. La température de l'eau de la chaudière est supérieure à la position du thermostat de régulation.c. Intervention du thermostat de sécurité.d. Pas de circulation d'eau. | a. Effectuer la vérification du point 1.b. Positionner le thermostat de régulation à la température désinièe.c. Attendre 30 sec et répéter le contrôle du point 1.d. Si les contrôles a-b-c s'avent négatifs,appelez votre technicien. |
| 3. Non-allumage mod. TOP. | a. Robinet du gaz fermé.b. Bouton-poussoir en sécurité.c. Non-détction de la flâmme.d. Pas de décharge d'allumage.e. Précision d'air dans le conduit.f. Intervention du thermostat de sécurité. | a. Ouvrir le robinet du gaz.b. Appuyer sur le bouton pour le réarmé.c. Appeler le technicien.d. Appeler le technicien.e. Répéter l'allumage.f. Appeler le technicien. |
| 4. Crépiment à l'allumage. | a. Flamme défectueuse.b. Débit de gaz insuffistant ou mal réglié. | a-b Appeler votre technicien. |
| 5. Odeur de gaz. | a. Fuite dans le circuit des conduits externes et internes de la chaudière | a. Contrôle des conduits externes - contrôle des conduits internes - appeler votre technicien. |
| 6. Odeur de gaz non brûlés. | a. Obstructions aux conduits fumées.b. Consommation de gaz excessive-combustion non correcte. | a. Eliminer des obstructionsb. Appeler le technicien. |
| 7. Chaudière qui produit condensation. | a. Obstructions au niveau de la chiminée.b. Cheminée ayant une section, une hauteur non adaptés.c. La chaudière fonctionne à une température insuffisante | a. Appeler le technicien.b. Appeler le technicien.c. Régler le thermostat de la chaudière à une valeur supérieure. |
| 8. Radiateurs froids en hiver. | a. L'interrupteur est-hiver se trouve en position été.b. Thermostat d'ambiance mai régie(In suffiant) ou défectueuxInstallation ou radiateurs fermés. | a. Le déplacer sur position hiver.b. Régier le thermostat sur une température plus élevé ou le remplaçerc.Vérifier si les vannes de l'installation et les robinets des radiateurs sont bien ouverts.Si le contrôle c's'avéré négatif, appeler votre technicien. |
| 9. Radiateurs chauds en été | a. Interrupteur est-hiver sur position hiver.b. Circulation naturelle. | a. Le déplacer sur position été.b. Appeler le technicien. |
Notice Facile