CCS 385 - Chaudière ASTON THERMICA - Notice d'utilisation et mode d'emploi gratuit
Retrouvez gratuitement la notice de l'appareil CCS 385 ASTON THERMICA au format PDF.
| Type d'appareil | Chaudière gaz en fonte |
| Combustible | Gaz |
| Matériau du corps | Fonte |
| Puissance thermique | Non précisé |
| Type de brûleur | Non précisé |
| Rendement | Non précisé |
| Pression maximale | Non précisé |
| Type de régulation | Non précisé |
| Dimensions (HxLxP) | Non précisé |
| Poids | Non précisé |
| Type d'installation | Fixe |
| Utilisation | Chauffage domestique |
| Normes | Non précisé |
| Garantie | Non précisé |
| Accessoires inclus | Non précisé |
FOIRE AUX QUESTIONS - CCS 385 ASTON THERMICA
Téléchargez la notice de votre Chaudière au format PDF gratuitement ! Retrouvez votre notice CCS 385 - ASTON THERMICA et reprennez votre appareil électronique en main. Sur cette page sont publiés tous les documents nécessaires à l'utilisation de votre appareil CCS 385 de la marque ASTON THERMICA.
MODE D'EMPLOI CCS 385 ASTON THERMICA
Manuel d'utilisation

SOMMAIRE
PAGE
NORMES GENERALES 3
DESCRIPTION 7
COMPOSANTS PRINCIPAUX 81
DIMENSIONS 9
MISE EN MARCHE - ARRET 10
- DEFAULTS DE FONCTIONNEMENT 17
... pour vous choisir, et nous vous remercions de la préférence que vous avez accordée à nos produits.
"ASTON TERMICA" est très active depuis de nombreuses années sur le marché italien et sur les principaux marchés étrangers dans les divers secteurs du chauffage.
L'Organisation ASTON TERMICA se vante tout particulièrement de la rapidité en matière d'assistance, conséquence logique d'un service constant assurant conseils et support aux clients et aux utilisateurs en général.
POUR TOUT BESOIN, VEUILLEZ DONC VOUS ADRESSER A NOTRE AGENCE INDIQUEEE CONTRE.
AGENCE

Ville Département
Adresse
Telephone
Cachet
Pour l'installation et l'emplacement de la chaudière,
RESPECTER RIGOUREUSEMENT LES NORMES LOCALES
NORMES Generales
Le présent livre est une partie intégrante et essentielle du produit, et il devra être remis à l'utilisateur. Lire attentivement les instructions contenues dans ce livre car elles fournissent des indications importantes concernant la sûreté d'emploi. Conserver soigneusement ce livre pour toute consultation qui seendra nécessaire par la suite. Cet appareil devra être destiné uniquement à l'usage pour lequel il a été expressément prévu. Tout autre usage est à considérer impropre et par conséquent dangereux. Le constructeur décline toute responsabilité en cas d'éventuels dommages dérivant d'un usage impropre, incorrect et déraisonnable de l'appareil. Ne pas obstruer les grilles d'aspiration ou de dissipation. En cas de panne et/ou de mauvais fonctionnement de l'appareil, le désactiver, en évitant toute tentative de réparation ou d'intervention directe. S'adresser exclusivement à des professionnels qualifiés. L'éventuelle réparation des produits ne devra être effectuée que par un centre après-vente agréé par le constructeur en utilisant exclusivement des pièces détachées d'origine. Le non-respect de ces règles peut compromettre la sécurité de l'appareil. Pour garantir les performances et le bon fonctionnement de l'appareil, il est indispensable de suivre scrupuleusement les indications du constructeur et faire effectuer l'entretien périodique de l'appareil par des professionnels qualifiés. Si vous décidez de ne plus utiliser l'appareil, il faudra neutraliser les pièces susceptibles de générer des sources de danger potentielles. Livret: En cas de vente ou de transfert de l'appareil à un autre propriétaire ou bien en cas de déménagement, s'assurer toujours que le livre accompagne l'appareil de sorte que le nouveau propriétaire puisse le consulter. La transformation à partir d'un gaz d'une famille (H/L ou B/P) en gaz d'une autre famille, qui peut même être effectuée lorsque la chaudière a déjà été installée, doit être réalisée uniquement par du personnel qualifié.
Avant de démarrer la chaudière, faire vérifier par du personnel qualifié
a) si les données indiquées sur la plaquette signalétique correspondent bien à celles du réseau d'alimentation du gaz, du courant et de l'eau ; b) si le réglage du brûleur est compatible avec la puissance de la chaudière ; c) si les conduits partant de la chaudière sont revêtus de gaines thermoisolantes adaptées ; d) le bon fonctionnement du conduit de fumée ; e) si l'afflux d'air comburant et l'évacuation des fumées se font correctement d'après les normes en vigueur ; f) si l'aération et l'entretien courant sont assurés lorsque la chaudière est placée entre des meubles.
Contrôler la pression de l'eau de l'installation sur l'hydromètre : lorsque l'installation est froide, l'instrument doit indiquer une valeur comprise dans les limites établies par le constructeur (1.5 bar) ; en cas de baisses de pression, s'adresser au personnel qualifié. Après chaque réouverture du robinet du gaz, attendre quelques minutes avant de rallumer la chaudière. Ne pas laisser la chaudière branchée en cas de non-utilisation prolongée ; débrancher les réseaux d'alimentation du gaz, de courant et de l'eau en agissant sur les robinets et les interrupteurs. Ne pas toucher les pièces de la chaudière qui se réchauffent en cours de fonctionnement ainsi que par la suite (pendant un certain temps). La présence d'enfants ou de personnes inexpertes dans le voisinage de la chaudière est par conséquent interdite. Ne pas faire gicler d'eau ou d'autres liquides sur la chaudière. Ne poser aucun objet sur la chaudière. Faire contrôler par des personnes qualifiées si l'installation électrique est bien adaptée à la puissance que l'appareil exige. Pour l'alimentation de la chaudière, l'utilisation d'adaptateurs à prises multiples ou de rallonges n'est pas admise ; il faut prévoir l'utilisation d'un interrupteur répondant aux normes de sécurité en vigueur. L'emploi d'appareils utilisant l'énergie électrique comporte le respect de règles fondamentales telles que :
ne pas toucher l'appareil lorsque des parties du corps sont mouillées ou si vous êtes pieds nus
ne pas tirer sur les câbles électriques - ne pas permettre que des enfants ou des personnes inexpertes utilisent l'appareil.
Le câble d'alimentation ne doit pas être remplacé par l'utilisateur mais par une personne qualifiée. S'assurer que l'installateur ait relié les écoulements de sécurité de la chaudière et du ballon à un dispositif d'évacuation. Dans le cas contraire, l'intervention des soupapes de sûreté provoquerait l'inondation des locaux, dont le constructeur ne saurait être responsable. S'assurer que les conduits de l'installation ne soient pas utilisés comme prises de terre pour d'autres installations ; non seulement ils ne sont pas appropriés à cet usage mais ils pourraient provoquer de graves dégâts aux appareils qui y sont reliés (chaud., ballon, etc.). Interdire l'utilisation de la chaudière aux enfants ou aux personnes inexpertes. Si vous décidez de désactiver définitivement la chaudière, faire effectuer les opérations de désactivation à des personnes qualifiées en vous assurant que les réseaux d'alimentation soient bien débranchés. Vérifier périodiquement le fonctionnement et le bon état du conduit d'évacuation des fumées. Ne pas nettoyer la chaudière avec des produits inflammables. Ne pas mettre de récipients contenant des produits inflammables dans le local où est située la chaudière. S'il y a des risques de gel, il faut prendre les mesures qui s'imposent, qui toutefois ne concernent pas le constructeur de la chaudière. La sécurité électrique de l'appareil n'est obtenue que par son raccordement à une installation de mise à la terre efficace, réalisée selon les normes en vigueur.
La vérification de cette condition fondamentale doit être effectuée par des personnes qualifiées, le constructeur n'étant pas responsable des dommages causés par la non-réalisation d'une bonne mise à la terre de l'installation.
Faire contrôler par du personnel qualifié :
a) l'étanchéité interne et externe de l'installation d'alimentation du gaz;
b) si le débit de gaz correspond bien à la puissance de la chaudière; c) si le type de gaz est celui pour lequel la chaudière a été prévue; d) si la pression d'alimentation du gaz est comprise entre les valeurs indiquées par la plaquette signalétique de la chaudière; e) si l'installation d'amenée du gaz est bien dimensionnée et dotée de tous les dispositifs de sécurité et de contrôle prescrits par les bois en vigueur.

Si vous sentez une odeur de gaz, ne pas actionner les interrupteurs électriques. Ouvrir les portes et les fenêtres. Fermer les robinets du gaz. Appeler des personnes qualifiées.
24106
Description
Ce sont des groupes thermiques (chaudière + brûleur) sur socle, dont le corps de la chaudière est formé d'éléments à ailettes en fonte conçus pour fonctionner avec un brûleur de gaz à aspiration d'air (atmosphérique) pour de petites et moyennes installations de chauffage. L'équilibre des surfaces d'échange côté fumées et côté eau assurent, par une excellente circulation de l'eau dans les éléments, un rendement élevé et une bonne durée. Les éléments sont en fonte mouillée, soumis au contrôle de qualité, avec un système d'ailettes exploitant au maximum la transmission de la chaleur de la fumée de combustion par convection, tout en maintenant la facilité de nettoyage du corps de la chaudière.
Les éléments, assemblés par cônes en acier, présentent un développement "en largeur" permettant de maintenir une profondeur de 60 cm jusqu'aux modèles 315, standard pour les meubles de cuisine. Le brûleur est construit en acier inox et est indiqué pour tous les types de gaz naturel, (H/L) et B/P.
L'esthétique et la parfaite isolation sont assurées par un élégant tableau de commandes, une jaquette en panneaux d'acier peints et assemblés par pression, revêtus de laine de verre. Le dispositif antirefouleur (anti-vent) est incorporé dans la jaquette.
La gamme comprend les versions suivantes:
C'est la version importante avec le moins d'accessoires hydrauliques, permettant à l'instantiateur un vaste choix quant à l'emplacement des composants nécessaires au bon fonctionnement de l'inflation. Le fonctionnement est automatique, avec allumage manuel piézo et contrôle de la flamme par thermocouple.
CCS TOP
C'est la version automatique des modèles CCS. Ils possèdent une boîte de commande électronique pour l'allumage automatique et le contrôle de la flamme par électrode d'ionisation. Ils sont équipés d'une horloge de programmation.
Ccspk-top
C'est la version des modèles TOP possédant l'équipement hydraulique le plus complet, avec le vase d'expansion, le circulateur, la valve de purge d'air automatique, la soupape de suture, le thermohydromètre et les raccords à un ballon éventuel.
CCS
CCS TOP
CCSPK-TOP
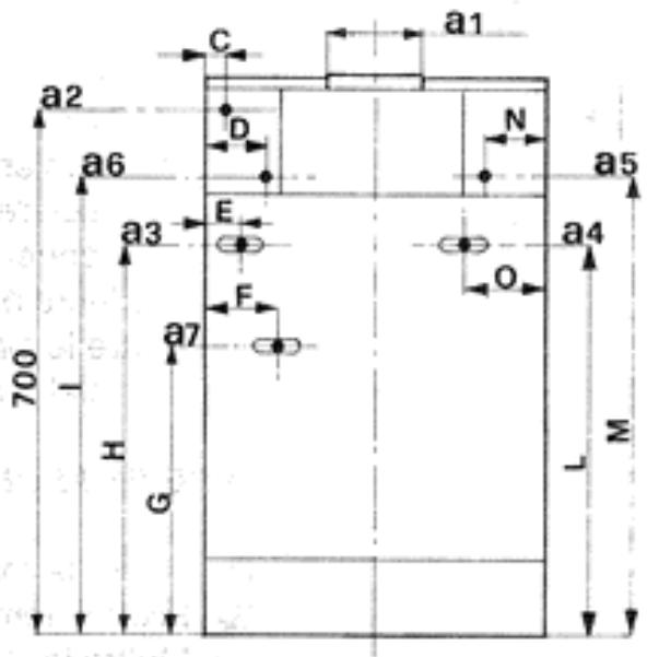
DIMENSIONS mm



a1 raccord de cheminée a2 raccord de départ de l'installation 1" M a3 raccord de retour de l'installation 1' M a4 raccord d'eau froide 1/2" Mraccord de gaz a5 raccord de départ du ballon 3/4" a7 raccord de retour du ballon 3/4"
| Modèle | A | B | C | D | E | F | G | H | I | L | M | N | O | a5 |
| CCS 175 | 450 | 57 | 82 | - | 82 | - | - | 295 | - | - | 610 | 80 | - | 1/2"M |
| CCS 245 | 450 | 62 | 44 | - | 44 | - | - | 295 | - | - | 610 | 40 | - | 1/2"M |
| CCS 315 | 450 | 72 | 26 | - | 26 | - | - | 295 | - | - | 610 | 20 | - | 1/2"M |
| CCS 385 | 600 | 82 | 46 | - | 46 | - | - | 295 | - | - | 610 | 50 | - | 3/4"M |
| CCS 175 TOP | 450 | 57 | 82 | - | 82 | - | - | 295 | - | - | 610 | 80 | - | 1/2"M |
| CCS 245 TOP | 450 | 62 | 44 | - | 44 | - | - | 295 | - | - | 610 | 40 | - | 1/2"M |
| CCS 315 TOP | 450 | 72 | 26 | - | 26 | - | - | 295 | - | - | 610 | 20 | - | 1/2"M |
| CCS 385 TOP | 600 | 82 | 46 | - | 46 | - | - | 295 | - | - | 610 | 50 | - | 3/4"M |
| CCS 175 PK-TOP | 450 | 57 | 82 | 82 | 82 | 94 | 385 | 520 | 610 | 520 | 610 | 80 | 110 | 1/2"M |
| CCS 245 PK-TOP | 450 | 62 | 44 | 44 | 44 | 56 | 385 | 520 | 610 | 520 | 610 | 40 | 75 | 1/2"M |
| CCS 315 PK-TOP | 450 | 72 | 26 | 26 | 26 | 38 | 385 | 520 | 610 | 520 | 610 | 20 | 15 | 1/2"M |

Mise en MARCHE - VALVE MOD. V 4600C
Ouvrir le robinet du gaz.
Appuyer à plusieurs reprises sur le bouton-poussoir de l'allumeur piezo-électrique 1, tout en maintenant enfoncé le bouton-poussoir 2 de la valve du gaz pendant 15-20 secondes. Le lâcher lentement, en contrôlant que le pilote reste allumé. Dans le cas contraire, attendre 30 secondes et répéter l'opération d'allumage.
Positionner le thermostat de régulation sur la valeur désirée (non inférieure à 45°C).
Mettre le circuit électrique sous tension, allumant ainsi le brûleur principal qui fonctionnera automatique.
Mise en MARCHE - VALVE VR 4605C
Ouvrir le robinet du gaz. Fixer la température désirée sur le thermostat de régulation. Mettre la chaudière sous tension. Mettre l'interrupteur en position de marche. L'allumage se fera automatiquement et le fonctionnement sera assisté par le thermostat de régulation.
VALVE v 4600C
Tourner dans le sens des aiguilles d'une montre le bouton-poussoir 2, pour fermer le passage du gaz au brûleur pilote ainsi qu'aux brûleurs principaux.
VALVE VR 4605C
La valve automatique n'a pas de pilote, il suffit donc d'éliminer le courant électrique.
ARRET Prolonge
En cas de non-utilisation prolongée de la chaudière, fermer le robinet du gaz et mettre l'appareil hors tension.
Aux saisons froides, si vous n'avez pas rempli l'installation avec un mélange anti-gel adapté, il y a lieu d'effectuer un vidage.
Defaults de fonctionnement
| DEFAULT | CAUSE | REMEDE |
| 1. Non-allumage du pilote. | a. Robinet du gaz fermé. b. Chaudière éteinte. c. Pas de décharge d'allumage. d. Préence d'air dans le conduit. | a. Ouvrir le robinet du gaz. b. Appuyer sur l'interrupteur situé au tableau électrique. c. Appeler le technicien. d. Maintenir le bouton enfoncé plus longtemps. Si les contrôles a-b-d s'avérént négatifs, appellez votre technicien. |
| 2. La flamme du brûleur principal ne s'allume pas. | a. Brûleur du pilote est inert. b. La température de l'eau de la chaudière est supérieure à la position du thermostat de régulation. c. Intervention du thermostat de sécurité. d. Pas de circulation d'eau. | a. Effectuer la vérification du point 1. b. Positionner le thermostat de régulation à la température désignée. c. Aller direct 30 sec et répéter le contrôle du point 1. d. Si les contrôles a-b-c s'avérént négatifs, appellez votre technicien. |
| 3. Non-allumage mod. TOP. | a. Robinet du gaz fermé. b. Bouton-poussoir en sécurité. c. Non-détection de la flâmme. d. Pas de décharge d'allumage. e. Présence d'air dans le conduit. f. Intervention du thermostat de sécurité. | a. Ouvrir le robinet du gaz. b. Appuyer sur le bouton pour le réarmier. c. Appeler le technicien. d. Appeler le technicien. e. Répéter l'allumage. f. Appeller le technicien. |
| 4. Crépiment à l'allumage. | a. Flamme défectueuse. b. Débit de gaz insuffisant ou mal régisé. | a-b Appeler votre technicien. |
| 5. Odeur de gaz. | a. Fuite dans le circuit des conduits externes et internes de la chaudière | a. Contrôle des conduits externes - contrôle des conduits internes - appeller votre technicien. |
| 6. Odeur de gaz non brûlés. | a. Obstructions aux conduits fumées. b. Consommation de gaz excessive-combustion non correcte. | a. Eliminer des obstructions b. Appeler le technicien. |
| 7. Chaudière qui produit condensation. | a. Obstructions au niveau de la chiminée. b. Cheminée ayant une section, une hauteur non adaptés c. La chaudière fonctionné à une température insuffisante | a. Appeler le technicien. b. Appeler le technicien. c. Régler le thermostat de la chaudière à une valeur supérieure. |
| 8. Radiateurs froids en hiver. | a. L'interrupteur est-hiver se trouve en position été. b. Thermostat d'ambiance mai régie(insuffistant) ou défectueux. c. Installation ou radiateurs fermés. | a. Le déplacer sur position hiver. b. Régier le thermostat sur une température plus élevé ou le remplacer. c. Vérifier si les vannes de l'installation et les robinets des radiateurs sont bien ouverts. Si le contrôle c's'avéré négatif, appeller votre technicien. |
| 9. Radiateurs chauds en été | a. Interrupteur est-hiver sur position hiver. b. Circulation naturelle. | a. Le déplacer sur position été. b. Appeler le technicien. |
Notice Facile