EC 55 - Chauffage industriel SOVELOR - Notice d'utilisation et mode d'emploi gratuit
Retrouvez gratuitement la notice de l'appareil EC 55 SOVELOR au format PDF.
| Type d'appareil | Chauffage d'atelier |
| Alimentation | Carburant liquide (généralement fioul) |
| Puissance thermique | Non précisé |
| Capacité du réservoir | Non précisé |
| Débit d'air | Non précisé |
| Dimensions | Non précisé |
| Poids | Non précisé |
| Type de combustion | Combustion directe |
| Allumage | Électrique |
| Contrôle de température | Non précisé |
| Mobilité | Avec roues |
| Matériau du corps | Acier peint |
| Utilisation recommandée | Chauffage d'atelier ou espace industriel |
| Normes | Conforme CE |
| Type de ventilation | Ventilateur intégré |
| Protection | Non précisé |
| Couleur | Rouge |
FOIRE AUX QUESTIONS - EC 55 SOVELOR
Questions des utilisateurs sur EC 55 SOVELOR
0 question sur cet appareil. Repondez a celles que vous connaissez ou posez la votre.
Poser une nouvelle question sur cet appareil
Téléchargez la notice de votre Chauffage industriel au format PDF gratuitement ! Retrouvez votre notice EC 55 - SOVELOR et reprennez votre appareil électronique en main. Sur cette page sont publiés tous les documents nécessaires à l'utilisation de votre appareil EC 55 de la marque SOVELOR.
MODE D'EMPLOI EC 55 SOVELOR
C) Le plus court possible
D) Égal ou supérieur au diamètre de la cheminée du générateur
1) Accessoire anti-refoulement
2) Passage horizontal avec pente minimale vers le haut de
3) Dimensions internes minimales de la cheminée de
20 × 20 ~cm
4) Clapet de visite anti-explosion
5) Mur extérieur
6) Activateur de tirage
N. B. Les schémas ci-dessus sont individuels et sans engagement de notre part.
Nous vous prions de faire mettre votre installation en conformité
par voiture revendeur ou votre installateur.



1 CHAMBRE DE COMBUSTION 2 BRULEUR 3 GICLEUR 4 LECTROVANNE 5 POMPE FIOL 6 MOTEUR 7 VENTILATEUR 8 FILTRE COMBUSTIBLE 9 CIRCUIT COMBUSTIBLE 10 SUPPORT/POIGNEE 11 ROUE 12 RFSERVOIR COMBUSTIBLE 13 BOUTON REARMEMENT AVEC LAMPE TEMOIN 14 IINTERRUPTEUR MARCHE-ARRET 15 PRISE THERMOSTAT D'AMBIANCE 16 LAMPE TEMOIN D'ALIMENTATION 17 CABLE ELECTRIQUE 18 EMBOUT CONIQUE
Important
Avant d'utiliser le générateur, nous vous prions de lire attentivement toutes les instructions pour l'emploi, mentionnées ci-après, et d'en suivre scrupuleusement les indications. Le constructeur n'est pas responsable des dommages aux choses et/ou personnes dus à une utilisation impropre de l'appareil.
Recommandations generales
Les générateurs d'air chaud fonctionnent au fuel. Les générateurs à combustion directe répandent dans l'air ambiant de l'air chaud et les produits de la combustion, alors que les générateurs à combustion indirecte sont dotés d'un raccord permettant d'éliminer les fumées à travers un conduit de cheminée.
Les conditions d'installation et d'utilisation doivent respecter les normes et les lois en vigueur relatives à l'utilisation de l'appareil.
Il convient de s'assurer que:
- les instructions contenues dans ce livre soient suivies scrupuleusement;
- le générateur ne soit pas installé dans des locaux où il y aurait des risques d'explosion ou d'incendie;
- des matériaux inflammables ne soient pas déposés à côté de l'appareil (la distance minimum doit être de 2 mètres);
- de mesures suffisantes de prévention anti-incendie aient été prévues;
- l'aération du local dans lequel se trouve le générateur soit garantie et suffisante pour les nécessités du générateur, et en particulier, pour le générateurs à combustion directe, le renouvellement d'air doit être évalué en considérant que ce générateur envoie dans la pièce aussi bien de l'air chaud que les produits de combustion;
- le générateur soit installé près d'une cheminée pour l'évacuation des fumées (voir paragraphe "SCHEME DE POSITIONNEMENT DU CONDUIT DE FUMÉES") et relié à un coffret électrique.
- il n'y ait pas d'obstacles ou d'obstructions à l'aspiration et à la sortie de l'air, tels que des toiles ou des couvertures étendues sur l'appareil ou sur les parois, ou des objets encombrants à côté du générateur;
- du kérosène soit rajouté dans le réservoir si la température de la pièce est très basse;
- le générateur soit contrôlé avant sa mise en marche et régulièrement surveillé durant son utilisation; il faut éviter que des enfants ou des animaux non surveillés s'en approchent;
- Au début de chaque période d'utilisation, avant de brancher la fiche dans la prise électrique, contrôlez que le ventilateur tourne librement;
- À la fin de chaque période d'utilisation, enlever la fiche de la prise de courant.
Mise en MARCHE
Avant de mettre en marche le générateur et donc, avant de le brancher au réseau électrique d'alimentation, il faut contrôler que les caractéristiques du réseau électrique correspondent à celles écrites sur la plaque de fabrication.

Pour le fonctionnement, il est indispensable de monter le cône de diffusion d'air (18) sur la partie avant de la machine, comme illustré par la figure ci-dessus (paragraphe "Schéma de fonctionnement").
Attention

- La ligne électrique d'alimentation du générateur doit être pourvue d'une mise à la terre et d'un interrupteur magnétique thermique avec un différentiel.
- La fiche électrique du générateur doit être reliée à une prise munie d'un interrupteur de sectionnement.
Le générateur peut fonctionner en mode manuel en plaçant l'interrupteur (14) sur la position ON.
Le générateur peut fonctionner en mode automatique uniquement lorsqu'un dispositif de contrôle est connecté (par ex. un thermostat ou une montre). La connexion au générateur doit être faite en relevant le couvercle de la prise (15) et en branchant la fiche du thermostat.
Pour démarrer la machine:
- si elle est pilotée par le thermostat, placer l'interrupteur sur la position (ON + I);
- si elle n'est pas pilotée par le thermostat, placer l'interrupteur sur la position (ON).
À la première mise en service ou après la vidange totale du circuit du fuel, le flux du fuel au gicleur peut être insuffisant et causer l'intervention du coffret de contrôle de la flamme ; le générateur alors s'arrête.
Dans ce cas, après avoir attendu une minute, pousser le bouton de réarmement (13) et faire redémarrer l'appareil.
Au cas où la machine ne fonctionnerait pas, les premières opérations à faire sont les suivantes:
- Contrôler que le réservoir contienne encore du fuel;
- Pousser le bouton de réarmement (13);
- Si après ces opérations le générateur ne fonctionne pas, il faut consulter le paragraphe "ANOMALIES DE FONCTIONNEMENT, CAUSES ET SOLUTIONS" et découvrir la cause qui empêche le fonctionnement.
ARRET
Pour arrêter le fonctionnement du générateur, il faut mettre l'interrupteur (14) sur la position "0" et agir sur le dispositif de contrôle (par ex., en réglant le thermostat sur une température plus BASSE). La flamme s'éteint mais le ventilateur continue de fonctionner pendant environ 90 secondes pour refroidir la chambre de combustion.
Dispositions de sécurité
Le générateur est muni d'un coffret électronique pour le contrôle de la flamme. En cas de mauvais fonctionnement, ce coffret provoque l'arrêt du générateur et l'allumage de la lampe témoin du bouton de réarmement (13). Un thermostat de surchauffe intervient et provoque l'interruption de l'alimentation du fuel si le générateur surchauffe : le thermostat se réarme automatiquement quand la température de la chambre de combustion diminue jusqu'à rejoindre la valeur maximale admise. Avant de remettre en marche le générateur, il faut contrôler et éliminer la cause qui a produit la surchauffe (par ex. obstruction de l'entrée ou de la sortie de l'air, arrêt du ventilateur). Pour faire redémarrer le générateur, il faut pousser le bouton de réarmement (13) et répéter les instructions spécifiques du paragraphe "MISE EN MARCHE".
Avant de déplacer l'appareil il faut:
- Arrêter le générateur en suivant les indications du paragraphe "ARRET";
- Débrancher l'alimentation en enlevant la fiche de la prise de courant;
- Attendre que le générateur soit froid.
Avant de soulever ou de déplacer le générateur, il faut s'assurer que le bouchon du réservoir soit bien fixé.
Le générateur peut être fourni dans une version mobile, muni de roues, ou dans une version suspendue, monté sur une structure de support avec des ancrages pour la fixation qui doit être effectuée avec l'aide de cordes ou de chaînes. Dans le premier cas, pour le transport il est suffisant de saisir le générateur par la poignée de soutien et de le faire glisser sur les roues. Dans le deuxième cas le soulèvement doit être effectué avec un chariot élévateur ou un équipement similaire.
Entretien
Pour que l'appareil fonctionne régulièrement, il est nécessaire de nettoyer périodiquement la chambre de combustion, le brûleur et le ventilateur.
Attention

Avant de commencer une quelconque opération d'entretien, il faut:
- Arrêtez le générateur selon les indications du paragraphe "ARRET";
- Débrancher l'alimentation électrique en enlevant la fiche de la prise de courant;
- Attendre que le générateur soit froid.
Toutes les 50 heures de fonctionnement, il est nécessaire de :
- Démonter la cartouche du filtre, l'extraire et la nettoyer avec du fuel propre;
- Démonter la carrosserie externe cylindrique et nettoyer la partie interne et les pales du ventilateur;
- Contrôler l'état des câbles et des connexions haute tension sur les électrodes;
- Démoner le brûleur et en nettoyer les différentes parties, nettoyer les electrodes et régler leur distance en respectant les données du schéma "REGALÂGE DES ELECTRODES".
Anomalies de fonctionnement, CAUSES et solutions
| ANOMALIE DE FONCTIONNEMENT | CAUSE | SOLUTION |
| • Le ventilateur ne démarre pas et la flamme ne s'allume pas | • Le courant électrique n'arrive pas | • Vérifier les caractéristiques de l'installation électrique (230 V - 1~ - 50 Hz) |
| • Vérifier le fonctionnement et la position de l'interrupteur | ||
| • Vérifier l'efficacité du fusible | ||
| • Mauvais réglage d'un évientiel dispositif de contrôle | • Vérifier que le réglage du dispositif de contrôle soit correct (par ex. la température可以选择 sur le thermostat doit être supérieure à la température du local) | |
| • Dispositif de contrôle défectueux | • Remplacer le dispositif de contrôle | |
| • Bobinage du moteur brûlé ou interrompu | • Remplacer le moteur | |
| • Roulements du moteur bloqués | • Remplacer les roulements | |
| • Condensateur du moteur brûlé | • Remplacer le condensateur | |
| • Le ventilateur démarre et la flamme ne s'allume pas ou ne reste pas allumée | • L'allumage ne fonctionne pas | • Vérifier les branchements des cables d'allumage aux electrodes et au transformateur |
| • Vérifier la position des electrodes et leur distance selon le schéma "REGLAGE DES ELECTRODES" | ||
| • Vérifier que les electrodes soient propres | ||
| • Remplacer le transformateur d'allumage | ||
| • Le coffret de contrôle de la flamme défectueux | • Remplacer le coffret | |
| • La cellule photo ne fonctionne pas | • Nettoyer la cellule photo ou la replacer | |
| • Le fuel n'arrive pas au brûleur ou arrive en quantité insuffisante | • Contrôler l'efficacité du raccord moto-pompe | |
| • Contrôler qu'il n'y ait pas d'infiltrations d'air dans le circuit du fuel en vérifying l'étanchéité des tuyaux et des joints du filtre | ||
| • Nettoyer ou s'il le faut changer le giclaur | ||
| • L'électro-vanne ne fonctionne pas | • Contrôler le branchement électrique | |
| • Contrôler le thermostat LI | ||
| • Nettoyer et éventuellesment replacer l'électro-vanne | ||
| • Le ventilateur démarre et la flamme s'allume en produitant de la fumée | • L'air de combustion est insuffisant | • Enlever tous les obstacles ou obstructions à l'aspiration ou à la sortie de l'air |
| • Vérifier la position du volet de réglage de l'air | ||
| • Nettoyer le disque du brûleur | ||
| • L'air de combustion est excessif | • Vérifier la position du volet de réglage de l'air | |
| • Le fuel utilisé est sale ou contient de l'eau | • Vidanger et replacer par du fuel propre | |
| • Nettoyer le filtre du fuel | ||
| • Infiltrations d'air dans le circuit du fuel | • Vérifier l'étanchéité des tuyaux et du filtre à fuel | |
| • Quantité insuffisante de fuel au brûleur | • Vérifier la valeur de la pression de la pompe | |
| • Nettoyer et replacer le giclaur | ||
| • Quantité excessive de fuel au brûleur | • Vérifier la valeur de la pression de la pompe | |
| • Subtituer le giclaur | ||
| • Le générateur ne s'arrête pas | • L'électrovanne ne ferme pas | • Remplacer le corps de l'électrovanne |
Si ces contrôles et ces solutions ne sont pas la cause du mauvais fonctionnement du générateur, veuillez contacter notre plus proche centre de vente - assistance autorisé.

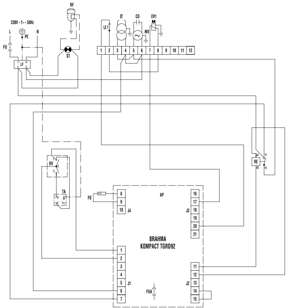
AP COFFRET DE SECURITE TA PRISE THERMOSTAT D'AMBIACE RE RELAIS ST LAMPE TEMOIN D'ALIMENTATION FU FUSIBLE LI1 THERMOSTAT DE SURCHAUFFE EV1 ELECTROVANNE FO PHOTOSRESISTANCE CO CONDENSATEUR MV MOTEUR DU VENTILATOR FUA FUSIBLE LF Filtre ANTIPARASITES RV COMMUTATEUR IT TRANSFORMATEUR H. T. RF Filtre GASOIL RECHAUFFE |OPTIONAL
| CHARACTERISTIQUES TECHNIQUES | EC 55 | EC 85 | GE 65 | GE 105 | ||
| Combustion | Indirecte | Directe | ||||
| Puisance thermique max | Hi [kW] | 55,0 | 85,0 | 65,0 | 105,0 | |
| Débit d'air | [m3/h] | 2.380 | 3.920 | 1.900 | 4.160 | |
| Puisance thermique nette | [kW] | 49,2 | 74,4 | --- | --- | |
| Consommation | [kg/h] | 4,64 | 7,17 | 5,48 | 8,85 | |
| Alimentationélectricité | Phase | 1 | 1 | 1 | 1 | |
| Tension | [V] | 230 | 230 | 230 | 230 | |
| Fréquence | [Hz] | 50 | 50 | 50 | 50 | |
| Puisance électricité | [W] | 850 | 1.140 | 550 | 1.170 | |
| Giclér | [USgal/h] | Delevan 1,10-80° W | Delevan 1,50-80° W | Danfoss 1,25-80° S | Danfoss 2,00-80° S | |
| Pression pompe | [bar] | 12 | 12 | 12 | 12 | |
| Diamètre sortie fumées | [mm] | 150 | 150 | --- | --- | |
| Capacité réservoir | [I] | 65 | 105 | 65 | 105 | |
| Niveau sonore à 1 m | [dBA] | 72 | 75 | 73 | 77 | |
| Dimensions, L x P x H | [mm] | 1310 x 510 x 965 | 1690x620x1050 | 1120x480x870 | 1690x620x1050 | |
| Poids | [kg] | 80 | 110 | 60 | 100 | |
| Fusible | [A] | 6 | 10 | 6 | 10 | |
| Réglage du volet d'air combustant | [mm] | --- | --- | b = 4 | a = 13 | |
| [N°] | A = 4 | A = 3 | --- | --- | ||



Notice Facile