MODE D'EMPLOI STAR HYDRO MCZ
1.3.1. Limites de garantie 8 1.3.2. Exclusions 9
2. Notions theoriques pour l'installation 10
2.1. LES PELLETS (ou GRANULES DE BOIS) 10 2.2. PRECAUTIONS POUR L'INSTALLATION 11 2.3. LE LIEU D'INSTALLATION 12 2.4. RACCORDEMENT A LA PRISE D'AIR FRAIS EXTERIEUR 12 2.5. RACCORDEMENT AU TUYAU DE SORTIE DE FUMÉES 13 2.6. RACCORDEMENT AU CONDUIT DE FUMEE 14 2.7. RACCORDEMENTÀUN CONDUIT EXTERIEUR PAR TUYAU CALORIFUGÉ OU À DOUBLE PAROI. 14 2.8. RACCORDEMENT AU CONDUIT DE CHEMINEE 14 2.9. ANOMALIES DE FONCTIONNEMENT LIÉES AU MAUVAIS TIRAGE DU CONDUIT DE CHEMINÉE 15 2.10. RACCORDEMENT HYDRAULIQUE 16
3.1. SCHEMAS et CARACTERISTIQUES TECHNIQUES 17
3.1.1. Dimensions EGO version HYDRO 17 3.1.2. Dimensions STAR version HYDRO 17 3.1.3. Dimensions CLUB version HYDRO 18 3.1.4. Dimensions SUITE version HYDRO 18 3.1.5. Dimensions MUSA version HYDRO 19 3.1.6. Caractéristiques techniques 19
3.2. PREPARATION ET DÉBALLAGE 21 3.3. MONTAGE DE L'HABILLAGE LATERAL 24
3.3.1. Montage des profils pour application des côtés en acier-EGO 24 3.3.2. Montage des profils pour application des côtés en céramique ou en pierre naturelle-STAR 25 3.3.3. Montage du panneau inférieur - Poêles Suite et Club 26 3.3.4. Montage des carreaux latéraux - Poêles Suite et Club 27 3.3.5. Montage du dessus supérieur en céramique 27 3.3.6. Montage des côtés du poêle MUSA 28
3.4. Raccordement installation hydraulique 29
3.4.1. Raccordement à l'installation 30 3.4.2. Remplissage de l'installation 31 3.4.3. Caractéristiques de l'eau 31
3.5. SCHEMAS EXPLICATIFS D'INSTALLATION 32
3.5.1. Schéma d'installation du chauffage 32 3.5.2. Schéma installation chauffage associé à un chauffe-eau 33 3.5.3. Schéma installation associé à une accumulation 33
3.6. MONTAGE DU FILTRE A AIR 34 3.7. OUVERTURE/FERMETURE DE LA PORTE 34 3.8. BRANCHEMENT ELECTRIQUE 34
4. Fonctionnement 35
4.1. RECOMMANDATIONS AVANT L'ALLUMAGE 35 4.2. CONTROLLE AVANT L'ALLUMAGE 36 4.3. CHARGEMENT DES PELLETS 36 4.4. CONDUIT POUR RÉSERVOIR SUPPLEMENTaire (Accessoire) 36
4.5. AFFICHEUR DU TABLEAU DE COMMANDES 37
4.5.1. Logique du tableau de commandes 37
4.6. RÉGLAGE À EFFECTUER AVANT LE PREMIER ALLUMAGE 39
4.6.1. Réglage de l'heure et du jour en cours. 39
4.6.2. Configuration de la langue 40
4.6.3. Procédure pour définir le dosage 41
4.7. RÉGLAGE DE LA TEMPERATURE EAU EN CHAUDIÈRE 41
4.8. Premier allumage 42
4.8.1. Allumage/extinction à partir du tableau de commande 42
4.8.2. Remarque sur le premier allumage 42
4.9. Modalités de fonctionnement 43
4.9.1. Principe de fonctionnement 43 4.9.2. Mode automatique 43
4.9.2.1. Sonde ambiant 43 4.9.2.2. Raccordement thermostat ambiant externe ou réservoir à accumulation 44
4.9.3. Mode automatique avec AUTO-ECO 45 4.9.3.1. Activation, désactivation modalité AUTO-ECO 46
4.10. FONCTION SLEEP 47 4.11. LE CHRONO 47
4.11.1. Jour courant et horloge 47 4.11.2. Activation CHRONO et besoin d'un programme 48 4.11.3. Désactivation du CHRONO 49
4.12. PROGRAMMES HEBDOMADAIRES ET JOURNALIERS PRE-CONFIGURES 49
4.12.1. Programmes hebdomadaires 49 4.12.2. Programmes journalistiques 51
4.13. EXAMPLE PRATIQUE DE PROGRAMMATION JOURNALIÈRE 52 4.13.1. Configuration d'un programme journalier 52
4.14. DISPOSITIFS DE SÉCURITÉ 52 4.15. SIGNALISATION DES ALARMES 54
4.16. Sortie de la condition d'alarme 55 4.16.1. Blocage du poêle 55
5. Entretien et nettoyage 57
5.1. NETTOYAGE QUOTIDIEN OU HEBDOMADAIRES PAR L'UTILISATEUR 57
5.1.1. Avant chaque allumage 57 5.1.2. Contrôle tous les 2/3 jours 57 5.1.3. Nettoyage de la surface 58 5.1.4. Nettoyage du filtre à air 58 5.1.5. Nettoyage de l'échangeur de chaleur 59 5.1.6. Nettoyage des surfaces en inox et satinées 59 5.1.7. Nettoyage des parties laquées 60
5.2. NETTOYAGES INCOMBANT À UN TECHNICIEN SPECIALISE 60
5.2.1. Nettoyage de l'échangeur de chaleur et du faisceau tubulaire 60 5.2.2. Mise hors service (fin de saison) 61 5.2.3. CONTROLE DES COMPOSANTS INTERNES 61
7. Schemas electriques 66
Cher Client,
Nous tenons à vous remercier de la préférence que vous avez accordée aux produits MCZ et, en particulier, à un poêle de la ligne à pellets MCZ.
Pour un fonctionnement optimal de votre poèle et pour pouvoir profiter pleinement de la chaleur et du bien-être qu'offre le feu à votre intérieur, nous vous conseillons de lire attentivement ce livre d'instructions avant d'effectuer le premier allumage.
Nous vous félicitons encore de votre choix et nous vous rappelons que le poêle à granulés de bois NE DOIT JAMAIS être utilisé par des enfants, ceux-ci devant toujours se trouver à une distance de sécurité.
Mise à jour du livre
Dans le but d'améliorer constamment ce produit, le constructeur se réserve le droit d'apporter sans préavis toutes les modifications qu'il jugera utiles lors de la mise à jour de cette publication. Toute reproduction, même partielle, de ce manuel sans l'autorisation du Fabricant est rigoureusement interdite.
Conservation et consultation du livre.
- Prenez soin de ce manuel et conservez-le à portée de main dans un endroit rapidement et facilement accessible.
- Au cas où ce manuel serait perdu ou détruit, ou, quoi qu'il en soit, s'il se trouvait en très mauvais état, demandez une copie à votre revendeur ou directement au Fabricant en spécifiant bien les références du modèle qui vous intéresse.
- Les paragraphes essentiels ou requérant une attention particulière sont imprimés en caractère gras.
- Le texte en italique sert à attirer votre attention sur certains autres paragraphes de ce manuel ou éventuelles précisions complémentaires.
SYMBOLES UTILISÉS DANS CE MANUEL
| ATTENTION:
Ce symbole d'advertissement signale qu'il faut dire attentivement le passage auquel il se rapporte car le non respect des indications prescrites pourrait entraîner de sérieux dommages au poège et compromètre la sécurité l'utilisateur. |
| INFORMATIONS:
Ce symbole signale les informations importantes pour le bon fonctionnement du poège. Le non respect de ces indications promettriel l'utilisation du poège et son fonctionnement ne s'avérait pas satisfaisant. |
| ÉTAPES OPÉRATIONNELLES:
Indique une série de touches à presser pour accéder au menu ou pour effectuer des réglages. |
| MANUEL
Indique qu'il faut consulter avec attention ce manuel ou les instructions correspondantes. |
- L'installation, le raccordement électrique, le contrôle du fonctionnement et la maintenance devront être effectués exclusivement par des techniciens qualifiés et agrés.
- Installer le poèle suivant les normes en vigueur dans la région ou le pays où le poèle sera installé.
- Pour un usage correct du poèle et de ses systèmes électroniques, de même que pour prévenir tout accident, respectez scrupuleusement les indications figurant dans ce livre.
- L'utilisation, le réglage et la programmation du poèle doivent être effectués par des adultes. Toute erreur ou mauvaise programmation peut engendrer des situations dangereuses et/ou un mauvais fonctionnement.
- Avant toute opération, l'utilisateur ou la personne s'apprêtant à intervenir sur le poèle devra avoir lu et compris cette notice d'instructions dans son entier.
- Le poèle doit être destiné exclusivement à l'usage pour lequel il a été conçu. Toute autre utilisation doit être considérée incorrecte et donc dangereuse.
- Ne pas monter sur le poèle et ne pas l'utiliser comme plan d'appui.
- Ne pas mettre de linge à sécher sur le poèle. Les séchoirs à linge et autres accessoires similaires doivent être placés à une distance du poèle. - Risque d'incendie
- La responsabilité de tout usage impropre du produit incombe entièrement à l'utilisateur final et dégage la société MCZ de toute responsabilité civile et PENALE.
- Toute manipulation du poèle et tout remplacement non autorisé de pièces détachées non originales peut s'avérer dangereux pour la sécurité de l'opérateur et dégage la société MCZ de toute responsabilité civile et PENALE.
- La plupart des surfaces du poèle sont très chaudes (porte, poignée, vitre, tuyaux de sorties de fumées, etc.). Il faut éviter par conséquent de toucher ces parties sans être protégé de manière adéquate par des vêtements ou des accessoires prévus à cet effet tels que des gants thermiques ou des systèmes d'actionnement du type "main froide".
- Expliquer scrupuleusement ces dangers aux personnes âgées, aux personnes handicapées et plus particulièrement aux enfants, en veillant toujours à ce qu'ils ne s'approchent pas du poêle allumé.
- Il est interdit de faire fonctionner le poèle avec la porte ouverte ou la vitre brisée.
- Ne pas toucher le poêle avec les mains humides car il s'agit d'un appareil électrique. Toujours débrancher le câble d'alimentation avant d'intervenir sur l'unité.
- êle en agissant sur l'interrupteur général situé au dos de celui-ci ou en débranchant le câble électrique qui l'alimente.
- Le poèle doit être branché à une installation munie d'un disjoncteur et d'une prise de terre conformément aux normes 73/23 CEE et 93/98 CEE.
- L'installation doit être dimensionnée en fonction de la puissance électrique déclarée du poèle.
- Une installation incorrecte ou un mauvais entretien (non conformes aux prescriptions de ce livre) peuvent causer des dommages aux personnes, aux animaux ou aux choses. Dans ce cas MCZ décline toute responsabilité civile ou pénale.
1.2. Recommandations pour le fonctionnement

- Éteindre le poêle en cas de panne ou de mauvais fonctionnement.
- Ne jamais verser les pellets à la main dans le pot de combustion.
- Les granulés de bois non brûlés accumulés dans le pot de combustion suite à de nombreux "allumages manqués" doivent être enlevés avant de procéder à un nouvel allumage.
- Ne pas laver l'intérieur du poêlé avec de l'eau.
- Ne pas nettoyer le poèle avec de l'eau. L'eau pourrait s'infiltrer à l'intérieur du poèle et détériorer les éléments d'isolation électrique, provoquant ainsi des chocs électriques.
- Ne pas exposer la peau à l'air chaud pendant un long moment. Ne pas surchauffer la pièce où vous séjournez ni celle où le poêle est installé. Cela pourrait altérer les conditions physiques ou entraîner des problèmes de santé.
- Ne pas exposer les plantes et les animaux directement au flux d'air chaud. Cela pourrait avoir des effets nocifs sur les plantes et les animaux.
- Ne pas mettre plusieurs types de granulés de bois dans le réservoir du combustible.
- Installer le poèle dans une pièce adaptée prévoyant des dispositifs de lutte contre l'incendie et équipée de tous les raccordements aux différents réseaux d'alimentation (air et électricité) et d'évacuation des fumées.
- En cas d'incendie du conduit de fumée, éteindre le poèle, le débrancher et ne jamais ouvrir la porte. Et appeler les autorités compétentes.
- Le poêle et son habillage en céramique doit être entreposé dans un lieu sec à l'abri des intempéries.
- Il est recommandé de ne pas poser le corps du poêlé directement sur le sol ; si le sol est composé de matériaux inflammables, une isolation adéquate devra
etre prévue.
- En cas de panne du système d'allumage, ne pas tenter d'allumer le poêle avec des matériaux inflammables.

- Pour tout problème, s'adresser au revendeur ou au personnel qualifié et agréé MCZ. Pour les réparations, exiger des pièces détachées d'origine.
- Utiliser exclusivement le combustible préconisé par MCZ (pour l'ITALIE, seulement des granulés de bois de 6 mm de diamètre - pour les autres pays européens, des granulés de bois de 6-8 mm de diamètre) et seulement pour les modèles équipés du système d'alimentation automatique.
- Contrôler et faire ramoner périodiquement les conduits de sortie de fumées (raccordement au conduit de fumée).
- Les granulés de bois imbrûlés accumulés dans le pot de combustion suite à de nombreux "allumages manqués" doivent être enlevés avant de procéder à un nouvel allumage.
- Le poêle à granulés de bois n'est pas un appareil de cuisson.
- Toujours veiller à ce que le couvercle du réservoir des pellets soit bien fermé.
- Conserver soigneusement ce livre d'instructions car il devra accompagner le poêle pendant tout son cycle de vie. Si vous devez vendre ou transporter votre poêle dans un autre endroit, assurez-vous que ce livre l'accompagne.
- En cas de perte, demandez un autre exemplaire de ce livre à votre revendeur agréé ou à la société MCZ.
1.3. Conditions de garantie

La société MCZ garantit ce produit, à l'exclusion des éléments sujets à une usure normale comme indiqué ci-dessous, pendant une période de deux ans à compter de la date d'achat, à condition que le certificat de garantie soit validé par une pièce justificative portant le nom du revendeur et la date de vente, que ledit certificat de garantie dûment rempli soit expédié dans les 8 jours, et que le poêle ait été installé et testé par un technicien agréé et suivant les instructions détaillées figurant dans le livre d'instructions qui ne produit..
On entend par garantie le remplacement ou la réparation gratuite des parties ou des pièces d'origine reconnues défectueuses pour vice de fabrication.
1.3.1. Limites de garantie
La garantie ne couvre pas les composants électriques et électroniques ni les ventilateurs pour lesquels la période de garantie est fixée à 1 an à compter de la date d'achat justifiée comme indiqué ci-dessus. La
La garantie ne couvre pas les parties sujettes à une usure normale telles que joints, vitres et toutes les parties amovibles du poêle.
Les pièces remplacées seront couvertes pendant toute la période de garantie restante.
1.3.2. Exclusions
Les variations chromatiques sur les parties pointes et en céramique, de même que les craquelures de la céramique ne peuvent en aucun cas faire l'objet d'une réclamation, dès lors qu'il s'agit de caractéristiques naturelles inhérentes à la nature des matériaux et à l'utilisation du produit.
La garantie ne couvre pas les parties qui sont devenues défectueuses suite à des négligences, à un mauvais entretien ou à une installation non conforme aux prescriptions de la société MCZ (voir les chapitres correspondants dans ce livre d'instructions).
La société MCZ décline toute responsabilité en cas de dommages matériels et corporels éventuels, causes directement ou indirectement, aux personnes, aux animaux ou aux choses suite au non-respect des prescriptions figurant dans ce livre d'instructions et, plus particulièrement, de celles qui concernent les directives relatives à l'installation, l'utilisation et la maintenance du poêle.
En cas de mauvais fonctionnement du poêle, adressez-vous à votre revendeur et/ou à l'importateur de votre région.
Les dommages causés par le transport et/ou par la manutention du poêle sont exclus de la garantie.
Pour ce qui concerne l'installation et l'utilisation du poêle, se référer exclusivement au livre d'instructions fourni avec le poêle.
La garantie ne couvre pas les dommages occasionnés par des manipulations de l'appareil, des agents atmosphériques, des calamités naturelles, des décharges électriques, l'incendie, des défauts de l'installation électrique ou un entretien incorrect ou inexistant par rapport aux instructions du constructeur.

Demande d'intervention
La demande d'intervention devra être faite au revendeur qui fera suivre l'appel au service d'assistance technique MCZ
LA SOCIÉTÉ MCZ DÉCLARE QUE LE POÉLE ACHÉTE EST CONFORME AUX DIRECTIVES CEE 89/336 et 72/23 et SUCESSIFS AMENDEMENTS.

MCZ décline toute responsabilité en cas d'usage impropre ou de modifications du poêle et de ses accessoires, non préalablement autorisées.
Pour tout remplacement de pièces détachées, n'utiliser que des pièces détachées d'origine MCZ.
2.1. Les pellets (ou granules de BOIS)
Les pellets sont issus du compactage et du tréfilage des sciures de bois séché naturellement (sans vernis). Ce matériel doit sa densité à la lignine contenue dans le bois même, grâce à laquelle la production des granulés de bois ne requiert pas l'emploi de colles ou d'agents de liaison.
Le marché offre différents types de pellet représentant des caractéristiques qui varient en fonction des mélanges d'essences de bois utilisés. Le calibre des granulés de bois varie de 6 à 8 mm pour une longueur standard comprise entre 5 et 30 mm. Les pellets de haute qualité représentent une densité variant de 600 kg/m3 à plus de 750 avec une humidité sur poids brut du granulé variant de 5 à 8 %.
Non seulement le pellet est un combustible écologique, dans la mesure où il permet de recycler au maximum les résidus de bois pour fournir une combustion plus propre que celle obtenue avec des combustibles fossiles, mais il présente également plusieurs avantages techniques. Si la puissance calorifique d'un bon bois de chauffage est de 4,4 kW/kg (avec 15 % d'humidité, soit après 18 mois de séchage environ), celle des granulés de bois est de 4,9 kW/kg.
Pour garantir une bonne combustion, les granulés de bois doivent nécessairement être conservés à l'abri de l'humidité et de la saleté. Les pellets sont généralement distribués en sacs de 15 kg et sont par conséquent très faciles à stocker.
Des granulés de bois de bonne qualité assurent une excellente combustion tout en réduisant l'émission de gaz nocifs dans l'atmosphère.

Les principales certifications de qualité pour le pellet, existant sur le marché européen, sont la DINplus et Ö-Norm M7135 ; elles garantissent que soient respectées :
✓ Pouvoir calorifique : 4.9 kW/kg ✓ Taux d'humidité : 10 % max. du poids Pourcentage de cendres : 0,5 % max. du poids √ Diamètre : 5 - 6 mm - Longueur : max. 30 mm Composition : 100 % bois non traité et sans aucun ajout de substances liantes (pourcentage d'écorce : 5 % max.). Emballage : sacs réalisés avec un matériel écologique et biodégradable
Combustible pellet
Sac de combustible de 15 Kg

La société MCZ recommande vivement d'employer un combustible homologué avec ses poêles (DINplus et Ö-Norm M7135).
L'emploi de pellets de qualité médiocre ou non conforme à ce qui a été précédemment indiqué compromet le fonctionnement de votre poêle et par conséquent pourrait annuler la garantie et la responsabilité de la société MCZ pour ce produit. Les poêles à pellets MCZ fonctionnent exclusivement avec des granulés de bois de 6 mm de diamètre (pour l'ITALIE seulement) et de 6-8 mm de diamètre (dans les autres pays européens) d'une longueur variant de 5 à 30 mm maximum.

Important!
L'installation et le montage du poèle doivent être effectués par du personnel qualifié.
L'installation du poèle doit être effectuée dans un lieu approprié permettant les opérations normales d'ouverture et d'entretien ordinaire.
La piece doit:
- être adaptée aux conditions de fonctionnement environnementales
- être équipée d'un réseau d'alimentation électrique à 230 V 50 Hz (EN73-23)
- dispose d'un système approprié pour l'évacuation des fumées
- être dotée d'une aération extérieure
- être équipée d'une mise à la terre conforme aux normes UE
Le poèle doit être raccordé à un conduit de cheminée ou à un conduit vertical intérieur ou extérieur, conformément aux normes en vigueur.
Le poêle doit être installé de sorte que la prise électrique reste accessible.

Important!
Le poêle doit être raccordé à un conduit de cheminée ou un conduit vertical pouvant évacuer les fumées au point le plus haut de l'habitation.
Les fumées dérivent de la combustion du bois et poursuivent donc salir les murs si elles sortent trop près de ceux-ci.
En outre, ces fumées étant peu visibles mais très chaudes, leur contact provoque des brûlures.
Avant d'installer le poèle, prévoir une ouverture dans le mur pour le passage du tuyau de sortie de fumées et une autre ouverture pour la prise d'air frais extérieur.
2.3. Le LIEU d'installation
Pour un fonctionnement correct du poèle et une bonne distribution de la chaleur, l'unité doit être installée dans un endroit où peut arriver l'air nécessaire à la combustion des granulés de bois (disponibilité d'environ 40 m³/h) conformément à la norme pour l'installation ainsi qu'aux normes nationales en vigueur. Le volume de la pièce ne doit pas être inférieur à 30 m³.
L'air doit arriver à travers des ouvertures permanentes pratiquées dans les murs (à proximité du poêle) qui donnent sur l'extérieur, avec une section minimale de 100 cm². Ces apports d'air doivent être réalisés de manière à ne subir aucune obstruction.
L'air peut également être prélevé dans des pièces adjacentes à celles qui doit être ventilée à condition que celles-ci soient dotées d'une prise d'air extérieur et qu'elles ne soient utilisées ni comme chambre à coucher ni comme salle de bains et qu'il n'existe aucun risque d'incendie, comme par exemple dans le cas de garage, remise à bois ou dépôt de matériaux inflammables, et ceci dans le respect des prescriptions des normes en vigueur.

L'installation du poèle dans les chambres à coucher, les salles de bains ou dans une pièce équipée d'un autre appareil de chauffage dépourvu d'alimentation d'air indépendante (cheminée, poêle, etc..) est interdite.
Il est interdit d'installer le poêle dans une pièce dont l'atmosphère est explosive.
Le sol de la pièce où sera installé le poêle doit être aménagé de façon ajustée pour pouvoir supporter la charge au sol de celui-ci.
Si les murs ne sont pas de nature inflammable, installer le poèle en laissant un espace d'au moins 10 cm entre le mur et le dos du poèle.
En cas de murs de nature inflammable, laisser un espace minimum de 20 cm entre le mur et le dos du poêle, de 10 cm sur le côté et de 150 cm devant.
En présence d'objets particulièrement délicats tels que meubles, rideaux, canapés, il faudra augmenter considérablement ces distances.

En cas de sol en bois, prévoir une plaque de sol conforme aux normes en vigueur.
Exemple d'installation de poêle à pellets
Exemple d'installation de poêle à pellets
2.4. Raccordement à la PRESE d'air FRAIS extérieur
Il est indispensable qu'une quantité d'air frais au moins égale à celle requise par la combustion normale des granulés de bois ainsi que l'air nécessaire à la ventilation puisse arriver dans la pièce où le poêle est installé. Cette aération peut être réalisée aussi bien au moyen d'ouvertures permanentes donnant sur l'extérieur et pratiquées dans les murs de la pièce, qu'au moyen de conduits de ventilation individuels ou collectifs.
Dans ce but, réaliser une ouverture dans le mur extérieur à proximité du poêle avec une section libre minimale de 100cm² (ouverture de 12 cm de diamètre ou carrée de 10× 10~cm), protégée par une grille à l'intérieur et à l'extérieur.
La prise d'air doit également :
- communiquer directement avec la pièce ou le poêle est installé
- être protégée par une grille métallique ou une protection ajustée à condition que celle-ci n'en réduise pas la section minimale
- être installée de manière à ne pas pouvoir s'obstruer.


Il n'est pas obligatoire de raccorder directement l'entrée d'air au poêle (directement avec l'extérieur) mais la section sus-indiquée devra, quoi qu'il en soit, garantir une arrivée d'air d'environ 50 m3/h. Voir la norme UNI 10683.
2.5. Raccordement au TUYAU de SORTIE de fumées
Pendant la réalisation de l'ouverture pour le passage du tuyau d'évacuation des fumées, il faudra nécessairement tenir compte de la présence éventuelle de matériaux inflammables. Si l'ouverture doit traverser une paroi en bois ou, quoi qu'il en soit, en matériel thermolabile, L'INSTALLATEUR DOIT en premier lieu utiliser le raccord mural prévu à cet effet (diam. 13 cm minimum) et isoler comme il se doit le tuyau de poèle qui le traverse en utilisant des matériaux isolants ajustés. (1,3 — 5 cm d'épaisseur avec conductibilité thermique minimale de 0,07 W/m ° K).
Ceci vaut également si le tuyau du poêle doit parcourir des tronçons verticaux ou horizontalement toujours à proximité (min. 20 cm) de la paroi thermolabile.
Comme solution alternative, il est conseillé d'utiliser un tuyau industriel calorifugé que vous pourrez utiliser également à l'extérieur pour éviter les condensats.
La chambre de combustion fonctionne en dépression. Le conduit de sortie de fumées sera en dépression s'il est raccordé à un conduit de cheminée efficace comme prescrit plus haut.

N'utiliser que des tuyaux et des raccords munis de joints adéquats garantissant une étanchéité absolue.

Toutes les traversées du conduit de fumée doivent être équipées d'une trappe de visite amovible permettant d'effectuer un nettoyage périodique à l'intérieur (raccord en T avec trappe de visite).
Installer le poèle en tenant compte de toutes les prescriptions et de tous les avertissements formulés jusqu'ici.

Important!
Tout changement de direction du conduit d'évacuation des fumées doit être réalisé avec des raccords en "T" prévus à cet effet et équipés de regards. (Voir accessoires pour le poêle à pellets)
Il est formellement interdit d'appliquer une grille à l'extrémité du tuyau d'évacuation car celle-ci pourrait compromettre le bon fonctionnement de votre poèle.
POUR LE RACCORDEMENT AU CONDUIT DE CHEMINÉE, NE PAS UTILISER PLUS DE 2-3 m DE CONDUIT HORIZONTAL NI PLUS DE 3 COUDES À 90°. IL EST NOTAMMENT CONSEILLÉ DE NE PAS DÉPASSER LES 6 METRES DE LONGUEUR AVEC LE TUYAU Ø 80 mm
Vue de coupe d'un poêle à pellets MCZ 1) Arrivée d'air comburant 2) Sortie de fumées
Exemple d'installation de poêle à pellets
2.6. Raccordement au conduit de fumée
Le conduit de cheminée ne doit pas avoir des dimensions internes supérieures à 20 × 20 cm ou à 20 cm de diamètre; en cas de dimensions supérieures ou de mauvaises conditions du conduit de cheminée (par ex. en cas de lézardes, d'isolement insuffisant, etc.), il est conseillé d'insérer à l'intérieur un tuyau en acier inox avec un diamètre approprié, sur toute la hauteur du conduit.
Vérifier, au moyen d'instruments appropriés, que le tirage est de 10 Pa minimum.
Prévoir une trappe de visite à la base du conduit de cheminée pour pouvoir effectuer les contrôles périodiques et le ramonage qui doit être fait chaque année.
Assurer l'étanchéité du raccordement au conduit de cheminée en utilisant les raccords et les tuyaux préconisés.
Contrôler impérativement qu'une sortie de toit anti-refoulement ait été installée sur le toit, conformément aux normes en vigueur.

Ce type de raccordement assure l'évacuation des fumées même en cas de coupure d'électricité momentanée.
2.7. Raccordement à un conduit exterieur par TUYAU calorifugé ou à DOUBLE PAROI.
Le conduit externe doit avoir des dimensions internes minimales de 10 × 10 cm ou de 10 cm de diamètre et maximales de 20 × 20 cm et 20 cm de diamètre.
Vérifier, au moyen d'instruments appropriés, si le tirage correspond à 10 Pa.
N'utiliser que des tuyaux calorifugés (à double paroi) en acier inox lisse à l'intérieur (il est interdit d'utiliser des tuyaux inox flexibles) et fixés au mur.
Prévoir une trappe de visite à la base du conduit vertical extérieur pour les contrôles périodiques et le ramonage qui devra être exécuté une fois par an.
Assurer l'étanchéité du raccordement au conduit de cheminée en utilisant les raccords et les tuyaux préconisés.
Contrôler impérativement qu'une sortie de toit anti-refoulement ait été installée sur le toit, conformément aux normes en vigueur.

Ce type de raccordement assure l'évacuation des fumées même en cas de coupure d'électricité momentanée.
2.8. Raccordement au conduit de cheminée
Pour un bon fonctionnement, le raccord entre le poèle et le conduit de fumée, ne doit pas être inférieur à 3% d'inclinaison pour les tronçons horizontally dont la longueur totale ne doit pas dépasser les 2/3 et le tronçon vertical d'un raccord en "T" à un autre (changement de direction) ne doit pas être inférieur à 1,5.
Vérifier, au moyen d'instruments appropriés, si le tirage est de 10 Pa minimum.
Prévoir une trappe de visite à la base du conduit de cheminée pour les contrôles périodiques et le ramonage qui devra être effectué une fois par an.
Assurer l'étanchéité du raccordement au conduit de cheminée en utilisant les raccords et les tuyaux préconisés.
Contrôler impérativement qu'une sortie de toit anti-refoulement ait été installée sur le toit, conformément aux normes en vigueur.

Ce type de raccordement assure l'évacuation des fumées même en cas de coupure d'électricité momentanée.

1) Sortie de toit antivent 2) Conduit de cheminée 3) Inspection

1) Sortie de toit antivent 2) Conduit de cheminée
3) Inspection

1) Sortie de toit antivent
2) Conduit de cheminée
3) Inspection
2.9. Anomalies de fonctionnement liées au mauvais TIRAGE du conduit de cheminée
Parmi les différents facteurs météorologiques et géographiques qui intervennent sur le fonctionnement d'un conduit de cheminée (pluie, brumes, neige, altitude, périodes d'ensoleillement, orientation, etc.), le vent est certainement le plus déterminant de tous. En effet, à part la dépression thermique induite par la différence de température existant entre l'intérieur et l'extérieur de la cheminée, il existe un type de dépression (ou surpression) : la pression dynamique induite par le vent. Un vent ascendant a toujours pour effet d'augmenter la dépression et par conséquent, le tirage. Un vent horizontal augmente la dépression si la sortie de toit est bien installée. Un vent descendant a toujours pour effet de diminuer la dépression et quelquefois de l'inverser.



En dehors de la direction et de la force du vent, la position du conduit de fumée et de la sortie de toit par rapport au toit de la maison et au paysage environnant est également importante.
Le vent influence même indirectement le fonctionnement de la cheminée en créant des zones de surpression et de dépression non seulement à l'extérieur, mais aussi à l'intérieur des maisons. Dans les pièces directement exposées au vent (2) peut se créer une surpression intérieure qui peut favoriser le tirage des poêles et des cheminées, mais qui peut être contrastée par la surpression extérieure si la sortie de toit est placée du côté exposé au vent (1). Au contraire, lorsque les locaux sont situés dans la direction opposée à celle du vent (3), une dépression dynamique entrant en concurrence avec la dépression thermique naturelle développée par la cheminée peut se produire, mais elle peut être compensée (quelquefois) en plaçant le conduit de fumée du côté opposé à la direction du vent (4).

1-2 = Zones de suppression
3-4 = Zones de dépression

Important!
La conformité et la position du conduit de cheminée influencent particulièrement le fonctionnement du poêle à pellets.
Des conditions précaires ne pourront être résolues que par un réglage ajusté de votre poêle, effectué par du personnel agréé MCZ.

Important!
Le raccordement du poèle à l'installation hydraulique doit être EXCLUSIVEMENT effectué par un personnel spécialisé, qui peut effectuer l'installation conformément et en respectant les dispositions de loi en vigueur dans le pays d'installation.
Si l'installation du poèle prévoit l'interaction avec une autre installation préexistante comprenant un autre appareil de chauffage (chaudière à gaz, chaudière à gaz naturel, chaudière à gasoil, etc.), il est vivement recommandé d'avoir recours à un personnel qualifié qui pourrait répondre de la conformité de l'installation, selon ce qui est prévu par la loi en vigueur en la matière.
La société MCZ décline toute responsabilité en cas de dommages matériels et corporels ou en cas de panne ou de mauvais fonctionnement, au cas où ne seraient pas respectées les recommandations indiquées ci-dessus.
Pour le raccordement de l'installation hydraulique au poêle, se référer au chapitre 3 INSTALLATION ET MONTAGE et plus précisément au paragraphe numéro 3.4 RACCORDEMENT INSTALLATION HYDRAULIQUE












3.1.4. Dimensions suite version HYDRO




POUR LES DESSINS DE SORTIE DES TUYAUX HYDRAULIQUES VOIR PAGE 29-30




3.1.6. Caractéristiques techniques
| Caracteristique techniques | Ego Hydro / Star Hydro |
| Puisance thermique globale (total/eau) Max | 11,6 kw (9976 kcal) / 10,0 kw (8600 kcal) |
| Puisance thermique globale (total/eau) Min : | 3,6 kw (3096 kcal) / 2,5 Kw (2150 kcal) |
| Rendement au Max. | 91,5 % |
| Rendement au Min. | 96,0 % |
| Température des fumées en sortie au Max. | 140° C |
| Température des fumées en sortie au Min. | 70°C |
| CO à 13 % O2 au min. et au max. | 0.034 — 0.011 % |
| CO2 au min. et au max. | 6,7 % – 8,7 % |
| Masse des fumées au min. et au max. | 3,6 – 9,4 g/s |
| Tirage minimal à la puissance Max. | 0,10 mbar – 10 Pa |
| Tirage minimal à la puissance Min. | 0,05 mbar – 5 Pa |
| Capacité du réservoir | 37 litres |
| Type de combustible pellet | Pellet diam. 6-8 mm. Longueur 5/30 mm |
| Consummation hora pellet | Min. ~ 0,8 kg/h * Max. ~ 2,5 kg/h * |
| Autonomie | Au min. ~ 36 h * Au max. ~ 10 h * |
| Volume de chauffe (m3) | 249/40 – 285/35 – 333/30 ** |
| Entrée d'air pour la combustion | Diamètre extérieur 50 mm |
| Sortie de fumées | Diamètre extérieur 80 mm |
| Maximum puissance électrique absorbée | Max. 420 W – Med. 120 W |
| Tension et fréquence d'alimentation | 230 Volt / 50 Hz |
| Poids net | 175 kg |
| Poids avec emballage | 185 kg |
- Données pouvant varier selon le type de pellet utilisé. ** Volume de chauffe selon le besoin de cal/m³ 40-35-30 (respectivement 40-35-30 Kcal/h de m³) Produit conforme à l'installation dans un conduit multiple.
| Caracteristique techniques | Suite Hydro / Club Hydro / Musa Hydro |
| Puisance thermique globale (total/eau) Max | 15,0 kw (12900 kcal) / 13,0 kw (11180 kcal) |
| Puisance thermique globale (total/eau) Min : | 3,6 kw (3096 kcal) / 2,5 Kw (2150 kcal) |
| Rendement au Max. | 90,8 % |
| Rendement au Min. | 96,0 % |
| Température des fumées en sortie au Max. | 160° C |
| Température des fumées en sortie au Min. | 70° C |
| CO à 13 % O2 au min. et au max. | 0.034 - 0.009 % |
| CO2 au min. et au max. | 6,7 % - 10,2 % |
| Masse des fumées au min. et au max. | 3,6 - 11,0 g/s |
| Tirage minimal à la puissance Max. | 0,10 mbar - 10 Pa |
| Tirage minimal à la puissance Min. | 0,05 mbar - 5 Pa |
| Capacité du réservoir | 44 litres |
| Type de combustible pellet | Pellet diam. 6-8 mm. Longueur 5/30 mm |
| Consommation horaire pellet | Min. ~ 0,8 kg/h * Max. ~ 3,3 kg/h * |
| Autonomie | Au min. ~ 42 h * Au max. ~ 9 h * |
| Volume de chauffe (m3) | 323/40 - 369/35 - 430/30 ** |
| Entrée d'air pour la combustion | Diamètre extérieur 50 mm |
| Sortie de fumées | Diamètre extérieur 80 mm |
| Maximum puissance électricquabsorbée | Max. 420 W - Med. 120 W |
| Tension et fréquence d'alimentation | 230 Volt / 50 Hz |
| Poids net | 190 kg |
| Poids avec emballage | 200 kg |
- Données pouvant varier selon le type de pellet utilisé. ** Volume de chauffe selon le besoin de cal/m³ 40-35-30 (respectivement 40-35-30 Kcal/h de m³) Produit conforme à l'installation dans un conduit multiple.
3.2. Preparation et déballage
Les poêles STAR et EGO sont livrés dans deux emballages séparés :
Le poêle EGO aura 1 emballage
Il contient le poèle et les côtés en acier avec les profils (Fig. 1)
Le poèle STAR aura 2 emballages
Un contient le poêle et les profils pour la céramique ou l'oliarde. L'autre contient la céramique (fig.2), dans ce cas l'emballage sera unique avec la structure (le carton avec les céramiques sera superposé à l'emballage avec la structure) ou la pierre oliarde (fig.3) (dans ce cas il y aura deux emballages structure + palette pierre oliarde)
Les poêles SUITE et CLUB sont livrés dans deux emballages superposés :
Le premier contient le poêle. Le second contient l'habillage en céramique (Fig. 2)
Poêles ego/star et MUSA
Ouvrir l'emballage, enlever les quatre vis qui fixent l'embase du poèle à la palette, deux sur le côté droit et deux sur le côté gauche (voir figure 4) et positionner le poèle dans le lieu choisi en faisant attention qu'il soit conforme à ce qui est prévu.
Figure 4 - Extraction des vis de l'emballage (sur la figure poèle Ego)
Figure 1 - Exemple d'emballage poèle + côtes en acier (poèle Ego)
Figure 2 - Exemple d'emballage pour carreaux en céramique
Figure 3 - Exemple d'emballage pour pierre naturelle
Poêles suite et CLUB
Ouvrir l'emballage, débloquer les quatre brides qui bloquent le poèle sur la palette (deux sur le côté droit et deux sur le côté gauche-fig.5)
Figure 5 - Extraction des vis de l'emballage (sur la figure poèle Suite)
Le corps du poèle ou le monobloc doit toujours être manipulé en position verticale et exclusivement au moyen de chariots élévateurs. Veillez en particulier à ce que la porte et la vitre ne subissent pas de chocs mécaniques qui en compromettraient le bon état.
Dans tous les cas, ne manipuler les produits qu'avec extrême prudence. Si possible, déballer le poêle près de l'endroit où il sera installé.
Les matériaux qui composent l'emballage ne sont ni toxiques ni nocifs. Ils ne requièrent donc aucun procédé d'élimination particulier.
Par conséquent, le stockage, l'élimination et le recyclage éventuel devront être effectués par l'utilisateur final, conformément aux lois en vigueur en la matière.
Ne pas entreprendre le monobloc et les revêtements sans leurs emballages.
Positionner le poêle sans l'habillage et effectuer le raccordement au conduit de fumées. Mettre le poêle à niveau, au moyen des 4 pieds (J), afin que la sortie de fumées (S) et le tuyau (H) soient dans le même axe. À la fin des opérations de raccordement, monter l'habillage (carreaux en céramique ou côts en acier).
Si vous devez raccorder toutefois à un tuyau de sortie de fumées qui traverse le mur d'adossement postérieur (pour rejoindre le conduit de cheminée), veiller à ne pas forcer l'embouchure en emboitant le tuyau.

Si la sortie de fumées du poêle est forcée ou mal utilisée lorsqu'on installe ou soulève le poêle, son fonctionnement sera irrémédiablement compromis.


- Tourner les pieds dans le sens contraire des aiguilles d'une montre pour lever le poêle.
3.3. Montage de l'habillage lateral

LES 6 CARREaux EN CERAMIQUES ET LES 4 COTÉS EN PIERRE OLLAIRE LATERAUX DU POÉLE STAR SONT LES MÊMES.
3.3.1. Montage des profils pour application des côtés en acier-EGO
Enlever, sur la partie supérieure, le dessus en fonte (A).
Prendre les deux profils (B) à monter sur la partie avant du poêle (un à droite et un à gauche). Faire en sorte que le profil (B) dans la partie inférieure, s'enfile sur l'orifice préparé sur l'embase pour la fixation, et qu'il entre, le long du côté, dans la lame (B1) préparée sur le poêle sur toute la hauteur. À la fin de cette opération, prendre la pièce (C) avec les deux vis (D et E) et fixer le profil sur la partie supérieure du poêle. La vis (D) doit être fixée sur la tôle supérieure du poêle tandis que la vis (E) doit être fixée sur le vissage préparé sur le profil (B2).
Prendre ensuite le côté (I) et le fixer sur la tôle supérieure du poêle avec les deux vis (G et H) fournies.
Sur la partie avant, il doit être encastré dans le logement (B3) du profil (B).
Répéter la même opération pour les deux côtés. Repositionner le dessus en fonte. (fig. 6)



Figure 6 - Côtés en acier poêlée EGO
3.3.2. Montage des profils pour application des côtés en céramique ou en pierre allaire-star
Enlever, sur la partie supérieure, le dessus en fonte (A).
Prendre les quatre profils (B) à monter sur la partie avant et arrêté du poêle (deux à droite et deux à gauche). Faire en sorte que le profil (B) dans la partie inférieure, s'enfile sur les deux orifices préparés sur l'embase pour la fixation, et qu'il entre, le long du côté, dans la lame (B1) préparée sur le poêle sur toute la hauteur. Une fois que les deux profils ont été montés sur un côté, prendre la pièce (C) avec les quatre vis (D-E-F-G) et la fixer sur la partie supérieure du poêle (F-D) et au niveau du vissage préparé sur le profil (B2) pour les vis G-E.
Prendre maintenant les carreaux en céramique (3 par côte) ou la pierre oliaire (2 par côte) et les enfiler sur le profil (B) au niveau du vissage (B3) du haut vers le bas. (fig. 6-7)

Nous conseillons d'utiliser des petits feutres (deux à droite et deux à gauche), à appliquer aux extrémités des carreaux en céramique (vers l'intérieur) au niveau de la partie du carreau qui entre en contact avec le profil en tôle (B3).
Cela pour éviter que le carreau en céramique n'entre en contact avec les parties métalliques de la structure et pour compenser d'éventuelles différences d'épaisseur du carreau lui-même.
Répéter la même opération pour les deux côtés. Repositionner le dessus en fonte.
Figure 7 - Côtés poêle STAR

3.3.3. Montage du panneau inférieur - poêles suite et club
Le poèle est donc livré avec tous les carreaux de céramique emballés. Avant de monter les carreaux latéraux et le dessus, il faut insérer les panneaux inférieurs.
Procéder de la manière suivante :
- Retirer sur le côté droit (côte poignée) de la partie supérieure la grille en tôle microperforée B en enlevant les deux vis C.
- Retirer la vis D sur la tôle E de manière à ce que le profil A ne soit plus bloqué.
- Soulever légèrement la tôle E et libérer le profil A.
- Pour retirer le profil A_, le soulever (en l'extrayant de l'embase) et l'incliner légèrement de manière à ce que les chevilles insérées sur l'embase seront.
- Prendre le panneau inférieur F et l'insérer de la droite (côté poignée) vers la gauche de manière à ce qu'il entre exactement dans le logement prévu à cet effet.
- Réinsérer le profil A en faisant entrer les chevilles sur l'embase et soulever la tôle E de manière à aligner de nouveau le profil "A". Faire en sorte que les chevilles supérieures du profil "A" s'insèrent dans les logements de la tôle "E".
- Fermer avec la vis D la tôle E qui bloque le profil A
- Avant de remonter les grilles B avec les deux vis C, insérer aussi les carreaux latéraux (Voir par. 3.3.4 page 27)

3.3.4. Montage des carreaux latéraux - poêles suite et club
Retirer la grille microperforée B et insérer les trois carreaux latéraux, en les faisant glisser du haut vers le bas sur les glissières des profils A. Sur les parties supérieure et inférieure du carreau, il est conseillé d'appliquer des petits feutres. Mettre à niveau les jointoiements des carreaux. Il est maintenant possible de revisser la grille microperforée B à la structure et de positionner le dessus en céramique. Fig. 9
3.3.5. Montage du dessus supérieur en céramique
Monter le dessus en l'appuyant sur les quatre éléments en saillie supérieurs du poêle. La partie ci-dessous est pourvue de quatre petites cavités à hauteur des supports en caoutchouc indiqués à la figure 10.
Figure 9 - Vue du système de fixation des carreaux en céramique latéraux
Figure 10 - Supports de montage dessus en céramique
3.3.6. Montage des côts du poêle MUSA
Retirer le dessus en fonte, prendre les côtés A (un pour le côté droit et un pour celui de gauche) et les insérer sur les glissières du profil B en faisant attention à ce que la partie arrière du côté E (elle avec un pli de ) soit superposée au pli en tôle de la structure F et que la partie inférieure du côté s'enfile dans les chevilles présentes sur l'embase.
Prendre la plaque C fournie et la fixer avec les deux vis D, sur la partie supérieure à hauteur de la structure et du côté.
Le côté arrêté doit être fixé avec les quatre vis G fournies avec la structure du poêle.
Lorsque seront montés les deux côtés en acier A, repositionner le dessus en fonte.


Important!
Le raccordement du poêle à l'installation hydraulique doit être EXCLUSIVEMENT effectué par un personnel spécialisé, qui peut effectuer l'installation conformément et en respectant les dispositions de loi en vigueur dans le pays d'installation.
La société MCZ décline toute responsabilité en cas de dommages matériels et corporels ou en cas de mauvais fonctionnement, au cas où ne seraient pas respectées les recommandations indiquées ci-dessus.
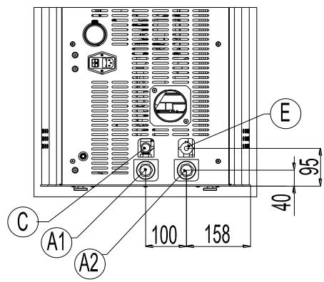
SCHEMA De raccordement du poêle ego-star HYDRO


A1=Refoulement eau chauffage 3/4''M
A2=Retour eau chauffage 3/4"M
C=Vanne de sécurité 3 bar - 1/2"F
E = Vidange installation 1/2"F
SCHEMA De raccordement du poêle suite-club HYDRO


A1 = Refoulement eau chauffage 3/4" M
A2 = Retour eau chauffage 3/4" M
C = Vanne de sécurité 3 bar - 1/2" F
E = Vidange installation 1/2" F
SCHEMA De raccordement du poéle MUSA HYDRO


A1=Refoulement eau chauffage 3/4″M
A2=Retour eau chauffage 3/4″M
C=Vanne de sécurité 3 bar - 1/2"F
É = Vidange installation 1/2"F
3.4.1. Raccordement à l'installation
Effectuer les raccordements aux raccords correspondants illustrés sur le schéma de la page précédente en faisant attention à éviter les tensions dans les tuyaux et les sous-dimensionnements.

Important !!!
IL EST VIVEMENT CONSEILLÉ DE LAYER TOUTE L'INSTALLATION AVANT DE LA RACCODER AFIN D'ELIMINER LES RÉSIDUS ET LES DÉPÔTS.
Installer toujours en amont du poèle des rideaux d'interception afin d'isoler l'installation hydrique au cas où il serait nécessaire de le bouger ou de le déplacer, pour effectuer l'entretien ordinaire et/ou extraordinaire.
Raccorder le poèle en utilisant des tuyaux flexibles pour ne pas bloquer le poèle et pour permettre de petits déplacements.
Vanne d'évacuation de la pression (3 bar)

La vanne d'évacuation de la pression (C) doit toujours être raccordée à un tuyau de vidange de l'eau. Le tuyau doit être en mesure de supporter une température élevée et la pression de l'eau.

3.4.2. Remplissage de l'installation
Pour recharger l'installation, le poêle peut être doté d'un terminal (option) avec clapet de non-retour (D) pour le remplissage manuel de l'installation de chauffage (si cette option n'est pas présente, utiliser le robinet de remplissage prévu dans la chaudière principale). Durant cette opération, l'évacuation de l'air éventuellement présent dans l'installation est garantie par la vanne d'échappement automatique présente sous le dessus.
Afin de permettre à la vanne de purger l'air, desserrer d'un tour le bouchon gris et laisser bloqué le bouchon rouge (voir figure)
La pression de chargement de l'installation À FROID doit être de 1 bar.
Si durant le fonctionnement, la pression de l'installation descend (à cause de l'évaporation des gaz dissous dans l'eau) à des valeurs inférieures au minimum indiqué ci-dessus, l'utilisateur devra, en agissant sur le robinet de chargement, la ramener à la valeur initiale.
Pour un bon fonctionnement du poèle À CHAUD, la pression dans la chaudière doit être de 1.5 bar.
Pour contrôler la pression de l'installation, le terminal (option) est doté d'un manomètre (M).
À la fin de l'opération de remplissage, refermer toujours le robinet.
3.4.3. Caractéristiques de l'eau
Les caractéristiques de l'eau de remplissage de l'installation sont très importantes pour éviter que ne se déposent des sels minéraux et ne se créent des incrustations le long des tuyaux, à l'intérieur de la chaudière et dans les échangeurs.

- La durée de l'eau en circulation dans l'installation pour éviter les problèmes d'incrustations et de calcaire, surtout dans l'échangeur de l'eau sanitaire. (>25^ français) Installation d'un adoucisseur d'eau (si la dureté de l'eau est supérieure à française)
- Remplir l'installation avec de l'eau traitée (déminéralisée)
- Éventuel équipement d'un circuit anti-condensation. Montage d'amortisseurs hydrauliques anti-coups de bélier le long des raccords et des tuyaux.
Pour ceux qui possèdent des installations très étendues (avec de grosses capacités d'eau) ou qui ont souvent besoin de réintégrations gratuites dans l'installateur ou d'installer des adoucisseurs.

Il ne faut pas oublier que les incrustations baissent considérablement les performances à cause de leur très forte conductivité thermique.


Bouchon gris desserré d'1 tour

Vanne dégagement sous le dessus
3.5. Schemas explicatifs d'installation

Les schémas à suivre sont uniquement à titre indicatif. Pour un correct raccordement, suivre toujours les notes du plombier installateur. L'installation hydraulique doit être conforme à la norme en vigueur dans le lieu, la région ou l'état d'installation. L'installation et le contrôle du fonctionnement doivent être effectués exclusivement par un personnel spécialisé et/ou agréé.
La société MCZ décline toute responsabilité en cas de non-conformité par rapport à ce qui est sus-mentionné.
3.5.1. Schéma d'installation du chauffage
PRESTATIONS:
CHAUFFAGE AVEC POELE

CONFIGURATION: EGO/STAR/SUITE/CLUB/MUSA SANS KIT SANITAIRE
SCHEMA D'INSTALLATION À VASE FERMÉ UNIQUÉMENT POUR CHAUFFAGE AVEC RADIATEURS
LEGENDA:
C5 Cartélectronique SE Échappement automatique M Manomètre VS Vanne d'échappement 3 bar V Vanne P Pompe
VD Vanne indirecte T Mesure température chaudière VE Vase d'expansion 1,5 bar W Vanne à 3 voies motorisée SC Échangeur à plaques F Flussostat
C Chaudière à gaz naturel B Chauffe-eau BA Chauffe à accumulation RA Radiateurs PR Panneaux radiants PS Panneaux solaires
A Amortisseur anti-coup de bélier RP Vanne réductrice de pression Vsc Vanne d'évacuation installation/chaudière Flt Filtre installation Add Adoucisseur
3.5.2. Schéma installation chauffage associé à un chauffe-eau
CONFIGURATION: EGO/STAR/SUITE/CLUB/MUSA SANS KIT SANITAIRE ASSOCIÉE À UN CHAUFFE-EAU SCHEMA INSTALLATION À VASE FERMÉ POUR CHAUFFAGE AVEC RADIATEURS OU PRODUCTION D'EAU CHAUBE
SE Cartélectronique S Échappement automatique M Manomètre VS Vanne d'échappement 3 bar V Vanne P Pompe
VD Vanne indirectionnelle Mesure température chaudière Vase d'expansion 1,5 bar de 6 I Vanne à 3 voies motorisée Échangeur à plaques Flüssostat
C Chaudière à gaz naturel B Chauffe-eau B Chauffe à accumulation B Endocrine and accumulation Radiates R Rondeaux radiants P Painieux laulants Dax, France P Panneaux solaires
Amortisseur anti-coup de bélier Vanne réductrice de pression Vsc Vanne d'évacuation installation/chaudière Flt Filtre installation Adoucisseur
3.5.3. Schéma installation associé à une accumulation
CONFIGURATION: EGO/STAR/SUITE/CLUB/MUSA SANS KIT SANITAIRE ASSOCIÉ À UNE INSTALLATION À ACCUMULATION AVEC CHAUDIERÉ ET PANNEAUX SOLAIRES SCHEMA INSTALLATION À VASE FERMÉ POUR CHAUFFAGE AVEC RADIÉURS OU PANNEAUX RADIANTS ET PRODUCTION D'EAU CHAUBE SANITAIRE
SE Cartélectronique S Échelonnement automatique M Manomètre VS Vanne d'échappement 3 bar V Vanne P Pompe
Vanne indirecte. T. Mesure température chaudière VATE Vase d'expansion 1,5 bar de 6 l VV Vanne à 3 voies motorisée SC Échangeur à plaques F Flussostat
Chaudière à gaz naturel
Chauffe-eau
B Chauffe à accumulation D D Radiopaque KA Râlateurs 20 PR Panneaux radiants 90
Panneaux solaires
Amortisseur anti-coup de bélier
Vanne réductrice de pression
VSC Vanne d'évacuation installation/chaudière
EIT. Add
3.6. Montage du filtre à air
Avant de placer le poèle contre le mur pour procéder au raccordement électrique et au conduit de cheminée, monter le filtre à air fourni.
Le filtre cylindrique est composé d'une grille métallique et il est déjà monté sur le poêle.
Le filtré doit être monté sur le tuyau d'amnéée d'air de 0 5 cm.
Pour le montage, dévisser légèrement la vis avec pommeau située sur le tuyau d'admission d'air, insérer le filtre en faisant correspondre la rainure du filtre avec la vis du pommeau puis bloquer le filtre en serrant le pommeau.
Montage/démontage du filtre à air

Attention!
Ne jamais faire fonctionner le poèle sans filtre à air. MCZ ne répond pas des éventuels dommages subis par les composants internes en cas de non-respect de cette prescription.
3.7. Ouverture/fermeture de la porte
L'ouverture de la porte s'effectue moyennant le crochet présent sur la porte qui doit être soulevée par la main fournire.

Attention!
La porte doit être parfaitement fermée pour le bon fonctionnement du poêle.
Ouverture/fermeture de la porte
3.8. Branchement électrique
Relier le câble d'alimentation tout d'abord à l'arrière du poêle puis à la prise électrique murale.
L'interrupteur général situé au dos du poèle ne doit être utilisé que pour allumer le poèle. Autrement, il est conseillé de le laisser éteint.

Lorsque le poèle n'est pas utilisé, il est préférible de débrancher le câble d'alimentation.
Branchement électrique du poêle
4.1. Recommandations avant l'allumage

Éviter de toucher le poêle lors du tout premier allumage car durant cette phase la peinture durcit. Si l'on touche la peinture, la surface en acier pourrait réapparaître.
Si nécessaire, retoucher la peinture avec une bombe de vernis spécial. (Voir "Accessoires pour poêle à pellets")

Il est important d'assurer une ventilation efficace au moment du premier allumage car le poêle dégagera un peu de fumée et une odeur de peinture.
Ne pas rester à proximité du poèle et, comme nous l'avons dit, bien aérer la pièce. La fumée et l'odeur de peinture disparaîtront après une heure de fonctionnement du poèle environ ; nous rappelons quoi qu'il en soit qu'elles ne sont pas nocives pour la santé.
Lors des phases d'allumage et de refroidissement, le poèle pourrait se dilater et se contracter, par conséquent de légers craquements pourraient être perceptibles.
Ce phénomène est absolument normal puisque la structure est réalisée en acier laminé et ne pourra donc en aucun cas être considéré comme un défaut.
Il est essentiel de ne pas surchauffer le poêle durant le premier allumage et de veiller au contraire à le porter lentement à la température désirée. Utiliser (si en mode "Manuel") des puissances de chauffage basses (par ex. 1^ère - 2^ème - 3^ème ). Avec les allumages suivants, vous pourrez utiliser toute la puissance calorifique à disposition (par ex. 4^ème - 5^ème ) en n'oubliant pas de ne pas le laisser allumé à la puissance maximale pendant plus de 60-90 minutes.
De cette façon, vous éviterez d'endommager les carreaux en céramique, les soudures et la structure en acier.

Au moment du premier allumage, le poèle se trouve déjà en modalité "manuelle" : pendant la première période, il est conseillé d'utiliser uniquement des puissances de chauffage moyennes ou basses (de la première à la troisième).

Ne tentez pas dévaluer les performances de votre poèle dès le premier allumage!
Commencez par vous familiariser avec les commandes du tableau.
4.2. Controlle avant l'allumage
Vérifier si toutes les conditions de sécurité vues précédemment sont réunies.
S'assurer d'avoir lu et parfaitement compris le contenu de ce livre d'instructions.
Oter du foyer et de la porte du poèle tous les éléments qui pourraient brûler (instructions et étiquettes adhésives variées).
Contrôler que le pot de combustion A est placé correctement et bien posé sur la base.

Après une longue période d'inactivité, retirer du réservoir (à l'aide d'un aspirateur avec un long tuyau) les résidus de pellets accumulés depuis un certain temps, car ils pourraient avoir absorbé de l'humidité, ce qui modifierait leurs caractéristiques d'origine, et les rendre inadaptés à la combustion.
4.3. Chargement des pellets
Le chargement du combustible s'effectue par le dessus du poêle en ouvrant le volet. Verser le pellet dans le réservoir ; sa capacité à vide est d'environ un sac de 15 kg.
Pour faciliter l'opération, procéder en deux étapes :
- Verser la moitié du sac à l'intérieur du réservoir et attendre que le combustible se dépose sur le fond. Terminer l'opération en versant ensuite l'autre moitié.

Ne jamais retirer la grille de protection située à l'intérieur du réservoir. Lors du chargement des granulés, éviter que le sac ne touche les surfaces chaudes.
Ne pas verser un type de combustible différent du pellet dans le réservoir et non conforme aux spécifications données précédemment.


4.4. Conduit pour supplémentaire (accessoire)
Sur la partie arrière du poêle, à hauteur du réservoir à granulés de bois, est prévue une demi-plaque pour le raccordement à un conduit pour un réservoir supplémentaire (accessoire) externe par rapport au poêle. Pour ouvrir la demi-plaque, il suffit de rompre avec un marteau en caoutchouc la plaque prédécoupée.
Poser sur la structure la plaque du conduit de manière à ce que ce dernier soit tourné vers le haut. Fixer le conduit à la structure moyennant les 4 vis fournies avec l'accessoire.
4.5.1. Logique du tableau de commandes
Ci-dessous, nous reportons quelques informations utiles pour comprendre la logique de navigation et d'utilisation du tableau de commandes :
- La luminosité du tableau de commandes s’éteint après environ 30 secondes d’inactivité du clavier. Pour allumer de nouveau le rétro-éclairage, il suffit d’appuyer sur une touche quelconque du tableau.
- La première page-écran qui s'affiche visualise la condition de fonctionnement du poêle (ON, OFF, ALLUMAGE, EXTINCTION..) qui s'alterne à d'éventuelles configurations activées (CHRONO, SLEEP, AUTO ECO..)
- Si l'on appuie sur une quelconque des 4 touches autour de l'écran (C D E F), on entre dans la page-écran de configuration du fonctionnement du poêle (niveau de flamme, de ventilation, température de réglage, modalité manuelle ou automatique...). À ce niveau, les 4 touches autour de l'écran assument des fonctionnalités "dédiées", c'est-à-dire qu'elles font directement référence aux inscriptions correspondantes qui s'affichent aux 4 coins de l'écran (ex: l'inscription en haut à droite fait référence à la touche D).
- Quand je suis en train de modifier une configuration à n'importe quel niveau de menu et que je ne confirme pas la modification avec la touche "OK", si le clavier reste inactif pendant quelques secondes, la page-écran initiale s'affiche de nouveau automatiquement, les modifications ne sont pas sauvegardées. Si, à un niveau quelconque du menu, j'appuie brièvement sur la touche on/off (B), l'écran retourne automatiquement à la page-écran initiale (état de fonctionnement du poêle) sans sauvegarder d'éventuelles modifications avec la touche "OK".


Legende
A. Écran ; il donne une série d'informations sur le poèle, ainsi que le code d'identification des éventuelles anomalies de fonctionnement. B. Touche de marche et d'arrêt (ON/OFF) ou bien ESC (sortie du menu). C. Touche de besoin des programmes (page-écran suivante) D. Touche de besoin des programmes (page-écran suivante) E. Touche de besoin des programmes (page-écran suivante) F. Touche de besoin des programmes (page-écran suivante) G. Récepteur pour télécommande N. B. sur le tableau de commandes, il est possible de configurer la langue
4.6. Réglage à effectuer avant le premier allumage

Après avoir relié le câble d'alimentation à la partie postérieure du poêle, porter l'interrupteur, situé derrière, en position (I).
Le bouton lumineux de l'interrupteur s'allumera.
L'interrupteur placé à l'arrêt du poêle sert à mettre sous tension le système.
Le poêlé reste éteint et sur le tableau s'affiche une première page-écran avec l'inscription OFF, en appuyant sur une touche quelconque la page-écran s'affichera avec l'inscription MENU.
4.6.1. Réglage de l'heure et du jour en cours.
En appuyant sur la touche relative à MENU, l'inscription SET s'affichera.
Taper SET et s'affichera le programme pour la modification de :
heure
minutes
jour
numéro du jour
mois
année
Par exemple, si nous devons modifier l'heure, quand HEURE s'affiche sur l'écran, appuyer sur SET, l'heure commencera à clignoter au centre de l'écran, puis, avec les touches en bas à gauche ou à droite, je modifie l'heure et ensuite les minutes, le jour etc... etc... avec la même modalité et selon les nécessités. Toutes les modifications apportées doivent être confirmées en appuyant sur la touche OK sinon elles ne seront pas sauvegardées. La touche ESC permet de retourner à la page-écran précédente sans sauvegarder les modifications.

Si, pendant 10 secondes, le clavier du tableau de commandes reste inactif, on retourne à la page-écran de départ sans sauvegarder les modifications.
RéGLAGE DE L'HEURE

4.6.2. Configuration de la langue
À partir de la page-écran de départ, appuyer sur une touche quelconque et la page-écran s'affichera avec l'inscription MENU.
Appuyer sur la touche relative à MENU puis faire défiler avec les touches en bas à droite jusqu'à ce que s'affiche l'inscription SELECTION, appuyer sur SET et faire défiler de nouveau avec les touches jusqu'à ce que s'affiche l'inscription LANGUE, appuyer de nouveau sur SET et configurer la langue.
Par convention, les jours de la période sont indiqués par des sigles dérivant de la langue configurée sur le tableau : Dans le cas de la langue italienne (allemand/français/espagnol/portugais/danois/anglais):
LU → Lundi
MA Mardi
ME Mercredi
GI Jeudi
VE Vendredi
SA Samedi
DO Dimanche



4.6.3. Procédure pour définir le dosage
Sur le menu du tableau de commande, sous le menu des configurations apparaît le message "Recette". Cette fonction sert à augmenter ou diminuer le chargement des granulés de bois dans le réservoir et est représentée de la manière suivante :
- Pour augmenter : +1 +2 +3 correspondant à 5-10-15% en plus par rapport à la recette standard configurée par l'entreprise.
- Pour diminuer : -1 -2 -3 correspondant à 10-20-30% en moins par rapport à la recette standard configurée par l'entreprise.
4.7. Réglage de la temperature eau en chaudière
Le poêle est déjà configuré avec une série de paramètres standard qui en permettent le correct fonctionnement (température de l'eau 65°C et températureambiante 22°C). La température de l'eau apparait sur l'afficheur du tableau de commande en alternance à la températureambiante.
Si l'usager souhaite changer les paramètres relatifs à la température, il est possible de le faire de la manière suivante :
Les paramètres programmables sont les suivants :
T Ambiante
Dans la première page-écran avec l'inscription OFF, appuyer sur une touche quelconque et le message MENU s'affichera sur la page-écran. Moyennant le bouton en bas à gauche, on peut régler la température souhaitée dans le local.
TH2O = Température maximale de l'eau dans la chaudière. Une fois atteinte cette température, le poèle diminue ses prestations afin d'éviter les surchauffes. La température programmée de base est de 65°C et il n'est pas possible de la programmer au-dessous de 50°C ou au-dessus de 80°C.
Pour la régler : appuyer sur un bouton quelconque ; appuyer sur le bouton "MENU" ; moyennant les boutons de défilement visualiser la page-écran "CONFIGURATION TEMP. H2O" ; appuyer sur le bouton "CONFIGURATION" ; configurer la température souhaitée moyennant les boutons de défilement "< >" ; confirmer la température avec le bouton "OK".
4.8.1. Allumage/extinction à partir du tableau de commande
L'allumage et l'extinction du poêle s'effectuent en appuyant pendant 2 secondes sur la touche B du tableau de commande.
Après une phase de démarrage d'environ 15 minutes, le poêle entre en régime.
Après l'extinction du poêge par pression du bouton B sur le tableau de commande, commence la procédure de refroidissement qui comprend l'interruption du chargement de combustible, le nettoyage du pot de combustion et la poursuite de la ventilation jusqu'à ce que le poêge soit suffisamment froid; cette phase peut durer de 20 à 40 minutes selon le nombre d'heures pendant lesquelles le poêge est resté allumé et sa position.

4.8.2. Remarque sur le premier allumage

Le premier allumage pourrait ne pas réussir étant donné que la vis sans fin est vide et ne parvient pas toujours à charger la quantité de pellets nécessaire dans le pot de combustion à temps pour amorcer normalement la flamme.

En cas de vis sans fin, il est possible, moyennant le tableau de commande, d'activer le chargement manuel de la vis sans fin.

ANNULER LA CONDITION D'ALARME EN AGISSANT SUR LE TABLEAU DE COMMANDES (voir paragraphe 4.15).
RETIRER LES PELLETS RESTÉS DANS LE POT DE COMBUSTION ET RÉPÉTER L'ALLUMAGE.
Si après plusieurs tentatives d'allumage la flamme n'apparaît pas, même avec un afflux régulier de pellets, vérifier si la position du pot de combustion est correcte : il doit être posé en adhérant parfaitement sur l'espace d'emboitement et doit être dépouillé de cendres. Si après ce contrôle rien n'apparaît anormal, cela signifie que le problème pourrait être lié aux composants du poêle ou être imputable à une mauvaise installation.

ENLEVER LES GRANULES DE BOIS RESTÉS DANS LE POT DE COMBUSTION ET APPELER UN TECHNICIEN AGRÉE MCZ.

Chargement de la vis sans fin
4.9.1. Principe de fonctionnement
Le mode AUTOMATIQUE permet de configurer la température désirée dans la pièce où se trouve le poêle et règle automatiquement sa puissance, afin d'obtenir et de conserver la température. Cette modalité est signalée par l'inscription AUTO sur l'écran du tableau de commande.
Il est également possible d'utiliser une fonction avancée appelée AUTO-ECO qui sera successivement illustrée (par. 4.9.3.)

À chaque allumage, le poêle se met sur le mode de fonctionnement où il se trouvait au moment où il a été éteint la dernière fois.
4.9.2. Mode automatique
La modalité de fonctionnement AUTOMATIQUE permet de configurer une température à atteindre dans la pièce. Avec cette modalité de fonctionnement, le poèle varie automatiquement la puissance thermique distribuée de façon à maintenir la température programmée et pour qu'elle reste constante dans la pièce.
Lorsque la température souhaitée dans la pièce est atteinte, le poêle se porte graduellement sur la puissance minimale, alors que si la température de la pièce descend sous le seuil programmé, le poêle, toujours progressivement, se remet sur les puissances plus hautes pour chauffer.
La température du local est mise en évidence par le tableau de commandes à l'aide du relevé de la sonde placée à côté de l'interrupteur du poèle.
La sonde ambiance (B) est positionnée à l'arrière du poêle. Au cas où le tuyau de sortie des fumées serait à proximité, il est conseillé d'extraire la sonde ambiance de manière à ce que celle-ci soit d'environ 10 cm. De cette manière, elle ne ressentira pas la chaleur du tuyau et la température lui sera plus ou moins celle de la pièce.
On conseille de faire cette opération en phase d'installation car, avant d'extraire la sonde (B), il faut enlever le collier (C) qui la retient ; une opération possible en agissant de l'intérieur du poêle, donc sans les côts. Pour extraire la sonde (B), il faut dévisser le capuchon de protection (A) et tirer lentement la sonde (B). Après avoir suffisamment extrait la sonde (B), refermer le capuchon de protection (A). fig. 11

ATTENTION! Éviter qu'une fois que le collier qui retient le fil de la sonde a été enlevé, celle-ci n'entre en contact avec les parties chaudes du poêle.


Mode automatique
Figure 11 - Sonde ambiantе
4.9.2.2. Raccordement thermostat ambiant externe ou réservoir à accumulation
Il est possible de brancher le poêle à un thermostat externe. Pour ce raccordement, il est nécessaire d'utiliser l'interface D (fig. 12) insérée sur la carte mère (E) comme indiqué sur le schéma reporté ci-dessous et page 66 par. 7.
Figure 12 - Raccordement thermostat externe ou réservoir à accumulation
Pour le raccordement, il est nécessaire d'insérer les câbles du thermostat externe, indifféremment sur les bornes M et N de l'interface D. Ceux-ci doivent ensuite passer à travers le trou G (fig. 11 par. 4.9.2.1) prévu sur le fond du poêle. Le thermostat et les câbles relatifs sont à la charge de l'usager. On conseille l'installation par un technicien spécialisé.
Pour raccorder l'installation à un réservoir à accumulation de l'eau chaude, il est nécessaire, comme pour le thermostat ambient, de raccorder les câbles électriques du réservoir sur la borne à hauteur des points (M) et (N). On conseille l'installation par un technicien spécialisé.

Sur le tableau de commandes du poèle, une fois que l'on a branché le thermostat, la température détectée par la sonde continuera à s'afficher, mais dans ce cas, c'est la température programmée sur le thermostat qui fait autorité.
Figure 13 - Carte mère (intérieur du poêle)
A = CAPUCHON DE PROTECTION
B = SONDE (FIL)
C = COLLIER
L'activation du thermostat (on/off) sur le tableau de commande ou du réservoir à accumulation est possible en agissant sur menu, configurations, thermostat ou accumulation, option on/off comme reporté sur le schéma ci-dessous.

4.9.3. Mode automatique avec auto-eco
Cette modalité modifie le comportement du poèle en mode automatique : lorsque la température programmée par l'utilisateur est atteinte, le poèle module à la puissance 1 pendant un bref laps de temps puis s'éteint, si la température reste constante et supérieure à celle programmée. Le poèle ne se rallume automatiquement que lorsque la pièce/eau requiert de nouveau de la chaleur (pas avant l'écoulement de l'intervalle de temps nécessaire au refroidissement du poèle). Cette option n'est conseillée que lorsque le poèle fonctionne dans des milieux où la dispersion de chaleur est minime avec le temps.
Exemple de fonctionnement en mode auto-eco
Si la température ambience relevée par la sonde et mise en évidence sur le tableau de commande est de 15°C et la température programmée est 20°C, le poêle se porte (selon une rampe prédéterminée) sur la 5^ème puissance et une fois que la température de 20°C est atteinte, il module et s'éteint automatiquement de façon temporaire (STAND-BY).
Lorsque la température ambiente descend au-dessous de la valeur programmée sur le tableau de commandes (par ex. 18°C) et qu'un laps de temps d'arrêt suffisant s'est écoulé, le poèle se rallume en mode automatique et fonctionne jusqu'à atteindre de nouveau les 20°C. Si la température relevée par la sonde ambiente reste au-dessus de la valeur programmée sur le thermostat (par ex. 20 - 21°C) le poèle reste éteint.
Avec cette modalité, l'allumage peut être effectué par l'utilisateur en reprogrammant la température du thermostat à une valeur supérieure à celle de la pièce ou en éteignant le poèle, en maintenant la touche B enfoncée pendant quelques secondes après quoi, toujours en pressant cette touche, le poèle se rallumera.
Il n'est pas nécessaire de reprogrammer le mode "AUTO-ECO" car il reste en mémoire après la dernière utilisation.
4.9.3.1. Activation, désactivation modalité auto-eco
Cette modalité permet d'optimiser la consommation du poège lorsqu'il fonctionne dans des pièces bien isolées.
À partir de la télécommande, il n'est pas possible d'activer la fonction AUTO-ECO.
Quand cette option est activée, l'écran du tableau de commandes affichera l'inscription AUTO-ECO.
Dans la première page-écran avec l'inscription OFF, appuyer sur une touche quelconque et l'inscription MENU s'affichera sur la page-écran. Avec la touche en bas à droite, faire défiler jusqu'à ce que l'on trouve l'inscription SELECTION, appuyer sur la touche en haut à gauche relative à SET, faire défiler de nouveau avec la touche en bas à droite jusqu'à ce que s'affiche l'inscription AUTO-ECO. Sélectionner de nouveau SET en haut à droite et avec la touche en bas à droite ou à gauche, configurer OFF ou bien ON et appuyer sur OK pour sauvegarder la configuration. Si l'on retourne MAINTENANT au menu initial, on remarque que la configuration sur Mode est ECO, donc en agissant sur les touches en bas à gauche ou en bas à droite, il est possible de configurer respectivement la température et la vitesse des ventilateurs pour l'expulsion de l'air chaud.
Pour désactiver la fonction AUTO-ECO, suivre la même procédure.









4.10. Fonction SLEEP
Cette fonction sert à accélérer la sélection d'une extinction programmée, sans devoir programmer le CHRONO interne du poèle.
Pour expliquer avec simplicité la fonctionnalité SLEEP, il est possible de dire que celle-ci permet d'éteindre le poèle en partant d'un minimum de + 10 minutes par rapport à l'heure lue (exemple si il est 8h50, la première extinction peut avoir lieu dans 10 minutes et donc après 9h00) jusqu'à un maximum dans le cours de la journée de 23h50.
On précise que la modalité SLEEP peut être activée et apparait sur le display seulement quand le poèle est allumé, c'est-à-dire lorsque la touche B est appuyée et apparait l'écriture "ALLUMAGE".
Pour configurer la fonctionnalité, appuyer sur Menu avec la touche en haut à droite, ensuite la page-écran affiche l'inscription Date et Heure, enfin faire défiler avec la touche en bas à droite afin que s'affiche l'inscription Sleep, confirmer avec la touche Set. Avec la touche en bas à droite, configurer le temps d'arrêt.
L'inscription 00:00 s'affiche au centre de l'écran du tableau de commandes. Il est possible de choisir la quantité de temps en appuyant sur la touche en bas à droite ou à gauche selon si l'on souhaite augmenter ou diminuer le temps. Pour confirmer le choix, appuyer sur la touche relative à OK (en haut à droite). Sinon, avec ESC (en haut à gauche), on sort et on ne sauve aucune configuration.

Après avoir configuré le Sleep, sur la page-écran initiale s'alterne l'objet de fonctionnement du poêle (on/off) avec l'inscription sleep 14.50 (exemple).






4.11. Le CHRONO
Cette modalité de fonctionnement permet de programmer l'allumage et l'extinction du poêle en mode automatique.
Normalement, sur les poêles le mode PROGRAMMÉ est désactivé.
Les caractéristiques fondamentales du mode PROGRAMMÉ sont :
L'horloge Le jour en cours Le choix du programme hebdomadaire / journalier
4.11.1. Jour courant et horloge
Voir le paragraphe 4.5.1. pour apprendre à configurer le jour et l'heure.

La configuration du jour et de l'heure courants est fondamentale pour que le chrono puisse fonctionner correctement.
Configuration d'un programme hebdomadaire
Nous expliquons ci-après comment activer la fonction CHRONO en choisissant un programme hebdomadaire ou journalier :
Appuyer sur la touche Menu, faire défiler sur le menu la date et l'heure avec la touche relative jusqu'à ce que s'affiche l'inscription CHRONO. Appuyer ensuite sur la touche SET, de cette manière nous pouvons insérer un programme. Au centre de l'écran entre Esc et Ok s'affiche l'inscription P00, en faisant défiler avec les touches, il est possible de choisir entre 110 programmes hebdomadaires pré-configurés à l'intérieur du tableau de commandes du poêle.
Choisir en fonction des tableaux figurant au paragraphe 4.12., le programme qui convient le plus aux exigences de chauffage de votre habitation, puis mémoriser le numéro du programme sur l'écran du tableau de commandes, confirmer avec la touche OK.
Si aucun des 10 programmes pré-configurés ne répond aux exigences personnelles de chauffage, il est possible de construire un programme hebdomadaire personnalisé de votre choix (voir paragraphe suivant).

Si le clavier reste inactif pendant 10 secondes, l'écran du tableau de commandes quitte automatiquement la modalité de réglage CHRONO et confirme la dernière donnée saisie.
Pour confirmer le choix de CHRONO, il faut appuyer sur OK.

Attention!
La fonction CHRONO peut être activée/désactivée quand le poêle est allumée ou éteinte.
Si un programme Chrono a été activé, sur la page-écran initiale s'alternate l'état de fonctionnement du poêle (on/off/allumage....) avec l'inscription "CHRONO P01 actif" (exemple)







Configuration d'un programme personnalisé
Si aucun des programmes pré-configurés ne répond aux exigences de chauffage de votre intérieur, il est possible de désirer et de combiner différents programmes journaliers prévus dans la mémoire de la télécommande et de construire ainsi un programme hebdomadaire personnalisé.
Les programmes journaliers pouvant être sélectionnés sont 60 et vous pouvez désirer un programme différent pour chaque jour de la semaine.
Pour activer cette option, procéder comme décrit ci-dessus pour la configuration d'un programme hebdomadaire, sauf qu'au lieu de sélectionner l'un des programmes figurant dans le tableau des programmes hebdomadaires (de P01 à P10) vous devez sélectionner le programme USAGER.
Une fois que le programme USAGER a été sélectionné, appuyer sur SET et l'inscription Lu P00 (ou P00 clignote) s'affiche au centre de l'écran, tandis que, dans la partie inférieure, s'affiche l'inscription PERSONnalisé, en appuyant sur la touche relative (en bas à droite ou à gauche), il est possible de saisir la programmation quotidienne.
En faisant défiler avec la touche en bas à droite ou à gauche du tableau de commandes, il est possible de sélectionner le programme souhaité de 1 à 60, en consultant le tableau au par. 4.11.2
Une fois que le programme souhaité a été choisi pour le jour actif (ex. n°32 pour le jour LU = Lundi), appuyer sur la touche OK en haut à droite et l'écran affichera l'inscription Ma P00 (ou l'inscription P00 clignotera), continuer avec cette modalité de programmation jusqu'au jour Do = dimanche.
Si pour un jour de la période, vous ne souhaitez configurer chaque programme, sélectionner le programme 00 et continuer la programmation.

Si un programme Chrono est actif mais que l'utilisateur décide d'allumer/éteindre le poêle avant, la commande donnée par l'utilisateur est considérée plus importante que celle du Chrono et par conséquent, est effectuée. Naturellement, la commande du Chrono est ignorée.
Exemple : si le Chrono prévoit un allumage du poêle à 10 h mais qu'à 9 h l'utilisateur a froid et veut l'allumer avant, s'il presse la touche 5 le poêle s'allumera. À 10 h, le chrono, qui prévoyait un allumage, sera ignoré parce que le poêle est déjà allumé.

Remarque importante :
L'allumage du poèle requiert 10/15 minutes de temps.
Il faudra donc tenir compte de ces données pour programmer l'heure d'allumage du poêle. De la même façon, l'extinction du poêle requiert environ 30 minutes pendant lesquelles la chaleur accumulée continue à se libérer dans la pièce.
Tenir compte de cet intervalle de temps permet de réaliser une économie de combustible non négligeable.
4.11.3. Désactivation du CHRONO.
Pour désactiver le CHRONO, accéder de nouveau au menu de programmation avec la touche OFF.
4.12.1. Programmes hebdomadaires
Les programmes hebdomadaires choisis par MCZ et mémorisés sur le tableau de commandes du poèle ont été conçus pour satisfaire la plupart des utilisateurs qui ne se trouvent pas chez eux pendant les heures de travail (ouvriers, commerçants, employés, tours d'équipe, etc...) ainsi que des personnes qui restent chez elles pendant une grande partie de la journée (femmes au foyer, personnes âgées, etc...).
De plus, nous avons pensé à certains qui utilisent le poèle dans leur résidence secondaire, habitée seulement pendant les fins de semaine (par ex. maison à la montagne) et qui souhaitent trouver leur intérieur déjà chauffé à leur arrivée.
En revanche, pour ceux qui ont des exigences encore plus particulières et pour lesquels aucun des dix programmes hebdomadaires n'est satisfaisant, il est possible de personnaliser le programme
hebdomadaire en utilisant sept programmes différents pour chacun des jours de la semaine.
| Programmes hebdomadaires | Horaires |
| N° | Jours | 0.001.002.003.004.005.006.007.008.009.0010.0011.0012.0013.0014.0015.0016.0017.0018.0019.0020.0021.0022.0023.000.00 |
| P01 | Lun-Ven | | |
| Sam-Dim | | |
| P02 | Lun-Ven | | |
| Sam-Dim | | |
| P03 | Lun-Ven | | |
| Sam-Dim | | |
| P04 | Lun-Ven | | |
| Sam-Dim | | |
| P05 | Lun-Ven | | |
| Sam-Dim | | |
| P06 | Lun-Ven | | |
| Sam-Dim | | |
| P07 | Lun-Sam | | |
| Dim | | |
| P08 | Lun-Sam | | |
| Dim | | |
| P09 | Lun-Sam | | |
| Dim | | |
| P10 | Ven | | |
| Sam-Dim | | |
4.12.2. Programmes journaliers
| Programmesjournals | Horaires |
| \(N^o\) | 0.001.002.003.004.005.006.007.008.009.0010.0011.0012.0013.0014.0015.0016.0017.0018.0020.0021.0022.0023.000.00 |
| 00 | | | | | | | | | | | | | | | | | | | | | |
| 01 | | | | | | | | | | | | | | | | | | | | | |
| 02 | | | | | | | | | | | | | | | | | | | | | |
| 03 | | | | | | | | | | | | | | | | | | | | | |
| 04 | | | | | | | | | | | | | | | | | | | | | |
| 05 | | | | | | | | | | | | | | | | | | | | | |
| 06 | | | | | | | | | | | | | | | | | | | | | |
| 07 | | | | | | | | | | | | | | | | | | | | | |
| 08 | | | | | | | | | | | | | | | | | | | | | |
| 09 | | | | | | | | | | | | | | | | | | | | | |
| 10 | | | | | | | | | | | | | | | | | | | | | |
| 11 | | | | | | | | | | | | | | | | | | | | | |
| 12 | | | | | | | | | | | | | | | | | | | | | |
| 13 | | | | | | | | | | | | | | | | | | | | | |
| 14 | | | | | | | | | | | | | | | | | | | | | |
| 15 | | | | | | | | | | | | | | | | | | | | | |
| 16 | | | | | | | | | | | | | | | | | | | | | |
| 17 | | | | | | | | | | | | | | | | | | | | | |
| 18 | | | | | | | | | | | | | | | | | | | | | |
| 19 | | | | | | | | | | | | | | | | | | | | | |
| 20 | | | | | | | | | | | | | | | | | | | | | |
| 21 | | | | | | | | | | | | | | | | | | | | | |
| 22 | | | | | | | | | | | | | | | | | | | | | |
| 23 | | | | | | | | | | | | | | | | | | | | | |
| 24 | | | | | | | | | | | | | | | | | | | | | |
| 25 | | | | | | | | | | | | | | | | | | | | | |
| 26 | | | | | | | | | | | | | | | | | | | | | |
| 27 | | | | | | | | | | | | | | | | | | | | | |
| 28 | | | | | | | | | | | | | | | | | | | | | |
| 29 | | | | | | | | | | | | | | | | | | | | | |
| 30 | | | | | | | | | | | | | | | | | | | | | |
| 31 | | | | | | | | | | | | | | | | | | | | | |
| 32 | | | | | | | | | | | | | | | | | | | | | |
| 33 | | | | | | | | | | | | | | | | | | | | | |
| 34 | | | | | | | | | | | | | | | | | | | | | |
| 35 | | | | | | | | | | | | | | | | | | | | | |
| 36 | | | | | | | | | | | | | | | | | | | | | |
| 37 | | | | | | | | | | | | | | | | | | | | | |
| 38 | | | | | | | | | | | | | | | | | | | | | |
| 39 | | | | | | | | | | | | | | | | | | | | | |
| 40 | | | | | | | | | | | | | | | | | | | | | |
| 41 | | | | | | | | | | | | | | | | | | | | | |
| 42 | | | | | | | | | | | | | | | | | | | | | |
| 43 | | | | | | | | | | | | | | | | | | | | | |
| 44 | | | | | | | | | | | | | | | | | | | | | |
| 45 | | | | | | | | | | | | | | | | | | | | | |
| 46 | | | | | | | | | | | | | | | | | | | | | |
| 47 | | | | | | | | | | | | | | | | | | | | | |
| 48 | | | | | | | | | | | | | | | | | | | | | |
| 49 | | | | | | | | | | | | | | | | | | | | | |
| 50 | | | | | | | | | | | | | | | | | | | | | |
| 51 | | | | | | | | | | | | | | | | | | | | | |
| 52 | | | | | | | | | | | | | | | | | | | | | |
| 53 | | | | | | | | | | | | | | | | | | | | | |
| 54 | | | | | | | | | | | | | | | | | | | | | |
| 55 | | | | | | | | | | | | | | | | | | | | | |
| 56 | | | | | | | | | | | | | | | | | | | | | |
| 57 | | | | | | | | | | | | | | | | | | | | | |
| 58 | | | | | | | | | | | | | | | | | | | | | |
| 59 | | | | | | | | | | | | | | | | | | | | | |
| 60 | | | | | | | | | | | | | | | | | | | | | |
4.13.1. Configuration d'un programme journalier
Prenons pour exemple un utilisateur qui n'a pas d'horaires journaliers définis (profession libérale, etc...) mais qui sait plus ou moins qu'il sera chez lui pendant les jours et aux horaires suivants :
LUNDI → chez lui jusqu'à 10 h et à partir de 17 h - MARDI → chez lui jusqu'à 8 h et à partir de 14 h - MERCREDI → reste chez lui toute la journée et ne souhaite configurer aucun programme - JEUDI → reste chez lui toute la journée - VENDREDI → chez lui jusqu'à 9 h, de 12 h à 15 h et à partir de 18 h - SAMEDI → chez lui seulement à partir de 18 h - DIMANCHE → chez lui seulement à partir de 14 h
Sur la base de ces heures, nous choisirons dans le tableau illustré au paragraphe 4.12 les programmes journaliers qui conviennent le plus à cet emploi du temps.
LUNDI → Programme 20
MARDI → Programme 43
MERCREDI → Programme 00
JEUDI → Programme 13
VENDREDI → Programme 34
SAMEDI → Programme 10
DIMANCHE → Programme 08
Pour activer ce type de configuration personnalisée, suivre les indications du par. 4.11.2 page 48.
4.14. Dispositifs de sécurité
Le poêle est équipé des dispositifs de sécurité suivants :
SONDE Temperature fumées
Elle relève la température des fumées et fait partir ou arrêter le poèle lorsque la température des fumées descend au-dessous de la valeur programmée.
SONDE temperature du réservoir du combustible
Si la température dépasse la valeur de sécurité programmée, cette sonde interrompt immédiatement le fonctionnement du poèle et pour le faire redémarrer il sera nécessaire de réarmer manuellement la sonde mais seulement lorsque le poèle aura refroidi.
SONDE de temperature de la chaudière (ALARME A18)
Si la température de l'eau est proche de la température de blocage (95^), le poêle s'éteint.
SONDE de temperature de l'eau (ALARME A17)
Lorsque la température de l'eau atteint 80°C, le poèle commence à diminuer graduellement la puissance jusqu'à 85°C. Si les 85°C sont dépassés, une extinction de sécurité a lieu ; le poèle se rallume lorsqu'il atteint le juste refroidissement de la structure.
Sécurité électrique
Le poêle est protégé contre les brusques coupures d'électricité par un disjoncteur général placé sur le tableau de contrôle situé à l'arrière du poêle. Les fusibles de protection des cartes électroniques sont situés également au dos du poêle.
- Rupture ventilateur FUMEES
Si le ventilateur s'arrête, la carte électronique bloque immédiatement l'approvisionnement en pellets et un message d'alarme s'affiche.
Si le motoréducteur s'arrête, le poèle continue à fonctionner jusqu'à ce qu'il atteigne le niveau minimum de refroidissement.
Absence momentanée de courant électrique
Si pendant le fonctionnement du poêle, une coupure de courant électrique se vérifie, au rétablissement du courant le poêle se met en refroidissement puis se rallume automatiquement.
Allumage MANQUE
Si pendant la phase d'allumage aucune flamme n'apparaît, le poêle se met en position d'alarme.
Fonction antigel
Si la sonde introduite à l'intérieur de la chaudière relève une température de l'eau inférieure à 5°C, la pompe de circulation s'active automatiquement afin d'éviter la congestion de l'installation.
Fonction anti-blocage de la POMPE
En cas d'inactivité prolongée de la pompe, cette dernière s'active à intervalles périodiques pendant 1 minute toutes les 24 heures d'inactivité afin d'éviter qu'elle ne se bloque.


Il est interdit de manipuler les dispositifs de sécurité.
Il ne sera possible d’allumer le poêle qu’après avoir éliminé la cause qui a déclenché le système de sécurité et après avoir rétabli le fonctionnement automatique de la sonde. Pour comprendre la nature de l’anomalie survenue, consulter le présent manuel (paragraphe 4.17) qui explique comment intervenir en fonction du message d’alarme affiché.

Attention!
Si le poêle N'EST PAS UTILISÉ de la façon prescrite dans le présent livre d'instructions, le fabricant décline toute responsabilité en cas de dommages matériels et corporels. En outre, le constructeur décline toute responsabilité en cas de dommages causés aux personnes ou aux choses suite au non-respect de toutes les règles figurant dans ce manuel, et notamment :
- Adopter toutes les mesures et/ou les précautions nécessaires lors des travaux d'entretien, de maintenance, de nettoyage et de réparation.
- Ne pas manipuler les dispositifs de sécurité.
- Ne pas enlever les dispositifs de sécurité. Raccorder le poêle à un système de sortie de fumées efficace.
- Contrôler au préalable si la pièce où le poêle sera installé est aérée de façon adéquate.
4.15. Signalisation des alarmes
En cas d'anomalie de fonctionnement, le poèle entre dans la phase d'extinction et une alarme informe l'utilisateur sur le type de panne relevée au moyen d'un code à 3 chiffres qui reste affiché sur le tableau de commandes du poèle. (et une courte description du type d'alarme)
Le tableau qui suit énumère les alarmes éventuelles signalées par le poèle, avec le code y afférant qui apparaît sur le tableau de commandes, et les suggestions utiles pour résoudre le problème.
| MESSAGE SUR L'AFFICHEUR | TYPE DE PROBLÈME | SOLUTION |
| A01 | Allumage du feu non réussi | Contrôler le niveau de granulés dans le réservoirVérifier si le pot de combustion est bien posé dans sonlogement et s'il ne présente pas d'incrustations defumées;Vérifier si la bougie d'allumage chauffe. |
| A02 | Extinction anormale du feu | Dérive d'une extinction causée par une absence decombustible (réservoir vide). |
| A03 | La température du réservoir des granulés debois (pellets) dépasse le seuil de sécurité prévu.Surchauffe de la structure | La structure est trop chaude soit parce que le produit a fonctionné trop longtemps à la puissance maximale,soit parce qu'elle n'est pas suffisamment ventilée, soitparce que les ventilateurs de l'air sont en panne. Quandle poèle est suffisamment froid, agir sur la touche B du tableau de commandes ou sur OFF sur latélécommande pour annuler l'alarme A03. Une fois que l'on a annulé l'alarme, on peut rallumer régulièrementle poèle. |
| A04 | La température des fumées en sortie àdépasse certaines des limites de sécuritéprogrammées. | Le poèle s'éteint en mode automatique. Laisser refroidirle poèle pendant quelques minutes puis le rallumer.Contrôler l'évacuation des fumées et vérifier le type del pellet utilisé. |
| A06 | L'extracteur de fumées ne parvient pas àgarant l'air primaire nécessaire pour unebonne combustion. | Problèmes de tirage ou obstruction du pot decombustion.Vérifier si le pot de combustion est bouché par desincrustations et le nettoyer le cas échéant.Contrôler et s'il y a lieu nettoyer le conduit de fumée etl'entrée d'air. |
| A07 | Pendant le fonctionnement du poèle, il s'estproduit une entrée d'air non prévue dans lachambre de combustion ou une obstructiondans le conduit de fumées. | Causée par l'ouverture prolongée de la portedu foyer ou par une infiltration d'air non indifférente(ex. absence du clapet d'inspection du ventilateurde fumées) Si cela n'est pas dû à ces facteurs,contrôler et évientuellesment nettoyer le conduit dedumées et le conduit de cheminée. |
| A08 | Ventilateur fumées en panne | Si ce n'est pas suffisant, le ventilateur de fuméesest en panne. Appeler un centre d'assistanceagréé pour effectuer le remplacement. |
| A09 | Panne du capteur de fumées qui ne relève pascorrectement la température des fumées ensortingie | Contacter un centre d'assistance/agréé pour faireremplacer le composant. |
| A10 | La bougie ne fonctionne pas | Contacter un centre d'assistance agréé pour faireremplacer le composant. |
| A11 | Conduit alimentation pellet | Contacter un centre d'assistance agréé pour faireremplacer le composant. |
| A13 | Panne de la carte électronique | Contacter un centre d'assistance agréé pour faire remplaçer le composant. |
| A14 | Panne ou capteur air combustion | Cette alarme ne bloque pas, il s'affiche seulement une page-écran d'advertissement. Contacter un centre d'assistance agréé pour faire remplaçer le composant. |
| A17 | Température de l'eau trop élevé due à :
• Poèle puissance maximale, radiateurs fermés
• Surdimentionnement de l'installation ex. petite piece, poèle de grosse capacité | Cette alarme ne bloque pas et apparait seulement une page-écran d'advertissement. Contrôler que tous les radiateurs soient ouverts. Si l'alarme persiste, contacter un centre d'assistance agréé. |
| A18 | Température du réservoir de l'eau trop élevé | Cette alarme intervient si l'eau à l'intérieur de l'installation ne circule pas et la température augmente. Contrôler et évientuellesment débloquer la pompe. Si nécessaire, contacter un centre d'assistance pour le remplacement du composant. |
4.16. Sortie de la condition d'alarme
Au cas où une alarme se déclencherait, pour rétablir le fonctionnement normal du poêle, appuyer longuement sur la touche on/off. Après une brève phase de vérification, si la cause qui a provoqué l'alarme ne persiste pas, le poêle sort de la condition d'alarme et peut redémarrer.
4.16.1. Blocage du poêle
Les causes pouvant être à l'origine du blocage du poêle sont les suivantes :
- Surchauffe de la structure ("A03")
- Surchauffe des fumées ("A04")
- Pendant le fonctionnement du poêle, il s'est produite une entrée d'air non prévue dans la chambre de combustion ou une obstruction dans le conduit de fumées. ("A07")
- Surchauffe de la chaudière ("A18")
Lorsque le poèle est froid : si apparait l'indication "A03" :
La structure est trop chaude soit parce que le produit a fonctionné trop longtemps à la puissance maximale, soit parce qu'elle n'est pas suffisamment ventilée, soit parce que les ventilateurs de l'air sont en panne.
Quand le poèle est suffisamment froid, agir sur la touche B du tableau de commandes ou sur OFF sur la télécommande pour annuler l'alarme A03. Une fois que l'on a annulé l'alarme, on peut rallumer régulièrement le poèle.
Si l'alarme "A04" s'affiche, le poèle s'éteint en automatique, laisser refroidir pendant quelques minutes et puis rallumer. Annuler l'alarme et rallumer.
Si l'alarme "A07" s'affiche : elle est causée par l'ouverture prolongée de la porte du foyer ou par une infiltration d'air non indifférente (ex. absence du clapet d'inspection du ventilateur de fumées). Si cela n'est pas dû à ces facteurs, contrôler et éventuellement nettoyer le conduit de fumées et le conduit de cheminée.
Si apparait l'alarme "A18" : le poèle s'éteint à cause de la surchauffe de la chaudière. Ceci peut être dû à l'absence de circulation de l'eau (pompe bloquée ou en panne). Contrôler le correct fonctionnement de la pompe de circulation, puis annuler l'alarme et rallumer le poèle.
Ce n'est qu'après avoir définitivement éliminé la cause du blocage que le poêle pourra être rallumé.


Info ALARM A02
Extinction de la flamme






Esc
ALARM
A02
Remplir le réservoir de pellet



Exemple : Alarme sur l'écran du tableau de commandes

Attention!
Toutes les opérations de nettoyage des différentes parties du poèle doivent être effectuées lorsque le poèle est complètement froid et que la prise électrique est débranchée.
Le poêle ne requiert que peu d'entretien lorsqu'il est utilisé avec des granulés de bois homologues et de qualité.
Exemple de pot à combustion propre
5.1.1. Avant chaque allumage
Nettoyer le pot de combustion "F" avec l'outil prévu à cet effet pour éliminer la cendre et les éventuelles incrustations qui pourraient obstruer les orifices prévus pour le passage de l'air.
Dans le cas d’épuisement du pellet dans le réservoir, du pellet imbrûlé pourrait s’accumuler dans le pot de combustion. Vider toujours le pot de combustion des résidus avant tout allumage.

Pour un nettoyage efficace du pot de combustion, l'extraire complètement de son logement et nettoyer à fond tous les trous et la grille placée sur le fond, à l'aide de l'instrument en acier fourni de série avec le poêle.
Exemple de pot de combustion sale
5.1.2. Contrôle tous les 2/3 jours
Nettoyer et vider le tiroir à cendres en faisant attention à la cendre chaude.
N'utiliser un aspirateur pour éliminer les cendres que si celles-ci sont complètement froides. Dans ce cas, utiliser un aspirateur pouvant éliminer des particules d'une certaine dimension, type "aspirateur bidon".
Votre expérience et la qualité du pellet détermineront la fréquence des nettoyages nécessaires à votre poêle.
Quoi qu'il en soit, il est recommandé de nettoyer le poêle au moins tous les 2 ou 3 jours.
Une fois l'opération terminée, replacer le tiroir à cendres sous le pot de combustion, en ayant soin de bien le positionner.
Compartiment de récolte des cendres
5.1.3. Nettoyage de la vitre
Pour le nettoyage de la vitre en vitrocéramique, il est conseillé d'utiliser un pinceau sec ou, si elle est juste sale, de vaporiser une petite quantité de produit détergent spécifique que vous essuierez ensuite avec un chiffon doux.

Attention!
Ne pas utiliser de produits abrasifs et ne pas vaporiser le produit pour le nettoyage du verre sur les parties laquées et sur les joints de la porte du foyer (cordon en fibre de céramique)
Nettoyage de la vitre
5.1.4. Nettoyage du filtre à air
Dans la partie inférieure du poèle, au niveau du tuyau d'entrée de l'air combustible, 05 cm, se trouve un filtre de l'air à grille métallique qui sert à éviter l'entrée d'impuretés à l'intérieur du corps moteur et du capteur interne.
Il est conseillé de contrôler la propreté du filtre tous les 15/20 jours. S'il y a lieu, enlever les peluches ou le matériel qui se seraient déposés sur le filtre.
Le contrôle et l'éventuel nettoyage doit être intensifié lorsque des animaux domestiques circulent dans l'habitation.
Pour le nettoyage, il suffit de dévisser le pommeau qui bloque le filtre sur le tuyau d'aspiration d'air et de retirer le filtre en agissant dans le sens indiqué par la flèche. Pour le nettoyer, utiliser un pinceau ou un chiffon humide ou de l'air comprimé.
Démontage du filtre à air pour le nettoyage

Le filtre est fabriqué en grillage métallique et s'avèreouple et déformable au toucher, c'est pourquoi, lors des opérations de nettoyage, veillez à ne pas l'écraser ou le déformer. En cas de rupture, il faudra le remplacer.

Attention!
Ne jamais faire fonctionner le poêle sans filtre à air. MCZ ne répond pas des éventuels dommages causés aux composants internes en cas de non-respect de cette prescription.
5.1.5. Nettoyage de l'échangeur de chaleur
Le nettoyage de l'échangeur de chaleur et du faisceau tubulaire est une opération très importante pour toujours maintenir un rendement élevé et les prestations de chauffage du poêle déclarées par MCZ.
Tous les 30 jours et lorsque le poêle est froid, nettoyer les parois internes du foyer en acier, surtout le fond, avec le grattoir fourni, afin d'éliminer les incrustations causées par la suie.
Les incrustations font fonction d'isolant et plus elles sont épaisses, moins la chaleur se transmet à l'eau et à la structure en général.
Tous les 7 jours et lorsque le poèle est froid, nettoyer l'échangeur interne. Pour effectuer cette opération, il suffit de :
- Activer la fonction "NETTOYAGE" – agir sur le tableau de commande, sélectionner Menu avec la touche en haut à droite (D), avec la touche en bas à droite (C) sélectionner Configurations, taper Set (Touche D) et faire défiler le menu avec les touches C et F jusqu'à couvrir le message "NETTOYAGE", appuyer sur OK (TOUCHE D) et activer ON – cette procédure active les ventilateurs qui permettent l'expulsion des fumées sur le conduit de conduit. (fig.15).
- Retirer le dessus.
- À l'aide de la main froide fournie, passer les tiges situées sous le dessus du haut vers le bas 5-6 fois afin d'éliminer la suie qui s'est déposée sur les tuyaux (A).
- Extraire la tige escamotable à l'aide de la main froide, tirer et pousser 5-6 fois la tige (B). (voir figure 14)
Figure 14 - Nettoyage du faisceau tubulaire interne moyennant des grattoirs


Figure 15 - Fonction "Nettoyage"

Un nettoyage constant du faisceau tubulaire évite l'incrustation de celui-ci et prévient l'encrassement et le blocage du dispositif de nettoyage.
5.1.6. Nettoyage des surfaces en inox et satinées
Normalement, il n'est pas nécessaire de traiter des surfaces et éviter de les nettoyer avec des matériaux abrasifs. Pour les surfaces en acier inox et satinées, il est conseillé d'utiliser un chiffon papier ou un chiffon sec et propre imbibé d'un détergent à base de tensioactifs non ioniques (< 5%). Un détergent en bombe pour vitres et miroirs conviendra également.
5.1.7. Nettoyage des parties laquées
Éviter de nettoyer les parties laquées lorsque le produit est en marche ou chaud, avec des chiffons imbibés d'eau afin d'éviter le choc thermique de la peinture qui se détacherait par la suite. Ne pas utiliser de produits ou de matériaux abrasifs ou agressifs.
Les nettoyer avec un chiffon en papier ou avec du coton humide.

Les peintures siliconiques utilisées pour peindre les produits MCZ ont des propriétés techniques de première qualité qui en permettent la résistance à de très hautes températures.
Il existe cependant une limite physique (380^ - 400^) au-delà de laquelle la peinture perd ses caractéristiques et commence à "blanchir" ou bien (au-delà de ) "se vitrifie" et peut s'effeuiller de la surface en acier.
Si de tels effets se produisent, cela signifie qu'ont été atteintes des températures bien au-delà de celles avec lesquelles le produit devrait fonctionner.
5.2.1. Nettoyage de l'échangeur de chaleur et du faisceau tubulaire
Au milieu de l'hiver mais surtout à la fin, il est nécessaire de nettoyer le compartiment où passent les fumées évacuées.
Ce nettoyage doit obligatoirement être fait de façon à faciliter l’élimination générale de tous les résidus de la combustion, avant que le temps et l’humidité ne les compactent et qu’ils ne deviennent difficiles à enlever.
Nettoyage de l'échangeur et du faisceau tubulaire : nettoyage du compartiment supérieur
Une fois le poêle refroidi, retirer le dessus, démonter les céramiques/côtés comme indiqué au Par. 3.3., en dévissant les vis de fixation relatives. Retirer d'abord les entraînements "B", puis le couvercle de la chaudière "C". Extraire maintenant les turbulateurs "D" et moyennant une tige rigide ou un écouvillon, nettoyer le faisceau tubulaire interne et les turbulateurs en éliminant toute la cendre accumulée.
Contrôler le joint du couvercle et si nécessaire le replacer.
Nettoyage du compartiment inférieur
Enlever le tiroir à cendres "G", dévisser les vis et enlever l'embout "E" et avec l'embout de l'aspirateur, éliminer la cendre et la suie accumulée dans l'échangeur "H". Enlever aussi le pot de combustion "F" et le nettoyer tous les 2/3 jours comme expliqué au chap. 5.1. Fig. 16
Il serait conseillé d'effectuer le nettoyage de l'échangeur à la fin de la saison et, si possible, par un technicien agréé MCZ afin de pouvoir aussi replacer les joints qui se trouvent sous l'embout "C" et "E"
Pour toute information, s'adresser à un ramoneur.

ATTENTION : Pour votre sécurité, la fréquence du nettoyage du système d'évacuation des fumées devra être déterminée en fonction du mode d'utilisation du poêle.
Figure 16 - Nettoyage du faisceau tubulaire, des turbulateurs et du compartiment inférieur
Contrôler l'étanchéité du joint sur le bouchon et si nécessaire le remplaçer.
Contrôler l'étanchéité du joint de la porte et si nécessaire le remplaçer.
En fin de saison, il est nécessaire de nettoyer le compartiment situé sous le pot de combustion et l'intérieur de l'échangeur de chaleur.
Ce nettoyage général doit être effectué en fin de saison de manière à faciliter l'élimination générale de tous les résidus de combustion, sans trop tarder car avec le temps et l'humidité ces résidus pourraient se compacter.
5.2.2. Mise hors service (fin de saison)
Durant la période d'inactivité, débrancher le poêle. Pour plus de sécurité et notamment en présence d'enfants, il est recommandé de débrancher le câble d'alimentation situé à l'arrière du poêle. Fig. 31 (Figure 17)
En fin de saison, il est conseillé de vider complètement le réservoir des granulés de bois à l'aide d'un aspirateur muni d'un tube long car si le combustible reste à l'intérieur du poêle, il peut absorber l'humidité, s'empaqueter et rendre difficile l'allumage du poêle au moment de la mise en service la saison suivante.
Si vous déplacez le poèle de son lieu d'installation, il faudra l'entreposer dans un lieu à l'abri des intempéries.
Si en appuyant sur l'interrupteur général situé au dos du poêle, l'afficheur du tableau de commande ne s'éclaire pas, il faudra probabilité remplacer le fusible de service.
Figure 17 - Débrancher le poêle

Attention!
Débrancher le câble d'alimentation.
Vous trouverez un compartiment porte-fusibles situé sous la prise électrique. Ouvrez le couvercle du porte-fusibles sous la prise électrique à l'aide d'un tournevis et replacez les fusibles si nécessaire (3,15 AT retardé). Figure 18
Rebrancher la prise électrique et appuyer sur l'interrupteur général.
Si le problème persiste ou si le fusible a sauté une nouvelle fois, s'adresser au revendeur agréé MCZ.
Figure 18 - Interrupteur avec compartiment pour fusibles

Attention!
Le contrôle des composants électriques et mécaniques internes devra être effectué exclusivement par un personnel qualifié et spécialisé dans ce domaine. Informez-vous auprès des revendeurs agrées MCZ pour connaître les techniciens les plus proches de chez vous.
Il est recommandé d'effectuer cet entretien périodique (en stipulant un contrat d'assistance technique programme par exemple) qui consiste en un contrôle visuel et un contrôle du fonctionnement des composants suivants :
Moteur réducteur - Ventilateur expulsion fumées - Sonde fumées - Ventilateur échangeur - Bougie allumage - Thermostat à réarmement granulés de bois - Sonde ambiance - Carte mère/Carte services - Fusibles de protection - Tableau de commande - Carte mère - Carte services - Câblage
Les interventions de contrôle et/ou d'entretien indispensables pour un fonctionnement correct de votre poêle sont résumées ci-dessous :
| Parti / periodo | Ogni giorno | Ogni 2-3 giorni | Ogni 30 giorni | Ogni 60-90 giorni | Ogni 1 anno |
| Pot de combustion | ● | | | | |
| Tiroir à cendres | | ● | | | |
| Vitre | | ● | | | |
| Échangeur inf. | | | ● | | |
| Échangeur complet | | | | ● | |
| Conduit de fumées | | | ● | | |
| Joint porte Tiroir à cendres | | | | ● | |
| Parties internes | | | | | ● |
| Conduit de fumée | | | | | ● |
| Pompe circulation | | | | | ● |
| Échangeur à plaques | | | | | ● |
| Composants hydrauliques | | | | | ● |
| Composants électro-mécanique | | | | | ● |

Attention :
Toutes les réparations doivent être effectuées exclusivement par un technicien spécialisé, lorsque le poèle est éteint et que la prise électrique est débranchée.
| PROBLÉMES | CAUSES POSSIBLES | SOLUTIONS |
| Les pellets ne sont pas introduits dans la chimbre de combustion. | Le réservoir des granulés de bois est vide.La vis sans fin est bloquée par de la scirure.Panne du motoréducteurCarte électronique défectueuse. | Remplir le réservoir à pelletsVider le réservoir et débarrasser manuellement la vis sans de la scirure.Remplacer le motoréducteurRemplacer la carte électronique. |
| Le feu s'éteint ou le poèle s'arrête automatiquement. | Le réservoir à pellets est vide.Les pellets e sont pas introduits.La sonde de sécurité de température des pellets s'est déclenchée.La port n'est pas parfaitement fermée ou les joints sont usés.Les pellets ne sont pas appropriés.Faible arrivée de pellets.Chambre de combustion sale.Sortie de fumées obstruée.Le moteur extraction fumées est endommagé. | Remplir le réservoir de pellets.Voir solution précédente.Laisser le poèle refroidir complètement, rétablier le thermostat jusqu'à ce que le bloc s'éteigne et rallumer le poèle; si le problème persististe, s'adresser au service d'assistance technique.Fermer la porte ou faire remplaquer les joints par des joints d'origine.Changer de type de pellets enCHOISIGANT une catégorie préconisée par le fabricant.Faire contrôle l'arrivée du combustible par le service d'assistance technique.Nettoyer la chamble de combustion en suivant les instructions du livre.Faire ramoner le conduit de fumée.Controlle le moteur et le remplaçerc'il y a lieu. |
| Le poèle fonctionné quelques minutes puis s'éteint. | La phase d'allumage n'est pas terminée.Absence momentanée de courant électrique.Conduit de fumée obstrué.Sonde de température défectueuse ou en panne.Bougie endommagée. | Répéter la phase d'allumage.Voir instruction précédente.Ramoner le conduit de cheminée.Vérifier et remplacer la sonde.Controlle la bougie et la remplaçerc'il y a lieu. |
| Les pellets s'accumulent dans le pot de combustion, la vitre de la porte se salit et la flamme est faible. | Manque d'air de combustion.Pellets humides ou inadaptés.Moteur d'aspiration fumées en panne. | Vérifier si la prise d'air ambiant existe et est dégagée.Controler si le filtré de l'air comburantitué sur le tuyau de Ø 5 cm de l'amnéedair est bouché.Nettoyer le pot de combustion et contrôle si tous les orifices sont libres.Effectuer un nettoyage général de la chamble de combustion et ramoner le conduit de cheminée.Vérifier l'état des joints de la portec.Hanger le type de granulés de bois.Controler le moteur et le remplaçerc'il y a lieu. |
| Le moteur d'aspiration des fumées ne fonctionne pas. | • Le poèle ne recoit pas de courant électrique.
• Le moteur est en panne
• La carte électronique est défectueuse.
• Le tableau de commande ne fonctionne pas. | • Vérifier la tension du secteur d'alimentation et le fusible de protection.
• Vérifier le moteur et le condensateur et les replacer s'il y a lieu.
• Remplacer la carte électrique.
• Remplacer le tableau de commande. |
| Le ventilateur de l'air de convection ne s'accêté jamais. | • La sonde thermique du contrôle de la température est défectueuse ou endommagée.
• Ventilateur endommagé | • Vérifier le fonctionnement de la sonde et, évientuelles, la replacer.
• Vérifier le fonctionnement du moteur et le replacer s'il y a lieu. |
| La télécommande ne fonctionne pas. (si elle a été achetée/option) | • Pile de la télécommande usée.
• Télécommande endommagée. | • Remplacer la pile
• Remplacer la télécommande. |
| En mode automatique, le poèle fonctionné toujours à la puissance maximale. | • Thermostat d'ambiance sur la position maximale
• La sonde de détction température est endommagée.
• Tableau de commande défectueux ou ne fonctionnant pas. | • Régler de nouveau la température du thermostat.
• Vérifier la sonde et évientuelles, la replacer.
• Vérifier le tableau de commande et, évientuelles, le replacer. |
| Le poèle ne démarre pas. | • Absence de courant électrique.
• Sonde à pellets bloquée.
• Fusible endommagé. | • Contrôr si la prise électrique est branchée et si l'interrupteur général est sur la position "I".
• Débloquer la sonde en agissant sur le thermostat postérieur. Si cela se produit de nouveau, replacer le thermostat.
• Remplacer le fusible. |
| Le poèle ne s'allume pas | • Contrôr la propretu du pot de combustion
• Contrôr le positionnement du pot de combustion
• Contrôr que la bougie chauffe
• Évacuation ou conduit de fumée obstrué. | • Éliminer, sur le pot de combustion, d'eventuels encrasements ou résidus de pellet imbrûés.
• Remettre en place le pot de combustion dans son logement.
• Vérification et évientuel remplacement.
• Nettoyer la sortie des fumées et/ou ramoner le conduit de fumée. |
Problemes liés à l'installation hydraulique
| PROBLÉMES | CAUSES POSSIBLES | SOLUTIONS |
| Absence d'augmentation de température avec poèle fonctionnant | 1. Mauvais réglage de la combustion.2. Chaudière / installation sales.3. Puisance poèle insuffisant.4. Type de granulés de bois de mauvaise qualité | 1. Contrôle dosage et paramètres.2. Contrôler et nettoyer la chaudière.3. Contrôler que le poèle soit proportionné à la demande de l'installation.4. Utilisation de granulés de bois MCZ |
| Condensation dans la chaudière | 1. Mauvais réglage de la température.
2. Consommation combustible insuffisant. | 1. Régler le poèle à une température plus élevé
2. Contrôle du dosage et/ou paramètres techniques |
| Radiateurs froids en hiver | 1. Thermostat ambient (local ou à distance) régle trop bas. Si thermostat à distance contrôle s'il est défectueux.
2. Le circulator ne tourne parce que bloqué.
3. Le circulator ne tourne pas.
4. Radiateurs avec air à l'intérieur | 1. Le régler à une température plus élevé, évientuèlement le replacer. (si à distance)
2. Débloquer le circulator en enlevant le bouchon et faire tourner l'arbre avec un tournevis.
3. Contrôler les connexions électriques de celui-ci, évientuèlement le replacer.
4. Purger les radiateurs |
| Variabilité élevé de température de l'eau Sanitaire | 1. Débit d'eau trop bas | 1. Augmenter le début de l'eau (minimum 3 l par minute) |
| Trop peu d'eau Sanitaire sort | 1. Pression insuffisante de l'eau dans le réseau
2. Robinet ou mélangeur obstrués par le calcaire
3. Groupe eau obstrué | 1. Contrôler le réglage de la vanne réductrice de pression.
2. Installer un réservoir autoclave
3. Contrôler et nettoyer
4. Nettoyer et replacer l'échangeur à plaques |
| L'eau chaude ne sort pas | 1. Circulateur (pompe) bloqué | 1. Débloquer le circulateur (pompe) |

Attention!
Les opérations soulignées en italique doivent être effectuées exclusivement par un personnel agréé MCZ.
Le fabricant décline toute responsabilité et annule la garantie au cas où cette condition ne serait pas respectée.


Legende des cablages CARTE MERE
- Tableau de commandes
- Sonde ambiente
- Sonde fumées
- Connexion modem
- Interrupteur
- Bougie
- Ventilateur d'expulsion de fumées
- Motoreducteur
- Protecteur thermique de la température de l'eau
- Protecteur thermique de la température du réservoir
- Contrôle de tours du ventilateur d'expulsion des fumées
- Capteur débit d'air
- Interface du thermostat externe ou du réservoir à accumulation
- Sonde température eau
- Pompe
N. B. Les câblages électriques de chaque composant sont munis de connecteurs pré-câblés dont la mesure varie pour chacun.
MCZ SPA
Via Guglielmo Oberdan n° 86