MODE D'EMPLOI ATHOS HYDRO MCZ
1.3.1. Limites de garantie 8
1.3.2. Exclusions 9
2. NOTIONS THEORIQUES POUR L'INSTALLATION 10
2.1. LES GRANULES DE BOIS (pellets) 10
2.2. LIEU D'INSTALLATION 12
2.3. PRECAUTIONS 13
2.4. RACCORDEMENT A LA PRISE D'AIR FRAIS EXTERIEURE 13
2.5. RACCORDEMENT AU TUYAU DE SORTIE DE FUMÉES 14
2.6. RACCORDEMENT AU CONDUIT DE FUMEE 15
2.7. RACCORDEMENT À UN CONDUIT EXTERIEUR PAR TUYAU CALORIFUGÉ OU A DOUBLE PAROI. 15
2.8. RACCORDEMENT AU CONDUIT DE FUMEE OU AU TUYAU DE SORTIE DE FUMEES 15
2.9. ANOMALIES DE FONCTIONNEMENT LIÉES AU MAUVAIS TIRAGE DU CONDUIT DE FUMEE 16
2.10. RACCORDEMENT HYDRAULIQUE 17
3. INSTALLATION ET MONTAGE 18
3.1. SCHEMAS et CARACTERISTIQUES TECHNIQUES 18
3.1.1. Dimensions POLAR-NOVA version HYDRO sans kit pour la production d'eau sanitaire 18
3.1.2. Dimensions POLAR-NOVA version HYDRO sans kit pour la production d'eau sanitaire 18
3.1.3. Dimensions ATHOS version HYDRO 19
3.1.4. CHARACTERISTIQUES TECHNIQUES 19
3.2. PREPARATION ET DÉBALLAGE 21
3.3. MONTAGE DE L'HABILLAGE EN CERAMIQUE POUR POLAR ET NOVA 22
3.3.1. Montage du panneau supérieur : 22
3.3.2. Montage du panneau inférieur 22
3.3.3. Montage des carreaux lateraux 22
3.3.4. Demontage des cotes du poèle ATHOS 23
3.3.5. Montage du dessus supérieur en céramique 24
3.4. RACCORDEMENT INSTALLATION HYDRAULIQUE 24
3.4.1. Raccordement à l'installation 26
3.4.2. Remplissage de l'installation 26
3.4.3. Caracteristiques de I'eau 26
3.5. SCHEMAS EXPLICATIFS D'INSTALLATION 27
3.5.1. Schéma installation chauffage 28
3.5.2. Schéma installation chauffage avec kit eau sanitaire (POLAR-NOVA) 28
3.5.3. Schéma installation associé à chaudière extérieure (POLAR-NOVA) 29
3.5.4. Schéma installation chauffage associé à un chauffe-eau (POLAR-NOVA-ATHOS) 29
3.5.5. Schéma installation associé à une accumulation (POLAR-NOVA-ATHOS) 30
3.6. OUVERTURE/FERMETURE DE LA PORTE DU POÉLE ATHOS 30
3.7. BRANCHEMENT ELECTRIQUE 30
4. FONCTIONNEMENT 31
4.1. RECOMMANDATIONS AVANT L'ALLUMAGE 31
4.2. CONTROLLE AVANT ALLUMAGE 32
4.3. CHARGEMENT DES GRANULES DE BOIS 32
4.4. TABLEAU DE COMMANDE 32
4.5. RÉGLAGES À EFFECTUER AVANT LE PREMIER ALLUMAGE 33
4.5.1. RÉGLAGE DE L'HEURE ACTUELLE 33
4.6. CHOIX DU DOSAGE 33
4.6.1. OPÉRATIONS POUR DÉTERMINER LE DOSAGE : 33
4.6.1.1. Identification du type de granulés de bois 34
4.6.2. Procedure pour définir le dosage 34
4.6.3. Mémoriser le dosage sur le poèle. 34
4.7. RÉGLAGE DE LA TEMPERATURE EAU EN CHAUDIÈRE 35
4.8. PREMIER ALLUMAGE 35
4.8.1. Allumage poèle 35
4.8.2. Extinction poèle 36
4.9. ASPECT DE LA FLAMME 36
4.9.1. La forme 37
4.9.2. La couleur 37
4.9.3. Le caractère 37
4.10. FONCTIONNEMENT 37
4.10.1. Principe de fonctionnement 37
4.10.2. Modalité de fonctionnement 38
4.10.2.1. Thermostat interieur - Position de la sonde ambiente interieure 39
4.10.2.2. Fonctionnement avec thermostat extérieur 39
4.10.2.3. Branchement du thermostat extérieur 39
4.10.3. Configuration de la modalité ECO-STOP 40
4.10.3.1. Activation/Désactivation modalité ECO-STOP 41
4.10.3.2. OPÉRATION À CHARGE DE L'INSTALAL TEUR 41
4.10.4. Mode programme (avec chrono). 42
4.10.4.1. Jour initial (sigle sur I'afficheur : UT 01) 42
4.10.4.2. Horloge (sigle sur I'afficheur: UT 02 et UT 03) 43
4.10.4.3. Programme 43
4.11. EXAMPLE DE PROGRAMMATION 46
4.12. MESURES DE SECURITE 48
4.12.1. Signalisation des alarmes 50
4.12.2. Autres messages sur l'afficheur 50
4.12.3. Blocage du poèle 51
4.12.3.1. Thermostat à bulbe de la chaudière 51
4.12.3.2. Thermostat de sécurité du réserve des granulés de bois 51
4.12.3.3. Evacuation des fumées 52
4.12.3.4. Pression à l'intérieur del l'installation 52
4.13. EXTINCTION DU POÉLE 52
4.14. KIT PRODUCTION EAU SANITAIRE (Option) Uniquement pour poèles POLAR-NOVA 53
5. ENTRETIEN ET NETTOYAGE DU POÉLE 54
5.1. NETTOYAGES INCOMBANT A L'UTILISATEUR 54
5.1.1. Nettoyage avant chaque allumage 54
5.1.2. Contrôle tous les 2/3 jours 54
5.1.3. Nettoyage de la vitre 54
5.1.4. Nettoyage de I'échangeur de chaleur et du faisceau tubulaire 55
5.1.5. Nettoyage des surfaces en inox et satinées 55
5.1.6. Nettoyage des parties laquées 55
5.2. NETTOYAGES INCOMBANT A UN TECHNICIEN SPECIALISE 56
5.2.1. Nettoyage de I'echangeur de chaleur 56
5.2.2. Mise hors service (fin de saison) 56
5.3. CONTROLLE DES COMPOSANTS INTERNES 57
Nous tenons à vous remercier pour la préférence que vous avez accordée aux produits MCZ.
Et plus particulièrement pour avoir choisi un poèle de la ligne Pellet MCZ ; nous sommes convaçus qu'au fur et à mesure de son utilisation vous en apprécierez la qualité, fruit de projets d'avant-garde et de tests rigoureux. Notre objectif est d'unir la complexité technologique à la simplicité d'utilisation et, surtout, à la sécurité.
Pour un fonctionnement optimal de votre poèle et pour pouvoir profiter pleinement de la chaleur et du bien-être offerts par les flames, nous vous conseillons de dire attentivement cette notice d'instructions avant d'effectuer la première mise en marche.
Dès que vous aurez acquis les notions de base, vous pourrez:gérer au mêux les différents niveaux de puissance et les différentes programmations possibles, tout en adoptant les précautions nécessaires pour le nettoyage et la configuration.
Nous vous félicitons encore de votrechoix et nous vous rappelons que le poèle à granulés de bois NE DOIT JAMAIS est utilisé par des enfants et que ces derniers devront toujours se trouver à une distance de sécurité.
Mise à jour du livre
Dans le but d'améliorer constamment ce produit, le constructeur se réserves le droit d'apporter sans prévis toutes les modifications qu'il jugera utiles à la mise à jour de ce manuel.
Toute reproduction, même partielle, de ce manuel sans l'autorisation du Fabricant est rigoureusement interdite.
Conservation du manuel
- Prenez soit de ce manuel et conservez-le à portée de main dans un endroit facilement accessible.
- En cas de perte ou de destruction de ce manuel, ou bien s'il se trouvait en très mauvais état, demandez une copie à votre revendeur ou directement au Fabricant en spécifique bien les références du modele concerné.
- Les paragraphs fondamentaux ou requérant une attention particulière sont imprimés en caractère gras.
- "Les caractères en italique" s'utilisent pour inviter l'utilisateur à regarder les figures explicatives ci-contre ou à contrôle d'autres sections du manuel qui peuvent approfondir l'explication.
- NOTE : la “NOTE” fournit au lecteur des informations supplémentaires concernant l'argument.
Les symboles suivants signalent des messages spécifique que vous rencontres dans cette notice d'instructions.
| ! | ATTENTION :
Ce symbole d'advertissement qui apparaîtra maintes fois dans cette notice souligne la nécessité de dire attentivement le passage auquel il se rapporte et l'importance de bien le comprendre car la non observation des indications prescrites risque d'entrainer de sérieux dommages au poège et de compromètre la sécurité l'utilisateur. |
| i | INFORMATIONS :
Ce symbole met l'accent sur les informations considérées comme importantes pour le bon fonctionnement de votre poège. La non-observation de ce qui est prescrit peut compromètre l'utilisation du poège et son fonctionnement sera insatisfaisant. |
| SEQUENCES OPÉRATIONNELLES :
Ce symbole indique une série de touches à presser pour accéder au menu ou pour effectuer des réglages. |
| VISUALISER LES MESSAGES :
Ce symbole invite le lecteur à dire les messages visuaisés sur l'afficheur du tableau de commande. |
- L'installation, les raccordements électrique et hydraulique, la vérification du fonctionnement et la maintenance devront être effectuels EXCLUSIVEMENT par un personnel qualifié et/agréé.
- Installer le poèle suivant les normes en vigueur dans la région ou le pays où le poèle sera installé.
- Pour un usage correct du poèle et de ses systèmes électroniques, de même que pour prévenir tout accident, observez scrupuleusement les indications reportées dans la presente notice.
- L'utilisation, le réglage et la programmation du poèle doivent être effectuels par desadultes. Toute erreur ou programmation erronée peut favoriser des situations dangereuses et/ou un mauvais fonctionnement.
- Avant toute opération, l'utilisateur ou la personne s'apprétant à intervenir sur le poèle devra avoir lu et compris tout le contenu de cette notice d'instructions.
- Le poèle doit être exclusivement destiné à l'usage pour lequel il a été consu. Toute autre utilisation doit être considérée impropre et donc dangereuse.
- Ne pas monter sur le poèle et ne pas l'utiliser comme plan d'appui.
- Ne pasmettre de linge à sécher sur le poèle. Les séchoirs et autres accessoires similaires doivent être placés à bonnde distance du poèle-Danger d'incendie
- En cas d'utilisation impropre du produit, la responsabilité retombe entièrement sur l'utilisateur final et dégage la société MCZ de toute responsabilité civile et pénale.
- Toute manipulation du poèle et tout remplacement non autorisé de pieces détaches d'origine peut comprometer la sécurité de l'opérateur et dégage la société MCZ de toute responsabilité civile et PENALE.
- La plupart des surfaces du poèle sont très chaudes (porte, poignée, vitre, tuyaux de sorties de fumées, etc.) Il faut par conséquent éviter de toucher ces parties sans être protégé de manière ajustate par des vêtements ou des accessoires prévus à cet effet tels que des gants thermiques ou des systèmes d'actionnement type "main froide".
- Expliquer scrupuleusement ces dangers aux personnes âgées, aux handicapés et plus particulièrement aux enfants, en veillant toujours à ce qu'ils ne s'approchant pas du poèle allumé.
- Il est interdit de faire fonctionner le poèle avec la porte ouverte ou la vente brisée.
-
Ne pas toucher le poèle avec les mains humides puisqu'il s'agit d'un apparéil électrique. Débrancher toujours le cable d'alimentation avant d'intervenir sur l' apparéil.
-
Avant d'effectuer toute opération de nettoyage ou de maintenance, couper préalablement l'alimentation électrique du poèle en agissant sur l'interrupteur général situé au dos de celui-ci ou en débranchant le cable électrique qui l'almente.
- Le poèle doit être branché à une installation munie d'un disjoncteur et d'une prise de terre tel que prévu par les normes 73/23 CEE et 93/98 CEE.
- L'installation doit être proportionnée à la puissance électrique déclarée du poële.
- Une installation erronée ou un mauvais entretien (c'est-à-dire non conformes aux prescriptions de cette notice) peuvent procurer des dommages matériels et corporels aux personnes, aux animaux et aux choses, auquel cas la société MCZ décline toute responsabilité civile ou pénale.
1.2. RECOMMANDATIONS OPÉRATIONNELLES

- Éteindre le poèle en cas de panne ou de mauvais fonctionnement.
- Ne jamais verser les granulés de bois à la main dans le brûleur.
- Les granulés de bois imbrûls qui se sont accumulés dans le brûleur suite à de nombreux "allumages manqués" doivent être enlevés avant d'effectuer un nouvel allumage.
- Ne pas laver l'intérieur du poèle avec de l'eau.
- Ne pas nettoyer le poèle avec de l'eau. L'eau pourrait s'infiltrer à l'intérieur du poèle, déteriorer les éléments d'isolation électrique et provoquer des chocs electromiques.
- Ne pas exposer votre corps à l'air chaud trop longtemps. NeCHAuffer pas trop la piece ou vous séjournez et où est installé le poèle. Ceci pourrait alterer les conditions physiques et provoquer des problèmes de santé.
- Ne pas exposer les plantes et les animaux directement au flux d'air chaud. Ceci pourrait provoquer des effets nocifs sur les plantes et les animaux.
- Ne rien verser d'autre que des granulés de bois dans le réservoir du poèle.
- Installer le poèle dans des pieces ajustées aux mesures anti-incendie, équipées de tous les raccordements aux différents réseaux d'alimentation (air et électricité) et d'évacuation des fumées.
- Le poèle et son habillage en céramique doit être entreprises dans un lieu sec à l'abri des intempérières.
- Il est recommandé de ne pas poser le corps du poèle directement sur le sol; si le sol est composé de matérieliaux inflammables, une isolation ajustate devra être prévue.
- En cas de panne du système d'allumage, ne pas tenter d'allumer le poèle avec des matériaux inflammables.

- Pour tout problème, s'adresser au revendeur ou à un personnel qualifié et/agree par MCZ. Pour les réparations, toujours exiger des pieces détachées d'origine.
Utiliser exclusivement le combustible préconise par MCZ (pour l'Italie, seulement des granulés de bois de 6 mm de diamètre ; pour les autres pays européens, des granulés de bois de 6-8 mm de diamètre) et seulement pour les modeles équipés du système d'alimentation automatique.
- Contrôler et faire ramoner périodiquement les conduits de sorties de fumées (raccordement au conduit de fumée).
- Les granulés de bois imbrûés qui se sont accumulés dans le brûleur suite à de nombreux "allumages manqués doivent être enlevés avant d'effectuer un nouvel allumage.
- Le poèle à granulés de bois n'est pas un apparéil de cuisson.
- Toujours veiller à ce que le couvercle du réservoir des granulés soit bien fermé.
- Conserver avec soin la presente notice d'instructions puisqu'elle devra accompagner le poèle pendant toute sa durée de vie. Si vous nevez le vendre ou le transporter chez une autre personne, veiller à ce que la notice accompagne toujours le produit.
- En cas de perte, demandez-en un autre exemplaire à votre revendeur/agréé ou à la société MCZ.
1.3. CONDITIONS DE GARANTIE

La société MCZ garantit ce produit, à l'exclusion des éléments sujets à une usure normale comme reporté cédessous, pour une durée de deux ans à compter de la date d'achat du poèle, à condition que le certificat de garantie soit validé par une piece justificative contenant le nom du revendeur et la date de vente, que ledit certificat de garantie dûment rempli soit expédié dans les 8 jours et que le poèle soit installé et testé par un technicien/agree et suivant les instructions précises reportées dans la notice d'instructions.
On entend par garantie l'échange ou la réparation gratuite de parties ou de pieces d'origine reconnues défectueuses pour vice de fabrication.
1.3.1. Limites de garantie
La garantie ne couvre pas les composants électriques et électroniques ni les ventilateurs pour lesquels la période de garantie est fixée à 1 an à compter de la date d'achat juste comme indiqué ci-dessus. La garantie ne couvre pas les parties sujettes à une usure normale telles que les : joints, vitre et toutes les parties amovibles du foyer.
Les pièces remplacées seront couvertes pendant toute la période de garantie restante.
1.3.2. Exclusions
Les variations de couleur sur les parties peintes, laquées et en céramique de même que les craquelures de la céramique ne peuvent enaucun cas faire l'objet d'une réclamation, s'agissant-la de caractéristiques naturelles inherentes aux matériaux et à l'utilisation du produit.
La garantie ne couvre pas les parties qui s'avertent défectueuses suite à négligence, mauvaise maintenance ou installation non conforme aux prescriptions de la société MCZ (voir les chapitres correspondants dans ce manuel d'instructions).
La société MCZ décline toute responsabilité pour les dommages matériels et corporels éventuelles causes, directement ou indirectement, aux personnes, aux animaux ou aux choses suite à la non observation des prescriptions reportées dans cette notice et, plus particulièrement de celles qui concernent les directives relatives à l'installation, l'utilisation et la maintenance du poèle.
En cas de mauvais fonctionnement du poèle, adressez-vous à votre revendeur et/ou à l'importateur de votre région.
Les dommages causés par le transport et/ou par des manoeuvres de déplacement du poèle sont exclus de la garantie.
Pour ce qui concerne l'installation et l'utilisation du poèle, se reférer exclusivement à la notice d'instructions fourni avec le poèle.
La garantie ne couvre pas les dommages occasionnés par des manipulations de l'appareil, par des agents atmosphériques, des calamités naturelles, des décharges électriques, l'incendie, des défauts de l'installation électrique ou une maintenance incorrecte ou inexistante par rapport aux instructions du constructeur.

DEMANDE D'INTERVENTION
La demande d'intervention devra estre faite au revendeur qui fera suivre l'appeu au service d'assistance technique MCZ.
LA SOCIÉTÉ MCZ DÉCLARE QUE LE POÉLE ACHÉTE EST CONFORME AUX DIRECTIVES CEE 89/336 et 72/23 et SUCESSIFS AMENDEMENTS.

La société MCZ décline toute responsabilité en cas d'utilisation impropre ou de modifications du poèle et de ses accessoires, non préalablement autorisées.
Pour tout remplacement de pieces détachées, n'utiliser que des pieces détachées d'origine MCZ.
2. NOTIONS THEORIQUES POUR L'INSTALLATION
2.1. LES GRANULES DE BOIS (pellets)
Les granulés de bois dérivent du compactage et du tréfilage des sciures de bois séché naturellement (sans vernis) produit par l'industrie de transformation du bois (scieries et menuiseries). La densité de ce matériel est due à la lignine contenue dans le bois même, grâce à laquelle la production des granulés de bois ne requiert pas l'emploi de colles ou d'agents de liaison.
Le marché offre différents types de granulés de bois représentant des caractéristiques qui varient en fonction des mélanges d'essences de bois utilisés. Le calibre des granulés de bois varie de 6 à 8 mm pour une longueur standard comprise entre 5 et 30 mm. Les granulés de bois de bonne qualité possède une densité variant de 550 kg/m2 à plus de 700 kg/m2 avec une humidité sur poids brut du granulé variant de 5 à 8%.
Afin de garantir les valeurs de consommation hora déclarées et d'optimiser la puissance de combustion des poêles à granulés de bois, MCZ a mis au point un système breveté qui permet d'identifier et de cataloguer n'importe quel type de granulés de bois de 6 à 8 mm de diamètre, en fonction de leur poids spécifique et de leur grosseur.
Avec le système spécial PelletBox® et en suivant la procédure expliquée au paragraphe "Allumage", on déterminera le réglage le plus approprié pour configurer le poèle.
Non seulement les granulés de bois sont un combustible écologique, dans la mesure où il recycle au maximum les résidus de bois pour fournir une combustion plus propre que celle obtenue à partir des combustibles fossiles, mais il présente également plusieurs avantages techniques. Si la puissance calorifique d'un bon bois de chauffage est de 4,4 kW/kg (avec 15% d'humidité, soit après 18 mois de séchage environ), celle des granulés de bois est de 5,3 kW/kg.
Pour garantir une bonne combustion, les granulés de bois doivent nécessairement être conservés à l'abri de l'humidité et des salissures. Les granulés de bois sont généralement distribués en sacs de 15 kg et sont par conséquent très facies à stocker.
Des granulés de bois de bonne qualité assurent une excellente combustion tout en réduisant l'émission de gaz nocifs dans l'atmosphère.

Plus la qualité du combustible est médiocre, plus fréquence sera la nécessité de nettoyer le pot de combustion et la,chambre de combustion.
Les granulés de bois doivent être fabriqués exclusivement avec des essences de bois n'ayant subi notamment traitement chimique.
Les normes DIN 51731 et ONORM M 7135 homologuent des granulés de bois de bonne qualité qui possèdent les caractéristiques suivantes :

Figure 1 - Combustible granulés de bois

Figure 2 - Doseur Pellet-Box

Figure 3 - Sac de combustible de 15Kg
✓ Pouvoir calorifique : 5.3 Kw/kg
Densité:700kg/mc
Capacité eau: 8 % max. du poids
Pourcentage de cendres : 1% max. du poids
√ Diametre:6-6.5mm
Longueur:max.30mm
Capacité : 100% bois non traité et sans aucun ajust de substances liantes (pourcentage d'écorce : 5% max.).
Emballage : sacs réalisés avec un matériel ecologique et biodégradable

La société MCZ commande vivement d'utiliser un combustible homologué pour l'utilisation de ses poêles.
L'emploi de granulés de bois de qualité médiocre ou non conforme à ce qui a été précédemment indiqué compromet le fonctionnement de votre poèle et par conséquent pourrait annuler la garantie et la responsabilité de la société MCZ en ce qui concerne le produit.
Les poëles à granulés de bois MCZ fonctionnent exclusively avec des granulés de bois de 6 mm de diamètre (seulement en Italie) et de 6-8 mm de diamètre (dans les autres pays européens) ayant une longueur variant de 5 à 30 mm maximum.
2.2. LIEU D'INSTALLATION
Pour un correct fonctionnement du poèle et pour une bonne distribution de la chaleur, l'unité doit être installée dans un endroit où l'air nécessaire à la combustion des granulés de bois peut arriver (disponible d'environ 40~m^3 /h ) conformément à la norme pour l'installation, ainsi qu'aux normes nationales en vigueur.
Le volume de la pièce ne doit pas être inférieur à 30 m³.
L'air doit arriver à travers des ouvertures permanentes pratiquées dans les murs (à proximé du poèle) qui donnent sur l'extérieur, avec une section minimale de 100~cm^2
Ces aménées d'air doivent être réalisées de manière à ne subir aucune obstruction.
L'air peut également être prélevé dans des pieces adjacentes à celles que l'on désireventiler à condition que celles-ci soient dotées d'une prise d'air extérieure et qu'elles ne soient utilisées ni comme,chambre à coucher ni comme salle de bains ou qu'il n'existe aucun risque d'incendie comme par exemple dans le cas de garage, remise de bois ou dépôt de matériaux inflammables, et ceci dans le respect des prescriptions des normes en vigueur.

Figure 4 - Exemple d'installation d'un poele Polar

L'installation du poèle dans les chambres à coucher, les salles de bains ou dans une piece équipée d'un autre appeareil de chauffage (cheminée, poèle, etc.) sans arrivée d'air indépendante est interdite.
Il est interdit dinstaller le poèle dans une piece dont l'atmosphère est explosive.
Le sol de la pièce où sera installé le poèle doit être aménaged de façon ajustate pour pouvoir supporter la charge au sol de celui-ci.
Si les murs ne sont pas de nature inflammable, installer le poèle en laissant un espace d'au moins 10 cm entre le mur et le dos du poèle.
En cas de murs de nature inflammable, laisser un espace minimum de 20 cm entre le mur et le dos du poèle, de 50 cm sur le côté et de 150 cm devant. mais en présence d'objets particulièrement délicats tels que meubles, rideaux, canapés augmenter considérablement ces distances.

En cas de sol en bois (parquet) prévoir une plaque de sol conforme aux normes en vigueur pour le protégger.

Figure 5 - Exemple d'installation d'un poele Polar
2.3. PRECAUTIONS

IMPORTANT!
L'installation et le montage du poèle doivent être effectuels par un personnel qualifié.
L'installation du poèle doit être effectue dans un lieu ajustat permettant les normales opérations d'ouverture et d'entretien ordinaire.
La piece doit :
- être adaptée aux conditions environnantes de fonctionnement
- être équipée d'un réseau d'alimentation électrique à 230 50 Hz (EN73-23)
disposer d'un système approprié pour l'évacuation des fumées
- être dotée d'une aération extérieure
- être équipée de disjoncteur et de mise à la terre conformes aux normes UE
Le poèle doit être raccordé à un conduit de fumée ou à un conduit vertical interieur ou extérieur, conformément aux normes en vigueur.
Le poèle doit être installé de sorte que la prise électrique soit accessible.

IMPORTANT!
Le poèle doit être raccordé à un conduit de fumée ou un conduit vertical pouvant evacuer les fumées au point le plus haut de l'habitation.
Les fumées dérivent de la combustion du bois et poursaient donc salir les murs si elles sortent trop après ceux-ci.
Par ailleurs, ces fumées étant presque invisibles et très chaudes, leur contact peut provoquer des brûlures.
Avant d'insteller le poèle, prévoir une ouverture dans le mur pour le passage du tuyau de sortie de fumées et une autre ouverture pour la prise d'air frais extérieur.
2.4. RACCORDEMENT À LA PRISE D'AIR FRAIS EXTÉRIEURE
Il est indispensable qu'une quantité d'air frais au moins égale à celle requise par la normale combustion des granulés de bois ainsi que l'air nécessaire à la ventilation puisent arrivert dans la piece où le poèle est installé. Cette aération peut être réalisée aussi bien au moyen d'ouvertures permanentes pratiquées dans les murs de la piece qui donnent sur l'extérieur qu'au moyen de conduits de ventilation individuels ou collectifs.
Dans ce but, pratiquer une ouverture ayant une section libre de 100 cm² minimum dans la paroi extérieur à proximé du poèle (ouverture de 12 cm de diamètre ou de 10x10cm de section), protégée par une grille aussi bien à l'intérieur qu'à l'extérieur.
La prise d'air doit également :
- communiquer directement avec la piece où le poèle est installé.
- être protégée par une grille métallique ou une protection ajustée à condition que celle-ci n'en réduise pas la section minimale
- être installée de manière à ne pas pouvoir s'obstruer.

Il n'est pas obligatoire de raccarder directement l'entrée d'air au poèle (directement avec l'extérieur) mais une arrivée d'air d'environ 50 m3/h devra être garantie dans la piece. Voir la norme en vigueur

Figure 6 -Grille pour prise d'air
2.5. RACCORDEMENT AU TUYAU DE SORTTE DE FUMÉES
Pendant la réalisation de l'ouverture pour le passage du tuyau d'évacuation des fumées, il faudra nécessairement tenir compte de l'eventuelle présence de matériaux inflammables. Si l'ouverture est pratiquée dans une paroi en bois ou réalisée avec un matériel thermolabile, l'INSTALLATEUR DEVRA d'abord utiliser le raccord mural prévu à cet effet (Ø 13 cm minimum) puis isoler de façon ajusté le tuyau du poèle qui traverse cette paroi, en utilisant des matériaux isolants appropriés (ep. 1.3 — 5 cm ayant une conductibilité thermique de 0.07 W/m ^ K min.).
Ceci est également valable au cas où le tube du poèle aurait des tronçons verticaux ou horizontally toujours à proximé (min. 20 cm) de la paroi thermolabile.
Comme solution alternative, il est conseilé d'utiliser un tuyau industriel calorifugé que vous pourrez utiliser également à l'extérieur pour éviter les condensations.
La chambre de combustion fonctionne en dépression. Le conduit de sortie de fumées sera en dépression à condition qu'il soit raccordé à un conduit de fumée efficace comme déjà prescrit.

Figure 7 - Arrière du poèle POLAR /NOVA

N'utiliser que des tuyaux et des raccords munis de joints garantissant une étanchéité absolue.

Toutes les traversées du conduit de fumée doivent être équipés d'une trappe de visite amovible permettant d'effectuer un nettoyage périodique de l'intérieur (raccord en "T" avec trappe de visite).
Installer le poèle en tenant compte de toutes les prescriptions et de tous les averissements formulés jusqu'à.

IMPORTANT!
Tout changement de direction à 90^ du conduit d'évacuation des fumées doit être réalisé avec des raccords en "T" spéciaux, équipés de trappe de visite. (Voir chap. "Accessoires pour poële à granulés de bois").
Il est formellement interdit d'appliquer une grille à l'extrémité du tuyau d'évacuation car cette-ci pourrait ALTERER le bon fonctionnement de votre poèle.
POUR LE RACCORDEMENT AU CONDUIT DE FUMEE, NE PAS UTILISER PLUS DE 2-3 m DE TUYAU HORIZONTAL ET NE PAS EMPLOYER PLUS DE 3 COUDES A 90^
NOUS VOUS CONSEILLONS EN OUTRE DE NE PAS DÉPASSER 6 m LINEAIRES DE TUYAU DE Ø 80 mm

LES PRODUITS DE LA COMBUSTION DOIVENT ETRE ÉVACUÉS DIRECTEMENT SUR LE TOIT ET LE CONDUIT DE FUMÉE DOIT RESPECTER LES CARACTERISTIQUES SPECIFIQUES PRÉVUES PAR LA LOI ET PAR LES NORMES EN VIGUEUR (UNI 10683)

Figure 8 - Exemple d'installation du poèle POLAR /NOVA
2.6. RACCORDEMENT AU CONDUIT DE FUMÉE
Le conduit de fumée doit avoir des dimensions interieures ne dépassant pas 20 × 20 cm ou 20 ~cm de diamètre ; en cas de dimensions supérieures ou d'un conduit de fumée en mauvais état (par ex. fissures, faible isolation, etc.), il est conseilé d'insérer dans le conduit de fumée un tubage en acier inox d'un diamètre ajustat sur toute la hauteur du conduit. Figure 9
Vérifier, au moyen d'instruments appropriés, que le tirage est de 10 Pa. minimum. Prévoir une trappe de visite à la base du conduit de fumée pour pouvoir effectuer les contrôles périodiques et le ramonage qui doit être exécuté une fois par an. Assurer l'étanchéité du raccordement au conduit de fumée en utilisant les raccords et les tuyaux que nous préconisons. Contrer imperativement qu'une cheminée anti-refoulement a été installée sur le toit, conformément aux normes en vigueur.


Ce type de raccordement assure l'évacuation des fumées même en cas de coupure d'électricité.
2.7. RACCORDEMENT À UN CONDUIT EXTERIEUR PAR TUYAU CALORIFUGÉ OU A DOUBLE PAROI.
Les dimensions minimales internes du conduit extérieur doivent etre de 10X10 cm de section ou de 10 cm de diametre et les dimensions maximales de 20× 20 cm de section ou 20cm de diametre.
Vérifier, au moyen d'instruments appropriés, que le tirage correspond à 10 Pa minimum. Figure 10
N'utiliser que des tuyaux calorifugés (à double paroi) en acier inox lisses à l'intérieur (il est interdirit d'utiliser des tuyaux inox flexibles) et fixés au mur.
Prévoir une trappe de visite à la base du conduit vertical extérieur pour pouvoir effectuer les contrôles périodiques et le ramonage qui devra être exécuté une fois par an. Assurer l'étanchéité du raccordement au conduit de fumée en utilisant les raccords et les tuyaux que nous préconisons. Contröler impérativement qu'une cheminée anti-refoulement a été installée sur le toit, conformément aux normes en vigueur.


Ce type de raccordement assure l'évacuation des fumées même en cas de coupure d'électricité.
2.8. RACCORDEMENT AU CONDUIT DE FUMÉE OU AU TUYAU DE SORTIE DE FUMÉES
Pour garantir un bon fonctionnement, le raccordement entre le poèle et le conduit de fumée ou le tuyau de sortie de fumées doit partager une inclinaison non inférieure à 3% , le tronçon horizontal ne doit pas être supérieur à 2/3 m de long et le tronçon vertical ne doit pas être inférieur à 1,5 m de long, mesure d'un raccord en T à l'autre (changement de direction).
Vérifier, avec les instruments appropriés que le tirage correspond à 10 Pa. minimum. Figure 11
Prévoir une trappe de visite à la base du conduit de fumée pour pouvoir effectuer les contrôles périodiques et le ramonage qui devra être effectué une fois par an.

Assurer l'étanchéité du raccordement au conduit de fumée en utilisant les raccords et les tuyaux que nous préconisons.
Contrer impératifement qu'une cheminée anti-refoulement a été installée sur le toit, conformément aux normes en vigueur.

Ce type de raccordement assure l'évacuation des fumées même en cas de coupure d'électricité.
2.9. ANOMALIES DE FONCTIONNEMENT LIÉES AU MAUVAIS TIRAGE DU CONDUIT DE FUMÉE
Parmi les différents facteurs météorologiques et géographiques qui intervennent sur le fonctionnement d'un conduit de fumée (plue, brumes, neige, altitude, périodes d'enseillement, orientation, etc.) le vent est certainement le plus déterminant d'entre eux. En effet, à part la dépression thermique induite par la différence de température existant entre l'intérieur et l'estérieur du conduit de fumée, il existe un autre type de dépression (ou surpression): la pression dynamique induite par les vents dominants. Un vent ascendant a toujours pour effet d'augmenter la dépression et par conséquent, le tirage. Un vent horizontal augmente la dépression si la sortie de toit est bien installée. Un vent descendant a toujours pour effet de diminuer la dépression et quelquefois de l'inverser.
Ex. Vent descendant de 45^ de 8m/sec. Suppression de17 Pa



Outre la direction et la force du vent, la position du conduit de fumée et de la sortie de toit, par rapport au toit de la maison et au paysage environnant, est également importante.
Le vent influence le fonctionnement de la cheminée même indirectement en créant des zones de surpression ou de dépression autre que à l'extérieur, même à l'intérieur des maisons. Dans les pieces directement exposées au vent (2) peut se creator une surpression interieure qui peut favoriser le tirage de poèles et de cheminées, mais qui peut être contrastée par la surpression extérieure si la sortie de toit est placée du côte exposé au vent (1). Au contraire, lorsque les locaux sont situés dans la direction opposée à celle du vent (3), une dépression dynamique entrant en concurrence avec la dépression thermique naturelle développée par le conduit de cheminée peut se produit, mais elle peut être compensée (quelquefois) en plaçant le conduit de fumée du côte opposé à la direction du vent (4).

1-2 = Zones de supression
3-4 = Zone de dépression

IMPORTANT!
La conformité et la position adoptées pour le conduit de fumée influencent particulièrement le fonctionnement du poèle à granulés de bois.
Des conditions précaires ne pourront être résolues que par un réglage ajustat de votre poèle, effectué par un personnel/agréé MCZ.
2.10. RACCORDEMENT HYDRAULIQUE

IMPORTANT!
Le raccordement du poèle à l'installation hydraulique doit être EXCLUSIVEMENT effectué par un personnel spécialisé, qui peut effectuer l'installation conformément et en respectant les dispositions de loi en vigueur dans le pays d'installation.
Si l'installation du poèle prévoit l'interaction avec une autre installation pré-existante comprenant un autre appeareil de chauffage (chaudière à gaz, chaudière à gaz naturel, chaudière à gasoil,etc.), il est vivement recommendé d'avoir recours à un personnel qualifié qui pourrait répondre de la conformité de l'installation, selon ce qui est prévu par la loi en vigueur en la matière.
La société MCZ décline toute responsabilité en cas de dommages matériels et corporels ou en cas de panne ou de mauvais fonctionnement, au cas où ne seraient pas respectées les recommendations indiquées cédessus.
Pour le raccordement de l'installation hydraulique au poèle se reférer au chapitre 3 INSTALLATION ET MONTAGE et plus précisé au paragraphe numéro 3.4 RACCORDEMENT INSTALLATION HYDRAULIQUE
3. INSTALLATION ET MONTAGE
3.1. SCHEMAS et CARACTERISTIQUES TECHNIQUES
3.1.1. Dimensions POLAR-NOVA version HYDRO sans kit pour la production d'eau sanitaire

3.1.2. Dimensions POLAR-NOVA version HYDRO sans kit pour la production d'eau sanitaire

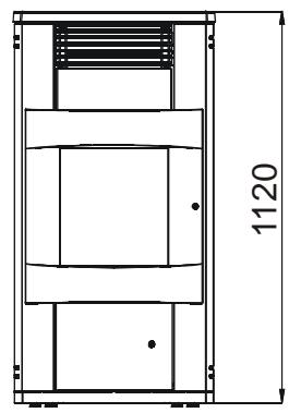
3.1.3. Dimensions ATHOS version HYDRO




3.1.4. CARACTERISTIQUES TECHNIQUES
| Caracteristique techniques | Athos Hydro |
| Puisance calorifique totale Max. | 14,0 kw (12040 kcal) / 10.5 kw (8600 kcal)*** |
| Puisance calorifique totale Min. | 3.8 kw (3268 kcal) / 2.3 kw (1978 kcal)*** |
| Rendement au Max. | 92 % |
| Rendement au Min. | 93 % |
| Température des fumées en sortie au Max. | 190 °C |
| Température des fumées en sortie au Min. | 90 °C |
| CO à 13 % O2 au min. et au max. | 0.055 – 0.019% |
| CO2 au min. et au max. | 5.5% – 11.9% |
| Masse des fumées au min. et au max. | 7.3 – 13 g/sec |
| Tirage minimal à la puissance Max. | 0,12 mbar – 12 Pa |
| Tirage minimal à la puissance Min. | 0,10 mbar – 10 Pa |
| Capacité du réservoir | 52 l |
| Type de combustible pellet | Pellet diam. 6-8 mm. Longueur 5/30 mm |
| Consummation horaire pellet | Min ~ 0,8 kg/h * Max. ~ 3 kg/h * |
| Autonomie | Au min ~ 43 h * Au max. ~ 12 h * |
| Volume de chauffe (m3) | 301/40 – 344/35 – 401/30 ** |
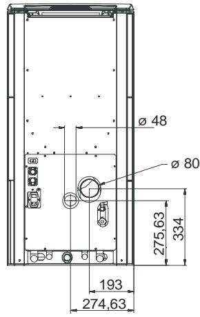
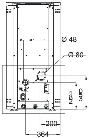
| Entrée d'air pour la combustion | Diamètre extérieur 50 mm |
| Sortie de fumées | Diamètre extérieur 80 mm |
| Maximum puissance électrique absorbée | 300 Watts |
| Tension et fréquence d'alimentation | 220 Volt / 50 Hz |
| Poids net | 200 kg |
| Poids avec emballage | 210 kg |
- Données pouvant varier selon le type de pellet utilisé.
*** Volume de chauffe selon le besoin de cal/m³ 40-35-30 (respectivement 40-35-30 Kcal/m³)
| Caracteristique techniques | Polar Nova Hydro |
| Puisance calorifique totale (total/eau) Max. | 21.5 kw (18490 kcal) / 16.2 kw (13932 kcal) |
| Puisance calorifique totale (total/eau) Min. | 6.2 kw (5332 kcal) / 3.7 kw (3182 kcal) |
| Rendement au max. | 92 % (> 90%) |
| Rendement au min. | 93 % (> 90%) |
| Température des fumées en sortie au max. | 250°C |
| Température des fumées en sortie au min. | 100°C |
| CO à 13 % O2 au min. et au max. | 0.055 — 0.018% |
| CO2 au min. et au max. | 5.5% – 11.9% |
| Masse des fumée au min et au max | 7.3 – 13 g/sec |
| Tirage minimal à la puissance max. | 0,12 mbar – 12 Pa |
| Tirage minimal à la puissance min. | 0,10 mbar – 10 Pa |
| Capacité du réservoir | 52 lt |
| Type de combustible pellet | Pellet diam. 6-8 mm. Longueur 5/30 mm |
| Consommation horaire pellet | Min. ~ 1 kg/h * Max. ~ 4 kg/h * |
| Autonomie | Au min. ~ 33 h * Au max. ~ 9 h * |
| Volume de chauffe (m3) | 460/40 – 530/35 – 615/30 ** |
| Entrée d'air pour la combustion | Ø 50 mm. |
| Sortie de fumées | Ø 80 mm. |
| Maximum puissance électrique absorbée | 320 Watt |
| Tension et fréquence d'alimentation | 220 Volt / 50 Hz |
| Poids net | 200 Kg. |
| Poids avec emballage | 210 Kg. |
- Données pouvant varier selon le type de pellet utilisé.
*** Volume de chauffe selon le besoin de cal/m³ 40-35-30 (respectivement 40-35-30 Kcal/m³)
3.2. PREPARATION ET DÉBALLAGE
Les poêles Polar et Nova sont livrés dans deux emballages séparés :
Le premier contient le corps du poèle ou monobloc (Figure 1)
Le second contient l'habillage en céramique (Figure 2)
√
Le poèle Athos n'est livré qu'avac l'emballage de la fig.1.
Ouvrir l'emballage, couper les feuillards, dégager le corps du poèle de la palette et l'installer à l'emplacement choisi en veillant à ce que ce dernier soit conforme aux indications prescrites.
Le corps du poèle ou monobloc doit toujours être manutentionné en position verticale à l'aide d'un chariot. Veillez à ce que la porte et la vitre ne subissant pas de chocs mécaniques qui en compromettent pas l'intégrité.
Dans tous les cas, ne manutentionner les produits qu'avec extreme prudence.
Si possible, déballer le poèle pres de l'endetroit où il sera installé.
Les matériaux qui composent l'emballage ne sont ni toxiques ni nocifs.
Ils ne requirement doncaucunproceded'éliminationparticulier.
Par conséquent, le stockage, l'élimination et le recyclage eventuel devront être effectuels par l'utilisateur final, conformément aux lois relatives en vigueur.
Ne pas entreposer le corps du poèle et les revêtements sans leurs emballages.
Si vous doivent raccorderiez-vous poèle à un tuyau de sortie de fumées qui traverse le mur d'adossement postérieur (pour rejoindre le conduit de fumée), veiller à ne pas forcer l'embouchure en emboitant le tuyau.

Figure1 - Example emballage poèle

Figure 2 - Example emballage ceramiques

Si, dans le but de la soulever ou de la positionner, la sortie de fumées du poèle est forçée ou utilisée de façon incorrecte, son fonctionnement sera irrémédiablement compromis.
Mettre le poèle à niveau, au moyen des 4 pieds d'appui régibles (J), afin que la sortie de fumées (S) et le tuyau d'évacuation (H) soient dans le même axe.



Pied J
- En tournant le pied dans le sens des aiguilles d'une montre le poèle se baisse
- En tournant le pied dans le sens contraire des aiguilles d'une montre le poèle se
3.3. MONTAGE DE L'HABILLAGE EN CÉRAMIQUE POUR POLAR ET NOVA.
3.3.1. Montage du panneau supérieur :
Enlever les deux écrous prémontés sur la partie supérieure de la structure.
Prendre le panneau supérieur, ouvrir la charnière et la monter en utilisant
les deux vis souduées à la structure, laissées précédemment sans écrous.
Contrer l'alignement du panneau et serrer les écrous Figure 3.
3.3.2. Montage du panneau inférieur
Enlever les deux écrous prémontés sur la partie inférieure du cadre à côte de la porte du compartment pour cendres. Prendre le panneau inférieur, ouvrir la charnière et la monter en utilisant les deux vis soudées à la structure, laissées précédemment sans écrous. Contrcler l'alignement du panneau et serrer les écrous. Figure 4
3.3.3. Montage des carreaux latéraux

LE MONTAGE DES CARREaux DOIT TOUJOURS COMMENCER PAR LE BAS.
- Tourner la vis K de façon à amener la tige H en contact avec la structure. Figure 5 - phase 1
- Appliquer le carreau d'abord du (:é de la tige H et successivement enfiler la partie opposée dans le logement prévu à cet effet sur les crochets fixes G. Figure 6 - phase 1
- Tourner le carreau vers l'extérieur du poèle de façon à ce que le bord avant resté libre aille s'appuyer sur le montant. Figure 6 - phase 2
- Répéter les points 1-2-3 pour tous les carreaux du côte. Figure 6 - phase 3
- Tourner la vis K de façon à ce que la tige H raccordée pousse les carreaux vers le montant. À l'aide d'une autre clé, serrer l'écrou L pour bloquer de façon permanente le système. Figure 6 - phase 4
- Répéter les opérations décrites sur l'autre côté.

Phase 1
Phase 2
Phase 3
Phase 4



Figure 6 - Vue de haut du système de fixation des carreaux en céramique lateraux


Figure 3 - Montage du panneau frontal supérieur
Figure 4 - Montage du panneau frontal inférieur

Figure 5 - Vue de (:é du système de fixation des carreaux en:ceramique lateraux
G-Crochets fixes arrriere.
H - Tige de blocage avant
L - Écrou de blocage
K - Vis de blocage
3.3.4. Demontage des côtés du poêle ATHOS
Le poèle, dans l'emballage, se présente déjà avec les côtés en métal et le dessus en céramique montés.
Pour tout entretien du poèle (voir paragraphs suivants) il est possible de-retirer les côtes.
Faire glisser le côté droit vers l'avant du poèle, puis le déplacer latéralement vers le côté droit comme indiqué à la figure.
Avant de faire glisser le côte gauche, il faut soulever la porte et la retirer, puis proceder comme pour le côte droit.



Démontage du côte droit du poèle ATHOS

Démontaè du côte achaue du poèle ATHOS
3.3.5. Montage du dessus supérieur en céramique
Monter le dessus en l'appuyant sur les quatre éléments en saillie supérieurs du poèle. La partie ci-dessous est pourvue de quatre petites cavités à hauteur des supports en caoutchouc indiqués à la figure 11.
3.4. RACCORDEMENT INSTALLATION HYDRAULIQUE

IMPORTANT!
Le raccordement du poèle à l'installation hydraulique doit être EXCLUSIVEMENT effectué par un personnel spécialisé, qui peut effectuer l'installation conformément et en respectant les dispositions de loi en vigueur dans le pays d'installation.
La société MCZ décline toute responsabilité en cas de dommages matériels et corporels ou en cas de mauvais fonctionnement, au cas où ne seraient pas respectées les recommendations indiquées ci-dessus.
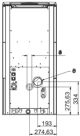
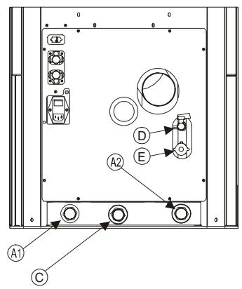
Raccorder le poèle en utilisant les raccords prévus sur la partie postérieure basse de l'appareil

Figure 11 - Supports montage dessus en céramique

SCHEMA RACCORDEMENT POÊLE POLAR/NOVA SANS KIT PRODUCTION EAU SANITAIRE


A1 = Refoulement eau chauffage 3/4 F
A2 = Retour eau chauffage 3/4" F
C = Échappement 3/4" M
D = Réintégration 1/2" F
E = Evacuation et vidange installation 1/2" F
SCHEMA RACCORDEMENT POÉLE POLAR/NOVA AVEC KIT PRODUCTION EAU SANITAIRE


A1 = Refoulement eau chauffage 3/4 F
A2 = Retour eau chauffage 3/4" F
B1 = Sortie eau chaude sanitaire 1/2" F
B2 = Entrée eau chaude sanitaire 1/2" F
C = Echappement 3/4" M
D = Réintégration 1/2" F
E = Evacuation et vidange installation 1/2" F
SCHEMA RACCORDEMENT POÉLE ATHOS HYDRO


A1= refoulement eau chauffage 3/4F
A2= Retour eau chauffage 3/4F
C=Purge 3 / 4 M
D = Réintégration ½ F
E = Evacuation et vidange installation ½ F
3.4.1. Raccordement à l'installation
Effectuer les raccordements aux raccords correspondants illustrés sur le schéma de la page précédente en faisant attention à éviter les tensions dans les tuyaux et les sous-dimensionnements.

IMPORTANT !!!
IL EST VIVEMENT CONSEILLÉ DE LAYER TOUTE L'INSTALLATION AVANT DE LA RACCODER AFIN D'ELIMINER LES RÉSIDUS ET LES DÉPÔTS.
Installer toujours en amont du poèle des rideaux d'interception afin d'isoler l'installation hydrique au cas où il serait nécessaire de le bouger ou de le déplacer, pour effectuer l'entretien ordinaire et/ou extraordinaire.
Raccorder le poèle en utilisant des tuyaux flexibles pour ne pas bloquer le poèle et pour permettre de petits déplacements.

Le tuyau d'évacuation de la pression doit être raccordé provisoirement à une carafe ou un entonnoir pour éviter, en cas de surpressions, que l'eau ne déborde et ne mouille structure et sol.
3.4.2. Remplissage de l'installation
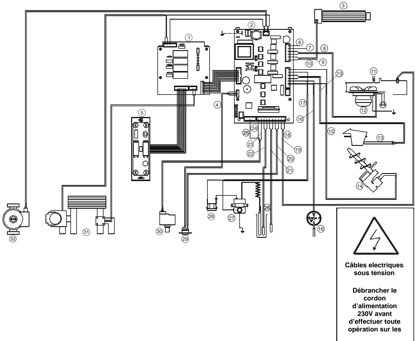
Pour effectuer le replissage de l'installation, le poèle est doté d'un robinet (D), avec soupape de non retard, pour le chargement manuel de l'installation de chauffage. Lors de cette opération, l'échéppement automatique présente en haut à gauche du corps de la chaudière (Sous le dessus en céramique) garantit la purgege de l'air présente dans le circuit.
Afin de permettre à la vanne de purger l'air, desserrer d'un tour le bouchon gris et laisser bloqué le bouchon rouge (voir figure)
La pression de chargement de l'installation À FROID doit être de 1 bar.
Si durant le fonctionnement, la pression de l'installation descend (à cause de l'évaporation des gaz dissous dans l'eau) à des valeurs inférieures au minimum indiqué ci-dessus, l'utilisateur devra, en agissant sur le robinet de chargement pour la ramener à la valeur initiale.
Pour un bon fonctionnement du poèle À CHAUD, la pression dans la chaudière doit être de 1.5 bar.
Pour contrôle la pression de l'installation lue par le transducteur de pression, appuyer et maintainir enfoncée la touche ③ du tableau de commande. Sur l'afficheur apparaitra la valeur relevée.
À la fin de l'opération de replissage, refermer toujours le robinet.
3.4.3. Caractéristiques de l'eau
Les caractéristiques de l'eau de replissage de l'installation sont très importantes pour éviter que ne se déposent des sels minéraux et ne se créé des incrustations le long des tuyaux, à l'intérieur de la chaudière et dans les échangeurs (surtout celui à plaques pour le chauffage de l'eau sanitaire - voir chapitre 4.13)

Tuyau d'évacuation pression (3 bar)

Robinet de chargement (D)

Soupape d'échévement sous le dessus en majorique

Contrôle de la pression de l'installation
Nous vous invitons donc à CONSULTER VOTRE PLOMBIER DE CONFIENCE À PROPOS DE :

- La durée de l'eau en circulation dans l'installation pour éviter les problèmes d'incrustations et de calcaire sur tout dans l'échéateur de l'eau sanitaire. ( >25^ français)
- Installation d'un adoucisseur d'eau (si la durée de l'eau est supérieur à 25^ français)
- Remplir l'installation avec de l'eau traitée (déminéralisée)
- Eventuel équipement d'un circuit anti-condensation.
Montage d'amortisseurs hydrauliques anti-coups de belier le long des raccords et des tuyaux.
Pour ceux qui possèdent des installations très étendues (avec de grosses capacities d'eau) ou qui ont souvent besoin de féquentes réintégrations dans l'installateur ou d'instructor des adoucisseurs.

Il ne faut pas oublier que les incrustations baisSENT ennormément les prestations à cause de leur très bassé conductivité thermique.
3.5. SCHEMAS EXPLICATIFS D'INSTALLATION

Les schémas à suivre sont uniquement à titre indicatif. Pour un correct raccordement, suivre toujours les notes du plombier installateur. L'installation hydraulique doit être conforme à la norme en vigueur dans le lieu, la région ou l'état d'installation. L'installation et le contrôle du fonctionnement doivent être effectuels exclusivement par un personnel spécialisé et/agréé.
La société MCZ décline toute responsabilité en cas de non conformité par rapport à ce qui est sus-mentionné.
3.5.1. Schéma installation chauffage

PRESTATIONS:
CHAUFFAGE AVEC POÉLE
CONFIGURATION: POLAR/NOVA SANS KIT SANITAIRE
SCHEMA INSTALLATION À VASE FERMÉ UNIQUÉMENT POUR CHAUFFAGE AVEC RADIATEURS
LEGENDA:
SE Carte electronique
S Échépartement automatique
TP Trasducteur de pression
VS Vanne d'échappement 3 bar
V Vanne P
P Pompe
VD Vanne indirectionnelle
T Mesure temperature chaudiere
VE Vase d'expansion 1,5 bar de 6 I
W Vanne a 3 voies motorise
SC Echangeur plaques 5 Fucopost
F Hussostat
C Chaudiere a gaz naturel
B Chauffe-eau
BA Chauffe a accumulation
RA Radiates
PR Panneaux radiants
PS Propanoxy peliria
PS Panheaux solaires
A Amortisseur anti-coup de belier
RP Vanne réductrice de pression
Vsc Vanne d'évacuation installation/chaudiere
Flt Filtre installation
3.5.2. Schéma installation chauffage avec kit eau sanitaire (POLAR-NOVA)
PRESTATIONS:
CHAUFFAGE AVEC POÉLE
PRODUCTION D'EAU SANITAIRE AVEC POÉLE

| SE | Carte électronique | VD | Vanne inidirectionnelle | C | Chaudière à gaz naturel | A | Amortisseur anti-coup de bélier |
| S | Échémpement automatique | T | Mesure température chaudière | B | Chauffe-eau | RP | Vanne réductrice de pression |
| TP | Trasducteur de pression | VE | Vase d'expansion 1,5 bar de 6 l | BA | Chauffe à accumulation | Vsc | Vanne dévacuation installation/chaudière |
| VS | Vanne d'échémpement 3 bar | VV | Vanne à 3 voies motorisée | RA | Radiateurs | Flt | Filtre installation |
| V | Vanne | SC | Echangeur à plaques | PR | Panneaux radiants | Add | Adoucisseur |
| P | Pompe | F | Flussostat | PS | Panneaux solaires | | |
3.5.3. Schéma installation associé à chaudière extérieure (POLAR-NOVA)

CONFIGURATION: POLAR / NOVA AVEC KIT SANITAIRE EN PARALLELE AVEC CHAUDIERÉ À GAZ
SCHEMA INSTALLATION À VASE FERMÉ POUR CHAUFFAGE AVEC RADIATEURS OU PRODUCTION D'EAU CHAUBE SANITAIRE
LEGENDE:
| SE | Carte électronique | VD | Vanne inidirectionnelle | C | Chaudière à gaz naturel | A | Amortisseur anti-coup de bélier |
| S | Échémpement automatique | T | Mesure température chaudière | B | Chauffe-eau | RP | Vanne réductrice de pression |
| TP | Trasducteur de pression | VE | Vase d'expansion 1,5 bar de 6 l | BA | Chauffe à accumulation | Vsc | Vanne d'évacuation installation/chaudière |
| VS | Vanne déchémpement 3 bar | VV | Vanne à 3 voies motorisée | RA | Radiateurs | Flt | Filtre installation |
| V | Vanne | SC | Échangeur à plaques | PR | Pannaux radiants | Add | Adoucisseur |
| P | Pompe | F | Flussostat | PS | Panneaux solaires | | |
3.5.4. Schéma installation chauffage associé à un chauffe-eau (POLAR-NOVA-ATHOS)

CONFIGURATION: POLAR/NOVA SANS KIT SANITAIRE ASSOCIÉE À UN CHAUFFE-EAU
SCHEMA INSTALLATION À VASE FERME POUR CHAUFFAGE AVEC RADIATEURS OU PRODUCTION D'EAU CHAUBE
LEGENDE:
| SE | Carte électronique | VD | Vanne inidirectionnelle | C | Chaudière à gaz naturel | A | Amortisseur anti-coup de bélier |
| S | Échémpement automatique | T | Mesure température chaudière | B | Chauffe-eau | RP | Vanne réductrice de pression |
| TP | Trasducteur de pression | VE | Vase d'expansion 1,5 bar de 6 l | BA | Chauffe à accumulation | Vsc | Vanne d'évacuation installation/chaudière |
| VS | Vanne déchémpement 3 bar | VV | Vanne à 3 voies motorisée | RA | Radiateurs | Flt | Filtre installation |
| V | Vanne | SC | Échangeur à plaques | PR | Pannaux radiants | Add | Adoucisseur |
| P | Pompe | F | Flussostat | PS | Pannaux solaires | | |
3.5.5. Schéma installation associée à une accumulation (POLAR-NOVA-ATHOS)

CONFIGURATION: POLAR/NOVA SANS KIT SANITAIRE ASSOCIÉ À UNE INSTALLATION À ACCUMULATION AVEC CHAUDIERÉ ET PANNEAUX SOLAIRES SCHEMA INSTALLATION À VASE FERMÉ POUR CHAUFFAGE AVEC RADIÉURS OU PANNEAUX RADIANTS ET PRODUCTION D'EAU CHAUDÉ SANITAIRE
LEGENDE:
| SE | Carte électronique | VD | Vanne inidirectionnelle | C | Chaudière à gaz naturel | A | Amortisseur anti-coup de bélier |
| S | Échémpement automatique | T | Méasure température chaudière | B | Chauffe-eau | RP | Vanne réductrice de pression |
| TP | Trasducteur de pression | VE | Vase d'expansion 1,5 bar de 6 l | BA | Chauffe à accumulation | Vsc | Vanne dévacuation installation/chaudiere |
| VS | Vanne déchappement 3 bar | VV | Vanne à 3 voies motorisée | RA | Radiateurs | Flt | Filtre installation |
| V | Vanne | SC | Échangeur à plaques | PR | Panneaux radiants | Add | Adoucisseur |
| P | Pompe | F | Flussostat | PS | Panneaux solaires | | |
3.6. OUVERTURE/FERMETURE DE LA PORTE DU POÉLE ATHOS
Le poèle Athos est livré avec une clé à six pans pour effectuer l'ouverture/fermeture de la porte; insérer la clé et exercer une légère pression continue sur la porte, puis tourner la poignée (fermeture dans le sens des aiguilles d'une montre, ouverture en sens contraire).
La porte est fermée lorsquela clé ne tourne plus. Il est normal que l'opération nécessite de plusieurs tours à 180^ de la clé.

ATTENTION!
La porte doit être parfaitement fermée pour le bon fonctionnement du poèle. Tourner la clé dans le sens des aiguilles d'une montre jusqu'à partir une légère résistance de rotation.

Ouverture/fermeture de la porte du poèle Athos
3.7. BRANCHEMENT ÉLECTRIQUE
Brancher le cable d'alimentation d'abord à l'arrière du poèle puis à la prise électrique murale. Figure 12 L'interrupteur général situé au dos du poèle ne doit être utilisé que pour allumer le poèle. Autrement, il est conseilé de le laisser etint.
Lorsque le poèle n'est pas utilisé, il est préféable de débrancher le cable d'alimentation.

Figure 12 - Câble d'alimentation poële
4. FONCTIONNEMENT
4.1. RECOMMANDATIONS AVANT L'ALLUMAGE

ATTENTION!
L'installation du poèle prévoit exclusivement un raccordement au conduit de fumée. Par conséquent les critères d'évaluation suivants sont à considérer comme valides et conformes aux normes en vigueur.
Pour les installations complexes et articulées, il est conseilé de s'adresser à un personnel spécialisé ou aux centres d'assistance agrés MCZ.
La société MCZ suggere d'autres typologies d'installations (avec sorties des fumées ne rejoignant pas le conduit de fumée) et décline toute responsabilité en cas de mauvais fonctionnement ou d'anomalies.

- Éviter de toucher le poèle lors du tout premier allumage car durant cette phase la peinture durcit. En touchant la peinture, la surface en acier pourrait réapparaitre.
- Si nécessaire, retoucher la laque avec une bombe spéciale. (Voir "Accessoires pour poèle à granulés de bois")
- Il est important d'assurer une ventilation efficace lors du premier allumage car le poèle exhalera de la fumée et une odeur de peinture.
- Ne pas stationner à proximé du poèle et bien aérer la piece. La fumée et l'odeur de peinture disparaïtront après une heures de fonctionnement du poèle environ ; nous rappelons qu'elles ne sont pas nocives pour la santé.
- S'assurer que l'installation hydraulique est parfaitement étanche et que ne sont pasopsis des fuites d'eau ou des baisses de pression.
- S'assurer que toutes les vannes d'intervention entre poèle et installation sont ouvertes.
- S'assurer d'avoir purgé tout l'air à l'intérieur de l'installation avant de procéder à la mise e marche.
- S'assurer que les dispositifs internes fonctionnent correctement (flussostats, thermostats, etc.), que la chambre de combustion et le conduit de fumée sont propres et que le circuit hydraulique ne présente pas d'obstructions.

Lors des phases d'allage et de refroidissement, le poèle pourrait se dilater et se contracter, par conséquent de légers craquements pourraient être perceptibles.
Ce phénomène est absolument normal puisque la structure est réalisée en acier laminé ; il ne pourra donc enaucun cas etre considere comme un defaut.
Les programmes de base garantissent un correct fonctionnement et évitant la surchauffe alors des premiers allumages.
4.2. CONTROLLE AVANT ALLUMAGE
Vérifier que toutes les conditions de sécurité vuesAAParavant sont bien appliquées. S'assurer d'avoir lu et parfaitement compris le contenu de la presente notice d'instructions.

Enlever du foyer du poèle et de la porte tous les composants. Ils pourraient brûler !!! (notice d'instructions et étiquettes adhésives).
Contrôler que le pot de combustion pour la combustion des granulés de bois est correctement positionné et appuie bien sur la base et qu'elle n'est pas déplacée lors de la manutention du produit. Vérifier la tension du branchement électrique (230V - 50 Hz) et appuyer sur l'interrupteur situé sur le panneau postérieur du poèle. Vérifier que l'afficheur du tableau de commande est éclairé et qu'il affiche l'indication OFF / HEURE ACTUELLE.
4.3. CHARGEMENT DES GRANULES DE BOIS
Le chargement du combustible s'effectue par le dessus du poèle en ouvrant le couvercle. Verser les granulés de bois dans le réservoir; sa capacité à vide est d'environ deux sacs de 15 kg.
Pour facilitier l'opération, procéder en deux étapes :
- Verser la moitié du contenu du sac à l'intérieur du réservoir et attendre que le combustible se dépose sur le fond
- Terminer l'opération en versant ensuite l'autre moitié des granulés de bois.

Ne jamais retiret la grille de protection située à l'intérieur du réservoir. Lors du chargement des granulés de bois, éviter que le sac ne touche les surfaces chaudes.

4.4. TABLEAU DE COMMANDE
INDEX DES TOUCHES ET DES VOYANTS LUMINEUX
TOUCHES DE COMMANDE
- Diminution configuration tempétaire / fonctions de programmation
- Augmentation configuration température / fonctions de programmation
- Défilament du menu de programmation pour augmenter / variation vitesse ventilation pour augmenter
- Défilament du menu de programmation pour diminuer /diagnostic ventilateur fumée ventilation pour diminuer
- Allumage/Extinction poèle
- Configuration température air et eau/accès aux menus de programmation
VOYANTS LUMINEUX
- Alarme générale (voir specifications)
- Afficheur D1-D2
- Voyant lumineux chronothermostat acté/désacté
- Voyant lumineux qui indique lorsque le thermostat nécessite de la puissance
- Voyant lumineux pompe eau activée/désactivée
- Voyant lumineux installation chauffage activée
- Voyant lumineux installation eau sanitaire activée
- Voyant lumineux échangeur en fonction
- Voyant lumineux vis sans fin activée/désactivée
- NON ACTIVÉ
- Voyant lumineux bougie en fonction

4.5. RÉGLAGES À EFFECTUER AVANT LE PREMIER ALLUMAGE
Amener linterrupteur situé à l'arrière de l'appareil en position (I).
Sur les afficheurs (8) du tableau de commande apparaitra l'indication OFF et l'HEURE ACTUELLE.
Si cette donnée n'est pas à jour, vous pourrez la régler en suivant la procédure décrite ci-dessous.

Ne pas oublier que l'heure actuelle" sert exclusivement a configurer la programmation hebdomadaire avec le CHRONO (voir chapitre correspondant). Réciproquement une heures qui ne serait pas mise a jour ne compromet en rien le fonctionnement du poèle.
4.5.1. RÉGLAGE DE L'HEURE ACTUELLE
Appuyer rapidement en séquence sur les touches ② et ③ pour acceder au paramètre technique UT01. Appuyer de nouveau sur la touche ③ pour acceder au menu UT 02 où sont affichées les heures. Les touches ① ou ② augmentent ou diminuents l'heure.
Pour valider l'heure可以选择 et passer à la configuration des minutes, appuyer sur la touche (3). (apparaitra la sigle UTO3)
Les touches ① ou ②, augmentent ou diminuents les minutes selon un pas de +/- 1 minute.
Pour valider l'heure可以选择 et quitter la fonction réglage appuyer sur ⑤.
4.6. CHOIX DU DOSAGE
Il s'agit d'un critère d'évaluation exclusif de la société MCZ qui permet d'identifier le type de granulés de bois à disposition et par conséquent de régler le poèle de la façon la plus appropriée aux conditions générées. Ce qui évite ainsi de consommer trop de combustible, tout en garantissant la capacité de chauffage prévue et en menageant l'intégrité du produit.

LE CHOIX DU DOSAGE EST UNE OPÉRATION qui DOIT ÉTRE EFFECTUÉLORS DE LA PREMIÈRE INSTALLATION ET À CHAQUE CHANGEMENT DE TYPE DEGRANULES DE BOIS.
(Par ex. en cas de changement de fournisseur ou si les granulés de bois sont visiblement d'une couleur et d'une grosseur différentes).
4.6.1. OPÉRATIONS POUR DÉTERMINER LE DOSAGE :
Identification du type de combustible




Sequence pour acceder au menu de réglage heures et minutes
4.6.1.1. Identification du type de granulés de bois
Identifiions le combustible :
Matériel nécessaire :
Balance (jusqu'a 1 / 2 kg de portee) graduation 10 g
- Doseur MCZ pour granulés de bois (PelletBox®), fourni avec le poèle
Une baguette en bois
Granulés de bois ou pellets (combustible)
Remplir abondamment le PelletBox® de granulés de bois sans les tasser (en battant le fond du doseur sur la table ou en pressant les granulés de bois avec la main) Figure 1
Poser une baguette en bois (ou bien une règle, une lame, un crayon de papier) sur les bords du carton et niveler le matériel en éliminant la partie en excès Figure 2
Peser le tout (carton + granulés de bois) et noter le poids. Figure 3
Prendre le doseur, le vider et l'orienter de façon à voir le graphique servant à déterminer le dosage Figure 4
4.6.2. Procedure pour définir le dosage
Trouver dans la colonne de gauche dénommée “Pesée” la ligne correspondant au poids relevé précédement.
En maintainant la ligne可以选择 'identifier sur la colonne de droite du tableau le paramètre ("dosage") correct pour votre combustible.
Exemple :
Si vous utilisez un combustible qui a un poids de 680 grammes.
Déterminez tout d'abord le modele de notre poèle (par ex. Polar Hydro) puis cherchez ces données sur le tableau correspondant imprimé sur le doseur. Vous remarquerez que dans la colonne "Pesée" ces 680 g figurent à la ligne intitulée "de 660 à 700".
En vous déplaçant sur la colonne à côté de celle de la pesée, vous noterez que le dosage avec lequel serogrammera le poèle sera le C2.
4.6.3. Mémoriser le dosage sur le poèle.

LA PROCÉDURE POUR LE CHOIX DU DOSAGE LE PLUS APPROPRIÉ N'EST ACTIVÉE QUE LORSQUE LE POÊLE EST ÉTEINT.
Appuyer simultanément sur les touches 3 et 4.
Apparaitra alternatively l'indication "ric" au numero de dosage precedemment programme (pour rappeler l'exemple précédent "n C2" sera indiqué).
Si, en revanche, l'indication "-- - - " s'affiche, cela signifie qu'actuellement aucun «dosage» n'est selectionné (premier allumage). Pour quitter le menu sans effectuer de modification, appuyer sur la touche ③ ou sur ④ ou bien attendre 120 secondes sans appuyer sur aucune touche.
Pour modifier ou programmer un nouveau dosage, appuyer sur les touches ① ou ② pour partager le dosage souhaité d'après le schéma

Figure 1
Figure 2

Figure 3

Figure 4

Premier accès au menu de besoin du dosage


Phase 1: Exemple d'entrée au menu dosage et affichage de la précédente programmation
appuyer sur les touches indiquées
reporté sur la BoxPellet® (doseur), ce schéma est également reporté sur cette page.

Pour valider le choix effectué, il est indispensable de prendre la touche ⑤ appuyée jusqu'à ce qu'apparaissent l'heure et l'indication "OFF" sur l'afficheur.

Le dosage préprogramme sur le poèle est le n° C1 pour toutes les versions et tous les pays.
4.7. RÉGLAGE DE LA TEMPERATURE EAU EN CHAUDÈRE
Le poèle est déjàprogramme avec une série de paramètres standard qui en permettent le correct fonctionnement (température eau 65^ et température ambiente 22^ ), mais si l'utilisateur souhaite changer ces paramètres, il est possible de la faire de la façon suivante:
Les paramètres programmables sont les suivants :
T Pièce
C'est la température que l'on souhaite atteindre à l'intérieur de la piece où le poèle sera installé. Pour le régler appuyer UNE fais sur la touche ⑥ “SET” et changer les valeurs avec les touches ① ou ②
TH2O=
Température maximum de l'eau dans la chaudière. Une fois atteinte cette température le poèle diminue ses prestations afin d'éviter les surchauffes. La température programmée de base est de 65^ et il n'est pas possible de la programmer au-dessous de 40^ ou au-dessus de 80^ .
Pour la régler appuyer DEUX fois en rapide succession sur la touche ⑥ "SET" et changer les valeurs avec les touches ① ou ②
Il est conseilé de ne jamais régler la température au dessous de 50 / 55^ afin d'eviter la formation de condensation dans la chaudière

Réglage température de la piece

Réglage température pression de l'installation
4.8. PREMIER ALLUMAGE
Maintenant vous étes préts pour procéder à l'allumage de votre poèle.
L'explication ci-dessous déscrit brievement la procédure d'allumage et d'extinction du poèle afin de mieux satisfaire vos attentes et votre curiosité.
4.8.1. Allumage poêle
Pour faire démarrer le poèle du tableau de commande, appuyer quelques secondes sur la touche ⑤
Après environ 15 minutes apparaisent sur les afficheurs (8) du tableau de commande l'indication de la température ambiente sur l'afficheur supérieur et l'indication de la température de l'eau dans la chaudière sur l'afficheur inférieur. Le poèle est ALLUMÉ!

Si la phase d'allumage est terminée et que le symbole de la flamme n'apparait pas sur l'afficheur (8), l'indication "Alarme no acc" accompagnée d'un signal sonore intermittent apparaitra sur l'afficheur. Dans ce cas, eteindre le poèle en appuyant sur la touche pendant quelques secondes ⑤.
L'afficheur (8) affichera l'indication "Off / Heure actuelle".
Contrôler le pot de combustion : contient-il des granulés de bois ?

S'il s'agit du tout premier allumage il se peut que le combustible ne réussisse pas à arriver au moment et avec la quantité voulus car il doit parcourir pour la première fois tout le trajet allant du réservoir au pot de combustion. Dans ce cas le pot de combustion sera vide ou ne contendra qu'une faible quantité de granulés de bois.

RETIRER LES ÉVENTUELS GRANULES DE BOIS RESTÉS DANS LE POT DE COMBUSTION ET RÉPÉTER L'ALLUMAGE EN APPUYANT SUR LA TOUCHE PENDANT QUELQUES SECONDES.
Si, après plusieurs tentatives d'allumage sans résultat, le feu ne seveloppe pas alors que l'alimentation en granulés de bois afflue correctement, il pourrait y avoir un problème lié à certains composants du poèle ou bien à une mauvaise installation.

ENLEVER LES GRANULES DE BOIS RESTÉS DANS LE POT DE COMBUSTION ET APPELER UN TECHNICIEN AGRÉE MCZ.
4.8.2. Extinction poète
Le poèle peut être étant à tout moment et qu'elle que soit la position de fonctionnement sur laquelle il se trouve.
Pour éteindre le poèle, appuyer quelques secondes sur la touche ⑤

NE JAMAIS ÉTEINDRE LE POÉLE EN COUPANT L'ÉLECTRICITE. Attendez toujours que la phase d'extinction se termine car, dans le cas contraire, vous risqueriez d'endommager l'unité et de rencontres des problèmes lors des allumages suivants.
4.9. ASPECT DE LA FLAMME
Pour un bon fonctionnement du poèle, il faut apprendre à "LIRE" la flamme. Les caractéristiques plus importantes auxquelles il faut préter attention sont :
La forme
La couleur
Le caractère

Poèle allumé et en mode fonctionnement à régime

Au cours d'une combustion régulière, la flamme doit partager une forme Fusee, avoir caractere "vivace" et ses pointes doivent etre tendanciellement verticales ou penchees vers le fond du foyer. Il faut avoir l'impression que la flamme est "etirée" vers le haut.
Par contre, une flamme qui grossit à la base, de couleur "pale" et dont la pointe n'est pas "guidée" peut être symptôme d'une programmation incorrecte pour ce qui concerne le chargement du combustible et/ou le système d'aspiration des fumées, ou encore que le conduit de fumée est obstrué par endroit ou qu'il y a des surpressions qui empêchent une bonne évacuation des fumées.
Dans ce cas, nous aurons TOUJOURS des problèmes de fonctionnement. Faire appel à un personnel/agréé ou au service d'assistance technique MCZ.
4.9.2. La couleur
La couleur est en quellesorte liée à la forme de la flamme. Une couleur qui varie de l'orange au jaune avec les pointes de la flamme foncées, est imputable à une flamme grossie ( comme expliqué plus haut), pauvre en oxygène et, quoi qu'il en soit, symptôme d'une mauvaise combustion. Au fur et à mesure que la teinte passé au jaune clair blanc, la forme de la flamme se modifie en devenant plus fine tout en révélant un excess d'oxygène.
4.9.3. Le caractère
Qu'il s'agisse d'une flamme vivace ou pale, le caractère qu'elle presente est de toute façon etroitement lie à la forme de la flamme.
4.10. FONCTIONNEMENT
4.10.1. Principé de fonctionnement
Lorsque vous allumez le poèle avec la touche ⑤, après la phase initiale d'allumage d'une durée moyenne de 15 minutes, et pendant laquelle apparaissent sur l'afficheur (8) les phases intermédiaires "FAN ACC - LOAD WOOD - FIRE ON", le poèle part en modalité AUTOMATIQUE à puissance moyenne, et effectue un premier contrôle des températures à atteindre.
L'indication de la température ambiente apparait sur l'afficheur supérieur (8) du tableau de commande tandis que la température de l'eau dans la chaudière est indiquée sur celui inférieur en intermittence avec l'indication H_2O
Avec ce mode de fonctionnement, il est possible de changer exclusivement avec la température souhaitée dans la pierce avec les touches ① et ②.
L'objectif primaire du poèle est celui d'amener la température ambiente relevée par le thermostat (intérieur ou extérieur) à la température programmée par l'utilisateur.
Par conséquent selon la température ambiente, il effectue l'évaluation suivante :
COMBUSTION REGULIERE
Forme :
Fuselee verticale compacte
Caractère :
Vif
Couleur :
Jaune - Jaune clair - Blanc
COMBUSTION IRRÉGULÈRE
Forme :
grossie débordante non compacte
Caractère :
Leger - faible
Couleur :
Orange - jaune

Poèle allumé et en mode fonctionnement à régime

Réglage de la température du thermostat (température que doit atteindre la pierce)
Température ambiente < Température thermostat ?
OUI
Cela signifie que le poèle doitCHAuffer la piece et qu'il commencerag progressivement à augmenter son régime de feu jusqu'à arriver à la puissance maximum
- NON
Cela signifie que le poèle a atteint son objectif deCHAuffer la pièce et sa puissance baissera jusqu'au minimum et y restera jusqu'à ce que la température ambiente ne redescende sous la températureprogrammée sur le thermostat ; à moins que ne soit activée la fonction ECO-STO (Voir paragraphe 4.9.3)

Il est indispensable pour un correct fonctionnement que le thermostat ambient (intérieur ou extérieur) relève de manière fiable la température étant donné que le correct fonctionnement se base presque exclusivement sur le contrôle spécifique ci-dessus.
4.10.2. Modalité de fonctionnement
Le mode AUTOMATIQUE permet de prédisposer et fixer une certaine température à atteindre. Avec cette modalité de fonctionnement, le poèle varie automatiquement la puissance thermique de façon à ce que la température de la piece soit constamment maintainue équivalente au paramètre fixé en precedence.
Comme précédemment décrit, le réglage de la température s'effectue avec les touches ① et ② par pas de 1 degré centigrade.
La ventilation frontale aussi, qui s'active en mode automatique uniquement lorsque le poèle est chaud, est repartie sur 5 vitesses et il est possible de la régler en utilisant les touches ③ et ④. La vitesse du ventilateur s'affichera pendant quelques secondes sur l'afficheur (8).
Ce réglage sera maintenu lors du successif allumage.
Exemple de fonctionnement :
Si la température ambiente relevée par la sonde locale située sur le poèle est de 15^ et celle programmesée sur le thermostat est de 22^ , le poèle se met de façon sequentielle à la température maximum et lorsqu'il aura atteint la température requise (22^) , il se mettra à la puissance minimum ou entrera en modalité ECO-STOP (Voir paragraph 4.9.3)
Ne pas oublier que la température programmée sur le thermostat est seulement indicative et que ce sera à l'utilisateur de sélectionner le paramètre qui convient le mieux à la pierce où se trouve le poèle (par exemple : il faudra programmer une température de 22^ C sur le thermostat du poèle pour avoir 20^ C partout). Ceci parce que le thermostat ambient est place pres du corps du poèle et en recoit toute la chaleur.
Avec cette modalité, l'allumage et l'extinction sont faits par l'utilisateur en appuyant pendant quelques secondes sur la touche ⑤.
Il est recommandé de surveiller de temps en temps le contenu du réservoir pour éviter que le feu ne s'éteigne suite à un manque de combustible.

Réglage de la température du thermostat (température que doit atteindre la piece)

Réglage de la vitesse du ventilateur frontal

ATTENTION!
Si des conditions qui modifiert l'etat normal de fonctionnement du poège se vérifié lorsque celui-ci est allumé, le voyant lumineux (7) de l'alarme générale s'allumera accompagné d'un bip sonore (voir paragraphe "Blocage du poège") et le poège réagira en démarrant la procédure d'arrêt total.

Poèle en alarmé et en état de blocage

En cas de BLACK-OUT électrique au cours de l'allumage ou du fonctionnement, le poèle se met en mode refroidissement et repart automatiquement dés le retour du courant électrique.
4.10.2.1. Thermostat interieur - Position de la sonde ambiente interieure
Uniquement une fois la pose effectuée, il est recommandé de vérifier que la sonde ambiente est extraite de son logement et loin de la structure chaude du poèle, afin d'eviter qu'elle ne relève des températures incorrectes.
La sonde est situé à l'arrière du poèle.
Lorsque vous utilisez le thermostat interieur, il est conseilé de toutes programmes une température légèrement plus élevé de quelques degrés (Par ex. : 22°C si vous souhaitez 20°C dans la piece) car la sonde dessent de toute façon de l'influence du corps chaud du poèle.

Sonde ambiente interieure
4.10.2.2. Fonctionnement avec thermostat extérieur
THERMOSTAT EXTERIEUR (non compris - installation aux soins de l'utilisateur)
La température du poèle peut également être commandée à partir d'un thermostat ambient extrieur. Si ce dernier est situé dans une position mediane par rapport à la piece où il est installé, il garantira une correspondance majeure entre la température de chauffage exigée et celle qui sera effectivement fournie.
4.10.2.3. Branchement du thermostat extérieur
Relier les deux fils du cable provenant du thermostat situé sur le mur à la borne du collecteur MCZ.
Insérer le connecteur dans la prise prévue à cet effet à l'arrête du poèle. Figure 7

Une fois branché le thermostat il est nécessaire de désactiver le thermostat interieur équipant le poèle.
Pour ce faire, proceder comme suit :
- Presser maintes fois la touche ③ jusqu'à ce que la sigle "UT16" apparaisse sur l'afficheur LCD du tableau de commande; sur l'afficheur apparait la sigle "UT16/OFF"
- Appuyer sur la touche 4 en la maintainant pressée et presser la touche 3 pour voir la sigle "UT20"; la sigle "UT18/OFF" apparait sur l'afficheur LCD.

Cablage à partir d'un thermostat extérieur
Connecteur Série MCZ
Figure 7 - Branchement du connecteur sériel du thermostat extérieur dans la fiche prévue située au dos du poèle
- Avec les touches ① ou ② programmerme ce paramètre sur "ON" ou "OFF". S'il est régé sur "ON", le thermostat interieur est activé, vice versa si le paramètre est programmé sur "OFF", le thermostat extérieur s'active et celui interieur se désactive.
- Pour activer le thermostat extérieur, il faudra donc amener le paramètre "UT20" sur "OFF"
Pour quitter le menu appuyer sur la touche ⑤ ou attendre 60 secondes

Activation du thermostat extérieur et conséquence déactivation du thermostat interieur
4.10.3. Configuration de la modalité ECO-STOP
Le thermostat gère le fonctionnement du poèle, en l'éteignant lorsqu'il atteint la température programmée et en le rallumant ensuite si les conditions nécessaires sont réunies.
Il est possible d'activer ou de désactiver cette fonctionnalité ou deCHOISIR avec quels intervalles de temps le poèle doit s'éteindre.
1er CAS : ECO-STOP Désactivé (default)
Si la fonctionnalité est désactivée, le poèle, une fois atteinte la température programmée, marchera toujours à la puissance minimum jusqu'à ce que le thermostat ne nécessite à nouveau de puissance ou bien jusqu'à ce que l'utilisateur ne decide de l'éteindre manuelle.

Le poèle a de série la modalité ECO-STOP désactivée comme sur l'exemple à peine illustré.
2ème CAS : ECO-STOP Activé et temporisé
Si cette fonctionnalité est activée, le poèle, une fois atteinte la température programmée, se met au minimum selon un tempsprogrammé par l'utilisateur qui peut aller d'un minimum d'1 minute àun maximum de 30 minutes. Si pendant ce temps, il n'y a pas de nouvelle demande de température, le poèle s'éteindra automatiquement. Le poèle se rallumera automatiquement uniquements'il y a demande de température de la part du thermostat.
Exemple avec ECO-STOP activé et temporisé :
Si la température ambiente relevée par la sonde du thermostat (interieur ou extérieur) est de 15^ et celle programmée sur le thermostat est de 20^ , le poèle se met (selon une rampe prédéfinie) à la puissance maximum et une fois atteint les 20^ requis le poèle se met à la puissance minimum. Le poèle reste dans cette modalité pendant 15 minutes et si la température de la piece reste supérieur à la température programmée, le poèle s'eteint automatiquement, de façon-temporaire, en affichtant l'indication "Eco Stop". Lorsque la température ambiente descend au-dessous de la valeur programmée sur le thermostat (par ex. 18^ ), le poèle se rallume en mode automatique ("COOL-FIRE") et fonctionne ensuite jusqu'à atteindre de nouveau les 20^ programmes.
Au cas où le poèle serait muni de kit pour la production d'eau sanitaire et qu'il y aurait demande d'eau chaude pendant une période de temps supérieure à 30 secondes (à travers le flussostat), le rallumage du poèle est immédiat en sautant les phases de refroidissement indiquées ci-dessus ("COOL-FIRE")

Toutes les opérations de rallumage automatiques, aussi bien dans le cas de diminution de la température ambiente que de demande d'eau chaude,
dont possibles si le poele est allumé ou en ECO-STOP.
Si l'utilisateur effectue l'extinction manuellement avec la touche ⑤, le poèle ne se rallume pas automatiquement lors de la variation de la température ou s'il y demande d'eau chaude
Il est conseilé, en présence du kit pour la production d'eau chaude sanitaire, de désactiver la modalité ECO-STOP afin d'abréger les temps de réponse à la demande d'eau chaude.
Ne pas oublier cependant que la température programmée sur le thermostat est seulement indicative et que ce sera à l'utilisateur deCHOISIR le paramètre qui convient le moins à la piece ou se trouve lepoèle (par exemple : programmer 22° C sur le thermostat pour avoir 20^ effectifs).Avec cette modalité, l'allumage peut être effectué par I'utilisateur en reprogrammant la température du thermostat à une valeur supérieure à celle de la piece ou en maintainant la touche ⑤ enforcée pendant quelques secondes ; le poèle passera en modalité "OFF" après quoi, toujours par pression de la touche , il se rallumera.
COMMENT SE COMPORTE LE POÉLE AVEC LE CHRONO ACTIVÉ :
| Le poèle est en … | Le chrono intervient pour … | Le poèle … |
| ECO STOP | Éteindre le poèle | S'eteint définitivement en se meltant sur OFF |
| ECO STOP | Allumer le poèle | Reste en modalité ECO-STOP |
4.10.3.1. Activation/Désactivation modalité ECO-STOP
4.10.3.2. OPÉRATION À CHARGE DE L'INSTALAL TEUR
- Appuyer sur l'interrupteur général situé à l'arrière du poèle en le mettant sur «I»; sur l'afficheur du tableau de commande apparait l'indication “OFF/HEURE ACTUELLE”
- Appuyer sur la touche ② et immédiatement après sur la touche ③ du tableau de commande. L'indication UT01/OFF apparait sur l'afficheur du tableau de commande.
- Presser maintes fois la touche ③ jusqu'à ce que la sigle "UT16" apparaisse sur l'afficheur LCD du tableau de commande; sur l'afficheur apparait la sigle "UT16/OFF"
- Appuyer sur la touche 4 en la maintainant pressée et presser la touche 3 pour voir la sigle "UT19"; la sigle "UT19/OFF" apparait sur l'afficheur LCD.
- Appuyer maintes fois sur la touche ③ jusqu'à ce que la sigle "UT19" apparaisse sur l'afficheur du tableau de commande; sur l'afficheur apparait la sigle "UT19/OFF ou UT19/1', UT19/2', UT19/3'..." UT19/30' (1' indique une minute, 2' deux minutes, etc...)
- Appuyer sur la touche ① ou ② pour activer/désactiver la fonctionnalité ou varier le temps d'intervention de la modalité ECOSTOP; sur l'afficheur du tableau de commande apparait l'indication UT19/OFF ou UT19/1', UT19/2', UT19/3'.
- Appuyer sur la touche pendant quelques secondes pour valider; l'indication "OFF/HEURE ACTUELLE" apparait sur l'afficheur ⑤.
4.10.4. Mode programme (avec chrono)
Cette modalité de fonctionnement signalée par levoyant lumineux (9) allumé sur l'afficheur,permét de programme l'allumage et l'extinction du poèle en mode automatique pendant un cycle d'une semaine.
Normalement, sur les poêles Polar et Nova le mode PROGRAMMé est désactivé. (levoyant lumineux 9 est étéint)
Les caractéristiques fondamentales du mode PROGRAMMÉ sont :
Le jour initial
L'horloge
Le programme (4 programmes journaliers sont disponibles)
4.10.4.1. Jour initial (sigle sur I'afficheur: UT 01)
Il s'agit du jour courant qui sera configuré en premier et servira de point de départ à la série de programmation. Pour mistréux comprendre ce passage, il faut se demander : Quel jour sommes-nous aujourd'hui ?
Supposons que vous étés en train de dire ce paragraphe du manuel un vendredi. Sur le tableau ci-contre (Figure 8), on constate que le vendredi correspond à la sigle DAY 5. Il faudra donc assigner le paramètre DAY 5 au poèle comme jour initial.
Pour configurer ce paramètre appuyer en séquence sur les touches ② et ③. La sigle "UT 01" apparaitra alternatively à l'indication "OFF". Maintenant appuyez une fois sur la touche ① et sur l'afficheur apparaitra l'indication "DAY 7". Vous remarquerez tout de suite que le voyant lumineux (9) de l'afficheur est allumé.
Appuyez deux autres fois sur la touche ① et sur l'afficheur apparaitra en série des indications "DAY 6 → DAY 5".
Maintenant l'indication "DAY 5" s'alterne avec la sigle "UT 01" sur l'afficheur (8).
Cette même procédure peut être effectuee en utilisant la touche 2 ; la seule différence est que le menu defile dans l'autre sens, c'est-à-dire :
"OFF DAY 1 DAY 2 DAY 3 DAY 4 DAY 5"
Pour confirmer et sauegarder la programmation, appuyer sur la touche ③.
RÉSUMÉ :
Pour ACTIVER le mode PROGRAMME (voyant lumineux 9 allumé) appuyer en séquence sur les touches ② et ③ en visualisant la sigle "UT 01". Appuyer ensuite sur les touches ① ou ②, pour avancer ou recycler le jour initial. Pour confirmer et sauvegarder, appuyer sur la touche ③.

ATTENTION!
N'importequel jour mémorisé,à l'exception de"OFF" activele modePROGRAMME.
Pour DÉSACTIVER le mode PROGRAMMé (voyant lumineux 9 éteint) appuyer en série sur les touches ② et ③ en visualisant la sigle "UT 01". En appuyant ensuite sur les touches ① ou ② apparaitra l'indication "OFF" et vous confirmerez en appuyant sur la touche ③.

| Sur l'écran
(8) du poèle | Correspond à | Le mode
programmation
est |
| DAY 1 | Lundi | Actifé |
| DAY 2 | Mardi | Actifé |
| DAY 3 | Mercredi | Actifé |
| DAY 4 | Jeudi | Actifé |
| DAY 5 | Vendredi | Actifé |
| DAY 6 | Samedi | Actifé |
| DAY 7 | Dimanche | Actifé |
| OFF | étéint | Déactivé |

Figure 8 - Tableau correspondances jours de laSEMaine
Touches pour l'accès au menu.

Choix du jour courant et activation de la modalité programmee.

Seul l'indication méorisée "OFF" désactive le mode PROGRAMME.
4.10.4.2. Horloge (sigle sur I'afficheur: UT 02 et UT 03)
Voir le paragraphe 4.5.1. concernant le réglage de l'heure actuelle pour connaître la procédure de configuration de l'heure actuelle.
Nous résumons ci-dessous les opérations principales :
- Configuration des HEURES (sigle sur l'afficheur : UT 02)
Appuyer sur les touches 2 et 3 pour acceder au menu de configuration et au paramètre "UT 01"; appuyer sur la touche 3 pour acceder au paramètre "UT 02" qui correspond à l'horaire de l'horloge exprime en HEURES.
La sigle "UT 02" et l'indication de l'heure de défaut du poèle apparaisent alternatively sur l'afficheur (8).
Agir sur les touches ① (augmenter) ou ② (diminuer) pour régler les heures.
Pour sauegarder, appuyer sur la touche ③ qui amène à l'affichage suivant "UT 03" relatif au réglage des minutes.
- Configuration des MINUTES (sigle sur l'afficheur : UT 03)
La sigle "UT 03" et l'indication des minutes par défaut apparaisent alternatively sur l'afficheur (8).
Agir sur les touches ① (augmenter) ou ② (diminuer) pour régler les minutes.
Pour sauegarder, appuyer sur la touche ③ qui amène à l'affichage suivant, "UT 04".

La sigle "UT 04" ne fait pas partie du menu du mode PROGRAMMé.
Elle est destinée à l'usage exclusif de l'insextat ou du technicien agréé MCZ à travers une clé d'accès.
Appuyer de nouveau sur la touche 3 pour continuer et pour visualiser la sigle "UT 05".
4.10.4.3. Programme
Les poèles POLAR et NOVA offrent la possibilité de configurer jusqu'à 4 programmes de fonctionnement répartis sur l'arc d'une journée ou d'une semaine entière.
Chaque programme est caractérisé par trois sections principales :
- L'heure d'allumage du poèle (qui doit être comprise entre 00h00 et 23h40)
L'heure d'extinction du poèle (qui doit être supérieure à l'horaire d'allumage correspondant et dont le paramètre maximal est 23h50)
- Les jours pendant lesquels l'heure d'allumage et l'heure d'extinction doivent être ACTIVÉS ou DÉSACTIVÉS
Analysons le PROGRAMME 1 (résumé par le tableau suivant) qui est le premier des quatre programmes dans la série de programmation.
PROGRAMME 1
| Sigle sur l'afficheur (8) | UT 05 | UT 06 | UT 07 |
| Données à saisir | Horaire Allumage | Horaire Extinction | Jours actifs ou désactivés
On/Off 1,2,3,4,5,6,7 |
PROGRAMME 1: programmation de l'horaire d'allumage du poèle.
Nous sommes maintainant à la fonction UT 05. La sigle UT 05 et une valeur de temps exprimée en heures et en minutes sesuccident sur l'afficheur (8) du tableau du poèle. L'emploi des touches (1) (augmentation) ou bien (2) (diminution) configure l'heure d'allumage du poèle pour ce programme. A chaque pression de la touche, l'horaire augmente ou diminue de 10 minutes. Enmaintenant la touche enforcée, l'avancement ou le retour en arrêt de deviennent graduèlement plus rapides, ce qui permet d'effectuer rapidement de nombreuses modifications. Une fois que la tranche horsaire souhaïée est configurée, la.Valider en appuyant sur la touche (3),ce qui portera automatiquement au passage suivant UT 06.
PROGRAMME 1 : programmation de l'horaire d'extinction du poèle.
Nous sommes maintainant à la fonction UT 06. Les indications UT 06 et une valeur de temps exprimée en heures et en minutes sesuccident sur l'afficheur (8) du tableau du poèle. L'emploi des touches (augmentation) ou (2) bien (diminution) configure l'heure d'extinction du poèle pour ce programme. A chaque pression de la touche, l'horaire augmente ou diminue de 10 minutes. EnMAINANT LA touche enforcée, l'avancement ou le retour en arrêt de deviennent graduèlement plus rapides, ce qui permet d'effectuer rapidement de nombreuses modifications. Une fois que la tranche horsaire souhaïée est programmée, la mémoriser en appuyant sur la touche (3), ce qui portera automatiquement à la fonction UT 06.
PROGRAMME 1:programmation des jours actifs et déactivés.
Nous sommes à UT 07. Sur l'afficheur (8), la sigle UT 07 alterne avec l'une des sigles suivantes : ON 1, OFF 1, ON 2, OFF 2, ON 3, OFF 3, ON 4, OFF 4, ON 5, OFF 5, ON 6, OFF 6, ON 7, OFF 7, où les numérios correspondent chacun à un jour de la semaine (voir tableau) ON signifie “ACTIVÉ” et OFF signifie “DÉSACTIVÉ”. Dans la fonction UT 07, la touche ② fait défiler le numéro de référence des jours alors que la touche ① les active ou les désactive. Faire défiler alors les jours avec la touche ② et, avec la touche ① activer ou désactiver chaque jour un par un. Une fois la programmation terminée, valider en appuyant sur la touche ③ qui portera automatiquement à la fonction UT 08.
| 1 | Correspond au LUNDI |
| 2 | Correspond au MARDI |
| 3 | Correspond au MERCREDI |
| 4 | Correspond au JEUDI |
| 5 | Correspond au VENDREDI |
| 6 | Correspond au SAMEDI |
| 7 | Correspond au DIMANCHE |
Exemple : Programmez les heures d'allumage (7h30) et d'extinction (9h30) du programme 1, nous nous trouvons sur la fonction UT 07.
Nous souhaitons programmer le poèle de sorte que ce programme fonctionne le lundi, le mercredi et le vendredi.
- Appuyons ensuite sur la touche ② jusqu'à arriver à la position ON 1 ou bien OFF 1. Si apparait ON 1, ne rien faire, si apparait OFF 1, appuyer sur la touche ① pour faire apparaitre ON 1 (lundi acté).
- Maintenant appuyer une fois sur la touche ② pour arriver à la position ON 2 ou bien OFF 2 et de nouveau appuyer ou non sur la touche ① pour faire apparaitre OFF 2 (mardi désactisé).
- Appuyer une fois sur la touche ② pour arriver à la position ON 3 ou bien OFF 3 et ensuite appuyer ou non sur la touche ① pour faire apparaitre OFF 3 (mercredi activé).
- Appuyer une fois sur la touche ② pour arriver à la position ON 4 ou bien OFF 4 puis appuyer ou non sur la touche ① pour faire apparaitre OFF 4 (jeudi désactivement).
- Appuyer une fois sur la touche ② pour arriver à la position ON 5 ou bien OFF 5 et ensuite appuyer ou non sur la touche ① pour faire apparaitre OFF 5 (vendredi actifé).
- Appuyer une fois sur la touche ② pour arriver à la position ON 6 ou bien OFF 6 puis appuyer ou non sur la touche ① pour faire apparaitre OFF 6 (samedi désactivement).
- Appuyer une fois sur la touche ② pour arriver à la position ON 7 ou bien OFF 7 puis appuyer ou non sur la touche ① pour faire apparaitre OFF 7 (dimanche désactivement).
- Enfin, appuyer sur la touche ③ pour valider la programmation complète des activations du programme 1 et passer automatiquement à UT 08, c'est-à-dire au PROGRAMME 2.
| PROGRAMME 2 |
| Sigle sur l'afficheur (8) | UT 08 | UT 09 | UT 10 |
| Données à saisir | Horaire Allumage | Horaire Extinction | Jours actifs ou désactifs On/Off 1,2,3,4,5,6,7 |
Il s'agit du second des quatre programmes disponibles. Les modalités de programmation sont les mêmes que celles du programme précrit ci-dessus.
| PROGRAMME 3 |
| Sigle sur l'afficheur (8) | UT 11 | UT 12 | UT 13 |
| Données à saisir | Horaire Allumage | Horaire Extinction | Jours actifs ou désactifs
On/Off 1,2,3,4,5,6,7 |
C'est le troisième des quatre programmes disponibles. Les modalités de programmation sont les mêmes que le PROGRAMME 1.
| PROGRAMME 4 |
| Sigle sur l'afficheur (8) | UT 14 | UT 15 | UT 16 |
| Données à saisir | Horaire Allumage | Horaire Extinction | Jours actifs ou désactifs
On/Off 1,2,3,4,5,6,7 |
C'est le dernier des quatre programmes disponibles. Les modalités de programmation sont les mêmes que celles du PROGRAMME 1.
POUR SORTIR DE LA SEQUENCE DE PROGRAMMATION, APPUYER ENCORE UNE FOIS SUR LA TOUCHE 3 APRES ETRE ARRIVÉ A "UT 16".

REMARQUE IMPORTANTE :
Il faut compter 20 minutes à partir de l'allumage pour que le poèle produit de l'air suffisamment chaud et 10 minutes encore pour qu'il fonctionne à plein régime. Il faudra donc tenir compte de ces données pour programmermer l'heure d'allumage du poèle. De la même façon, l'extinction du poèle requiert environ 30 minutes pendant lesquilles la chaleur accumulée continue à se libérer dans la piece. Tenir compte de cet intervalle de temps permet de réaliser une economie de combustible non indifférente.
4.11. EXAMPLE DE PROGRAMMATION
Nous vous proposons un exemple de programmation complète dans lequel nous nous réferons à un cycle de chauffage hebdomadaire dans une maison toujours habitée, avec des occupants qui rentrent pour le déjeuner et en fin d'après-midi.
Durant les jours ouvrables, ils souhaitent trouver la maison chauffée au moment du réveil, du déjeuner et en revenant du travail, alors que le samedi et le dimanche, le chauffage devra toujours fonctionner.
PROGRAMME 1 (6h30 - 8h00 Lu, Ma, Me, Jeu, Ven)
| DESCRIPTION | ACTION | FONCTION | AFFICHEUR | CONFIRMATION/SAUVEG ARDE |
| Accès à la série de programmation | Touche 3 | UT 01 | Day 1...Day 7..Off | |
| Aujourd'hui nous sommes jeunesi (Day 4) | Touche ou | UT 01 | Day 4 | Touche 3 |
| Maintenant il est 18 h et ... | Touche ou | UT 02 | 18 | Touche 3 |
| 12 minutes | Touche ou | UT 03 | 12 | Touche |
| Fonction non utilisée (d'entretien) | | UT 04 | | Touche 3 |
| Programme 1 heures d'allumage du poèle : 6h30 (chaleur vers 7 h 00) | Touche ou | UT 05 | 6:30 | Touche 3 |
| Programme 1 heures d'extinction du poèle : 8h00 (refroidissement vers 8h30) | Touche ou | UT 06 | 08:00 | Touche 3 |
| PROGRAMME 1 jour activé : lundi | Touche 2 | UT 07 | ON 1 ou bien OFF 1 | |
| Programme 1 jour activé : lundi | Touche 1 | UT 07 | ON 1 | |
| Programme 1 jour activé : mardi | Touche 2 | UT 07 | ON 2 ou bien OFF 2 | |
| PROGRAMME 1 jour activé : mardi | Touche 1 | UT 07 | ON 2 | |
| Programme 1 jour activé : mercredi | Touche 2 | UT 07 | ON 3 ou bien OFF 3 | |
| Programme 1 jour activé : mercredi | Touche 1 | UT 07 | ON 3 | |
| Programme 1 jour activé :jeudi | Touche 2 | UT 07 | ON 4 ou bien OFF 4 | |
| Programme 1 jour activé :jeudi | Touche 1 | UT 07 | ON 4 | |
| Programme 1 jour activé : vendredi | Touche 2 | UT 07 | ON 5 ou bien OFF 5 | |
| Programme 1 jour activé : vendredi | Touche 1 | UT 07 | ON 5 | |
| Programme 1 jour désactifé : samedi | Touche 2 | UT 07 | ON 6 ou bien OFF 6 | |
| Programme 1 jour désactifé : samedi | Touche 1 | UT 07 | OFF 6 | |
| Programme 1 jour désactifé : dimanche | Touche 2 | UT 07 | ON 7 ou bien OFF 7 | |
| Programme 1 jour désactifé : dimanche | Touche 1 | UT 07 | OFF 7 | |
| Programme 1 CONFIRMATION/SAUVEGARDE | | UT 08 | | Touche 3 |
PROGRAMME 2 (11h30 -13h00 Lu, Ma, Me, Jeu, Ven)
| DESCRIPTION | ACTION | FONCTIO N | AFFICHEUR | CONFIRMATION/SAUVEGA RDE |
| Programme 2 heures d'allumage du poèle : 11h 30 (chaleur vers 12h 00) | Touche 1 ou 2 | UT 05 | 11 : 30 | Touche 3 |
| Programme 2 heures d'extinction du poèle : 13h 00 (refroidissement vers 13h 30) | Touche 1 ou 2 | UT 06 | 13 :00 | Touche 3 |
| Programme 2 jour activé : lundi | Touche 2 | UT 07 | ON 1 ou bien OFF 1 | |
| Programme 2 jour activé : lundi | Touche 1 | UT 07 | ON 1 | |
| Programme 2 jour activé : mardi | Touche 2 | UT 07 | ON 2 ou bien OFF 2 | |
| Programme 2 jour activé : mardi | Touche 1 | UT 07 | ON 2 | |
| Programme 2 jour activé : mercredi | Touche 2 | UT 07 | ON 3 ou bien OFF 3 | |
| Programme 2 jour activé : mercredi | Touche 1 | UT 07 | ON 3 | |
| Programme 2 jour activé :jeudi | Touche 2 | UT 07 | ON 4 ou bien OFF 4 | |
| Programme 2 jour activé :jeudi | Touche 1 | UT 07 | ON 4 | |
| Programme 2 jour activé : vendredi | Touche 2 | UT 07 | ON 5 ou bien OFF 5 | |
| Programme 2 jour activé : vendredi | Touche 1 | UT 07 | ON 5 | |
| Programme 2 jour désactifé : samedi | Touche 2 | UT 07 | ON 6 ou bien OFF 6 | |
| Programme 2 jour désactifé : samedi | Touche 1 | UT 07 | OFF 6 | |
| Programme 2 jour désactifé : dimanche | Touche 2 | UT 07 | ON 7 ou bien OFF 7 | |
| Programme 2 jour désactifé : dimanche | Touche 1 | UT 07 | OFF 7 | |
| Programme 2 CONFIRMATION/SAUVEGARDE | | UT 08 | | Touche 3 |
PROGRAMME 3 (16h30- 21h30 Lu, Ma, Me, Jeu, Ven)
| DESCRIPTION | ACTION | FONCTIO N | AFFICHEUR | CONFIRMATION/SAUVEGA RDE |
| Programme 3 heures d'allumage du poèle : 16h30 (chaleur vers 17 h 00) | Touche 1 ou 2 | UT 05 | 16 : 30 | Touche 3 |
| Programme 3 heures d'extinction du poèle : 21h30 (refroidissement vers 22h 00) | Touche 1 ou 2 | UT 06 | 21 :30 | Touche 3 |
| Programme 3 jour activé : lundi | Touche 2 | UT 07 | ON 1 ou bien OFF 1 | |
| Programme 3 jour activé : lundi | Touche 1 | UT 07 | ON 1 | |
| Programme 3 jour activé : mardi | Touche 2 | UT 07 | ON 2 ou bien OFF 2 | |
| Programme 3 jour activé : mardi | Touche 1 | UT 07 | ON 2 | |
| Programme 3 jour activé : mercredi | Touche 2 | UT 07 | ON 3 ou bien OFF 3 | |
| Programme 3 jour activé : mercredi | Touche 1 | UT 07 | ON 3 | |
| Programme 3 jour activé :jeudi | Touche 2 | UT 07 | ON 4 ou bien OFF 4 | |
| Programme 3 jour activé :jeudi | Touche 1 | UT 07 | ON 4 | |
| Programme 3 jour activé : vendredi | Touche 2 | UT 07 | ON 5 ou bien OFF 5 | |
| Programme 3 jour activé : vendredi | Touche 1 | UT 07 | ON 5 | |
| Programme 3 jour désactifé : samedi | Touche 2 | UT 07 | ON 6 ou bien OFF 6 | |
| Programme 3 jour désactifé : samedi | Touche 1 | UT 07 | OFF 6 | |
| Programme 3 jour désactifé : dimanche | Touche 2 | UT 07 | ON 7 ou bien OFF 7 | |
| Programme 3 jour désactifé : dimanche | Touche 1 | UT 07 | OFF 7 | |
| Programme 3 CONFIRMATION/SAUVEGARDE | | UT 08 | | Touche 3 |
PROGRAMME 4 (7h30 - 22h30 Sam, Dim)
| DESCRIPTION | ACTION | FONCTIO N | AFFICHEUR | CONFIRMATION/SAUVEGA RDE |
| Programme 4 heures d'albumage du poèle : 7h30 (chaleur vers 08 h 00) | Touche 1 ou 2 | UT 05 | 7 : 30 | Touche 3 |
| Programme 4 heures d'extinction du poèle : 22h30 (refroidissement vers 23h00) | Touche 1 ou 2 | UT 06 | 22 :30 | Touche 3 |
| Programme 4 jour non activé : lundi | Touche 2 | UT 07 | ON 1 ou bien OFF 1 | |
| Programme 4 jour non activé : lundi | Touche 1 | UT 07 | OFF 1 | |
| Programme 4 jour non activé : mardi | Touche 2 | UT 07 | ON 2 ou bien OFF 2 | |
| Programme 4 jour non activé : mardi | Touche 1 | UT 07 | OFF 2 | |
| Programme 4 jour non activé : mercredi | Touche 2 | UT 07 | ON 3 ou bien OFF 3 | |
| Programme 4 jour non activé : mercredi | Touche 1 | UT 07 | OFF 3 | |
| Programme 4 jour non activé :jeudi | Touche 2 | UT 07 | ON 4 ou bien OFF 4 | |
| Programme 4 jour non activé :jeudi | Touche 1 | UT 07 | OFF 4 | |
| Programme 4 jour non activé : vendredi | Touche 2 | UT 07 | ON 5 ou bien OFF 5 | |
| Programme 4 jour non activé : vendredi | Touche 1 | UT 07 | OFF 5 | |
| Programme 4 jour activé : samedi | Touche 2 | UT 07 | ON 6 ou bien OFF 6 | |
| Programme 4 jour activé : samedi | Touche 1 | UT 07 | ON 6 | |
| Programme 4 jour activé : dimanche | Touche 2 | UT 07 | ON 7 ou bien OFF 7 | |
| Programme 4 jour activé : dimanche | Touche 1 | UT 07 | ON 7 | |
| Programme 4 CONFIRMATION/SAUVEGARDE | | UT 08 | | Touche 3 |
Si l'un des programmes n'est pas utilisé, configurer chaque jour de la semaine relatif à ce programme en modalité OFF.
| DESCRIPTION | ACTION | FONCTIO N | AFFICHEUR | CONFIRMATION/SAUVEGA RDE |
| Programme 4 heures d'allumage du poèle : NON UTILISÉ | | UT .. | QUELCONQUE | Touche 3 |
| Programme 4 heures d'extinction du poèle : NON UTILISÉ | | UT .. | QUELCONQUE | Touche 3 |
| Programme 4 jour non activé : lundi | Touche 2 | UT .. | ON 1 ou bien OFF 1 | |
| Programme 4 jour non activé : lundi | Touche 1 | UT .. | OFF 1 | |
| Programme 4 jour non activé : mardi | Touche 2 | UT .. | ON 2 ou bien OFF 2 | |
| Programme 4 jour non activé : mardi | Touche 1 | UT .. | OFF 2 | |
| Programme 4 jour non activé : mercredi | Touche 2 | UT .. | ON 3 ou bien OFF 3 | |
| Programme 4 jour non activé : mercredi | Touche 1 | UT .. | OFF 3 | |
| Programme 4 jour non activé :jeudi | Touche 2 | UT .. | ON 4 ou bien OFF 4 | |
| Programme 4 jour non activé :jeudi | Touche 1 | UT .. | OFF 4 | |
| Programme 4 jour non activé : vendredi | Touche 2 | UT .. | ON 5 ou bien OFF 5 | |
| Programme 4 jour non activé : vendredi | Touche 1 | UT .. | OFF 5 | |
| Programme 4 jour non activé : samedi | Touche 2 | UT .. | ON 6 ou bien OFF 6 | |
| Programme 4 jour non activé : samedi | Touche 1 | UT .. | OFF 6 | |
| Programme 4 jour non activé : dimanche | Touche 2 | UT .. | ON 7 ou bien OFF 7 | |
| Programme 4 jour non activé : dimanche | Touche 1 | UT .. | OFF 7 | |
| Programme 4 CONFIRMATION/SAUVEGARDE | | UT .. | | Touche 3 |
4.12. MESURES DE SECURITÉ
Le poèle est équipé des dispositifs de sécurité suivants :
- PRESSOSTAT
Il contrôle la pression dans le conduit de fumée. Il sert à bloquer la vis sans fin de chargement des granulés de bois au cas où la sortie de fumées serait bouchée et en cas de contre-pressions importantes (vent).
SONDE TEMPERATURE FUMÉES
Elle relève la température des fumées et fait partir ou arrête le poële lorsque la température des fumées descend au-dessous de la valeur programmée.
Si la température dépasse la valeur de sécurité programmee, ce système interrompt immédiatement le fonctionnement du poèle et dans ce cas il sera nécessaire de réarmer manuellement la sonde pour le faire redémarrer le poèle (voir paragraphe 4.12.3).
SONDE TEMPERATURE A BOULE DU RÉSERVOIR D'EAU
Si la température dépasse la valeur de sécurité programmes, ce système interrompt immédiatement le fonctionnement du poèle et dans ce cas il sera nécessaire de réarmer manuellement la sonde pour le faire redémarrer le poèle (voir paragraphe 4.12.3).
SONDA DE TEMPERATURE EAU
Si la température de l'eau s'approche de la température de blocage (85^) , la sonde impose au poèle d'effectuer une série de cycles de refroidissement ou l'extinction automatique "ECO-STOP" pour éviter le blocage de la sonde de température à boule décrite ci-dessus.
- TRANSDUCTEUR DE PRESSION
Si la pression à l'intérieur de l'installation hydraulique n'est pas comprise à l'intérieur des paramètres de fonctionnement (0,5 bar < T < 2,5 bar), le poèle s'éteint automatiquement.
SECURITE ÉLECTRIQUE
Le poèle est protégé contre les violents écarts de courant avec un fusible général qui se trouve sur le tableau de commande situé à
l'arrière du poèle. D'autres fusibles pour la protection des cartes électroniques (carte mère et carte échangeur) sont présents sur cellesci.
VENTILATEUR FUMÉES
Si le ventilateur s'arrête, la carte électronique bloque immédiatement la fourniture de granulés de bois et un message d'alarme apparait sur l'afficheur.
MOTORÉDUCTEUR
Si le motoréducteur s'arrête, le poèle continue à fonctionner jusqu'à ce que ne s'éteigne la flamme pour absence de combustible ou jusqu'à ce qu'il atteigne le niveau minimum de refroidissement.
- ABSENCE MOMENTANÉE DE COURANT ÉLECTRIQUE
Après une brève coupure d'électricité, il se met automatiquement en mode refroidissement.
ALLUMAGE MANQUE
Si pendant la phase d'allumage aucune flamme n'apparait, le poèle se met en position d'alarme.
FONCTION ANTIGEL
Si la sonde introduite à l'intérieur de la chaudière relève une température de l'eau inférieure à 5^ , la pompe de circulation s'active automatiquement afin d'éviter la congélation de l'installation.
FONCTION ANTI-BLOCAGE DE LA POMPE
En cas de non utilise prolongée de la pompe, celle-ci s'active à intervals réguliers pendant 10 secondes afin d'éviter qu'elle ne se bloque.


IL EST INTERDIT DE MANIPULER LES DISPOSITIFS DE SECURITE.
Il ne sera possible d'allumer le poèle qu'aupres avoir eliminé la cause qui a déclenché le système de sécurité et après avoir rétabli le fonctionnement. Pour comprendre la nature de l'anomalie survenue, consulter leprésent manuel (paragraphe 4.10.1) qui explique comment intervenir en fonction du message d'alarme affché.

Attention!
Si le poèle N'EST PAS UTILISÉ de la façon prescrite dans la presente notice, le fabricant decline toute responsabilité en cas de dommages matériels et corporels. En outre, le fabricant decline toute responsabilité en cas de dommages causés aux personnes ou aux choses suite à la non observance de toutes les règles reportées dans ce manuel et notamment si :
- Lors des travaux d'entretien, de nettoyage et de réparation, ne sont pas adoptées toutes les mesures et/ou les précautions nécessaires.
- Les dispositifs de sécurité sont manipulés ou enlevés.
Le poèle n'est pas raccordé à un système d'évacuation des fumées efficace.
N'est pasprésentue une aération déquate dans la piece où est installé le poèle
L'installation hydraulique ne respecte pas les dispositions de loi et les normes en vigueur dans le pays d'installation
4.12.1. Signalisation des alarmes
Le poèle est équipé d'un système de contrôle informatisé ; en cas d'anomalie de fonctionnement, il informe l'utilisateur à travers l'afficheur (8) sur l'origine et la gravité de la panne.
Le tableau suivant résumé les principales alarmes signalées

| Indication sur l'afficheur (8) | Type de problème | Solution |
| ALAR DEP FAIL | Obstruction du conduit de sortie des fumées ou contre-pression causée par le vent à l'extérieur. | Contrôler et nettoyer TOUT le conduit de fumée ou vérifier que le vent à l'extérieur n'empêche la sortie des fumées (installer une sortie de toit anti-refouleur) |
| ALAR FAN FAIL | Vitesse du ventilateur trop BASSE ou ventilateur éteint Le ventilateur d'aspiration de fumées est bloqué. | Vérifier le niveau de nettoyage et contrôler que la saleté ne ralentisse pas le ventilateur. Si après nettoyage le problème persiste, remplaçer le ventilateur des fumées |
| ALAR SOND FUMI | La sonde des fumées est en court-circuit | Remplacer la sonde fumées |
| ALAR SIC FAIL | La sécurité qui contrôle le réserve des granulés de bois s'est déclenchée. Une surchauffe due à un mauvais fonctionnement a eu lieu | Contrôler les paramètres du dosage utilisé.L'échangeur ne fonctionne pas.Le poème est utilisé trop longtemps au maximum de ses performances. |
| ALAR HOT TEMP | Cela a lieu lorsque la température des fumées atteint et reste trop longtemps au dessus de 180°. | Effectuer le nettoyage interieur de l'échangeur et faire fonctionner pendant moins de temps le poème au maximum de ses performances. Contrôler aussi la qualité des granulés de bois. |
| ALAR NO ACC | Ce message apparait lorsque la première tentative d'allumage ne réussit pas. | S'il s'agit d'un premier allumage, rallumer ou bien contrôler le niveau des granulés de bois dans le réservoir. Contrôler la bougie d'allumage |
| ALAR PRES | Ce message apparait lorsque la pression de l'installation n'est pas comprise dans les limites minimum ou maximum spécifiées | Régler la pression de l'installation avec le robinet de réintégration. |
| ALAR NO FIRE | Ce message apparait lorsque le poèle s'éteint et lorsque la température de la sonde des fumées est inférieure à celle du seuil programme. | Cela dérive d'une extinction de la flamme causée par un encrassement ou bien lorsque les granulés de bois sont terminés dans le réservoir. |
| ALLAR TEMP.PELLET | La température du réserve des granulés de bois dépasse le seuil de sécurité prévu.Surchauffe de la structure. | La structure est trop chaude soitarda que le produit a fonctionné trop longtemps à la puissance maximale, soitarda qu'elle n'est pas suffisamment ventilée, soitarda que les ventilateurs de l'air sont en panne. Éteindre le poèle en appuyant sur le bouton 5 du tableau de commande, et attendre qu'il se refroidisse. Le poèle pourrait être rallumé lorsque la procédure de refroidissement sera terminée. |
4.12.2. Autres messages sur l'afficheur
Le tableau suivant résumé les messages qui peuvent apparaitre sur l'afficheur du tableau de commande.
| INDICATION SUR TABLEAU DE COMMANDE | SIGNIFICATION |
| off | Le poèle est étant |
| fan acc | Séquence d'allumage initial |
| load wood | Chargement des granulés de bois (pellet) |
| fire on | Séquence d'allumage et réglage de la flamme |
| Eco stop | Le poèle en modalité automatique s'éteint une fois atteinte la température |
| 20° C | Exemple de température ambiente |
| 62° C | Exemple de température ambiente |
| UT 01, UT02,... | paramètres utilisateurs pour programmer I'heure, les tranches horaires, etc ... |
| day1,,,,7 | Jours de la semaine |
| configuration | Configuration du mode de fonctionnement du poèle (Par ex. SET MAN = Poèle programme en mode manuel) |
| Alar fan fail | Le ventilateur fumées présente un problème |
| stop fire | Exécution en automatique du nettoyage du pot de combustion durant la tranche horsaire programmée |
| mcz spa | mcz spa |
| cool fire | Le poèle se trouve en modalité de refroidissement |
| alar dep fail | Le pressostat est en fonction et signale un problème au niveau de l'évacuation des fumées. |
| alarm sond fumi | La sonde fumées ne fonctionne pas correctement |
| alar no acc | Allumage manqué |
| alar no fire | Il n'y a pas de feu dans le poèle |
| Alar pres | Pression à l'intérieur de l'installation supérieure ou inférieure aux limites (0,5 bar < Pressure installation > 2,5 bar) |
| alar fail sic | Alarmé thermique Excès de chaleur dans l'unité. |
4.12.3. Blocage du poêle
Les causes pouvant etre a l'origine du blocage du poele sont les suivantes:
- Surchauffe de l'unité et du réservoir des granulés de bois
- Surchauffe de l'eau dans la chaudière (T > 85^)
Haute pression des fumées en sortie (relevée par le pressostat) et par conséquent possible obstruction de la sortie de fumées ou présence de contre-pressions extérieures.
- Pression à l'intérieur de l'installation inférieure ou supérieure aux paramètres minimum ou maximum de fonctionnement
Le blocage est signalé par levoyant lumineux (7) qui s'allume, accompagnée d'un bip sonore.
Dans ce cas, la phase d'extinction du poèle s'active automatiquement.
Lorsque cette procédure est en cours, toute opération visant à rétablier le système sera inutile.
L'afficheur (8) indique l'origine du blocage.
4.12.3.1. Thermostat à bulbe de la chaudière
Le poèle se met en état d'ALARME de sécurité, appelé "ALAR SIC FAIL", causé par un excès de température de l'eau.
Uniquement lorsque le poèle est froid, pour effectuer le réarmement manuel il faut dévisser le capuchon de la sonde thermostatique située au dos du poèle et appuyer sur la touche rouge pour effectuer le réarmement ; vous entendrez un léger cliç mécanique du thermostat. Remettre le capuchon de protection. Figures 7 et 8.
4.12.3.2. Thermostat de sécurité du réservoir des granulés de bois En cas de surchauffe du réservoir des granulés de bois, le poèle se met en état d'ALARME de sécurité,appele "ALAR SIC FAIL".
Les poèles MCZ sont équipés de deux types de thermostat de sécurité :
- À réarmement manuel
- à réarmement automatique
Si deux thermostats sont placés dans la partie arrière pres du bouton de mise en marche (voir fig. 7 et 8), alors le thermostat du réservoir est à réarmement manuel. Si au contraire le panneau arrêté ne dispose que d'un seul thermostat, le dispositif de sécurité du réservoir est à réarmement automatique. (fig.9).

Figure 9 - Touche de réarmement de la sonde à boule


Uniquement lorsque le poèle est froid, pour effectuer le réarmement manuel il faut dévisser le capuchon de la sonde thermostatique située au dos du poèle et appuyer sur la touche rouge pour effectuer le réarmement ; vous entendrez un léger cliç mécanique du thermostat. Remettre le capuchon de protection. Figures 7 et 8.
THERMOSTAT À RÉARMEMENT AUTOMATIQUE
Dans ce cas, le poèle est équipé d'un thermostat à réarmement automatique qui se déclenché en cas d'excess de température.
Pour quitter la condition d'alarme, l'utilisateur doit eteindre le poele en appuyant sur le bouton "5", puis attendre que la structure et le réservoir se refroidissant afin de permettre au thermostat de se rearmer automatiquement (environ 20 minutes après le declenchement de l'alarme). Il sera ensuite possible de rallumer l'appareil.

Réarmement automatique
4.12.3.3. Evacuation des fumées
- Si l'indication "ALAR DEP FAIL" apparait :
il faut contrôler si TOUT le conduit de fumée,,chambre de combustion comprise, est propre et ne présente pas d'obstruction. (il est conseillé de faire effectuer cette opération à un technicien agreé MCZ)
Ce n'est qu'après avoir définitivement éliminé la cause du blocage que le.POèle pourra être rallumé.
4.12.3.4. Pression à l'intérieur del l'installation
- Si l'indication "ALAR PRES" apparait :
il est nécessaire de pouvoir à la réintégration de l'installation pour pouvoir respecter les paramètres de pression minimum ou maximum avec lesquels peut fonctionner le poèle (voir chapitre 4.6)
4.13. EXTINCTION DU POÊLE
Le poèle peut être eteint à tout moment et qu'elle que soit la position de fonctionnement sur laquelle il se trouve.

NE JAMAIS ETEINDRE LE POÉLE EN COUPANT L'ÉLECTRICITE.
Attendez toujours que la phase d'extinction se termine car, dans le cas contraire, vous risqueriez d'endommager l'unité et de rencontres des problèmes lors des allumages suivants.

Pour éteindre le poèle, appuyer quelques secondes sur la touche ⑤.
L'indication "OFF" apparaitra sur l'afficheur LCD (8). À partir de ce moment la phase d'extinction commence et la vis sans fin entrainant les granulés de bois s'arrête tandis que l'aspiration des fumées et l'échangeur d'air chaud continues à fonctionner jusqu'à ce que la température du poèle se soit suffisamment abaisseé.
Le veritable arrêt du poèle n'aura lieu qu'après 20-30 minutes et, quoi qu'il en soit, pas avant que la température des fumées ne soit descendue au-dessous de 50^ C.
Ceci afin que les fumées de combustion soient acheminées dans le conduit de fumée par l'aspirateur.
En outre, la chaleur absorbée par la structure du poèle sera totalement récapurée.
4.14. KIT PRODUCTION EAU SANITAIRE (Option) Uniquement pour poêles POLAR-NOVA
Les poèles POLAR et NOVA peuvent être munies aussi d'un kit complet pour la production d'eau sanitaire composé de :
- Échangeur à plaques
Vanne de déviation à 3 voies
Flussostat
Tuyaux et raccords pour le raccordement
Le kit, deja prémonté par la maison de fabrication MCZ, a pour but de chauffer l'eau sanitaire provenant du circuit hydrique de l'habitation.
Lorsqu'il y a demande d'eau chaude, en ouvrant le robinet, le flussostat interieur commande à la vanne de déviation d'acheminer l'eau chaude, contue à l'intérieur de la chaudière, vers l'échangeur à plaques. La température de l'eau sanitaire dépend beaucoup de la température de l'eau à l'intérieur de l'ss installation de chauffage et peut être approximativement calculée en enlevant 10^ - 15^ à la valeur lue sur le tableau de commande du poèle (température eau dans la chaudière).
Au cas où le poèle serait en ECO-STOP et qu'il y aurait demande d'eau sanitaire, le poèle, 30 secondes après la demande, commence automatiquement le procédé d'allumage pour chauffer à l'intérieur de la chaudière et successivement l'eau sanitaire.


Pour un correct fonctionnement de l'échangeur à plaques dans le temps, il est nécessaire de connaître la durée de l'eau de l'installation afin d'éviter les incrustations.
Si la durée de l'eau de l'habitation est élevé, il est conseillé d'inverter en avant un adoucisseur (voir chapitre 3.4.3)
Il est conseilé de manutentionner annuellement l'échangeur à plaques afin d'éliminer les sédiments de calcaire et sels minéraux ou de replacer les plaques chauffantes avec de nouvelles plaques. Ces pieces sont fournies par MCZ.
5. ENTRETIEN ET NETTOYAGE DU POÉLE

ATTENTION!
Toutes les opérations de nettoyage des différentes parties du poèle doivent être effectuées lorsque le poèle est complètement froid et que la prise électrique est débranchée.
Si vous utilisez des granulés de bois de qualité homologues, voiture poèle ne nécessitera pas d'entretien féquent. La nécessité d'entretien augmente selon les temps de fonctionnement et les modifications des prestations requises.

Figure 1 - Exemple de pot de combustion sale
5.1. NETTOYAGES INCOMBANT A L'UTILISATEUR
5.1.1. Nettoyage avant chaque allumage
Nettoyer le pot de combustion avec une petite brosse pour éliminer les éventuelles incrustations qui pourrait obroir les orifices prévus pour le passage de l'air. Fig. 1-2.

Ne pas oublier que seul un pot de combustion propre et bien entretenu peut garantir le fonctionnement optimal de votre poèle à granulés de bois.
Un simple contrôle visuel, effectué tous les jours, suffit à vous renseigner sur l'état du pot de combustion.

Figure 2 - Exemple de pot de combustion propre
Pour nettoyer le pot de combustion de façon efficace, l'extraire complètement de son logement et nettoyer à fond tous les orifices et la grille placée sur le fond. Normalement, si vous utilisez des granulés de bois de bonne qualité, un pinceau suffira pour reporter le pot de combustion dans les meilleures conditions de fonctionnement ; pour des incrustations tenaces, servez-vous de l'outil en acier fourni avec le poèle.
5.1.2. Contrôle tous les 2/3 jours
Nettoyer et vider les tiroirs à cendres en faisant attention à la cendre chaude. Figure 2
N'utiliser un aspirateur pour éliminer les cendres que si celles-ci sont complètement froides. Dans ce cas, utiliser un aspirateur en mesure d'éliminer des particules d'une certaine dimension, type "aspirateur bidon". Notre expérience et la qualité des granulés de bois employés détermineront la fréquence nécessaire aux nettoyages de votre poèle.
Quoi qu'il en soit, il est recommandé de nettoyer le poète au moins tous les 2 ou 3 jours. Une fois que le nettoyage est terminé, referrer les tiroirs à cendres en vérifier qu'ils sont bien fermés.
5.1.3. Nettoyage de la vitre
Pour le nettoyage de la vitre en vitrocéramique, il est conseilé d'utiliser un pinceau sec ou, si elle est juste sale, de vaporiser une petite quantité de produit dénergent spécifique que vous essuieren ensuite avec un chiffon doux. Figure 4


Figure 3 - Nettoyage du compartment de récapuration des cendres

ATTENTION!
Ne pas vaporiser le produit détergent sur les parois laquées ni sur les joints de la porte (cordon en fibre de céramique)
5.1.4. Nettoyage de l'échangeur de chaleur et du faisceau tubulaire
Le nettoyage de l'échangeur de chaleur et du faisceau tubulaire est une opération très importante pour toujours maintainir un rendement élevé et les prestations de chauffage du poèle déclarées par MCZ.
Il est donc conseillée de :
Tous les 30 jours et lorsque le poèle est froid nettoyer les parois internes du foyer en acier, surtout le fond, avec un gratoir, afin d'éliminer les incrustations causées par la suie. Les incrustations font fonction d'isolant et plus elles sont épaisses, moins est la chaleur qui se transmet à l'eau et à la structure en général.
Tous les 7 jours et lorsque le poèle est froid nettoyer le faisceau tubulaire interne. Pour effectuer cette opération, il suffit d'agir avec un peu de force sur la poignée située derrière l'ouverture presente audressus de la porte du foyer (derrière la céramique frontale supérieure). Tirer et pousser 5-6 fois sur la poignée de façon à ce que le grattoir interne puisse enlever la suite déposée sur les tuyaux. Figure 5

Un constant nettoyage du faisceau tubulaire évite l'incrustation de celui-ci et prévient l'encrassement et le blocage du dispositif de nettoyage.
5.1.5. Nettoyage des surfaces en inox et satinées
Normalement, il n'est pas nécessaire deTRAITER ces surfaces et eviter de les nettoyer avec des matieres abrasifs. Pour les surfaces en acier inox et satinées, il est conseilé d'utiliser un chiffon papier ou un chiffon sec et propre imbibé d'un détergent à base de tensioactifs non ioniques (< 5%). Un détergent en bombe pour vitres et miroirs conviendra également.
5.1.6. Nettoyage des parties laquées
Éviter de nettoyer les parties laquées lorsque le produit est en marche ou chaud, avec des chiffons imbibés d'eau afin d'éviter le chic thermique de la peinture qui se détacherait par la suite. Ne pas utiliser de produits ou de matériel abrasifs ou agressifs.
Les nettoyer avec un chiffon en papier ou avec du coton humide.

Les peintures siliconiques utilisées pour peindre les produits MCZ ont des propriétés techniques de première qualité qui en permettent la résistance à de très haute températures.
Il existe cependant une limite physique (380^ - 400^) au-delà de laquelle la peinture perd ses caractéristiques et commence à "blanchir" ou bien (au-delà de 450^ ) "se vitrifie" et peut s'effeuiller de la surface en acier.
Si de tels effets se produit cette signifie qu'ont ete atteentes des températures bien au-delà de celles avec lesquelles le produit devrait fonctionner.

Figure 4 - Nettoyage de la vitre
Figure 5 - Nettoyage faisceau tubulaire interne avec le grattoir
5.2. NETTOYAGES INCOMBANT À UN TECHNICIEN SPÉCIALISÉ
5.2.1. Nettoyage de l'échangeur de chaleur
Lorsque le poèle est froid, enlever le dessus supérieur en majolique pour acceder aux bouchons de nettoyage de l'échangeur de chaleur.
Ouvrir les bouchons supérieurs (Figure 6) et à l'aide d'une tige rigide ou d'une Brosse pour bouteilles, gratter les parois du foyer de façon à faire tomber la cende.
Toujours avec le poèle éteint, ouvrir la porte inférieure du compartment prévu pour la cendre, extraire le tiroir à cendres derrière lequel est situé le grand bouchon de nettoyage (Figure 7). Ouvrir aussi ce bouchon et avec l'aspirateur enlever toute la cendre et la suite accumulée dans l'échangeur de chaleur et dans le ventilateur d'aspiration des fumées.
Nettoyer le système de sortie des fumées, plus particulièrement autour des raccords en T et des tronçons horizontally.
Pour toute information, s'adresser à un ramoneur.

ATTENTION :Pour votre sécurité, la fréquence du nettoyage du système d'évacuation des fumées devra être déterminée en fonction du mode d'utilisation du poèle.
Vérifier la tenue des joints en fibre de céramique de la porte du poèle.
S'ils sont à remplacer, commandez de nouveaux joints auprès de votre revendeur.
En fin de saison, il est nécessaire de nettoyer le compartmentitué sous le pot de combustion et l'intérieur de l'échangeur de chaleur.
Ce nettoyage général doit être effectué en fin de saision de manière à faciliter l'élimination générale de tous les résidus de combustion, sans trop tarder car avec le temps et l'humidité ces résidus pourrait se compacter.
5.2.2. Mise hors service (fin de saison)
Durant la période d'inactivité, débrancher le poèle. Pour plus de sécurité et notamment en présence d'enfants, il est recommendé de débrancher le cable d'alimentation situé à l'arrière du poèle. Fig. 31 (Figure 8)
En fin de saison, il est conseilé de vider complètement le réservoir des granulés de bois à l'aide d'un aspirateur muni d'un tube long car si le combustible reste à l'intérieur du poèle, il peut absorber l'humidité, s'empaqueter et rendre difficile l'allumage du poèle au moment de la mise en service la saison suivante.
Si vous déplacez le poèle de son lieu d'installation, il FAUDRA l'entreposer dans un lieu à l'abri des intempéries.
Si en appuyant sur l'interrupteur général situé au dos du poèle, l'afficheur du tableau de commande ne s'éclaire pas, il faudra probably remplaner le fusible de service.
Bouchons latéraux
pour le nettoyage
interne de I'échangeur


Figure 6 - Bouchons latéraux pour le nettoyage interne
Figure 7 - Bouchon inférieur

Figure 8 - Debrancher le poèle

ATTENTION!
Débrancher le cable d'alimentation.
Vous trouvrez un compartment portes-fusibles situé sous la prise électrique. Ouvrir le couvercle du portes-fusibles sous la prise électrique à l'aide d'un tournevis et remplacer les fusibles si nécessaire (3,15 AT retardé). Figure 9
Rebrancher la prise électrique et appuyer sur l'interrupteur général.
Si le problème persististe ou si le fusible devait sauter une nouvelle fois, s'adresser au revendeur agreé MCZ.
5.3. CONTROLLE DES COMPOSANTS INTERNES

ATTENTION!
Le contrôle des composants électriques et mécaniques internes devra être effectué exclusivement par un personnel qualifié et spécialisé dans ce domaine. Informez-vous auprès des revendeurs agrésés MCZ pour connaître les techniciens les plus pres de chez vous.
Il est recommandé d'effectuer cet entretien périodique (en stipulant un contrat d'assistance technique programme par exemple) qui consiste en un contrôle visuel et un contrôle du fonctionnement des composants suivants :
Motoréducteur
- Ventilateur expulsion fumées
- Sonde fumées
- Ventilateur échangeur
Bougied/allumage
Thermostat a réarmement granulés de bois
- Sonde ambiente
- Pressostat
- Carte mère/Carte services
- Fusibles de protection tableau de commande - carte mère - carte services
Cablage

COMPARTIMENT FUSIBLES
Figure 9 - Interrupteur avec compartment pour fusions
Les interventions de contrôle et/ou d'entretien indispensablees pour un fonctionnement correct de votre poèle sont résumées ci-dessous :
| Parties / période | Tous les jours | Tous les 2-3 jours | Tous les 30 jours | Tous les 60-90 jours | Tous les ans |
| Brûleur | ● | | | | |
| Tiroir à cendres | | ● | | | |
| Vitre | | ● | | | |
| Échangeur inf. | | | ● | | |
| Échangeur complet | | | | ● | |
| Conduit de fumées | | | ● | | |
| Joint porte Tiroir à cendres | | | | ● | |
| Parties internes | | | | | ● |
| Conduit de fumée | | | | | ● |
| Pompe circulation | | | | | ● |
| Échangeur à plaques | | | | | ● |
| Composants hydrauliques | | | | | ● |
| Composants électro-mécanique | | | | | ● |
6. PANNES / CAUSES / SOLUTIONS

ATTENTION : Toutes les réparations doivent exclusivement être effectuées par un technicien spécialisé, lorsque le poèle est étéint et que la prise électrique est débranchée.
| PROBLÉMES | CAUSES POSSIBLES | SOLUTIONS |
| Les granulés de bois ne sont pas introduits dans la chambre de combustion. | 1. Réservoir des granulés de bois vide.
2. Vis sans fin bloquée.
3. Panne du moto réducteur de la vis sans fin
4. Carte électrique défectueuse. | 1. Remplir le réserve des granulés de bois.
2. Vider le réserve et débloquer la vis sans fin.
3. Remplacer le motoréducteur
4. Remplacer la carte électrique. |
| Le feu s'éteint ou le poèle s'arrête automatiquement. | 1. Réservoir des granulés de bois vide.
2. Les granulés de bois n'alimentent pas la,chambre de combustion.
3. Intervention de la sonde de sécurité de température des granulés de bois.
4. La portecn est pas parfaitement fermée ou les joints sont usés.
5. Granulés de bois non appropriés.
6. Faible arrivée de granulés de bois.
7. Chambre de combustion sale.
8. Sortie de fumées obstruée.
9. Pressostat en panne ou défectueux.
10.Moteur extraction fumées endommagé. | 1. Remplir le réserve des granulés de bois.
2. Voir solution précédente.
3. Laisser le poèle refroidir complètement, rétablir le thermostat jusqu'à ce que le bloc s'éteigne et rallumer le poèle; si le problème persiste, s'accuser au service d'assistance technique.
4. Fermer la portec ou faire remplacer les joints avec des joints d'origine.
5. Changer de type de granulés de bois en le choisisant dans une catégorie préconisée par le fabricant.
6. Vérifier le dosage et le réglage.
7. Nettoyer la,chambre de combustion en suivant les instructions de la notice.
8. Ramoner le conduit de fumée.
9. Remplacer le pressostat.
10. Vérifier et, évientuellesment, remplaner le moteur. |
| Le poèle fonctionné quelques minutes puis s'éteint. | 1. La phase d'allage n'est pas terminée.
2. Absence momentanée de courant électrique.
3. Conduit de fumée obstrué.
4. Sonde de température défectueuse ou en panne.
5. Bougie endommagée. | 1. Répéter l'allumage.
2. Voir instruction précédente.
3. Ramoner le conduit de fumée.
4. Vérifier et remplaner la sonde.
5. Vérifier et remplaner la bougie. |
| Les granulés de bois s'accumulent dans le pot de combustion, la vitre de la porte se salit et la flamme est faible. | 1. Manque d'air de combustion.
2. Granulés de bois humides ou inadaptés.
3. Moteur aspiration fumées en panne. | 1. Nettoyer le pot de combustion et contrôle que tous les orifices sont libres.Effectuer un nettoyage général de la chambre de combustion et ramoner le conduit de fumée.
Controler si l'entrée d'air n'est pas bouchée.
Vérifier l'état des joints de la porte.
Changer le type de granulés de bois.
Vérifier et, évientuellesment, remplaner le moteur. |
| Le moteur d'expiration des fumées ne fonctionne pas. | 1. Le poèle ne recoit pas de courant électrique.
2. Le moteur est endommagé.
3. La carte mère est défectueuse.
4. Le tableau de commande ne fonctionne pas. | 1. Vérifier la tension du secteur d'alimentation et le fusible de protection.
2. Vérifier le moteur et le condenseur et, évientuelles, les replacer.
3. Remplacer la carte électronique.
4. Remplacer le tableau de commande. |
| Le ventilateur de l'air de convection ne s'accête jamais. | 1. Sonde thermique de contrôle de la température défectueuse ou endommagée.
2. Ventilateur endommagé
3. Carte silencieuse du ventilateur endommagé | 1. Vérifier le fonctionnement de la sonde et, évientuelles, la replacer.
2. Vérifier le fonctionnement du moteur et, évientuelles, le replacer.
3. Remplacer la carte silencieuse. |
| En mode automatique, le poèle fonctionné toujours à la puissance maximum. | 1. Thermostatprogrammé au minimum
2. Thermostat ambient en position qui relève toujours le froid.
3. La sonde de détention température est endommagée.
4. Tableau de commande défectueux ou ne fonctionnant pas. | 1. Régler de nouveau la température du thermostat.
2. Modifier la position de la sonde
3. Vérifier la sonde et évientuelles, la replacer.
4. Vérifier le tableau de commande et, évientuelles, le replacer. |
| Le poèle ne démarre pas. | 1. Absence de courant électrique.
2. Sonde granulés de bois bloquée.
3. Fusible endommagé.
4. Le pressostat ne fonctionné pas (il signale un blocage).
5. Évacuation ou conduit de fumée obstrué. | 1. Contröler si la prise électrique est branchée et si l'interrupteur général est sur la position "I".
2. Débloquer la sonde en agissant sur le thermostat postérieur. Si cela se produit de nouveau, replacer le thermostat.
3. Remplacer le fusible.
4. Remplacer le pressostat.
5. Nettoyer la sortie des fumées et/ou ramoner le conduit de fumée. |
PROBLEMES LIÉS À L'INSTALLATION HYDRAULIQUE
| PROBLÉMES | CAUSES POSSIBLES | SOLUTIONS |
| Absence d'augmentation de température avec poèle fonctionnant | 1. Mauvais réglage de la combustion.2. Chaudière / installation sales.3. Puisance poèle insuffisant.4. Type de granulés de bois de mauvaise qualité | 1. Contrôle dosage et paramètres.2. Contr Roleser nettoyer la chaudière.3. Contrôler que le poèle soit proportionné à la demande de l'installation.4. Utilisation de granulés de bois MCZ |
| Condensation dans la chaudière | 1. Mauvais réglage de la température.2. Consommation combustible insuffisant. | 1. Régler le poèle à une température plus élevé2. Contrôle du dosage et/ou paramètres techniques |
| Radiateurs froids en hiver | 1. Thermostat ambient (local ou à distance) régle trop bas. Si thermostat à distance contrôle s'il est défectueux.
2. Le circulator ne tourne parce que bloqué.
3. Le circulator ne tourne pas.
4. Radiateurs avec air à l'intérieur | 1. Le régler à une température plus élevé, évolutement le replacer. (si à distance)
2. Débloquer le circulator en enlevant le bouchon et faire tourner l'arbre avec un tournevis.
3. Contrôler les connexions électriques de celui-ci, évolutement le replacer.
4. Purger les radiateurs |
| Variabilité élevée de température de l'eau Sanitaire | 1. Débit d'eau trop bas | 1. Augmenter le début de l'eau (minimum 3 l par minute) |
| Trop peu d'eau Sanitaire sort | 1. Pression insuffisante de l'eau dans le réseau
2. Robinet ou mélangeur obstrués par le calcaire
3. Groupe eau obstrué | 1. Contrôler le réglage de la vanne réductrice de pression.
2. Installer un réservoir autoclave
3. Contrôler et nettoyer
4. Nettoyer et replacer l'échangeur à plaques |
| L'eau chaude ne sort pas | 1. Circulateur (pompe) bloqué | 1. Débloquer le circulateur (pompe) |

ATTENTION!
Les opérations sou lignées en italique doivent être effectues exclusivement par un personnel/agréé MCZ.
Le fabricant decline toute responsabilité et annule la garantie au cas où cette condition ne serait pas respectée.
7. SCHÉMAS ÉLECTRIQUES et PIEÇES DÉTACHERÉS
7.1. SCHEMA ÉLECTRIQUE POLAR-NOVA Hydro SANS KIT EAU SANITAIRE


Cables electriques sous tension
Débrancher le cordon
d'alimentation 230V avant
d'effectuer toute opération sur les
- PROGRAMMATION
- CARTE MÈRE
- PUPITRE
- VENTILATEUR AIR CHAUD
- NEUTRE
- 230V CA
- PHASE
- VENTILATEUR FUMÉES
- ÉCHANGEEUR
- DISPOSITIONIF DE SECURITE À RÉARMEMENT PELLETS
- PRESSOSTAT
- BOUGIE
- VIS SANS FIN
- SONDE FUMÉES
-
VENTILATEUR FUMÉES
-
MOTOREDUCTEUR
- SONDE FUMÉES ROUGE +
- BLEU -
- THERMOSTAT EXTERNE
- SONDE D'AMBIANCE
- SONDE H2O
- GND
- SIGNAL
- +5 V
- SONDES DE TEMPERATURE
- CONNECTEUR SERIEL
- TRANSDUCTEUR DE PRESSION
- POMPE
- KLIXON
- THERMOSTAT Å BULBE
7.2. SCHEMA ÉLECTRIQUE POLAR-NOVA Hydro AVEC KIT EAU SANITAIRE

- CARTE SERVICES
- CARTE MÈRE
- VENTILATEUR AIR CHAUD
- PROGRAMMATION
- PUPITRE
- NEUTRE
- 230V CA
- PHASE
- VENTILATEUR FUMÉES
- ÉCHANGEEUR
- SONDE FUMÉES
- VENTILATEUR FUMÉES
- BOUGIE
- MOTOREDUCTEUR
- VIS SANS FIN
-
PRESSOSTAT
-
DISPOSITIF DE SECURITE À RÉARMEMENT PELLETS
- SONDE FUMÉES ROUGE +
- BLEU -
- THERMOSTAT EXTERNE
- SONDE D'AMBIANCE
- SONDE H2O
- GND
- SIGNAL
- +5 V
- SONDES DE TEMPERATURE
- THERMOSTAT Å BULBE
- KLIXON
- CONNECTEUR SERIEL
- TRANSDUCTEUR DE PRESSION
- KIT EAU SANITAIRE
- POMPE
7.3. SCHEMA ÉLECTRIQUE ATHOS Hydro sans KIT EAU SANITAIRE


Cables
electriques sous
tension
Débrancher le
cordon
d'alimentation
230V avant
d'effectuer toute
opération sur les
fiches
- PUPITRE
- PROGRAMMATION
- FICHE MÈRE
- NEUTRE
- 230V CA
- PHASE
- DISPOSITIF DE SECURITE À RÉARMEMENT PELLETS
- PRESSOSTAT
- BOUGIE
- VIS SANS FIN
- SONDE FUMÉES
- VENTILATEUR FUMÉES
- POMPE
- MOTOREDUCTEUR
-
TRANSDUCTEUR DE PRESSION
-
SONDES DE TEMPERATURE
- +5V
- SIGNAL
- GND
- SONDE H2O
- SONDE D'AMBIANCE
- THERMOSTAT EXTERNE
- BLEU -
- SONDE FUMÉES ROUGE +
- THERMOSTAT Å BULBE
- KLIXON
- CONNECTEUR SERIEL
MCZ
MCZ SPA
Via Guglielmo Oberdan n° 86