CRMT - HAUTE TEMPÉRATURE 300°C - Ventilateur industriel UNELVENT - Notice d'utilisation et mode d'emploi gratuit
Retrouvez gratuitement la notice de l'appareil CRMT - HAUTE TEMPÉRATURE 300°C UNELVENT au format PDF.
| Intitulé | Description |
|---|---|
| Type de produit | Ventilateur UNELVENT CRMT |
| Température maximale | 300°C |
| Applications | Utilisé dans des environnements à haute température, tels que les cuisines professionnelles et les installations industrielles. |
| Dimensions | Dimensions spécifiques à vérifier selon le modèle. |
| Poids | Poids spécifique à vérifier selon le modèle. |
| Alimentation électrique | Alimentation secteur, spécifications à vérifier selon le modèle. |
| Puissance | Puissance nominale à vérifier selon le modèle. |
| Fonctions principales | Circulation d'air à haute température, refroidissement et ventilation. |
| Entretien et nettoyage | Nettoyage régulier recommandé pour maintenir l'efficacité, suivre les instructions du fabricant. |
| Pièces détachées et réparabilité | Disponibilité des pièces détachées à vérifier auprès du fabricant. |
| Sécurité | Respecter les normes de sécurité en vigueur lors de l'utilisation à haute température. |
| Informations générales | Vérifier les spécifications techniques avant l'achat pour s'assurer de la compatibilité avec l'installation. |
FOIRE AUX QUESTIONS - CRMT - HAUTE TEMPÉRATURE 300°C UNELVENT
Questions des utilisateurs sur CRMT - HAUTE TEMPÉRATURE 300°C UNELVENT
0 question sur cet appareil. Repondez a celles que vous connaissez ou posez la votre.
Poser une nouvelle question sur cet appareil
Téléchargez la notice de votre Ventilateur industriel au format PDF gratuitement ! Retrouvez votre notice CRMT - HAUTE TEMPÉRATURE 300°C - UNELVENT et reprennez votre appareil électronique en main. Sur cette page sont publiés tous les documents nécessaires à l'utilisation de votre appareil CRMT - HAUTE TEMPÉRATURE 300°C de la marque UNELVENT.
MODE D'EMPLOI CRMT - HAUTE TEMPÉRATURE 300°C UNELVENT

Les plus
- Haute température de flux d'air : 300°C en continu
- Dispositif de dissipation de chaleur
- Refoulement orientable
Gamme
8 Modèles - Débits de 2350 à 15930 m3/h - Moteur 1 vitesse 4 ou 6 pôles
Applications
- Ventilation de machine
- Processus industriel
Systèmes
Soudure
Industrie
- Caractéristiques générales
Volute et roue renforcées en acier peinture époxy polyester - Roue à action en acier galvanisé - Accouplement direct - Moteurs IP 55 Classe F - Triphase 230/400V - 50 Hz jusqu'à 3 kW - Triphase 400V - 50 Hz pour les puissances supérieures - Moteurs variables par convertisseur de fréquence - Moteur monté sur chassis et hors flux d'air

Roua a action
Dissipation de chaleur
■ Options (sur demande)
- Moteurs 2 vitesses 2/4 pôles
- Orientations RD/LG (voir ci-dessous)
Désignation

1-: Nom de gamme 2-: Nombre de pôles 4-: moteur 4 pôles (1500 tr/min) 6-: moteur 4 pôles (1500 tr/min)
3-: Diamètre de raccordement
4-: Largeur de roue (mm) 5-: Puissance moteur (kW) 6-: Orientation du refoulement (voir ci-dessous)
Orientations
- Versions standard : les appareils sont livrés en orientation LG 270, les autres versions sont réalisées sur demande

HAUTE Temperature série CRMT - 300°C
- Caractéristiques techniques
| Référence | Code | Puisance moteur(kW) | Intensité maximumabsorbée (A) | Débitmaximum(m3/h) | Niveau depression sonore*(dB(A)) | Poids(kg) | |
| 230 V | 400 V | ||||||
| Moteur triphasé 4 pôles | |||||||
| CRMT/4-225/90-0,55 | 325 580 | 0,55 | 2,85 | 1,65 | 2350 | 71 | 23,5 |
| CRMT/4-250/100-1,1 | 325 581 | 1,1 | 4,8 | 2,8 | 3600 | 72 | 33 |
| CRMT/4-250/100-1,5 | 325 582 | 1,5 | 6,4 | 3,7 | 3900 | 72 | 36 |
| CRMT/4-280/115-2,2 | 325 583 | 2,2 | 9,1 | 5,3 | 5050 | 75 | 44,5 |
| CRMT/4-280/115-3 | 325 584 | 3 | 12,6 | 7,3 | 5500 | 75 | 47,5 |
| CRMT/4-315/130-2,2 | 325 585 | 2,2 | 9,1 | 5,3 | 5450 | 72 | 50,5 |
| CRMT/4-315/130-3 | 325 586 | 3 | 12,6 | 7,3 | 6400 | 75 | 53,5 |
| CRMT/4-315/130-4 | 325 587 | 4 | - | 9,3 | 7100 | 78 | 56,5 |
| CRMT/4-355/145-3 | 325 588 | 3 | 12,6 | 7,3 | 6200 | 75 | 55,5 |
| CRMT/4-355/145-4 | 325 589 | 4 | - | 9,3 | 7700 | 78 | 58,5 |
| CRMT/4-355/145-5,5 | 325 590 | 5,5 | - | 12 | 9300 | 81 | 71,5 |
| CRMT/4-355/145-7,5 | 325 591 | 7,5 | - | 15,5 | 10700 | 82 | 79,5 |
| CRMT/4-400/165-4 | 325 592 | 4 | - | 9,3 | 7200 | 77 | 73,5 |
| CRMT/4-400/165-5,5 | 325 593 | 5,5 | - | 12 | 8300 | 80 | 86,5 |
| CRMT/4-400/165-7,5 | 325 594 | 7,5 | - | 15,5 | 10460 | 83 | 94,5 |
| CRMT/4-450/185-5,5 | 322 891 | 5,5 | - | 12 | 7560 | 83 | 96,5 |
| CRMT/4-450/185-7,5 | 322 892 | 7,5 | - | 15,5 | 9900 | 86 | 104,5 |
| CRMT/4-500/205-7,5 | 322 895 | 7,5 | - | 15,5 | 8410 | 83 | 109,5 |
| CRMT/4-500/205-9,2 | 322 896 | 9,2 | - | 21,5 | 10300 | 85 | 121,5 |
| CRMT/4-500/205-11 | 322 893 | 11 | - | 22,5 | 11250 | 87 | 133,5 |
| CRMT/4-500/205-15 | 322 894 | 15 | - | 31 | 15930 | 89 | 148,5 |
| Moteur triphasé 6 pôles | |||||||
| CRMT/6-355/145-1,5 | 325 595 | 1,5 | 7,5 | 4,3 | 6700 | 72 | 54,5 |
| CRMT/6-400/165-2,2 | 325 596 | 2,2 | 10,8 | 6,2 | 7750 | 73 | 73,5 |
| CRMT/6-450/185-2,2 | 325 597 | 2,2 | 10,8 | 6,2 | 7800 | 76 | 83,5 |
- Niveau de pression sonore indiqués sont des niveaux de pression acoustique en dB(A) mesurés à 1,5 m en dB(A) en champ libre, au soufflage et au débit maximum
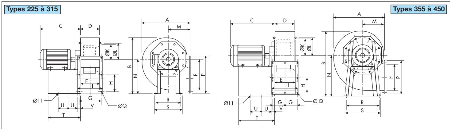
Dimensions (mm)

| Type CRMT | A | B | C max | D | E | F | G | H | I | K | L | M | N | P | Q | R | S | T | U | V |
| 225/90 | 388 | 454 | 300 | 143 | 140 | 216 | 180 | 128 | 203 | 234 | 256 | 181 | 280 | 279 | 10,5 | 220 | 250 | 235 | 3x50 | 29 |
| 250/100 | 427 | 503 | 290 | 168 | 165 | 250 | 205 | 145 | 228 | 252 | 282 | 197 | 310 | 313 | 10,5 | 228 | 260 | 225 | 3x74 | 27 |
| 280/115 | 467 | 547 | 320 | 183 | 180 | 300 | 220 | 170 | 243 | 292 | 320 | 215 | 340 | 363 | 10,5 | 245 | 275 | 240 | 2x95 | 27 |
| 315/130 | 525 | 630 | 340 | 203 | 200 | 320 | 240 | 180 | 263 | 325 | 354 | 238 | 390 | 383 | 11 | 322 | 352 | 230 | 2x140,5 | 20 |
| 355/145 | 566 | 707 | 435 | 231 | 227 | 280 | 133 | 159 | 291 | 365 | 394 | 250 | 445 | 343 | 11 | 420 | 450 | 333 | 2x136,5 | 30 |
| 400/165 | 628 | 792 | 435 | 254 | 249 | 320 | 150 | 185 | 334 | 410 | 438 | 270 | 495 | 404 | 11 | 402 | 438 | 327 | 2x133,5 | 30 |
| 450/185 | 704 | 892 | 486 | 288 | 383 | 360 | 164 | 202 | 368 | 460 | 485 | 302 | 560 | 444 | 11 | 502 | 538 | 327 | 2x140,0 | 30 |
| 500/205 | 790 | 980 | 702 | 319 | 314 | 454 | 182,5 | 250 | 409 | 510 | 535 | 345 | 610 | 544 | 11 | 613 | 653 | 540 | 2x187,5 | 30 |
Moto-ventilateurs centrifuges HAUTE temperature série CRMT - 300°C
Accessoires de montage

| Type CRMT | ①Grille | ②Bride d'aspiration | ③Bride de refoulement |
| 225/90 | KRJ-225 | KBA-225 | KBD-225 |
| 250/100 | KRJ-250 | KBA-250 | KBD-250 |
| 280/115 | KRJ-280 | KBA-280 | KBD-280 |
| 315/130 | KRJ-315 | KBA-315 | KBD-315 |
| 355/145 | KRJ-355 | KBA-355 | KBD-355 |
| 400/165 | KRJ-400 | KBA-400 | KBD-400 |
| 450/185 | KRJ-450 | KBA-450 | KBD-450 |
| 500/205 | KRJ-500 | KBA-500 | KBD-500 |
1 KRJ
Grille de protection à l'aspiration
(2) KBA
Bride circulaire à l'aspiration
(3) KBD
Bride rectangulaire au refoulement
| Type CRMT | A | B | C | Ø D | E | F | G | H | Ø I | Ø J | Ø K | Ø L | M | N |
| 225/90 | 279 | 219 | 143 | 224 | 256 | 180 | 203 | 45 | 10 | 256 | 280 | 9 | 65 | 8 |
| 250/100 | 313 | 253 | 168 | 250 | 290 | 205 | 228 | 45 | 10 | 282 | 306 | 9 | 65 | 8 |
| 280/115 | 363 | 303 | 183 | 280 | 340 | 220 | 243 | 50 | 10 | 320 | 348 | 9 | 65 | 8 |
| 315/130 | 383 | 323 | 203 | 315 | 360 | 240 | 263 | 50 | 11 | 354 | 382 | 9 | 65 | 8 |
| 355/145 | 343 | 283 | 231 | 355 | 318 | 266 | 291 | 50 | 11 | 394 | 422 | 9 | 65 | 8 |
| 400/165 | 404 | 324 | 254 | 400 | 370 | 300 | 334 | 55 | 11 | 438 | 464 | 9 | 65 | 8 |
| 450/185 | 444 | 364 | 288 | 450 | 404 | 328 | 368 | 55 | 11 | 485 | 515 | 9 | 65 | 8 |
| 500/205 | 544 | 454 | 319 | 500 | 500 | 365 | 409 | 60 | 11 | 535 | 565 | 9 | 65 | 8 |
Accessoires - codification - prix HT
- Grille de protection
| Référence | Code |
| KRJ-225 | 973 938 |
| KRJ-250 | 974 034 |
| KRJ-280 | 974 035 |
| KRJ-315 | 974 036 |
| KRJ-355 | 974 037 |
| KRJ-400 | 974 038 |
| KRJ-450 | 973 960 |
| KRJ-500 | 974 039 |
- Brides d'aspiration
| Référence | Code |
| KBA-225 | 970 831 |
| KBA-250 | 970 809 |
| KBA-280 | 973 833 |
| KBA-315 | 973 949 |
| KBA-355 | 973 870 |
| KBA-400 | 974 045 |
| KBA-450 | 974 046 |
| KBA-500 | 974 047 |
- Bride de soufflage
| Référence | Code |
| KBD-225 | 970 837 |
| KBD-250 | 970 807 |
| KBD-280 | 973 998 |
| KBD-315 | 973 950 |
| KBD-355 | 973 871 |
| KBD-400 | 974 048 |
| KBD-450 | 973 945 |
| KBD-500 | 974 049 |
- Variateur de fréquence, voir page 416
- Caractéristiques acoustiques
Spectres des puissances sonores en dB(A) par bande de fréquence en (Hz).
| SPECTRES DE PUISSANCE SONORE | ||||||||
| Description | 63 Hz | 125 Hz | 250 Hz | 500 Hz | 1000 Hz | 2000 Hz | 4000 Hz | 8000 Hz |
| 4 pôles | ||||||||
| CRMT/4-225/90-0,55 | 55 | 67 | 74 | 75 | 80 | 81 | 77 | 73 |
| CRMT/4-250/100-1,1 | 56 | 69 | 75 | 76 | 81 | 82 | 78 | 75 |
| CRMT/4-250/100-1,5 | 56 | 69 | 75 | 76 | 81 | 82 | 78 | 75 |
| CRMT/4-280/115-1,1 | 59 | 72 | 78 | 79 | 84 | 85 | 81 | 78 |
| CRMT/4-280/115-1,5 | 59 | 72 | 78 | 79 | 84 | 85 | 81 | 78 |
| CRMT/4-315/130-2,2 | 56 | 69 | 75 | 76 | 81 | 82 | 78 | 75 |
| CRMT/4-315/130-3 | 59 | 72 | 78 | 79 | 84 | 85 | 81 | 78 |
| CRMT/4-315/130-4 | 62 | 75 | 81 | 82 | 87 | 88 | 84 | 81 |
| CRMT/4-355/145-3 | 59 | 72 | 78 | 79 | 84 | 85 | 81 | 78 |
| CRMT/4-355/145-4 | 62 | 75 | 81 | 82 | 87 | 88 | 84 | 81 |
| CRMT/4-355/145-5,5 | 65 | 78 | 84 | 85 | 90 | 91 | 87 | 84 |
| CRMT/4-355/145-7,5 | 66 | 79 | 85 | 86 | 91 | 92 | 88 | 85 |
| CRMT/4-400/165-4 | 61 | 74 | 80 | 81 | 86 | 87 | 83 | 80 |
| CRMT/4-400/165-5,5 | 64 | 77 | 83 | 84 | 89 | 90 | 86 | 83 |
| CRMT/4-400/165-7,5 | 67 | 80 | 86 | 87 | 92 | 93 | 89 | 86 |
| CRMT/4-450/185-5,5 | 67 | 80 | 86 | 87 | 92 | 93 | 89 | 86 |
| CRMT/4-450/185-7,5 | 70 | 83 | 89 | 90 | 95 | 96 | 92 | 89 |
| CRMT/4-500/205-7,5 | 67 | 80 | 86 | 87 | 92 | 93 | 89 | 86 |
| CRMT/4-500/205-9,2 | 69 | 82 | 88 | 89 | 94 | 95 | 91 | 88 |
| CRMT/4-500/205-11 | 71 | 84 | 90 | 91 | 96 | 97 | 93 | 90 |
| CRMT/4-500/205-15 | 73 | 86 | 92 | 93 | 98 | 99 | 95 | 92 |
| 6 pôles | ||||||||
| CRMT/6-355/145-1,5 | 56 | 69 | 72 | 80 | 80 | 81 | 76 | 72 |
| CRMT/6-400/165-2,2 | 58 | 70 | 73 | 81 | 81 | 82 | 78 | 74 |
| CRMT/6-450/185-2,2 | 60 | 73 | 76 | 84 | 84 | 85 | 80 | 76 |
| TOTAL | |
| Puisance | Pression |
| 4 pôles | |
| 85 | 71 |
| 87 | 72 |
| 87 | 72 |
| 90 | 75 |
| 90 | 75 |
| 87 | 72 |
| 90 | 75 |
| 93 | 78 |
| 90 | 75 |
| 93 | 78 |
| 96 | 81 |
| 97 | 82 |
| 92 | 77 |
| 95 | 80 |
| 98 | 83 |
| 98 | 83 |
| 101 | 86 |
| 98 | 83 |
| 100 | 85 |
| 102 | 87 |
| 104 | 89 |
| 6 pôles | |
| 86 | 72 |
| 87 | 73 |
| 90 | 76 |
Courbes caractéristiques
- Q = Débit en m^3/h et m^3/s - Pst = Pression statique en Pa. Air sec normal à 20 °C et 760 mmHg.
- Essais en accord avec: BS 848; Part 1; AMCA 210 - 85; ASHRAE 51-1985; ISO CD-5801.

Courbes caractéristiques
- Q = Débit en m^3/h et m^3/s - Pst = Pression statique en Pa. Air sec normal à 20 °C et 760 mmHg.
- Essais en accord avec: BS 848; Part 1; AMCA 210 - 85; ASHRAE 51-1985; ISO CD-5801.


Notice Facile