CMPB/T - ANTI-CORROSION - Ventilateur industriel UNELVENT - Notice d'utilisation et mode d'emploi gratuit
Retrouvez gratuitement la notice de l'appareil CMPB/T - ANTI-CORROSION UNELVENT au format PDF.
| Type de produit | UNELVENT CMPB/T - ANTI-CORROSION |
|---|---|
| Caractéristiques techniques principales | Protection contre la corrosion, adapté pour les environnements humides et agressifs |
| Utilisation | Conçu pour les systèmes de ventilation, les conduits et les équipements exposés à l'humidité |
| Maintenance et réparation | Vérifier régulièrement l'état du produit, appliquer un nouveau traitement anti-corrosion si nécessaire |
| Sécurité | Utiliser des gants et des lunettes de protection lors de l'application, éviter le contact avec la peau |
| Informations générales utiles | Produit conforme aux normes de sécurité en vigueur, consulter la fiche technique pour des détails supplémentaires |
FOIRE AUX QUESTIONS - CMPB/T - ANTI-CORROSION UNELVENT
Questions des utilisateurs sur CMPB/T - ANTI-CORROSION UNELVENT
0 question sur cet appareil. Repondez a celles que vous connaissez ou posez la votre.
Poser une nouvelle question sur cet appareil
Téléchargez la notice de votre Ventilateur industriel au format PDF gratuitement ! Retrouvez votre notice CMPB/T - ANTI-CORROSION - UNELVENT et reprennez votre appareil électronique en main. Sur cette page sont publiés tous les documents nécessaires à l'utilisation de votre appareil CMPB/T - ANTI-CORROSION de la marque UNELVENT.
MODE D'EMPLOI CMPB/T - ANTI-CORROSION UNELVENT
Série CMPB/T 2 et TMPB/T- ANTI-CORROSION

Les plus
- Anticorrosif : Polypropylène injecté (PPH)
- Moteur en dehors du flux d'air
- Visserie inox
Applications
Laboratoires
- Locaux industriels
- Locaux techniques
Gamm
- 7 Modèles
- Moto-ventilateurs
- Débits de 80 à 4240 m3/h

Industrie

Chimie

Laboratoire
medical
- Caracteristiques générales
Moto-ventilateur - CMPB/T
- Volute polypropylene orientable 6 positions (orientation standard LG0)
disponible en RD sauf 14, 20A et 30) - Résiste aux U.V
- Refoulement circulaire ou rectangulaire (modèles «A»)
- Turbine à action en polypropylene avec moyeu renforcé
- Chaise support nylon polypropylene ou métallique acier galvanisé selon modele
Moteur IP 55 - 1 vitesse monophasée 230V - 50 Hz - 2, 4 ou 6 pôles
- 1 vitesse triphasée 230V/400V - 50 Hz - 2, 4, 6 ou 8 pôles
Evacuation des condensats

Refoulement bride circulaire

Refoulement bride rectangulaire Modèles «A»

Aspiration bride circulaire
Toureilles - TMPB/T
- Tourelles centrifuges pour installation en toiture (modèle de base avec habillage de souche)
- aspiration de 125 à 315 mm
- Fabrication polypropylene

Version tourelle
TMPB/T
Orientations
| Vue Côté Moteur | LG Rotation Standard RS | ||||||
| POSITION | 0 | 45 | 90 | 135 | 270 | 315 | |
| RD Rotation Inverse RI |
Désignation

1- : Nom de gamme
2-: Type d'alimentation
T: tri 230/400V ou tri 400V
B : mono 230V (en option)
3- : Vitesse de rotation moteur :
2 : moteur 2 pôles (2900 tr/mn)
4:moteur 4poles (14500 tr/mn)
6:moteur 6poles (950 tr/mn)
4- : Type de moteur
5-: Orientation
■ Options
- 2 vitesses triphaseses 400V - 50Hz , bobinage independant 4/6 pôles
50 Hz, bobinage Dalhander 2/4 ou 4/8 pôles - Version ATEX excepte taule 24 et 25A en orientation LG uniquement
MOTO-VENTILATEURS CENTRIFUGES POLYPROPYLENE
Série CMPB/T 2 - ANTI-CORROSION
- Caracteristiques techniques
| Type | Code | Vitesse de rotation (tr/mn) | Taille moteur (mm) | Puisance moteur (kW) | Intensité maximum (A) | Débit (m3/h) | Niveau de pression sonore* (dB(A)) | Poids (kg) | |
| 230 V | 400 V | ||||||||
| Monophasés | |||||||||
| CMPB/2-14-0,18 kW | 321 300 | 2900 | 63 | 0,18 | 1,53 | 730 | 60 | 4,5 | |
| CMPB/2-20-1,1 kW | 321 301 | 2900 | 80 | 1,10 | 7,9 | 2100 | 72 | 13 | |
| CMPB/2-20A-0,55 kW | 321 302 | 2900 | 71 | 0,55 | 4,21 | 900 | 68 | 11 | |
| CMPB/4-14-0,18 kW | 321 303 | 1450 | 63 | 0,18 | 1,74 | 350 | 45 | 4,5 | |
| CMPB/4-20-0,18 kW | 321 304 | 1450 | 63 | 0,18 | 1,74 | 1220 | 60 | 8 | |
| CMPB/4-20A-0,18 kW | 321 305 | 1450 | 63 | 0,18 | 1,74 | 530 | 54 | 9 | |
| CMPB/4-24-0,55 kW | 321 306 | 1450 | 80 | 0,55 | 4,39 | 3400 | 61 | 15 | |
| CMPB/4-25-0,55 kW | 321 307 | 1450 | 80 | 0,55 | 4,39 | 2680 | 60 | 15 | |
| CMPB/4-25A-0,25 kW | 321 308 | 1450 | 71 | 0,25 | 2,06 | 1100 | 66 | 10 | |
| CMPB/4-30-1,1 kW | 321 309 | 1450 | 90 | 1,10 | 7,09 | 4240 | 69 | 29 | |
| CMPB/6-20-0,18 kW | 321 310 | 950 | 71 | 0,18 | 1,8 | 850 | 51 | 8 | |
| CMPB/6-24-0,18 kW | 321 311 | 950 | 71 | 0,18 | 1,6 | 1830 | 52 | 13 | |
| CMPB/6-25-0,18 kW | 321 312 | 950 | 71 | 0,18 | 1,6 | 1810 | 51 | 13 | |
| CMPB/6-30-0,37 kW | 321 313 | 950 | 80 | 0,37 | 2,7 | 2750 | 60 | 25 | |
| Triphasés | |||||||||
| CMPT/2-14-0,18 kW | 321 314 | 2900 | 63 | 0,18 | 0,56 | 0,97 | 730 | 60 | 4,5 |
| CMPT/2-20-1,1 kW | 321 315 | 2900 | 80 | 1,10 | 2,50 | 4,33 | 2100 | 72 | 13 |
| CMPT/2-20A-0,55 kW | 321 316 | 2900 | 71 | 0,55 | 1,35 | 2,34 | 900 | 68 | 11 |
| CMPT/2-24-2,2 kW | 321 317 | 2900 | 90 | 2,20 | 4,37 | 7,57 | 2900 | 73 | 26 |
| CMPT/2-25A-1,5 kW | 321 318 | 2900 | 90 | 1,50 | 3,35 | 5,80 | 1660 | 78 | 17 |
| CMPT/4-14-0,18 kW | 321 319 | 1450 | 63 | 0,18 | 0,63 | 1,09 | 350 | 45 | 4,5 |
| CMPT/4-20-0,18 kW | 321 320 | 1450 | 63 | 0,18 | 0,63 | 1,09 | 1220 | 60 | 8 |
| CMPT/4-20A-0,18 kW | 321 321 | 1450 | 63 | 0,18 | 0,63 | 1,09 | 530 | 54 | 9 |
| CMPT/4-24-0,55 kW | 321 322 | 1450 | 80 | 0,55 | 1,40 | 2,42 | 2400 | 61 | 15 |
| CMPT/4-25-0,55 kW | 321 323 | 1450 | 80 | 0,55 | 1,40 | 2,42 | 2680 | 60 | 15 |
| CMPT/4-25A-0,25 kW | 321 324 | 1450 | 71 | 0,25 | 0,74 | 1,28 | 1100 | 66 | 10 |
| CMPT/4-30-1,1 kW | 321 325 | 1450 | 90 | 1,10 | 2,59 | 4,49 | 4340 | 69 | 29 |
| CMPT/6-20-0,18 kW | 321 326 | 950 | 71 | 0,18 | 0,64 | 1,11 | 850 | 51 | 8 |
| CMPT/6-24-0,18 kW | 321 327 | 950 | 71 | 0,18 | 0,64 | 1,11 | 1630 | 52 | 13 |
| CMPT/6-25-0,18 kW | 321 328 | 950 | 71 | 0,18 | 0,64 | 1,11 | 1810 | 51 | 13 |
| CMPT/6-30-0,37 kW | 321 329 | 950 | 80 | 0,37 | 1,04 | 1,80 | 2760 | 60 | 25 |
^念 à 1,5 m en champ libre
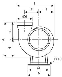
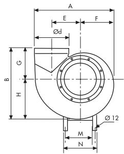
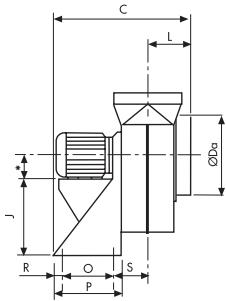
Dimensions (mm)

CMP 14, 20, 24, 25


CMP 20A et 25A


CMP 30

* voir taille moteur dans le tableau caractéristiques techniques
| Type | A | B | C | Da | E | F | G | H | J | L | M | N | O | P | R | S | a | b | d |
| CMP 14 | 325 | 284 | 317 | 125 | 103 | 118 | 189 | 136 | 130 | 72 | 175 | 200 | 130 | 200 | 35 | 80 | - | - | 125 |
| CMP 20 | 501 | 418 | 420 | 200 | 148 | 170 | 300 | 201 | 200 | 120 | 215 | 240 | 170 | 240 | 35 | 95 | - | - | 200 |
| CMP 24 | 520 | 570 | 487 | 250 | 185 | 210 | 320 | 250 | 250 | 129 | 255 | 280 | 175 | 280 | 53 | 130 | - | - | 250 |
| CMP 25 | 520 | 570 | 487 | 250 | 185 | 210 | 320 | 250 | 250 | 129 | 255 | 280 | 175 | 280 | 53 | 130 | - | - | 250 |
| CMP 20A | 349 | 325 | 370 | 160 | 140 | 157 | 148 | 177 | 200 | 85 | 215 | 240 | 170 | 240 | 35 | 80 | 105 | 90 | - |
| CMP 25A | 433 | 394 | 444 | 160 | 175 | 193 | 175 | 219 | 250 | 104 | 255 | 280 | 175 | 280 | 53 | 112 | 130 | 115 | - |
| CMP 30 | 598 | 545 | 565 | 315 | 222 | 251 | 245 | 300 | 310 | 185 | 234 | 260 | 175 | 275 | 50 | 155 | - | - | 250 |
MOTO-VENTILATEURS CENTRIFUGES POLYPROPYLENE
Série TMPB/T- ANTI-CORROSION
- Caractéristiques techniques
| Type | Code | Vitesse de rotation (tr/mn) | Taille moteur (mm) | Puisance moteur (kW) | Intensité maximum (A) | Débit (m3/h) | Niveau de pression sonore* (dB(A)) | Poids (kg) | |
| 230 V | 400 V | ||||||||
| Monophasés | |||||||||
| TMPB/2-14-0,18 kW | 321 330 | 2900 | 63 | 0,18 | 1,53 | 730 | 60 | 4,5 | |
| TMPB/2-20-1,1 kW | 321 331 | 2900 | 80 | 1,10 | 7,9 | 2100 | 72 | 13 | |
| TMPB/2-20A-0,55 kW | 321 332 | 2900 | 71 | 0,55 | 4,21 | 900 | 68 | 11 | |
| TMPB/4-14-0,18 kW | 321 333 | 1450 | 63 | 0,18 | 1,74 | 350 | 45 | 4,5 | |
| TMPB/4-20-0,18 kW | 321 334 | 1450 | 63 | 0,18 | 1,74 | 1220 | 60 | 8 | |
| TMPB/4-20A-0,18 kW | 321 335 | 1450 | 63 | 0,18 | 1,74 | 530 | 54 | 9 | |
| TMPB/4-24-0,55 kW | 321 336 | 1450 | 80 | 0,55 | 4,39 | 3400 | 61 | 15 | |
| TMPB/4-25-0,55 kW | 321 337 | 1450 | 80 | 0,55 | 4,39 | 2680 | 60 | 15 | |
| TMPB/4-25A-0,25 kW | 321 338 | 1450 | 71 | 0,25 | 2,06 | 1100 | 66 | 10 | |
| TMPB/4-30-1,1 kW | 321 339 | 1450 | 90 | 1,10 | 7,09 | 4240 | 69 | 29 | |
| TMPB/6-20-0,18 kW | 321 340 | 950 | 71 | 0,18 | 1,8 | 850 | 51 | 8 | |
| TMPB/6-24-0,18 kW | 321 341 | 950 | 71 | 0,18 | 1,6 | 1830 | 52 | 13 | |
| TMPB/6-25-0,18 kW | 321 342 | 950 | 71 | 0,18 | 1,6 | 1810 | 51 | 13 | |
| TMPB/6-30-0,37 kW | 321 343 | 950 | 80 | 0,37 | 2,7 | 2750 | 60 | 25 | |
| Triphasés | |||||||||
| TMP/T2-14-0,18 kW | 321 344 | 2900 | 63 | 0,18 | 0,56 | 0,97 | 730 | 60 | 4,5 |
| TMP/T2-20-1,1 kW | 321 345 | 2900 | 80 | 1,10 | 2,50 | 4,33 | 2100 | 72 | 13 |
| TMP/T2-20A-0,55 kW | 321 346 | 2900 | 71 | 0,55 | 1,35 | 2,34 | 900 | 68 | 11 |
| TMP/T2-24-2,2 kW | 321 347 | 2900 | 90 | 2,20 | 4,37 | 7,57 | 2900 | 73 | 26 |
| TMP/T2-25A-1,5 kW | 321 348 | 2900 | 90 | 1,50 | 3,35 | 5,80 | 1660 | 78 | 17 |
| TMP/T4-14-0,18 kW | 321 349 | 1450 | 63 | 0,18 | 0,63 | 1,09 | 350 | 45 | 4,5 |
| TMP/T4-20-0,18 kW | 321 350 | 1450 | 63 | 0,18 | 0,63 | 1,09 | 1220 | 60 | 8 |
| TMP/T4-20A-0,18 kW | 321 351 | 1450 | 63 | 0,18 | 0,63 | 1,09 | 530 | 54 | 9 |
| TMP/T4-24-0,55 kW | 321 352 | 1450 | 80 | 0,55 | 1,40 | 2,42 | 2400 | 61 | 15 |
| TMP/T4-25-0,55 kW | 321 353 | 1450 | 80 | 0,55 | 1,40 | 2,42 | 2680 | 60 | 15 |
| TMP/T4-25A-0,25 kW | 321 354 | 1450 | 71 | 0,25 | 0,74 | 1,28 | 1100 | 66 | 10 |
| TMP/T4-30-1,1 kW | 321 355 | 1450 | 90 | 1,10 | 2,59 | 4,49 | 4340 | 69 | 29 |
| TMP/T6-20-0,18 kW | 321 356 | 950 | 71 | 0,18 | 0,64 | 1,11 | 850 | 51 | 8 |
| TMP/T6-24-0,18 kW | 321 357 | 950 | 71 | 0,18 | 0,64 | 1,11 | 1630 | 52 | 13 |
| TMP/T6-25-0,18 kW | 321 358 | 950 | 71 | 0,18 | 0,64 | 1,11 | 1810 | 51 | 13 |
| TMP/T6-30-0,37 kW | 321 359 | 950 | 80 | 0,37 | 1,04 | 1,80 | 2760 | 60 | 25 |
- à 1,5 m en champ libre
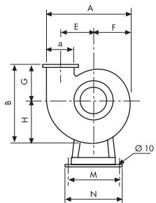
Dimensions (mm)
| Type | A | B | C* | D | E | F | G | H | J | K |
| TMPB/TMPT 14 | 378 | 512 | 293 | 125 | 50 | 89 | 93 | 280 | 210 | 153 |
| TMPB/TMPT 20 | 385 | 650 | 391 | 200 | 50 | 136 | 104 | 360 | 292 | 235 |
| TMPB/TMPT 24 | 385 | 675 | 491 | 250 | 50 | 166 | 99 | 360 | 351 | 290 |
| TMPB/TMPT 25 | 385 | 675 | 491 | 250 | 50 | 166 | 99 | 360 | 351 | 290 |
| TMPB/TMPT 30 | 385 | 725 | 602 | 315 | 50 | 202 | 113 | 360 | 424 | 347 |
| TMPB/TMPT 20A | 385 | 605 | 391 | 160 | 50 | 94 | 104 | 360 | 253 | 200 |
| TMPB/TMPT 25A | 385 | 629 | 491 | 160 | 50 | 120 | 99 | 360 | 310 | 247 |

MOTO-VENTILATEURS CENTRIFUGES POLYPROPYLENE
Série CMPB/T 2 et TMPB/T- ANTI-CORROSION
Courbes caractéristiques
- Débit en ^3/ et ^3/
- Pression statique en Pa et m.c.d.e
- Air sec normal à 20^ et 780 mm Hg.
- Essais en accord aux normes UNE 100-212-89 BS 848, Part 1 ; AMCA 210-85 et ASHRAE 51-1985
- XX niveau de pression acoustique mesure en champ libre, le micro place à 1,5 m de la source sonore à l'aspiration
- XX niveau de pression acoustique mesure en champ libre, le micro placé à 1,5 m de la source sonore au refoulement






MOTO-VENTILATEURS CENTRIFUGES POLYPROPYLENE
Série CMPB/T 2 et TMPB/T- ANTI-CORROSION
Courbes caractéristiques
- Débit en m^3/h et m^3/s
- Pression statique en Pa et m.c.d.e
- Air sec normal à 20^ et 780 mm Hg.
- Essais en accord aux normes UNE 100-212-89 BS 848, Part 1 ; AMCA 210-85 et ASHRAE 51-1985
- XX niveau de pression acoustique mesure en champ libre, le micro place à 1,5 m de la source sonore à l'aspiration
- XX niveau de pression acoustique mesure en champ libre, le micro place à 1,5 m de la source sonore au refoulement

Accessoires

ACP-N

APR

APP-N

MFP-N

CARP-N

SILP

CTP

CMP
-
Accouplement rectangulaire/circulaire au soufflage avec registre manuel de régulation de débit
-
Bride rectangulaire/circulaire au soufflage avec registre de régulation de débit
-
Visière circulaire anti-volatile
-
Accouplement élastique circulaire
| CMPT2 | Rémonce | Code |
| 14 | ||
| 20 | ||
| 24 | ||
| 25 | ||
| 30 | ||
| 20A | ACP 20 A-N | 970 700 |
| 25A | ACP 25 A-N | 970 701 |
| Référence | Code |
| APR 20A | 970 703 |
| APR 25A | 970 704 |
| Référence | Code |
| APP 125-N | 970 706 |
| APP 200-N | 970 707 |
| APP 250-N | 970 708 |
| APP 250-N | 970 708 |
| APP 250-N | 970 708 |
| APP 315-N | 970 709 |
| Référence | Code |
| MFP 200-N | 970 711 |
| MFP 250-N | 970 712 |
| MFP 250-N | 970 712 |
| MFP 250-N | 970 712 |
| MFP 315-N | 970 713 |
| MFP 160-N | 970 710 |
| MFP 160-N | 970 710 |
-
Registre manuel de régulation de débit
-
Silencieux circulaire
-
Chapeau pare-pluie
-
Capot moteur pvc
| CMPT2 | Référence | Code |
| 14 | CARP 125-N | 970 714 |
| 20 | CARP 200-N | 970 716 |
| 24 | CARP 250-N | 970 717 |
| 25 | CARP 250-N | 970 717 |
| 30 | CARP 250-N | 970 717 |
| CARP 315-N | 970 718 | |
| 20A | CARP 160-N | 970 715 |
| 25A | CARP 160-N | 970 715 |
| Référence | Code |
| SILP 200 | 970 720 |
| SILP 250 | 970 721 |
| SILP 250 | 970 721 |
| SILP 315 | 970 722 |
| SILP 160 | 970 719 |
| SILP 160 | 970 719 |
| Référence | Code |
| CTP 125-N | 970 723 |
| CTP 200-N | 970 725 |
| CTP 250-N | 970 726 |
| CTP 250-N | 970 726 |
| CTP 250-N | 970 726 |
| CTP 160-N | 970 724 |
| CTP 160-N | 970 724 |
| Référence | Code |
| CMP 14 | 970 727 |
| CMP 20 | 970 728 |
| CMP 25 | 970 731 |
| CMP 25 | 970 731 |
| CMP 30 | 970 732 |
| CMP 20 | 970 728 |
| CMP 25 | 970 731 |
Notice Facile