CMB/T - MOYENNE PRESSION - Ventilateur industriel UNELVENT - Notice d'utilisation et mode d'emploi gratuit
Retrouvez gratuitement la notice de l'appareil CMB/T - MOYENNE PRESSION UNELVENT au format PDF.
| Type de produit | Ventilateur UNELVENT CMB/T - Moyenne Pression |
|---|---|
| Caractéristiques techniques principales | Ventilateur centrifuge, conçu pour des applications à moyenne pression |
| Alimentation électrique | 230V / 400V, 50Hz |
| Dimensions approximatives | Variable selon le modèle, généralement entre 600 mm et 1200 mm de diamètre |
| Poids | Environ 50 kg à 150 kg selon le modèle |
| Compatibilités | Compatible avec divers systèmes de ventilation et d'extraction d'air |
| Tension | 230V ou 400V selon la configuration |
| Puissance | De 1,5 kW à 15 kW selon le modèle |
| Fonctions principales | Circulation d'air, extraction de fumées, ventilation industrielle |
| Entretien et nettoyage | Nettoyage régulier des filtres et vérification des pales |
| Pièces détachées et réparabilité | Disponibilité de pièces détachées, réparabilité aisée |
| Sécurité | Conforme aux normes de sécurité en vigueur, protection contre les surcharges |
| Informations générales utiles | Idéal pour les environnements industriels, installation par un professionnel recommandée |
FOIRE AUX QUESTIONS - CMB/T - MOYENNE PRESSION UNELVENT
Questions des utilisateurs sur CMB/T - MOYENNE PRESSION UNELVENT
0 question sur cet appareil. Repondez a celles que vous connaissez ou posez la votre.
Poser une nouvelle question sur cet appareil
Téléchargez la notice de votre Ventilateur industriel au format PDF gratuitement ! Retrouvez votre notice CMB/T - MOYENNE PRESSION - UNELVENT et reprennez votre appareil électronique en main. Sur cette page sont publiés tous les documents nécessaires à l'utilisation de votre appareil CMB/T - MOYENNE PRESSION de la marque UNELVENT.
MODE D'EMPLOI CMB/T - MOYENNE PRESSION UNELVENT

Les plus
- Température maximale de flux d'air :
- Pression jusqu'à 2500 Pa
- Plusieurs orientations de refoulement possibles
Gamme
- 6 Modèles
- Débits de 270 à 15930 m3/h
- Moteurs 1 vitesse 2,4 ou 6 pôles
Gamme
- Process industriel
- Refroidissement de machines
- Ventilation industrielle
Systèmes
Soudure
Industrie
- Caractéristiques générales
Volute et roue en tôle d'acier soudée (peinture epoxy polyester) - Roue à action en tôle d'acier galvanisée, équilibrée dynamiquement - Série 1 : moteur IP 44 - Classe B - Protection thermique
- 1 vitesse monophasée 230V - 50 Hz
- 1 vitesse triphasée 230/400V - 50 Hz
- Série 2 : moteur IP 55 - Classe F - Protection thermique
- 1 vitesse triphasée 230/400V - 50 Hz jusqu'à 3 kW
- 1 vitesse triphasée 400V - 50 Hz au-delà de 3 kW
Température de fonctionnement Série 1
Température de fonctionnement Séries 2 et 3
Roue à action
Chaise (série 2 et 3)
■ Options (sur demande)
- Moteurs 2 vitesses
- Orientations RD/LG (voir ci-dessous)
- Version «antidéflagrante» ATEX
- Version «antidéflagrante» ATEX
- Puissances supérieures : nous consulter
Désignation

1-: Nom de gamme
CMB: moteur monophasé (série 1 uniquement)
CMT: moteur triphasé
2 : Nombre de pôles
2 : moteur 2 pôles (3000 tr/min) 4 : moteur 4 pôles (1500 tr/min) 6 : moteur 6 pôles (900 tr/min)
3- : Diamètre d'aspiration / de roue (mm) 4-: Largeur de roue (mm) 5-: Puissance moteur (kW) 6-: Orientation du refoulement (voir ci-dessous)
Orientations
- Versions standard : les appareils sont livrés en orientation LG 270, les autres versions sont réalisées sur demande
LG0
LG 45
LG 90
LG 135
LG 180
LG 225
LG 270 STANDARD
LG 315


RD90
RD 135
RD 180
RD 225
RD 270
RD 315
Moto-ventilateurs centrifuges moyenne pression - série CMB - CMT
- Caractéristiques techniques - Série 1
| Référence | Code | Puisance moteur(kW) | Intensité maximumabsorbée (A) | Débitmaximum(m3/h) | Niveau depressionsonore*(dB(A)) | Poids(kg) | |
| 230 V | 400 V | ||||||
| Moteur monophasé 2 pôles | |||||||
| CMB/2-120/50 - 0,09 | 310 619 | 0,09 | 0,70 | - | 495 | 62 | 4,0 |
| CMB/2-140/50 - 0,25 | 310 577 | 0,25 | 2,00 | - | 870 | 66 | 8,5 |
| CMB/2-160/60 - 0,37 | 310 682 | 0,37 | 2,80 | - | 1120 | 69 | 9,5 |
| CMB/2-180/75 - 0,75 | 310 696 | 0,75 | 4,90 | - | 1800 | 71 | 14,7 |
| CMB/2-200/60 - 0,37 | 314 017 | 0,37 | 2,80 | - | 935 | 69 | 9,5 |
| CMB/2-200/80 - 1,1 | 310 673 | 1,1 | 7,30 | - | 2270 | 74 | 17,3 |
| Moteur monophasé 4 pôles | |||||||
| CMB/4-120/50 - 0,01 | 310 754 | 0,01 | 0,21 | - | 270 | 55 | 3,7 |
| CMB/4-140/50 - 0,06 | 310 697 | 0,06 | 0,35 | - | 450 | 59 | 7,0 |
| CMB/4-160/60 - 0,07 | 310 672 | 0,07 | 0,60 | - | 665 | 62 | 7,0 |
| CMB/4-180/75 - 0,18 | 310 576 | 0,18 | 1,45 | - | 1030 | 64 | 10,0 |
| CMB/4-200/60 - 0,07 | 314 018 | 0,07 | 0,60 | - | 555 | 62 | 7,0 |
| CMB/4-200/80 - 0,25 | 310 624 | 0,25 | 2,50 | - | 1560 | 67 | 13,0 |
| Moteur triphase 2 pôles | |||||||
| CMT/2-120/50 - 0,09 | 310 637 | 0,09 | 0,54 | 0,32 | 495 | 62 | 4,0 |
| CMT/2-140/50 - 0,25 | 310 622 | 0,25 | 1,00 | 0,60 | 870 | 66 | 8,5 |
| CMT/2-160/60 - 0,37 | 310 642 | 0,37 | 1,80 | 1,05 | 1120 | 69 | 9,5 |
| CMT/2-180/75 - 0,75 | 310 621 | 0,75 | 3,30 | 1,90 | 1800 | 71 | 14,7 |
| CMT/2-200/60 - 0,37 | 310 741 | 0,37 | 1,80 | 1,05 | 935 | 69 | 9,5 |
| CMT/2-200/80 - 1,1 | 310 690 | 1,1 | 4,67 | 2,70 | 2270 | 74 | 17,3 |
| Moteur triphase 4 pôles | |||||||
| CMT/4-120/50 - 0,01 | 313 947 | 0,01 | 0,20 | 0,12 | 270 | 55 | 3,7 |
| CMT/4-140/50 - 0,06 | 310 885 | 0,06 | 0,32 | 0,18 | 450 | 59 | 7,0 |
| CMT/4-160/60 - 0,07 | 310 732 | 0,07 | 0,58 | 0,33 | 665 | 62 | 7,0 |
| CMT/4-180/75 - 0,18 | 310 658 | 0,18 | 0,90 | 0,52 | 1030 | 64 | 10,0 |
| CMT/4-200/60 - 0,07 | 314 019 | 0,07 | 0,58 | 0,33 | 555 | 62 | 7,0 |
| CMT/4-200/80 - 0,25 | 310 693 | 0,25 | 1,26 | 0,73 | 1560 | 67 | 13,0 |
- Niveau de pression sonore indiqués sont des niveaux de pression acoustique en dB(A) mesurés à 1,5 m en dB(A) en champ libre, au soufflage et au débit maximum
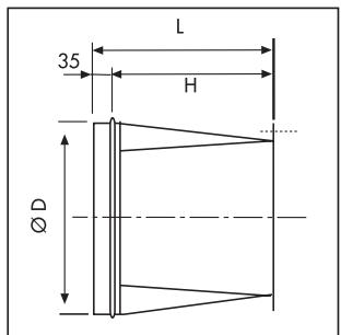
Dimensions (mm) - Série 1
| Type | A | B | C1 | D | E | F | G | H | I | K | L | M | N | P | Q | |
| 2 pôles | 4 pôles | |||||||||||||||
| 120/50 | 180 | 203 | 153 | 153 | 74,5 | 72 | 85 | 92 | 105 | 106 | 113 | 132 | 81 | 116 | 118 | 5.5 |
| 140/50 | 222 | 249 | 177 | 153 | 82,5 | 80 | 105 | 105 | 128 | 123 | 144 | 152 | 100 | 147 | 147 | 7 |
| 160/60 | 254 | 293 | 207 | 153 | 102,5 | 100 | 120 | 128 | 148 | 153 | 166 | 180 | 109 | 171 | 172 | 7 |
| 180/75 | 302 | 347 | 232 | 177 | 117,5 | 115 | 140 | 145 | 170 | 168 | 187,5 | 210 | 128 | 203 | 192 | 9 |
| 200/60 | 300 | 347 | 207 | 153 | 107,5 | 105 | 100 | 135 | 128 | 158 | 209 | 230 | 128 | 203 | 152 | 9 |
| 200/80 | 321 | 375 | 232 | 207 | 132,5 | 130 | 160 | 160 | 188 | 183 | 209 | 230 | 138 | 222 | 212 | 9 |
- Caractéristiques techniques - série 2
| Référence | Code | Puisance moteur (kW) | Intensité maximum absorbée (A) | Débit maximum (m3/h) | Niveau de pression sonore* (dB(A)) | Poids (kg) | |
| 230 V | 400 V | ||||||
| Moteur triphasé 2 pôles | |||||||
| CMT/2-225/ 90 - 1,1 | 310 770 | 1,1 | 4,70 | 2,70 | 2080 | 66 | 23,0 |
| CMT/2-225/ 90 - 1,5 | 310 923 | 1,5 | 5,96 | 3,45 | 2170 | 71 | 27,5 |
| CMT/2-225/ 90 - 2,2 | 310 924 | 2,2 | 8,50 | 4,90 | 3040 | 76 | 29,7 |
| CMT/2-250/100 - 2,2 | 310 858 | 2,2 | 8,50 | 4,90 | 2080 | 73 | 34,5 |
| CMT/2-250/100 - 3 | 310 914 | 3 | 10,90 | 6,30 | 3685 | 79 | 36,5 |
| CMT/2-280/115 - 3 | 313 925 | 3 | 10,90 | 6,30 | 2600 | 77 | 43,0 |
| CMT/2-280/115 - 4 | 313 939 | 4 | 14,50 | 8,40 | 3210 | 81 | 48,5 |
| Moteur triphasé 4 pôles | |||||||
| CMT/4-225/ 90 - 0,55 | 310 567 | 0,55 | 2,85 | 1,65 | 2600 | 71 | 22,0 |
| CMT/4-250/100 - 1,1 | 310 753 | 1,1 | 4,80 | 2,80 | 3790 | 72 | 32,0 |
| CMT/4-280/115 - 2,2 | 310 614 | 2,2 | 9,10 | 5,30 | 5200 | 75 | 43,0 |
| CMT/4-315/130 - 2,2 | 313 959 | 2,2 | 9,10 | 5,30 | 5660 | 72 | 48,0 |
| CMT/4-315/130 - 3 | 310 671 | 3 | 12,60 | 7,30 | 6800 | 75 | 51,5 |
| CMT/4-315/130 - 4 | 313 958 | 4 | 16,00 | 9,30 | 7100 | 78 | 57,5 |
| Moteur triphasé 6 pôles | |||||||
| CMT/6-315/130 - 1,1 | 313 659 | 1,1 | 6,60 | 3,80 | 5400 | 69 | 45 |
- Niveau de pression sonore indiqués sont des niveaux de pression acoustique en dB(A) mesurés à 1,5 m en dB(A) en champ libre, au soufflage et au débit maximum
Dimensions (mm) - série 2

| Type | A | B | C1 | D | E | F | G | H | I | K | L | M | N | P | Q | R | S | T | U | |
| 2 pôles | 4 pôles | |||||||||||||||||||
| 225/90 | 386 | 452 | 248 | 235 | 144 | 140 | 216 | 180 | 128 | 203 | 234 | 256 | 181 | 280 | 279 | 10 | 220 | 250 | 200 | 50 |
| 250/100 | 425 | 501 | 300 | 248 | 169 | 165 | 250 | 205 | 145 | 228 | 261 | 282 | 197 | 310 | 313 | 10 | 228 | 260 | 225 | 74 |
| 280/115 | 471 | 553 | 320 | 300 | 184 | 184 | 300 | 220 | 170 | 243 | 293 | 320 | 216 | 340 | 363 | 10 | 245 | 275 | 240 | 95 |
| 315/130 | 524 | 628 | - | 320 | 206 | 200 | 320 | 240 | 180 | 263 | 326 | 354 | 238 | 390 | 383 | 11 | 322 | 352 | 230 | 140 |
Moto-ventilateurs centrifuges moyenne pression - série CMB - CMT
Accessoires de montage
| Type de CMB/CMT | ①Grille | ②Bride d'aspiration | ③Bride de soufflage | ④Manchette couple circulaire | ⑤Manchette couple rectangulaire | ⑥Plots antivirusrabiles (1 KSE = 4 plots) |
| 120/50 | KRJ-120 | KBA-120 | KBD-120 | KAA-120 | KAD-120 | |
| 140/50 | KRJ-140 | KBA-140 | KBD-140 | KAA-140 | KAD-140 | |
| 160/60 | KRJ-160 | KBA-160 | KBD-160 | KAA-160 | KAD-160 | |
| 180/75 | KRJ-180 | KBA-180 | KBD-180 | KAA-180 | KAD-180 | Puisance moteur <= 3 kW |
| 200/60 | KRJ-200 | KBA-200 | KBD-200/60 | KAA-200 | KAD-200/60 | |
| 200/80 | KRJ-200 | KBA-200 | KBD-200/80 | KAA-200 | KAD-200/80 | KSE-45 |
| 225/90 | KRJ-225 | KBA-225 | KBD-225 | KAA-225 | KAD-225 | Puisance moteur <= 4 kW |
| 250/100 | KRJ-250 | KBA-250 | KBD-250 | KAA-250 | KAD-250 | |
| 280/115 | KRJ-280 | KBA-280 | KBD-280 | KAA-280 | KAD-280 | KSE-70 |
| 315/130 | KRJ-315 | KBA-315 | KBD-315 | KAA-315 | KAD-315 |
Accessoires - Codification - Prix HT
- Grille de protection
| Référence | Code |
| KRJ-120 | 973 928 |
| KRJ-140 | 973 957 |
| KRJ-160 | 973 896 |
| KRJ-180 | 974 032 |
| KRJ-200 | 974 033 |
| KRJ-225 | 973 938 |
| KRJ-250 | 974 034 |
| KRJ-280 | 974 035 |
| KRJ-315 | 974 036 |

Brides d'aspiration
| Référence | Code |
| KBA-120 | 970 827 |
| KBA-140 | 970 828 |
| KBA-160 | 970 829 |
| KBA-180 | 970 830 |
| KBA-200 | 970 812 |
| KBA-225 | 970 831 |
| KBA-250 | 970 809 |
| KBA-280 | 973 833 |
| KBA-315 | 973 949 |

- ③ Bride de soufflage
| Référence | Code |
| KBD-120 | 970 832 |
| KBD-140 | 970 833 |
| KBD-160 | 970 834 |
| KBD-180 | 970 835 |
| KBD-200/60 | 970 813 |
| KBD-200/80 | 970 836 |
| KBD-225 | 970 837 |
| KBD-250 | 970 807 |
| KBD-280 | 973 998 |
| KBD-315 | 973 950 |

- ④ Manchetteouple circulaire
| Référence | Code |
| KAA-120 | 973 831 |
| KAA-140 | 973 953 |
| KAA-160 | 973 868 |
| KAA-180 | 973 927 |
| KAA-200 | 973 854 |
| KAA-225 | 973 937 |
| KAA-250 | 970 879 |
| KAA-280 | 973 674 |
| KAA-315 | 970 880 |

- ⑤ Manchette couple rectangulaire
| Référence | Code |
| KAD-120 | 973 935 |
| KAD-140 | 973 865 |
| KAD-160 | 973 869 |
| KAD-180 | 973 821 |
| KAD-200/60 | 974 040 |
| KAD-200/80 | 973 690 |
| KAD-225 | 974 041 |
| KAD-250 | 974 042 |
| KAD-280 | 973 675 |
| KAD-315 | 973 963 |

- ⑥ Plots antivirus ratales (x4)
| Référence | Code |
| KSE-6045 | 970 878 |
| KSE-6075 | 973 990 |
Puisssance
moteur ≤ 3 kW
KSE-45
Puissance
moteur > 4 kW
KSE-70
Accessoires de montage
KMTA
Silencieux à monter à l'aspiration des CMT
| Référence | Code |
| KMTA-225 | 976 030 |
| KMTA-250 | 976 031 |
| KMTA-280 | 976 032 |
| KMTA-315 | 976 033 |
KMTI
Silencieux à monter au refoulement des CMT
| Référence | Code |
| KMTI-225 | - |
| KMTI-250 | - |
| KMTI-280 | - |
| KMTI-315 | - |
KMBI
Pièce de transformation rectangulaire / circulaire à monter au soufflet des CMT
| Référence | Code |
| KMBI-120 | 976 038 |
| KMBI-140 | 976 039 |
| KMBI-160 | 976 040 |
| KMBI-180 | 976 041 |
| KMBI-200 | 976 042 |
| KMBI-201 | 976 043 |
| KMBI-225 | 976 044 |
| KMBI-250 | 976 045 |
| KMBI-280 | 976 046 |
| KMBI-315 | 976 047 |

| Type CMT | Référence KMTA-KMTI | L1 | L2 KMTA | L2 KMTI | Ø D1 | Ø D2 |
| 225 | 225 | 600 | 250 | 300 | 315 | 515 |
| 250 | 250 | 900 | 250 | 300 | 355 | 555 |
| 280 | 280 | 900 | 300 | 300 | 400 | 600 |
| 315 | 315 | 900 | 300 | 300 | 450 | 650 |

| Type CMT | Référence KMBI | L | H | Ø D |
| 120 | 120 | 235 | 200 | 125 |
| 140 | 140 | 235 | 200 | 140 |
| 160 | 160 | 235 | 200 | 160 |
| 180 | 180 | 235 | 200 | 180 |
| 200/60 | 200 | 335 | 300 | 200 |
| 200/80 | 201 | 335 | 300 | 200 |
| 225 | 225 | 335 | 300 | 225 |
| 250 | 250 | 335 | 300 | 250 |
| 280 | 280 | 355 | 300 | 280 |
| 315 | 315 | 335 | 300 | 315 |
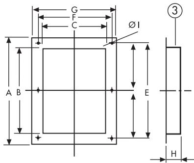
Dimensions des accessoires (mm)





| Type de CMB/CMT | A | B | C | ØD | E | F | G | H | ØI | ØJ | ØK | ØL | M | N |
| 120/50 | 118 | 87 | 75 | 112 | 105 | 92 | 106 | 40 | 5,5 | 132 | 150 | 5 | 65 | 4 |
| 140/50 | 147 | 107 | 83 | 125 | 128 | 105 | 123 | 40 | 7 | 152 | 170 | 5 | 65 | 4 |
| 160/60 | 172 | 122 | 103 | 160 | 148 | 128 | 153 | 40 | 7 | 180 | 205 | 7 | 65 | 4 |
| 180/75 | 192 | 142 | 118,5 | 180 | 170 | 145 | 168 | 40 | 9 | 210 | 244 | 7 | 65 | 4 |
| 200/60 | 158 | 108,5 | 102 | 200 | 135 | 128 | 152 | 45 | 9 | 230 | 255 | 7 | 65 | 4 |
| 200/80 | 212 | 162 | 134 | 200 | 188 | 160 | 183 | 45 | 9 | 230 | 255 | 7 | 65 | 4 |
| 225/90 | 279 | 219 | 143 | 224 | 256 | 180 | 203 | 45 | 10 | 256 | 280 | 9 | 65 | 8 |
| 250/100 | 313 | 253 | 168 | 250 | 290 | 205 | 228 | 45 | 10 | 282 | 306 | 9 | 65 | 8 |
| 280/115 | 363 | 303 | 183 | 280 | 340 | 220 | 243 | 50 | 10 | 320 | 348 | 9 | 65 | 8 |
| 315/130 | 383 | 323 | 203 | 315 | 360 | 240 | 263 | 50 | 11 | 354 | 382 | 9 | 65 | 8 |
Courbes caractéristiques
- Q = Débit en m^3/h et m^3/s
- Pst = Pression statique en Pa. Air sec normal à 20 °C et 760 mmHg.
- Essais en accord avec: BS 848; Part 1; AMCA 210 - 85; ASHRAE 51-1985; ISO CD-5801.


Courbes caractéristiques
- Q = Débit en m^3/h et m^3/s
- Pst = Pression statique en Pa. Air sec normal à 20 °C et 760 mmHg.
- Essais en accord avec: BS 848; Part 1; AMCA 210 - 85; ASHRAE 51-1985; ISO CD-5801.


Notice Facile