660112 INSERT BOIS - Insert de cheminée GODIN - Notice d'utilisation et mode d'emploi gratuit
Retrouvez gratuitement la notice de l'appareil 660112 INSERT BOIS GODIN au format PDF.
| Type de produit | Insert à bois |
| Caractéristiques techniques principales | Puissance nominale : 8 kW, rendement : 75%, émissions de CO2 : 0,01% |
| Alimentation | Bois |
| Dimensions approximatives | Largeur : 60 cm, Hauteur : 50 cm, Profondeur : 40 cm |
| Poids | 150 kg |
| Compatibilités | Compatible avec les conduits de fumée standards |
| Fonctions principales | Chauffage d'appoint, ambiance chaleureuse |
| Entretien et nettoyage | Nettoyage régulier du foyer et des conduits, vérification des joints d'étanchéité |
| Pièces détachées et réparabilité | Disponibilité de pièces détachées via le fabricant et les revendeurs agréés |
| Sécurité | Conforme aux normes de sécurité en vigueur, installation recommandée par un professionnel |
| Informations générales utiles | Garantie de 2 ans, installation à prévoir par un professionnel qualifié |
FOIRE AUX QUESTIONS - 660112 INSERT BOIS GODIN
Téléchargez la notice de votre Insert de cheminée au format PDF gratuitement ! Retrouvez votre notice 660112 INSERT BOIS - GODIN et reprennez votre appareil électronique en main. Sur cette page sont publiés tous les documents nécessaires à l'utilisation de votre appareil 660112 INSERT BOIS de la marque GODIN.
MODE D'EMPLOI 660112 INSERT BOIS GODIN
Attention, pour éviter tout risque d'incendie, tout apparéil doit être installé dans les règes de l'art (DTU 24.2 de décembre 2006) et conformément aux règes techniques rappelées dans la notice obligatoirement jointe à tout apparéil. L'installation doit être effectué par un professionnel ou une personne qualifiée.
« Toutes les réglementations locales et nationales, ainsi que les normes europeennes en vigueur, doivent être respectées lors de l'installation de l'appareil »
SOMMAIRE:
- Définition
- Environnement de l'insert
- Préparation de l'insert
- Utilisation
- Entretien
- Pièces de rechange
- Garantie
Vou venez d'acquérir un insert de cheminée fonctionnant au bois.
Nous vous félicitons d'avoir fait confiance à notre marque.
1. DÉFINITION
L'insert reference 660112 dispose d'une chambre de combustion de type semi-fermée. Il brule du bois de chauffage en système de combustion sur grille.
Destiné à être habillé avec des éléments en maçonnerie, il se raccorde au conduit de fumée en diamètre 153mm suivant normes et réglementations en vigueur.
Cet apparéil a été testé selon les critères de la norme NF EN 13229:2001 & A2:2005.
1.1. Caracteristiques generales
La dépression du conduit de fumée nécessaire au bon fonctionnement et développant la meilleure puissance calorifique de l'appareil est de 12 Pa (Pascal) mais peut-être comprise entre 10 et 14 Pa ( 1Pa = 10mm CE). Un tirage trop important, supérieur à 20 Pa, dû à un conduit trop long ou dans certaines conditions de tubage par exemple, provoque des allures trop vives, une consommation de combustible excessive, une baisse de rendentement, une déteriation anomale de l'appareil et une annulation de la garantie. Dans ce cas, faites contrôle le tirage de l'insert en fonctionnement par un professionnel, le montage conforme d'un moderationur de tirage (justifiable d'un avis technique) peut être nécessaire.
IMPORTANT : Cet insert ne peut être raccordé que sur un conduit unitaire et indépendant de type G (résistant aux yeux de cheminée).
| TABLEAU DES CHARACTERISTIQUES GENERALES | ||
| Ø de la buse de départ des fumées | 153 mm | |
| Combustible recommendé | bois en bùcheslongueur maximum : 45 cm | |
| Combustibles interdits | tous les autres | |
| Poids | 101 kg | |
| Puisance | 7 kW | |
| Volume corrigé chauffé | 240 m3 | |
| Durée de fonctionnement à allurenormale* | 1 heures | |
| Durée de fonctionnement à allure réduite* | 3 heures | |
| Débit massique des fumées | 7,42 g/s | |
| Température moyenne des fumées à allurenormale | 305,6 °C | |
| Rendement de l'appareil | 73,7 % | |
| Taux d'émission de CO à 13% d'02 | 0,24 % | |
| Consommation à allure normale | 2,5 kg/h | |
| Consommation à allure réduite | 0,75 kg/h | |
| Distance minimale aux matériauxcombustibles | lateralie gauche latérale droite | 30 cm30 cm |
| arrière | 30 cm | |
| avant | 150 cm | |
| Appareil CONITNU | ||
*avec un chargement de 2,5 kg de bois à 12 % d'humidité et d'un pouvoir calorifique de 15,7 MJ/kg.
1.2. Caracteristiques dimensionnelles



Croquis n^1
2. ENVIRONNEMENT DEL'APPAREIL
2.1. Recommendations concerning the site d'installation
Le rayonnement calorifique important du foyer à travers les vitres en vitrocéramique, demande l'éloignement de toute matière pouvant être déteriorée ou alterée par la chaleur (mobilier, papier peint, boiserie, etc); à une distance minimale de 1500mm par rapport à la vente de façade.
2.2. Avant tout travaux
Il y aura lieu de s'assurer de la conformité et de la compatibilité du conduit de fumée sur lequel l'appareil sera raccordé suivant les règles en vigueur : NF DTU 24.1.P1 (NFP-51-201-1).
Nature du conduit de fumée :
- le conduit de fumée doit être conforme à la norme NF P51-201-1.
le dimensionnement du conduit de fumée doit être conforme à la norme NF EN 13384.1
Si le conduit de fumée n'est pas compatible, ou dans le cas d'une réjection, il y aura lieu de réaliser un tubage réglementaire à l'aide d'un procédé justifiable d'un avis technique favorable à cet usage ou de le replacer par un nouveau conduit conforme et adapté à l'insert. Ces travaux doivent être réalisés par un professionneliel qualifié.
Dans tous les cas, le conduit doit permettre un ramonage mécanique.
Vérifier l'environnement dans lequel la cheminée et l'insert seront installés. Il doit être procédé à l'enlèvement de tous les matériaux combustibles, ou dégradables sous l'action de la température, sur les parois ou à l'intérieur de celles-ci (sols, murs et plafonds), à l'emplacement de la cheminée, si celle-ci est en contact avec ces parois.
La température superficielle de ces parois ne devra pas excéder 50^ , en parties accessibles.
Vérifier si le sol ou le plancher peuvent admettre les charges de l'edifice. (prévoir une plaque de répartition des charges le cas échéant).
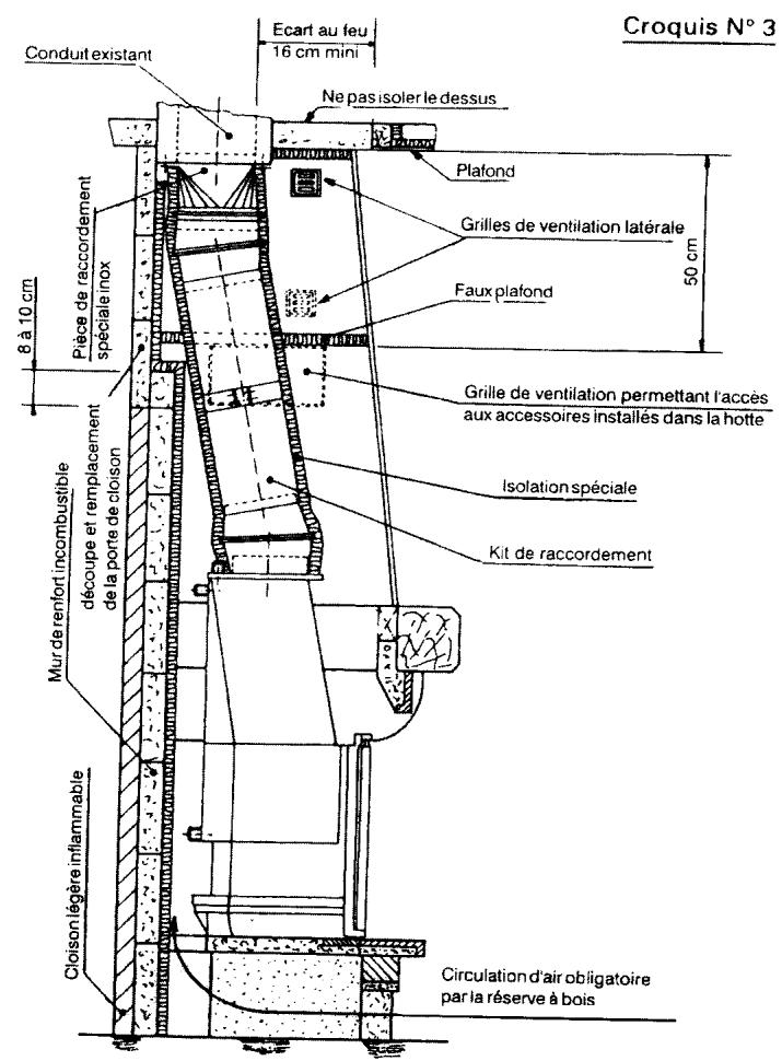
Pour les murs avec isolation combustible incorporee, comme le placopolystyrene, il faut obligatoirement proceder a la découvert du complexe isolant sur toute la hauteur sous plafond, sur une largeur au moins égale a celle entre extérieurs piliers de la cheminee. Dans le case de coffrage, cette découvert sera égale au moins a la largeur de ce dernier. D'une façon générale, le complexe isolant inflammable ne doit pas se trouver dans l'espace interieur de la cheminee et de la hotte. La réservation ainsi créé sera comblee par un mur de renfort en materiaiu incombustible ayant une
bonne isolation thermique et une bonne tenue (exemple : béton cellulaire). Il faudra veiller à bien rejoointoyer tous les éléments qui composent ce mur. Ensuite, la largeur interieure de la cheminée sur toute la hauteur sera tapissée à l'aide de l'isoisation spéciale. Voir tableau 1^cr cas et croquis ^2 .
NOTA : dans le cas de murs comportant une ventilation, il y aura lieu, lors de l'édification du mur de renfort, de respecter cette caractéristique.
Pour les murs en matériel incombustible, il faut obligatoirement, sur toute la largeur interieure de la cheminée et sur toute la hauteur, appliquer l'iso1ation speciale. Voir tableau 2^one cas, et croquis ^2 .
Pour les cloisons légères inflammables, il y aura lieu d'édifier obligatoirement sur toute la hauteur sous plafond, un mur de renfort en matériel incombustible classé MO, de bonne stabilité et d'épaisseur adequate, qui assurera la protection thermique. Exemple: beton cellulaire épaissueur 10 cm. N'ayant pas la place pour l'intégrer à l'intérieur de l'habillage, il sera donc exécuté sur toute la largeur de la cheminée, plus un débord de 5 à 10 cm de chaque côté (exemple: largeur hors tout, poutré, tablette ou coffrage, 160 cm, le doubleng en beton cellulaire aura une largeur de 170 à 180 cm). Ensuite, la largeur interieure de la cheminée sur toute la hauteur sera tapissée à l'aide de l'isolation spéciale. Voir tableau 3^éme cas et croquis n^2 .
NOTA : dans le cas où le conduit en attente est très pres de la cloison légère inflammable ne permettant pas le passage d'un mur de renfort ; si l'écart au feu n'est pas respecté, nous vous conseillons de vous rapprocher du maître d'ouvre et du constructeur qui ont réalisés le conduit. Dans l'impossibilité, il sera nécessaire de découvert et retirer la cloison légère inflammable du point haut jusqu'à un niveau situé plus bas que celui du mur de renfort et la remplaçer par un matériel incombustible ; et ce, sur la largeur totale de la hotte plus le débord de 5 à 10 cm. Puis appliquer l'isolation spéciale comme expliqué plus haut. Vois croquis n^2 .
Dans le cas extréme, si les garanties de sécurité et de stabilité ne peuvent être obtenues, cette cloison légère sera remplaceée purement et simplement par un matériel du type béton cellulaire qui sera ensuite recouvert de l'isolement spéciale. Pour les cloisons interieures en matériel léger incombustible, nous conseillons le mur de renfort apparent tel que dans le 3^ème cas. Il sera obligatoire si la stabilité de la cloison n'est pas satisfaisante. Pour l'une ou l'autre de ces solutions, la largeur interieure et toute la hauteur de la cheminée seront tapissées avec l'isolement spéciale. Voir tableau 4^ème cas et croquis ^2 .
Dans le cas d'une cheminée d'angle, les précautions sont identiques aux cheminées standard.
IMPORTANT : dans tous les cas, la face laine de roche de l'isolant spécial doit être appliquée sur le mur d'adossement alors que la face aluminium doit être tournée vers l'intérieur de la cheminée. Pour l'isolement du plafond, voir « CONCEPTION DE LA HOTTE ET ISOLATION PLAFOND » au chapitre 2.3.5.
ATTENTION : Pour les habillages métalliques, voir la notice. Notamment pour ce qui concerne la conduction de chaleur de ces matériaux.
Dans le cas d'une cheminée d'angle, les précautions sont identiques aux cheminées standard (voir croquis).
L'iso1ation speciale est disponible chez nos distributeurs.
2.3. Recommendations concerning l'habillage :
2.3.1 Lorsque les éléments sont liaisonnes mécaniquement, leur pose à sec est autorisée. Lorsque la liaison est effectué par jointoiement, les éléments à joints larges seront assemblés entre eux au mortier et dans le cas de joints minces, au ciment colle ou au platre a modeler et à la filasse.
2.3.2 Cloison d'adossement
En cas de montage de corbeaux en console avec scellement dans la paroi de soutien, celle-ci doit partager des caractéristiques mécaniques suffisantes (pas de scellement dans les cloisons légères ou beton cellulaire, dans ce cas, il y aura lieu d'utiliser des plaques de répartition).
2.3.3 Soubassement de cheminée
Bien vérifier que le sol a une capacité portante suffisante. Si nécessaire placer une plaque de répartition de charge ou prendre toute mesure adéquate nécessaire. La pose à sec est interdite.
2.3.4 Habillage de l'insert
L'habillage de l'insert doit être réalisé en matériel incombustible. Lorsque la poutre est en matériel combustible (bois), il est nécessaire de la protégger par un matériel incombustible classé MO, par le fronton ou par un deflecteur. Suivant l'habillage, un chainage périmétrique est à couler à la pose à l'aide d'un mortier de ciment alumineux, il sera ancre dans la cloison d'adossement, quand la nature de cette dernière le permit (voir croquis CIDESSous). Il assurera la stabilité de l'ensemble et la protection de la poutre. Il ne devra pas être en contact avec l'insert. Un passage doit être aménaged entre ce dernier et le chainage. Lorsque la partie supérieure de la cheminée (poutre, tablette, pierre, linteau, chainage) est en porte-à-faux, un ou des tirants seront fixés solidement dans le mur d'adossement afin d'éviter tous risques d'affissement.
Un couloir de convection doit être respecté entre les isolants et l'insert : voir distance minimale de 615mm par rapport au mur d'adossement.
NOTA : attention au passage de porte de l'insert. Il y aura lieu, lors de la pose, de l'ouvrir avant de sceller les éléments supérieurs de la cheminée, afin de vous assurer de son libre passage.
2.3.5 Conception de la hotte et isolation plafond.
Vous reporter au croquis ^2
L'emploi de matériaux incombustibles se dégradant au dessus de 90^ (le plâtre par exemple), est autorisé sous réserve d'exécuter une isolation thermique des surfaces soumises au rayonnement direct du conduit de raccordement ou de l'avoir.
Lors de l'emploi de STAFF, par exemple, pour réaliser la hotte, il sera obligatoire de tapisser toutes les faces interieures de cette dernière avec l'isolation spéciale face laine de roche, contre les panneaux de la hotte.
Dans la partie supérieure de la hotte, il sera réalisé un faux-plafond servant de déflecteur en matériel incombustible et d'une bonne tenue mécanique, revetu avec l'isolant spécial et situé à 30 cm minimum du plafond. La mise en place de ce bouclier thermique évitera les montées en température du plafond et permettra de récapérer un maximum d'air chaud par l'intémediaire du ou des diffuseurs situés juste au dessous de ce bouclier.
Dans la partie de la hotte se trouvant au dessus du déflecteur, les quatre côtes du volume interieur et la partie plafond, en dehors de la surface occupée par le boisseau, seront également tapissés avec l'isolant spécial, toujours avec la face laine de roche contre les parois.
Une aération sera réalisée dans ce volume par la pose des deux grilles, en les plaçant si possible, d'une façon opposée sur les côtes de la hotte, à un niveau différent (une haute, une basse).
Dans le cas d'une cheminée située en angle, placer l'une des deux grilles en façade (toujours à l'opposerée) 20cm^2 minimum pour les deux.
La hotte doit reposer sur le chainage périmétrique et non sur la poutre. Dans le cas d'une tablette pierre, le chainage sera réalisé en surepaisseur sur cette dernière, afin d'en assurer la stabilité. Voir croquis ci-dessus.
NOTA : tous les matérieliaux incombustibles utilisés pour la mise en œuvre de ces travaux seront classés MO.
2.3.5.1 Trappe de visite :
Nous précisons, lors de l'installation de votre cheminée, de procéder à la pose d'une trappe de visite. Cette trappe permet l'accès à l'intérieur de la hotte afin de pouvoir effectuer les évientuelles opérations de contrôle et d'entretien (notamment sur le raccordement et la partie supérieure de l'insert fermé).
Le D.T.U 24.2.P1.1 précise, par ailleurs, que l'intérieur de la hotte doit être visible afin de permettre le contrôle du conduit de raccordement. La trappe de visite permet cette visibilité (néanmoins possible pour les diffuseurs), mais de plus, laisse la possibilité d'intervenir, par exemple, lorsque la cheminée fonctionne.
2.3.6 Diffuseur d'air chaud :
D'une section totale réelle de 500~cm^2 minimum, il ne doit être en aucune cas, situé à moins de 30~cm du plafond et non obturable.
ATTENTION aux matérielles sensibles à la chaleur, par exemple : plafond tendu, PVC, polystyrene, etc.
2.4. Amenée d'air frais dans la piece
Les ventilateurs d'extraction fonctionnant dans la même piece ou le même espace que l'appareil peuvent poser des problèmes. Lorsque l'admission d'air de la piece est insuffisante, par exemple : cas d'une habitation équipée
d'un système d'extraction mécanique (V.M.C), une aménée d'air supplémentaire propre à la cheminée est obligatoire.
La prise d'air doit être située soit directement à l'extérieur, soit dans un local ventilé sur l'extérieur et être équipée d'une grille.
La sortie d'amnéée d'air (à l'intérieur de la piece) doit être située directement dans la cheminée, soit le plus pres possible de l'appareil et doit être obturable. La section de cette entrée d'air doit être au minimum égale au quart de la section du conduit de fumée avec un minimum de 200~cm^3
2.5. Conduit de raccordement
Il doit être de type G (résistant aux feuels de cheminées) conforme au DTU 24.1.P1 (NFP 51-201-1).
Les conduits de raccordement desservant des inserts doivent être metalliques. Ils ne doivent pas composer plus de deux dévoiements, l'angle de ces dévoiements ne devant pas excéder 45^ avec la verticalie.
2.5.1 Autres raccordements
Pour les raccordements, il y aura lieu d'être vigilant sur leur mise en œuvre, le choix des composants, le respect : des specifications des fabricants, des règles de l'art et de la conformité, suivant la législation en vigueur (DTU 24.1 & DTU 24.2).
Dans le cas d'une extraction mécanique (décentralisation d'air chaud) qui creée une dépression dans la hotte, le raccordement de l'appareil au conduit de fumée doit être suffisamment étanche afin qu'il ne puisse y avoir d'aspiration de fumée dans l'extracteur. La liaison de l'extremité haute du raccordement avec le conduit existant doit toujours se faire, dans le cas de sections différentes, avec des pentes à 45^ mini formant un entonnoir afin d'éviter les accumulations de suies.
Pour les éléments metalliques, se servir des accessoires de liaison spécifique du fabricant. Les emboitements pour les tuyaux metalliques simple paroi doivent etre de 40~mm lorsqu'ils sont Equipes de joints.
2.5.2 Modérateur de tirage (dans le cas de tirage trop important)
Il doit être raccordé au conduit de raccordement et Installed dans le local où se trouve l'insert (à l'extérieur de la hotte ou à l'intérieur s'il est facilement visible et accessible). Il ne doit pas entraîner l'air chaud de convection de l'insert. Mise en œuvre suivant l'avis technique du moderationur.
3. PREPARATION DEL L'INSERT
Avant d'installer l'insert dans l'habillage, il y aura lieu de l'examiner afin de déceler une éventuelle anomalie qui pourrait être due au transport, au déchargement, etc. ce qui permettrait d'intervenir plus facilement avant de l'intégrer dans la cheminée.
Le non-respect des instructions de montage implique la responsabilité de celui qui l'effectue.
PARTIE RÉSERVÉE À L'UTILISATEUR
4. UTILISATION
4.1. Organe d'utilisation :
Le réglage du registre d'air se fait à l'aide du bouton situé en façade.
4.2. Avant l'emploi de votre apparéil :
Il y a lieu de respecter un temps de séchage de 4 semaines, afin que l'humidité, emmagasinée dans certaines parties de la mise en œuvre s'évapore (raccordement, conduit de cheminée, assemblage pierres, hottes, etc.).
Ce délambda ecoulé, vous pourrez proceder au premier allumage en chargeant modérément en bois et en réduisant l'ouverture du registre d'arrivee d'air, pour limiter l'intensité du feu ; ce qui permettra une montée en température progressive de l'ensemble insert et éléments faconnés, pour éviter les dilatations rapides et les chocs thermiques. Effectuez ces petites flambees sur 10 jours pour parachever le séchage de l'ouvrage.
Pendant les premières utilisations, une odeur peut émaner de l'appareil, provoquee par un évientuel excédent de peinture, il faudra réaliser après le temps de sechage, quelques faux soutenus pour les supprimer.
4.3. Combustibles
L'appareil est concu pour fonctionner avec du bois. Interdiction d'utiliser du charbon ou autre combustible similaire.
Preférer le bois dur au bois tendre (chêne, hêtre, charme, châtaignier, etc.) très sec, 20 % d'humidité maximum, ce qui correspond à un bois stocké sous abri pendant 18 à 24 mois; l'emploi de bois avec un taux d'humidité trop important entrainera une mauvaise combustion en encrassant
prématérement l'appareil, la vitre et le conduit risquant à terme de provoquer des yeux de cheminée.
Ne brûler pas de déchets menagers, matières plastiques (bouteilles) ou dérivés, caoutchouc, produits gras (chiffon imbibés d'huile,...) etc. qui polluent l'environnement et provoquent des risques de feu de cheminée par encrassement du conduit.
4.4. Allumage
Pour bien démarre un feu : éviter les feuilles de papier glacé, étalez du papier journal froissé ou de la paille sur la sole foyère, placer dessus des brindilles puis des petites branches bien sèches ou du bois fendu finement, puis des branches ou du bois fendu de section plus importante, équivalente à 3 cm de diamètre environ. Enflammier le papier, fermer la porte de l'insert, ouvrir entièrement l'arrivée d'air. Ensuite, lorsque le feu est bien pris, procédé au chargement.
Ne jamais allumer votre feu avec de l'essence, de l'alcool, etc.
Pour facilititer l'allumage, nous vous conseillons de conserver un lit de cendres sur la grille et la sole foyere qui, par la même occasion, seront réservées (sans trop abstruer les troux de passage d'air).
IMPORTANT : nous vous conseillons de bien laisser enflammer la charge de combustible notamment lors de mauvaises conditions de tirage. Le fonctionnement de l'insert est tributaire des conditions atmosphériques. Il est conseilé d'être très vigilant, par exemple, lors de vents violents (trop de tirage) ou de brouillard (pas de tirage).
4.5. Réglage admission d'air:
Le réglage de l'admission d'air se fait à l'aide du bouton situé en façon.
L'allure ralentie sera obtenu en fermant le bouton (en le « vissant ») alors que l'allure normale sera obtenu en ouvrant le bouton (en le « dévissant »). L'ouverture du bouton permet en effet une arrivée d'air plus importante, nécessaire pour un fonctionnement soutenu.
4.6. Chargement - Puissance
La puissance calorifique dégagée de l'insert est tributaire principalement du chargement en bois. Suivant l'essence et l'humidité du bois, une bùche de 50 cm de long,
de diametre 6 cm pse environ 1kg
- de diamètre 10 cm pèse environ 3 kg,
- de diamètre 15 cm pèse environ 7 kg.
Pour un chauffage soutenu, utiliser des buches de petit diamètre en grand nombre (ex. 6 à 8 buches de 6cm de diamètre sur un bon lit de braises). Pour un chauffage plus long, utiliser des buches de gros diamètre (ex. 3 buches de 13a15cm de diamètre sur un lit de braises moyen).
NOTA : le fonctionnement normal est tributaire du lit de braises ; empêcher qu'il ne disparaisse complètement en fin de combustion, afin d'éviter les reprises difficibles qui favorisent le bistrage de la vitre. Relancer avec du petit bois s'il y a lieu.
4.7. Précautions au rechargement
Lors de l'ouverture de la porte déverrouiller le loquet de fermeture, entrouvr légrement en observant un temps d'arrêt puis ouvrir lentement. Ces précautions vous éviteront le désagrement d'un refoulement évientuel.
4.8. Avertissement
Ne jamais jeter d'eau pour êtreindre le feu.
La ou les vitres peuvent atteindre des températures élevées en dégageant, par rayonnement, une source de chaleur importante ; nous vous conseillons de ne pas placer à proximate des meubles ou objets y étant sensibles (distance de 1500 mm minimum). Attention aux risques de brûlures, notamment pour les enfants en bas âge.
Si votre cheminée est équipée d'une ou deux réserves de bois, il y aura lieu de ne pas les obstruer (ex. par une porte, par un stockage excessif de bois, etc.) afin de laisser le libre passage de l'air servant à la convection. De même, ne pas y loger des matières facilement inflammables (ex. papier, boites d'allumettes, etc.).
Attention: En cas de feu de cheminée, fermer : les registres d'arrivee d'air, la porte de l'insert et appeler les pompiers.
Les poignées sont chaudes pendant le fonctionnement. Utiliser le gant (si ci fourni).
Ce gant ne doit être utilisé que pour manœuvrer la poignée. Il n'est pas adapté pour la manipulation d'objets en ignition. Il n'est pas étanché aux liquides. Ne pas utiliser contre les risques chimiques.
Veiller à déposer le gant après chaque utilisation dans un endroit dépourvu de résidus de combustion (cendres) et non chaud.
Ne pas s'inquieter si des émissions de fumée et une oedur un peu âcre se manifestent aux premiers allumages, ceci étant dû à la peinture des différentes pièces. Ces phénomènes peuvent persister plusieurs jours.
4.9. Conseils en cas de fonctionnement anormal
Prendre toutes les précautions en cas d'utilisation d'appareil comme par exemple une hotte aspirante mettant en dépression l'habitation qui peuvent perturber le fonctionnement de l'insert.
| Dégagement de fumées à l'ouverture de la porte. | - voir ci-dessus « précautions au rechargement ». - vérifier si l'arrivée d'air frais dans la pièce est suffisante (ouvrir une porte ou une fenêtre pour vérifier). - Faire vérifier votre cheminée (dépression, étanchêté du conduit, du raccordement et de l'insert). |
| Peu de chauffage, le feu couve ou s'éteint. | - recharger sur un bon lit de braises, relancer avec du petit bois, s'il le faut. - Utiliser du bois plus sec (15 à 20 % d'humidité). - Faire vérifier votre cheminée (dépression étanchêté du conduit, du raccordement et de l'insert). |
| Peu de chauffage mais le feu s'emballe. | - vérifier l'étanchêté de l'insert. - Charger de préférence avec des grosses bouches. - Faire vérifier le tirage de votre cheminée (pose du réducteur de tirage enSouche ou pose d'un moderateur de tirage). |
| La vente se salit très vite. | - utiliser un bois plus sec. - Eviter les allures ralenties trop fréquentes. |
| La vente se salit partiellement par trainées. | - nettoyer et vérifier le canaliseur d'air secondaire. |
NOTA: le fonctionnement de l'insert est tributaire des conditions atmosphériques. Il est conseillé d'être très vigilant par exemple lors de vents violents (trop de tirage) ou de brouillard (pas de tirage).
5. ENTRETIEN:
Deux ramonages mécaniques à effectuer par an (ramonages par un professionnel), dont un pendant la saition de chauffe lors desquels sera contrôler le raccordement et le conduit de cheminée pour vous assurer du bon état de l'ensemble. Un certificat doit vous être remis par l'entrepreneur. Les différents éléments constituant l'appareil et l'étanchéité doivent être vérifiés ; si nécessaire, il y aura lieu de procéder au remplacement des joints de porte.
Dans le cas d'anomalies, il est interdit d'utiliser votre apparéil. Il y aura lieu de procéder à la réfection avant toute remise en marche. Faire contrôle sur la installation par un professionnel.
La période de chauffe terminée, procédé au nettoyage de tous les éléments interieurs en fonte de votre apparéil, gratter les événuels agglomerats de goudron et broisser toutes les parties; pour vous faciliter la tâche, déposer tous les éléments amovibles (grille foyère, chenet, déflecteur,...).
Puis après ce décrassage, frottier tous les éléments en fonte avec une pâté appropriée (zebraline); cette opération redonnera l'éclat à votre apparéil et le préservera de la rouille (renouveler l'opération si nécessaire).
- Pour la vieillesse, pour neoirer le phanomene de condensation, qui accellevent le Phenomene d'oxydation.
Pour les apparèels munis de grilles perforées sur une partie de leur contour, les nettoyer en passant l'aspirateur afin de dégager les perforations d'eventuelles poussières qui nuiraient à la circulation d'air de convection.
Vider régulierèment le cendrier pour éviter une accumulation de cendres qui pourrait obstruer la grille foyeré et l'endommager. Attention aux braises incandescentes jetées négligement : elles peuvent enflammer tout matériel combustible.
Nettoyage de la vitre : lorsque la vitre est froide, la frottier avec une éponge humide ou比较好, un chiffon imbibé d'un produit d'entretien à base de soude caustique. Suivre les instructions et les précautions d'emploi des notices des différents produits.
Pour les apparèils munis d'accessoires ou d'une façon laitonnée, une légère décoloration, plus ou moins importante, peut apparaître, en fonction des températures lors de l'utilisation.
En période de non utilisation, le laiton peut ternir également par l'oxydation naturelle.
A ce titre, il y aura lieu d'entretenir régulièrement ces pieces de temps en temps avec un produit d'entretien spécifique pour cuivre laiton; éviter de les tâcher avec les produits de nettoyage pour vitres.
Mise en garde particulière concernant la porte foyer :
Nos portes sont équipées sur leurs axes de vis pointeur ou de rondelles freins.
ATTENTION: Lors du démontage évientuel de la porte par votre installateur (replacement de la vitre,...) il est important deReplacing sur les axes de cette porte des rondelles freins (neuves) et/ou les vis pointeau d'origine.
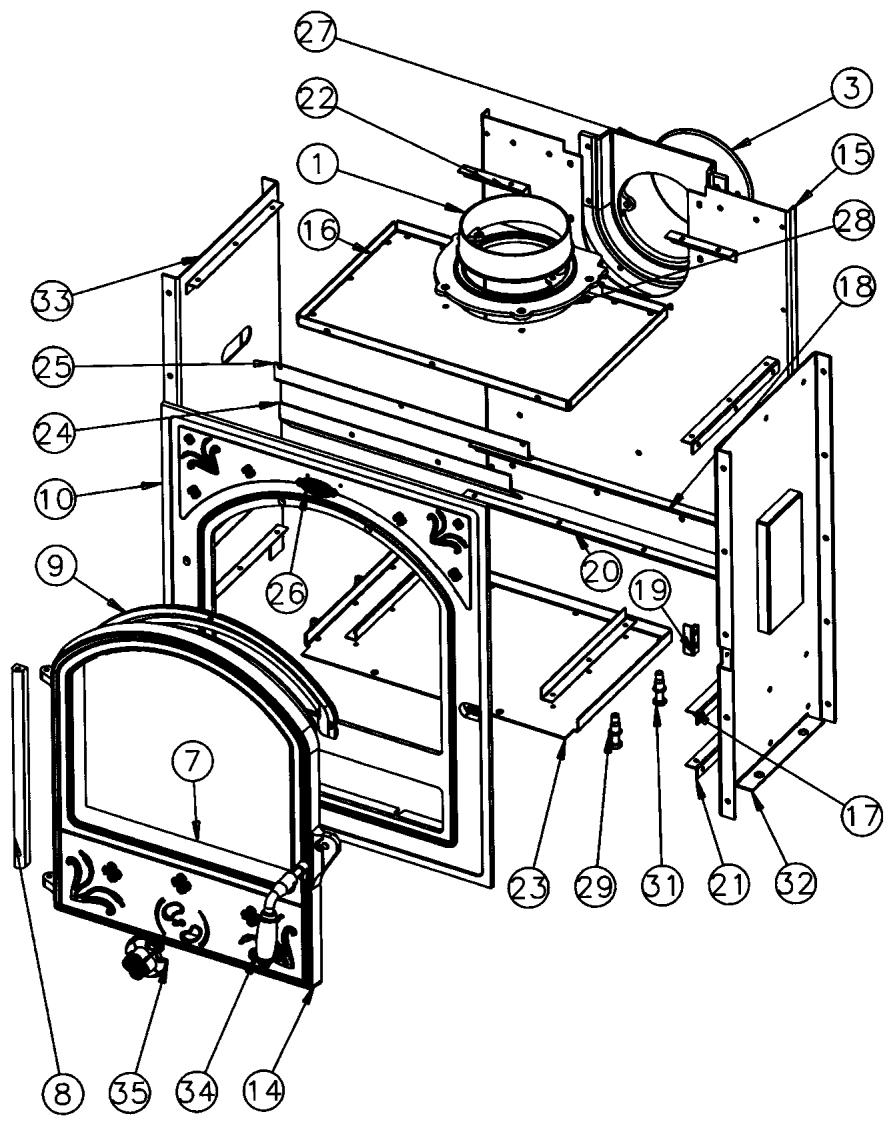
6. PIEÇES DE RECHANGES
Si après de longues années le remplacement de certaines pieces s'avere nécessaire; adressez-vous à votre FOURNISSEUR ou à tout autre PROFESSIONNEL DE NOTRE MARQUE.
Precisez-lui les indications portées sur la PLAQUE SIGNALÉTIQUE, celle-ci est placée à l'ARRÊRE DE L'APPAREIL ou sur le BON DE GARANTIE, à conserver imparativement même après la date de péremption.
En possession des nomenclatures et de toute la documentation technique relative à notre fabrication, celui-ci sera en mesure de vous fournirrapidement toute piece de remplacement et proceder aux réparationsnecessaires.
Ne jamais utiliser de pieces de remplacement qui n'auraient pas été fournies par la société GODIN S.A.
Ne jamais apporter de modifications à l'appareil sans autorisation.
7. GARANTIE CONTRACTUELLE GODIN
Tous nos apparéils bénéficient d'une garantie de 2 ans (sauf insert bois - foyer fermés bois) contre tout défaut à compter de leur date de vente aux utilisateurs, dans les limites du respect des conditions d'installation, d'utilisation, et d'entretien spécifique sur la notice livrée avec l' apparéil.
A l'exclusion des pieces en contact direct avec les températures importantes pouvant subir des déformations suite à des phénomènes d'usure qui sont garanties 1 an en échange standard, telles que :
- les plaques décor, les plaques de cotés, les grilles et soles foyerées,
- les deflecteurs, les chicanes, les clapets, les chenets, le cendrier.
les briques refractaires,
les mécanismes d'articulation, (Charnières de porte four des cuisinières, poignées, Etc.) - les ventilateurs, les thermostats de surchauffe de nos apparciels équipés d'une soufflerie,
les organes de contrôle de températures, thermostats de four, résistances, ventilateurs chaleur tournante des cuisinières gaz électricité, - les brûleurs, les catalyseurs, les anneaux de brûleur des apparéils fioul,
les boudleurs des cuisicentrales bois charbon.
Nos apparèils sont conçus spécialément pour que ces pièces puissant être replacées dans le cadre de l'entretien de votre apparéil.
Certaines pieces bénéficient d'une garantie de durée supérieure :
3 ans sur les corps de chauffe en fonte ou en acier de nos chaudières de chauffage central.
Les inserts bois (foyers fermés bois) bénéficient d'une garantie de 5 ans (Corps de chauffe de l'appareil uniquement, à l'exclusion des pieces en contact direct avec les températures importantes et soumises à usure enumeratedes ci-dessus qui sont garanties 1 an).
Notre garantie se limite à l'échange de l'élément reconnu défectueux par notre service après vente. Elle exclut toute indemnité, dommages et intérêts, frais de main d'oeuvre et transport.
Au cas où la réparation ou l'échange s'avérait trop onéreux par rapport au prix de l'appareil, la décision de changer ou de réparer l'appareil, apparlient seule au service après vente.
Ne sont pas couvert par la garantie : LES VITRES DE NOS APPAREILS
En effet, en ce qui concerne les vitres vitrocéramiques, ces dernières peuvent résister à des chocs thermiques de l'ordre de 750^ . Les évientuelles casses ne pouvant provenir que d'un chic mécanique lors de l'utilisation ou de sa manutention, ces dernières ne pouvant être échangées dans le cadre de garantie.
De même que les joints qui sont considérés comme pieces d'usure sont exclus de la garantie.
La garantie ne prendra pas effet lorsque :
- Les avaries qui résultataient de l'utilisation de l'appareil avec un combustible autre que celui préconise dans nos notices.
- Les dépréciations de pieces provenant d' éléments extérieurs (refoulement de cheminée, effets d'orages, humidité, pression ou dépression non conforme, chic thermique, etc.):
- Les anomalies, détiériorations ou accidents provenant de chute, chic, néligence, défaut de surveillance ou d'entretien de l'acheteur;
L'utilisation ou usage anormal de l'appareil dans des conditions differentes de celles pour lesquelles il a eté construit; c'est le cas par exemple du non respect de nos notices techniques (mauvais raccordement électrique, fonctionnement à sec d'une chaudière, etc.) - Toutes modifications, toutes transformations ou toutes interventions effectuees par un personnel ou une entreprise non agreées par la S.A. GODIN ou réalisées par des pieces de rechanges non d'origine ou non agreées par le constructeur;
L'installation, le montage, les frais de démontage et les conséquences de l'immobilisation de l'appareil, résultat des opérations de garantie n'incombent pas à la S.A. GODIN.
En conséquence, la S.A. GODIN ne peut tenu être responsable des dégats matériels ou des accidents de personnes, consécutifs à une installation non conforme aux dispositions légales et réglementaires (par exemple, absence de raccordement à une prise de terre, mauvais tirage de cheminée, etc.).
Dans un souci constant d'améliorer nos fabrications, nous nous réservons le droit de modifier sans préavis nos apparèils. Toutes les dimensions et caractéristiquesANNOÇÉESONTSUJETEDA variation en fonction desimperatifs techniques.
En cas d'appoint en garantie, veuillez vous munir obligatoirement d'une copie de la facture, du bon de garantie comportant les reférences de l'appareil, le cachet du revendeur, la date de mise en service de l'appareil, et de contacter votre revendeur pour toute réclamation.
Chaudières-Cuisinières Appareils de chauffage-Fonderie GODIN S.A.-532, rue Sadi Carnot-02120 GUISE-France
Nous vous rappelons que le Service Àprous Vente doit être assurep ar le revendeur, ou l'installateur, responsable sur place, que nous ne traitons pas directement avec les particuliers.
Tout client particulier s'adressant directement à notre société, sera renvoyé automatiquement chez son revendeur, et devra s'adresser auprès de lui, pour tout problème de Service Àpre S Vente ou commercial.


| N° | Nbre | Désignation | Codification | N° | Nbre | Désignation | Codification |
| 01 | 1 | Façade gauche de socle | 1 2289 630114 | 13 | 1 | Dessus | 1 1101 630114 |
| 02 | 1 | Façade de socle | 1 2278 630114 | 14 | 1 | Dessus droit | 1 1197 630114 |
| 03 | 1 | Côté socle | 1 2232 630114 | 15 | 1 | Obturator droit | 1 5247 630114 |
| 04 | 1 | Socle gauche | 1 2218 630114 | 16 | 1 | Dessus gauche | 1 1196 630114 |
| 05 | 1 | Côté socle | 1 2232 630114 | 17 | 1 | Obturator gauche | 1 5248 630114 |
| 06 | 1 | Raidisseur de socle gauche | 1 0580 630114 | 18 | 1 | Porte | - |
| 07 | 1 | Entretoise de socle | 1 2280 630114 | 19 | 1 | Grille aération | - |
| 08 | 1 | Entretoise de socle | 1 2280 630114 | 20 | 1 | Grille aération | - |
| 09 | 1 | Socle droit | 1 2217 630114 | 21 | 1 | Tôle protection arrière | 1 3544 630114 |
| 10 | 1 | Côté droit ext. | 1 2302 630114 | 22 | 1 | Support de rosace | - |
| 11 | 1 | Côté gauche | 1 2306 630114 | 23 | 1 | Bouchon | 1 8641 0195 |
| 12 | 1 | Fronton | 1 2112 630114 | 24 | 1 | Rosace dossier | 1 1323 3199 |
Annexe 2: Position du déflecteur
Afin que votre apparéil fonctionne correctement le déflecteur doit impératifement être positionné comme montré ci-côté en coupe.



Annexe 4 : Croquis 2 et 3 « Environnement de l'appareil »

Remarque: ne pas tenir compte du modele de foyer représenté.
FICHE CONTROL
| Nom et adresse du distributeur | BENEFICIAIRE DE LA GARANTIE : | |
| ADRESSE : | ||
| Tél. :Date de mise à disposition : | Date d'installation : | |
| Tél: | Le : à : | |
| Signature : | ||
| LIBELLÉ DES PIEÇES À REMPLACER | ||
| Désignation : | Référence : | Observations : |
| Certificat de contrôle :Type d'Appareil :Version :Contrôleur : | FICHE DE CONTROôleVérification du corps de chauffé (aspect et étanchéité)Vérification pièces amoviblesVérification fermeture portes(Vérification des registres allumagePrésence plaque signalétiquePrésence notice / bon de garantie / fascicule « à l'emporté » | |
| N° de Plaque Signalétique :N° de Garantie : | Présence cendrierPrésence buse départPrésence main froidePrésence étiquette mise en garde | |
| GODIN S.A. - 532 RUE SADI CARNOT - 02120 GUISE | Date création du document : 19/10/06Révision : ././. | |
Notice Facile