ZX-E - Capteur industriel OMRON - Notice d'utilisation et mode d'emploi gratuit
Retrouvez gratuitement la notice de l'appareil ZX-E OMRON au format PDF.
| Intitulé | Description |
|---|---|
| Type de produit | Capteur de proximité photoélectrique |
| Caractéristiques techniques principales | Capteur avec une détection de distance réglable et une réponse rapide |
| Alimentation électrique | 24 V CC |
| Dimensions approximatives | 50 x 30 x 20 mm |
| Poids | 150 g |
| Compatibilités | Compatible avec divers systèmes de contrôle industriel |
| Type de batterie | Non applicable (fonctionne avec alimentation externe) |
| Tension | 24 V CC |
| Puissance | Consommation faible, adaptée pour les applications industrielles |
| Fonctions principales | Détection de proximité, sortie numérique, réglage de sensibilité |
| Entretien et nettoyage | Nettoyer régulièrement avec un chiffon doux, éviter les produits abrasifs |
| Pièces détachées et réparabilité | Disponibilité de pièces de rechange via le fabricant |
| Sécurité | Conforme aux normes de sécurité électrique, utiliser selon les instructions du fabricant |
| Informations générales utiles | Vérifier la compatibilité avec votre système avant l'achat, consulter le manuel pour l'installation |
FOIRE AUX QUESTIONS - ZX-E OMRON
Questions des utilisateurs sur ZX-E OMRON
0 question sur cet appareil. Repondez a celles que vous connaissez ou posez la votre.
Poser une nouvelle question sur cet appareil
Téléchargez la notice de votre Capteur industriel au format PDF gratuitement ! Retrouvez votre notice ZX-E - OMRON et reprennez votre appareil électronique en main. Sur cette page sont publiés tous les documents nécessaires à l'utilisation de votre appareil ZX-E de la marque OMRON.
MODE D'EMPLOI ZX-E OMRON
| Préface | Sommaire et précautions |
| Section 1 | Caractéristiques |
| Section 2 | Préparations à la mesure |
| Section 3 | Fonctionnement de base |
| Section 4 | Principales applications et méthodes de paramétrage |
| Section 5 | Paramétrage détaillé |
| Section 6 | Fonctions auxiliaires |
| Annexes | Dépannage, caractéristiques techniques, données caractéristiques, etc. |
| Index |
Manuel d'utilisation
Capteurs avancés
Série ZX-E
Sommaire
Sommaire 3
Précautions 7
Utilisation correcte 8
Mode d'emploi de ce manuel 9
Section 2 Préparation à la mesure
Configuration de base 18
Noms et fonctions des éléments 19
Installation de l'amplificateur 22
Installation des têtes de capteurs 24
Connexions 27
Câblage des câbles de sortie
Section 3 Fonctionnement de base
Déroulement des opérations
Connaissances élémentaires requises pour utiliser l'appareil 38
Diagrammes de transition de fonction 43
Réglage de la linéarité 46
Section 4 Principales applications et méthodes de paramétrage
Détection du point mort inférieur 54
Hauteur de mesure 59
Mesure de l'excentricité et des vibrations 63
Mesure de l'épaisseur 66
Section 5 Réglages détaillés
Définition du nombre d'échantillons pour le calcul de la moyenne
Utilisation des fonctions de maintenance 73
Comparaison des valeurs mesurées (comparaison aux valeurs précédentes) 80
Modification des échelles d'affichage 82
Entrée de valeurs de seuil 89
Sortie linéaire 95
Paramétrage de la temporisation de sortie de jugement (temporisateur)
Section 6 Fonctions auxiliaires
Mesure à l'aide de plusieurs amplificateurs
Modification du nombre de chiffres sur l'affichage 115
Inversion de l'affichage 116
Réglage de la luminosité de l'affichage (affichage ECO) 118
Utilisation de la fonction RAZ 119
Fonction de verrouillage des touches 124
Initialisation des paramètres 125
Annexes
Dépannage 128
Questions et réponses 130
Glossaire 131
Données caractéristiques 139
Aide-mémoire des affichages 144
Précautions
Pour garantir la sécurité, respectez toujours les conseils d'utilisation suivants :
Environnement
- N'utilis dans des endroits soumis à des gaz corrosifs ou inflammables.
- Pour assurer la sécurité du fonctionnement et de la maintenance, n'install à proximité d'appareillage haute tension ou de dispositifs électriques.
Alimentation et câblage
- N'imposez pas de tensions supérieures à la tension nominale (12 à 24 V c.c. ±10 %).
- Lorsque le capteur est mis sous tension, vérifiez que la polarité du courant est correcte et ne le branchez pas à une alimentation c. a.
- Ne court-circuitez pas la charge de la sortie à collecteur ouvert.
- Ne posez pas le câble d'alimentation du capteur avancé à proximité de lignes haute tension ou de lignes électriques. Ignorer cette consigne ou les placer dans le même conduit pourrait provoquer une induction et conduire à un dysfonctionnement ou à des dommages.
- Coupez toujours l'alimentation avant de câbler, ainsi qu'avant de connecter ou de déconnecter des connecteurs.
Paramètres
- Lors du paramétrage de la valeur de seuil d'un capteur avancé connecté à un appareil externe, mettez sous tension l'entrée de maintien de la sortie de jugement de l'amplificateur afin que le jugement ne se fasse pas sur l'appareil externe.
Autres
- Les capteurs avancés de la série ZX-E (type déplacement inductif) et de la série ZX-L (type laser) ne sont pas compatibles. Ne les utilisez pas ensemble.
- N'essayez pas de démonter, de réparer ou de modifier le capteur avancé.
- Pour sa mise au rebut, traitez le capteur avancé comme un déchet industriel.
Utilisation correcte
Respectez toujours les instructions ci-dessous afin que le capteur avancé fonctionne avec la plus grande fiabilité et toutes ses fonctionnalités.
Environnement
N'installez pas le capteur avancé dans les endroits suivants :
- Endroits dont la température ambiante dépasse la plage de température nominale.
- Endroits soumis à des changements rapides de température (provoquant une condensation). Endroits dont l'humidité relative est hors de la plage de 35 à 85 %.
- Endroits pouvant contenir des gaz corrosifs ou inflammables.
- Endroits où de la poussière, du sel ou de la poudre métallique pourrait s'accumuler sur le capteur.
- Endroits soumis directement à des chocs ou des vibrations. Endroits exposés à la lumière directe du soleil. Endroits exposés à l'eau, à l'huile ou aux produits chimiques.
- Endroits soumis à des champs électromagnétiques ou électriques puissants.
Alimentation et câblage
- Le câble de la tête du capteur ne doit pas dépasser 8 m. Utilisez une rallonge de câble ZX-XC□A (à commander séparément) pour allonger le câble du capteur.
- Utilisez un câble blindé pour allonger le câble de l'amplificateur. Ce câble doit posséder les mêmes caractéristiques que le câble de l'amplificateur.
- Si vous utilisez une alimentation à découpage de commerce, raccordez la terre à la masse.
- Si la ligne d'alimentation est soumise à des pointes de tension, connectez un absorbeur de surtension répondant aux conditions de l'environnement d'utilisation.
- Si vous connectez plusieurs amplificateurs, connectez toutes leurs masses à la terre.
Temps de chauffe
Après sa mise sous tension, laissez le capteur chauffer pendant 30 minutes minimum avant de l'utiliser. Les circuits ne sont pas stables immédiatement après la mise sous tension et les valeurs changent progressivement jusqu'à ce que le capteur soit complètement chaud.
Maintenance et inspection
- Coupez toujours l'alimentation avant d'ajuster ou de retirer la tête de capteur.
- N'utilisez pas de diluants, de benzine, d'acétone ou de kérosène pour nettoyer la tête du capteur ou l'amplificateur.

Zone d'affichage
Année Lefevre Lafarge de l'infarmation d'infarmation en 1975
Touches et sélecteurs
Représente les touches ou les curseurs utilisés pendant le fonctionnement.
Procédure et explications complémentaires
Les informations utiles pendant le fonctionnement et les pages de références sont indiquées ici et accompagnées d'icônes indiquant leur nature.
- Cette page n'est pas dans ce manuel.
Menu
Les indications qui apparaissent sur les affichages numériques sont en capitales.
Procedures
L'ordre des procédures est indiqué par des étapes numérotées.
Aides visuelles

Explique ce qu'il faut faire pour assurer des performances et une utilisation optimales des fonctions du capteur avancé. Des erreurs d'utilisation peuvent entraîner la perte de données et un dysfonctionnement du capteur. Lisez bien toutes les notes et respectez les précautions.

Fournit des informations sur des procédures de fonctionnement importantes, ainsi que des conseils sur l'utilisation des fonctions et attire l'attention sur des informations importantes pour les performances.

Indique les pages où se trouvent les informations pertinentes.

Indiquez utiles en cas de problème.
Section 1
CARACTÉRISTIQUES

Caractéristiques du ZX-E
Caractéristiques du ZX-E
Le capteur avancé ZX-E mesure la distance entre sa tête et l'objet à détecter.
Exemple : détection du point mort inférieur d'une presse.

Prêt à mesurer après la mise sous tension
Pour utiliser le capteur avancé, il suffit de l'installer et de le câbler. Mettez-le sous tension et il est prêt à fonctionner.
La distance de mesure s'affiche sur l'amplificateur.

Simplicité de réglage de la linéarité
Placez l'objet à détecter aux distances spécifiées et appuyez sur la touche ENT pour régler la linéarité avec précision. Il n'est pas nécessaire de procéder à de longs réglages de décalage et de plage.
La même précision de réglage est également possible pour les objets à détecter non ferreux.

p. 46

Simplicité des paramètres de calcul
Utilisez une carte de calcul pour mesurer simplement l'épaisseur et effectuer les calculs d'addition et de soustraction sur deux mesures.

p. 108


Prévention des interférences mutuelles pour les têtes de capteurs à montage rapproché
Le capteur avancé possède une fonction de p qui permet le montage rapproché de plusieurs têtes. Cette fonction prend en charge jusqu'à cinq têtes avec les calculateurs ZX-CAL2.

Voir pages 20 et 112.

Compatibilité entre têtes de capteurs et amplificateurs
Il n'est pas nécessaire de changer les amplificateurs lors du changement des têtes de capteurs pour la maintenance ou en cas d'utilisation avec de nouveaux produits.

Câbles extensibles des têtes de capteurs
Il est possible de connecter une rallonge de câble de 8 m maximum. Il faut un câble d'extension ZX-XC-A pour allonger le câble de la tête de capteur.

p. 18

Affichage de la résolution pour l'objet à détecter
Il est possible d'afficher la résolution afin de choisir les marges de détection tout en voyant la valeur de résolution.

p. 43
Résolution

Confirmation de l'état de la mesure sur un ordinateur personnel
Utilisez une carte d'interface et Smart Monitor V2 pour voir les formes d'onde de la mesure et enregistrer les données de . Cette fonction est utile pour régler les mesures sur site et effectuer les tâches quotidiennes de contrôle qualité.

p. 18


Smart Monitor V2

Section 2
PRÉPARATION À LA MESURE
Configuration de base 18 Noms et fonctions des éléments 19 Installation de l'amplificateur 22 Installation des têtes de capteurs 24 Connexions 27 Câblage des câbles de sortie 31
Configuration de base
La configuration de base des capteurs avancés de la série ZX-E est représentée ci-dessous.
Note
Les capteurs avancés de la série ZX-L (type laser) et de la série ZX-E (type déplacement inductif) ne sont pas compatibles. Ne les utilisez pas ensemble.

Amplificateurs
(5) Voyant d'alimentation
* Détail des commandes et de la zone d'affichage (6) Voyant RAZ (7) Voyant ENABLE
(1) Le câble d'entrée connecte la tête du capteur. (2) Le commutateur courant/tension sélectionne une sortie linéaire courant ou tension.

Il faut également des paramètres de mise au point pour la commutation de la sortie. p. 9
(3) Les connecteurs relient les cartes de calcul et d'interface. (4) Le câble de sortie connecte l'alimentation et les périphériques externes, tels que des capteurs de synchronisation ou des automates programmables. (5) Le voyant d'alimentation s'allume à la mise sous tension. (6) Le voyant RAZ (Zero Reset) s'allume quand la fonction de remise à zéro est activée. (7) Le voyant ENABLE s'allume quand le résultat de la mesure entre dans la plage de mesure. (8) Le voyant HIGH HIGH (haut). (9) Le voyant PASS PASS (correct).
(10) Le voyant LOW LOW (bas). (11) L'affichage principal donne les valeurs mesurées et le nom des fonctions. (12) Sur l'affichage inférieur apparaissent des informations et des paramètres de fonction supplémentaires pour la mesure. Valeurs affichées, p. 39. (13) Le sélecteur de seuil sélectionne le réglage (et l'affichage) du seuil HIGH ou LOW. (14) Le sélecteur de mode sélectionne le mode de fonctionnement.
Changement de mode, p. 38
Les touches de commande définissent les conditions de mesure et d'autres paramètres.
Fonctions des touches, p. 40



Cartes d'interface

* Détail de l'affichage (5) Voyants de communication avec le terminal externe (BUSY et ERR)
(1) Le connecteur de communication connecte le câble de communication à l'ordinateur. (2) Le connecteur de l'amplificateur se connecte à l'amplificateur. (3) Le voyant d'alimentation s'allume à la mise sous tension. (4) BUSY : S'allume
ERR : S'allume en cas d'erreur
BUSY : S'allume 'ordinateur personnel.
ERR : S'allume en cas d'erreur
Installation de l'amplificateur
Les amplificateurs se montent facilement sur un rail DIN de 35 mm.

Installation
Accrochez l'extrémité connecteur de l'amplificateur au rail DIN et enfoncez-la jusqu'à ce qu'elle soit verrouillée en place.

NOTE
Commencez toujours par accrocher l'extrémité connecteur de l'amplificateur au rail DIN. La force de montage risque de diminuer si l'extrémité du câble de sortie est accrochée la première au rail DIN.
Méthode d'extraction
Poussez l'amplificateur vers le haut et faites-le sortir en tirant à partir de l'extrémité du connecteur.

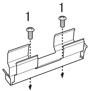
Installation des têtes de capteurs
Cette section décrit l'i et des préamplificateurs.
Têtes des capteurs ZX-EDT (type non fileté)
Étrier de fixation (à commander séparément)
Y92E-F5R4 (pour diamètre 5,4 mm)

Si vous utilisez une vis de fixation, serrez-la à un couple de 0,2 N·m maximum.
Montez la tête de capteur comme indiqué dans le schéma ci-dessous.

(Unité : mm)
| Modèle | A |
| ZX-EDR5T | 9 à 18 |
| ZX-ED01T | 9 à 18 |
| ZX-ED02T | 11 à 22 |
Têtes des capteurs ZX-EMT (type fileté)
Le couple de serrage maximum des types filetés (ZX-EM□T) est de 15 N·m.
Montez la tête de capteur de manière à ce que la distance qui la sépare de l'objet à détecter soit égale à environ la moitié de la distance de mesure.
Exemple : Tête de capteur ZX-ED01T
Distance de mesure : 0 à 1 mm
Objet à détecter : Objet ferreux de 18 x 18 mm ou plus
CHECK!
Utilisez un objet à détecter ferreux plus gros que l'objet à détecter standard. Si vous utilisez un objet à détecter plus petit que l'objet standard ou un objet non ferreux, vous n'obtiendrez peut-être pas les caractéristiques prédéterminées.

Données caractéristiques, p. 139
Influence du métal avoisinant
Éloignez la tête de capteur du métal environnant d'au moins les distances indiquées dans le schéma suivant.

(Unité : mm)
| Modèle | Dia. A | B |
| ZX-EDR5T | 8 | 9 |
| ZX-ED01T | 10 | 9 |
| ZX-ED02T | 12 | 9 |
| ZX-EM02T | 12 | 9 |
| ZX-EM07MT | 55 | 20 |
Interférences mutuelles
Si vous utilisez plusieurs têtes de capteurs, séparez-les d'au moins les distances indiquées dans le schéma suivant.
CHECK!
Il est possible de réduire davantage encore la distance séparant deux têtes de capteurs adjacentes si l'on a recours à la fonction de prévention des interférences mutuelles.
Exécution des calculs, p. 108
Face à face
Cote a cote
(Unité : mm)
| Modèle | A | B | |
| Fonction de prévention des interférences mutuelles | |||
| Utilisée | Non utilisée | ||
| ZX-EDR5T | 5 | 3.1 | 20 |
| ZX-ED01T | 10 | 5.4 | 50 |
| ZX-ED02T | 20 | 8 | 50 |
| ZX-EM02T | 20 | 10 | 50 |
| ZX-EM07MT | 100 | 30 | 150 |
Installation
Utilisez l'étrier de fixation de préamplificateur joint.
CHECK!
Il est également possible de un rail DIN de 35 mm.
Utilisez l'étrier de fixation pour rail DIN ZX-XBE2 (préamplificateur à commande séparée) pour .

Dimensions de montage (Unité : mm)
Fixez l'étrier de fixation de préamplificateur joint à l'aide de vis M3.
- Encliquetez une extrémité du préamplificateur dans l'étrier.
- Ensuite, encliquetez son autre extrémité dans l'étrier.

Méthode d'extraction
Maintenez le centre du préamplificateur et levez-le.

Connexions
Cette section décrit le mode de connexion des composants du capteur avancé.
NOTE
Coupez l'alimentation de l'amplificateur avant de connecter ou de retirer des composants. Le capteur risque de mal fonctionner si des composants sont connectés ou extraits alors qu'il est sous tension.

Têtes de capteurs
NOTE
Ne touchez pas aux bornes à l'intérieur du connecteur.
Méthode de connexion
Enclenchez le connecteur de la tête de capteur dans le connecteur de l'amplificateur jusqu'à ce qu'il soit verrouillé.

Méthode d'extraction
Lorsque vous déconnectez la tête de capteur, maintenez la bague du connecteur et le connecteur de l'amplificateur et sortez-les en tirant.
NOTE
Vous risquez d'endommager le câble d'entrée de l'amplificateur si vous ne tirez que sur la bague du connecteur.
Bague de connexion

CHECK!
Tous les paramètres de l'amplificateur sont effacés lorsqu'on change de modèle de tête de capteur.
Cartes de calcul
Utilisez une carte de calcul pour connecter les amplificateurs afin d'effectuer des calculs entre amplificateurs et de prévenir les interférences mutuelles entre les têtes de capteurs.
Le nombre d'amplificateurs qu'il est possible de connecter dépend des fonctions utilisées.
| Fonction | Nbre d'amplificateurs connectables |
| Calcul | 2 |
| Prévention des interférences mutuelles | 5 |
CHECK!
Alimentez tous les amplificateurs connectés.
Méthode de connexion

- Ouvrez sur les amplificateurs.
Pour ouvrir , soulevez-les et faites-les glisser.
- Montez la carte de calcul dans le rail DIN.
- Faites glisser la carte de calcul et connectez-la au connecteur de l'amplificateur.
- Faites glisser et connectez le second amplificateur au connecteur de la carte de calcul.
Effectuez l'opération ci-dessus à l'envers pour extraire les cartes de calcul.
Numéros de canaux des amplificateurs
Le diagramme suivant indique les numéros de canaux en cas de connexion de plusieurs amplificateurs.

Cartes d'interface
Utilisez une carte d'interface pour connecter un ordinateur personnel au capteur avancé.
Méthode de connexion

- Ouvrez le couvercle des connecteurs sur l'amplificateur. Pour ouvrir le couvercle des connecteurs, soulevez-le et faites-le glisser.
- Montez la carte d'interface sur le rail DIN.
- Faites glisser la carte d'interface et connectez-la au connecteur de l'amplificateur.
Effectuez l'opération ci-dessus à l'envers pour extraire les cartes d'interface.
CHECK!
Si vous utilisez plusieurs amplificateurs, connectez la carte d'interface à l'amplificateur possédant le numéro de canal le plus élevé.
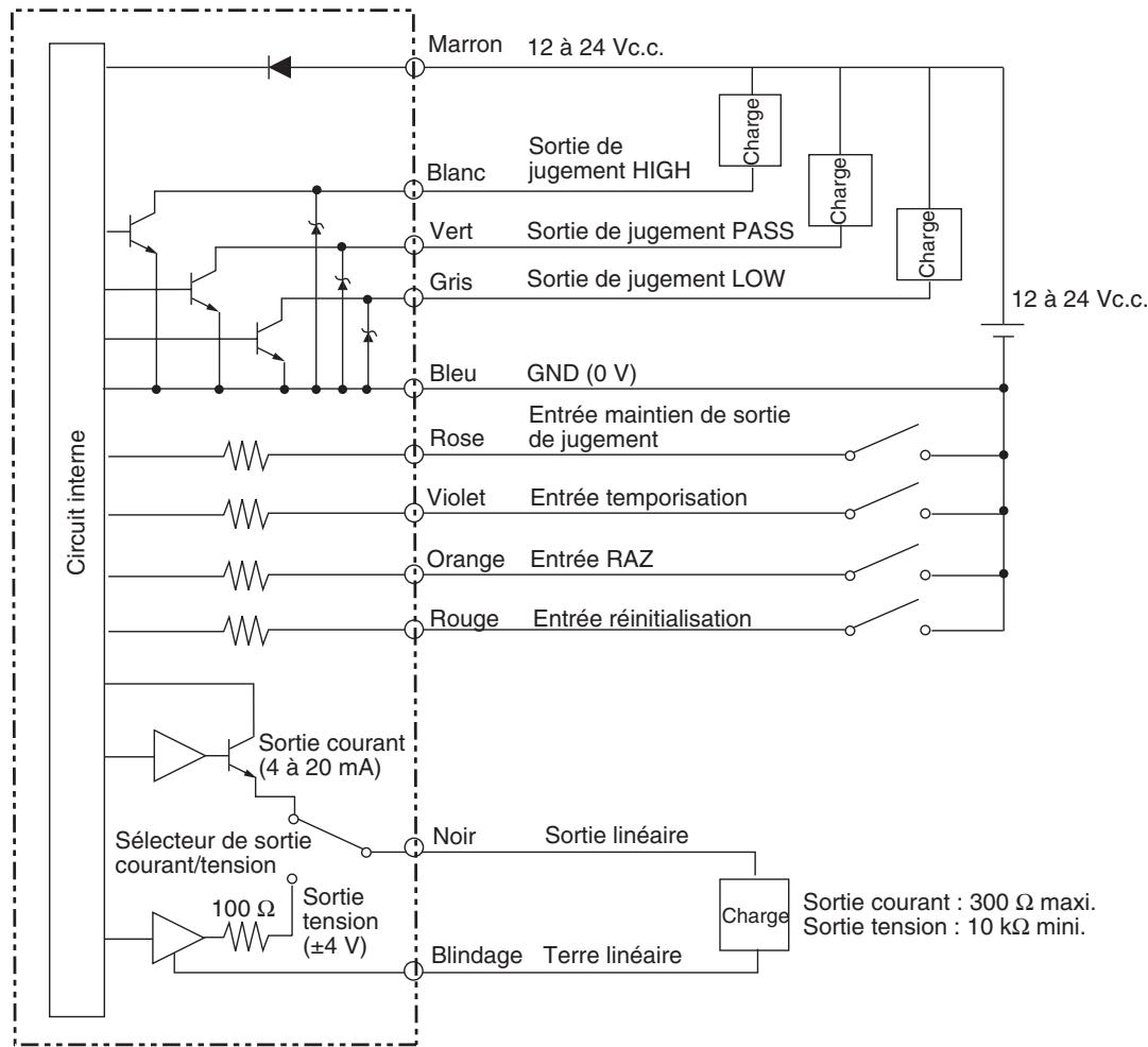
Câblage des câbles de sortie
Le diagramme suivant montre les fils du câble de sortie.
Note
Câblez correctement le câble de sortie. Une erreur de câblage pourrait endommager le capteur.

Une alimentation de 12 à 24 V c.c. (±10%) est connectée aux bornes d'alimentation. Lorsque vous utilisez un amplificateur avec une sortie PNP, la borne d'alimentation fait également office de borne d'E/S commune pour toutes les E/S, sauf pour la sortie linéaire.
Note
Utilisez pour l'amplificateur une alimentation stabilisée distincte des autres appareils et systèmes électriques, en particulier pour obtenir une résolution élevée.
(2) La borne GND est la borne d'alimentation 0 V. Lorsque vous utilisez un amplificateur avec une sortie NPN, la borne GND fait également office de borne d'E/S commune pour toutes les E/S, sauf la sortie linéaire. (3) La sortie de jugement HIGH donne des résultats de jugement HIGH (haut). (4) La sortie de jugement PASS donne des résultats de jugement PASS (correct). (5) La sortie de jugement LOW donne des résultats de jugement LOW (bas). (6) La sortie linéaire donne une sortie courant ou tension selon la valeur mesurée. (7) La borne GND de sortie linéaire est la borne 0 V de la sortie linéaire.
Note
- Utilisez pour la sortie linéaire une autre terre que la terre normale.
- Mettez toujours la borne de sortie linéaire à la terre, même si la sortie linéaire n'est pas utilisée.
(8) Quand l'entrée de maintien de la sortie de jugement est activée, les sorties de jugement sont maintenues et ne sont pas envoyées aux périphériques externes. Activez l'entrée de maintien de la sortie de jugement lors du paramétrage des valeurs de seuil.
Note
Lors du paramétrage des valeurs de seuil avec connexion à des appareils externes, activez l'entrée de maintien de la sortie de jugement de l'amplificateur pour empêcher que les sorties aux périphériques externes ne changent.
(9) L'entrée de réinitialisation sert à exécuter et effacer une remise à zéro. (10) L'entrée de temporisation est destinée à l'entrée de signaux en provenance de périphériques externes. Utilisez-la pour temporiser la fonction de maintien. (11) L'entrée de réinitialisation remet à zéro tous les traitements de mesure et les sorties.


Fonctionnement de base
Déroulement des opérations 36 Connaissances élémentaires requises pour utiliser l'appareil 37
Changement de mode 38 Valeurs affichées 39 Fonctions des touches 40 Définition des conditions 41 Entrée de valeurs numériques 42
Diagrammes de transition de fonction 43 Réglage de la linéarité 44
Sélection du matériel de l'objet à détecter 46
Entrée des valeurs de réglage 48
Exécution du réglage 50
Initialisation des paramètres de réglage 51



Fonctionnement anormal
Dépannage p. 128

Messages d'erreur
Messages d'erreur et
Mesures correctives
p. 129

Termes inconnus
Glossaire p. 131

Signification de l'affichage numérique
Aide-mémoire des affichages numériques p. 144

Mesure avec plusieurs amplificateurs
Exécution des calculs p. 108
Prévention des interférences mutuelles entre capteurs p. 112

Enregistrement du niveau RAZ
p. 121

Sélection des valeurs
de décalage pour la
remise à zéro
p. 120

Modification du nombre de chiffres sur l'affichage
p. 115

Utilisation de la fonction affichage ECO
p. 118

Inversion de l'affichage
p. 116

Fonction de verrouillage des touches
p. 124

Initialisation des paramètres
p. 125

Changement de mode
Le ZX-E dispose de trois modes. Utilisez le sélecteur de mode de l'amplificateur pour passer de l'un à l'autre. Passez au mode désiré avant d'utiliser l'appareil.

| Mode | Description |
| RUN | Mode de fonctionnement normal |
| T | Mode de paramétrage des valeurs de seuil |
| FUN | Mode de paramétrage des conditions de mesure. |

Diagrammes de transition de fonction, p. 43
Valeurs affichées
Les données affichées sur les affichages principal et inférieur dépendent du mode actif. Lors de la première mise sous tension après l'expédition, les données du mode RUN s'affichent.
Affichage inférieur
| Mode | Affichage principal | Affichage inférieur |
| RUN | Affiche la valeur mesurée(valeur obtenu à partir des conditions de mesure).Par exemple, la valeur maintainue s'affiche si la fonction de maintien est sélectionnée. | Pour naviguer entre l'affichage de la valeur actuelle (valeur mesu- rée réelle), de la valeur de seuil, de la valeur de sortie et de la réso- lution, dans cet ordre, il faut appuyer sur les touches de contrôle.Affichage de la valeur de seuilAffiche la valeur de seuil HIGH ou LOW en fonction de la position du sélecteur de seuil.H LLe paramètre de mise au point déterminé si la valeur de sortie est du type tension ou courant Paramètres de sortie (mise au point), p. 95 |
| T | Affiche la valeur mesurée(valeur obtenu à partir des conditions de mesure).Par exemple, la valeur main- tenue s'affiche si la fonction de maintien est sélectionnée. | Affiche la valeur de seuil du seuil paramétré.Affiche la valeur de seuil HIGH ou LOW en fonction de la position du sélecteur de seuil.H L |
| FUN | Affiche le nom des fonctions dans l'ordre lorsqu'on appuie sur les touches de contrôle. | Affiche le paramètre de la fonction affichée sur l'affichage principal. |
Diagrammes de transition de fonction, p. 43

Format d'affichage alphabétique
L'alphabet apparaît sur les affichages principal et inférieur comme indiqué dans le tableau suivant.
Fonctions des touches
Utilisez les touches de contrôle pour changer l'affichage et les conditions de mesure.

Le mode sélectionné détermine les fonctions de la touche.

Changement de mode, p. 38
| Touche | Fonction | |||
| Mode RUN | Mode T | Mode FUN | ||
| Touches curseur | Touche GAUCHE Touche DROITE | Modifie le content de l'affichage inférieur. | S'utilise pour sélectionner des chiffres. | La fonction change en fonction de la sélection. • Change la fonction affichée. • Sélectionne des chiffres. • Arrête le paramétrage. |
| Touche HAUT | Exécute l'entrée de temporisation. | S'utilise pour changer les valeurs numériques. | La fonction change en fonction de la sélection. • Change de sélection. • Change de valeurs numériques. | |
| Touche BAS | Réinitialise l'entrée. | |||
| Touche ENT | Remet à zéro. | La fonction change en fonction de l'opération. • Confirme la valeur de seuil. • Exécuté l'apprentissage. | Confirme la condition ou la valeur paramétrée. | |
Définition des conditions
Affichez la fonction cible dans l'affichage principal et sélectionnez la valeur désirée dans l'affichage inférieur pour définir les conditions de mesure.
Cette section utilise l'exemple de la définition d'un maintien de pic comme condition de maintien pour expliquer comment définir des conditions de mesure.
Passage au mode FUN et HOLD
- Passez le sélecteur de mode sur FUN.
- Utilisez les touches GAUCHE et DROITE pour afficher HOLD sur l'affichage principal.



Définition des conditions de maintien
- Appuyez sur la touche HAUT ou BAS.
La valeur de consigne en cours clignote sur l'affichage inférieur.
- Utilisez les touches HAUT et BAS pour sélectionner P-H. Appuyez sur la touche GAUCHE ou DROITE pour annuler l'option sélectionnée. L'affichage revient au paramètre en cours (OFF, dans cet exemple).
- Lorsque vous avez fini la sélection de la valeur de consigne, appuyez sur la touche ENT pour confirmer le réglage.






Le paramètre est enregistré.
Entrée de valeurs numériques
Cette section décrit comment entrer des valeurs numériques de seuil et de sortie. Nous nous servirons comme exemple de l'entrée directe de la valeur de seuil basse.
Passage du seuil bas de 0,2000 à 0,1900.
- Passez le sélecteur de mode sur T.
RUN T FUN
Définition de la valeur de seuil
- Passez le sélecteur sur L.
La valeur mesurée s'affiche sur l'affichage principal. Le paramètre en cours apparaît sur l'affichage inférieur.

- Appuyez sur n'importe quelle touche curseur.
Le premier chiffre de l'affichage inférieur clignote et l'entrée directe est activée.

- Utilisez la touche GAUCHE ou DROITE pour déplacer le curseur jusqu'à la première décimale.

- Utilisez la touche HAUT ou BAS pour afficher 1.

- Répétez les étapes 4 et 5 à la seconde décimale et afficher 9.
Pour annuler le paramètre sélectionné, utilisez la touche GAUCHE au chiffre le plus à gauche et appuyez à nouveau sur la touche GAUCHE. Ou bien, utilisez la touche DROITE au chiffre le plus à droite et appuyez à nouveau sur la touche DROITE. L'affichage revient au paramètre en cours (0,2000, dans cet exemple).

- Lorsque vous avez terminé la sélection de la valeur numérique, appuyez sur la touche ENT pour confirmer la valeur.
L'affichage cesse de clignoter et demeure allumé ; la valeur numérique est enregistrée.







Diagrammes de transition de fonction
Lecture des diagrammes de transition de fonction
La partie supérieure représente l'affichage principal et la partie inférieure, l'affichage inférieur.

Mode run
Valeur mesurée (voir remarque). L'affichage principal affiche toujours la valeur mesurée.

Remarque : En mode FUN, la valeur mesurée et la valeur en cours s'affichent alternativement.
Les valeurs numériques du diagramme ci-dessus n'ont que valeur d'exemple. L'affichage réel sera probablement différent.

Valeurs en cours et valeurs mesurées

Il n'y a pas de transition de fonction dans le mode T.
Valeur mesurée
Valeur de seuil

p. 89
Les valeurs numériques du diagramme ci-dessus n'ont que valeur d'exemple. L'affichage réel sera probablement différent.
CHECK!
En modes RUN et TEST, la position du sélecteur de seuil détermine si le seuil qui s'affiche est HIGH ou LOW.
Sélecteur de seuil

Mode fun
Quand ALL est sélectionné, toutes les fonctions spéciales sont affichées.

Réglage de la linéarité
La linéarité des capteurs avancés ZX-E est réglée avant l'expédition, mais il est possible d'en affiner la précision en la réglant à nouveau en fonction des objets à détecter et de l'environnement de fonctionnement réel.
Réglez la linéarité avant de définir les conditions de mesure. Il faut la régler à nouveau après le remplacement des têtes de capteurs.
Déroulement de l'opération


Linéarité

p. 131
Sélection du matériel de l'objet à détecter
Cette section décrit comment sélectionner le .
| Sélection | Matériau |
| FE (par défaut) | Fer |
| SUS | Acier inoxydable (SUS340) |
| AL | Aluminium |
Linéarité en fonction du matériau

Données caractéristiques, p. 139

CHECK!
Pour utiliser le réglage de linéarité par défaut après un changement de matériel, sélectionnez le matériel puis effectuez l'exécution du réglage.
- Passez le sélecteur de mode sur FUN.
- Utilisez la touche GAUCHE ou DROITE pour faire apparaître LINER sur l'affichage principal.



Sélection du matériau de l'objet à détecter
- Appuyez sur la touche ENT. METAL s'affiche.
- Appuyez sur la touche HAUT ou BAS. L'affichage inférieur clignote.
- Sélectionnez le matériel à l'aide de la touche HAUT ou BAS.
- Appuyez sur la touche ENT pour confirmer la sélection. Le paramètre est enregistré.








2 Entrée de valeurs de réglage
Placez l'objet à détecter aux positions correspondant à 0%, 50% et 100% de la distance de mesure nominale et enregistrez les valeurs mesurées comme valeurs de réglage.


Distance de mesure, p. 135
Effectuez l'enregistrement dans l'ordre, en commençant par 0% de la distance de mesure, puis 50% et 100%.
CHECK!
Pour simplement remplacer le matériel de l'objet à détecter et utiliser le réglage de linéarité par défaut, ignorez cette opération et passez à 3. Exécution du réglage.
Entrez la valeur de réglage de la position 0 %.
- Placez l'objet à détecter à la position 0 %.

- Utilisez les touches GAUCHE et DROITE pour afficher D000.


- Appuyez sur la touche ENT.
L'affichage inférieur indique OK et la valeur de réglage est enregistrée.


CHECK!
Appuyez à nouveau sur la touche ENT pour réentrer la valeur de réglage.
Entrée de la valeur de réglage de la position 50%.
- Placez l'objet à détecter à la position de 50%.

- Utilisez les touches GAUCHE et DROITE pour afficher D050.


- Appuyez sur la touche ENT.
L'affichage inférieur indique OK et la valeur de réglage est enregistrée.
CHECK!
Appuyez à nouveau sur la touche ENT pour ré-entrer la valeur de réglage.
Entrée de la valeur de réglage de la position 100%.
- Placez l'objet à détecter à la position 100%.

- Utilisez les touches GAUCHE et DROITE pour afficher D100.


- Appuyez sur la touche ENT.
L'affichage inférieur indique OK et la valeur de réglage est enregistrée.


CHECK!
Appuyez à nouveau sur la touche ENT pour ré-entrer la valeur de réglage.
3 Exécution du réglage
Cette section décrit la procédure d'exécution du réglage en fonction du paramétrage effectué aux étapes 1 et 2.
Exécution du réglage
- Utilisez les touches GAUCHE et DROITE pour afficher TABLE sur l'affichage principal et START sur l'affichage inférieur.


- Appuyez sur la touche ENT. Le réglage linéaire est exécuté.
Lorsque les données de réglage sont enregistrées, l'affichage inférieur indique OK.

Si l'affichage inférieur indique ERRTB, les paramètres sont erronés. Vérifiez le matériel sélectionné pour l'objet à détecter et les positions définies, puis enregistrez à nouveau les paramètres.
Annulation du réglage
L'annulation du réglage efface les paramètres de réglage.
- Utilisez les touches GAUCHE et DROITE pour afficher TABLE sur l'affichage principal et CANCEL sur l'affichage inférieur.
- Appuyez sur la touche ENT.
Les paramètres du réglage en cours sont annulés et l'affichage indique LINER.




Initialisation des paramètres de réglage
Initialisez l pour revenir aux paramètres par défaut.
Cette section décrit la procédure d'initialisation d uniquement. Pour initialiser d'autres paramètres, utilisez la fonction INIT.

Initialisation des paramètres, p. 125
Passage au mode FUN et LINER
- Passez le sélecteur de mode sur FUN.
- Utilisez les touches GAUCHE et DROITE pour faire apparaître LINER sur l'affichage principal.



Initialisation des paramètres
- Appuyez sur la touche ENT.
L'affichage indique METAL.


- Utilisez les touches GAUCHE et DROITE pour afficher LIMIT.


- Appuyez sur la touche ENT et maintenez-la enfoncée.
Un tiret (-) apparaît à la fois


- Relâchez la touche ENT lorsque OK
Les paramètres de réglage ont été initialisés.

Section 4
PRINCIPALES APPLICATIONS ET MÉTHODES DE PARAMÉTRAGE
54 Hauteur de mesure 59 Mesure de l'excentricité et des vibrations 63 Mesure de l'épaisseur 66
Détection du point mort inférieur
Cette section décrit, à titre d'exemple, la procédure de d d'une presse.

Note
Si le paramétrage s'effectue avec un périphérique extérieur connecté, passez l'entrée de maintenance de sortie de jugement de l'amplificateur sur ON pour que la sortie vers le périphérique externe ne change pas.
CHECK!
Réglez la linéarité avant d'effectuer cette opération.

Réglage de la linéarité, p. 46

Montage du capteur sur la presse
Montez la tête du capteur et l'objet à détecter sur la presse. Reportez-vous au diagramme suivant pour le gabarit de montage requis.

Installation des têtes de capteurs, p. 24

Utilisez un objet à détecter ferreux aussi grand ou plus grand que l'objet à détecter standard. Objet à détecter, p. 135

2 Réglage de la position de détection
Réglez la position de la tête du capteur de manière à ce que, lorsque la presse se trouve au point mort bas, la distance entre la tête et l'objet à détecter soit égale à environ la moitié de la distance de mesure. Reportez-vous à l'affichage de l'amplificateur pendant le r la tête.

Distance de mesure, p. 135
- Placez la presse en mode marche par à-coups et abaissez le stripper (ou la matrice supérieure) jusqu'au point mort bas.
- Réglez la position de la tête du capteur de manière à ce qu'elle se trouve à environ la moitié de la distance de mesure.
La valeur mesurée s'affiche sur l'amplificateur. Reportez-vous à cet affichage pendant le réglage de la tête du capteur.


3. Définition de la temporisation des mesures
La fonction de maintien permet de détecter le point mort bas.
Pour annuler les limites lors d'une mesure sur la presse en fonctionnement, indiquez un délai de temporisation entre le signal de temporisation et le début de l'échantillonnage.
CHECK!
Quand l'appareil ne peut pas envoyer de signal de temporisation, réglez un auto-déclenchement bas.

Reportez-vous à la Section 5, Paramètres détaillés, pour obtenir des détails sur le paramétrage.
Utilisation des fonctions de maintien, p. 73
4. Définition de la position de point mort bas
Attribuez au point mort bas la valeur de référence 0.

Reportez-vous à la Section 6, Fonctions auxiliaires, pour obtenir des détails sur le paramétrage.

Utilisation de la fonction RAZ, p. 119

CHECK!
Configurez la comparaison à la valeur précédente de manière à ignorer une légère variation du point mort bas au démarrage de la presse et l'influence de la dérive de température.

Comparaison des valeurs mesurées (comparaison aux valeurs précédentes), p. 80

CHECK!
Il est possible de définir une autre valeur que 0.

Paramétrage des valeurs de décalage, p. 120
5 Définition des valeurs de jugement de tolérance
Définissez les limites supérieure et inférieure (valeurs des seuils HIGH et LOW) de la plage PASS (OK) pour la valeur de référence définie à l'étape 4.
| Paramètre | Description |
| Seuil HIGH | Entrez le seuil supérieur du soulèvement provoqué par les déchets ou les résidus. |
| Seuil LOW | Entrez le seuil inférieur du dépassement dû au pressage sans piece. |
La sortie des résultats de jugement HIGH, PASS et LOW est fonction des valeurs définies ici.
| Résultat de mesure | Jugement |
| Résultat de mesure > seuil HIGH | HIGH |
| Seuil LOW ≤ Résultat de mesure ≤ Seuil HIGH | PASS |
| Seuil LOW > Résultat de mesure | LOW |
Reportez-vous à la Section 5, Paramètres détaillés, pour obtenir des détails sur l'opération.

Entrée de valeurs de seuil, p. 89
Hauteur de mesure
Cette section décrit la procédure de mesure de la hauteur d'un objet en prenant un rivet pour exemple.

Note
Si le paramétrage s'effectue lorsqu'un périphérique extérieur est connecté, placez le commutateur de maintien de sortie de l'amplificateur sur ON pour que la sortie vers le périphérique externe ne change pas.
CHECK!
Réglez la linéarité avant d'effectuer la mesure.

Réglage de la linéarité, p. 46
Déroulement de l'opération
Placez un objet à détecter en position. Préparez un échantillon de référence au préalable.

Montage sur l'appareil
Montez la tête du capteur sur l'appareil de contrôle.
Reportez-vous au diagramme suivant et préparez un gabarit de montage.

Installation des têtes de capteurs, p. 24

Réglage des distances de mesure
Placez l'échantillon de référence en position et réglez la position de la tête du capteur. Reportez-vous à l'affichage de l'amplificateur et réglez la position de la tête du capteur de manière à ce que les limites de hauteur (H) supérieure et inférieure à mesurer entrent dans la distance de mesure.

Distance de mesure, p. 135


Affichage de la valeur mesurée
L'amplificateur indique la distance (H) à parti (par défaut).
Il est également possible de régler l'affichage de manière à ce qu'il indique la hauteu érence.

Modification des échelles d'affichage, p. 82

3. Définition de la temporisation de la mesure
La mesure de la hauteur fait appel à la fonction de maintien. La valeur minimum (bas) pendant la période d'échantillonnage est maintenue.
CHECK!
Quand le périphérique ne peut pas envoyer de signal de temporisation, réglez un auto-déclenchement bas.

CHECK!
Les paramètres suivants sont requis lorsque la hauteur de l'échantillon de référence est affichée à l'aide de la fonction de mise à l'échelle :
Déclenchement de la mesure : auto-déclenchement haut.
Condition de maintien : maintien du pic
Reportez-vous à la Section 5 Règles détaillées pour obtenir des détails sur le paramétrage.

Utilisation des fonctions de maintien, p. 73
4. Mesure d'échantillons de référence
La hauteur de l'échantillon de référence se mesure à l'aide de l'apprentissage de position et le résultat de mesure est enregistré comme valeur de seuil HIGH.
La valeur enregistrée devient la référence de la valeur de seuil définie à l'étape 5.

Reportez-vous à la Section 5, Paramètres détaillés, pour obtenir des détails sur le paramétrage.

Apprentissage de position, p. 91
CHECK!
Il est également possible de définir la hauteur de l'échantillon de référence à zéro.

Utilisation de la fonction RAZ, p. 119
5 Définition des valeurs de jugement de tolérance
Reportez-vous au seuil HIGH enregistré à l'étape 4 et définissez les limites supérieure et inférieure (seuils HIGH et LOW) qui donnent un jugement PASS (OK).
La sortie des résultats de jugement HIGH, PASS et LOW est fonction des valeurs de seuil définies ici.
| Résultat de mesure | Jugement |
| Résultat de mesure > seuil HIGH | HIGH |
| Seuil LOW ≤ résultat de mesure ≤ Seuil HIGH | PASS |
| Seuil LOW > résultat de mesure | LOW |
Reportez-vous à la Section 5, Paramètres détaillés, pour obtenir des détails sur l'opération.

Entrée directe des valeurs seuils, p. 90
Mesure de l'excentricité et des vibrations
Cette section décrit, à titre d'exemple, la procédure de mesure de l'excentricité d'un arbre.

Note
Si le paramétrage s'effectue lorsqu'un périphérique extérieur est connecté, placez le commutateur de maintien de la sortie de l'amplificateur sur ON afin que la sortie vers le périphérique externe ne soit pas modifiée.
CHECK!
Réglez la linéarité avant d'effectuer cette opération.

Réglage de la linéarité, p. 46

Montage sur l'appareil
Montez la tête du capteur sur l'appareil de contrôle.
Reportez-vous au diagramme suivant et préparez un gabarit de montage.

Installation des têtes de capteurs, p. 24

Réglage des distances de mesure
Réglez la position de la tête du capteur de manière à ce que la distance (H) entre la tête et l'objet à détecter soit égale à environ la moitié de la distance de mesure, comme illustré par le diagramme. Reportez-vous à l'affichage de l'amplificateur pendant le réglage de la position de la tête.

Distance de mesure, p. 135

3. Mesure de la déflexion
Utilisez la fonction de maintien de pic à pic pour mesurer la déflexion normale. Faites tourner l'arbre, envoyez un signal de temporisation depuis un périphérique externe et mesurez la déflexion. La différence entre les mesures maximum et minimum (déflexion) servira de référence pour définir les tolérances.

Reportez-vous à la Section 5, Paramètres détaillés, pour obtenir des détails sur le paramétrage.

Utilisation des fonctions de maintien, p. 73
4 Définition des valeurs de jugement de tolérance
Reportez-vous à la déflexion mesurée à l'étape 3 et définissez, soit la limite supérieure (seuil HIGH), soit la limite inférieure (seuil LOW) pour un jugement PASS (OK).
Le résultat de jugement envoie une sortie basée sur la valeur de seuil définie ici. La sortie dépendra du type de seuil défini.
Sortie lorsque la limite sup HIGH
Sortie lorsque la limite inférieure est définie : PASS ou LOW
| Résultat de mesure | Jugement |
| Résultat de mesure > seuil HIGH | HIGH |
| Seuil LOW ≤ Résultat de mesure ≤ Seuil HIGH | PASS |
| Seuil LOW > Résultat de mesure | LOW |
Reportez-vous à la Section 5, Paramètres détaillés, pour obtenir des détails sur le paramétrage.

Entrée directe des valeurs seuils, p. 90
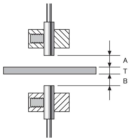
Mesure de l'épaisseur
Cette section décrit la procédure de mesure de l'épaisseur en prenant comme exemple l'épaisseur d'une tôle.

Note
Si le paramétrage s'effectue lorsqu'un périphérique extérieur est connecté, passez l'entrée de maintien de sortie de l'amplificateur sur ON pour que la sortie vers le périphérique externe ne change pas.

Réglez la linéarité avant d'effectuer cette opération.
Réglage de la linéarité, p. 46

Connexions d'amplificateurs
Connectez deux amplificateurs en plaçant une carte de calcul entre eux comme illustré dans le diagramme.

Le résultat du calcul s'affiche sur (c'est-à-dire est envoyé à) l'amplificateur CH2. Branchez le câble de sortie du CH2 au périphérique externe pour activer la commande externe.

Connexions, p. 27
CHECK!
L'amplificateur CH1 n'affiche (n'envoie) le résultat de la mesure que sur la tête du capteur CH1.
Montage de têtes de capteurs sur un appareil de contrôle
Reportez-vous au diagramme suivant pour préparer les gabarits de montage. Montez les têtes de capteurs face à face.

Installation des têtes de capteurs, p. 24

Réglage des distances de paramétrage
Définissez un échantillon de référence d'épaisseur connue (T).
Réglez les têtes des capteurs de manière à ce que les distances entre l' et les têtes de capteurs (A et B) soient chacune égale à environ la moitié de la distance de mesure. Reportez-vous à l'affichage de l'amplificateur pendant le réglage de la position des têtes.
Distance de mesure, p. 135

3 Prévention des interférences mutuelles
Il faut définir des paramètres de p lorsque la distance entre les têtes de capteurs est inférieure à la distance d'interférence mutuelle. Ces paramètres ne sont pas obligatoires si la distance entre les têtes est supérieure à la distance d'interférence mutuelle.

Pour obtenir des informations sur la distance d'interférence mutuelle, reportez-vous à "Interférences mutuelles", p. 25.
Les réglages sont effectués sur l'amplificateur CH1. Reportez-vous à la Section 6, Fonctions auxiliaires, pour obtenir des détails sur le paramétrage.
Prévention des interférences mutuelles entre capteurs, p. 112
4 Définition des expressions
Positionnez l'échantillon de référence et définissez l'expression qui calculera l'épaisseur
Le paramétrage s'effectue sur l'amplificateur CH2. Sélectionnez THICK comme type d'expression et entrez l'épaisseur (T)

Une fois l'épaisseur entrée, la relation de position entre les têtes des capteurs à ce point sera enregistrée. La mesure de l'épaisseur se base sur la relation entre les positions des têtes des capteurs.
Reportez-vous à la Section 6, Fonctions auxiliaires, pour obtenir des détails sur le paramétrage.

Exécution des calculs, p. 108
5 Définition des valeurs de jugement de tolérance
Définissez les limites supérieure et inférieure (seuils HIGH et LOW) pour que l'épaisseur obtienne un jugement PASS (OK).
La sortie des résultats de jugement HIGH, PASS et LOW est fonction des valeurs de seuil définies ici.
| Résultat de mesure | Jugement |
| Résultat de mesure > seuil HIGH | HIGH |
| Seuil LOW ≤ résultat de mesure ≤ Seuil HIGH | PASS |
| Seuil LOW > Résultat de mesure | LOW |
Reportez-vous à la Section 5, Paramètres détaillés, pour obtenir des détails sur l'opération.

Entrée directe des valeurs seuils, p. 90
Réglages détaillés
72 Utilisation des fonctions de maintenance 73 Comparaison des valeurs mesurées (comparaisons aux valeurs précédentes) 80 Modification des échelles d'affichage 82 Entrée de valeurs de seuil 89 Sortie linéaire 95 Paramétrage de la temporisation de sortie de jugement (temporisateur) 104
Définition du nombre d'échantillons pour le calcul de la moyenne
Le est le nombre de points de données utilisés pour calculer la moyenne des données mesurées par le capteur. La valeur moyenne s'affiche.
Utilisez la fonction de nombre d'échantillons pour le calcul de la moyenne afin d'ignorer les écarts brusques des valeurs mesurées. Toutefois, si le nombre d'échantillons augmente, le temps de réponse des sorties de jugement et de la sortie linéaire augmente également.
| Sélection du nombre d'échantillons pour le calcul de la moyenne | Temps de réponse |
| 1 | 0,3 ms |
| 2 | 0,5 ms |
| 4 | 0,8 ms |
| 8 | 1,5 ms |
| 16 | 2,5 ms |
| 32 | 5 ms |
| 64 (par défaut) | 10 ms |
| 128 | 20 ms |
| 256 | 40 ms |
| 512 | 75 ms |
| 1024 | 150 ms |
| 2048 | 300 ms |
| 4096 | 600 ms |
Passage au mode FUN et à AVE.
- Passez le sélecteur de mode sur FUN.
- Utilisez les touches GAUCHE et DROITE pour faire apparaître AVE sur l'affichage principal.



Sélection du nombre d'échantillons pour le calcul de la moyenne.
- Appuyez sur la touche HAUT ou BAS. L'affichage inférieur clignote.
- Utilisez les touches HAUT et BAS pour sélectionner le nombre d'échantillons qui entrera dans le calcul de la moyenne.
- Appuyez sur la touche ENT pour confirmer la sélection.
Le paramètre est enregistré.






Utilisation des fonctions de maintenance
Les fonctions de maintien conservent les données de certains points pendant la période de mesure (la valeur maximum ou minimum, par exemple) et les envoient à la fin de la période de mesure.

Sélection de la condition de maintien des valeurs mesurées
La période qui s'écoule entre le début et la fin des mesures de maintien s'appelle
C'est ici que l'on sélectionne la valeur à maintenir pendant
CHECK!
La valeur CLAMP s'affiche jusqu'à la fin de la première période d'échantillonnage.
Valeur CLAMP, p. 102
Il est possible de sélectionner n'importe lequel des 5 paramètres du tableau comme valeur à MAINIPER.
| Sélection | Description |
| OFF (par défaut) | Pas de mesure de maintain. La valeur mesurée est toujours sortie. |
| P-H (maintien du pic) | Maintient la valeur maximum pendant la période d'échantillonnage. La sortie change à la fin de la période d'échantillonnage et est maintainue jusqu'à la fin de la période d'échantillonnage suivante.Valeur mesurée en coursValeur maxi-maleSortiePériode d'échantillonnage |
| B-H (maintien du bas) | Maintient la valeur minimum pendant la période d'échantillonnage. La sortie change à la fin de la période d'échantillonnage et est maintainue jusqu'à la fin de la période d'échantillonnage suivante.Valeur mesurée en coursValeur minimaleSortiePériode d'échantillonnage |
| PP-H (maintien pic à pic) | Maintient la différence entre les valeurs maximum et minimum. Cette option est sur tout sélectionnée pour la détction de vibrations. La sortie change à la fin de la période d'échantillonnage et est maintainue jusqu'à la fin de la période d'échantillonnage suivante. Valeur mesurée en cours Valeur maxi-male Valeur minimale Période d'échantillonnage Sortie (différence entre maximum et minimum) |
| S-H (maintien de l'échantillon) | Maintient la valeur mesurée au début de la période d'échantillonnage. La sortie change au début de la période d'échantillonnage et est maintainue jusqu'au début de la période d'échantillonnage suivante. Valeur mesurée en cours Valeur d'échantillonnage Sortie |
| AVE-H (maintien de la moyenne) | Maintient la valeur moyenne mesurée pendant la période d'échantillonnage. La sortie change à la fin de la période d'échantillonnage et est maintainue jusqu'à la fin de la période d'échantillonnage suivante. Valeur mesurée en cours Valeur d'échantillonnage Sortie (moyenne) |
Passage au mode FUN et au mode HOLD.
- Passez le sélecteur de mode sur FUN.
- Utilisez les touches GAUCHE et DROITE pour faire apparaître HOLD sur l'affichage principal.


Sélection de la condition de maintien
- Appuyez sur la touche HAUT ou BAS. L'affichage inférieur clignote.
- Sélectionnez la condition de maintenance à l'aide des touches HAUT et BAS.
- Appuyez sur la touche ENT pour confirmer la sélection. Le paramètre est enregistré.






Sélection du déclenchement de mesure en mode Hold
Sélectionnez la méthode de réglage de la temporisation pour le début et la fin de la période de mesure.
| Sélection | Description |
| TIMIG(entrée detemporisation)(par défaut) | Entrez le déclenchement du début de l'échantillonnage à l'aide de l'entrée detemporisation. La période pendant laquelle le signal de temporisation est ON estla période d'échantillonnage.EntréetemporisationONOFFPérioded'échantillonnageLorsque l'on a défini un début de temporisation, le moment où l'entréepasse OFF et la fin de la période d'échantillonnage ne sont pas syn-chrones. L'échantillonnage se termine après l'expiration de la périoded'échantillonnage spécifique. |
| UP(automaticenchementhaut) | La période d'échantillonnage est celle pendant laquelle la valeur mesurée estsupérieure à la valeur d'auto-déclenchément spécifique. Le mainien de la mesureest possible sans entrée synchronisée.Niveau d'auto-déclenchémentValeur mesuréePérioded'échantillonnagePérioded'échantillonnageLargeur d'hystéi(pour l'auto-déclenchément)Valeur de fon○ Valeur de libreCHECK!En cas de réglage d'un début de temporisation, le moment où la valeurmesurée devient inférieure à la valeur d'auto-déclenchément et la fin dela période d'échantillonnage ne seront pas synchrones. L'échantillonnage se terminera après l'expiration de la période d'échantillonnage spécifique. |
| DOWN(automaticenchementbas) | La période d'échantillonnage est celle pendant laquelle la valeur mesurée estinférieure à la valeur d'auto-déclenchément spécifique. Le mainien de valeur estpossible sans entrée synchrone.Valeur mesuréeNiveaud'auto-déclenchémentPérioded'échantillonnageLargeur d'hystérésis(pour l'auto-déclenchéValeur de fonction○ Valeur de libérationCHECK!En cas de réglage d'un début de temporisation, le moment où la valeurmesurée devient supérieure à la valeur d'auto-déclenchément et la finde la période d'échantillonnage ne seront pas synchrones. |
CHECK!
Hystérisis (largeur d'hystérisis)
Définissez l'hystérésis en fonction des variations des valeurs mesurées autour du niveau de déclenchement. L'hystérésis sera appliquée dès le début de la période d'échantillonnage et empêchera la vibration de l'entrée de temporisation.
Sélection des types de déclenchement
- Utilisez les touches GAUCHE et DROITE pour faire apparaître H-TRG sur l'affichage principal. H-TRG ne s'affiche pas si la condition de maintien est sur OFF.
- Appuyez sur la touche HAUT ou BAS. L'affichage inférieur clignote.
- Sélectionnez le type de déclenchement à l'aide de la touche HAUT ou BAS.
- Appuyez sur la touche ENT pour confirmer la sélection. Le type de déclenchement sélectionné est enregistré.








Définitions des niveaux de déclenchement (quand UP ou DOWN est sélectionné)
- Utilisez la touche DROITE ou GAUCHE pour faire apparaître H-LVL sur l'affichage principal. H-LVL ne s'affiche pas si l'entrée de temporisation (TMIG) est sélectionnée comme déclenchement.
- Appuyez sur la touche HAUT ou BAS. Le chiffre placé à l'extrême gauche de l'affichage inférieur clignote.
- Utilisez les touches à curseur pour définir l .
- Appuyez sur la touche ENT pour confirmer le paramétrage. L est enregistré.





Déplacement entre les chiffres.

Augmentation et diminution de la valeur numérique.


Définition de la largeur d'hystérésis (quand UP ou DOWN est sélectionné).
- Utilisez les touches GAUCHE et DROITE pour faire apparaître H-HYS sur l'affichage principal.
H-HYS ne s'affiche pas si l'entrée de temporisation (TMIG) est sélectionnée comme déclencheur.
- Appuyez sur la touche HAUT ou BAS. Le chiffre placé à l'extrême gauche de l'affichage inférieur clignote.
- Utilisez les touches à curseur pour définir la largeur d'hystérésis du niveau de déclenchement.
- Appuyez sur la touche ENT pour confirmer le paramétrage.
La largeur d'hystérésis est enregistrée.




Déplacement entre les chiffres.
Augmentation et diminution de la valeur numérique.


3. Définition du délai de temporisation
Le délai de temporisation défini permet d'ignorer les mesures prises immédiatement après . Ceci est utile pour éviter d'atteindre les limites au démarrage de l'appareil et de subir l'influence des vibrations de la machine.
Il est possible de définir le début de temporisation (temps écoulé entre et le début de l'échantillonnage) et la période d'échantillonnage.
Par défaut, le paramètre du délai de temporisation est OFF.
CHECK!
Choisissez une somme de dél période d'échantillonnage inférieure à l'intervalle ON de l'entrée de temporisation.
Si suivante de la mesure est reçue avant l'expiration du délai de temporisation et de la période d'échantillonnage, elle sera ignorée et n'apparaîtra pas dans l'échantillonnage.
Entrée de temporisation ignorée. Entrée de temporisation utilisée.
Passage en mode Delay Hold (H-DLY)
- Utilisez les touches GAUCHE et DROITE pour faire apparaître H-DLY sur l'affichage principal.
H-DLY ne s'affiche pas si la condition de retard de temporisation est sur OFF.
- Appuyez sur la touche HAUT ou BAS.
L'affichage inférieur clignote.


- Utilisez les touches GAUCHE et DROITE pour afficher ON.


- Appuyez sur la touche ENT.
Le mode de paramétrage de la fonction H-DLY est activé.




- Utilisez les touches GAUCHE et DROITE pour faire apparaître H-D-T sur l'affichage principal. H-D-T ne s'affiche pas si la fonction H-DLY est sur OFF.
- Appuyez sur la touche HAUT ou BAS. Le chiffre placé à l'extrême gauche de l'affichage inférieur clignote.
- Entrez la durée de début de temporisation (ms).
- Appuyez sur la touche ENT pour confirmer le paramétrage. Le délai de temporisation est enregistré.




Déplacement entre les chiffres. Augmentation et diminution de la valeur numérique.


Définition de la période d'échantillonnage
- Utilisez les touches GAUCHE et DROITE pour faire apparaître H-S-T sur l'affichage principal. H-S-T ne s'affiche pas si la fonction H-DLY est sur OFF.
- Appuyez sur la touche HAUT ou BAS. Le chiffre placé à l'extrême gauche de l'affichage inférieur clignote.
- Utilisez les touches à curseur pour entrer l (ms).
- Appuyez sur la touche ENT pour confirmer le paramétrage. L est enregistrée.





Déplacement entre les chiffres.

Augmentation et diminution de la valeur numérique.


Comparaison des valeurs mesurées (comparaison aux valeurs précédentes)
Utilisez la fonction de pour ignorer les changements progressifs des valeurs mesurées dans le temps du fait de facteurs tels que la dérive de température, et ne détecter et juger que les changements brusques.
Il faut définir la fonction de maintien avant de définir la . La différence par rapport à la valeur de maintien précédente avec jugement PASS devient la valeur mesurée. Par exemple, si le jugement de la mesure précédente est HIGH ou LOW, la comparaison s'effectue avec la valeur maintenue avant celle-là.



Le paramètre de largeur d'hystérésis est désactivé si l'on se sert de la fonction de

Paramétrage de l'hystérésis, p. 94
Passage au mode FUN et au mode SPCL
- Passez le sélecteur de mode sur FUN.

- Utilisez les touches GAUCHE et DROITE pour faire apparaître SPCL sur l'affichage principal.


- Appuyez sur la touche HAUT ou BAS. L'affichage inférieur clignote.
- Utilisez les touches HAUT et BAS pour afficher SET ou ALL.
- Appuyez sur la touche ENT.
- Utilisez les touches GAUCHE et DROITE pour faire apparaître COMP sur l'affichage principal.








Définition de la comparaison à la valeur précédente.
- Appuyez sur la touche HAUT ou BAS. L'affichage inférieur clignote.
- Utilisez les touches HAUT et BAS pour afficher ON.
- Appuyez sur la touche ENT pour confirmer le paramétrage.
Il est maintenant possible d'utiliser la fonction de comparaison à la valeur précédente.






Modification des échelles d'affichage
Modifiez l'échelle d'affichage pour afficher sur l'affichage principal une valeur différente de la valeur mesurée réelle.
Placez l'objet à détecter en position et CHOISISSEZ la mise à l'échelle en un ou deux points.
CHECK!
La mise à l'échelle définie ici n'apparaît que sur l'affichage. La sortie ne change pas.
La valeur d'affichage minimum est -19.999 et la valeur maximum est 59.999. Si le résultat de mesure est inférieur à la valeur d'affichage minimum après l'exécu , l'affichage indiquera -19.999. Si le résultat de mesure est supérieur au maximum, la valeur de l'affichage sera 59.999.
Exemple d'applica
| Objet | Méthode de paramétrage | |
| Pour afficher la distance à la tête du capteur | Décale la valeur d'affichage. | Mise à l'échelle en un point avec valeurs d'affichage non inversées |
| Tête du capteur | Valeur mesurée réelle: 1,0 mm | 2,5 1,0 0 1,0 Valeur mesurée réelle (mm) |
| Objet à déctector | Valeur à afficher: 1,5 mm | |
| Pour afficher la hauteur de l'objet à déctector | Décale la valeur d'affichage et inverse la relation entre les valeurs d'affichage et de référence. | Mise à l'échelle en un point avec valeurs d'affichage inversées |
| Tête du capteur | Valeur mesurée réelle: 1,0 mm | Valeur affichée (mm) |
| Objet à déctector | Valeur à afficher: 1,5 mm | 1,5 1,0 0 1,0 Valeur mesurée réelle (mm) |
| Pour corriger les valeurs d'affichage afin qu'elles correspondant aux distances réelles | Décale la valeur d'affichage et modifie la plage des valeurs d'affichage. | Mise à l'échelle en deux points p. 87 |
| Tête du capteur | Valeur affichée (mm) | |
| Distance réelle : 1,0 mm | 1,0 | |
| Valeur à afficher : 0,8 mm | 0,8 | |
| Objet à détecter | 0,3 | Valeur mesurée réelle (mm) |
| Pied à couilisse | 0,2 | 1,0 |
| Distance réelle : 0,2 mm | 0,2 | |
| Valeur à afficher : 0,3 mm | 0,3 | |
| Objet à détecter | ||
Note
Les paramètres ci-dessous reviennent aux paramètres par défaut quand la mise à l'échelle est activée.
Paramétrez ces postes après avoir paramétré la mise à l'échelle.

Niveau d'auto-déclenchement, p. 75
Paramètres de sortie (mise au point), p. 95
Utilisation de la fonction RAZ, p. 119
Calcul d'épaisseurs, p. 110
Mise à l'échelle en un point
Avec , la mesure s'effectue pour une position et une valeur de décalage est définie pour cette mesure. Il est possible de définir le décalage et les inversions d'affichage (changer la relation entre les valeurs croissantes et décroissantes).
Cette section décrit la procédure de paramétrage de à l'aide d'un exemple différent.
Exemple : Affichage de la hauteur de l'objet à détecter

Passage au mode FUN et au mode SPCL.
- Passez le sélecteur de mode sur FUN.
- Utilisez les touches GAUCHE et DROITE pour faire apparaître SPCL sur l'affichage principal.



Passage à SCALE
- Appuyez sur la touche HAUT ou BAS. L'affichage inférieur clignote.
- Utilisez les touches HAUT et BAS pour afficher SET ou ALL.
- Appuyez sur la touche ENT.






- Utilisez les touches GAUCHE et DROITE pour faire apparaître "SCALE" sur l'affichage principal.


Exécution de la mise à l'échelle
- Appuyez sur la touche HAUT ou BAS.
L'affichage inférieur clignote.


- Utilisez les touches GAUCHE et DROITE pour afficher ON.


- Appuyez sur la touche ENT pour confirmer le paramétrage.
L'affichage inférieur indique P1SCL.


- Placez l'objet à détecter à la position où il faut modifier la valeur affichée.
Note
Placez l'objet à détecter dans la distance de mesure. Le voyant ENABLE s'allume quand l'objet à détecter se trouve dans la distance de mesure. La mise à l'échelle n'est pas possible si l'objet à détecter ne s'y trouve pas.
- Appuyez sur l'une des touches à curseur.
La valeur mesurée en cours apparaît sur l'écran principal. Le chiffre placé à l'extrême gauche de l'affichage inférieur clignote.


- Utilisez les touches à curseur pour définir le décalage de la valeur mesurée sur l'affichage inférieur.
Pour changer la position du point décimal, procédez comme indiqué ci-dessous.

--- Déplacement entre les chiffres :

--- Augmentation et diminution de la valeur numérique.
- Appuyez sur la touche ENT pour confirmer le paramétrage.
Le point décimal clignote.


- Utilisez les touches GAUCHE et DROITE pour modifier la position du point décimal, si nécessaire.

- Appuyez sur la touche ENT pour confirmer le paramétrage.
Les paramètres d'affichage inversé apparaissent sur l'affichage inférieur.


Sélection de l'affichage inversé
- Utilisez les touches HAUT et BAS pour inverser l'affichage.


| Options | Description |
| D-FWD | Non inversé. |
| D-INV | Inversé (inverse la relation augmenter/diminuer entre l'affichage et les valeurs mesurées) |
- Appuyez sur la touche ENT pour confirmer le paramétrage.
L'affichage inférieur indique P2SCL.


- Appuyez sur la touche ENT.

Confirmation de la fin de l'exécution de la mise à l'échelle.
Si la mise à l'échelle s'est terminée correctement, l'affichage indique OK.

Si la mise à l'échelle n'a pas pu se terminer, l'affichage indique NG.
Vérifiez que l'objet à détecter se trouve dans la distance de mesure et reconnectez la mise à l'échelle.

Mise à l'échelle en deux points
La mesure s'effectue à deux positions et les valeurs de décalage sont définies pour ces mesures. Il est possible de définir un décalage global et de modifier la plage.
Cette section décrit la procédure de définition de la mise à l'échelle en deux points à l'aide d'un exemple de correction des valeurs d'affichage afin .
Exemple : C pour qu'elles correspondent aux distances réelles.


Note
Séparez les deux points spécifiés d'au moins 1 % de du capteur connecté.
Par exemple, pour le capteur ZX-ED01T est de 1 mm. Par conséquent, il faut séparer les points spécifiés de 10 µm minimum.
Définition du premier point
- Pour définir le premier point, effectuez les étapes 1 à 15 de la méthode de mise à l'échelle en un point.

p. 84

La plage de la mise à l'échelle en deux points est définie automatiquement en fonction des valeurs entrées pour les deux points. Les paramètres d'affichage inversé sont ignorés.

Définition du second point
- Placez l'objet à détecter à la position dont il faut modifier l'affichage (le second point).
Note
L'objet à détecter doit être placé à une distance du premier point égale à au moins 1% de la distance de mesure nominale et entrant dans la plage de mesure.
- Appuyez sur l'une des touches de sélection.
La valeur mesurée en cours s'affiche sur l'affichage principal. Le chiffre placé à l'extrême gauche de l'affichage inférieur clignote.
- Utilisez les touches à curseur pour définir le décalage de la valeur mesurée.
Pour changer la position du point décimal, procédez comme indiqué ci-dessous.
- Appuyez sur la touche ENT pour confirmer le paramétrage. Le point décimal clignote.
- Utilisez les touches GAUCHE et DROITE pour déplacer le point décimal.
- Appuyez sur la touche ENT pour confirmer le paramétrage.
Confirmation de la fin du paramétrage de la mise à l'échelle.
Si la mise à l'échelle s'est terminée correctement, l'affichage indique OK.
Si la mise à l'échelle n'a pas pu être terminée, l'affichage indique NG. Vérifiez les points suivants et recommencez la mise à l'échelle.
- L'objet à détecter se trouve-t-il dans la distance de mesure ?
- Les deux points sont-ils séparés d'au moins 1 % de la distance de mesure nominale ?












Entrée de valeurs de seuil
Les valeurs de seuil définies déterminent la plage des jugements PASS. On définit des valeurs de seuil HIGH et LOW. Il existe trois sorties de jugement : HIGH, PASS et LOW.

Le tableau ci-dessous décrit les trois méthodes de définition des valeurs de seuil.
| Méthode | Description |
| Entrée directe | Définit les valeurs de seuil par saisie directe de valeurs numériques.L'entrée directe est utile lorsque vous connaissez les dimensions d'un jugement OK ou lorsque vous souhaitez affiner les valeurs de seuil après apprentissage. |
| Apprentissage de position | Effectue la mesure et utilise les résultats pour définit les valeurs de seuil.L'apprentissage de position est utile lorsque les échantillons de seuil, c'est-à-dire avec les limites supérieure et inférieure, peuvent être obtenus à l'avance. |
| Apprentissage automatique | Effectue la mesure en continu tant que les touches sont enfoncées et définit comme valeurs de seuil les mesures maximum et minimum pendant cette période.L'apprentissage automatique est utile pour définit les valeurs de seuil en démarrant l'appareil et en obtenant des mesures réelles. |

Il est également possible de définir l'hystérésis (largeur d'hystérésis) pour les valeurs de seuil. Définissez l'hystérésis lorsque les jugements sont instables pour éviter les vibrations.

Note
Si le paramétrage s'effectue lorsqu'un périphérique extérieur est connecté, passez l'entrée de maintien de sortie de jugement de l'amplificateur sur ON pour que la sortie vers le périphérique externe ne change pas. Les sorties de jugement en mode T sont identiques à celles du mode RUN, c'est-à-dire HIGH, PASS et LOW.
Entrée directe des valeurs seuils
Il est possible de définir les valeurs de seuil en entrant directement les valeurs numériques.
L'entrée directe est utile lorsque les dimensions d'un objet jugé OK sont connues à l'avance ou que l'on souhaite affiner les valeurs de seuil après apprentissage.
Passez en mode T.
- Placez le sélecteur de mode sur T.
RUN T FUN
Définition des valeurs de seuil
- Passez le sélecteur de seuil sur H ou L, c'est-à-dire sur le seuil à définir.
La valeur mesurée en cours apparaît sur l'affichage principal et le seuil à définir (valeur de la sélection du sélecteur de seuil) s'affiche sur l'affichage inférieur.


- Appuyez sur l'une des touches à curseur.
Le chiffre placé à l'extrême gauche de la valeur seuil clignote sur l'affichage inférieur.


- Utilisez les touches à curseur pour définir la valeur de seuil.
Déplacement entre les chiffres.
Augmentation et diminution de la valeur numérique.
- Appuyez sur la touche ENT pour confirmer le paramétrage.
Les valeurs de seuil sont enregistrées.


Correction des erreurs de paramétrage
Si l'affichage indique ERRLH ou ERRHL, l'une des deux erreurs suivantes s'est produite.
Valeur seuil HIGH < Valeur seuil LOW
Valeur de seuil HIGH - Valeur de seuil LOW < largeur d'hystérésis

Paramétrage de l'hystérésis, p. 94

Si une erreur s'affiche, la valeur de seuil n'a pas été actualisée. Redéfinissez les valeurs de seuil.

Apprentissage de position
Lors de l'exécution de l'apprentissage, la mesure est effectuée et les valeurs mesurées sont définies comme valeurs de seuil.
L'apprentissage de position est utile lorsque les échantillons de seuil, c'est-à-dire avec les limites supérieure et inférieure, peuvent être obtenus à l'avance.


CHECK!
Les paramètres de maintien, de mode de déclenchement et de mise à l'échelle définis avant l'apprentissage sont repris dans les mesures d'apprentissage.
- Passez le sélecteur de mode sur T.

Définition des valeurs de seuil
- Passez le sélecteur de seuil sur H ou L, c'est-à-dire sur le seuil à définir.

La valeur mesurée en cours apparaît sur l'affichage principal et le seuil à définir (valeur pour la sélection du sélecteur de seuil) s'affiche sur l'affichage inférieur.
- Placez l'échantillon en position de seuil.
La valeur de l'affichage principal change.
- Appuyez sur la touche ENT pendant au moins une seconde, puis relâchez-la.
La valeur mesurée au moment où l'on relâche la touche ENT est définie comme valeur de seuil. Cette valeur de seuil apparaît sur l'affichage inférieur.




Si ERRLH ou ERRHL s'affiche : p. 90
CHECK!
Il est possible de modifier les valeurs de seuil définies par apprentissage ou passage de position à l'aide de l'entrée directe. Ceci est utile pour définir les tolérances de jugement des valeurs mesurées.
p. 90
Apprentissage automatique
Lors de l'exécution de l , la mesure s'effectue tant que les touches sont maintenues enfoncées et les mesures maximum et minimum prises pendant cette période sont définies comme valeurs de seuil.
L est utile pour définir les valeurs de seuil en démarrant l'appareil et en obtenant des mesures réelles.

CHECK!
Les paramètres de maintien, de mode de déclenchement et de mise à l'échelle définis avant l'apprentissage sont repris dans les mesures d'apprentissage.
- Passez le sélecteur de mode sur T.

- Démarrez l'appareil.
CHECK!
Vous pouvez placer le sélecteur de seuil sur l'une ou l'autre position. Les deux seuils HIGH et LOW seront définis, quelle que soit la sélection du sélecteur.
3. Commencez la mesure.
La mesure se poursuit tant que les touches ENT et DROITE sont maintenues enfoncées.
AUTOT clignote sur l'affichage inférieur au bout d'une seconde de pression sur les touches.


4. Relâchez les touches Entrée et Droite pour terminer la mesure.
La valeur mesurée maximum pendant la période de mesure sera définie comme valeur de seuil HIGH et la valeur minimum comme valeur de seuil LOW.
La nouvelle valeur de seuil (HIGH ou LOW, selon le paramétrage du sélecteur de seuil) apparaît sur l'affichage inférieur.



Si ERRLH s'affiche : p. 90
CHECK!
Il est possible de modifier les valeurs de seuil définies par apprentissage automatique à l'aide de l'entrée directe.
Ceci est utile pour définir les tolérances de jugement des valeurs mesurées.
p.90
Paramétrage de l'hystérésis
Paramétrez la largeur d'hystérésis des limites supérieure et inférieure des jugements lorsque les jugements HIGH, PASS ou LOW sont instables à proximité des valeurs de seuil.


Les paramètres de largeur d'hystérésis sont désactivés lorsque la comparaison à la valeur précédente est utilisée.
p. 72
Pour prévenir les vibrations à l'auto-déclenchement, paramétrez l'hystérésis pour l'auto-déclenchement.
p. 75
Passage au mode FUN et au mode HYS.
- Passez le sélecteur de mode sur FUN.
- L'affichage principal indique HYS.
- Appuyez sur la touche HAUT ou BAS.
Le chiffre placé à l'extrême gauche de l'affichage inférieur clignote.
- Utilisez les touches à curseur pour définir la largeur d'hystérésis.
- Appuyez sur la touche ENT pour confirmer le paramétrage.
La largeur d'hystérésis est enregistrée.
Correction des erreurs de paramétrage





Déplacement entre les chiffres.

Augmentation et diminution de la valeur numérique.

Si ERROV s'affiche, la valeur de seuil HIGH est inférieure à la valeur de seuil LOW plus la largeur d'hystérésis.
Si une erreur s'affiche, les valeurs de seuil n'ont pas été actualisées. Redéfinissez-les ou modifiez-les.


Paramètres de sortie (mise au point)
La sortie linéaire est la conversion des résultats de mesure en une sortie courant de 3 à 21 mA ou en une sortie tension de -5 à 5 V. Cette section décrit la procédure de sélection de la sortie courant ou tension et de paramétrage de la plage de sortie linéaire. Adaptez les paramètres au périphérique extérieur connecté.
Entrez les valeurs de sortie de n'importe quelle paire de valeurs de courant ou de tension pour définir la plage de sortie.
Exemple :
Paramétrer une sortie de 0,2 mm à 4 mA et une sortie de 0,8 mm à 20 mA (sortie courant).
Courant de sortie (mA)
Courant d'entrée (mA)
Note
Séparez les deux points spécifiés d'une distance égale à au moins 1 % de connecté.
Par exemple, ZX-ED01T est de 1 mm. Par conséquent, les deux points spécifiés doivent être distants de 10 µm minimum.
CHECK!
Utilisation de la fonction RAZ
La remise à zéro est possible lorsque la mise au point est sélectionnée. Exécutez une nouvelle remise à zéro après avoir défini la mise au point.
RAZ, p. 104
Cette section décrit la procédure de définition de la plage de sortie à l'aide d'un exemple de sortie de courant dont la plage contient les conversions suivantes : 0,2 mm à 4 mA et 0,8 mm à 20 mA.
Modifiez les valeurs de l'exemple pour une sortie tension, si nécessaire.
Courant de sortie (mA)
Courant d'entrée (mA)
- Coupez l'alimentation de l'amplificateur.
- Passez le commutateur courant/tension sur la position courant. Il se trouve sur la partie inférieure de l'amplificateur.
Passage au mode FUN et au mode SPCL.
- Mettez l'alimentation sous tension et passez le sélecteur de mode sur FUN.
- Utilisez les touches GAUCHE et DROITE pour afficher SPCL sur l'affichage principal.


Passage en mode FOCUS
- Appuyez sur la touche HAUT ou BAS. L'affichage inférieur clignote.
- Utilisez les touches HAUT et BAS pour afficher SET ou ALL.
- Appuyez sur la touche ENT.






- Utilisez les touches GAUCHE et DROITE pour afficher le FOCUS sur l'affichage principal.


Sélection de la sortie courant (mA) ou tension (V).
- Appuyez sur la touche HAUT ou BAS.
L'affichage inférieur clignote.


- Affiche mA.

Sélectionnez toujours la même sortie que celle sélectionnée sur le commutateur courant/tension en bas de l'amplificateur.
Paramétrage du premier point (A)
- Appuyez sur la touche ENT.
L'affichage change pour permettre le paramétrage du premier point. La valeur de courant de sortie apparaît sur l'affichage principal apparaît sur l'affichage inférieur ; le chiffre situé à l'extrême gauche clignote.


- Paramétrez la valeur de courant de sortie du premier point.
Sélectionnez une valeur mesurée entrant dans la plage de mesure. Si vous avez défini une mise à l'échelle ou un calcul, définissez une valeur tenant compte de ces paramètres.




Placement des chiffres d'entrée.



Augmentation et diminution de la valeur numérique

Le chiffre qui clignote, c'est-à-dire celui pour lequel une valeur peut être paramétrée, change comme illustré dans le schéma.
CHECK!
- Appuyez sur la touche ENT pour confirmer le paramétrage.
Le paramétrage du premier point est confirmé. L'écran de p s'affiche.


Paramétrage du second point (B)
- Utilisez la même procédure que pour le premier point pour paramétrer la valeur de courant de sortie et le résultat de mesure correspondant pour le second point.
- Appuyez sur la touche ENT pour confirmer le paramétrage.



Confirmation de l'exécution du .
L'affichage indique OK si le est correct.
L'affichage indique NG s .
S ects, vérifiez les points suivants et recommencez la mise au point.
- La valeur mesurée ou paramétrée indiquée sur l'affichage inférieur entre-t-elle dans la plage de mesure (avec prise en compte des paramètres de mise à l'échelle et de calcul, le cas échéant) ?
- Le premier et le second points sont-ils distants d'au moins 1 % de la distance de mesure nominale ?
- Les valeurs de courant (ou de tension) des deux points sont-elles identiques ?


Correction des valeurs de sortie linéaires
Des divergences peuvent se produire entre les valeurs de courant (ou de tension) de sortie linéaire paramétrées sur l'amplificateur et les valeurs de courant (ou de tension) réelles mesurées, du fait des conditions du périphérique externe connecté ou d'autres facteurs. La fonction de correction de sortie linéaire peut corriger ces écarts.
Les valeurs de sortie sont corrigées par l'entrée d'une valeur de correction pour l'un ou l'autre des deux points de courant ou de tension.

Paramétrez la fonction de mise au point et sélectionnez à l'avance la sortie courant ou tension.
p. 95
Cette section utilise comme exemple une sortie courant. Modifiez les valeurs de cet exemple pour une sortie tension, si nécessaire.
- Connectez la sortie linéaire à un ampèremètre extérieur.
Passage au mode FUN et au mode SPCL.
- Mettez l'alimentation sous tension et passez le sélecteur de mode sur FUN.
- Utilisez les touches GAUCHE et DROITE pour afficher SPCL sur l'affichage principal.



Appuyez sur la touche GAUCHE ou DROITE pour ajuster.
- Appuyez sur la touche HAUT ou BAS. L'affichage inférieur clignote.
- Utilisez les touches HAUT ou BAS pour afficher SET ou ALL.




- Appuyez sur la touche ENT.
- Utilisez les touches GAUCHE et DROITE pour faire apparaître L-ADJ sur l'affichage principal.
Les unités des paramètres de mise au point (mA ou V) apparaissent sur l'affichage inférieur.
- Appuyez sur la touche ENT.
L'affichage passe aux paramètres du premier point (A). La valeur de courant de sortie apparaît sur l'affichage principal et la correction apparaît sur l'affichage inférieur ; le chiffre situé à l'extrême gauche clignote.
Paramétrage du premier point (A)






- Paramétrez le courant de sortie et les valeurs de correction du premier point.
Réglez la valeur de correction sur l'affichage inférieur de manière à ce que la valeur de l'ampèremètre et le courant de sortie de l'affichage principal soient identiques. Plus la valeur de correction est importante, plus le courant de sortie est élevé.
La valeur de correction peut être définie dans la plage de -999 à 999. Pour paramétrer une valeur négative, faites clignoter le chiffre situé à l'extrême gauche de l'affichage inférieur et modifiez la valeur.



Déplacement entre les chiffres.



Augmentation et diminution de la valeur numérique.
CHECK!
Le chiffre qui clignote, c'est-à-dire celui pour lequel une valeur peut être paramétrée, change comme illustré dans le diagramme.

- Appuyez sur la touche ENT pour confirmer le paramétrage.
L'écran de paramétrage de l second point s'affiche.

Paramétrage du second point (B)
- Utilisez la même procédure que pour le premier point pour paramétrer la valeur de correction du second point.

- Appuyez sur la touche ENT.

Confirmation des résultats du paramétrage
Si la correction de sortie linéaire a été correctement enregistrée, l'affichage inférieur indique OK.
Si elle n'a pas été enregistrée correctement, il indique NG.
Vérifiez que la valeur de courant (ou de tension) des deux points n'est pas identique et recommencez.


Paramètres de sortie pour l'absence de mesure
Il est possible de choisir une méthode de sortie linéaire en cas d'entrée RAZ.
| Sélection | Sorties | |
| Sorties de jugement | Sortie linéaire | |
| KEEP (par défaut) | L'état précédent immédiatement l'arrêt de la mesure est maintainu et sorti. | |
| CLAMP | Toutes inactives. | Sort la valeur CLAMP paramétrée. Vous avez le choix entre les options suivantes. • Sortie de courant : 3 à 21 mA ou maximum (environ 23 mA) • Sortie de tension : -5 à 5 V ou maximum (environ 5,5 V) |
CHECK!
Mesures maintenues
Même si le paramètre est KEEP, la sortie précédant la première valeur maintenue obtenue est identique à la valeur CLAMP.
Passage au mode FUN et à SPCL.
- Passez le sélecteur de mode sur FUN.
- Utilisez les touches GAUCHE et DROITE pour afficher SPCL sur l'affichage principal.
RUN T FUN


Passage à RESET
- Appuyez sur la touche HAUT ou BAS. L'affichage inférieur clignote.
- Utilisez les touches HAUT et BAS pour afficher ETC ou ALL.
- Appuyez sur la touche ENT.






- Utilisez les touches GAUCHE et DROITE pour afficher RESET sur l'affichage principal.


Sélection de l'objet de la sortie pour l'absence de mesure.
- Appuyez sur la touche HAUT ou BAS.
L'affichage inférieur clignote.


- Utilisez les touches HAUT et BAS pour sélectionner KEEP ou CLAMP.


- Appuyez sur la touche ENT pour confirmer la sélection.


L'état de la sortie est enregistré.
Ensuite, définissez la valeur de blocage si CLAMP est sélectionné.
Définition des valeurs de blocage (si CLAMP est sélectionné)
- Utilisez les touches GAUCHE et DROITE pour afficher CLAMP sur l'affichage principal.
Il n'est pas possible d'afficher CLAMP si KEEP est sélectionné.
- Appuyez sur la touche HAUT ou BAS.
L'affichage inférieur clignote.


- Sélectionnez la valeur de blocage.


- Appuyez sur la touche ENT pour confirmer le paramétrage.
La valeur de blocage est enregistrée.




Paramétrage de la temporisation de sortie de jugement (temporisateur)
La temporisation des sorties de jugement peut être réglée de manière à s'adapter au fonctionnement des périphériques externes.
| Sélection | Description | |
| OFF (par défaut) | Sort le jugement dés confirmation de son résultat. | Valeur mesurée Valeur de seuil HIGH Valeur de seuil LOW Sortie HIGH ON OFF Sortie PASS ON OFF Sortie LOW ON OFF |
| OFF-D (temporisateur OFF delay) | Après confirmation du résultat de la mesure, retarde la désactivation de la sortie PASS pendant le temps défiè. Retarde également l'activation des sorties HIGH et LOW pendant le temps de temporisation. | Valeur mesurée Valeur de seuil HIGH Valeur de seuil LOW Sortie HIGH ON OFF Sortie PASS ON OFF Sortie LOW ON OFF Valeur de temporisation |
| ON-D (temporisateur ON- delay) | Après confirmation du résultat de la mesure, retarde l'activation de la sortie PASS pendant le temps défiè. Retarde également la désactivation des sorties HIGH et LOW pendant le temps de temporisation. | Valeur mesurée Valeur de seuil HIGH Valeur de seuil LOW Sortie HIGH ON OFF Sortie PASS ON OFF Sortie LOW ON OFF Valeur de temporisation |
| 1-Sht (temporisateur à une impulsion) | Lorsque la valeur mesurée passée de HIGH à PASS ou de LOW à PASS, active la sortie PASS avec une largeur d'impulsion équivalente à la valeur de temporisation. Ni les sorties HIGH ou LOW ne sont sorties. | Valeur mesurée Valeur de seuil HIGH Valeur de seuil LOW Sortie HIGH ON OFF Sortie PASS ON OFF Sortie LOW ON OFF Valeur de temporisation |
La description ci-après utilise comme exemple le temporisateur OFF-delay. Procédez aux ajustements nécessaires si vous utilisez d'autres temporisateurs.
et sur TIMER.
- Passez le sélecteur de mode sur FUN.

- Utilisez les touches GAUCHE et DROITE pour faire apparaître TIMER sur l'affichage principal.


Sélection des temporisateurs
- Appuyez sur la touche HAUT ou BAS.
L'affichage inférieur clignote.


- Utilisez les touches HAUT et BAS pour sélectionner le temporisateur.


- Appuyez sur la touche ENT pour confirmer la sélection.
Le temporisateur sélectionné est enregistré.


Si un paramètre autre que OFF est sélectionné, procédez comme suit pour paramétrer le délai de temporisation.
Paramétrage du délai de temporisation (quand un temporisateur est sélectionné)
- Utilisez les touches GAUCHE et DROITE pour faire apparaître T-TIM sur l'affichage principal.
T-TIM ne s'affiche pas si OFF est sélectionné.


- Appuyez sur la touche HAUT ou BAS.
Le chiffre placé à l'extrême gauche de l'affichage inférieur clignote.


- Utilisez les touches à curseur pour entrer la période de temporisation (ms).
Déplacement entre les chiffres.
Augmentation et diminution de la valeur numérique.
- Appuyez sur la touche ENT pour confirmer le paramétrage.
Le délai de temporisation est enregistré.


Fonctions auxiliaires
108 Modification du nombre de chiffres sur l'affichage 115 Inversion de l'affichage 116 Réglage de la luminosité de l'affichage (affichage ECO) 118 Utilisation de la fonction RAZ 119 Fonction de verrouillage des touches 124 Initialisation des paramètres 125
Mesure à l'aide de plusieurs amplificateurs
Cette section décrit le paramétrage lorsque l'on utilise des cartes de calcul pour connecter .

Exécution des calculs
Il est possible de calculer les résultats de 2 amplificateurs. L'expression est paramétrée sur l'amplificateur CH2 et les résultats du calcul sont également sortis sur l'amplificateur CH2. Il est aussi possible d'effectuer des calculs entre capteurs aux distances de mesure différentes.

Le tableau suivant décrit les 3 types d'expressions.
| Type d'expression | Description |
| A+B | Additionne les résultats de mesure de deux amplificateurs. |
| A-B | Soustrait les résultats de mesure de deux amplificateurs. (A : amplificateur CH2 ; B : amplificateur CH1). |
| THICK | Calculé l'épaisseur d'un objet à détecter fixé entre deux têtes de capteur. |
CHECK!
Le temps de réponse des amplificateurs CH2 pour lesquels des expressions ont été définies augmente de 1,0 ms. Le temps de réponse dépend également du paramètre de ; il sera donc égal au temps de réponse basé sur le sélectionné + 1,0 ms.

Définition du le calcul de la moyenne, p. 72
NOTE
Les amplificateurs de la série ZX-L (type laser) ne peuvent pas effectuer de calculs.
Addition et soustraction de résultats de mesure
On utilise l'expression A+B ou A-B. Tout le paramétrage s'effectue sur l'amplificateur CH2.
et sur CALC.
- Passez le sélecteur de mode de l'amplificateur CH2 sur FUN.

- Utilisez les touches GAUCHE et DROITE pour afficher CALC sur l'affichage principal.


Sélection d'expressions
- Appuyez sur la touche HAUT ou BAS. L'affichage inférieur clignote.


- Utilisez les touches HAUT et BAS pour sélectionner le type d'expression.


- Appuyez sur la touche ENT pour confirmer la sélection. L'expression est enregistrée.


Calcul d'épaisseurs
On se sert de l'expression THICK. Préparez à l'avance un objet à détecter d'épaisseur connue (objet à détecter standard). Tout le paramétrage s'effectue sur l'amplificateur CH2.

Passez en mode FUN et en mode CALC.
- Placez l'objet à détecter standard en position.
- Passez le sélecteur de mode de l'amplificateur CH2 sur FUN.
- Utilisez les touches GAUCHE et DROITE pour afficher CALC sur l'affichage principal.



Sélection d'expressions
- Appuyez sur la touche HAUT ou BAS. L'affichage inférieur clignote.


- Utilisez les touches HAUT et BAS pour faire apparaître THICK sur l'affichage principal.


- Appuyez sur la touche ENT pour confirmer la sélection.


- Utilisez les touches GAUCHE et DROITE pour afficher l'épaisseur sur l'affichage principal.
- Appuyez sur la touche HAUT ou BAS.
Le chiffre placé à l'extrême gauche de l'affichage inférieur clignote.
- Définissez l'épaisseur de l'objet à détecter standard.
Entrez les dimensions réelles de l'objet de référence.
Pour changer la position du point décimal, procédez comme indiqué ci-dessous.
- Appuyez sur la touche ENT pour confirmer le paramétrage. Les valeurs numériques sont confirmées et le point décimal clignote.
- Utilisez les touches GAUCHE et DROITE pour déplacer le point décimal.
- Appuyez sur la touche ENT pour confirmer la position du point décimal.
Les valeurs de mise à l'échelle (A et B) des deux amplificateurs sont enregistrées.
Correction des erreurs de paramétrage





Déplacement entre les chiffres.

Augmentation et diminution de la valeur numérique.






Si l'affichage indique E-THK, l'objet à détecter standard se trouve en dehors de la plage de mesure (le voyant ENABLE est éteint).
Modifiez la position de l'objet de référence jusqu'à ce que le voyant ENABLE soit allumé sur les deux amplificateurs et recommencez la mesure.

Prévention des interférences mutuelles entre capteurs
Il est possible d'installer les têtes de capteurs l'une à côté de l'autre si la fonction de p st utilisée. On peut prévenir les interférences mutuelles sur 5 amplificateurs maximum.

Note
Définissez le même pour tous les amplificateurs.

Définition du le calcul de la moyenne, p. 72
Le temps de réponse est plus long lorsque la fonction de prévention des interférences mutuelles est activée.
- Temps de réponse = (15 ms + temps de réponse basé sur le nombre d'échantillons pour le calcul de la moyenne sélectionné) × nombre d'amplificateurs
- Si l'on utilise également la fonction de calcul, le temps de réponse sera allongé d'environ 15 ms supplémentaires.
- Les temps de réponse des signaux d'entrée externes sont également allongés de la même durée.

Temps de réponse, p. 131
CHECK!
Distance entre les têtes de capteurs si la fonction de prévention des interférences mutuelles n'est pas utilisée

p. 25
Le paramétrage de la prévention des interférences mutuelles s'effectue sur l'amplificateur CH1.
sur FUN ou sur SPCL.
- Passez le sélecteur de mode de l'amplificateur CH1 sur FUN.
- Utilisez les touches GAUCHE et DROITE pour afficher SPCL sur l'affichage principal.



Passage à SYNC
- Appuyez sur la touche HAUT ou BAS. L'affichage inférieur clignote.
- Utilisez les touches HAUT et BAS pour afficher ETC ou ALL.
- Appuyez sur la touche ENT.
- Utilisez les touches GAUCHE et DROITE pour afficher SYNC sur l'affichage principal.
- Appuyez sur la touche HAUT ou BAS. L'affichage inférieur clignote.
- Utilisez les touches HAUT et BAS pour afficher ON.
- Appuyez sur la touche ENT pour confirmer le paramétrage.
Il est maintenant possible de paramétrer la prévention des interférences mutuelles.














Sélection du nombre d'appareils installés.
- Utilisez les touches GAUCHE et DROITE pour faire apparaître S-CH sur l'affichage principal.


- Appuyez sur la touche HAUT ou BAS. L'affichage inférieur clignote.


- Utilisez les touches HAUT et BAS pour sélectionner le nombre total d'amplificateurs.


NOTE
Entrez la valeur du nombre total d'amplificateurs connectés. Il n'est possible de paramétrer la prévention des interférences mutuelles que pour certains des appareils.
- Appuyez sur la touche ENT pour confirmer le paramétrage.


Le nombre d'amplificateurs connectés est enregistré.
Paramétrage du nombre d'échantillons pour le calcul de la moyenne
- Définissez le même pour tous les amplificateurs.

Définition du nombre d'échantillons pour le calcul de la moyenne, p. 72
Modification du nombre de chiffres sur l'affichage
Sélectionnez le nombre de chiffres des affichages principal et inférieur en mode RUN. La valeur par défaut est 5. Si vous choisissez 4 chiffres ou moins, ils sont désactivés en partant d'abord du chiffre le plus à droite.
et sur SPCL.
- Passez le sélecteur de mode sur FUN.
- Utilisez les touches GAUCHE et DROITE pour afficher SPCL sur l'affichage principal.


Passage au mode numérique.
- Appuyez sur la touche HAUT ou BAS. L'affichage inférieur clignote.
- Utilisez les touches HAUT et BAS pour afficher DISP ou ALL.
- Appuyez sur la touche ENT.
- Utilisez les touches GAUCHE et DROITE pour afficher le chiffre sur l'affichage principal.






Sélection du nombre de chiffres
- Appuyez sur la touche HAUT ou BAS. L'affichage inférieur clignote.
- Utilisez les touches HAUT et BAS pour sélectionner le nombre de chiffres de l'affichage.
- Appuyez sur la touche ENT pour confirmer le paramétrage.






Inversion de l'affichage
Il est possible d'inverser les affichages principal et inférieur, c'est-à-dire de les retourner. Le fonctionnement des touches à curseur est lui aussi inversé. Cette fonction est utile lorsque vous montez l'amplificateur à l'envers sur un appareil.
OFF (normal)
ON (inverse)


ou sur SPCL.
- Passez le sélecteur de mode sur FUN.
- Utilisez les touches GAUCHE et DROITE pour afficher SPCL sur l'affichage principal.



Passage à DREV
- Appuyez sur la touche HAUT ou BAS. L'affichage inférieur clignote.
- Utilisez les touches HAUT et BAS pour afficher DISP ou ALL.
- Appuyez sur la touche ENT.
- Utilisez les touches GAUCHE et DROITE pour afficher DROIT sur l'affichage principal.








Sélection de l'inversion ou de la non-inversion de l'affichage.
7. Appuyez sur la touche HAUT ou BAS.
L'affichage inférieur clignote.


8. Sélectionnez OFF ou ON.
OFF : Affichage non inversé (par défaut)
ON : Affichage inversé


9. Appuyez sur la touche ENT pour confirmer la sélection.
Le paramètre d'affichage est enregistré.
Quand ON est sélectionné, l'affichage est inversé.


Réglage de la luminosité de l'affichage (affichage ECO)
Si vous utilisez la fonction d'affichage ECO, les affichages numériques sont éteints, ce qui réduit la consommation de courant.
ou sur SPCL.
- Passez le sélecteur de mode sur FUN.
- Utilisez les touches GAUCHE et DROITE pour afficher SPCL sur l'affichage principal.



Passage à ECO
- Appuyez sur la touche HAUT ou BAS. L'affichage inférieur clignote.
- Utilisez les touches HAUT et BAS pour afficher DISP ou ALL.
- Appuyez sur la touche ENT.
- Utilisez les touches GAUCHE et DROITE pour afficher ECO sur l'affichage principal.






Sélection ou désélection de l'affichage ECO.
- Appuyez sur la touche HAUT ou BAS. L'affichage inférieur clignote.
- Sélectionnez OFF ou ON. OFF : Affichage normal (par défaut). ON : Affichage ECO.
- Appuyez sur la touche ENT pour confirmer la sélection. Le paramètre d'affichage est enregistré. Quand ON est sélectionné, l'affichage devient sombre.






Utilisation de la fonction RAZ
Lorsque vous utilisez la fonction RAZ, la valeur de référence "0" est enregistrée comme la hauteur de référence et la valeur mesurée peut s'afficher et sortir sous forme d'écart positif ou négatif (tolérance) par rapport à cette valeur de référence.
En mode RUN, la valeur mesurée peut être remise à 0 à n'importe quel moment pendant la mesure.
Exemple 1 enregistrée comme valeur de référence et de la sortie de tolérance comme valeur mesurée

Exemple 2 comme valeur mesurée avec un décalage paramétré à 10

Exemple 3 : Utilisation de la remise à zéro pour mesurer les étapes d'un objet à détecter (remise à zéro à chaque mesure)

Paramétrage des valeurs de décalage
Définissez une valeur de décalage lorsque la valeur de référence de la remise à zéro n'est pas 0.
et sur SPCL.
- Passez le sélecteur de mode sur FUN.
- Utilisez les touches GAUCHE et DROITE pour afficher SPCL sur l'affichage principal.



Passez à ZRDSP.
- Appuyez sur la touche HAUT ou BAS. L'affichage inférieur clignote.
- Utilisez les touches HAUT et BAS pour afficher ETC ou ALL.
- Appuyez sur la touche ENT.
- Utilisez les touches GAUCHE et DROITE pour faire apparaître ZRDSP sur l'affichage principal.








Paramétrage des valeurs de décalage
- Appuyez sur la touche HAUT ou BAS. Le chiffre placé à l'extrême gauche de l'affichage inférieur clignote.
- Utilisez les touches à curseur pour définir la valeur de décalage.
- Appuyez sur la touche ENT pour confirmer le paramétrage.

Déplacement entre les chiffres. Augmentation et diminution de la valeur numérique.


La valeur de décalage est enregistrée.
Exécution de la remise à zéro
Lorsque vous utilisez la fonction RAZ, vous pouvez redéfinir la valeur mesurée à une valeur de référence de 0 lorsque vous appuyez sur ENT ou qu'un signal externe est reçu.
Si la remise à zéro a déjà été exécutée, cette valeur est écrasée. Les paramètres sont enregistrés, même si l'alimentation est coupée (par défaut). Il est possible de modifier ce paramètre de mémoire de manière à ce que les paramètres RAZ ne soient pas enregistrés à la mise hors tension.

Mémoire RAZ, p. 122
CHECK!
Sortie linéaire
La valeur mesurée lors de l'exécution de la remise à zéro est la valeur centrale de la plage de sortie linéaire. Lorsque la mise au point est sélectionnée, la valeur mesurée est la valeur centrale entre les deux points définis pour la mise au point. Paramètres de sortie (mise au point), p. 95

Example

CHECK!
La valeur d'affichage minimum est -19,999 et la valeur maximum est 59,999. Si le résultat de la mesure après la remise à zéro est inférieur au minimum, l'affichage indique -19,999. S'il est supérieur au maximum, l'affichage indique 59,999. La remise à zéro ne peut s'exécuter que lorsque la valeur mesurée est égale à ±10% de la distance de mesure nominale.
- Placez l'objet à détecter de référence en position.
- Passez le sélecteur de mode sur RUN.
RUN T FUN
- Appuyez sur la touche ENT pendant plus d'une seconde ou entrez le signal RAZ à partir d'un périphérique externe (pendant 800 ms maxi).
La valeur de référence est enregistrée et le voyant RAZ est allumé. La tolérance de la valeur de référence enregistrée apparaît sur l'affichage principal.


Annulation de la remise à zéro
- Passez le sélecteur de mode sur RUN.
RUN T FUN
- Maintenez les touches ENT et DROITE enfoncées simultanément pendant environ trois secondes.
Pour annuler la remise à zéro à partir d'un périphérique externe, envoyez le signal RAZ pendant au moins une seconde.

La remise à zéro est annulée et le voyant RAZ s'éteint.

Enregistrement du niveau de remise à zéro
Sélectionnez s'il faut conserver le niveau de remise à zéro de la valeur mesurée lorsque le système est mis hors tension.
| Sélection | Description |
| ON (par défaut) | Enregistre le niveau de remise à zéro quand l'alimentation est mise hors tension. |
| OFF | Annule la remise à zéro quand l'alimentation est mise hors tension. |
Note
Désactivez la mémoire RAZ si, comme dans l'exemple ci-dessous, le point zéro est réinitialisé pour chaque mesure. Si la mémoire RAZ est activée, les données de niveau RAZ sont écrites dans la mémoire non volatile (EEPROM) de l'amplificateur à chaque remise à zéro. Il est possible d'écrire jusqu'à 100 000 fois dans l'EEPROM. L'écriture du niveau de remise à zéro pour chaque mesure peut donc utiliser toute la mémoire et entraîner des dysfonctionnements.
Exemple : Mesure des étapes d'objets à détecter

CHECK!
Même si la mémoire de remise à zéro est désactivée, le niveau de remise à zéro sera enregistré si les valeurs de seuil ou d'autres fonctions ont été modifiées. La remise à zéro continue après le démarrage jusqu'à ce que ces fonctions aient été modifiées.
- Passez le sélecteur de mode sur FUN.
RUN T FUN
- Utilisez les touches GAUCHE et DROITE pour afficher SPCL sur l'affichage principal.


Passage à ZRMEM
- Appuyez sur la touche HAUT ou BAS. L'affichage inférieur clignote.


- Utilisez les touches HAUT et BAS pour afficher ETC ou ALL.


- Appuyez sur la touche ENT.


- Utilisez les touches GAUCHE et DROITE pour faire apparaître ZRMEM sur l'affichage principal.


Sélection de l'activation ou de la désactivation de la mémoire RAZ.
- Appuyez sur la touche HAUT ou BAS. L'affichage inférieur clignote.


- Utilisez les touches HAUT et BAS pour sélectionner ON ou OFF.


ON : mémoire RAZ activée (par défaut)
OFF : mémoire RAZ désactivée
- Appuyez sur la touche ENT pour confirmer la sélection.


Le paramètre de remise à zéro de la mémoire est enregistré.
Fonction de verrouillage des touches
La f désactive les touches de l'amplificateur. Une fois les touches désactivées, elles ne sont plus prises en compte jusqu'à ce que le verrouillage soit désactivé. Cette fonction est utile pour éviter de modifier les paramètres par inadvertance.
Les sélecteurs de mode et de seuil demeurent actifs, même si l est activée.
Sélection du verrouillage des touches
- Passez le sélecteur de mode sur FUN.
- Appuyez sur les touches HAUT, BAS, DROITE et GAUCHE simultanément.
LOCK apparaît sur l'affichage principal et "-----"




- Relâchez les touches lorsque OK apparaît
Les touches sont verrouillées.
Déverrouillage des touches
- Passez le sélecteur de mode sur FUN.
- Appuyez sur les touches HAUT, BAS, DROITE et GAUCHE simultanément.
FREE apparaît sur l'affichage principal et "----"



- Relâchez les touches lorsque OK apparaît
Les touches sont déverrouillées.

Initialisation des paramètres
Cette fonction permet de redonner à tous les paramètres leurs valeurs par défaut.
Les réglages de linéarité ne sont pas initialisés par cette fonction. Pour les initialiser, procédez à l'initialisation en mode réglage de la linéarité.

Initialisation des paramètres de réglage, p. 51
| Fonction | Valeur par défaut |
| Nbre d'échantillons pour le calcul de la moyenne | 64 |
| Largeur d'hystérésis | La valeur par défaut dépend de la tête de capteur connectée. • ZX-EDR5T : 0.0003 • ZX-ED01T : 0.0004 • ZX-ED02T : 0.0008 • ZX-EM02T : 0.0008 • ZX-EM07MT : 0.003 |
| Maintien | OFF |
| Temporisateur | OFF |
| Fonctions spéciales | CLOSE |
| Mise à l'échelle | OFF |
| Mise au point | A 0 mm : 4 (mA) A la distance de mesure nominale : 20 (mA) |
| Correction de la sortie linéaire | Pas de correction |
| Affichage inversé | OFF |
| Affichage ECO | OFF |
| Nbre de chiffres à l'affichage | 5 chiffres (All) |
| Paramètres d'absence de mesure | KEEP |
| Mémoire RAZ | ON |
| Seuil HIGH | La valeur par défaut dépend de la tête de capteur connectée. • ZX-EM07MT : 59,999 (mm) • Autres têtes de capteurs : 5,9999 mm |
| Seuil LOW | La valeur par défaut dépend de la tête de capteur connectée. • ZX-EM07MT : -19,999 (mm) • Autres têtes de capteurs : -1,9999 (mm) |
- Passez le sélecteur de mode sur FUN.
RUN T FUN
- Utilisez les touches GAUCHE et DROITE pour faire apparaître INIT sur l'affichage principal.

- Appuyez sur la touche ENT et maintenez-la enfoncée.
L'affichage inférieur indique "-----".

- Relâchez la touche ENT lorsque OK apparaît sur l'affichage inférieur.
Les paramètres sont initialisés.



Annexes
Dépannage 128 Messages d'erreur et solutions 129 Questions et réponses 130 Glossaire 131 Caractéristiques et dimensions 132 Données caractéristiques 139 Aide-mémoire des affichages 144
Dépannage
Cette section décrit la procédure de correction des problèmes occasionnels de matériel. Commencez par vous reporter au dysfonctionnement dans cette section avant d'envoyer le matériel en réparation.
| Problème | Cause probable et solution possible | Pages |
| Levoyant POWER est éteint. | • L'alimentation est-elle correctement branchée? • La tension d'alimentation est-elle inférieure à la plage nominale (12 à 24 Vc.c ±10 %)? | p. 31 |
| L'appareil redémarre pendant le fonctionnement. | • L'alimentation est-elle correctement branchée? • Les cartes d'interface et de calcul sont-elles correctement connectées? | p. 31 p. 27 |
| Les jugements ne sont pas envoyés au pérophérique externe. | • Tous les cables sont-ils branchés correctement? • La ligne de signaux est-elle déconnectée? • Les entrées de maintain ou d'initialisation des jugements sont-elles court-circuitées? | p. 31 |
| Pas de réception de signal d'entrée. | • Tous les cables sont-ils branchés correctement? • La ligne de signaux est-elle déconnectée? | p. 31 |
| Absence de communication avec l'ordinateur. | • Le cable est-il branché correctement? • La carte d'interface est-elle connectée correctement? • L'interrupteur placé sous la carte d'interface est-il du côte sans marque? • La disposition des broches du connecteur est-elle correcte? | p. 27 p. 137 |
| Niveau de sorties linéaires inhabituels. | • Le commutateur placé en bas de l'amplificateur est-il sur la bonne position? • La sélection (tension/courant) est-elle correcte dans les paramètres de mise au point? • Les niveaux de sortie linéaire peuvent être régliés. | p. 95 |
| Aucune indication sur les affichages principal et inférieur. | • Le nombre de chiffres d'affichage a-t-il été paramétré à zéro? | p. 115 |
| L'affichage principal demeure sur “----”. | • A-t-on envoyé une entrée de temporisation alors que HOLD était activé et que le type de déclenchement était défini sur TIMIG? • Si la fonction de mainien est activée et que le type de déclenchement est UP ou DOWN, le niveau d'autodéclenchement a-t-il été défini à une valeurADFQuate? | p. 73 |
Messages d'erreur et solutions
Cette section décrit les messages d'erreur qui apparaissent sur l'affichage principal et les mesures à prendre pour les corriger.
| Affichage | Erreur | Mesure corrective | Pages |
| E-CHL | Il y a deux capteurs, mais un seul amplificateur est connecté | • Si deux amplificateurs ont été connectés, coupez l'alimentation et vérifie que l'amplificateur et les cartes de calcul sont correctement connectés. • Si vous n'utilise qu'un seul amplificateur, connectez-en un autre temporairement et coupez le fonctionnement à deux capteurs ou initiaïsez les paramètres. | p. 19 p. 27 p. 108 p. 125 |
| E-DAT | Erreur de données de communication pendant un fonctionnement à deux capteurs | • Passez le mode de l'amplificateur CH1 sur RUN. • Coupe l'alimentation et vérifie que l'amplificateur et les cartes de calcul sont correctement connectés. Remplacez l'amplificateur ou la carte de calcul si les mesures correctives ci-dessus ne résolvent pas le problème. | p. 19 p. 27 |
| E-EEP | Erreur de données EEPROM | Appuyez sur la touche ENT pendant au moins 3 secondes. Une fois les données effacées, éteignez et rallumez l'alimentation. Remplacez l'amplificateur si la mesure corrective précédente ne résout pas le problème. | p. 19 |
| E-HED | La tête du capteur est déconnectée. | Coupez l'alimentation, vérifie si la tête est connectée correctement, puis remettez l'alimentation sous tension. Remplacez la tête de capteur si la mesure corrective précédente ne résout pas le problème. | p. 24 |
| E-SEN | La tête de capteur est déconnec-tée ou d'autres facteurs entraînent son dysfonctionnement. | Coupez l'alimentation, vérifie la connexion de la tête, puis remettez l'alimentation sous tension. Remplacez la tête de capteur si la mesure corrective précédente ne résout pas le problème. | p. 24 |
| E-SHT | Court-circuit sur une sortie de jugement ou sur toutes. | Coupez l'alimentation, vérifie que les lignes de sortie HIGH, PASS et LOW ne sont pas court-circuitées, puis remettez l'alimentation sous tension. | p. 31 |
| E-THK | Pas de paramètre d'épaissur T pour l'opération d'épaissur. | Paramétrz une épaissur T. | p. 66 |
| ERRLH | Tentative de paramétrage d'une valeur numérique de seuil LOW supérieure à la valeur de seuil HIGH. | Entrez des valeurs de seuil correctes. | p. 89 |
| Valeur de seuil HIGH- valeur de seuil LOW < largeur d'hystérésis | |||
| ERRHL | Tentative de paramétrage d'une valeur numérique de seuil HIGH inférieure à la valeur de seuil LOW. | Entrez des valeurs de seuil correctes. | p. 89 |
| Valeur de seuil HIGH - valeur de seuil LOW < largeur d'hystérésis | |||
| ERROV | La valeur numérique sélectionnée est trop élevé. | Entrez une valeur numérique correcte. | p. 42 |
| Valeur de seuil HIGH - valeur de seuil LOW < largeur d'hystérésis | |||
| ERRTB | Echec du réglage de linéarité. | Confirmez le matériel sélectionné et la position de l'objet à détecter, puis recommencez le réglage. | p. 46 |
| ERRUD | La valeur numérique réglée est trop faible. | Entrez une valeur numérique correcte. | p. 42 |
Questions et réponses
| Question | Réponse |
| Peut-on allonger le cable entre les têtes de capteurs et les préamplificateurs ? | Non. La précision de mesure est perdue si l'on allonge le cable. |
| Peut-on effectuer des calculs avec les capteurs avances séries ZX-L (type laser) ? | Non. Les capteurs avances de la série ZX-E (type déplacement inductif) et de la série ZX-L (type laser) ne sont pas compatibles. |
| Peut-on utiliser la carte d'interface ZX-SF11 des capteurs avances de la série ZX-L (type laser) avec les capteurs avances de la série ZX-E (type à déplacement inductif) ? | Oui, si la version de la carte d'interface est 2.0 ou ultérieure. Si sa version est antérieure, contactez votre revendeur Omron. (Vou际vez vérifier la version de la carte d'interface avec le Smart Monitor). |
| Peut-on utiliser la carte de calcul ZX-CAL des capteurs avances de la série ZX-L (type laser) avec les capteurs avances de la série ZX-E (type à déplacement inductif) ? | Oui. Mais vous ne pouvez connecter que deux amplificateurs. |
| Pourquoi se produit-il une erreur et n'est-il pas possible de procéder à des paramétrages lors de l'apprentissage ou de l'entrée directe des valeurs de seuil ? | Il n'est pas possible de paramétrer les valeurs de seuil par apprentice passage ou entree directe si la condition suivante n'est pas satisfaite : • Valeur de seuil HIGH - valeur de seuil LOW > largeur d'hysteresis p.89 |
| Lors de l'exécution de la mise à l'échelle, une erreur apparait sur l'affichage inférieur et il n'est pas possible de procéder au paramétrage. | Le paramétrage de la mise à l'échelle est impossible pour l'une des raisons suivantes : • La tentative de mise à l'échelle a eu lieu alors que la valeur mesurée se trouvait en dehors de la plage de distance de mesure. •Après l'exécution de la mise à l'échelle en deux points, la distance entre les valeurs mesurées des deux points n'est pas égale à 1 % ou plus de la distance de mesure. p.87 |
| Lors de l'exécution de la mise au point, pourquoit une erreur apparait-la sur l'affichage inférieur et n'est-il pas possible de procéder au paramétrage ? | Il n'est pas possible de paramétrer la mise au point lorsque la distance entre les deux points spécifique n'est pas égale à 1 % ou plus de la distance de mesure. p.95 |
| Lors de l'entrée de l'épaisseur pour le calcul d'épaisseur, pourquoit une erreur apparait-elle sur l'affichage inférieur et n'est-il pas possible de procéder au paramétrage ? | La valeur en cours se situe en dehors de la distance de mesure. Placez l'objet à détecter dans la plage de distance de mesure, puis entrez l'épaisseur. p.66 |
| Peut-on effectuer des calculs avec 3 amplificateurs ou davantage ? | Contactez votre revendeur Omron. |
| Peut-on effectuer des calculs lorsque des têtes de capteurs aux distances de mesure différentes sont connectées à 2 amplificateurs ? | Oui, si les deux capteurs appartiennent à la série ZX-E de capteurs avances (type à déplacement inductif). |
| L'objet à détector est en cuivre. Quel matériel duis-jie sélectionner pour le réglage de linéarié ? | Utilisez la valeur par défaut, aluminium (AL). |
| Lors de l'exécution du réglage de la linéarié, pourquoit une erreur se produit-elle et pourquoit la linéarié n'est-elle pas régée ? | Il arrive qu'il ne soit pas possible de régler la linéarié en raison de l'état de surface de l'objet à détecter, par exemple surface rugueuse ou ayant subi un traitement. Initialiseze les données de réglage de linéarié et utilisez les paramètres par défaut. |
| L'écran principal n'affiche pas zéro, même lorsque les objets à détector sont en contact avec la tête du capteur. | Lorsque l'on utilise les valeurs de réglages de linéarié par défaut, il arrive que l'état de surface de l'objet à détecter, par exemple sur-face rugueuse ou ayant subi un traitement, empêche l'affichage de passer à zéro, même quand les objets à détector sont en contact. Executez le réglage linéaire ou commencez par une remise à zéro. |
Glossaire
| Terme | Explication |
| Temps de répondse | Le temps de répondse est le temps qui s'écoule entre le moment où le capteur mesure une distance et celui où la valeur est sortie (sous forme de sortie linéaire ou de jugement).Il varie en fonction des paramètres définis pour le nombre d'échantillons pour le calcul de la moyenne, les calculs et la prévention des interférences mutuelles. |
| Valeur mesurée | La valeur mesurée est le résultat de la mesure indiquée sur l'affichage principal de l'amplificateur en modes RUN et T.La valeur mesurée est la valeur obtenue après exécution de l'ensemble des traitements paramétrés, tels que réglage de la linéarité, nombre d'échantillons pour le calcul de la moyenne, mise à l'échelle, calculs, maintain en comparaison à la valeur précédente. |
| Valeur en cours | La valeur en cours est le résultat de la mesure en cours de l'amplificateur cible.Certainstraitements, tels que le réglage de la linéarité, le nombre d'échantillons pour le calcul de la moyenne et la mise à l'échelle, sont terminés pour la valeur mesurée en cours, mais les paramètres de calcul, de maintain et de comparaison à la valeur précédente ne sont pas pris en compte.Appuyez sur la touche GAUCHÉ ou DROITE en mode RUN pour faire apparaitre la valeur en cours sur l'affichage inférieur. |
| Linéarité | La linéarité est l'erreur de la sortie de déplacement par rapport à la ligne droite ideale lors de la mesure de l'objet à détecter standard. Elle indique la mesure dans laquelle la sortie linéaire entretient une relation linéaire avec le déplacement de lobjet à détecter (c'est-à-dire qu'elle indique la précision de la sortie linéaire).Il est possible d'améliorer la précision de la linéarité avec le réglage de linéarité des capteurs avancés ZX-E. |
| Sortie linéaire | La sortie linéaire est une sortie de données analogue provenant de la ligne de sortie linéaire. On peut sélectionner courant ou tension.La sortie linéaire est fonction des paramètres de valeur d'affichage et de mise au point.La sortie de valeur réelle (valeur de sortie) apparaît sur l'affichage inférieur lorsque l'on appuie sur la touche GAUCHÉ ou DROITE en mode RUN. |
| Sorties de jugement | "Sorties de jugements" est un terme générique qui désigne les sorties HIGH, PASS et LOW. Les sorties de jugement s'effectuent en modes RUN et T en fonction des valeurs d'affichage et des paramètres de seuil, de largeur d'hystérésis et de temporisation. Elles sont maintaines tant que l'entrée de maintainen de sortie de jugement est activée. |
| Smart Monitor | Smart Monitor est un logiciel (vendu séparément) qui s'exçute sous Windows 98 ou 2000. Il permet de communiquer avec les capteurs avances de la série ZX-E par l'intérimédiaire d'une carte d'interface.Autrement dit, il est possible de paramétrer la mesure à partir d'ordinateurs personnels, d'enregistrer les paramètres, d'afficher les résultats de mesure sous forme de graphiques et de consigner les données. Les capteurs avances série ZX-E nécessitant Smart Monitor version 2 ou ultérieure. |
| Distance de mesure | La distance de mesure est la plage (distance) sur laquelle la mesure est possible pour la tête de capteur connectée. |
| Période d'échan-tillonnage | La période d'échantillonnage est le temps pendant lequel l'objet à détecter est mesuré lorsque l'on utilise la fonction de maintainen. Elle est fonction du mode de déclenchement et du délié de temporisation. |
Caractéristiques et dimensions
Amplificateurs ZX-EDA11 et ZX-EDA41
(Unité : mm)

| ZX-EDA11 | ZX-EDA41 | |
| Période de mesure | 150 μs | |
| Paramètres possibles du nombre d'échan-tillons pour calcul de la moyenne(voir note 1) | 1, 2, 4, 8, 16, 32, 64, 128, 256, 512, 1 024, 2 048 ou 4 096 | |
| Sortie linéaire(voir note 2) | Sortie courant : 4 à 20 mA/pleine échelle, résistance de charge maxi.: 300 ΩSortie tension : ±4 V (± 5 V, 1 à 5 V, voir note 3), impédance de sortie : 100 Ω | |
| Sorties de jugement(3 sorties :HIGH/PASS/LOW) | sorties collecteur ouvert NPN,30 Vc.c., 50 mA maxi.Tension résiduelle : 1,2 V maxi. | sorties collecteur ouvert PNP,30 Vc.c., 50 mA maxi.Tension résiduelle : 2 V maxi. |
| Entrée de maintain de sortie de jugement | ON: Court-circuit avec borne à 0 V ou1,5 V, voire moinsOFF: ouvert(courant de fuite : 0,1 mA maxi.) | ON: tension d'alimentation court-circuitée ou dans la tension d'alimentation de 1,5 V maxi.OFF: ouvert (courant de fuite : 0,1 mA maxi.) |
| Entrée RAZ | ||
| Entrée de la temporisation | ||
| Entrée de réinitialisation | ||
| ZX-EDA11 | ZX-EDA41 | |||
| Fonctions | Affichage de la valeur mesurée | Limits de chiffres d'affichage | Mise au point Correction de la sortie linéaire | Temporisateur une impulsion |
| Affichage de la valeur en cours | Remise à zéro | Maintien du pic | Entrées de temporisation | |
| Affichage de la valeur de sortie | Comparaison à la valeur précédente | Maintien du niveau bas | Auto déclenchement haut | |
| Affichage du point de consigne | Initialisation | Maintien de l'échantillon | Auto déclenchement bas | |
| Affichage de la résolution | Initialisation de la linéarité | Maintien pic à pic | Calculs (A-B) (voir note 4) | |
| Voyant ENABLE | Apprentissage | Maintien de la moyenne | Calculs (A+B) (voir note 4) | |
| Voyant RAZ | Paramétrage direct des valeurs de seuil | Maintien du début de temporisation | Calcul d'épaissur (voir note 4) | |
| Voyant d'alimentation ON | largeur d'hystérésis | Paramétrage du début de temporisation | Prévention des interférences mutuelles (voir note 4) | |
| Voyant de jugement | Mise à l'échelle | Temporisateur ON-delay | Verrouillage des touches | |
| Mode ECO | Réglage de la linéarité | Temporisateur OFF delay | Paramétrage de la valeur de blocage | |
| Affichage inversé | ||||
| Voyants | Voyants de jugement : HIGH (orange), PASS (vert), LOW (jaune), affichage principal 7 segments (rouge), affichage inférieur 7 segments (jaune), alimentation (vert), RAZ (vert), ENABLE (vert) | |||
| Tension d'alimentation | 12 à 24 Vc.c. ± 10 %, ondulation (p-p) : 10 % maxi. | |||
| Consommation | 3,4 W maxi. (capteur connecté) (tension d'alimentation : 24 V, courant consommé : 140 mA maxi.) | |||
| Température ambiente | Fonctionnement et stockage : 0 à 50°C (sans condensation, ni givrage) | |||
| Humidité ambiente | Fonctionnement et stockage : 35 à 85 % (sans condensation) | |||
| Résistance d'isolement | 20 MΩ mini. à 500 Vc.c. | |||
| Rigidity diélectrique | 1 000 Vc.a., 50/60 Hz pendant 1 minute | |||
| Résistance aux vibrations (destruction) | 10 à 150 Hz, 0,7 mm amplitude double 80 mn dans chacune des directions X, Y et Z | |||
| Résistance aux chocs (destruction) | 300 m/s² 3 fois chacune dans six directions (haut/bas, gauche/droite, avant/arrière) | |||
| Méthode de connexion | Précâblé (longueur de cable standard : 2 m) | |||
| Poids (emballé) | Environ 350 g | |||
| Matériaux | Boîtier : PBT (polybutylène téréphthalate), capot : Polycarbonate | |||
| Accessoires | Fiche d'instructions | |||
Notes : 1. La vitesse de réponse de la sortie linéaire est égale à la période de mesure x (nombre d'échantillons pour calcul de la moyenne + 1). La vitesse de réponse des sorties de jugement est égale à la période de mesure x (nombre d'échantillons pour calcul de la moyenne + 1). 2. Il est possible de basculer la sortie entre courant et tension à l'aide du commutateur placé au bas de l'amplificateur. 3. Il est possible d'effectuer le réglage à l'aide de la fonction de mise au point. 4. Une carte de calcul est requise.
Têtes de capteurs
ZX-EDR5T
ZX-ED01T
ZX-ED02T
ZX-EM02T
Préamplificateur (identique pour tous les modèles)
Câble coaxial rond enrobé de PVC,
1 âme, dia. 2,5.
(ZX-EDR5 : dia. 1,7)


Preamplificateur
(avec étrier de fixation)
M10x1, 7,6. Deux écrous de serrage, deux rondelles dentées.


ZX-EM07MT

| ZX-EDR5T | ZX-ED01T | ZX-ED02T | ZX-EM02T | ZX-EM07MT | ||
| Forme | 3 de dia. | 5,4 de dia. | 8 de dia. | M10 | M18 | |
| Objet à détector | Objets ferreux | |||||
| Distance de mesure | 0 à 0,5 mm | 0 à 1 mm | 0 à 2 mm | 0 à 2 mm | 0 à 7 mm | |
| Objet à détector standard | 18 × 18 mm | 18 × 18 mm | 30 × 30 mm | 30 × 30 mm | 60 × 60 mm | |
| T = 3 mm, matériel : S50C | ||||||
| Précision (voir note 1) | (1,0 μm) | |||||
| Linéarité (voir note 2) | ±0,5 % pleine échelle (voir note 3) | |||||
| Influence de la tempora-ture (voir note 4) | 0,15 % pleine échelle/°C | 0,07 % pleine échelle/°C | ||||
| Température ambiente | Fonctionnement/stockage :0 à 50°C | Fonctionnement: -10 à 60°CStockage: -20 à 70°C | ||||
| Sans givrage, ni condensation | ||||||
| Humidité ambiente | Fonctionnement/stockage : 35 % à 85 % (sans condensation) | |||||
| Rigidité diélectrique | 1 000 Vc.a., 50/60 Hz pendant 1 minute | |||||
| Résistance aux vibrations | 10 à 55 Hz, 1,5 mm amplitude double pendant 2 h dans chacune des directions X, Y et Z | |||||
| Classe de protection(tête de capteurseullement) | IP65 | IP67 | ||||
| Maté-riaux | Tête du capteur | Laiton | Acier inoxydable(SUS) | Laiton | ||
| Surface de détction | ABS thermorésistant | |||||
| Préamplificateur | PES | |||||
| Poids (emballé) | Environ 120 g | Environ 140 g | Environ 140 g | Environ 140 g | Environ 160 g | |
Pleine échelle : pleine échelle de la mesure. Notes : 1. La précision est l'écart (±3σ) de la sortie linéaire connectée à l'amplificateur (elle est mesurée quand l'objet à détecter standard se trouve à la moitié de la plage de mesure, l'amplificateur étant paramétré pour un nombre d'échantillons pour calcul de la moyenne de 4 096 par période). 2. La linéarité est l'erreur de la sortie de déplacement par rapport à la ligne droite idéale lors de la mesure de l'objet à détecter standard (varie en fonction de l'objet mesuré). 3. Valeur suivant le réglage de la linéarité. 4. Caractéristique thermique : À la même température que l'amplificateur et l'objet à détecter standard se trouvant à la moitié de la plage de mesure.
(Unité : mm)



| Amplificateurs applicables | Série ZX |
| Consommation de courant | 12 mA maxi. (fourni par l'amplificateur du capteur avancé) |
| Température ambiente | Fonctionnement: 0 à 50°C, Stockage: -15 à 60°C (sans givrage, ni condensation) |
| Humidité ambiente | Fonctionnement et stockage: 35 à 85 % (sans condensation) |
| Méthode de connexion | Connecteur |
| Rigidité diélectrique | 1 000 Vc.a., 50/60 Hz pendant 1 minute |
| Résistance d'isolement | 100 M Ω (à 500 Vc.c.) |
| Résistance aux vibrations (destruction) | 10 à 150 Hz, 0,7 mm amplitude double pendant 80 mn dans chacune des directions X, Y et Z |
| Résistance aux chocs (destruction) | 300 m/s² 3 fois chacune dans six directions (haut/bas, gauche/droite, avant/arrière) |
| Matériaux | Affichage: acrylique, boîtier: résine ABS |
| Poids (emballé) | Environ 50 g |
(Unité : mm)


Disposition des broches du connecteur
| N° broche | Nom |
| 1 | N.C. |
| 2 | RD |
| 3 | SD |
| 4 | N.C. |
| 5 | SG |
| 6 | N.C. |
| 7 | N.C. |
| 8 | N.C. |
| 9 | N.C. |
| Tension d'alimentation | 12 à 24 Vc.c. ± 10 %, ondulation (p-p) 10 % maxi. Fournie par l'amplificateur | |
| Consommation de courant | Tension d'alimentation : 12 V, courant consommé : 60 mA maximum (sauf courant consommé par l'amplificateur et courant de sortie) | |
| Amplificateurs connectables | Série ZX | |
| Nbre d'amplificateurs connectables | Jusqu'à 5 (deux cartes de calcul maxi.) | |
| Fonctions de communication | Port de com- munication | Port RS-232C (connecteur 9 broches D-sub) |
| Protocole | CompoWay/F | |
| Vitesse | 38 400 bps | |
| Configuration des données | Bits de données : 8, parité : Sans ; bits de départ : 1 Bits d'arrêt : 1, contrôle de flux : aucun | |
| Voyants | Alimentation (vert), communication en cours avec capteur (vert), erreur de communication avec le capteur (rouge) Communication avec le terminal externe (vert), erreur de communication avec le terminal externe (rouge) | |
| Circuits de protection | Protection contre l'inversion de câblage de l'alimentation | |
| Température ambiente | Fonctionnement : 0 à 50°C, Stockage : -15 à 60°C (sans givrage, ni condensation) | |
| Humidité ambiente | Fonctionnement et stockage : 35 à 85 % (sans condensation) | |
| Rigidity diélectrique | 1 000 Vc.a., 50/60 Hz pendant 1 minute | |
| Résistance d'isolation | 20 MΩ mini. (à 500 Vc.c.) | |
| Matériaux du boîtier | Boîtier : PBT (polybutylène téréphthalate), capot : Polycarbonate | |
| Poids (emballé) | Environ 350 g | |
Données caractéristiques
Linéarité des capteurs (après réglage de la linéarité avec l'objet à détecter standard)
ZX-EDR5T
ZX-ED01T
ZX-ED02T/EM02T
ZX-EM07MT
Mesure d'objets à détecter de différentes tailles après réglage de la linéarité avec l'objet à détecter standard
ZX-EDR5T
| —— S50C 3×3 |
| —— S50C 8×8 |
| —— S50C 12×12 |
| —— S50C 18×18 |
| —— S50C 30×30 |
| —— S50C 45×45 |
ZX-ED01T
| —— S50C 3×3 |
| —— S50C 8×8 |
| —— S50C 12×12 |
| —— S50C 18×18 |
| —— S50C 30×30 |
| —— S50C 45×45 |
ZX-ED02T/EM02T
| —— S50C 3×3 |
| —— S50C 8×8 |
| —— S50C 12×12 |
| —— S50C 18×18 |
| —— S50C 30×30 |
| —— S50C 45×45 |
ZX-EM07MT
| ---- S50C 30×30 |
| ---- S50C 45×45 |
| ---- S50C 60×60 |
Réglage de la linéarité de chaque objet à détecter
(l'objet à détecter est le même que l'objet pour lequel la linéarité a été ajustée)
ZX-EDR5T
Mesure d'objets à détecter en différents matériaux (fer, acier inoxydable et aluminium) après sélection du fer comme matériau et réglage de la linéarité.

p. 46
ZX-EDR5T
| ----- S50C 18×18 |
| ---- SUS304 18×18 |
| --- A5052 18×18 |
ZX-ED01T
| ----- S50C 18×18 |
| ---- SUS304 18×18 |
| --- A5052 18×18 |
ZX-ED02T/EM02T
| ---- S50C 30×30 |
| ---- SUS304 30×30 |
| ---- A5052 30×30 |
ZX-EM07MT
| ---- S50C 60×60 |
| ---- SUS304 60×60 |
| ---- A5052 60×60 |
Sélection du matériau de chaque objet à détecter (fer, acier inoxydable ou aluminium), puis réglage de la linéarité
(l'objet à détecter mesuré est le même que l'objet pour lequel la linéarité a été ajustée)

p. 46
ZX-EDR5T
| ----- S50C 18×18 |
| ---- SUS304 18×18 |
| --- A5052 18×18 |
ZX-ED01T
| ----- S50C 18×18 |
| ---- SUS304 18×18 |
| --- A5052 18×18 |
ZX-ED02T/EM02T
| ---- S50C 30×30 |
| ---- SUS304 30×30 |
| ---- A5052 30×30 |
ZX-EM07MT
| ---- S50C 60×60 |
| ---- SUS304 60×60 |
| ---- A5052 60×60 |
Utilisation de l'aide-mémoire
Les éléments de la colonne Affichage assortis d'une astérisque (*) apparaissent sur l'affichage inférieur. Tous les autres apparaissent dans l'affichage principal.
| Affichage | Description | Pages | ||
| 1 | I-Sht (*) | 1-SHT | Temporisateur/temporisateur une impulsion | p. 104 |
| A | R20-RA | A20mA | La signification de cette indication dépend des fonctions sélectionnées. Paramètre de mise au point/premier point (sortie courant) Correction de sortie linéaire/décalage du premier point (sortie courant) | p. 95 p. 99 |
| R 4u | A 4V | La signification de cette indication dépend des fonctions sélectionnées. Paramètre de mise au point/premier point (sortie tension) Correction de sortie linéaire/décalage du premier point (sortie tension) | p. 95 p. 99 | |
| R-b (*) | A-B | Fonctionnement à 2 capteurs/A-B | p. 108 | |
| R Ib (*) | AIB | Fonctionnement à 2 capteurs/A+B | p. 108 | |
| RL (*) | AL | Réglage de la linéarité/Matériau de l'objet à détecter/Aluminium, cuivre | p. 46 | |
| ALL (*) | ALL | Affiche tout le menu spécifique | p. 43 | |
| Autot (*) | AUTOT | Mode T/Exécution de l'apprentissage automatique | p. 92 | |
| RuE | AVE | Nombre d'échantillons pour calcul de la moyenne | p. 72 | |
| RuE-h (*) | AVE-H | Maintien/Maintien de la moyenne | p. 73 | |
| B | b 4πR | B 4mA | La signification de cette indication dépend des fonctions sélectionnées. Paramètre de mise au point/second point (sortie courant) Correction de sortie linéaire/décalage du second point (sortie courant) | p. 95 p. 99 |
| b 4u | B 4V | La signification de cette indication dépend des fonctions sélectionnées. Paramètre de mise au point/second point (sortie tension) Correction de sortie linéaire/décalage du second point (sortie tension) | p. 95 p. 99 | |
| b-h (*) | B-H | Maintien/Maintien du niveau bas | p. 73 | |
| C | cRlc | CALC | Paramètre de calcul des capteurs adjacents | p. 108 |
| cLRAP | CLAMP | Paramètre de valeur de blocage en l'absence de mesure | p. 102 | |
| cLRAP (*) | CLAMP | Paramètre absence de mesure/Renvoise la sortie à valeur de blocage | p. 102 | |
| cLoSE (*) | CLOSE | Masque le menu spécifique. | p. 43 | |
| cOnP | COMP | Compare à la valeur de mainien précédente. | p. 80 | |
| D | d000 | D000 | Entrée de la valeur de réglage de la linéarité en position 0 % de la distance de mesure | p. 48 |
| d050 | D050 | Entrée de la valeur de réglage de la linéarité en position 50 % de la distance de mesure | p. 48 | |
| d100 | D100 | Entrée de la valeur de réglage de la linéarité en position 100 % de la distance de mesure | p. 48 | |
| d-Fydd (*) | D-FWD | Sens d'affichage des valeurs mesurées lorsque l'on utilise la fonction de mise à l'échelle (affichage non inversé) | p. 82 | |
| d-1nu (*) | D-INV | Sens d'affichage des valeurs mesurées lorsque l'on utilise la fonction de mise à l'échelle (affichage inversé) | p. 82 | |
| d15b | DIGIT | Paramètre de nombre de chiffres pour les affichages principal et inférieur | p. 115 | |
| doyn (*) | DOWN | Maintien/Mode de déclenchement/Auto-déclenchement bas | p. 75 | |
| drEu | DREV | Inverse la position des affichages principal et inférieur. | p. 116 | |
| dISP (*) | DISP | Affiche les fonctions relatives à l'affichage du menu spécifique. | p. 43 | |
| E | Eco | ECO | Diminue la consommation de courant en réduisant l'éclairage des affichages principal et inférieur. | p. 118 |
| Etc (*) | ETC | Affiche les fonctions du menu spécifique sans rapport avec l'affichage et les sorties. | p. 43 | |
| F | FE (*) | FE | Réglage de la linéarité/Matériau de l'objet à détecter/Fer, acier inoxydable (SUS410) | p. 46 |
| Focus | FOCUS | Paramètre de plage de sortie de la valeur mesurée | p. 95 | |
| H | h-dLY | H-DLY | Maintien/Maintien du délate de temporisation | p. 78 |
| h-d-b | H-D-T | Maintien/Maintien du délate de temporisation/Paramètre de délate de temporisation | p. 78 | |
| h-hys | H-HYS | Maintien/Mode de déclenchement/Paramètre de largeur d'hystérésis de l'auto-déclenchement | p. 75 | |
| h-LUL | H-LVL | Maintien/Mode de déclenchement/Paramètre de niveau d'autodéclenchement | p. 75 | |
| h-S-b | H-S-T | Maintien/Maintien du délate de temporisation/Paramètre de période d'échantillonnage | p. 78 | |
| h-br-G | H-TRG | Maintien/Paramètre de mode de déclenchement | p. 75 | |
| hold | HOLD | Paramétrage du mainien | p. 73 | |
| hys | HYS | Paramètre de largeur d'hystérésis | p. 94 | |
| I | In Ib | INIT | Initialisation des paramètres | p. 127 |
| K | PEEP (*) | KEEP | Paramètres en l'absence de mesure/Sortie de mainien | p. 102 |
| L | L-Rdu | L-ADJ | Paramètre de valeur de décalage de la sortie linéaire | p. 99 |
| LlnEr | LINER | Réglage de la linéarité | p. 46 | |
| LInIb | LINIT | Initialisation des données de réglage de la linéarité | p. 51 | |
| M | mRb(*) | MAX | Paramètres en l'absence de mesure/Valeur de blocage/Maximum | p. 102 |
| mErl | METAL | Réglage de la linéarité/Matériau de l'objet à détecter | p. 46 | |
| O | oFF-d (*) | OFF-D | Temporisateur/Off-delay | p. 104 |
| on-d (*) | ON-D | Temporisateur/On-delay | p. 104 | |
| P | P15cl (*) | P1SCL | Mise à l'échelle/Mise à l'échelle du premier point | p. 82 |
| P25cl (*) | P2SCL | Mise à l'échelle/Mise à l'échelle du second point | p. 82 | |
| P-h (*) | P-H | Maintien/Maintien du pic | p. 73 | |
| PP-h (*) | PP-H | Maintien/Maintien pic à pic | p. 73 | |
| R | r-ESet | RESET | Paramètres de sortie pour l'absence de mesure | p. 102 |
| r-ESet (*) | RESET | Mode RUN ou T/Entrée de réinitialisation | p. 31 | |
| S | S-ch | S-CH | Prévention des interférences mutuelles/Nbre d'unités | p. 112 |
| S-h (*) | S-H | Maintien/Maintien de l'échantillon | p. 73 | |
| ScALE | SCALE | Paramétrage de la mise à l'échelle | p. 82 | |
| SET (*) | SET | La signification de cette indication dépend de l'affichage principal. SPcl : Affiche les fonctions du menu spécifique relatives aux sorties. LInEr : Réglage de la linéarité | p. 43 p. 46 | |
| SPcl | SPCL | Menu spécifique Affiche la mise à l'échelle, la mise au point et d'autres fonctions spéciales. | p. 43 | |
| SUS (*) | SUS | Réglage de la linéarité/Matériau de l'objet à détecter/Acier inoxydable (SUS340) | p. 46 | |
| SYNC | SYNC | Paramétrage de la prévention des interférences mutuelles | p. 112 | |
| T | t-b-lh | T-TIM | Valeur de temporisation | p. 104 |
| tRbLE | TABLE | La signification de cette indication dépend de l'affichage inférieur. StRt : Exéciution du réglage de linéarité cRoc : Annulation du réglage de linéarité | p. 50 | |
| th icP | THICK | Fonctionnement à 2 capteurs/Paramétrage de l'épaissur | p. 108 | |
| tIaER | TIMER | Paramètre de temporisation de la sortie de jugement | p. 104 | |
| tIaIG (*) | TIMIG | La signification de cette indication dépend du mode sélectionné. Mode FUN : Maintien/Mode de déclencement/Entrée de temporisation Modes RUN ou T : Entrée de temporisation | p. 75 p. 31 | |
| U | UP (*) | UP | Maintien/Mode de déclenchement/Auto-déclenchement haut | p. 75 |
| Z | Z-rDSP | ZRDSP | Entrée de la valeur de décalage pour remise à zéro | p. 119 |
| Z-rAEa | ZRMEM | Paramètre d'enregistrement ou d'effacement des valeurs mesurées lors de la remise à zéro | p. 122 | |
Index
affichage ECO 118
affichage inférieur 39
Modification du nombre de chiffres. 115
Réglage de la luminosité 118
Caractéristiques des amplificateurs 132
dimensions 132
installation 22
Mesure avec plusieurs 108
noms des éléments 19
Apprentissage 89
automatique 92
Apprentissage de position 91
câblage 31
câble d'entrée de maintenance
de la sortie de jugement 31
câble d'entrée de réinitialisation 31
Câble de sortie 31
Câble de sortie de jugement HIGH....31
Câble de sortie de jugement LOW....31
Câble de sortie de jugement PASS...31
câble de sortie linéaire 31
câble de terre 31
câble de terre de sortie linéaire 31
calculs 108
addition et soustraction 109
addition ou soustraction 65
épaisseur 110
Nombre de cartes connectables : 28
Caractéristiques
Cartes d'interface, caractéristiques et dimensions.....137
connexions 30
Disposition des broches du connecteur 137.
Noms des éléments 21
Cartes de calcul, caractéristiques et dimensions 136
connexions 28
noms des éléments 20
CLAMP 102
commutateur courant/tension 19
comparaison, valeurs précédentes...80
compensation de sortie 99
Configuration de base 18
déclenchement automatique haut 75
Définition des conditions de sélection 41
Définition des délais 78
Délais de temporisation et de maintien 78
dépannage 128
diagrammes de transition de fonction 43
dimensions 132
distance de mesure 135
distance de réglage 25
Données caractéristiques 139
échelle de modification 82
entrée directe 90
épaisseur mesure 66
L'excentricité mesure 63 mm.
fonctions des touches 40
Format d'affichage alphabétique 39
La hauteur mesure 59 cm.
initialisation linéarité 51 paramètres 125
Interférences mutuelles, prévention 14, distance de réglage 25.
KEEP 102
largeur d'hystérésis 75,94, linéarité, initialisation des paramètres de réglage 51.
réglage 50
Longueur du câble : 15 m.
maintien bas 73
définition des conditions 73
échantillon 74
fonctions 73
mode 73
moyenne 74
pic 73
pic a pic 74
matériaux sélection 46
messages d'erreur 129
mise à l'échelle en 1 point.
mise à l'échelle en 2 points.
Mode de déclenchement sélectionné.
Mode d'affichage FUN 39
description 38
Transitions de fonctions 44
Mode RUN - Affichages 39
description 38
Transitions de fonctions 43
Mode T affichages 39
description 38
Transitions de fonctions 43
modes 38
changement 38
Nombre d'échantillons pour le calcul de la moyenne : 72
Numéros de canaux : 29
paramètres d'initialisation...125
paramètres d'absence de mesure... 102
paramètres de sortie.95
Point mort détection.
Préamplificateurs 26
Questions et réponses
remise à zéro 119
annulation 122
câble d'entrée 31
enregistrement 122
exécution 121
Paramétrage des valeurs de décalage 120
Schémas des circuits Amplificateurs NPN 32
Amplificateurs PNP 33
schémas des circuits d'E/S 32
Sélecteur de mode 38
Seuils d'apprentissage automatique 92
Apprentissage de position 91
entrée de valeurs 89
entrée directe 90
selecteur 19
sortie linéaire 95
commutateur 19
compensation de sortie 99
Temporisateur à une impulsion 104
Temporisateur OFF-delay 104
Temporisateur ON-delay 104
Temporisateur ON-delay 104
temporisation câble d'entrée 31 entrée 75
Temporisation de sortie de jugement. 104
temps de réponse 108, 112, 131
Terminologie 131. Têtes de capteur : noms des éléments 20.
Têtes de capteurs 24
caractéristiques 135
connexions 27
dimensions 134
Influence du métal avoisinant
Installation 24
interférences mutuelles 25
Prévention des interférences mutuelles 112
touches de désactivation 124
touches curseur 40
Valeur CLAMP 102
valeur en cours 131
valeur mesurée : 131
valeurs de référence
affichage 119
Paramétrage des valeurs
de décalage 120
valeurs numériques
modification 42
valeurs par défaut
parametes 125
Verrouillage des touches
Déverrouillage
slection 124
vibrations
mesure 63
Voyant d'alimentation (ON) 19
Voyant de mise en service (ENABLE) 19
Historique des révisions
Un code de révision apparaît sous forme de suffixe du numéro de catalogue en bas des première et quatrième de couverture du présent manuel. Un code d'impression apparaît à droite du numéro de catalogue en quatrième de couverture.

| Code de révision | Code d'impression | Date | Nature de la révision |
| 01 | 1 | Sept. 2002 | Production d'origine |
Notice Facile