VD6720 - Intercom ME - Gratis gebruiksaanwijzing en handleiding
Vind de handleiding van het apparaat gratis VD6720 ME in PDF-formaat.
Gebruikersvragen over VD6720 ME
0 vraag over dit apparaat. Beantwoord die u kent of stel uw eigen vraag.
Stel een nieuwe vraag over dit apparaat
Download de handleiding voor uw Intercom in PDF-formaat gratis! Vind uw handleiding VD6720 - ME en neem uw elektronisch apparaat weer in handen. Op deze pagina staan alle documenten die nodig zijn voor het gebruik van uw apparaat. VD6720 van het merk ME.
GEBRUIKSAANWIJZING VD6720 ME
Hartelijk dank voor uw aankoop van het VISTUS video-deurintercom systeme. U heb een kwalitatief hoogwaardig systeme gekocht.
i De installmentie dient door een vakman uitgevoerd te worden.
Onderhoud
De kunststoffbehuizing uitsluitend met eeniets vochtig gemaakte doek schoonmaken, geen agressieve reinigingsmiddelen gebruiken.
Legende
Buitenstation
A.1=Camera
A.2= Luidspreker
A.3= Naumbordje/beldrukknop
A.4 = Microfoon
A.5 = Schroeven van de behuizing
A.6= Lightsensor
Binnenstation met 3,5^ -beeldschemr
(VISTUS VD-6310 en VISTUS VD-6320)
B. 1 = Beeldschem
B. 2 = Beeldschermtoets
B. 3= Niet-storen-toets
B. 4 = Sleuteltoets
B. 5 = Microfoon
B. 6 = Spreektoes
B. 7 = Intertoets
B. 8= Helderheid
B. 9 = Contrast
B.10=Kleuverzadiging
B.11=Melodie
B. 12 = Volume +
B.13=Volume-
B.14= Achterzijde van de behuizing
B. 15 = Snap sluting
Binnenstation met 7^ -beeldschemr
(VISTUS VD-6710 en VISTUS VD-6720)
C. 1 = Beeldschemr
C. 2 = Beeldschermtoets
C. 3 = Niet-storen-loets
C. 4 = Sleuteltoets
C. 5 = Microfoon
C. 6 = Spreektoets
C. 7 = Internenfoets
M C. 8= Menutoets
C. 9 = OSD + toets
C. 10 = OSD-toets
C.11=Melodie
C. 12 = Volume +
C.13=Volume
C.14= Achterzijde van de behuizing
C.15= Schroeven van de behuizing
1x buitenstation met eén beldrukknop
1x binnenstation met 3,5" monitor
1x voedingsadapter ST-1000
1x montagmaterial
1x buitenstation met twee bredrukknappen
2x binnenstation met 3,5" monitor
1x voedingsadapter ST-1000
1x montagematerialial
1x buitenstation met een beldrukknop
1x binnestation met 7" monito
1x voedingsadapter ST-1000
1x montagemateriali
Leveringsomvang VISTUS VD 6720:
1x buitenstation met twee beldukrnoppen
2x binnensation met 7" monitor
1x voedingsadapter ST-1000
1x montagematerialial
Leveringsomvang VISTUS VD-603:
1x binnenstation met 3,5^ monitor
1x montagematerialia
Leveringsomvang VISTUS VD-607:
1x binnenstation met 7^ monitor
1x montagematerialia
VOORBEREIDING VOOR DE INSTALLATIE
De volgende kabels zijn nodig:
Eengezinswoning: Een 4-aderige kabel van de buitenunitoor de binnenunit en een 2-aderige kabel van de buitenunitoor
de europener.
Tweegezinswoning: Hier is per beldruknop een 4-aderige kabel waar iedere wooneenheid nodig. En 4-aderige kabel voor wooneenheid 1, een 4-aderige kabel voor wooneenheid 2 en een 2-aderige kabel waar deeuropener.
OPMERKINGEN:
- Een bedradingsschemis meegeleverd.
- U kunt bij het VISTUS-syteme ook video- met audiocomponenten combinieren.

Per wooneenheid kuren maximal vier binnenunits parallel aangesloten worden.
De verbinding kan
- série (van binnenstationaar binnenstation)uitgevoerd worden of
- stervormig (parallel) vanuit een centraal punt (verdeeldoos).

Het meegeleverde bedrangsschema is gebaseerd op een stervormige bekabeling waar dat deze de voorkeur heeft.
De kabels要去 zo aangelegd zich, dat ze direct achter de betreffende buiten-/binnenunit door de muur gevoerd worden.
NAME
MONTAGE VAN HET BUITENSTATION
De deurintercom is bedoeld voor opbouwmontage.
Voorbereidling
Let er bij het verwijderen van de frontcover op dat de naambordjes er nicht uivallen, opdat deze Niet beschadigd worden. Let ook op de kabel van de luidspraker die in het voorste.Deel van de behuizing bevestigd is.
De camera dient op een hoogte van ca. 1,5-1,6 meter (midden van de camera) gemonteerd te worden (afb.A). Voor de montage van de deurintercom dient u te controlen of de camera een bezoeker voldoende in beeld brengt. Indien nodig past u de montagehoogte en de plaats waar u de deurintercom bevestigt aan de specifieke omstandigheden aan.
- Verwijder de twee schroeven om de behuizing van het buitenstation te+kunnen openen.De behuizing is ook nog voorzien van nokken en groeven,waarmee het bovenste en onderste deel van de behuizing met elkoar verbonden zijn.Daarom is eenige kracht nodig om de twee delen van de behuizing te scheiden.
-
Lijn de boorsjabloon voor het buitenstation op de door u gewenste plaatsuit (een waterpas is hierbij nuttg) en zet deze vast met plakband.
-
Boor met een 6 mm boor en met behulp van de boorsjabloon de gaten voor de bevestiging van het buitenstation en breng in elk gat een plug aan.
- Verwijder nu de boorsjabloon.
- Voer de kabels door het groe gat van het buitenstation en bevestig deze met 4 schroeven.
- Sluit de kabeladers volgens het bedradingschema aan.
Aanpassen van de naumbordjes
Het naombordje bestaatuit twee transparante kunststoffdelen, die door 2resp.4kleine schroeven met elkaar verbonden zijn.
- Verwijder alle schroeven van het naombordje en haal het naombordjeuit elkaar; de folie voor het opschrift bevindt zichussen dedwee transparante delen.
- Beschrirf de folie met een onuitwisbare viltstift of print een naamplaatie* via een pc en printer uit.
- Plaats het noambordje met opschrift (folie)ussen de twee transparente delen en schroef de delen wee aan elkaaar vast.
× Afmeting van het noambordje: VISTUS VD 6X10:71 mm x 50 mm VISTUS VD 6X20:71 mm x 25 mm
- Voordat u de frontcover wee op het buitenstation monteert, dient u de naambordjes in de frontcover terug te plaatsen. Opatd de naambordjes bij de montage Niet uit de frontcover vallen, kut u aan de voorkant een stuk plakband over de naambordjes en de frontcover plagken.

Opmerking: Om beschadiging van de frontcover te voorkomen,要去 het plakband direct na de montage waar van de frontcover verwijderen!
11. Schroef de frontcover waar met de twee schroeven vast. Let er hierbij op, dat u de schroevenrecht in het onderste deel van de behuizing schroeft. Anders kan de schroefdraad in het onderste deel van de behuizing beschadigd raken.
MONTAGE VAN HET BINNENSTATION (3,5^ en 7^ )
De hoogte waarop de binnenstations worden gemonteerd, kunt u zich bepalen.
- De bovenste en onderste delen van de 3,5" binnestationbehuizing zich Niet aan elkaar vastgeschroefd maar worden alleendoor nokken en groeven bij elkaar gehouden. Om het bovenste en onderste deel van de behuiizing te scheiden, drukt u med een
kleine platte schroevendraier gegen de snap sluiting (B.15) aan de onderkant. De 7^th binnenstation word bovendien met 2 behuizingschroeven bij elkaar gehonden.
- Gebruik het onderste deel van de behuizing om de boorgaten te markeren. Zorgervoort dat u het onderste deel recht utlijnt.

OPMERKING: Het onderste deel van het 3,5^ -binnenstation kan ook op een inboudwoos worden bevestigd. Daartoe bevinden zich bevestigingsgaten rond het kubeldoorvoergat. Als dit onvoldende bevestiging geeft, boor dan extra gaten om het binnenstation met extra schroeven aan de muur te bevestigen.
- Boor deze gaten met een 6 mm boor en stek in elk gat een plug.
- Steek de kabels door het waaroor bedoelde doorvoergat in het onderste deel van de behuizing en schroef.Deze vast.
- Sluit de kabeladers volgens het bedrangdingschema aan en plaats het bovenste deel van de behuizingeer op het onderste deel. Zorg ervoor dat de delen goed vastklikken.
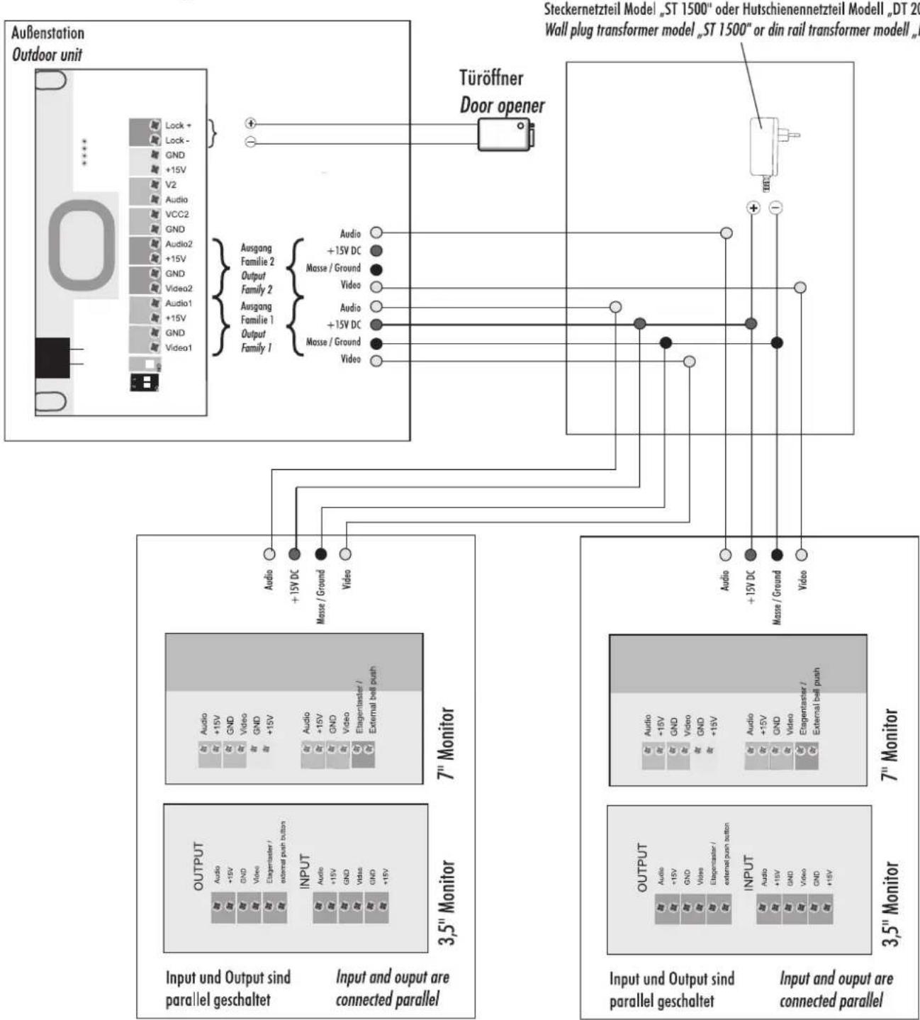
AANSLUITING
Zie afbeeldenen voor een gedetailleerde beschrijving, waar de verschil-ende aansluitingen en klemmen te vinden zijn. Zie voor de aanbevolen bekabeling het betreffende bedradingsschema.
Sluit de aangelegde kabel aan op de klemmen Audio, +15V, GND en Video van het buitenstation. Deze klemmen bevinden zich ook in de binnenstations en要去 1:1 met elkaar worden verbonden.
Opmerking m.b.t. tot de tweegezinswoning-versies: Voor elkweooneenheid is er een 4-polige aansluitklem. De aansluitklemmen zijn genummerd. Aansluitklem 1 is voor de onderste beldrukknop, aansluitklem 2 voor de bovenste beldrukknop.
Aansluiten van een deuropener
De deuropener worden door middel van een 2-aderige kabel met het buitenstation verbonden (afb. A, Door opener'). Voor de bediening van de deuropener is geen extra spanningsvoorziening nodig. De deuropener要去 geschikt zijn voor 12 volt gelijkspanning en mag Niet meer dan 1 A stroom gebruiken. De twee aansluitklemmen zijn met, lock + ' en, lock - gekenmerkt voor het geval de deuropener conform de juiste polaiteit aangeslooten要去 worden.

Opmerking: Om een deuropening door manipulatie van het buitenstation te voorkomen, adviseren wij de installmentie van de apart verkrijnbareveiligheids-deuropener module SDO-10. De SDO-10 is ook
geschikt voor motor sluitsystemen en hijde verzillende verstelbare deur openingsstijden en een auto-deur-open functie.
Aansluiting voedingsspanning
De voedingsspanning kan maar keuze op het binnen- of buitenstation aingesloten worden. Hiertoe zijn separate schroefuansluitingen aanwezig.
Het is ook möglich de voedingsspanning direct op de signaalleiding aan te sluiten, bijv. wanneer alle signaalledingen vanuit de zekerigkast waar de buiten- en binnenunits aangelegd zich. De voedingsapter moet dan op massa (GND) en +15V worden aangesloten. Eien voedingsapter kan maximaal 8 units van spanning voorzien.
Aansluiting externe camera
Op de schroefaansluitingen (aff. A, ext Cam') kan een externe camera worden aangesloten, bijvoorbeeld om ook een door de hoofdcamera Niet-zichtbaar gebied te konnen bewaken. Alle camera's die op een voedingsspanning van 12 volt DC werken en een FBAS-video signal afgeven konnen worden aangesloten.
De kabelader met het videosignal worst op klem (V2) en de afschering (massa) op klem (GND) aangesloten, de voedingsspanning voor de camera worst betrokken van de klemmen, VCC2' (+ aansluiting) en GND' (- aansluiting).
De externe camera heeft automatisch ID-4 (zie hoofdstuk ID-code). Bij een geactiveerde externe camera is geen overdracht van geluid möglich. De X-module van de VDV 500 XCam is Niet nodig.
Aansluiting van een etagedrukknop
Een eventuele aanwezigete agedrukknop (normaal open contact) wordt op de klemmen,Etagentaster' van de binnenunit aangesloten. De drukknop kan eventuele ook parallel aan de kabeladers,Audio en GND' worden aangesloten. Bij de tweegezinswoning-versie moet u erop letten dat de juiste audiokabel gebruikt worden (Audio1 en GND voor wooneenheid 1,Audio2 en GND voor wooneenheid 2).

Opmerking: Als er een etagedrukknop aingesloten is, dan worden een Niet te veranderen beltoon weergegeven, wannner er op deze knop gedrukt worden. Deze beltoon is vast ingesteld en behoort voor een beter onsderheid Niet tot de, normale' belmelodieien.
Aansluiting van de draadloze uitbreidingsmodule VTX-BELL
Met de VTX-BELL kan het belsignaal draadloos aan ontvangers van de BELL-serie (momenteel BELL 200 RX, BELL 210 USB en BELL 220 RX) worden doorgegeven. De draadloze module worden aingesloten op de 3-pins connector in het binnenstation (afb. + ) .Nadere informatie vindt u in de gebruiksaanwijing van de VTX-BELL.
INSTELMOGELIJKHEDEN BUITENSTATION
Het buitenstation heeft de volgende möglichkheden om het systeme aan te passen aan uw persoonlijke situatie:
Volume van het buitenstation
Met de potentiometer (afb. A, Volume / Lautsrke') wird het gespreksvolum van het buitenstation ingesteld.Voor de volle geluidssterkte draait u de potentieter voorzichtig met de wijzers van de klok mee tot de aanslag en dan een Klein beetje terug.Door de potentieter gegen de wijzers van de klok in te draaien worden de geluidssterke verminderd.
ID-code
Als er meerere buitenstationst parallel geschakeld worden (bijv. een aan de poort en een bij de ingang van het其所), dan kan de ID-code met de DIP-schakelaar (afb. A, ID-CODE') worden ingesteld. Zo kuren de verschillende buitenunits na elkaar door een binnenunit geactiveerd worden om het beeld van de camera's van de betreffende buitenunits te kuren controieren. Het omschakelen op het binnenstation gebeurt met de, Monitor'-toets.
ID-1 = schekelaar 1, on' en schekelaar 2, on'
ID-2 = schakelaar 1, on' en schakelaar 2, off
ID-3 = schekelaar 1, off' en schekelaar 2, on'

Opmerking: ID-4 is nicht beschikkaar voor een buitenstation. Deze is voor de externe camera geeserveerd. Als er meerere buitenstations parallel geschokeld worden, dan kan slechts een buitenstation met de externe camera worden verbonden.
Opengsstijd van de deuropener
Met de DIP-schakelaar (afb. A, Door opener time') worden ingesteld, hoelang de deuropener geactiveerd要去 worden. De instelmogelijkheden zich 1 seconde of 5 seconden. Af fabriek is 5 seconden ingesteld; deze instelling is geschikt voor de meest gangbare deuropeners.
Schakelaar,off'geefte openingstijd van 1 seconde.
Schakelaar, on' geef opingsstijd van 5 seconden.
INSTELMOGELIKHEDEN BINNENSTATION
Het binnenstation heeft de volgende mogelijkheden om het systeme aan te passen aan uw persoonlijke situatie:
Belvolume (3,5^ en 7'' monitor)
Het belvolume van het binnenstation worden met een potentiometer (afb. B en C, Bell Volume') ingesteld. Voor de volle geluidssterke draait u de potentiometer voorzichtig met de wijzers van de klok mee tot de aanslag. Door de potentiometer gegen de wijzers van de klok in te draaien worden de geluidssterke verminderd.
Belmelodie deactiveren (bijv. fiendens de nacht)
De belmelodie kan uitgeschakeld worden, om bijvoorbeeld ,s nachts Niet gestoord te worden. Druk daortoe eenmaal kort op de Niet-storentoets van de binnenunit. De LED onder de Niet-storen-toetslicht rood op om u eraan te herinneren dat de melodie gedexeactiveerd is. Om de melodie weeer te activeren drukt u nogmaals kort op de Niet-storentoets; de LED doaft en de melodie is weer geactiveerd. Het optische signal (lichtkaders van de spreek- en deuropenetae) bliftt altijd geactiveerd (ook bij een uitgeschakelde belmelodie); zodra er gebeld worden gaan de lichtkaders knipperen. Bovendien knippert der rode LED wonneer er in de Niet-storen-modus aan de deur gebeld is.

OPMERKING: Als de VTX-BELL-module gebruikt worden, dan worden\ deze in die nicht-stolen-modus ook gedexeactiveerd, d.w.z. de aangesloten\ ontvangers gegen eveneens geen signal af.

BELANGRIJK: Bij de volgende instelmoglikheden moet de monitor van het binnenstation geactiveerd zich (bijv. door op de beeldschemtoets te drukken). Anders kannen het gespreksvolume, de helderheid, het contrast, de kleurverzadiging en melodie Niet ingesteld worden.

Gespreksvolume (3,5" en 7" monitor)
Met de twee toetsen (B/C. 12 en 13) aan de zijkant van het apparat kan het gespreksvolume in meerere stappen ingesteld worden. Met toets 12 wordt het volume verhoogd, met toets 13 verlaagd.

Helderheid (3,5^ monitor)
Met de toets (B.8) worden de holderheid van de monitor ingesteld. Door meerdere keren op de toets te drukken neemt de holderheid toe. Als het hoogste holdereidensniveau bereikt is, dan wordt door opnieuw op de toets te drukken teruggeschakeld waar het laagste holdereidensniveau.

Contrast (3,5" monitor)
Met de toets B.9)ordt het contrast van de monitor ingesteld. Door meerdere keren op de toets te drukken neemt het contrast toe. Als het hoogste contrastniveau bereikt is, dan wordt door opnieuw op de toets te drukken teruggeschakeld naar het laagste contrastniveau.
Kleurverzadiging (3,5" monitor)
Met de toets (B.10) wordt de kleuverzadiging van de monitor ingesteld. Door meerdeere keren op de toets te drukken neemt de kleuverzadiging toe. Als het hoogste kleuverzadigingsniveaubereikt is, dan wordt door opnieuw op de toets te drukken teruggeschakeld naar het liaoste kleuverzadigingsniveau.
Helderheid (7" monitor)
M Druk een keer op de Mbets (C.8) van het binnenstation, in het OSD wordt, Bright' aangegeven. Door nu op toets (C.9) te drukken neemt de helderlandheid toe en door op toets (C.10) te drukken af.
Contrast (7^ monitor)
M Druk fwee keer op de Mbets (C.8) van het binnenstation, in het OSD wordt,Contrast' aangegeven. Door nu op toets (C.9) te drukken neemt het contrast toe en door op toets (C.10) te drukken af.
Kleurverzadiging (7^ monitor)
M Druk drie keer op de Nets (C.8) van het binnenstation, in het OSD wordt ,Color' aangegeven. Door nu op toets (C.9) te drukken neemt de kleurverzadiging toe en door op toets (C.10) te drukken af.
Belmelodie kiezen (3,5" en 7" monitor)
ledere keer wonneer u op de toets B/C.11) drukt wordt de volgende melodie weergegeven. De als laste weergegeven melodie wird automatisch opgeslagen.
BEDIENING (als deurintercom)
- Druk op de beldrukknop.
- Op het/de desbetreffende binnenstation/s klinkt de ingestelde beltoon en het beeldscherm toont het beeld van het buitenstation.
- Neem het gesprek aan op de binnenunit door kort op de spreektetoets (e) drukken.
- Als er een extra camera op het buitenstation aangesloten is, dan kurz u door kort op de toets, MONITOR e drukkenaar deze camera overschakelen. Als u daarna nog een keer op de (roets drukt, dan schokelt u weer maar de interne camera terug.
- Als er een deuropener aangesloten is, kunt u door kort op de deuropener-toets () te drukken de deuropener activeren. Ter bevestiging lichten de beldrukknoppen groen op gedurende tijd dat de deuropener geactiveerd worden.
- Door kort op de spreektetoets (dukken wordt de installmente weer in de stand-by modus geschakeld.
Opmerking: Als er een etagedrukknop aangesloten is, dan worden een Niet te veranderen beltoon weergegeven, wanneer er op deze knop
gedrukt worden. Deze beltoon is vast ingesteld en behoort voor een beter anderscheid Niet tot de, normale' belmelodieen.

BEDIENING (als interne huisintercom)
Alle binnenunits die zich aangesloten op bezelfde beldrukknop können ook worden gebruikt als een interne intercom.
- Druk op het binnenstation, van waaruit u een ander binnenstation wilt bereiken, op de intertoets (C.7). Op alle aangesloten binnenstations is nu een oproepsignal te horen, er worden geen beeld weergegeven.
- Om het gesprek op een van de andere aangesloten binnenstations aan te nemen, moet op dat station kort op de spreektetoets (B/C.6) worden gedrukt.
- Om het gesprek tebeeindigen, moet op een van de twee binnenstations kort op de sprektoets gedrukt worden.

Opmerking: Het is nicht möglich om verschillende beltonen voor de interne of externe oproepen in te stellen.
Voedingspanning: 15V DC
Stroomverbruik stand-by: < 0.5W
Resolutie van de camera: 380 tv-lijnen
Kijkhoek camera: horizontal 125^ ; vertical 90^
Aansluiting voor deuropener: 12V DC, max. 0,9 A
Belknopverlichting: automatisch (sensorgestuurd)
Binnenstation (3,5^ )
Voedingspaming: 15V DC
Stroomverbruik stand-by: < 0.5W
Resolutie van de monitor: 320 × 240 pixels
Binnenstation (7^ )
Voedingspanning: 15V DC
Stroomverbruik stand-by: < 0,5 W
Resolutie van de monitor: 480 × 270 pixels
AANWIJZING
Onder invloed van sterke statische, elektrische ofhoogfrequente velden (ontladingen, mobiele telefoons, radiozendinstallaties, GSM's, microgolen) kan de werkig van de toestellen (het toestel) nadelig worden beinlood.
Toestellen aangesloten op de elektricitieit, Voor het reinigen van het stroomnet loskoppelen (stekker uit het stopcontact trekken). Het oppervlak van de behuizing kan worden gereinig met een zachtde doek bevochtig in zoepsop. U mag geen schuumiddelen of chemische producten gebruiken. Afzetting van stof op verluchtingsgleuven, enkel met een borsteltje wegvegen en eventuele met een stofzuiiger wegzuigen. De zuigpiij Nietrechtstreeks gegen het toestel houden.
VEILIGHEIDSRICHTLIJEN
Bij beschadiging van behuizingen, stekkers, voedingskabels of aan de isolatie, dient het toestel onmiddelijk buiten gebruik te worden gesteld en de voedingsleidingen afgesloten te worden. STROOMSCHOK - LEVENSGEAAR. (Stroomstekeruit het stopcontact trekken!) Schade onmiddelijk door een vakman lately herstellen!

Haal het product Niet uit elkaar! Er bestaat gevaar op een levensgevaarlijke elektrische schok!

U mag zich nicht trachtend de reparatie uit te voeren!
Om veilighides- en vergunningsredenen (CE) is het Niet toegestaan om op eigeng houtje het product om te bouwen en/of te veranderen.
De montage van het product komt overeen met beschemmingsklasse 1. Als spanningsbronn mag uitsluitend een reglementaire netcontactdoos (230V / - 50Hz) van het openbare voedingsnet gebruikt worden. Toestellen die via de netspanning worden gevoed, horen nicht in kinderhanden thus. Wees waarom in aanwezigheid van kinderen extra voorzichtig.
Laat het verpakkingsmateriaal Niet achteeloors rondslingeren, plastic fouie/ zakken, polystyreendelen enz. konnen in kinderhanden gevaarlijk spellegoed worden.
De binnenunit is alleen geschikt voor droge binnenruimtes (geen badkamers of andere vochtige ruimtes). Vermijd dat de apparaten vochtig of nat worden. Er is gevaar op een levensgevaarlijke elektrische schok!
In bedrijfsgebouwen要去dveiligheidsvoorschriften van het verbond van bedrijsvakverenigingen voor elektrische installaties en bedijsmiddelen worden gerespecteerd. Wend u tot een vakman als u twiftelt over de werkwijze, de veiligheid of de aansluiting van het toestel.
Ga voorzichtig om met het product - door stoten, slagen of een val van al geringe hoogte worden het beschadigd.
2 JAAR BEPERKTE GARANTIE
Voor de duur van twee jac na de datum van aankoop worden gegarondeerd, dat de bedwelmend-gas-melder vrij is van defecten in materialen ontwerp. Dit is slechts van toepassing, wanneer het apparaat normala gebrukt worden en regelmatig onderhoden wordt. De verplichtingen die onder deze garantie vallen, zich beperkt tot de reparatie of het verrangen van enig onderdeel van de bedwelmend-gas-melder en gelden slechts onder de voorwaarde, dat er geen onbevoegde wijzigingen of reparatiepogingen utgevoerd zich. Deze garantie beperkt op geen enkele wijze uw wettelijk rechten als consument.
Bij schade die door het Niet navolgen van deze gebruikershandleiding wordt veroorzaakt, vervalt hetrecht op garantie. Voor indirecte schade zich wij Niet aansprakelijk!
Voor schade aan zaken of Personen die door ongeschichte bediening of Niet-opvolgen van de verilgheidsrichtlijnen veroorzaakt worden, zich wij Niet aansprakelijk. In deze gezallenervalt elkereanspraak op garantie!
Aansprakelijkheidsbeperking: De fabrikant kan niet aansprakelijk worden gesteld voor verlies of beschadiging van een of andere aard, inclusief de bijkomende schade of gevolgschade, die direct of indirect het gevolg is van een storing van dit product in geval van een alarm.
NL
Deze gebruksaanwijing is een publica
An den Kolonaten 37, 26160 Bad Zwischenahn/Duitslund
Deze gebruiksoanwijzing voldoet aan de technische eisen bij het ter perse goan. Wijzigingen in techniek en uitrusting voorbehonden.


C
Abb.C DIAGRAMC ILLUSTRATION C AFBEELDING C

7* INNNENSTATION · INDOOR STATION · BOITIER INTERIEUR · BINNENSTATION




Verdrahtungsplan 2-family house

1011WwL
JouWOW, S'
aannnnnne aannnnnne

SimpelGids