VD6720 - Gegensprechanlage ME - Kostenlose Bedienungsanleitung
Finden Sie kostenlos die Bedienungsanleitung des Geräts VD6720 ME als PDF.
Benutzerfragen zu VD6720 ME
0 Frage zu diesem Gerät. Beantworten Sie die, die Sie kennen, oder stellen Sie Ihre eigene.
Eine neue Frage zu diesem Gerät stellen
Laden Sie die Anleitung für Ihr Gegensprechanlage kostenlos im PDF-Format! Finden Sie Ihr Handbuch VD6720 - ME und nehmen Sie Ihr elektronisches Gerät wieder in die Hand. Auf dieser Seite sind alle Dokumente veröffentlicht, die für die Verwendung Ihres Geräts notwendig sind. VD6720 von der Marke ME.
BEDIENUNGSANLEITUNG VD6720 ME
Vielen Dank für den Kauf des VISTUS Video-Tursprechsystems.
Sie haben eine hochwertige Anlage gekauft.

Die Montage sollte von einem Fachmann durchgeführt werden.
Pflegehinweis
Die Kunststoffgehäuse nur mit einem leicht feuchten Tuch abwischen, keine scharfen Reinigungsmittel verwenden.
Legende
Außenstation
A. 1 = Kameda
A.2 = Lautsprecher
A.3= Namensschilder /Klingeltaste
A.4 = Mikrofon
A.5=Gehauseschrauben
A.6= Helligkeitssensor
Innenstation mit 3,5" Bildschirm
(VISTUS VD-6310 und VISTUS VD-6320)
B. 1 = Bildschirm
□
B. 2= Bildschirmtoste
B. 3 = Stummtaste
B.10= Farbsättrigung
B.11=Melodie
B.12 = Lautstäke +
B.13 = Lautstärke
B.14=Gehouserückseite
B.15=Vertriegungshaken
Innenstation mit 7^ -Bildschirm
(VISTUS VD6710 und VISTUS VD6720)
C. 1 = Bildschirm
C. 2 = Bildschirmtaste
C. 3 = Stummstaste
C. 4 = Schlüsseltaste
C. 5 = Mikrofon
C. 6 = Sprechtaste
C. 7=Intertaste
M C. 8=Menutaste
+ C.9=OSD+Taste
C. 10 = OSD - Taste
C.11=Melodie
C.12 = Lautstürke +
C.13 = Lautstärke -
C.14=Gehauserückseite
C.15 = Gehäuseschrauben
Lieferumfang VISTUS VD-6310:
1x Außenstation mit einem Klingeltaster
1x Innestation mit 3,5" Monitor
1x SI-1000 Netzadapter
1x Montagemateriali
Lieferumfang VISTUS VD-6320:
1x AuBenstation mit zwei Klingelfastern
2x Innestation mit 3,5" Monitor
1x ST-1000 Netzadapter
1x Montagemateriali
Lieferumfang VISTUS VD-6710:
1x Außenstation mit einem Klingeltaster
1x Innestation mit 7" Monitor
1x ST-1000 Netzadapter
1x Montagemateriali
Lieferumfang VISTUS VD-6720:
1x AuBenstation mit zwei Klingeltastern
2x Innestation mit 7" Monitor
1x ST-1000 Netzadapter
1x Montagemateriali
Lieferumfang VISTUS VD-603:
1x Innestation mit 3,5" Monitor
1x Montagematerial
Lieferumfang VISTUS VD-607:
1x Innestation mit 7" Monitor
1x Montagematerial
VORBEREITUNG DER INSTALLATION
Folgende Leitungen werden besteht:
1-Familienhaus: 4 Leitungen von der AuBeneinheit zur Inneneinheit sowie 2 Leitungen von der AuBeneinheit zum Tüffner.
2-Familienhaus: Hier werden pro Klingeltaster 4 Leitungen von der Aufbeneinheit in jeder Wohnheit beschäftigt. 4 Leitungen für Famille 1 und 4 Leitungen für Famille 2, sowie 2 Leitungen zum Tüffner
HINWEISE:
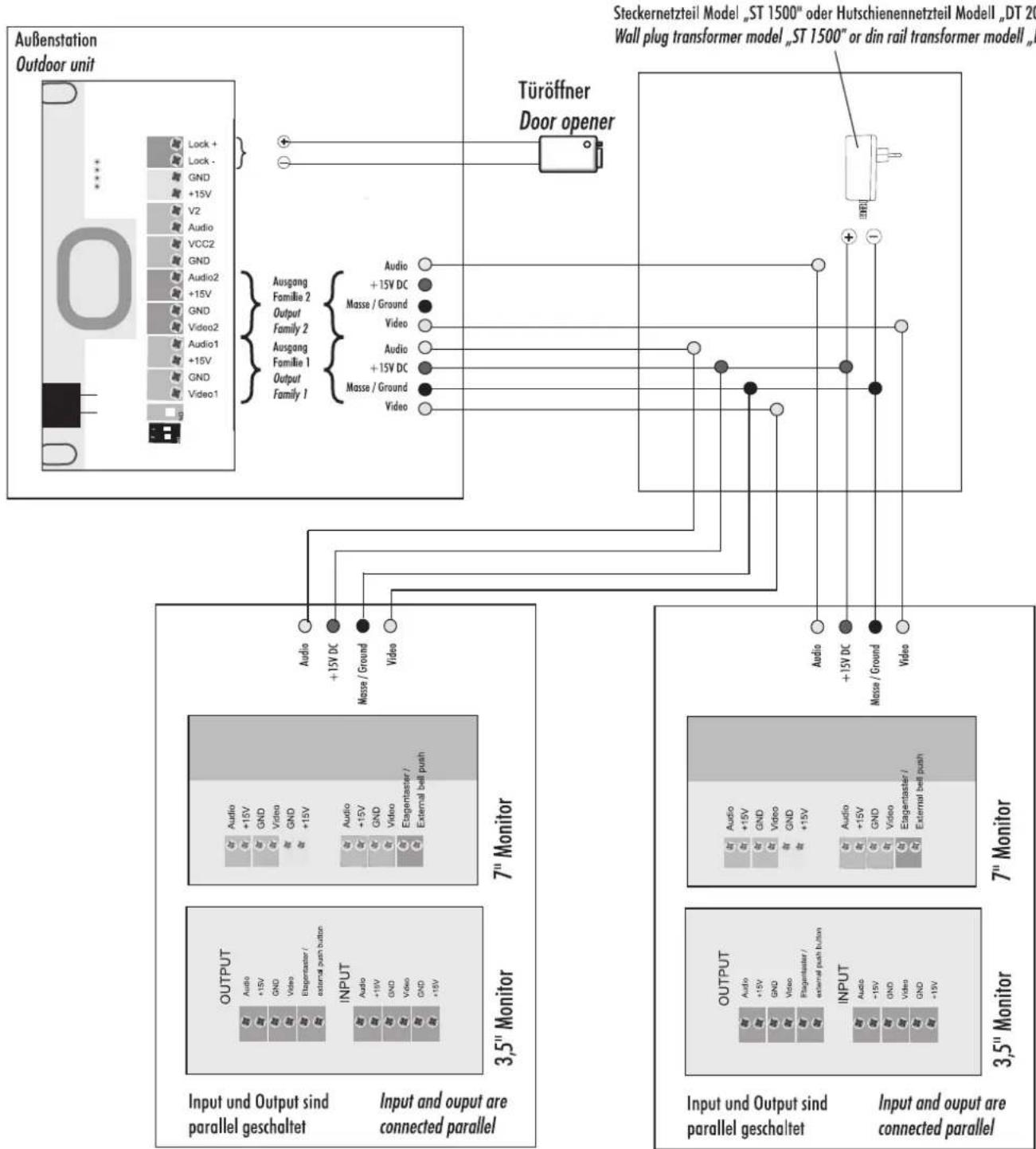
- Ein Verdraughtungsplan befindet sich im Anhang.
- Sie konnen beim VISTUS-System auch Video-mit Audiokomponenten kombinierten.
i Pro Wohninheit konen bis zu vier Inneneinheiten parallel angeschlossen werden.
Die Verbindung kann
- seriell (von Innenstation zu Innenstation) gelegt werden oder
- sternfomig (parallel) von einem zentralen Punkt (Verteilerkasten) aus.
i Der Verdrahtungsplan im Anhang basiert auf einer sternfornigen Verdrahtung, da diese zu bevorzugen ist.
Die Leitungen sollenn so verlegt sein, dass sie jeweils direkt hinter der entsprchenden AuBen-/Inneneinheit aus der Wand gefuhr werden.
MONTAGE DER AUBENSTATION
Die Tursprechstelle ist für eine Aufputz-Montage vorgesehen.
A Vorbereitung
Achten Sie beim Abnehmer des Frontcovers darauf, dass die Numens
schilder nicht herausfallen, damit diese nicht beschädigt werden. Achten Sie ebenfls auf das Kabel des Lautspechers, welche im vorderen Gehäusteil befestigt ist.
Die Kamera sollte in einer Höhe von ca. 1,5m-1,6m (Mitte Kamera) montiert werden (Abb. A). Vor der Montage der Tursprechstelle sollenn Sie testen, ob die Kamera einen Besucher ausreichend erfasst. Passen Sie, falls erforderlich, die Montagehöhe und den Montageort an ihre Gegebenheiten an.
- Entfernen Sie die zwei Schrauben, um das Gehäuse der Außenstation öffnen zu konnen. Das Gehäuse ist zusätzlich noch mit Nosen und Nuten ausgestattet, wodurch Gehäuseober- und unterteil miteinander verbunden sind. Daher ist etwas Kraft erforderlich, um die Gehäuseteile zu trennen.
- Richten Sie die Bohrschablone für die Aufenstation an dem dazu vorgesehenen Montogeort gerade aus (eine Wasserwage ist hierbei hilfreich) und befestigen Sie sie mit Klebebond.
- Bohren Sie mit Hilfe der Bohrschablone die Licher fur die Befestigung mit einem 6mm-Bohrer und stecken Sie in jeder Loch einen Düb.
- Entfernen Sie jetzt die Bohrschablone.
- Führer Sie die Leitungen durch das große Loch der Außenstation und befestigen Sie diese mit 4 Schrauben.
- Schlieben Sie die Leitungen entsprechend dem VerdRAFTungsplan an.
Anpassen der Namensschilder
Das Namensschild besteht aus zwei transparenten Kunststoffeilen, welche durch 2 bzw. 4 keine Schrauben miteinander verbunden sind.
- Entfernen Sie alle Schrauben des Namenschildes und behmen Sie es auseinander, zwischen den beiden Kunststoffeilen liegt die Folie für die Beschäftigung.
- Beschriften Sie die Folie mit einem wischfesten Filzstift oder drucken Sie sich ein Namensschild* per PC und Drucker aus.
-
Legen Sie das beschrittete Numensschild (Folie) zwischen beide Kunststoffeile und verschrauben Sie diese wieder miteinander.
-
Großbe des Namenschildes:
VISTUSVD6X10:71mm×50mm
VISTUSVD6X20:71mm×25mm

- Bevor Sie das Frontcover wieder auf die Außenstation montieren, setzen Sie die Namensschilder wieder in das Frontcover ein. Damit die Namensschilder bei der Montage nicht herausfallen, konnen Sie einen Streifen Klebeband von vorne über die Namensschilder und das Gehäuse kleben.

Hinweis: Um eine Beschädigung des Frontcovers zu vermeiden, ziehen Sie den Klebestreifen tonight nach Installation wieder vom Gehäuse ab!
- Verschrauben Sie das Frontcover mit beiden Gehäueschrauben. Achten Sie hierbei darauf, die Schrauben nicht zu verkanten. Dadurch konnte das Gewinde im Gehäuseunterteil beschädigt werden.
MONTAGE DER INNENSTATION (3,5^ und 7^ )
Die Montagehöhe der Innestationen können Sie ihren Gegebenheiten entsprechend frei wahren.
- Das Gehäuse der 3,5^ -Innenstation wird durch Nason und Nuten zusammenhalten. Um das Gehäuseunterteil vom Vorderteil trennen zu können, drücken Sie den Verriegelungsshoken (8.15) an der Unterseite mit einem flichen Schraubendeher leicht in das Gehäuse. Die 7^ -Inneneinheit wird mit 2 Gehäuseschrauben (C.15) zusammenhalten.
- Benutzen Sie das Gehäuseunterteil als Hilfe zum Anzeichn der Bohrlocher. Achten Sie darauf darauf, das Unterteil gere de auszurichten.

HINWEIS: Das Gehouseunterteil der 3,5-Innestation kann auch auf einer Hohlwanddose befestigt werden. Dazu befinden sich um das Leitungs-Einführungssloch entsprechende Befestigungslöcher. Sollte sich hierdurch keine ausreichende Fixierung ergeben, bohren Sie weitere Befestigungslöcher und verschrauben Sie damit die Innestation zusätzlich.
- Bohren Sie die Befestigungslöcher mit einem 6mm-Bohrer und stecken Sie in jeder Loch einen Dübel.
- Stecken Sie die Leitungen durch das dazu vorgesehene Einführungssloch im Gehäuseunterteil und verschrauben Sie这点es.
- Schlieben Sie die Leitungen entsprechend des Verdrahtungsplanes an und setzen Sie das Gehäusevorderteil auf das Gehäuseunterteil. Achten Sie darauf darauf, dass es richtig einrastet.
ANSCHLUSS
Eine genaue Beschreibung, wo die einzelnen Anschlüsse und Klemmen zu finden sind, konnen Sie den Abbildungen entnehmer.
Klemmen Sie die verlegte Leitung an Audio, +15V, GND und Video der Außenstation an. An den Innestationen sind diese Klemmen ebenfals vorhunden und müssen nur 1:1 miteinander verbunden werden.

Hinweis zu den 2-Familienhaus-Versionen: Pro Wohneinheit ist eine 4-polige Anschlussklemme vorhenden. Die Anschlussklemmen sind nummeriert. Anschlussklemme 1 ist für den unteren, Anschlussklemme 2 für den oberen Klingeltaster.
Anschluss eines Türoffners
Der Turöffner wird direkt durch zwei Leitungen mit der Außenstotation verbunden (Abb. A, Door opener'). Es ist keine zusätzliche Stromversorgung möglich, um den Turöffner anzusteuern. Der Turöffner muss für 12 Volt Gleichspannung ausgelegt sein undarf nicht mehr als 1A Strom benötigten. Für den Fall, dass der Turöffner korrekt gegolt werden muss, sind die beiden Anschlussklemen mit „lock +“ und „lock -“ beschrittet.

Hinweis: Um das Offen der Eingangstur durch Manipulation an der Außenstation zu verhindern, empfehlen wir die Installation des separat erhältlichen Sicherheits-Tüffnner-Modus SDO-10, welches im Hausanschlusskosten montiert wird. Das SDO-10 ist auch zum Ansteuern von motorbetriebenen Schliebsystemen geeignet und bietet verschiedene einstellbare Tüffnungsszeiten sowie eine Auto-Offnner-Funktion.
Anschluss Stromversorgung
Die Stromversorgung kann wahlweise an der Inn- oder Außenstation angeschlossen werden. Hierzu sind separate Schraubklemmen vorhanden.
Es ist auch möglich, die Stromversorgung direkt an die Signalleitung anzuschlieben, z.B. wenn alle Signalleitungen vom Sicherungskosten aus zu den Außen- und Inneneinheiten gelegt wurden. Das Netzteil ist dann mit Masse (GND) und +15V zu verbinden.
Ein Netzeil kann bis zu 8 Einheiten mit Strom versogen.
Anschluss externe Kamera
An den Schraubklemmen (Abb. A,ext Cam') kann eine externe Kamera angeschlossen werden, um z.B. einen durch die Hauptkamera nicht einsehbaren Bereich zusätzlich überwachen zu konnen. Es konnen alle Kameras angeschlossen werden, die eine Betriebsspannung von 12 Volt DC besteht und ein FBAS-Video signal liefern.
Die Videoleitung wird an die Klemme (V2) und die Masseleitung an die Klemme (GND) angeschlossen, Betriebsspannung fur die Kamera wird von den Klemmen VCC2" (Pluspol) und GND" (Minuspol) abgenommen.
Die externe Kamera hat automatisch die ID 4 (siehe Kapitel ID-Code). Bei aktiver externer Kamera ist keine Tonübertragung möglich. Dos X-Modul der VDV 500 XCam wird nicht besteht.
Anschluss eines Etagentasters
Ein eventuell vorhandener Etagentaster (normaler SchlieBerkontakt) wird an den Klemmen "Etagentaster" an der Inneneinheit angeschlossen.
Alternativ kann der Taster auch parallel an die Leitungen „Audio" und „GND" angeschlossen werden. Bei der 2-Familien-Version ist zu
beachten, dass die richtige Audio-Leitung genutzt wird (Audio1 und GND für Familie 1, sowie Audio2 und GND für Familie 2).

Hinweis: Ist ein Etagentaster angeschlossen, wird ein nicht änderbarer Klingelton abgeschpielt, wenn der Etagentaster betetigt wird. Diese Klingelton ist fest eingestellt und zur betteren Unterscheidung nicht bei den „normalen“ Klingelmelodien enthalten.
Anschluss des Funk-Erweiterungsmodulus VTX-BELL
Mit dem VTX-BELL kann das Klingelsignal per Funk an Empfänger der BELL-Serie (z.Z. BELL 200 RX, BELL 210 USB und BELL 220 RX) weitergeleitet werden.
Das Funkmodul wird auf den 3-poligen Stecker innerhalb der Innestution gesteckt (Abb. B+C). Nähere Informationen entnehmen Sieitte der Anleitung des VTX-BELL.
EINSTELLMOGlichKEITEN AUBENSTATION
An der Außenstation stehen ihren folgende möglichekeiten zur Verfugung, die Anlage an ihre persönlichen Gegebenheiten anzupassen:
Lautstürke der Außenstation
Mit dem Potentiometer (Abb. A, Volume / Lautstärke') wird die Sprachlautstürke der Außenstation eingestellt. Für volle Lautstürke drehen Sie das Potentiometer im Uhrzeigersinn vorsichtig bis zum Anschlag und dann ein Klein weniger zugruck. Durch Drehen gegen den Uhrzeigersinn wird die Lautstürke verringgert.
ID-Code
Werden mehrere Außenationen parallel geschättet (z.B. an Toreinfahrt und Haus), wird über die DIP-Schalter (Abb. A, ID-CODE') der ID-Code eingestellt. Dadurch ist es möglich, die einzelnen AuBeneinheiten nacheinander von einer Inneneinheit zu aktivieren, um den Erfassungsbereich der entsprechenden AuBeneinheiten überwachen zu konnen. Umgeschaltet wird an der Innestation mit der „□“-Taste.
ID1 = Schalter 1, on", Schalter 2, on"
Hinweis: Die ID 4 staat nicht für die Außenstation zur Verfügung. Sie ist für die externe Kamera reserviert. Werden mehrere Außenstationen parallel geschäter, kann nur eine Außenstation mit der externen Kamera verbunden werden.
Öffnungszidet des Türoeffners
Mit dem DIP-Schalter (Abb. A., Door opener time') wird eingestellt, wie lange der Türoffner aktiviert werden soll. Die Einstellmöglichkeiten sind

entweder 1 Sekunde oder 5 Sekunden. 5 Sekunden ist ab Werk vorein-gestellt und Funktioniert für die seinen handelsüblichen Tüffner.
Schalter "off" entspricht Öffnungsszeit 1 Sekunde.
Schalter "on" entspricht Öffnungsszeit 5 Sekunden.
EINSTELLMOGlichKEITEN INNENSTATION
An der Innestation stehen ihren folgende möglichekeiten zur Verfugung, die Anlage on ihre personlichen Gegebenheiten anzupassen:
Klingeltonlautstürke (3,5" und 7" Monitor)
Mit dem Potentiometer (Abb. B und C, Bell Volume') wird die Klingellautstärke der Innestation eingestellt. Für volle Lautstärke dieren Sie das Potentiometer im Uhrzeigersinn vorsichtig bis zum Anschlag. Durch Drehen gegen den Uhrzeigersinn wird die Lautstärke verringgert.

Klingelmelodie deaktivieren (z.B. bei Nachtruhe)
Die Klingelmelodie kann deaktiviert werden, um z.B. bei Nachfruhe nicht gestört zu werden. Drücken Sie dazu einmal kurz auf die Stummtaste der Inneneinheit. Die LED unter der Stummtaste leuchtet zur Erinnerung bei deaktivierter Melodie rot. Um die Melodie wieder zu aktivieren, drucken Sie erneut kurz auf die Stummtaste, die rote LED erlischt und die Melodie ist wieder aktiviert.
Das optische Signal (Leuchtrahmen der Sprech- und Türoffner-Taste) bleibt auch bei deaktivierter Klingelmelodie aktiv und zeit weiterhin ein Klingeln an. Des weiteren blinking die rote LED wenn bei aktivierten Stummschaltung geklingelt wurde.

HINWEIS: Falls das VTX-BELL-Modul genutzt wird, so wird dieses im Ruhemodus auch deaktiviert, d.h. die angeschlossenen Empfänger geben ebenfalls kein Signal ab.

WICHTIG: Bei folgenden Einstellmöglichkeiten muss der Monitor der Innestation aktiviert sein (z.B. durch Drücken der Bildschirmtaste). Anderfalls ist keine Einstellung von Sprachlautstürke, Helligkeit, Kontrast, Farbsätigung und Melodie möglich.

Sprachlautstärke (3,5" und 7" Monitor)
+
Mit den beiden seitlichen Tasten (B/C. 12 und 13) kann die Sprachlautstürke in mehreren Stufen eingestellt werden. Mit der Taste 12 wird die Lautstürke erhöht, mit der Taste 13 verringgert.

Helligkeit (3,5" Monitor)
Mit der Taste (B.8) wird die Helligkeit des Monitors eingestellt. Durch mehrfaches Drücken der Taste wird die Helligkeit erhöht. Ist die höchste Helligkeitsstufe erreicht, wird durch erneuten Druck der Taste auf die niedrigste Helligkeitsstufe geschalte.
Kontrast (3,5^ Monitor)
Mit der Taste (B.9) wird der Kontrast des Monitors eingestellt. Durch mehrfaches Drucken der Taste wird der Kontrast erhöht. Ist die höchste Kontraststufe erreicht, wird durch erneuten Druck der Taste auf die niedrigste Kontraststufe geschalte.
Farbsattigung (3,5" Monitor)
Mit der Tarte 一 ^ (B.10) wird die Farbsattigung des Monitors eingestellt. Durch mehrfaches Drucken der Tarte wird die Farbsattigung erhöht. Ist die höchste Sattigungsstufe erreicht, wird durch erneuten Druck der Tarte auf die niedrigste Sattigungsstufe geschalte.
Helligkeit (7" Monitor)

Drücken Sie die Taste M (C.8) an der Innestation einmal, im OSD wird „Bright" angezeigt.Jetzt kann die Helligkeit uber die Taste (C.9) erhöht und uber die Taste (C.10) verringer werden.
Kontrast (7" Monitor)

Drucken Sie die Taste MC.8) an der Innestation zweimal, im OSD wird "Contrast" angezeigt. Zeit kann der Kontrast uber die Taste (C.9) erhöht und uber die Taste (C.10) verringt werden.
Farbsattigung (7" Monitor)

Drucken Sie die Taste MC.8) an der Innestation dreimal, im OSD wird "Color" angezeigt.Jetzt kann die Farbsattigung uber die Taste (C.9) erhoht und uber die Taste (C.10) verringert werden.

Melodieauswahl (3,5" und 7" Monitor)
Durch jedem Stücken der Taste B/C.11) wird die nachste Melodie abgeschweit. Die zuletzt abgeschriebte Melodie wird automatisch gesichert.
BEDIENUNG (als Tursprechanlage)

- Drucken Sie auf die Klingelteste.
- An der/den entsprachenden Innestation/en erntet der eingestellte Klingelton und der Bildschirm zeigt das Bild der Außenstation.
- Nehmen Sie das Geschäft an der Inneneinheit durch kurzen Druck auf die Spech-Taste (>) an.
- Ist eine Zusatzkamera an der Aufbaustation angeschlossen, konnen Sie durch kurzen Druck auf die Taste „MONITOR“(□) auf diese umschalten. Ein weiterer Druck auf die Taste schaltet wieder auf die interne Kamera zurück.
- Ist ein Türoffner angeschlossen, können Sie durch kurz den Druck auf die Türoffner-Taste (→) den Türoffner aktivieren. Zur Bestätigung leucht den Klingeltaster für die Dauer des Türoeffens grün auf.
- Durch kurzes Drucken der Spech-Taste () wird die Anlage wieder in den Standby-Betrieb geschalte.
Hinweis: Ist ein Etagentaster angeschlossen, wird ein nicht überbarer Klingelton abgeschweit, wenn der Etagentaster betetigt wird. Diese Klingelton ist fest eingestellt und zur besseren Unterscheidung bei den „normalen“ Klingelmelodien nicht enthalten.

BEDIENUNG (als interne Haussprechanlage)
Alle Inneneinheiten, welche an den gleichen Klingeltaster angeschlossen sind, können auch als interne Sprechanlage benutzt werden.
- Drücken sie an der Innestation, von der aus Sie eine andere Innestation erreichen sollen, die Interntaste (B/C.7). Alle angeschlossenen Innestationen klingeln jetzt, ein Bild wird nicht angezeigt.
- Um das Geschäft an einer der anderen angeschlossenen Innestationen anzunehmen, muss dont die Sprechtaste (B/C.6) kurz gedrückt werden.
- Um das Geschäft zu beenden, muss an einer der beiden Innenstationen die Sprechtaste kurz gedrückt werden.

Hinweis: Es ist nicht möglich, unterschiedliche Klingelhöne für den internen oder externen Anruf einzustellen.
Technische Daten:
Außenstuation
Betriebssponnung: 15V DC
Leerlaufleistung: < 0,5W
Kamera-Auflösung: 380 TV-Linien
Kamera-Erfassungswinkel: Horizonta1 125^ vertical 90^
Anschluss fur Tüffner. 12V DC, max. 0,9A
Klingeltasterbeleuchtung: Automatisch mit Lichtsensor
Innenstation (3,5^ )
Betriebssponnung: 15V DC
Leerlaufleistung: < 0,5W
Monitorauflös: 320x240px
Innenstation (7^ )
Betriebsspannung: 15V DC
Leerlaufleistung: < 0,5W
Monitorauflosung: 480x270px
HINWEISE
Unter Einwirkung von starken statischen, elektrischen oder hochfrequennten Feldern (Entladungen, Mobiletelefonen, Funkanlagen, Handys, Mikrowellen) kann es zu Funktionsbeeinträchtigungen der Geräte (des Gerätes)kommen.
Reinigung und Pflege
Netzbetriebene Geräte vor dem Reinigen vom Netz trennen (Stecker ziehen). Die Oberfläche des Gehäuses kann mit einem mit Seifenlauge angefeuchtem weichen Tuch gereinigt werden. Verwenden Sie keine Scheuermittel oder Chemikalien. Staubablagerungen an Lüftungsschlitzen nur mit einem Pinsel losen und gegebenenfalls mit einem Staubsauger absaugen. Die Saugdlöse nicht direkt an das Gerät halten.
SICHERHEITSHINWEISE
Bei Beschädigung von Gehäusen, Steckern, Netzkabel oder Isolationschaden, Geräte sofort außer Betriebnehmen und Nettleitungen abziehen. STROMSCHLAG - LEBENSGEFAHR. (Netzstecker aus der Steckdoseziehen!) Schäden sofort durch Fachmann beheben lessen!

Zerlegen Sie das Produkt nicht! Es besteht die Gefahr eines lebensgeführlichen elektrischen Schlages!

Keine eigenen Reparaturversuche durchfuhren!
Aus Sicherheits- und Zulassungsgrunden (CE) ist das eigenmächtige Umbauen und/oder Verändern des Produkts nicht gestafft.
Der Aufbau des Produkts entspricht der Schutzklasse 1. Als Spannungssquelde far nur eine ordnungsgemiete Netzsteckdose (230V /50Hz) des öffentlichen Versorgungsnetzes verwendet werden. Geräte, die an Netzspannung betriuben werden, gehoren nicht in Kinderhände. Lassen Sie deshalb in Anwesenheit von Kindem besondere Vorsicht walten.
Lassen Sie das Verpackungsmaterial nicht achtlos liegen, Plastikfolien/ tuten, Styropeorteile etc. konnten für Kinder und Houstiere zu einem gefährlichen Spielzeug werden.
Die Inneneinheiten sind nur für trockene Innenträume geeignet (keine Badezimmer o.ä. Feuchträume). Vermeiden Sie das Feucht- oder Nasswerden der Geräte. Es besteht die Gefahr eines lebensgefährlichen elektrischen Schlages!
In gewerblichen Einrichtungen sind die Unfallverhütungsverschriften des Verbindes der gewerblichen Berufsgenossenschaften für elektrische Anlagen und Betriebsmittel zu beachten. Wenden Sie sich an eine Fachkraft, wenn Sie Zweifel über die Arbeitsweise, die Sicherheit oder den Anschluss des Geräts haben.

Gehen Sie vorsichtig mit dem Produkt um - durch StaBe, Schläge oder dem Fall aus bereits geriger Höhe wird es beschädigt.
2 JAHRE BESCHRANKTE GARANTIE
Es wird für die Dauer von 2 Jahren ab Kaufdatum gewährleistet, dass diese Produkt frei von Defekten in den Materialien und in der Ausführung ist. Dies trifft nur zu, wenn das Gerät in üblicher Weise benutzt wird und regelmäß insstand gehalten wird. Die Verpflichtungen dieser Garantie werden auf die Reparatur oder den Wiedereinbau irgendines Teils des Gerätes begrenzt und gelten nur unter der Bedingung, dass keine unbefugten Veränderungen oder versuchte Reparaturen vorgenommen wurden. Ihr gesetzlichen Rechte als Kunde werden in keiner Weise durch diese Garantie beeinträchtigt.

Bitte beachten Sie!
EsbestehtkeinAnspruchgarantieinu.a.folgendenFällen:
Bedienungsfehler
- Störungen durch andere Funkanlagen (z.B. Handybetrieb)
Fremdeingeiffe/wirkungen
- Mechanische Beschäftigungen
Feuchtgigkeitsschaden
- Kein Garantie-Nachweis (Kaufbeleg)
Bei Schaden, die durch Nichtbeachten dieser Bedienungsanleitung verursicht werden, erlischt der Garantieanspruch. Für Folgeschäden übernehmen wir keine Haftung! Bei Sach- oder Personenschäden, die durch unsachgemäß Handhabung oder Nichtbechten der Sicherheits-hinweise verursicht werden, übernahmen wir keine Haftung. In solchen Fällen erlischt jeder Garantieanspruch!
Haftungsbeschränkung:
Der Hersteller ist nicht für den Verlust oder die Beschädigung irgendwelcher Art einschließlich der beiläufigen oder Folgeschöden hoftbar, die direkt oder indirect aus der Störung deses Produktés resultieren.
DE
These Bedienungsanleitung ist eine Publikation der m-e GmbH modern-electronics,
An den Kolonaten 37, D-26160 Bad Zwischenahn
These Bedienungsanleitung entspricht dem technischen Stand bei Drucklegung. Änderung in Technik und Ausstattung vorbehalten.


Verdrahtungsplan 2-Familienhaus
DEUTSCH VISTUSVD

Tannnnnne
35 Monitor
Technische gegevens:
Buitenstation
Reinigung en verzorgung
"Hiermit erklart die me GmbH modern-electronics, dass sich these Gerät in Übereinstimmung mit den grundlegenden Anforderungen und den übrigen einschlögigen Bestimmungen befindet." KONFORMITÄTSERKLÄRUNG kann unter folgender Adresse gefunden werden:
http://www.m-e.de/download/ce/vistus-vd-600ce.pdf



EinfachAnleitung