WSP 5010 N - Verwarming AEG - Gratis gebruiksaanwijzing en handleiding
Vind de handleiding van het apparaat gratis WSP 5010 N AEG in PDF-formaat.
Veelgestelde vragen - WSP 5010 N AEG
Download de handleiding voor uw Verwarming in PDF-formaat gratis! Vind uw handleiding WSP 5010 N - AEG en neem uw elektronisch apparaat weer in handen. Op deze pagina staan alle documenten die nodig zijn voor het gebruik van uw apparaat. WSP 5010 N van het merk AEG.
GEBRUIKSAANWIJZING WSP 5010 N AEG
Gebruiks- en montagehandleiding
Deutsch
English
François
Nederlandsls
Inhaltsverzeichnis
Table of Contents
Nederlands Inhoudsopgave
- Gebruiksaanwijzing Voor de gebruiker
| 1.1 Beschrijving van het apparaat | 52 |
| 1.2 Bediening | 52 |
| 1.3 Veiligheidsvoorschriften | 53 |
| 1.4 Verzorging en onderhoud | 53 |
| 1.5 Belangrijke aanwijzing | 54 |
| Wat te doen wanner...? | 54 |
- Montaghandleiding Voor de installmenter
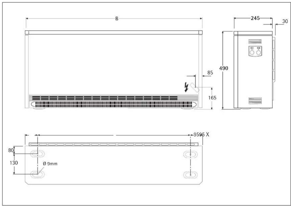
| 2.1 Technische gegevens | 55 |
| 2.2 Beschrijving van hct apparaat | 56 |
| 2.3 Voorschriften en bepalingen | 58 |
| 2.4 Montage | 58 |
| 2.5 Montage van apparaat | 59 |
| 2.6 Eerste inbedrijfstelling | 63 |
| 2.7 Reparatic, ombouwen van hct apparaat | 63 |
| 2.8 Aflevering | 63 |
| 3. Garantie | 66 |
| 3.1 Milieu en recycling | 66 |
Français
Sommaire
1. Gebruiksaanwijzing
1.1 Omschrijving van het apparaat
Met warmteaccumulatoren worden tijdens de laag tariefperiode (afhankelijk van het nutsbedrijf, meestal nachstroom) elektrisch opgewekte warmte opgeslagen. Deze worden overeenkomstig de temperatuur in de ruimte via een ventilator als warme lucht, een voor een gelding deel ook alsuitstralingswarmte van het oppervlak van het apparaat, wee afgegeven.
1.2 Bediening
De bediening van het apparaat gebeurt op het bedieningspaneel (1) op de rechter zichwand (afb. 1).
1.2.1 Warmteaccumulatie
Met de keuzeschakelaar (afb. 17) worden accumulatiegraad (opladen) bepaald.
Hierbij要去ensonderscheidwordengemaakttussendewerkingvan dewarmteaccumulator met ofzondercentrale,weersafhankelijkeoplaadbesturing (zitindenderding).
Wanner geen centrale, weersafhankelijk oplaadbesturing beschikbaar is (handmatige werking, afb. 18), dan moet de keuzeschakelaar als volgt worden ingesteld:
= Er wordt nicht opgeladen
1 = Overgangsstijd (voorjaar/herfst) -komt overeen met ca. 1 / 3 van de volledige lading
2 = Milde winterdagen -komt overeen met ca. 2 / 3 van de volledige lading
3 = Komt overeen met de volledige lading
Na een korte gewenningsperiode zult u de nodige ervaring hebben opgedaan om de op dat moment juiste instelling te vinden.
Wanner een centrale, weersafhankelijk oplaadbesturing beschikbaar (automatische werking), moet de keuzeschakelaar op stand 3 staan. Het weersafhankelijk opladen zorgt er dan voor dat de warmteaccumulator op de juiste wijze worden opgeladen.
Ook bij een beschikbare oplaadbesturing kan de op te laden hoeveelheid van de afzonderlijke warmteaccumulatoren handmatig met de keuzeschakelaar (a) worden aangepast.
1.2.2 Warmteafgifte
De warmteafgifte (ontladen) worden met een aan de wand gemonteerde of in het apparaat integreerbare AEG-thermostat (speciale accessoires) geregeld.
De gewenste temperatuur in de ruimte kan.daar bij op de thermostat worden ingesteld, die dan automatisch de warmteafgifte via de ventilator regeld, zo dat de ruimte op een constante temperatuur kan worden gehonden.
Op zich koude dagen worden het aanbevolen de thermostat bij afwezigheid meerdere dagen ingeschakeld teCTX, om de temperatuur in de ruimte op bijv. ca. 10^ te houden, zodat het gebouw c.q. de ruimte Niet afkoelt (bescherming gegen bevriezing).
1.3 Veiligheidsvoorschriften
-
in ruimten worden gebruikt die brand- of explosiegevaarlijk zijn door de aanwezigheid van chemicalien, stof, gassen of dampen;
-
in de onmiddelijke nabijheid van leidingen of reservoirs worden gezruikt, die brandbare of explosieve stoffen bevatten;
-
worden gezruikt wonneer de minimale afstand tot aangrenzende objecten nicht in acht worden genomen.
-
Montage (elektrische installment) alsmede de eerste inbedrijfstelling en het onderhoud van dit apparaat mogen alleen door een daartoe bevoegdevakman en overeenkomstig deze aanwijzingen worden uitgevoerd.
In geen geval mag het apparaat worden gebruikt wanneer in de opstellingsruimte werkzaamheden zoals verleggen, slijpen, verzegelen, reinigen met benzine en onderhoud (spray, vloerwas) van vloeren en dergelijkde worden uitgevoerd. Bovendien要去 de ruimte voor het opladen in voldoende mate worden geventileerd.
-
Het oppervlak van de behuizing van het apparaat en het luchtafvoerrooster konnen tot een temperatuur van meer dan 80^ worden verwarmd. Daaromogen op het apparaat of in de onmiddelijkne nabijheid waarvan geen brandbare, ontvlambare of warmte-isolerende stoffen, als wasgoed,dekens,tijdschriften,reservoirs met boenwas of benzine,spitdozen en dergelijkde worden geplaatst.Ook mag geen wasgoed over het apparaat worden gehangen om dit te drogen. Gevaar voor brand!
-
Voor alle soorten voorwerpen, zoals bijv. meubels, gordijnen, vitrage en textiel of andere brandaar of Niet brandaar materiaal, moet de volgende minimale tussenruimte, in het bijzonder ten opzichte van luchtafvoerroosters, ten opzicht van het apparaat worden aangehouden (aftb. 2):
t.o.v. luchtafvoerrooster 500mm
t.o.v. de rechter zichwand (voor montageruimte) 100 mm
t.o.v. linker zichwand 70 mm
t.o.v. linker zichwand bij 2 warmteaccumulatoren naast elkaar 100 mm
t.o.v.deksen (bijv. vensterbank) 50 mm
t.o.v. deksel (vitrage, gordijnen, brandbaar materiaal) 100mm
De warme lucht moet ongehinderd uit het apparaat konnen stromen (afb. 19)!
- De bij deze gebruiks- en montagehandleiding meegeleverde verwijzingsstickers „Geen op of gegen het apparaatzetten" moeten in zakelijk gebruikte ruimten, zoals bijv. in hotelsvakantiehuisjes, scholen enz., goed zichtaar op het deksel van het apparaat worden geplakt.
1.4 Verzorging en onderhoud
Wonneer op de behuizing van het apparaat lichte bruine verkleuringen optreden, moeten deze waar möglichk onmiddelijk met een vochtige doek (met heet water en afwasmiddel) worden verwijderd.
Het apparaat moet in koude toestand met de gebruikelijkke onderhoudsmiddelen worden schoongemaaakt.
Het gebruik van schurende en bijtende onderhoudsmiddelen moet worden vermeden.
Geen reinigingsspray in de ventilatiegleuvel spuiten.
het ventilatiekanaal anschter het luchtafvoerrooster (5)要去ijdere tweeঠ aan vakman worden gecontroleerd. Hier kan in lichte mate vuilafzettingen voorkomen.
Geadviseerd wordt om tijdens regelmatig onderhoud ook de controle- en regelorganen te latent controeren. Op z'n laats 10aar na de eerste ingebruikstelling moeten veiligheids-, controle- en regelorganen alsmede het gehele op- en ontlaadsystemeem door een vakman worden gecontroleerd.
1.4.1 Reiniging van het pluizenfilter (afb. 3)
Het in het luchttoevoerrooster (6) aangebrachte pluizenfilter (7)要去 regelmatig worden schoongemaaakt, zodat het storingsvrijne ontladen van de warmteaccumulator is gewaarborgd. Bij een dichtgeslibd pluizenfilter worden de ventilatoren uitgeschakeld.
Het pluizenfilter als volgt schoonmaken:
Luchtinlaatrooster (6) aan de onderzijde maar voren van de snapveren aftrekken en door op te tiltenuit de bovenste vergrendeling losmaken;
- Het pluizenfilter met bijv. een schroevendraaieruit het rooster drukken en met borstel, stofzuiger of vergelijkbare hulpmiddelen schoonmaken;
Het pluizenfilter weer in het roosterplaatsen en over de noppen vast lately klikken;
- Bovenkant van het luchtinlaatrooster in de vastzetschroeven op de luchtgeleidingsmodelue hangen en daarna over de snapveren drukken (afb. 16).
1.5 Belangrijke aanwijzing

Deze aanwijzing zorgvuldig bewaren, bij eventuele verkoop van het apparaat aan de nieuwe eigenaar overhandigen.
Tijdens eventuale reparatiewerkzaamheden ter inzage aan de vakman geben.
Wat te doen wanner...?
| Voor de gebruiker | Voor de vakman | |
| · de warmte- accumulator nicht warm worden | controler of ... ... de keuzeschakelaar op stand 3 staat. ... in uw zekeringenkast de bijbehorende zekeringen defect+zijn of de aardlek-schakelaar is geactiveerd. Oorzaak verhelpen! Wonneer de warmteaccumulator op de waaropvolgende dag nog Niet is opgewarmd要去 u contact opnemen met een vakman. | controler of ... ... de aansturing van de verwarmingselementbeveiliging in orde is. ... spanning op de klemmen L1/L2/L3 staat. ... of de veiligheidstemperatuur-begrenzer (F1) is geactiveerd. |
| · de warmte- accumulator ook bij milde weersom-standigheden een buitengewoon hoge behuizingtemperatuur LaTeX zich. | controler of ... ... de ventilator met de thermostat kan worden ingeschakeld. Wonneer dit Niet het geval contact opnemen met de vakman. ... het pluizenfilter in het lucht-toevoerrooster verstocht is. De oorzaak overeenkomst punt 1.4.1 verhelpen! | controler of ... ... de thermostat is ingeschakeld en er spanning op de klem LE staat. ... of de ventilatoren draaien. ... de veiligheidstemperatuur-regelaar (N5,zie pagina 3, aflb. 1) in de luchtafvoer isuitgeschakeld. ... het besturingssignaal Z1 van de oplaadbesturing op klem A1/Z1 in de warmteaccumulator is ingeschakeld. |
2. Montagehandleiding
2.1 Technische specificaties

Hetplaatsen en de elektrische aansluiting moeten, met in acht neming van de montagehandleiding, door een vakman worden uitgevoerd.
| WSP 3510 N | WSP 5010 N | |
| Breedte „B" mm | 1130 | 1480 |
| Gewicht (met accumulatorenten) kg | 188,5 | 259 |
| Afstand „X" mm | 940 | 1290 |
| Aansluiting | 3/N/PE ~ 50 Hz 400 V / 3 x 230 + PE / 220 Vz + PE | |
| Vermogen kW | 3,5 | 5,0 |
| Berekend opladen kWh | 24,0 | 35,0 |
| max. opladen Pit kWh | 28 | 40 |
| Accumulatorenten | ||
| Aantal pakken (stenen) st. | 10 (20) | 14 (28) |
| Gewicht per steen kg | 142 | 199 |
| Aanvullende verwarming (speciale accessoires) | ||
| Vermogen kW | 1,0 | 1,5 |
2.2 Beschrijving van het apparaat (pagea 3, afb. 1)
1 Bedieningspaneel
2 Deksel
3 Zijwand rechts
4 Voorwand
5 Luchtafvoerrooster
6 Luchttoevoerrooster
7 Pluizenfilter
8 Binnenste voorwand
9 Accumulatiestenen
10 Afdekplaat
11 Warmte-isolatie
12 Vloerwarmte-isolatie
13 Mengluchtklep
14 Luchtkanaal
15 Kabeldoorvoer
16 Luchtgeleidingscomponent
17 Verwarmingselement
18 Ventilator
19 Veiligheidstemperatuurregelaar voor ontladen (N5)
20 Veiligheidstemperatuurregelaar voor opladen (N4)
21 Veiligheidstemperatuurbegrenzer (F1)
A1 Elektronische oplaadregelaar (pagina 11)
V4 Bedrijfs- en storingsmelding
X16 Besturingsignaalaanpassing 4-traps
X17 Gereduceerde oplaadgraad met 4 standen
2.2.1 Werkingswijze
De accumulatiestenen worden middels de:tussen de rijen accumulatiestenen liggende verwarmingselementen verwarmd. Met de oplaadregelaar (keuzeschakelaar afb. 17) worden het opladen traploos ingesteld.
Begin en duur van het opladen worden bepaald door de verantwoordelijke energieleverancier (nutsbedrijf) bepaald.
Twee ingebouwde veiligheidsthermostaten (19, 20) alsmede een veiligheidstemperatuurbegrenzer (21) voorkomen dat het apparaat oververhit raakt. Terwijl de veiligheidsthermostaten automatisch opnieuw inschaken, moet de veiligheidstemperatuurbegrenzer door devakman, door het indrukken van de in het midden van de begrenzer aangebrachte knop, na het verhelpen van de storing opnieuw worden ingeschakeld.
De op deze manier opgeslagen warmte worden dan met behulp van een ventilator, deels ook via het oppervlak van het apparaat, afgegeven. Hierbij worden de lucht in de ruimte door de ventilator (18) door het luchttoevoerrooster (6) aangezogen en door de luchtkanalen van de accumulatorentenen (9) geblazen, waarbij de lucht worden verwarmd.
Voordat de aldus verwarmde lucht via het luchtafvoerrooster (5) de ruimte instroomt, via twee mengluchtkleppen met koude lucht uit de ruimte gemengd, zodat de lucht die de ruimte instroomt de toelaaatbare maximum temperatuur Niet overschrijdt. De stand van de mengluchtkleppen en zodoende de mengverhouding van de lucht, worden met een bimetaalregelaar geregeld.
2.2.2 Aansluitvermögen reduceren
Door het omleggen c.q. verwijderen van bruggen op de aansluitklemmen kan het aansluitvermogen, dat af fabriek op 100% is ingesteld, in combinatie met een oplaadgraadreductie op de oplaadregelaar 3 vermogenstrappen (zie tabel) worden gereduceerd.
De afmetingen van de leidingdiameters en de beveiliging moeten overeenkomstig het maximaal möglichke vermogen van het apparaat worden uitgevoerd.

Een 1-fase aansluiting mag overeenkomstig de "Technische aansluitvoorwaarden" van de nutsbedrijf Niet worden uitgevoerd.
Oplaadgraad reduceren
Op de elektronische oplaadregelaar (A1) zit een stekkerbrug X17, waarme de oplaadgraad van het accumulatoragedeelte in combinatie met het veranderbare aansluitvermogen in 4 standen (positie I, II, III of IV) kan worden gekozen. Aanpassing van oplaadgraad met 4 standen (100 / 90 / 80 / 70%) . Af fabriek is een oplaadgraad van 100% (positie I) ingesteld.
Wanneer een stekkerbrug op een andere rij stiften worden gestoken, worden gederate de oplaadgraad gerealiseerd (de uitschakeltemperatuur van de elektronische oplaadregelaar worden verlaagd).
2.2.3 Elektronische oplaadregelaar
Storingsgedrag
De oplaadregelaar in het apparaat is af fabriek op een „positief storingsgedrag (80% PS)" ingesteld, d.w.z. dat het apparaat bij een defecte oplaadbesturing (bijv.uitvallen van het besturingssgnaal) volledig worden opgeladen.
Er kan op „negatif storingsgedrag, (de warmteaccumulator worden nicht opgeladen) worden omgeschakeld door de stekkerbrug X16 op positie 80% NS, te steken, wanneer het apparaat op een digitale oplaadbesturing is aangesloten.
Werking met oplaadbesturing
Nierbij要去rekening worden gehonden met de desbetreffende aanwijzingen in de gebruiks- en montagehandleiding van de oplaadbesturing.
Besturingsignaal
De elektronische oplaadregelaar kan op verschillende besturingsssignalen (ED) van besturingen worden aangesloten en kan zodoende ook in bestande installations worden geintegreerd.
Af fabriek is een AC-besturingssigmaal (wissenschaftsgesamal op de klemmen „A1" en „A2") met 80% ED ingesteld.
Door de stekkerbrug X16 anders te steken können andere ED-signalen (68/72 %, 37/40 %) worden gekozen. Dit is noodzakelijk wonneer het apparaat in een reeds aanwezige installmentie worden geintegreerd, die met de genoemde ED-signalen het opladen aanstuurt.
Aansluiting op DC-besturingssignaal (X3) (zie schakelschema pagina 18)
Wonneer in de installmentie een oplaadbesturing met DC-besturingssignaal (gelijkspanning 0,91V - 1,43V ) is geinstalleerd,要去 het besturingssignaal op af fabriek afgedekte besturingsklemen nDC + n (pluspool) en nDC - n (minpool) worden geklemd (let op de polariteit!).
Op de klemmen ^一DC + 一 en ^一DC - 一 mag geen 230 V AC-besturingssigmaal worden aangesloten.
Anders wordt de oplaadregelaar onherstelbaar beschadigd.



| Aansluitvarianten | ①100 % | ②91,6 % | ③83,3 % | ④75 % | ①100 % | ②91,6 % | ③83,3 % | ④75 % |
| Vermogensvarianten (kW) | ||||||||
| Model | 8h-verwarmingselement(standaard) | 6h-verwarmingselement(speciala accesaire) | ||||||
| WSP 3510 N | 3,5 | 3,21 | 2,92 | 2,63 | 4,9 | 4,49 | 4,08 | 3,67 |
| WSP 5010 N | 5,0 | 4,58 | 4,16 | 3,75 | 6,5 | 5,95 | 5,41 | 4,87 |
Bedrijfs- en storingsmeldingen (V4) op de elektronische oplaadregelaar
LED brandt, groen" geen storing
de oplaadregelaar werkkt zonder problemen.
LED brandt rood storing
a) De keuzeschakelaar voor opladen (R1) en/of de kernvoeler (B1) is defect of Niet.
aangesloten.
b) De stekkerbrug X17 voor de oplaadgraadreductie ontbreekt.
LED brandt, orange" Storing (alleen bij ingebouwde ontlaadregelaar)
a) De interne ontlaadregelaar (A2) is defect.
b) Dethermostat (B2) is defect of Niet aangesloten.
c) De keuzeschakelaar (R2) is defect of nicht aangesloten.
De temperatuur worden op ca. 22^ gehoden.
2.3 Voorschriften en bepalingen
- Let op de bijverpakte onderdelen in de verpakking van het apparaat!
- De bouwvoorschriften van het desbeteffende land要去en in acht worden genomen.
- Deplaats waar het apparaat worden geplaatst要去 voldoende draagkracht hebben.
In geval van twijfel要去 een bouwdekundige om advies worden gezvraagd (Zie de „Technische geevens“, voor het gewicht van de accumulatoraten). - De minimale aufstand tot aangrenzende objecten要去 worden aangehouden (afb. 2 en 2a).
- Alle elektrische aansluit- en installmentewerkzaamheden dieren te worden uitgevoerd conform de VDE-bepalingen 0100, de voorschriften van de verantwoordelijke elektriciteitsbedrijven en de betreffende nationale en regionale voorschriften.
- Het apparaat要去 een aanvullende voorziening met een scheidingstraject van minimaal 3mm over alle polen van het net kannen worden geschaden. Hiervoor kannen beveiligingen,zekeringen en dergelijk worden geinstalleerd.
- Een latere verhoging van het aansluitvermogen要去 door de verantwoordelijkere energieleverancier worden goedgekeurd. Wonneer de latere verhoging van het vermogen niet aan de energieleverancier worden gemeld, betekent het dat u contractbreuk pleegt.
- De bedrijfsmiddelen要去en geconstruereeerd voor het nominale verbruik van het apparaat.
- De gegevens op het typeplaatje van het apparaat要去en in acht worden genomen!
De aangegeven spanning要去 overeenstemmen met de netspanning. - Om de standveiligheid overeenkomstig VDE te konnen garanderen要去 de warmteaccumulator worden bevestigd.
2.4 Montageplaats
- in ruimten worden gebruikt die brand- of explosiegevaarlijk zijn door de aanwezigheid van chemicalien, stof, gassen of dampen;
- in de onmiddelijke nabijheid van leidingen of reservoirs worden gezruikt, die brandbare of explosives stoffen bevatten;
- worden gezruikt wonneer de minimale afstand tot aangrenzende objecten nicht in acht worden genomen.
In ruimten waarin uitlaatgassen, olie- en benzine enz. te ruiken, hunnen langdurige stank en eventueel verontreinigingen ontstaan.
PlaatsingswandPlaatsingswand
Er要去en gecontrolereid of een voldoende sterke wand voor de bevestiging van het apparaat beschikkaar is.
Wanner ge geschikte bevestigingswand beschikbaar is, moet het apparaat op de vloer worden bevestigd (rechtstreeks op de vloer of met een vloerbeugel [specialaaccessaire]).
VloerVloer
De vloer waarop het apparaat worden geplaatst moet vlak+zijn en voldoende draagkracht hebben, zodat de behuizing Niet krom trekt.
De temperatuurbestendigheid van de bevestigingswand moet minimaal 85^ bedragen, die van de vloer minimaal 80^ . De warmteaccumulatoren konnen opijdere gewone vloer worden neergezet, maar bij de onderstukken konnen bij PVC- en parketvloeren en ook bij tapijten met lange pool door de druk en de inwerking van de warmte veranderingen optreden. In deze geallen要去en warmtebestendige onderplaten worden gebruikt (terplaatse aan te schaffen).
2.5 Montage van het apparatus (afb. 3-14)
Om de standveiligheid overeenkomstig VDE te konnen garanderen要去 de warmteaccumulator met een wand- of vloerbevestiging (afb. 8) worden beevilidg.
Deoodzakelijke schroeven en pluggen voor de bevestiging van het apparaat worden Niet meegeleverd. Deze moeten, afhankelijk van het materiaal waaruit de desbetreffende wand is samengesteld, door de vakman worden gekozen en geleverd.
Wandbevestiging
In de hinterwand van het apparaat is in de buurt van de schakelruimte een gat aangebracht, waardoor het apparaat met een geschikte schroef aan een voldoende sterke wand kan worden bevestigd (afb. 8)
Voordat het apparaat worden bevestigd moet erop worden gelet dat de toegestane minimale afstand tot aangrenzende objecten worden aangehouden.
Vloerbevestiging
De vloerbevestiging gebeurt door de bodem van het apparaat aan de vloer vast te schroeven middels de vier gaten met een diameter van 9mm (zie voor de afmetingen „Technische gegevens", pagina 9).
Deze bevestiging kan alleen bij gedemonteerde luchtafvoer- en luchttoevoerroosters alsmede verwijderde ventilatorenchuiflade worden uitgevoerd.
2.5.1 Plaatsing van het apparaat (afb. 3-6)
- Luchtinaatrooster (6) aan de onderzijde maar voren van de snapveren aftrekken en door op te tillen uit de bovenste vergrendeling losmaken.
- Luchtafvoerrooster (5) met de beiden 1/4 -draaisluitingen losmaken en rooster erafhalen (afb. 3).
- De voorwand (4) met 2 schroeven aan de onderkant losdraaien (inwendige schroefdraadgaten), de voorwand aan de onderkant Lichtjes optillen en verwijderen (afb. 4). De binnenste voorwand met 2 schroeven aan de onderkant losdraaien, Lichtjes optillen en verwijderen (afb. 5).
- Demontage van de rechter bijwand (3): De draaiknop (a) verwijderen, schroeven (b1 en b2) aan de bijwand (3) losdraaien, de bijwand aan de achterkant een beetje aan de Kant trekken (c), waar voren drukken (d), optillen en verwijderen (afb. 6).
- Netaansluitleidingen alsmede aansluitleidingen voor op- en ontlaadregelaar door de opening in dechterwand van het apparaat (15) in het apparaat steken en, met inachtneming van punt 2.5.2 aansluiten (aansluitleiding ca. 260mm invoeren enaar behoefte inkorten, zodat deze Niet in de buurt van de ventilatiegleuvel in de zijwand kan komen te liggen);
- Het apparaat op de gewenste plaat neer zetten en aan de bevestigingswand (bijoodzakelijkke vloerbevestiging op de vloer) vastzetten.
- Afdekplaat (10), karton en bedieningsknop uit het interieur verwijderen (afb. 9). Het interieur要去 volledig ontdaan zijn van vreemde voorwerpen zoals verpakkingsresten e.d.
Warmte-isolatie op transportbeschadigingen controleren, eventueel verrangen.
Accumulatiestenenplaatsen (afb.10 en 11)
De accumulatiestenen worden afzonderlijk verpakt geleverd.
Accumulatiestenen met lichte transportbeschadigingen mogen worden gebruikt. De werkung van het apparaat worden daardoor Niet beinvoed.
Voor de bevestiging van de accumulatiestenen (9)要去en de verwarmingselementen (17) eenklein stukje worden opgetild (afb. 10).
De ersten accumulatiestenen met de kom voor het verwarmingselementaar boven toe op enige afstand tot de rechtter warmte-isolatie onder het verwarmingselementplaatsen en gegen zowel de rechter als de achesterste warmte-isolatie schuiven. De slobgaten vormen de verwarmingskanalen. Erijdens het optillen van de verwarmingselementen op letten dat de doorlopende gaten in de warmte-isolatie aan de zijkant Niet groter worden.
Als afsluiting de uit het interieur verwijderde afdekplaat (10) over de bovenste accumulatiestenen schuiven (afb. 12).
2.5.2 Elektrische aansluiting
De elektrische aansluitng van de verwarmingselementen gebeurt met 3 / N / PE 50Hz400V,3× 230V + PE of mono 230V
Een rechtstreekse aansluiting met NYM is ook möglichk. Het aantal voedingsleidingen en leidingaders alsmede de ledingdiameter zich afhankelijk van de aansluitwaarde van het apparaat en de wijze waarop het apparaat op het net is aangesloten, alsmede van de bijzondere voorschriften van de energieleverancier. Hierbij de bijbehorende schakelschema's in acht nemen.

Bij het aansluiten van het apparaat op een automatische oplaadbesturing kan er ook spanning op de klemmen A1/Z1 - A2/Z1 staan wonneer dezekeringen zich verwijderd!
Aansluiting
Bij de elektrische aansluitleidingen eventuele zorgen voor een trekontlasting en overeenkomstig het schakelschemain het apparaat (op de binnenkant van de rechter zichwand) of het aansluit-schemaaansluiten.
Wanner de in de schakelruimte geplaatste beugel voor het bevestigen van de netaansluitklemmen slecht toegankelijk is doordat aan de zijkant te weinig ruimte is overgelaten, dan kan, de beugel - nadat de schroef in dechterwand is losgedraaid (niet helemaal uitdraaien), de beugelijdens de aansluitwerkzaamheden maar voren worden gezwenkt.
Tijdens het opladen moet op de klem „L" van de klemmenstrip X2 spanning staan (230 V).

Wanner hieroor geen afzonderlijke voedingspanning beschikbaar is,Known klem "L1" en klem "L" met elkaar worden verbonden. In dit geval要去ek de klem "N" van de klemmenstrip X2 met klem "N" van de klemmenstrip X1 worden verbonden(alleen möglichk bij op wandgemonteerde thermostat).
De aansluiting van de aardleider要去ndereer goed zin!
De leiding maar de aansluiting van een DC-besturingssignaal要去 voor de aansluiting binnenin het apparaat vanaf de trekontlasting tot de aansluitklem met een isoleerslang worden overtrokken!
Aansturing zonder verwarmingsbeveiliging
Wanner ge verwarmingsbeveiliging wordt geinstalleerd (deels door energieleverancier vereist), kan het af fabriek in de warmteaccumulator ingebouwde thermorelais worden gebruikt.
Daarvoor moet hetzij de nutsbedrijf-signalen „LF" en „N" of de signalen „SH" en „N" van de afzonderlijke oplaadbesturingrechtstreeks op de klemmen „L-SH" en „N" van de warmteaccumulator worden aangesloten. De in het aansluitschemat met * gemarkeerde aanwijzingen要去en hierbij inacht worden genomen.

Bij aansturing zonder verwarmingsveilgheid de bruggen (L) - (L-SH) en (N) - (N) verwijdenen

De verwarmingselementen in het apparaat worden pas ingeschakeld wanner de LF-vrijgave van de nutsbedrijf heeftplaatsgevonden en de elektronische oplaadregelaar het opladen vrij geeft.
Voor de werkung met „enkeldraadsbesturing" **要去 een brug:tussen „N" en „A2/Z2" worden gemaakt.
Aanpassing van het vermogen overeenkomstig de nominale oplaadduur
Door het omleggen c.q. verwijderen van bruggen op de aansluitklemmen kan het aansluitvermogen op de door de nutsbedrijf bepaalde nominale oplaadduur worden aangepast.
| Uitvoering van de warmteaccumulator | 8h (standaard) | 6h (verwarmingselement) | |||||
| Nominate oplaadduur | 7h | 8h | 9h | 10h | 5h | 6h | 7h |
| Aansluitvarianten (kW) Model | ① | ② | ③ | ④ | ① | ② | ③ |
| WSP 3510 N | 3,5 | 3,21 | 2,91 | 2,63 | 4,9 | 4,49 | 4,08 |
| WSP 5010 N | 5,0 | 4,58 | 4,16 | 3,75 | 6,5 | 5,95 | 5,41 |




Typeplaatje van het apparaat
De markingering op het typeplaatje en het schakelschema in acht nemen!
Na de elektrische aansluiting moet het bij het aansluitvermogen en de nominale oplaadduur van het apparaat horende vierkantje met een wisbestendige ballpoint worden gemarkeerd.
2.5.3 Apparaat bedrijfsklaar
Het apparaat schoonmaken (afb. 13 en 14)
Het open apparaat要去 na het opstellen en de bevestiging van de accumulatorentenen worden schoongemaaakt.
Hiervoor要去en de ventilatoren en het luchtgeleidingscomponent worden gedemonteerd. Het luchtgeleidingscomponent (16) losschroeven en waar buiten trekken.
- De ventilator (18) na het losdraaien (niet volledig uittdraaien) van de voor aan de bevestigingsbeugels zittende schroeven optillen en uittrekken (let op de kabels!). bij enkele apparaten要去 hiervoord temperatuurregelaar - ontlading (19) iclusief de bevestigingsplaat worden losgeschroefd.
Bij het neerleggen van de gedemonteerde onderdelen要去 erop worden gelet dat de draden Niet beschadigd worden.
- Bodemplaat en ventilator schoonmaken (de lamellen nicht beschadigen!). Daarna de ventilator, eventueel de temperatuurbegrenzer alsmede het luchtgeleidingscomponent weer monteren (let er op dat de kabels verlegd worden!).
Het apparaat sluiten (afb. 15 en 16)
- De binnenste voorwand met warmte-isolatie ie'schuin waar voren gedraaid aan de bovenkant inhangen en met 2 schroeven aan de onderkant vastschroeven;
- De rechter zijwand aan de onderkant inhangen enaar boven Tuimelen, aan de bovenkant inhangen en met de 2 schroeven (b1 en b2) bevestigen; (zie voor omgekeerde volgorde 2.5.1 - Demontage rechter zijwand aflb.6)
- De voorwand aan de bovenkant inhangen, onder tegen het apparaat zwneken en met 12 schroeven bevestigen (hierbij steeds de inwendige schroefdraadgaten gebruiken) (afb. 15);
Luchtafvoerroster (5) met de beiden 1 / 4 -draaisluitingen aantrekken (afb. 16). - Bovenkant van het luchtinlaatrooster in de vastzetschroeven op de luchtgeleidingsmodelue hangen en daarna over de snapveren drukken (afb. 16).
Aansluitschema...
... bij geintegreerde thermostat RTi 102 E/RTi 103 EP

... bij wandgemonteerde thermostaten

... bij warmte accumulator-verbängung „oud-nieuw" met wandgemonteerde thermostat en ontbrekende dagstroomvoeding

2.6 Eerste inbedrijfstelling

Kortsluitgevaar oplaadregelaar
Wanner op de thermorelaiscontacten de spanning worden gemeten worden bij massasluiting - weglijk den van de meetvoelers - de oplaadregelaar onhersteltaar beschadigd.
Het controlelampje brandt dan weliswaar nog steeds "groen"!
2.6.1 Werkingscontrole
De werking van de ventilator voor het accumulatordeel door het inschaken van dethermostat controlleren.
2.6.2 Opladen
De apparaten können na een succesvolle werkingscontrole zonder eerste opwarming in gebruik worden genomen. Het opladen geleurt hetzij met de hand met de insteller van de elektronische oplaadregelaar of automatisch met de beschikbare Elfamatic-oplaadbesturing.
Tijdens het voor de eerste koer opladen moet het opladen in kWh worden vastgesteld en met de in de „Technische gegevens" aangegeven maximaal toelaatbare waarde in koude toestand worden vergeleken. Deze vastgestelde waarde mag de maximaal toelaatbare waarden van het opladen in koude toestand Niet overschrijden.

Tijdens de eerste keer opladen kan een vreemde geur optreden. Op grond waarvan moet de ruimte in voldoende mate worden geventileerd (1,5-voudige luchtverversing, bijv. met geTuimelde ramen). Het voor de eerste keer opladen mag in een slaapkamer Niet, s nachts worden uitgevoerd.
2.7 Reparatie, ombouwen van het apparaat
Wanner een apparaat naijdens een reparatie gedemonteerd te zich geweest, of wanner deze reeds op een andere plaat in gebruik is geweest, moet net als bij de eerste inbedrijfstelling en overeenkomstig.Deze montagehandleiding tewerk worden gegaan.
In deze gevalen moet in het bijzonder worden gelet op het onderstaande: Delen van de warmte-isolate, waaraan schade of wijzigingen zich te herkennen, die van invloed zich op de veiligheid,要去en door neue worden verrangen. Voor de inbedrijfstelling moet de isolatiecontrole en het meten van het nominale verbruik worden gemeten.
2.1.1 Ombouwen van het apparaat
voor ombouw-, aanbouw- en inbouwwerkzaamheden is de met het desbeteffende component meegeleverde handleiding maatgevend.
2.8 Aflevering
Leg de gebruiker de functies van het apparaat uit. Maak hem of haar in het bijzonder attent op deeiligheidsvoorschriften.
Geef de gebruiker de gebruiks- en montagehandleiding.

Symbolen op het typeplaatje
(bijvoorbeeld WSP 5010 N)

Totaal gewicht

Opladen

Ontladen

Aanvullende verwarming

Ventilator
Schakelschema WSP 3510 - 5010 N
A1: Elektronische oplaadregelaar
B1: Kerntemperatuurvoeler - opladen
E1 - E6: Verwarmingselement (accumulator)
F1: Veiligeidtemperatuurbegrenzer
F2: zekering (250V 2A traag)
K1: Thermorealis
M1 - M3: Ventilator ontladen
N4: Temperatuurbegrenzer - opladen
N5: Temperatuurbegrenzer - ontladen
R1: Regelaar - opladen (keuzeschakelaar)
V4: Controleampje werkungoodwerking
X1: Netaansluitklemmen
X2: Aansluitklemmen
X3: DC-aansluitklem 0,91 - 1,43 V
X16: Besturingsignaalaanpassing 4-traps
X17: Vermogensreductievoorziening 4-traps
Speciale accessoire
worden Niet meegeleverd, bij inbouw de desbetreffende accessoires aankruisen
Geintegr.thermostat 2-punts
Geintegr.thermostat proportioneel
A2: Elektronische ontlaadregelaar
B2: Temperatuurvoeler ontladen
R2: Regelaar - ontladen (keuzeschakelaar)
S2: AAN/UIT-schakelaarthermostat
Aanvullendeverwarming
E8:Aanvullende verwarming
N2: Temperatuurregelaar - aanvullende verwarming
N3: Temperatuurregelaar - aanvullende verwarming
S1: AAN/UIT-schakelaar - aanvullende verwarming
Tijdens het inbouwen van de aanvullende verwarming (E8) het toegestane schakelvermogen van dethermostat in acht nemen!

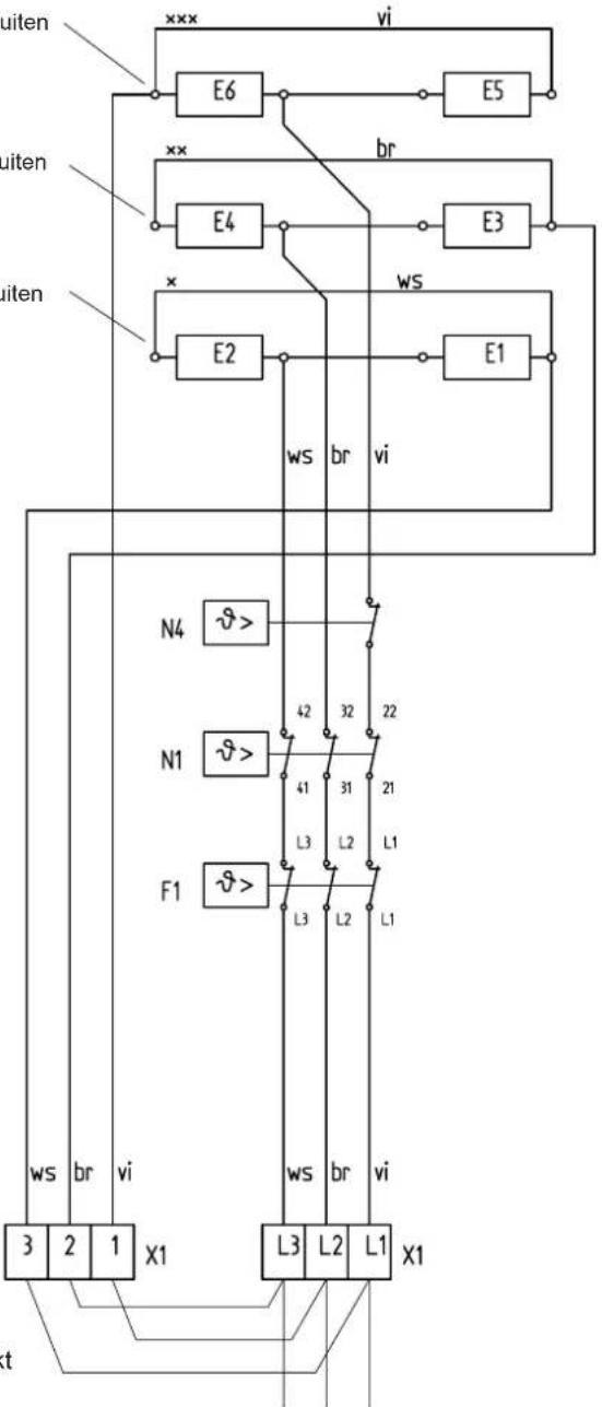
Attentie! Bij 3/PE AC 50 Hz 230 V netvoeding
Het isoodzakelijk dat de originele bedrading van de accumulator worden omgezet!
Elektrisch schema voor 3/PE AC 50 Hz 230 V
Het is noodzakelijk dat de originele bedrading worden omgezet!
xxx Draad vi van E2 lostrekken en op E6 aansluiten
xx Draad br van E6 lostrekken en op E4 aansluiten
x Draad ws van E4 lostrekken en op E2 aansluiten

3/PE AC 50 Hz 230V
E1 - E6:Verwarmingsegmente
F1: Veiligheidstemperatuurbegrenzer
N1: Temperatuurbegrenzer -verwarming
N4: Temperatuurbegrenzer -verwarming
X1: Aansluitklem netvoeding
Bruggen moeten terplaatse worden gemaakt
3 Garantie
Aanssprak op garantie bestaat uitsluitend in het land waar het materiaal gekocht is. U dient zich te wenden tot de vestiging van AEG of de importeur hiervan in het betreffende land.

De montage, de elektrische installmentie, het onderhoud en de eerste inbedrijfname mag uitsluitend worden uitgevoerd door een gekwalificeerd persoon.
De fabrikant is nicht aansprakelijk voor defecte toestellen, welke Niet volgens de bijgeleverde gebruiks- en montageaanwijzing�n aangesloten of worden gebruikt.
3.1 Milieu en recycling
Wij verzoeken u ons bij de bescherming van het milieu behulpzaam te zijn. Verwijder de verpakking waarom overeenkomstig de voor de afvalverwerking geldende nationale voorschriften.
Verwijden van transportverpakkingen en oude apparaten
Het verwijderen van oude apparaten dient correct an adequate volgens deplaatselijk geldende voorschriften en wetten te geschieden. De recycling van oude toestellen moet steeds vakkundig en volgens de ter plaatse geldende voorschriften en wetgeving plaats vinden.
Stiebel Eltron Nederland b.v.
Daviottenweg 36
SimpelGids