WSP 5010 N - Chauffage AEG - Notice d'utilisation et mode d'emploi gratuit
Retrouvez gratuitement la notice de l'appareil WSP 5010 N AEG au format PDF.
| Caractéristiques | Détails |
|---|---|
| Type d'appareil | Contrôle climatique |
| Capacité de déshumidification | Non spécifié |
| Consommation énergétique | Non spécifié |
| Niveau sonore | Non spécifié |
| Dimensions (L x P x H) | Non spécifié |
| Poids | Non spécifié |
| Fonctionnalités supplémentaires | Non spécifié |
| Utilisation recommandée | Pour le contrôle de l'humidité dans les espaces intérieurs |
| Maintenance | Nettoyage régulier des filtres recommandé |
| Précautions de sécurité | Éviter l'exposition à l'eau, ne pas couvrir les aérations |
| Garantie | Non spécifié |
FOIRE AUX QUESTIONS - WSP 5010 N AEG
Téléchargez la notice de votre Chauffage au format PDF gratuitement ! Retrouvez votre notice WSP 5010 N - AEG et reprennez votre appareil électronique en main. Sur cette page sont publiés tous les documents nécessaires à l'utilisation de votre appareil WSP 5010 N de la marque AEG.
MODE D'EMPLOI WSP 5010 N AEG
Accumulates thermique
Serie basse
Notice d'utilisation et de montage
Warmte accumulator
lage série
- Notice d'utilisation A l'intention de I'u
1.1 Description of l'apparcil 1.3 Commande
| 1.2 Commande | 37 |
| 1.3 Consignes de sécurité | 38 |
| 1.4 Entretien et maintenance | 38 |
| 1.5 Remarque importante | 39 |
| Que faire si ...? | 39 |
- Notice de montage A l'intention de I'in
| 2.1 Caracteristiques techniques | 40 |
| 2.2 Description de l'apparcel | 41 |
| 2.3 Consignes et réglementations | 43 |
| 2.4 Montage | 43 |
| 2.5 Montage de l'appareil | 44 |
| 2.6 Première mise en service | 48 |
| 2.7 Résparation, modification de l'apparcel | 48 |
| 2.8 Remise à l'utilisateur | 48 |
| 3. Garantie | 51 |
| 3.1 Environnement et recyclage | 51 |















11 12
寸
1.1 Description de l'appareil
Les accumulateurs thermiques permettent d'emmagasin la chaleur produit par le courant électricque au cours des plagesHoraires à tarif réduit (en fonction de l'opérateur énergétique, la plupart du temps pendant la nuit). Cette chaleur est ensuite restitue sous forme d'air chaud par le biais d'un ventilateur ou, dans une moindre mesure, par la surface de l'appareil en fonction de la température souhaïée.
1.2 Commande de l'appareil
L'appareil est commandé à partir du panneau de commande (1) situé sur la paroi latérale droite (ill. 1).
1.2.1 Accumulation de chaleur
Le niveau d'accumulation de la chaleur (charge) est choisi à l'aide du selecteur (ill. 17).
Il faut ici faire la distinction entre le fonctionnement des accumulateurs thermiques avec ou sans gestion centralisée de la charge en fonction des conditions atmosphériques (explications dans la suite du texte).
En l'absence d'une gestion centralisée de la charge en fonction des conditions atmosphériques (mode manuel, ill. 18), régler le sélecteur comme suit :
1 = période de transition (printemps/été) - correspond à env. 1/3 de la charge totale
2 = hiver doux - correspond à env. 2/3 de la charge totale
3 = hiver - correspond à la charge totale
Après une courte période de familiarisation, vous trouvez facilement le réglage qui vous convient.
Avec une gestion centralisée de la charge en fonction des conditions atmosphériques (mode automatique), le selecteur doit se couver en position 3. C'est alors la gestion de la charge en fonction des conditions atmosphériques qui veillera à la charge appropriée.
Toutefois, la présence de la gestion de la charge n'empêche pas le recours à l'adaptation manuelle au moyen du sélecteur (a) pour assurer un réglage modulé des accumulateurs thermiques individuels.
1.2.2 Emission de chaleur
L'émission de chaleur (décharge) est réglée par un thermostat d'ambiance AEG (accessoire en option) mural ou intégré à l'apparil.
Régler la température souhaitee au thermostat d'ambiance qui, a sont tour module automatiquement l'émission de chaleur par le biais du ventilateur, de maniere à étabir une température constante.
Les jours de grand froid, il est conseilé de laisser fonctionner le thermostat d'ambiance en cas d'une absence prolongée de manière à十年er la température de la piece à env. 10^ et à protégger ainsi le bâtement ou la piece contre le refroidissement (hors-gel).
1.3 Consignes de sécurité
L'appareil ne doit pas
- être exposé à la poussière, aux produits chimiques, aux gaz ou aux vapeurs représentant un risque d'incendie ou d'explosion ;
- se trouver à proximé immediate de conduites ou de recipients contenant des produits inflammables ou explosifs ;
- être utilisé à une distance inférieure aux distances minimales imposées par rapport aux objets proches.
- Le montage (installation électrique) ainsi que la première mise en service et la maintenance de cet apparéil doivent être effectués par un spécialiste/agréé conformément aux générées instructions.
- Il ne faut enaucun casutilier l'appareil lorsque des travaux de pose, de ponçage, de vitrification, de nettoyage à l'essence ou d'entretien (aerosol, encaustique) des sols ou similaires sont effectués dans la même piece. Avant la charge, veiller à aérer convenablement la piece.
- Les surfaces du corps de l'appareil ainsi que la grille de sortie d'air peuvent atteindre des températures supérieures à 80 °C. C'est pourquoit il est interdit de poser sur l'appareil ou à proximite imédiate des objets combustibles, inflammables ou isolants pas plus que des tissus, que ce soit du linge, des couvertures, du papier, des recipiens replis d'encaustique ou d'essence, des bombes aérosol ou similaires. Ne jamais faire sécher de linge sur l'appareil. Risque d'incendie!
- Pour les objets de toute nature comme par ex. les meubles, ridesaux et textiles ou autres matieres inflammables ou non, veiller à respecter les distances minimales suivantes par rapport à l'appareil, notamment à la grille de sortie d'air (ill. 2):
- par rapport à la grille de sortie d'air 500mm - par rapport à la paroi latérale droite pour le montage 100mm - par rapport à la paroi latérale gauche 70mm - par rapport à la paroi latérale gauche lorsque 2 accumulateurs
- se trouvent l'un à côté de l'autre 100mm - par rapport au capot (ex. rebord de fenêtre) 50mm - par rapport au capot (rideaux, voilages, matériaux inflammables) 100mm - L'air chaud doit pouvoir être evacué sans encombre (ill. 19)!
- Dans les locaux à usage professionnel (hoteIs, residences de vacances, ecoles, etc.), apposer I'autocollant joint au present mode d'emploi « Ne rien poser ou appuyer contre cet apparieil » de maniere bien visible sur le capot de I'appareil.
1.4 Entretien et maintenance
S'il apparait de lagères taches brunâtres à la surface de l'appareil, les faire disparaitre le plus rapidement possible à l'aide d'un chiffon humide (avec de l'eau chaude et du produit de vaissette).
Attendre que l'appareil soit froid pour le nettoyer avec un produit d'entretien d'usage courant. Ne pas utiliser de produits abrasifs.
Ne pas introduire de produit en bombe aerosol dans les fentes d'airation.
Faire vérifier tous les deux ans le canal d'aération situé derrière la grille de sortie d'air (5) par un spécialiste. Cet endroit est susceptible de s'encrasser légarement.
Il est conseilé de profiter de la maintenance régulière pour faire vérifier les organes de contrôle et de réglage. Les organes de sécurité, de contrôle et de réglage ainsi que l'ensemble du système de gestion de la charge et de la décharge doivent être vérifiés par un spécialiste au plus tard 10 ans après la première mise en service.
1.4.1 Nettoyage du filtré (ill. 3)
Le filtré (7) de la grille d'entrée d'air (6) doit être nettoyé régulièrement pour que la décharge de l'accumulateur de chaleur puisse se faire sans problème.
Par contre, si le filtré est encrassé, les ventilateurs s'arrêtent.
Pour nettoyer le filtrre, proceder comme suit :
- enlever la grille d'entrée d'air (6) à la face inférieure vers l'avant en les dégageant des ressorts à déclic et les detacher par soulevvement hors du verrouillage supérieur;
- séparer le filtré de la grille avec un tournevis par ex. et le nettoyer avec unerosse, un aspirateur ou similaire ;
replacer le filtré dans la grille et l'insérer dans les encoches ; - accrocher l'arête supérieure de la grille d'entrée d'air dans les vis de blocage au module de guidage d'air et la presser ensuite en bas sur les ressorts à déclic (ill. 16).
1.5 Remarque importante

Conserver avec soin ce mode d'emploi pour pouvoir le remettre, le cas échéant, au nouveau propriétaire.
LeMETRàdispositiondu specialistecharge d'effectuer l'entretien de I'appareil.
Que faire si ... ?
| A l'intention de l'utilisateur | à l'intention du spécialiste | |
| • l'accumulateur ne se réchauffe pas | Vérifier si ... ... le sélecteur est en position 3. ... les fusibles correspondant logés dans le boîtier à fusibles sont défectueux ou si l'inter-rupteur de protection contre les courants de court-circuit est intervenu. Remédier à ce problème! Si l'accumulateur n'est pas encore chaud le lendomain, appeler un spécialiste. | Vérifier si ... ... la commande du disjoncteur des éléments chauffants fonctionne convenablement. ... les bornes L1/L2/L3 sont sous tension. ... le limiteur de température (F1) est activé. |
| • la température du corps de l'accumulateur est anormalement élevé même en cas de température extérieure douce | Vérifier si ... ... la soufflante est activée par le thermostat d'ambiance. Dans le cas contraire, faire appel à un spécialiste. ... le filtrte de la grille d'entrée d'air est bouché. Remédier à ce problème selon le point 1.4.1! | Vérifier si ... ... le thermostat d'ambiance est activé et si la borne LE est sous tension. ... les soufflantes tournent. ... le régulateur de température (N5, voir page 3, ill. 1) de la sortie d'air est hors circuit. ... le signal de commande Z1 du module de gestion de la charge a été reçu à la borne A1/Z1 de l'accumulateur |
2. Instructions de montage
2.1 Caracteristiques techniques

L'installation et le raccordement électrique doivent être effectués par un spécialiste conformément aux générées instructions de montage.
| WSP 3510 N | WSP 5010 N | |
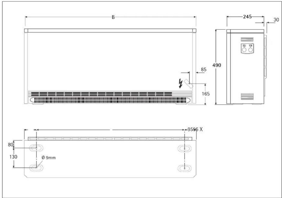
| Largeur « L » mm | 1130 | 1480 |
| Poids (avec les pierres) kg | 188,5 | 259 |
| Distance « X » mm | 940 | 1290 |
| Raccordement | 3/N/PE ~ 50 Hz 400 V / 3 x 230 + PE / 220 Vz + PE | |
| Puisance kW | 3,5 | 5,0 |
| Charge de mesure kWh | 24,0 | 35,0 |
| Charge maxi. PH kWh | 28 | 40 |
| Pierres d'accumulation | ||
| Nbre de paquets (pierres) Unité | 10 (20) | 14 (28) |
| Poids des pierres kg | 142 | 199 |
| Chauffage auxiliaire (accessoire en option) | ||
| Puisance kW | 1,0 | 1,5 |
2.2 Description de l'appareil (page 3, ill. 1)
1 Panneau de commande
2 Capot
3 Paroi laterale droite
4 Paroi avant
5Grille de sortie d'air
6Grille d'entree d'air
7 Filtre
8 Paroi avant interne
9 Pierres d'accumulation
10 Tôle de recouvrement
11 Isolation thermique
12 Isolation thermique du fond
13 Buse
14 Canal d'air
15 Passe-cable
16 Canaux de circulation de l'air
17 Elément chauffant
18 Soufflante
19 Regulateur de tempéature - Décharge (N5)
20 Regulateur de temperature - Charge (N4)
21 Limiteur de temperature (F1)
A1: Regulateur electronique de charge (page 11)
V4: Témoin de fonctionnement/dysfonctionnement
X16 Adaptation du signal de commande en 4 étapes
X17 Reducteur du niveau de charge en 4 étapes
2.2.1 Fonctionnement
Les pierres d'accumulation sont rechauffees par les éléments chauffants places entre les rangiées de pierres. La charge est régée en continu à l'aide du régulateur de charge (selecteur, ill. 17)
Le démarrage et la durée de la charge sont déterminés par l'opérateur énergétique concerné.
Deux réguleurs de température (19, 20) ainsi qu'un limiteur de température (21) empêchent une surchauffe de l'appareil. Alors que les réguleurs de température se remettent en marche automatique, le limiteur de température sera réactivé par le spécialiste après réparation par pression exercée sur le bouton situé au centre du limiteur.
La chaleur accumulée est ensuite diffusée par la soufflante mais également par la surface de l'appareil. L'air est en effet aspiré par la soufflante (18) à travers la grille d'entrée d'air (6) avant d'être insufflé dans les canaux des pierres d'accumulation (9) où il se rechauffe.
Avant de sortir par la grille de sortie d'air (5), l'air chaud est mélange à de l'air moins chaud passant par deux buses d'air de manière à ce que la température de l'air-sortant ne soit pas supérieure à la température maximale autorisée. La position de la buse et, par conséquent, la proportion du mélange est réglée par un régulateur bilame.
2.2.2 Reduction de la puissance absorbée
En déplaçant ou enlevant des cavaliers sur les bornes, il est possible de réduire de 3 niveaux (voir tableau) la puissance absorbée réglée à l'usine au niveau maximum en diminuant le niveau de charge sur le régulateur.
La dimension des sections de cables et les fusibles doivent être choisis en fonction de la puissance maximale possible de l'appareil.

D'après les « Directives techniques de raccordement » de l'opérateur énergétique, il ne doit pas y avoir de raccord monophasé.
Réduire le niveau de charge
Le cavalier X17 se trouvant sur le régulateur de charge électronique (A1) permet de sélectionner le niveau de charge de l'élément d'accumulation en relation avec la puissance de raccordement modifiable en 4 étapes (Positions I, II, III ou IV). Adaptation du niveau de charge en 4 étapes (100 / 90 / 80 / 70%). Le réglage à l'usine est de 100 % (Position I).
Si un cavalier est place sur une autre rangée de broches, il en résultat un abaisissement du niveau de charge (la température de mise hors circuit du régulateur de charge électronique diminue).
2.2.3 Regulateur de charge electronique
Dysfonctionnement
Le régulateur de charge de l'appareil est régèle à l'usine sur « dysfonctionnement positif (80 % PS), c'est-à-dire qu'en cas de panne de la programmation de la charge (ex. absence de signal de commande), l'appareil est tout de même charge en totalité.
On peut passer en « dysfonctionnement négatif » (pas de charge de l'accumulateur de chaleur) en déplaçant le cavalier X16 sur la Position « 80 % NS » si l'appareil est branché sur une programmation numérique de la charge.
Fonctionnement avec gestion de la charge
Tenir compte des remarques correspondantes dans le mode d'emploi et les instructions de montage de la gestion de la charge.
Signal de commande
Le régulateur de charge électronique peut être branché sur différents signaux de commande (ED = durée de mise en circuit), ce qui permet de l'intégrer à des installations existantes.
Il est reglé à l'usine sur un signal de commande CA (signal de courant alternatif aux bornes « A1 » et « A2 ») avec 80 % de durée de mise en circuit. D'autres signaux de durée de mise en circuit (68/72, 37/40 %) peuvent être sélectionnés par déplacement du cavalier X16. Ceci est nécessaire lorsqu'el'articleil est intégré dans une installation existante qui gère la charge au moyen de l'un des signaux de durée de mise en circuit évoqués.
Raccordement au signal de commande CC (X3) (voir schéma électrique page 18)
Si I'ssation est equipee d'une gestion de la charge a signal de commande CC (courant continu 0,91V - 1,43V) , le signal de commande doit etre branché sur les bornes de commande + (pole positif) et « CC-» (pole negatif) (tenir compte de la polarite !) recouvertes à l'usine.
Le signal de commande 230 V CA ne doit pas etre branché aux bornes «CC+» et « CC-» . Cela risquerait d'endommager le regulateur de charge.

Affichage de fonctionnement et de dysfonctionnement (V4) du régulateur de charge électronique
LED « verte » pas de dysfonctionnement le régulateur de charge fonctionne correctement.
LED « rouge » ⇒ dysfonctionnement
a) Le sélecteur de charge (R1) et/ou le capteur interne (B1) est défectueux ou débranché.
b) Le cavalier X17 servant à abaisser le niveau manque. La charge n'a pas lieu.
LED « orange » ⇒ dysfonctionnement (uniquement avec un régulateur de décharge intégré) a) le régulateur interne de décharge (A2) est défectueux.
b) le capteur de température ambiente (B2) est défectueux ou débranché.
La charge n'a pas lieu.
c) le sélecteur de décharge (R2) est défectueux ou débranché.
La température ambiente est régée sur env. 22^
2.3 Consignes et réglementations
- Tenir compte de tout ce qui se trouve dans l'emballage!
- Respecter la reglementation concernant lesBATIMETS et les garages du pays concenre.
- La surface d'installation doitprésenter une portance suffisante.
En cas de doute, faire appel à un expert en batiments (poids de l'accumulateur de chaleur voir « Caracteristiques techniques »).
- Respecter les distances minimales par rapport aux objets proches (ill. 2 et 2a).
- Tous les travaux de raccordement et d'installation electriques doivent être effectués selon les directives VDE (0100), les consignes de l'opérateur énergétique et les directives nationales et régionales.
- L'appareil doit pouvoir être déconnecté du réseau sur tous les pôles par un dispositif supplémentaire doté d'une distance de coupure de 3 mm minimum. A cet effet, on peut utiliser des disjoncteurs, des fusibles etc.
- L'augmentation ultérieure de la puissance absorbée doit faire l'objet d'une nouvelle autorisation de l'opérateur énergétique. Si l'augmentation ultérieure de la puissance n'est pas signalée à l'opérateur énergétique, cela équivaut à une violation du contrat de fourniture de courant.
- Les moyens d'exploitation doivent être adaptations à la consommation nominale des apparêls.
- Tenir compte des indications figurant sur la plaque signalétique de l'appareil! La tension indiquée doit concorder avec la tension du réseau.
- Pour satisfaire aux exigences VDE relatives à la sécurité d'installation, l'appareil doit être fixé.
2.4 Site de montage

L'appareil ne doit pas
- être exposé à la poussière, aux produits chimiques, aux gaz ou aux vapeurs représentant un risque d'incendie ou d'explosion ;
- se trouver à proximé immediate de conduites ou de recipients contenant des produits inflammables ou explosifs ;
- être utilisé à une distance inférieure aux distances minimales imposées par rapport aux objets proches.
Dans les pieces dans lesquelles il se dégage des gaz d'échévement, des odeurs d'huile ou d'essence, il peut se former des mauvaises odeurs persistantes et il y a, le cas échéant, des risques d'encrassement.
Mur d'installation
Vérifier si la force portante du mur est suffisante pour supporter l'appareil.
S'il n'y a pas de mur ajustat, l'appareil doit etre instalé au sol (vissage direct au sol ou par l'intémediaire d'un socle [accessoir en option]).
Plancher
La surface d'installation de l'appareil doit être plane etprésenter une force portante suffisante de manière à éviter toute déformation du corps de l'appareil.
Il faut garantir une résistance minimale à la température d'au moins 85^ au mur d'installation et d'au moins 80^ au plancher. Les appareils peuvent être installés sur tous les sols ordinaires, mais il faut toute fois tener compte du fait que des modifications peuvent surgir au niveau des patins sur les sols en PVC, les parquets, les tapis à poils longs, sous l'effet du poids et de l'action de la chaleur. Il convient alors de recourir à des cales thermostables (non comprises dans la fourniture).
2.5 Montage de l'appareil (ill. 3-14)
Pour répondre aux exigences VDE relatives à la sécurité du site d'installation, l'accumulateur de chaleur doit être maintainu par une fixation murale ou au sol (ill. 8).
Les vis et les chevilles nécessaire à la fixation de l'appareil ne sont pas comprises dans le volume de la fourniture. Elles doivent être choisisies et fournies par l'installateur en fonction du matériel constitutif du mur.
Fixation murale
A l'arrière de l'appareil, à proximé du boitier de commande, un trou a été prévu pour recevoir une vis de fixation à un mur porteur approprié (ill. 8).
Avant de fixer l'appareil, veiller à respecter les distances minimales autorisées par rapport aux objets proches.
Fixation au sol
La fixation au sol est effectuee par vissage du fond de l'appareil a travers 4 orifices de 9mm de diametre (cotes voir « Caracteristiques techniques », page 9)
Ce type de fixation n'est possible que si les grilles de sortie et d'entrée d'air et le tiroir du ventilateur ont ete retires.
2.5.1 Installation de l'appareil (ill. 3-6)
- Enlever la grille d'entrée d'air (6) à la face inférieure vers l'avant en les dégantage des ressorts à déclic et les detacher par soulevvement hors du verrouillage supérieur.
- Desserrer la grille de sortie d'air (5) avec les deux verrouillages 1/4 de tour et enlever la grille (ill. 3).
- Desserrer (trous internes) 2 vis du bas de la paroi avant (4), soulever légèrement la partie inférieure de la paroi avant et la retirer (ill. 4). Desserrer 2 vis du bas de la paroi avant interne, la soulever légèrement et la retirer (ill. 5).
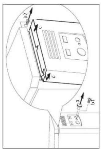
- Demontage de la paroi latorale droite (3): Déposer le/selecteur (a), desserrer la vis (b1 et b2) de la paroi latorale (3), à l'arrière tirer légrement la paroi latorale sur le côte (c), pousser vers l'avant, en haut faire basculer sur le côte (d), soulever et retirer (ill. 6).
- Brancher les cables de raccord au secteur ainsi que les cables de raccordement du régulateur de charge et de décharge en les introduisant par l'orifice dans la paroi arrêté de l'appareil (15) tout en tenant compte de l'énoncé du point 2.5.2 (décaler le cable de raccordement d'env. 260~mm , le raccourcir au besoin de manière à ce qu'il ne touche pas les fentes d'aération de la paroi latérale);
- Placer l'appareil à l'emplacement prévu et le visser au mur de fixation (au sol, si la fixation au sol est nécessaire).
- Retirer la tôle de recouvrement (10), le replissage en carton et le bouton de commande se trouvant à l'intérieur (ill. 9). L'intérieur de l'appareil doit être entièrement exempt de corps étrangers tels que résidus d'emballage, etc.

Vérifier que l'isolement thermique de l'appareil n'a pas ete endommagee au cours du transport, la replacer si neccasseire.
Mise en place des pierres d'accumulation (ill. 10 et 11)
Les pierres d'accumulation sont livrées dans un emballage séparé.
Les pierres d'accumulation légèrement endommagées au cours du transport peuvent être utilisées. Cela n'aure aucune incidence sur le bon fonctionnement de l'appareil.
Pourmettre en place les pierres daccumulation (9) soulever legerement les elements chauffants (17)(ill.10).
Poser la première pierre d'accumulation avec les rainures destinées à receivevoir les éléments chauffants tournées vers le haut, à quelles distances de l'isolement thermique droite, sous l'élement chauffant et la pousser vers l'isolement thermique droite et arrêté. Les trouss oblongs constituent les canaux de chauffe.
En soulevant les éléments chauffants veiller à ce que les orifices percés dans les isolations thermiques laterales ne soient pas élargis par les éléments chauffants.
Puis insérer la tôle de recouvrement (10) retiree de l'intérieur de l'appareil sur la couche supérieure de pierres d'accumulation (ill. 12).
2.5.2 Raccordement electrolyque
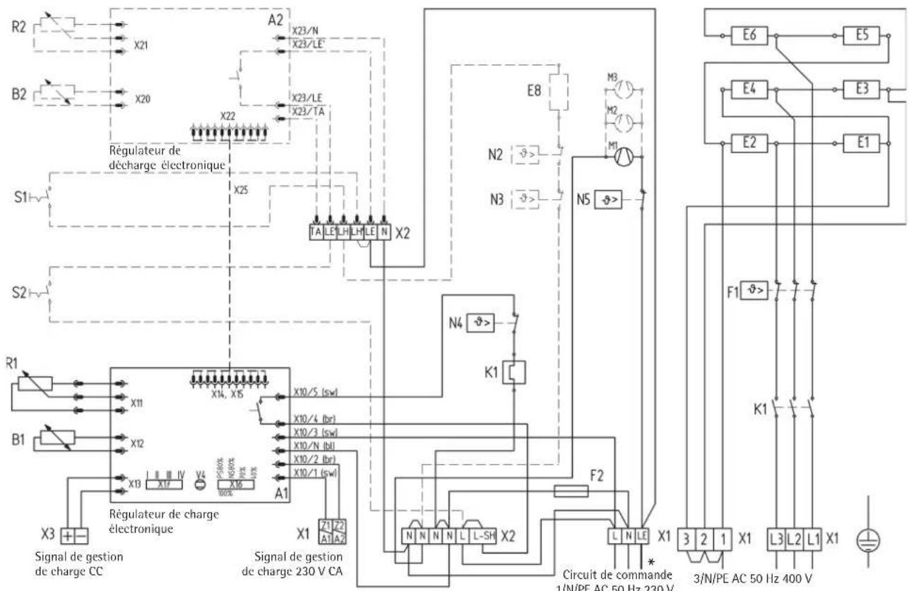
Le racccordement electrique des elements chauffants est effectue avec 3 / N / PE 50Hz400V/ 3× 230 + PE / 220Vz + PE.
Le raccordement direct avec NYM est possible. Le nombre des cables d'amenée et des brins de cables ainsi que les sections des cables dépendant de la valeur de raccordement de l'appareil et du type de raccordement au secteur ainsi que d'eventuelles prescriptions de l'opérateur énergétique.
Tenir compte des schémas des connexions correspondants.
Si l'accumulateur est raccordé à un module de gestion automatique de la charge, il peut être sous tension aux bornes A1/Z1 - A2/Z2 bien que les fusibles soient réTIRES.
Raccordement
Libérer les cables électriques d'une éventuelle traction et les brancher conformément au schéma des connexions électriques de l'appareil (sur la face interne de la paroi latérale droite) ou au schéma des raccordements.
Si la tôle logée dans le boitier de commande, destinée à receivevoir les bornes secteur est difficile d'accès en raison d'un écart lésalr trop juste, on peut la faire pivoter vers l'avant en desserrant la vis (ne pas dévisser) de la paroi arrière.
Pendant la charge, la borne « L » du bornier X2 doit être sous tension (230 V).
En l'absence d'une alimentation en courant séparée, il est possible de pointer la borne « L1 » et la borne « L ». Dans ce cas il faut également pointer la borne « N » du bornier X2 à la borne « N » du bornier X1 (uniquement avec un thermostat d'ambiance mural).
Veiller à un raccordement correct à la terre !
Avant d'être branché dans l'appareil, le cable de raccordement d'un signal de commande CC doit être recouvert d'un manchon isolant depuis la décharge de traction jusqu'à la borne de raccordement.
Commande sans disjoncteur
En l'absence de disjoncteur (exigée par certains opérateurs énergétiques), il est possible d'utiliser le relais thermique intégré dans l'accumulateur à l'usine.
Il faut alors brancher les signaux de l'opérateur « LF » et « N » ou les signaux « SH » et « N » du module de gestion de la charge correspondant directement aux bornes « L-SH » et « N » de l'accumulateur de chaleur. Tener compte des remarques signalées par un * dans le schéma des raccordements.

Les éléments chauffants de l'appareil ne seront mis en circuit qu'une fois l'autorisation de charge (LF) délivrée par l'opérateur énergétique et que le régulateur de charge électronique autorise la charge.
Pour le fonctionnement unifilaire**,poser un cavalier entre « N » et « A2/Z2 »!

Adapter la puissance en fonction de la durée nominale de charge
La puissance de raccordement peut etre adaptee à la durée nominale de charge de l'opérateur énergétique par décalage ou retrait de cavaliers aux bornes.
| Version d' éléments chauffants | 8h (série) | 6h (lot d' éléments chauffants) | |||||
| Durée de charge nominale | 7h | 8h | 9h | 10h | 5h | 6h | 7h |
| Variantes de raccordement (kW) Modèle | ① | ② | ③ | ④ | ① | ② | ③ |
| WSP 3510 N | 3,5 | 3,21 | 2,91 | 2,63 | 4,9 | 4,49 | 4,08 |
| WSP 5010 N | 5,0 | 4,58 | 4,16 | 3,75 | 6,5 | 5,95 | 5,41 |




Plaque signalétique
Tenir compte de la désignation figurant sur le schéma des connexions et la plaque signalétique !
Après le raccordement électrique, faire une croix au stylo bille indélébile dans la case correspondant à la puissance de raccordement et à la durée nominale de charge de l'appareil sur la plaque signalétique de l'appareil et le schéma des connexions de la présente notice de montage.
2.5.3 Appareil en etat de fonctionnement
Nettoyage de l'appareil (ill. 13 et 14)
Il convient de nettoyer l'appareil ouvert une fois son installation achevée et les pierres
d'accumulation en place.
A cet effet, démonter également la soufflante et les canaux de circulation de l'air
Dévisser les canaux de circulation de l'air (16) et les retirer.
- Une fois les vis situées sur la face avant des équères de fixation desserrées (non dévisseés), soulever le ventilateur (18) et la retireur (attention au positionnement du cable!).
Sur certains apparéils, il faut pour ce faire dévisser le thermostat - Décharge (19), y compris la tôle de fixation.
En déposant les pieces démontees, faire attention à ne pas endommager les fils.
- Nettoyer la tôle du fond et les ventilateurs (veiller à ne pas endommager les pales!) Puis reposer les ventilateurs, éventuellesment le limiteur de temperture ainsi que les canaux de circulation de l'air (positionnement correct du cable!).
Fermer l'appareil (ill. 15 et 16)
- Accrocher la paroi avant interne avec l'isolement thermique à l'arrête supérieure en la plaçant légrement à l'oblique vers l'avant et la visser à l'arête inférieure à l'aide de 2 vis.
- Accrocher la paroi latereale droite en bas, la faire basculer vers le haut. L'accrocher en haut et la fixer à l'aide des vis (b1 et b2); (opération inverse voir 2.5.1 - Demontage de la paroi droite, ill. 6).
- Accrocher la paroi avant en haut, la faire basculer en bas sur l'appareil et la fixer à l'aide de 2 vis (utiliser les trous internes) (ill. 15);
- Serrer la grille de sortie d'air (5) avec les deux verrouillages 1/4 de tour (ill. 16).
- Accrocher l'arête supérieure de la grille d'entrée d'air dans les vis de blocage au module de guidage d'air et la presser ensuite en bas sur les ressorts à déclic (ill. 16).
Scheme des raccordements ...
... avec thermostat d'ambiance intégré RTi 102 E/RTi 103 EP

... avec thermostat d'ambiance mural

... en cas de remplacement d'un accumulateur ancien, avec thermostat d'ambiance mural et absence d'alimentation en courant diurne
Tenir compte ici du fait que le thermostat d'ambiance et le module de gestion de la charge en fonction des conditions atmosphérielles sont branchés sur le même interrupteur de protection contre les courants de court-circuit que l'unité de charge.
S'il existe plusieurs interrupteurs de protection contre les courants de court-circuit, le 一 N 一 du relais thermique K1 doit être place sur le 一 N 一 du module de charge et le fil 3 du connecteur enflichable X10 doit passer de L à L1 (voir le schéma des connexions page 18)

2.6 Première mise en service

Danger de court-circuit Regulateur de charge
Lors de la mesure de tension aux contacts du relais thermique, risque de destruction du régulateur de charge en cas de court-circuit à la masse (glissement des pointes d'essay).
Le témoin reste sur « vert »!
2.6.1 Contrôle de fonctionnement
Contrôler le fonctionnement du ventilateur de l'élement d'accumulation en mettant en marche le thermostat d'ambiance.
2.6.2 Charge
Une fois le contrôle de fonctionnement achemé, les apparciels peuvent être mis en service sans préchauffage. La charge s'effectue soit manuellement par le biais du régulateur de charge mécanique ou automatiquement avec la gestion de charge Elfamatic disponible.
Au cours de la première charge, relever la valeur de charge en kWh et la comparer à la charge maximum autorisée à froid, figurant dans les « Caracteristiques techniques ». La valeur de charge relevante ne doit pas dépasser la charge maximum autorisée à froid.

Une oedur peut se dégager lors de la première charge, il convient donc d'aérer suffisamment la piece (1,5 renouvellement de l'air, fenêtre basculée par ex.). Dans une,chambre à coucher,ne pas procédé à la première chargependant le sommeil.
2.7 Réparation, modification de l'appareil
La réinstallation d'un apparéil désassemblé à des fins de réparation ou déjà en service à un autre emplacement s'effectue, comme pour la première mise en service, conformément à la presente notice de montage.
Dans ces cas la, veiller particulièrement aux points suivants : replacer les éléments de l'isolation thermique sur lesquels vous constatéz des dommages ou des alterations susceptibles de nuir à la sécurité. Avant la mise en service, effectuer un contrôle de l'isoolation et mesurer la prise de courant nominale.
2.7.1 Reparation, modification de l'appareil
Pour les travaux de transformation, d'extension et d'encastrement, consulter les instructions jointes aux lots de pieces concernés.
2.8 Remise à l'utilisateur
Expliquer le fonctionnement de l'appareil à l'utilisateur. Attirer tout particulièrement son attention sur les consignes de sécurité.
Remetre la notice de montage et d'utilisation à l'utilisateur.

Symboles de la plaque signalétique
(example WSP 5010 N)

Poids total

Charge

Décharge

Chauffage auxiliaire

Ventilateur
Scheme electrique WSP 3510 - 5010 N
A1: Regulateur électronique de charge
B1: Capteur de températe interne - Charge
E1 - E6: Éléments chauffants (accumulateur)
F1: Limiteur de température
F2: Fusible (250 V 2A à action retardée)
K1: Relais thermique
M1 - M3: Soufflante Décharge
N4: Limiteur de température - Charge
N5: Limiteur de température - Décharge
R1: Regulateur - Charge (selecteur)
V4: Temoin de fonctionnement en mode secours
X1: Bornier secteur
X2: Bornier
X3: Borens CC 0,91 - 1,43 V
X16: Adaptation du signal de commande en 4 étapes
X17: Reducteur de puissance en 4 étapes
Accessoires optionnels
non compris dans le volume de la fourniture,mettre une croix en face de l'accessaire monté
Thermostat d'ambiance intégré 2 points
Thermostat Thermostat d'ambiance intégré proportionnel
A2: Regulateur électronique de décharge
B2: Capteur de température d'ambiance - Décharge
R2: Regulateur - Décharge (sélécteur)
S2:Interrupteur MARCHE/ARRET du thermostat d'ambiance
Chauffage auxiliaire
E8: Éléments chauffants auxiliaires
N2: Thermostat - Chauffage auxiliaire
N3: Thermostat - Chauffage auxiliaire
S1: Interrupteur MARCHE/ARRET - Chauffage auxiliaire
Lors du montage du chauffage auxiliaire (E8), tener compte de la puissance de rupture autorisée du thermostat d'ambiance!

* pour le raccordement d'un RT externe

Branchements de série



3/N/PE AC 50 Hz 400 V
3/N/PE AC 50 Hz 400 V
3/N/PE AC 50 Hz 400 V
3/PEAC50Hz400V
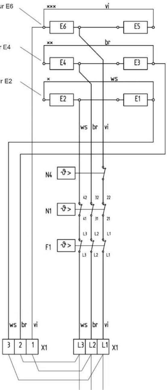
Attention ! Sur le 3/PE AC 50 Hz 230 V secteur
Il est nécessaire de modifier le cablage d'origine de l'accumulateur de chaleur!
Scheme electrolyte du 3/PE AC 50 Hz 230 V
Il est nécessaire de modifier le cablage d'origine comme ci-dessous!
xxx Debrancher le fil vi (violet) de E2 et le brancher sur E6
xx Debrancher le fil br (brun) de E6 et le brancher sur E4
x Debrancher le fil ws (blanc) de E4 et le brancher sur E2

E1 - E6: éléments chauffants (accumulateur)
F1: limiteur de températe de sécurité
N1: limiteur de températe - charge
N4:limiteur de températe -charge
X1: borne secteur
Les points doivent être posés au cours de l'installation.
3/PE AC 50 Hz 230V
3 Garantie

La garantie est à faire valor dans le pays ou l'appareil a été acheté. A cette fin, veuillez prendre contact avec la filiale AEG concernée, à défaut l'importateur/agree.
Le montage, les raccordements, la maintenance ainsi que la première mise en service sont à réaliser par un installerateur qualifié.
Le fabricant ne saurait etre rendu responsable des dommages causés par un apparéil qui n'aurait pas ete installé ou utilise conformément à la notice de montage et d'utilisation jointe a l' apparéil.
3.1 Environnement et recyclage
Nous vous demandons de nous aider à préserver l'environnement. Pour ce faire, merci de vous débarrasser de l'emballage conformément aux régles nationales relatives au traitement des déchets.
Elimination des emballages de transport et des ancients appareils
L'élimination d'anciens appeareils doit se faire dans les règles de l'art conformément aux prescriptions et loi en vigueur localement. La collecte et le recyclage des produits en fin de vie doivent être effectuels selon les dispositions et les décrites locaux.
Notice Facile