VERMELA - Bovengronds zwembad GRE - Gratis gebruiksaanwijzing en handleiding
Vind de handleiding van het apparaat gratis VERMELA GRE in PDF-formaat.
Download de handleiding voor uw Bovengronds zwembad in PDF-formaat gratis! Vind uw handleiding VERMELA - GRE en neem uw elektronisch apparaat weer in handen. Op deze pagina staan alle documenten die nodig zijn voor het gebruik van uw apparaat. VERMELA van het merk GRE.
GEBRUIKSAANWIJZING VERMELA GRE
Het is van ESSENTIEEL belang dat u de maten van de zwembaddiagonalen controleert. Op deze manier voorkomt u latere problemen. Controleer dit enkele keren totdat u zeker weet dat u de juiste maten heeft zoals aangegeven op de plannen.

In het geval van breuken en/of deformaties van het hout maakt u eerst een complete inventaris van de aanwezigheid en staat van alle onderden voordat u een verzoeik indient bij de aftersaleservice. Op deze manier kannen alle onderden in bezelfde zending worden verstuurd
Voor de montage moet het mes van het hout alteid waar boven gericht worden en de groef omlaag (voor zwembaden met mes- en groefsysteme).
In de eerste rij planken (de basis van het bad) is het normal dat sommige planken een groef hebben in het onderste deel, verwijl andere dat nicht hebben, want die zich bedoeld voor het vlakke basisgedeelte (planken met halve bredte).
Tijdens de winter kanne de metalen sierdopen op de randen gaan roesten. U bent zelf verantwoordelijk voor het onderhoud van deze onderdelen met de juiste producten. Als u een winterafdekking gebruikt, zorg dan voor voldoende ventilatie.
Leeg het zwembad Niet volledig voor langereijd, waar de structuur ervan daardoor verrormd kan raken.
Zoek het gedeelte over onderhoud op in uw handleiding van uw roestvrijstalen zwembadtrap (Indien uw zwembad ermee is uitgerust)
Voordat de randen aan het zwembad worden vastgeschroefd, is het nodig om de planken eerst op hun plek te honden om hun correcte plaats te bepalen. Indien uw zwembad een dubbele rand heef, moet u zowel de binnen- als buitenzijde eerst afpassen - en u begint met eerst de binnenrand vast te schroeven. Het is verboden om op de zwembadranden te zitten of te lopen. Een eventuale breuk worden nicht gedekt door de garantie.
De betonnen vloer要去 de afmetingen hebben die volgens het model van het zwembad+zijn aangegeven en mag nooitkleiner zijn. Het zwembad moet op deze basis worden gecentreerd. Deze betonnen vloer要去 door eenvakman worden gegoten met inachtneming van de volgende kenmerken:
Betonvloer: Dosering 350kg / m^3 (standard C125 430)

Zodra je de houten pallet hebt opengemaakt, is het belangrijk dat je je zwembad binnen uiterlijk twee dagen in elkaar zet. Het is ook raadzaam dit te doen opragen waarop het Niet regent. Zo voorkom je dat het hout nat worden, wat de uiteindelijkke montage zou bemoeilijken.

NL Deze pallet moet worden opgeslagen op een vlakke ondergrond, het liefst van beton.
Indien het zwembad meteen za worden gemonteerd:
- Controller de inhoud.
- Zo snel möglichk monteren om te voorkomen dat de onderdelen verrormd raken nadat de spanband eenmaal is verwijderd.
Indien u het zwembad Niet meteen gaat monteren:
- De spanbanden om het hout nicht verwijderen.
- Mocht u de pallet uit elkaar hebben gehaald maar het zwembad Niet gaat monteren, dan moet u de pallet opnieuw in elkaar zetten; zorg waar bij voor een goede fixatie om te voorkomen dat de onder delen.gaan verrormen (gebruik een touw, spanbanden, etc.).
In beiden gevallen moet er een gewicht bovenop worden geplaatst om te zorgen dat de delen vlok blijven. De pallet opbergen op eenplaats die voldoende worden geventileerd.
Lees deze informatie aandachtig door en bewaar het om het later nog eens terug te konnen lezen
Gefeliciteerd met uw keuze. Het model dat u hebft gekozen is speciala ontworpen voor een eenvoudige en snelle installmentie, maar er zich wel een aantal voorzorgsmaatregelen nodig voor het juiste gebruik van uw zwembad. Voordat u begint met de installmentie en de montage van uw zwembad, informeert u zich over deplaatselijke regelgeving inzake oppervlak en implantatie.
Het gebruik van de zwembadkit implicieert het in acht nemen van de veiligheidsinstrumenties zoals die+zijn beschreven in het onderhouds- en gebruikershandleiding.
Als de veiligheidsvoorschriften Niet in acht worden genomen kan dat leiden tot ernstige gezondheidsrisico's, met name voor kinderen. Lees deze handleiding aandachtig door en bekijk de illustraties goed voordat u begint met de montage van uw zwembad. Indien de montage Niet wordt uitgevoerd in overeenstemming met deze handleiding, za de garantie Nietig+zijn in het geval een defect.
De informatie die in每次都 installatiehandleiding te vinden is, toont precies hoe u dat doet. De illustraties die daarin worden getoond, zich erchter alleen bedoeld om het montageproces te verhelderen. De vormen, kleuren en de uiterlijke verschijningsvorm die erin worden getoond huneniet als contractuele elementen worden beschouwd. Vanwege het constante streven om hun producten te verbeteren, behoudt het bedrijf Manufacturas Gré zich hetrecht voor om de kenmerken, technische gevevens, de gestandaardiseerde apparatuur en de mogelijkheden van zich producten op ieder willekeurig moment en zonder waarschuwing vooraf, aan te passen.

ATENÇAÖ!
Voor iedere claim of after-sales service, uw handleiding met het serienummer tezamen met het aankoopbewijs (factuur, kassabon) gereedhouden.
Elke aanspraak op garantie za onderwerp zichn van een online declaratie, via de website https://www.grepool.com/nl/naverkoop, tezamen met het aankoopbewijs.
Er können Foto's worden verlangd ter justificatie. Er worden geen geretourneerde goederen geaccepteerd zichonder goedkeuring vooraf. De klant za verantwoordelijk zijn voor alle kosten bij het returneren van goederen (verpakking en verzending).
NA VERIFICATIE EN CONTRA-EXPERTISE VAN EEN FABRICAGEFOUT.
- De producten die daadwerkelijk defecten vertonen worden gerepareererd of gegen verzendkosten verrangen
!
De garantie beperkt zich tot reparatie of verranging van het defecte onderdeel. In geen geval worden er een vergoeding geveen voor geleden schade en ongemakken.
DE GARANTIE IS NIET VAN TOEPASSING IN DE VOLGENDE SITUATIES:
- Gebruik van materialen die nicht overeenkomen met once instructies.
- Schade die is veroorzaakt door verkeerde behandeling of onjuiste installmentie.
BELANGRIJK:
Het bedrijf Manufacturers Gré ruilt onderdelen voor andere voor expertise.
Als bij expertise geen afwijking, storing of defect worden, behoudt het bedrijf Manufacturers Gré zich hetrecht voor om de verzend- en andere kosten in rekening te brengen bij de klant.
DUUR VAN DE GARANTIE:
- Het geimpregneerde hout van de grove den klasse IV heeft een garantie van 10aar gegen houtrot en insectenaanvallen.
- Liner: 2aar op de naden en waterdichtheid onder normale gebruiksomstandigheden. Uitgesloten van garantie: winkelhaken, gaten, scheuren, vlekken (producten voor directe waterbehandeling), vlekken die ontstaan door algengroei, vlekken die ontstaan door de decompositie van vreemde lichamen die in contact zijn met de liner, vlekken en verkleuringen ten gevolge van contact met oxidatiemiddelen, kleuronderhoud en slijtage ten gevolge van het vastzetten van het materiaal op verschillende oppervlakken, verworming van de liner indien deze meer dan 24aar zonder water
heeft gestaan (maak het zwembad nooit helemaal leeg).
Het is verplicht het etikette bewaren met het serienummer van de liner dat op het producte vinden is en in de verpakking. Bij alle eventuele verzoeken van aanspraak op de garantie, worden om een monster van de liner gezraagd.
- Roestvrijstalen trap: 2aar. In het geval van filtering door elektrolyse van zout, kan geen aanspraak op de garantie van de trap worden gemaatk.
- Filtergroep: De pomp heeft een garantie van 2aar (elektrische problemen) bij normale gebruksomstandigheden. Uitgesloten van garantie: gebroken onderdelen (voet van de pomp/zandreservoir, cover voorfilter, multidirectionele afsluieter,...) schade ten gevolge van defecte verbinding, gebruik makes van de pomp zonder water, schade als gevolg van slijtage of corrosie (de filtergroep要去 zich bevinden op een koele drogeplaats, beschermd gegen opspattend water).
Andere onderdelen: 2aar.
UITGESLOTEN VAN DE GARANTIE:
Elke bewerkingswijze na de behandeling die de kwaliteit van de behandeling negatif kan beinvloeden, zoals (maar nicht beperkt tot) snijden, schaven, schuren en boren. Uitzondering: gaten die nodigসn voor de bevestiging van versterkingen en houtblokken, zouden moeten worden gemaat met een boor met een diameter die ten minste eén millimeterkleiner is dan die vandebevestigingsschroeven.
- De afsnijdingen in de liner
- De montage en de aansluiting van de filtering
- De montage
- Het vullen met water
- Deplaatsing van de randen
- Winterklaar make
- Het onderhoud
AFTER SALES SERVICE MET GARANTIE:
(Na rechtvaardiging vooraf en met bewijs van aankoop)
- Porto voor VERZENDEN op kosten van de klant.
- Porto voor RETOURNEREN op kosten van Manufacturas Gré (voordie onderdelen die onder het garantieschema vallen).
- Ruilen van houten delen na voorafgaande visuèlerechtvaardiging.
- Componenten of onderdelen voor rekening van Manufacturas Gré.
- Inruialtermijn: 8 werkdagen. Binnen de context van de vervanging van een defect component, geschied het monteren en demonteren Niet op rekening van Manufacturas Gré.
AFTER SALES SERVICE ZONDER GARANTIE:
- Porto voor verzenden / returneren op kosten van de klant.
- Onderdelen worden gefactureerd volgens de geldende tarieven.
Losse onderdelen die gedurende 5aar verkrijgbaar zicherekend vanaf de aankoopdatum va het product.
WOORWOOD
Zolang het zwembad Niet is gemonteerd, is het gevoelig voor temperatuurschommelingen en vocht. Daarom is het nodig om een aantal voorzorgsmaatregelen te nemen bij opslag.
Wanner u de pakketten ontvangt, moet u de houten delen vlak bewaren, beschermd gegen vocht en zonlicht om alle risico's op verworming te voorkomen.
VAN HET GROOTSTE BELANG:
- Laat het hout Niet in de zon liggen, om te voorkomen dat het hout kromtrekt of overmatig scheurt.
- Het bassin buiten Niet afdekken met een waterdicht zeil als bescherming, waar de condensatie die door het hout wordenuitgewasemd het nog natter za makeen en daardoor krijgt het te lijden onder vormveranderingen.
VERPLICHT:
- De structuur in een enkele keer in elkaar zetten.
- Bewaar het hout van uw zwembad op een vlakke plek, beschermd gegen water en zonlicht.
- Verwijder de beschermfolie zodate het hout kan «ademen».
DUUR VAN DE INSTALLATIE
Voor de installmentie van het zwembad�zijn er tenminste twee personnes nodig en het werk bedraagt tweeagation (los van de voorbereiding van het terrein en het vullen).
VOOR DE CONSTRUCTIE VAN UW ZWEMBAD VERZEKER U ERVAN
- Dat er een gekwalificeerde persoon is die de elektrische verbindingen kan aanleggen.
- Dat de toevoer van water voldoende is om het zwembad te vullen.
- Dat de handleiding zorgvuldig heeft gelezen, stap voor stap, zodate u de installmentie van het zwembad precies begrijpt.
BELANGRIJK:
Manufacturas Gre, S.A. kan Niet aansprakelijk worden gesteld voor gebreken die te wijten zijn aan beton van slechte kwaliteit.
De betonnen vloer要去 door een vakman worden gelegd volgens de aanwijzingen in deze gebruiksaanwijzing. In geval van een schadegeval kan de factuur van de betonnen vloer worden opgevgraagd om de garantie van het zwembad te onderzoeken.
VERZONKEN ZWEMBADEN EN SPECIFIEKE REGELGEVING
Voor zwembaden boven de grond, worden aangeraden de toegang tot het bassin te beveiliggen met een standard beschermingselement.
Voor half-verzonken en geheel verzonken zwembaden, vereist de Franse wet n° 2003-9 van 3 januari 2003 met betrekking tot de veiligheid van zwembaden, evenals het Franse decreet n° 2003-1389 van 31 december 2003 met betrekking tot de veiligheid van zwembaden, dat de toegang tot het bassin door tenminste een standard beschermelement要去 worden beveiligd, zoals:
- Beveiligingsbarrière
-Zwembadalarm
-Zwembadovertrek
-Zwembadovertrek

AANBEVELING VOOR PLAATSING
U moet het terrein voorbereiden zoals aangegeven in deze handledeiding in het hoofdstuk «installatie».
PLAATS UW ZWEMBAD NIET
- Onder elektriciteitsdraden
- Onder de takken van bomen
Op een Niet gestabiliseerd terrein
Een goede plaatsing zorgt ervoor dat uijd bespaart en voorkomt beperkingen. Het zwembad moet op een zonnige, makkelijk toegankelijkndeplaats zijn.
Deplaats van het zwembad moet vrij zijn van leidingen of elektrische verbindingen.
Hou er rekening mee dat het better is om het zwembad op een zonnige dag te monteren en vermijdragen waarop het hard waait.
- Enkele componenten van het zwembad�zijn verpakt in plastic zakjes. Om verstikkingsgevaar te voorkomen, nooit toestaan dat baby's ofkleine kinderen ermee hunnen spelen.
- Dank u voor het respecteren van de normen van de Europese Unie en voor het meewerken aan de bescherming van het milieu.
Wanner uw zwembad eenmaal is geinstalleerd en alle componenten gemonteerd+zijn, zouden we het op prijs stellen dat u het overgebleven afval scheidt en het verpakkingsmaterial voor recycling inlevert.
WOORWOOD
VEILIGHEIDSINSTRUCTIES
Het is verplicht om de filterkit (filter + pomp) op een minimum afstand van 3,5 meter van het zwembad teplaatsen om het risico van elektrische ontlading te vermijden.
Het is verplicht de elektrische voeding van de pomp te voorzien van een lekkagebeveiliging special voor zwembaden, in overeenstemming met de voorschriften.
Laat kinderen nooit zonder toezicht in de buurt van het zwembad+komen.
Na ieder bad, de buitentrap weghalen om te voorkomen dat er per ongeluk kinderen of huisdieren in het zwembad vallen (Norm EN P90-317).
Dit zwembar is uitsluitend bedoeld voor familiegebruik. Het is Niet toegestaan om over de randen te lopen noch om er vanaf te duiken of te springen.
Voor het installereren en in gebruik nemen van het zwembad, dient u de informatatie die in deze handleiding is verwat aandachtig door te lezen, goed in u op te nemen en na te leven. De mededelingen, instructies en de aanbevelingen betreffende de verilgheid hebben betrekking op enkele van de meest voorkomende risico's die bestaan bij vrijijdsbesteding in het water; deze beslaanECHERNiet alle risico's en gevaren die zich zouden konnen voordoen. Wees voorzichtig en kritisch, en gebruik vooral uw gezonde verstand bij het beoefenen van activiteiten in het water. Bewaar deze informatie zodat u alles op een later moment nog eens kutn nalezen.
Er moet alg i e n verantwoordelijke volwassene aanwezig zijn die alef, actief en voortdurend toezicht houdt, met name op kinderen die nicht kunnen zwemmen of die dat nog Niet goed kuren (houd er rekening mee dat het risico op verdrinking het hoogst is onder kinderen jonger dan vijf一年多).
Zorg ervoor dat er steeds een verantwoordelijke volwassene aanwezig is die toezicht houdt op het zwembad, iedere keer dat het worden gebruikt.
- Het is wenselijk dat kinderen die nicht kuren zwemmen of die dat nog nicht goed kuren beschikken over personlijke beschermingsmiddelen wonneer ze gebruikmaken van het zwembad.
- Wonneer het zwembad Niet wordt gebruikt of wonneer er geen toezicht aanwezig is, alle spelgoed eruit halen om te voorkomen dat kinderen zich in de buurt ervan begeven.
Veiligheidsvoorzieningen
- Het is aanbevolen om een barrière te installereren (En, indien nodig, veiligheidselementen te installereren in deuren en ramen) om onbevoegde toegang tot het zwembad te voorkomen.
- Barrières, afdekzeilen, zwembadalarmen of vergelijkbare veiligheidsvoorzieningen zijn nuttig, maar vormen geén verranging voor de voordurende controde door een verantwoordelijke volwassene.
Veiligheidsvoorzieningen
- Het is aanbevolen om reddingsmaterialaal (bijvoorbeeld, een reddingsboei) paraat te hebben vlakbij het zwembad.
- Zorg ervoor dat er een goed werkende telefoon en een lijst met telefoonnummers van hulpdiensten voorhanden zijn in de buurt van het zwembad.
Veilig gebruik van het zwembad
- Moedig alle gebruikers aan, vooral kinderen, om zwemles te nemen.
- Leer reddingstechnieken (m.n. cardiopulmonaire reanimatie) en werk uw kennis regelmatig bij. Deze technieken hunen een leven redden in geval van nood. - Leg aan alle gebruikers van het zwembad uit, okk aan kinderen, welke procedures ze要去en volgen in moodgevallen.
- Duik nooit in een ondiep zwembad waar dit ernstig of dodelijk letsel tot gevolg kan hebben.
- Maak geen gebruik van het zwembad nadat u alcohol, drugs of medicijnen hebts gebruikt die uw vermogen of bewustzijn beinvloeden om dat in een geheel veilige toestand te konnen doen.
- Indien het zwembad is afgedekt door afdekzeil, dient u het volledig van het wateroppervlak weg te halen alvorens het bad te betreden.
- Behandel het water van uw zwembaden en houd er goede hygienische praktijkopen op na om gebruikers gegen watergerelateerde ziekten beschemen. Kijk na hoe u het water要去 behandelen in de gebruiksaanwi- jzing.
- Houd chemische producten (bijvoorbeeld: producten voor waterbehandeling, voor schoonmaak of om te desinfecteren) buiten het bereik van kinderen.
- Het is verplicht om de bijgeleverde pictogrammen op een zichtbare plek op minder dan 2 meter van het zwembad teplaatsen.
- Plaats de verplaatsbare trappen op een horizontal terrein.




Losse onderdelen die gedurende 5aar verkrijgbaar zicherekend vanaf de aankoopdatum va het product.

PEFC
PEFC/14-38-00166



BELANGRIJK:
Alle apparaten die gevoed worden met 220V , dienen zich op z'n minst op een afstand van 3,50 meter van de rand het zwembad te bevinden.
Het toestel要去 aangesloten op een geaard netwerk met een wisselstroomspanning van 230V en 50HZ , en要去 beschermd zich door een differentieelschakelaar (RCD) met een residuèle differentieelstroom van Niet meer dan 30mA .
Lees de gebruiksaanwijzing aandachtig en bewaar die voor toekomstige raadplegingen.
MOCT U EEN PROBLEM HEBBEN... ;RAADPLEEG ONS!
TELEFOONNUMMER VOOR ADVIES: Nederlands &
Belgie
Tel.:+3 513 62 66 66 e-mail: service@aqua-fun.info
www.grepool.com
Wanner uw zwembad eenmaal is geinstalleerd en alle componenten gemonteerd+zijn, zouden we het op prijs stellen dat u het overgebleven afval scheidt en het verpakkingsmaterial voor recycling inlevert.
Hout is een natururproduct, de waarneembare scheurtjes in de nerf van het hout zijn volstrekt normal en veranderen de sterkte-eigenschappen ervan Niet.
Het hout blijft nog algtd een materiaal dat werkt (3% a 4% variatie in omvang) als gevolg van veranderingen in temperatuur en vochtigheid. Daardoor konnen enkleine scheurjtes verschijnen en om toekomstige verrormingte beperken, worden de criteria van ontwerp en vakmanschap in acht genomen bij de keuze van onderdelen en assemblages evenals voor de manier van bevestigen. Kwasten make n van nature deel uit van hout: het uiterlijk en de grotte variieren van het ene en het andere product. Het uitscheiden van hars is een natuurlijk verschijnsel van harshoudend hout. Bovendien is geen een boom precies hetzelfde als een ander; de gefotografeerde elementen die hieronder staan moot waarom nicht als defect worden beschouwd:
A MADEIRA: UM MATERIAL VIVO
Er kan wat schimmel aan de oppervlakte van het hout+zijn diechter Niet naar binnen kan dringen en het hout aantasten. Door blootstelling aan UV-straling, za het hout met de tijd een grijsachtige uiststraling krijgen waar de duurzaamheid echter Niet onder leidt. U kuten een blanke vernis toepassen voor geimpregneerd hout. Behalve dat vernis bescherming biedt, zorgt het ervoor dat het geheel er mootuitziet en longer meegaat. Wacht in dit geval totdat het hout volledig droog is voordat u het in de vernis zet.
GEIMPREGNEERD HOUT VAN DE GROVE DEN
Het gebruikt hout is een geselecteerde den die 25% is gedroog voordat hij een behandeling voor impregnatie klassie IV ondergaat. Het hout voor de vloerden geniet een garantie van 10aar gegen de aanvallen van insecten en gegen houtrot.
Om de liner en de randen perfect op elkaar aan te lien sluiten, is het belangrijk om alle maten te respecteren. Geschatte metingen.

Paraaabstarpeerfeitamenteolinereosbordos, éimportanterespeitartodasasdimensoes. Dimensoesapproximadas


FILTER GROUP
1
De filtergroep en in het bijzonder de elektrische pomp van het zwembad要去en verplicht op een afstand van tenminste 3,5 meter van het bassin worden geplaatst (elektrische standard NFC-100).
LOZEN VAN WATER
Het onderhoud en het winterklaar makev van het filter vereisen het lozen van water. Het is van het grootste belang rekening te honden met het leg latenten lopen alvorens de filtergroep te installereren.
FILTERLEIDING
Indien u de filterleidingen onder de grond wilt plaatsen, is het onontbeerlijk om ze te beschermen gegen het risico op beschadigingen. Voorzie ze van omhulsel voor u ze onder de grond plaatst.

GRUPO DE FILTRACÄO
Het bassin moet zodenig
worden geplaatst dat de
skimmer zich met het gezicht op
de overheersende windrichting
behindt.
ORIENTACAO DO TANQUE
De skimmer is een zeer** belangrijk element binnen het filtersystemeat alsijd met+zijn gezicht op de overheersende wind要去 worden geinstalleer. De optimale filtering van het zwembadwater hang af van de zuigcapaciteit en van de juiste plaatsing van de skimmer.
Dit is een bepalende fase tijdens de aanleg van uw zwembad. Er moet worden aangevangen met een aantal werkzaamheden, zoals de Voorbereiding van het terrein, de betonvloer, de afvoer... dit kan vragen om de hulp van professionals die weten hoe ze de juiste oplossingen要去en uitvoeren.
Kies een ideale plaatsuit, zo zonnig möglichk, maar houd waar bij rekening met deplaatselijke normen (afstand tot de grundscheiding, publieke erfdienstbaarheid, leidingnetwerken...) en de landschapsinrichting na installmentie van het zwembad.
Bepaal de plaatsing aan de hand van de grondverkenning, waarover u leest in het hoofdstuk»Grondlijnen uitzetten".
U kurz uw zwembad op deze drie manieren installereren:
De filtergroep moet zich onder de waterspiegel van het zwembad bevinden en idealiter op gelijkiveau met de zwembadvloer; zoniet loopt u het risico dat de pomp zich uitschakelt. De filterpomp moet zo worden geplaatst dat hij beschermd is gegen voor waterspatten, overstromingen en vochtigheid, op een droge plek en goed geventileerd. Als dit Niet gebeurt,+kennen de metalen onderdelen en de motor van de pomp schade oplopen Vermijd het installereren van uw zwembad in recent aangevulde of onstabiele grond. Welk type installmentie u ook kiest, za het nodig+zim om het terrein uit te graven en het voor te bereiden om te effenen.
Let op: in geval van hellende terreinen, is het van het grootste belang het af te graven om het terrein vlak te maken.
Moet de installation op een betonvloer worden uitgevoerd,要去 deze een dikte van minsten 17 centimeter hebben. De montage van het bassin kan worden uitgevoerd nadat het beton volledig is uitgehard (3 weken). De filtergroep要去 zich onder de waterspiegel van het zwembad bevinden en bij voorkeur op het het niveau van de bodem van het zwembad.
Op het moment van monteren dient u rekening et houden met de referentie en de afmetingen van uw zwembad
- 1 elektrische schroefboor (met torx-koppen N° T15, T20, T25) • 1 boormachine met boren voor hout Ø4, Ø6 en Ø10, voor beton Ø10 en voor metaal Ø5 • 1 stanleymes • 1 waterpas • 1 meetlint • 1 rubberen hamer
-
1 hamer • 1 schroevendraaier • 1 sleutel 19 • 1 ijzerzaag • 1 houtzaag • 1 ballpoint • PVC-plakband
-
Teflontape (PTFE tape) • Dubbelzijdig plakband of nietpistol • Handschoenen • Lijmklem
Montagetijd (los van de Voorbereiding van het terrein en het vullen): 2ragen met minstens 2 Personen 8
FERRAMENTAS
Zet de vom van uw zwembad uit op de grond waarbui u gebruik maakt van de eerder genoemde afmetingen. U kurz waarbui gebruik maken van latten en touw. Als uw zwembad geheel of gedeelijk verdiept worden aangelegd, zorg dat er een extra 50 cm van de omtrek worden uitgegraven voor meer bewegingsvrijheidijdens de montage.
BETONPLAAT:
De installatione de uw zwembad vereist het aanleggen van een gewapende betonvloer met verzels of gelaste betonvlecht. Het beton moet 350~kg / m3 wegen (normering C125 430). We raden u aan contact op te nemen met een aannemer voor de aanleg van deplaat.
Indien de installatione deels of geheel verzonken is, dienen alle resten te verwijderen van hout, taknen of wortels die gevoelig zijn om met de tijd te vergaan. Leg rondon het zwembad of daar vlakbij geen bekisting aan van een houtsoort die nicht is behandeld voor gebruik waar bij het in contact komt met de aarde. Pas op het deel dat ondergronds komt geen extra behandeling toe. Het aanbrengen van teer of vernis die nicht microporeus is, is Niet toegestaan. Verzeker u ervan dat het hout de mogelijkheid heeft om te «ademen», kijk hiervoor in het hoofdstuk «Voorbereiding van het terrein».

LAJE DE BETÁO: É FUNDAMENTAL CENTRAR A PISCINA NA PLACA DE CIMENTO, TAL COMO SE INDICA NA IMAGEM. AS MEDIDAS INCLUEM A ESPESSURA DA PAREDE.

DIMENSOES INTERIORES:
De aanbevelingen voor zwembaden die geheel of gedeeltelijk verdiept worden aangelegd, zich efectief binnen de context van inbouwen in een terrein dat nicht vochtig is. Het is wenselijk dat de basisinstrumenties worden aangepast om beperkingen te voorkomen die samenhagen met de grondsoort (bijvoorbeeld klei) of de overdadige aanwezigheid van water in de grond (bronnen, waterstromen...). Met het oog op het voorkomen van een overschot aan vocht in uw grond, is het nodig om een drainagesystem onder en rondon het zwembad te installereren tezamen met de aanleg van een decompressieput.
In alle gevallen, is de aanwezigheid van een aangepast afvoersysteme noodzakelijk om te voorkomen dat er water blijft staan met als maybeke geolg bodemverontreining evenals aantasting van het frame (houtrot, verrorming van het frame,...). Om een een planning van hoge kwaliteit te garanderen, kan het advies van een specialist als zeer waardevol worden ervaren. NooIT MONTEREN OP: Een terrein dat hellend, oneffen is, of dat uit zand of zachte grond
bestaat, of wanner het stenen bevat.
HER MARKEREN VAN DE PLAATS VOOR INSTALLATIE
Wanner we de plaats (die volkommen genivelleerd dient te zich) voor de ligging van het zwembad eenmaal hebben uitgezocht gaan we over tot het markeren waarvan. Het terrein markeren met behulp van houten palen, schroevedraier, trechter (of een plastic fles), meel of kalk en een touw. Aangeraden worden, voor het markeren, de gehele benodigde oppervlakte te nivellenen (die alaar gelang het model van zwembad in de rechthoek gecentreerd要去en) opdat bij de montage gemakkelijk er met ruimte gewerkt kan worden.
Om te voorkomen dat uw grond een overdaad aan water vasthoudt, is het nodig van een drainagesystem onder en om het zwembad te installereren evenals de constructie van een decompressieput.
NIVELLEREN
In het geval van nivelling van het terrein要去 we nooit aarde bijvoegen op de plaat voor deze ontbreekt, we graven altijd uit waar aan waed teveel aanwezig is. Op deze manier zullen we de stabiliteit van het terrein garanderen. In eider geval moeten we al het onkruid, de wortels, stenen enz....verwijderen. Het proces van de nivelling van het terrein is zeer belangrijk; besteedaar de nodige tijd en aandacht aan zodat uw zwembad op de juiste manier zichplaats vindt op het uitgekozen terrein en u zult problemen voorkomen. Wijze voor nivelling: met gebruik van lange houten latten. Plaats deze in de grond op het uitgekozen en schone terrein, waarin met behulp van een metselaarsmeetlat (aluminium) en een waterpas onderling genivelleerde rechthoeken (of vieranten) worden gezormd. Wanner alle latten zich op bezelfde hoogte bevinden en de overtollige aarde is verwijderd+kennen de kline Niet-genivelleerde plekken worden geldvud (met schone aarde. of zand), waarna de aarde opnieuw moet samengedrukt worden en genivelleerd. Het is belangrijk dat de zone goed samengedrukt is zodat het terrein Niet inakt wanneer het zwembad geldvud wordt. Raadpleeg een vakman: een aannemer, een tuinman, enz. Afwerking: Over het schone en genivelleerde terrein strooien we een fijnlaag (maximaal1 cm) geezefd zand uit. Deze begieten we en stampen we aan (met een tuinpletter). We controlleren de juiste nivelling. Gebruik het zand Niet voor het nivellenen van het terrein. De afwerking dient volmaakt te发展格局.
Belangrijk: De installmentie de uw zwembad vereist het aanleggen van een gewapende betonvloer met verzels of gelaste betonvlecht.
De betonplaat要去 perfect geegaliseerd en gladgestreken zijn, om eventuele onvolkomenheden te vermijden.


We raden u aan de hulp in te roepen van een aannemer voor de aanleg van de plaat.
Afhankelijk van de aard van het terrein, is het van belang om een periferisch afwateringsysteme teplaaten en dit aan te sluiten op een decompressieput. De put wordt gegraven voordat met de aanleg van het zwembad wordt begonnen en zo wordt ook voorkomen dat de uitgravingijdens de werkzaamheden volloopt met water. Het moet zich vlakbij het bassin bevinden, enkele centimeters onder het diepste punt ervan en het moet reiken tot aan de oppervlakte. De decompressieput wordt aan de natste kant geplaatst. Start de werking als afvoer zodia er inflitraties van water of modder optreden, waarhat het water veel sneler omhoog kan komen door een slang dan via de grond.


1-Houten frame
2-Rol HDPE-noppenfolie ter bescherming en voor de drainage
*In het geval dat u een accessoire monteert dat in contact staat met het hout, is het essentieel om hetNOPpenfolie-rolzeil teplaatsen voor een correcte bescherming.
PLAATSING VAN DE PLANKEN: Plaats de planken in «proefopstelling» zodat ze de omtrek van het bassin aangeven.
PLAATSING VAN DE EERSTE RIJ PLANKEN: • Construeer de eerste rij door het plaatsen van planken (A22), (A23) en (B12) zoals te zien is op afbeelding 1. • Plan de vom van het zwembad aan waar bij u gebruik maakt van de interne afmetingen die+zijn aangegeven op het montageplan (Zie vagina 44). • Het plan geeft interne afmetingen van het zwembad aan voor de verschillende gegenover elkaar liggende diagonale lijnen.
2a RIJ PLANKEN: • Plaats de planken van de tweede rijzoals aangegeven op afbeelding 2. • Om de planken correct te assembleren, zit er een houten wig in het pakket van het frame. • Sla Niet direct op de planken. Daardoor gaan het profiel kapot en wordt de stevigheid van het frame ondermijnd. • Slaer Niet direct op met metaal. Hierdoor raakt het hout onherstelbaar beschadigd. • Zorg ervoor dat de planken vanaf het begin stevig op elkaar aansluten. Er mag geen ruimteussen de rijen overblijven, om te voorkomen dat de bovenste houtdelen onregelmatig uitkomen.

BELANGRIJK: Het is belangrijk dat de planken correct en stevig op elkaar aansluiten, vooral de onderste (waar de waterdruk het sterkest zaijn). Het is maybek dat enkele planken zijn kromgetrokken. Dit is volstrekt normala omdat hout een levend materiaal is. Zelfs krom, is het maybek de plank te plaatsen. Volg deze stappen: Neem een van de twee kanten van de plank enplaats tand en groef op elkaar. Duw de andere Kant terug maar+zijn plaats met behulp van een lijmklem. Bevestig de plank op zich plek met behulp van een rubberhamer en houten wig.

PLAATSING VAN DE METALEN STEUNBALKEN: •Plaats de metalen steunbalken zoals te zien is op afbeelding (afbeelding 3). Schroef de metalen steunbalken stevig vast gegen de plankenrijen. •Boor perfect vertikaal gaten in de betonplaat met behulp van een boormachine voorzien van een boor voor beton van 0 10 mm, gebruik de metalen steunbalk als patroon. De diepte van het boorgat moet tenminste 100 mm bedragen om een goede fixatie te garanderen. • Plaat s de ankerbouten (met ringen en moeren) in de gaten en sla ze vast met behulp van een hamer. De ankerbouten VOLLEDIG vastdraaien(alleen de kop mag te zien zijn). • Draai de 4 moeren kruiselings stevig vast. De plaatsing de metalen steunbalken wordt uitgevoerd met een boor nadat de tweede rij planken is geplaatst. Schroef de metalen steunbalken stevig vast gegen de plankenrijen.

De ankerboutev VOLLEDIG vastdraaien (allen de kop mag te zein zich)
SPECIFIEKE PLANKEN: Uitsstroommonstuk: plaat de plank die speciaal het uitsstroommonstuk is (E12) waar bij het gefreesde gat aan de buitenzijde van het zwembad worden geplaats.
Skimmer: • Plaats de planken die specifiek voor de skimmer� zijn met het gezicht op de overheersende windrichting. De planken (C12) en (D12) worden als tijd op een paneel geplaatst en er wordt begonnen met plank (B12) (afbeelding 5). Zolang het zwembad Niet is gezuld, za de skimmer Niet stabelijk. De skimmer (samen met+zijn aftluier) wordt op het zelfde moment ertussen gezet als de plank voor de afwerking.

Binnenzijde - snijdt uit
Zona interior - recorte

NL Het onderdeel (E12) moet net onder onderdeel (C12) blijven zitten.
Ter hoogte van nummer 9 moet onderdeel (E12) worden geplaatst
NL De stand van de consoles en van de verstevigingen zijn aangegeven op het montageplan (Zie pagina 44). Ook kunt u de houten trap gebruiken om de consoles teplaaten, zie het hoofdstuk over de trap.
CONSOLES ( 6x90)
A· Breng het bovenste deel van de consoles op lijn met de staatte plank. Houd de consoles op hun plek.
B-Boor gaten in de planken met een houtboor van 6 mm vanaf de binnenkant van het zwembad.
- Controller systematisch of het bovenste deel van de console goed is uitgelijnd met de hoogte van de plank.
- Zorg ervoor dat de schroefkop verzonken is in het hout.
Bij hetplaatsen van de tweede schroef moet u rekening honden met de lengte ervan om te voorkomen dat deze aan de achterkantuitsteekt. Plaats hem zo dicht maybeijk bij het hout van het bovenste gedeelte.
- Breng het bovenste deel van de versteviging op lijn met de staat plank. Houd de verstevigingen op hun plek. - Boor gaten in de planken met een houtboor van 06 mm. In 2 keer vastschroeven vanaf de binnenkant van het zwembad. - Zet eerst de bovenste verstevigingen vast en daarna de onderste (aan de 1e en de staat plank). - Controller of de verstevigingen loedrecht zijn. - Besluit het assembleren van de verstevigingen door 1 schroef per plank teplaatsen en corrigeer eventuele verrormingen van het hout (planken). Controller systematisch of het bovenste deel van de versteviging goed uitgelijnd is met de bovenkant van de plank en dat de schroefkop verzonken is in het hout.
PT REFORCOS (6x90)
- Plaats sierlijst L op de uiteinden van de planken. - Indien nodig, overtollige stukken van de sierlijst afsnijden, afhankelijkke van de hoogte van het bassin (afbeelding 6). - Zet de sierlijst L vast met behulp van 3 schroeven 4 × 60 gegelmatig over de hoogte verdoeffel (afbeelding 7).
De montage van het frame zelf is nu gereed. Nu moeten alleen de randen nog worden geplaatst (zie het hoofdstuk randen).
Op dit moment van de montage, moet u het volgende hebben gedaan:
- De skimmer is met het gezicht aan de overheersende wind geplaatst. - Het paneel van het frame waartegen u de trap wilt plaatsen, is uitgekozen.
PT EMBELEZADOS L (4x60)
- Situe o embelezador L sobre os extremos das táuvas. - Corte o excidente de embelezador segudo a alta do tanque se for necessário (figura 6). - Fixe o embelezador L com a ajuda de 3 parafusos 4 x 60 distribuídos homogeneamente sobre a alta (figura 7).
Eerst moet u de delen in elkaar zetten in de vorm van een "U". Hiervoor moet u de 3 dunste houtdelen (die van 22 mm dik) aan elkaar bevestigen waarvoor u 3 schroeven aan weerszijde gebruikt, zoals worden getoond op de Foto' A en B.
Het is algid raadzaam om een boor van de juiste grotte te gebruiken voordat u de stukken vastschroeft. Als u het "U-stuk" in elkaar heeft gezet, plaatst u het gegen het zwembad om de metalen wig af te dekken, zoals u ziet op Foto C. Zorg ervoor dat er een deel van de metalen wig zichbaar blijft.
Om dit deel aan te zicht te onttrekken, plaatst u de verticale verstevigingen die u uitlijnt met het bovenste deel van het zwembad (photo D). Schroef ze als eerste vast aan de binnenkant van het zwembad met schroeven van 6× 90 (bij voorkeur 1 schroef per plank) en als tweede gegen het "U-stuk" zoals te zien is op Foto E (3 schroeven van 4× 60 verdend over de hoogte van het deel). Het要去eruit komen te zien zoals op Foto F.
Raadpleeg de plannen (Zie pagina 44).
De houten trap is bijgeleverd voor toegang tot het zwembad. Gebruik hem Niet voor andere doeleinden.
Monteer de houten trap en gebruik hem als patroon om de afstand te bepalen tussen consoles die de trap ondersteunen. In het geval dat het bassin een langgerekte vorm heeft, worden de trap alleen aan een korte kanf geplaatst.
Centreer de houten buitentrap ten opzichte van de zijkanten.
Boor gaten met een houtboor van 0 10 mm in de 2 trapbomen en de 2 consoles.
Gebruik de trap Niet voor andere doeleinden dan die welke+zijn aangegeven in deze handleiding.
Maximaal toelaatbaar draaggewicht = 150kg
De trap VERPLICHT weghalen na ieder gebruik van het zwembad.
Afhankelijk van de hoogte van het bassin, kan het nodig blijken om de trap aan te passen.
- Zaag de bomen van de trap op maar door te meten hoever hij uitsteekt afbeelding 8 en teken een evenredig deel af op het onderste deel van de trapboom en zaag dat stuk eraf.
- Monteer de trap en plaats hem Zoals aangegeven op afbeelding 9.

Consulte os planos (Ver pagina 44).
Indien het zwembad halfverdiept is aangelegd, moet de trap worden ingekort om op maat te+zijn voor uw zwembad. Om veiligheidsreden - als de ruimte tussen de grond en de eerste trede zich tussen de 89 en 230mm (afmeting A) bevindt, dieze ruimte sluiten door de trede van de trap die nicht worden gebruikt zodanig .... dat afmeting B kleiner is dan 89 mm. Daartoe doet u het volgende:
1-Verminder de lenghte van de trede met 12mm
2- Als afmeting A kleiner is dan 140 mm, verminder de bredte van de trede zodanig dat wanner u de trede in de ruimte waaronder installeert deze volledig is gesloten.
3-Monteer de aangepaste trede in de trap zoals op het bovenste schema is aangegeven, waar bij de boom van de trap van te voren is ingekort.
PT
No caso de a piscina estar parcialmente enterrada, sera necessarioURTAR a escada para adaptla a piscina. Por motivos de segurar, se o espoo entre o solo e o primeiro degrau se situa entre os 89 e os 230 mm (cota A), feche este espoo fixando o degrau da escada que nao se utilizez de tal forma que a cota B sera inferior a 89 mm. Para isso, faça o seguin:
Maximaal toegestaan gewicht = 150kg Haal de trap VERPLICHT weg na elk gebruik van het zwembad.

Er zijn twee möglichkheden om de beschermende wanddeken te installereren.
DUBBELZIJDIG PLAKBAND (NIET BIJGELEVERD)
- Plak het dubbelzijdig plakband van paneel tot paneel, in lijn met het bovenste deel van de bovenste planken (afbeelding 10).
Indien het hout een beetje nat of stoffig is, kutu het met schuurpapier gladder makez dat de hechtig beter is. - Controller of de wanden en de vloer schoon়n. Verwijder schroeven, resten, snippers, zaagsel...
- Rol de deken af in lijn met de bovenrand van de bovenste planken (afbeelding 11).
- Snij het uistekende deel van de deken weg en verwijder eventuele fouwen.
NIETPISTOOL (NIET BIJGELEVERD)
- Niet het uiteinde van de deken vast, te beginnen vanuit een hoek.
- Rol de deken af in lijn met de bovenrand van de bovenste planken.
- Plaats elke 20 cm een Nietje (afbeelding 12).
- Snij het uistekende deel van de deken weg en verwijder eventuele fouwen.
- Bewaar het teveel aan bodembedekking. (U(Intt dit nog nodig hebben voor de bodem).

NL Begin met hetplaaten van de beschemende bodembedekking die moet worden afgeknipt van de bijgeleverde rol.
- Rol de deken af waar bij u rekening houdt met uw keuze hoe u het zwembad wilt oriëfteren. (Het is better een schaar te gebruiken dan een stanleymes)
- Verbind de stukken zonder dat ze elkaar overlappen.
- Laat er geen vouwen in zitten.
- Verbind de randen van de stukken met elkaar met eenzijdig plakband.
- Als uw zwembad een wandgedeelte heeft dat Niet goed worden bedekt door de liner,kest u van dit moment gebruikmaken en de liner op de bodem van het zwembad leggen om hem daarna aan de onderkant van die wand waar buiten toe en een stukje omhoog te trekken. Op deze manier blijf de liner goed beschermd.
Bevestiqing van de eerste pakking van de skimmer
NL De skimmer is het punt waar het zwembadwateraar de filtering wordt gezogen.Zijn stand met het gezicht aan de overheersende windrichting zorgen ervoor dat eventueel vuil dat aan de wateroppervlakte driift (stof, bladeren...) worden opgevangen
INSTALLATIE
- Snij de deken af met een stanleymes. De snede要去 groter zichn dan het gat (omtrek van het gat +2 cm).
- Zet de eerst waterdichte pakking (platte pakking) vast in de body van de skimmer
NL Het uitstroommondstuk dien om gefilterd water in het bassin te laten stromen. Ga door de wand door het uitgespaarde gat in de voorgezaagde plank INSTALLATIE
- Lokaliseer de plaat van het gat voor het mondstuk.
-
Zet vanaf de binnenkant van het zwembad. een kuiselingse snede in de deken
-
Snij de deken af met een stanleymes. De snede要去 groter zichn dan het gat (omtrek van het gat + 2 cm).
De steel van de bodemreiniger van de skimmer worden enkel gebruikt voor het onderhoud van het zwembad.
EN · Continue positioning the white profiles as indicated below. Part of the profile must be introduced into the part of the profile, until it reaches the limit.
· Siga colocando los perfiles blancos como se indica a continuacion. Tiene que introducir parte del peril bajo de la pieza, hasta que haga tope.
FR · Placez les profilés blancs tel que cela est expliqué ci-après. Vous devez introduire une partie du profil dans la pièce, jusqu'au fond.
DE Ga door met het plaatsen van de witte profielen zoals hieronder aangegeven. U要去 een deel van het profiel in het stuk invoeren, totdat het stopt.
· Continuare a posizionare i profili bianchi come indicato di seguito. Occorre insertire parte del profilo all'interno del pezzo, finché non si arresta.
NL Ga door met het plaatsen van de witte profielen zoals hieronder aangegeven. U要去 een deel van het profiel in het stuk invoeren, totdat het stopt.
PT Colque os perfis brancos tal como se indica na imagem. Deve introduzir parte do perfil dentro da peça, até ao fundo.



The piece should be fixed at both ends.
- La pieza debe quedar fjada por ambos extremos.
La piece doit etre correctement fixe par les deux extrémités.
DE · Das Teil muss später von beiden Seiten fixiert sein.
Il pezzo delve essere fissato ad entrambé le estremità.
N· Het stuk moet aan beiden uiteinden worden vastgezet.
A paça delve ficar corretemente fixada em ambos os extremos.

EN Note: these parts are for aesthetics. Probably not all the corners are perfectly fixed. It will depend on the temperature of the liner and your ability for its installation. If the liner is not perfectly distributed around the pool, not all the corners will be fixed. In that case, there is not any problem, you must not worry, because it is only an aesthetic part.
Note:把这些 piezas teneruna func tion estetica. Es probale que no todas las esquinas queden perfectamente fijadas.Dependera de la temperatura del liner y de la habilidad para su colocacion. Si elliner no está perfectamente distribuido por la piscina, no se fjarre en todas las esquinas.En ese caso, no hay ningun problema, niDee preocuparse, yaque esuna pieza estetica.
Note: ces pièces possèdent une fonction esthétique. Il est probable que tous les angles ne soient pas parfaitement fixés. Cela dépendra de la température du liner et de l'habilité pour sa mise en place. Si le liner n'est pas parfaitement distribué dans la piscine, il ne sera pas fixé à tous les angles. Dans ce cas, il n'y a pas de problème, ne vous inquiété pas, il s'agit juste d'un élément esthétique.
Hinweis: Die Teile erfluen eine rein decorative Funktion. Es ist eher unwahrscheinlich, dass am Ende alle Ecken perfect sitzen. Dies hangt von der Temperatur der Folie und den jeweiligen handwerklichen Fertigkeiten ab. Wenn die Folie nicht perfect im Becken verteil ist, lasst sie sich nicht in allen Ecken befestigen. Da es sich jedoch um rein decorative Teile handelt, ist dies nicht weiter problematisch und kein Grund zur Sorge.
Note: quo hnn a fumione estetica. e probabile che non tti gli angoli siano perfettamente fissati. Dipendera da lattematera del liner e da capià di posizionarlo. Se il liner non viene distribuito perfettamente nella piscina, non si fissera in tutti gli angoli. Cio non causa alcun problema dato che assolve una funzione puramente estetica.
Let op: Deze delen hebben een esthetische functie. Het is goed maybeik dat Niet alle hoeken even goed zullen aansluten. Dit is afhankelijk van de temperatuur van de liner en het gemak om hem te kurenplaaten. Als de liner Niet perfect wordt verdeld over het zwembad, za hij Niet in alle hoeken even Mooi strak zitten. In dat geval is dat geen enkel probleem, en ook hoeft u zich geen zorgen te make, want het is een onderdeel dat slechts als versiering fungeert.
Note:把这些peas temuna funcao estetica.E provavel que nem todas as esquinas fiquem perfeitamente fixadas, o que dependera da temperatura do perfil e da habilidade na sua colocacao. Se o peril nao estiverperfeitamente distribuido pelascina, nao se fixararem dasas esquinas.Isto nao representa qualquer problema nem é motivo para preocupacao, ao tratar-se de umapea com umfuncao meramente estetica.

AANPASSEN EN VASTZETTEN VAN DE KLEMPROFIELEN (4x40): Breng het klemprofiel van de liner. Boor gaten in het klemprofiel met een boor van 4 mm en begin op 50 mm van de rand. Het klemprofiel gelijklopend aan de bovenste plankrand vastzetten met schroeven(4x40). Verdeel de schroeven gelijkmatig over het klemprofiel. Ga op bezelfde manier verder met de overige korte panelen. Als u de witte profielen op de juiste maat snijdt voor het vastklemmen van de liner, heeft u het overschot nodig om door te gaan met plaatsen aan de andere kant van uw zwembad.
Boor van te voren gaten in de planken.

Het seriENUMmer bevindt zich op het etiket van de doos
Maak de binnenkant van de zwembadstructu School (zandkorrels, schroeven...) met een stofzuiger indien nodig.
- Controller of de junta van de skimmer op zich plek zit. Plaats de afsluiter aan de binnenzijde van de skimmer.
- Zoek het serienummer op dat aan de onderkant of wand van de liner staat en noteer het in het betreffendevakje in de gebruiksaanwijzing voor eventuele claims*
- Controller of er geen enkele schroefkop uitsteekt vanuit het hout.

De liner moet tenminste 24 uur hebben doorgebracht bij een omgevingstemperatuur van minimaal 20^ voordat hij geplaatst kan worden. De afmetingen van de liner is enkele centimeters korter dan de interne maten van het bassin, zodat er een strakgespannen installmentie van de liner kan worden verkreten.
Het is van het grootste belang dat deplaatsing van de liner wordt uitgevoerd bij een buitentemperatuur van minstens 15^ . Het is ten zeerste aanbevolen om de liner enkele uren aan de zon bloot te stellen voordat hij wordt gemonteerd. Op die manier wordt hij buigzamer en daardoor is hetplaatsen makkelijker. Het is verplicht om de sticker met het serienummer te bewaren dat u op de liner aantreft. Voor ieder eventuele verzoek voor aanspraak op de garantie, worden dit serienummer verlangd.
INSTALLATIE (Het is absoluutoodzakelijk om het zwembad eerst met water te vullen voordat u de randenplaatst)
Om deutsche stap uit te voeren, is het van belang dat u uw schoenen uittrekt, opdat de liner Niet beschadigd.
A Betreed de binnenkant van het zwembad, reeds ontdaan van schoeisel.
B Plaats de liner in het midden van het zwembad (afbeelding 13) en ontvouw hem vanuit hier (afbeelding 14). Leg het geheel van de liner uit over de gehele omtrek gelijkmatig uit ten opzichte van de zwembadstructuur.
Lijn de onderste hoeken (hoeken van de onderste lasnaden) correctuit met de hoeken van het bassin (afbeelding 15).
D Steek het inhangprofiel van de liner in het klemprofiel (afbeelding 16).
#
De liner moet tenmiste 24 uur hebben doorgebrachy bij een omgevingstemperatuur van minimaal 20^ voordat hij geplaatst kan worden. Het is van het grootste belang dat de plaatsing van de liner wordt unitgeoverd bij een buitemperatuur van ministerens 15^ .
PT
Om de al geplaatste liner te verplaatsen, schuift u hem door het klemprofiel. Indien dit moeilijk gaat, kunt u de liner iets terugschuiven waarbui hem optilt zodat u de verdikte rand nicht beschadigt. Verzeker u ervan dat de liner goed op+zijn plaats zit, zowel op de bodem als op de wanden, waarbij de spanning ervan overal gelijk is (met de punt van de voet, kunt u de liner vanuit zich hoeken in de hoeken van de wanden duwen) (afbeelding 17).
F Vul het zwembad met 2 centimeter water (afbeelding 18). Om de plaatsing van de liner te vergemakkelijnen, gebruikt u bij voorkeur water dat NietECH koud is.
G Strijk de bodem van de liner glad om vouwen weg te halen en begin vanuit het midden waar de zijkanten. Ga verder met het vullen het zwembad. Als u nog steeds vouwen heeft, corrigeer de spanning van de liner aan de wanden door hem door het klemprofiel te verschuiven. (Schuine vouwen op de wand geben een onjuiste plaatsing aan) (Afbeelding 19).
!
Het is van het grootste belang dat de hoeken van de liner overeenkomen met de hoeken van de vorm van het bassin.
#
Als de liner eenmaal is geplaatst, gaat u verder met het van het zwembad tot 10 cm onder het uitstroommondstuk.
Enkele weken na het vullen, za de liner een kleurverschil vertonen tussen het gedeelte onder water en het deel dat aan de lucht is. Deze verkleuring is normala en levert geen enkel gevaar op voor de strekte en/of andere eigenschappen van de liner. Om te voorkomen dat u een donkere streep die ontstaat door luchtverontreiniging gaat zien op de scheiding van het liner-deel onder water en het deel in de open lucht (waterlijn genoemd), raden we u aan om de liner in dit gebied regelmatig te reinigen met een speciaal waarvoord boedeld product.
PT
Deze jibanblik toont de in een hoek geplaatste linerCiesta vista transversal moi oliner colocado no angulo
NL Bij geheel of gedeeltelijk verdiept aangelegde zwembaden, is het onontbeerlijk om op te vullen met steenslag wat ten goede komt aan de afwatering rondom het bassin. De opvulling met steenslag langs het zwembad kan een loutere formaliteit lijken, waarhat het op het eerste gezicht om weinig specifieke technische kennis vraagt. In werkelijkheid is het een operatie die veel delicater is dan wat het lijkt en waar bij bepaalde voorzorgsmaatregelen要去en worden genomen. Een onjuiste opvulling kan tot latere schade aan het zwembad en de zich omgeving leiden. Er要去 dus goed aandacht worden geschonken aan het te gebruiken materiaaal en het uitvoeren van alle controles is het van het grootste belang. Voor het uitvoeren van de opvulling met steenslag, is het volgende van belang:
- Controller of alle hydraulische en elektrische apparatuur goed is aangesloten. - Controller de waterdichtheid van de leidingverbindingen en let waar bij in het bijzonder op de afgedichte delen. - Om verder te gaan, beschermt u eerst de leiding van de perifere afwatering door hem af te dekken met geotextiel. Het is belangrijk om het vullen van het zwembad parallel aan de opvulling met steenslag uit te voeren onder zodat druk van beide kanten in evenwicht blijft en er tijdens de operatie geen verrormingen in het frame kannen ontstaan. Het advies is om de 1:3-techniek voor de opvulling te volgen (1/3 water en 1/3 steenslag). Het wordt aangeraden om bij de opvulling met steenslag te werken met oepenvolgende lagen waarbui u de gehele omtrek van het bassin steeds volgt om net het risico te lopen at het frame beschadigd. - Plaats de beschemende HDPE-noppenfolie (niet bijgeleverd) om het bassin. De alveolaire bescheming moet ook over de betonplaat lopen en zich uitstrekken aan de buitenkant hiervan. - Om verstopping van de afwatering te voorkomen, is het nodig om een vilen doeok over en de natuurlijke grond te spannen (niet bijgeleverd) om de grond op+zijn plaats te houden. - Installer de perifere afwatering op de bescheming en sluit hem aan op de decompressieput, indien van toepassing. Als dit Niet het geval is, de afwatering verlengen over het terrein. - Vervolgens, de opvulling uitvoeren door compacte steenslag (kaliber 10/30) aan te brengen gegen de wanden - wat de afwatering za vergemakkelijnen. Deze opvulling moet tegelijk worden uitgevoerd met het vullen van het zwembad.
Opvullen met tuinaarde is verboden.
INFORMATIE: Een afwateringsystem, aan de voet van het zwembad maakt de continue afvoer van water möglichn en op die manier, wordt voorkomen dat water kan optrekkenaar het bovenste deel van de installment, waar lucht en aarde op elkaar inwerken en waar schimmel of houtrot kan ontstaan (onderstaand schema).
Het ontbreken van drainage heeft tot gevolg dat water kan optrekken, wat aanzienlijk en permanent kan zich en wat aantasting kan veroorzakenaar waar aarde en lucht met elkaar in contact treden (onderstaand schema).
In het geval dat er een aanval is geconstasteerd en er geén drainagesystem bestaat, za de garantie geen verantwoordig nemen voor de schade.
Terreno naturale · Natuurlijke bodem
Felt·Fieltro
Feutrine · Filz
Feltro · Vilt
Peripheral drainage
Drenaje periférico
Drain périphérique
Periphery drainage
I grind voor drainage.
Britadrenante

POSIBLE ATTACK
Humid wood · Madera humeda
Bois humide • Feuchtes Holz
Legno umido • Nat hout
Madeira humida
Wooden structure · Estructura de madera
Structure bois · Tragewerk aus Holz
Struttura in legno · Houten frame
Estrutura de madeira
Slab · Losa de hormigón
Dalle • Platte • Basamento
- Betonplaat - Laje





REFILLING FITTING WITH KEY
Laat het zwembad gedeelrijk vollopen, en stop wanner het waterniveau ongeveer 4 cm onder de rand van de klep staat.
Merk de opening met een merkpen (A) en kaak een kruisvormige snede in het midden (B) van de opening met behulp van een cutter (MES) zonder de rand van de opening te overschrijden.
Breng vanuit het zwembad en via de zojuist gemaaakte inkening (C) de terugvoerklep (No 1) aan, samen met een van de wrijvingsringen (No 2) en een van de naden (No 3).
De delen van de liner die aan de buitenkant van het zwembad waar buiten steken moeten zorgvuldig en precies worden afgesneden.
De andere pakking (No 3.1) worden vanaf de buitenkant geplaatst, vouw hem dubbel en steek hem door het paneel, zodate Zo in contact blijft met de liner en het paneel. (C).
Plaats het andere wrijvingsring (No 2.1) aan en span ze stevig aan met behulp van de moer (No 4). Breng de waterslangvoort het terugkerende water, die van de uitlaat van de zuiveringsinstallatie aan het terugslagventiel loopt, in en zethaarvest met de klemring.
Belangrijk: Voordat u de mouw staat, eerst de afwerkingplaatsen.(No 5)
Controller de klep van de zuiveringsapparatuur in de stand GESLOTEN (Closed) staat.

1- Body van het mondstuk
2-2.1 Platte ronde pakking
3- 3.1 Pakking
4-Moer van de body van het mondstuk
5-Afwerkingplaatsen

Installer de filtering voordat u verder gaat met het afsnijden van de van de liner.

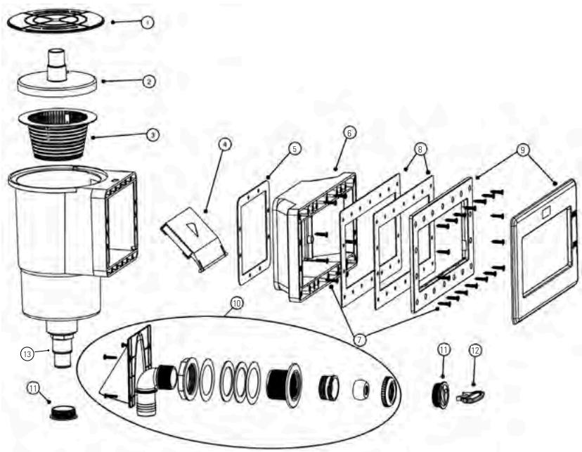
SKIMMER
MONTAGE VAN DE SKIMMER
Alvorens de Skimmer in het zwembad te installereren要去 men het sluisapparaat aanbrengen op de ingang van de skimmer.
Alvorens de Skimmer in het zwembad te installereren要去 men het sluisapparaat aanbrengen op de ingang van de skimmer (No 5, Fig. 3). Brengervolgens de naad (No 6) en de conische mond (No 7) aan, en schroef deze onderdelen vast met 8 schroeven (No 8) DIN7982 5,5x25, zoals aangegeven in A.
BEVESTIGING VAN DE SKIMMER
Laat het zwembad verder vollopen totdat het water een niveau 4 cm onder de opening van de skimmer in de wand van het zwembad bereikt. Snijd de liner precies rond de opening weg met een cutter (mes).
SKIMMER

A


C
- Voordat u verder gaat, verzeker u ervan dat de afsluiter van de skimmer is de juiste stand staan.
- Markee met een stift de stand van de bevestigingssschroeven op de liner.
- Plaats de tweede, platte vierkante pakking (5.1) en cervolgens de flens (8) gegen de liner, en lijn de gaten uit met de plaatsmarkeringen van de schroeven.
Zet de flens vast (6) op de liner met de 18 schroeven en begin met dem Boden (7). De druk van de bevestigingspunten op de voering moet constant zijn (kruiselings klemmen) - Draai de schroeven eerst losjes aan om te(APen controleren dat het geheel correct geplaatst is, draai de schroevenervolgens stevig aan, following the order indicated in C.
Schroeft de slang-pilaarkoppeling vast die erder al is uitgerust (13) met teflon tape aan de body van het mondstuk, via de buitenkant van het bassin. - Klik de decoratieve afdekking No9 vast, erop lettend dat de niveau merktekens op de juiste positie terechtkommen (D).
- De liner op maat snijden met een stanleymes aan de binnenzijde van de skimmer. (E)
Op dit moment要去 de filtering worden geinstalleerd.


D
1-Deksel skimmer
2-Hulpdeksel
3-Mandje
4-Sluisapparaat
5-Aansluitnaad
6-Conisch monstuk
7-Zak met schroeven (26 DIN 7982 5,5X25 and 10DIN 7982 4,8X19)
8- Naad
9-Terugvoerklep
10-Sleutel
11-Overwinteringsstop
12-Sleutel
13-Slangadapter

E





BOQUILHA DE IMPULSAO
MONTAGEAANWIJZINGEN: De filtergroep moet worden geplaatst op minstens 3,50m van het zwembad.
De onderstaande schema's zijn bedoeld om de richting van de watercirculatie te tonen. Raadpleeg de handleiding die bij de filtergroep is meegeleverd om de montage uit te voeren. Let op: Vul met filter voor 2/3 met schoon en gekalibreerd zand; gebruik slechts een kaliber, dit garandeert de goede werking van de filtering. (1) De kleuren en de verbindingen van de filtersystemen konnen per model verschillen. Raadpleeg de bijbehorende handleiding.
De multidirectionele afsluiter bepaalt een circulatierichting. De markeringen "PUMP" "RETURN" "WASTE" zijn afleesbaar aan de in- en uitgangen van de afsluiter. De installmente van alle elektrische systemen moet worden uitgevoerd overeenkomstig de norm NF C15-100. Neem contact op met de fabrikant voor ieder type aanpassing aan een of meerere onderdelen van het filtersystem. De aanzuigpomp mag zich nicht boven de waterspiegel bevinden want dan bestaat de kans dat hij zichelf uitschakelt.
Alle schroefverbindungen moeten worden gemonteerd met bijgeleverd teflon antilekkage-tape *, behalte de verbindingen met O-ring. De teflontape要去 gegen des schroefrichting in om de verbinding worden gerold.
TERREIN EFFENEN: Eindig met het vullen van het zwembad. De waterspiegel moet zich bevinden:tussen het bovenste derde deel en het midden van de skimmermond.

NL D it is het oudste van alle filtersystemen. Het te filteren water passeert door zand (gekalibreerd silicium) dat alle onzuiverheden vasthoudt. Dit type filter is voorzien van een multidirectionele aflsuier waardoor de bediening en het schoonmaken eenvoudig zijn uit te voeren.
VERSCHILLENDE STANDEN VAN DE MULTIDIRECTIONALE AFSLUITER (4 OF 6)*: Wanner er veranderingen worden aangebracht in de stand van de multidirectionele afsluiter, moet de pomp alsijd zijn uitgeschakeld, zonder het risico te lopen dat het filter ernstige schade oploopt en de garantie vervalt.
- STAND FILTERING (OF FILTER): Normale stand van de afsluier die er voor zorgt dat het water dat uit de pomp kommt via het bovenste deel van het filter binnenkomt en circuleert door het zand, waar alle onzuiverheden worden opgevangen. Het water wordt opgevangen in het rooster op de bodem en gaat terug maar het zwembad. De manometer die in het bovenste deel van het filter zit, stelt u in staat de druk te regelen. In het geval de druk met 0,2 bar toeneemt ten opzichte van de druk bij het in werkig zetten, is het nodig om het filter schoon te makeen.
- STAND WASSEN (OF BACKWASH): Stand voor schoonmaken van het zand. Zorgt ervoor dat het water in omgekeerde richting door het filter circuleert. Het water komt binnen via de onderkant van het filter en dit zorgt ervoor dat de gefilterde vuil omhoog komt waardoor die onzuiverheden die veelichter zichen dan het zand worden verzameld en via het bovenste.Deel hunnen worden afgevoerd aan de waterafvoer. Deze handeling zou tussen de 2 en 3 minutes要去en duren.

- STAND TERUGSPOELEN / AFVOEREN VAN HET FILTER** (OF RINSE): Handeling die volgt op het wassen van het filter. Wanner het filter is gewassen, is het van het grootste belang dat het gefilterde vui wordt nagewassen en het filtervui wordt verzameld. In deze stand circuleert het water door het filter zoalsijdens het filteren maar gaat waar buiten via de afvoer in de uitlaat van het filter. Deze handeling moet+tussen de 20 en 30 seconden worden uitgevoerd.

- STAND LOZEN / WATERAFVOER (OF WASTE): Stand voor de afvoer van water of om het bassin leeg te lately lopen. In dit geval paasseert het water Niet door het filter, maar gaat meteen waar de waterafvoer.

- STAND GESLOTEN (OF CLOSED): Deze stand voorkomt dat het water passeert; deze stand worden gebruikt om het zwembad totaal winterklaar te makeen wonneer de filtering worden gestopt.

-
STAND RECIRCULATIE / CIRCULATIE**: Stand die worden gebruikt opdat het water door het waternetwork rk circuleert zonder door het filter te passeren. Deze möglichkeid wordt toegepast om het water terug te latent stromen wonneer er een product aan moet worden toegevoed aan het zwembadwater of wonneer u een handeling aan het filter moet uitvoeren, want in dit geval is het filter geisoleerd en het water dat via de pomp loopt worden meteen weer in het zwembad geloosd.
-
Enkele modellen worden geleverd met een 4-weg-afsluiter (beschikbare opties: Filtering, Wasser, Legen/Lozen, Sluiten of Winterklaar make).
** Deze standen verwijzen enkel waar de 6-wegs-aftsluiter.

RANDEN (Het is absolutnoodzakelijk om het zwembad eerst met water te vullen voordat u de randen plaatst. Het is verboden om op de zwembadranden te zitten of te lopen. Een eventuale breuk worden nicht gedekt door de garantie.)
De rand is samengesteld uit 2 tableaus, een voor binnen en de ander voor buiten. Bekijk de plannen (4x60) (Zie pagina 44).
VOORBEREIDING
-
Voordat de rand wordt vastgezet, gaat u verder met het in positie brengen van alle tableaus in proefopstelling, waar bij u het montageplan aan het einde van de handeiding volgt, zonder ze vast te schroeven, om de speling gelijkmatig te verdelen.
-
Laat de rand waar binnen toe uitsteken om als «golfbreker» te fungeren.
BEVESTIGEN
- Het is nodig om in de randdelen vooraf gaten te boren met een houtboor van 4 mm om een stevige en duurzame fixatie te bewerkstelligen. Voor de montage, gebruik de rvs-schroeven 4 × 60 mm die schuin要去en ingeschroefd (in het geval van gebruik aan buitenzijde) aan de onderkant van de sleuven.
- Als u alle randen op hun plaats hebt gezet, doorgaan met vastschroeven op het niveau van de consoles. (*)

Bevestiging van de platen onder de randen
Bevestiging van de randen
Fixação dos bordos
Plaatsing van de sierlijsten voor hoeken
- Plaats houtplaten onder de randen in de hoeken en zet ze vast met 4 schroeven (4x40).

PLACA SOB OS BORDOS (4X40) (*)
- Op het paneel waarin de skimmer worden geplaatst, alleen de buitenste rand op maat uitsnijden die zich op de helft van de afstand tussen de steunbalken befindt
- Zet het toegangsluike van de skimmer vast met het bijgeleverde scharnier.
PRAIA DE ACESSO AO SKIMMER
A. Verbind het bovenstuk (1) en onderstuk (10) van de handrail door deze in elkaar te passen, en verbind ze onderling met behulp van de treden (9) welke aan de handrails bevestigd worden met de correspondende bouten (11), moeren (8) en ringen (7). (Fig.20)
B.- Breng de eindstoppen (12) van de handrail aan, om hervor te zorgen dat de trap geen schade veroorzaakt aan de bodem van het zwembad.
C. - Wanner de trap geheel gemonteerd is,plaats deze in het zwembad en boor vier gaten mete 09mm, na de positie waar van gerekt te hebben met behulp van de bevestigingsplaat.
D.- Breng gegen plaat (6) door de bouten (3) en de ringen (4,7) en moeren (8) en stel vergrendeld sleutel nummer 12-13. (Fig.21)
E.- Schuif de sierring (2).

Tijdens het eerste gebruik is het verplicht om een wassing van het filteruit te voeren (zie: Onderhoud van het filtersystem). De filtering is een mechanische behandeling die het maybeijk maakt om zwembadwater te reinigen door het verwijderen van onzuiverheden en verontreinigende deeltjes. Het geheel van het hydralische circuit en de waterzuiveringsgroep is een essentieel element voor de goede werkung van het filtersystem. Het filtersystem moet coherer zijn: De afmetingen van het filter moeten proportioneel zijn aan het watervolume van het zwembad en aan het rendement van de pomp. De filtering is Niet antibacterieel. Om die reden is het verplicht om het aan te vullen met een product (of een system) voor het desinfectoren van het water.
TIJDSDUUR FILTERING
In de periode van het一年多 dat de zwembadkit worden gebruikt, moet het filtersystem dagelijks in werkung worden gesteld en gedurende een periode die lang genoeg is om een complete verversing van het watervolume te garanderen. In theorie, gebruikt u de volgende berekening:
(T^ van het water / 2) = aantal uren filtering
Vaak komt dit er in praktijk op neer dat er 4aar voor en 4aar na het middaguur wordt gefilterd.
Het met:tussenpozenlatenwerken(ekuurstarten en stoppen)wordtafteraderomdatopdeze manierniet het gehelewatervolumewordtverst.
WERKINGSPRINCICE:

De skimmer stofzuigt het water van uw zwembad (dit element, en vooral de filternetjes die bladeren en andere grove stukken rommel opvangen, moeten heel
schoonijken). Het water stroomtervoalgens door de leidingen en komt in een
pomp met voorfilter * (daar filtert een ander netje de middelgrote rommel eruit, en waarom is het belangrijk om dit netje goed schoon te houden voor een goede werking).
| TEMPERATUUR VAN HET WATER | TIJDSDUUR VAN DE FILTERING VOOR EEN DAG |
| 15 a 18°C | 8 uur |
| 19 a 21°C | 10 uur |
| 22 a 25°C | 12 uur |
| 26 a 28°C | 14 uur |
| 28 a 30°C | 19 uur |
| + de 30°C | 24 uur |
De pomp stuwit het water waar een filter dat alle zwevende vuiddeeltjes vasthoudt door+zijn filtematerialiaal. Dit filter werkt met zand. Het water dat al is gefilterd, stroom terug hier het zwembad. Deze constructie kunt u beheren, programmeren en beschermen via een elektrische unit (optioneel). Het water van uw zwembad moet worden onderworpen aan een fysische en chemische behandeling om+zijn transparantie te behonden en een geheel veilig bad te garanderen. Het is Niet aanbevolen om het zwembad met opgeprompt water te vullen, dit om alle risico's te vermijden op chemische reacties en verkleuring van het water.
U MOET ZICH ER ALTIJD VAN VERZEKEREN DAT:
- Het waterniveau correct is: dat wil zaggen, netiets boven het midden van de skimmer.
- De netjes van de skimmer en van het voorfilter van de pomp� schoon.
- Het hydraulische circuit is gecontroleerd en de standen van de aftsluiters geverifieerd.
- De filtering kan in werkung worden gesteld en de druk moet worden afgelezen op de manometer (afhankelijk van het type en van de stand van de technische ruimte ten opzichte van het zwembad).
VERBOD OM HET ZWEMBAD TE BETREDEN INDIEN HET FILTERSYSTEEM IS BESCHADIGD
- Afhankelijk van model
ONDERHOUD VAN HET FILTERSYSTEMEEM
SCHOONMAKEN VAN HET FILTER
Deze procedure moet telkens worden uitgevoerd als een filter moet worden schoongemaakt. Wanner de druk met 0,2 bar toeneemt ten opzichte van de druk bij het in werkung zetten, is het nodig om schoon te makeen zoals hieronder wordt uiteengezet. Verzeker u ervan dat de afvoerslang (niet bijgeleverd) correct is aangesloten op de verzamelaar van de multidirectionele aflsuieter: zodenig dat er water kan worden geloosd wanner het zand of het filter wordt gewassen.
- Schakel de filteringuit.
- Zet de multidirectionele aflsluiter in de stand BACKWASH.
- Zet de filtering in werkinq en 2 a 3 minutes soften draaien.
- Zet de filtering opnieuw uit, zet de multidirectionele aflsluiter in stand TERUGSPOLEN en zet de filtering weer in werkig gedurende 30 seconden.
- Stop de filtering en zet de multidirectionale aflsluiter in stand FILTEREN.
- Zet de filtering werk in werking en controllerer of de druk juist is.
SCHOONMAKEN VAN HET BASSIN
- Sluit de slang aan op de bodemreiniger.
- Plaats de bodemreiniger en het water.
- Vul de waterslang door hem voor een uitstroommondstuk te honden.
- Plaats het andere uiteinde in de steel van de bodemreiniger.
- De bodemreiniger moet langzaam worden bewogen (om te voorkomen dat er vuil opdwarrett) en zonder hem uit het water te halen, om te voorkomen dat de pomp zich uitschakelt.
- Wonneer het schoonmakeen klaar is, het filter reinigen voordat hij in zijn gebruikelijke stand worden teruggezet
AANBEVELINGEN:
- Het is verplicht te controlleren of de afzuiqopeningen Niet zich geblokkeerd.
- Het is verplicht de filtering uit te schakelen gedurende onderhoudswerk aan het filtersystem.
- Controller regelmatig het smeergehalte van het filter.
Voor het onderhoud en het winterklaar makesen van het zandfilter is het nodig water te lozen. Het is van het grootste belang rekening te houden met lozen bij de installmentie van de filtergroep.
WATERBEHANDELING
Welk filtersystem u ook gebruikt, het is altijd nodig om het zwembadwater chemisch te behandelen om bacteriën en micro-organismen te vermietigen en om de ontwikkeling van algengroei te voorkomen. U kurz verscheidene steriliserende producten gebruiken, zoals chloor, broom, zuurstof, etc. Vraag een verkoper om advies over producten voor waterbehandeling voor zwembaden om een keuze te make. In de eerste plaats, moet de pH-waarde worden gecontroleerd door middel van een testkit. Houd er rekening mee dat de testflessen slechts een一年多 houdbaar zijn. De ideale waarde voor de pH ligtussen 7,2 en 7,4 en voor CHLOOR is dat 1,5. Corrigeer de waarde d.m.v. pH-correctoren (pH-verhogend of pH-verlagend). De hoeveelheid product is proportioneel aan de inhoud van uw zwembad. Voor de behandeling van uw bassin, raadpleeg de aanwijzingen die u kurz lezen op het product dat u voor uw zwembad heeft gekozen.
pH (zurtegraad): Het is verplicht de pH-waarde van het water altijdussen 7,2 en 7,4 te honden omdat het water beneden deze waarde corrosief worden (vanwege de zuurgraad) en raken de metalen delen van het zwembad snel aangetast. Boven deze waarden is het water basisch en worden de werkking van
de behandeling in grote mate vermindert.
Chloortabletten nooit direct in het bassinplaatsen. Daardoor «verbrand» de liner.


VEILIGHEIDSINFORMATIE
Voor het installereren en in gebruik nemen van het zwembad, dient u de informatie die in deze handleiding is verrat aandachtig door te lezen, goed in u op te nemen en na te leven. De mededelingen, instructies en de aanbevelingen betreffende de veiligheid hebben betrekking op enkele van de meest voorkomende risico's die bestaan bij vrijijdsbesteding in het water; deze beslaanECHTERNiet alle risico's en gevaren die zich zouden kuren voordoen. Wees voorzichtig en kritisch, en gebruik vooral uw gezonde verstand bij het beoefenen van activiteiten in het water. Bewaar deze informatie zodat u alles op een later moment nog eens kunt nalezen.
Wanneruw zweebad het einde van zijn levensduur heeft bereikt, moet het worden gedemonteerd, de verschillende materialen gescheiden (o.a. plastic en ijzer) en ingeleverd op een door deplaatselijke gemeente aangewezen verzamelplaats.
Er moet altijd een verantwoordelijke volwassene aanwezig zich die alert, actief en voortdurend toezicht houdt, met name op kinderen die nicht kuren zwemmen of die dat nog Niet goed hunnen (houd er rekening mee dat het risico op verdrinking het hoogst is onder kinderenjonger dan vijf一年多).
- Zorg ervoor dat er steeds een verantwoordelijke volwassene aanwezig is die toezicht houdt op het zwembad, iedere keer dat het worden gebruikt.
- Het is wenselijk dat kinderen die nicht kuren zwemmen of die dat nog Niet goed kuren beschikken over persoonlijke beschermingsmiddelen wanner ze gebruikmaken van het zwembad.
- Wanneer het zwembad Niet wordt gebruikt of wonneer er geen toezicht aanwezig is, alle spellegoed eruit halen om te voorkomen dat kinderen zich in de buurt ervan begeven.
Veiligheidsvoorzieingen
- Het is aanbevolen om een barrière te installereren (En, indien nodig, veiligheidselementen te installereren in deuren en ramen) om onbevoegde toegang tot het zwembad te voorkomen.
- Barrières, afdekzeilen, zwembadalarmen of vergelijkbare veiligheidsvoorzieningen zijn nuttig, maar vormen geén verranging voor de voordurende controde door een verantwoordelijke volwassene.
Veiligheidsvoorzieingen
- Het is aanbevolen om reddingsmaterial (bijvoorbeeld, een reddingsboei) paraat te hebben vlak bij het zwembad.
- Zorg ervoor dat er een goed werkende telefoon en een lijst met telefoonnummers van hulpdiensten voorhanden+zijn in de buurt van het zwembad.
Veilig gebruik van het zwembad
- Moedig alle gebruikers aan, vooral kinderen, om zwemles te nemen.
- Leer reddingstechnieken (m.n. cardiopulmonaire reanimatie) en werk uw kennis regelmatig bij. Deze technieken konnen een leven redden in geval van nood.
Leg aan alle gebruikers van het zwembad uit, ok aan kinderen, welke procedures ze要去en volgen in noodgevallen. - Duik nooit in een ondiep zwembad waar dit ernstig of dodelijk letsel tot gevolg kan hebben.
- Maak geen gebruik van het zwembad nadat u alcohol, drugs of medicijnen heeft gebruikt die uw vermogen of bewustzijn beinvloeden om dat in een geheel veilige toestand te konnen doen.
- Indien het zwembad is afgedekt door afdekzeil, dient u het volledig van het wateroppervlak weg te halen alvorens het bad te betreden.
- Behandel het water van uw zwembaden en houd er goede hygienische praktijknen op na om gebruikers gegen watergerelateerde ziekten beschemen. Kijk na hoe u het water要去 beholdelen in de gebruksaanwijzing.
- Houd chemische producten (bijvoorbeeld: producten voor waterbehandeling, voor schoonmaak of om te desinfecteren) buiten het bereik van kinderen.
- Het is verplicht om de bijgeleverde pictogrammen op een zichbare plek op minder dan 2 meter van het zwembad teplaatsen.
- Plaats de verplaatsbare,trappen op een horizontal terrein.
BELANGRIJK:
Alle apparaten die gevoed worden met 220 V, dienen zich op z'n minst op een afstand van 3,50 meter van de rand het zwembad te bevinden. Het toestel要去 aangesloten op een geoard netwerk met een wisselstroomspanning van 230 V en 50 HZ, en要去 beschermd toen door een differentieelschakelaar (RCD) met een residuèle differentieelstroom van Nieteer dan 30mA . Lees de gebruksaanwijzing aanachtig en bewaar die voor toekomstige raadplegingen.
MOCHT U EEN PROBLEM HEBBEN... RAADPLEEG ONS!
web: www.grepool.com/en/after-sales




- Stel het filtratiesysteme eenmaal per dag in werkung om van een volledige verversing van het watervolume verzekerd te zich en doe dit altijd wonneer het zwembad Niet voor het bad in gebruik is (zie de handleiding van de zuiveringsinstallatie).
- Controller in de zomer regelmatig het verstoppingsniveau van de filter wanner het zwembad in gebruik is.
- Controller de schroeven, moeren en sluitringen (op roestvlekken).
- Het waterniveau van het zwembad moet algijd minstens tot op 15 cm vanaf de bovenrand van het zwembad worden gehandhaafd.
- Laat het zwembad nooit volledig leeglopen. Lage waterpeilen konnen het zwembad ernstig beschadenigen.
- Hetfeitn de onderhoudsplachten te respecteren kan ernstige risico's voor de gezondheid opleveren, in het bijzonder voor kinderen.
- Het gebruik van een zwembadkit houdt in dat men de veriligeidsvoorschriften naleeft die in de onderhouds- en gebruiksaanwijzing staan beschreiben.
- Laat een zwembadkit nooit leeg buiten op de grond liggen.
- Reinig regelmatig de Liner P.V.C. en de streep van het waterniveau met Niet- bijtende middelen. Reinig regelmatig de verbindingsvouw van de bodem met de zijkant van de liner waar dit een zone is waarin het vuil zich gemakkelijk opeenhoopt. Mocht u per ongeluk een gaatje veroorzaken in de Liner dan kut u dat repareren door unsere plakkertjes AR202 of V12 te gebruiken.
- De zomerovertrekken (isothermische) beschermen uw zwembad gegen insecten, stof, bladeren enz. en voorkomen het verlies van de temperatuur van het water. Plaats deze zodenig dat de belletjes algid in contact zich met het water.
WINTER:
1- De bodem en de wanden van de Liner reinigen met een nicht-bijtend middel.
2- Het water behandelen met een chemisch overwinteringsproduct. Aangeraden worden om OVERWINTERINGSVLOEISTOF te gebruiken inplaats van vrijvers met een vast product om verleuring van de beckleding te voorkomen.
3-Het zwembad vol latent staan met water, rekeninghoudende met:
a) Voor zwembaden met skimmer en terugvoerklep het waterniveau houden op 5 cm onder de skimmer en de terugvoerklep sluiten met de schroefdop die aan de zuiveringsinstallatie is toegevoegd.
b) Voor zwembaden met inlaat- en terugvoerklep het waterniveau honden op 20 cm onder de bovenrand van het zwembad en de kleppen afsluiten met behulp van het bijgesloten schroefsystem.
4- De slangen losmaken. Nóch de skimmer bóch de kleppen demonteren.
5- Het zwembad beschermen met een winterovertrek en daartussen en het water een vrijvend elementplaatsen teneinde het gegen de kou te beschermen.
6- De zuiveringsinstallatie losmaken van het zwembad. Deze reinigen, van zand ontdoen of de zak verwijderen, drogen en opbergen op een overdekteplaats zonder vochtigheid.
7- Accessoires: Alle hulpstukken verwijdenen (trap, alarm, spot, stok, ...), met zoet water schoonmaken en opbergen.
NIEUWE INWERKINGSTELLING: Het winterovertrek verwijderen, de zuiveringsinstallatie aanbrengen, minstens 1/3 van het water verwisselen en een schokchloring toepassen. De zuiveringsinstallatie op z'n minst gedurende 8aar ononderbroken in werkung stellen.
CHEMISCHE MIDDELEN:
Lees aandachtig de instructies van de fabrikant betreffende het chemische product. BELANGRIJK: Bewaar de chemische producten op een schon, droge plaat en altijd buiten het bereik van kinderen. Belangrijk: Alle gebruekte producten dienen compatibel te zich met de Liner van P.V.C.
- Eerste vulling: Het pH- en Chloorgehalte (Cl) van het water analyseren en deze aanpassen aan de optimale niveaus: pH: 7,2-7,6; Chloor: 0,5 tot 2 ppm.
- Schokchloring: Deze bestaat uit het verhogen van het chloorniveau tot onceveer 20 ppm voor het elimineren van bacteriën en algen. Alleen uit te voeren wonneer het zwembadwater afkomstig is uit rivieren, vijvers, of wonneer het water gedurende langeijd geen behandeling heeft ondergaan.
- Controles: Minstens één keer per week het pH- en chloorgehalte nakijken. (Gebruik een analysator voor chloor en pH). Eveneens dient
Algicide te worden toegvoedg om het onstaan van algen te voorkomen. Nooit baden voordat het chloorniveau in evenwicht is. Gebruik algid een drijvende doseermaat voor de oplossing van het chemische product (tabletten). De dosering van de chemische producten geschiedt in overeenstemming met:Het watervolume van het zwembad, de veelvuldigheid van het baden, de weersomstandigheden, de temperatuur van het water en de ligging van het zwembad. Het water steeds in beweging honden en wachten tot een chemisch product is opgelost alvorens een ander daaraan toe te voegen. Wacht ongeveer 12 uur全过程 aanpassing van pH, chloor of antialgen en LAST het filtratesystem werken.
MECHANISCHE MIDDELEN:
Verfiernen of de zuiveringsinstallatie, de skimmer, de kleppen en slangen op de juiste wijze aan het zwembad+zijn verbonden. Er moet rekening mee worden gezogen dat het water bij hogere temperatuur更是 voor filtratie nodig za hebben. Theoretische filtratietijd = Watervolume/watermassa van het filtratesystem (meestal 8 uur per dag met een temperatuur van het water van 21^) (ideaal: 2 uur's morgens-4 uur om twaal uur overdag-2 uur's middags).
BODEMREINIGERS DOOR OPZUIGING (HAND- OF AUTOMATISCHE BEDIENING):
Alleen voor zwembaden met skimmer. Eén uiteinde van de slang van de bodemreiniger bevestigen aan de veger en onder water dompelen zodat de slang volloopt. Het andere uiteinde van de slang verbinden aan de deksel van de zuiger (TA) en dezeplaatsen op het mandje van de skimmer. Stel de zuiveringsinstallatie in werkung op stand FILTER en begin met het reinigen van de bodem. Speciale aandacht moet worden besteed aan de zones met fouwen waarin het vuil zich kan opeenhopen.
BODEMREINIGER TYPE VENTURI:
Een tuinslang aansluten op de kop van de bodemreiniger en deutsche in het zwembad brengen. De kraan openen met een normale waterdruk zodate het water gegen de zwembadbodem vloeit en een opwaartse stroom veroorzaakt die het vuil in het filter, dat deeluitmaakt van de bodemreiniger, deponeert.
| EFFECTEN | OORZAKEN | OPLOSSINGEN |
| Water groenachtig troebel | Filter vuilpH onjuistAlgengroei | Spoel het filterCorrigerenShockbehandeling |
| De pomp start nicht | Gesprongen schakelaarDoorgebrande zekeringTurbine geblokkeerd | Opnieuw aanzettenVervangenController of de ventilator achefter dmotor draait |
| De pomp draait maar geen doorvoer | Zuigerang geslotenSkimmer zuiigt lucht aanVoorfilter volEr kommt lucht in de afdekkingTurbine defect | Opnieuw openenCorrigeer de waterstandReinigenCheck de verbinding en verrang afdek-king van het voorfilterVervang de turbine |
| De skimmer zuigt nicht | Netje volAfsluiter Niet goed geslotenWaterniveau te laag | LegendopenAanpassen |
| Vuil water worden teruggeprompt in het zwembad | Filter verstopt | Wassen, reinigen |
| De druk op de manometer is te hoog | Het filter is slecht schoongemaaktUitstroompoort gesloten | HerhalenOpen de poort, controller de toes-stand van het zand (eens per 3 of 4aar verwangen) |
| De bodemreiniger zuigt nicht of zuigt nauwelijks | Voorfilter verstoptBijbehorende aflsluiter geslotenSlang versleten of geperforeerdLucht in de leidingenAndere aflsluiters geopendFilter vuil | SchoonmakenOpenVervangenOnluchten en wachten op de aanzui-gingSluitenSchoonmaken |
| Roestvlekken | pH-waarde veel te laag | Verhoog de pH-waarde tot 7,2-7,4 |
| Zand in het bassin | Kapot roosterDe multidirectionale aflsluiter is be-diend met de pomp in werkigFiltering verkeerd om aangesloten. De ledingen zijn tijdens montage verwis-seld. | Vervang het roosterVervang de multidirectionele aflsluiterSluit de filtering correct aan |
SimpelGids