AWC - Ventilator APPLIED ENERGY - Gratis gebruiksaanwijzing en handleiding
Vind de handleiding van het apparaat gratis AWC APPLIED ENERGY in PDF-formaat.
Gebruikersvragen over AWC APPLIED ENERGY
0 vraag over dit apparaat. Beantwoord die u kent of stel uw eigen vraag.
Stel een nieuwe vraag over dit apparaat
Download de handleiding voor uw Ventilator in PDF-formaat gratis! Vind uw handleiding AWC - APPLIED ENERGY en neem uw elektronisch apparaat weer in handen. Op deze pagina staan alle documenten die nodig zijn voor het gebruik van uw apparaat. AWC van het merk APPLIED ENERGY.
GEBRUIKSAANWIJZING AWC APPLIED ENERGY
Bewaar voor gebruik later
Algemene informatatie
Omschrijving
Dit apparaat is ontworpen om de bediening van Xpelair NWAN Whispair ventilatoren te regelen.
Het is ontworpen om het temperatuurverschil+tussen hoge en lage niveaus in grote gebouwen te minimaliseren. De unit is uitgerust met twee temperatuursensors en kan worden gebruikt voor de bediening van maximaal tien NWAN plafondventilatoren.
De AWC kan ofwel in automatische of in handmatige stand worden gebruikt.
- Wanner de regelknop volledig linksom is ingesteld, is de ventilatorsnelheid minimaal wanner het temperatuurverschilussen hoge en lage niveaus 3^ C of minder is; wanner het verschil 6^ C of更高的 is, dan is de ventilatorsnelheid maximaal.
- Wanner de regelknop volledig rechtsom is ingesteld, is de ventilatorsnelheid minimaal wanner het temperatuurverschilussen hoge en lage niveaus 10^ of minder is; wanner het verschil 13^ ofmeer is,dan is de ventilatorsnelheid maximaal.
- Om het temperatuurverschil waar bij de ventilatorsnelheid varieel te verlagen, dient de regelknop linksom te worden gedraaid. Om het temperatuurverschil te verhogen dient de regelknop rechtsom te worden gedraaid.
IN HANDMATIGE STAND:
- Om de ventilatorsnelheid te verlagen,Client de regelknop linksom te worden gedraaid. Om de ventilatorsnelheid te verhogen,Client de regelknoprecht som te worden gedraaid.
- In automatische stand draai de ventilator de eerste 10 seconden op volle snelheid voordat hij waar de gekozen snelheid terugvait.
- De AWC kan aan de oppervlakte of verzonden worden gemonteerd met gebruik van de meegeleverde metalen muerdoos.
Installeren van de regelaar
Deze installmente-instructies zijn bedoeld voor de instalatie van de regelaar wanner deze worden gebruikt in combinatie met ventilatoren die door Xpelair zijn geleverd.

De regelaar moet op vaste bedrading worden aangesloten. Zorg dat de elektrische gegevens die op de behuizing van de regelaar staan vermeld overeenkomen met de netvoeding.
Alle installmentwerkzaamheden要去en onder toezicht van een gekwalificeerde elektricien worden uitgevoerd.
Montage en bedrading moeten voldoen aan de huidige IEE-voorschriften (VK), ofplaatselijk toepasselijkke voorschriften (andere landen).
Wanner u voor,ijdens of na het installereren van de regelaar vragen heeft, kutn u contact opnemen met de technische hotline van Xpelair (nummer op weiterblad).
Voor overzeese markten=kunt u contact opnemen met uwplaatselijke Xpelair distributeur.
Wat de installmenter nodig hebft
- Een dubbelpolige isolatieschakelaar met een minimum contactafstand van 3mm (muur- of plafondbevestiging).
- Geschikte 4-aderige kabel om de regelaar op de ventilator(en) aan te sluiten.
- Geschikte 3-aderige kabel om de regelaar op het Lichtnet aan te sluiten.

Wanneer een flexibele babel worden gebrukt, dienen geschikte wartels met kabelklemmen op de uutilduwstukken in de regeldoos te worden gemonteerd.
Zie figuur 1.
Plaats van de regelaar
- Niet waar waar de omgevingstemperatuur hoger dan 50^ kan worden.
- Wanneer de regelaar in een keuken worden geinstalleer,质量和 hij nicht direct boven een formuis of grill op ooghoogte worden gemonteerd.
- Wanneer de ventilator bedoeld is voor gebruik in een möglichk chemisch corrosieve omgeving,要去 u contact opnemen met once technische service-affdeling. (Voor overzeese markten kunt u contact opnemen met uwplaatselijke Xpelair distributeur).
- Wanner hij in een doucheruiimte of badkamer worden geinstalleerd,要去en de regelaar en de isolatieschakelaar zo worden geplaatst dat personen die een douche of bad nemen de ventilator Niet konnen aanraken.
Plaats van de sensors
- Niet waar waar de omgevingstemperatuur hoger dan 35^ kan worden.
- Niet gericht op muren of andere obstructies, om adequate ventilatie te verzekeren.
- Sensor op hoog niveau, boven hoogte van ventilatorbevestiging.
- Sensor op laag niveau, binnen 1m van der regellaar.
- Wanneer de ventilator bedoeld is voor gebruik in een möglichk chemisch corrosieve omgeving,要去 u contact opnemen met once technische service-affdeling. (Voor overzeese markten kunt u contact opnemen met uwplaatselijke Xpelair distributeur).
Werken met de ventilator

Als u de bedrading op een bestande installatie aansluit, sluit dan, voordat elektrische werkzaamheden worden uitgevoerd, de netvoeding af en verwijder de van toepassing zijndezekeringen.
Wanneer de ventilator reeds geinstalleerd is
- Zorg dat de netvoeding afgesloten is.
- Maak de netvoedingaansluitingen los van de klembus van de ventilator of van het contactblok.
- Verwijder de bestaande bedrading en beevilig ze.
Wanneer de ventilator nog nicht geinstalleerd is
1 Controller of de elektrische gegevens van de ventilator overeenkomen met de netvoeding.
2. Monteer de ventilators in overeenstemming met de meegeleverde instructies.
3. Leid de 4-aderige kabel van deplaats van deregelaar aan elke ventilator.
4. Leid de 3-aderige kabel van deplaats van deregelaar aan de plaats van de isolator.
Monteren van de regelaar
Verwijder de kap en het montageraam.
- Maak de voorplaat los van het montageraam door de schroefdoppen en twee schroeven te verwijderen (Zie fig. 2a & b).
- Maak het montageraam los van de muurdoos door de twee schroeven te verwijderen (Zie fig. 2c).
- Haal de muurdoos weg van de plastic montageplaat.
- Controller of de elektrische gegevens van de ventilator overeenkomen met de netvoeding.
- Maak de aardingskabel los van de muurdoos.
- Maak gaten voor de kabels in de plastic en metalen dozen door van toepassingzfende uitduwustukken te verwijderen (Zie fig. 1).
Monteren van de muurdoos

Bij alle boor- en breekwerkzaamheden要去 oogbescherming worden gedragen.

Controller of er geen verborgen leidingen of kabels van elektricit, gas, of water door de muur lopen en of er geen obstructies aan de buitenkant van de muur zitten.
Montage aan de oppervlakte
- Plaats geschichte wartels in de uitduwstukken.
- Voer beiden kabels door deze wartels.
- Bevestig de muurdoos en plastic montageplaat aan de muur en gebruik hierbij de voorziene bevestigingsgaten.
- Sluit de aardingskabel weeop de muurdoes aan.
Montage in de muur
- Maak een gat in de muur dat groot genoeg is voor de muurdoos.
- Plaats geschiktte wartels in de uitduwstukken.
- Voer beiden kabels door deze wartels.
- Bevestig de muurdooos in de muur. Zorg dat de flens van het montageraam gelijk ligt met de afgewerkte oppervakte van de muur. (Zie schema F3).
- Sluit de aardingskabel weeR op de muurdoos aan.
Monteren van de sensors
Monteer, met gebruik van de twee meegeleverde klemmen, de temperatuursensors horizontaal zonder de muren of het plafond te raken.
- Monteer de sensor met de 10m kabel in deposite op hoog niveau.
- Monteer de sensor met de 1m kabel, goed beschermd in de positie op laag niveau.
- Installeer de kabels en gesloten elektricitésbuizen, en zorg dat de tegenoverlegende eindhoven maar zich om op de regelaar te worden aangesloten.
Sluit de elektrische verbindingen van der regelaar aan
- Monteer de isolatieschakelaar in overeenstemming met de instructies van de fabrikant.
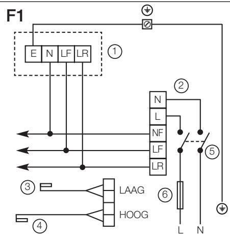
- Sluit de bedrading van de regelaar op de isolatieschakelaer en de ventilator aan, zoals in het van toepassing zijnde schema F1 worden vertoond.
- Sluit de sensorkabels op de hoge en lage sensoraansluitingen aan.
- Sluit de overige ventilatoren parallel aan.
- Monteer het montageraam weeer aan de metalen muurdoos.
- Monteer het voorpaneel weeer aan het montageraam.
- Breng de schroefdoppen wee aan.

ZEKERING, SNEL 6.3 AMP
Aansluiting op lichtnet
- Sluit de netvoeding af en verwijder de zekeringen.
- Verbind de kabel vanuit descheidigungsschakelaar met de elektrische bedrading.
-
Maak alle verbindingen in de isolatieschakelaar in overeenstemming met de instructies van de fabrikant.
-
Maak een verbinding met de netvoeding en volg hierbij alle IEE- enplaatselijke voorschriften.
- Voer een)[-sta[-]trole uit om te verzekeren dat alle aardpunten zijn aangesloten en dat alle kappen goed op de ventilator, regelaar en isolatieschakelaar zijn aangebracht.
- Zet alle zekeringen terug en zet de stroom aan.

Fig 1. Plaatsen van kabelwartel

Fig 2a. Verwijderen van schroefdoppen

Fig 2b. Verwijden van voorplaat

Fig 2c. Verwijderen van montageraam

F3
Zorg dat de flens van het montageraam in lijn met de muur is.

LEGENDA
F1
1) Contactblok van ventilator
2) Contactblok van regelaar
3) Lage sensor
4) Hoge sensor
5) Dumbelpolige isolator
6) Zekering, snel (6.3 amp)
F2
7) AAN-/UITSCHAKELAAR
8) Vooruit of achteruit draaien
9) Automatische of handmatige stand
10) Indicatielampje voor ventilator draaft
11) Ventilatiesleuven
12) Instelling van slelheid/ temperatuur
13) Schroefdop
14) Voorpaneel
15) Montageraam
16) Metalen muurdoos
17) Plastic montageplaat

F4





Onderhoud van de regelaar
REINIGEN
- Sluit vór het reinigen de regelaar volledig van de netvoeding af.
- Veeg de kap voorzichtig met een vochtige doek af.
- Droog hem zorgvuldig.
- Zorg dat de ventilatiesleuven te allen vrij van obstructies zich.

Dompel de regelaar nooit onder in water of in andere vloeistoffen.
- Gebruik nooit oplosmiddelen om de regelaar te reinigen.
- Behalve het reinigen is er geen verder onderhoud nodig.
SimpelGids