BLUE SWITCH - Bluetooth handsfree kit MR HANDSFREE - Gratis gebruiksaanwijzing en handleiding
Vind de handleiding van het apparaat gratis BLUE SWITCH MR HANDSFREE in PDF-formaat.
Download de handleiding voor uw Bluetooth handsfree kit in PDF-formaat gratis! Vind uw handleiding BLUE SWITCH - MR HANDSFREE en neem uw elektronisch apparaat weer in handen. Op deze pagina staan alle documenten die nodig zijn voor het gebruik van uw apparaat. BLUE SWITCH van het merk MR HANDSFREE.
GEBRUIKSAANWIJZING BLUE SWITCH MR HANDSFREE
- Zorg ervoor dat de werkking van de Blue Switch geen invloed heeft op uw verilgheid.
- Zorg ervoor dat u tijdens de installmentie van de Blue Switch het besturing- of remsysteme om een ander systeme essentieel voor de goede werkig van uw wagen Niet beinvloedt.
- Zorg ervoor dat het uiteenvouwen van de airbags Niet geblokkeerd wordt of onmogelijk is op om het even welke manier.
- Zorg ervoor dat de motor van de wagen uitgeschakeld is alvorens met de installmentie van start te gaan.
INLEIDING
De mr Handsfree Blue Switch is een zeer handig 2-in-1 toestel dat een Bluetooth® headset met een Bluetooth® handsfree carkit combineert. Wanner u de headset in de lader plaatst, za de Blue Switch automatisch wisselen van headset maar handsfree carkit. Wanner u de Blue Switch als professionele carkit gebruikt, za deze automatisch overschakelen maar headset wanner u deze uit de lader neemt.
2 in 1: 1. Bluetooth® headset
2. Bluetooth® handsfree carkit
VOLG DEZE STAPPEN WANNEER U DE BLUE SWITCH VOOR DE EERSTE KEER GEBRUIKT:
- Installer de Blue Switch (zie 'Installatie van de Blue Switch').
- Laad de batterij op (zie 'De Blue Switch opladen').
- Schakel het toestel aan (zie 'Aan-/ Uitschakelen').
- Koppel uw mobiele telefoon met de Blue Switch (zie 'Koppelen (Pairing)'.
- Als u de Blue Switch als headset wilt gebruiken, neem dan de headset uit de lader enplaats deze in uwoor.
- Als u de Blue Switch als carkit wilt gebruiken,plaats de headset dan in de lader en het toestel zal automatisch omschakelen maar carkit gebruik.
De mr Handsfree Blue Switch is beschikbaar in 4 versies:
- Blue Switch Plug & Play: voor een eenvoudige installmentie
- Blue Switch Quick Installation
- Blue Switch Pro: voor een professionele installmentie en geluid van de carkit via de luidsprekers van de wagen
- Blue Switch Pro Music 100: voor een professionele installmentie en geluid van de carkit en uw MP3 speler via de luidsprekers van uw wagen
Zie 'Installatie van de Blue Switch' voor meer informatatie.
INHOUD VAN DE VERPAKKING
Zie illustratie I
- Handsfree toestel met ingebouwde luidspreker
- Dubbelzigijdig klevend bevestigingsplaatje voor het handsfree toestel
- Schroeven voor de bevestiging van het handsfree toestel - 4 stuks
- Oorhaak
- Oarkussen
- Headset
- Headset / carkit lader
- USB oplaadkabel met lader
- Velcro voor de bevestiging van de lader
- Kabelset - Optie 1 - voor Blue Switch Plug & Play (Optioneel)
10.1 Adapter voor het verbinden van het handsfree toestel met de stroomvoorziening van de wagen via de sigarenaansteker. Deze bevat een verwisselbare zekering en draadsnoer.
- Kabelset - Optie 2 - Voor Blue Switch Quick Installation (Optioneel)
11.1 Stroomkabel voor het verbinden van het handsfree toestel met de stroomvoorziening van de wagen, de geschakelde stroomdraad en de "mute" draad van de autoradio (small mute kabel). Deze bevat een verwisselbarezekering.
11.2 Contact clips voor het verbinden van de small mute kabel met het stroomcircuit van de wagen - 4 stuks. - Kabelset - Optie 3 - voor Blue Switch Pro (Optioneel)
12.1 Mute box (ISO kabel) met ISO aansluitingen. - Kabelset - Optie 4 - voor Blue Switch Pro Music 100 (Optioneel)
13.1 Pro Music 100 kabel
13.2 DIN/ISO/FAKRA verloopkabels
13.3 2,5 / 3,5 mm stereo jack plug
13.4 Laadkabels voor audiotoestel - Quick Reference Guide
BESCHRIJVING
HANDSFREE TOESTEL
Het handsfree toestel bevat een ingebouwde luidspreker, een echo-compensator, een geluidsdempeter en Bluetooth® draadloze technologie, die zorgt voor een draadloze verbinding met Bluetooth® mobiele telefoons.
Het handsfree toestel heeft de volgende aansluitingen voor de verbinding van externe toestellen:
- Aansluiting voor de headset / carkit lader.
- Aansluiting voor externe luidspreker (3-6W, min 8 Ohm). Indien de externe luidspreker verbonden is met aansluiting 2, zal de ingebouwde luidspreker automatisch uitgeschakeld worden. Gebruikt voor ISO kabel en Pro Music 100 kabel.
- Aansluiting voor de small mute kabel, de adapter voor de sigareanaanseker, de ISO kabel en de Pro Music 100 kabel.


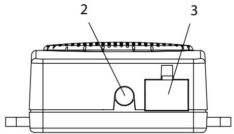
HEADSET
Zie illustratie II
- Centrale toets
- Volume toetsen (+) & (-)
- LED indicatielampje
Zie 'Onderdelen en Functies' voor meer informatie.
Lader om aan het handsfree toestel te verbinden. Zodra de headset in de lader geplaatst worden, za het toestel automatisch beginnen op te laden en omschakelen maar carkit gebruik.

USB OPLAADKABEL MET LADER
Extra lader om de headset op te laden via USB aansluiting.

ADAPTER VOOR DE SIGARENAANSTEKER
(Optioneel)
De adapter voor de sigarenaansteker worden gebruikt voor de plug & drive installmentie. De kabel voorziet een stroomvoorziening via de sigarenaansteker.
De adapter voor de sigareaansteker worden geleverd met een verwisselbare zekering. Hoe u de zekeringen Aunt verrangen, worden uitgelegd in de tekening.

SMALL MUTE KABEL (Optioneel)
De small mute kabel verbindt het handsfree toestel met de stroomvoorziening en worden gebruikt voor de "mute" functie van de radio. De small mute kabel worden geleverd met een verwisselbare zekering. Hoe u de zekeringen kunt verrangen, wordenuitgelegd in tekening.
ISO KABEL (Optioneel)
De ISO kabel verbindt het handsfree toestel met de stroomvoorziening, de geschakelde stroomdraad, de "mute" functie van de autoradio en de luidsprekers in de wagen. De kabel bevat de mute box met verbindingscomponenten en een systemdkabel met ISO standarda aansluitingen. Gelieve het hoofdstuk 'Installatie van de Blue Switch' te raadplegen, waar het verbinderingsdiagram worden getoond.


SYSTEEMKABEL PRO MUSIC 100 (Optioneel)
Deze kabel verbindt het handsfree toestel met de stroomvoorziening, de geschakelde stroomdraad, de "mute" draad van de autoradio, de luidsprekers en de radio van de auto. De kabel voorziet ook een verbinding:tussen uw MP3 speler en antennekabels.
Gelieve het hoofdstuk 'Installatie van de Blue Switch' te raadplegen, waar het verbindingsdiagram worden getoond.

INSTALLATIE VAN DE BLUE SWITCH
Belangrijk!
Zorg ervoor dat alle kabels, het handsfree toestel en/of de externe luidsprekers goed aangesloten zich voor u de Blue Switch verbindt met de stroomvoorziening van de wagen.
Probeer nichtijdens de werkking het handsfree toestel en de aansluitingen van het handsfree toestel aan te raken.
- Om de Blue Switch los te koppelen, dient u eerst de stroomvoorziening uit te schakelen.
HEADSET / CARKIT
De Blue Switch dient op het dashboard gemonteerd te worden (zie Illustratie III).
Zorg ervoor dat het dashboard schoon en vetvrij is voordat u de Velcro strips plakt.
Zorg ervoor dat het toestel schoon en vetvrij is voordat u de Velcro strips erop plakt.
- Voor een perfecte werkung dient de microfoon zich op maximum 50 cm van de mond van de bestuurder te bevinden. Zorg ervoor dat de microfoon maar de mond van de bestuurder gericht is.
HANDSFREEUNIT
Zoek een plaat in uw wagen waar het landsfree toestel past en waar het gemakkelijk te gebruiken is.
Zorg ervoor dat de plaats waar u het handsfree toestel wenst te monteren, stofvrijn en proper is.
We raden u aan het handsfree toestel op een minder zichtbare plaats in uw wagen te monteren. Zorg erECHTER voor dat het toestel een goede akoestiek kan geben, door minstens 50~cm afstand te honden tussen de luidspreker en de Blue Switch.
Zorg ervoor dat de luidspreker Niet maar de Blue Switch gericht is.
Het handsfree toestel kan op 2 manieren bevestigd worden:
- Onder het dashboard of op om het even welke andereplaats in de wagen door gebruik te makes van de installmentieschroeven.
- Onder het dashboard of op om het even welke andereplaats in de wagen door gebruik te makes van de dubbelzijdige plakband.
De Blue Switch kan op 4 manieren verbonden worden met het elektronische system van uw wagen:
1. Blue Switch Plug & Play: Voor een eenvoudige installment (Optioneel)
Verbind de adapter voor de sigareanaansteker met de wagen en het andere uiteinde van de kabel met de handsfree module.
2. Blue Switch Quick Installation: Onmiddelijke verbinding met het elektronische system van de wagen via de small mute kabel (Optioneel)
De draden van de small mute kabel zich voorzien van een kleur. U vindt ze terug in kolom A van Tabel 1. Elke draad dient verbonden te worden met het correspondende item in kolom B.
Tabel 1
| A | B |
| Rode draad | Het + voltage van de stroomvoorziening van de wagen |
| Zwarte draad | De negatieve GND verbinding (-) |
| Blauwe draad | Geschakelde plus (+) |
| Bruine draad | Wordt gezruikt voor de “mute”-functie van uw autoradio en wordt verbonden met de autoradio |
- Om storingen te vermijden, legt u de kabels best zo ver möglichk uit de buurt van het elektronische systemeum van de wagen.
- Verbind de kabels met de contact clips.
Aandacht!
Als er geen "Geschakelde plus" draad is of als alles nicht beschikkaar is, dient u de blauwe draad te verbinden met de rode draad van het handsfree toestel en de rode draad met de "Continue" draad van de wagen die het voltage behoudt wanner het contact is uitgeschakeld. Dit wil ziggen dat de oproep Niet verbroken zal worden als het contact uitgeschakeld worden.
"MUTE" FUNC TIE VAN DE AUTORADIO
Met de Blue Switch is het möglichk de "mute" functie van uw autoradio te gebruikenijdens een oproep.
- Raadpleeg de handleiding van uw autoradio om zeker te� dat uw radio voorzien is van een "mute" functie.
- Indien bijkomende instellen geactiveerd dienen te worden, zorg er dan voor dat u deze correctuitvoert.
- Verwijder het contropaneel van uw radio.
- Verwijder het decoratieve paneel en neem de radio uit de houder met behulp van de handvaten. Koppel de plug van de radio los.
- Verbind de draden van de Blue Switch met de overeenkomende draden van de autostekker of ISO stekker van de autoradio. Gebruik contact clips voor de verbinding.
Herstel de verbinding en de installment van de autoradio.
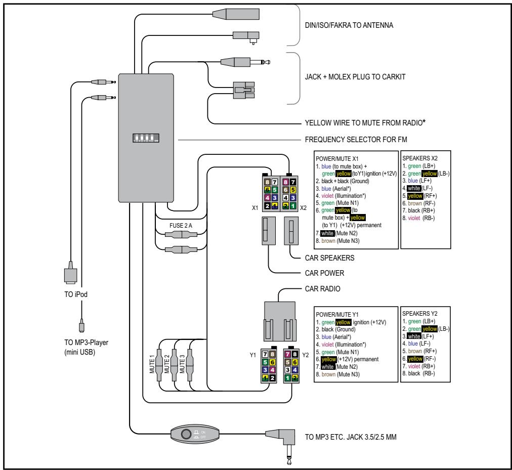
3. Blue Switch Pro: Onmiddelijk met het elektronische system van de wagen via de ISO kabel (Optioneel).
Veel auto's hebben hun eigene audio connectors. In zulk geval heeft u een ISO2CAR (adapter) kabel nodig (ga waar www.iso2car.eu voor meer informatie).
Koppel de plug van de radio en de voedingsdraad los.
- Verbind de kabel Zoals getoond in het verbindingsdiagram hieronder. Indien de autoradio voorzien is van een "mute" aansluiting, dient u de gele draad van de ISO kabel te verbinden met eén van de "mute in" aansluitingen (1, 2 of 3). Raadpleeg de handleiding van uw autoradio om de positie van de "mute" aansluiting techterhalen.
- De standaardverbinding is "mute 1". Indien dit Niet overeenkomt met uw autoradio za er geen "mute" melding verschijnen op het scherm van uw radio. Tijdens een oproep za het geluid van de carkit door de luidsprekers klinken en Niet dat van de radio.
- De stroomaansluitingen zijn voor (+) plus en (+) contact. In sommige gevalten (bv. Renault) dienen deze aansluitingen gewisseld te worden.

carkit

POWER/MUTE X1
4. Blue Switch Pro Music 100: Onmiddelijk met het elektronische systeme van de auto via de systemdkabel Pro Music 100 (Optioneel)
Koppel de autoradio los volgens de specificaties van uw wagen en uw radio.
- Verwijder de stekker van de antenneneuit uw radio en verbind deze met de vrouwelijkke antennenaansluiting van uw Pro Music 100.
- Als de antennekabel in uw wagen voorzien is van het type DIN [1], verbindt u deze met de verloopstekker [3].
- Als de antennekabel in uw wagon voorzien is van het type ISO [2], verbindt u deze rechtstreeks.
- Als de wagon voorzien is van het type FAKRA, verbindt u deze via de verloopstekker (4.2).

Verbind de mannelijke antenneaansluiting van uw Pro Music 100 met de autoradio.
- Als de antennekabel in uw wagen voorzien is van het type DIN (1), verbindt u deze rechtstreeks.
- Als de antennekabel in uw wagen voorzien is van het type ISO [2], verbindt u deze met de verloopstekker [3].
-
Als de antennekabel in uw wagen voorzien is van het type FAKRA verbindt u deze met de verloopstekker (4.1).
-
Selecteer een freiestie met de 4 dip schakelaars op uw Pro Music 100. De freiorentietabel worden op de achterzijde van uw Pro Music 100 weergegeven. Gelinge de freiorentietabel zorgvuldig te bekijken!
- Verbind de ISO-stekker met de aansluitingen van uw radio en speakers. Indien uw auto voorzien is van andere stekkers dan het type ISO, dan heeft u verloopstekkers nodig. Deze zichniet inbegren.
Leid de kabel met de controloets en de 2,5 mm / 3,5 mm Jack plug maar de plaats waar uw audiotoestel zich bevindt. - Selecteer uw laadkabel, voor mini USB of iPod, en verbind deze met de Pro Music 100. Leid deze kabel ook�de plaatswaar uw audiotoestel zich bevindt.
- Plaats uw Pro Music 100 in het gatchter uw autoradio enplaats uw autoradio terug.
GEBRUK MET AUDIOOTOETSEL
- Verbind de Jack plug van uw Pro Music 100 met uw audiotoestel.
Verbind uw laadkabel met uw muziektoestel wonneer u de batterij wenst op te laden. - Selecteer de frequentie van uw Pro Music 100 op uw autoradio (gelieve deze frequentie in het geheugen van uw autoradio te programmeren).
- Druk op de controloets om uw Pro Music 100 aan en uit te schakelen.

DE BLUE SWITCH OPLADEN
De mr Handsfree Blue Switch bevat een oplaadbare batterij. Zorg ervoor dat uw Blue Switch volledig opgeladen is alvorens deze te gebruiken.
De Blue Switch biedt 2 oplaadmogelijkheden:
- Via de houder met USB kabel: verbinden met uw computer
- Via de lader die op uw dashboard geinstalleerd is: verbinden met de sigarenaansteker
Wanner het opladen begint, za het rode indicatielampje branden. De batterij is volledig opgeladen wonneer het rode indicatielampje uit gaat.
ONDERDELEN EN FUNCTIONS
Zie illustratie II
1. CENTRALE TOETS
(= Aan/ Uit toets en toets voor Koppelen (Pairing) / Een oproep beantwoorden / Een oproepbeeindigen / Een oproep weigeren / Voice dialing / Numberherhaling / Tweede oproep)
Koppelen (Pairing):
Voor gebruik dient u de Blue Switch eenmalig met uw mobiele telefoon te pairen (koppelen). Elke Blue Switch heeft als standard Pincode 0000 voor pairing (koppeling), opgeslagen in het interne geheugen. De Blue Switch dient uitgeschakeld te worden alvorens het koppelingsproces te starten. Houd de Centrale toets (1) 3 seconden ingedrukt tot het indicatielampje (3) afwisselend rood en blauw knippert. De headset / carkit is nu maar voor pairing (koppeling). Start de koppelingsprocedure tussen uw mobiele telefoon en de Blue Switch (Raadpleeg de handleiding van uw mobiele telefoon). Selecteer de Blue Switch uit de lijst met gekoppelde toestellen in uw mobiele telefoon. Wanner uw mobiele telefoon u de Pincode vraagt, toets dan 0000 in en bevestig.
Opmerking:
-
Wanner de Blue Switch nicht in de pairingsmode is, zal de mobiele telefoon de headset / carkit Niet herkennen. Zet de Blue Switch eerst in de pairingsmode alvorens uw mobiele telefoon op Zoek te latent gaan maar uw headset / carkit.
-
Indien na eenperiode (van ongeveer 2 minuten) geen pairing (koppeling) möglichk is, zal de headset / carkit automatisch de pairingsmode verlaten. U begint dan best helemaal opnieuw.
- Gekoppelde apparaten blijven gekoppeld zichs indien:
Eén van de apparaten isuitgeschakeld.
Een serviceverbinding is verbroken of wonneer de service is beeindigd.
Eén of zelfs beside apparaten is geset.
Verbinding
In enkele gevalen zou het hunnen dat de verbinding van de Blue Switch met uw telefoon verbroken worden zodate u de verbinding dient te herstellen.
- Wonneer de Blue Switch uitgeschakeld werden: Schikel de stroom aan en de verbinding zal automatisch hersteld worden.
- Wanner de mobiele telefon uitgeschakeld werk: Schakel de telefon terug aan en herstel de verbinding via het menu van uw telefon of dok 1 keer op de Centrale toets.
- Wonneer de twee toestellen zich nicht binnen het bereik bevinden: Zorg ervoor dat beiden toestellen zich terug binnen het bereik van 10 meter bevinden en druk 1 keer op de Centrale toets.
U kunt de verbinding:tussen de Blue Switch en de telefoon verbreken wonneer u bijvoorbeeld uw telefoon met een ander Bluetooth® apparaat wilt gebruiken. U kunt de verbinding met de Blue Switch verbreken op de volgende manieren:
- Schakel de Blue Switch UIT.
- Verbreek de verbinding met de Blue Switch in het menu van de telefoon.
- Plaats de telefoon op een afstand van meer dan 10m van de Blue Switch.
Aanschakelen:
Houd de Centrale toets (1) ingedrukt (3 sec) tot u een biep hoor en het indicatielampje (3) blauw knippert. Wanner de headset in de lader zit (carkit mode), zal hij automatisch aanschakelen wanner de auto gestart worden.
Uitschakelen:
Houd de Centrale toets (1) ingedrukt (3 sec) tot u een biep hoor, het indicatielampje (3) even rood oplicht enervoigens weeur UIT gaat.
- Oproep beantwoorden:
Druk op de Centrale toets (1) om de oproep te beantwoorden.
Opmerking:
Wegens de verschillende ontwerpen van mobiele telefoons kan de verbinding automatisch
verbroken worden, zichs wanner de Blue Switch aingeschakeld is. In dit geval zal de headset / carkit Niet rinkelen wanner er een oproep binnenkomt. Druk op de Centrale toets gedurende 1 seconde om de Blue Switch opniew te verbinden met uw mobiele telefoon.
- Oproep beëindigen:
Druk op de Centrale toets (1) om de huidige oproep te beeindigen.
- Oproep weigeren:
Druk 3 seconden op de Centrale toets (1) om de oproep te weigeren.
Voice dialing:
Druk op de Centrale toets (1) tot u een toon hoort die aangeeft dat u de gewenste naam (= 'voice tag')kest uitspreken. Spreek de naam ('voice tag')uit. De telefoon herhaalt de naam en belt het nummer dat aan deze naam verbonden is.
Opmerking:
Dit is enkel van toepassing als uw mobiele telefoon de voice dialing functie ondersteunt.
Met de toetsen van uw mobiele telefoon:
Vorm het telefoonnummer Zoals u dit normal doet met uw mobiele telefoon. Wanneer de verbinding is gemaakt, worden het geluid automatisch maar uw headset / carkit gestuurd.
- Numberherhaling:
Druk 2x op de Centrale toets [1]. De telefoon za het LAST opgeroepen nummer opnieuw opbellen.
- Tweede oproep:
Houd de Centrale toets (1) ingedrukt (3 sec) om de tweede oproep aan te nemen.
Opmerking:
Deze functie werkt alleen als de provider van uw mobiele telefoon deze Dienst aanbiedt (informeer bij uw netwerk provider).
2. (+) EN (-) VOLUME TOETS
(= Volume aanpassen / Oproepen doorschakelen / Standaardinstellungen van de Blue Switch herstellen / Mute mode aan-/uitschakelen)
Volume van de Blue Switch aanpassen:
Druk + om het volume te verhogen. Druk - om het volume te verlagen.
- Oproependoorschakelen:
Druk tegelijk op de Volume toetsen (+) & (-) [2] om de oproep door te schakelenaar de mobiele telefoon terwijl u spreekt via de headset / carkit. De headset / carkit wordenuitgeschakeld. Als u de oproep terug aanr de Blue Switch wilt schakelen, druk dan opnieuw tegelijk op de Volume toetsen (+) & (-) [2]. - Standaardinstellungen van de Blue Switch herstellen:
In Standby mode, druk en houd de Volume toetsen (+) & (-) (2) geleiktijdig ingedrukt tot het blauwe indicatielampje (3) brandt. Druk en houd nogmaals de Volume toetsen (+) & (-) (2) geleiktijdig ingedrukt gedurende 2 seconden. De Blue Switch worden nu automatisch uitgeschakeld.
Mute mode aan-/uitschakelen:
Druk 3 seconden tegelijk op de Volume toetsen (+) & (-) [2]. Om de Mute-functietering uit te schakelen, drukt u tegelijk op de Volume toetsen (+) & (-) [2].
3. INDICATIELAMPJE
(Kan rood/blauw branden of rood en blauw)
Rode indicatielampje:
- Knippert in Standby mode: lage batterij capacititeit
- Brandt constant tijdens het opladen van de batterij
Blauwe indicielampje:
- Knippert wanner u de Blue Switch aanschakelt
- Knippert wonneer u de standardinstellenen herinstelt
Rode + blauwe indicielampje:
- Knipperen afwisselend in Koppel mode (pairing)
BLUETOOTH®
De merknaam en logo's van Bluetooth® zich eigendom van Bluetooth SIG, Inc. en worden door TE-Group NV in licentie gebruikt. Andere handelsmerken en merknamen zich eigendom van hun respectieve eigenaars.
ZORG EN ONDERHOUD
De Blue Switch is een zeer verfijnd product gebaseerd op deskundig vakmanschap en dient met zorg behandeld te worden.
Onderstaande suggesties helpen u de garantieverplichtingen na te leven en jarenlang van uw product te genieten.
- Houd het toestel en alle onderdelen droog. Neerslag, vochtigheid en allerlei vloeistoffen können mineralen bevatten die het elektronische circuit aan konnen tasten.
- Bewaar het toestel Niet op warmeplaatsen. Hoge temperaturen konnen het leven van elektronische apparaten verkorten, batterijen beschadigen en bepaalde plastics smelten.
- Bewaar het toestel Niet op koudeplaatsen. Wonneer het opwarmt (tot+zijnnormale temperatuur) kan er vochtigheid in het toestel ontstaan die het elektronische circuit van het toestel kan beschaden.
- Probeer het toestel Niet te openen. Behandeling door een Niet-gespecialiseerde persoon kan het beschadigen.
- Gebruik geen sterke chemicalien, schoonmaakproducten of sterke detergenten om het toestel te reinigen.
GARANTIE
Mr Handsfree is een gedeponeerd handelsmerk van TE-Group NV.
Het merk mr Handsfree staat voor producten van superieure kwaliteit en een uitstekende klantenservice.
Daarom garandeert mr Handsfree dat dit product vrij is van materiaal- en fabricagefouten gedurende eenperiode van drie (3) maar na de oorspronkelijke aankoopdatum van het product.
De voorwaarden van deze garantie en de omvang van de verantwoordelijkheid van mr Handsfree onder deze garantie zijn als volgt:
- De garantie geldt alleen voor de originele (eerste) eigenaar en is Niet overdraagbaar aan een volgende koper.
- De enige verplichting van mr Handsfree onder deze garantie beperkt zich tot het repareren of verrangen, maar eigena keuze, van defecte onderdelen van het product, indien dit vereist is omwille van gebreken die voorkomen bij normala gebruik onder normale omstandigheden. De klant dient Niet te betalen voor onderdelen en/of arbeidskosten.
- Het defecte product要去 verzonden worden maar een geauthoriseerd service center in de originele en volledige verpakking.
- Transportkosten zijn voor rekening van de klant. Mr Handsfree is Niet aansprakelijk voor verlies of schadeijdens het transport.
-
Omrecht te hebben op reparatie of verranging van het product binnen de garantieperiode dient de klant het volgende te verstrekken: (a) een aankoopbewijs met vermeling van de aankoopdatum; (b) een duidelijke omschrijving van de gebreken; (c) een adres en telefoonnummer.
-
Deze garantie geldt nicht voor:
Producten die blotgesteld werden aan verkeerde installmentie, onrechtmatige herstellingen, slecht onderhoud, onrechtmatige aanpassingen of andere daden die nicht de fout zichn van mr Handsfree; (b) Producten die blotgesteld werden aan misbruik, verwaarlozing, onzorgvuldige behandeling en opslag, een onceval of materièle schade; (c) Producten die blotgesteld werden aan brand, water, extreme vochtigheid, zand, stof, extreme temperatuurschommelingen of andere omstandigheden buiten de contrôle van mr Handsfree; (d) Producten die gebruikt werden met accessoires die nicht door mr Handsfree goedgekeurd werden; (e) Producten waarvan het serialummer gewijzigd, onleesbaar of verwijderd is; (f) Producten die geopend, gewijzigd of gerepareerd werden door een nicht door mr Handsfree geauthoriseerd service center.
- Uitgesloten van elke vorm van garantie+zijn gebruikonderdelen die verrangen要去en worden door normale slijtage, zoals batterijen, oorkussentjes, orhaken, decoratieve onderdelen en andere accessoires.
ΠINAKA ΠΕPIEXOMENΩN
O△HΓIEΣ AΣΦΑΛΕΙΑΣ GR-60
E1sAΓΩΓH GR-60
NEPIEXOMENO YZKEYAIAZ GR-61
NEPIΓPAΦH GR-62
EΓΚΑΤΑΣΤΑΣH BLUE SWITCH GR-65
AEITOYPTIA TOY BLUE SWITCH GR-71
BLUETOOTH GB-74
ΦPONTIΔA KAI ΣYNTHPHΣH GB-75
EΓΓYHΣH GB-75
Notice-Facile