CELAN XT SUB 32A - 清掃システム HECO - 無料のユーザーマニュアル
デバイスのマニュアルを無料で見つける CELAN XT SUB 32A HECO PDF形式.
ユーザーの質問 CELAN XT SUB 32A HECO
0 質問 この機器について。知っているものに答えるか、ご自身の質問をしてください。
この機器について新しい質問をする
デバイスの取扱説明書をダウンロード 清掃システム 無料でPDF形式で!マニュアルを見つける CELAN XT SUB 32A - HECO 電子デバイスをもとに戻しましょう。このページにはデバイスの使用に必要なすべての書類が掲載されています。 CELAN XT SUB 32A ブランド HECO.
使用説明書 CELAN XT SUB 32A HECO
ごはHEC0製品を買い求いたきまて、誠に要がうごさみ。ご購入んだきましだ製品は、その品質の高さから世界的に定評を得ておりま。
ご製品は、CONPクスを一、HECO Celan XT スビ一カーニリズと、外観音響もつり合うよう、てくらてお願いいたしますが、もろんその其他スを一カ一と接続ても、お樂しぃい了一けります。
お手元のスイカ一和接続する场合には、すての機器のスイチが切てい的とをご確認くさ。も、スカ一のコトの位相が正し接続かるよう、注意てくさ。つまり、出力の(+)端子は入力の(+)端子と、も(一)端子は(一)端子と接続ります。
お手持たのレシーパー/アングスを一の取极説明書もわせてご観くはい。
設置位置
sabw一者一か出さる周波数範围は、人間の耳に位置設定が生態のて、一般的に設置に問題のはません。它も、フロntス一カ一該の、音響をおしりにた位置の前に置くが、好まいでしう。なお、壁やその物からの距離を、横は少なとご30cm、後ろからは少なくと20cmあけるようにご注意くださいます。てい上、ーパ斯の音質が低下て此ごはらむ。
沙普尔一の取报詳細(圆1)
配電網の接続(1)と電源電圧ルクトスイッチ(2)
ごのサpw一をはてにアnpが組み迅ていま�のて、付属の電源一用て、サpw一を配電網に接続てくさ。配電電圏の選択スイチは、欧州圈内での使用を対象とて、230Vに設定て出荷さていま�。
注意事項:115V設定きたサフウーフアーを230Vの配電網に接続すると、必然的に組み达不到ANPの損傷を招きいたします。
電源スイット(3)とパレーLED表示(4)おはひバリスイット(5)
| 電源スイSSFON | 電源スイSSFON | |
| バリーナスイSSFON | サプローナフローは继续の上起動し、バリーフED表示は绿色に点灯ります。その設定は静かng�セジを付けうプロガラムの再生に適ります(サプローナフローを不同意に切てしぃう事態を防い)。 | サプローナフローOFF バリーフED OFF 長期間にわた例本製品を使用いたします。その設定くださいます。 |
| バリーナスイSSFONAUTO | サプローナフローは-Stanspan バイモードとり、バリーフED表示は赤色に点灯ります。 レシーハーからの信号をサプローナフロー受け取る、自動の上起動し、バリーフED表示は緑色に点灯):(2) | |
| レシーハーからサプローナフローの信号が沿途に約15分通過後自動に再びStanspan バイモードとり、バリーフED表示は赤色に乗ります。推奨設定 |
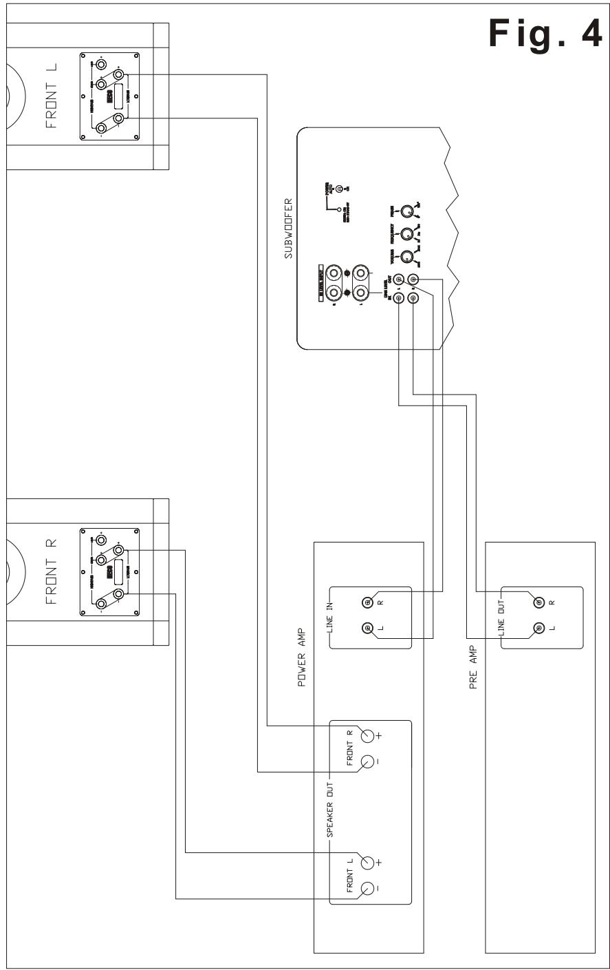
ラインズリド (6)
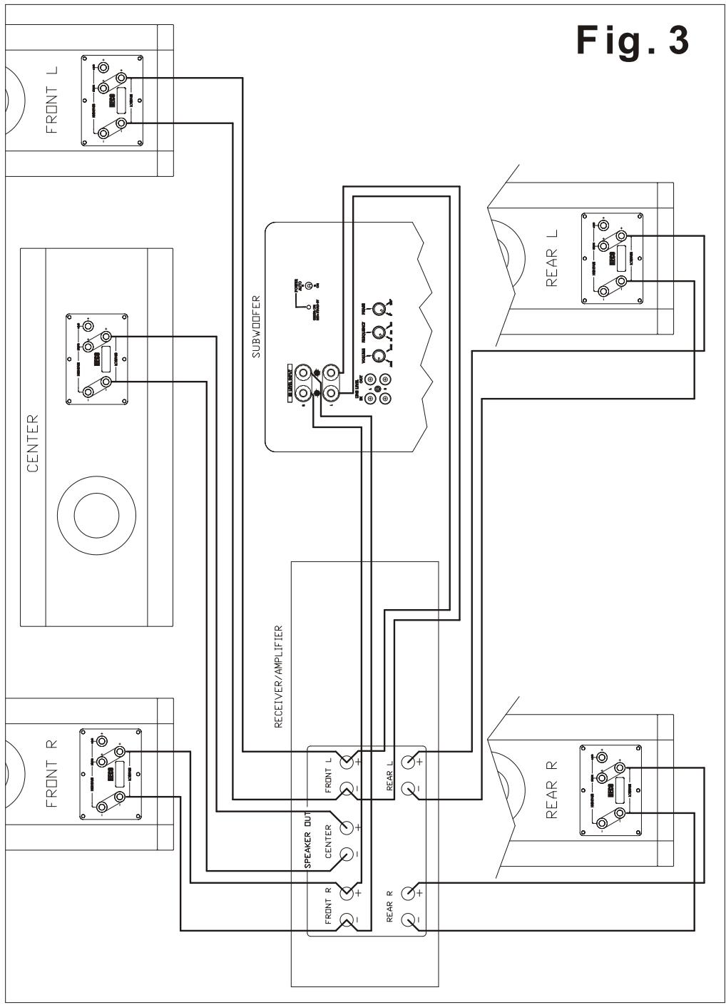
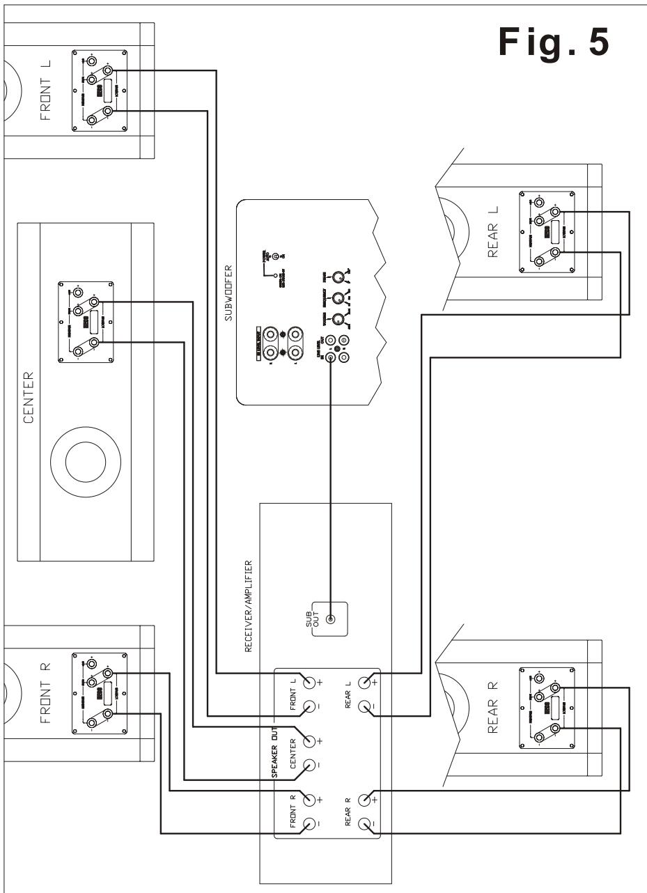
レシーパーおよんだつ(ステレモート)の低レルインフットの接続もはは他的サウーフアーハの接続に開ては圖4を参照てくだい。低レルアウフリトをとむAVレシーパーに接続する场合には圖5を参照てくだい。
拉伊宋卜浦卜 (7)
レシーパーおよんだつ(ステレ才モート)の低レルイングット~の接続もはは他のサウフア~の接続に開ては円4を参照てくだき。
高レービルインズト (8)
レシーパーおよんだアングの高レバイ・CNTローマー(スビーマー)のアウトフット~接続するたの)”の)”。Stle才のアングに接続する场合には円2を、AVレシーパーに接続する场合には円3を参照てくだき。
LeBulcOnt口一Lra- (9)
一斯音のボリューマをお好みの高さに設定するには、そのコINTローラー以下のように設定てくだき。
- トのルスローナ一中央(リーダ)に設定いたします。
2.重要事項:レルコトローラーのまみが止むまて左に回しります(最小のボリロー)。 - 音楽をかけて、ボリューマ请点击よの音量に用むようお願いいたします。
- ルルコトローラーを使て、バーリスレルをお好みの音量に合せてんだき。
注意:AVレシーパーのサブウーフローアウトフツに接続する场合、レシーパーのセットアフの際、サブウーフローレルを0dBに設定てくだき。
分離周波數コントローラー (10)
sabw一为能的最高周波数以设定的有、之cnt口一拉一用。棚型Sb一力一併用的際には、周波数 100Hz 150Hz
に設定てくだき。スばntd型スビ一カ一をご使用の際には、周波数を 50Hz 100Hz に設定てくだき。
位相コトローラー (11)
位相トローラーは、通常0°に設定ておいてくだき。サフウーフローとフロトサテライトと間の距離が大的場合及、仕樣空間の音響特性が好ましんだ場合各样、位相を0°~
180^ 間內設定するごみ可能です。しぃし原則とては、基本音域下部が自然に響く位置が適切な設定といえます。
七一(12)
トーリフは、アングル裏側のトーリフ止用具の横に記入さてるタフ以外はご使用になれません。
安全關節的重要事項
水が飛ば散ったてサフローが絶対に憑ねいうに十分ご注意くださいます。サフローは上に花瓶のはが入った容器を置くとまご嚴禁です。
アクテイデサフローのハウジングが室内的壁やその其他的設置物(家具、棚等各种)ま領域距離は5cm以上確保するようにしてくだい。
アクテイフリサウーフローの後方にるルミニウム板やアングフローは接続中的アングフローを冷却するものです。そのた、他設置物の距離を5cm以上確保し、カーフローで覆わいようにてくだき。
安不的换气充分にお二わる上、アクテ伊普苏卢一の巴斯リフレ克斯·チト一。をカ一テなとて覆わいうはしてくさ。
アケチイフサリフローは非常に湿度の高的室内のはんだ使用くださいますようお願いいたします。
炎をとうの(ローダクな)、をアケテイ総トウーフロー上に置かないてくだ)。
重的物体を電源に上に置かないはんだ。源に下は常に手に届く状態にてて必要くださいます。
技術仕樣
配置構成: ロリフレットス,frontfire
搭載: 30cm口ン格ストローケド现代农业一
出力能力RMS/Max.: 220/400Watt
技術仕樣徴一夕は変更するとお願いいたしますのてご注意くださいます。

Fig. 1





かんたんマニュアル