Dominion d108 - Subwoofer JL Audio - Manuale utente e istruzioni gratuiti
Trova gratuitamente il manuale del dispositivo Dominion d108 JL Audio in formato PDF.
| Caratteristiche Tecniche | Subwoofer JL Audio Dominion d108, 8 pollici, potenza RMS di 300 watt, impedenza di 2 ohm, risposta in frequenza da 24 Hz a 200 Hz. |
|---|---|
| Utilizzo | Progettato per l'uso in sistemi audio domestici o per auto, ideale per gli utenti che desiderano migliorare i bassi del loro impianto. |
| Manutenzione e Riparazione | Controllare regolarmente le connessioni e lo stato dei cavi. In caso di problemi, consultare un professionista per le riparazioni interne. |
| Sicurezza | Non esporre il subwoofer all'umidità. Evitare sovraccarichi elettrici per prevenire danni. |
| Informazioni Generali | Garanzia di 2 anni, compatibile con la maggior parte degli amplificatori, finitura robusta e design elegante. |
Domande frequenti - Dominion d108 JL Audio
Scarica le istruzioni per il tuo Subwoofer in formato PDF gratuitamente! Trova il tuo manuale Dominion d108 - JL Audio e riprendi in mano il tuo dispositivo elettronico. In questa pagina sono pubblicati tutti i documenti necessari per l'utilizzo del tuo dispositivo. Dominion d108 del marchio JL Audio.
MANUALE UTENTE Dominion d108 JL Audio
Manuale del proprietario
ISTRUZIONI IMPORTANT PER LA SICUREZZA
ATTENZIONE: PER RIDURRE IL RISCHIO D'INCENDIO O SCOSSA ELETTRICA, NON ESPORRE QUESTO PRODOTTO ALLA PIOGGIA O ALL'UMIDITA.

AVVERTENZA
RISCHIO DISCOSSA ELETTRICA NONAPRIRE

AVVERTENZA: PER RIDURE IL RISCHIO DI SCOSSA ELETTRICA, NON RIMUOVERE LA COPERTURA. ALL'INTERNO NON VI SONO PARTI RIPARABILI DALL'UTENTE. PER UN INTERVENTO IN ASSISTENZA, RIVOLGERSI AL PERSONALE QUALIFICATO.
- Leggere le istruzioni — Tutte le istruzioni relative alla sicurezza e al funzionamento devono essere lette prima di mettere in funzione il subwoofer.
- Conservare le istruzioni — Le istruzioni relative alla sicurezza e al funzionamento devono essere conservate per la consulazione futura.
- Rispettare le avventenze — Tutte le avventenze sul subwoofer e nelle istruzioni operative devono essere rispettate.
- Attenersi alle istruzioni — Tutte le istruzioni relative al funzionamento e all'uso devono essere rispettate.
- Acqua e umidità — Il subwoofer NON deve essere usato in prossimità dell'acqua, ad es. vicino a una vasca da bagno, un lavandino, un lavabo, una vaschetta per lavanderia, in un seminterrato umido,'accanto a una piscina, ecc.
- Ventilazione — Il subwoofer deve essere posizionato di modo che la sua sede non interferisce con la sua ventilazione appropriata. Ad esempio, il subwoofer non deve essere collocato su un dato, un divano, un tappeto o superficie simile che possa ostruire il flusso di aria sulle alette del dissipatore di calore. Se il subwoofer è collocato in un'installazione "a incasso", accertarsi che il flusso di aria al dissipatore di calore sul retro del subwoofer non sia ostacolato. Non copire il dissipatore di calore del subwoofer con tovaglie, tende, ecc.
- Calore e fiamme - Il subwoofer deve essere posizionato lontano da sorgenti di calorie come caloriferi, diffusori di aria caldaie, stufe, camini o altri dispositivi che generano calorie. Non posizionare candele su o in prossimità del subwoofer.
- Sorgenti di alimentazione — Il subwoofer deve essere collegato esclusivamente a un'alimentazione del tipo descritto nelle istruzioni operative o come contrassegnato sul subwoofer.
- Protezione del cavo di alimentazione — I cavi di alimentazione devono essere estradati di modo che non sia possibile camminarci sopra o schiacciari li con oggetti collocati su di loro, prestando particolare attenzione ai connettori, alle prese e al punto in cui escono dal subwoofer.
- Pulizia — Il subwoofer deve essere pulito soltanto come consigliato nelle istruzioni operative.
- Periodi di mancato utilizzo — Il cavo di alimentazione del subwoofer deve essere scollegato alla presa quando il subwoofer è inutilizzato per lunghi periodi.

Il simbolo del fulmine con punta a freccia all'interno di un triangolo equilatero è destinato ad avvertire l'utente della presenza di una "tensione pericolosa" non isolata nella cassa del prodotto che potrebbe essere di una magnitudo sufficiente da costituire un rischio di scossa elettrica per le persone.

Il punto esclamativo in un triangolo equilatero è destinato ad avvertire l'utente della presenza diistruzioni relative all'uso e alla manutenzione nella documentazione che accompaniesa il prodotto.
- Fulmini e picchi di corrente — Consiglio di scollegare il subwoofer dalla presa elettrica durante tempeste elettriche e/o interruzioni ricorrenti di alimentazione, al fine di prevenire danni dovuti ai picchi di corrente.
- Ingresso di oggetti o liquidi — è necessario prestare attenzione di modo che eventuali oggetti non cadano all'interno e i liquidi non siano versati sulla cassa del subwoofer. Non esporre il subwoofer a liquidi gocciolanti né rispettivi schizzi. Non collocare oggetti riempiti di liquidi su o in prossimità del subwoofer. Esempio: vasi di fiori, bevande, lampade alimentate a liquidi, ecc.
- Danni che richiedono un intervento in assistenza — Il subwoofer deve essere sottoposto a manutenzione dal personale qualificato di assistenza quando:
a. il cavo di alimentazione o la spina ha subito danni
b. degli oggetti sono caduti o del liquido è stato versato nel subwoofer
c. il subwoofer è stato esesto alla pioggia
d. il subwoofer non sembra funzionare normalmente oppure presenta variazioni evidenti sul piano delle prestazioni
e. il subwoofer è caduto oppure la cassa è stata danneggiata
f. il cono e/o la sospensione del driver del subwoofer ha subito danni fisici
- Manutenzione - L'utente non deve tentare di riparare il subwoofer andando或者其他indicazioni descritte nelle struzioni operative. Tutti gli altri interventi di manutenzione devono essere rinnviati al personale di assistenza.
- Sovraccarico - Non sovraccaricare le prese a parete, le prolonghe oppure le prese multiple in quanto tutto quello può accomportare il rischio d'incendio o di scossa elettrica.
- Messa a terra — Questo subwoofer è fornito con un cavo di alimentazione collegato a terra provvisto di tre pin. É necessario prendere delle precauzioni di modo che il pin di messa a terra del subwoofer non sia compromesso. La compromissione del pin di messa a terra sul cavo di alimentazione del subwoofer può augmentare il rischio di scossa elettrica e potrebbe comportare danni permanenti all'impianto elettronico del subwoofer.
ATTENZIONE

QUESTO SUBWOOFER E IN GRADO DI PRODURE LIVELLI DI PRESSIONE SONORA MOLTO ALTI. SI PREGA DI FARNE USO IN MISURA LIMITATA AL FINE DI PROTEGGERE IL PROPRIO UDITO DA DANNI PERMANENTI.
DICHIARAZIONE DI CONFORMITA FCC
NOTA: La presente apparecchiatura è stata collaudata e ritenuta conforme ai limiti del documento Part 15 delle Dispositionsi FCC. Questi limiti sono stati studiati per fornire una protezione ragionevole contro le interferenze nocive in un'installazione di tipo residenziale. Quest'apparecchiatura genera, utilizes e più irradiare energia a radiofrequenza e, se non installata in osservanza delle istruzioni, potrebbe provocare interferenze dannone alle comunicazioni radio. Tuttavia, non vi è alcuna garanzia che le interferenze non si verificchio in una particolare installatione. Se la presente apparecchiatura dovesse causare interferenze nocive alla ricerca di radio o televisione, che possono essere determinate dall'accensione e dallo spagnimento dell'apparecchiatura, s'incoraggia l'utente a cercare di corriggere le interferenze intraprendendo uno o più provvedimenti indicati di seguito:
- Orientare nuovamente oppure cancellare la posizione dell'antenna riceveente.
- Augmente lo spazio divisoro tra l'apparecchiatura e il ricevitore.
- Collegare l'apparecchiatura a una presa su un circuito diverso da quello a cui è collegato il ricevitore.
- Rivolgersi al rivenditore oppure a un technician esperto in materia di radio/TV per richiedere assistenza.
INDICE DEI CONTENUTI
Istruzioni importanti per la sicurezza: 2-3
Introduzione: 4
Panorama del prodotto: 5
Collocazione di Dominion nella propria stanza di ascolto: 6-10
Disimballaggio di Dominion*: 11
Layout del pannello di controllo posteriori: 12
Comandi di Dominion in dettaglio: 14-15
Collegamento di Dominiona 16-23
Procedura consigliata di configurazione: 24-26
Domande frequenti: 27
Pulizia di Dominion*: 28
Risoluzione dei problemi: 28
Garanzia limitata / Informazioni sull'assistenza: 31
Specifiche: 32
INTRODUZIONE
Ci congratuliamo per il vostro acquisito di un impianto subwoofer alimentato JL Audio Dominion. Questo prodotto è stato realizzato con maestria per offrir prestazioni eccezionali nel vostro impianto home theater o audio per molti anni a venire.
Nelle vesti di azienda, riversiamo le nostre energia nella ricerca per Tecnologie di altoparlanti e amplificatori ad alte prestazioni. I design dei driver per subwoofer a escursione lunga JL Audio sono ampiamente considerati standard di riferimento di una risposta lineare e uscita potente. Abbiamo anche incentrato i nostri sforzi nella creazione di potenti工程技术 di amplificazione e trasformazione del segnale, puntando appositamente all'erogazione di prestazioni eccezionali a basse frequence. Il subwoofer Dominion® riunisce quosti aspetti essenziali in una cassa compatta, realizzata con maestria ed eleganza, per offrir un'esperienza di ascolto sulla precedenti.
Vi ringraziamo per aver acquistato quello prodotto e v'invitiamo a leggere attendamente il presente manuale, al fine di raggiungere il livello più elevato di prestazioni con il vostro impianto subwoofer Dominion*. Buon divertimento.
Impiano del motore ottimizzato DMA Con DMA s'intende l'innovativo!.
sistema di analisi dinamica del motore (Dynamic Motor Analysis) JL Audio, volto a migliorare la risposta dinamica del motore. In seguito all'ottimizzazione del DMA, i motori dell'altoparlante restano lineari inutto lungo una gamma estrema di escursioni e mantengonoanche un Campo magnetico fisso a elevata stabilita in un ampio intervallo di potenza. Questo contribuisce alla notevole riduzione delle distorsioni e alla riproduzione fedele dei transienti o, detto in termini simplici, bassi limpidi, puliti e articolati.
Collare di rinsforzo ventilato - VRC Il collare di rinsforzo ventilato JL Audio (Vented Reinforcement Collar) migliorara la rigidità e la stabilità della giunzione cono/centratore/bobina mobile e orienta il flusso d'aria sugli avvolgimenti della bobina mobile per prestazioni termiche ottimali.
Metodo di aggancio Floating-Cone Questa tecnia di assemblaggio assicura una geometria appropriata del surround nell'altoparlante assemblato per un controllo migliorie dell'escursione nonché un allineamento dinamico della bobina mobile più efficaci.
Sistema techniciano Lead-Wire
(Negli Stati Uniti brevetto num.
7.356.157)
Il design e i fissaggi Lead-Wire, progettati con maestria, assicurano una risposta dei Lead-Wire silenziosa e controllata in condizioni estreme di escursione, con seguente riduzione delle distorsioni, dei rumori meccanici e un'affidabilità ottimizzata.
PANORAMICA DEL PRODOTTO
I subwoofer JL Audio Dominion riuniscono un driver per subwoofer e pacchetto elettronica/amplificatore JL Audio all'avanguardia della tecnica in una cassa a livello elevato di ottimizzazione per erogare un'esperienza di ascolto eccezionale nel proprio impianto home theater o home audio.
Il driver del subwoofer nell'impiano subwoofer Dominion è in grado di offrir un'eccellente escursione lineare alla distorsioni o difetti udibili. Questo driver di apposita progettazione consente al subwoofer Dominion di riproduire potenti eventi aasse frequenze con un impatto eccezionale e precisione sorprendente. I driver Dominion affronto capazità di escursione peak-to-peak di ben nelle 2,5 pollici (63 mm - d108) e 2,7 pollici (68 mm - d110) per gestire agevolmente le dinamiche della maggiord parte dei materiali più impegnativi.
Per ottenere il meglio da esta piattaforma del driver a lunga escursione, il Dominion® integra un amplificatore di commutazione realizzato con precisione. Gli amplificatori Dominion* possono emettere tensioni di uscita ininterrotte equivalenti a 500 Watt (d108) e 750 Watt (d110) di potenza RMS quando indicizzate all'impedenza nominale dell'altoparlante, consentendoci di trabre pianovantaggio dall'involucro a escursione completa di ciascun driver.
Anche lelegante cassa che accoglie gli ingranaggi di Dominion è frutto dell'ingegneria di precisione. Per contenerle pressioni generate dal driver Dominion, ci avvaliamo di MDF piano, tagliato a CNC, con fissaggi interni e tecniche avanzate di assemblaggio.
Inoltre, i subwoofer Dominion includono un crossover attivo passabasso integrato, un interruptore di polarità e il controllo di fase per aiutare a raggiungere una transizione acustica ottimale tra uno (o più) subwoofer e gli altoparlanti principali. Gli ingressi avvengono mediante una copbia di ingressi RCA stereo di livello di linea o mediana un connettore rimovabile per gli ingressi di livello dell'altoparlante.
Come è possibile notare da但这a breve introduzione, in quello subwoofer compatto si celano delle technologie notevoli. Il contento del presente manuale spieghera le funzioni e guidarà l'utente nella configurazione e nella sintonizzazione del proprio Dominion5, per aiutare a raggiungere un'eccezonale esperienza di ascolto a basse frequenze.
Se si necessita assistenza, invitiamo l'utente a contattare il proprio rivenditore autorizzato JL Audio per consiglio e assistenza di configurazione da parte di un esperto.
IMPORTANT

IMPORTANT! É UNA BUONA IDEA LEGGERE IL CAPITOLO SUCCESSIVO PRIMA DI DISIMBALLARE IL SUBWOOFER Dominion®. SI CONSIGLIA DI DISIMBALLARE IL SUBWOOFER VICINO LA SUA SEDE FINALE.

COLLOCAZIONE DEL SUBWOOFER DOMINION® NELLA PROPRIA STANZA DI ASCOLTO:
La propria stanza di ascolto o teatro è parte integrante dell'impiano di riproduzione audio. Le dimensioni fisiche della stanza, dei rispetti arredi, materiali, porte e finestre, svolgono un ruolo importante nella definizione dell'audio erogato dal proprio impianto.
Quando si colloca una sorgente audio in uno spazio rettangolare chiuso, si creano delle "onde costanti" derivanti alla relazione tra la lunghezza d'onda dell'audio e le dimensioni della propria stanza. In altre parole, le onde costanti nascono dall'energia del suono che è intrappolata nella stanza quando rimbalza in avanti e indietro tra le pareti opposte. Le onde costanti nella stanza creano picchi e cali acustici laddove l'audio è più alto o più delicato, esclusivement in base alla posizione dell'utente nella stanza. Anche l'energia "si accumula" in corrispondenza dei confini della stanza, creando una risposta esagerata dei bassi a certe frequenze. Queste risonanze fondamentali della stanza prendono il nome di "modi" della stanza.
La morale di但这a storia sulle modalità è tentare di evitare di collocare i sedili nelle regioni di picco o calo delle onde costanti. Si consiglia vivamente di posizionare i propri sedili di ascolto in aree in cui i picchi e i cali modali sono moderati e non si rafforzano reciprocamente. Le due aree più ovvie da evitare sonoQLI quelle in prossimità del centro esatto della stanza e quale vicine a una delle pareti della stanza.
Proprio come il proprio sedile di ascolto può trovarsi in una regione di picco o calo, lo stesso si applica al subwoofer. Quando collocato in un angolo della stanza, un subwoofer esalta al massimo la struttura modale della stanza, creando l'émissione più forte con il numero minore di cali. Quando il subwoofer è allontanato da un angolo o una parete, i modi della stanza sono eccitati in misura minore, il che altera il suono in corrispondenza del sedile di ascolto.
L'utente deve accertarsi di sperimentare le posizioni di entrambi il sedile di ascolto e il subwoofer per trovare la soluzione migliorie. Una sperimentazione attenta contribuisce, generalmente, a un impianto audio superiore. Invitiamo l'utente ad avvaleri dei suggerimenti di configurazione (illustrati alla pagina opposta e nelle seguenti pagine) per i primi passi.
Consiglio d'iniziare posizionando il proprio Dominion nella parte anteriore della stanza, sul pavimento, accanto all'altoparlante sinistro o destro. Posizionando Dominion in prossimità di pareti piene si rafforzerà la risposta dei bassi e allontanandolo delle pareti piene si riduranno i bassi. Aumentando la distance tra il subwoofer e le pareti, sare possibile rendere fluida la risposta dei bassi superiori in alcune stanze.
Consiglio all'utente di evitare di posizionare il Dominion in prossimità di finestre per prevenir tremoli e la trasmissione del suono al mondo esterno.

Se si preve de d'installare il proprio Dominion all'interno di una teca, si prega di consultare le linee guida a pagina 8.

Opzioni consigliate per la collocazione del subwoofer per uno o.due subwoofer Dominion
CONSIDERAZIONI SPECIALI SULLE INSTALLAZIONI A INCASSO
Il subwoofer Dominion* più essere integrato in una teca personalizzata attenendosi alle seguenti linee guida pratiche.
1) Lasciare 4 pollici (10 cm) di spazio libero dietro il pannello amplificatore del Dominion per il raffreddamento e lo spazio dei connettori adeguati.
2) Su tutti gli altri lati (fatta eccezione per la parte inferiore), lasciare almeno 2 pollici (5cm) di spazio per una ventilazione adeguata.
3) Sebbene il Dominion* si surriscaldi solo alla massima potenza, consigliamo di includere delle fessure adeguate per il calore in qualsiasi armadietto in cui è alloggiato il Dominion*. Una coppi di fessure con diametro di 3 pollici (7,5 cm) vicino la parte inferiore della teca e vicino la parte superiore della teca, consentirà la circolazione dell'aria fresca sul pannello amplificatore del proprio impianto subwoofer Dominion* tenendolo bene al fresco.
4) Il subwoofer Dominion® è in grado di spostare quantità sostanziali di aria. Se la parte anteriore del Dominion® è coperta da una griglia personalizzata, le dimensioni della griglia devono essere ALMENO parl all'area del cono del woofer per ciascun modello, per garantire che l'uscita non sia suffocata alla teca personalizzata. Consultare la tabella sottostante per le aree consigliate delle fessure per ciascun modello.
| Modello Area consigliata della fessura sulla griglia personalizzata | |
| d108 ≥ 33 in | 2 (213 cm2) |
| d110 ≥ 49 in | 2 (316 cm2) |

Visuale posteriore dell'installazione nella teca:
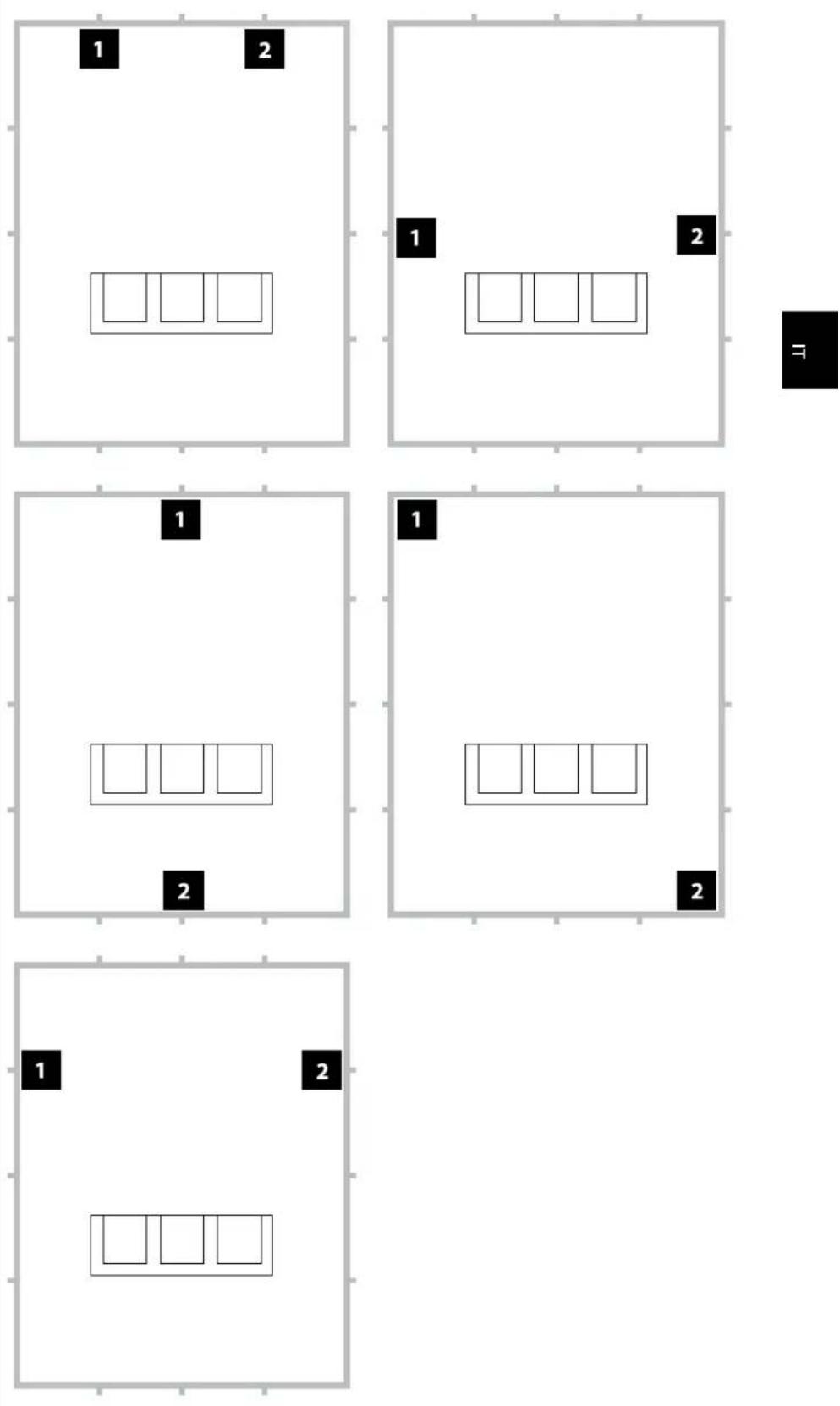
Quando trovano impiego due subwoofer Dominion, tentarne il posizionamento in prossimità degli angoli anteriors della stanza, ad angolazioni diagonalmente opposte oppure in corrispondenza dei punti centrali delle pareti opposte come migliorato sulla destra.
La sperimentazione del collocamento del subwoofer e dell'ascoltatore è consigliata per ottenerere risultati migliorie e ivantaggi sono tangibili.
Rilevamenti ad alla risoluzione e la calibrazione professionale dell'impiano sono consigliati per i migliorari risultati possibili e prestazioni ottimali di quest's ultimo.

Collocazione consigliata del subwoofer per due subwoofer Dominion® Impiego di due s
Collocazione consigliata del subwoofer per tre subwoofer Dominion


Collocazione consigliata del subwoofer per quattro subwoofer Dominion




Impiego di tre o quattro subwoofer Dominion
Degli studi indicano che la risposta più fluida dei bassi per una grande area di ascolto cui sono ossere ottenuata impiegando quattro subwoofer, posizionandone uno al centro di ciascuna delle quattro pareti (sebbene impiegando due o tre subwoofer si possa ottenere pressché lo stesso risultato).
La sperimentazione del collocamento del subwoofer e dell'ascoltatore è consigliata per ottenere risultati migliorie e ivantaggi sono tangibili.
Rilevamenti ad alta risoluzione e la calibrazione professionale dell'impianto sono consigliati per i migliorari risultati possibili e prestazioni ottimali di quest's ultimo.
Disimballare questa scatola in prossimità della futura sede del subwoofer. Il subwoofer è IMBALLATO al rovescio. Questa scatola deve essere capovolta CON LA MASSIMA CAUTELA per rimuovere il subwoofer e ridurre al minimo gli sforzi.
DISIMBALLAGGIO DEL Dominion
Ora che è stata determinata la posizione delDominion* sul pavimento della propria stanza, è possibile procedere con il suo disimballaggio in prossimità della sua sede di destinazione.

IMPORTANT

IMPORTANT! A CAUSA DEL PESO DEL SUBWOOFER Dominion, SI PREGA DI PRESTARE CAUTELA DURANTE IL DISIMBALLAGGIO E IL POSIZIONAMENTO, AL FINE DI EVITARE LESIONI. SE POSSIBLE, AVVALERSI DELL'AUTO DI UNA SECONDA PERSONA PER AGEVOLARE IL PROCEDIMENTO. PER RIDURRE AL MINIMO IL RISCHIO DI LESIONI, PIEGARE LE GINOCCHIA E SOLLEVARLO CON LE GAMBE, NON CON LA SCHIENA.
Istruzioni dettagliate per il disimballaggio del subwoofer:
- Posare lo scatolone sul pavimento in prossimità della sua sede prevista nella stanza.
- Apriere la parte superiore dello scatolone (osservare i contrassegni su diesso) e rimuovere il manuale e il cavo di alimentazione.
- Il subwoofer è imballato al rovescio. Sollevare il cappuccio in polistirolo alla parte inferiore del subwoofer.
- Allentare il telo protettivo per consentirne la rimozione agevolata in un secondo momento (non rimuoverlo per adesso). Quando si après il telo protettivo, si vede la parte inferiore della cassa del subwoofer.
- Posizione are nuovamente il cappuccio in polistirolo nel passaggio 3 per proteggere la cassa del subwoofer durante il ribaltamento e il disimballaggio del subwoofer nei passaggi successivi.
- Ribaltare delicatamente la scatola a lato,iegando i lembi dello scatolone all'esterno.
- Tenere indietro i lembi dello scatolone, ribaltare delicatamente lo scatolone sulla sua parte superiore (estremità aperta).
- Mettere lo scatolone in verticale sono a quando esce il subwoofer e posarlo a lato.
- Rimuovere il cappuccio in polistirolo più alto e posarlo nelle scatolone.
- Rimuovere la busta in plastica e posarla dello scatolone.
- Sollevare il subwoofer dal cappuccio restante in polistirolo e posare il cappuccio dello scatolone.
- Rimuovere il telo protettivo e posarlo nelle scatolone.
IMPORTANT

IMPORTANT! CONSERVARE TUTTI GLI IMBALLAGGI PER IL TRASPORTO SICURO DEL SUBWOOFER E PER L'EVENTUALE UTILIZZO FUTURO IN SEDE DI MANUTENZIONE.
Pannello di controllo posteriore (modello da 120 V mostrato)
La figura sottostante在哪的 pannello posteriori di un subwoofer Dominion*. I modelli d108 e d110 hanno layout identici.


COMANDI DOMINION IN DETTAGLIO
Indicatore di accensione a LED
L'indicatore a LED sul pannello di controllo alla disposibilità operativa del subwoofer Dominion. Nota: I subwoofer Dominion NON hanno un interrottore di accensione. Piuttosto, il Dominion attivera automaticamente il suo amplificatore interno quando rileva l'audio in corrispondenza di uno dei loro ingressi e disattivera l'amplificatore interno se non è stato rilevato alcun segnale per approximativamente trenta (30) minuti. Mentre a riposo in questa modalità di "standby a bassa potenza", il Dominion consumesomethinga quantità esigua di corrente (<0,5 Watt). Consultare la tabella sottostante per la funzione del LED e il rispectivo significato.
| Colore del LED Modalità Condivisione | ||
| Verde Acceso Segnale | audio rilevato | |
| Rosso Standby a Bassa potenza | Quando collegato la prima volta all'alimentazione oppure 30 minutì dopo la perdita del segnale audio | |
Nell'improbabile eventualità che la funzione di attivazione automatica non sia sufficientemente sensibile per un particolare impianto, utilizzare un cavo adattatore a Y (un connettore femmina a due connettori maschio RCA) per sud dividere il segnale in ingresso in entrambi gli ingressi RCA sul Dominion. In quello modo, sare possibile augmentare il livello d'ingresso di 6 dB. Attenzione: se è presente un rumore notevole che entra nell'ingresso del subwoofer, è possible che quello non si disattivi come richiesto. Qualora questo sa il caso, rimuovere il cavo adattatore a Y e/o individuire la sorgente del rumore nei componenti a monte.
L'unico modo per spegnere completeness un subwoofer Dominion è scollegandone il cavo di alimentazione CA. Non usare una presa elettrica con interrottore, una presa multipla o altri interrottore esterno per interrimpere o avviare l'alimentazione a un Dominion, in quanto cui lo comportare picchi di tensione indesiderati e potenzialmente pericolosi.
Interruttore del filtro PB
Il selettore "LP Filter" determina la modalità operativa del crossover attivo integrato del proprio Dominion.
Con "Off" si disattiva completeness il filtro del crossover, rimuovendo completeness quello circuito dal percorso del segnale e si rivela molto utile quando si usano un ricevitore oppure filtri del preamplificatore/processore e funzioni di gestione dei bassi.
Con "On" si attiva il crossover attivo integrato. Questo crossover si compone di un filtering passa-basso di 24 dB/ottava per i segnali che alimentano l'amplificatore interno.
Manopola di frequenza PB
La manopola selettrice "LP frequency (Hz)" consente all'utente di scegliere la frequenza del crossover attivo integrato del proprio Dominion. Non ha alcun effetto quando l'interruttore "LP Filter" é in posizione "Off". La frequenza è variable da 25Hz (fino in fondo in senso antiorario) a 130Hz (fino in fondo in senso orario). 80Hz è una frequenza del filtrro comunmente utilizzata e, solitamente, funge da buon punto di partenza per le regolazioni.

IMPORTANT






Manopola del livello Master
La manopola "Master Level" è impiegata per impostare il livello di uscita del Dominion® relativamente al resto dell'impianto audio.
Quando ruotata in senso antiorario fino in fondo, l'uscita del subwoofer sare tacitata completeness. Quando in corrispondenza di "0" o in posizione verticale, il livello è sul guadagno di riferimento. Quando ruotata in senso orario fino in fondo, il livello del subwoofer è alla sensibilità massima (audio più alto).
Fase (gradi) Manopola
La manopola di controllo "phase (deg.)" consente all'utente di regolare la temporizzazione dell'uscita del subwoofer in relazione agli altoparanti principali. Il dato "phase (deg.)" influisce principalmente sull'intervallo piccolo di frequenza intorno al punto di crossover tra il proprio subwoofer e gli altoparanti satelliti. L'indicazione dei gradi della manopola "phase (deg.)" è indicizzata a 80Hz , dal momento che questo è il punto di crossover più comune tra gli altoparanti satelliti e un subwoofer. Sono possibili impostazioni tra 0 gradi (rotazione completeness in senso antiorario) e 280 gradi (rotazione completeness in senso orario).
Le posizioni degli altoparlianti, del subwoofer e dei sedili di ascolto variano sensibilmente nelle estallazioni home theater. Dal momento che la posizione fisica degli altoparlianti in relazione ai confini della stanza e reciproca influsce notevolmente sulla qualità percepita dell'uscita audio, a volte è di aiuto ridardare l'uscita del subwoofer. Questo è esattamente ciò che si verifica quando si ruota il commando "phase (deg.)"及其他 0 grade.
Una volta che il proprio Dominion* è stato positizzato nella propria stanza di ascolto per offrir l'audio completo più fluido, e dopo aver determinato la posizione ottimale dell'interruttore "Polarity" (vedere il capitolo che segue), sperimentare la posizione della manopola "phase (deg.)". Impiegando del materiale sorgente familiare con contentuto di bassi medi e superiori, regolare il commando "phase (deg.)" e ascoltare bassi medi meglio definiti e una transizione più fluida tra il subwoofer e gli impianti degli altoparlanti satelliti. Se dessuna impostazione individuale suona meglio dell'altra, lasciare la manopola "phase (deg.)" su 0 grade.
Interruttore di polarità
L'interruttore "Polarity" consente all'utente di scegliere tra la polarità di segnale normale (0 deg) e invertita (180 deg). L'interruttore "Polarity" influisce principalmente sull'intervaldo piccolo di frequenza intorno al punto di crossover tra il proprio subwoofer e gli altoparlanti satelliti.
Diversamente dalla manopola "phase (deg.)", che aggiunge efficacamente il ritardo temporale, l'interrotture "Polarity" produce un'inversione istantanea dei picchi di ampiezza del segnale. Ad esempio se, a un determinato punto di riferimento, un'onda sinusoidale ha un picco di ampiezza, facendo scattare l'interruttore "phase (deg.)", l'utente converte istantaneamente quel picco in un calo o una diminuzione dell'ampiezza. Dal momento che l'effetto dell'interruttore "Polarity" è immediato, completing il funzionamento del comando "phase (deg.)" e non può essere sostituito daesso.
Quando si colloca il subwoofer nella stanza, sperimentare l'interruttore "Polarity" prima di regolare il commando "phase (deg.)". Ciacuna posizione dell'interruttore "Polarity" potrebbe fornire una transizione più fluida tra il proprio Dominion e gli altoparlanti satelliti. Servirsi di materiale sorgente con un buon contento di bassi medici superiori per la valutazione.

COLLEGAMENTO DEL DOMINION
Ingressi del livello di linea
Il Dominion* presente dei connettori d'ingresso di tipo RCA, individuali, sbilanciati a sinistra e a destra. Questi sono i connettori più comunmente utilizzati per le applicazioni home audio.
Per gli impianti con un subwoofer mono oppure collegamento di canali "LFE", si utilizzera soltanto un connettore jack di tipo RCA (sinistra o destra). Questo metod si applica ai ricevitori multi-canale più moderni e a preamplificatore/processor.
Connettori jack d'ingresso di tipo RCA separati a sinistra e destra sono forniti per i sistemirawn collegamento subwoofer mono dedicato. Questo si applica, tipicamente, alle appearecchiature audio a due canali. Il Dominion* addizione automaticamente gli ingressi a sinistra e a destra per alimentare il suo amplificatore subwoofer interno.
Connettori di tipo RCA (uno per ciascun canale):
Punta: Positiva
Manicotto: Negativo
Impedenza di ingresso: 10
Ingressi di livello altoparlante
Questa funzione è inclusa per praticità quando è necessario collegare il Dominion1 a un ricevitatore o amplificatore integrato che offre sostanto uscite di livello altoparlante. L'utilizzo di但这a funzione è consigliato sostanto quando non è disponibile alcun segnale di livello di linea idoneo.
Perutilizzare la funzione degli ingressi "Speaker Level",e sufficiente collegare le uscite degli altoparlanti full-range del proprio ricevitore o amplificatore integrato al connettore "Speaker Level" del Dominion in parallelo con gli altoparlanti principali. In quest'applicazione, gli altoparlanti principali rimarranno full-range e il collegamento al Dominion non influirà sul loro audio.
L'ingresso "Speaker Level" consiste in un connettore d'ingresso e una spina removibile con connettori femmina a filo integrato. Un cavo altoparlante standard, di forn a 12 AWG (3mm^2) cui siere estilizzato e collegato alla spina removibile extraendo ciascuna vite, inserendo l'estremita nuda di agli filo dell'altoparlante, facendo attenzione a non cortocircuitare un filo con l'alto, e serrando la vite. I collegamenti sono indicati di seguito:
Connettore "Speaker Level" (da sinistra a destra):
1: Canale sinistro positivo
2: Canale sinistro negativo
3: Canale destro positivo
4: Canale destro negativo
Impedenza di ingresso: 4,3k
Connettore di collegamento wireless
Il modello Dominion include un connettore femmina "Wireless Link" che può essere utilizzato con unsystema JL Audio JLink™ TRX (venduto separamente). Il JLink™ TRX è una systema di trasmissione e ricezione audio ad alta fedeltà, in grado di inviare segnali audio in modalità wireless fine a 100 piedi di distanza (30 metri). Impiegando un JLink™ TRX, si eliminare l'esigenza di posare dei cavi fisici di segnale dalle uscite di livello di linea del proprio ricevitatore o preamplificatore/processoreagli ingressi di livello di linea del Dominion. Piuttosto, il modello Dominion riceverà in modalità wireless dei segnali audio nella sua porta "Wireless Link" direttamente dal collegamento del cavo del ricevitore JLINK™.
Nota: L'impiego delsystemaJLINKTRXrichiededelesuscite di livello di lineal dal proprio ricevitore o amplificatore. Leuscite di livello altoparlante non sono compatibili.


Gli ingressi a sinistra e a destra sul Dominion® sono addizionati internamente in un unico canale mono.

JLINK TRX (venduto separatamente)



Interruttore isolato/messo a terra
Questa funzione è inclusa per affrontare problemi di messa a terra del segnale riscontriati spesso negli impiani home theater quando sono interconnessi diversi componenti di svariati produttori. L'interrottore della modalità d'ingresso "Grounded / Isolated" sul pannello posteriore dei collegamenti altera sostanto gli "ingressi RCA" ed è progettato per agevolare un collegamento silenzioso e privo di ronzio al proprio impianto audio o home theater. Questo interruptore non ha alcun effetto sui segnali collegatiagli ingressii "Speaker Level".
Il Dominion è spedito con questo interruptatore nella posizione "Isolated". Se, con tutti i componenti dell'impiano collegati e accesi (ma ricerca alcuna sorgente in riproduzione), si sente un ronzio continuo a bassere frequenze dal Dominion, far scattare questo interruptatore nella posizione "Grounded" e valutare la differenza di livello di rumorosità. Servirsi della posizione dell'interruttore che offre meno ronzio o rumorosità.
Connettor di alimentazione CA tipo IEC
Il connettore femmina del cavo CA tipo IEC riceve un cavo di alimentazione a calibro elevato, lungo 6 ft. (1,8m) , incluso nel proprio Dominion'. I subwoofer venduti in diverse parti del mondo sono configurati per l'impiano elettrico di ciascun mercato e includono connettori appropriati sui rispetti cavi di alimentazione. Si prega di notare i contrassegni della tensione accanto al connettore CA e assicurarsi di erogare alimentazione al Dominion' sostanto da un connettore femmina che correponda a tali contrassegni. Non usare un cavo di alimentazione CA diverso da quello fornito con il Dominion'. Per informazioni sul portafusibili principale, si prega di consultare il capitolo sulla risoluzione dei problemi del presente manuale.
Il subwoofer Dominion è un dispositivo potente e può assorbire molto corrente. Se sono collegati troppi componenti a un Dominion versus una presa elettrica, si rischia di far scattare l'interruttore del circuito domestico durante programmi molto impregnativi. Se ciò dovesse accadere, separare il Dominion e gli altri componenti tra due circuiti elettrici CA.


RICEVITORE/PROCESSORE
La maggior parte dei ricevitori e preamplificatori/processor home theater forniscono un'unica uscita di livello di linea del subwoofer (mono).
Quando si collega un'uscita subwoofer mono al proprio Dominion, è necessario collegarsi esclusivamente a uno dei "Line Input" (a sinistra o destra) del subwoofer. Servirsi di un cavo d'interconnessione audio di buona qualità con connettori di tipo RCA.
Nella maggior parte dei casi, si usano le funzioni di gestione dei bassi/crossover del ricevitore o del preamplificatore/processore. Ci richiede che l'interruttore "LP Filter" del Dominion* sa in posizione "Off".
ATTENZIONE! SPEGNERE IL/DOMINION E TUTTE LE ALTRE APPARECCHIATURE NELL'IMPIANTO PRIMA DI REALIZZARE O MODIFICARE EVENTUALI COLLEGAMENTI!

ATTENZIONE
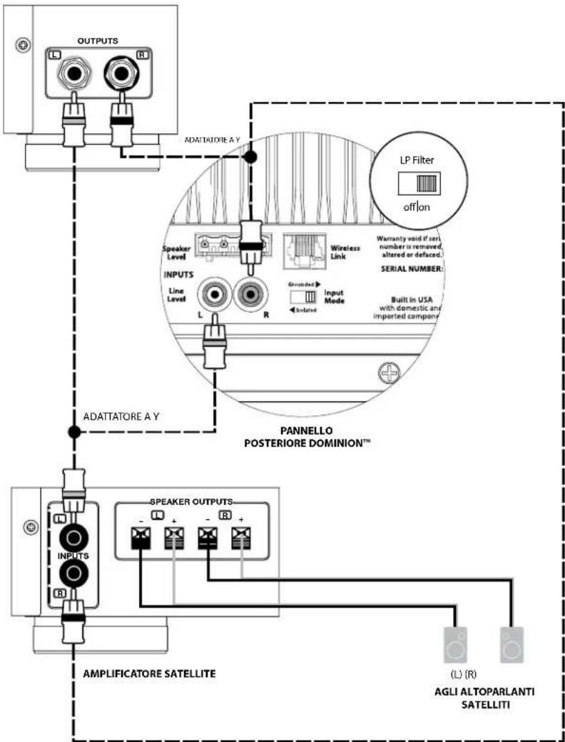
SCHEMA DI COLLEGAMENTO DELL'IMPIANTO 2:
Diversi subwoofer Dominion a ricevitore home theater o preamplificatore/processore home theater
La maggior parte dei ricevitori e preamplificatori/processor home theater forniscono un'unica uscita di livello di linea del subwoofer (mono).
Quando sicollege un'uscita subwoofer mono a piu di un Dominion, servirsi di un cavo adattatore a Y (splitter) per dividere il segnale di uscita a diversi cavi d'interconnessione audio, laddove ciascuno alimenta un subwoofer Dominion* separato. Servirsi di un cavo d'interconnessione audio di buona qualità con connettori di tipo RCA.
Nella maggior parte dei casi, si usano le funzioni di gestione dei bassi/crossover del ricevitore o del preamplificatore/PROCESSOR. Ciò richiede che l'interruttore "LP Filter" del Dominion* sa in posizione "Off".
Alcuni ricevitori e preamplificatori/ processor offrono diverse uscite subwoofer, che possono essere usate per collegare Dominion* multipl. Consultare il manuale del proprio ricevitore/pre-pro per i dettagli.
ATTENZIONE


RICEVITORE/PROCESSORE

PANNELLO POSTERIORE DOMINIONTM (#1)
PANNELLO POSTERIORE DOMINIONTM (#2)
ATTENZIONE! SPEGNERE IL/IDOMINION E TUTTE LE ALTRE APPARECCHIATURE NELL'IMPIANTO PRIMA DI REALIZZARE O MODIFICARE EVENTUALI COLLEGAMENTI!


PREAMPLIFICATORE
Un Dominion® in mono a un impianto audio a due canali
Quando sicollege un Dominion individuale in mono a un impianto audio a due canali, siutilzeranno entrambi i "Line Input"indicati conLefteRight del Dominion.
In condizioni ideali, si utilizzato le funzioni di gestione dei bassi (crossover) integrate nel proprio preamplificatore (se disponibile), oppure un crossover attivo dedicato (come il JL Audio CR-1) per sud dividere i segnali sinistro e destro tra il subwoofer e l'amplificatore dell'altoparlante principale. In queste scenario, il subwoofer si colleghera alle uscite dedicate del subwoofer del crossover attivo o del preamplificatore. Servirsi di cavi d'interconnessione audio di buona qualita con connettori di tipo RCA per realizzare quosti collegamenti.
Se non si utilizes un crossover attivo esterno oppure una gestione dei bassi integrata nel proprio preamplificatore, è sufficiente suddividere i segnali audio in corrispondenza delle uscite del proprio pre-amplificatore impiegando cavi di collegamento a Y (splitter). Successivement, far scorrere un canale audio a due canali verso il subwoofer da questi adattatori a Y e collegare quello cavoagli ingressi di linea sulla destra e sulla sinistra del subwoofer.
In quello scenario, è necessario attivare il filtrato passa-basso sul Dominion* per applicare il filtraggio passa-basso al segnale che alimenta l'amplificatore interno del subwoofer. Il segnale verso l'amplificatore dell'altoparlante principale rimarrafull-range.
ATTENZIONE! SPEGNERE IL/DOMINION E TUTTE LE ALTRE APPARECCHIATURE NELL'IMPIANTO PRIMA DI REALIZZARE O MODIFICARE EVENTUALI COLLEGAMENTI!

ATTENZIONE
SCHEMA DI COLLEGAMENTO DELL'IMPIANTO 4:
Due subwoofer Dominion® in stereo a un impianto audio a due canali
Quando si collegano due subwoofer Dominion in stereo a un impianto audio a due canali, si assegnera un Dominion al canale sinistro e l'alto Dominion al canale destro.
In condizioni ideali, si utilizzato le funzioni di gestione dei bassi (crossover) integrate nel proprio preamplificatore (se disponibile), oppure un crossover attivo dedicato (come il JL Audio CR-1) per suddividere i segnali sinistro e destro tra i subwoofer e l' amplificatore dell'altoparlante principale. In queste scenari, i subwoofer si collegheranno alle uscite dedicate dei subwoofer del crossover attivo o del preamplificatore. Collegare l'uscita sinistra del proprio preamplificatore al "Line Input" del Dominion designato come subwoofer sinistro. Poi, collegare l'uscita destra del proprio preamplificatore al "Line Input" del Dominion designato come subwoofer destro. Servirsi di cavi d'interconnessione audio di buona qualità con connettori di tipo RCA per realizzare quosti collegamenti.
Se non si utilizes un crossover attivo esterno oppure una gestione dei bassi integrata nel proprio preamplificatore, è sufficiente suddividere i segnali audio in corrispondenza delle uscite del proprio preamplificatore, cavi di collegamento a Y (splitter). Successivement, posare un cavo audio verso ciascun subwoofer da questi adattatori a Y. Si utilizesa soltanto un "Line Input" su ciascun Dominion* (sinistro o destro).
In questo scenario, è necessario attivare il filtrato passa-basso suogni Dominion* per applicare il filtraggio passa-basso al segnale che alimenta ciascun amplificatore interno del subwoofer. Il segnale verso l' amplificatore dell'altoparlante principale rimarrafull-range.
ATTENZIONE


ATTENZIONE! SPEGNERE ILI DOMINION* E TUTTE LE ALTRE APPARECCHIATURE NELL'IMPIANTO PRIMA DI REALIZZARE O MODIFICARE EVENTUALI COLLEGAMENTI!


PANNELLO POSTERIORE DOMINIONTM

PANNELLO POSTERIORE DOMINION
ATTENZIONE! SPEGNERE IL/DOMINION® E TUTTE LE ALTRE APPARECCHIATURE NELL'IMPIANTO PRIMA DI REALIZZARE O MODIFICARE EVENTUALI COLLEGAMENTI!
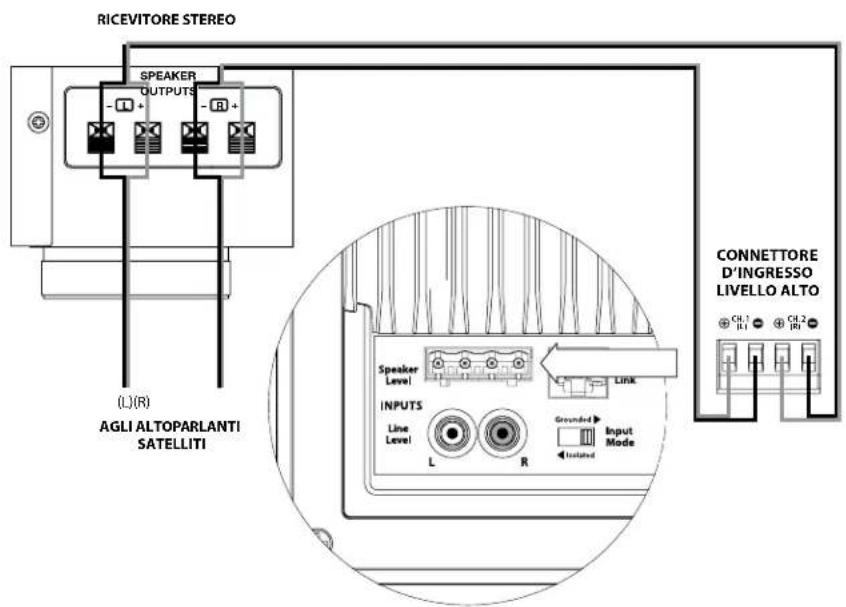
Collegamento di un Dominion* a un ricevitoretramitegli ingressi di livello dell'altoparlante
Il Dominion* presente ingressi di livello dell'altoparlante, studiati per accettare l'uscita di una sorgente amplificata, come le uscite altoparlante di un ricevitore stereo. L'utilizzo di但这a funzione è consigliato soltanto quando non è disponibile alcun segnale di livello di linea idoneo.
Quando si collega un Dominion* individuale in mono alle uscite altoparlante del ricevitore a due canali, si utilizzera il collegamento sua a sinistra sua a destra sulla spina di ingresso "Speaker Level" del Dominion. Servirsi di cavi altoparlante di buona qualita (fino a 12 AWG/3 mm) per realizzare questi collegamenti. Accertarsi di inseire tutti i fasci di fili in ciascuna porta di collegamento e non consentire a nessuno di quosti fili di cortocircuitsari a vicenda.
E possibile realizzare i collegamenti agli ingressi del subwoofer Dominion in corrispondenza dei terminali di uscita del ricevitore oppure in corrispondenza degli altoparlanti principali, indistintamente da quello più conveniente. Sui ricevitori con selettori di circuito altoparlante A/B, è possibile collegare il Dominion alle uscite "B", ottengo la possibilità di accendere e spegnere facilemente il segnale del subwoofer con il selettore di circuito dell'altoparlante ricevitore.
La sezione d'ingresso del proprio Dominion addizionera gli ingressi sinistro e destro al mono e appliccherà il filtraggio passa-basso per alimentare l'amplificatore interno del subwoofer quando "LP Filter" del Dominion è su "on".
Dal momento che gli altoparlanti principali sono alimentati in parallelo con gli ingressi del Dominion*, continuano a funzionare come altoparlanti full-range. Eventuali regolazioni della manopola "LP frequency (Hz) influranno soltanto sul suono del Dominion, non sugli altoparlanti principali.

ATTENZIONE

PROCEDURE CONSIGLIATE DELLA CONFIGURAZIONE
- Predispositione del processo di configurazione: 24-25
- Impostazione del livello: 26
- Regolazione della polarità/fase: 26
- Experimento con la sede: 26
PREDISPOSIZIONE PER LA CONFIGURAZIONE:
Si prega di confirmare le seguenti impostazioni dell'impianto prima d'iniziare il processo di configurazione. In quello modo, sarebbe garantire un punto di partenza neutrale e una configurazione efficace del proprio impianto subwoofer.
Sul proprio ricevitore home theater o preamplificatore/processore:
Prima d'iniziare la configurazione del proprio impianto subwoofer Dominion*, consigliamo di impostare il proprio ricevitore o preamplificatore/processore come indicato di seguito:
1. Dimensioni dell'altoparlante
Nel menu di configurazione dell'altoparlante del proprio ricevitore o preamplificatore/processor, configurare tutti gli altoparlanti ad alta frequenza su "small" con un punto crossover di 80Hz . In quello modo, TUTTI i bassi saranno spediti da tutti i canali ai subwoofer ed è il metodolo consigliato per le prestazioni migliorieri, indistinctamente delle dimensioni effettive dei propri altoparlanti (grandi o piccoli).
2. Distanza dell'altoparlante
Nel menu di configurazione dell'altoparlante, configurare correttamente le distance di tutti gli altoparlanti al sedile di ascolto primario, inclusa la distance del subwoofer. Servirsi di un metro a nastro per determinare queste distance (è importante la coerenza temporale). Se si utilizzato diversi subwoofer Dominion^ , calcolo la media delle loro distance rispetto al sedile di ascolto primario e utilizzato quel numero per impostare la distance dei subwoofer.
3. Livello del subwoofer
Impostare il "Subwoofer level" nel ricevitore o preamplificatore/processore su "0" oppure nella sua posizione centrale.
4. Comandi dei toni/Equalizzatori
Configurare i comandi di tutti i toni (bassi, alto, ecc.) su "0" e disattivare tutte le funzioni equalizzatore.
Sul proprio crossover attivo o processore di gestione dei bassi:
Se si usa un crossover attivo oppure un processore di gestione dei bassi, consigliamo di impostarlo come indicate di seguito prima d'iniziare la configurazione del proprio impianto subwoofer Dominion (si prega di spegnere tutti i subwoofer Dominion nell'impianto, prima di effettuare queste regolazioni):
1. Freqenza del filtro crossover
Selezionare una frequenza del filtro passa-basso di 80Hz (pendenza di 24 dB/ ottava, se esta opzione è disponibile)
2. Livello di uscita del subwoofer
Impostare il livello di uscita del subwoofer su "0" oppure in posizione centrale.



on

LP frequency (Hz)

Master Level

phase (deg.)

PolarityLP Filter
0|180 deg.off

110
Sul pannello di controllo del Dominion:
- Interruttore "LP Filter" e manopola "LP frequency (Hz)"
Se il proprio ricevitatore/processore home theater manipola la gestione dei bassi (altoparlanti impostati su "small"), oppure se si usa un crossover/processore di gestione dei bassi esterno, far scattare l'interruttore "LP Filter" sul proprio Dominion su "off". Se la proprio applicazione richiede l'utilizzo del filtrato passa-basso integrato del Dominion, selezionare la posizione "on" e impostare la manopola "LP frequency (Hz)" su "80 Hz".
- Interruttore "Polarity"
Far scattare l'interruttore "Polarity" su "0."
- Manopola "phase (deg.)"
Ruotare la manopola "phase (deg.)" su "0" gradi

PROCEDURE CONSIGLIATE DELLA CONFIGURAZIONE
Configurazione dell'impiano subwoofer:
Una volta impostati i comandi sul proprio ricevitore home theater o preamplificatore/processore e il subwoofer alle impostazioni consigilate alle pagine 24 e 25, si è pronti a iniziare la configurazione del Dominion* per prestazioni ottimali.
1. Impostazione del livello
Impiegando della musica o un film famiare con bassi profondi, regolare il livello del subwoofer per mescolarsi con gli altri altoparlanti, servendosi del lavoro di livello del subwoofer sul ricevitatore o preamplificatore/processore.
Nell'improbabile eventualità che il controllo di livello subwoofer nel ricevitatore o preamplificatore/processore non possa essere innalzato abbastanza per un'equivalenza di livello del Dominion®, ruotare quella manopola su "0". Piuttosto, serviri del dato "Master Level" sul Dominion® per far equivalere il livello del subwooferagli altri altoparlanti.
Per informazioni più dettagiate sui comandi delle impostazioni di livello del Dominion, consultare il capitolo "Livello Master" a pagina 14 del presente manuale.
2. Regolazione della polarità e della fase
Spesso, è utile avere una seconda persona che attivi questi comandi, di modo che si possano udire lavoramente le variazioni dal sedile di ascolto primario.
Ascoltando del materiale sorgente familiare (preferibilmente musica con Buona risposta di bassi superiori e massi medi), far scattare l'interruttore "Polarity" da "0" a "180" e ascabtare le differenze. L'impostazione corretta suonerà più naturale con la migliorie articolazione dei bassi superiors. Setrambe hanno un audio simile, scegliere "0".
Una volta impostata la polarità, servirsi dello stesso materiale musicale per testare diverse impostazioni del commando "phase (deg.)" e scegliere quella che ottimizza ulteriormente la risposta dei bassi superiors e medi. Se non è possibile ascoltare la differenza, impostare il commando su "0".
Se l'utente è soddisfatto delle prestazioni di base del subwoofer, è pronto a passare al passaggio successivo. In caso contrario, consiglio all'utente di sperimentare la posizione del proprio subwoofer fino a quando è soddisfatto delle sue prestazioni di base. Sperimentare con il positizamento si rivela ESSENZIALE per un impianto dall'audio superiore. Spostando il subwoofer soltanto di pochi metri più influire sensibilmente sulla fluidità dei bassi. Per agli nuova posizione, iniziare con i comandi "Polarity" e "phase (deg.)" su "0" e ripetere il processo di configurazione iniziando con il passaggio 1.
Questo completingi il processo per la configurazione di base! è possibile ottenerere degli ulteri progrissi utilizzando correttamente la trasformazione integrata nel proprio ricevitore o preamplificatore/processore. Rivolgersi al proprio rivenditore autorizzato JL Audio se si richiede ulteriore assistenza per la configurazione.
IMPORTANT PRENDERE NOTA DI TUTTE LE IMPOSTAZIONI ESEGUITE NEI PASSAGGI DA 1 A 3 PER LA CONSULTAZIONE FUTURA. LA PAGINA 30 É STATA FORNITA PER LE NOTE SULL'INSTALLAZIONE.

IMPORTANT
DOMANDE FREQUENTI
Posso posizionare degli oggetti sul mio subwoofer?
Sconsigliamo di collocare eventuali oggetti sulla cassa del subwoofer, in quanto potrebbero vibrare, causando rumori indesiderati e possibili danni alla rifinitura. In nessuna circostanza si deve collocare un oghetto contente liquidi sulla cassa.
La mia bolletta dell'elettricità sare alla se lascio il subwoofer collegato?
Ogniquvalvolta sua collegato all'alimentazione CA, l'amplificatore Dominion* si accende soltanto quando è rilevato un segnale notevole in corrispondenza degli ingressi. Quando in modalità standby a bassa potenza, rimangono attivi soltanto i circuiti di standby, che assorbono quantità trascurabili di corrente alla presa (meno di 0,5 Watt).
Dovrei scollegare il subwoofer durante una tempesta oppure un'assenza prolongata?
Sl. Si dovrebbe scollegare il proprio subwoofer durante una tempesta (o prima). In quello modo si prevegono eventuali danni dovuti a picchi di tensione a causa dei fulmini. In queste condizioni, è una buona idea scollegare tutti i componenti audio/video. É vivamente consigliato scollegare le proprie apparecchiature audio/video prima di un'assenza prolongata, nel caso in cui si verifiche una tempesta duranteQLa sua assenza.
Ésicuroutilizzareilmiodominion*all'aperto,inuna sauna oabordo diuna piscina?
NO. Il Dominion* è stato progettato esclusivamente per l'impio in ambienti chiusi e asciutti.
Il Dominion® presente una schermatura magnetica?
NO. Per evitare distorsioni magnetiche con alcune tipologie di teilevisori, collocare il subwoofer almeno a 3-4 piedi (1 - 1,5m) dal proprio schermo. Se si notationa variazione di colore nell'immagine, cercare di allontanare ulteriormente il subwoofer fino a quando questei artefatti scompaiono.

PULIZIA DEL PROPRIO DOMINION
Spolverare la cassa del proprio subwoofer Dominion impiegando un panno in morbida microfibra e pulito, oppure uno spolverino con piume. I panni in microfibra sono disponibili comunamente ovunque siano in vendita delle forniture per il mercato automobilistico.
Modelli lucidi neri:
E possibile rimuovere delle macchie leggere passando un panno pulito in microfibia. Per le macchie più persistenti, lucidare e proteggere la rifinitura impiegando una cera per automobili di alta qualità e un panno in microfibia, entrambi disponibili presso un rivenditore specializzato in prodotti per auto.
Modelli in legno impiallacciato-vinile:
É possibile rimuovere delle macchie leggere passando un panno pulito in microfibia. Per le macchie più persistenti, pulire la superficie della cassa con un panno umido.
Non usare mai un lucido che contiene solventi aggressivi o abrasivi, in quanto potrebbero arrecare danni permanenti alla rifinitura. Non usare mai lucido per mobili o un prodotto a base di olio sul proprio Dominion. Non usare dei solventi o dei detergenti aggressivi sul proprio Dominion. Se in dubbio, testare il prodotto sul lato inferiore della cassa e lasciarlo in posa per diversi giorni prima di utilizzarlo su parti visibili della cassa.
RISOLUZIONE DEI PROBLEMI
Nessun suono dal subwoofer.
- Verificare che il proprio Dominion sa Collegato alla presa e che il LED sul pannello di controllo sua verde. Ricordarsi che il Dominion si accende soltanto se sono presenti dei segnali audio sugli ingressi del subwoofer. Se il Dominion* non si attiva (nessun LED rosso o verde), verificare l'interrottore di circuito che alimenta la sua presa o il cavo di alimentazione CA. Se la propria presa CA riceve alimentazione, ma i LED alla non si accendono, potrebbe essere necessario ispezionare/sostituire il fusibile principale di alimentazione. Consultare il capitolo "Portafusibili principale" alla pagina successiva.
- Verificare che le impostazioni del subwoofer del proprio ricevitore non siano cambiate.
- Se gli altri altoparlanti riproducono audio, ma il Dominion no, tentare di sostituire il cavo che collega il Dominion all'impianto.
- Se il problema persiste, contattare il rivenditore autorizzato JL Audio oppure il Supporto technique JL Audio per ricevere assistenza.
Il livello dei bassi èambiato.
Accertarsi che le impostazioni di livello sulla manopola "Master Level" sul Dominion e nel proprio ricevitore/preamplificatore/processor non siano cambiate.
Ronzio e altri rumori insoliti dal proprio subwoofer
- Consultare il paragrafo sull'interruttore messo a terra/isolato a pagina 17 del presente manuale, specialmente se altri componenti a monte, i cavi, ecc. sono stati sostituiti di recente.
- Specnere il subwoofer, scollegare tutti i loro cavi di segnale in ingresso euscita, quindi accendere di nuovo il subwoofer. Se il rumore scompare, quellopuo essere provocato da un'altra zona dell'impianto.

RISOLUZIONE DEI PROBLEMI - continua
I bassi suonano "torbidi" o "troppo pesanti".
- Ridurre il livello complessivo del subwoofer.
- Verificare le impostazioni del subwoofer del ricevitore.
- Tentare una sede differente del subwoofer o del sedile di ascolto principale. Il cambiamento di uno o dell'alto cui influiRE ENORMEMENTE sul rendimento dell'impiano. Consultare il paragrafo sulla posizione alle pagine 6-10 del presente manuale.
Il Dominion* è chiaramente udibile al di fuori della propria casa.
- Rivisitare l'impostazione "Master Level" sul Dominion* oppure sul ricevitore/ preamplificatore/processore dell'home theater.
- Rivolgersi al rivenditore autorizzato JL Audio per indagare sulle strategie d'isolamento del rumore.
- Allontanare il Dominion dalle finestre.
Vicini alterati che bussano alla porta.
Invitarli a entrare e offrire loro qualcosa da bere.
PORTAFUSIBILI PRINCIPALE
Ubicato sul pannello posteriore, accanto alla presa del cavo CA, si trovava il coperchio del portafusibili principale. Questo piccolo cappuccio, caricato a molla, cui è essere rimioso, consentendo l'accesso per ispezionare o sostituire il fusibile principale di alimentazione. Se la propria presa CA riceve alimentazione ma i LED del subwoofer Dominion non si accendono, è possibile che il fusibile principale si sono bruciato.
Per lo smontaggio - Scollegare il cavo di alimentazione CA del subwoofer. Inserire un piccolo cacciavite a testa piatta nella fessura del cappuccio, quando ruotare lentamente in senso antiorario fino al rilascio del portafusibili. Una volta rimioso, il fusibile può essere ispezionato e, se necessario, sostituito. Consultare la tabella sottostante per i valori del fusibile per il proprio Dominion* specifico.
Per la reinstallation - Si noti che il corso del portafusibili è codificato per l'apertura e delve essere allineato correttamente. Inserire il portafusibili nell'apertura e ruotare delicatamente in senso orario (circa 1/8 di giro) per bloccarlo in posizione. Premendo il cappuccio e percependo la compressione della molla, sare possibile individuire la posizione corretta. Collegare nuovamente il cavo di alimentazione CA.
Se il fusibile di ricambio scatta subito dopo la sostituzione di un fusibile, potrebbe essere necessario un intervento in assistenza sul subwoofer. Si prega di contattare il proprio rivenditore o distributore locale JL Audio.
| Valori nominali dei fusibili, soli modelli da 120 V | ||
| Modello Tipo d. | fusabile Dimensioni del fusabile | |
| d108 (120 V) 0,25 | x 1,25 pollici, ad azione rapida 6 A, 250 V | |
| d110 (120 V) 0,25 | x 1,25 pollici, ad azione rapida 6 A, 250 V | |
| Valori nominali dei fusibili, soli modelli da 240 V | ||
| Modello Tipo di | fusabile Dimensioni del fusabile | |
| d108 (240 V) 5 mm | x 20 mm, ad azione rapida 4 A, 250 V | |
| d110 (240 V) 5 mm | x 20 mm, ad azione rapida 4 A, 250 V | |

PARTESUPERIORE

PARTE INFERIORE

PARTE POSTERIORE

PARTE ANTERIORE

LATOCONGRIGLIA
| Specifiche | d108 Dominio* subwoofer alimentario | d110 Dominio* subwoofer alimentario |
| Tipodi di cassa: | Sigillata Sigillata | |
| Driver: | Singolo da 8 polici (ciametro nominale) | Singolo da 10 polici (ciametro nominale) |
| Risposta della frequenza (anecolca): | 31 - 112 Hz (L1,5 dB) -3 dB a 29 Hz / 119 Hz -10 dB a 21 Hz / 143 Hz | 27 - 111 Hz (L1,5 dB) -3 dB a 25 Hz / 118 Hz -10 dB a 21 Hz / 143 Hz |
| Area effettiva del pistone: | 32,18 sq. in. (0,0206 sq. m) | 48,71 sq. in. (0,0314 sq. m) |
| Escursione effettiva: | 80 cu. in. (1,3 litr) | 127 cu. in. (2,08 litr) |
| Potenza amplificatore: | 500 Watt RMS a breve termine | 750 Watt RMS a breve termine |
| Dimensioni: (A) Altezza x (L) Larghezza x (P) Profondità le dimensioni in altezza includono piedi: | 11,37 in. x 10 in. x 13,23 in. 289 mm x 254 mm x 336 mm | 13,4 in. x 12 in. x 15,86 in. 340 mm x 305 mm x 403 mm |
| Peso netto: | 66,4 Litrs. (12 kg) 38,2 Litrs. (17,3 kg) |
FUNZIONI
Ingressi sbilanciati:
Stereo o Mono (due connettori jack RCA)
Ingressi livello altoparlante:
Stereo o Mono (connettore rimovabile)
Messa a terra ingresso:
Selezionabile (isolata o messa a terra)
Controllo del livello:
Variabile: da completeness muto a
+15 dB lungo il guadagno di riferimento
Accensione/Spegnimento:
Rilevamento automatico del segnale
soltanto
Filtro passa-basso (disattivabile):
24 dB per ottava con allineamento
Linkwitz-Riley
Gamma di frequenza d'interruzione
passabassa:
Variabile: 25Hz - 130Hz
Polarità:
0 o 180 gradi
Fase:
Variabile da 0 - 280 gradi, indicizzata a
80 Hz

JL AUDIO
Dominion 动力超低音音响

d110d108

用户手册
Notice-Facile