NEVADA 750 - Moto MOTO GUZZI - Manuale utente e istruzioni gratuiti
Trova gratuitamente il manuale del dispositivo NEVADA 750 MOTO GUZZI in formato PDF.
Domande degli utenti su NEVADA 750 MOTO GUZZI
0 domanda su questo apparecchio. Rispondi a quelle che conosci o fai la tua.
Fai una nuova domanda su questo apparecchio
Scarica le istruzioni per il tuo Moto in formato PDF gratuitamente! Trova il tuo manuale NEVADA 750 - MOTO GUZZI e riprendi in mano il tuo dispositivo elettronico. In questa pagina sono pubblicati tutti i documenti necessari per l'utilizzo del tuo dispositivo. NEVADA 750 del marchio MOTO GUZZI.
MANUALE UTENTE NEVADA 750 MOTO GUZZI
Le illustrazioni e descrizioni di quello opuscolo si intendono fornite a titoloindicativo. La Casa si riserva pertanto il diritto di apportare ai motocicli, in qualsiasi momento e ricerca avviso, quale modifiche che ritenesse utili per il miglioramento o per qualsiasi esigenza di carattere costruttivo e commerciale.
Vendita - Assistenza - Ricambi: consultare le

MOTO GUZZI S.p.A.
Servizio Publicazioni Tecniche / Technical publications / Service documentation technique / Technische veröffentlichungen
Cod. 31 90 00 83
Impianto: Deca - Ravenna - Stampa: GRAFICHE COLA LECCO - 04/2002
Egregio CLIENTe
Innanzitutto La ringraziamo per aver dato la Susa preferenza al nostro prodotto.
Sequendo le istruzioni indcate in questa publicazionc tecnica, assicurer alla Sua motocicletta una lunga durata sanza inconvenienti.
Prima di usarla, La consiglio di leggere complemente la presente pubblicazione al fine di conoscere le caratteristiche del veicolo e soprattutto come manovrarlo con sicurezza.
Per le operazioni di controllo e revisione è necessario rivolgersi ai nostri concessionari i quali garantiranno un lavoro razionale e sollecito.
Riparazioni e regolazioni non effettuate durante il periodo di garanzia alla notre di assistenza potrebbero annullare la garanzia stessa.
Dear rider
IMPORTANTE - Allo scopo di renderere lalettura di immediata comprenzione i paragrafi sono stati contraddistint da illustrazioni schematiche che evidenziano l'argomento trattato.
In questo manuale sono state riportate note informative con significativi particulari:

Norme antinfortunistiche per l'operaatore e per chi opera nelle vicinanze.
Esiste la possibilità di arrecare danno al veicolo e/o ai suo componenti.
Ulteriori notizie inerenti l'opération in corso.
10 Caratteristica generali
22 Dati di identificazione
24 Apparecchi di controllo e comandi
58 Uso del motociculo
66 Rodaggio
70 Manutenzioni e regolazioni
84 Smontaggio ruote dal veicolo
96 Programma di manutenzione
104 Lubrificazioni
122 Pulizia - rimessaggio
128 Alimentazione
140 Distribuzione
144 Accensione elettronica
152 Impianto elettrico
INDEX
Ciclo a quattro tempi
N. cilindri 2
Disposizione cilindri a "V" di 90^
Alesaggio mm. 80
Corsa mm. 74
Cilindrata totale cc 743,9
Rapporto di compressione 9,6:1
Distribuzione
A valvole in testa con aste e bilancieri.
Dati della distribuzione
Aspirazione:
apre 18^ prima del P.M.S.
■ chiude 50^ dopo il P.M.I.
Scarico:
■uple 53^ prima del P.M.I.
■ chiude 15^ subpoena P.M.S.
Gioco alle valvole per controllo messa in fase distribuzione: mm. 1.
Gioco di funzionamento tra bilancieri e valvole:
■ aspirazione: mm. 0,15
scarico: mm. 0,20
Lubrificazione
Forzata con pompa a lobi e spia insufficiente pressione situata sul cruscotto.
Filtri olio: a rete all'interno della Coppa ed a cartuccia sostituabile dall'esterno.
Accensione
Elettronica digitale a scarica induttiva "MAGNETI MARELLI - DIGIPLEX".
I tipi di candela da impiegare sono:
Distanza fra gli elettro: mm 0,7.
Alimentazione
N.2 carburatori Dell'Orto tipo "PHBH 30 BD/BS"
Scarico
N.2 tubi e N.2 silenziatori collegati.
Generatore alternatore
Montato sulla parte anteriore dell'albero motore.
Potenza di uscita: 350W a 5000 giri (14V - 25A).
Avviamento
Elettrico mediante apposto motorino (12 V - 1,2 KW) munito di innesto a lavoro elettromagnetico.
Comando a pulsante (START) "f" posto sul lato destro del manubrio.
Transmission
Frizione
Tipo monodisco a secco con molla a diaframma; comando a mano con leva posta sul lato sinistro del manubrio.
Transmission primaria
Ad ingranaggi, rapporto 1:3125 (Z=16/21).
Cambio
A 5 marce con ingranaggi sempre in presa ad innesto frontale. Comando con leva posta al centro del motocchio sul lato sinistro.
Rapporti cambio:
1^a marcia = 1:2,3636 (Z=11/26)
2^a marcia = 1:1,6428 (Z=14/23)
3^a marcia = 1:1,2777 (Z=18/23)
Ad albero con giunto cardanico e coppia conica.
Rapporto: 1:3,875 (Z=8/31).
Rapporti totali (motore-ruota):
Tubolare a doppia culla scomponibile in acciaio ad alto limite di snervamento
Sospensioni
Anteriore:forcella telescopica idraulica "MARZOCCHI", 040 mm.
Posteriore: forcellone oscillante presso fuso in lega leggera con due ammortizzatori regolabili nel precarico molle e nella frenatura idraulica.
Rout
A raggi con cerchi in acciaio nelle misure:
■ anteriore: 2,15 x 18"
■ posteriori: 2,50 x 16"
Pneumatici
MICHELIN
Anterioe: 100/90 18-56V Macadam 50E
Posteriore: 130/90 16-65V Macadam
PIRELLI
Anteriore: 100/90 H18 MT69 E
Posteriore: 130/90 H16 MT68 E
METZELER
Anterioe: 100/90 V18 TL 56 V
Posteriore: 130/90 16 TL 67 V
12 Freni
Anteriore: disco flottante in acciaio inox brembo "serie oro" con pinza fissa a 4 pistoncini differenziati.
Comando con leva a mano posta sul lato destro del manubrio.
- disco 320mm
- Ø cilindro fremante 34/30 mm.;
- pompa 13mm
Posteriore: a disco fisso in acciaio inox con pinza a doppio cilindro frenante. Comando con leva a pedale posta al centro sul lato destro del motociclo.
- disco 260 mm.;
- cilindro frenante 32 mm.;
- pompa 16 mm.
Ingombri peso
Passo (a carico) m 1,482
Lunghezza massima m 2,205
Larghezza massima m 0,875
Altezza massima m 1,180
Altezza sella m 0,770
Peso a secco (versione Club) kg 182
Peso a secco (versione base) kg 176
N.B. Il motoveicolo può essere equipaggiato a richiesta con parabrezza che consente una guida可供tevole, e borse asportabili.
Tutti questi volumi comportano pera una limitazione all'aerodinamica del veicolo. E' consigliabile pertanto, specie in condizioni di carico massimo, non superare la velocità di 130 Km/h circa.
Rifornimenti
| Parti da rifornire | Litri | Prodotti da impiegare |
| Serbatoio carburante (riserva lt. 4 circa) | 14 | Benzina super (97 NO-RM/min.) Benzinaenza piombo (95 NO-RM/min.) |
| Coppa motore | 2 | Olio "Agip Super 4T SAE 15W/50" |
| Scatola cambio | 1,000 | Olio "Agip Rotra MP SAE 80 W/90" |
| Scatola trasmissione posteriore | 0,170 di cui: | |
| 0,160 | Olio "Agip Rotra MP SAE 85 W/140" | |
| 0,010 | Olio "Agip Rocol ASO/R" oppure "Molykote tipo A" | |
| Forcella telescopia (per gamba) | 0,400 | Olio per ammortizzatori "SAE 10" |
| Impianto frenante anteriore e posteriore | — | Fluido "Agip Brake Fluid - DOT4" |
GENERAL FEATURES
Engine
Cycle 4-stroke
N. cylinders 2
Cylinder configuration 90° V-twin
Bore .mm.80
Stroke. 74
Capacity 743,9
2 Vergaser Dell'Orto Typ "PHBH 30 BD/BS"
Auslaβ
22 DATI DI IDENTIFAZIONE (figg.2-2A)
Ogni veicolo è contraddistinto da un numero di identificazione impressiono sulla pipa del telaio e sul basamento motore. Il numero impressiono sulla pipa del telaio è riportato sul libretto di circolazione e serveagli effetti di legge per l'identificazione del motocicchio stesso.
Ricambi
In caso di sostituzione di particolari, chiedere ed assicurarsi che siano impiegati esclusivamente "Ricambi Originali Moto Guzzi".
L'uso di ricambi non originali annulla il diritto alla garanzia.

Quadro di controllo (fig. 3)
1 Commutatore a chiave per inserimento utilizzatori e bloccasterzo.
Posizione OFF «» veicolo fermo. Chiave estraibile (nessun dato);
Posizione ON « Veicolo pronto per l'avviamento. Tutti gli utilizzatori sono inserti. Chiave non estraibile; Posizione LOCK « sterzo bloccato. Motore spento, nessun contatto, chiave estraibile.
Posizione P «P» sterzo Bloccato. Motore spento; con l'interruttore «A» di fig. 5 in posizione «S» si ha la luce di parcheggio. Chiave estrabile.

INSTRUMENTS AND CONTROLS
Control panel (fig. 3)
Per azionare il dispositivo bloccasterzo operare come segue:
■ Ruotare il manubrio verso sinistra.
Premere la chiave verso il basso e rilasciarla, quando ruotarla in senso antiorario sino alla posizione LOCK «R» o P «P».

ATTENZIONE: non girare la chiave in posizione LOCK «» o P «» durante la marcia.
2 Tachimetro contachilometri.
3 Contagiri.
4 Spia (luce verde) «Neutral». Si accende con il cambio in folle.
5 Spia (luce rossa) erogazione corrente del generatore. Si deve spagnere appena il motore ha raggiunto un certo numero di giri.
6 Spia (luce arancio) riserva carburante.
7 Spia (luce verde) indicatori di direzione.
8 Spia (luce rossa) pressione olio. Si spegne quando la pressione è sufficiente ad assicurar la lubrificazione del motore.
9 Spia (luce bleu) luce abbagliante.
10 Azzeratore per contachilometri parziale.
11 Commutatore per inserimento lampeggiatori di emergenza.
28 Interruttori comando luci (fig. 4-5)
Sono montati sui lati del manubrio.
Interruttore "A" (fig. 5)
Posizione "●" luci spente.
Posizione 三 四 五 lucidi parcheggio.
Posizione "accensione lampada biluce.
Interruttore "A" (fig. 4)
Con l'interruttore "A" (fig. 5) in posizione "T".
Posizione "luce anabbagliante.
Posizione " 一 _ 即 ^ 一 luce abbagliante.
30 Pulsante per avvisatore acustico, passing e interrottore comando lampeggiatori (fig. 4)
Sono montati sul lato sinistro del manubrio:
Pulsante B "comando avvisatore acustico.
Pulsante C "D" comando luce a sprazzo.
Pulsante D:
Posizione " 念 "comando lampeggiatori destri.
Posizione "Comando lampegliatori sinistri.
Premere l'interruittore per disinserire i lampegliatori.
32 Pulsante avviamo ed interrottore di fermo motore (fig. 5)
Sono montati sul lato destro del manubrio.
Con commutatore a chiave "1" di fig. 3 (posizione "A"), il veicolo è pronto per l'avviamento.
Per avviare il motore operare come segue:
accertarsi che l'interruttore "B" sia in posizione (run);
■ tirare a fondo la leva della frizione;
se il motore è freddo portare la levetta "E""CHOKE" in posizione di avviamento "1" (vedi fig. 4);
■ premere il pulsante di avviamento "C" ("j") (start).
Per fermare il motore in caso di emergenza, occorre:
spostare l'interruttore "B" in posizione (off).
Fermato il motore, ruotare la chiave del commutatore di fig. 3 in senso antiorario fino alla posizione "O" ed estrarre la chiave dal commutatore.

IMPORTANT
Ricordarsi sempre di rimettere l'interruttore "B" in posizione (RUN) prima dell'avviamento.
34 Manopola comando gas ("D" di fig. 5)
La manopola dato gas è situata sul lato destro del manubrio; ruotandola verso il pilota après il gas; ruotandola in senso inverso lo chiude.
Leva commande frizione ("F" di fig. 4)
E'situata sul lato sinistro del manubrio; va azionata solo alla partenza e durante l'uso delchio.
Leva commande freno anteriore
("E" di fig. 5)
E' situata sul lato destro del manubrio; comanda la pompa del freno idraulico anteriore.
Leva commande "Choke" ("E" di fig. 4)
La leva commando dispositivo di avviamento a motore freddo (CHOKE) è situata sul lato sinistro del manubrio:
"1" posizione di avviamento.
"2" posizione di marcia.
Pedale commande freno posteriore
("A"di fig.19)
Si trov a centro sul lato destro del veicolo ed è collegato a mezzo tirante al gruppo pompa.
Si trova al centro sul lato sinistro del veicolo; posizione marce
1a marcia, leva verso terra;
2a, 3a, 4a e 5a marcia, leva versus l'alto;
folle,tra la 1^a e la 2^a marcia.
Prima di azionare la leva lavoro cambio, tirare a fondo la leva della frizione.
Per aprire il tappo del serbatoio carburante, ruotare la chiave in senso antiorario.
N.B. Eventuali fuoriuscite di carburante al l'atto del rifornimento, dovranno essere immediatamente eliminate per evitare danni permanenti alla vernice del serbatoio.
ATTENZIONE! Dopo agli rifornimento accertarsi sempre che il tappo sia perfettamente posizionato e chiuso.
Fuel filler cap (fig. 7)
Per accedere al serbatoio occorre togliere la sella (vedi paragrafo "Rimozione sella" a pag. 48)
Il livello del minimo e massimo del fluido sono indicati sul corpo trasparente del serbatoio "A".
Per l'eventuale rabbocco togliere il tappo "B" e la sottostante membrana in gomma.
44 Rubinetto elettrico carburante (fig. 9)
Il motoveicolo è equipaggiato con un rubinetto elettrico "A" montato sul lato destro sotto al serbatoio, che opera automaticamente, interrompendo il flusso del carburante al motore quando non è in moto.
Entra in azione quando la chiave del commutatore "1" di fig. 3 è in posizione "A".
In caso di inefficenza del rubinetto, verificare innanzitutto lo stato del fusabile "3" di fig. 10.
Electric fuel cock (Fig. 9)
Morsettiera porta fusibili (fig. 10)
Per accedervi occorre togliere il copriaccumulatore laterale destro.
Sulla morsettiera sono montati n.4 fusibili. Prima di sostituire il fusibile o i fusibili occorre eliminare il guasto che ne ha determinato la fusione.
Fusibile "1": Indicatori di direzione, luce di posizione (10A).
Fusibile "2": Lampeggiatori di emergenza, centralina (10A).
Fusibile "3": Luce abbagliante, anabbagliante, servizi (15A).
Fusibile "4": Motorino avviamento, blocchetto chiave, avvisatori acustici (15A).

Fuse terminal block (fig. 10)
Vano porta attrezzi (fig. 11)
Per accedere al vano porta attrezzi:
togliere il copriaccumulatore laterale sinistro.
Rimozione sella Nevada base
(fig. 12)
Per rimuovere la sella dal telaio operare come segue:
■ svitare il dato di bloccaggio "A";
■ sollevare la sella e sfilarla dalle sedi "B" sul telaio.

Per la versione Club con sella unica la procedura è analoga
Maniglia sollevamento motociclo
("A"di fig.13)
Il motocchio è equipaggiato con una maniglia mobile montata sul lato sinistro, che ha la funzione di renderere agevole il sollevamento e posizionamento del motocchio sul cavalletto centrale.
Posizione "1" lavoro
Posizione "2" riposo
Il casco più essere lasciato sul motociclo usfurende dell'apposto dispositivo con serratura "B".
ATTENZIONEPon lasciarem
non lasciare mail il casco appeso al dispositoso durante la marchia, per evitare eventuali interferenze con parti in movimento.
Helmet holder (fig. 14)
54 Braccio laterale sostegnomotociclo
(fig. 15)
Il motocchio è equipaggiato con un braccio "A" che ha la funzione di sostegno laterale di parcheggio.
Quando il braccio è in posizione di parcheggio (tutto fuori), il microinterrottore "B" interrompe l'erogazione di corrente alle bobine di accensione; in tali condizioni non è possible avviare il motore.
Side stand (fig. 15)
Per sganciare le borse laterali e il bauletto posteriore dai技术支持i, tirare la levetta "A" del dispositivo di fissaggio\ dopo aver sbloccato la serratura con la relativa chiave. Per aprire i coperchi sollevare la serratura "B"\ dopo averla sbloccata con la chiave.
N.B. Il carico massimo consentito per agli borsa laterale è di kg 10; in agli caso è opportuno che il carico sia uniformmente ripartito tra le 2orse.
Il carico massimo consentito per il bauletto posteriore è di kg 5.

■ nel serbatoio vi sua sufficiente quantita di carburante;
I'olio nella coppa del basamento sua a giusto livello;
la chiave sul commutatore di accensione sua in posizione ON «@» (vedere fig. 3);
■ le seguenti spie siano illuminate:
rosse: insufficiente pressione olio;
— verte: indicatoré cambio in folle «NEUTRAL»;
il dato «CHOKE» a motore freddo sua in posi-zione di avviamento («1» di fig. 4);
I'interrottore 一 B ^ 一 di fig. 5 sa in posizione (run).
Avviamo a motore freddo
Dopo i suddetti controli, tirare a fondo la leva della frizione e premere il pulsante avviamento (C «(i)» di fig. 5).
Avviato il motore, prima di riportare la levetta dato «CHOKE» in posizione di marcia («2» di fig. 4), lasciare girare il motore a vuoto e a basso regime per quale secondo nella stagione calda e quale minuto nella stagione fredda.
Cold starting
After making the above checks, engage the clutch and press the button (C «(f)» in fig. 5).
Se durante la marchia, il lavoro «CHOKE» dovesse rimanere in posizione di avviamento («1» di fig. 4), si avrebbero difetti di carburazione con notevole aumento di consumo e, nei casi peggiori si correrebbe il rischio di gioppare a causa del lavaggio dei cilindri, provocato dall'ecccesso di carburante.
ATTENZIONE! - Se con commutatore di accensione inserto (vedi ON «S» di fig. 3), la spia «verde» sul crucotto non si illumina, segnala che ilchio ha una marcia innestata; l'avvamento del motore in tali condizioni cui quod assere pericoloso; è sempre bene, prima dell'avvamento accertarsi che ilchio saia effettivamente in posizione di «folle».
Avviamento a motore caldo
Come a motore freddo, salvo che non occorre portare il dato «CHOKE» in posizione di avviamento («1» di fig. 4) poichè la carburazione diventerebbe troppo grassa.
ATTENZIONE! - Il motorino di avviamento non deve essere azionato per altre 5 secondi; se il motore non parte, attendere 10 secondi prima di eseguire il successivo avviamento. In agli caso agire sul pulsante di azionamento C «(i)» di fig. 5 solo a motore fermo.
In marcia
Per cancellare marcia, chiudere il gas, azionare a fondo la leva della frizione ed innestare la successiva marcia; rilasciare dolcamente la leva della frizione e contemporaneamente accelerare.
Il pedale di lavoro cambio va azionato con decisione accompagnandolo con il piede.
Quando si passa alle marce inferiori usare gradualmente i freni e la chiusura della manopola dato gas, onde evitare di mandare fuori giri il motore, nel momento del rilascio della leva dato frizione.
Warm start
Chiudere il gas, agire sulle leve commande freni e solo quando si è quasi fermi tirare a fondo la leva della frizione. Questa manovra va eseguita con molta coordinazione per mantenere il controllo del motociclo.
Per una riduzione normale di velocità con l'uso appropriato delchio,utilizzare il freno motore facendo attenzione a non mandare fuori giri il motore.
Su strade bagnate e sdrucciolevoli, fare attenzione all'uso dei freni e particolarmente all'uso del freno anteriore.
Per fermare il motore, portare la chiave del commutatore in posizione OFF «» (vedere fig. 3).
Parcheggio
Per sosto in strade non sufficientemente illuminate, è necessario lasciare accese le lui di parcheggio.
Occorre portare la chiave del commutatore, in posizione P «P» (vedere fig. 3) e l'interruttore lui «A» di fig. 5 in posizione «E»; indi sfilare la chiave dal commutatore.

Non lasciate l'interruttore su «≥0≤» per tempi
troppo lunghi, diversamente la batteria si scariche- rà.
Durante il periodo di rodaggio osservare le seguenti norme:
■ prima di partire, riscaldare accuramente il motore lasciandolo girare a vuoto ed a basso regime per un periodo variable in funzione della temperatura ambiente;
■ evitare di superare i regimi (giri/1') di rodaggio riportati nella tabella tenendo tuttavia presente che, pur attenendosi ai giri prescritti in funzione dei km percorsi, è ottima norma non marciare a regime costante ma variate frequentemente la velocità;
- prima di fermarsi, rallentare progressivement per evitare di sopporre i gruppi a repentini sbalzi di temperatura;
■ tenere presente che un perfetto assestamento dei componenti, che permetta di sfruttare in pieno e per periodi prolongati il motociclo, si ha solo dopo diverse migliaia di km.
Dopoi primi 500÷ 1500km
Sostituire l'olio per la lubrificazione del motore.
Nel caso che, prima di raggiungere i 500÷ 1500 km, l'olio dovesse scendere al livello minimo, anzichè eseguire il rabbocco occorre effettuare la sostituzione. Lubrificante prescritto: «Agip SUPER 4T SAE 15W/50».
Sostituire I'olio per la lubrificazione delchio.
Sostituire l'olio per la lubrificazione della scatola trasmissione.
Controllare il serraggio di tutte la bulloneria.
Controllare il giuoco alle punterie.
Controllare la pressione pneumatici.
REGIMI (GIRI/1') DI RODAGGIO
| Km da percorrere | Regime (giri/1") da non superare |
| Da 0 a 1000 | 5000 |
| Da 1000 a 2000 | 6000 |
| Da 2000 a 4000 | Aumentare gradualmente i regimi di giri sopra indicati, fino a raggiungere i massimi consentiti. |
BREAK-IN
70 MANUTENZIONI E REGOLAZIONI
Regolazione giuoco leva frizione
(fig. 17)
Regolare il giuoco tra leva e attacco sul manubrio; se superiore a 3÷ 4 mm agire sulla ghiera «A» sino a che il giuoco sia quello prescritto.
MAINTENANCE AND ADJUSTMENTS
72 Regolazione pedale lavoro freno posteriori (fig. 18)
Nel caso si voglia variate la posizione del pedale di lavoro «A» operare come segue:
■ levare la copiglia «B», sfilare la spina «C», allentare controdadi «D» ed avvitare o svitare il tirante «E» sino ad ottenere la posizione desiderata del pedale di commande;
74 Controllo usura delle pastiglie
Ogni 3000 km controllare lo spessore delle pastiglie fremi:
Spessore minimo del materiale d'attrito mm. 1,5. Se lo spessore minimo del materiale d'attrito è inferiore al suddetto valorè, è necessarioambiare le pastiglie.
Dopo la sostituzione non occorre eseguire lo spurgo degli impianti frenanti, ma è sufficiente azionare le leve di commando ripetutamente fino a riportare i pistocini delle pinze nella posizione normale.
In occasione della sostituzione delle pastiglie, verificare le condizioni delle tubazioni flessibili: se danneggiate devono essere immediatamente sostituite.

N.B. In caso di sostituzione delle pastiglie è opportuno, per i primi 100 km, agire sui freni
con moderazione, al fine di permettere un corretto assestamento delle stesse.
Controllo dischi fremi
I dischi freni devono essere perfettamente puliti, alla olio, grasso od altra sporcizia e non devono presentare profonde rigature.
76 Controllo livello e sostituzione del fluido nei serbatoi-pompe (figg. 19 e 8)
Per una Buona efficienza dei fremi osservare le seguenti norme:
1 Verificare frequentlymente il livello del fluido nel serbatoio anteriore «A» di fig. 19 e posteriori «B» di fig.
8. Tale livello non deve mai scendere fatto il segno di minimoindicato sui serbatoi.
2 Effettuare periodicamente, o quando si rende necessario, il rabbocco fluido nei serbatoi sopra citati.
N.B. Per i rabbocchi usare tassativamente fluido prelevato da lattine sigillate da après solo al momento dell'uso.
3 Effettuare anni 20.000 km circa o al massimo anni anno la completa sostituzione del fluido dagli impianti frenanti.
Per il buon funzionamento degli impianti, è necessario che le tubazioni siano sempre piene di fluido con esclusione di bolle d'aria; la corda lunga ed elastica delle leve di lavoro indica la presenza di bolle d'aria. Nel caso di lavaggio di circuiti frenanti, usare unicamente del liquido fresco.
N.B. É vietato assolutamente l'uso di alcool o l'impiego di aria compressa per la successiva asciugatura; per le parti metalliche si consiglia l'uso di «Trielina».
Per eventuali lubrificazioni è assolutamente vietato l'impiego di olii o grassi minerali. Non disponendo di lubricanti adatti, si consiglia di umettare i particolari in gomma ed i particolari metallici con fluido degli impianti. Fluido da usare «Agip Brake Fluid DOT 4».

IMPORTANT. Maneggiare con attenzione il fluido, poichè potrebbe danneggiare la vernice.

Si consiglia di effettuare le suddette operazioni presso le sedi dei nostri concessionari.
80 Registrazione ammortizzatori posteriori (fig. 20)
Il motocchio è equipaggiato con ammortizzatori aventi la regolazione separata del precarico molle e della frenatura idraulica.
Per regolare il precarico delle molle, agire manuale- te sulla ghiera «A».
Ruotando in senso orario, guardando dall'alto, si aumenta il precarico delle molle; ruotando in senso antiorario, viceversa, si riduce.
Per regolare la frenatura idraulica dell'ammortizzatore, agire sulla ghiera di regolazione «B».
In funzione delle necessità e del carico sulla moto, esistono moltiperci posizioni di regolazione; alla posizione «1» molto morbida (frenatura idraulica minima) alla posizione «5» molto rigida (frenatura idraulica massima).
L'ammortizzatore viene tarato in fabbrica ai seguenti valori standard:
FRENATURA IDRAULICA: posizione ghiera «B» N. 3 PRECARICO MOLLA: 8 mm.
La regolazione degli ammortizzatori in condizioni di piano carico (pilota+passeggero+borne+bauletto) deve essere: FRENATURA IDRAULICA: pos. 4
PRECARICO MOLLA: 15 mm.
ATTENZIONE! E'sempre opportuno, per una Buona stabilità del motociclo, assicurarsi che entrambi gli ammortizzatori siano regolati nella medesima posizione sia per quanto riguarda il precarico molle che per la taratura della frenatura idraulica.
IMPORTANT! Per evitare il danneggiamento della filettatura tra il corpo ammortizzatore e la ghiera «D», lubrificare con «SVITOL», con olio o grasso la filettatura stessa.
Per smontare la ruota dal veicolo operare come segue:
disporre il veicolo sul cavalletto centrale, mettere un supporto quello il basamento motore per sollevare la ruota da terra;
■ svitare le viti «A» che fissano la pinza al gambale della forcella e staccare dal gambale stesso la pinza con montata la relativa tubazione;
■ allentare le viti «B» fissaggio gambali al perno;
■ svitare e sfilare il perno «C» osservando come è montato il distanziale «D», e togliere la ruota;
Front wheel (fig. 21)
per il rimontaggio procedere in ordine inverso, facendo attenzione alla corretta posizione del distanziale; azionare, quindi, ripetutamente la leva del freno per riportare i pistoncini della pinza nella posizione normale.
Ruota posteriore (fig. 22)
Per smontare la ruota posteriori dal braccio forcellone e scatola trasmissione operare come segue:
Porre il veicolo sul cavalletto centrale;
■ togliere il silenziatore sinistro;
■ svitare il dado «A» con rosetta «B» sul perno lato scatola;
■ allentare la vite bloccaggio perno «D» sul braccio del forcellone;
■ sfilare il perno «C» alla scatola, dal mozzo e dal braccio forcellone osservando come è montato il distanziale «F»;
■ sfilare il gruppo piatra con montata la pinza «E», dal perno di fermo sul forcellone, fissando il suddetto gruppo al telaio;

Rear wheel (fig. 22)
■ inclinare il veicolo sul lato destro quel tanto da poter sfilare la ruota dal braccio del forcellone e scatola trasmissione.
Per rimontare la ruota, invertire l'ordine di smontaggio tenendo presente di inflare la piastra completa di pinza sul fermo del braccio sinistro del forcellone oscillante.

AVVERTENZA PER RUOTE A RAGGI
In occasione di anni tagliando di manutenzione è necessario controllare l'integrità e la tensione dei raggi ruote.
La marcia in condizioni di tensione raggi non corretta, o in presenza di uno o più raggi rotti, cui danneggiare la ruota con seguenti rischi riguardanti la sicurezza e la stabilità del veicolo.
Rispettare in agli caso le prescrizioni di carico massimo consentito.
Carico massimo consentito
L'inosservanza delle dovute prescrizioni della pressione delle gomme o dei limiti di carico possono riflettersi negativamente sulla maneggevolezza, sul funzionamento e sul controllo della vostra motocicletta. Il peso massimo consentito trasportabile da但这a moto è di Kg 201 (passeggeri + bagagli + accessori).
Ripartito come segue:
-Asse anteriore Kg.39
-Asse posteriore Kg.162.
I pneumatici rientrano tra gli organi più importanti da controllare.
Da essi dipendono: la stabilità, il comport di guida del veicolo ed in alcuni casianche l'incomità del pilota.
E' pertanto sconsigilabile I'impiego di pneumatici che abbiano battistrada inferiore a 2 mm.
Anche una anormale pressione di gonfiaggio cui provocare difetti di stabilità ed eccessiva usura del pneumatico.
Le pressioni prescritte sono:
■ ruota anteriore: con una o due persone 2,2 BAR.
■ ruota posteriore: con una persona 2,2 BAR; condue persone 2,4 BAR.

I valori indicati si intendono per impiego normale (turistico). Per impiego a velocità massi
ma continuativa, impiego su autostrada, è raccommando un aumento di pressione di 0,4 BAR ai valori sopra indicati.

IMPORTANTE! In caso di sostituzione del pneumatico si consiglia di utilizzaremarca e
tipodi primo equipaggiamento.Misurate la pressione dei pneumatici quando essi sono freddi.
Tyres
94 Smontaggio e rimontaggio pneumatici sulle ruote
Il motocchio è equipaggiato con cerchi in acciaio che, pur presentando una notevole resistenza meccanica, possono tuttavia essere danneggiati, sua dal lato estetico che funzionale, dall'uso di non appropriati attrezzi usati durante le operazioni di smontaggio e di montaggio del pneumatico sul cerchio. Pertanto per le suddette operazioni si consiglia l'impiego di ferri che non presentino nervature e spigoli sulle parti che dovranno andare aicontatto con il bordo del cerchio: la superficie diicontatto dovrè essere ampia, ben levigata e con i bordi opportunamente arrotondati; l'uso di uno degli apposti lubrificanti reperibili in commercio facilità lo scorrimento e l'assestamento del pneumatico sul cerchio durante lo smontaggio e il rimontaggio ed eliminata la necessità di carichi elevati sui ferri; a tal proposito èanche importantissimo che i talloni del pneumatico siano ben assestati nel canale centrale del cerchio.
Durante il montaggio dei pneumatici occorre inoltre rispectare il senso di rotazioneindicato alla frezza riportata sul pneumatico.
Tyre fitting
PROGRAMMA DI MANUTENZIONE
| OPERAZIONI | PERCORRENZE | 1500 Km | 5000 Km | 10000 Km | 15000 Km |
| Olio motore | R | R | R | R | |
| Filtro olio a cartuccia | R | R | R | R | |
| Filtro olio a rete | C | ||||
| Filtro aria | R | R | R | ||
| Candele | R | R | R | ||
| Giuoco valvole | A | A | A | A | |
| Carburazione | A | A | A | A | |
| Serraggio bulloneria | A | A | A | A | |
| Tubazioni | C | C | |||
| Olio cambio | R | A | R | A | |
| Olio trasmissione posteriori | R | A | R | A | |
| Cuscinetti ruote e sterzo | |||||
| Olio forcella anteriore | R | ||||
| Motorino avviamento e generatore | |||||
| Fluido impianto frenante | A | A | A | A | |
| Pastiglie freni | A | A | A | A | |
| Serraggio dadi teste cilindro | A |
A = Manutenzione - Controllo - Regolazione - Eventuale sostituzione. / C = Pulizia. / R = Sostituzione.
Saltuariamente controllare il livello dell'eletropolito nella batteria e lubrificare le articolazioni dei comandi ed i cavi flessibili; ai 500km controllare il livello dell'olio motore.
In agli caso sostituire l'olio motore, il filtro olio ed il fluido frenante almeno una volta all'anno.
Controllare periodicamente la tensione dei raggi.
Lubrificazione del motore (fig. 23)
Controllo livello olio
Ogni 500 km controllare il livello dell'olio nel basamento motore: l'olio deve sfiorare la tacco del massimo segnata sull'astina saldata al tappo «A».
Se l'olio è molto il livello prestabilitoaggiungnerde la qualità e gradazione prescritta.

N.B. Il controlo va effettuato dopo che il motore ha girato quello minuto; il tappo
《A》
con astina di livello deve essere avvitato a 10.

LUBRICATION
Engine lubrication (fig. 23)
106 Cambio dell'olio
Dopo i primi 500 ÷ 1500 km e in seguito agli 5000 km circa sostituire l'olio. La sostituzione va effettuata a motore caldo.
Ricordarsi, prima di immettere olio fresco di lasciare scolare bene la coppa.
«A» Tappo immissione e controlo livello.
«B» Tappo scarico olio parte anteriore.
«C» Tappo scarico olio parte posteriore.
Quantità occorrente: litri 2 di olio «Agip SUPER 4T SAE 15W/50».
Oil change
Un buon olio motore ha delle particolari qualità.
Fate uso solamente di olio motore altamente detergente, certificato sul contentatore come corrispondente, o superiore, alle necessità di servizio SE, SF o SG.
Viscosita
SAE 15W-50
Le autre viscità indicate in tabella possono essere usate se la temperatura media della zona di uso della motocicletta si trovava nei limiti della gammaindicata.
Engine oil
110 Sostituzione della cartuccia filtrante
(fig. 24)
Dopo i primi 500 ÷ 1500 km (primo cambio dell'olio) e in seguito agli 5000 km circa, sostuire la cartuccia filtrante operando come segue:
■ svitare i tappi di scarico «A» e «B» alla coppa «C» ed il tappo di immissione «A» di figura 23;
■ lasciare scolare bene l'olio alla Coppa «C»;
■ svitare la vite di fissaggio cartuccia «D» e sfilare alla coppa «C» il gruppo completo di coperchietto «E», guarnizione «F», molla «G» e la cartuccia filtrante «H»;
sopportire la cartuccia filtrante «H» ed eventually l'anello di tenuta «F».

112 A fine operazione rimontare il tutto invertendo l'ordine di smontaggio e immettere la quantità di olio prescritta prima di avvitare a fondo il tappo sul foro di immissione.

Si consiglia di effettuare la suddetta operazione presso le sedi dei nostri concessionari.
Lavaggiochio a retina e cappa del basamento motore
E' bene, dopo i primi 500 ÷ 1500 km (primochio dell'olio e della cartuccia filtrante) e in seguito agli 25.000 km, smontare la Coppa olio dal basamento, smontare ilhetto a retina e lavare il tutto in un bagno di benzina; soffiare poi ilhetto, ed i canali della Coppa con getto di aria compressa. Nel rimontare la Coppa sul basamento ricordarsi di sostituire la guarnizione tra basamento e Coppa.

Si consiglia di effettuare la suddetta operazione presso le sedi dei nostri concessionari.
114 Lubrificazione delchio (fig. 25)
Controllo livello olio
Ogni 5000 km, controllare il livello come indicate in forma; se l'olio è molto il livello prestabilito,aggiungerne della qualità e gradazione prescritta.
Gearbox lubrication (fig. 25)
Ogni 10.000 km circa, sostituire l'olio dalla scatolachio. La sostituzione deve avvenire a gruppo caldo, poiché in tali condizioni l'olio è fluido e quando facile da scaricare.
Ricordarsi, prima di immettere olio fresco, di lasciare scolare bene la scatola delchio.
«A» Tappo immissione e livello.
«B» Tappo di scarico.
Quantità occorrente: litri 1,000 diolio «Agip Rotra MP SAE 80 W/90».
Oil change
118 Lubrificazione scatola trasmissione posteriore (figg. 26-27)
Controllo livello olio
Ogni 5000 km controllare che l'olio sfiori il foro per tappo di livello e immissione «A»; se l'olio è molto il livello prestabilitizio,aggiungerne della qualità e gradazione prescritta.

N.B. Per un corretto controlo del livello olio,
è necessario che la scatola di trasmissione
ed il forcellone oscillante siano in posizione perfettamente orizzontale, come individato in figura 27.
Ogni 10.000 km circa, sostituire l'olio dalla scatola trasmissione. La sostituzione deve avvenire a gruppo caldo, poichè in tali condizioni l'olio è fluido e quando facile da scaricare.
Ricordarsi, prima di immettere olio fresco di lasciare scolare bene la scatola trasmissione.
«A» Tappolivelloe immissione.
«B» Tappo sfiatatoio.
«C» Tapposcarico.
Quantità occorrente: litri 0,160 di olio «Agip Rotra MP SAE 85W/140» e litri 0,010 di olio «Agip Rocol ASO/R», oppure «Molykote tipo A».
Cambio olio forcella anteriore.
Dopo i primi 500 ÷ 1500 Km e in seguito ogni 20.000 km circa o almeno una volta all'anno sostituire l'olio della forcella.
Quantità occorrente circa 0,400 litri diolio per ammortizzatori «MARZOCCHI (SAE 10)».
Si consiglia di effettuire la suddetta operazione presso le sedi dei nostri concessionari.
Lubrificazioni varie
Per le lubrificazioni:
■ cuscinetti dello sterzo;
■ cuscinetti del forcellone oscillante;
■ articolazioni trasmissioni di lavoro;
■ articolazione del cavalletto di supporto;
Usare grasso: «Agip Grease 30»
Oil change
Preparazione per il lavaggio
Prima di lavare il veicolo è opportuno copire con nylon le seguenti parti: parte terminale dei silenziatori di scarico, breve frizione e freno, lavoro gas, commutatore di accensione.
Durante il lavaggio
Evitare di spruzzare acqua con molta pressione sugli strumenti, mozzo posteriore e anteriore.
Dopo il lavaggio
Rimuovere tutte le protezioni.
Asciugare accuramente tutto il veicolo.
Provare i fremi prima di adoperare il veicolo.
N.B. Per la pulizia delle parti verniciate del gruppo propulsore (motore,chio, scatola trasmiss. ecc.) I prodotti da impiegare sono: nafta, gasolio, petrolio o soluzioni acquose di detergenti neutri per auto.
In agli caso rimuovere immediatamente tali prodotti con acqua pura, evitando assolutamente l'impiego di acqua ad alta temperatura e pressione.
CLEANING-STORING
Cleaning
Se il veicolo dovesse essere tenuto fermo per lungo periodo di tempo (es. per la stagione invernale) occorre prendere le seguenti precauzioni:
■ pulire accuramente tutto il veicolo;
■ vuotare il serbatoio ed i carburatori. Se dovesse essere lasciato per lungo tempo, il carburante evaporere rebbe lasciando residui ed incrostazioni;
■ smontare le candele ed immettere nei cilindri un poco di olio SAE 30. Quindi far compiere alcuni giri all'albero motore e rimontare le candele;
■ ridurre la pressione dei pneumatici di circa il 20% ;
■ sistemare il veicolo in modo che le ruote non tocchi-no terra;
proteggere con olio le partin non verniciate in modo da preservarle alla ruggine;
■ smontare la batteria e riporla in un luogo asciutto dove non vi sia pericolo di gelo e non sua a diretto contatto con la luce solare; controllare la carica agli mese circa;
■ ricopriere il veicolo per proteggerlo alla polvere avendo perché cura che circoli aria.
Storing
Il parabrezza può essere pulito usando la maggior parte dei saponi, detersivi, cere e polishes usati per altre materie plastiche e per il vetro.
Tuttavia devono essere osservate le seguenti precazioni:
non lavare né pulire il parabrezza quando la temperatura dell'aria è molto elevata e quando l'esposizione al sole è troppo forte;
per nessuna ragione devono ossere usati solventi, miscive o prodotti analoghi;
■ non usare liquidi contenti sostanze abrasive, pomice, carte vetrate, raschietti, ecc.;
- possono essere usati polishes solo dopo aver rimoso polvere e sporco con un accurato lavaggio. Piccole graffità superficiali sono essere eliminare con polish morbido;
■ pittura fresca e sigillanti vengono fácilmente rimossi, prima dell'essicazione, sfregando leggermente con nafta solvente, alcohol isopropilico o butyl cellosolve (non usare alcohol metilico);
■ bisogna sempre useare panni morbidi, spugne, pelli di daino e cotone idrofilo operando con delicatezza. Non usare asciugamani di carta, panni di fibre sintetiche perché tendono a graffiare il parabrezza.
Graffiature profonde o abrasioni non possono essere eliminare strofinando enerificamente o usando solventi.
N.2 carburatori Dell'Orto tipo «PHBH 30 BD/BS».
Comandi carburatori
manopola commande gas situata sul lato destro del manubrio;
■ levetta dato dispositivo di avviamamento a motore freddo «CHOKE» («E» di fig. 4) situata sul latosinistro del manubrio.

FUEL SYSTEM
Carburetors (fig. 28)
There are two Dell'orto type «PHBH 30 BD/BS» carburetors.
Carburetor controls
Posizioni levetta lavoro «CHOKE»:
«1» Avviamento a motore freddo.
«2» Marcia.
Dati regolazione carburazione
Diffusore (0 30 mm)
Valvola gas 50
Polverizzatore 264 T1
Getto massimo 105
Getto minimo 32
Getto avviamento 60
Spillo conico X 88 (4a taca)
Galleggiante 9,5 gr.
Vite regolazione miscela minimo: aperture 1 giro e mezzo circa.
132 Regolazione gioco cavi dato «Choke» (fig. 28)
Per regolare il gioco cavi lavoro «CHOKE» operare come segue:
■ togliere le paratie laterali cromate montate sotto al serbatoio;
controllare che con la levetta dato «CHOKE» in posizione di marcia «2», tra i capicorda delle guaine delle trasmissioni di dato e le viti tendifo «D» vi sia un giocdi mm 3 circa; altrimenti allentare i controdadi «C» e avvitare o svitare le viti «D». A fine operazione bloccare i dadi «C».
Adjusting the «Choke» cable play (fig.28) To adjust the «Choke» cable play, proceed as follows:
134 Regolazione della carburazione, e regime minimo (fig. 28)
Regolazione della carburazione a mezzo «VUOTOMETRO»
Per avere una esatta regolazione della carburazione, è opportuno rivolgersi presso le sedi dei nostri concessionari, dove tale operazione verrà effettuata con «VUOTOMETRO».
Regolazione regime minimo
Per regolare il regime minimo a 1200÷ 1300 giri/min. avvitre o svitare della medesima misura entrambe le viti «A».
Aprière e chiudere quale volta il commande gas per controllare se il minimo resta stabile.

N.B. La regolazione va effettuata con il motore a temperatura di esercizio.
Regolazione gioco cavi dato gas
(figg. 19 e 28)
Per regolare il gioco cavi dato gas operare come segue:
■ togliere le paratie laterali cromate montate sotto al serbatoio;
■ controllare che, con la manopola dato gas in posizione di riposo, tra i capicorda delle guaine e le viti tendifilo «B» di fig. 28, di entrambi i carburatori vi sua un giuoco di mm 1 ÷ 1,5 , altrimenti svitare o avvitare la vite tendifilo «B».
Una ulterioriore regolazione si può ottenere agenda sulla vite tendifilo «B» di fig. 19 pag. 76.
138 Sostituzione filtro aria a cartuccia
Ogni 5000 km circa o anche più frequentlymente se si marcia in zone molto polverose, è consigliabile sostituire ilhetto a cartuccia.
Tale fatto è montato in una apposita custodia unitamente al gruppo sfiatatoio olio sopra il gruppo motore.

Per la sostituzione della cartuccia, si consis-, glia di rivolgersi presso le sedi dei nostri sessionari.
Pulizia serbatoio carburante, rubinetti, filtri e tubazioni
Ogni 10.000 km circa, o quando si riscontra che il carburante arrivava in modo irregolare ai carburatori, occorre effettuare la pulizia del serbatoio, del rubinetto e dei filtri sui carburatori.
I filtri, le tubazioni ed il canale del rubinetto dopo essere stati lavati con benzina vanno soffiati con aria compressa.
Controllo gioco punterie (fig. 29)
Dopo i primi 500 ÷ 1500 km e in seguito ogni 5000 km circa o quando la distribuzione risulta rumorosa controllare il gioco tra valvole e bilancieri.
La registrazione va effettuata a motore freddo, con il pistone al punto morto superiore «P.M.S.» in fase di compressione (valvole chiuse).
Dopo aver levato il coperchio dalle teste operare come segue:
1 Allentare il dato «B».
2 Avvitre o svitare la vite di registrar «A» sino ad otteneri seguenti giochi:

VALVE GEAR
Valve clearance (fig. 29)
valvole aspirazione: mm 0,15;
valvole scarico: mm 0,20.
La misurazione va effettuata using apposto spessimetro «C».
Si tengà presente che se il gioco è maggiore di quello prescritto, le punterie risultano rumorose; in caso contrario le valvole non chiudono perfettamente dando luogo ad inconvenienti quali:
perdita di pressione;
■ surriscaldamento del motore;
■ bruciatura delle valvole, ecc.
■ intake valve 0.15 mm;
exhaust valve 0.20mm
Caratteristica accensione
Accensione elettronica digitale a scarica induttiva "MA-GNETI MARELLI - DIGIPLEX".
Anticipo di controllo: 8^ prima del PMS al regime minimo di 800 ÷ 1000 giri/min.
Valore delTRAferro tra i 5 denti ricavati sul volano motore ed il sensore: mm 0.3± 0.8
L'accensione di tipo elettronico non richiede praticamente manutenzione.

N.B. Nel caso il motore non si avvii pronta-mente ruotare la chiave del commutatore di
accensione (1 di fig. 3) in OFF posizione “@” poi di nuovo in ON posizione “@” e ripetere l'avviamento.
ELECTRONIC IGNITION
Ignition data
ATTENZIONE! Per non provocare danneggiamento all'impiano di accensione elettronica, osservare le seguenti precauzioni:
in caso di smontaggio o rimontaggio della batteria, accertarsi che il commutatore di accensione sia in posizione «OFF» vedi fig. 3;
non scollegare la batteria con motore in moto;
accertarsi della perfetta efficienza dei cavi di collegamento;
non eseguire saldature ad elettrico sul velocolo;
non utilizzato dispositivi elettrici di ausilio per l'avviamento;
■ nel caso di montaggio di dispositivi antifurto od altri dispositivi elettrici, non interferire assolutamente con l'impiano elettrico dell'accensione.
I tipi di candela da impiegare sono:
Distanza tra gli elettrodi: mm 0,7.
Le candele devono essere rimoso seperiodicamente, come individato nella tabella del programma di manutenzione, per la pulizia ed il controllo della distance tra gli elettrodi.
Nel rimontare le candele, fare attenzione che imbocchino perfettamente e che si avvitino miglioramente nelle loro sedi; se fosso imboccate male, rovinerebbero il filetto sulle teste; perché consigliamo di avvitarle a mano per quale giro, e di adoperare poi l'apposita chiave (data in dotazione) per bloccarle a motore freddo.
Anche se le candele appaiono in ottime condizioni,\ dopo 5.000km circa, vanno sostituite.

Spark plugs (fig. 30)
N.B. Valori inferiori a mm 0,7 possono promettere la durata del motore.
IMPORTANTE. Per non provocare irregularità di funzionamento e inefficenza dell'impianto di accensione è necessario che gli attacchi cavi candela (pipette candela) e le candelte siano del tipo prescritto (come montati in origine). Non eseguire verifiche di corrente alle candeltezza l'interposizione delle pipette candelte previste in origine, dato che tale operazione potrebbe danneggiare in modo irreparabile la centralina elettronica.
L'impianto elettrico è composto da:
■ batteria;
motorino avviamento;
generatore-alternatore;
■ sensore di giri;
centralina elettronica;
dispositivo segnalatore riserva carburante;
■ bobine di accensione;
■ regolatore;
■ morsettiera porta fusibili;
■ teleruttore per avviamento;
■ telerutture per impianto accensione elettronica;
faro anteriore;
■ fanalino posteriore;
indicatori di direzione;
intermittenza indicatori;
commutatore insertimento utilizzatori;
dispositivi dato luci indicatori direzione, avvisatore acustico e lampeggio;
commutatore insertimento lampeggiatori d'emergenza;
dispositivo di avviamento e arresto motore;
■ avvisatore acustico;
spie sul crucotto per segnalazione:chio in folle (verde),accensione luce posizione «citta» (verde), controlo pressione olio (rossa),luce abbagliante (bleu), insufficiente tensione generatore (rossa), indicatori di direzione (verde), riserva carburante (arancio).
ELECTRICAL SYSTEM
La batteria ha una tensione di 12V e una capacité di 24 Ah alla sua carica provvede il generatore. Per accedere alla batteria occorre:
togliere la sella, i copriaccumulatori laterali e la paratia cromata sinistra sottosella;
sganciare la fascetta in gomma di tenuta e staccare i cavi elettrici alla batteria;
n sfilare la batteria dal suo supporto, togliendola dal lato sinistro del motociclo.
Istruzioni per la manutenzione delle batterie cariche con acido.
Le batterie cariche secche attivate dopo carica di ravivamento o ricevute cariche con acido devono essere trattate con le seguenti avertenze:
■aggiungere quando occorre acqua distillata (mai acido) in modo che a riposo il livello dell'acido sia di 5 mm sopra i separatori;
■ mantenere puliti e serrati i morsetti e ingrassarli con vaselina;
■mantere asciutta la parte superiore della batteria evitando traboccamenti di acido, che riducono l'isolamento e corrodono telai e cassette di contentimento;
Battery
assicurarsi che l'impiano di carica a bordo non dia cariche eccessive od insufficienti, tenendo presente che la densità dell'acido deve mantenersi fra 1,24 e 1,27. Se ciò non avvenisse occorre rivedere l'isolamento e l'efficienza dell'impiano di carica di avviamento;
■ le batterie immagazzinate cariche con acido devono essere periodicamente ricaricate con intensità para a 1/10 della capacité, mantenendo il livello corretto o la densità di 1,27 a 25^
■ le batterie devono essere montate sul veicolo ben serrate dai congegni di fissaggio mantenendo attivi i dispositivi antivibranti.

N.B. Per le batterie destinate a funzionare in climi tropicali (temperatura media maggiore
di 33^) si consiglia la riduzione della densità del l'acido a 1,23.

IMPORTANT
Uno sfiatoiegato o attorcigliato cuiare un innalzamento della pressione nella batteria e danneggiarla.
Attenzione La batter
La batteria contiene acido solforico (olito).
Evitare il contatto con pelle e occhi in quanto può provocare gravi usioni.
In caso di contatto della pelle con l'elettrolito lavate la parte interessata con abbondante acqua.
In caso di contatto con gli occhi, lavate con aqua corrente per almeno 15 minuti e chiamate un medico immediatamente.
Attenzione Le batterie
Attenzione Le batterie producono dei gas esplosivi:
tenetele lontano da fonti di calore e dal fuoco.
Caricate la batteria in un luogo ben ventilato.
Portate sempre occhiali e quanti di protezione quando operare vicino alla batteria.
Attenzione Tenete la
Attenzione Tenete la batteria lontano alla portata dei ini.
Warning The batte
160 Sostituzione delle lampade
Faro anteriore (fig. 31)
Svitare la vita «A» posta in basso al gruppo ottico; estrarre il gruppo ottico, sfilare i portalampade indisostituire le lampade.
Replacing bulbs
Headlight (fig. 31)
N.B. Durante l'opération di sostituzione della lampada anteriore (abbagliante - anabba
gliante) occorre fare attenzione a non toccare diretamente il bulbo con le dita.

Svitare la vita «A» che fissa il catadiattro al fanalino; premere le lampade verso l'interno ruotandole contemporaneamente e sfilarle dai portalampade.
Indicatori di direzione anteriors e posteriori (figg. 31-32) Svitare le viti «D» che fissano i catadiottriagli indicatori di direzione; premere le lampade verso l'interno ruotandole contemporaneamente e sfilarle dai portalampade.
N.B. - Non serrare eccessivamente le viti che fissano i catadiottri in plastica upone evitarne la rottura.

Tail light (fig. 32)
Svitare le viti «A»;
togliere il contentatore contagiri «B»;
estrarre il portalampada e sostituire la lampada.
Contachilometri (fig. 33)
Smontare il faro anteriore;
svitare le viti «C»;
togliere il perno azzeratore «D»;
■togliere il contentatore contachilometri «E»;
estrarre il portalampada e sostuire la lampada.
Revolution counter (Fig. 33)
Take off the screws «A»;
Take out the revolution counter container «B»;
Take out the lamp holder and replace the lamp.
Odometer (Fig. 33)
Dismantle the head lamp;
Take out the screw «C»;
Take out the reset pin «D»;
Take out the odometer container «E»;
Take out the lamp holder and replace the lamp.

Smontare il faro anteriore;
■ svitare letre viti «A» che fissano il coperchio inferiore «B»;
■ togliere il coperchio inferiore «B»;
- estrarre il portalampada e sostituire la lampada.
Dashboard (Fig. 34)
168 Regolazione fascio luminoso del faro anteriore (fig. 35)
Il faro anteriore delve essere sempre orientato alla giusta altezza, per la sicurezza di guida e per non arrecare disturbo ai veicoli incrocianti. Per l'orientamento orizzontale avvitare o svitare la vita "A", per l'orientamente verticale bisogna allentare le due viti "B" che fissano il proietto e spostarlo manually verso l'alto o verso l basso fino a raggiungere l'altezza del fascio luminosoindicata in figura.
Abbagliante e anabbagliante
Luce città o parcheggio
Fanalino posteriore:
Luce targa, posizione stop
Indicatori di direzione
Spie luci tachimetro e contagiri
Spie luci sul cruscotto
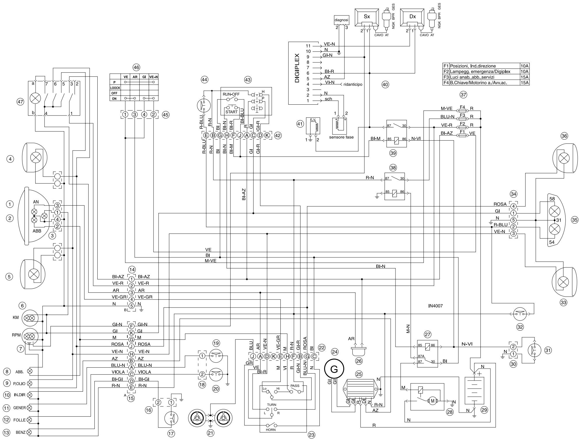
172 Legendaschemiaimpianto elettrico
1 Luce anab-abbagliante 55/60 W (H4 alogena)
2 Luce di posizione 5 W
3 Connettore Amp SS 4 vie (faro anteriore)
4 Indicatore di direzione DX anteriore
5 Indicatore di direzione SX anteriore
6 Lampade illuminazione contachilometri 1,2W+2W
7 Lampada illuminazione contagiri 1,2W+2W
8 Lampada spia luce abbagliante
9 Lampada spia ind. direzione
10 Lampada spia ricarica batteria
11 Lampada spia pressione olio
12 Lamada spia folle
13 Lampada spia livello benzina
14 Connettore Amp. SS 5 vie (cruscotto A)
15 Connettore Pakard 10 vie (cruscotto B)
16 Connettore Amp. SS 2 vie (int.liv.carburante)
17 Interruttore livello carburante
18 Connettore Molex 2 vie (folle-p.olio)
19 Interrupttre pressione olio motore
20 Interruttore posizione folle
21 Avvisatori acustici bitonali
22 Connettore Pakard 10 vie (comando SX)
23 Dispositivo comandi SX: luci, frece, segn. acustico
24 Alternatore 13V 350W
25 Regolatore di tensione
26 Intermittenza
27 Relè di avviamento motore (deviatore)
28 Motorino avviamento
29 Batteria 12V - 24 Ah
30 Connettore Molex 2 vie (sic.laterale)
31 Interruttore sicurezza cavalletto laterale
32 Interru tto r stop posteriore
33 Indicatore direzione SX posteriore
34 Connettore Molex 6 vie (g.ottico post.)
35 Gruppo luci posteriore (stop, posizione)
36 Indicatore direzione DX posteriore
37 Gruppo fusibili
38 Relé luci (interruptore)
39 Relé per acc. Digiplex (Interuttore)
40 Schema accensione elettronica Digiplex
41 Rubinetto elettrico (carburante)
42 Connettore Pakard 10 vie
43 Dispositivo comandi DX (Acc.-Run, Start, Luci)
44 Interruttore stop anteriore
45 Connettore Amp. SS 4 vie (comm. chiavi)
46 Commutatore blocchetto chiavi
47 Commutatore luci emergenza
Bianco-Azzurro = White-Lightblue
Bianco-Giallo = White-Yellow
Bianco-Nero = White-Black
Bleu-Nero = Blue-Black
Giallo-Nero = Yellow-Black
Rosso-Giallo = Red-Yellow
Rosso-Nero = Red-Black
Verde-Grigio = Green-Grey
Verde-Nero = Green-Black
Arancio = Orange
Azzurro = Azur
Bianco = Blanc
Giallo = Jaune
Grigio = Gris
Marrone = Marron
Nero = Noire
Rosa = Rose
Rosso = Rouge
Verde = Vert
Viola = Violet
Bianco-Azzurro = Blanc-Azur
Bianco-Giallo = Blanc-Jaune
Bianco-Marrone = Blanc-Marron
Bianco-Nero = Blanc-Noire
Bleu-Nero = Bleu-Noire
Giallo-Nero = Jaune-Noire
Nero-Grigio = Noire-Gris
Rosso-Bianco = Rouge-Blanc
Rosso-Bleu = Rouge-Bleu
Rosso-Giallo = Rouge-Jaune
Rosso-Nero = Rouge-Noire
Rosso-Verde = Rouge-Vert
Verde-Grigio = Vert-Gris
Verde-Nero = Vert-Noire
Arancio = Orange
Azzurro = Hellblau
Bianco = Weiss
Giallo = Gelb
Grigio = Grau
Marrone = Braun
Nero = Schwarz
Rosa = Rosa
Rosso = Rot
Verde = Grün
Viola = Violett
Rosso-Giallo = Rot-Gelb
Rosso-Nero = Rot-Schwarz
Rosso-Verde = Rot-Grün
Verde-Grigio = Grün-Grau
Verde-Nero = Grün-Schwarz

Schema d'installazione accensione elettronica "Digiplex"
Tableau d'installation allumage électronique "Digiplex"
Electronic Ignition "Digiplex" wiring diagram Elektronischer Zündung Schaltplan "Digiplex"

ManualeFacile