FC 87 C.1/E - Forno elettrico HOTPOINT - Manuale utente e istruzioni gratuiti
Trova gratuitamente il manuale del dispositivo FC 87 C.1/E HOTPOINT in formato PDF.
Domande degli utenti su FC 87 C.1/E HOTPOINT
0 domanda su questo apparecchio. Rispondi a quelle che conosci o fai la tua.
Fai una nuova domanda su questo apparecchio
Scarica le istruzioni per il tuo Forno elettrico in formato PDF gratuitamente! Trova il tuo manuale FC 87 C.1/E - HOTPOINT e riprendi in mano il tuo dispositivo elettronico. In questa pagina sono pubblicati tutti i documenti necessari per l'utilizzo del tuo dispositivo. FC 87 C.1/E del marchio HOTPOINT.
MANUALE UTENTE FC 87 C.1/E HOTPOINT
La ringraziamo per aver scelto un prodotto Ariston, sicuro e davvero facile da usare. Per conoscerlo, utilizzato al meglio e a lungo, le consigliamo, prima diutilizzare l'apparecchio, di leggere attentamente le avventenze contenate nel presente libretto, in quanto forniscono importantiindicazioni riguardanti la sicurezza di installmente, d'uso e di manutenzione. Conservare concura甚么 libretto per agli ulterioriore consultagione. Grazie.
Visto da vicino



A. Cruscotto comandi
B. Manopola di selezione funzioni di cottura
C. Manopola per la temperatura di cottura
D. Programmatore elettronico - Consente di programmare qualsiasi funzione di cottura impostando la durata e l'ora di fine cottura. Haanche una funzione di contaminuti.
F. Leccarda o piano di cottura
G. Griglia ripiano del forno
H. Guide di scorrimento di leccarde e griglie
- Luce fornno
- Regolazione orologio
- Regolazione contaminuti
- Fine cottura
- Durata cottura
- Conferma regolazione
- Indicatore contaminuti
- Indicatore preriscaldamento (lampeggiante) o cottura (fissa) in corso
- Indicatore programmazione avvenuta
Il 7 Cuochi riunisce in un unico apparecchio i pregi dei tradizionali forn i convezione naturale (statici) a quelli dei moderni forn i convezione forzata (ventilati).
E' un apparecchio estremamente versatile che permette di scegliere in modo facile e sicuro fra 7 diversi metodi di cottura. La selezione delle diverse funzioni offerte si ottiene agenda sulla manopola di selezione "B" presente sul cruscotto.
Attenzione: Alla prima accensione consigliamo di far funzionare il forno a vuoto per almeno un'ora con il termostato al massimo e a porta chiusa. Quindi trascorso tale tempo spegnerlo, aprite la porta ed areare il locale. L'odore che talvolta si avverte durante questa operazione è dovuto al-l'evaporazione delle sostanze usate per proteggere il forno durante l'intervallo di tempo che intercorre tra la produzione e l'infallazione del prodotto.
Impostare I'orologio digitale
L'impostazione dell'ora è possibile solo con la manopola "B" in posizione 0.
Dopo l'allcianto alla rete o dopo una mancanza di corrente, il display lampeggia su: 0.00.
Ruotare la manopola C per regolare l'ora e quindi preme- re OK per confermare. Ruotare nuovamente C per regolare i minuti ed infine premere OK per confermare definitivement. Eventuali aggiornamenti possono essere effettuati premendo il tasto 2 e seguendo la procedura sopra individata.
Funzione contaminuti
Il timer non controlling l'accensione e lo spegnimento del forn o ma emette solamente un allarme acustico a tempo scaduto che cui quod assere arrestato premendo un tasting qualsiasi.
Per impostare il contaminuti premere il tasto 3, regolaretramite la manopola "C" e quando premere il tasto OK perconfermare. L'icona vi ricordera che il timer è attivo.
Al terme del conteggio si udirà un segnale acustico che terminerà molto 1 min. o molto la pressione di un tasto qualsiasi.
La luceorno
Aorno spento più essere accesa in qualunque momento premendo il tasto 1 o aprendo la porta forno.
Ventilazione di raffreddamento
Al fine di ottenere una riduzione delle temperature esterne una ventola di raffreddamento genera un getto d'aria che esce tra frontalino e porta forno.
Nota: A fine cottura la ventola rimane attiva finché il forno non sare sufficientemente freddo.
Nota: In "Fast cooking" ed in "Pasticceria" la ventola si attiva automaticamente solo aorno caldo.
Attenzione: l'apparecchio è dotato di un sistema di diagnostica che consente di rilevare eventuali malfunzionamenti. L'utente ne viene informatotramite messaggi del tipo "Fn m (n ed m= numeroi ad 1 cifra). In queste casi è necessario l'intervento dell'assistenza tecnia in quanto il forn o non è funzionante.
Utilizzo delorno
Ruotando la manopola “B” è possibile selezionare il programma di cottura desiderato. Il forno entrera immediamente nella fase di preriscaldamento durante la quale lampeggia sul display l'icona e compare la temperatura di cottura associata al programma selezionato: se tale valore non dovesse essere quello da voi desiderato, lo potete modificare semplicamente ruotando la manopola “C”.
Completato il riscaldamento udirete un segnale acustico e vedrete l'icona accesa in modo permanente, a quello punto potete introdurre nelorno ben caldo il cibo da cuocere.
Nota: per le funzioni FAST COOKING e GRILL non è prevista la fase di preriscaldamento.
Ricordate che durante la cottura sare sempre possibile :
- modificare il programma agenda sulla manopola "B";
- modificare la temperatura agenda sulla manopola "C";
programmare la durata e l'ora di fine (vedi paragrafo "Programmare la cottura"). - interromperla in qualunque momento riportando la manopola "B" in posizione 0.
Nota: Per ciascuna funzione di cottura è preimpostata, per motivi di sicurezza, una durata di 2 ore. Nel caso in cui non venga modificata il forno si spelgne automaticamente trascorso tale tempo.
Attenzione: Utilizzato il primo ripiano dal basso, posizionandoci la leccarda in dotazione per raccogliere sughi e/o grassi, solamente nel caso di cotture al grill o con girarrosto (presente solo su alcuni modelli). Per le altre cotture non utilizzate mai il primo ripiano dal basso e non appoggiate mai oggetti sul fondo del forno quando state cuocendo perché potreste causare danni allo smalto. Ponete sempre i Vostri recipienti di cottura (pirofile, pellicole di alluminio, ecc. ecc.) sulla griglia in dotazione con l'apparecchio, appositamente insertita nelle guide del forno.
Forno Tradizione
Posizione manopola termostato "C": Tra 40^ e 250^ . In questa posizione si accendono i due elementi riscaldanti inferiore e superiore. E' il classico forno della nonna che è stato però portato ad un eccezionale livello di distribuzione della temperatura e di contentimento dei consumi. Il forno tradizionale resta insuperato nei casi in cui si debbano cucinare piatti i cui ingredienti risultano composti da due o più elementi che concorrono a formare un piatto unico come ad esempio: cavoli con costine di maiale, baccalà alla spagnola, stoccafisso all'anonetana, teneroni di vitello con riso etc... Ottimi risultati si ottengono nella preparazione di piatti a base di carni di manzo o vitello quali: brasati, spezzatini, gulasch, carni di selvaggina, cosciotto e lombo di maiale etc... che necessitano di cottura lenta con costante aggiunta di liquidi. Resta comunque il miglior sistema di cottura per i dolci, per la frutta e per le cotture con recipientti coperti specifici per le cotture al forno. Nella cottura al forno tradizionale utilizes un solo ripiano, in quanto su più ripiani si avrebbe una cattiva distribuzione della temperatura. Usando i diversi ripiani a disposizione potrete bilanciare la quantità di calore tra la parte superiore ed inferiore. Se la
cottura necessita di maggior calore dal basso o dall'alto, utilizzate rispettovamente i ripiani inferiori o superiori.
Forno Multicottura
Posizione manopola termostato "C": Tra 40^ e 250^ .
Si attivano alternativamente gli elementi riscaldanti ed tra in funzione la ventola. Poichè il calore è costante ed uniforme in tutto ilorno, l'aria cuoce e rosola il cibo in modo uniforme in tutti i punti. Potete cuocere contemporaneamenteanche pietanze diverse tra loro, purché le temperature di cottura siano simili. E' possibile utilizzare fino ad un massimo di 2 ripiani contemporaneamente seguito le avventenze riportate nel paragrafo "Cottura contemporanea su più ripiani".
Questa funzione è particolarementeindicata per piatti che necessitano di gratinatura o per piatti che necessitano di cottura abbastanza lunga ad esempio: lasagne, maccheroni pasticciati, pollo e patate arrosto etc... Notevolivantaggi si ottengono nella cottura degli arrosti di carne in quanto la migliorie distribuzione della temperatura consente di utilizzare temperature piùasse che riducono la dispersione degli umori mantenendo la carne più morbida con minor calo di peso. Il Multicottura è particolaremente apprezzato per la cottura dei pesci che possono essere cucinati con pochissima aggiunta di condimenti mantenendo così inalterato l'aspetto e il sapore.Per i contorni, eccentli risultati si ottengono nelle cotture di verdure brasate quali zucchini, melanzane, peperoni, pomodori ecc..
Dessert: risultati sicuri si ottengono cuocendo torte lievitate. La funzione "Multicottura" più anche essere usata per uno scongelamento rapido carne bianca o rossa, pane, impostando una temperatura di 80^ . Per scongelare cibi più delicati potete impostare 60^ o useare la sola circolazione di aria fredda impostando la manopola termostato a 0^ .
Grill
Posizione manopola termostato "C": Tra 50% e 100% .
Si accende I'elemento riscaldante superiore.
La temperatura assai elevata e diretta del grill consente la immediata rosolatura superficieale dei cibi che, ostacolando la fuoriuscita dei liquidi, li mantiene più teneri internamente. La cottura al grill è particolarmente consigliata per quei piatti che necessitano di elevata temperatura superficieale: bistecche di vitello e manzo, entrecôte, filetto, hamburger etc...
Effettuare le cotture con la porta forno semiaperta.
Alcuni esempi di utilizzato sono riportati al paragrafo "Consigli pratici per la cottura".
Ruotando la manopola "C", il display indichera livelli di potenza compresi tra un minimo di 50% ad un massimo di 100% .
Gratin
Posizione manopola termostato "C": Tra 40^ e 250^ .
Si accende l'elemento riscaldante superiore e si mette in funzione la ventola.
Unisce all'irradiazione termica unidirezionale la circolazione forzata dell'aria all'interno del forno. Ciò impedisce la bruciatura superficiale degli alimenti augmentando il potere di penetrazione del calore. Risultati eccellenti si ottengono utilizzando il grill ventilato per spiedini misti di carne e verdura, salsicce, costine di maiale, costolette di agnello, pollo alla
diavola, quaglie alla salvia, filetto di maiale etc...
Effettuare le cotture al "gratin" con porta delorno chiusa. Il "gratin" è insuperabile nella cottura di tranci di cernia, di tonno, di pesce spada, seppioline ripiene etc...
Forno Pizza
Posizione manopola termostato "C": Tra 40^ e 250^ . Si attivano gli elementi riscaldanti inferiore e circolare ed entra in funzione la ventola. Questa combinazione consente un rapido riscaldamento delorno grazie alla notevole potenza erogata (2800 W), con un forte apporto di calore in prevalenza dal basso.
La funzione forno pizza è particolaremente indicata per cibi che richiedono una elevata quantità di calore, ad esempio: la pizza e gli arrosti di grande dimensioni. Utilizzate una sola leccarda o griglia alla volta, nel caso quello siano più di una è necessario scambiare tra loro a metà cottura.
Forno Pasticceria
Posizione manopola termostato "C": Tra 40^ e 250^ . Si attiva l'elemento riscaldante posteriori ed entra in funzione la ventola garantendo un calore delicato ed uniforme al-l'interno del forno.
Questa funzione è indicata per la cottura dei cibi delicati, in particolare i dolci che necessitano di levitatione ed alcune preparazioni "mignon" su 3 ripiani contemporaneamente. Alcuni esempi: bignè, biscotti dolci e salati, salatini in sfoglia, biscotto arrotolato e piccoli tranci di verdure gratinate, ecc....
Forno "Fast cooking"
Posizione manopola termostato "C": Tra 40^ e 250^ . Si attivano gli elementi riscaldanti ed entra in funzione la ventola garantendo un calore costante ed uniforme all'interno delorno.
Questa funzione è particolaremente indicata per cotture velociti (non necessita di preriscaldamento) di cibi preconfezionati (esempio: surgelati o precotti) e per alcune "preparrazioni casalinghe".
Nella cottura "Fast cooking" i risultati migliori si ottengono utilizzando un solo ripiano (il 2^ partendo dal basso), vedi tabella "Consigli pratici per la cottura".
Forno "Scongelamento"
Posizione manopola termostato "C": qualunque
La ventola posta sul fondo delorno fa circolare l'aria a temperature ambiente attorno al cibo. E'indicato per lo scongelamento di qualsiasi tipo di cibo, ma in particolare per cibi delicati che non voglioni calore come ad esempio: torte gelato, dolci alla crema o con panna, dolci di frutta. Il tempo di scongelamento viene all'incirca dimezzato. Nel caso di carni pesci o pane è possibile accelerare utilizzato la funzione "multicottura" impostando una temperature di 80^ - 100^ .
La programmazione della durata e/o dell'ora di fine cottura va eseguita dopo aver selezionato la funzione da voi desiderata.
Programmare la durata della cottura
Premere il tasto 5 e quindi regolare la durata ruotando la manopola C. Premendo il tasto OK l'impostazione verrà memorizzata e sul display verrà visualizzata, alternatively, la temperatura selezionata che siouldo variare con la manopola C ed il tempo rimanente per la fine della cotura.
Trascorso tale tempo sul display comparirà «end» e verrà emessa una sequenza di segnali acustici adindicare che la cottura è terminata.
- Premere qualunque tasto per interrompere il segnale acustico.
- Riportare la manopola B in posizione 0 per far scomparire la scritta «end».
Esemblio
Sono le ore 9:00 e viene programmata una durata di cottura di 1 ora e 15 minuti. La cottura si arresterà automaticamente alle ore 10:15.

Programmare l'ora di fine cottura
Premere il tasto 4 e quando regolare ruotando la manopola C. Premendo il tasto OK l'impostazione verrà memorizzata e il display vi ricorderà, alternatively, la temperatura selezionata ed il tempo rimanente per la fine della cottura.
Allo scadere dell'ora di fine cottura precedentamente selezionata, sul display comparirà «end» e verrà emessa una sequenza di segnali acustici adindicare che la cottura è terminata.
- Premere qualunque tasto per interrompere il segnale acustico.
- Riportare la manopola B in posizione 0 per far scomparire la scritta «end».
Esemblio
Sono le ore 9:00 e viene impostata l'ora di fine cottura alle 10:15. La cottura avrà la durata di 1 ora e 15 minuti.

Programmare una cottura ritardata
Premere il tasto 5 e quindi regolare la durata ruotando la manopola C. Premendo il tasto OK l'impostazione verrà memorizzata e sul display verrà visualizzata, alternatively, la temperatura ed il tempo precedentamente selezionato.
Premere il tasto 4 e quindi regolare l'ora di fine ruotando la manopola C. Premendo il tasto OK l'impostazione verrà memorizzata e il display vi ricorderà, alternatively, l'ora di fine e la temperatura impostata.
Esempio
Sono le ore 9:00 e viene programmata una durata di cottura di 1 ora e 15 minuti e le 12:30 come ora di fine. La cottura inizIERÀ automaticamente alle ore 11:15.

L'icona A vi ricorderà che avete programmatico la durata e/ o l'ora di fine cottura.
Per annullare una programmazione
Per cancellare qualsiasi programmazione effettuata, ruotare la manopola "B" sino alla posizione "0".
NONTI ALLARMARE SE
1 a fine cottura esce alla rancia ventilata dal forno per un certo tempo: è la normale fase di raffreddamento della cavity del forno;
2 nel funzionamento "grill" la resistenza superiore non rimane sempre accesa (colore rosso): il funzionamento è controllato da un termostato;
3 fuoriesce una vampata di vapore, aprendo la porta durante la cottura;
4 si formano delle gocce di acqua o del vapore all'interno delorno, lasciando i cibi nel forn, dopo la cottura;
Prima di agli operazione disconnettere l'apparecchio dall'alimentazione elettrica.
Per una lunga durata del forno è indispensable eseguire frequentlymente una accurata pulizia generale, tenendo presente che:
per la pulizia non utilizzato appearecchi a vapore
- le parti esterne smaltate o inox vanno lavate con acqua tiepidaenza usare polveri abrasive e sostanze corrosive che potrebbero rovinarle. L'acciaio inox più rimanere macchiato. Se le macchie sono difficili da asportare usare prodotti specifici normalmente in commercio. Si consiglia di sciacquare abbondamente ed asciugare dopo la pulizia.
- l'interno del forno va pulito, preferibilmentegni ogni volta dopo l'uso, quando è ancora tiepido usingao acqua calda e detersivo, risciaquando e asciugando poi accuratamente con un panno morbido. Evitare l'uso di detersivi abrasivi (ad esempio le polveri, ecc...) e di spugne abrasive per piatti oppure acidi (ad esempio anticalcare, ecc...), perché potreberto rovinare lo smalto. Se lo sporco è particolarmente duro da togliere, usare un prodotto specifico per la pulizia del forno, secondo le istruzioni riportate sulla confezione.
- se usate il forn o per un tempo prolongato ci potrebbe essere formazione di condensa. Ascugatela using an panno morbido.
- attorno all'apertura delorno, una guarnizione in gomma garantisce il suo corretto funzionamento. Controllate quando periodicamente lo stato di questa guarnizione. Se necessario pulitela evitando di usare prodotti o oggetti abrasivi. In caso risulti danneggiata rivolgetevi al Centro Assistenza più vicino. E' consigliabile non usare ilorno fino all'avvenuta riparazione.
- non rivista mai il fondo forno con fogli di alluminio, poichè l'accumulo di calore seguente comprometterebbe la cottura danneggiandoanche lo smalto.
- pulire il vetro della porta forno utilizzato prodotti e spugne non abrasive ed asciugare con un panno morbido.
Come togliere la porta forno
Per una pulizia più accurata è possible togliere la porta del forn. Procedere nel seguente modo:
- après completeness la porta;
- alzate e ruotate le levette poste sulle due cerniere;
- afferrate la porta ai due lati esterni, richiudetela lentamente ma non completeness;
- tirate la porta verso di voi estraendola alla sua sede;
Rimontare la porta seguendo il procedimento sopra descririto in senso contrario.



Sostituzione della lampada nel vano forno
- Togliere l'alimentazione al forno tramite l'interruttore omnipolare utilizzato per il collegamento del forno all'impianto elettrico, o scollegare la spina, se accessibile;
- Svitare il coperchio in vetro del portalampada;
- Svitare la lampada e sostituirla con una resistente ad alta temperatura (300^) con queste caratteristica:
Tensione 230/240 V
- Potenza 25W
- Attacco E14
- Rimontare il coperchio in vetro e ridate alimentazione al forn.

Consigli pratici per la cottura
Ilorno mette a vostra disposizione una vasta gamma di possibilità che consentono di cuocere agli cibo nella maniera migliorare. Con il tempo potrete sfruttare al meglio quello versatile apparentecchio di cottura, pertanto le note riportate di seguito sono solamente delleindicazioni di massima che potrete ampliare con la vostra esperienza personale.
Cottura contemporanea su più ripiani
Se dovete cuocere su più ripiani potete'utilizzare o la funzione "pasticceria" o la funzione "Multicottura", le uniche che consentono tale possibilità.
Per la cottura di cibi delicati su più ripiani,utilizzare la funzione "pasticceria" che consente di cuocere con
temporaneamente 3 ripiani (1^,3^ 5^) . Alcuni esempi sono riportati nella tabella "Consigli pratici per la cottura".
Per le altre cottura su più ripiani utilizzate la funzione
"Multicottura" tenendo conte dei seguenti suggerimenti:
- Ilorno è dotato di 5 ripiani. Nella cottura ventilata utilizzate due dei tre ripiani centrali, il primo in basso e l'ultimo in alto sono investiti direttamente dall'aria calda che potrebbe provocare delle bruciature sui cibi delicati;
-
Normalmente utilizzate il 2^ ed il 4^ ripiano dal basso, inserendo nel 2^ ripiano i cibi che richiedono maggior calore. Ad esempio nel caso della cottura di arrosti di carne contemporaneamente ad altri cibi, inserte l'arresto al 2^ ripiano, lasciando il 4^ a cibi più delicati;
-
Nella cottura contemporanea di cibi che hanno tempi e temperature di cottura diversi impostate una temperatura intermedia tra le due, informate il cibo più delicato al 4^ ripiano ed estraete dal forno prima l'alimento con tempo di cottura più breve;
Utilizzate la leccarda al ripiano inferiore e la griglia a quello superiore;
Utilizzato della funzione "Fast cooking"
Funzionale, veloce e pratica per coloro che utilizzato prodotti "preconfezionati" (esempio: surgelati o precotti) e non solo, comunique utili suggerimenti sono riportati nella tabella "Consigli pratici per la cottura".
Utilizzo del grill
Il forno "7 Cuochi" mette a vostra disposizione diverse possibilità di grigliare.
Utilizzate la funzione "grill", a porta semiaperta, pos-zionando il cibo al centro della griglia posta al 3^ o 4^ ripiano partendo dal basso.
Per raccogliere sughi e/o grassi, posizionare la leccarda in dotazione al 1^ ripiano.
Quando si utilizza tale funzione, si raccomanda di impostare il livello di energia al massimoanche se si possono impostare livelli inferiori simplicamente regolando la manopola del termostato su quello desiderato.
La funzione × "Gratin", esclusivamente con porta forno chiusa, è utilissima per grigliature veloci, si distribuisce il calore emesso dal grill consentendo contemporaneamente alla doratura superficialeanche una cottura nella parte inferiore.
Poteteancheusarla nella parte finale della cottura dei cibi che abbiano bisogno di doratura superficiale,ad esempio è l'ideale per dorare la pasta al forno a fine cottura.
Nell'utilizzato di tale funzione disponete la griglia sul 2^ o 3^ ripiano partendo dal basso (vedi tabella cottura) dopodiché, per raccogliere i grassi ed evitare la formazione di fumo, disponete una leccarda nel 1^ ripiano dal basso.
Importante: effettuare la cottura al "Gratin" con porta delorno chiusa, ciò per ottenerile migliorari risultati ed un sensibile risparmio di energia (10% circa).
Quando si utilizes tale funzione, si raccomanda di impostare il termostato a 200^ , perché esta è la condizione di rendimento ottimale, che si basa sull'irraggiamento ai raggi infrarossi. Questo, pero, non significica che non si possano utilizzato temperature inferiori, semplicitamente regolando la manopola del termostato sulla temperatura desiderata.
Pertanto i migliori risultati nell'utilizzo delle funzioni grill si ottengono disponendo la griglia sugli ultimi ripiani partendo dal basso (vedi tabella cottura) dopodiché, per raccogliere i grassi ed evitare la formazione di fumo, disponete la leccarda in dotazione nel primo ripiano dal basso.
Cottura dei dolci
Nella cottura dei dolci informate sempre a forno caldo. Non aprite la porta durante la cottura, per evitare un abbassamento del dolce. In generale:
| Dolce troppo secco |
| La prossimaolta impostate una temperatura di10°C superiore e riducete il tempo di cottura. |
| Dolce si abbassa |
| Usate meno liquido o abbassate la temperatura di 10°C. |
| Dolce scuro superiormente |
| Inseritelo ad altezza inferiore, impostate una temperatura più bassa e prolongate la cottura. |
| Buona cottura esterna, ma interno colloso |
| Usate meno liquido, riducete la temperature,;aumentate il tempo di cottura. |
| Dolce non si stacca dallo stampo |
| Ungete bene lo stampo e cospargeteloanche con un pò di farina oppure utilizzate carta forno. |
| Ho cotto su più ripiani (nella funzione "ventilato") e non tutti sono allo stesso avanzamento di cottura |
| Impostate una temperatura inferiore. Non necessariamente ripiani inserti contemporaneamente debbono essere tolti insieme. |
Cottura della pizza
Per una buona cottura della pizza utilizzate la funzione "forno pizza":
- Preriscaldare bene ilorno per almeno 10 minuti
- Utilizzare una teglia in alluminio leggero appoggiandola sulla griglia in dotazione. Utilizzato la leccarda si allungano i tempi di cottura e difficoltà si ottiene una pizza croccante
Non apritefrequently il forno durante la cottura - Nel caso di pzpe molto farcite (capricciosa, quattro stagioni) è consigliabile insere la mozzarella a metà cottura.
- Nel caso di cottura contemporanea su più ripiani (fino a 2) è preferibile utilizzato la funzione forno Multicottura in quanto la funzione forno pizza cuocerebbe di più il 1^ ripiano in basso.
Cottura del pesce e della carne
Per le carni bianche, i volatili ed il pesce utilizzato temperature da 180^ a 200^ .
Per le carni rosse che si vuole siano ben cotte all'esterno conservando all'interno il sugo, è bene utilizzato una temperature iniziale alta (200°C-220°C) per breve tempo, per poi diminuirla successivamente.
In generale, più grosso è l'arrosto, più bassa dovrà essere re la temperatura e più lungo il tempo di cottura. Ponete la carne da cuocere al centro della griglia ed inserte sotto la griglia la leccarda per raccogliere i grassi.
Inserite la griglia in modo che il cibo si trovi al centro del forno. Se volete più calore da quello, utilizzate i ripiani più bassi. Per ottenere arrosti saporiti (in particolare anatra e selvaggina) bardate la carne con lardo o pancetta e posizionatela in modo che sia nella parte superiore.
La sicurezza una buona abitudine
Per garantire l'efficienza e la sicurezza di quello elettrodomestico:
- rivolgetevi esclusivamente a centri di assistenza tecnica autorizzati
-
richiedete sempre l'utilizzo di parti di ricambio originali
-
Per movimentare l'apparecchio, once evitare danni a persone e al prodotto stesso, serviri sempre delle apposite maniglie ricavate sulle fiancate del forno.
- L'apparecchio è concepito per uso non professionale nelle abitazioni e le sue caratteristiche non vanno modificate.
- Le istruzioni sono valide solo per i paesi di destinazione i cui simboli figurano sul libretto e sulla targa matricola.
- La sicurezza elettrica di quello appearecchio è assicurata soltanto quando lo stesso è correttamente collegato ad un efficente impianto di messa a terra come previsto dalle vigenti norme di sicurezza.
- Durante l'uso dell'apparecchio gli elementi riscaldanti e alcune parti della porta forno divertano molto calde. Fare attenzione a non toccarle e tenere i bambini a distanza.
Trattandosi di fonti di pericolo, evitare che bambini e incapaci abbiano contatti con:
- i comandi e l'apparecchio in genere;
- gli imballaggi (sacchetti, polistirolo, chiodi ecc.);
- l'apparecchio, durante e subito dopo il funzionamento delorno e del grill, visto il surriscaldamento;
- l'apparecchio inutilizzato (in quello caso vanno rese innocue le parti che potrebbero essere pericolose).
Vanno evitate le seguenti operazioni:
- toccare l'apparecchio con parti del corpo umide;
- l'uso quando si è a piedi nudi;
- tirare l'apparecchio o il cavo di alimentazione per staccarlo alla presa di corrente;
- operazioni improprie e pericolose;
- ostruire le aperture di ventilazione o smaltimento calore;
- che il cavo di alimentazione di piccoli elettrodomestici finisca su parti calde dell'apparecchio;
- l'esposizione ad agenti atmosferici (pioggia, sole);
- l'utilizzo delorno come ripostiglio;
-
l'utilizzo di liquidi infiammabili nei pressi;
-
l'impiego di adattatori, prese multiple e/o prolonghe;
- tentativi di installatione o riparazione perché l'intervento di personale qualificato.
Occorre assolutamente rivolgersi a personale qualificato nei seguenti casi:
- installmente (secondo le istruzioni del costruttore);
- quando si hanno dubbi sul funzionamento;
- sostituzione della presa in caso di incompatibilità con la spina dell'apparecchio.
Occorre rivolgersi a centri di assistenza autorizzati dal costruttore nei seguenti casi:
- in caso di dubbio sull'integrità dell'apparecchio dopo aver molto l'imballaggio;
danneggiamento o sostituzione del cavo di alimentazione; - in caso di guasto o cattivo funzionamento, richiedendo i ricambi originali.
È opportuno effettuare le seguenti operazioni:
- solo la cottura dei cibi evitando altre operazioni;
- verificare l'integrità dopo aver molto l'imballaggio;
- disconnettere l'apparecchio alla rete di alimentazione elettrica in caso di cattivo funzionamento e prima di qual-siasi operazione di pulizia o manutenzione;
- quando inutilizzato, disinserire l'apparecchio alla rete elettrica e chiudere il rubinetto del gas (se previsto);
-utilizzare guanti da forn o inseire o estrarre recipienti;
impugnare sempre la maniglia della porta al centro dato che all'estremità potrebbe essere più calda a causa di eventuali uscite d'aria;
controllare sempre che le manopole siano nella posizione "●"/"o" quando l'apparecchio non è utilizzato; - tagliare il cavo di alimentazione dopo averlo disconnesso dalla rete elettrica quando si decide di non utilizzato più l'apparecchio.
- Il costruttore non può essere considerato responsablee per eventuali danni derivanti da: errata installazione, usi impropri, erreoni ed irragionevoli.
| Impostazione selezionata | Tipo di cibo | Peso (Kg) | Posizione della griglia rispetto al fondo del forno | Tempo di preriscaldamento (min.) | Impostazione termostato | Durata della cottura (min.) |
| 1 Tradizione | Anatra | 1 | 3 | 15 | 200 | 65-75 |
| Arrostodi vitello o manzo | 1 | 3 | 15 | 200 | 70-75 | |
| Arrostodi maiale | 1 | 3 | 15 | 200 | 70-80 | |
| Biscotti (di frolla) | - | 3 | 15 | 180 | 15-20 | |
| Crostate | 1 | 3 | 15 | 180 | 30-35 | |
| 2 Multicottura | Pizza (su 2 ripiani) | 1 | 2-4 | 15 | 230 | 15-20 |
| Lasagne | 1 | 3 | 10 | 180 | 30-35 | |
| Agnello | 1 | 2 | 10 | 180 | 40-45 | |
| Pollo arrosto + patate | 1+1 | 2-4 | 15 | 200 | 60-70 | |
| Sgombro | 1 | 2 | 10 | 180 | 30-35 | |
| Plum-cake | 1 | 2 | 10 | 170 | 40-50 | |
| Bignè (su 2 ripiani) | 0.5 | 2-4 | 10 | 190 | 20-25 | |
| Biscotti(su 2 ripiani) | 0.5 | 2-4 | 10 | 180 | 10-15 | |
| Pan di spagna (su 1 ripiano) | 0.5 | 2 | 10 | 170 | 15-20 | |
| Pan di spagna(su 2 ripiani) | 1.0 | 2-4 | 10 | 170 | 20-25 | |
| Torte salute | 1.5 | 3 | 15 | 200 | 25-30 | |
| 3 Grill | Sogliole e seppie | 0.7 | 4 | - | 100% | 10-12 |
| Spiedini di calamari e gamberi | 0.6 | 4 | - | 100% | 8-10 | |
| Seppie | 0.6 | 4 | - | 100% | 10-15 | |
| Filetto di merluzzo | 0.8 | 4 | - | 100% | 10-15 | |
| Verdure alla griglia | 0.4 | 3/4 | - | 100% | 15-20 | |
| Bistecca di vitello | 0.8 | 4 | - | 100% | 15-20 | |
| Salsicce | 0.6 | 4 | - | 100% | 15-20 | |
| Hamburger | 0.6 | 4 | - | 100% | 10-12 | |
| Sgombrì | 1 | 4 | - | 100% | 15-20 | |
| Toast (o pane tostato) | n.° 4-6 | 4 | - | 100% | 3-5 | |
| 4 Gratin | Pollo alla griglia | 1.5 | 2 | 10 | 200 | 55-60 |
| Seppie | 1.5 | 2 | 10 | 200 | 30-35 | |
| 5 Pizza | Pizza | 0.5 | 3 | 15 | 220 | 15-20 |
| Arrostodi vitello o manzo | 1 | 2 | 10 | 220 | 25-30 | |
| Pollo | 1 | 2/3 | 10 | 180 | 60-70 | |
| 6 Pasticceria | Crostate | 0.5 | 3 | 15 | 180 | 20-30 |
| Torta di frutta | 1 | 2/3 | 15 | 180 | 40-45 | |
| Plum-cake | 0.7 | 3 | 15 | 180 | 40-50 | |
| Pan di spagna | 0.5 | 3 | 15 | 160 | 25-30 | |
| Creps farcite (su 2 ripiani) | 1.2 | 2-4 | 15 | 200 | 30-35 | |
| Cake piccoli (su 2 ripiani) | 0.6 | 2-4 | 15 | 190 | 20-25 | |
| Salatini di sfoglia al formaggio (su 2 ripiani) | 0.4 | 2-4 | 15 | 210 | 15-20 | |
| Bignè (su 3 ripiani) | 0.7 | 1-3-5 | 15 | 180 | 20-25 | |
| Biscotti (su 3 ripiani) | 0.7 | 1-3-5 | 15 | 180 | 20-25 | |
| Meringhe (su 3 ripiani) | 0.5 | 1-3-5 | 15 | 90 | 180 | |
| 7 Fast cooking | Surgelati | |||||
| Pizza | 0.3 | 2 | - | 250 | 12 | |
| Misto zucchini e gamberi in pastella | 0.4 | 2 | - | 200 | 20 | |
| Torta rustica di spinaci | 0.5 | 2 | - | 220 | 30-35 | |
| Panzerotti | 0.3 | 2 | - | 200 | 25 | |
| Lasagne | 0.5 | 2 | - | 200 | 35 | |
| Panetti dorati | 0.4 | 2 | - | 180 | 25-30 | |
| Bocconcini di pollo | 0.4 | 2 | - | 220 | 15-20 | |
| Precotti | ||||||
| Ali di pollo dorate | 0.4 | 2 | - | 200 | 20-25 | |
| Cibi Freschi | ||||||
| Biscotti (di frolla) | 0.3 | 2 | - | 200 | 15-18 | |
| Plum-cake | 0.6 | 2 | - | 180 | 45 | |
| Salatini di sfoglia al formaggio | 0.2 | 2 | - | 210 | 10-12 | |
| 8 Scongelamento | Tutti i cibi surgelati |
NB: i tempi di cottura sono indicativi e possono essere modificati in base ai propri gusti personali. Nelle cotture al Grill o Gratin, la leccarda va posta sempre al 1^ ripiano a partire dal basso.
Installazione
L'installazione deve essere effettuata secondo le istruzioni del costruttore da personale professionalmente qualificato. Una errata installazione può causare anni a persona, animali o cose, nei confronti dei quali il costruttore non può essere considerato responsable.
Importante: qualsiasi intervento di regolazione, manutenzione etc. delve essere eseguito con ilorno elettricamente disinserito.
Installazione dei fornì da incasso
Per garantire un buon funzionamento dell'apparecchio da incasso è necessario che il mobile sia di caratteristiche adatte. Nella figura sottostante vengono riportate le dimensioni del vano del mobile nell'insertimento sottotavolo ed a colonna.

N.B.: Installazione per dichiarazione consumi

Per garantire una Buona areazione è necessario eliminare la parete posteriore del vano, è preferibile installare ilorno in modo che appoggi su due listelli in legno; nel caso in cui sia presente un piano continu di appoggio questo deve ave un'apertura di almeno 45 × 560 ~mm .


I pannelli dei mobili adiacenti ilorno dovranno essere in materiale resistente al calore. In particolare nel caso di mobili in legno impiallicciato le colle dovranno essere resistenti alla temperatura di 100^ .
In conformità alle norme di sicurezza, una volta incassato l'apparecchio, non debbono essere possibili eventuali contatti con le pareti elettriche.
Tutte le parti che assicurano la protezione debbono essere fissate in modo tale da non poter essereolta alla l'aiuto di quale utensile.
Fissaggio del forno al mobile
- Posizione are le staffe "A" a battuta sull'appoggio del forno "B".
-
Posizione are i tacchetti "C" a battuta nelle staffe "A". In particolare se lo spessore della fiancata del mobile:
-
è di 16 mm: montare il tacchetto in modo che il numero 16 riportato sullo stesso sia rivolto verso di voi;
- è di 18 mm: montare il tacchetto in modo che la parte sulla parte scritte sia rivolta verso di voi;;
- è di 20 mm: non montare il tacchetto.
- Fissare le staffe ed i tacchetti sul bordo biancata mobi-le tramite le viti "D".
- Fissare il forno al mobiletramite le viti e le rondelle in plastica "E".


Collegamento elettrico
I forn di cavo di alimentazione tripolare, sono predisposti per il funzionamento con corrente alternata alla tensione e frequenza di alimentazione indicate sulla targhetta caratteristiche (posta sull'apparecchio) e sul libretto istruzioni. Il conduzione di terra del cavo è contraddistinto dai colori giallo-verde.
Montaggio cavo di alimentazione
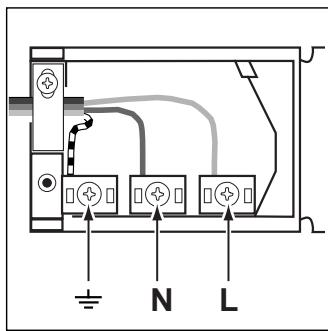
Aperture morsettiera:
- Servendosi di un cacciavite, fare leva sulle linguette laterali del coperchio della morsettiera;
- Tirare ed aprire il coperchio della morsettiera.
Per la messa in opera del cavo eseguire le seguenti operazioni:
- svitare la vite del serracavo e le tre viti dei contatti L-N-1
- fissare i cavetti sotto le teste delle viti rispetto i colori: Blu (N) Marrone (L) Giallo-Verde
- fissare il cavo di alimentazione nell'apposto fermacavo e chiudere il coperchio


Allaccimento del cavo di alimentazione alla rete
Montare sul cavo una spina normalizzata per il carico indicato sulla targhetta caratteristiche, nel caso di collegamento diretto alla rete è necessario interporre tra l'apparecchio e la rete un interrottore omnipolare con aperture minima fra i contatti di 3 mm. dimensionato al carico e rispondente alle norme in vigore (il filo di terra non deve essere interrotto dall'interruttore).
Il cavo di alimentazione deve essere posizionato in modo che non raggiunga in nessun punto una temperatura superiore di 50^ a quella ambiente.
Prima di effettuare l'allcamento accertarsi che:
- La sicurezza elettrica di quello appearecchio è assicurata soltanto quando lo stesso è correttamente collegato ad un efficiente impianto di messa a terra come previsto dalle vigenti norme di sicurezza elettrica. E' necessario verificare quello fondamentale requisito di sicurezza e, in caso di dubbio, richiedere un controllo
accurato dell'impiano da parte di personale professionlmente qualificato. Il costruttore non può essere considerato responsable per eventuali danni causati alla mancanza di messa a terra dell'impiano.
- Prima di collegare l'apparecchio accertarsi che i dati di targa (posti sull'apparecchio e/o sull'imballo) siano rispondenti a quelli della rete di distribuzione elettrica e gas.
- Verificare che la portata elettrica dell'impianto e delle prese di corrente siano adeguate alla potenza massima dell'apparecchio indicata in targa. In caso di dubbio rivolgersi ad una persona professionalmente qualificata.
- In caso di incompatibilità tra la presa e la spina dell'apparecchio fare sostituire la presa con altra di tipo adatto da personale professionlmente qualificato. Quest'ultimo, in particolare, dovr'àanche accertare che la sezione dei cavi della presa sia idonea alla potenza assorbita dall'apparecchio. In generale è sconsigliabile l'uso di adattatori, prese multiple e/o prolonghe. Qu但她 il loro uso si rendesse indispensable è necessario utilizzato solamente adattatori simplici o multipli e prolonghe conformi alle vigenti norme di sicurezza, facendo perché attenzione a non superare il limite di portata in valore di corrente, marcato sull'adattatore semplice e sulle prolonghe, e quello di massima potenza marcato sull'adattatore multiplo. La spina e la presa devono essere facilemente accessibili.
Caratteristiche tecniche
Dimensioni utili del forno:
larghezza cm. 43,5
profondita cm. 40
altezza cm. 32
Volume utile del forno:
litri 56
ENERGY LABEL
Direttiva 2002/40/CE sull'etichetta dei forni elettrici
Norma EN 50304
Consumo energia convenzione Naturale
funzione di riscaldamento: Tradizionale
Consumo energia dichiarazione Classe convenzione Forzata
funzione di riscaldamento: Pasticceria
Tensione e frequenza di alimentazione:
230V ~ 50Hz 2800W


Questa apparecchiatura è conforme alle seguenti Direttive Comunitarie:
73/23/CEE del 19/02/73 (Bassa Tensione) e successivi modificazioni;
89/336/CEE del 03/05/89 (Compatibilità Elettromagnetica) e successive modificazioni;
- 93/68/CEE del 22/07/93 e successive modificazioni.
- 2002/96/CE
La direttiva Europea 2002/96/CE sui rifiuti di apparecchiature elettriche ed elettroniche (RAEE), prevede che gli elettrodomestici non debbano essere smaltiti nel normale flusso dei rifiuti solidi urbani. Gli apparecchi dismessi devono essere raccolti separatamente per ottimizzare il tasso di recupero e riciclaggio dei materiali che li compongono ed impedire potenziali danni per la salute e l'ambiente. Il significolo del cestino barrato è riportato su tutti i prodotti per ricordare gli obblighi di raccolta separata.
Per ulteriori informazioni, sulla corretta dismissione degli elettrodomestici, i detentori potranno rivolgersi al servizio pubblico preposto o ai rivenditori.
Volumenutil delhorno:
litros 56
ManualeFacile