FACR15SABLAM - Aire acondicionado Furrion - Manual de uso y guía de instrucciones gratis
Encuentra gratis el manual del aparato FACR15SABLAM Furrion en formato PDF.
| Especificaciones técnicas | Aire acondicionado Furrion FACR15SABLAM, capacidad de enfriamiento de 15,000 BTU, diseñado para vehículos recreativos. |
|---|---|
| Dimensiones | Dimensiones compactas para una fácil instalación en espacios reducidos. |
| Peso | Peso ligero para facilitar el transporte y la instalación. |
| Tipo de energía | Funciona con corriente alterna (CA), requiere una fuente de alimentación adecuada. |
| Uso | Ideal para enfriar vehículos recreativos, fácil de usar con un panel de control intuitivo. |
| Mantenimiento | Filtros de aire reemplazables, se recomienda limpieza regular para un funcionamiento óptimo. |
| Seguridad | Cumple con las normas de seguridad eléctrica, protección contra sobrecargas. |
| Información general | Garantía limitada, servicio al cliente disponible para asistencia técnica. |
Preguntas frecuentes - FACR15SABLAM Furrion
Descarga las instrucciones para tu Aire acondicionado en formato PDF gratis! Encuentra tus instrucciones FACR15SABLAM - Furrion y toma tu dispositivo electrónico nuevamente en la mano. En esta página están publicados todos los documentos necesarios para el uso de su dispositivo. FACR15SABLAM de la marca Furrion.
MANUAL DE USUARIO FACR15SABLAM Furrion
Gracias por adquirir este producto Furrion. Antes de utilizear el nuevo dispositivo, lea atentamente estas instrucciones. Este manul de instrucciones contiene informacion para el uso, la instalacion y elostenimiento seguros del producto.
Guarde este manual de instrucciones en un lugar seguro parautures consultas. Estogo garantizar a un uso seguro y reducir a el riesgo de lesiones.
Aseguese deentarigre this manua a los newos propietarios de este dispositivo.
El fabricante no se hace responsable de los daños occasionados por no seguir estas instruetiones.
CONTENIDO
EXPLICACION DE LOS SIMBOLOS 26
IMPORTANT INSTRUCCIONES DE SEGURIDAD 26
Manipulación del dispositivo 26
Manipulación de cables electricos 27
ANTES DE LA INSTALLACION 27
Que hay en la caja 27
Elección de laubicación adecuada para el aire acondicionado. 27
Preparación del techo 28
Tamaño y diseño del conductor de distribución de aire. 29
Instalacion del systema de distribuccion de aire 29
Tendido de cables de connexion 29
INSTALACION 30
Instalacion de la unidad para el techo 30
Instalacion de la caja de distribución de aire 30
FUNCTIONAMENTO 33
33
Configuración de la temperatura 33
Instrucciones de descongelamento y anticongelamento 33
LIMPIEZA Y MANTENIMIENTO 34
SOLUTION DE PROBLEMAS 35
ESPECIFICACIONES 35
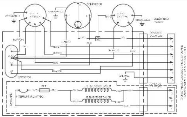
DIAGRAMADE CABLEADO 36
EXPLICACION DE LOS SIMBOLOS
Este manual contiene información e instrucciones de seguridad para ayudarlo a eliminar o reducir el riesgo de accidentes y lesiones. Respete sempre todas las advertencias decurity identificadas con这些 SYMBOLos. Una palabra de advertencia identificará los mensajes de sécurité y de daños materiales eindicará el grado o nivel de gravedad del peligro.
▲ PELIGRO
Indica una situacion de peligro inminente que, si no se evita, provocar la muerte o lesiones graves.
ADVERTENCIA
Indica una situacion de peligro potencial que, si no se evita, podra causar la muerte o lesiones graves.
PRECAUCION
Indica una situacion de peligro potencial que, si no se evita, podria causar lesiones personales o daños materiales menores o moderados.
IMPORTANT INSTRUCCIONES DE SEGURIDAD
Este manual contiene información e instrucciones de seguridad para poderar allos)."lesiones. Lea este manual de instrucciones detenidamente antes de la instalacion y lapellsta en marcha, y guardelo en un lugar seguro para referencia futura. Si le cede el dispositivo a othera persona, entreguele este manual de instrucciones también.
El fabricante no acepta ninguna responsabilidad por daños en los siguientes casos:
- Ensemble o conexión defectuosos
- Daño al producto como consecuencia de influencias mecánicas y voltaje excessivo
- Alteraciones al producto sin permiso expreso del fabricante
- Uso para propósitos differentes de los descritos en el manual de funcionaimiento
Se debe prestar atencion a la asigniente informacion de seguidad basia al使用者dispositivos electricos para proteger contra:
- Descarga electrica
Peligros de incendido
Lesiones
Todoos productos Furrion a los que se hace referencia en este manual deben instalarse de acuerdo con@c Rodrigos locales y naciones, incluidas las ultimas ediciones de los seguides estandares:
EE.UU.:
NFPA1192
—NFPA70
Canada:
C22.1
CSAZ240
Manipulación del dispositivo
ADVERTENCIA
- La instalacion y la reparacion del aire acondicionado para techo solo deben ser realizadas por personal calificado que está familiarizo con los riesgos involucrados y las regulaciones pertinentes. Las reparaciones inapropiadas peuvent causar graves delicos.
- Los dispositivos electricos no son juguetes. Mantenga los dispositivos electricos fuera del alcance de los niños o de los niños mayorres. No les permitita usar dispositivos electricos sin supervisión.
- Evite que las personas in expertas realizen el dispositivo sin supervision.
- No Quite la cubierta superior del aire acondicionado para techo en caso de incendio. En cambio, utilise agentes extintores aprobados. No utilise agua para apagar los incendios.
PRECAUCION
- El aire acondicionado para techo debe instalarse de cuando segunara para que no se caiga.
- Solo opere el aire acondicionado para techo si está seguro de que la carcaja y los cables no estén danados.
- No use el aire acondicionado para techo cercada de liquidos inflamables o en habitaciones cerradas.
- Asegürese de no almacenar o instalar objetos comestibles cerca de la calidad de aire. Se debe mantener una distancia de al menos 20^ (51,8 cm).
-
No toque las salidas de aire ni inserte objetos extraños en el dispositivo.
-
Utilice este dispositorio unicamente para los usos previstos.
No haga ninguna alteracion ni conversion en el disposito. -
Si se producen fallas en el circuito del refrigerante, un technician de service certificate de be verificar el sistema y repararlo de way aaea. Nunca se debe liberar refrigerante en el aire.
Manipulación de cables electricos
ADVERTENCIA
Unicamente un electricista calificado能把 conectar el suministro de energia.
PRECAUCION
- Consulte el Codigio Eléctrico Nacional (NEC) para poder concer el calibre adecuado de los cables (CAE) según la longitud del cable y el valor nominal de protección contra sobrecorriente del cable que brinda alimentación al aire acondicionado.
- Consulte la placá de identificación de la unidad para el techo para poder conocer el時間 adecuado de la protección contra sobrecorriente.
-
Sujete y Tienda los cables de manera tal que no se activen ni se dañen.
-
Unicamente un electricista calificado debe conectar el aire acondicionado para techo a la energia electrica.
- No(beijingcable suelto o doblado junto a materiales con conductivityelectrica.
No tire de los cables. - Use canalization para cables para tenderlos por las paredes con cordes aflilados.
- Consulte la plaza de identificacion de la unidad para el techo y el Cuestion Eléctrico Nacional (National Electrical Code, NEC) para poderear valor deluministrode energia.
ANTESE DE LA INSTALLACION
Lea este manual de instalacion en su totalidad antes de instalar el aire acondicionado para techo.
Se deben Respectar las作為 sugerencias e instrucciones al instalar el aire acondicionado para techo.
Que hay en la caja
Abra la caja y saque los componentes. Asegürese de que todos los siguientes elementos estén incluidos en el embalaje. Si falta algo, comuniquee con su distribuidor.

Unidad para el techo (se vendepor separado):
- Unidad para el techo x1
- Manual de garantía x1

Caja del distribuidor del aire:
- Separador del conducto superior x1
- Separador del conducto inferior x1
Pernos x4
Armazón de montajex 1
Caja de control x1 -
Cubierta de la caja de distribución de aire (air distribution box, ADB) x1
-
Filtrox1
- Espuma de polietileno x1
Perilla de control x 2
Tornillos autoroscantes x 4 - Taparoscada x 2
- Manual de instrucciones x 1
- Manual de garantía x1
Elección de laubicación adecuada para el aire acondicionado
IMPORTANTE: El techo debe estar diseñado para soportar el peso de la unidad para el techo y el de 2 instaladores parados sobre este. Hay dos formas de instalar el aire acondicionado para techo:
- Usar el orificio de ventilacion existente en el techo del vehiculo.
- Hacer un nuevo orificio. En este caso, el orificio debe estar reforzado con un armazon adecuado según sea necesario.
Orificio de ventilacion existente en el techo
El aire acondicionado está diseñado para caber en un orificio de ventilación existente en el techo de 14" (35,56 cm).
Nuevo orificio
Cuando no hay ninguna ventilacion disponible en el techo o se prefere.
otraubicacion,se recomienda hacer lo singular:
- Para la instalacion de una unidad. El aire acondicionado debe montarse levamente hacer adelante conisko al centro (de adelante hacer extras) y centroido delazo alazo.
-Para la instalacion de dos unidades. Instale un aire acondicionado a una distancia de un tercio desde el frente del vehiculo recreativo (recreational vehicle, RV) y el other, a dos tercios desde el frente del RV, alincedo en el centro.
Se prefiere instalar el aire acondicionado en una parte relativamente planta y horizontal del techo, medida cuando el RV está estacionado en una superficie nivelada.
NOTA: Una inclinacion de 15^ para cadaquiera de los lados o de adelante hacia atras es acceptable para todas las unidades. Si la inclinacion del techo supera los 15^ , use una cura niveladora para nivelar el aire acondicionado.
Luego de seleccionar laubicacion:
- Verifique si hay obstrucciones en el area donde se instalara el aire acondicionado.


Mantener estaarea de flujo de aire libre deobstrucciones
- Inspeccione el interior del RV para comprobar si hay obstrucciones en el kit de aire (es decir, orificios en el techo, separadores de espacio, cortinas, sujetadores en el cielo raso, etc.). Deje un espacio de 6^ (152 mm) desde el orificio para dar cuenta deequalierobstruccionenelkitdeairedereturno.


Preparación del techo
Requisitos del orificio. Antes de preparar el orificio del cielo raso, decide el tipo de options delsystema. Lea todas las siguientes instrucciones antes de comenzar la instalacion.
ADVERTENCIA
Peligro de descarga eletrica/incendio
- Asegürese de que no haya obstáculos dentro del techo del RV, el piso y las paredes, como cables y tubos.
- Cierre el suministro de gas y desconecte la alimentacion de 115 V CA desde el RV antes de perforar o cortar el RV. La inobservancia de estas advertencias podra provocar la muerte o lesiones graves.
Grosordeltecho
La instalacion del aire acondicionado requires que el techoonga un grosor de entre 3.5^ (90 mm) y 6^ (152 mm). Para除外os grosores, consulte a Furrion o a un agente de service autorizzato de Furrion.
Instalacion en un orificio existente
- Desenosque y retire la ventilacion del techo.
- Retire todo el compuesto sellador que se encuentra alrededor del orificio.
- Si el orificio excede 1412 (362 mm) x 1412 (362 mm) (+112 [12,7 mm]), se deben ajustar el tamanio de la abertura a 1412 (362 mm) (+112 [12,7 mm]). Si el tamanio del orificio es menor que 1412 (362 mm) x 1412 (362 mm) (+112 [12,7 mm]), es necesario agrandarlo.

Realizacion de un nuevo orificio
Si no se utilizes un orificio de ventilacion en el techo, se debeURTAR un orificio de 14% × 14% (362 mm x 362 mm) (+1 / 2^*[12.7mm]) en el techo y el cielo raso del RV. Este orificio debe estar ubicado entre las piezas de refuerzo del techo.
El orifico de 14 14 x 14 14 (362 mm x 362 mm) (+½ [12,7 mm]) forma parte del sistemas de aire de returno del aire acondicionado y el acabado deber realizarse de acuerdo con el Estandar 501C, Seccion 2.7.2 de la Asociacion Nacional de Proteccion contra el Fuego (National Fire Protection Association, NFPA).
- Marque un cuadrado de 1414'' × 1414'' (362 mm × 362 mm) (+½" [12,7 mm]) en el techo y corte@cuidadosamente un orificio.

- Usando el orificio del techo como guía, corte una abertura coincidente en el cielo raso.
NOTA: Mantenga la integridad estructural. De lo contrario, se suepe dañar el producto o el RV. Respete siempre las siguientes pautas al estructurar el orificio.

No corte la
estructura ni las
vigas del techo

Correcto: vigas sostenidas por vigas transversales

Correcto: urbicacion entre las vinas del techo
- El orificio createo debe tener un armazon para brindar soporte adequado y evaporar que el aire salga de la cavidad del techo.
- Se debe utilizes madera de 3 / 4 (19 mm) o mas de grosor. Recuerdedefer un orificio de ingresso para los suministros de energia,el termostato de parey y el cableado del hora para realizar lasconexiones.Deje un minimo de 15" (381 mm) en el ante del orificio.


Tamaño y Diseño del conductor de distribución de aire
El instalador de este sistemas depearseñar el systema de distribución de aire para su aplicación particular.
NOTA: Asegürese de que la red de conductos NO se doble ni colapse durante la instalación ni antes de esta, y que está correctamente aislada y sellada. De othero modo, se pueda darar la estructura del techo y el cielo raso.
Se debe cumplir con los siguientes requisitos para operar launidad de manera adecuada:
| Profundidad de la cavity del techo | 35" a 6" (89 mm a 152 mm) | |
| Área transversal del conductor | 21 in2 min. | |
| Tamaño del conductor | Profundidad | 1½" min. a 2½" max. (38 mm min. a 63,5 mm max.) |
| Ancho | 7" min. a 10" max. (178 mm min. a 254 mm max.) | |
| Largo total del conductor | 15 ft min. a 40 ft max. (4.5 ma 13 m) | |
| Largo del conductor (longitud corta) | Largo total del conductor 1/3 | |
| Requisitos del registo por unidad de aire acondicionado | Cant. querecía 4 min. a 8 max. | |
| Área del aire libre del registro de suministro | 14 in2 (90 cm2) | |
| Área del aire libre del registro de returno | 40 in2 (258 cm2) | |
| Distancia desde el extremo del conductor | 5" min. a 8" max. (127mm min. a 203mm max.) | |
| Distancia desde el dato 15" | 381 mm) | |
| Presión total del aire estálico delsystema | Soplador a alta velocidad, bajo y rejilla colocados | 0.55 a 1.10 W.C. |
- Aisle y selle correctamente todos los conductos de descarga de aire paraatar la formacion de condensacion en su superficie o en las superficies adyacentes durante la operation de la unidad. ElaislamentodebeserR-7comominimo.


VISTALATERAL (HACIA LAPARTE TRASERA DEL RV)
- Los orificios de aire de returno deben tener un area libre de 80 in2 (516 cm2) como minimum, incluido el filtro.
- Se debe filtrar el aire de returno a la unidad para registrar la acumulación de sociedad en la superficie de enfiambre de la unidad.
Instalación del Sistema de distribución de aire
Es responsabilidad del instalador revisar cada plano del piso del RV para determinar los siguientes elementos, bajo con la sección.
"Tamaño y diseño del conductor de distribución de aire".
NOTA: Se pueda usar configuraciones y métodos alternativos, los cuales permitirán que launidad funciona de wayra adecuada. Sin embargo, estas configuraciones y métodos alternativos DEBEN estar aprobados por escrito por Furrion.
Tamaño del conducto
Diseño del conducto
Tamañodel registro
- Ubicacion del registrar
- Ubicacion del termostato
- Ubicacion del sensor de temperatura interior (si corresponde)

Tendido de cables de connexion
El aire acondicionado para techo debe estar connectado a un circuito eletrico capaz de proportionar el suministro eletricorequiredo (consulte el capitulo "Especficacion").
NOTA: El cable de alimentacion debe estar ubicado en la parte frontal del orificio del techo. El suministro electrico debeatar con un fusible de retardo de tiempo o un disyuntor.Consulte la placac de identificacion de la unidad para el techo para poder ocer el valor.
▲PELIGRO
Peligro de descarga electrica
- Desconecte la corriente electrica antes de realizar el mantenimiento. La inobservancia de esta advertencia podra provocar la muerte o lesiones graves.
- Conecte a tierra de acuerdo con todos loscottigos electricos correspondientes. La inobservancia de esta advertencia podra provocar la muerte o lesiones graves.
Consulte las pautas del #: el#: corpondentes para!. conocer el tameno del calibre, el largo y el tipo de cable adecuados.
- Pase un cable de alimentacion de 115 V CA con alambre a tierra desde el fusible de tiempo de retardo o la caja de disyuntoreshcasta el orificio del techo.
NOTA: Consulte la plac de identificacion de la unidad para el techo y el numero correspondiente para realizar una instalacion adecuada.
- Utilice un método aprobado para proteger el cabledonde este.pasa a través del orificio.
- Pase el cable de 115 V CA a工程技术 del orificio hacia el interior del vehiculo. Asegürese de que un cable de suministro de al menos 15^ (381 mm) se extienda bajo el orificio del techo. Estado garantiza una conexión sencilla en la caja de control.
Instalación de la unidad para el techo
PRECAUCION
- Launidad para el techo pesa aproximadamente 100 libras (45 kg). Para evaporar lesiones en la espalda, use un ganche mecánico al elevar o mover launities. La inobservancia de esta advertencia podra provocar lesiones.
- No deslice la unidad. Esto可以选择 darar la junta en la parte inferior de la unidad para el techo y provocar fugas.
No agarre las ranuras de ventilacion para levantar la unidad para el techo.
Sostenga la parte inferior de la unidad, eleve y ubique la unidad para el techo en el orificio preparado usinga la juntaubicada en la parte inferior de la unidad para el techo como guia.

Esto completa la instalacion externa de la unidad para el techo. SeSEOSEOSEOSEOSEOSEOSEOSEOSEOSEOSEOSEOSEOSEOSEOSEOSEOSEOSEOSEOSEOSEOSEOSEOSEOSEOSEOSEOSEOSEOSEOSEOSEOSEOSEOSEOSEOSEOSEOSEOSEOSEOSEOSEOSEOSEOSEOSEOSEOSEOSEOSEOSEOSEOSEOSEOSEOSEOSEOSEOSEOSEOSEOSEOSEOSEOSEOSEOSEOSEOSEOSEOSEOSEOSEOSEOSEOSEOSEOSEOSEOSEOSEOSEOSEOSEOSEOSEOSEOSEOSEOSEOSEOSEOSEOSEOSEOSEOSEOSEO SEOEEOEEOEEOEEOEEOEEOEEOEEOEEOEEOEEOEEOEEOEEOEEOEEOEEOEEOEEOEEOEEOEEOEEOEEOEEOEEOEEOEEOEEOEEOEEOEEOEEOEEOEEOEEOEEOEEOEEOEEOEEOEEOEEOEEOEEOEEOEEOEEOEEOEEOEOO
Instalación de la caja de distribución de aire
NOTA: La instalación de la caja de distribución de aire es igual para las estrcturas con conductos y sin conductos.
La unidad para el techo se fija en el RV usingo 4 permos largos a trovés del armazon de montaje desde el interior del cielo raso del RV.
- Verifique la alineación de la junta de la unidad para el techo dentro del RV sobre el orificio del techo y ajuste según seanecessary levantarando la unidad y moviendola lentamente.

- Llegue hasta el orificio del aire de returno y tire del cable electrico de la unidad para el techo. Tire hacía abajo del cable de alimentacion de 115 VCA desde el area de corte para realizar una connexion futura.

- Retire la caja de control del armazón de montaje desenroscando los dos tornillos en los soportes de la caja de control.

- Instale el armazón de montaje ensamblado y el separator del conductor inferior dentro del orificio del techo. Asegúrese de que lamarca que indica "THIS WAY FRONT" (ESTE LADO HACIA ADELANTE) está orientada hacía adelante (la direction del vehiculo) durante la instalación.

- Fije el armazon de montaje ensamblado y el separator del conductor inferior en el techo usingo los 4 pernos proportionados. Ajuste de forma uniforme los quatre pernos con un par de torsión de 40 a 50 pulgadas/libra. Este comprimirá la junta del techo a aproximadamente 12 (12,7 mm).
NOTA: Silos pernos queran flojos, es possible que el techo no quede bien sellado, o bien, si queran demasiado ajustados, se pueda darar la base del techo o el armazon de montaje.

- Tire de la pellicula de la cinta con pegamento de doble cara que se enquirytra en elgado superior interno del separator del conducto inferior para retirarla.

- Pegue el separator del conductor inferior al armazón de montaje. NOTEA: Asegúrese de que el separator del conductor superior ejerza presión contra el cielo raso antes de pegarlo.

- Retire el papel antiadhesivo de la espuma de polietileno, superponga elazo con pegamento sobre todos los espacios y comprima para sellar y aislar toda la seccion.

- Retire la tapa del compartmento de los cables using an destornillador Phillips.

▲ PELIGRO
Peligro de descarga electrica
- Desconecte la corrente electrica antes de realizar el mantenimiento. La inobservancia de esta advertencia pourrait provocar la muerte o lesiones graves.
-
Conecte a tierra de acuerdo con todos loscottigos electricos correspondientes. La inobservancia de esta advertencia podra provocar la muerte o lesiones graves.
-
Afloje el sujétador de cables en la parte superior de la caja de control y pase el cable de alimentación de 115 V CA a工程技术 del sujétador de cables. Realice la conexión del suministro de energia de 115 V CA a la caja de control y asegúrese de que los cables estén correctamente aislados usingo tapas enroscables.
NOTA: Respete sempre el número de color cuando conecta los cables.
Negro:activo
Blanco:neutro
Amarillo/verde: tierra

- Ajuste el sujétador de cables hasta que el cable quede bien enganchado.
- Coloque todos los cables bajo el compartmento para cables y pliegue hacer arriba los excesos de cable. Ajuste la tapa con tornillos.

- Connecte los alambre del cable de la unidad para el techo a la caja de control. El cable de alimentacion de 115 V CA se conecta a la fuente de alimentacion de 115 V CA.

- Instale la cubierta de la caja de distribución de aire (Air Distribution Box, ADB) sobre el armazón de montaje y fijela con 4 tornillos autoroscantes.
NOTA: Asegürese de que lamarca que indica "THIS WAY FRONT" (ESTE LADO HACIA ADELANTE) está orientada hacer adelante (la direction del vehiculo) durante la instalacion.

- Alinee las lenguetas del filtro con las ranuras de acoplimiento y empujte para encajar los filtres dentro de la cubierta de la ADB.

- Instale las dos perillas de control a工程技术 en la placadoecoracion y empujelas para fiarlas en su lugar.

- Instale las tapas roscadas para cubrir los orificios de los tornillos.

Ahora su nuevo aire acondicionado para techo está Completely instalado en el techo del RV.
FUNCTIONAMENTO
Su nuevo aire acondicionado para techo está diseñado con 2 perillas de control, lo que le permitted configurar el punto de ajuste de temperatura y cambiar el modo de funciona bajo acondicionado.
Cambio del modo de funcionaiento
Gire la perilla de control de modo de funciona para selectionar el modo de funciona bajo. Hay 3发展模式 de trabajo disponible para seleccionar:

MODO VENTILADOR
Gire la perilla de control de modo de funciona a la posicion FAN (VENTILADOR).
MODO ENFRIAMIENTO
Gire la perilla de control de modo de funciona bajo la posicion COOL (ENFRIAMENTO).
MODO APAGADO
Gire la perilla de control de modo de funciona bajo la posicion OFF (APAGADO).
Configuración de la temperatura
Configure la temperatura a un niveau con el que se senta como girando la perilla de control de temperatura. El ventilador funciona para cuando continua para hacer que el aire circule ymantener una temperatura uniforme.
NOTA: El modo de configuración de temperatura solo está disponible cuando se selección el modo de enfiambre.

- Gire la perilla de control de modo de funciona a la posicion Cool (Enfriamento).
- Gire la perilla de control de temperatura hasta el nivel deseado.
Instrucciones de descogelamento y anticongelamento
La escarcha o incluso el hielo formado en parte de la bobina del evaporador o en la totalidad de esta no son inusuales bajo ciertas conditiones o en una combinacion de conditiones:
1. El aire acondicionado funciona con un ajuste de temperatura muy bajo.
- El aire acondicionado funciona a una velocidad muy bajo del ventilador.
- Laitters de aire del aire acondicionado está obstruindo; por exemple, el obturador de laitters de aire frío o las ventilaciones de los conductos están cerrados, o bien, los filtros están obstruidos.
- La temperatura ambiente es relativamente bajo, p. ej. ≤78°F (25,5°C).
Si se genera escarcha o hielo, siga las instrucciones que constan a continuacion para limpiarlos.
¿como limpiar la escarcha o el hielo?

Gire la perilla de control de modo de funciona bajo el mode "HIGH FAN" (Alta velocidad del ventilador) (como se muestra a continuacion) y mantenga el aire acondicionado funcionando durante media hora.
Luego, la escarcha y el hielo se derretirán y se desprenderán de la bobina del evaporador, y el aire acondicionado continuará funciona.
ADVERTENCIA: Durante el proceso de descongelamente y anticongelamente, la escarcha y el hielo se derretirán, y el agua podía goear desde el kit de ajuste hasta el piso o los muebles.
Asegürese de haber preparado protecciones para el piso o los muebles por adelantado, o bien, puede usar un balde para+juntar agua.
¿Cómo operar el aire acondicionado bajo del congelamento?

Gire la perilla de control de modo de funciona al modo "HIGH FAN" (Alta velocidad del ventilador) (como se muestra a continuacion) y mantenga el aire acondicionado funcionando durante media hora. Luego, la escarcha y el hielo se derretirán y se desprenderan de la bobina del evaporador, y el aire acondicionado continuara bajo funcionado.
ADVERTENCIA: Durante el proceso de anticongelamento, la escarcha y el hielo se derretirán, y el agua podra goear desde el kit de ajuste hasta el piso o los muebles. Asegürese de haber preparado protecciones para el piso o los muebles por adelantado, o bien,可以更好 usar un balde para+juntar agua.
¿Cómoeatingar la formación de escarcha o hieloen el aire acondicionado?

- Para evaporar el congelamento, no gire la perilla de control de temperatura a la posicion "MAX COOL" (Enfiambre maximo) (como se muestra arrivaba) por la noche.
- Cuando la perilla de control de modo de funcionaiento está en la posicion del mode "COOL" (Enfriamento), siempre mantenga al menos 2 ventilaciones del conducto abiertas paraatar el congelamento.
ADVERTENCIA: El aire acondicionado puede congelarse cuando la temperatura ambiente es relativamente bajo, p. ej., ≤78°F (25,5°C).
LIMPIEZAYMANTENIMIENTO
Un filtrlo bloqueado afectaré el rendimiento del enfiernimiento y la calefacción de la unidad de manera significativa.
Se debe limpiar el filtro de manière peródica para garantizar que no se tape con sociedad y除外 partículas. El estado del filtro se pueda verficar a partir de su aspecto. Si parece estar sueio u obstruido, es necessario limpiarlo.
ADVERTENCIA
Las partículas transportadas por el aire peuvent representar un riesgo para la salute, en especial para los niños≦pequeiros y los niños≧mayores. Limpie los filtros en un area segura y bien ventilada.
Para limpiar el filtro
Se debe limpiar el filtro cada cinco días o más cuando está en uso. El uso prolongado, las concentraciones más elevadas de partículas transportadas por el aire y various factores pueda hacer que seanecessaryrealizar una limpieza más freciente.
- Retire los filtros empujando las lengüetas para liberarlos. (Fig. 18)

- El filtro se pueda lavar con agua tibia jabonosa. Se debe tener cuidado de no rasgar la受害者.
- Reemplace los filtros, la plac de decoracion y las perillas de control invirtiendo el proceso anterior.
NOTA: Se debe dejar secar el bajo por completeo antes de volver a instalarlo.
Para reemplazar el filtro
LosCambiosdefittrodebenrealizarseguneluso.Serecomienda cambariarolmenoscadad12meses.Nunca opere elsystemadeaire acondicionado sinunfiltro,yaquestoypeedisminuirelrendimiento yla calidadel aire enelinterior.
Los filtros de aire de returno de reemplazo se;puden pedir directamente a Furrion.
SOLUTION DE PROBLEMAS
| Problema Causa | Solutión | |
| El aire acondicionado para techo se enciende solo | El sensor de congelación se haactivado. | La temperatura exterior es demasiado bajo o todas las boquillas de aire está cerradas. |
| No enfié bien | El aire acondicionado para techo no está configurado en frió. | Configure el aire acondicionado para techo en frió. |
| La temperatura configurada esdemasiado alta. | Selección una temperatura más baja. | |
| El ventilador del evaporador estádañado. | Comuniquese con un agente de service autorizzato o con Furrion (consulte la información de contacto detallada enel reverso de estemanual). | |
| El ventilador del condensador estádañado. | Comuniquese con un agente de service autorizzato o con Furrion (consulte la información de contacto detallada enel reverso de estemanual). | |
| Las revillas de toma de aire estanbloqueadas u obstruidas. | Retire todas las hojas y cualquier othera sociedad de las revillas de ventilación del aire acondicionado para techo. | |
| El soplador es defectuoso. | Comuniquese con un agente de service autorizzato o con Furrion (consulte la información de contacto detallada enel reverso de estemanual). | |
| Ingresa agua alvehiculo | Los orificos de drenaje de agua decondensación están obstruidos. | Limple el agua de condensación de los orificios de drenaje. |
| Los sellos están dañados. | Comuniquese con un agente de service autorizzato o con Furrion (consulte la información de contacto detallada enel reverso de estemanual). | |
| El aire acondicionadopara techo noencienda. | No hay voltaje de alimentaciónconectado. | Verifique el suministro de energia. |
| El voltaje es demasiado bajo. | Comuniquese con un agente de service autorizzato o con Furrion (consulte la información de contacto detallada enel reverso de estemanual). | |
| El fusible se quermó o el protectordel circuito se activó. | Verifique el fusible electrico del suministro de energia. |
ESPECIFICACIONES
| FACR13HESA-**FACR13HESA-**-AM | FACR14SA-**FACR14SA-**-AM | FACR15SA-**FACR15SA-**-AM | FACR15HESA-**FACR15HESA-**-AM | |
| Capacidad de enfiambre (Btu/h) 13500 14500 15500 | 15000 | |||
| Deshumidificacion 1.8 2.7 3.2 3.0 | ||||
| Largo del vehiculo correspondiente (pies) 23 26 31 31 | ||||
| Refrigerante R410A R410A R410A | R410A | |||
| Carga (Oz) | 13.9 | 19.8 | 23.1 | 20.8 |
| Dimensiones de launidad para techo (L x An x Al)(pulgadas) | 34% (88,58 cm) x 27% (70,16 cm) x 13% (34,60 cm) | 34% (88,58 cm) x 27% (70,16 cm) x 13% (34,60 cm) | 34% (88,58 cm) x 27% (70,16 cm) x 13% (34,60 cm) | 34% (88,58 cm) x 27% (70,15 cm) x 13% (34,60 cm) |
| ELÉCTRICOS | ||||
| Voltajes/Frecuencia | 115 V-/60 Hz/1 Ph | 115 V-/60 Hz/1 Ph | 115 V-/60 Hz/1 Ph | 115 V-/60 Hz/1 Ph |
| Vatiaje de potencia (Enfiambre) | 1283 | 1620 | 1720 | 1760 |
| Amperios (Enfiambre) | 11.3 | 14.6 | 15.4 | 15.6 |
| Calibre min. del cable de alimentación (mm²) | AWG12 | AWG12 | AWG12 | AWG12 |
| ** Color del producto | ||||
▲PELIGRO
Peligro de descarga electrica
- Desconnecte la corrente eléctrica antes de realizar el mantenimiento. La inobservancia de esta advertencia pourrait provocar la muerte o lesiones graves.
- Conecte a tierra de acuerdo con todos los@cigos elcricos correspondentes. La inobservancia de esta advertencia podra provocar la muerte o lesiones graves.




ManualFácil