FACR15SABLAM - Climatisation Furrion - Notice d'utilisation et mode d'emploi gratuit
Retrouvez gratuitement la notice de l'appareil FACR15SABLAM Furrion au format PDF.
| Caractéristiques techniques | Climatiseur Furrion FACR15SABLAM, capacité de refroidissement de 15 000 BTU, conçu pour les véhicules récréatifs. |
|---|---|
| Dimensions | Dimensions compactes pour une installation facile dans les espaces restreints. |
| Poids | Poids léger pour faciliter le transport et l'installation. |
| Type d'énergie | Fonctionne sur courant alternatif (CA), nécessite une source d'alimentation adéquate. |
| Utilisation | Idéal pour le refroidissement des véhicules récréatifs, facile à utiliser avec un panneau de contrôle intuitif. |
| Maintenance | Filtres à air remplaçables, nettoyage régulier recommandé pour un fonctionnement optimal. |
| Sécurité | Conforme aux normes de sécurité électrique, protection contre les surcharges. |
| Informations générales | Garantie limitée, service client disponible pour assistance technique. |
FOIRE AUX QUESTIONS - FACR15SABLAM Furrion
Questions des utilisateurs sur FACR15SABLAM Furrion
0 question sur cet appareil. Repondez a celles que vous connaissez ou posez la votre.
Poser une nouvelle question sur cet appareil
Téléchargez la notice de votre Climatisation au format PDF gratuitement ! Retrouvez votre notice FACR15SABLAM - Furrion et reprennez votre appareil électronique en main. Sur cette page sont publiés tous les documents nécessaires à l'utilisation de votre appareil FACR15SABLAM de la marque Furrion.
MODE D'EMPLOI FACR15SABLAM Furrion
- L'image représentée ici n'est qu'une référence.
| Furrion Model No. Lippert No. | |
| FACR13HESA-PS 2021132276 | |
| FACR13HESA-BL 2021130013 | |
| FACR13HESA-PS-AM 2021132277 | |
| FACR13HESA-BL-AM 2021132275 | |
| FACR14SA-PS 2021123613 | |
| FACR14SA-BL 2021123563 | |
| FACR14SA-PS-AM 2021123705 | |
| FACR14SA-BL-AM 2021123707 | |
| FACR15SA-PS 2021123799 |
| Furrion Model No. Lippert No. | |
| FACR15SA-BL 2021123630 | |
| FACR15SA-PS-AM 2021123793 | |
| FACR15SA-BL-AM 2021123708 | |
| FACR15HESA-PS 2021130009 | |
| FACR15HESA-BL 2021130010 | |
| FACR15HESA-PS-AM 2021130011 | |
| FACR15HESA-BL-AM 2021130008 | |
| FACT11CA-PS 2021123784 | |
| FACT11CA-PS-OEM 2022007394 |
Nous vous remercions d'avoir acheté ce produit Furion. Avant d'utiliser votre nouveau appareil, veillez à lire attentivement ces instructions. Ce manuel d'instructions contient des informations pour une utilisation, une installation et un entretien sûrs de l'appareil.
Veuillez conserver ce manuel d'instructions dans un endroit sûr afin de pouvoir vous référer ultérieurement. Cela permettra de garantir une utilisation sûre et de réduire les risques de blessures. Veillez à transmettre ce manuel aux nouveaux propriétaires de l'appareil.
Le fabricant n'accepte aucune responsabilité pour tout dommage du au non-respect de ces instructions.
EXPLICATION DES SYMBOLES 14
INSTRUCTIONS DE SÉCURITÉ IMPORTANTES 14
Manipulation de l'appareil 14
Manipulation des câbles électriques 15
AVANT L'INSTALLATION 15
Contenu de la boîte. 15
Choisir un emplacement approprié pour le climatiseur 15
Préparation de la toiture 16
Dimensionnement et conception des gaines de distribution d'air 17
Installation du système de distribution d'air 17
Pose des câbles de connexion 17
INSTALLATION 18
Installation de l'unité de toit 18
Installation de la boîte de distribution d'air. 18
FONCTIONNEMENT 21
Modifier le mode de fonctionnement 21
Régler la température 21
Instructions de décongélation et d'anti-congélation 21
NETTOYAGE ET ENTRETIEN 22
DEPANNAGE 23
Spécifications 23
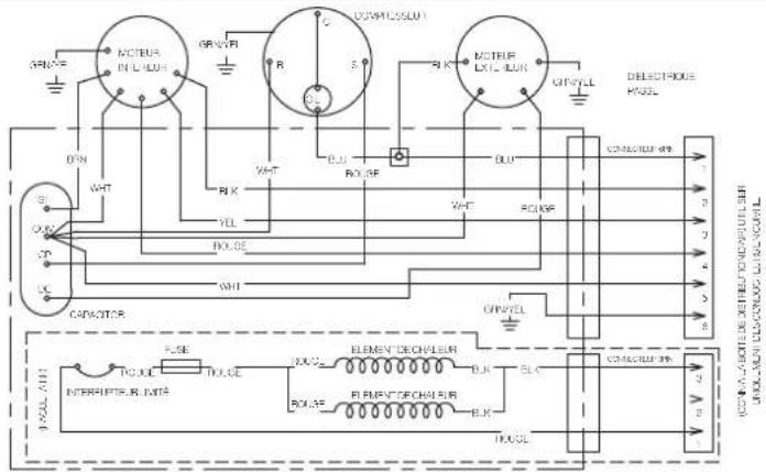
SCHEMA DE CABLAGE 24
Explication des symbols
Ce manuel contient des informations et des instructions de sécurité pour vous aider à éliminer ou à réduire les risques d'accidents et de blessures. Respectez toujours tous les avertissements de sécurité identifiés par ces symboles. Un mot de signalisation identifiera les messages de sécurité et les messages relatifs aux dommages matériels, et indiquera le degré ou le niveau de gravité du danger.
DANGER
Indique une situation dangereuse imminente qui, si elle n'est pas évitée, entraînera la mort ou des blessures graves.
Avertissement
Indique une situation potentiellement dangereuse qui, si elle n'est pas évitée, peut entraîner la mort ou des blessures graves.
Mise en GARDE
Indique une situation potentiellement dangereuse qui, si elle n'est pas évitée, peut entraîner des blessures mineures ou modérées, ou des dommages matériels.
Instructions de sécurité importantes
Ce manuel contient des informations et des instructions de sécurité pour aider les utilisateurs à éliminer ou à réduire les risques d'accidents et de blessures. Veuillez lire attentivement ce manuel d'instructions avant l'installation et la mise en service, et conservez-le dans un endroit sûr pour toute référence ultérieure. Si vous transmettez l'appareil à une autre personne, remettez-lui ce manuel d'instructions en même temps. Le fabricant n'accepte aucune responsabilité pour les dommages dans les cas suivants:
Montage ou connexion défectueux Dommages au produit resulting d'influences mécaniques et d'une tension excessive - Modifications du produit sans l'autorisation expresse du fabricant - Utilisation à des fins autres que celles décrites dans le manuel d'utilisation.
Les informations de sécurité de base suivantes doivent être prises en compte lors de l'utilisation d'appareils électriques pour se protéger :
- Décharge électrique. Risque d'incendie. Blessure.
Tous les produits Furrion référencés dans ce manuel doivent être installés conformément aux codes locaux et nationaux, y compris les dernières éditions des normes suivantes:
NFPA1192
—NFPA70
C22.1 CSAZ240
Avertissement
- L'installation et la réparation du climatiseur de tout ne doit être effectuée que par un personnel qualifié connaissant les risques encourus et les réglementations en vigueur. Des réparations inadéquates peuvent entraîner de graves dangers.
- Les appareils électriques ne sont pas des jouets. Gardez les appareils électriques hors de portée des enfants ou des personnes âgées. Ne les laissez pas utiliser des appareils électriques sans surveillance.
- Empêchez les personnes inexpérimentées d'utiliser l'appareil sans surveillance.
- Ne défaites pas le couvercle supérieur du climatiseur de toit en cas d'incendie. Utilisez plutôt des agents extincteurs approuvés. N'utilisez pas de l'eau pour éteindre le feu.
Mise en GARDE
Le climatiseur de toit doit être installé de manière sûre afin qu'il ne puisse pas tomber. - Ne faites fonctionner le climatiseur de toit que si vous êtes certain que le boîtier et les câbles ne sont pas endommagés. - N'utilisez pas le climatiseur de toit à proximité de fluides inflammables ou dans des pièces fermées. Assurez-vous qu'aucun objet combustible n'est stocké ou installé à proximité de la sortie d'air. Une distance d'au moins 20 po doit être respectée. - Ne passez pas la main dans les sorties d'air et n'insérez pas de corps étrangers dans l'appareil.
Utilisez l'appareil uniquement comme prévu. - N'effectuez aucune modification ou transformation de l'appareil. - En cas de défaillance du circuit frigorifique, le système doit être contrôlé par un technicien certifié et réparé correctement. Le réfrigérant ne doit jamais être libéré dans l'air.
Avertissement
L'alimentation électrique ne doit être raccordée que par un électricien qualifié.
Mise en GARDE
- Reportez-vous au NEC (National Electric Code) pour connaître le calibre approprié des fils (AWG) en fonction de la longueur du câble et de la protection contre les surintensités qui alimentent le climatiseur.
- Voir la plaque signalétique de l'unité de toit pour le dimensionnement correct de la protection contre les surintensités. Fixez et posez les câbles de manière à ce qu'ils ne puissent pas trébucher ou être endommagés.
Avant l'installation
Lisez entièrement ce manuel d'installation avant d'installer le climatiseur de toit.
Les conseils et instructions suivants doivent être respectés lors de l'installation du climatiseur de toit.
Contenu de la boîte
Ouvrez et retirez les composants du carton. Assurez-vous que tous les éléments suivants sont inclus dans l'emballage. Si un élément est manquant, contactez votre revendeur.
Unité sur le toit (vendu séparément) :
Unité de toit x1 - Manuel de garantie x1
Boîte de distribution d'air:
- Séparateur de conduit supérieur x1
- Séparateur de conduit inférieur x 1 Boulon x 4 Cadre de montage x 1 Boîte de contrôle x 1
- Enveloppe du boiler de distribution d'air (ADB) x 1
- Seul un électricien qualifié doit connecter le climatiseur de tout à l'alimentation électrique.
- Ne posez pas de câbles lâches ou pliés à côté de matériaux conducteurs d'électricité.
- Ne tirez pas sur les câbles.
- Utilisez des goulottes pour faire passer les câbles dans des murs aux arêtes vives.
- Reportez-vous à la plaque signalétique de l'unité de toit et au NEC pour connaître la puissance d'alimentation appropriée.
Filtre x 1 Mousse PE x 1 Bouton de contrôle x 2 Vis autotaraudeuses x 4 Adaptateurs de vis x 2 - Manuel de l'instruction x 1 - Manuel de garantie x 1
Choisir un emplacement approprié pour le climatiseur
IMPORTANT: Le toit doit être conçu pour supporter le poids de l'unité de toit et le poids de 2 installateurs ABOUT sur le toit. Il existe deux façons d'installer le climatiseur de toit :
- En utilisant l'ouverture de ventilation existante dans le toit du véhicule.
- Faire une nouvelle ouverture. Dans ce cas, l'ouverture doit être renforcée par un cadre approprié, selon les besoins.
Ouverture de l'évent de toit existant
Le climatiseur est conçu pour s'adapter à une ouverture de ventilation de toit existante de 14 pouces.
Nouvelle ouverture
Lorsqu'aucun évent de toit n'est disponible ou qu'un autre emplacement est souhaité, il est recommandé de procéder comme suit:
Pour l'installation d'une seule unité, le climatiseur doit être monté légèrement en avant du centre (de l'avant à l'arrière) et centré d'un côté à l'autre. Pour les installations à deux unités, installez un climatiseur à un tiers de l'avant du VR et l'autre climatiseur à deux tiers de l'avant du VR, alignés au centre.
Il est préférible que le climatiseur soit installé sur une section de toit relativement plat et horizontale, mesuré lorsque le véhicule récréatif est garé sur une surface plane.
REMARQUE: Une inclinaison de chaque côté ou de l'avant vers l'arrière est acceptable pour toutes les unités. Si le toit dépasse, veuillez utiliser une cale de mise à niveau extérieure pour mettre le climatiseur à niveau.
Après avoir sélectionné l'emplacement:
- Vérifiez l'absence d'obstructions dans la zone où le climatiseur sera installé.

Maintenez cette zone de flux d'air libre de toute obstruction
- Vérifiez l'intérieur du VR pour voir si le kit de return d'air n'est pas obstrué. (Prévoyez un espace de 152 mm (6 po) à partir de l'ouverture pour tenir compte de toute obstruction potentielle du kit de return d'air.)


Préparation de la toiture
Exigences relatives à l'ouverture - avant de préparer l'ouverture du plafond, décidez du type d'options du système. Lisez toutes les instructions suivantes avant de commencer l'installation.
Risque de feu/décharge électrique
Assurez-vous qu'il n'y a pas d'obstacles à l'intérieur du toit, du plancher et des murs du VR, comme des fils et des tuyaux. - Fermez l'alimentation en gaz et débranchez le courant de 115 VCA du véhicule récréatif avant de percer ou de couper dans le véhicule. Ignorer ces avertissements pourrait entraîner des blessures corporelles graves, voir la mort.
Épaisseur de la toiture
L'installation du climatiseur convient aux toits d'une épaisseur de 90 mm à 152 mm (3,5 po à 6 po). Pour toute autre épaisseur, veuillez contacter Furrion ou un agent de service agréé Furrion.
Installation dans une ouverture existante
- Devissez et retirez l'évent de toit.
- Retirez tout le mastic de calfeutrage autour de l'ouverture.
- Si l'ouverture dépasse 14% po x 14% po (+1%) po, il sera nécessaire de redimensionner l'ouverture à 14% po x 14% po (+1%) po. Si l'ouverture est inférieure à 14% po x 14% po (+1%) po, elle doit être agrandie.

Faire une nouvelle ouverture
Si une ouverture de ventilation de toit n'est pas utilisée, une ouverture de 1412 po × 1412 po (+1 / 2 po (362mm × 362mm) doit être découpée à travers le toit et le plafond du VR. Cette ouverture doit être située entre les éléments de renforcement du toit.
L'ouverture de 1414 po x 1414 po (+112 po) fait partie du système de retard d'air du climatiseur et doit être finie conformément à la norme NFPA 501C, section 2.7.2.
- Marquez un carré de 1414 po x 1414 po (+112 po) sur le toit et découppez soigneusement une ouverture.

- En utilisant l'ouverture du toit comme guide, découpez un trou correspondant dans le plafond.
REMARQUE: Maintenir l'intégrité structurale. Sinon, vous risquez d'endommager le produit et/ou le véhicule récréatif. Respectez toujours les directives suivantes lors de la structuration de l'ouverture.
Ne pas couper la structure du toit ou les chevrons
Bon : chevrons soutenus par des poutres transversales
Bien : emplacement entre les chevrons du toit
- L'ouverture créée doit être encadrée pour fournir un support adéquat et empêcher l'air d'être aspiré de la cavité du toit.
- Il faut utiliser du bois de 3/4 po ou plus d'épaisseur. N'oubliez pas de prévoir un trou d'entrée pour les alimentations électriques, le thermostat mural et le câblage du four pour les connexions. Laissez un minimum de 15 po (381 mm) à l'avant de l'ouverture.


Dimensionnement et conception des gaines de distribution d'air
L'installateur de ce système doit reconnaitre le système de distribution d'air pour son application particulière.
REMARQUE: Assurez-vous que les conduits ne se plieront pas ou ne s'effondreront pas pendant et après l'installation, et qu'ils sont correctement isolés et scellés. Sinon, la structure du toit et le plafond risquent d'être endommagés. Les conditions suivantes doivent être remplies pour que l'appareil fonctionne correctement:
| Profondeur de la cavié du toit | 3.5 à -6 po (89 mm à 152 mm) | |
| Section transversale du conduit | 21 pouces carrés Min. | |
| Taille du conduit | Profondeur | 1% po Min. - 2% po Max. (38 mm Min. - 63.5 mm Max.) |
| Largeur | 7 po Min. - 10 po Max. (178 mm Min. à 254 mm Max.) | |
| Longueur totale du conduit | 15 pl Min. - 40 pieds. Max. (4.5 m à 13 m) | |
| Longueur de la gaine (courte) 1/3 de la longueur totale du conduit | ||
| Exigencce de registre par unità A/C | Nombre requis 4 Min. à 8 Max. | |
| Registre d'alimentation Zone d'air libre | 14 pouces carrés (90 cm carrés) | |
| Registre de retour Zone d'air libre | 40 pouces carrés (258 cm carrés) | |
| Distance de l'extrémité du conduit | 5 po Min. - 8 po Max. (127 mm Min. à 203 mm Max.) | |
| Distance du coude 15 po (381 mm) | ||
| Pression d'air statique totale du système | Ventilateur à haute vitesse, filtre et grille en place | 0.55 à 110 po W.C. |
- Isolez et étancheifiez correctement tous les conduits d'air de refoulement afin d’empêcher la formation de condensation sur leurs surfaces ou sur les surfaces adjacentes pendant le fonctionnement de l'unité. Cette isolation doit être de R-7 minimum.
VUE DE DESSUS (ARRIÈRE DE L'AUTO-CARAVANE)
VUE LATERALE (VERSL L'ARRIERE DE L'AUTO-CARAVANE)
- Les ouvertures de retour d'air doivent avoir une surface libre minimale de 80 pouces carrés (516 centimètres carrés), y compris le filtre. L'air de retour vers l'unité doit être filtré pour éviter l'accumulation des saletés sur la surface de refroidissement de l'unité.
Installation du système de distribution d'air
Il incombe à l'instantiateur d'examiner le plan d'étage de chaque VR pour déterminer les éléments suivants en conjonction avec la section « Dimensionnement et conception des conduits de distribution d'air »
REMARQUE: D'autres configurations et méthodes peuvent être utilisées pour permettre à l'appareil de fonctionner correctement, cependant, ces autres configurations et méthodes DOIVENT être approuvées par Furrion par écrit.
- Taille du conduit Disposition des conduits
- Taille du registre
- Emplacement du registre
- Emplacement du thermostat
- Emplacement du capteur de température intérieure (le cas échéant)

Pose des câbles de connexion
Le climatiseur de toit doit être raccordé à un circuit électrique capable de fournir l'alimentation requise (voir chapitre « Spécifications »). REMARQUE: Le fil d'alimentation doit être situé dans la partie avant de l'ouverture du toit. L'alimentation doit être équipée d'un fusible à retardement ou d'un disjoncteur. Voir la plaque signalétique de l'unité de toit pour connaître la valeur nominale.
Risque de décharge électrique
- Débranche l'alimentation avant de procéder à l'entretien. Ignorer cet avertissement pourrait entraîner des blessures corporelles graves, voir la mort.
- Fournir une mise à la terre en conformité avec tous les codes électriques applicables. Ignorer cet avertissement pourrait entraîner des blessures corporelles graves, voir la mort.
Reportez-vous aux directives du code électrique en vigueur pour déterminer le calibre, la longueur et le type de fil appropriés.
- Acheminez un fil d'alimentation de 115 VCA avec fil de terre depuis le boîtier de fusibles ou de disjoncteurs de la minuterie jusqu'à l'ouverture du toit. REMARQUE: Consultez la plaque signalétique de l'unité de toit et le code applicable pour une installation correcte.
- Utilisez une méthode approuvée pour protéger le fil à l'endroit où il passe dans l'ouverture.
- Faites passer le câble 115VCA par l'ouverture dans l'habitacle du véhicule. Assurez-vous qu'au moins 15 po (381 mm) de fil d'alimentation dépassent de l'ouverture du toit. Cela garantit une connexion facile au niveau du boîtier de commande.
Mise en GARDE
- L'unité de toit pèse environ 45 kg (100 livres). Pour éviter toute blessure au dos, utilisez un palan mécanique pour soulever ou déplacer l'appareil. Ignorer cet avertissement pourrait entraîner des blessures.
- Ne pas faire glisser l'unité. Cela pourrait endommager le joint situé au bas de l'unité de toit et provoquer des fuites.
- Ne saisissez pas les fentes de ventilation pour soulever l'unité de toit.
En tenant le bas de l'unité, soulevez et positionnez l'unité de toit dans l'ouverture préparée en utilisant le joint au bas de l'unité de toit comme guide.

L'installation extérieure de l'unité de toit est ainsi terminée. Des ajustements mineurs peuvent être effectués depuis l'intérieur du véhicule récréatif si nécessaire.
Installation de la boîte de distribution d'air
REMARQUE: L'installation de la boîte de distribution d'air est la même pour les structures avec ou sans conduit.
L'unité de toit est fixée sur le toit du VR à l'aide de 4 longs boulons traversant le cadre de montage depuis l'intérieur du plafond du VR.
- Vérifiez l'alignement du joint de l'unité de toit à l'intérieur du VR sur l'ouverture du toit et ajustez si nécessaire en le bougeant et en le déplaçant légèrement.

- Passez la main dans l'ouverture de retour d'air et tirez le cordon électrique de l'unité de toit et le cordon d'alimentation 115VCA vers le bas de la zone de découverte pour un raccordement ultérieur.

- Retirez le boîtier de commande du cadre de montage en dévissant les deux vis situées sur les supports du boîtier de commande.

- Installez le cadre de montage assemblé et le diviseur de conduit inférieur dans l'ouverture du toit. Assurez-vous que la marque « THIS WAY FRONT » est orientée vers l'avant (la direction du véhicule) pendant l'installation.

- Fixez le cadre de montage assemblé et le diviseur de conduit inférieur dans l'unité de toit à l'aide des 4 boulons fournis. Serrez uniformément les quatre boulons avec un couple de 40 à 50 pouces-livres. Cela comprimera le joint de toit à environ 12 po. REMARQUE: Si les boulons sont desserrés, l'étanchéité du toit risque d'être insuffisante ou, s'ils sont trop serrés, la base du toit ou le cadre de montage risque d'être endommagé.

- Retirez la pellicule du ruban adhesif double face situé sur le côté intérieur supérieur du diviseur de conduit inférieur.

- Collez le diviseur de gaine supérieur dans le cadre de montage assemblé.
REMARQUE: Assurez-vous que le diviseur de gaine supérieur appuie contre le plafond avant de le coller définitivement.

- Décollez pour retirer le papier de protection de la mousse PE, faites chevaucher le côté collant sur tous les espaces et comprimez pour sceller et isoler la section entière.

- Retirez le couvercle du compartiment des câbles à l'aide d'un tournevis cruciforme.

Risque de décharge électrique
- Débranche l'alimentation avant de procéder à l'entretien. Ignorer cet avertissement pourrait entraîner des blessures corporelles graves, voir la mort.
- tissement pourrait entraîner des blessures corporelles graves, voir la mort.
- VCA au boîtier de commande et assurez-vous qu'ils sont correctement isolés en utilisant des capuchons tournants.
REMARQUE: Respectez toujours le code de couleur lorsque vous connectez les câbles.
Noir-Chaud
Blanc-Neutre
Vert/Jaune-Terre

- Serrez le clip du câble jusqu'à ce que le câble soit bien accroché. REMARQUE: Ne pas trop serrer.
- Placez tous les câbles dans le compartiment prévu à cet effet et repoussez les fils excédentaires vers le haut, hors du chemin. Serrez le couvercle avec la vis.

- Connectez les fils du câble de l'unité de toit au boîtier de commande. Le cordon d'alimentation 115 VCA se connecte à une source d'alimentation 115 VCA.

- Installez l'enveloppe du boiler de distribution d'air (ADB) sur le cadre de montage et fixez-la avec 4 vis autotaraudées. REMARQUE: Assurez-vous que la marque « THIS WAY FRONT » est orientée vers l'avant (la direction du véhicule) pendant l'installation.

- Alignez les languettes du filtre avec les encoches correspondantes et pouvez pour encliqueter les filtres dans le boiler de l'ADB.

- Installez les deux boutons de commande à travers les trous de la plaque de décoration et poussez pour les verrouiller en place.

- Installez les capuchons de vis pour couvrir les trous de vis.

Votre nouveau climatiseur de toit a maintenant été entièrement installé sur le toit de l'auto-caravane.
Fonctionnement
Votre nouveau climatiseur de toit est conçu avec 2 boutons de commande qui vous permettent de régler la température de consigne et de changer le mode de fonctionnement du climatiseur.
Modifier le mode de fonctionnement
Tournez le bouton de mode de la commande de fonctionnement pour sélectionner le mode de fonctionnement souhaité. Vous pouvez choisir parmi trois modes de fonctionnement.

Mode ventilateur
Tournez le bouton de commande de fonctionnement sur la position FAN.
Modefroid
Tournez le bouton de commande de fonctionnement sur la position COOL.
Mode OFF
Tournez le bouton de commande de fonctionnement sur la position OFF.
Régler la température
Réglez la température à votre niveau de confort en tournant le bouton de contrôle de la température. Le ventilateur fonctionne en permanence pour faire circuler l'air et maintenir une température uniforme.
REMARQUE: Le mode de réglage de la température n'est disponible que lorsque le mode refroidissement est sélectionné.

- Tournez le bouton de commande de fonctionnement sur la position COOL.
- Tournez le bouton de réglage de la température jusqu'au niveau souhaité.
Instructions de décongélation et d'anticongélation
La formation de givre ou même de glace sur une partie ou la totalité du serpentin de l'évaporateur n'est pas inhabituelle dans certaines conditions ou sous des conditions combinées :
- Le climatiseur fonctionne avec un réglage de température très froid;
- Le climatiseur fonctionne à une vitesse de ventilation très faible;
- La sortie d'air du climatiseur est obstruée, par exemple, le volet de la sortie d'air frais ou les bouches d'aération des gaines sont fermés, ou les filtres sont obstrués;
- La température ambience est relativement basse, par exemple ≤ 78^ (25,5°C).
En cas de givre ou de glace, veuillez suivre les instructions ci-dessous pour nettoyer le givre ou la glace.
Comment nettoyer le givre ou la glace?

Tournez le bouton de commande du mode de fonctionnement sur la position du mode « HIGH FAN » (comme indiqué ci-dessus), et laissez le climatiseur fonctionner pendant une demi-heure. Ensuite, le givre et la glace seront fondus et tomberont du serpentin de l'évaporateur, et le climatiseur sera remis en marche.
AVERTISSEMENT : Pendant le processus de dégivrage ou d'antigel, le givre ou la glace sera fondu en eau et pourrait tomber du kit de garniture sur le sol ou les meubles. Assurez-vous d'avoir préparé des protections pour votre sol ou vos meubles, ou vous pouvez utiliser un seau pour recueillir l'eau.
Comment faire fonctionner le climatiseur après avoir été gelé?

Tournez le bouton de commande du mode de fonctionnement sur la position du mode « HIGH FAN » (comme indiqué ci-dessus), et laissez le climatiseur fonctionner pendant une demi-heure. Ensuite, le givre et la glace seront fondus et tomberont du serpentin de l'évaporateur, et le climatiseur sera remis en marche.
AVERTISSEMENT : Pendant le processus d'antigel, le givre ou la glace sera fondu en eau et pourrait tomber du kit de garniture sur le sol ou les meubles. Assurez-vous d'avoir préparé des protections pour votre sol ou vos meubles, ou vous pouvez utiliser un seuil pour recueillir l'eau.
Comment éviter la formation de givre ou de glace dans le climatiseur?

- Ne tournez pas le bouton de réglage de la température sur la position « MAX COOL » (comme indiqué ci-dessus) la nuit pour éviter d’être gelé. Lorsque le bouton de mode de la commande de fonctionnement est en position « COOL », gardez toujours au moins 2 pouces d’aération ouvertes pour éviter d’être gelées.
AVERTISSEMENT: Le climatiseur pourrait être gelé lorsque la température ambiantе est relativement basе, par exemple ≤ 78^ (25,5°C).
Nettoyage etentretien
Un filtre obstrué réduit considérablement les performances de refroidissement et de chauffage de l'appareil.
Le filtre doit être nettoyé périodiquement pour éviter qu'il ne soit obstrué par la poussière et d'autres particules. L'état du filte peut être déterminé par son apparence. S'il semble sale ou bouché, il doit être nettoyé.
Avertissement
Les particules en suspension dans l'air peuvent porter un risque pour la santé, notamment pour les jeunes enfants et les personnes âgées. Veillez à ce que les filtres soient nettoyés dans un endroit sûr et bien ventilé.
Pour nettoyer le filtre
Le cadre doit être nettoyé toutes les quatre semaines ou plus lorsqu'il est utilisé. Une utilisation prolongée, des concentrations plus élevées de particules en suspension dans l'air et divers autres facteurs peuvent faire en sorte que les filtres doivent être nettoyés plus souvent.
- Retirez les filtres en poussant les languettes pour les libérer. (Fig. 18)

- Le filtre peut être lavé à l'eau chaude savonneuse. Il faut faire attention à ne pas déchirer le tissu.
- Remplacez les filtres, la plaque de décoration et les boutons de commande en inversant le processus ci-dessus.
REMARQUE: Le filtre doit être complètement sec avant d'être réinstallé.
Pour remplacer le filtre
Le changement de filtre doit être effectué en fonction de la quantité d'utilisation, il est recommandé de le faire au moins tous les 12 mois. Ne faites jamais fonctionner le système de climatisation sans filtre, car cela peut diminuer les performances et la qualité de l'air intérieur.
Les filtres de retrait d'air de remplacement peuvent être commandés directement auprès de Furrion.
Dépannage
| Problème Cause | Remède | |
| Le climatiseur du toit s'éteint constamment | Le captein de gel s'est déclenché. La température extérieure est trop BASSE ou toutes les buses d'air sont fermées. | |
| Ne refroidit pas bien | Le climatiseur de toit n'est pas régé sur le refroidissement. | Réglez le climatiseur de toit sur refroidissement. |
| La température régée est trop élevé. | Sélectionnez une température plus BASSE. | |
| Le ventilateur de l'évaporateur est endommagé. | Contactez un agent de service agréé ou Furrion (voir les coordonnées détaillées à la的最后一 page de ce manuel). | |
| Le ventilateur du condenseur est endommagé. | Contactez un agent de service agréé ou Furrion (voir les coordonnées détaillées à la的最后一 page de ce manuel). | |
| Les grilles d'admission d'air sont bloquées ou obstruées. | Retirez les feuilles et autres saletés des grilles de ventilation du climatiseur de toit. | |
| Le ventilateur est défectueux. | Contactez un agent de service agréé ou Furrion (voir les coordonnées détaillées à la的最后一 page de ce manuel). | |
| L'eau pénétre dans le vehicule | Les orifices d'évacuation de l'eau de condensation sont obstrués. | Nettoyez les orifices de drainage de l'eau de condensation. |
| Les joints sont endommagés. | Contactez un agent de service agréé ou Furrion (voir les coordonnées détaillées à la的最后一 page de ce manuel). | |
| Le climatiseur de toit ne s'allume pas | Aucune tension d'alimentation n'est connectée. | Vérifiez l'alimentation électrique. |
| La tension est trop faible. | Contactez un agent de service agréé ou Furrion (voir les coordonnées détaillées à la的最后一 page de ce manuel). | |
| Le fusible a sauté ou le protecteur de circuit s'est déclenché. | Vérifiez le fusible électrique de l'alimentation. |
SPECIFICATIONS
| FACR13HESA-**FACR13HESA-**-AM | FACR14SA-**FACR14SA-**-AM | FACR15SA-**FACR15SA-**-AM | FACR15HESA-**FACR15HESA-**-AM | |
| Capacité de refroidissement (Btu/h) 13 500 14 500 15 | 500 15 000 | |||
| Déshumidification (pint/h) 1,8,2,7,3,2,3,0 | ||||
| Longueur du vehicule applicable (pieds) 23 26 | 31 | 31 | ||
| Réfrigérant | R410A | R410A | R410A | R410A |
| Charge (Oz) | 13,9 | 19,8 | 23,1 | 20,8 |
| Dimensions de l'unité de toit (L x P x H) (pouces) | 34% x 27% x 13% | 34% x 27% x 13% | 34% x 27% x 13% | 34% x 27% x 13% |
| ÉLECTRICITÉ | ||||
| Volts/Fréquence | 115 V-/60 Hz/1 Ph | 115 V-/60 Hz/1 Ph | 115 V-/60 Hz/1 Ph | 115 V-/60 Hz/1 Ph |
| Puisance Watts (refroidissement) | 1283 | 1620 | 1720 | 1760 |
| Ampères (refroidissement) | 11,3 | 14,6 | 15,4 | 15,6 |
| Jauge du cordon d'alimentation Min. (mm²) | AWG12 | AWG12 | AWG12 | AWG12 |
| ** Couleur du produit | ||||
Risque de décharge électrique
- Débranche l'alimentation avant de procéder à l'entretien. Ignorer cet avertissement pourrait entraîner des blessures corporelles graves, voir la mort. Fournir une mise à la terre en conformité avec tous les codes électriques applicables. Ignorer cet avertissement pourrait entraîner des blessures corporelles graves, voir la mort.



| Modelo Furrion N.° Articulo Lippert N.° | |
| FACR13HESA-PS 2021132276 | |
| FACR13HESA-BL 2021130013 | |
| FACR13HESA-PS-AM 2021132277 | |
| FACR13HESA-BL-AM 2021132275 | |
| FACR14SA-PS 2021123613 | |
| FACR14SA-BL 2021123563 | |
| FACR14SA-PS-AM 2021123705 | |
| FACR14SA-BL-AM 2021123707 | |
| FACR15SA-PS 2021123799 | |
| Modelo Furrion N.° Articulo Lippert N.° | |
| FACR15SA-BL 2021123630 | |
| FACR15SA-PS-AM 2021123793 | |
| FACR15SA-BL-AM 2021123708 | |
| FACR15HESA-PS 2021130009 | |
| FACR15HESA-BL 2021130010 | |
| FACR15HESA-PS-AM 2021130011 | |
| FACR15HESA-BL-AM 2021130008 | |
| FACT11CA-PS 2021123784 | |
| FACT11CA-PS-OEM 2022007394 | |
©2007-2022 Furrion Ltd. Furrion® et le logo Furrion sont des marques commerciales utilisées sous licence par Furrion Ltd. et déposées aux États-Unis et dans d'autres pays.
Pour des informations sur les brevets : www.furrion.com/pages/patents
Notice Facile