FACR15SABLAM - Air Conditioning Furrion - Free user manual and instructions
Find the device manual for free FACR15SABLAM Furrion in PDF.
| Technical Specifications | Furrion FACR15SABLAM air conditioner, 15,000 BTU cooling capacity, designed for recreational vehicles. |
|---|---|
| Dimensions | Compact dimensions for easy installation in tight spaces. |
| Weight | Lightweight for easy transport and installation. |
| Power Type | Operates on alternating current (AC), requires an adequate power source. |
| Usage | Ideal for cooling recreational vehicles, easy to use with an intuitive control panel. |
| Maintenance | Replaceable air filters, regular cleaning recommended for optimal operation. |
| Safety | Complies with electrical safety standards, overload protection. |
| General Information | Limited warranty, customer service available for technical assistance. |
Frequently Asked Questions - FACR15SABLAM Furrion
Download the instructions for your Air Conditioning in PDF format for free! Find your manual FACR15SABLAM - Furrion and take your electronic device back in hand. On this page are published all the documents necessary for the use of your device. FACR15SABLAM by Furrion.
USER MANUAL FACR15SABLAM Furrion
ROOFTOP AIR CONDITIONER WITH MANUAL CONTROL CLIMATISATION DE TOIT AVEC COMMANDE MANUELLE AIRE ACONDITIONADO PARA TECHO CON CONTROL MANUAL
MODEL/MODELE/MODELO:FACR13HESA- **,FACR13HESA- **-AFACR14SA- **,FACR14SA- **-AM,FACR15SA- **,FACR15SA- **-AM FACR15HESA- **,FACR15HESA- **-AM,FACT11CA- **FACT11CA- **-OEM
USER MANUAL/MANUEL DE L'UTILISATEUR/MANUAL DEL USUARIO

Thank you for purchasing this Furrion® product. Before operating your new appliance, please read these instructions carefully. This instruction manual contains information for safe use, installation and maintenance of the appliance.
Please keep this instruction manual in a safe place for future reference. This will ensure safe use and reduce the risk of injury. Be sure to pass on this manual to new owners of this appliance.
The manufacturer does not accept responsibility for any damages due to not observing these instructions.
CONTENTS
EXPLANATION OF SYMBOLS 2
IMPORTANT SAFETY INSTRUCTIONS. 2
Handling the device. 2
Handling Electrical Cables 3
BEFORE INSTALLING 3
What's in the Box 3
Choosing Proper Location for the Air Conditioner 3
Roof Preparation 4
Air Distribution Duct Sizing and Design 5
Air Distribution System Installation 5
Laying the Connecting Cables. 5
INSTALLATION 6
Installing the Rooftop Unit 6
Installing the Air Distribution Box. 6
OPERATION 9
Change the Operating Mode 9
Set the Temperature 9
Defrosting & Anti-Freezing Instructions 9
CLEANING AND MAINTENANCE 10
TROUBLESHOOTING 11
SPECIFICATIONS 11
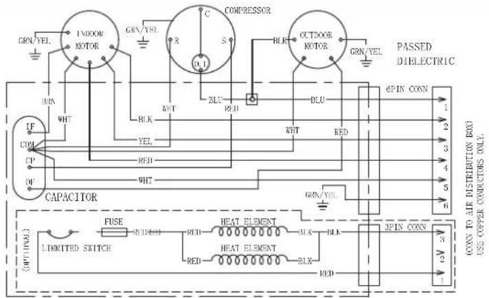
WIRING DIAGRAM 12
EXPLANATION OF SYMBOLS
This manual has safety information and instructions to help you eliminate or reduce the risk of accidents and injuries. Always respect all safety warnings identified with these symbols. A signal word will identify safety messages and property damage messages, and will indicate the degree or level of hazard seriousness.
DANGER
Indicates an imminently hazardous situation which, if not avoided, will result in death or serious injury.
WARNING
Indicates a potentially hazardous situation which, if not avoided, could result in death or serious injury.
CAUTION
Indicates a potentially hazardous situation which, if not avoided, may result in minor or moderate personal injury, or property damage.
IMPORTANT SAFETY INSTRUCTIONS
This manual has safety information and instructions to help users eliminate or reduce the risk of accidents and injuries. Please read this instruction manual carefully before installation and start-up, and store it in a safe place for future reference. If you pass on the device to another person, hand over this instruction manual along with it.
The manufacturer accepts no liability for damage in the following cases:
- Faulty assembly or connection
- Damage to the product resulting from mechanical influences and excess voltage
- Alterations to the product without express permission from the manufacturer
- Use for purposes other than those described in the operating manual.
The following basic safety information should be heeded when using electrical devices to protect against:
Electric shock
Fire hazards
Injury
All Furrion product referenced in this manual is to be installed in accordance with local and national codes, including the latest editions of the following standards:
USA:
-NFPA1192
NFPA70
Canada:
C22.1
CSAZ240
Handling the device
WARNING
- Installation and repair of the rooftop air conditioner must only be carried out by qualified personnel who are familiar with the risks involved and the relevant regulations. Inadequate repairs may cause serious hazards.
- Electrical devices are not toys. Keep electrical devices out of reach of children or elderly persons. Do not allow them to use electrical devices without supervision.
- Prevent inexperienced people from using the device without supervision.
- Do not undo the upper cover of the rooftop air conditioner in the event of a fire. Use approved extinguishing agents instead. Do not use water to extinguish fires.
CAUTION
- The rooftop air conditioner must be installed securely so that it cannot fall down.
- Only operate the rooftop air conditioner if you are certain that the housing and the cables are not damaged.
- Do not use the rooftop air conditioner near flammable fluids or in closed rooms.
- Make sure no combustible objects are stored or installed near the air outlet. A distance of at least 20^ must be kept.
- Do not reach into air outlets or insert any foreign objects into the device.
Only use the device as intended.
- Do not make any alterations or conversions to the device.
- If faults occur in the refrigerant circuit, the system must be checked by a certified service technician and repaired properly. The refrigerant must never be released into the air.
Handling Electrical Cables
WARNING
The electrical power supply must only be connected by a qualified electrician.
CAUTION
Refer to NEC (National Electric Code) for proper sizing of wire gauge (awg) based on cable length and overcurrent protection rating that is suppling power to the air conditioner.
See rooftop unit nameplate for proper overcurrent protection sizing.
- Attach and lay the cables so that they cannot be tripped over or damaged.
Only a qualified electrician should connect the rooftop air conditioner to electrical power.
- Do not lay loose or bent cables next to electrically conductive materials.
- Do not pull on the cables.
- Use cable ducts to lay cables through walls with sharp edges.
Refer to rooftop unit nameplate and NEC for proper power supply rating.
BEFORE INSTALLING
Read this installation manual completely before installing the rooftop air conditioner.
The following tips and instructions must be observed while installing the rooftop air conditioner.
What's in the Box
Open and remove the components from carton. Make sure you have all the following items included in the packaging, if any item is missing, contact your dealer.

Rooftop Unit (sold separately):
Rooftop Unit x1
Warranty Manual x 1

Air Distributor Box:
Upper Duct Divider x1
Lower Duct Divider x1
- Bolt x 4
- Mounting Frame x 1
Control Box x1
Air Distribution Box (ADB) Shroud x1
Filter x1
PE Foam x1
Control Knob x 2
Self-tapping Screws x 4
- Screw Cap x 2
Instruction Manual x 1
Warranty Manual x 1
Choosing Proper Location for the Air Conditioner
IMPORTANT: The roof must be designed to support the weight of the rooftop unit and the weight of 2 installers standing on the roof.
There are two ways of installing the rooftop air conditioner:
- Using the existing roof vent opening in the vehicle roof.
- Making a new opening. In this case the opening should be reinforced by an appropriate frame as required.
Existing Roof Vent Opening
The air conditioner is designed to fit over an existing 14" roof vent opening.
New Opening
When no roof vent is available or another location is desired, the following is recommended:
-For one unit installation - the air conditioner should be mounted slightly forward of center (front to back) and centered from side to side.
-For two unit installations, install one air conditioner one third from the front of the RV and the other air conditioner two thirds from the front of the RV, aligned in the center.
It is preferred that the air conditioner be installed on a relatively flat and horizontal roof section measured when the RV is parked on a level surface.
NOTE: A 15^ slant to either side or front to back is acceptable for all units. If the roof exceeds 15^ please use an exterior leveling shim to make air conditioner level.
After the Location Has Been Selected:
- Check for obstructions in the area where the air conditioner will be installed.


Keep this air flow area free of obstructions
- Check the inside of the RV for return air kit obstructions. (i.e. door openings, room dividers, curtains, ceiling fixtures, etc.) Allow 6" (152mm) space from the opening to account for any potential return air kit obstructions.


Roof Preparation
Opening Requirements - Before preparing the ceiling opening, decide on the type of system options. Read all of the following instructions before beginning the installation.
WARNING
Fire/Electric Shock Hazard
Make sure there are no obstacles inside the RV roof, floor and walls, such as wires and pipes.
- Shut off the gas supply and disconnect the 115VAC power from the RV before drilling or cutting into the RV. Failure to obey these warnings could result in death or serious injury.
Roof Thickness
The installation of air conditioner suits for roof thickness from 3.5" (90mm) to 6" (152mm). For other thickness, please contact Furrion or Furrion authorized service agent.
Installing in an Existing Opening
- Unscrew and remove the roof vent.
- Remove all caulking compound around the opening.
- If the opening exceeds 1414'' × 1414'' (+12) , it will be necessary to resize the opening to 1414'' × 1414'' (+12) . If the opening is less than 1414'' × 1414'' (+12) , it must be enlarged.

Making a New Opening
If a roof vent opening will not be used, a 1414 x 141 (+12) (362mm x 362mm) opening must be cut through the roof and ceiling of the RV. This opening must be located between the roof reinforcing members.
The 1412'' × 1412'' (+12) opening is part of the return air system of the air conditioner and must be finished in accordance with NFPA Standard 501C Section 2.7.2.
- Mark a 14 12 " x 14 12 " (+ 12) square on the roof and carefully cut an opening.

- Using the roof opening as a guide, cut a matching hole in the ceiling.
NOTE: Maintain structural integrity. Otherwise damage to product and/or RV could occur. Always observe the following guidelines while structuring the opening.

Do not cut roof structure or rafters

Good: rafters supported by cross beams

Good: location between roof rafters
- The opening created must be framed to provide adequate support and prevent air from being drawn from the roof cavity.
- Lumber 34 " or more in thickness must be used. Remember to provide an entrance hole for power supplies, wall thermostat and furnace wiring for connections. Leave 15" (381mm) minimum at the front of the opening.
3/4" Min.
[19.05 mm]

Leave access for power supply win

Air Distribution Duct Sizing and Design
The installer of this system must design the air distribution system for their particular application.
NOTE: Make sure ductwork will NOT bend or collapse during and after installation, and that it is correctly insulated and sealed. Otherwise, damage to roof structure and ceiling could occur.
The following requirements must be met for properly operate the unit:
| Roof Cavity Depth 3 | 5" - 6" (89mm-152mm) | |
| Duct Cross Sectional Area | 21 Sq. In. Min. | |
| Duct Size | Depth | 1½" Min. - 2½" Max. (38mm Min. - 63.5mm Max.) |
| Width | 7" Min. - 10" Max. (178mm Min. - 254mm Max.) | |
| Total Duct Length | 15Ft. Min. - 40Ft. Max. (4.5m - 13m) | |
| Duct Length (short run) 1/3 Total Duct Length | ||
| Register Requirements per A/C Unit | Number Required 4 Min. | 8 Max. |
| Supply Register Free Air Area | 14 Sq. In. (90 sq. cm) | |
| Return Register Free Air Area | 40 Sq. In. (258 sq. cm) | |
| Distance From Duct End | 5" Min. - 8" Max. (127mm Min. - 203mm Max.) | |
| Distance From Elbow 15" (381mm) | ||
| Total System Static Air Pressure | Blower at High Speed, Filter & Grille In Place | 0.55 - 1.10 In. W.C. |
- Properly insulate and seal all discharge air ducts to prevent condensation from forming on their surfaces or adjacent surfaces during operation of the unit. This insulation must be R-7 minimum.

TOP VIEW (BACK OF RV)
- Return air openings must have 80 square inches (516 square centimeters) minimum free area including the filter.
- Return air to the unit must be filtered to prevent dirt accumulation on the unit cooling surface.
Air Distribution System Installation
It is the responsibility of the installer to review each RV floor plan to determine the following items in conjunction with "Air Distribution Duct Sizing and Design" section
NOTE: Alternate configurations and methods may be used which will allow the unit to operate properly, however, these alternate configurations and methods MUST be approved by Furrion in writing.
Duct size
Duct layout
- Register size
- Register location
Thermostat location
- Indoor temperature sensor location (if applicable)

Laying the Connecting Cables
The rooftop air conditioner must be connected to an electric circuit which is able to supply the required power supply (see chapter "Specification").
NOTE: The supply wire must be located in the front portion of the roof opening. The power supply must be equipped with a time delay fuse or circuit breaker. See rooftop unit nameplate for rating.
DANGER
Electrical Shock Hazard
- Disconnect power before servicing. Failure to obey this warning could result in death or serious injury.
- Provide grounding in compliance with all applicable electrical codes. Failure to obey this warning could result in death or serious injury.
Refer to the applicable electric code guidelines for sizing the appropriate wire gauge, length and type.
- Route a 115VAC supply wire with ground wire from the time delay fuse or circuit breaker box to the roof opening. NOTE: Refer to rooftop unit nameplate and applicable code for proper installation.
- Use approved method to protect the wire where it passes through the opening.
- Feed the 115VAC cable through the opening into the vehicle interior. Make sure at least 15^ (381mm) of supply wire extends into the roof opening. This ensures an easy connection at the control box.
Installing the Rooftop Unit
CAUTION
- The rooftop unit weighs approximately 100 pounds (45 kg). To prevent back injury, use a mechanical hoist when lifting or moving the unit. Failure to obey this warning could result in injury.
- Do not slide unit. It may damage the gasket at the bottom of the rooftop unit and cause leakage.
- Do not grasp the ventilation slots to lift the rooftop unit up.
Hold the bottom of the unit, lift and position the rooftop unit into the prepared opening using the gasket at the bottom of the rooftop unit as a guide.

This completes the outside installation of the rooftop unit. Minor adjustments can be done from inside of the RV if required.
Installing the Air Distribution Box
NOTE: The installation of the air distribution box is same for both ducted and non-ducted structures.
The rooftop unit is fixed on the RV roof using 4 long bolts through the mounting frame from the interior of the RV ceiling.
- Check the gasket alignment of the rooftop unit inside the RV over the roof opening and adjust as necessary by lifting and moving slightly.

- Reach up into the return air opening and pull the rooftop unit electric cord and 115VAC power cord down from the cutout area for later connection.

- Remove the control box off the mounting frame by unscrewing the two screws on the supporters of the control box.

- Install the assembled mounting frame and the lower duct divider into the rooftop opening. Make sure the "THIS WAY FRONT" mark is facing front (the direction of the vehicle) while installing.

- Fix the assembled mounting frame and lower duct divider into the rooftop unit using 4 bolts provided. Evenly tighten the four bolts to a torque of 40 to 50 inch pounds. This will compress the roof gasket to approximately 12 .
NOTE: If bolts are left loose there may not be an adequate roof seal or if over tightened, damage may occur to the rooftop base or mounting frame.

- Pull to remove the film off the double sided sticky tape on the inner side of the lower duct divider.

- Stick the upper duct divider into the assembled mounting frame.
NOTE: Make sure the upper duct divider is pressing against the ceiling before finally sticking it.

- Peel to remove the release paper from the PE foam, overlap the sticky side over all gaps and compress to seal and insulate the entire section.

- Remove the cable compartment cover using a Phillips screw driver.

DANGER
Electrical Shock Hazard
- Disconnect power before servicing. Failure to obey this warning could result in death or serious injury.
-
Provide grounding in compliance with all applicable electrical codes. Failure to obey this warning could result in death or serious injury.
-
Loosen the cable clip on top of the control box and let the 115VAC power cord pass through the cable clip. Make the 115VAC power supply connection to the control box and ensure they are properly insulated by using twist caps. NOTE: Always follow the color code while connecting the cables.
Black-Hot
White - Neutral
Green/yellow - Ground

- Tighten the cable clip until the cable is snapped tightly. NOTE: Do not over tighten.
- Fit all cables into the cable compartment and tuck any excess wires up out of the way. Tighten the cover with screw.

- Connect the wires of the rooftop unit cable to the control box. 115VAC power cord connects to 115VAC power source.

- Install the Air Distribution Box (ADB) shroud over the mounting frame and fix with 4 self-tapping screws. NOTE: Make sure the "THIS WAY FRONT" mark is facing front (the direction of the vehicle) while installing.

- Align the filter tabs with mating notches and push to snap the filters into the ADB shroud.

- Install the two control knobs through holes on the decoration plate and push to lock into place.

- Install the screw caps to cover the screw holes.

Your new rooftop air conditioner has now been fully installed in the RV roof.
OPERATION
Your new rooftop air conditioner is designed with 2 control knobs which allow you to set the temperature set-point and change the operating mode of the air conditioner.
Change the Operating Mode
Rotate the operating control mode knob to select the desired operating mode. There are 3 available operating modes for you to select.

FAN MODE
Rotate the operating mode control knob to the FAN position.
COOL MODE
Rotate the operating mode control knob to the COOL position.
OFF MODE
Rotate the operating mode control knob to the OFF position.
Set the Temperature
Set the temperature to your comfort level by rotating the temperature control knob. The fan will run continuously to circulate the air and maintain an even temperature.
NOTE: The temperature setting mode is only available while cooling mode is selected.

- Rotate the operating mode control knob to the cool position.
- Rotate the temperature control knob to your desired level.
Defrosting & Anti-Freezing Instructions
Frost or even ice formed on part of or the entire evaporator coil is not unusual under certain conditions or below combined conditions:
- The air conditioner is operating with very cold temperature setting;
- The air conditioner is operating at very low Fan speed;
- The air outlet of the air conditioner is obstructed, for example, the shutter of the cool air outlet or the ducts vents are closed, or the filters are obstructed;
- The ambient temperature is relatively low, e.g. ≤ 78^ (25.5^)
If the frosting or icing should occur, please follow below instructions to clean up the frost or ice.
How to clean up the frost or ice?

Rotate the operating mode control knob to the "HIGH FAN" mode position (as shown above), and keep the air conditioner running for half an hour. Then the frost and ice will be melted and drop down of the evaporator coil, and the air conditioner will be resumed.
WARING: During the defrosting or anti-freezing process, the frost or ice will be melted into water and might drop down from the trim kit to the floor or furnitures. Make sure you have prepared protections for your floor or furnitures in advance, or you can use a bucket to collect water.
How to operate the air conditioner after being frozen up?

Rotate the operating mode control knob to the "HIGH FAN" mode position (as shown above), and keep the air conditioner running for half an hour. Then the frost and ice will be melted and drop down of the evaporator coil, and the air conditioner will be resumed.
WARING: During the anti-freezing process, the frost or ice will be melted into water and might drop down from the trim kit to the floor or furnitures. Make sure you have prepared protections for your floor or furnitures in advance, or you can use a bucket to collect water.
How to prevent frosting or icing in the air conditioner?

- Do not rotate the temperature control knob to the "MAX COOL" position (as shown above) at night to prevent being frozen up.
- When the operating control mode knob is in "COOL" mode position, always keep at least 2 duct vents open to prevent being frozen up.
WARNING: The air conditioner could be frozen up when the ambient temperature is relatively low, e.g. ≤ 78^ (25.5°C).
CLEANING AND MAINTENANCE
A blocked filter will impair the cooling and heating performance of the unit significantly.
The filter must be cleaned periodically to ensure that it does not become clogged with dust and other particles. The state of the filter can be ascertained from its appearance. If it appears dirty or clogged then it should be cleaned.
WARNING
Airborne particles can pose a health risk, particularly to young children and the elderly. Ensure that filters are cleaned in a safe and well ventilated area.
To Clean the Filter
The filter should be cleaned every four weeks or more when in use. Prolonged use, higher concentrations of airborne particles and various other factors may result in the filters needing to be cleaned more often.
- Remove the filters by pushing the tabs to release. (Fig. 18)

- The filter can be washed with warm soapy water. Care must be taken to avoid ripping the fabric.
- Replace the filters, decoration plate and control knobs by reversing the above process.
NOTE: The filter must be completely dry before reinstallation.
To Replace the Filter
Filter changes should be carried out depending on the amount of use, it is recommended to change at least every 12 months. Never operate the air conditioning system without a filter, since this can decrease performance and indoor air quality. Replacement return air filters can be ordered directly from Furrion.
TROUBLESHOOTING
| Problem Cause | Remedy | |
| Rooftop air conditioner constantly switches itself off | Freeze sensor has tripped. Outer temperature is too low or all air nozzles are closed. | |
| Not cooling well | The rooftop air conditioner is not set to cooling. | Set the rooftop air conditioner to cooling. |
| The set temperature is too high. Select a lower temperature. | ||
| The evaporator fan is damaged. | Contact an authorized service agent or Furrion (see the detail contact info at the back page of this manual). | |
| The condenser fan is damaged. | Contact an authorized service agent or Furrion (see the detail contact info at the back page of this manual). | |
| The air intake grilles are blocked or obstructed. | Remove any leaves and other dirt from the ventilation grilles of the rooftop air conditioner. | |
| The blower is defective. | Contact an authorized service agent or Furrion (see the detail contact info at the back page of this manual). | |
| Water enters the vehicle | The condensation water drainage openings are clogged up. | Clean the drainage openings for condensation water. |
| The seals are damaged. | Contact an authorized service agent or Furrion (see the detail contact info at the back page of this manual). | |
| Rooftop air conditioner does not switch on | No supply voltage connected. Check the power supply. | |
| The voltage is too low. | Contact an authorized service agent or Furrion (see the detail contact info at the back page of this manual). | |
| Fuse blown or circuit protector tripped. | Check the electrical fuse of the power supply. | |
SPECIFICATIONS
| FACR13HESA-**FACR13HESA-***-AM | FACR14SA-**FACR14SA-***-AM | FACR15SA-**FACR15SA-***-AM | FACR15HESA-**FACR15HESA-***-AM | |
| Cooling Capacity (Btu/h) 13,500 14,500 15,500 | 5,000 | |||
| Dehumidification (pint/h) | 1.8 | 2.7 | 3.2 | 3.0 |
| Applicable vehicle length (feet) | 23 | 26 | 31 | 31 |
| Refrigerant | R410A R410A R410A | R410A | ||
| Charge (Oz) | 13.9 | 19.8 | 23.1 | 20.8 |
| Roof top Unit Dimensions (L x W x H) (inch) | 34% x 27% x 13% | 34% x 27% x 13% | 34% x 27% x 13% | 34% x 27% x 13% |
| ELECTRICAL | ||||
| Volts/Frequency | 115V-/60Hz/1Ph | 115V-/60Hz/1Ph | 115V-/60Hz/1Ph | 115V-/60Hz/1Ph |
| Power Watts (Cooling) | 1,283 | 1,620 | 1,720 | 1,760 |
| Amps (Cooling) | 11.3 | 14.6 | 15.4 | 15.6 |
| Power Cord Gauge Min. (mm²) | AWG12 | AWG12 | AWG12 | AWG12 |
| ** Product color. | ||||
DANGER
Electrical Shock Hazard
- Disconnect power before servicing. Failure to obey this warning could result in death or serious injury.
- Provide grounding in compliance with all applicable electrical codes. Failure to obey this warning could result in death or serious injury.


| N° de modulo Furrion N° de Lippert | |
| FACR13HESA-PS 2021132276 | |
| FACR13HESA-BL 2021130013 | |
| FACR13HESA-PS-AM 2021132277 | |
| FACR13HESA-BL-AM 2021132275 | |
| FACR14SA-PS 2021123613 | |
| FACR14SA-BL 2021123563 | |
| FACR14SA-PS-AM 2021123705 | |
| FACR14SA-BL-AM 2021123707 | |
| FACR15SA-PS 2021123799 | |
| N° de modulo Furrion N° de Lippert | |
| FACR15SA-BL 2021123630 | |
| FACR15SA-PS-AM 2021123793 | |
| FACR15SA-BL-AM 2021123708 | |
| FACR15HESA-PS 2021130009 | |
| FACR15HESA-BL 2021130010 | |
| FACR15HESA-PS-AM 2021130011 | |
| FACR15HESA-BL-AM 2021130008 | |
| FACT11CA-PS 2021123784 | |
| FACT11CA-PS-OEM 2022007394 | |
Furrion Innovation Center & Institute of Technology
52567 Independence Ct., Elkhart, IN 46514, USA
- Toll free/Numéro gratuite/Línea Telefonica gratuite:1-800-789-3341
- Email/Courriel/Correo electrónico: support@furrion.com
For Patent Info: www.furrion.com/pages/patents
EasyManual