FKQ 63 C HA ICE - Refrigerador combinado HOTPOINT - Manual de uso y guía de instrucciones gratis
Encuentra gratis el manual del aparato FKQ 63 C HA ICE HOTPOINT en formato PDF.
| Título | Valor / Descripción |
|---|---|
| Tipo de producto | Horno empotrado |
| Capacidad | 63 litros |
| Tipo de cocción | Calor circulante |
| Alimentación eléctrica | 230 V |
| Dimensiones aproximadas | 60 x 60 x 55 cm |
| Peso | 30 kg |
| Potencia | 2800 W |
| Funciones principales | Grill, cocción tradicional, descongelación |
| Mantenimiento y limpieza | Interior esmaltado, fácil de limpiar |
| Piezas de repuesto y reparabilidad | Disponibilidad de piezas de repuesto bajo pedido |
| Seguridad | Bloqueo de puerta, protección contra sobrecalentamiento |
| Compatibilidades | Compatible con cocinas estándar |
| Información general | Garantía de 2 años, clase energética A |
Preguntas frecuentes - FKQ 63 C HA ICE HOTPOINT
Preguntas de los usuarios sobre FKQ 63 C HA ICE HOTPOINT
0 pregunta sobre este aparato. Responde a las que conoces o haz la tuya.
Hacer una nueva pregunta sobre este aparato
Descarga las instrucciones para tu Refrigerador combinado en formato PDF gratis! Encuentra tus instrucciones FKQ 63 C HA ICE - HOTPOINT y toma tu dispositivo electrónico nuevamente en la mano. En esta página están publicados todos los documentos necesarios para el uso de su dispositivo. FKQ 63 C HA ICE de la marca HOTPOINT.
MANUAL DE USUARIO FKQ 63 C HA ICE HOTPOINT
Descripción del aparato, 44
Vista de Conjunto
Panel de control
Puesta en funciona y uso, 45
Poner en funciona el hora
Utilizar el contador de horas
Tirador empotrado
Programar el contador de horas
Poner en hora el reloj
Programar la cocation
El programador de cocción electrónico, 48
Programar el reloj
Programar el contador de horas
Programar la cocción
Programas, 49-50
Programas de cocción
Consejos practicos para cocinar
Tabla de coccción
Precauciones y consejos, 51
Seguridad general
Eliminación
Ahorrar y respetar el medio ambiente
Mantenimiento y@cuidados, 52-53
Interrumpir el suministro de corriente electrica
Limpiar el aparato
Limpiar la puerta
Sustituir la bombilla
Montaje del Kit Guías Deslizables
Asistencia
! Es importante conservar este manual para poder consulitarlo en cualquier momento. En el caso de vente, de cesión o de mudanza, verifique que permanezcaCTL al aparato para informar al nuevo propietario sobre su funciona y sobre las advertencias correspondentes.
! Lea atentamente las instrucciones: contienen importante informacion sobre la instalacion, el uso y la seguidad.
Colocacion
! Los embalajes no son juguetes para niños y se deben eliminar según las normas para la recolección diferenciada de residuos (ver Precauciones y consejos).
! La instalación se debe realizar siguiendo estas instrucciones y por personal profesionalmente calificado. Una instalación incorrecta puede producir daños a personas, animales o cosas.
Empotramiento
Para garantizar un buena funciona del aparato esnecessary que el muebleonga lascharacteristicadeducuadas:
- Los paneles adyacentes al hora deben ser de materiales resistentes al calor
- En el caso de muebles de madera chapeada, las colas deben ser resistentes a una temperatura de 100^
- para empotrar el hora, ya sea cuando se instala bajo encimera (ver la figura) o en columna, el mueble deben tener las siguientes dimensiones:

* Sólo para modelos en acero inoxidable
! Una vez empotrado el aparato no se deben permitir contactos con las partes electricas.
El consumo declarado en la placá de característica ha sido medido en una instalación de este tipo.
Aireación
Para garantizar una buena aireación es必須o eliminar la pared posterior del compartmento. Es preferible instalar el hora apoyoado sobre dos listeled de madera o sobre una superficie continua queonga una abertura de 45 × 560 ~mm . como minimum (ver las figuras).


Centrado y lijación
Para fjar el aparato al mueble:
- abra la puerta del hora;
- extraiga los 2 tapones de goma que cubren los orificios de fijación ubicados en el marco;
- fije el hora al mueble utilizing los 2 tornillos para madera;
-whelming - yuelva a colocar los tapones de goma que cubren los orificios.

! Todas las partes que garantizan la proteccion se deben fjjar de modo tal que no pueda ser quitadas sin la ayuda de una herramienta.
Conexión electrica
! Los hornos dotados de cable de alimentación tripolar, está fabricados para funciona con corriente alterna a la tensión y Frequencia indicadas en la placá de caractéristicas que se enquiryra en el aparato (ver a continua).
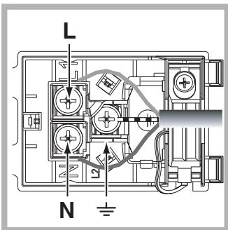
Montaje del cable de alimentacion electrica


- Abrir el panel de
bomnes hacero palanca
con un destornillador
sobre las lengüetas
laterales de la tapa: tirar
yAbrir (ver la figura). - Instalar el cable de alimentacion eletrica: Aflojar el tornillo de la mordaza de terminal de cable y los tres tornillos de los contactos L-N- y bajo fjar los cables debajo de las cazas de los tornillos respetando los colores Azul (N), Marron (L) y Amarillo-Verde (ver la figura).
- Fijar el cable en el correspondiente sujetacable.
- Cerrar la tapa del panel de bornes.
Conexión del cable de alimentación electrica a la red
Instale en el cable un enchufe normalizzato para la energia indicada en la placce de caracteristicas (ver al /costado). En el caso de connexion directa a la red, esnecessary interponer entre el aparato y la red, un interruptor omnipolar con una distancia minima entre los contactos de 3mm dimensionado para esta energia y que responda a las normas vigilentes (el cable a tierra no debe ser interruptido por el interruptor). El cable de alimentacion electrica se debe colocar de modo tal que no alcance en ningun punto una temperatura que supere en 50^ la temperatura ambiente.
! El instalador es responsable de la correcta connexion electrónica y del cumplimiento de las normas de seguridad.
- La tomaonga connexión a tierra y que sea conforme con la ley
-
la toma sea capaz de soportar la energia maxima de potencia de laamina indicada en la placac de caracteristicas (ver mas abajo);
-
la tensión de alimentación electrica está comprendida bajo de los values indicados en la planta de caracteristicas (ver más abajo);
- la toma sea compatible con el enchufe del aparato. Si no es asi, cambie la toma o el enchufe; no utilise prolongaciones ni conexiones multiples.
! Una vez instalado el aparato, el cable electrico y la toma de corriente deben ser fácilmente accesibles.
! El cable no debe doblarse ni comprimirse.
! El cable debe ser revisado periodicamente y sustituidoso por技术和 autorizados (ver Asistencia).
! LaEmpresa declina toda responsabilidad cuando estas normas no Sean respetadas.
| PLACA DE CHARACTERÍSTICAS | |
| Dimensiones | ancho 43,5 cm. altura 32 cm. profundidad 41,5 cm. |
| Volumen | litros 58 |
| Conexiones eléctricas | tensión a 220-240V~ 50/60Hz o 50Hz (ver plac con característica) potencia máximo absorbida 2800W |
| ENERGY LABEL | Directiva 2002/40/CE en la etiqueta de los hornos electricos. Norma EN 50304 Consumo de energia por convección Natural -función de calentimiento: Tradicional; Clase Consumo de energia Clase conveccción Forzada - función calentimiento: Pastelería. |
| CE | Este aparato es conforme con las siguidentes Directivas: Comunitarias: 2006/95/CEE del 12/12/06 (Baja tensión) y posteriores modificaciones - 2004/108/CEE del 15/12/04 (Compatible Electromagnética) y suscesivas modificaciones - 93/68/CEE del 22/07/93 y suscesivas modificaciones. 2002/96/CE y posteriores modificaciones. |
ES

Vista de Conjunto
Panel de control



* Presente sólo en algunos modelos.
! La primera vez que encienda elorno, hagalo funcional vacio, durante una hora aproximadamente, con el termostato al maximo y con la puerta cerrada. Luego apaguearlo, abra la puerta y airee el ambiente en el que se enquirytra. El olor que se advierte se debe a la evaporacion de las sustancias realizadas para proteger elorno.
Algunos modelos están dotados de un sistema de bisagras que permite que la puerta se ciere lentamente sin que seanecessaryacompañar surecorrodo conla mano. Para un uso correcto,antes decerrar:
- abra Completely la puerta.
- evite forzar el cierremanualmente.
Poner en funciona el hora
- Seleeccione el programa de coccion deseado girando el mando PROGRAMAS.
- Elija la temperatura girando el mando TERMOSTATO. La Tabla de cocción (ver Programas) contiene una lista con las cocaciones y las correspondientes temperatas aconsejadas.
- El piloto TERMOSTATO encendido indica la fase de calentimiento hasta la temperatura seleccionada
- Durante la cocción es possible:
- modifier el programa de coccción con el mando PROGRAMAS;
- modificar la temperatura con el mando TERMOSTATO;
- interrupir la cocción llévando el mando PROGRAMAS hasta la posición "0".
! No apoye nunca objetos en el fondo delorno porque se pueda darar el esmalte.
! Coloque siempre los recipientes de coccción sobre la parrilla suministrada con el aparato.
Ventilación de enfiambre
Para lograr una disminución de la temperatura externa, un ventilador de enfiambre genera unchorro de aire que sale entre el panel de control y la puerta delorno y también de la parte inferior de la puerta.
! Al final de la cocción, el ventilador permanece en funcionaamente hasta que el hora está suficientemente frío.
Luz del hora
Se enciende seleccionando con el mando PROGRAMAS. Permanece encendida cuando se selecciona un programa de cocccion.
Utilizar el contador de horas*
- Antes que nada esnecessarycargar el timbre girando el mando TEMPORIZADOR un giro casi completo en sentido horario.
- Volviendo hacía atrás en sentido antihorario, fije el tiempo deseado hacer algo coincidir elindicador del mando TEMPORIZADOR con el tiempo indicado en el panel de control.
- El temporizador es un contador de horas: cuando se cumple el tiempo, emite una señal sonora.
! El temporizador no controla ni el encendido ni el apagado del hora.
Tirador empotrado
Algunos modelos poseen un tirador empotrado integrado en la puerta del hora.. Basta una leve presión y la aperture push push facilita la toma para abrir o cerrar el hora. Al finalizar el uso se pueda cerrar ejerciendo una leve presión.


- Presente sólo en algunos modelos.

! Todas las programaciones son posibles sólo si el hora está connectado a la red electrónica. Si falta corriente por más de 10segundos,elprogramador sedetiene: cuando se restablece la corriente, el icono RELOJ centellea para indicar que se ha producido una interruptionsióndeenergiaelectrica yquees necessario regularnuevamentela hora.
Si la interrupción de energia electrica se produce durante una coccción programada, el tiempo programado se reanuda a partir del momento en que se detuvo (por ej. si se programó 1 hora de coccción y durante la misma hubo una interrupción de corriente de 30 horas, el programa termina afterwards de 1 hora y 30 min.). Internacional en este caso, el icono RELOJ centellea y la hora debe volver a programarse.
COCCION MANUAL
Si no se ha realizadoacular programacion, el horno se pueda usar en modo manual actionando los mandos PROGRAMAS y TERMOSTATO.
Programar el contador de horas
!Esta funciona no interrupme la cocción y prescinde del uso del hora; permite sólo acciónar la sealsonora cuando se cumplen los Minutes fjados. El contador de menos se pueda usarsole cuando no hay ninguna programación en bajo.
Para activar el contador de horas, presione brevemente el mando 3 veces hasta que se produzca el centelleo del icono CONTADOR DE MINUTOS. La programacion del contador de horas es igual a la de la hora de fin de cocción (ver el párafo correspondiente)
Poner en hora el reloj
Para modifier la hora indicada por las agujas, presione brevemente 4 vezes el mando hasta que se produzca el centelleo del icono RELOJ. Luego, para augmentar o disminuir la hora visualizada en intervalos de 1 minuto, gire el mando en sentido horario o antihorario y la agua de los Minutes se moverá con esta Frequencia y en el mesmo sentido. Pasados 10 seguidos de laULTima Modifications, el programador sale automatistically de la modalidad de regulacion.
- Presente sólo en algunos modelos.
Programar la coccción
Programar la duración de una cocción con comienzo inmediato
La programación de la hora de fin de la cocción permite comenzar inmediamente y terminar la cocción deundry automatica según la hora programada.
Para programar la hora de fin de la cocción, presione brevamente 2 vezes el mando hasta que se produzca el centelleo del icono FIN COCCION.
Paraacularo disminuiertiempto de coccionen intervalsde1 minuto,girelmando en sentidhorario o antihorario y la agua dellos,minutossemovera conesa freuenciay enelmesimo sentido.
El centelleo del icono FIN COCCION continua durante 10segundosdespuesdelultimate giro.El programa se peut confirmar presionando el mando o dejo que pasen los 10segundossiempreque se haya programado al menos 1 minuto de cocción.
El ficono FIN COCCION encendido indica que se ha realizado una programacion.
Selección el programa de coccción deseado con el mando PROGRAMAS.
El hora se encenderá inmediamente y se apagará a la hora de fin de coccción fjada.
Para visualizar el programa fjado presione brevemente y suele el mando; las agujas y los iconos indican el programa fjado.
Al finalizar la cocción, el icono FIN COCCION centelleará y la alarma emitirá señales sonoras durante 1 minuto (para desactivarla presione brevamente el mando).
Lleve el mando PROGRAMAS hasta la posicion "0".
- Ejemplo: son las 9:00 horas y se programa el fin de la cocción para las 10:15 horas. El programa comienza inmediamente y se detiene automatistically a las 10:15 horas. Su duración fue de una hora y 15 Minutes.
Programar la duración de una cocción con comienzo retraso
La programación de la hora de comienzo de la cocción permite comenzar y terminar la cocción demania automática según las horas programadas.
Para programar la hora de comienzo de la cocccion, presione brevemente 1 vez el mando hasta que se produzca el centelleo del icono COMIENZO COCCION.
programa se anula. Después de haber fijiado la hora de comienzo de la cocción (ícono COMIENZO COCCION encendido fijo), presionandoNuevoamente el mando se pasa a fjjar la hora de fin de la cocción (ícono FIN COCCION de apagado眼看 a centelleante), siempre que se haya programado al menos 1 minuto, de lo contrario, la programación se anula.
Para programar la hora de fin de la cocción, siga el procedimiento descripto más arriba.
Selección el programa de coccción deseado con el mando PROGRAMAS. El hora se encenderá a la hora de comienzo fjada y se apagará a la hora de fin de la coccción elegida.
- Ejemplo: son las 9:00 horas, se fijan las 11:00 horas como hora de comienzo y las 12:15 horas como hora de fin de la cocción. El programa comienza automatistically a las 11:00 horas y se detiene a las 12:15 horas. Su duración fue de una hora y 15 Minutes.
! Para anular una programación, presione el mando durante 3seguidos:la programacion se anularayel programadorlickerayal modalidaddecoccion manual.

Poner en hora el reloj
! Se pueda realizar con el hora encendido o apagado, pero no, si se ha programado el final de una cocción. Después de la connexion a la red electrónica o afterwards
de un corte de corriente, el icono y los cuales digitos numéricos del DISPLAY centellean.
- Presione varias vezes el botón 📦asta que
centelleen el icono y las cuales cifras en el DISPLAY;
2. con los botones "+" y "-" regular la hora; si se mantienen presionados, los nombres deslizan mas velozmente para poder la fijación.
3. Esperar 10 seg. o bien presionar nuevomente el botón para hacer la programación.
Programar el controle de horas
!Esta funciona no interrupme la cocción y prescinde del uso del hora; permite sólo acontecer la sealsonora cuando se cumplen los Minutes fjados.
- Presione varias vezes el botón 📦 hasta que centelleen el icono 👨 y las tres cifras en el DISPLAY;
- con los botones "+" y "-" regular el tiempo deseado; si se mantienen presionados, los número deslizan mas velozmente para poder la fijación.
- Esperar 10 seg. o bien presionar nuevomente el botón para hacer la programación.
Continuará la visualización de la cuentatones, al final de la cuales se actionará la sealsonora.
Programar la cocción
! La programación es possible sólo afterwards de haber的选择atorio un programa de coccción.
Programar la duración de la cocción
- Presione varias vezes el botón 📁 hasta que centelleen el icono 👸 y las tres cifras en el DISPLAY;
-
- con los botones "+" y "- regular la duración眼看 a; si se mantienen presionados, los número deslizan mas velozmente para poder la fijación.
-
Esperar 10 seg. o bien presionar nuevomente el botón para hacer la programación.
-
Una vez cumplido ese tiempo, en el DISPLAY aparecerá la palabra END, la cocción finalizará y se emitirá una sealsonora. Para detenerlo presionar un botónequalquiera.
-
Ejemplo: son las 9:00 horas y se programa una duración de 1 hora y 15 Minutes. El programa se detiene automatistically a las 10:15 horas.
Programar el final de una coccción
! La programación del final de una cocción es possible sólo cuando de haber fijiado la duración de la cocción.
- Siga el procedimiento de 1 a 3 descripto para la duración;
- bajo presione el botón y hasta que centelleen el icono y las dos cifras en el DISPLAY;
-
- con los botones "+" y "-" regular la hora de coccción deseada; si se mantienen presionados, los;númos deslizan mas velozmente para poderla fijiación.
- Esperar 10 seg. o bien presionar nuevomente el botón para hacer la programación.
- Una vez cumplido ese tiempo, en el DISPLAY aparecerá la palabra END, la cocción finalizará y se emitirá una señal sonora. Para detenerlo presionar un botónequalquiera.
Los iconos y encendidos indican que se ha realizado una programación. En el DISPLAY se visualizaran alternativamente la hora de finalización de la cocción y la duración.
- Ejemplo: son las 9:00 horas, se programa una duración de 1 hora. Se programa las 12:30 como hora de finalización. El programa comenza automatistically a las 11:30 horas.
Anular una programación
Para anular una programacion:
- Presionar el botón ● hasta que centellee el icono de la programacion a anular y las cifras en el display. Presionar el botón "--" hasta que en el display aparezcan las cifras 00:00.
-
mantener presionados al mesmo tiempo los botones "+" y "-"; de este modo se anulan todas las programaciones efectuadas incluido el contador de horas.
-
Presente sólo en algunos modelos.
Programas de cocción
! En todos los programas se pueda fazer una temperatura entre 60^ y MAX, excepto en:
- GRILL (se aconseja elegirsole MAX);
- GRATIN (se aconseja no superar una temperatura de 200^ ).
Se encienden los dos elementos calentadores inferior y superior. Con esta cocción tradicional es mejor utiliser un solo nivel: si se utilizes varias bandejas se produce una mala distribución de la temperatura.
Programa MULTICOCCION
Se encienden todos los elementos calentadores (superior, inferior y circular) y se pone en configuracioniento el ventilador. Debido a que el calor es constante en todo el hora, el aire cocina y dora la comida de modo uniforme. Es possible utiliser hasta un maximum de dos niveles simultaneamente.
Programa HORNO PIZZA
Se encienden los elementos calentadores inferior y circular y se pone en funciona el ventilador.Esta combinación permite un rápido calentimiento del hora, con un fuerte aporte de calor preferentemente desde abajo. Cuando utilise más de un nivel a la vez, en la mitad de la cocción es Necessary intercambiari sus posiciones.

Programa GRILL
Se enciende el elemento calentador superior y se pone en funciona el asador automatico (cuando existe).
La temperatura elevada y directa del grill es aconsejada para los alimentos que necessitan una temperatura superficial alta. Utilice el hora con la puerta cerrada.
Programa GRATIN
Se enciende el elemento calentador superior y se ponen en funciona el ventilador y el asador automatico (cuando existe). A la irradiación tírmica unidirección, le-agrega la circulación forzada del aire en el interior del hora. Este impide que se quemen superficialmente los alimentos augmentando el poder de penetración del calor. Utilice el hora con la puerta cerrada.
- Presente sólo en algunos modelos.

Programa HORNO PASTELERIA
Se enciende el elemento calentador posterior y se pone en funciona el ventilador garantizing un calor suave y uniforme en el interior delorno. Este programa es acontejal para la cocción de alimentos delicados (por ej. las tortas que necessitan leudado) y algunos preparaciones "mignon" en 3 bandejas simultáneamente.
Asador rotativo*

Paraccionar el asador giratorio (ver /a figura) proceda del singularmente:.
- colocque la grasera en la posicion 1;
- colocque el soporte del asador rotativo en la posicion 3 e introduzca el espeton en el orificio correspondiente ubicado
en la pared posterior del horno;
- aggiunto el asador automatico seleccionando con el
mando PROGRAMAS o
Consejos practicos para cocinar
! En las cocciones ventiladas no utilise las posiciones 1 y 5: son las que reciben directamente el aire caliente que pourrait quermar las comida delicadas.
! En las cocaciones GRILL y GRATIN, colocque la grasa en la posicion 1 para recoger los residuos de cocccion (jugos y/o grasas).
MULTICOCCION
- Utilice las posiciones 2 y 4 colocando en la 2 los alimentos querequirenemayor calor.
- Coloque la grasera abajo y la parrilla arriba.
GRILL
- Introduzca la parrilla en la posicjion 3 o en la 4 y colque los alimentos en el centro de la misma.
- Se aconseja fazer el nivel de energia en el valor máximo. No sealarme si la resistencia superior no permanece constanmente encendida: su funcionaimiento es controlado por un termostato.
HORNOPIZZA
- Utilice una bandeja para pizza de aluminio liviano apoyándola sobre la parrilla suministrada con elorno.
Utilizando la grasa,aumenta el tiempo de coccción y dificilmente se obtiene una pizza crocante. - En el caso de pizzas muy condimentadas, es aconsejable colocar la mozzarella (queso típico de Italia) en la mitad de la cocción.
Tabla de coccción
| Programas | Alimentos | Peso (Kg) | Posiciones | Precalentamente (minutos) | Temperatura aconsejada | Duración de la cocción (minutos) |
| Tradicional | Pato | 1 | 3 | 15 | 200 | 65-75 |
| Asado de ternera o de vaca | 1 | 3 | 15 | 200 | 70-75 | |
| Asado de cerdo | 1 | 3 | 15 | 200 | 70-80 | |
| Bizcochos (de pastaflora) | - | 3 | 15 | 180 | 15-20 | |
| Tartas | 1 | 3 | 15 | 180 | 30-35 | |
| Multicocpción | Pizza (en 2 niveles) | 1 | 2 y 4 | 15 | 230 | 15-20 |
| Lasañas | 1 | 3 | 10 | 180 | 30-35 | |
| Cordero | 1 | 2 | 10 | 180 | 40-45 | |
| Pollo asado + patatas | 1+1 | 2 y 4 | 15 | 200 | 60-70 | |
| Caballa | 1 | 2 | 10 | 180 | 30-35 | |
| Plum-cake | 1 | 2 | 10 | 170-180 | 40-50 | |
| Hojaldre relleno con crema (en 2 niveles) | 0.5 | 2 y 4 | 10 | 190 | 20-25 | |
| Bizcochos (en 2 niveles) | 0.5 | 2 y 4 | 10 | 180 | 10-15 | |
| Bizcocho (en 1 nivel) | 0.5 | 2 | 10 | 170 | 15-20 | |
| Bizcocho (en 2 niveles) | 1 | 2 y 4 | 10 | 170 | 20-25 | |
| Tortas saladas | 1.5 | 3 | 15 | 200 | 30-40 | |
| Pizza | Pizza | 0.5 | 3 | 15 | 220 | 15-20 |
| Hogazas | 1 | 2 o 3 | 10 | 200 | 15-20 | |
| Grill | Lenguados | 1 | 4 | 5 | MAX | 8-10 |
| Broquetas de calamares y cangrejos | 1 | 4 | 5 | MAX | 6-8 | |
| Filete de merluza | 1 | 4 | 5 | MAX | 10 | |
| Verduras a la parrilla | 1 | 3 o 4 | 5 | MAX | 10-15 | |
| Bistec de ternera | 1 | 4 | 5 | MAX | 15-20 | |
| Chuletas | 1 | 4 | 5 | MAX | 15-20 | |
| Hamburguesas | 1 | 4 | 5 | MAX | 7-10 | |
| Caballa | 1 | 4 | 5 | MAX | 15-20 | |
| Tostadas | n. 4 | 4 | 5 | MAX | 2-3 | |
| Con asador automatístico (cuando existe) | ||||||
| Asado de ternera | 1.0 | - | - | 100% | 80-90 | |
| Pollo asado | 1.5 | - | - | 100% | 70-80 | |
| Cordero asado | 1.0 | - | - | 100% | 70-80 | |
| Gratinado | Pollo a la parrilla | 1.5 | 2 | 5 | 200 | 55-60 |
| Sepias | 1.5 | 2 | 5 | 200 | 30-35 | |
| Con asador automatístico (cuando existe) | ||||||
| Asado de ternera | 1.5 | - | 10 | 200 | 70-80 | |
| Cordero asado | 1.5 | - | 10 | 200 | 70-80 | |
| Pollo (asado) + patatas (en la bandeja) | 1.5 | - | 10 | 200 | 70-75 | |
| - | 2 | 10 | 200 | 70-75 | ||
| Pastelería | Tartas | 0.5 | 3 | 15 | 180 | 20-30 |
| Torta de fruta | 1 | 2 o 3 | 15 | 180 | 40-45 | |
| Plum-cake | 0.7 | 3 | 15 | 180 | 40-50 | |
| Bizcocho | 0.5 | 3 | 15 | 160 | 25-35 | |
| Creps renlos (en 2 niveles) | 1.2 | 2 y 4 | 15 | 200 | 30-35 | |
| Tortas pequeñas (en 2 niveles) | 0.6 | 2 y 4 | 15 | 180-190 | 20-25 | |
| Bizcochitos salados de hojalde y queso (en 2 niveles) | 0.4 | 2 y 4 | 15 | 200-210 | 15-20 | |
| Hojaldre renleno con crema (en 3 niveles) | 0.7 | 1 y 3 y 5 | 15 | 180 | 20-25 | |
| Bizcochos (en 3 niveles) | 0.7 | 1 y 3 y 5 | 15 | 180 | 20-25 | |
| Merengue (en 3 niveles) | 0.5 | 1 y 3 y 5 | 15 | 90 | 180 |
! Los tiempos de coccción son indicativos y se pueda modifier en base a sus gustos personales.
! El aparato ha sido proyecto y fabricado en conformidad con las normas internociales sobre seguridad. Estas advertencias se suministran por razones de seguridad y deben ser leidas atentamente.
Seguridad general
- El aparato ha sido fabricado para un uso de tipo no professionnel en el interior de una vivienda.
- El aparato no se debe instalar al aire libre, tampoco si el espacio está protegido porque es muy peligiosoURTARLO expuesto a la lluvia y a las tormentas.
- Para mover el aparato utilise siempre las manijas correspondientes ubicadas en los costados delorno.
- No toque laquina descalzo o con las manos y pie's mojados o humedes.
- El aparato debe ser utilisé para cocinar alimentos, sólo por personas adultas y siguiendo las instrucciones contentsadas en este manual. Cualquier otherwise (como por exemple: calefacción de ambientes) se debe considerar impropio y, por lo tanto, peligioso. El fabricante no pueda ser considerado responsable por los daños derivados de usos impropios, erróneos e irrazonales.
- Mientras se utilizes el aparato, los elementos calentadores y algunos partes de la puerta del hora se calientan mucho. Tenga cuidado de no tocarlos y mantenga a los niños alejados de ellos.
- Evite que el cable de alimentación electrica de otros electrodomesticos entre en contacto con partes calientes delorno.
- No obstruya las aberturas de ventilación y de eliminación del calor.
- Tome la manija de aperture de la puerta en el centro: en los costados podra-existing caliente.
- Utilice sempre guantes paraorno para introduir o extraer recipientes.
- No cubra el fondo delorno con hojas de aluminio.
- No coloque materiales inflamables en elorno: si el aparato se pone en funciona bajo inadvertamente, podra incendiarse.
- Cuando el aparato no se utilizes, controle siempre que los mandos estén en la posicion "●"/"O".
- No desconecte el aparato de la toma de corrente tirando del cable sino sujetando el enchufe.
- No realice la limpieza o el mantenimiento sin haber desconectado primero el aparato de la red electrica.
- En caso de avería, no acceda nunca a los mecanismos internos para intentar una reparación. Llamé al Servicio de Asistencia Técnica (ver Asistencia).
-
No apoye objetos pesados sobre la puerta delorno abierta.
-
No está previsto que el aparato sea utilizado por personas (incluidos los niños) con capacities físicas, sensoriales o mentales disminuidas, por personas inexpertas o que no tengan familiaridad con el producto, salvo que estén vigiladas por una persona responsable de su seguridad, o que hayan recibido instrucciones preliminares sobre el uso del aparato.
- Evite que los niños juguen con el aparato.
Eliminación
- Eliminación del material de embalaje: respete las normas locales, de esta manière los embalajés PODRAN ser reutilizados.
- La norma europea 2002/96/CE sobre la eliminación de aparatos electricos y electrónicos (RAEE), establece que los electrodométricos no se deben eliminar de la misma waya que los desechos solidos urbanos. Los aparatos en desuso se deben recoger separatamente para optimizar la tasa de recuperación y reciclaje de los materiales que los componen e impedir potecillas daños para la salute y el medio ambiente. El símbolo de la papelera tachada se incluya en todos los productos para recordar la obligación de recoilección separada.
Para Obtener mayor información sobre la correcta eliminación de electrodométricos, los poseedores de los mismos PODRAN dirigirse al serviceo publico responsable o a los revendadores.
Ahorrar y respetar el medioambiente
- Utilizando el hora en los horarios que van desde las ultimas horas de la tarde hasta las primeras horas de lamana, se colabora en la reduccion de la energia de absorccion de las entreprises electricas.
- Se recomienda efectuar siempre las cocaciones al GRILL y GRATIN con la puerta cerrada: se obtendran asiolestres resultados y también un sensible ahora de energia (10% aproximamente).
- Mantenga las jintas en buena estado y limpias para que se adhieran bien a la puerta y no provoquen dispersion del calor.
Interrumpir el suministro de corrente electrica
Antes de realizar cualquier operación, desconecte el aparato de la red de alimentación electrica.
Limpiar el aparato
- Las partes externas esmaltadas o de acero inoxidable y las juntas de goma se pueda limpar con una esponja empapada en agua tibia y jabón neutro. Si las manchas son dificiles de eliminar use productspecíficos. Se aconseja enjuagar abundamente y secar afterwards de la limpieza. No utilisepolvos abrasivos ni sustancias corrosivas.
- El interior delorno se debe limpiarpreferentamente cada vez que se utilizes, cuando todas esta está tibio. Utilice agua caliente y detergente, enjuague ySEOue con un paño suave. Evite el uso de productos abrasivos.
- Los accesorios se peuvent lavar como cualquier vajilla, incluo en lavavajillas, con exception de las guías deslizables.
! No utilise nunca limpiadores a vapor o de alta presión para la limpieza del aparato.
Limpiar la puerta
Limpie el vidrio de la puerta con esponjas y productos no abrasivos y sequelo con un paño suave; no utilizes materiales asperos abrasivos o raederas metálicas afliladas que pueda rayar la superficie y quebrar el vidrio.
Para realizar una limpieza más profunda es possible extraer la puerta del hora:
- Paraarlo,abracompletamentelapuerta(ver/afigura);
- Con un destornillador, levantar y girar las palancas F dispuestos en las dos bisagras (ver figura);



-
Sujete la puerta de los costados y ciérrela lenta pero no Completely. Luego tire la puerta hacía sí, extrayendola de su lugar (ver la figura). Vuelva a colocar la puerta siguiendo el mismoprocedimiento pero en sentido contrario.
-
Presente sólo en algunos modelos.
Controlar las juntas
Controle periodicamente el estado de la junta que rodea la puerta del hora. Si se encontrarra dañada llame al Centro de Asistencia Técnica más cercano (ver Asistencia). Es aconsejable no usar el hora hasta que no haya sido reparada.
Sustituir la bombilla
Para sustituir la bombilla de iluminacion del hora:

- Desenosque la tapa de vidrio del portalampara.
- Extraiga la bombilla y sustituyala con una análoga: potencia de 25 W, casquillo E 14.
- Vuelva a colocar la tapa (ver/a
figura).
Montaje del Kit Guías Deslizables
Para montar las guías deslizables:

- Quite los dos
bastidores
extrayendolos de los
distanciadores A (ver la
figura).

- Elija el nivel en el que va a introducir la guía desilizable. Prestando atencion al sentido de extracción de dicha guía, coloque sobre el bastidor la ensambladura B primo y luego la C.

- Fije los dos
bastadores, con las
guias montadas, en los
orificios
correspondentes
ubicados en las paredes
del hora (ver la figura).
Los orificios para el
bastidor izquierdo está
ubicados arriba,
mientras que los orificios
para el derecho están abajo.
- Porultimate,encastre losbastidores en los distanciadoresA.
No coloque las guías deslizables en la posición 5.
Paneles cataliticos laterales y posterior*
Son paneles recubiertos por un esmalte especial capaz de absorber la grasa que se desende en las cocciones.
Este esmalte es lo suficientemente resistente como para permitir el deslizamente de losDistinctos
accerios (parrillas, bandejas, etc.) sin deteriorarse.
No debe ser motivo de preocupacion la aparacion de
pequeñas trazas blancas en las superficies.
No obstarte, se debe evitar:
- rayar el esmalte con objetos cortantes (por exemple: un cuchillo);
- Utilizar detergentes o sustancias abrasivas.
Asistencia
! No recurra nunca a技术和 no autorizados.
Comunique:
- El tipo de anomalía;
- el modelos de laquina (Mod.)
- el número de série (S/N)
Esta información se incluye en la placá decharacteristicas ubicada en el aparato y/o en el embalaje.
La?siguiente informacion es valida solo para Espana Paraotherspaises dehabla hispana consulta a su vendedor
Ampliación de garantía
Llame al 902.363.539 y le informaremos sobre el fantástico plan de ampliación de garantía hasta 5 años.
Consiga una cobertura total adicional de
Piezas y componentes
Mano de obr de los先进技术
· Desplazamente a su domicilio de los先进技术
Y NO PAGUE AVERIAS NUNCA MAS
Servicio de asistencia技术水平 (SAT)
Llame al 902.133.133 y nuestros技术和 intervénzan con rapidez y eficacia, devolviendo elelectrodomestico a sus conditiones optimas defuncionamento.
En el SAT encontrará recambios, accesorios y Productospecíficos para la limpieza y Maintenimiento de su electrodométrico aPrecios competitivos.
ESTAMOS A SU SERVICIO
IT
GB
FR
Italiano, 1
English, 15
Français, 28
ES
PT
GR
Espanol, 41
Portugués,54 Eλληνικα, 67
FK 61 X /HA
FK 63J X /HA
FK 65 X /HA
FK 61 /HA
FK 63 /HA
FK 65 /HA
FKQ 61/HA
FKQ 63S C/HA
FK 63S C X /HA
FK 63S C /HA
FK 63C X /HA
FKQ 63C /HA
FK 63C /HA
7OFK 637J X RU/HA
7OFK 637J RU/HA
7OFK 638J X RU/HA
7OFK 638J RU/HA
7OFK 637JC X RU/HA
7OFK 637JC RU/HA
UT 63SC X /HA
UT 63SC /HA
UTQ 63SC /HA
FK 619J X /HA
FK 619J /HA
FKQ 616J /HA
FK 63 X /HA
FK 736JC X /HA
FK 736JC /HA
FKQ 73C /HA
UT 63 C X/HA
UT 63 C/HA
FKS 610 X /HA
FKS 610 /HA
FK 637J X /HA
FKQ 637J /HA
FKQ 637 /HA
Indices
Instalacao, 55-56
Posicionamento
Ligação électrique
Placa de identificacao
Inicioeutilizacao,58
Inicio doorno
Utilizar o controle de horas
Alca embutida
O programador de cozedura electrónico, 61
Regule o relógio
Programe oships de minutos

Vista de Conjunto
Painel de comandos


Selección o programa de cozedura que desejar mediante o selector dos PROGRAMAS.
ManualFácil