CI66VW - Fridge SCHOLTES - Free user manual and instructions
Find the device manual for free CI66VW SCHOLTES in PDF.
Questions des utilisateurs sur CI66VW SCHOLTES
0 question sur cet appareil. Repondez a celles que vous connaissez ou posez la votre.
Poser une nouvelle question sur cet appareil
Download the instructions for your Fridge in PDF format for free! Find your manual CI66VW - SCHOLTES and take your electronic device back in hand. On this page are published all the documents necessary for the use of your device. CI66VW by SCHOLTES.
USER MANUAL CI66VW SCHOLTES
Operating Instructions
OVEN
Contents
Operating Instructions,1
Warnings,2
Assistance,5
Description of the appliance,7
Description of the appliance,8
Installation,27
Oven structure,29
Start-up and use,30
Precautions and tips,41
Maintenance and care,41
FR
Français
Mode d'emploi
FOUR
Sommaire
Mode d'emploi,1
Avertissements,3
Assistance,5
WARNING: The appliance and its accessible parts become hot during use. Care should be taken to avoid touching heating elements. Children less than 8 years of age shall be kept away unless continuously supervised. This appliance can be used by children aged from 8 years and above and persons with reduced physical, sensory or mental capabilities or lack of experience and knowledge if they have been given supervision or instruction concerning use of the appliance in a safe way and understand the hazards involved. Children shall not play with the appliance. Cleaning and user maintenance shall not be made by children without supervision.
Do not use harsh abrasive cleaners or sharp metal scrapers to clean the oven door glass since they can scratch the surface, which may result in shattering of the glass.
"Before initiating the automatic cleaning cycle:
- clean the oven door;
- remove large or coarse food residues from the inside of the oven using a damp sponge. Do not use detergents;
- remove all accessories and the sliding rack kit (where present);
- do not place tea towels"
Keep children away from the appliance during the automatic cleaning cycle as surfaces may become very hot.
Never use steam cleaners or pressure cleaners on the appliance.
WARNING: Ensure that the appliance is switched off before replacing the lamp to avoid the possibility of electric shock.
! When you place the rack inside, make sure that the stop is directed upwards and in the back of the cavity.
FR
Avertissements
The appliance is fitted with an automatic diagnostic system which detects any malfunctions. Malfunctions are signalled through messages of the following type: "F—" followed by numbers.
Call for technical assistance in the event of a malfunction.
Before calling for Assistance:
- Check whether you can fix the problem yourself.
- Restart the programme to check whether the malfunction has disappeared.
If it has not, contact the Authorised Technical Assistance Service.
! Never use the services of an unauthorised technician.
Please have the following information to hand:
The type of problem encountered.
- The message shown on the TEMPERATURE display.
The appliance model (Mod.).
The serial number (S/N).
The latter two pieces of information can be found on the data plate located on the appliance.
FR
Assistance
Attention :
Description of the appliance
Overall view
1 POSITION 1
2 POSITION 2
3 POSITION 3
4 POSITION 4
5 POSITION 5
6 DIVIDER "D" POSITION
7 POSITION 6
8 POSITION 7
9 GUIDES for the sliding racks
10DRIPPING PAN
11 RACK shelf
12DIVIDER shelf
13Control panel
FR
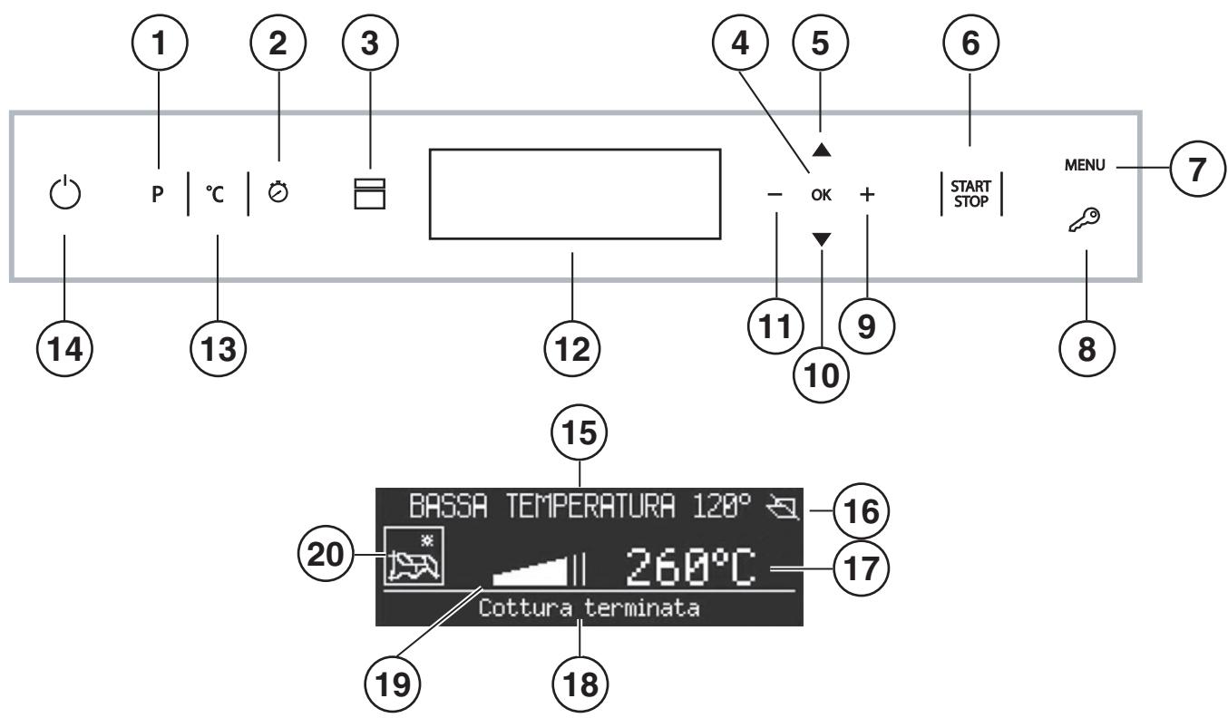
Description of the appliance
Control panel
1 Cooking mode selection
2 Time adjustment
3 SELECT RECESS button
4 OK button
5 Up arrow
6 START/STOP
7 Setup button
8 Control panel lock button
9 + button
10Down arrow
11 - button
12DISPLAY
13 Temperature adjustment
14ON/OFF
Display
15Selected Menu indicator
16Door locked indicator
17 Temperature indicator
18Suggests a course of action or displays the activity currently being performed by the oven. It also displays: TIME;
COOKING DURATION; COOKING END TIME.
19Preheating indicators
20Selected cooking mode symbol/recommended rack position

FR
Programma ARROSTO...
Programma ARROSTO...
! Please keep this instruction booklet in a safe place for future reference. If the appliance is sold, given away or moved, please make sure the booklet is also passed on to the new owners so that they may benefit from the advice contained within it.
! Please read this instruction manual carefully: it contains important information concerning the safe operation, installation and maintenance of the appliance.
Positioning
! Do not let children play with the packaging material; it should be disposed of in accordance with local separated waste collection standards (see Precautions and tips).
! The appliance must be installed by a qualified professional in accordance with the instructions provided. Incorrect installation may damage property or cause harm to people or animals.
Built-in appliances
Use an appropriate cabinet to ensure that the appliance operates properly:
- The panels adjacent to the oven must be made of heat-resistant material.
- Cabinets with a veneer exterior must be assembled with glues which can withstand temperatures of up to 100^ .
- To install the oven under the counter (see diagram) or in a kitchen unit, the cabinet must have the following dimensions:

The appliance must not come into contact with electrical parts once it has been installed.
The indications for consumption given on the data plate have been calculated for this type of installation.
Ventilation

To ensure adequate ventilation, the back panel of the cabinet must be removed. It is advisable to install the oven so that it rests on two strips of wood, or on a completely flat surface with an opening of at least 45 × 560 ~mm (see diagrams).


Centring and fixing
Position the 4 tabs on the side of the oven so that they are lined up with the 4 holes on the outer frame. Adjust the tabs according to the thickness of the cabinet side panel, as shown below:

20 mm thick: take off the removable part of the tab (see diagram).;

18 mm thick: use the first groove, which has already been set in the factory (see diagram).

16 mm thick: use the second groove (see diagram).
Secure the appliance to the cabinet by opening the oven door and putting 4 screws into the 4 holes on the outer frame.
!All parts which ensure the safe operation of the appliance must not be removable without the aid of a tool.
Electrical connection
Ovens equipped with a three-pole power supply cable are designed to operate with alternating current at the voltage and frequency indicated on the data plate located on the appliance (see below).
Fitting the power supply cable

- Open the terminal board by inserting a screwdriver into the side tabs of the cover. Use the screwdriver as a lever by pushing it down to open the cover (see diagram).
- Install the power supply cable by loosening the cable clamp screw and the three wire contact screws L-N-

Connect the wires to the corresponding terminals: the Blue wire to the terminal marked (N), the Brown wire to the terminal marked (L) and the Yellow/Green wire to the terminal marked 1一 (see diagram).
- Secure the cable by fastening the clamp screw.
- Close the cover of the terminal board.
Connecting the supply cable to the mains
Install a standardised plug corresponding to the load indicated on the data plate (see table).
The appliance must be directly connected to the mains using an omnipolar switch with a minimum contact opening of 3 mm installed between the appliance and the mains. The switch must be suitable for the charge indicated and must comply with current electrical regulations (the earthing wire must not be interrupted by the switch). The supply cable must be positioned so that it does not come into contact with temperatures higher than 50^ at any point (the back panel of the oven, for example).
! The installer must ensure that the correct electrical connection has been performed and that it is fully compliant with safety regulations.
Before connecting the appliance to the power supply, make sure that
- The appliance is earthed and the plug is compliant with the law.
- The socket can withstand the maximum power of the appliance, which is indicated on the data plate.
- The voltage is in the range between the values indicated on the data plate.
- The socket is compatible with the plug of the appliance. If the socket is incompatible with the plug, ask an authorised technician to replace it. Do not use extension cords or multiple sockets.
! Once the appliance has been installed, the power supply cable and the electrical socket must be easily accessible.
! The cable must not be bent or compressed.
! The cable must be checked regularly and replaced by authorised technicians only (see Assistance).
! The manufacturer declines any liability should these safety measures not be observed.
| APPLIANCE SPECIFICATIONS | |
| Dimensions* | width 43.5 cm height 41 cm depth 41 cm |
| Volume* | 74 l |
| Dimensions** | width 45.6 cm height 41 cm depth 41 cm |
| Volume** | 77 l |
| Electrical connections | voltage: 220 - 240 V~ 50 Hz maximum power absorbed 3400 W (see data plate) |
| ENERGY LABEL | Directive 2002/40/EC on the label of electric ovens. Standard EN 50304 Declared energy consumption for Forced convection Class – heating mode: Gratin. |
| CE 图 | This appliance conforms to the following European Economic Community directives: 2006/95/EEC dated 12/12/06 (Low Voltage) and subsequent amendments – 2004/108/EEC dated 15/12/04 (Electromagnetic Compatibility) and subsequent amendments - 93/68/EEC dated 22/07/93 and subsequent amendments. 2012/19/EEC and subsequent amendments. 1275/2008 Stand-by/off mode |
- Only for models with drawn rails.
** Only for models with wire rails.
Oven structure
The oven has a capacity of 70 litres and offers users the option of cooking on 4 shelves at the same time or cooking large quantities, which would not necessarily be possible in a traditional oven.
The 56 UNIVERSAL and AUTOMATIC cooking modes guarantee perfect results every time, regardless of the dish you are cooking.
The oven also offers maximum comfort for all requirements, with 4 different operating options: the oven is one large compartment but can be divided into separate spaces of various sizes, each with its own independent temperature and duration controls.
This is made possible thanks to the heat-insulating DIVIDER, which divides the whole ExtraLarge Space into two different-sized spaces: the Main Space and the Small Space.
The Main and Small Space compartments may be used at the same time to cook different dishes more quickly, or they may be used separately so that only the space necessary is used.
When the two compartments are used at the same time, the cooking temperature of each may be adjusted to a value between 50^ and 250^ . There may be a difference in temperature of 100^ between the two zones, which means it is possible to cook very different dishes without any flavours or aromas intermingling.




The table below lists the possible temperature values which may be set. The intelligent display will guide you through
the correct procedure used to adjust the temperature of the two cavities.
| Temperature in the first cavity (Main or Small Space) | Temperature in the second cavity (Small or Main Space) |
| Between 40°C and 150°C | The temperature difference in relation to the first recess selected is no greater than 50°C |
| For example: if you set one recess to 90°C, you may set a value of between 40°C (90°C-50°C) and 140°C (90°C+50°C) for the other. | |
| Between 155°C and 200°C | The temperature difference in relation to the first recess selected is no greater than 70°C |
| For example: if you set one recess to 180°C, you may set a value of between 110°C (180°C-70°C) and 250°C (180°C+70°C) for the other. | |
| Between 205°C and 300°C | The temperature difference in relation to the first recess selected is no greater than 100°C |
| For example: if you set one recess to 210°C, you may set a value of between 110°C (210°C-100°C) and 300°C (maximum temperature setting) for the other. | |

WARNING! The oven is provided with a stop system to extract the racks and prevent them from coming out of the oven (1).
As shown in the drawing, to extract them completely, simply lift the racks, holding them on the front part, and
pull (2).
! The first time you use your appliance, heat the empty oven with its door closed at its maximum temperature for at least half an hour. Make sure that the room is well ventilated before switching the oven off and opening the oven door. The appliance may emit a slightly unpleasant odour caused by protective substances used during the manufacturing process burning away.
! Never put objects directly on the bottom of the oven; this will prevent the enamel coating from being damaged.
! Always place cookware on the racks provided.
!During operation, we recommend the removal of any crockery or delicate foodstuffs from the cavities not being used.
! We recommend that you do not open the door when cooking foodstuffs which require proving, so as to not compromise cooking results.
!Once the cooking programme has begun, before the DIVIDER is removed, the oven must be switched off using the button.
! If you press the , , - and + buttons for an extended period of time, you will be able to scroll through the options on various lists or set values more quickly.
! Every time the oven is switched on it is set to the UNIVERSAL menu.
! If no button is pressed within 2 minutes of its activation, the display will switch off automatically.
! In order to optimise the cooking performance, when starting the selected function, product settings will be applied that could cause a delayed start of the fan and heating elements.
Cooling ventilation
In order to reduce the external temperature of the oven, a cooling fan generates a stream of air which escapes underneath the oven control panel.
! Once cooking has been completed, the cooling fan activates and deactivates automatically until the oven has cooled down sufficiently.
Oven light
When the oven is not in operation, the light may be switched on at any time by opening the oven door.
Switching the oven on for the first time
After connecting the oven to the electricity supply, the first time it is switched on the user should also switch on the control panel by pressing the button. The list of languages will appear in the menu. To choose the desired language, select it using the and buttons. Press the "OK" button to confirm. Once the selection has been made, the display will show the following parameters:
LANGUAGE
Select language
TIME
TONE
MINUTE MINDER
PYROLYTIC
EXIT Exit the menu
Set the time
Keypad tone
Set the minute minder
Select the PYROLYTIC cycle
! After choosing the language in the menu, if the display is not used for another 60 seconds it will automatically revert to the UNIVERSAL menu.
Setting the clock
To set the clock, switch on the oven by pressing the button, then press the "MENU" button and follow the steps described.
- Select the TIME command and press "OK" to begin modifying the value.
- The 4 numerical digits will begin to flash.
- Adjust the values using the - and + buttons.
- Press the "OK" button to confirm.
Setting the minute minder
The minute minder may be set whether the oven is switched on or off.
When the oven is switched off:
- Press the "MENU" button.
- The 4 numerical digits will begin to flash.
- Adjust the values using the - and + buttons.
- Press the "OK" button to confirm.
If the oven is switched on:
- Press the "MENU" button.
- Select the MINUTE MINDER command and press "OK" to begin modifying the value.
- The 4 numerical digits will begin to flash.
- Adjust the values using the -and + buttons.
- Press the "OK" button to confirm.
- Once this has been set, the oven may be switched off.
The display will show the time on the minute minder: when the set time has elapsed, the oven will emit a sound alert. This will automatically stop after one minute or when any symbol on the control panel is pressed.
! The minute minder does not switch the oven on or off.
Child lock
The Child lock function may be used to lock the oven control panel.
To activate the function, press the button, select the SWITCH ON option, then press the "OK" button to confirm the setting.
To deactivate the function, repeat the procedure, this time selecting the DO NOT SWITCH ON option.
The child lock may be activated while the oven is in use, or while it is switched off. The child lock function can also be deactivated in all the above situations and after the oven has completed the cooking programme.
ExtraLarge Space
! Do not use position "D" for racks.
Starting the oven
! Every time the oven is switched on it is set to the UNIVERSAL menu.
! To return to the main programme selector menu screen, press the "P" button.
-
Switch the control panel on by pressing the button.
-
The display shows:
AUTOMATIC
UNIVERSAL
MY RECIPES
with the first option selected (black text on a white background).
-
Use the or buttons to select the desired option and confirm by pressing "OK". The display will then show the list of cooking programmes.
-
Use the or buttons to select the desired cooking programme and confirm by pressing "OK".
-
Press the "START/STOP" button to begin cooking.
-
The oven will begin its preheating stage.
-
When the preheating process has finished, a buzzer sounds and all the preheating indicator lights show that this stage has been completed:
-
During cooking it is always possible to:
-
modify the temperature by pressing the “°C” button, adjust the figure using the - and + buttons and confirm by pressing “OK” (for UNIVERSAL cooking modes only);
-
set the cooking duration (for UNIVERSAL cooking modes only);
-
stop cooking by pressing the "START/STOP" button;
-
Set the timer by pressing the "MENU" button.;
-
switch off the oven by pressing the button.
-
If a blackout occurs while the oven is already in operation, an automatic system within the appliance will reactivate the cooking mode from the point at which it was interrupted, provided that the temperature has not dropped below a certain level. Programmed cooking modes which have not yet started will not be restored and must be reprogrammed.
! When using the oven in its ExtraLarge configuration, it will not be possible to use the Main and Small Space features: the button is disabled.
UNIVERSAL COOKING MODES
! All cooking modes have a default cooking temperature which may be adjusted manually as desired, between 30 ^ C and 300^ C (where possible).
UNIVERSAL cooking modes include all manual programmes. The oven controls all essential aspects of each of these cooking modes and makes it easier for you to create the perfect dish, from the simplest recipe to the most sophisticated culinary delights: the temperature, heat source, humidity and fan assisted operation are all controlled automatically.
This chapter was written with the help of our very own culinary expert. We invite you to follow his advice so you can benefit from his experience and perfect your cooking skills. The recommended cooking modes, temperatures and oven shelf heights reflect our expert's own experience in the kitchen and will help you achieve the very best results. The table below specifies whether it is best to pre-heat your oven or not for each UNIVERSAL cooking mode. Observing these suggestions will guarantee perfect results.
If you wish to place food in a preheated oven, wait for the preheating stage to be completed (this will be signalled by a series of beeps).
The temperature is set automatically, according to the cooking mode selected; however, you may adjust it to suit your recipe.
You can also set a cooking duration with an immediate or delayed start.

MULTILEVEL mode
All heating elements and the fan are activated. Since the heat remains constant throughout the oven, the air cooks and browns food in a uniform manner. A maximum of four racks may be used at the same time.

GRILL mode
The top heating element comes on. The high and direct temperature of the grill is recommended for food which requires a high surface temperature. Always cook in this mode with the oven door closed.

ROTISSEIRE mode
The top heating element and the rotisserie spit will be activated. The function is ideal for rotisserie spit cooking. Always cook in this mode with the oven door closed.

FAN GRILLING mode
The top and circular heating elements switch on and the fan begins to operate. This combination of features increases the effectiveness of the unidirectional thermal radiation provided by the heating elements through the forced circulation of the air throughout the oven. This mode is ideal for cooking gratin dishes, lasagne, etc...
Always cook in this mode with the oven door closed.

CONVENTIONAL OVEN mode
When using this traditional cooking mode, it is best to use one cooking rack only. Recommended for slow cooking, or cooking with a bain-marie. When using a bain-marie, the water should be poured directly into the dripping pan.

ROAST mode
The top and circular heating elements switch on and the fan begins to operate. This combination of features increases the effectiveness of the unidirectional thermal radiation provided by the heating elements through the forced circulation of the air throughout the oven. This helps prevent food from burning on the surface and allows the heat to penetrate right into the food.
Always cook in this mode with the oven door closed.

PROVING mode
The circular heating element will come on and the fan will operate during the preheating stage only. The oven temperature is ideal for activating the rising process. Always cook in this mode with the oven door closed.
The parameters used make this cooking mode ideal for desserts containing natural yeast.

TARTS mode
The parameters used make this cooking mode ideal for all tart recipes.

DESSERTS mode
This cooking mode is suitable for all baked desserts which do not fall into the PASTRIES or TARTS category (for example, small choux pastries, sponge cake, etc...).

TRADITIONAL/QUICK MERINGUE mode
The default temperatures cannot be modified.
The TRADITIONAL MERINGUE cooking mode is ideal for drying meringues. The QUICK MERINGUE cooking mode is ideal for browning meringues.

DEFROST mode
The fan at the bottom of the oven circulates room-temperature air around the food. This mode is suitable for defrosting any type of food, especially delicate items that should not be heated, for example: ice-cream cakes or cakes made with custard, cream or fruit.

LOW TEMPERATURE modes
This type of cooking mode, used for years by industry professionals, enables food (meat, fish, fruit and vegetables) to be cooked at very low temperatures (85, 95 and 120^ ), thereby guaranteeing a perfect level of cooking and enhancing the taste as much as possible.
The value of these advantages should not be underestimated:
- as the cooking temperatures are very low (in general they are lower than the temperature required for evaporation), the dispersion of cooking sauces due to evaporation is substantially reduced and the food becomes softer;
- when cooking meat, the muscle fibres contract less than they would during a classic cooking cycle. The result is a more tender meat which does not need to be rested after it is cooked. Meat should be browned before it is placed in the oven.
Cooking vacuum-packed foods at low temperatures, a technique used for over 30 years by the most prestigious chefs, brings many advantages:
- culinary: flavours are concentrated and the taste, softness and tenderness of the food are maintained;
- hygienic: provided that hygiene regulations are respected, this type of cooking protects the food from the harmful effects of oxygen, thus ensuring that the dishes may be stored for longer in the refrigerator;
- organisational: thanks to the longer storage period, dishes may be prepared well in advance.
- diet-related: this type of cooking limits the amount of fatty substances used and therefore means that the food is lighter and easier to digest;
- financial: the food shrinks less so there is more of the product left after it has been cooked.
To use this technique, you must use a vacuum-packing
machine and the appropriate bags. Follow the instructions supplied relating to vacuum-packing food carefully.
The vacuum-packing technique may also be used for raw products (fruit, vegetables, etc.) as well as pre-cooked products (traditional cooking).

PASTEURISATION mode
This cooking mode is suitable for fruit, vegetables, etc... Small containers may be placed on 3 shelf levels. Let the containers cool inside the oven. Place the food inside the oven while it is still cold.
Rotisserie spit

To operate the rotisserie spit (see diagram) proceed as follows:
- Place the dripping pan in position 1.
-
Place the rotisserie support in position 3 and insert the spit in the hole provided on the back panel of the oven.
-
Start the spit roast function by selecting the symbols.
AUTOMATIC cooking modes
! Do not open the oven door as this will disrupt the cooking time and temperature.
! The temperature and cooking duration are preset values guaranteeing a perfect result every time - automatically. These values are set using the C.O.P.®
(Programmed Optimal Cooking) system. The cooking cycle stops automatically and the oven indicates when the dish is cooked. This chapter was written with the help of our very own culinary expert. We invite you to follow his advice so you can benefit from his experience and perfect your cooking skills. The recommended cooking modes, temperatures and oven shelf heights reflect our expert's own experience in the kitchen and will help you achieve the very best results.

ROAST... mode
Use this function to cook beef, veal, pork, chicken and lamb. Place the food inside the oven while it is still cold. The dish may also be placed in a preheated oven. Some of the ROAST modes offer the option of selecting the desired cooking level: WELL DONE, MEDIUM or RARE.

TARTS... mode
This function is ideal for all tart recipes (which normally need to be heated well from underneath). Place the food inside the oven while it is still cold.
The dish may also be placed in a preheated oven.

BRIOCHE mode
This function is ideal for baked desserts (made using natural yeast). Place the food inside the oven while it is still cold. The dish may also be placed in a preheated oven.

CAKE mode (PLUM-CAKE)
This function is ideal for all recipes made using baking powder. Place the food inside the oven while it is still cold. The dish may also be placed in a preheated oven.

DESSERTS mode
This function is ideal for all other recipes which do not contain yeast (not tarts). Place the food inside the oven while it is still cold. The dish may also be placed in a preheated oven.

BREAD mode
Use this function to make bread. Please see the following chapter for further details.
To obtain the best results, we recommend that you carefully observe the instructions below:
-
follow the recipe;
-
remember to pour 150g (150 ml) of cold water into the dripping pan, which should be placed in position 7.
Place the food inside the oven while it is still cold. If you wish to place the food in the oven after it has been preheated, immediately following a high-temperature cooking programme, the text "OVEN TOO HOT" will appear on the display until the temperature of the oven has fallen to 40^ . At this point it will be possible to place the bread in the oven.
Recipe for BREAD (maximum amount of dough):
Ingredients:
1.3 kg flour
- 700 g water
25g salt
- 50 g fresh baker's yeast or 4 sachets dried yeast powder. Method:
- Mix the flour and salt in a large bowl.
- Dilute the yeast in lukewarm water (approximately 35 degrees).
Make a small well in the mound of flour.
- Pour in the water and yeast mixture.
- Knead the dough by stretching and folding it over itself with the palm of your hand for 10 minutes, until it has a uniform consistency and is not too sticky.
- Form the dough into a ball shape, place it in a large bowl and cover it with transparent plastic wrap to prevent the surface of the dough from drying out. Place the bowl in the oven, set to 40^ using the PROVING function, and leave to rise for approximately 30-45 minutes. Alternatively, leave at room temperature for approximately 1 hour (until the dough has doubled in volume).
- Break up the dough, kneading gently, and divide it to create several loaves.
- Place them on a sheet of baking paper (cut to the same size as the inside of the dripping pan) on top of the rack (or on 2 or 3 racks if you wish to cook the loaves on different shelves) and dust them lightly with flour.
- Make a few incisions in the top using a sharp blade.
- Place the rack in the oven, on shelf level 2 if using only
one level, or place two racks on shelf levels 1 and 4 if using two levels, or place three racks on shelf levels 1, 3 and 5 if using three levels.
- Place the dripping pan on shelf level 7 and pour in 150 gr (1,5 dl) cold water.
- Place the food inside the oven while it is still cold.
- Start the automatic function BREAD.
- When the cooking process has finished, leave the loaves to rest on the rack until they have completely cooled.

PIZZA mode
Use this function when making pizza (dough of a particular thickness). It is possible to select the desired cooking level: MEDIUM, CRISPY or SOFT.
To obtain the best results, we recommend that you carefully observe the instructions below:
- follow the recipe;
- the weight of the dough should be between 350 g and 500 g;
- lightly grease the dripping pan and the baking trays.
Place the food inside the oven while it is still cold. If you wish to place the food in the oven after it has been preheated, immediately following a high-temperature cooking programme, the text "Hot" will appear on the display until the temperature of the oven has fallen to 120^ . At this point it will be possible to place the pizza in the oven.
Recipe for PIZZA:
Makes 3 or 4 pizzas: 1000g flour, 500ml water, 20g salt, 20g sugar, 100ml olive oil, 20g fresh yeast (or 2 sachets of powder yeast)
- Proving at room temperature: 1 hour, or PROVING function set to 40^ . Leave to rise for approximately 30-45 minutes.
- Place the food inside the oven while it is still cold.
- Start the PIZZA cooking mode.
Small Space
Starting the oven
- Fit the DIVIDER to the DIVIDER shelf “D” using the pin, with the arrows turned towards the rear part of the oven. A buzzer will sound to confirm that the DIVIDER has been fitted correctly; it will then be possible to use the two Main and Small Space compartments separately or at the same time.
! The button will be enabled.
-
Switch the control panel on by pressing the button.
-
The display shows:
AUTOMATIC
UNIVERSAL
MY RECIPES
with the first option selected (white text on a black background).
- Use the or buttons to select the desired option and confirm by pressing "OK". The display will then show the list of cooking programmes.
-
Use the or buttons to select the desired cooking programme and confirm by pressing "OK".
-
Press the "START/STOP" button to begin cooking.
- The oven will begin its preheating stage.
- When the preheating process has finished, a buzzer sounds and all the preheating indicator lights show that this stage has been completed:
- During cooking it is always possible to:
- modify the temperature by pressing the “°C” button, adjust the figure using the - and + buttons and confirm by pressing “OK” (for UNIVERSAL cooking modes only);
- set the cooking duration (for UNIVERSAL cooking modes only);
- stop cooking by pressing the "START/STOP" button;
- Set the timer by pressing the "MENU" button;
- switch off the oven by pressing the button.
- If a blackout occurs while the oven is already in operation, an automatic system within the appliance will reactivate the cooking mode from the point at which it was interrupted, provided that the temperature has not dropped below a certain level. Programmed cooking modes which have not yet started will not be restored and must be reprogrammed.
UNIVERSAL cooking modes

GRILL mode
The top heating element comes on. The high and direct temperature of the grill is recommended for food which requires a high surface temperature. This function is particularly suitable for browning food, cooking gratins, colouring meringues, making toasted sandwiches and grilling small quantities of thin, lean meat. Always cook in this mode with the oven door closed.

FAST COOKING mode
This function requires the oven to be preheated. This function is particularly suitable for cooking pre-packed food quickly (frozen or pre-cooked).

REHEATING mode
This function is suitable for the reheating of previously cooked dishes which have been stored either in the refrigerator or in the freezer.
AUTOMATIC cooking modes

PIZZA WITH STONE mode
Use this function to make pizza (thin dough).
- Preheat the firebrick pizza stone on the rack in shelf position 6.
- When the preheating phase is complete (buzzer sounds) the oven will display the message "PUT DISH IN THE OVEN AND PRESS START".
- Place the pizza in the oven using the palette knife supplied and confirm that you have done so by pressing the "START/STOP" button.
- Once the short cooking process is complete (3-4 minutes), a buzzer will indicate the start of a browning phase.
- When the pizza is cooked to your liking, remove it from the oven using the palette knife supplied.
To cook another pizza, wait for the oven to indicate that it
has reached the optimal temperature once more.
It is also possible to cook several pizzas in sequence, within a very short space of time (for example, if you wish to have a pizza which is ready to eat every 7-8 minutes).
Main Space
Starting the oven
- Fit the DIVIDER to the DIVIDER shelf “D” using the pin, with the arrows turned towards the rear part of the oven. A buzzer will sound to confirm that the DIVIDER has been fitted correctly; it will then be possible to use the two Main and Small Space compartments separately or at the same time.
!The button will be enabled.
! To return to the main programme selector menu screen, press the "P" button.
-
Switch the control panel on by pressing the button.
-
The display shows:
UNIVERSAL
AUTOMATIC
MY RECIPES
with the first option selected (white text on a black background).
- Use the or buttons to select the desired option and confirm by pressing "OK". The display will then show the list of cooking programmes.
- Use the or buttons to select the desired cooking programme and confirm by pressing "OK".
- Press the "START/STOP" button to begin cooking.
- The oven will begin its preheating stage.
- When the preheating process has finished, a buzzer sounds and all the preheating indicator lights show that this stage has been completed:
- During cooking it is always possible to:
- modify the temperature by pressing the “°C” button, adjust the figure using the - and + buttons and confirm by pressing “OK” (for UNIVERSAL cooking modes only);
- set the cooking duration (for UNIVERSAL cooking modes only);
- stop cooking by pressing the "START/STOP" button;
- Set the timer by pressing the "MENU" button;
- switch off the oven by pressing the button.
- If a blackout occurs while the oven is already in operation, an automatic system within the appliance will reactivate the cooking mode from the point at which it was interrupted, provided that the temperature has not dropped below a certain level. Programmed cooking modes which have not yet started will not be restored and must be reprogrammed.
UNIVERSAL cooking modes
! All cooking modes have a default cooking temperature which may be adjusted manually as desired, between 30 ^ C and 300^ C (where possible).
UNIVERSAL cooking modes include all manual programmes. The oven controls all essential aspects of each of these cooking modes and makes it easier for you to create the perfect dish, from the simplest recipe to the most sophisticated
culinary delights: the temperature, heat source, humidity and fan assisted operation are all controlled automatically. This chapter was written with the help of our very own culinary expert. We invite you to follow his advice so you can benefit from his experience and perfect your cooking skills. The recommended cooking modes, temperatures and oven shelf heights reflect our expert's own experience in the kitchen and will help you achieve the very best results.
The table below specifies whether it is best to pre-heat your oven or not for each UNIVERSAL, cooking mode. Observing these suggestions will guarantee perfect results.
If you wish to place food in a preheated oven, wait for the preheating stage to be completed (this will be signalled by a series of beeps).
The temperature is set automatically, according to the cooking mode selected; however, you may adjust it to suit your recipe.
You can also set a cooking duration with an immediate or delayed start.

MULTILEVEL mode
Since the heat remains constant throughout the oven, the air cooks and browns food in a uniform manner. A maximum of three racks may be used at the same time.

ROAST mode
The circular heating element, as well as the fan, will come on. This combination of features increases the effectiveness of the unidirectional thermal radiation provided by the heating elements through the forced circulation of the air throughout the oven. This helps prevent food from burning on the surface and allows the heat to penetrate right into the food.
Always cook in this mode with the oven door closed.

PROVING mode
The circular heating element will come on and the fan will operate during the preheating stage only. The oven temperature is ideal for activating the rising process. Always cook in this mode with the oven door closed.

BRIOCHE mode
The parameters used make this cooking mode ideal for desserts containing natural yeast.

TARTS mode
The parameters used make this cooking mode ideal for all tart recipes.

DESSERTS mode
This cooking mode is suitable for all baked desserts which do not fall into the PASTRIES or TARTS category (for example, small choux pastries, sponge cake, etc...).

TRADITIONAL/QUICK MERINGUE mode
The default temperatures cannot be modified.
The TRADITIONAL MERINGUE cooking mode is ideal for drying meringues. The QUICK MERINGUE cooking mode is ideal for browning meringues.

DEFROST mode
The fan at the bottom of the oven circulates room-temperature air around the food. This mode is suitable for
defrosting any type of food, especially delicate items that should not be heated, for example: ice-cream cakes or cakes made with custard, cream or fruit.

LOW TEMPERATURE mode
This type of cooking mode, used for years by industry professionals, enables food (meat, fish, fruit and vegetables) to be cooked at very low temperatures (85, 95 and 120^ ), thereby guaranteeing a perfect level of cooking and enhancing the taste as much as possible.
The value of these advantages should not be underestimated:
- as the cooking temperatures are very low (in general they are lower than the temperature required for evaporation), the dispersion of cooking sauces due to evaporation is substantially reduced and the food becomes softer;
- when cooking meat, the muscle fibres contract less than they would during a classic cooking cycle. The result is a more tender meat which does not need to be rested after it is cooked. Meat should be browned before it is placed in the oven.
Cooking vacuum-packed foods at low temperatures, a technique used for over 30 years by the most prestigious chefs, brings many advantages:
- culinary: flavours are concentrated and the taste, softness and tenderness of the food are maintained;
- hygienic: provided that hygiene regulations are respected, this type of cooking protects the food from the harmful effects of oxygen, thus ensuring that the dishes may be stored for longer in the refrigerator;
- organisational: thanks to the longer storage period, dishes may be prepared well in advance.
- diet-related: this type of cooking limits the amount of fatty substances used and therefore means that the food is lighter and easier to digest;
- financial: the food shrinks less so there is more of the product left after it has been cooked.
To use this technique, you must use a vacuum-packing machine and the appropriate bags. Follow the instructions supplied relating to vacuum-packing food carefully.
The vacuum-packing technique may also be used for raw products (fruit, vegetables, etc.) as well as pre-cooked products (traditional cooking).

PASTEURISATION mode
This cooking mode is suitable for fruit, vegetables, etc...
Small containers may be placed on 3 shelf levels. Let the containers cool inside the oven. Place the food inside the oven while it is still cold. Place the food inside the oven while it is still cold.
AUTOMATIC cooking modes
! Do not open the oven door as this will disrupt the cooking time and temperature.
! The temperature and cooking duration are pre-set values, guaranteeing a perfect result every time - automatically. These values are set using the C.O.P.® (Programmed Optimal Cooking) system. The cooking cycle stops automatically and the oven indicates when the dish is cooked.
This chapter was written with the help of our very own culinary
expert. We invite you to follow his advice so you can benefit from his experience and perfect your cooking skills. The recommended cooking modes, temperatures and oven shelf heights reflect our expert's own experience in the kitchen and will help you achieve the very best results.

ROAST... mode
Use this function to cook beef, veal, pork, chicken and lamb. Place the food inside the oven while it is still cold. The dish may also be placed in a preheated oven. Some of the ROAST modes offer the option of selecting the desired cooking level: WELL DONE, MEDIUM or RARE.

SHORTCRUST TARTS mode
This function is ideal for all recipes which use shortcrust pastry (usually made without eggs). Place the food inside the oven while it is still cold. The dish may also be placed in a preheated oven.

TARTS mode
This function is ideal for all tart recipes (which normally need to be heated well from underneath). Place the food inside the oven while it is still cold. The dish may also be placed in a preheated oven.

BRIOCHE mode
This function is ideal for baked desserts (made using natural yeast). Place the food inside the oven while it is still cold. The dish may also be placed in a preheated oven.

CAKE mode
This function is ideal for all recipes made using baking powder. Place the food inside the oven while it is still cold. The dish may also be placed in a preheated oven.

DESSERTS mode
This function is ideal for all other recipes which do not contain yeast (not tarts). Place the food inside the oven while it is still cold. The dish may also be placed in a preheated oven.

SOFTPIZZA/CRISPYPIZZAMode
Use this function when making pizza (dough of a particular thickness). Please see the following chapter for further details. To obtain the best results, we recommend that you carefully observe the instructions below:
- follow the recipe;
- the weight of the dough should be between 350 g and 500 g;
- lightly grease the dripping pan and the baking trays.
Place the food inside the oven while it is still cold. If you wish to place the food in the oven after it has been preheated, immediately following a high-temperature cooking programme, the text "OVEN TOO HOT" will appear on the display until the temperature of the oven has fallen to 120^ . At this point it will be possible to place the pizza in the oven.
Recipe for PIZZA:
Makes 3 or 4 pizzas: 1000g flour, 500ml water, 20g salt, 20g sugar, 100ml olive oil, 20g fresh yeast (or 2 sachets of powder yeast)
- Proving at room temperature: 1 hour, or manual PROVING function set to 40^ . Leave to rise for approximately 30-45 minutes.
- Place the food inside the oven while it is still cold.
- Start the PIZZA cooking mode.
Using the Small Space and Main Space at the same time
! Simultaneous operation is only possible when using the UNIVERSAL functions
Starting the oven
- Fit the DIVIDER to the DIVIDER shelf “D” using the pin, with the arrows turned towards the rear part of the oven. A buzzer will sound to confirm that the DIVIDER has been fitted correctly; it will then be possible to use the two Main and Small Space compartments separately or at the same time.
!The button will be enabled.
To return to the main programme selector menu screen, press the "P" button.
! Thanks to the high energy efficiency of the appliance, it only takes around 15 minutes for the SMALL SPACE cavity to preheat.
! If the MAIN SPACE is set at a temperature below 150^ C , in order to safeguard the cooking results, the grill function will not start: the display will show the text OFF.
- Switch the control panel on by pressing the button.
- Press the button to select the cavity in which you wish to perform the cooking cycle. The icon indicates that the Small Space has been selected and that it is therefore possible to adjust the Small Space settings; the icon lit up on the display indicates that the Main Space has been selected and that it is therefore possible to adjust the Main Space settings.
- Press the "P" button. The display shows:
AUTOMATIC
UNIVERSAL
MY RECIPES
with the first option selected (white text on a black background).
- Use the or buttons to select the desired option and confirm by pressing "OK". The display will then show the list of cooking programmes.
- Use the or buttons to select the desired cooking programme and confirm by pressing "OK".
- Press the "START/STOP" button to begin cooking.
- The oven will begin its preheating stage.
- When the preheating process has finished, a buzzer sounds show that this stage has been completed:
- The black text on a white background is used to indicate which cavity is in use. To modify the settings of the other cavity, press the button. During cooking it is always possible to:
- modify the temperature by pressing the “°C” button, adjust the figure using the - and + buttons and confirm by pressing
"OK" (for UNIVERSAL cooking modes only);
- set the cooking duration (for UNIVERSAL cooking modes only);
- stop cooking by pressing the "START/STOP" button;
- Set the timer by pressing the "MENU" button;
- switch off the oven by pressing the button.
- If a blackout occurs while the oven is already in operation, an automatic system within the appliance will reactivate the cooking mode from the point at which it was interrupted, provided that the temperature has not dropped below a certain level.
Programmed cooking modes which have not yet started will not be restored and must be reprogrammed.
My recipes
The MY RECIPES function can only be activated for UNIVERSAL cooking modes, and modes for which a duration has been set.
The recipe is only stored in the memory of the appliance once the cooking cycle has ended.
A set number of procedures with different temperatures and durations may be stored (10 in total), if at least one minute passes between one procedure and the next. A maximum of 10 cooking programmes may be stored for the EXTRALARGE SPACE, 3 for the SMALL SPACE and 3 for the MAIN SPACE. You may also select the memory slot you wish to use. When the divider is inserted and if two UNIVERSAL cooking programmes are taking place at the same time in the two separate cavities, it will not be possible to store either cooking cycle in the memory of the appliance. In order to differentiate between saved recipes so that it is easier to search the list, the name under which each cooking cycle will be saved consists of:
- MY RECIPE + progressive number (1, 2, 3, etc.)
-
INITIAL TEMPERATURE + SYMBOL (IF AVAILABLE)* (e.g. 170^ )
DURATION (e.g. 00:30) -
Meaning of the symbols:
- no symbol: the initial temperature was set and remained unchanged;
- : the initial temperature was only decreased;
- ↑: the initial temperature was only increased;
- : the initial temperature was both increased and decreased.
Programming cooking
Programming is possible in all oven configurations: EXTRALARGE, MAIN and SMALL SPACE, even if the latter two are being used simultaneously.
Programming the duration
! Only the duration of UNIVERSAL cooking programmes may be set.
! Programming may also take place before a cooking cycle is begun, using the "START/STOP" button.
- Press the selector button; the DURATION option will appear on the display.
-
Adjust the value using the - and + buttons.
-
Press the "OK" button to confirm.
- Press the "START/STOP" button to activate the programmed process.
- When the cooking time has elapsed, a buzzer sounds and the oven switches off.
- For example: it is 9:00 a.m. and a time of 1 hour and 15 minutes is programmed. The programme will stop automatically at 10:15 a.m.
Programming delayed cooking
! A delayed cooking programme may be scheduled when setting the duration.
!A cooking mode must be selected - but not started - before programming can take place.
- Follow steps 1 to 2 to set the duration as detailed above.
- Select the END COOKING option using the button.
- Adjust the value using the - and + buttons.
- Press the "OK" button to confirm.
- Press the "START/STOP" button to activate the programmed process.
- When the cooking time has elapsed, a buzzer sounds and the oven switches off.
- For example: it is 9:00 a.m. and a time of 1 hour and 15 minutes is programmed, while the end time is set to 12:30. The programme will start automatically at 11:15 a.m.
The message WAITING shows that a programme has been scheduled. The display shows the cooking end time and the cooking duration alternately.
The cooking duration and end time may be modified while the oven is waiting to start, by following the procedure detailed above.
To cancel programming, switch the oven off .
Practical cooking advice
MULTILEVEL
- Use positions 1, 3, 5 and 6.
- Place the dripping pan at the bottom and the rack at the top.
- When cooking pizzas or focaccia breads, use a lightweight aluminium tray with a maximum diameter of 30~cm , placing it on top of the rack supplied. If the pizza has a lot of toppings, we recommend adding the mozzarella cheese to the top of the pizza halfway through the cooking process. During the cooking process, it is advisable to change the order of the shelves.
PIZZA or FOCACCIA
- Use a light aluminium tray with a maximum diameter of 30~cm , placing it on top of the rack supplied.
- If the pizza has a lot of toppings, we recommend adding the mozzarella cheese on top of the pizza halfway through the cooking process.
GRILL
- Preheat the oven for 5 minutes.
- Fit the DIVIDER to the DIVIDER rack "D".
- Keep the oven door closed when cooking in this mode.
- Place the rack in position 7. Position the food in the centre of the rack. Position the dripping pan on shelf level 6.
- This function is particularly suitable for browning food, cooking gratins, colouring meringues, making toasted sandwiches and grilling small quantities of thin, lean meat.
- We recommend that the power level is set to maximum. The top heating element is regulated by a thermostat and may not always operate constantly.
FAST COOKING
- Preheat the oven, making sure the dripping pan is on shelf level 6.
- When cooking frozen foods, always follow the instructions on the packaging.
Cooking advice table for ovens with an ExtraLarge Space cavity
| Function | Foods | Weight (in kg) | Cook on no. of shelves No. | Rack position | Preheating | Recommended temperature (°C) | Cooking duration (minutes) | |||
| Universal | Dripping pan | Rack 1 | Rack 2 | Rack 3 | ||||||
| Tarts* | Tarts | 3 | 1 | 4 | 6 | Yes | 200 | 40-50 | ||
| 4 | 1 | 3 | 5 | 6 | Yes | 200 | 45-55 | |||
| Pizza | 3 | 1 | 4 | 6 | Yes | 220 | 25-35 | |||
| 4 | 1 | 3 | 5 | 6 | Yes | 220 | 30-40 | |||
| Pastries* | Panettone | 1 | 1 or 2 | Yes | 160 | 45-60 | ||||
| Desserts* | Cream puffs | 3 | 1 | 4 | 6 | Yes | 190 | 30-40 | ||
| 4 | 1 | 3 | 5 | 6 | Yes | 190 | 30-40 | |||
| Cookies | 3 | 1 | 4 | 6 | Yes | 180 | 20-30 | |||
| 4 | 1 | 3 | 5 | 6 | Yes | 180 | 20-30 | |||
| Small pastries | 3 | 1 | 4 | 6 | Yes | 200 | 40-50 | |||
| Sponge cake made with yoghurt | 2 | 1 | 4 or 5 | Yes | 160 | 60-75 | ||||
| Sponge cake | 2 | 2 | 5 | Yes | 190 | 35-40 | ||||
| 3 | 1 | 4 | 6 | Yes | 190 | 40-45 | ||||
| Multilevel* | Crème caramel (bain-marie) | 2 | 2 | 5 | Yes | 170 | 35-45 | |||
| 3 | 1 | 4 | 6 | Yes | 170 | 40-45 | ||||
| Large cut of meat | 1 | 2 | Yes | 160 | 90-240 | |||||
| Roast* | Roast pork, veal... | 2 | 1 | 5 | No | 200 | 35-75 | |||
| Large game roasting joint | 1 | 1 | No | 190 | 90-120 | |||||
| Fan grilling* | Gratin | 1 | 3 or 4 | No | 190 | 40-60 | ||||
| Grill* | Beef ribs | 1 | 3 | 4 or 5 | No | 270-300 | 20-30 | |||
| Sausages | 1 | 3 | 5 to 7 | No | 270-300 | 10-20 | ||||
| Pork ribs | 1 | 3 | 5 to 7 | No | 270-300 | 15-25 | ||||
| Bacon | 1 | 3 | 5 to 7 | No | 270-300 | 3-6 | ||||
| Proving* | Proving / Defrosting | 1 | 2 | No | 40 | |||||
| Traditional meringues* | White meringues | 4 | 1 | 3 | 5 | 6 | No | 70 | 8-12 hours | |
| Quick meringues* | Brown meringues | 4 | 1 | 3 | 5 | 6 | No | 110 | 1.5-2 hours | |
| Low temperature 85°C* | Meat / Fish | 3 | 1 | 3 | 5 | No | 85 | 90-180 | ||
| Pasteurisation | Fruit, vegetables, etc. | 2 | Yes | 110 | ||||||
| Automatic | ||||||||||
| Bread | Bread (see recipe) | 2 | 1 | 7** | 2 | No | ||||
| 2 | 2 | 7** | 1 | 4 | No | |||||
| 2 | 3 | 7** | 1 | 3 | 5 | No | ||||
| Roast... | Roast dishes | 2 | 1 | 5 | No | |||||
| Desserts | Desserts | 3 | 1 | 4 | 6 | No | ||||
| 4 | 1 | 3 | 5 | 6 | No | |||||
| Tarts | Tarts | 3 | 1 | 4 | 6 | No | ||||
| 4 | 1 | 3 | 5 | 6 | No | |||||
| Brioche | Pastries | 2 | 1 | 5 | No | |||||
| Cake | Sponge cake made with yoghurt | 2 | 1 | 5 | No | |||||
| 3 | 1 | 4 | 6 | No | ||||||
| Pizza | Pizza (see recipe) | 3 | 1 | 4 | 6 | No | ||||
| 4 | 1 | 3 | 5 | 6 | No | |||||
- The cooking times listed above are intended as guidelines only and may be modified in accordance with personal tastes. Oven preheating times are set as standard and may not be modified manually.
** As stated in the recipe, p our 150 g (1,5 dl) water into the dripping pan.
Cooking advice table for the Main Space feature
| Function | Foods | Weight (in kg) | Cook on no. of shelves No. | Rack position | Preheating | Recommended temperature (°C) | Cooking duration (minutes) | ||
| Universal | Dripping pan | Rack 1 | Divider | ||||||
| Tarts* | Tarts | 1 | 2 | D | Yes | 200 | 30-40 | ||
| 2 | 1 | 3 | D | Yes | 200 | 35-45 | |||
| Pizza | 1 | 2 | D | Yes | 220 | 15-25 | |||
| 2 | 1 | 3 | D | Yes | 220 | 20-30 | |||
| Desserts* | Cream puffs | 1 | 2 | D | Yes | 190 | 25-35 | ||
| 2 | 1 | 3 | D | Yes | 190 | 25-35 | |||
| Cookies | 1 | 2 | D | Yes | 180 | 15-25 | |||
| 2 | 1 | 3 | D | Yes | 180 | 15-25 | |||
| Small pastries | 1 | 2 | D | Yes | 200 | 30-40 | |||
| 2 | 1 | 3 | D | Yes | 200 | 35-45 | |||
| Sponge cake made with yoghurt | 1 | 2 | D | Yes | 160 | 60-75 | |||
| Sponge cake | 1 | 2 | D | Yes | 190 | 30-35 | |||
| 2 | 1 | 3 | D | Yes | 190 | 35-40 | |||
| Multilevel* | Crème caramel (bain-marie) | 1 | 2 | D | Yes | 170 | 35-45 | ||
| Roast* | Small roasting joints | 1 | 2 | D | No | 210 | 30-60 | ||
| Proving* | Proving | 1 | 2 | D | No | 40 | |||
| Traditional meringues* | White meringues | 2 | 1 | 3 | D | No | 70 | 8-12 hours | |
| Quick meringues* | Brown meringues | 2 | 1 | 3 | D | No | 110 | 1.5-2 hours | |
| Low temperature 85°C* | Meat / Fish | 2 | 1 | 3 | D | No | 85 | 90-180 | |
| Pasteurisation | Fruit, vegetables, etc. | 2 | D | Yes | 110 | ||||
| Automatic | |||||||||
| Roast... | Roast dishes | 1 | 2 | D | No | ||||
| Desserts | Desserts | 1 | 2 | D | No | ||||
| 2 | 1 | 3 | D | No | |||||
| Tarts | Tarts | 1 | 2 | D | No | ||||
| 2 | 1 | 3 | D | No | |||||
| Brioche | Pastries | 1 | 1 | D | No | ||||
| Cake | Sponge cake made with yoghurt | 1 | 2 | D | No | ||||
| Pizza | Pizza (see recipe) | 1 | 2 | D | No | ||||
| 2 | 1 | 3 | D | No | |||||
- The cooking times listed above are intended as guidelines only and may be modified in accordance with personal tastes. Oven preheating times are set as standard and may not be modified manually.
Cooking advice table for the Small Space feature
| Function | Foods | Weight (in kg) | Cook on no. of shelves No. | Rack position | Preheating | Recommended temperature (°C) | Cooking duration (minutes) | ||
| Dripping pan | Rack 1 | Divider | |||||||
| Universal | |||||||||
| Fast cooking* | Fish fillets | 1 | 6 | D | Yes | 160-180 | 20-30 | ||
| Meat fillets | 1 | 6 | D | Yes | 180-200 | 30-40 | |||
| Frozen pizza | 1 | 6 | D | Yes | |||||
| Frozen prepared foods | 1 | 6 | D | Yes | |||||
| Grill* | Toast | 1 | - | 6 | D | Yes | 270-300 | 3-5 | |
| Bacon | 1 | 6 | 7 | D | Yes | 270-300 | 3-6 | ||
| Pork steaks | 1 | 6 | 7 | D | Yes | 270-300 | 15-25 | ||
| Reheating* | Pre-prepared dishes | 6 | D | Yes | 140 | ||||
| Automatic | |||||||||
| Pizza with stone** | Very thin pizza | 6 | D | Yes | |||||
Cooking advice table for using the Small Space and Main Space at the same time
Main Space
| Function | Foods | Weight (in kg) | Cook on no. of shelves No. | Rack position | Preheating | Recommended temperature (°C) | Cooking duration (minutes) | ||
| Dripping pan | Rack 1 | Divider | |||||||
| Universal | |||||||||
| Tarts* | Tarts | 1 | 2 | D | Yes | 200 | 30-40 | ||
| 2 | 1 | 3 | D | Yes | 200 | 35-45 | |||
| Pizza | 1 | 2 | D | Yes | 220 | 15-25 | |||
| 2 | 1 | 3 | D | Yes | 220 | 20-30 | |||
| Desserts* | Biscuits | 1 | 2 | D | Yes | 180 | 15-25 | ||
| 2 | 1 | 3 | D | Yes | 180 | 15-25 | |||
| Small pastries | 1 | 2 | D | Yes | 200 | 30-40 | |||
| 2 | 1 | 3 | D | Yes | 200 | 35-45 | |||
| Sponge cake made with yoghurt | 1 | 2 | D | Yes | 160 | 60-75 | |||
| Sponge cake | 1 | 2 | D | Yes | 190 | 30-35 | |||
| 2 | 1 | 3 | D | Yes | 190 | 35-40 | |||
| Multilevel* | Crème caramel (bain-marie) | 1 | 2 | D | Yes | 160 | 45 | ||
| Dishes with pastry crust | 1 | 2 | D | Yes | 200 | 35-45 | |||
| Roast* | Potato gratin | 1 | 2 | D | Yes | 200 | 60 | ||
| Roast... | 1 | 2 | D | Yes | 200 | 60-90 | |||
Small Space
| Function | Foods | Weight (in kg) | Cook on no. of shelves No. | Rack position | Preheating | Recommended temperature (°C) | Cooking duration (minutes) | ||
| Dripping pan | Rack 1 | Divider | |||||||
| Fast cooking* | Fish fillets | 1 | 6 | D | Yes | 180-200 | 20-30 | ||
| Meat fillets | 1 | 6 | D | Yes | 180-200 | 30-40 | |||
| Frozen pizza | 1 | 6 | D | Yes | |||||
| Frozen prepared foods | 1 | 6 | D | Yes | |||||
| "Pilaf" rice | 1 | 6 | D | Yes | 180-200 | 30-45 | |||
- The cooking times listed above are intended as guidelines only and may be modified in accordance with personal tastes. Oven preheating times are set as standard and may not be modified manually.
** Use the firebrick pizza stone supplied, placing it on the relevant rack in shelf position 6. Wait for the message PUT DISH IN THE OVEN AND PRESS START to appear before placing the pizza in the oven.
Precautions and tips
! This appliance has been designed and manufactured in compliance with international safety standards. The following warnings are provided for safety reasons and must be read carefully.
General safety
- The appliance was designed for domestic use inside the home and is not intended for commercial or industrial use.
- The appliance must not be installed outdoors, even in covered areas. It is extremely dangerous to leave the appliance exposed to rain and storms.
- When moving or positioning the appliance, always use the handles provided on the sides of the oven.
- Do not touch the appliance while barefoot or with wet or damp hands and feet.
- The appliance must be used by adults only for the preparation of food, in accordance with the instructions provided in this booklet. Any other use of the appliance (e.g. for heating the room) constitutes improper use and is dangerous. The manufacturer may not be held responsible for any damage caused as a result of improper, incorrect and unreasonable use of the appliance.
- Do not touch the heating elements or certain parts of the oven door when the appliance is in use; these parts become extremely hot. Keep children well away from the appliance.
- Make sure that the power supply cables of other electrical appliances do not come into contact with the hot parts of the oven.
- The ventilation and heat dispersal openings must never be obstructed.
- Always grip the oven door handle in the centre: the ends may be hot.
- Always use oven gloves when placing cookware in the oven or when removing it.
- Do not use aluminium foil to line the bottom of the oven.
- Do not place flammable materials in the oven: if the appliance is switched on accidentally, the materials could catch fire.
- Always make sure the knobs are in the “●”/“○” position when the appliance is not in use.
- When unplugging the appliance, always pull the plug from the mains socket; do not pull on the cable.
- Do not perform any cleaning or maintenance work without having disconnected the appliance from the electricity mains.
- If the event of malfunctions, under no circumstances should you attempt to perform the repairs yourself. Contact an authorised Service Centre (see Assistance).
- Do not rest objects on the open oven door.
- Do not let children play with the appliance.
-
The appliance should not be operated by people (including children) with reduced physical, sensory or mental capacities, by inexperienced individuals or by anyone who is not familiar with the product. These individuals should, at the very least, be supervised by someone who assumes responsibility for their safety or receive preliminary instructions relating to the operation of the appliance.
-
The appliance is not intended to be operated by means of an external timer or separate remote-control system.
Disposal
- When disposing of packaging material: observe local legislation so that the packaging may be reused.
- The European Directive 2012/19/EC on Waste Electrical and Electronic Equipment (WEEE), requires that old household electrical appliances must not be disposed of in the normal unsorted municipal waste stream. Old appliances must be collected separately in order to optimise the recovery and recycling of the materials they contain and reduce the impact on human health and the environment. The crossed out "wheeled bin" symbol on the product reminds you of your obligation, that when you dispose of the appliance it must be separately collected.
Consumers should contact their local authority or retailer for information concerning the correct disposal of their old appliance.
Respecting and conserving the environment
- You can help to reduce the peak load of the electricity supply network companies by using the oven in the hours between late afternoon and the early hours of the morning. The cooking mode programming options, the "delayed cooking" mode (see Cooking modes) and "delayed automatic cleaning" mode (see Care and Maintenance) in particular, enable the user to organise their time efficiently.
- Always keep the oven door closed when using the FAN GRILLING mode: this will achieve improved results while saving energy (approximately 10% ).
- Check the door seals regularly and wipe them clean to ensure they are free of debris so that they adhere properly to the door, thus avoiding the dispersal of heat.
This product complies with the requirements of the latest European Directive on the limitation of power consumption of the standby mode.
If no operations are carried out for a period of 2 minutes, the appliance automatically switches to the standby mode. The standby mode is visualised by the high luminosity "Watch Icon".
As soon as interaction with the machine resumes, the system's operating mode is restored.
Maintenance and care
Switching the appliance off
Disconnect your appliance from the electricity supply before carrying out any work on it.
Cleaning the appliance
-
The stainless steel or enamel-coated external parts and the rubber seals may be cleaned using a sponge that has been soaked in lukewarm water and neutral soap. Use specialised products for the removal of stubborn stains. After cleaning, rinse and dry thoroughly. Do not use abrasive powders or corrosive substances.
-
The inside of the oven should ideally be cleaned after each use, while it is still lukewarm. Use hot water and detergent, then rinse well and dry with a soft cloth. Do not use abrasive products.
- All accessories - with the exception of the sliding racks - can be washed like everyday crockery, and are even dishwasher safe.
! Never use steam cleaners or pressure cleaners on the appliance.
Cleaning the oven door
Clean the glass part of the oven door using a sponge and a non-abrasive cleaning product, then dry thoroughly with a soft cloth. Do not use rough abrasive material or sharp metal scrapers as these could scratch the surface and cause the glass to crack. For more thorough cleaning purposes, the oven door may be removed:
- Open the oven door fully (see diagram).
- Use a screwdriver to lift up and turn the small levers F located on the two hinges (see diagram).



- Grip the door on the two outer sides and close it approximately half way. Pull the door towards you, lifting it out of its slot (see diagram). To replace the door, reverse this sequence.
Inspecting the seals
Check the door seals around the oven regularly. If the seals are damaged, please contact your nearest Service Centre (see Assistance). We recommend that the oven is not used until the seals have been replaced.
Replacing the light bulb

To replace the oven light bulb:
- Remove the glass cover of the lamp-holder.
- Remove the light bulb and replace it with a similar one: halogen lamp voltage 230 V, wattage 25 W, cap G 9.
- Replace the glass cover (see diagram).
! Do not touch the light bulb directly with your hands.
! Do not use the oven lamp as/for ambient lighting.
Sliding rack kit assembly

To assemble the sliding racks:
- Remove the two frames, lifting them away from the spacers A (see figure).

- Choose which shelf to use with the sliding rack. Paying attention to the direction in which the sliding rack is to be extracted, position joint B and then joint C on the frame.

-
Secure the two frames with the guide rails using the holes provided on the oven walls (see diagram). The holes for the left frame are situated at the top, while the holes for the right frame are at the bottom.
-
Finally, fit the frames on the spacers A.
Automatic cleaning using the PYROLYTIC cycle
During the PYROLYTIC cycle, the internal temperature of the oven reaches 500^ . The pyrolytic cycle is activated and burns away food and grime residues. Dirt is literally incinerated.
Keep children away from the appliance during the automatic cleaning cycle as surfaces may become very hot. Particles may ignite inside the oven as a result of the combustion process. There is no cause for concern: this process is both normal and hazard-free.
!The oven advises the user when it is necessary to perform a cleaning cycle; the display shows the text "PYROLYTIC recommended - START?"; select "yes" to set the desired cleaning cycle level.
Before initiating the PYROLYTIC cycle:
! We recommend the duration of the first automatic cleaning cycle is set to 120 minutes.
! The oven should be cold. If the oven is too hot, the pyrolytic cycle may not start. Wait for the oven to cool down.
- remove large or coarse food residues from the inside of the oven using a damp sponge. Do not use detergents;
- remove all the accessories, the guide rails and the supporting frames;
- do not place tea towels or pot holders over the oven handle.
! The programme may only be started once the oven door has been closed.
! If the divider is inside the oven, the pyrolytic cycle will not start.
If the oven is too hot, the pyrolysis cycle may not begin or the word END may appear on the display. Wait for the oven to cool down.
To activate the PYROLYTIC cycle, press the button followed by the "MENU" button.
- Select the PYROLYTIC command and press "OK".
-
Select the desired PYROLYTIC cycle level by adjusting the or buttons. The PYROLYTIC cycle has three default time settings which cannot be modified:
-
Economy (ECO): duration 1 hour
- Normal (NOR): duration 1 hour and 30 minutes
- Intensive (INT): duration 2 hours.
Press the "OK" button to confirm.
Press the "START/STOP" button to begin the PYROLYTIC cycle.
Safety devices
- The door locks automatically after a few minutes;
- if a malfunction occurs, the heating elements will be switched off;
- once the oven door has been locked, you cannot change the duration and end time settings.
! Programming is possible only after selecting the PYROLYTIC cycle mode.
NOTICE



GB
Do not place or rest anything on the open door
Make sure that the racks and dripping pans have been inserted fully before closing the door
Please read the manual carefully for information regarding the automatic cleaning (pyrolytic) cycle
EasyManual