GW90821 - Fernbedienungsgerät Gewiss - Kostenlose Bedienungsanleitung
Finden Sie kostenlos die Bedienungsanleitung des Geräts GW90821 Gewiss als PDF.
Häufig gestellte Fragen - GW90821 Gewiss
Benutzerfragen zu GW90821 Gewiss
0 Frage zu diesem Gerät. Beantworten Sie die, die Sie kennen, oder stellen Sie Ihre eigene.
Eine neue Frage zu diesem Gerät stellen
Laden Sie die Anleitung für Ihr Fernbedienungsgerät kostenlos im PDF-Format! Finden Sie Ihr Handbuch GW90821 - Gewiss und nehmen Sie Ihr elektronisches Gerät wieder in die Hand. Auf dieser Seite sind alle Dokumente veröffentlicht, die für die Verwendung Ihres Geräts notwendig sind. GW90821 von der Marke Gewiss.
BEDIENUNGSANLEITUNG GW90821 Gewiss
ALLGEMEINE BESCHREIBUNG
Kurzbeschreibung 109
Funktionen 110
INSTALLATION
Hinweise zur Installation 112
Prüfung der GSM-Deckung 112
SIM 112
Montage auf DIN-Hutschiene 113
Elektrische Anschlisse 115
Serielle Anschlisse 116
Schnittstellensanschlüsse 118
Einsetzen der SIM 120
Positionierung und Anschluss der Antenne 121
Inbetriebnahme 121
PROGRAMMIERUNG
Konfigurationsmodus 122
Password 122
Konfiguration mit PC 122
Interaktion und Konfiguration über SMS 123
Grundkonfiguration 124
Konfigurationen über SMS 124
Abnahme 127
BETRIEB
Fernsteuerung über SMS 128
Lokale Angaben 129
Lokale Befehle 130
Funktion bei Stromausfall 130
Reinigung der Fernsteuerung 130
Batteriewechsel 130
Aufladen der SIM 130
Voreingestellte Werte 131
TECHNISCHE DATEN 132
Voreingestellte Werte 132
ALLGEMEINE HINWEISE
Achtung! Die Gerätesicherheit ist nur dann gegeben, wenn die nachfolgenden Anweisungen eingehalten werden. Daher sind diese zu setzen, und aufzubewahren. Die Produkte der Reihe Chorus müssen gemäß der Norm CEI 64-8 für Anwendung im Wohnbereich oderählich, in staubarmer Umgebung, wo kein besonderer Schutz gegen Eindringen von Wasser erforderlich ist, installiert werden. Die GEWISS Verkaufsabteilung steht für weitergehende Erläuterungen und technische Informationen bisher zur Verflügung.
Gewiss S.p.A. behält sich das Recht vor, das in thisem Handbuch beschriebene Produkt jederzeit und ohne Vorankündigung zu ändern.
Packungsinhalt
1 St. GSM-Fernsteuerung mit I/O und serieller Linie - für DIN-Hutschiene
1 St. Antenne
1 St. Veränderungskabel für Antenne 1,5 m
2 St. doppelseitige Klebestreifen
1 St. Installations- und Bedienungshandbuch
Kurzbeschreibung
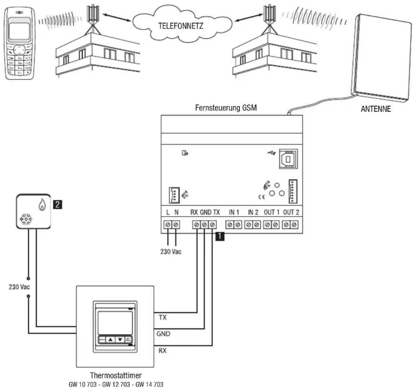
Die GSM-Fernsteuerung mit I/O und serieller Linie für DIN-Hutschiene möglicht die direkte Fernsteuerung elektrischer Verbraucher über zwei Relais mit potentialfreien Kontakten mit einem Mobiltelefon durch SMS-Nachrichten und dem Empfang von Status- oder Alarmeldungen zweier digitaler Eingänge auf dem Mobiltelefon. Die Befehle fur die Relais konnen schaltend, zeitgesteuert oder tastend sein; die Eingänge erkennen sowohl Status als auch Flankenwechsel.
Der Anschluss für die serielle Linie, mit dem die Fernsteuerung ausgestattet ist, ermöglicht die Steuerung eines elektronischen Programmierers (z.B. GW 14 581) oder eines Thermostattimers (z.B. GW 14 701, GW 10 703, GW 14 841). Es kann beispielsweise das Programm zur Aktivierung/Deaktivierung des elektronischen Programmierers ferngesteuert oder der Betriebsmodus der Temperaturregelanlage eingestellt und deren Betriebsparameter und die Umgebungstemperatur abgerufen werden. Über entsprechende Schnittstellen kann außer dem mit den folgenden Gewiss-Systemen interagiert werden:
- Funk-Alarmanlage, zum kompleten oder teilweisen Einsatzen, zum Ausschalten der Anlage und Abrufen des Anlagenstatus, außer dem zum automatischen Empfang der Alarm-, Manipulations-, Störungs- und Panikmeldungen der Anlage;
- Funksteuerung und -überwachung, Aktivieren und Deaktivieren der mit dem Funk-Antriebsmodulen verbundenen Verbraucher, Empfang der Meldungen von Sendern wie Tastaturen, Sensoren und Fernbedienungen oder Steuern und Abrufen des Status eines bidirektaionalen Funk-Thermostattimers;
Die Fernsteuerung ist mit einer wieder aufladbaren Pufferbatterie ausgestattet, die bei einem Stromausfall für die Stromversorgung sorgt: So kann jederzeit über einen Stromausfall informiert oder eine Alarm-, Störungs- oder Manipulationsmeldung der Funk-Alarmanlage übermittelt werden. Die Anpassung der Fernsteuerung erfolgt über einen an die USB-Schnittstelle angeschlossenen PC und Verwendung der Konfigurationssoftware, oder durch Übersendung von Codes per SMS. Die Fernsteuerung wird auf einer 35 mm DIN-Hutschiene innerhalb eines Schaltschranks oder Verteilerkastens montiert.

① Stromversorgung 230V ac
② Serielle Linie
③ Eingang1
④ Eingang2
⑤ Relaisausgang 1
⑥ Relaisausgang 2
⑦ Anzeige-LED Gerätestatus
Multifunktions-LED fur Statusanzeige GSM-Modul
(9) Steckverbinder für Anschluss Schnittstelle GSM-Fernsteuerung - Funk-Alarmanlage
10 Taste Schalten Relaisausgang
1 USB Anschluss (Typ B)
12 Anschluss AuBenantenne
③ Einschub fur SIM
14 Steckverbinder fur Anschluss Schnittstelle GSM-Fernsteuerung - Funksteuerung und -überwachung
Funktionen
STEUERBARE FUNKTIONEN
Nachfolgende Tabelle zeigt die Funktionen, die die Fernsteuerung direkt oder indirect mit Hilfe anderer Gewiss-Geräte steuern kann.
| Mit internen und externen Eingängen | Mit Thermostattem und seriellern Anschluss | Mit elektronischem Programmierer und seriellern Anschluss | Mit Funk-geräten und Schmittelle (GW 90 822) | Mit Funk-Alarmanlage und Schmittelle (GW 90 823) | |
| Schalten Relaisausgang | ■ (1) (2) | ■ | |||
| Zeitgesteuertes Schalten Relaisausgang | ■ | ■ (5) | |||
| Tastendes Schalten Relaisausgang | ■ | ||||
| Motorsteuerung (z.B. Rolladen) | ■ | ||||
| SMS-Versand bei Empfang "AN" | ■ | ■ | |||
| SMS-Versand bei Empfang "AUS" | ■ | ■ | |||
| SMS-Versand bei Empfang "AN" und "AUS" | ■ | ■ | |||
| SMS-Versand nur auf Anfrage | ■ | ■ | |||
| Einstellung Betriebsart Thermostattim (Heizung / Klimatisierung) | ■ | ■ (3) | |||
| Einstellung Betriebsart Temperaturregelanlage (Hand / Automatik / Aus) | ■ | ■ (3) | |||
| Einstellung manueller Sollwert | ■ | ■ (3) | |||
| Statusanforderung Thermostattim | ■ | ■ (3) | |||
| Aktivierung manueller Modus mit Ausgang AN | ■ | ||||
| Aktivierung manueller Modus mit Ausgang AUS | ■ | ||||
| Aktivierung Modus AUTO | ■ | ||||
| Statusanforderung elektronischer Programmierer | ■ | ||||
| Komplettes Einschalten Alarmanlage | ■ | ||||
| Teilweises Einschalten Alarmanlage (Zone 1) | ■ | ||||
| Teilweises Einschalten Alarmanlage (Zone 2) | ■ | ||||
| Ausschalten Alarmanlage | ■ | ||||
| Statusanforderung Alarmanlage | ■ | ||||
| Alarmmeldung | ■ (4) |
(1) Die Ausgangsrelais sind schaltend, d.h., dass sie nach einem Stromausfall ihren zuvor eingestellen Status beibehalten. Wenn die Ausgangsrelais zeitgesteuert konfiguriert sind, öffnen sich diese am Ende eines Stromausfalls.
(2) Die Kontakte der lokalen Relais konnen durch Drucken der Fronttaste der Fernsteuerung geöffnet werden.
(3) Mit bidirektionalem Funk-Thermostattinger fur Wandmontage (GW 10 851 - GW14 851).
(4) Meldung automatisch bei Alarmereignis, Manipulation, Störung oder Panikalarm der Alarmanlage verschicht.
(5) Die Zeitschaltung wird vom Funkantrieb berechnet und nicht von der Fernsteuerung. Nach einem Stromausfall kehrt das Relais in den Status AUS darüber.
VON DER FERNSTEUERUNG UBERMITTELTE NACHRICHTE
Die Fernsteuerung übermittelt - nach einer direkten Anfrage, als Antwort auf einen empfangenen Befehl oder als Meldung eines eingetretenen Reignisses - Nachrichten mit den folgenden Modi:
| übermittlung an die rufende Telefonnummer | übermittlung an die vorgegebene Telefonnummer | Festgelegter Text | Persönlicher Text | |
| Ausführungsbestätigung des Befehls nach der Übermittlung einer Anfrage | ||||
| Schalten internes Relais | ■ | ▲ | ■ | |
| Schalten Relais Funk-Gerät | ▲▲■ | |||
| Befehl Motor | ▲▲■ | |||
| Einstellung Betriebsart Thermostattinger | ▲▲■ | |||
| Einstellung Funktionmodus Thermostattinger | ▲▲■ | |||
| Einstellung Funktionmodus des elektronischen Programmierers | ▲▲■ | |||
| Einschalten/Ausschalten Alarmanlage | ■ | ■ | ||
| Aktivierung/Deaktivierung Meldung über Einschalten/Ausschalten | ■ | ■ | ||
| Statusminderungen automatisch verschickt | ||||
| Statusänderung lokaler Eingang | ■ | ■ | ||
| Statusänderung Eingang Funk-Gerät | ■ | ■ | ||
| Alarmendung der Alarmanlage | ■ | ■ | ||
| Statusmeldung als Antwort auf eine Anfrage | ||||
| Statusabfrage aller verwalteten Geräte | ▲▲■ | |||
| Statusabfrage der lokalen I/O und der Funk-Untersysteme | ▲▲■ | |||
| Statusabfrage der Thermostattinger (1) | ▲▲■ | |||
| Statusabfrage des elektronischen Programmierers (2) | ▲▲■ | |||
| Statusabfrage der Alarmanlage (3) | ■ | ■ | ||
Die Antwort wird an die voreingestellte Telefonnummer übermittelt, wenn die rufende Telefonnummer nicht angezeigt wird.
(1) Die Antwort umfasst die aktuelle Betriebsart und Funktionsmodus, aktuell eingestellter Temperatursollwert, Umgebungstemperatur und Antriebsstatus (AN/AUS), außer bei Funk-Thermostattemern, bei denen der-verschickte Befehl mitgeteilt wird, da der Antrieb keine Antwort auf den Befehl schickt.
(2) Die Antwort beinhaltet den Funktionmodus und den Kontaktstatus.
(3) Die Antwort beinhaltet den Anlagenstatus (eingeschaltet/ausgeschaltet), Status der Zentrale (bereit/nicht bereit für Eingabe), Alarmspeicher, Manipulationsspeicher, Störungsspeicher und Status der Meldung Einsatz/Ausschalten der Alarmanlage
Die SMS zur Bestätigung der Ausführung eines Befehls und die der Statusmeldungen, die die Fernsteuerung nach dem Versand der entsprechenden Anfrage verschicht, werden an die rufende Telefonnummer verschicht, egal welche dies ist (außer bei Eingabe eines Passwords). Ausgenommen hiervon ist die Statusabfrage der Alarmanlage. Diese muss von einer voreingestillten Telefonnummer verschicht werden, die auf der SIM als Nummer für die Überwachung der Alarmanlage gespeichert ist.
Die SMS für die Statusmeldung, die die Fernsteuerung selbstständig verschicht, werden an während der Konfiguration festgelegte Telefonnummern verschicht, oder, falls diese fehlen, an die Standard-Telefonnummer. Ausgenommen hiervon sind die Statusmeldungen der Alarmanlage. Diese werden an die voreingestelltten Telefonnummern verschicht, die auf der SIM als Nummer für die Überwachung der Alarmanlage gespeichert ist.

ACHTUNG: Die Installation des Geräts darf ausschließlich von qualifizierten Personal gemäß der gultigen Richtlinie erfolgen.
Hinweise zur Installation
Die Fernsteuerung verwendet Funkverbindungen für die Fernverbindung über das GSM-Netz, sowohl für die Interaktion mit der Funk-Alarmanlage als auch für das Funk-Steuer- und Überwachungssystem über entsprechende Funk-Schnittstellen. Aus thisem Grund sind die nachfolgenden Vorsichtsmaßnahmen zu beachten:
Die Ante ne der Frensteuerung und die eventuellen Funk-Schnittstellen fern von mogenie elektromagnetischen Storquellen, wie Schutzen, Elektromotoren, Dimmern und Leuchtstofflampen installieren.
Die Antenne der Fernsteuerung und die eventuellen Funk-Schnittstellen NICT in metallische Schaltkasten oder -schranke installieren;
Die Antenne der Fernsteuerung und die eventuellen Funk-Schnittstellen NICHT vor oder hinter Metallplatten installieren;
- Vor der endgültigen Installation sicherstellen, dass die eventuellen Funk-Schnittstellen in der Lage sind mit den vorgesehenen Geräten zuCOMMUNIZIEREN, indem versuchswise eine Funktionverbindung eingerichtet wird (für detailierte Anweisungen siehe technische Dokumentation der einzelnen Schnittstellen).
Es wird empfohlen vor der Fernsteuerung eine Einrichtung zum Schutz vor Kurzschlüssen zu installieren (beispelsweise ein Sicherungsautom), die hilfreich sein konne, wenn die Leitung bei Wartungsarbeiten oder Änderungen der Anschüsse der Fernsteuerung unterbrochen werden muss.
Prüfung der GSM-Deckung
Die Fernsteuerung Funktioniert mit allen Mobilfunknetzen. Es muss jeder sichergestellt werden, dass das GSM-Netz des bevorzugten Betreibers den Installationsbereich abdeckt, und dass das GSM-Signal ausreichend stark ist. Um dies zu prufen, muss ein Mobittelefon mit einer SIM des gleichen Betreibers verwendet und die Signalstarke am vorgesehenen Installationsort geprüft werden. Bei fehlendem oder sehr schwachem Signal muss wie folgt vorgegangen werden:
- Andere Standorte probieren, bis ein zufriedenstellendes Signal erreicht wird.
- Eine Neupositionierung der Antenne oder Erssatz durch eine kompatible Antenne versuchen (siehe Abschnitt Positionierung und Antennenanschluss).
- Mit einer SIM eines anderen Betreibers versuchen (die GSM-Deckung kann je nach Betreiber variieren).
Die Signalstarke kann auch mit der Multifunktions-LED zur Statusanzeige des GSM-Moduls geprüft werden: Grün fest leuchtend bedeutet, dass der Pegel gut ist, rot, dass kein GSM-Netz erfasst wird.

ACHTUNG: Bei fehlendem GSM-Signal kann das Geräte keine SMS empfangen oder senden.
SIM
Die Fernsteuerung Funktioniert sowohl mit SIM mit Vertrag oder Prepaid-SIM. Wenn eine Prepaid-SIM verwendet wird, müssen einige Aspekte berücksichtigt werden, die die normale Funktion beeinträchtigen können.
- Aufladen der SIM: Wenn das Guthaben der Prepaid-SIM aufgebraucht ist, kann die Fernsteuerung keine Nachrichten mehr versenden. Die Fernsteuerung versendet auch keinen Hinweis „SIM-Guthaben verbraucht“,ecause muss sichergestellt werden, dass immer ein ausreichendes Restguthaben für die Fernkommunikation bereitstehen.
- Verfall der SIM: Der Großteil der Mobilfunkbetreiber deaktiviert die Prepaid-SIM ca. 11-12 Monate nach dem letzten Aufladen, unabhängig vom verbleibenden Restguthaben. Dieses Problem kann durch Aktivierung der Dienstleistung zum automatischen Aufladen der Prepaid-SIM gelost werden, die bei den meisten Mobilnetzbetreibern zur Verfügung besteht.
- Entsperren der SIM: Bei Verwendung einer neuen SIM kann ein Anruf erforderlich sein, um den Betrieb der SIM zu aktivieren. Hierzu muss die SIM in ein Mobiltelefon eingesetzt und ein Anruf getätigt werden.
- Deaktivierung PIN-Code: Bei der SIM, die in die Fernsteuerung eingesetzt wird, muss die PIN-Abfrage bei der Aktivierung des GSM-Netzes deaktiviert werden. Hierzu muss die SIM in ein Mobiltelefon eingesetzt und die mit dem Mobiltelefon gelieferten Anweisungen befolgt werden.
Es wird empfohlen, die Funktion der Basisoperationen, wie beispelsweise der Versand einer SMS zu prufen, um sicherzustellen, dass die SIM-Einstellungen (Nummer SMS-Zentrale, usw.) korrekt sind.
Montage auf DIN-Hutschiene
EINSETZEN DER BATTERIE
Vor der Montage der Fernsteuerung auf der DIN-Hutschiene mussen die wieder aufladbaren Pufferbatterien wie folgt eingesetzt werden: 1. Die vier Frontschrauben der Fernsteuerung losen und die oberen und unteren Haltenasen drucken, um den Deckel auszurasten.

- Die drei NiMh-Akkus - AAA gemäß der angegebenen Polung einsetzen. Es wird empfohlen, Batterien mit einer Kapazität von mindestens 800 mAh zu verwenden.

- Den Deckel auf die Fernsteuerung aufsetzen und mit den Schrauben befestigen.
BEFESTIGUNG AUF DIN-HUTSCHIENE
Die Fernsteuerung auf folgende Weise auf der 35mm DIN-Hutschiene montieren:
- Die obere Nase des Gerats in die DIN-Hutschiene einhängen.
- Das Gerät drehen, bis ein „Klack“ zu horen ist, das das Einrasten an der Hutschiene anziegt.

INSTALLATION
ANSCHLUSS DER SCHRITTSTELLEN
Vor dem Anschluss der Schnittstellen gemäß folgender Abbildung die vorgeschrittenen Laschen entfernen, die die erforderlichen Steckbuchsen verdecken. Zum Anheiten der Lasche kann ein Schraubendreher verwendet werden, bzw aufpassen, dass die darunter liegende Steckbuchse nicht beschadigt wird.

Die Schnittstellen neben der Fernsteuerung positiomeren, daß die Länge der mitgelieferten Verbindungskabel mit Formsteckern berücksichtigten.
Elektrische Anschlüsse
LOKALE EIN- UND AUSGÄNGE

Hinweise zur Installation
Die an die Ausgange angeschlossenen Verbraucher durren die Schaltleistung der Relais der Fernsteuerung nicht überschreiben. Falls Verbraucher mit grober Leistung angeschlssen werden müssen, wird empfohlen, ein Leistungsrelais mit der Fernsteuerung zu steuern, an das die betreffenden Verbraucher angeschlssen werden.
2 An die Eingänge können elektrische Signale 12 V ac/dc 4 - 250 V ac angeschlossen werden. Bei Anschlüssen von Signalen mit Gleichstrom muss die Polung beachtet werden.
Serielle Anschlüsse
UP-THERMOSTATTIMER

Hinweise zur Installation
1 For die serielle Schaltung konnen normale Kupferleiter verwendet werden. Max. Länge serieller Schaltung: 20 m.
2 Heizkessel oder Klimaanlage.

FUNK-THERMOSTATTIMER FÜR WANDMONTAGE
Hinweise zur Installation
1 For die serielle Schaltung konnen normale Kupferleiter verwendet werden. Max. Länge serieller Schaltung: 20 m.
2 Heizkessel oder Klimaanlage
Schnittstellenanschluss
FUNK-SCHNITTSTELLE STEUERUNG UND ÜBERWACHUNG


SCHNITTSTELLE FUNK-ALARMANLAGE
INSTALLATION
Einsetzen der SIM
Wie folgt vorgehen, um die SIM in ihren Sitz in der Fernsteuerung einzusetzen:
- Mit der Spitze eines Bleistifts oder eines Kugelschreibers die gelb Entriegelungstaste besoin dem SIM-Einschub drucken.
- Den SIM-Einschub öffnen.
- Die SIM in den Einschub einsetzen, damit beachten, dass die angefaste Ecke offen rechts ist und die vergoldeten Kontakte von vorne sightbar sind.
- Den SIM-Einschub wieder schlieben.


Entriegeln des SIM-Einschubs Positionierung SIM-Verbindung
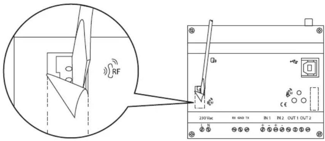
Positionierung und Anschluss der Antenne
Auf die korrekte Positionierung der Fernsteuerungsantenne achten:
- fern von möglichen elektromagnetischen Störquellen, wie Schützen, Elektromotoren, Dimmern und Leuchtstofflampen installieren.
- außerhalb metallischer Schaltkästen oder -schranke;
- nicht abgedeckt durch Metallpaneele oder in deren Nähe;
- in einem trockenem Bereich (das Antennengehäuse ist nicht wasserdicht);
- an einem geschützten Ort, um zu vermeiden, dass es versehentlich oder absichtlich beschadigt wird.
Die Antenne kann an einer Wand oder einer glatten Flache mit dem beiliegenden doppelseitigem Klebeband befestigt werden.
Um die Positionierung der Antenne zu vereinfachen, wird die Fernsteuerung mit einer 1,5 m Antennenveränderung gefelft. These Veränderung darf nur verwendet werden, wenn dies unbedingt nötig ist.
Die Antenne anschlieben, indem ihr Kabel in die Steckbuchse SMA im oberen Bereich der Fernsteuerung eingeschraubt wird.
Von Hand, ohne Werkzeug, anziehen, um die Beschädigung der Steckbuchse zu vermeiden.

Inbetriebnahme
Nach dem Einschalten der Stromversorgung beginnt die Status-LED des Geräts zu blinken und zeigt an, dass die Initialisierungspase des GSM-Modus ausgeführrt wird.
Nach ca. 30 Sekunden bleibt die LED grün eingeschaltet: Hiermit wird angezeigt, dass das Gerät korrekt initialisiert wurde. Wenn die Status-LED des GSM-Modus grün leuchtet, bedeutet dies, dass das GSM-Netz des Betreibers zur Verfügung liegt; ein rotes Leuchten der LED bedeutet, dass das GSM-Signal ungenügd ist.
PROGRAMMIERUNG
Konfigurationsmodus
Die Konfiguration der Fernsteuerung kann über einen an die USB-Schnittstelle angeschlossenen PC mit Konfigurationssoftware erfolgen, oder auch mit einem Mobiltelefon durch Übersebdung von SMS-Nachrichten. Die erstige Methode wird für die ersten Installation und Konfiguration empfohlen, die zweite Methode ist entsprechend practisch, wenn die Konfiguration der Fernsteuerung aus der Ferne geändert werden soll. Für die korrekte Funktion der Fernsteuerung mussen folgende Punkte konfiguriert werden:
- Zugangspasswort.
- Standard-Telefonnummer für die Antwort
- Freigegebene Telefonnummern (optional) fur die Steuerung der Alarmanlage oder die Änderung der Parameter
- Aktivierung der vorhandenen Schnittstellen
- Lokale Eingänge: Aktivierungsereignis, Meldungstext des Ereignisses, Telefonummer des SMS-Empfängers (nur wenn dieser vom Standardempfänger abweicht).
- Lokale Ausgabe: Funktionart (tastend, schaltend, zeitgesteuert), Schliebdauer der Kontakte (nur bei tastender oder zeitgesteuerten Funktion), Text der Bestätigungsnahme.
- Funk-Schnittstellen: Bedingung SMS-Versand, Meldungstext, Telefonnummer des SMS-Empfängers (nur wenn dieser vom Standardempfänger abweicht).
Password
Die Fernsteuerung erfordert das Passwort, um den Ruf zu identifizieren, bevor die per SMS empfangenen Anweisungen ausgefuhr werden. Das Passwort besteht aus 4 alphanumericen Zeichen, die vom Anwender nach Wunsch aus 0...9, a...z, A...Z ausgewählten werden. Die Fernsteuerung unterscheidet zwischen Groß- und Kleinschreibung, davon ist „ab12“ etwas andere als „AB12". Für die Speicherung des Passworts siehe Abschnitt Grundeinstellungen.
Konfiguration mit PC
ANSCHLUSS PC - FERNSTEUERUNG

Während der Konfigurierung über PC muss die Stromversorgung der Fernsteuerung über das Netz erfolgen.
VERWENDUNG DER KONFIGURATIONSSOFTWARE
Die Software für die Gerätekconfiguration über PC kann von der Internetsite www.gewiss.com auf der Seite der GSM-Fernsteuerung mit I/O und serieller Linie GW 90 821 herunter geladen werden.
Die Bedienungsanleitung der Software steht zusammen mit der Software zur Verfügung.
Interaktion und Konfiguration über SMS
Die Fennsteuerung akzeptiert Befehle und Abfragen über SMS an das Gerät oder die mit thisem verbundenen Systeme. Die Befehle werden außer bei Eingabe des Passports immer von der Fennsteuerung empfangen, unabhängig von der rufenden Nummer und der Tatsache ob es sichtbar oder versteckt ist. Ausgenommen hiervon sind die Konfigurationsbefehle und die Befehle der Alarmanlage, bei denen die rufende Nummer angezeigt und zur List der voreingestellen Telefonnummern gehoren muss, die auf der SIM in den vorgegebenen Speicherpositionen gespeichert sind (siehe Abschnitt Grundkonfiguration). Die folgenden Grundregeln sind beim Verfassen der SMS zu beachten:
GROB- UND KLEINSCHREIBUNG
Die Fernsteuerung unterscheidet zwischen Groß- und Kleinschreibung bei den SMS (daher ist „p“ etwas anderes als „P“). Die Buchstaben aller Befehle und Einstellungen müssen als Großbuchstaben geschrieben sein.
STRUKTUR DER VERSCHICKTEN SMS
Die SMS beginnen mit einem Punkt (,) gefolggt vom Password (siehe Abschnitt Passwort), einem Punkt, dem Befehl und einem weiteren Punkt. Leerzeichen zwischen den Punktten und dem Passwort oder dem Befehl sind unzulässig.
Syntax: .Password.Befehl.
Beispiele korrekker SMS: .AB01.SGE00-0.
.AB01.P241-Zirkulationspumpste steht.
Beispiele falscher SMS: .AB01. SGE00-0.
.AB01.SGE00-0.
MEHRFACHE BEFEHLE
Mit einer einzelnen SMS können mehrere Befehle verschickt werden, die durch einen Punkt („) voinander getrennt werden. Die Länge der SMS damit 480 Zeichen nicht überschreiben.
Syntax:.Password.Befehl1.Befehl2.Befehl3.Befehl4.
Beispiel: .AB01.CAL01-1.CAR05-1.CCSS01-M-15,5.CAF00T.
ANGEPASSTE TEXTE
Die angepassten Texte der Antwortnahrichten dürfen 24 Zeichen einschließlich Leerzeichen nicht überschreiben und dürfen keine Punkte („) enthalten. Andere Satzeichen sind zulässig.
Beispiel eines korrekten Texts: Thermostatting Meer
Beispiel eines falschen Texts: Thermostattimer Villa am Meer (Text zu lang),Thermost. Villa am Meer (Punkt im Text)
TELEFONNUMMERN
Die Telefonnummern mussen ohne Leerzeichen oder Bindestriche eingebehen werden. Der Telefonnummer muss die internationale Vorwahr im Format +Vorwahr (+39 für Italien) vorgestellt werden. Das Telefon, das der eingebeken Telefonnummer entspricht, muss in der Lage sein SMS zu empfangen.
Die in der Fernsteuerung gespeicherten Nummern für den SMS-Versand müssen im internationalen Format entsprechend des Landes sein, in dem die Fernsteuerung installiert wird. Die Fernsteuerung erkennt die Nummer des SMS-Absenders nur, wenn diese das gleiche Format besitzt, wie auf der SIM-Karte gespeichert wurde.
Beispiele falscher Nummern: +39 035 94611 (Leerzeichen), 338-55523 (Bindestrich und internationale Vorwahl fehlt)
Beispiele korrekter Nummern: +3903594611, +3933855523
Beim Versand der Antwort-SMS befolgt die Fernsteuerung these Regeln:
Die Antwerten auf Befehle und Statusabfragen werden an die anrufende Nummer übermittelt, falls sightbar, oder an die Standardnummer (siehe Grundkonfiguration), wenn die anrufende Nummer nicht angezeigt wird.
Die automatisch von der Fernsteuerung versandten SMS, z.B. Alarme und Eingangsumschalten, werden an die wahrend der Konfiguration für das spezifische Ereignis festgelegten Telefonnummern verschickt, oder, falls diese fehlen, an die StandardTelefonnummer.
Grundkonfiguration
Aus Sicherheitsgründen können eine Einstellungen nicht per SMS erfolgen, diese müssen mit einem Mobiletelefon direkt auf der SIM ausgeführten werden, die in der Fernsteuerung eingesetzt wird, oder sie müssen mit der Software programmiert werden.
Für die Einstellung dieser Parameter per Mobiltelefon ist wie folgt vorzugehen:
- Die vorgesehene SIM aus der Fernsteuerung entfernen und in ein Mobittelefon einsetzen. Für die detailierte Vorgehensweise wird auf die Bedienungsanleitung des Mobittelefons verwiesen.
- Mit der Tastatur und dem Display des Mobiltelefons die Parameter der folgenden Tabelle im Telefonbuch der SIM speichern
| Position SIM-Speicher | Beschreibung | Kontakname auf SIM | Kontaknummer auf SIM (1) |
| 1 Passwort (4 alphanumeric Zeichen) Password - | |||
| 2 | Standardnummer für die Antwort | - | Telefonnummer |
| 3 | Nummer 1 für Kontrolle Alarmanlage und Konfigurationsänderung per SMS | - Telefon | nummer |
| 4 | Nummer 2 für Kontrolle Alarmanlage und Konfigurationsänderung per SMS | - Telefon | nummer |
| 5 | Nummer 3 für Kontrolle Alarmanlage und Konfigurationsänderung per SMS | - Telefon | nummer |
| 6 | Nummer 4 für Kontrolle Alarmanlage und Konfigurationsänderung per SMS | - Telefon | nummer |
| 7 | Nummer 5 für Kontrolle Alarmanlage und Konfigurationsänderung per SMS | - Telefon | nummer |
(1) Für das Eingabeformat der Telefonnummern in die SIM-Karte wird auf den Abschnitt Telefonnummern verwiesen.
Die Benachrichtigungen über Alarmeldungen werden an alle Telefonnummern geschickt, die fur die Überwachung der Alarmanlage eingerichtet wurden. Fur die Speicherung der Daten in der SIM ist wie folgt vorzugehen:
a) die gewünschte Speicherposition auswahlen;
b) "Kontaktnamen" leer setzen, außer beim Password, hier wird das gewähte Password eingegeben;
c) die Telefonummer bei „Kontaktnummer“ eingeben (das Password erfordert keine Telefonnummer; eventuelle Telefonnummer werden ignoriert).
Es wird empfohlen, vor dem Speichern der Nummern und des Passworts auf der SIM alle vorhandenen Kontakte zu loschen, um sicher zu gehen, dass die eingegebenen Nummern in den angegebenen Speicherplätzen gesichert werden. Vor dem Ändern der Nummern oder des Passworts, die auf der SIM gespeichert sind, muss die Stromversorgung der Fernsteuerung unterbrochen werden, damit beim Einschalten die neuen Daten in den internen Speicher des Geräts übertragen werden.
Eine Eingabe der Telefonnummern für die Steuerung der Alarmanlage (Speicherpositionen von 3 bis 7) ist nicht erforderlich, wenn die Schnittstelle GSM-Fernsteuerung - Funk-Alarmanlage (GW 90 823) nicht installiert ist. In dieser Fall kann die Parameterkonfigurierung per SMS nur über die Standardtelefonnummer erfolgen.
- Die SIM aus dem Mobiltelefon entfernen und gemäß des Abschnitts SIM Einsetzen in die Fernsteuerung einsetzen.
ACKTUNG: Wenn die Konfiguration mit der Software ausgeführrt wird, werden die Daten automatisch in den angegebenen Tabellenpositionen gespeichert und eventuelle auf der SIM befindliche Informationen überschieden.
Konfigurationen über SMS
Nachfolgende Parameter mussen per SMS konfiguriert werden. Die SMS wird nur angenommen, wenn sie von einer angezeigten Nummer erfolgt, die einer der auf der SIM gespeicherten Nummer entspricht (Standardnummer und für die Parameterkonfiguration freiogegebene Nummern). Der unterstrichene Wert zeigt den Standardwert an.
ALLGEMEINE KONFIGURATION
| Befehl Beschreibung | |
| P200-1 Verschickt eine Kopie der Meldungen auch an die Standardtelefonnummer | |
| P200-0 Verschickt keine Kopie der Meldungen an die Standardtelefonnummer | |
| P201-1 Unbenutzt | |
| P201-0 Unbenutzt | |
| P202-1 Funk-Schnittstelle vorhanden | |
| P202-0 Funk-Schnittstelle nicht vorhanden | |
| P203-1 Funk-Schnittstelle Alarmanlage vorhanden | |
| P203-0 Funk-Schnittstelle Alarmanlage nicht vorhanden |
KONFIGURATION LOKALE EINGÄNGE
| Befehl Beschreibung | |
| P240-0 INP1: Bedingung | SMS-Versand: Empfang “AUS” |
| P240-1 INP1: Bedingung | SMS-Versand: Empfang “AN” |
| P240-2 | INP1: Bedingung SMS-Versand: Empfang “AN” und “AUS” |
| P240-3 INP1: SMS-Versand nur auf Anfrage | |
| P241-Text INP1: SMS-Text bei Empfang “AN” | |
| P242-Text INP1: SMS-Text bei Empfang “AUS” | |
| P243-Telefon | Telefonnummer an die die SMS des lokalen Eingangs 1 geschickt werden |
| P250-0 INP2: Bedingung | SMS-Versand: Empfang “AUS” |
| P250-1 INP2: Bedingung | SMS-Versand: Empfang “AN” |
| P250-2 | INP2: Bedingung SMS-Versand: Empfang “AN” und “AUS” |
| P250-3 INP1: SMS-Versand nur auf Anfrage | |
| P251-Text INP2: SMS-Text bei Empfang “AN” | |
| P252-Text INP2: SMS-Text bei Empfang “AUS” | |
| P253-Telefon | Telefonnummer an die die SMS des lokalen Eingangs 2 geschickt werden |
KONFIGURATION LOKALE AUSGANGE
| Befehl Beschreibung | |
| P280-0 OUT1: Schaltenmodus schaltend | |
| P280-1 OUT1: Schaltenmodus tastend | |
| P280-2 OUT1: Schaltenmodus zeitgesteuert | |
| P281-0 OUT1: Dauer 1 [schaltend: NO; tastend = 300 ms; zeitgesteuert = 30 s] | |
| P281-1 OUT1: Dauer 2 [schaltend: NO; tastend = 500 ms; zeitgesteuert = 60 s] | |
| P281-2 OUT1: Dauer 3 [schaltend: NO; tastend = 800 ms; zeitgesteuert = 5 min] | |
| P281-3 OUT1: Dauer 4 [schaltend: NO; tastend = 1 s; zeitgesteuert = 10 min] | |
| P281-4 OUT1: Dauer 5 [schaltend: NO; tastend = 2 s; zeitgesteuert = 30 min] | |
| P281-5 OUT1: Dauer 6 [schaltend: NO; tastend = 5 s; zeitgesteuert = 1 h] | |
| P281-6 OUT1: Dauer 7 [schaltend: NO; tastend = 10 s; zeitgesteuert = 2 h] | |
| P282-Text OUT1: Meldungstext der Bestätigungs-SMS | |
| P290-0 OUT2: Schaltenmodus schaltend | |
| P290-1 OUT2: Schaltenmodus tastend | |
| P290-2 OUT2: Schaltenmodus zeitgesteuert | |
| P291-0 OUT2: Dauer 1 [schaltend: NO; tastend = 300 ms; zeitgesteuert = 30 s] | |
| P291-1 OUT2: Dauer 2 [schaltend: NO; tastend = 500 ms; zeitgesteuert = 60 s] | |
| P291-2 OUT2: Dauer 3 [schaltend: NO; tastend = 800 ms; zeitgesteuert = 5 min] | |
| P291-3 OUT2: Dauer 4 [schaltend: NO; tastend = 1 s; zeitgesteuert = 10 min] | |
| P291-4 OUT2: Dauer 5 [schaltend: NO; tastend = 2 s; zeitgesteuert = 30 min] | |
| P291-5 OUT2: Dauer 6 [schaltend: NO; tastend = 5 s; zeitgesteuert = 1 h] | |
| P291-6 OUT2: Dauer 7 [schaltend: NO; tastend = 10 s; zeitgesteuert = 2 h] | |
| P292-Text OUT2: Meldungstext der Bestätigungs-SMS |
KONFIGURATION THERMOSTATTIMER /ELEKTRONISCHER PROGRAMMIERER
| Befehl Beschreibung | |
| P710-0 Kein serielles Gerät angeschlossen | |
| P710-1 | Serielles Gerät angeschlossen = Thermostattimer (GW 1X 701, GW 1X 703, GW 1X 841) |
| P710-2 Serielles Gerät angeschlossen = elektronischer Timer (GW 1X 581) | |
| P711-Text Bezeichnung des angeschlossenen seriellen Geräts | |
KONFIGURATION FUNK-EINGÄNGE
| Befehl Beschreibung | |
| P300-0 INP_RF1: Bedingung SMS-Versand: Empfang “AN” | |
| P300-1 INP_RF1: Bedingung SMS-Versand: Empfang “AUS” | |
| P300-2 | INP_RF1: Bedingung SMS-Versand: Empfang “AN” und “AUS” |
| P300-3 INP_RF1: SMS-Versand nur auf Anfrage | |
| P301-Text INP_RF1: SMS-Text bei Empfang “AN” | |
| P302-Text INP_RF1: SMS-Text bei Empfang “AUS” | |
| P303-Telefon | Telefonnummer an die die SMS des Funk-Eingangs 1 geschickt werden |
| P310-0 INP_RF2: Bedingung SMS-Versand: Empfang “AN” | |
| P310-1 INP_RF2: Bedingung SMS-Versand: Empfang “AUS” | |
| P310-2 | INP_RF2: Bedingung SMS-Versand: Empfang “AN” und “AUS” |
| P310-3 INP_RF2: SMS-Versand nur auf Anfrage | |
| P311-Text INP_RF2: SMS-Text bei Empfang “AN” | |
| P312-Text INP_RF2: SMS-Text bei Empfang “AUS” | |
| P313-Telefonnummer | Telefonnummer an die die SMS des Funk-Eingangs 2 geschickt werden |
KONFIGURATION FUNK-AUSGÄNGE
| Befehl Beschreibung | |
| P320-Text OUT_RF1: Medungstext der Bestätigungs-SMS | |
| P330-Text OUT_RF2: Medungstext der Bestätigungs-SMS | |
| P340-Text OUT_RF3: Medungstext der Bestätigungs-SMS | |
| P350-Text OUT_RF4: Medungstext der Bestätigungs-SMS | |
| P360-Text OUT_RF5: Medungstext der Bestätigungs-SMS | |
| P720-0 Bidirektonaler Funk-Thermostattinger nicht angeschlossen | |
| P720-1 Bidirektonaler Funk-Thermostattinger angeschlossen | |
| P721-Text | Bezeichnung verwendeter bidirektonaler Funk-Thermostattinger |
KONFIGURATION ALARMANLAGEN
| Befehl Beschreibung | |
| P760-Text Meldungstext | der SMS bei Manipulation |
| P761-Text Meldungstext | der SMS bei Alarm der Alarmanlage |
| P762-Text Meldungstext | der SMS bei Störung |
| P763-Text Meldungstext | der SMS bei Panikalarm |
| P764-Text | Meldungstext der SMS bei Speicher Alarm der Alarmanlage |
| P765-Text Meldungstext | der SMS bei Speicher Manipulation |
| P766-Text Meldungstext | der SMS bei Speicher Störung |
| P767-Text Zentrale eingeschaltet | |
| P768-Text Zentrale ausgeschaltet | |
| P769-Text Zentrale bereit | |
| P770-Text Zentrale nicht bereit |
| Befehl Beschreibung | |
| R200 SMS mit den allgemeinen Einstellungen versenden | |
| R220 Unbenutzt | |
| R240 SMS mit den Einstellungen der lokalen Eingänge versenden | |
| R280 SMS mit den Einstellungen der lokalen Ausgänge versenden | |
| R300 SMS mit den Einstellungen der Funk-Eingänge versenden | |
| R320 SMS mit den Einstellungen der Funk-Ausgänge versenden | |
| R700 SMS mit den Heizungseinstellungen versenden | |
| R750 SMS mit den Einstellungen der Alarmanlage versenden |
Abnahme
Am Ende der Installation und Konfiguration der Fernsteuerung mussen die implementierten Hauptfunktionen getestet werden, um die korrekte Funktion der Fernsteuerung zu gewährleisten.
Fernsteuerung über SMS
Die Befehle fur den Ferneingriff auf die verschieden Eingänge, Ausgänge und angeschlossene Systeme per SMS sind in den folgenden Tabellen aufgeführrt.
BEFEHLE LOKALE AUSGÄNGE
| Befehl Beschreibung | |
| CAL01-1 Aktivierung Relais Ausgang 1 | |
| CAL01-0 Deaktivierung Relais Ausgang 1 (und Ende eventuell laufender Zeitsteuerung) | |
| CAL02-1 Aktivierung Relais Ausgang 2 | |
| CAL02-0 Deaktivierung Relais Ausgang 2 (und Ende eventuell laufender Zeitsteuerung) |
BEFEHLE AUSGÄNGE FUNK-UNTERSYSTEM
| Befehl Beschreibung | |
| CAR01-1 Aktivierung Relais Funk-Ausgang 1 | |
| CAR01-0 | Deaktivierung Relais Funk-Ausgang 1 (wenn das Relais schaltend konfiguriert ist und Ende eventuell Deaktivierung) |
| CAR02-1 Aktivierung Relais Funk-Ausgang 2 | |
| CAR02-0 | OUT RF2: Deaktivierung Relais (nur wenn Antrieb als schaltend konfiguriert ist und Ende eventuell Deaktivierung) |
| CAR03-1 Aktivierung Relais Funk-Ausgang 3 | |
| CAR03-0 | OUT RF3: Deactivierung Relais (nur wenn Antrieb als schaltend konfiguriert ist und Ende eventuell Deactivierung) |
| CAR04-1 Aktivierung Relais Funk-Ausgang 4 | |
| CAR04-0 | OUT RF4: Deactivierung Relais (nur wenn Antrieb als schaltend konfiguriert ist und Ende eventuell Deactivierung) |
| CAR05-1 Aktivierung Relais Funk-Ausgang 5 | |
| CAR05-0 | OUT RF5: Deactivierung Relais (nur wenn Antrieb als schaltend konfiguriert ist und Ende eventuell Deactivierung) |
BEFEHLE FÜR ELEKTRONISCHEN PROGRAMMIERER (SERIELL)
| Befehl Beschreibung | |
| COP01-A Aktivierung Modus AUTO | |
| COP01-0 (1) Aktivierung Modus AUS | |
| COP01-1 Aktivierung Modus MAN mit Ausgang AN | |
| COP01-0 Aktivierung Modus MAN mit Ausgang AUS | |
(1) Das letzte Zeichen ist ein großes "0".
BEFEHLE FÜR SERIALLE THERMOSTATTIMER
| Befehl Beschreibung | |
| CCS01-H Einstellen der Funktionart HEIZUNG | |
| CCS01-C Einstellen der Funktionart KLIKMATISIERUNG | |
| CCS01-0 (1) Einstellen des Modus AUS | |
| CCS01-A Einstellen des Modus AUTO | |
| CCS01-1 Einstellen des Modus MANUELL mit Temperatur T1 | |
| CCS01-2 Einstellen des Modus MANUELL mit Temperatur T2 | |
| CCS01-3 Einstellen des Modus MANUELL mit Temperatur T3 | |
| CCS01-M-Temperatur | Einstellen des Modus MANUELL, mit Solltemperatur, Auflösung 0,5° und Komma als Dezimalzeichen. z.B. 18,0 oder 21,5. |
(1) Das letzte Zeichen ist ein große "0".
| Befehl Beschreibung | |
| CCR01-H Einstellen der Funktionssart HEIZUNG | |
| CCR01-C Einstellen der Funktionssart KLIMATISIERUNG | |
| CCR01-0 (1) Einstellen des Modus AUS | |
| CCR01-A Einstellen des Modus AUTO | |
| CCR01-1 Einstellen des Modus MANUELL mit Temperatur T1 | |
| CCR01-2 Einstellen des Modus MANUELL mit Temperatur T2 | |
| CCR01-3 Einstellen des Modus MANUELL mit Temperatur T3 | |
| CCR01-M-Temperatur | Einstellen des Modus MANUELL, mit Solltemperatur, Auflösung 0,5° und Komma als Dezimalzei-chen. z.B. 18,0 oder 21,5. |
(1) Das letzte Zeichen ist ein großes "0".
BEFEHLE FÜR FUNK-ALARMANLAGE
| Befehl Beschreibung | |
| CAF00-T Aktivieren der Alarmanlage (alle Zonen) | |
| CAF00-0 Deaktivieren der Alarmanlage | |
| CAF00-1 Aktivieren der Alarmanlage in Zone 1 | |
| CAF00-2 Aktivieren der Alarmanlage in Zone 2 | |
| CAF00-A Aktivieren der Meldung über Einschalten/Ausschalten der Alarmanlagenzentrale | |
| CAF00-D Deaktivieren der Meldung über Einschalten/Ausschalten der Alarmanlagenzentrale |
BEFEHLE FÜR GEGENSPRECHANLAGE
| Befehl Beschreibung | |
| CIC00-1 Aktivieren der Weiterleitung des Rufs der Gegensprechanlage | |
| CIC00-0 Deaktivieren der Weiterleitung des Rufs der Gegensprechanlage | |
BEFEHLE DER STATUSANFORDERUNG
| Befehl Beschreibung | |
| SGE00-0 Statusabfrage aller I/O und der verwalteten Geräte | |
| SGE00-1 Statusabfrage der lokalen I/O und der Funk-Untersysteme | |
| SGE00-2 Statusabfrage der Thermostattinger und des elektronischen Programmierers | |
| SGE00-3 Statusabfrage der Alarmanlage |
Lokale Angaben
Auf der Vorderseite der Fernsteuerung befinden sich 2 LEDs, um den Funktionstatus des Geräts anzuzeigen.
Anzeige-LED Gerätestatus
LED fest eingeschaltet keine Störung
LED blinkt · Gerätekonfiguration wird ausgeführrt
- Störung (SIM nicht bereit, SIM durch PIN-Code geschützt...)
LED für Statusanzeige GSM-Modul
LED eingeschaltet (grün) GSM-Netz präsent
LED eingeschaltet (rot) GSM-Netz nicht präsent
LED eingeschaltet (gelb) Verarbeitung einer empfangenen SMS
Lokale Befehle
Durch Drucken der Taste auf der Vorderseite der Fernsteuerung wird der Status beider lokalen Relais wie folgt umgeschaltet:
| Vorher Hinterher | |||
| Relais 1 | Relais 2 Relais | 1 Relais 2 | |
| AUS AUS | AN AN | ||
| AN AUS | AUS AUS | ||
| AUS AN | AUS AUS | ||
| AN AN | AUS AUS | ||
Funktion bei Stromausfall
Beim stromausfall schickt die Fernsteuerung eine SMS, um den Ausfall der Stromversorgung anzuzeigen, und sie schickt eine weitere SMS, um auch die Wiederherstellung der Stromversorgung anzuzeigen. Wahrend des Stromausfalls wird die Fernsteuerung durch die Pufferbatterien versorgt: Sie kann keine SMS empfangen aber SMS-Meldungen der Alarmanlage verschicken (wenn die Schnittstelle GSM-Fernsteuerung - Funk-Alarmanlage installiert ist).
Die Anzahl der SMS, die die Fernsteuerung bei Betrieb mit Pufferbatterie verschicken kann, hängt von der Kapazität der eingesetzten Batterien, ihrem ursprünglichen Ladezustand, dem Zeitraum seit Beginn des Stromausfalls und der Anzahl der bereits verschickten Nachrichten ab. Beispisseweise hat die Fernsteuerung mit den empfohlenen Batterien (800 mAh) bei voller Ladung eine Autonomie von 7 Tagen oder 7 SMS (6 Alarmmeldungen und 1 über den Stromausfall).
Reinigung der Fernsteuerung
Eine eventuelle Reinigung mit einem trockenen Tuch ausführten.
Batteriewechsel
Die Pufferbatterien müssen nicht ersetzt werden. Falls ein Austausch erforderlich wird, siehe Abschnitt Einsetzen der Batterien. Die neuen Akkus müssen Typ NiMh, große AAA sein.

ACHTUNG
- Der Austausch der Batterien darf ausschiedlich durch den Installateur nach dem Trennen der Stromversorgung vom Stromnetz erfolgen. Die Unterbrechung der Stromversorgung löscht auch die Meldung „BATTERIE ERSETZEN".
- Alle drei Batterien gleichzeitig austauschen.
- Alte und neue Batterien dürfen nicht zusammen verwendet werden.
- Nur gleichartige Batterien verwenden (keine Batterien mit entsprechenden Kapazitäten mischen).
- Keine Batterien ins Feuer werfen.

Die Batterien sind Sondermull, ihre Entsorgung wird durch besondere gesetzliche Vorgaben geregelt, sie müssen besonderen Entsorgungsstellen zugeführten werden.
Aufladen der SIM
Be Verwendung einer Prepaid-SIM muss sichergestellt werden, dass immer ein ausreichendes Restguthaben für den Versand von Alarmmeldungen und Antwerten durch die Fernsteuerung bereit stehen.
Fur die Prozeduren zum Aufladen, Kontrolle des Restguthabens und der eventuellen Aktivierung des automatischen Aufladedienstes wird auf die Anleitungen des gewährten Serviceproviders verwiesen.
Fern-Kommunikation Uber GSM-Netz
Kommunikationselemente 1 Modul GSM Quad-band
Stromversorgung 230V ac + 3 Puffer-Akkus NiMh AAA
(empfohlene Kapazitat mindestens 800mAh )
Aufgenommene Leistung 2 W
Bedienelemente 1 Taste Schalten Status der Ausgänge
Anzeigeelemente
1 Multifunkts-LED rot/grün/gelb für die Statusmeldung
des GSM-Modulus
1 rote LED für die Statusmeldung des Geräts
2 Relais 10 A mit NO Kontakt, spannungsfrei
Schließdauer konfigurierbar von 300 ms bis 2 h
2 NO mit 10 A (AC1) / 4 A (AC15) - 250 Vac
2 von 12V ac/dc ÷ 250 V ac
Mindestimpulsdauer 500 ms
Innen, trockene Standorte
-5÷+45℃
Antriebselemente
Ausgangskontakt
Eingänge
Nutzungsumgebung
Betriebstemperatur
Lagertemperatur -25 ÷ +70 °C
Relative Luftfeuchtigkeit
PC-Anschluss
Anschluss Funk-Schnittstelle Steuerung
und Überwachung
Anschluss Funk-Schnittstelle Alarmanlage
Serieller Anschluss
Elektrische Anschlüsse
Schutzgrad
Abmessungen
Normverweise
max. 93% (nicht kondenswasserbildend)
1 USB Anschluss (Typ B)
1 Steckbuchse 4-polig
1 Steckbuchse 6-polig
Schraubklemmen, max. Kabelquerschnitt: 2,5 mm²
Lange max.: 20 m
Schraubklemmen, max. Kabelquerschnitt: 2,5 mm²
IP20
6 DIN-Module
Niederspannungsrichtlinie 72/23/CE
EMV-Richtlinie 89/336/CEE
ETSI EN301 489-7, ETSI EN301 511
Voreingestellte Werte
Freigabe Funktion Nachrichtenkopie 0 = kein Gerat angeschlossen
GRUNDOPTIONEN
| Freigabe Funk-Schnittstelle Steuerung und Überwachung GW 90 822 0 = nein | |
| Freigabe Schnittstelle Funk-Alarmanlage GW 90823 0 = nein | |
| Text Bestätigung Schalten Ausgänge AUSGEFÜHRT | |
| Meldungstext fehlende Stromversorgung KEIN NETZ 230 V | |
| Meldungstext Wiederherstellung Stromversorgung NETZ 230 V OK | |
| Text für Anforderung Batteriewechsel BATTERIEN ERSETZEN |
SIM
| Password (4 alphanumeric Zeichen) 0000 |
TECHNISCHE DATEN
LOKALE I/O
| Versandbedingung SMS für Eingang 1 = Versand bei Empfang AN | |
| SMS-Text bei Empfang “AN” EINGANG 1=AN | |
| SMS-Text bei Empfang “AUS” EINGANG 1=AUS | |
| Versandbedingung SMS für Eingang 2 = Versand bei Empfang AN | |
| SMS-Text bei Empfang “AN” EINGANG 2=AN | |
| SMS-Text bei Empfang “AUS” EINGANG 2=AUS | |
| Modus Schalten Relais 10 = schaltendes Schalten | |
| Meldungstext der Bestätigungs-SMS OUT1 | |
| Modus Schalten Relais 20 = schaltendes Schalten | |
| Meldungstext der Bestätigungs-SMS OUT2 |
TEMPERATURREGELUNG
| Serielles Gerät angeschlossen 0 = kein Gerät angeschlossen | |
| Bezeichnung des angeschlossenen seriellen Geräts THERMOSTATTIMER |
FUNK-STEUERUNG UND ÜBERWACHUNG
| Versandbedingung SMS für Eingang 1 1 = Versand bei Empfang AN | |
| SMS-Text bei Empfang “AN” EINGANG RF1=AN | |
| SMS-Text bei Empfang “AUS” EINGANG RF1=AUS | |
| Versandbedingung SMS für Eingang 2 1 = Versand bei Empfang AN | |
| SMS-Text bei Empfang “AN” EINGANG RF2=AN | |
| SMS-Text bei Empfang “AUS” EINGANG RF2=AUS | |
| Ausgang 1: Meldungstext der Bestätigungs-SMS OUT_RF1 | |
| Ausgang 2: Meldungstext der Bestätigungs-SMS OUT_RF2 | |
| Ausgang 3: Meldungstext der Bestätigungs-SMS OUT_RF3 | |
| Ausgang 4: Meldungstext der Bestätigungs-SMS OUT_RF4 | |
| Ausgang 5: Meldungstext der Bestätigungs-SMS OUT_RF5 | |
| Bidirektonaler Funk-Thermostattinger angeschlossen 0 = nein | |
| Bezeichnung angeschlossener bidirektonaler Funk-Thermostattinger THERMOSTATTIMER | |
ALARMANLAGE
| Nachricht Manipulationsereignis MANIPULATION | |
| Nachricht Alarmereignis ALARM ALARMANLAGE | |
| Nachricht Störungsereignis | STÖRUNG ALARMANLAGE |
| Nachricht Panikalarm | PANIKALARM |
| Speichernachricht Alarm | SPEICHER ALARM |
| Speichernachricht Manipulation | SPEICHER MANIPULATION |
| Speichernachricht Störung | SPEICHER STÖRUNG |
| Nachricht für “Zentrale eingeschaltet” ZENTRALE EINGESCHALTET | |
| Nachricht für “Zentrale ausgeschaltet” | ZENTRALE AUSGESCHALTET |
| Nachricht für “Zentrale bereit zum Einsatzen” | ZENTRALE BEREIT |
| Nachricht für “Zentrale nicht bereit zum Einsatzen” | ZENTRALE NICT NOT BEREIT |


These Anleitung ausschneiden und doppelt falten, um die LiTe der haufgsten Befehle immer damit zu haben
Befehl Beschreibung
Befehle lokale Relais
CAL01-1 Aktivierung Relais Ausgang 1
C4102-1 Aktivierung Belais Ausgang 2
CAL02-0 Deaktivierung Relais Ausgang 2 (und Ende eventuell laufender Zeitsteuerung)
Befehle für elektronischen Programmierer (seriell)
COP01-A Aktivierung Modus AUTO
COP01-3 Aktivierung Modus MAN mit Ausgang AN
COP01-0 Aktivierung Modus MAN mit Ausgang AUS
(1) Das letzte Zeichen ist ein groBes "O".
Befehle für Alarmanlage CAF00-T Aktivieren der Alarmanlage (alle Zonen)
Befehle Funk-Ausgänge
| CAR01-1 Aktivierung Relais Funk-Ausgang 1 |
| CAR01-0 Deaktivierung Relais Funk-Ausgang 1 (wenn das Relais schaltend konfiguriert ist) |
| CAR02-1 Aktivierung Relais Funk-Ausgang 2 |
| CAR02-0 OUT_RF2:Deaktivierung Relais (nur wenn Antrieb als schaltend konfiguriert ist) |
| CAR03-1 Aktivierung Relais Funk-Ausgang 3 |
| CAR03-0 OUT_RF3:Deactivierung Relais (nur wenn Antrieb als schaltend konfiguriert ist) |
| CAR04-1 Aktivierung Relais Funk-Ausgang 4 |
| CAR04-0 OUT RF4:Deactivierung Relais (nur wenn Antrieb als schaltend konfiguriert ist) |
| CAR05-1 Aktivierung Relais Funk-Ausgang 5 |
| CAR05-0 OUT_RF5:Deactivierung Relais (nur wenn Antrieb als schaltend konfiguriert ist) |
(1) Das letzzte Zeichen ist ein groBes "O"
Statusanfrage
| SGE00-0 Statusabfrage aller I/O und der verwalteten Geräte |
| SE800-1 Statusabfrage der lokales I/O und der Punkült-ontsysteme | |
| SE800-2 | Statusabfrage der Thermoattemmiger und des elektronischen Programmierers |
SGE00-3 Statusabfrage der Alarmanlage
(1) Das letzte Zeichen ist ein großes "0".
(1) Das letzte Zeichen ist ein großes "0".
| CAF00-T Aktivieren der Alarmanlage (alle Zonen) | |
| CAF00-0 | Deaktivieren der Alarmanlage |
| CAF00-1 | Aktivieren der Alarmanlage in Zone 1 |
| CAF00-2 Aktivieren der Alarmanlage in Zone 2 | |
| CCR01-H | Einstellen der Funktionart HEIZUNG |
| CCR01-C Einstellen der Funktionart KLIKATISIERUNG | |
| CCR01-0 (1) | Einstellen des Modus AUS |
| CCR01-A Einstellen des Modus AUTO | |
| CCR01-1 Einstellen des Modus MANUELL mit Temperatur T1 | |
| CCR01-2 Einstellen des Modus MANUELL mit Temperatur T2 | |
| CCR01-3 Einstellen des Modus MANUELL mit Temperatur T3 | |
| CCR01-M-Temperatur | Einstellen des Modus MANUELL, mit Solltemperatur, Auflüösung 0,5° und Komma als Dezimalzeichen. z.B. 18,0 oder 21,5. |
(1) Das letzzte Zeichen ist ein groBes "O"
GEWISS-MATERIALE ELETTRICO
SAT

+39035946111
8.30-12.30/14.00-18.00
da lunedi a venerol

+39035946260
24 ore al giomo

SAT on line
gewiss@gewiss.com
EinfachAnleitung