10267407 - Smart Home RWE - Kostenlose Bedienungsanleitung
Finden Sie kostenlos die Bedienungsanleitung des Geräts 10267407 RWE als PDF.
Häufig gestellte Fragen - 10267407 RWE
Benutzerfragen zu 10267407 RWE
0 Frage zu diesem Gerät. Beantworten Sie die, die Sie kennen, oder stellen Sie Ihre eigene.
Eine neue Frage zu diesem Gerät stellen
Laden Sie die Anleitung für Ihr Smart Home kostenlos im PDF-Format! Finden Sie Ihr Handbuch 10267407 - RWE und nehmen Sie Ihr elektronisches Gerät wieder in die Hand. Auf dieser Seite sind alle Dokumente veröffentlicht, die für die Verwendung Ihres Geräts notwendig sind. 10267407 von der Marke RWE.
BEDIENUNGSANLEITUNG 10267407 RWE
DE Unterputz-Lichtschalter Seite 2
EN Inwall light switch Page 6
Der Unterputz-Lichtschalter ermittelcht das intelligente An- und Ausschalten von angeschlossenen Lampen und Leuchten. Die Schaltvorgänge erfolgen anwendergesteuert auf Basis von empfangenen Funkbefehlen.
Die Funkbefehle werden über die SmartHome Software oder programmgesteuert über die Zentrale ausgesandt.
Die Funktion der Wippe kann in der SmartHome Software beliebig konfiguriert werden, um auch andere SmartHome Geräte anzusprechen.

Gefahrenhinweise
- Bitte öffnen Sie den Unterputz-Lichtschaftern nicht. Er enthalt keine durch den Anwender zu wartenden Teile. Im Fehlerfall erhöhen Sieitte Kontakt mit unserem Service auf.
- Betreiben Sie das Gerät nur in Innenräumen. Vermeiden Sie den Einfluss von Feuchtigkeit, Staub sowie Sonnen- oder andere Wärmebestrahlung.
-itte belasten Sie den Unterputz-Lichtschafter nur bis zur angegebenen Leistungsgrenze. -
Der Unterputz-Lichtschanter ist Teil der Gebäudeinstallation. Bei der Planung und Errichtung sind die einschlagigen Normen und Richtlinien des Landes zu beachten. Der Betrieb des Gerätes ist ausschließlich am 230V/50 Hz-Wechselspannungsnetz zulässig. Arbeiten am 230V-Netz dürfen nur von einer in Ihr dem Land zertifizierten Elektrofachkraft erfolgen. Dabei sind die geltenden Unfallverhütungsvorschriften zu beachten. Zur Vermeidung eines elektrischen Schlages am Gerätitte Netzspannung freischalten (Sicherungsautomat abschalten). Bei Nichtbeachtung der Installationshinweise konnen Brand oder andere Gefahren entstehen.
-
Beachten Sie beim Anschluss an die Geräteklemmen die hierfür zulässigen Leitungen und Leitungsquerschnitte:
Starre Leitung Flexible Leitung ohne Aderendhülse
1,00-1,50mm² 1,00-1,50mm²
- Beachten Sie vor Anschluss eines Verbrauchers die technischen Daten, insbesondere die maximal zulässige Anschlussleistung des Lichtschalters und Art des anzuschliebenden Verbrauchers! Alle Lastangaben beziehen sich auf ohmsche Lasten!
- Eine Überlastung kann zur Zerstörung des Gerätes, zu einem Brand oder elektrischen Unfall führen.
Vor dem Anschlieben des Unterputz-Lichtschalters muss die Sicherung im Sicherungskosten herausgenommen werden.
Die Installationarf nur in handelsüblichen Schalterdosen (Geratedosen) gemäß DIN 49073-1 erfolgen.
Das Gerätarf nur mit der zugehörigen, montierten Schalterabdeckung betrieben werden.
Verpflichtende Angabe entsprechend der Gerätesicherheitsnorm
Hinweis! Installation nur durch Personen mit einschlädigen elektrotechnischen Kenntnissen und Erfahrungen! (*1)
Durch eine unsachgemäß Installation gefährden Sie
- Ihr eigenes Leben;
das Leben der Nutzer der elektrischen Anlage.
Mit einer unsachgemäßen Installation risikieren Sie schwere Sachschäden, z. B. durch Brand. Es droht für Sie die persönliche Haftung bei Personen- und Sachschäden.
Wenden Sie sich an einen Elektroinstallateur!
(^*1) Erforderliche Fachkenntnisse für die Installation
Für die Installation sind insbesondere fol-gende Fachkenntnisse erforderlich:
Die anzuwendenden,5 Sicherheitsregeln: Freischalten; gegen Wiedereinschalten sichern; Spannungsfreiheit feststellen; Erden und Kurzschlieben; benachbarte, unter Spannung stehende Teile abdecken oder abschranken;
- Auswahldes geeigneten Werkzeuges, der Messgeräte und ggf. der personlichen Schutzausrüstung;
Auswertung der Messergebnisse;
- Auswahldes Elektro-Installationsmaterialzur Sicherstellung der Abschaltbedingungen;
IP-Schutzarten;
- Einbau des Elektroinstallationsmaterials;
- Art des Versorgungsnetzes (TN-System, IT-System, TT-System) und die daraus folgenden Anschlussbedingun gen (klassische Nullung, Schutzerding, erforderliche Zusatzmaßnahmen etc.).
Inbetriebnahme
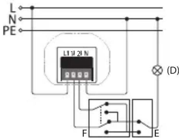
Es sind drei Beschaltungsarten in Abhängigkeit von den vorinstallierten Leitungen möglich.
1 Schalten Sie die Haussicherung des Stromkreises ab.
2 Entfernen Sie alle Kunststoffe und ggf. den vorhandenen Schalter.
3 Notieren Sie sich die auf dem Gerät angegebene Seriennummer unterhalb des Barcodes.
Der vierte Schritt ist abhängig von der gewünschten Beschaltungsart.
Ausschaltung

4 Schlieben Sie den Leiter zur Lampe/ Leuchte (D) an Anschlussklemme 2 an.
Wechselschaltung

4 Schlieben Sie die beiden korrespondierenden Zuleitungen zum Wechselschalter E an die Anschlussklemmen 1 und 2 an.
Die Installation des Unterputz-Lichtschaltersarf nur im Austausch fur den Wechselschalter mit Anschluss an den AuBenleiter L der jeweiligen Wechselschaltung eingesetzt werden.
Kreuzschaltung

4 Schlieben Sie die beiden korrespondierenden Zuleitungen zum Kreuzschalter F an die Anschlussklemmen 1 und 2 an.
- Bei der Installation in einer Kreuzschaltung darf der Unterputz-Lichtschafternur im Austausch fur den Wechselschafter mit Anschluss an den AuBenleiter Leingesetzt werden.
Die folgenden Schritte beziehen sich wieder auf alle Beschaltungsarten.
5 Schlieben Sie den Außenleiter an Anschlussklemme Ian.
6 Schlieben Sie den Neutraleiter an Anschlussklemme N an.
7 Befestigen Sie den Unterputz-Lichtschafter mittels der beiliegenden Schrauben an der Unterputzdose.
8 Halten Sie den Rahmen an den Unterputz-Lichtschalter und befestigen Sie diesen durch Aufstecken des passenden Wippadapters.
9 Schalten Sie die Haussicherung des Stromkreises wieder ein.
10 Binden Sie das Gerät über die Benutzersoftware in das SmartHome System ein.
11 Setzen Sie die Wippe auf.
Allgemeiner Hinweis
Hiermit erklart die eQ-3 Entwicklung GmbH, dass sich theses Gerät in Übereinstimmung mit den grundlegenden Anforderungen und den anderen relevanten Vorschriften der Richtlinie 1999/5/EG befindet.
Die vollständige Konformitätserklung finden Sie unter:
www.eq-3.de/service/downloads.html
eQ-3 Entwicklung GmbH,
Maiburger Str. 36,
26789 Leer
Technische Daten
| Gerätebezeich-nung | ISS2 |
| Versorgungsspannung | 230V/50Hz |
| Standby-Ver-brauch | 1W |
| Funkfrequenz 868,3MHz | |
| Max. Sendeleis-tung | 10mW |
| Empfängerklasse SRD category 2 | |
| Max. Schalteis-tung | 1000W |
| Minimallast 10W | |
| Minimalstrom 40mA | |
| Relais Wechsler | |
| Schaltvermögen 5A (ohmsche Last) | |
| Schutzart IP20 | |
| Schutzklasse II | |
| Umgebungstem-peratur | +5°C bis +35°C |
| Abmessungen 71x71x37mm(BxHxT) | |
| Gewicht 43g | |
Technische Änderungen vorbehalten.
Entsorgungshinweis


Gerat nicht im Hausmull entsorgen! Elektronische Geräte sind entsprechend der Richtlinie für Elektround Elektronik-Altgeräte über die örtlichen Sammelstellen für Elektronik-Altgeräte zu entsorgen.
5. Ausgabe Deutsch 09/2016
Dokumentation © innogy SE, Deutschland. Alle Rechte vorbehalten. Für Fehler technischer oder drucktechnischer Art und ihre Folgen übernehmen wir keine Haftung. Alle Warenzeichen und Schutzrechte werden anerkannt.
Änderungen im Sinne des technischen Fortschritts können ohne Vorankündigung vorgenommen werden.
innogy SE
Flamingoweg 1
44139 Dortmund
Deutschland
Function
eQ-3 Entwicklung GmbH,
Maiburger Str. 36,
D-26789 Leer
Technical data
eQ-3 Entwicklung GmbH,
Maiburger Str. 36,
D-26789 Leer
EinfachAnleitung