UP-51MDU - Drucker SONY - Kostenlose Bedienungsanleitung
Finden Sie kostenlos die Bedienungsanleitung des Geräts UP-51MDU SONY als PDF.
Laden Sie die Anleitung für Ihr Drucker kostenlos im PDF-Format! Finden Sie Ihr Handbuch UP-51MDU - SONY und nehmen Sie Ihr elektronisches Gerät wieder in die Hand. Auf dieser Seite sind alle Dokumente veröffentlicht, die für die Verwendung Ihres Geräts notwendig sind. UP-51MDU von der Marke SONY.
BEDIENUNGSANLEITUNG UP-51MDU SONY
Gebrauchsanweisung 286
DE

(For UP-51MD/51MDP)
UP-50
UP-51MD
UP-51MDU
UP-51MDP
Owner's Record
Um Feuergefahr und die Gefahr eines elektrischen Schlags zu vermeiden,arf das Gerät weder Regen noch Feuchtigkeit ausgesetzt werden.
Um einen elektrischen Schlag zu vermeiden, damit Gehäuse nicht geöffnet werden. Überlassen Sie Wartungsarbeiten stets nur qualifiziertem Fachpersonal.
DIESES GERÄT MULLS GEERDET WERDEN.
Für UP-51MD/51MDU/51MDP
Symbol

Dieses Symbol kennzeichnet den Anschluß für Potentialausgleichsleiter.
Sinn des Potentialausgleichsleiters ist das Herstellen einer potentialgleichen Umgebung für den Patienten.

Dieses Symbol weist den Benutzer auf das Vorhandensein wichtiger Informationen zur Bedienung und Wartung (Service) in den bei diesen Gerät mitgelieferten Dokumenten hin.
Für Kunden in Deutschland (für UP-51MD/51MDP)
Dieses Produkt kann im kommerziellen und in begrenztem Maße auch im industriellen Bereich eingesetzt werden. Dies ist eine Einrichtung, welche die Funk-Entstörung nach Klasse B besitzt.
Wichtige Sicherheitschinweise für den Gebrauch in medizinischen Umgebungen (für UP-51MD/51MDU/ 51MDP)
- Alle Geräte, die an diese Einheit angeschlossen sind, müssen den Standards IEC60601-1, IEC60950 und IEC60065 oder anderen IEC-/ISO-Standards, die für die Geräte gelten, entsprechen.
-
Wenn diese Einheit zusammen mit anderen Geräten in der Patientenumgebung* verwendet wird, müssen die Geräte entweder mit einem Isolationstransformerbetrieben oder über einen zusätzlichen Schutzleitungsanschluß mit der Gehäusemasse verbunden werden, es sei dann, sie entsprechen dem Standard IEC60601-1.
-
Patientenumgebung

FürKundenindenUSA
Wenn these Gerät an 220 bis 240 V Wechselstrom betrieben wird, * dürfen Sie das Gerät selbst nicht bzw. nicht unverändert verwenden, es sei dann, es werden Maßnahmen getroffen, um sicherzustellen, * daß der Kriechstrom 300 A nicht überschreitet.
- Der Ableitstrom kann sich beim Zusammenhang mehrerer Geräte summieren und höhere Werte annehmen.
- Dieses Gerät erzeugt und verwendet Hochfrequenzenergie und kann diese auch abstrahlen. Wenn das Gerät nicht entsprechend den Anweisungen in dieser Anleitung installiert und verwendet wird, kann es Interferenzen mit anderen Geräten hervorrufen. Dies konnen Sie leicht feststellen, indem Sie das Netzkabel vom Gerät losen. Versuchen Sie bei Interferenzen folgenden: Stellen Sie das Gerät weiter entmernt vom gestörten Gerät auf. Schließen Sie these Gerät und das andere Gerät an verschiedene Stromkreise an. Wenden Sie sich für weitere Informationen an ihren Handler. (Entspricht Standard EN60601-1-2 und CISPR11, Klasse B, Gruppe 1)
Vorsicht
Beachten Sie bei der Entsorgung des Geräts bzw. des Zubehörs die gesetzlichen Vorschriften des jeweiligen Landes oder der Region und die Vorschriften im betreffenden Krankenhaus.
Einführung
Zudieser Bedienungsanleitung 289
Systemübersicht 291
Systemkonfiguration 292
Drucken 293
Vor dem Drucken 293
Einlagen einer Farbbandkassette 293
Einlagen von Papier 296
Auswahlen des Eingangssignals 298
Ausdrucken von Bildern in voller Höhe 301
Anfertigen von Ausdrucken mit der gewünschten Benutzerdefinitionsnummer 305
Ausdrucken mehrerer Exemplare eines Bildes 307
Aufzeichen weiterer Bilder während des Druckens 310
Anfertigen von verschiedenen Typen von Ausdrucken 312
Auswahlen des Druckerbetriebsmodus 313
Der Speicher des Systems 316
Ausdrucken von mehreren unterschiedlichen verkleinerten Bildern 319
Ausdrucken von identischen verkleinerten Bildern 334
Ausdrucken eines Bildes mit eingefugtem Bild 336
Ausdrucken von Spiegelbildern 337
Ausdrucken von Bildern mit Untertitel 339
Aufrufen des Menus CAPTION 340
Eingebene eines Untertitels 341
Löschen der Bilder im Speicher 348
Einstellen der Funktion der Taste CLEAR 348
Löschen von Bildern im Speicher 350
Die Bildschirmanzeige 352
Ausblenden der Bildschirmanzeige auf dem Videomonitor 352
Anzeigen des Farbbandtypus und des restlichen Farbbandes 353
Installation und Konfiguration
Mitgeliefertes Zubehör 355
Montage 356
Vorbereiten der Fernbedienung 357
Anschlisse 358
Anschlisse zum Aufzeichnen von Videobildern 358
Anschlisse zum Anzeigen der zu druckenden Bilder 359
Anschlisse zur Fernbedienung des Druckers 360
Installation und Konfiguration
Konfigurieren des Druckers 361
Kompensieren der Eingangssignale 362
Angleichen der Farben auf dem Videomonitor an die Farben des Ausdrucks 367
Einstellen der Farbe auf den Ausdrucken 370
Ändern der große des Ausdrucks/des Druckbereichs 378
Einstellen der Farbbalance 382
Auswahlen des Betriebsmodus für automatische Druckfunktionen 388
Einstellen der Helligkeit des Drucker-Displays 394
Ein-/Ausschalten des Betriebs- und Fehlersignals 396
Einstellen der Baud-Rate zur Kommunikation mit dem Computer 397
Auswahlen des Beschichtungstyps 398
Speichern von Benutzerdefinitionen 400
Sonstiges
Sicherheitsmaßnahmen 404
Sicherheit 404
Aufstellung 404
Vor einem Transport des Druckers 405
Reinigung 406
Farbband und Papier 408
Technische Daten 409
Fehler/Warnmeldungen 413
Fehlermeldungen 413
Warnmeldungen 414
Beheben von Papierstaus 415
Störungsbehebung 417
Lage und Funktion der Teile und Bedienelemente 419
Hauptbedienfeld 419
Bedienfeld innen 420
Rückseite 422
Vergleich der Anzeige im Drucker-Display mit der auf dem Videomonitor 423
Monitoranzeigen 424
Index 426
These Bedienungsanleitung bezieht sich auf folgende Farbvideodrucker der Serie UP-50:
Sollten sich die Modelle hinsichtlich der Bedienung oder in sonstigen Punkten unterschieden, wird in dieser Bedienungsanleitung auf diese Unterschiede deutlich hingewiesen.
Aufbau der vorliegenden Bedienungsanleitung
These Bedienungsanleitung ist in vier Kapitel unterteilt. Es folgt eine kurze Übersicht über den Aufbau dieser Anleitung.
Einführung
Beschreiben die Funktionen und die Systemkonfiguration des Farbvideodruckers.
Beschreiben den eigenen Druckvorgang, nach dem alle Anschlüsse und Einstellungen wie im folgenden Kapitel erläutert vorgenommen wurden. Nach den Anweisungen in thisem Kapitel konnen Sie verschiedene Arten von Ausdrucken erzeugen.
Installation und Konfiguration
Beschreiben, wie Sie das Gerät anschlieben und mit Hilfe der Menüs, die auf dem Videomonitor und im Drucker-Display angezeigt werden, einstehen. Wenn Sie die Anschlüsse und Einstellungen einmal vorgenommen haben, sind diese Schritte bei normalen Druckvorgängen in der Regel nicht nochmals erforderlich. Allerdings müssen Sie diese Schritte erneut ausführten, wenn Sie das Gerät neu installmentieren, wenn sich die Bildqualität verschlechtert, oder wenn andere Einstellungen nötig werden, weil Sie andere Peripheriegeräte anschlieben. In thisem Kapitel wird außerdem die Fernbedienung (nicht mitgeliefert) des Druckers erlautert.
Sonstiges
Erläutert die Sicherheitsmaßnahmen, die beim Arbeiten mit dem Drucker beachtet werden müssen. Außendem werden mögliche Fehler, Warnmeldungen, ihre Ursache und die Abhilfemaßnahmen aufgelistet. Darüber hinaus finden Sie in thisem Kapitel Informationen über die Lage und Funktion der Teile und Bedienelemente des Druckers sowie über die Bildschirmeldungen und Menüs. Sollten Sie beim Lesen dieser Bedienungsanleitung auf weniger vertraute Fachterminologie stoßen, schlagen Sie diese im Index am Ende der Anleitung nach.
In dieser Bedienungsanleitung verwendete Konventionen
Querverweise
In der gesamtten Bedienungsanleitung finden Sie Querverweise auf andere Abschnittte der Anleitung, in denen mit dem betreffenden Thema zusammenhängende Themen behandelt werden.
Hinweise
Lesen Sieitte unbedingtdie mit Hinweis überschriebenen Abschnittte. Sie erlautern wichtige Punkte zur korrekten Bedienung des Druckers und sollen Ihnen herself, Fehlfunktionenzu vermeiden.
Index
Nebem dem Inhaltsverzeichnis konnen Sie Informationen zum Arbeitsen mit dem Drucker auch über den Index finden.
Bildschirmanzeigen
Einige der in thism Handbuch abgebildeten Bildschirm- und Displayanzeigen können sich leicht von den eigentlichen Anzeigen unterscheiden. Die in thism Handbuch beschriebene Bedienung des Druckers ändert sich dadurch jedoch nicht.
Die Farbvideodrucker der Serie UP-50 dienen zum Erfassen von Bilddaten von Videogeräten wie zum Beispiel einem Videorecorder, die dann als Farbbildner (mit 256 Stufen pro Farbe und insgesamt über 16.700.000 Farben) mit hoher Auflösung (ca. 300 dpi) ausgedruckt werden konnen. Sie konnen verschiedene Arten von Ausdrucken erzeugen und Ausdrucke mit einem Untertitel versehen. Sie konnen den Drucker über die Bedienelemente steuern und ihn interaktiv mit Hilfe der Optionen auf den angezeigten Menük konfigurieren.
Folgende Arten von Ausdrucken konnen mit dem Drucker erzeugt werden:
Einnormales Bild, d.h.ein Bild in vollerGröSe (Seite 301)

Zwei verkleinerte Bilder (Seite 319)

Vierverkleinerte Bilder (Seite 319)

Acht verkleinerte Bilder (Seite 319)

16 verkleinerte Bilder (Seite 319)

Identische Bilder (Seite 334)

Bild mit eingefugtem Bild (Seite 336)

Bilder mit Untertitel (Seite 339)

Zusätzlich zu den oben aufgeführten Ausdrucken mit mehreren verkleinerten Bildern konnen Sie auch Ausdrucke mit mehreren verkleinerten Bildern und weiß Rändern darum herum anfertigen. Außer dem konnen Sie einen Spiegelbildausdruck anfertigen, bei dem das Bild um die vertikale Achse gedreht ist.
Systemkonfiguration
Im folgenden sehen Sie als Beispiel eine Druckersystemkonfiguration.

Videoquelle
Gibt die Videobildner aus, die gedruckt werden sollen.
Schreiben Sie als Videoquelle einen Videorecorder, einen Video Disk Player oder ähnliches an.

Zum Anzeigen der von der Videoquelle eingespeisten Bilder (Quellenbilder) und des Bildes, das ausgedruckt werden soll (Speicherbild). Darüber hinaus werden die Druckermenüs und -meldungen hier angezeigt. Wenn der Drucker ausgeschaltet ist, konnen Sie das Bild von der Videoquelle hier anzeigen setzen.

Farbvideodrucker
Fußschalter (nicht mitgeliefert) zum Fernsteuern des Druckers.
Fernbedienung (nicht mitgeliefert) zum Fernsteuern des Druckers.
Im folgenden wird beschreiben, was Sie tun müssen, bevor Sie mit dem Drucken beginnen können. Es wird vorausgesetzt, daß Sie Papierfach und
Papierfachabdeckung am Drucker montiert (siehe “Montage”, Seite 356) und die notwendigen Anschlüsse vorgenommen haben (siehe “Anschlüsse”, Seite 358).
- Einlagen einer Farbbandkassette (siehe unten)
- Einlagen von Papier (siehe Seite 296)
- Auswahlen des Eingangssignals (siehe Seite 298)
Wenn Sie die oben genommen Schritte ausgeführten haben, brauchen Sie sie während eines normalen Druckvorgangs in der Regel nicht mehr auszufahren. Dies ist nur noch in Sonderfällen erforderlich.
Hinweise
- Das Austauschen der Farbbandkassette bzw. Nachlegen von Papier ist bei ein und ausgeschalteten Gerät möglich. Wenn Sie das Gerät dazu jedoch ausschalten, gehen das Bild im Druckerspeicher verloren.
- Verwenden Sie das Farbband zusammen mit dem in derselben Packung als Komplettssatz gefelieferten Papier. Bevor Sie eine Farbbandkassette oder Papier einlagen, vergewissern Sie sich, daß Farbband und Druckpapier kompatibel sind.
- Verwenden Sie nur Farbband und Druckpapier, die speziell für diesen Drucker konzipiert sind. Andernfalls kommt es unter Umständen zu Fehlfunktionen (siehe "Farbband und Papier" auf Seite 408).
Einlagen einer Farbbandkassette
Damit ein Ausdruck erstellt werden kann, müssen eine Farbbandkassette (also ein Farbbandhalter mit eingelegtem Farbband) und Papier eingelegt sein.
Legen Sie ein Farbband in den mitgelieferten Farbbandhalter ein, und setzen Sie die Farbbandkassette in das Farbbandfach des Druckers ein.
Hinweise
- Bevor Sie den Drucker zum ersten Mal benutzen, kann der Thermodruckkopf verschoben sein. Schalten Sie vor dem Einlagen der Farbbandkassette das Gerät ein, so daß der Thermodruckkopf an die richtige Position bewegt wird.
- Nehmen Sie die Farbbandkassette zum Transportieren des Druckers hersaus.
- Werfen Sie den mitgelieferten Farbbandhalter nicht weg, auch wenn das Farbband verbraucht ist. Der Farbbandhalter kann im Gegensatz zum Farbband wiederverwendet werden.
- Mit dem Farb-Drucksatz UPC-510 konnen 200 Blatt mit einer Farbbandrolle bedruckt werden. Werfen Sie das Farbband nach dem Aufbrauchen von einem Paket mit 100 Blatt Papier nicht weg. Sie konnen das Farbband auch für das zweite Papierpaket verwenden.
- Ist ein Farbband vollständig verbraucht, tauschen Sie es gegen ein neues aus. Das Farbband laßt sich nicht wiederverwenden.
- Spulen Sie ein verbrauchtes Farbband nicht zurück, um es wiederzuverwenden.
- Berühren Sie das Farbband nicht, und lagern Sie es nicht an einem staubigen Ort. Fingerabdrücke oder Staub auf dem Farbband führen zu mangelhaften Druckergebnissen oder Fehlfunktionen des Druckkopfes.
- Verwenden Sie das mitgelieferte Farbband und Papier nur zum Testen des Druckers.
1 Öffnen Sie die Abdeckung vorne, indem Sie sie auf sich zuziehen.

2 Drücken Sie zum Herausnehmen der Farbbandkassette die Taste EJECT. Die Farbbandkassette wird ausgeworfen.
Wenn Sie den Drucker zum ersten Mal verwenden, brauchen Sie diesen Schritt nicht auszuführen.


Hinweis
Greifen Sie nie ins Farbbandfach. Der Thermokopf wird sehr heißt und kann Verbrennungen verursachen, wenn Sieihn berühren.

Wenn sich die Farbbandkassette nicht auswerfen laßt
Schalten Sie den Drucker aus und wieder ein. Drücken Sie dann nach einer Weile die Taste EJECT.
Hinweis
Wenn Sie den Drucker ausschalten, Goes das Bild im Druckerspeicher verloren. Speichern Sie in thisem Fall das Bild vor dem Drucken erneut ab.
3 Nehmen Sie das verbrauchte Farbband aus dem Farbbandhalter.





① Nehmen Sie die Spule mit dem Farbband hersus.
② Nehmen Sie die andere Spule heraus.
4 Legen Sie das Farbband in den Farbbandhalter ein.

5 Spannen Sie das Farbband.
Wenn das Farbband durchhängt, kann es beim Einlagen in den Drucker beschädigt werden.

6 Drücken Sie die Farbbandkassette fest hinein, bis sie mit einem Klicken einrastet.
Vergewissern Sie sich, daß die Farbbandkassette richtig sitzt.
Wenn sich die Farbbandkassette nicht ganz einsetzen laßt, schieben Sie sie nicht weiter hinein. Sie verwenden möglicherweise den falschen
Farbbandhalter. Achten Sie darauf, den für diesen Drucker konzipierten Farbbandhalter zu verwenden.

Wenn sich die Farbbandkassette nicht einlagen laßt:
Schalten Sie den Drucker aus und wieder ein. Legen Sie dann die Farbbandkassette erneut ein.
7 Schlieben Sie die Abdeckung vorn.

Hinweise
Lagern der Farbbandkassette:
- Lagern Sie das Farbband nicht an Orten, an denen es folgenden Bedingungen ausgesetzt ist:
— hohen Temperature
—hoher Luftfeuchtigkeit
— übermäßig viel Staub
—direktem Sonnenlicht
- Bewahren Sie teilweise verbrauchte Farbbandkassetten in der Originalpackung auf.
Falls das Farbband reiBt
Repairen Sie das Farbband mit transparentem Klebeband. Der Rest des Farbbands laßt sich dann in der Regel problemlos weiterbenutzen.

Einlagen von Papier
Gehen Sie zum Einlagen von Papier wie im folgenden erlautert vor. Achten Sie bereits darauf, die Druckoberfläche (die zu bedruckende Seite des Papiers) nicht zu berühren.
Hinweise
- Sie können Papier bei ein- und bei ausgeschaltetem Drucker einlagen. Wenn Sie das Gerät dazu jedoch ausschalten, gehen das Bild im Druckerspeicher verloren.
- Verwenden Sie nur das empfohlene Papier. Andernfalls kommt es unter Umständen zu Fehlfunktionen wie Papierstaus. Verwenden Sie auch nicht das Papier für Farbvideodrucker der Serien UP-5000/5100 und UP-5500. Schlagen Sie dazu unter “Farbband und Papier” auf Seite 408 nach.
1 Öffnen Sie die Abdeckung vorne, indem Sie sie auf sich zuziehen.
2 Drücken Sie auf das Papierfach. Das Papierfach wird ausgeworfen.

3 Legen Sie das Papier so in das Papierfach ein, daß die Druckoberfläche mit der Schutzfolie nach unten weist.
Hinweise
- Das Papierfach kann bis zu etwa 100 Blatt Papier aufnehmen. Wenn Sie Papier in ein Fach einlagen, in dem sich noch Papier befindet, achten Sie darauf, die Höchstmenge nicht zu überschreiben. Wenn Sie mehr Blätter einlagen, kann es zu Papierstaus kommt.
- Legen Sie das Papier flach in das Papierfach ein. Wenn es sich welt, kann es über den Rand des Papierfachs hinausragen und wird möglicherweise nicht eingezogen. Fächern Sie das Papier mit den Schutzfolien unbedingt auf, bevor Sie es in das Papierfach einlegen. Falls sich die Druckposition verschiebt, legen Sie weniger Blätter in das Papierfach ein.
- Legen Sie keine entsprechenden Papiertypepen in das Fach.

4 Schieber Ben Sie das Papierfach wieder in den Drucker, bis es mit einem Klicken einrastet.

5 Schließen Sie die Abdeckung vorn.
Hinweise
Druckpapier
Berühren Sie die Druckoberfläche nicht. Staub oder Fingerabdrücke führen zu mangelhaften Druckergebnissen oder Fehlfunktionen des Druckkopfes. Halten Sie das Papier an der Schutzfolie für die Druckoberfläche.
Lagern von Druckpapier
- Lagern Sie das Papier nicht an Orten, an denen es folgenden Bedingungen ausgesetzt ist:
— hohen Temperature
— hoher Luftfeuchtigkeit
— übermäßig viel Staub
— direktem Sonnenlicht
- Bewahren Sie teilweise verbrauchtes Druckpapier in der Originalpackung auf.
Auswahlen des Eingangssignals
Wahlen Sie vor dem Drucken das Eingangssignal aus, also den Eingang, über den das zu druckende Signal eingespeist wird - VIDEO, S-VIDEO oder RGB.
Nachdem Sie das Eingangssignal ausgewählten haben, gilt diese Einstellung, bis Sie sie ändern.
Zum Auswahlen des Eingangssignals stehen die beiden folgenden Mochigkeiten zur Verfugung:
Die Taste INPUT SELECT
- Das Menu
Auswahlen des Eingangssignals mit der Taste INPUT SELECT


1 Schalten Sie Videomonitor und Drucker ein.
Folgende Anzeige erscheint, wenn der Drucker betriebsbereit ist.
Videomonitor


Drucker-Display
2 Drücken Sie die Taste INPUT SELECT.
Das momentan ausgewählte Eingangssignal erscheint. Das ausgewählte Signal leuchtet auf dem Videomonitor grün und wird im Drucker-Display als ganzes Wort angezeigt.
Wenn Sie nach dem Drücken der Taste INPUT SELECT nicht fortfahren, erscheint die aktuelle Einstellung etwa 3 Sekunden lang und wird danach ausgeblendet.


Das momentan ausgewählte Eingangssignal erscheint grün und wird als ganzes Wort angezeigt.
3 Wahlen Sie das gewünschte Eingangssignal aus.
So wechseln Sie das Eingangssignal:
Drücken Sie die Taste INPUT SELECT so oft, bis das gewünschte
Eingangssignal auf dem Monitor grün angezeigt wird bzw. bis es im Drucker-Display als ganzes Wort angezeigt wird.
Mit jedem Tastendruck auf INPUT SELECT wechselt das Eingangssignal in der Reihenfolge VIDEO S-VIDEO RGB VIDEO....
Das ausgewählte Signal wird innerhalb von drei Sekunden ausgeblendet.
| Quellensignal des zu druckenden Bildes | Videomonitor und Drucker-Display (das ausgewählte Eingangssignal wird als ganzes Wort angezeigt) |
| Signal von einem Videogerät am AnschlußVIDEO INPUT | V → VIDEO |
| Signal von einem Videogerät am AnschlußS-VIDEO INPUT | SV → SVIDEO |
| Signal von einem Videogerät an den Anschlüssen RGB/SYNC INPUT | R → RGB |
So bestätigen Sie das momentan ausgewählte Eingangssignal
Drücken Sie die Taste INPUT SELECT. Das momentan ausgewählte
Eingangssignal wird etwa 3 Sekunden lang auf dem Videomonitor grün und im
Drucker-Display als ganzes Wort angezeigt.
Hinweis
Wenn das Speicherbild (Bilddaten im Druckerspeicher) angezeigt wird und Sie die Taste INPUT SELECT drücken, wird das Speicherbild durch das Quellenbild (von der Videoquelle eingespeistes Bild) ersetzt.
Auswahlen des Eingangssignals über das Menu


1 Schalten Sie Videomonitor und Drucker ein.
2 Drücken Sie die Taste INPUT SETUP. Das Menu INPUT SETUP wird angezeigt.
| INPUT SETUP COLOR:200 | |
| / COL/LAY/PRN/IN/OUT/ | |
| INPUT SEL :VIDEO/SV/R | |
| HUE :0……… | |
| COLOR :0……… | |
| GAIN :0……… | |
| OFFSET :0……… | |
| AGC :OFF/ON | |
| Q1 A 1 S |
INPUT SETUP /c/1/p/IN/o/
3 Wahlen Sie mit der Taste oder die Option INPUT SEL aus.
| INPUT SETUP COLOR : 200 / COL / LAY / PRN / IN / OUT / INPUT SEL :VIDEO / SV / R |
| HUE : 0 ............ |
| COLOR : 0 ............ |
| GAIN : 0 ............ |
| OFFSET : 0 ............ |
| AGC : OFF / ON |
| Q1 A 1 S |
INPUT SEL :
VIDEO/sv/r
Drucken Sie die Taste oder so oft, bis INPUT SEL erscheint.
Stellen Sie den Cursor mit der Taste oder auf INPUT SEL.
4 Wahlen Sie das gewünschte Eingangssignal mit der Taste oder aus.
| INPUT SETUP COLOR : 200 / COL/LAY/PRN/IN/OUT/ ▶INPUT SEL : [VIDEO/SV/R] | ||
| HUE : 0 ............ | ||
| COLOR : 0 ............ | ||
| GAIN : 0 ............ | ||
| OFFSET : 0 ............ | ||
| AGC : OFF / ON | ||
| Q1 A 1 | S | |
INPUT SEL :VIDEO/sv/r
Lassen Sie mit der Taste oder das Eingangssignal als ganzes Wort anzeigen.
Das Eingangssignal wird grün angezeigt, wenn Sie die Taste ◆ oder ◆ drücken. Das ausgewählte Eingangssignal erscheint grün und wird als ganzes Wort angezeigt.
5 Drücken Sie die Taste INPUT SETUP. Die normale Anzeige erscheint.
In thisem Abschnitt wird erlautert, wie Sie ein Bild in voller Großausdrucken konnen. Das hier beschriebene Verfahren ist das grundlegende Verfahren zum Ausdrucken von Bildern.
Vor dem Ausdrucken eines Bildes in voller Groß
- Alle erforderlichen Anschlüsse müssen bereits vorgenommen sein (siehe Seite 354).
- Achten Sie darauf, daß ein geeignetes Farbband und geeignetes Druckpapier korrekt eingelegt sind (siehe Seite 293, 296 und 408).
- Wahlen Sie das Eingangssignal, von dem ein Ausdruck erstellt werden soll (siehe Seite 298).
- Stellen Sie den Drucker so ein, daß ein Bild in voller Höhe im Druckerspeicher abgelegt werden kann (siehe Seite 320).
- Wahlen Sie die entsprechende Speicherverste (siehe Seite 322).
- Bestätigen Sie die Farbqualität der Ausdrucke (z. B. LOAD COLOR-Nummer) (Seite 370).


Taste DISPLAY
1 Schalten Sie Videomonitor und Drucker ein.
2 Starten Sie die Videoquelle, und setzen Sie das Quellenbild auf dem Videomonitor anziegen.
Hierzu verwenden Sie die Bedienelemente des Videogeräts, das als Videoquelle ausgewählt ist.

Videomonitor
Zeigt, daß das Bild von der Videoquelle angezeigt wird.
Fortsetzung
3 Drücken Sie die Taste CAPTURE in dem Moment, in dem das zu druckende Bild auf dem Monitor erscheint.
Das Bild wird in den Speicher gestellt. Das Speicherbild erscheint auf dem Monitor. Welches Bild danach angezeigt wird, also das Bild von der Videoquelle oder das Speicherbild, hangt von der Einstellung der Funktion FUNCTION SETUP des Druckers ab (siehe Seite 326).

Zeigt, daß das Bild im Druckerspeicher auf dem Monitor angezeigt wird.
Wenn das aufgezeichnete Bild verschwommen ist
Ein Bild, das eine stark bewegte Sequenz wiedergibt, wird unter Umständen verschwommen aufgezeichnet. Setzen Sie in thisem Fall die Einstellung für den Speichermodus auf FIELD, und drucken Sie das Bild erneut aus. Die Unscharfe sollte sich so eliminieren setzen, die Bildqualität insgesamt wird dadurch jedoch leicht beeinträchtigt.
Wahlen Sie mit der Taste MEMORY FRM/FLD den Modus FIELD (Halbbild) aus (siehe “Auswahlen des Speichermodus” auf Seite 317).
Hinweise
- In der Regel empfeihlt es sich, Ausdrucke im Modus FRAME (Vollbild) anzufertigen. Zum Bestätigten der Einstellung für den Speichermodus drücken Sie die Taste MEMORY FRM/FLD. Der momentan ausgewählte Speichermodus erscheint etwa drei Sekunden lang grün auf dem Videomonitor bzw. als ganzes Wort im Drucker-Display und wird dann ausgeblendet.
- Sie können den Speichermodus nur wechseln, wenn Sie 1 (Bild in voller Höhe), 2 (zwei verkleinerte Bilder) oder 4 (vier verkleinerte Bilder) auswahlen.
- Die Anzahl verwendbarer Speicherseiten hangt von dem ausgewählten Speichermodus ab (siehe Seite 322).
So wechseln Sie das in den Speicher gestellte Bild
① Rufen Sie mit der Taste SOURCE/MEMORY das Bild von der Videoquelle auf, wenn auf dem Monitor das Speicherbild angezeigt wird.
② Drücken Sie die Taste CAPTURE in dem Moment, in dem das zu druckende Bild erscheint.
Das zuvor gespeicherte Bild wird durch das neue ersetzt.
Hinweis
Wenn Sie das Gerät ausschalten, Goes das im Speicher abgelegte Bild verloren. In diesen Fall mussen Sie nach dem erneuten Einschalten des Druckers ein neues Bild in den Speicher stellen. Andernfalls druckt der Drucker nichts aus, wenn Sie die Taste PRINT drucken.
4 Drucken Sie die Taste PRINT.
Der Ausdruck wird in die Papierfachabdeckung ausgeworfen.
Die Druckdauer hangt vom Papiertype und den Druckereinstellungen ab.


Wechsel während des Druckvorgangs
folgendermaßen: Druckstart → Gelb →
Magenta → Zyan → Druckende
Die Farbkomponente, die gerade gedrucht wird, erscheint. Der Farname wechsel mit dem Fortschreiben des Druckvorgangs.
Hinweise
- Schalten Sie den Drucker während des Druckens nicht aus.
Andernfalls wird das Papier möglicherweise nicht mehr ausgegeben, und es kann zu einem Papierstau kommt.
- Ziehen Sie das Papier erst aus der Papierfachabdeckung, wenn der Druckvorgang abgeschlossen ist.
- Lassen Sie nicht mehr als 10 Ausdrucke auf der Papierfachabdeckung liegen. Andernfalls kann es zu Papierstaus kommt.
- Sie können während des Druckvorgangs den Betriebsmodus oder die Einstellungen im Menu WINDOW SETUP nicht wechseln.
So stoppen Sie den Druckvorgang
Während Sie einen Ausdruck anfertigen, kann der Druckvorgang nicht abgebrochen werden. Warten Sie, bis der Ausdruck in die Papierfachabdeckung ausgeworfen wird.
Wenn Sie mehrere Exemplare anfertigen, setzen Sie die Druckmenge auf 1 zurück, während das ersten Exemplar gedruckt wird (siehe “Ausdrucken mehrerer Exemplare eines Bildes” auf Seite 307).
Falls der Drucker nicht druckt
In folgenden Fälle druckt der Drucker nicht:
- Eine Fehlermeldung erscheint auf dem Monitor und dem Drucker-Display. — Gehen Sie wie unter “Fehler-/Warnmeldungen” auf Seite 413 beschrieben vor.
- Im Speicher ist kein Bild abgelegt. — Bilddaten im Speicher gehen verloren, wenn Sie den Drucker ausschalten. Speichern Sie nochmals ein Bild ab, und drücken Sie dann die Taste PRINT.
So erstellen Sie mit hoher Geschwindigkeit einen Ausdruck
Setzen Sie PRN SPEED im Menu PRINTER SETUP auf HIGH (siehe Seite 314).
Wenn Sie ein Bild sehen wollen, das von einer Bildschirmmeldung verdeckt wird
Mit der Taste DISPLAY konnen Sie die Bildschirmmeldung (z. B. Q1, A usw.) auf dem Videomonitor ausblenden. Die Meldung auf dem Monitor wird ausgeblendet. Wenn Sie die Meldung wieder einblenden wollen, drücken Sie die Taste DISPLAY erneut (siehe “Ausblenden der Bildschirmanzeige auf dem Videomonitor” auf Seite 352). Mit der Taste RIBBON REMAIN konnen Sie auch die Informationen zum Farbband und zum Papier ausblenden (siehe “Anzeigen des Farbbandtypus und des restlichen Farbbandes” auf Seite 353.)
Wenn auf dem Ausdruck ein schwarzer Streifen erscheint
Manchmal erscheint auf einem Ausdruck ein schwarzer Streifen, der auf dem Videomonitor nicht zu sehen ist. Diese Streifen laßt sich vermeiden (siehe “Ändern der große des Ausdrucks/des Druckbereichs” auf Seite 378).
Wenn die Farbqualität der Ausdrucke nicht zufriedenstellend ist
Sie können eine zufriedenstellende Farbqualität der Ausdrucke erzielen, indem Sie das Eingangssignal kompensieren und/oder die Farbqualität auf den Ausdrucken einstellen (siehe “Kompensieren der Eingangssignale” auf Seite 362 und “Einstellen der Farbe auf den Ausdrucken” auf Seite 370).
Hinweise
Lagern der Ausdrucke:
- Lagern Sie die Ausdrucke nicht an einem Ort, an dem sie hohen Temperaturen, hoher Luftfeuchtigkeit, übermäßig viel Staub und direktem Sonnenlicht ausgesetzt sind.
- Bringen Sie kein Klebeband auf den Ausdrucken an. Lassen Sie auch keinen Radiergummi darauf liegen, und bringen Sie sie nicht mit Materialien in Berührung, die Weichmacher enthalten, zum Beispiel einer Schreibtischmatte aus Kunststoff.
- Achten Sie darauf, daß die Ausdrucke nicht mit Alkohol oder anderen flüchtigen organischen Lösungsmitteln in Berührung kommt.
Anfertigen von Ausdrucken mit der gewünschten Benutzerdefinitionsnummer
Sie können alle Druckereinstellungen als benutzerdefinierte Einstellungen speichern. Mit thisem Drucker konnen Sie drei Gruppen von Einstellungen als Benutzerdefinition 1, 2 und 3 speichern (siehe “Speichern von Benutzerdefinitionen” auf Seite 400). Wenn Sie die Nummer der gewünschten Benutzerdefinition auswahlen, werden am Drucker die entsprechenden Einstellungen vorgenommen. Sie konnen einen Teil der ausgewählten Benutzerdefinitionändern und Ausdrucke anfertigen.
Hinweis
Wenn Sie die momentan ausgewählte Benutzerdefinition wechseln, wird das Bild in den Speicherseiten gelöscht.


1 Schalten Sie Videomonitor und Drucker ein.
2 Starten Sie die Videoquelle, und setzen Sie das Quellenbild auf dem Videomonitor anzeigen. Hierzu verwenden Sie die Bedienelemente des Videogeräts, das als Videoquelle ausgewähl ist.
3 Drücken Sie die Taste LOAD USER. Die momentan ausgewählte Benutzerdefinition erscheint.


Fortsetzung
4 Wahlen Sie die Nummer der Benutzerdefinition aus.
Drücken Sie die Taste LOAD USER so oft, bis die gewünschte Benutzerdefinition auf dem Videomonitor grün angezeigt wird bzw. bis sie im Drucker-Display angezeigt wird.
Mit jedem Tastendruck auf LOAD USER wechselt die Nummer der Benutzerdefinition in der Reihenfolge 1 2 3 1 ...
Die Nummer der ausgewählten Benutzerdefinition wird innerhalb von drei Sekunden ausgeblendet.

Lassen Sie die Nummer der gewünschten Benutzerdefinition grün anzeigen.

Lassen Sie die Nummer der gewünschten Benutzerdefinition anzeigen.
5 Drucken Sie die Taste EXEC.
Die in Schritt 4 ausgewählte Benutzerdefinition wird ausgeführrt.
Während die ausgewählte Benutzerdefinition ausgeführrt wird, erscheint die folgende Meldung.

6 Drücken Sie die Taste CAPTURE in dem Moment, in dem das zu druckende Bild auf dem Monitor erscheint.
Das Bild wird in den Speicher gestellt.
7 Drucken Sie die Taste PRINT.
Der Drucker erstellt die Ausdrucke gemäß der in Schritt 4 ausgewählten Benutzerdefinition.
Ausdrucken mehrerer Exemplare eines Bildes
Sie konnen einen Ausdruck bis zu neunmal ausgegeben halten.
Einstellen der Druckmenge
Sie haben zwei Möglichkeiten, die Anzahl der Exemplare einzustellen:
- Die Taste PRINT QTY. Mit dieser Taste können Sie die Anzahl der Exemplare jedoch nicht verringn.
- Das Menu
Sie können die Anzahl der Exemplare vor dem Drucken und auch während des Druckens jederzeit ändern.

Einstellen der Druckmenge mit der Taste PRINT QTY
1 Drücken Sie die Taste PRINT QTY.
Der folgende Bildschirm erscheint.
Wenn Sie nach dem Drücken der Taste PRINT QTY nicht fortfahren, erscheint die aktuell eingestellte Anzahl der Exemplare etwa 3 Sekunden lang und wird danach ausgeblendet.

Fortsetzung
2 Drücken Sie die Taste PRINT QTY, bis die gewünschte Anzahl angezeigt wird.
Durch wiederholtes Drücken der Taste PRINT QTY erhöht sich die Anzahl der Exemplare bis auf maximal 9.
Auch durch wiederholtes Drücken der Taste erhöht sich die Anzahl der Exemplare nur bis auf maximal 9.

So verringern Sie die Anzahl der Exemplare
Drücken Sie, während der Bildschirm in Schritt 1 angezeigt wird, die Taste . Mit jedem Tastendruck auf verringiert sich die Anzahl der Exemplare bis auf 1.
Einstellen der Druckmenge im Menu

1 Drücken Sie die Taste MENU. Das zuvor geöffnete Menu wird angezeigt.
2 Wahlen Sie mit der Taste oder die Option PRN aus. Das Menu PRINTER SETUP wird angezeigt.

Lassen Sie PRN mit der Taste oder grun anzeigen.

Lassen Sie PRN mit der Taste oder in Großbuchstaben anzeigen.
3 Wahlen Sie mit der Taste oder die Option PRINT QTY aus.

Stellen Sie den Cursor mit der Taste oder auf PRINT QTY.

4 Wahlen Sie die gewünschte Anzahl an Exemplaren mit der Taste oder aus.
| Funktion | Taste |
| Erhöhen der Anzahl | ✕ |
| Verringern der Anzahl | ✕ |
5 Drücken Sie die Taste MENU. Die normale Anzeige erscheint.
Wenn das Druckpapier während des Druckens zu Ende gehen
Legen Sie neues Papier ins Papierfach ein, und drücken Sie die Taste PRINT. Die Druckmenge wird beim Stoppen des Druckvorgangs allerdings auf die ursprüngliche Menge zurückgesetzt. Wenn als Druckmenge beispielsweise 5 eingestellt ist und das Papier nach dem Drucken von drei Exemplaren ausgeht, wird die Druckmenge trotzdem auf 5 zurückgesetzt. Wenn Sie nur die restlichen Exemplare drucken wollen, setzen Sie die Druckmenge nach dem Einlegen von Papier auf 2 (siehe "Einlegn von Papier" auf Seite 296).
Aufzeichnen weiterer Bilder während des Druckens
Sie konnen während des Druckens ein weiteres Bild in einer anderen Speicherseite aufzeichnen. Dieses Bild wird dann ausgedrucht, sobald der Drucker frei wird. Die verfügbaren Speicherseiten hangen von der Art der Ausdrucke und den Einstellungen ab (siehe Seite 322).

1 Wahlen Sie die gewünschte Speicherseite mit der Taste MEMORY PAGE aus. Mit jedem Tastendruck auf MEMORY PAGE wechselt die Speicherseite.

Die momentan ausgewählte Speicherverseite.

Die verfügbaren Speicherseiten werden weiß angezeigt.
2 Drücken Sie die Taste CAPTURE in dem Moment, in dem das zu druckende Bild auf dem Monitor erscheint.
3 Drücken Sie die Taste PRINT. Das in Schritt 2 aufgezeichnete Bild wird in die Warteschlange gestellt. Das Bild wird gedruckt, sobald alle vorherigen Druckjobs beendet sind.

Speicherseite, deren Bild zum Drucken in die Warteschlange gestellt wurde (blinkt weiß auf dem Videomonitor).
Die Anzeige der Speicherverte erscheint auf dem Videomonitor wieder weiß, sobald der Druckvorgang abgeschlossen ist.
Hinweis
Sie konnen kein weiteres Bild in eine Speicherseite stellen, deren Bild bereits zum Drucken in die Warteschlange gestellt wurde. Wenn Sie dies versuchen, erscheint "PLEASE WAIT PRINTING MEMORY" auf dem Monitor.
4 Um weitere Bilder in die Warteschlange zu stellen, gehen Sie wie in Schritt 1, 2 und 3 erläutert vor.
Anfertigen von verschiedenen Typen von Ausdrucken
Sie können entsprechiche Arten von Bildern in den Speicher stellen und diese auf entsprechiche Art und Weise ausdrucken.
Typen von Ausdrucken, die der Drucker erstellen kann
Aus den Bildern im Speicher setzen sich folgende Ausdrucktypen erzeugen.
Einnormales Bild, d. h. ein Bild in voller Größe
Zwei verkleinerte Bilder
Vier verkleinerte Bilder



Acht verkleinerte Bilder
16 verkleinerte Bilder
Identische Bilder a)



Bild mit eingefugtem Bild

a) Sie können Ausdrucke mit 2, 4, 8 oder 16 identischen verkleinerten Bildern erstehen.
Sie können Ausdrucke mit mehreren verkleinerten Bildern und weiß Rändern darum herum anfertigen.
Außer dem können Sie Ausdrucke von Spiegelbildern erstehen, bei denen die Speicherbilder um die vertikale Achse gedreht wurden.
Auswahlen des Druckerbetriebsmodus
Mit thisem Gerät können Sie Ausdrucke von Bildern in voller Höhe oder von zwei, vier, acht oder 16 verkleinerten Bildern erstehen.
Wenn Sie den Druckerbetriebsmodus darüber hinaus auf STANDARD oder DUPLICATE einstellen, können Sie verschiedene bzw. identische verkleinerte Bilder ausdrucken halten.
Wenn Sie den Drucker zum ersten Mal verwenden, ist der Betriebsmodus STANDARD für Bilder in voller Höhe ausgewählt.
Stellen Sie den Betriebsmodus ein, der für ihre Zwecke am besten geeignet ist.
Hinweis
Wenn Sie den Betriebsmodus ändern, werden die Bilder in allen Speicherseiten gelöscht.

1 Drücken Sie die Taste MENU. Das zuvor geöffnete Menu wird angezeigt.
2 Wahlen Sie mit der Taste oder die Option PRN aus. Das Menu PRINTER SETUP wird angezeigt.

Lassen Sie PRN mit der Taste oder grun anzeigen.

Lassen Sie PRN mit der Taste oder in Großbuchstaben anziegen.
3 Wahlen Sie mit der Taste oder die Option PRN SPEED aus.

Stellen Sie den Cursor mit der Taste oder auf PRN SPEED.

erscheint.
Wenn Sie den Drucksatz mit selbstbeschichtendem Papier UPC-540 verwenden, können Sie die Beschichtung der Ausdrucke auswahlen (siehe "Auswahlen des Beschichtungstyps" auf Seite 398).
4 Wahlen Sie den gewünschten Druckmodus mit der Taste oder aus.

Lassen Sie die gewünschte Druckgeschwindigkeit mit der Taste oder grün anzeigen.

Taste oder anzeigen.
| Funktion | Einstellung für PRN SPEED (Druckmodus) |
| Erstellen eines Ausdrucks mit normaler Geschwindigkeit | NORMAL |
| Erstellen eines Ausdrucks mit hoher Geschwindigkeit | HIGH |
5 Wahlen Sie mit der Taste oder die Option SYSTEM aus.

Stellen Sie den Cursor mit der Taste oder auf SYSTEM.

6 Drucken Sie die Taste
Das Menu SYSTEM SETUP wird angezeigt.


7 Wahlen Sie mit der Taste oder die Option APPLI. aus.


Drucken Sie die Taste 口 oder so oft, bis APPLI. erscheint.
Stellen Sie den Cursor mit der
Taste 豆 oder 豆 auf APPLI.
8 Wahlen Sie den gewünschten Betriebsmodus mit der Taste oder aus.


Lassen Sie den gewünschten Betriebsmodus mit der Taste oder in Großbuchstaben anziegen.
Lassen Sie den gewünschten Betriebsmodus mit der Taste oder grün anzeigen.
| Betriebsmodus | Ausdruck |
| STANDARD | Ausdruck eines Bildes in voller Höhe, zwei verschiedener verkleinerter Bilder, vier verschiedener verkleinerter Bilder, acht verschiedener verkleinerter Bilder und 16 verschiedener verkleinerter Bilder |
| DUPLICATE | Ausdruck eines Bildes in voller Höhe, zwei identischer verkleinerter Bilder, vier identischer verkleinerter Bilder, acht identischer verkleinerter Bilder und 16 identischer verkleinerter Bilder |
9 Wahlen Sie mit der Taste oder die Option PRN SETUP aus.
10 Drucken Sie die Taste
Das Menu PRINTER SETUP wird angezeigt.
11 Drucken Sie die Taste MENU.
Die normale Anzeige erscheint.
Der Speicher des Systems
Bevor Sie Ausdrucke anfertigen konnen, müssen Sie im Speicher ein Bild aufzeichnen.
Beim Aufzeichnen eines Bildes stehen zwei Speichermodi zur Verfügung, der Vollbildmodus und der Halbbildmodus.
Vollbildmodus: Ein Bild wird in einem Speicherbereich aufgezeichnet.
Halbbildmodus: Ein Speicherbereich wird in zwei unterteilt und in jedem Teilbereich kann ein Bild aufgezeichnet werden. So kann ein sich schnell bewegendes Motiv mit weniger Unschärfen ausgedruckt werden.
Der Speicherbereich, in dem ein Bild aufgezeichnet ist, wird in dieser Bedienungsanleitung als Speicherseite bezeichnet.
Die Anzahl der verfügbaren Speicherseiten hängt von der Art der verkleinerten Bilder und vom Speichermodus ab.
Einzelheiten dazu finding Sie unter "Auswahlen der Speicherseite" auf Seite 322.
Hinweis
Sie konnen den Halbbildmodus nur auswahlen, wenn Sie Bilder in voller Höhe, zwei verkleinerte oder vier verkleinerte Bilder ausdrucken wollen.
Im Vollbildmodus
Videomonitor

Das auf dem Videomonitor angezeigte Bild wird in Speicherverteite A aufgezeichnet.
So kann ein unbewegtes Motiv mit hoher Auflösung ausgedrucht werden.
Im Halbbildmodus
Videomonitor

Das auf dem Videomonitor angezeigte Bild wird in
Speicherseite A1 aufgezeichnet.
So kann ein sich schnell bewegendes Motiv mit weniger Unschärfen ausgedruckt werden.
Auswahlen des Speichermodus
Hinweis
Sie konnen den Speichermodus nur auswahlen, wenn Sie Bilder in voller Höhe, zwei verkleinerte oder vier verkleinerte Bilder ausdrucken wollen.
Zum Auswahlen des Speichermodus stehen die beiden folgenden Mänglichkeiten zur Verfügung:
Die Taste MEMORY FRM/FLD
- Das Menu
So wahlen Sie den Speichermodus mit der Taste MEMORY FRM/FLD aus

1 Drücken Sie die Taste MEMORY FRM/FLD.
Der folgende Bildschirm erscheint.
Wenn Sie nach dem Drücken der Taste MEMORY FRM/FLD nicht fortfahren, erscheint der momentan ausgewählte Speichermodus etwa 3 Sekunden lang und wird danach ausgeblendet.

Der momentan ausgewählte Speichermodus wird grün angezeigt.

2 Wahlen Sie mit der Taste MEMORY FRM/FLD den gewünschten Speichermodus aus.
Drücken Sie die Taste MEMORY FRM/FLD so oft, bis der gewünschte Speichermodus auf dem Videomonitor grün angezeigt wird bzw. bis er im Drucker-Display in Großbuchstaben angezeigt wird.
Mit jedem Tastendruck auf FRM/FLD wechselt der Speichermodus.
FRAME: Wenn möglich, empfeihlt es sich, diesen Modus zu verwenden.
FIELD: Wahlen Sie diesen Modus, wenn Sie die Unsächfere bei einem sich Schnell bewegenden Motiv reduzieren möchten.
So wahlen Sie den Speichermodus über das Menu aus

1 Drücken Sie die Taste MENU. Das zuvor ausgewählte Menu erscheint.
2 Wahlen Sie mit der Taste oder die Option LAY aus. Das Menu LAYOUT SETUP wird angezeigt.


3 Wahlen Sie mit der Taste oder die Option MEMORY aus.


Stellen Sie den Cursor mit der Taste oder auf MEMORY.
4 Wahlen Sie den gewünschten Speichermodus mit der Taste oder aus.

Lassen Sie den gewünschten Speichermodus mit der Taste oder grün anzeigen.

Lassen Sie den gewünschten Speichermodus mit der Taste oder in Großbuchstaben anzeigen.
5 Drücken Sie die Taste MENU. Die normale Anzeige erscheint.
Ausdrucken von mehreren unterschiedlichen verkleinerten Bildern
Sie können mehrere Bilder in eine Speicherseite stellen und diese Bilder verkleinert ausdrucken. In thisem Abschnitt wird erlautert, wie Sie einen Ausdruck mit mehreren verkleinerten Bildern anfertigen.
Mehrere verkleinerte Bilder konnen Sie folgendermaßen ausdrucken:
- Stellen Sie den Betriebsmodus des Druckers auf STANDARD (Seite 315) ein.
- Legen Sie die Anzahl der verkleinerten Bilder fest (unter auf der folgenden Seite).
- Wahlen Sie die Speicherverte aus (Seite 322).
- Legen Sie fest, wie die Bilder in den Speicher gestellt werden sollen (Seite 324).
Festlegen der Anzahl verkleinerter Bilder, die gespeichert werden sollen
Zum Auswahlen des Speichermodus stehen die beiden folgenden Moltigkeiten zur Verfugung:
Die Taste MULTI PICTURE
- Das Menu
So wahlen Sie den gewünschten Ausdrucktyp für die zu speichernden verkleinerten Bilder mit der Taste MULTI PICTURE aus

1 Drücken Sie die Taste MULTI PICTURE.
Der folgende Bildschirm erscheint.
Wenn Sie nach dem Drücken der Taste MULTI PICTURE nicht fortfahren, erscheint die aktuelle Einstellung etwa 3 Sekunden lang und wird danach ausgeblendet.

Der momentan ausgewählte Ausdrucktyp für die verkleinerten Bilder, die gespeichert werden sollen, wird grün angezeigt.

Der momentan ausgewählte Ausdrucktyp für die verkleinerten Bilder, die gespeichert werden sollen, wird angezeigt.
2 Wahlen Sie den Ausdrucktyp für die zu speichernden verkleinerten Bilder mit der Taste MULTI PICTURE aus.
Drücken Sie die Taste MULTI PICTURE so oft, bis der gewünschte Ausdrucktyp für die verkleinerten Bilder, die gespeichert werden sollen, auf dem Videomonitor grün angezeigt wird bzw. bis er im Drucker-Display angezeigt wird.
Mit jedem Tastendruck auf MULTI PICTURE wechselt der Ausdrucktyp für die verkleinerten Bilder in der Reihenfolge 1, 2, 4, 8, 16, 1....
| Ausdrucktyp | Anzahl verkleinerter Bilder |
| 1 | 1 (Bild in voller Höhe) |
| 2 | 2 (zwei verkleinerte Bilder) |
| 4 | 4 (vier verkleinerte Bilder) |
| 8 | 8 (acht verkleinerte Bilder) |
| 16 | 16 (16 verkleinerte Bilder) |
Nach einigen Sekunden erscheint wieder die normale Anzeige.
So wahlen Sie den Ausdrucktyp für die zu speichernden verkleinerten Bilder über das Menu aus

1 Drücken Sie die Taste MENU. Das zuvor ausgewählte Menu erscheint.
2 Wahlen Sie mit der Taste oder die Option LAY aus. Das Menu LAYOUT SETUP wird angezeigt.

Lassen Sie LAY mit der Taste oder grün anzeigen.

3 Wahlen Sie mit der Taste oder die Option MULTI_PIX aus.

Stellen Sie den Cursor mit der Taste oder auf MULTI_PIX.

Fortsetzung
4 Wahlen Sie den gewünschten Ausdrucktyp für die verkleinerten Bilder, die gespeichert werden sollen, mit der Taste oder aus.

Lassen Sie den gewünschten Ausdrucktyp für die verkleinerten Bilder, die gespeichert werden sollen, mit der Taste oder grün anzeigen.

5 Drücken Sie die Taste MENU. Die normale Anzeige erscheint.
Auswahlen der Speicherseite
Die verfügbare Speicherseite hangt von dem Ausdrucktyp für die verkleinerten Bilder, die gespeichert werden sollen, und dem Speichermodus ab.
Für UP-50/51MD/51MDP
| Betriebmodus | Ausdrucktyp für die verkleinerten Bilder, die gespeichert werden sollen | Verfügbare Speicherseite | |
| FRAME | FIELD | ||
| STANDARD | Bild in voller Höhe | A, B, C, D, E, F, G, H | A1, A2, B1, B2, C1, C2, D1, D2, E1, E2, F1, F2, G1, G2, H1, H2 |
| Zwei verkleinerte Bilder | A, B, C, D | A1, A2, B1, B2, C1, C2, D1, D2 | |
| Vier verkleinerte Bilder | A, B | A1, A2, B1, B2 | |
| Acht verkleinerte Bilder | A, B, C, D | — | |
| 16 verkleinerte Bilder | A, B | — | |
| DUPLICATE | Alle Typen (1, 2, 4, 8, 16) | A, B, C, D, E, F, G, H | A1, A2, B1, B2, C1, C2, D1, D2, E1, E2, F1, F2, G1, G2, H1, H2 |
Für UP-51MDU
| Betriebmodus | Ausdrucktyp für die verkleinerten Bilder, die gespeichert werden sollen | Verfügbare Speicherseite | |
| FRAME | FIELD | ||
| STANDARD | Bild in voller Höhe | A, B, C, D | A1, A2, B1, B2, C1, C2, D1, D2 |
| Zwei verkleinerte Bilder | A, B | A1, A2, B1, B2 | |
| Vier verkleinerte Bilder | A | A1, A2 | |
| Acht verkleinerte Bilder | A, B | — | |
| 16 verkleinerte Bilder | A | — | |
| DUPLICATE | Alle Typen (1, 2, 4, 8, 16) | A, B, C, D | A1, A2, B1, B2, C1, C2, D1, D2 |
So wahlen Sie die Speicherseite aus

Drucken Sie die Taste MEMORY PAGE.

Drücken Sie die Taste MEMORY PAGE so oft, bis die gewünschte Speicherseite erscheint.
Festlegen, wie die Bilder in den Speicher gestellt werden
In den Menüs PRINTER SETUP und FUNCTION SETUP können Sie festlegen, wie die Bilder in den Speicher gestellt werden.
- Sie können angegeben, ob nur das auf dem Videomonitor angezeigte Bild gespeichert oder ob die Bilder nacheinander in regelmäßigen Abständen in alle Bereiche für verkleinerte Bilder auf einer Speicherseite gestellt werden sollen.
- Sie können festlegen, welches Bild der Drucker nach dem Speichern des Bildes auf dem Videomonitor ausgegeben soll, das Speicherbild oder das Quellenbild.

1 Drücken Sie die Taste MENU.
Das zuvor ausgewählte Menu erscheint.
2 Wahlen Sie mit der Taste oder die Option PRN aus.
Das Menu PRINTER SETUP wird angezeigt.

Lassen Sie PRN mit der Taste
oder grün anzeigen.
PRINTER SETUP
/ c / I /[PRN] / i / o /
Lassen Sie PRN mit der Taste oder
in GroBuchstaben anzeigen.
Wenn Sie den Ausdrucktyp für verkleinerte Bilder auswahlen, fahren Sie mit Schritt 3 fort.
Wenn Sie den Ausdrucktyp für ein Bild in voller Höhe auswahlen, fahren Sie mit Schritt 5 fort.
3 Wahlen Sie mit der Taste oder die Option INTERVAL aus.


Drucken Sie die Taste oder so oft, bis INTERVAL entscheid.
4 Wahlen Sie das gewünschte Verfahren zum Speichern der Bilder mit der Taste oder .


Lassen Sie die gewünschte Einstellung mit der Taste oder grün aneigen.
| Funktion | Einstellung |
| Mit der Taste CAPTURE wird nur das Bild aufgezeichnet, das zur Zeit auf dem Videomonitor angezeigt wird. | OFF |
| Mit der Taste CAPTURE werden die Bilder nacheinander in bestimmten Abständen in alle Bereiche einer Speicherseite gestellt. | ON |
5 Wahlen Sie mit der Taste oder die Option FUNCTION aus.


Stellen Sie den Cursor mit der Taste oder auf FUNCTION.
6 Drücken Sie die Taste . Das Menu FUNCTION SETUP wird angezeigt.


7 Wahlen Sie mit der Taste oder die Option AUTO LIVE aus.

Stellen Sie den Cursor mit der Taste oder auf AUTO LIVE.

Drucken Sie die Taste oder so oft, bis AUTO LIVE erscheint.
8 Legen Sie mit der Taste oder fest, welches Bild auf dem Videomonitor erschinen soll, nachdem das Bild aufgezeichnet wurde.

Lassen Sie die gewünschte Einstellung mit der Taste oder grün aneigen.

Lassen Sie die Einstellung mit der Taste oder in Großbuchstaben anziegen.
| Funktion | Einstellung |
| Nach dem Aufzeichnen des Bildes erscheidt das im Speicher abgelegte Bild, und das Speicherbild ist weiterhin auf dem Videomonitor zu sehen. | OFF |
| Nach dem Aufzeichnen des Bildes erscheidt das im Speicher abgelegte Bild, und nach einigen Sekunden erscheidt jedesmal, wenn Sie die Taste CAPTURE drücken, das Quellenbild. | ON |
9 Drücken Sie die Taste MENU. Die normale Anzeige erscheint.
So schalten Sie zum Menu PRINTER SETUP darüber
Stellen Sie in Schritt 9 den Cursor auf PRN SETUP, und drücken Sie die Taste . Das Menu PRINTER SETUP wird wieder angezeigt.
Ausdrucken von mehreren verkleinerten Bildern
In thisem Unterabschnitt wird erlautert, wie Sie Ausdrucke mit mehreren verkleinerten Bildern anfertigen. Als Beispiel dient das Anfertigen eines Ausdrucks mit vier verkleinerten Bildern.
Bevor Sie einen Ausdruck mit vier verkleinerten Bildern anfertigen
- Bestätigen Sie die Farbqualität der Ausdrucke (z. B. LOAD COLOR-Nummer) (siehe Seite 370).
- Wahlen Sie den Ausdrucktyp für vier verkleinerte Bilder, die gespeichert werden sollen (siehe Seite 320).
- Wahlen Sie die entsprechende Speicherseite (siehe Seite 322).
- Legen Sie fest, wie Bilder in die Speicherseite gestellt werden sollen und welches Bild angezeigt wird, nachdem das Bild in den Speicher gestellt wurde, also das Speicher- oder das Quellenbild (siehe Seite 324).
- Legen Sie fest, ob die Bilder mit weiß Rändern ausgedrucht werden sollen (siehe Seite 333).
Sie können festlegen, ob die weiten Ränder vor oder nach dem Speichern der vier verkleinerten Bilder hinzugeführst werden sollen.


1 Starten Sie an der Videoquelle die Wiedergabe. Hierzu verwenden Sie die Bedienelemente des Videogeräts, das als Videoquelle ausgewählt ist.

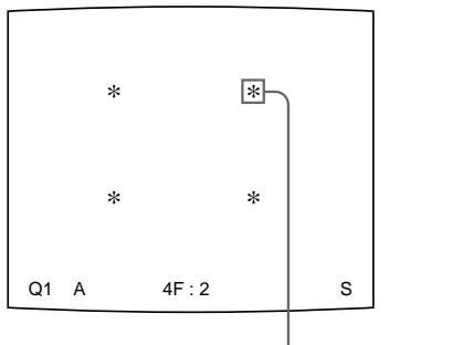
2 Drücken Sie die Taste CAPTURE in dem Moment, in dem das zu druckende Bild auf dem Monitor erscheint.
Das Bild wird an der mit dem grün blinkenden Stern (*) auf dem Videomonitor gekennzeichneten Position oder an der in Schritt 1 im Drucker-Display angezeigten Position gespeichert.
Der grün blinkende Stern (der Cursor) auf dem Videomonitor wird an die{nachste Position verschoben, und die Nummer im Drucker-Display wird um 1 erhöht.

Der blinkende Cursor wechselt zur nachsten Position.

Das im Speicher aufgezeichnete Bild ist jetzt auf dem Videomonitor zu sehen. Das Bild, das nach einigen Sekunden angezeigt wird, hängt jeder von der Einstellung der Option AUTO LIVE im Menu FUNCTION SETUP ab (siehe Seite 326).
Wenn INTERVAL im Menu PRINTER SETUP auf ON gesetzt ist, werden die Bilder automatisch nacheinander in bestimmten Abständen in die vier Bereiche gestellt.fahren Sie in thisem Fall mit Schritt 5 fort.
Wenn das Quellenbild an der Position angezeigt wird, an der das{nachste Bild gespeichert werden soll, fahren Sie mit Schritt 4 fort.
3 Drücken Sie die Taste SOURCE/MEMORY.
Das Quellenbild erscheint auf dem Videomonitor.
4 Wenn das Speicherbild weiterhin auf dem Videomonitor angezeigt wird, wiederholen Sie Schritt 2 und 3, bis Sie vier Bilder aufgezeichnet haben.
Wenn das Quellenbild auf dem Videomonitor an der Position angezeigt wird, an der das{nachste Bild gespeichert werden soll, wiederholen Sie Schritt 2, bis Sie vier Bilder aufgezeichnet haben.
So tauschen Sie ein gespeichertes Bild aus
Wenn INTERVAL im Menu PRINTER SETUP auf OFF gesetzt ist, können Sie ein gespeichertes Bild austauschen.
Beispiel: Sie wollen das an der dritten Position gespeicherte Bild durch ein anderes ersetzen.
① Wahlen Sie mit der Taste , oder die dritte Position, an der sich das Bild befindet, das Sie ersetzen wollen.
Mit jedem Tastendruck auf , , oder verschiben Sie den Cursor vertical oder horizontal um eine Position.

Drucken Sie die Taste , , oder , bis der Cursor an der dritten Position grün blinkt.

Drucken Sie die Taste , , oder , bis 3 erscheint.
② Lassen Sie das Quellenbild auf dem Videomonitor anzeigen.
③ Drücken Sie die Taste CAPTURE in dem Moment, in dem das zu druckende Bild erscheint.
Das zuvor gespeicherte Bild wird durch das neue Bild ersetzt.
So uberspringen Sie ein zuvor gespeichertes Bild
Wurde bereits ein Bild gespeichert, so können Sie das zuvor gespeicherte Bild mit der Taste CAPTURE ersetzen.
Uberspringen Sie das Bild, das Sie beibehalten wollen, mit der Taste , , oder
5 Drücken Sie die Taste PRINT.
Die vier verkleinerten Bilder werden auf einem Blatt Papier ausgedrucht. Ob die Bilder mit weiß Rändern ausgedrucht werden, hangt von der Einstellung der Option SEPARATE im Menu LAYOUT SETUP ab (siehe Seite 333).
Wenn der Ausdruck verschwommen ist
Beim Ausdrucken eines Bildes in voller Höhe oder von zwei oder vier verkleinerten Bildern im Speicher im Modus FRAME konnen die Bilder auf dem Ausdruck verschwommen sein. Setzen Sie in thisem Fall die Einstellung für den Speichermodus auf FIELD, und drucken Sie das Bild erneut aus. Die Unscharfe sollte sich so eliminieren setzen, die Bildqualität insgesamt wird dadurch jedoch leicht beeinträchtigt.
Wahlen Sie mit der Taste MEMORY FRM/FLD den Modus FIELD (Halbbild) aus (siehe “Auswahlen des Speichermodus” auf Seite 317).

Hinweise
- These Funktion steht nur zur Verfügung, wenn das Ausdrucken eines Bildes in voller Höhe oder von zwei oder vier verkleinerten Bildern im Speicher ausgewählnt ist.
- In der Regel empfeht es sich, Ausdrucke im Modus FRAME (Vollbild) anzufertigen. Zum Bestätigen der Einstellung für den Speichermodus drücken Sie die Taste MEMORY FRM/FLD. Der momentan ausgewählte Speichermodus wird etwa drei Sekunden lang angezeigt und dann ausgeblendet.
So überprüfen Sie durch Anzeigen auf dem Videomonitor, ob die aufgezeichneten Bilder verschwommen sind
Sie können durch Anzeigen auf dem Videomonitor überprüfen, ob das Bild in voller Höhe bzw. die zwei oder vier verkleinerten Bilder im Speicher verschwommen sind.
Bei einem Bild in voller Höhe: Sie können überprüfen, ob das aufgezeichnete Bild verschwommen ist, indem Sie das Speicherbild auf dem Videomonitor anziegen.
Wenn Sie zwei oder vier verkleinerte Bilder speichern wollen: Setzen Sie die Funktion MOTION CHECK mit der Taste MOTION CHECK auf ON. Sie können durch Anzeigen auf dem Videomonitor überprüfen, ob die verkleinerten Bilder im Speicher verschwommen sind. In thisem Fall ist die Qualität des Bildes auf dem Videomonitor möglich verschlechtert.
Hinweis
Mit der Funktion MOTION CHECK konnen Unscharfen nur bei auf dem Videomonitor angezeigten Bildern reduziert werden. Wenn Sie Unscharfen auf den Ausdrucken reduzieren wollen, stellen Sie den Speichermodus auf FIELD ein (siehe “Wenn der Ausdruck verschwommen ist” auf dieser Seite).
So stellen Sie die Funktion MOTION CHECK mit der Taste MOTION CHECK ein

1 Drucken Sie die Taste MOTION CHECK.
Der folgende Bildschirm erscheint.
Wenn Sie nach dem Drücken der Taste MOTION CHECK nicht fortfahren, erscheint die momentan ausgewählte Einstellung etwa 3 Sekunden lang und wird danach ausgeblendet.

Die momentan ausgewählte Einstellung erscheint grün.

Die momentan ausgewählte Einstellung wird in Großbuchstaben angezeigt.
2 Wahlen Sie mit der Taste MOTION CHECK die gewünschte Einstellung aus.
Drücken Sie die Taste MOTION CHECK so oft, bis die gewünschte Einstellung auf dem Videomonitor grün angezeigt wird bzw. bis sie im Drucker-Display in Großbuchstaben angezeigt wird.
Mit jedem Tastendruck auf MOTION CHECK wechselt die Einstellung.
| Funktion | Einstellung |
| Anzeigen von Buchstaben oder Bildfeinheiten auf dem Videomonitor. | OFF |
| Überprüfen, ob die zwei oder vier verkleinerten Bilder im Speicher verschwommen sind. | ON |
Nach einigen Sekunden erscheint wieder die normale Anzeige.
Hinweis
Wenn Sie die Einstellung der Funktion MOTION CHECK ändern, wirkt sich dies nicht auf die Druckqualität aus.
So wahlen Sie die Einstellung über das Menu aus

1 Drücken Sie die Taste MENU. Das zuvor ausgewählte Menu entscheid.
2 Wahlen Sie mit der Taste oder die Option PRN aus. Das Menu PRINTER SETUP wird angezeigt.


Lassen Sie PRN mit der Taste oder grün anzeigen.
3 Wahlen Sie mit der Taste oder die Option MOTION CHK aus.


Stellen Sie den Cursor mit der Taste oder auf MOTION CHK.
4 Wahlen Sie die gewünschte Einstellung mit der Taste oder aus.


Lassen Sie die gewünschte Einstellung mit der Taste oder grün aneigen.
5 Drücken Sie die Taste MENU. Die normale Anzeige erscheint.
Ausdrucken der Bilder mit weißen Rändern
Sie können festlegen, ob die Bilder mit einem weiß Rand ausgedruckt werden sollen.

1 Drücken Sie die Taste MENU. Das zuvor ausgewählte Menu erscheint.
2 Wahlen Sie mit der Taste oder die Option LAY aus. Das Menu LAYOUT SETUP wird angezeigt.

Lassen Sie LAY mit der Taste oder grun anzeigen.

3 Wahlen Sie mit der Taste oder die Option SEPARATE aus.

Stellen Sie den Cursor mit der Taste oder auf SEPARATE.

Fortsetzung
4 Stellen Sie mit der Taste oder ein, ob die Bilder mit weißen Rändern ausgedruckt werden sollen.

Lassen Sie die gewünschte Einstellung mit der Taste oder grün anzeigen.

Lassen Sie die Einstellung mit der Taste oder in Großbuchstaben anzeigen.
| Funktion | Einstellung |
| Drucken der Bilder ohne weiß Ränder | OFF |
| Drucken der Bilder mit weißen Rändern | ON |
5 Drücken Sie die Taste MENU. Die normale Anzeige erscheint.
Ausdrucken von identischen verkleinerten Bildern
Sie konnen einen Ausdruck identischer verkleinerter Bilder erstellen.
Bevor Sie einen Ausdruck mit identischen verkleinerten Bildern anfertigen
- Stellen Sie den Betriebsmodus des Druckers auf DUPLICATE ein (siehe Seite 315).
- Wahlen Sie den gewünschten Ausdrucktyp für die identischen verkleinerten Bilder aus, die gespeichert werden sollen (siehe Seite 320).
- Wahlen Sie die entsprechende Speicherseite (siehe Seite 322).
- Legen Sie fest, ob die Bilder mit weiß Rändern ausgedrucht werden sollen (siehe Seite 333).
Sie können festlegen, ob die weiß Ränder vor oder nach dem Speichern der vier verkleinerten Bilder hinzugeführst werden sollen.

1 Starten Sie an der Videoquelle die Wiedergabe.
Hierzu verwenden Sie die Bedienelemente des Videogeräts, das als Videoquelle ausgewählt ist.

Zeigt an, daß am Drucker der Betriebsmodus Duplicatede eingestellt ist, bei dem vier identische verkleinerte Bilder auf einem Blatt Papier ausgedruckt werden.
2 Drücken Sie die Taste CAPTURE in dem Moment, in dem das zu druckende Bild auf dem Monitor erscheint.
Das in den Speicher gestellte Bild erscheint auf dem ganzen Bildschirm. d. h. das Bild wird in voller Groß angezeigt.
So wechseln Sie das in den Speicher gestellte Bild
① Starten Sie an der Videoquelle die Wiedergabe.
② Drücken Sie die Taste CAPTURE in dem Moment, in dem das zu druckende Bild erscheint.
Das zuvor gespeicherte Bild wird durch das neue Bild ersetzt.
3 Drucken Sie die Taste PRINT.
Die identischen verkleinerten Bilder werden auf einem Blatt Papier ausgedrucht.
Ausdrucken eines Bildes mit eingefugtem Bild
Beim Ausdrucken eines Bildes laßt sich ein verkleinertes Bild eingefugen.
Legen Sie anhand des Ausdrucktypus für acht oder 16 zu speichernde verkleinerte Bilder das Bild fest, das in das Bild in voller Höhe eingefegt werden soll. Die Position und Höhe des einzufugenden verkleinerten Bildes entsprechen jeder denen bei einem Ausdruck mit vier verkleinerten Bildern.


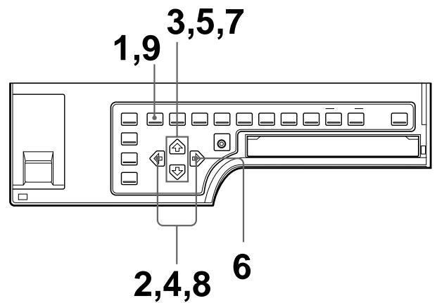
3
1 Lassen Sie mit der Taste SOURCE/MEMORY das Bild in voller Groß angegen, das in den Speicher gestellt wurde. Oder stellen Sie ein Bild in voller Groß in den Speicher. Gehen Sie dazu wie in Schritt 1 bis 3 unter "Ausdrucken von Bildern in voller Groß" auf Seite 301 erläutert vor.
2 Drücken Sie die Taste MULTI PICTURE so oft, bis der Ausdrucktyp für 8 oder 16 verkleinerte Bilder (ohne weiß Ränder und im Betriebsmodus STANDARD) ausgewählt ist. Naheres dazu finden Sie unter "Festlegen der Anzahl verkleinerter Bilder, die gespeichert werden sollen" auf Seite 320.
3 Speichern Sie das einzufugende Bild.
① Wahlen Sie mit der Taste , , oder die Position aus, an der das verkleinerte Bild eingefegt werden soll. Beispiel: Einfugen des Bildes an der Position links unter

Wenn Sie in Schritt 2 die Option 8 auswahlen


Wenn Sie in Schritt 2 die Option 16 ausgehalten


Stellen Sie den (blinkenden) Cursor mit der Taste , , oder auf diese Position.
Dieses Bild entscheid nach dem Drucken der Taste CAPTURE in Schritt ②.
Stellen Sie den (blinkenden) Cursor mit der Taste , , oder auf diese Position.
Dieses Bild erscheint
nach dem Drucken
der Taste CAPTURE
in Schritt ②.
② Drücken Sie die Taste CAPTURE in dem Moment, in dem das einzufugende Bild erscheint. Das einzufugende Bild wird an der in Schritt ① ausgewählten Position gespeichert.
4 Setzen Sie den Drucker mit der Taste MULTI PICTURE wieder auf den Typ für das zu speichernde Bild in voller Höhe darüber. Das Bild in normaler Höhe entscheidint mit eingefugtem Bild auf dem Videomonitor.
5 Drücken Sie die Taste PRINT. Das Bild mit eingefugtem Bild wird ausgedrucht.
Ausdrucken von Spiegelbildern
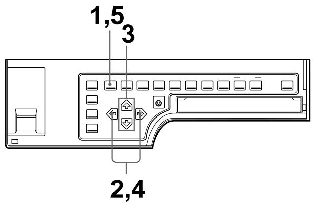
Sie können den Drucker so einstellen, daß Bilder, die in den Speicher gestellt werden, um ihre vertikale Achse gedreht werden (Spiegelbilder), und Sie konnen einen Ausdruck dieser Spiegelbilder erstellen.

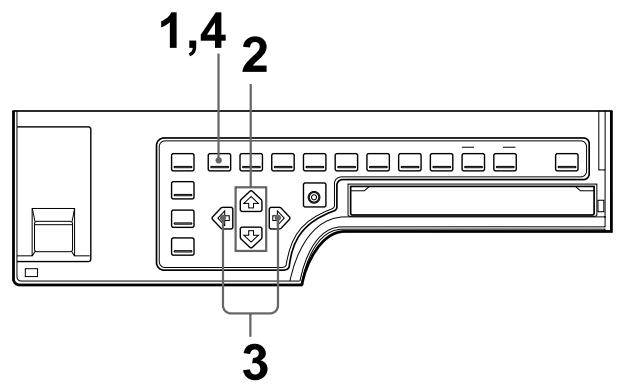
2,4
1 Drücken Sie die Taste MENU. Das zuvor ausgewählte Menu erscheint.
2 Wahlen Sie mit der Taste oder die Option LAY aus. Das Menu LAYOUT SETUP wird angezeigt.

Lassen Sie LAY mit der Taste oder grun anzeigen.

Lassen Sie LAY mit der Taste oder in Großbuchstaben anzeigen.
Fortsetzung
3 Wahlen Sie mit der Taste oder die Option MIRROR aus.

Stellen Sie den Cursor mit der Taste oder auf MIRROR.

Drucken Sie die Taste 出 oder so oft, bis MIRROR erscheint.
4 Wahlen Sie aus, ob die gespeicherten Bilder gedreht werden sollen.

Lassen Sie die gewünschte Einstellung mit der Taste oder grün anzeigen.

Lassen Sie die Einstellung mit der Taste oder in Großbuchstaben anzeigen.
| Funktion | Einstellung |
| Normales Drucken der Bilder | OFF |
| Drehen der Bilder um die vertikale Achse | MIRROR |
5 Drücken Sie die Taste MENU.
Die normale Anzeige erscheint.
Hinweis
Auch wenn Sie MIRROR auf MIRROR setzen, wird ein im Fenster CAPTION eingegebener Untertitel normal ausgedruckt.
Sie können unter einem Bild einen Untertitel, zum Beispiel ein Datum oder einen Kommentar, ausdrucken halten.
Dieser Untertitel kann bis zu 80 Zeichen lang sein. Wenn über die RS-232C-Schnittstelle ein Computer angeschlossen ist, können Sie vom Computer aus bis zu 160 Zeichen auf zwei Zeilen eingeben.
Das Menu CAPTION
Ein Untertitel wird über das Menu CAPTION eingegeben. Sie können in jedem Betriebsmodus des Druckers einen Untertitel eingeben und Bilder mit Untertitel ausdrucken.
Im folgenden finden Sie eine kurze Erläuterung zu den einzelnen Elementen im Menu CAPTION.
Zeichenanzeigeber
Der grün leuchtende Cursor zeigt die Position an, an der ein Zeichen eingegeben werden kann.
Die eingebeken Zeichen werden hier angezeigt.
ON: Wird angezeigt, wenn ein
Untertitel ausgedruckt wird.
OFF: Wird angezeigt, wenn kein
Untertitel ausdruckt wird (OFF ist die werkseitige Einstellung).

Symbole und Begriffe zum Eingeben eines Untertitels
| Anzeige im Menu CAPTION | Funktion |
| INS | Fügt ein Zeichen ein, ohne das hervorgobene Zeichen zu Löschen. |
| DEL | Löscht angefangen mit dem hervorgobenen Zeichen jeweils ein Zeichen. |
| SP | Ersetzt das hervorgobene Zeichen durch ein Leerzeichen. Das Leerzeichen bleibt erhalten. |
| OFF | Deaktiviert die Untertitelfunktion. |
| ON | Aktiviert die Untertitelfunktion. |
| EXIT | Schaltet vom Menu CAPTION darüber zum Menu LAYOUT SETUP. |
| SHIFT | Dient zum Auswahlen von Groß- oder Kleinbuchstaben. |
Aufrufen des MenüS CAPTION
Zum Aufrufen des Menüs CAPTION stehen die beiden folgenden Mänglichkeiten zur Verfügung:
Die Taste CAPTION INPUT
- Das Menu

Drucken Sie die Taste CAPTION INPUT.
Das Menu CAPTION erscheint.


So rufen Sie das Menu CAPTION über das Menu LAYOUT SETUP auf
Stellen Sie den Cursor im Menu LAYOUT SETUP mit der Taste oder auf CAPTION, und drücken Sie die Taste .
Das Menu CAPTION erscheint.
Eingeben eines Untertitels
Einen Untertitel geben Sie folgendermaßen ein. Die Einstellung gilt, bis Sie eine neue wahlen, selbst wenn Sie den Drucker ausschalten.
Hinweise
- Wenn Sie nach dem Eingeben von Zeichen im Menu CAPTION den Drucker ausschalten, ohne zuvor zum Menu LAYOUT SETUP oder zur normalen Anzeige zurückzuschalten, werden die eingebehen Zeichen gelöscht.
- Während des Druckvorgangs können Sie keine Untertitel im Menu CAPTION eingeben oder bearbeiten.

1 Drücken Sie die Taste CAPTION INPUT. Das Menu CAPTION erscheint.
2 Stellen Sie den Cursor (die grüne Linie) im Zeichenanzeigebereich an die Stelle, an der Sie ein Zeichen eingeben wollen.
So bewegen Sie den Cursor
① Wahlen Sie mit der Taste , , oder den Pfeil für die Richtung aus, in die Sie den grünen Cursor im Zeichenanzegebereich bewegen wollen.
② Drücken Sie die Taste EXEC. Mit jedem Tastendruck auf EXEC wird der Cursor um eine Position in die gewünschte Richtung bewegt.
Beispiel: Sie möchten den Cursor um zwei Positionen nach links bewegen.
Der Cursor befindet sich momentan hier (grün).

① Lassen Sie grun aneigen.

② Drucken Sie zweimal die Taste EXEC.
Der blinkende Cursor wird an diese Position gestellt.



Hinweis
Wenn OFF angezeigt wird, ist der Eingabemodus für CAPTION deaktiviert. Sie können die Ausdrucke also nicht mit Untertiteln versehen (siehe "Ausdrucken von Bildern mit Untertitel" auf Seite 347).
3 Wahlen Sie das Zeichen, das Sie eingeben wollen, mit der Taste , , oder aus.
Beispiel: Sie möchten den Buchstaben S eingeben.

Heben Sie S mit der Taste , , oder grun hervor. S blinkt grun.
Lassen Sie S mit der Taste 日 , 日 oder anzeigen.

So wahlen Sie Groß- oder Kleinbuchstaben aus
Sie können Großbuchstaben im Zeicheneingabebereich als Kleinbuchstaben anzeigen setzen und umgekehrt.
① Heben Sie SHIFT mit der Taste , oder auf dem Videomonitor grün hervor.
Wenn Großbuchstaben im Zeicheneingabebereich angezeigt werden, wird SHIFT im Drucker-Display angezeigt. Wenn Kleinbuchstaben angezeigt werden, wird "shift" angezeigt.
② Drücken Sie die Taste EXEC.
Im Zeicheneingabebereich werden Großbuchstaben zu Kleinbuchstaben bzw. Kleinbuchstaben werden zu Großbuchstaben.
Hinweis
Bereits eingebene Zeichen (im Zeichenanzeigebereich zu sehen)ändern sich nicht, auch wenn die Groß-/Kleinschreibung im Zeicheneingabebereich gewechselt wird.
4 Drucken Sie die Taste EXEC.
Das in Schritt 3 ausgewählte Zeichen entscheidint an der Position des grünen Cursor im Zeichenanzeigebereich, und danach wird der Cursor an die{nachste Position bewegt.
Der Cursor wird an diese Position gestellt.


Der Cursor wird an diese Position gestellt.
Wenn Sie im Beispiel oben ein falsches Zeichen eingegeben haben
① Wahlen Sie mit der Taste , , oder den Pfeil aus, und drücken Sie dann die Taste EXEC.
Der Cursor wird um eine Position zurückverschoben, und das in Schritt 3 eingebene Zeichen wird grün angezeigt.
② Wahlen Siemit der Tastes, ,oder die Option DEL aus.
Leuchtet grün

Heben Sie DEL mit der Taste , , oder grun hervor. DEL blinkt grun.

③ Drücken Sie die Taste EXEC.
Das in Schritt ① ausgewählte Zeichen wird gelöscht.
Wenn das zu löschende Zeichen zwischen anderen Zeichen stehen, rücken die Zeichen rechts davon um ein Zeichen nach links.
Hinweis
Nach dem Drücken der Taste EXEC kann der Monitorbildschirm einen Augenblick lang dunkel sein.
5 Gehen Sie wie in Schritt 2, 3 und 4 erläutert vor, um alle Zeichen des Untertitels einzugeben.
So geben Sie ein Leerzeichen ein
① Stellen Sie den grünen Cursor an die Position, an der Sie ein Leerzeichen eingeben wollen.
② Wahlen Siemit derTaste , , oder dieOptionSPaus.
③ Drücken Sie die Taste EXEC.
Ein einzelnes Leerzeichen wird eingefügt, und der grüne Cursor wird an die{nachste Position bewegt.
Wenn sich an der Position, an der Sie das Leerzeichen einfügen, ein anderes Zeichen befindet, wird these Zeichen gelöscht, und das Leerzeichen bleibt erhalten.
So ersetzen Sie ein zuvor eingegebenes Zeichen, ohne die Zeichenanzahl zu ändern
Sie konnen ein zuvor eingegebenes Zeichen durch ein neuen ersetzen.
① Stellen Sie wie in Schritt 2 erläutert den grünen Cursor auf das zu ersetzende Zeichen.
② Überschreiben Sie das falsche Zeichen wie in Schritt 3 und 4 erlautert mit dem richtigen Zeichen.
Das zuvor eingebene Zeichen wird durch das neue ersetzt.
So fügen Sie Zeichen zwischen anderen ein
① Stellen Sie den Cursor wie in Schritt 2 erläutert an die Position, an der Sie ein Zeichen eingefugen möchten.
② Wahlen Sie mit der Taste , , oder die Option INS aus. Drücken Sie dann die Taste EXEC.
Zwischen die Zeichen wird ein Leerzeichen eingefegt, und der Cursor wird auf这点 Leerzeichen gestellt.
Beispiel: Sie möchten zwischen A und B ein Zeichen eingufen.
① Stellen Sie den Cursor auf B (B wird grün hervorgoben).

② Hebien Sie INS hervor. INS blinkt grun.
Drucken Sie dann die Taste EXEC.
② Zeigen Sie INS an. Drücken Sie dann die Taste EXEC.

① Stellen Sie den Cursor auf B.
B blinkt, wenn der Cursor auf B gestellt wird.
Zwischen A und B wird ein Leerzeichen eingefügt, und der Cursor wird auf diesele Leerzeichen gestellt.
Cursor (leuchtet grün)


Hinweis
Nach dem Drücken der Taste EXEC kann der Monitorbildschirm einen Augenblick lang dunkel sein.
③ Geben Sie das einzufugende Zeichen ein.
6 Drücken Sie die Taste CAPTION INPUT. Die eingebehen Zeichen werden gespeichert. Die normale Anzeige erscheint.
Sie können auch folgendermaßen wieder zur normalen Anzeige zurückschalten:
6 Heben Sie mit der Taste , , oder die Option EXIT hervor, und drucken Sie dann die Taste EXEC. Die eingebeken Zeichen werden gespeichert. Das Menu LAYOUT SETUP wird angezeigt.
7 Drucken Sie die Taste MENU.
Hinweis
Wenn Sie den Drucker ausschalten, bevor Sie Schritt 6 ausgeführht haben, werden die in Schritt 2, 3, 4 und 5 eingegebenen Zeichen gelöscht.
So drucken Sie Bilder mit Untertitel aus
Im Menu CAPTION können Sie einstellen, ob ein Bild mit oder ohne Untertitel ausgedrucht wird.
Gehen Sie in Schritt 6 vor demücken der Taste CAPTION INPUT
folgendermaBen vor:
① Wahlen Sie mit der Taste , , oder die Option ON aus.

Heben Sie mit der Taste 日 ,,oder die Option ON hervor. ON blinkt grun.

Lassen Sie ON mit der Taste 日 ,, oder aneigen.
Wahlen Sie OFF, um Bilder ohne Untertitel auszudrucken.
② Drucken Sie die Taste EXEC.


Jetzt werden alle Ausdrucke mit einem Untertitel versehen.
Sie können vor dem Drucken auch mit der Taste CAPTION ON/OFF festlegen, ob Bilder mit Untertitel ausgedrucht werden.
Ausdrucken von Bildern mit Untertitel
Speichern Sie zunachst einen Untertitel, der mit dem Bild gedruckt werden soll. Nähers dazu finden Sie unter "Eingeben eines Untertitels" auf Seite 341.

1 Drücken Sie die Taste CAPTION ON/OFF. Die aktuelle Einstellung wird angezeigt. Nach einigen Sekunden erscheint auf dem Videomonitor wieder die normale Anzeige.

Die momentan ausgewählte Einstellung erscheint grün.

Die momentan ausgewählte Einstellung wird in Großbuchstaben angezeigt.
2 Wahlen Sie ON aus.
Drücken Sie die Taste CAPTION ON/OFF so oft, bis ON auf dem Videomonitor grün bzw. im Drucker-Display in Großbuchstaben angezeigt wird.
Mit jedem Tastendruck auf CAPTION ON/OFF wechselt die Einstellung abwechselnd zwischen ON OFF ON....
Wenn Sie mit der Taste CAPTION ON/OFF die Option ON eingestellt haben, wird C angezeigt.

Lassen Sie ON grün anzeigen.

So drucken Sie Bilder ohne Untertitel aus
Wahlen Sie OFF.
3 Drücken Sie die Taste PRINT. Der Ausdruck mit Untertitel wird erstellt.
Mit der Taste CLEAR konnen Sie die Bilder aus allen Speicherheiten oder aus einer einzeln Speicherverte loschen.
Ob die Bilder aus allen Speicherverten oder nur aus einer Speicherverte gelöscht werden, hängt von der Einstellung von CLEAR im Menu FUNCTION SETUP ab.
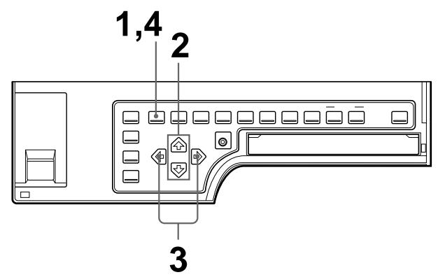
Einstellen der Funktion der Taste CLEAR

1 Drücken Sie die Taste MENU. Das zuvor ausgewählte Menu erscheint.
2 Wahlen Sie mit der Taste oder die Option PRN aus. Das Menu PRINTER SETUP wird angezeigt.

PRN wird grün angezeigt, wenn Sie die Option mit der Taste ◆ oder ◆ auswahlen.

3 Wahlen Sie mit der Taste oder die Option FUNCTION aus.

Stellen Sie den Cursor mit der Taste oder auf FUNCTION.

Drucken Sie die Taste oder so oft, bis FUNCTION erscheint.
4 Drucken Sie die Taste
Das Menu FUNCTION SETUP wird angezeigt.
| FUNCTION SETUP COLOR:200 | ||
| ▶PRN SETUP : PRESS [>] | ||
| AUTO LIVE : OFF / ON | ||
| IMMED. CAP : OFF / ON | ||
| RM2 FUNC : / C&PRINT / | ||
| RM3A FUNC : / PRINT&PAGE | ||
| RM3B FUNC : / BACK - SP / | ||
| RM3C FUNC : / CAP/SRC / | ||
| RM3E FUNC : / GRAB / | ||
| CLEAR : ALL / | ||
| Q1 A 1 S |
5 Wahlen Sie mit der Taste oder die Option CLEAR aus.

Stellen Sie den Cursor mit der Taste oder auf CLEAR.

6 Wahlen Sie die Funktion der Taste CLEAR mit der Taste oder aus.
| Funktion der Taste CLEAR | Einstellung |
| Löschen der Bilder aus allen Speicherveriten | ALL |
| Löschen der Bilder aus einer Speicherverite | PAGE |
| Deaktivieren der Taste CLEAR | OFF |

Lassen Sie die gewünschte Funktion mit der Taste oder grün anzeigen.

7 Wahlen Sie mit der Taste oder die Option PRN SETUP aus. Drücken Sie dann die Taste
Das Menu PRINTER SETUP wird angezeigt.
Nachdem Sie die Funktion der Taste CLEAR eingestellt haben, Funktioniert die Taste CLEAR gemäß dieser Einstellung, bis Sie sie ändern.
So rufen Sie wieder die normale Anzeige auf
Drucken Sie die Taste MENU.
Löschen von Bildern im Speicher
Hinweis
Gelöschte Bilder können nicht wiederhergestellt werden.
Löschen der Bilder aus allen Speicherseiten gleichzeitig
Bevor Sie die Bilder aus allen Speicherseitenlöschen
Setzen Sie CLEAR im Menu FUNCTION SETUP auf ALL.

Drucken Sie die Taste CLEAR.
Alle im Drucker gespeicherten Bilder werden gelöscht.
Hinweis
Wenn das Quellenbild auf dem Videomonitor angezeigt wird und Sie die Taste CLEAR drücken, wird das Speicherbild trotzdem angezeigt, und die Bilder in den Speicherseiten werden nicht gelöscht. Drücken Sie in thism Fall nochmals die Taste CLEAR. Alle im Drucker gespeicherten Bilder werden gelöscht.
Löschen der Bilder aus einer bestimmten Speicherseite
Bevor Sie Bilder Löschen
Setzen Sie CLEAR im Menu FUNCTION SETUP auf PAGE.


1 Drücken Sie die Taste SOURCE/MEMORY, wenn das Quellenbild auf dem Videomonitor angezeigt wird. Das Bild im Speicher wird auf dem Monitor angezeigt.
2 Wahlen Sie mit der Taste MEMORY PAGE die Speicherverite, aus der Sie die Bilder loschen wollen.
3 Drücken Sie die Taste CLEAR. Das Bild in der in Schritt 2 ausgewählten Speicherverte wird gelöscht.
Sie können auf dem Videomonitor angezeigte Zeichen (Q1, A usw.) und Informationen zum Farbband aus- oder einblenden.
Ausblenden der Bildschirmanzeige auf dem Videomonitor
Sie können die auf dem Videomonitor angezeigten Zeichen ausblenden, wenn z. B. das Bild durch die Bildschirmanzeige verdeckt ist. Die Funktionswise des Druckers ändert sich nicht, egal ob die Bildschirmanzeige ein- oder ausgeblendet ist. Da dieselben Anzeigen im Drucker-Display zu sehen sind, konnen Sie die Funktionen auch ausführren und damit die Anzeigen im Drucker-Display beobachten.

1 Drücken Sie die Taste DISPLAY.
Die aktuelle Einstellung wird angezeigt. Nach einigen Sekunden erscheint auf dem Videomonitor wieder die normale Anzeige.


Die momentan ausgewählte Einstellung wird in Großbuchstaben angezeigt.
Die momentan ausgewählte Einstellung erscheint grün.
2 Wahlen Sie OFF.
Drücken Sie die Taste DISPLAY so oft, bis OFF auf dem Videomonitor grün bzw. im Drucker-Display in Großbuchstaben angezeigt wird. Mit jedem Tastendruck auf DISPLAY wechselt die Einstellung abwechseld zwischen ON OFF ON....


Lassen Sie OFF grün anzeigen.
So blenden Sie die Zeichen auf dem Videomonitor ein Wahlen Sie ON aus.
So erhmen Sie die Einstellung fur die Monitoranzeige uber das Menu vor
Sie können auch über das Menüsystem einstellen, ob Zeichen auf dem Videomonitor angezeigt werden sollen. Setzen Sie dazu DISPLAY im Menu OUTPUT SETUP auf ON oder OFF. Die Einstellung der Taste DISPLAY wechselt ebenfalls je nach Einstellung von DISPLAY im Menu OUTPUT SETUP und umgekehrt.
Wenn Sie ein Bild sehen wollen, das von einem Menu verteckt wird
Sie können das Menu vorübergehend ausblenden, indem Sie die Taste DISPLAY gedrückt halten.
Hinweis
Fehlermeldungen werden unabhängig von der Einstellung der Monitoranzeige immer angezeigt.
Anzeigen des Farbbandtypus und des restlichen Farbbandes
Sie konnen auf dem Videomonitor jederzeit den Farbbandtyp und das restliche Farbband anzeigen setzen.

1 Drücken Sie die Taste RIBBON REMAIN.
Die aktuelle Einstellung wird angezeigt. Nach einigen Sekunden erscheint auf dem Videomonitor wieder die normale Anzeige.

Die momentan ausgewählte Einstellung erscheint grün.


2 Wahlen Sie ON aus.
Drücken Sie die Taste RIBBON REMAIN so oft, bis ON auf dem
Videomonitor grün bzw. im Drucker-Display in Großbuchstaben angezeigt wird.
Mit jedem Tastendruck auf RIBBON REMAIN wechselt die Einstellung abwechselnd zwischen ON OFF ON....

Lassen Sie ON grün anzeigen.

So blenden Sie die Informationen zum Farbband aus
Wahlen Sie OFF.
Hinweis
Die Anzeige zum restlichen Farbband dient nur als Richtwert. Wieviel Farbband noch übrig ist, wird unter Umständen nicht gaz korrekt angezeigt.

So erhnen Sie die Einstellung für das Anzeigen der Farbbandinformationen über das Menu vor
Sie können auch über das Menüsystem einstellen, ob der Farbbandtyp und das restliche Farbband auf dem Videomonitor angezeigt werden sollen. Setzen Sie dazu RBN REMAIN im Menu OUTPUT SETUP auf ON oder OFF. Die Einstellung der Taste RIBBON REMAIN wechselt ebenfalls je nach Einstellung von RBN REMAIN im Menu OUTPUT SETUP und umgekehrt.
Der Drucker wird mit folgendem Zubehör gefeliefert. Überprüfen Sie die Lieferungitte auf Vollständigkeit.

Farbbandhalter (1)

Netzkabel (1)

Luftungsabdeckung mit Filter (1)

Papierfach (1)
Papierfachabdeckung (1)

a) Mit der Farbbandkassette und dem Papier konnen Sie einen Druckertest durchführren.
Farb-Drucksatz a) (1)
Reinigungssatz fur den Thermokopf (1)
Garantiekarte (1) (nur Modell fur USA und Kanada)
Gebrauchsanweisung (1)
Hinweise
- Bewahren Sie Originalkarton und Verpackungsmaterialien gut auf für den Fall, daß Sie das Gerät später einmal transportieren müssen.
- Nehmen Sie zum Transportieren des Druckers die Farbbandkassette und das Papierfach hereaus.
- Arretieren Sie den Thermokopf, wenn Sie den Drucker transportieren wollen. Nähres zum Arretieren des Thermokopfs finden Sie auf Seite 407.
Montage
So bringen Sie die Papierfachabdeckung, das Papierfach und die Farbbandkassette an
Naheres zur Montage finden Sie auf den in Klammern angegebenen Seiten.

Farbbbandhalter (Seite 293) Setzen Sie die Farbbandkassette ein, nachdem Sie das Farbband in den Farbbandhalter eingelegt haben.

So bringen Sie die Luftungsabdeckung und den Filter an
Befestigen Sie den Filter an der Lüftungsabdeckung, und bringen Sie bye Teile an der linken Seite des Druckers an.

Vorbereiten der Fernbedienung
Mit den folgenden Fernbedienungen (nicht mitgeliefert) konnen Sie den Drucker fernsteuern.
- Fernbedienung RM-5500: Zum Anschlieben an den Anschluß REMOTE 1
- Fernbedienung RM-91, Fußschalter FS-36: Zum Anschlieben an den Anschluß REMOTE 2.
- Fußschalter FS-30: Zum Anschlieben an den Anschluß REMOTE 3.
Die Fernbedienung RM-5500
Die Fernbedienung RM-5500 konnen Sie als Schnurlose oder als
Kabelfernbedienung einsetzen. Die Tasten auf der Fernbedienung haben dieselbe Funktion wie die Tasten an der Vorderseite des Druckers (siehe “Hauptbedienfeld” auf Seite 413 und “Bedienfeldinnen” auf Seite 420).
Sie können die Tasten auf der Fernbedienung verwenden, die denselben Namen wie die Tasten am Drucker haben.
So benutzen Sie die Fernbedienung RM-5500 (nicht mitgeliefert) als schnurlose Fernbedienung
Wenn Sie die Fernbedienung Schnurlos verwenden, richten Sie den vorderen Teil der Fernbedienung auf den Fernbedienungssensor am Drucker. Mit neuen Batterien beträgt die Reichweite der Fernbedienung etwa 3 Meter.
Die Fernbedienung RM-91 und der Fußschalter FS-30 bzw. FS-36
Welche Funktionen mit der Fernbedienung RM-91 oder dem Fußschalter FS-30 ausgeführten werden können, hängt von den Einstellungen für die Fernsteuerung im Menu FUNCTION SETUP ab (siehe “Auswahlen des Betriebsmodus für automatische Druckfunktionen” auf Seite 388).
Der Fußschalter FS-36 (nicht mitgeliefert) verfügbar über drei Schalter mit entsprechenden Funktionen.
Ausfuhrliche Informationen zu diesen Schaltern finden Sie in der mit dem FS-36 gefleferten Bedienungsanleitung.
Damit Sie drucken konnen, müssen Sie ein Videogerät als Eingangssignalquelle anschließen. Außer dem muß auch ein Bildschirm angeschlossen werden, auf dem die zu druckenden Bilder und die Menü angezeigt werden.
Die folgenden Abbildungen verdeutlichen, wie Sie die Anschlüsse für Ein- und Ausgangssignale sowie für die Fernbedienung vornehmen. Ziehen Sie diese Abbildungen heran, wenn Sie die einzelnen Geräte zum Drucken an die Ein- und Ausgänge des Druckers anschließen.
Hinweise
- Schalten Sie alle betreffenden Geräte aus, bevor Sie irgendwelche Anschlüsse vornehmen.
- Schließen Sie das Netzkabel zuletzt an.
Anschlüsse zum Aufzeichnen von Videobildern
Schließen Sie ein Videogerät als Bildquelle für die zu druckenden Videobildner an. Schließen Sie anhand der folgenden Abbildung das Videogerät an, das Sie beim Drucken benutzen wollen.
Schlagen Sie vor dem Anschlieben des Videogerätsitte unter "Wichtige Sicherheitschinweise fur den Gebrauch in medizinischen Umgebungen (fur UP-51MD/51MDU/51MDP)" auf Seite 286 nach.

a) Dieser Wahlschalter ist bei allen Modellen außer dem UP-51MDU vorhanden. Stellen Sie den NTSC/PAL-Wahlschalter auf Ihr Farbfernsehsystem ein. Zum Umschalten des Fernsehsystemsschalten Sie den Drucker kurz aus und ändern dann die Einstellung. Wenn Sie die Einstellung bei eingeschaltetem Gerät ändern, wird das Fernsehsystem nicht umgestellt.
b) Zwei Arten von 75-Ohm-Abschlusswiderstand-Schaltern sind vorhanden: einer ist für den RGB-Eingang, der andere für das FBAS-Signal. Normalerweise sollenn Sie diesen Schalter auf ON stellen. Stellen Sieihn jeder auf OFF, wenn das Eingangssignal abfällt, weil das Signal an zusätzliche Videogeräte außer dem Drucker geleitet wird.
Anschlüsse zum Anzeigen der zu druckenden Bilder
Schließen Sie einen Videomonitor an, auf dem die gespeicherten Bilder angezeigt und die zu druckenden Bilder überprüft werden können. Schließen Sie anhand der folgenden Abbildung den Videomonitor an, den Sie beim Drucken verwenden wollen.
Schlagen Sie vor dem Anschlieben des Videogerätsitte unter "Wichtige Sicherheitschinweise fur den Gebrauch in medizinischen Umgebungen (fur UP-51MD/51MDU/51MDP)" auf Seite 286 nach.

a) Dieser Wahlschalter ist bei allen Modellen außer dem UP-51MDU vorhanden. Stellen Sie den NTSC/PAL-Wahlschalter auf Ihr Farbfernsehsystem ein. Zum Umschalten des Fernsehsystemsschalten Sie den Drucker kurz aus und ändern dann die Einstellung. Wenn Sie die Einstellung bei eingeschaltetem Gerät ändern, wird das Fernsehsystem nicht umgestellt.
b) Lesen Sie dazuitte den folgenden Abschnitt "Beim Anschlieben des Videomonitors an die Anschlüsse RGB SYNC OUTPUT" (auf Seite 360). Installation und Konfigura
Beim Anschreiben des Videomonitors an die Anschlüsse RGB SYNC OUTPUT
In der Regel setzen Sie SYNC ON G im Menu OUTPUT SETUP auf ON. Setzen Sie SYNC ON G im folgenden Fall auf OFF: Wenn bei den auf dem Videomonitor angezeigten Bildern verglichen mit dem Ausdruck die Grüntnöze zu stark betont werden, stellen Sie die Farben auf dem Videomonitor ein, d. h. setzen Sie die Einstellung für die Farben auf dem Videomonitor auf den Standardwert (siehe “Angleichen der Farben auf dem Videomonitor an die Farben des Ausdrucks” auf Seite 367). Wenn die Grüntnöne bei den Bildern auf dem Videomonitor immer noch zu stark betont sind, setzen Sie SYNC ON G auf OFF.
Anschlüsse zur Fernbedienung des Druckers
Der Drucker lätt sich über die Fernbedienung RM-5500 (nicht mitgeliefert), die Fernbedienung RM-91 (nicht mitgeliefert), den Fußschalter FS-30/FS-36 (nicht mitgeliefert) oder einen PC fernsteuern.

a) Wenn Sie einen PC anschließen, wahren Sie die entsprechende Baud-Rate im Menu SYSTEM SETUP aus (siehe “Einstellen der Baud-Rate zur Kommunikation mit dem Computer” auf Seite 397).
b) Sie können auch den Fußschalter FS-36 anschließen.
c) Sie können den Drucker auch fernsteuern, indem Sie das Signal an Stift Nr.5 des Anschlusses REMOTE 3 senden.
Sie konnen den Drucker konfigurieren, d. h. bestimmte feste Einstellungen vornehmen. Wenn Sie diese Einstellungen gespeichert haben, arbeitet der Drucker damit, bis Sie die entsprechenden Werte wieder ändern. Sie konnen den Drucker für einen bestimmten Zweck, je nach den angeschlossenen Geräten oder je nach individuellen Bedürfnissen konfigurieren.
Ihnen stehen 11 Menüs zur Verfügung. Folgende Funktionen können Sie mit diesen Menüs einstellen:
| Menü | Funktionen | Seite |
| COLOR ADJUST | Einstellen der Farbe (Farbintensität und Kontrast) und der Bildschärfe auf den Ausdrucken | 370 |
| LAYOUT SETUP | • Auswählen des Speichermodus | 318 |
| • Auswählen des Typs der Ausdrucke | 321 | |
| • Auswählen, ob bei mehreren verkleinerten Bildern weiß Ränder eingefügt werden sollen | 333 | |
| • Ausdrucken von Spiegelbildern | 337 | |
| • Auswählen des Beschichtungstyps | 398 | |
| WINDOW SETUP | • Ändern der Höhe des Ausdrucks | 380 |
| • Einstellen des Druckbereichs | 380 | |
| CAPTION | Eingeben eines Untertitel | 341 |
| PRINTER SETUP | • Einstellen der Druckmenge | 307 |
| • Auswählen, ob der Drucker bei mehreren verkleinerten Bildern automatisch in regelmäßigen Abständen ein neuen Bild speichern soll | 325 | |
| • Einstellen des Farbtons der Ausdrucke | 376 | |
| • Auswählen des Druckmodus | 314 | |
| • Überprüfen, ob das Speicherbild verschkommen ist | 332 | |
| COLOR BALANCE | Einstellen der Farbbalance | 382 |
| SYSTEM SETUP | • Einstellen der Helligkeit des Drucker-Displays | 394 |
| • Einstellen der Baud-Rate zur Kommunikation mit dem Computer | 397 | |
| • Ein-/Ausschalten des Betriebs- und Fehlersignals | 396 | |
| • Auswählen des Anwendungsmodus (Druckerbetriebsmodus) | 315 | |
| • Kompensieren des Eingangssignalpegels | 365 | |
| • Speichern benutzerdefinieter Einstellungen | 400 | |
| USER NAME | Bearbeiten des Benutzernamens | 400 |
| FUNCTION SETUP | • Auswählen des Bildes, das nach dem Speichern eines Bildes erscheint (Quellen- oder Speicherbild) | 326 |
| • Auswählen des Timing des am Anschluß REMOTE 2 eingespeisten Impulsignals | 390 | |
| • Auswählen des Betriebsmodus für die automatischen Druckfunktionen der Fernbedienungen an den Anschlüssen REMOTE 2/REMOTE 3 | 388 | |
| • Einstellen der Funktion der Taste CLEAR | 348 | |
| INPUT SETUP | • Auswählen des Eingangssignals | 300 |
| • Kompensieren der Eingangssignale | 362 | |
| OUTPUT SETUP | • Löschen der Bildschirmanzeige | 352 |
| • Angleichen der Farben auf dem Videomonitor an die Farben des Ausdrucks | 367 | |
| • Auswählen des Ausgangssignals vom Drucker | 368 | |
| • Auswählen, ob der Drucker mit dem internen Synchronisationssignal auf Kanal G des RGB-Signals synchronisiert werden sollen | 360 | |
| • Auswählen, ob Informationen zum Farband angezeigt werden sollen | 353 |
In thisem Abschnitt werden folgende Einstellungen erlautert.
- Kompensieren der Eingangssignale (auf dieser Seite)
- Angleichen der Farben auf dem Videomonitor an die Farben des Ausdrucks (Seite 367)
- Einstellen der Farbe auf den Ausdrucken
- Einstellen der Farbintensität, des Kontrasts und der Bildschärfe (Seite 370)
- Einstellen des Farbtons der Ausdrucke (Seite 376)
- Andern der Höhe des Ausdrucks/des Druckbereichs (Seite 378)
- Einstellen der Farbbalance (Seite 382)
- Auswahlen des Betriebsmodus für automatische Druckfunktionen (Seite 388)
- Einstein der Helligkeit des Drucker-Displays (Seite 394)
- Ein-/Ausschalten des Betriebs- und Fehlersignals (Seite 396)
- Einstein der Baud-Rate zur Kommunikation mit dem Computer (Seite 397)
- Auswahlen des Beschichtungstyps (Seite 398)
- Speichern der Druckereinstellungen und eingestellten Werte als Benutzerdefinition (Seite 400)
Kompensieren der Eingangssignale
Ein unter ungängtigen Bedingungen aufgenommen Videobild kann von schlechter Farbqualität sein. Bei NTSC- oder PAL-FBAS-Videosignalen oder getrennten Luminanz- (Y) und Chrominanzsignalen (C) können Sie Farbe und Pegel des Eingangssignals im Menu INPUT SETUP bis zu einem gewissen Grad korrigieren.
Hinweis
Wenn ein Bild einzel gespeichert ist, können Sie es nicht mehr verändern. Speichern Sie das Bild also nach dem Einstellen erneut ab.


2 3
1 Wenn auf dem Bildschirm das Speicherbild angezeigt wird, drücken Sie die Taste SOURCE/MEMORY.
Das von der Videoquelle eingespeiste Bild erscheint.
2 Drücken Sie die Taste INPUT SETUP am Bedienfeldinnen.
Das Menu INPUT SETUP wird angezeigt.
Oder drücken Sie die Taste MENU, und rufen Sie mit der Taste oder das Menu INPUT SETUP auf.

Lassen Sie IN mit der Taste oder grun anzeigen.

Lassen Sie IN mit der Taste oder in Großbuchstaben anziegen.
3 Nehmen Sie die Einstellungen folgendermaßen vor.
① Wahlen Sie mit der Taste oder die einzustellende Option aus.
② Nehmen Sie die Einstellung mit der Taste oder vor.
So stellen Sie Farbintensität, Farbton, Kontrast und Helligkeit ein
| Einstellung | Menüoption | Taste und Wirkung | |
| Taste ⇌ | Taste ⇌ | ||
| Farbtona) | HUE a) | Die Violettöne werden verstärkt. | Die Grüntnöne werden verstärkt. |
| Farbintensität | COLOR b) | Die Farbintensität wird verringgert. c) | Die Farbintensität wird verstärkt. |
| Kontrast | GAIN d) | Der Kontrast wird verringgert. | Der Kontrast wird verstärkt. |
| Helligkeit | OFFSET | Das Bild wird dunkler. | Das Bild wird heller. |
a) Im PAL-Modus steht die Einstellung HUE im Menu INPUT SETUP nicht zur Verfugung.
b) Stellen Sie die Farbe so ein, daß die Hauttöne natürlich wirken. Mit den Einstellungen COLOR und HUE können bei NTSC-FBAS-Video signalen oder getrennten Luminanz-(Y) und Chrominanzsignalen (C) die Farbintensität und der Farbon des eingespeisten Bildes korrigiert werden.
c) Bei einer Einstellung auf Stufe -14 erscheint OFF, und das Bild auf dem Monitorbildschirm wird schwarzweiß.
d) Wenn Sie GAIN einstellen wollen, setzen Sie AGC (unter erläutert) auf OFF.
Wenn die Farben des Bildes auf dem Ausdruck oder dem Monitor zu hell oder zu dunkel sind
Stellen Sie das Eingangssignal auf einen optimalen Wert für das Drucken ein.
| Menüoption | Einstellung | Auswahr |
| AGC (Automatic Gain Control - Automatische Verständungsregelung) | ON a) | Wenn die Farben des Bildes auf dem Ausdruck oder dem Monitor zu hell oder zu dunkel sind. |
| OFF | Normal (wenn das richtige Signal eingespeist wird) |
a) Stellen Sie GAIN ein, falls AGC auf ON gesetzt ist.

① Stellen Sie den Cursor mit der Taste oder auf die gewünschte Option.
② Nehmen Sie mit der Taste oder die Einstellung vor.

So setzen Sie die Optionen auf ihre Standardwerte zurück (0)
Stellen Sie den Cursor auf die Option, die zurückgesetzt werden soll, und drücken Sie gleichzeitig die Tasten und .
4 Drücken Sie die Taste MENU. Die normale Anzeige erscheint.
Kompensieren des Eingangssignalpegels
Die auf dem Videomonitor angezeigten Bilder (im EE-Modus, siehe Seite 368) oder die Ausdrucke können aufgrund eines schlechten Kontrastes immer noch zu blaß sein, auch wenn das Eingangssignal über AGC kompressiert wurde. In thissem Fall können Sie den Kontrast über die Option GAIN im Menu INPUT SETUP einstehen. Wenn Sie den Kontrast für den Videomonitor jedoch nicht ändern wollen, kompressieren Sie den Pegel des Eingangssignals im Menu SYSTEM SETUP.
Hinweis
Wenn ein Bild einmal gespeichert ist, können Sie es nicht mehr verändern. Speichern Sie das Bild also nach dem Kompensieren des Eingangssignalpegels erneut.

1 Drücken Sie die Taste MENU, und wahlen Sie mit der Taste oder die Option PRN aus. Das Menu PRINTER SETUP wird angezeigt.

Lassen Sie PRN mit der Taste oder grun anzeigen.
PRINTER SETUP /c/1/PRN/i/o/
Lassen Sie PRN mit der Taste oder in Großbuchstaben anziegen.
2 Wahlen Sie mit der Taste oder die Option SYSTEM aus, und drücken Sie dann die Taste .
Das Menu SYSTEM SETUP wird angezeigt.

SYSTEM SETUP PRNSETUP[>]
Fortsetzung
3 Wahlen Sie mit der Taste oder die Option IRE aus.


Stellen Sie den Cursor mit der Taste oder auf IRE.
4 Wahlen Sie den gewünschten IRE-Wert mit der Taste oder aus. Der ausgewählte IRE-Wert wird mit drei Ziffern angezeigt.
| Ausbahl in folgenden Fällen | IRE-Wert |
| Zurückssetzen der Option auf die Standardeinstellung. | 10 → 100 |
| Der Ausdruck ist etwas hell. | 11 → 110 |
| Der Ausdruck ist hell. | 12 → 120 |
| Der Ausdruck ist sehr hell. | 13 → 130 |


Lassen Sie den gewünschten IRE-Wert mit der Taste oder grün anzeigen.
Hinweis
Kompensieren Sie das Eingangssignal nicht zu stark. Andernfalls wird der ganze Ausdruck zu dunkel.
5 Drücken Sie die Taste MENU. Die normale Anzeige erscheint.
Angleichen der Farben auf dem Videomonitor an die Farben des Ausdrucks
Damit die Farben auf dem Monitorbild und dem ausgedruckten Bild einander entsprechen, müssen Sie zunachst die Farben des Videomonitors und des Druckers aufeinander einstehen.
Der Drucker gibt je nach den Druckereinstellungen einen der folgenden beiden Videosignaltypen aus.
- EE (E to E): Die Signale werden an den Monitor ausgegeben, nachdem sie im Schaltkreis des Druckers verarbeitet wurden.
- THRU (THROUGH): Die Signale werden unverarbeitet an den Monitor ausgegeben.
Einstellung am Videomonitor
Die Monitorfarben sind möglicherweise nicht korrekt eingestellt, auch wenn die Druckerfarben korrekt eingestellt sind. Überprüfen Sie die Farben des Videomonitors, bevor Sie die Farben für den Ausdruck einstellen. Verwenden Sie in einem solchen Fall das THRU-Signal, indem Sie SOURCE im Menu OUTPUT SETUP auf THRU setzen oder den Drucker aushalten. Das Durchgangssignal wird jetzt vom Videogerät direkt an den Videomonitor ausgegeben. Wenn Sie die Farben des Videomonitors mit den Bedienelementen am Videomonitor eingestellt haben, stellen Sie die Farben für das Druckerausgangssignal ein.
Einstellung am Drucker
Hinweis
Mit dieser Einstellung konnen Sie die Farben des Druckerausgangssignals einstellen, wenn die Monitorfarben nicht zufriedenstellt sind. Diese Einstellung wirkt sich nicht auf den Ausdruck selbst aus. Wie Sie die Farben auf den Ausdrucken einstellen, finden Sie unter "Einstellen der Farbe auf den Ausdrucken" auf Seite 370.

Fortsetzung
1 Drücken Sie die Taste MENU, und wahlen Sie mit der Taste oder die Option OUT aus.
Das Menu OUTPUT SETUP wird angezeigt.

Lassen Sie OUT mit der Taste
oder grün anzeigen.

Lassen Sie OUT mit der Taste oder in Großbuchstaben anzeigen.
2 Wahlen Sie mit der Taste oder die Option SOURCE aus.

Stellen Sie den Cursor mit der Taste
oder auf SOURCE.

Drucken Sie die Taste oder so oft, bis SOURCE erscheint.
3 Wahlen Sie mit der Taste oder die Option EE aus.

Lassen Sie EE mit der Taste oder grun anzeigen.

Lassen Sie EE mit der Taste oder in Großbuchstaben anzeigen.
4 Drücken Sie die Taste MENU.
Die normale Anzeige erscheint.
5 Stellen Sie ein neues Bild in den Speicher, und erstellen Sie einen Ausdruck. Vergleichen Sie den Ausdruck mit dem Bild auf dem Monitor, und nehmen Sie die Einstellungen am Drucker folgendermaßen vor.
6 Drücken Sie die Taste MENU, und wahlen Sie mit der Taste oder die Option OUT aus.
Das Menu OUTPUT SETUP wird angezeigt.
7 Nehmen Sie die Einstellungen für den Monitor vor, und vergleichen Sie damit den Ausdruck mit dem Bild auf dem Monitor.
① Wahlen Sie mit der Taste oder die einzustellende Option aus.
② Nehmen Sie die Einstellung mit der Taste oder vor.
| Menüoption | Funktion | Zu drückende Taste | Einstellrichtung im Menu |
| MONI C-R | Verständen der Rottöne auf dem Bildschirm | Taste ⇌ | Auf R zu (rot) |
| Verständen der Zyantöne auf dem Bildschirm | Taste ⇌ | Auf C zu (zyan) | |
| MONI M-G | Verständen der Grüntnöne auf dem Bildschirm | Taste ⇌ | Auf G zu (grün) |
| Verständen der Magentatöne (pink) auf dem Bildschirm | Taste ⇌ | Auf M zu (magenta) | |
| MONI Y-B | Verständen der Blautöne auf dem Bildschirm | Taste ⇌ | Auf B zu (blau) |
| Verständen der Gelbtöne auf dem Bildschirm | Taste ⇌ | Auf Y zu (gelb) |

So setzen Sie die Optionen auf ihre Standardwerte zurück (0)
Stellen Sie den Cursor auf die Option, die zurückgesetzt werden soll, und drücken Sie gleichzeitig die Tasten und .
8 Drücken Sie die Taste MENU.
Die normale Anzeige erscheint.
Einstellen der Farbe auf den Ausdrucken
Sie konnen die Bildqualität der Ausdrucke verändern, indem Sie die Farbintensität, die Bildscharfe und den Farbton (GAMMA) der Ausdrucke einstehen.
Einstellen der Farbintensität, des Kontrasts und der Bildschärfe
Sie können die Farbintensität (RED/GREEN/BLUE), den Kontrast (DARK/LIGHT) und die Bildschärfe (SHARPNESS/INTERPOL.) auf den Ausdrucken einstehen. Sie können bis zu drei Gruppen von Einstellungen speichern. Diese Einstellungen werden unter einer LOAD COLOR-Nummer abgelegt. Die Farbintensität, der Bildkontrast und die Bildschärfe eines Ausdrucks werden festgelegt, indem Sie eine der drei Gruppen von Einstellungen anhand ihrer LOAD COLOR-Nummer abrufen. Diese Funktion ist nützlich, wenn Sie mehrere Videogeräte mit entsprechenden Eigenschaften benutzen, wenn Sie Bilder drucken wollen, deren Farbqualität und Bildkontrast unterschiedlich sind, oder wenn mehrere Benutzer auf einen einzigen Drucker zugreifen.
Außer dem können Sie einen Ausdruck mit temporär eingestellten Werten erstellen, ohne daß die gespeicherten Werte gelöscht werden.
Lassen Sie beim Vornehmen der Einstellungen die Speicherbilder anzeigen. Die Werte für Farbintensität und Kontrast sind bei den LOAD COLOR-Nummern 1, 2 und 3werkseite auf 0 eingestellt, der Wert für die Bildschärfe auf 8.

1 Drücken Sie die Taste R/G/B/D/L am Bedienfeldinnen. Das Menu COLOR ADJUST erscheint.

COLOR ADJUST /COL/1/p/i/o/
Oder drücken Sie die Taste MENU, und rufen Sie mit der Taste oder das Menu COLOR ADJUST auf.
2 Wahlen Sie mit der Taste oder die Option LOAD COLOR aus.

Stellen Sie den Cursor mit der Taste oder auf LOAD COLOR.

Lassen Sie mit der Taste oder die Option LOAD COLOR anziegen.
3 Wahlen Sie mit der Taste oder die LOAD COLOR-Nummer mit den einzustellenbzw. zu ändernden Werten aus.

Lassen Sie die gewünschte LOAD COLOR-Nummer mit der Taste oder grun anzeigen.

Lassen Sie die gewünschte LOAD COLOR-Nummer mit der Taste oder anzeigen.
Sie können temporäre Änderungen vornehmen und die ursprünglichen Einstellungen darauf beibehalten. Nähres dazu finden Sie unter "So behalten Sie die ursprünglich eingestellten Werte bei" auf Seite 375.
Fortsetzung
4 Stellen Sie die Farbe für die Ausdrucke ein.
① Wahlen Sie mit der Taste oder die einzustellende Option aus.
② Nehmen Sie die Einstellung mit der Taste oder vor.
Die Farbkomponenten RED, GREEN und BLUE sowie die
Kontrasteinstellungen sind in 15 Stufen (-7~bis~ + 7) unterteilt, die anhand eines Wertes und eines Diagramms angegeben werden. Die Mitte des Diagramms (0) entspricht der Standardfarbe.
Die Bildschärfe (SHARPNESS) laßt sich in 15 Stufen von 1 bis 15 einstellen. Diese werden durch einen Wert und ein Diagramm angegeben. Die Einstellung der Bildschärfe auf Stufe 8 entspricht der Standardschärfe.
Für INTERPOL. (Interpolation) wahren Sie je nach Bildtyp entweder ON oder OFF.
Einstellen von RED/GREEN/BLUE (Farbintensität)
| Menüoption | Funktion | Zu drückende Taste | Einstellrichtung im Menu |
| CYN-RED | Verstärken der Rottöne | Taste ⇌ | Auf RED zu (rot) |
| Verstärken der Zyantöne | Taste ⇌ | Auf CYN zu (zyan) | |
| MAG-GRN | Verstärken der Magentatöne (pink) | Taste ⇌ | Auf MAG zu (magenta) |
| Verstärken der Grüntnöne | Taste ⇌ | Auf GRN zu (grün) | |
| YEL-BLU | Verstärken der Gelbtöne | Taste ⇌ | Auf YEL zu (gelb) |
| Verstärken der Blautöne | Taste ⇌ | Auf BLU zu (blau) |

Einstellen von DARK/LIGHT (Kontrast)
| Einstellung | Funktion |
| DARK | Einstellen dunkler Bildbereiche |
| LIGHT | Einstellen heller Bildbereiche |

Einstellen der Bildschärfe
SHARPNESS
Die Bildschärfe (SHARPNESS) laßt sich in 15 Stufen von 1 bis 15 einstellen. Die Einstellung der Bildschärfe auf Stufe 8 entspricht der Standardschärfe (Standardeinstellung).
| Funktion | Einstellung |
| Weiche Konturen | Nach links (auf Stufe 1 zu) |
| Normale Konturen | Mitte (Stufe 8) |
| Scharfe Konturen | Nach rechts (auf Stufe 15 zu) |

Fortsetzung
| Typ des Ausdrucks | Einstellung |
| Bilddaten wie Personen und Landschaften | ON |
| Bilddaten wie Computergrafiken oder keine Buchstaben | OFF |

Lassen Sie die gewünschte Einstellung mit der Taste oder grün anzeigen.

Hinweis
Die Effektivität der SHARPNESS-Einstellung kann variieren, je nachdem, ob INTERPOL. auf ON oder OFF gesetzt ist.
So setzen Sie die Optionen auf ihre Standardwerte zurück (0)
Stellen Sie den Cursor auf die Option, die zurückgesetzt werden soll, und drücken Sie gleichzeitig die Tasten und .
Wenn Sie den Wert geändert haben
Wenn Sie den Wert geändert haben, erscheint TEMP (temporär) auf der Menüanzeige. TEMP gibt an, daß die Einstellungen temporär sind und noch nicht gespeichert wurden. Wenn Sie den Drucker ausschalten, während TEMP angezeigt wird, werden die eingestellten Werte nicht gespeichert.
5 Wahlen Sie mit der Taste oder die Option SAVE COLOR aus.

Stellen Sie den Cursor mit der Taste oder auf SAVE COLOR.

Lassen Sie mit der Taste oder die Option SAVE COLOR anzeigen.
6 Wahlen Sie mit der Taste oder die SAVE COLOR-Nummer (Speichernummer) für die neuen Einstellungen.

Lassen Sie die gewünschte SAVE COLOR-Nummer mit der Taste oder grün anzeigen.

Lassen Sie die gewünschte SAVE COLOR-Nummer mit der Taste oder anzeigen.
So beholden Sie die ursprünglich eingestellten Werte bei
Wahlen Sie unter SAVE COLOR eine Nummer, die sich von der in Schritt 3 ausgewählten Nummer unter LOAD COLOR unterscheidet.
7 Drucken Sie die Taste EXEC.
Die Einstellungen werden unter der in Schritt 6 ausgewählten SAVE COLOR-Nummer gespeichert.
TEMP wird im Menu ausgebendet.
8 Wenn Sie weitere Einstellungen für eine andere LOAD COLOR-Nummer vornehmen wollen, gehen Sie wie in Schritt 3 bis 7 erläutert vor.
Zum Beenden der Einstellungen drücken Sie die Taste MENU. Die normale Anzeige erscheint.
So kopieren Sie die Einstellungen einer bestimmen LOAD COLOR-Nummer in eine andere LOAD COLOR-Nummer
1 Wahlen Sie im Menu COLOR ADJUST die LOAD COLOR-Nummer mit den zu kopierenden Einstellungen aus.
2 Wahlen Sie die SAVE COLOR-Nummer aus, in die die Daten kopiert werden sollen.
3 Drucken Sie die Taste EXEC.
Die Einstellungen, die unter der in Schritt 1 ausgewählten LOAD COLOR-Nummer gespeichert sind, werden in die SAVE COLOR-Nummer kopiert, die Sie in Schritt 2 ausgewählten haben.
So rufen Sie eine LOAD COLOR-Nummer mit Farbeinstellungen für den Ausdruck (Farbintensität, Kontrast und Bildschärfe) ab
Lassen Sie die gewünschte LOAD COLOR-Nummer im Menu COLOR ADJUST grün anzeigen.
Oder drücken Sie die Taste LOAD COLOR im Bedienfeldinnen. Mit jedem Tastendruck wird die momentan ausgewählte LOAD COLOR-Nummer etwa drei Sekunden lang angezeigt. Zum Auswahlen der gewünschten LOAD COLOR-Nummer halten Sie die Taste los, während die gewünschte Nummer angezeigt wird.
Der Ausdruck erfolgt so, wie unter der ausgewählten LOAD COLOR-Nummer festgelegt, bis die Einstellungen geändert werden.
Einstellen des Farbtons der Ausdrucke
Sie können den Farbton so einstellen, daß auch sehr helle oder dunkle Bereiche in guter Qualität ausgedruckt werden.

1 Drücken Sie die Taste MENU, und wahlen Sie mit der Taste « oder « die Option PRN aus.
Das Menu PRINTER SETUP wird angezeigt.

Lassen Sie PRN mit der Taste oder grun anzeigen.

2 Wahlen Sie mit der Taste oder die Option GAMMA aus.

Stellen Sie den Cursor mit der Taste oder auf GAMMA.

Lassen Sie mit der Taste oder die Option GAMMA anzeigen.
3 Wahlen Sie den gewünschten Farbton mit der Taste oder aus. Der ausgewählte Farbton wird als ganzes Wort angezeigt.
| Funktion | Einstellung |
| Ausdrucken eines Bildes mit denen weiten oder hellen Bereichen. | S → SOFT |
| Ausdrucken eines normalen Bildes | N → NORMAL |
| Ausdrucken eines Bildes mit denen schwarzen oder dunklen Bereichen. | H → HARD |

Lassen Sie den gewürschten Farbton mit der Taste oder grün anzeigen.

Lassen Sie den gewünschten Farbston mit der Taste oder anzeigen.
4 Drücken Sie die Taste MENU. Die normale Anzeige erscheint.
Ändern der Höhe des Ausdrucks/des Druckbereichs
Wenn Sie ein Bild drucken, das schmaler oder breiter als die Standardbildschirmgroße ist, wird möglicherweise ein schwarzer Rand gedruckt, oder das Bild wird teilweise abgeschritten. In einem solchen Fall konnen Sie die Grübe des Ausdrucks ändern. Oder auf einem Ausdruck kann ein schwarzer Streifen erschehen, der auf dem Videomonitor nicht zu sehen ist, weil Bereiche, für die kein Videosignal vorhanden ist, schwarz gedruckt werden. Dies kann der Fall sein, wenn Sie Ausdrucke erstellen, nachdem Sie eine andere Videoquelle angeschlossen oder zu einer anderen Video-Software gewechselt haben. In thisem Fall konnen Sie den Druckbereich einstellen, indem Sie den zu druckenden Bereich horizontal oder vertical verschiben. Wenn ein schwarzer Rand um den Ausdruck erscheint, obwohl der Druckbereich verschoben wurde,ändern Sie die Grübe des Ausdrucks, da das Bild über den normalen Bildschirmbereich hinaus zu stark vergroßert wurde.
Hinweis
These Einstellung wirkt sich nur auf das Eingangssignal aus und nicht auf das Bild im Speicher.

1 Drücken Sie die Taste MENU, und wahren Sie mit der Taste oder die Option LAY aus.
Das Menu LAYOUT SETUP wird angezeigt.

Lassen Sie LAY mit der Taste oder grun anzeigen.

2 Wahlen Sie mit der Taste oder die Option WINDOW aus.

Stellen Sie den Cursor mit der Taste oder auf WINDOW.

Hinweis
Wenn Sie nach dem Auswahlen von WINDOW in Schritt 2 mit dem{nachsten Schritt fortfahren, werden die Bilder im Speicher gelöscht.
3 Drücken Sie die Taste Das Menu Window SETUP wird angezeigt.


4 Stellen Sie den Drucker je nach dem angefertigten Ausdruck ein.
① Wahlen Sie mit der Taste oder die einzustellende Option aus.
② Nehmen Sie die Einstellung mit der Taste oder vor.
Fortsetzung
Wenn ein schwarzer Rand erscheint oder das Bild teilweise abgeschritten ist
- Stellen Sie die Höhe des Ausdrucks mit den Optionen H WIDTH und V WIDTH aus dem Menu ein.
| Funktion | Menüoption (Standard) | Zu drückende Taste | Auswirkung |
| Ändern der Breite und Einstellen der Position des rechten Randes. Der linke Rand bleibt gleich. | H-WIDTH (NTSC: 896, PAL: 896) | Taste ⇌ | Am rechten Rand verbreitet (nach rechts auf dem Bildschirm) |
| Taste ⇌ | Verschmälert bei gleichbleibendem linken Rand | ||
| Ändern der Höhe und Einstellen der Position des unteren Randes. Der obere Rand bleibt gleich. | V-WIDTH (NTSC: 464, PAL: 560) | Taste ⇌ | Nach unten verlangert |
| Taste ⇌ | Verkürzt bei gleichbleibendem oberen Rand |

Wenn auf dem Ausdruck ein schwarzer Streifen erscheint
Stellen Sie den Druckbereich anhand der Position des Streifens auf dem Ausdruck mit den Optionen H START und V START im Menu ein.
| Position des schwarzen Streifens | Menüoption (Standard) | Zu drückende Taste | Ausbwirkung |
| Rechts | H START (NTSC/PAL: 0) | Taste ⇌ | Das Bild wird nach rechts verschoben, die Höhe bleibt gleich. |
| Links | Taste ⇌ | Das Bild wird nach links verschoben, die Höhe bleibt gleich. | |
| Oben | V START (NTSC/PAL: 0) | Taste ⇌ | Das Bild wird nach oben verschoben, die Höhe bleibt gleich. |
| Unten | Taste ⇌ | Das Bild wird nach unten verschoben, die Höhe bleibt gleich. |

Hinweis
Wenn auch nach dem Einstellen mit H START bzw. V START ein schwarzer Streifen erscheint,ändern Sie die Grübe des Ausdrucks.
5 Wahlen Sie mit der Taste oder die Option SAVE aus, und drücken Sie dann die Taste EXEC.
Die eingestellten Werte werden gespeichert. Das Menu LAYOUT SETUP wird angezeigt.
6 Drücken Sie die Taste MENU.
Die normale Anzeige erscheint.
So löschen Sie den eingestellten Wert
Wahlen Sie in Schritt 5 die Option CANCEL, und drücken Sie anschließend die Taste EXEC im Bedienfeldinnen. Die in Schritt 4 eingestillten Werte werden gelöscht, und die Einstellungen werden auf die ursprünglichen Werte zurückgesetzt.
So setzen Sie die eingestellten Werte auf die Standardeinstellung zurück
Drücken Sie gleichzeitig die Tasten oder . Die eingestellt den Werte werden auf die Standardeinstellung zurückgesetzt.
So überprüfen Sie die Einstellungsergebnisse
Speichern Sie ein neues Bild, und setzen Sie es ausdrucken. Überprüfen Sie, ob noch immer ein schwarzer Rand auf dem Ausdruck erscheidt, das Bild teilweise abgeschritten ist oder ein schwarzer Streifen erscheidt.
Einstellen der Farbbalance
Sie müssen das Farbband und das Druckpapier verwenden, die als Komplettssatz in einem Paket gefeliefert werden. Die Farbbalance kann bei jedem verwendeten Farbband-/Papiersatz variieren.
Es empfieht sich deshalb, die Farbbalance jedesmal neu einzustellen, wenn Sie ein neues Farbband und neues Druckpapier eingelegt haben.
Vor dem Einstellen der Farbbalance
Setzen Sie alle Optionen im Menu COLOR ADJUST auf die Standardeinstellung zurück (siehe “Einstellen der Farbe auf den Ausdrucken” auf Seite 370).


1 Lassen Sie mit der Taste SOURCE/MEMORY das Quellenbild auf dem Videomonitor anzeigen.
2 Drücken Sie die Taste MENU, und wahlen Sie mit der Taste « oder » die Option PRN aus.
Das Menu PRINTER SETUP wird über dem Quellenbild angezeigt.

Lassen Sie PRN mit der Taste oder grun anzeigen.

Lassen Sie PRN mit der Taste oder in Großbuchstaben anziegen.
3 Wahlen Sie mit der Taste oder die Option C-BALANCE aus.

Stellen Sie den Cursor mit der Taste oder auf C-BALANCE.

Drucken Sie die Taste oder so oft, bis C-BALANCE erscheint.
4 Drucken Sie die Taste
Das Menu COLOR BALANCE erscheint.
Der hervorgehobene Bereich wird, wird zum Einstellen der Farbbalance ausgedrucht.
Sie können diesen Bereich an eine beliebige Stelle auf dem Videomonitor verschreiben.

Wenn Sie die Farbbalance nach der Inbetriebnahme des Druckers zum ersten Mal einstellen, sind die Werte von BAL X, BAL Y und BAL STEP werkseitig auf 50, 50 bzw. 05 eingestellt.
BAL STEP ist der einstellbare Bereich für jeder Farbbalance.
Wenn Sie die Farbbalance bereits eingestellt haben, werden die zuvor eingestellten Werte im Menu COLOR BALANCE angezeigt.

Die momentan eingestellten Werte von BAL X, BAL Y und BAL STEP
Dieses Menu COLOR BALANCE enthält die Standardwerte (werkseitigen Einstellungen).

Der momentan eingestellte Wert von BAL X
Dieses Drucker-Display zeit den Standardwert von BAL X.
So setzen Sie die Werte auf die Standardeinstellung (50/50/05) darüber
Wahlen Sie die einzelnen Optionen mit der Taste oder aus, und drücken Sie gleichzeitig die Tasten und . Die momentan ausgewählte Option wird auf die Standardeinstellung zurückgesetzt.
5 Legen Sie die Position des Quellenbildes fest, das zum Einstellen der Farbbalance verwendet wird.
Verschieben Sie dazu den hervorgehobenen Bereich, indem Sie die Taste , oder drucken, während Sie die Taste DISPLAY im Bedienfeldinnen gedrückt halten.

6 Drücken Sie die Taste CAPTURE. Das Speicherbild erscheint.

7 Wahlen Sie mit der Taste oder die Option TEST PRINT aus.

Stellen Sie den Cursor mit der Taste oder auf TEST PRINT.

Drucken Sie die Taste oder so oft, bis TEST PRINT erscheidt.
8 Drücken Sie die Taste EXEC.
Neun identische Bilder werden als Testdruck auf einem Blatt Papier ausgedrucht.
Jedes Bild zeit eine andere Farbbalance.

Beispiel für den tatsächlichen Farbwechsel auf dem Testdruck

9 Wahlen Sie aus den neun Bildern das mit der besten Farbbalance aus.
Wenn Sie die Farbbalance ändern wollen, nachdem Sie den Ausdruck gesehen haben, stellen Sie die Farbbalance erneut ein. Gehen Sie dazu wie unter "So stellen Sie die Farbbalance erneut ein" auf Seite 386 erläutert vor.
Fortsetzung
10 Lassen Sie mit der Taste oder für BAL X und BAL Y dieselben Werte wie bei dem in Schritt 9 ausgewählten Bild anzeigen.
Beispiel: Wenn die Farbbalance (55 & 45) des links unter ausgedruckten Bildes am besten ist:

Lassen Sie mit der Taste oder 55 für BAL X und 45 für BAL Y anzeigen.

Wahlen Sie BAL X mit der Taste oder und dann 55 mit der Taste oder aus.

Wahlen Sie BAL Y mit der Taste oder und dann 45 mit der Taste oder aus.
Die Farbbalance ist damit auf die in Schritt 9 ausgewählten Werte eingestellt.
11 Drucken Sie die Taste MENU.
Die normale Anzeige erscheint.
So stellen Sie die Farbbalance erneut ein
Wenn sich die gewünschte Farbbalance in Schritt 9 nicht erzielen laßt, stellen Sie die Farbbalance erneut ein.
Sie konnen auf dieselbe Weise auch eine Feineinstellung vornehmen.
1 Lassen Sie von den neun Bildern die Werte des besten Bildes für BAL X und BAL Y anzeigen.
In thisem Fall konnen Sie durch Ändern des Wertes von BAL STEP eine Fein-oder eine Grobeinstellung vornehmen.
SorehmenSieeineFeineinstellungvor
Wenn Sie die Farbbalance innerhalb des aktuellen Farbbalancebereichs feiner einstehen wollen, verringern Sie den Wert von BAL STEP.

Hinweis
In der Abbildung oben ist die Farbbalance zu sehen, nach dem BALANCE STEP von 05 in 03 geändert wurde. Auf dem eigentlichen Ausdruck werden die Werte der Farbbalance jedoch nicht bei den einzelnen Bildern ausgedrucht, sondern unter auf dem Ausdruck.
So behmen Sie die Grobeinstellung vor
Wenn Sie die Farbbalance außerhalb des aktuellen Farbbalancebereichs einstellen wollen, erhöhen Sie den Wert von BAL STEP.

2 Gehen Sie wie in Schritt 5, 6, 7 und 8 unter "Einstellen der Farbbalance" auf Seite 382 erläutert vor, und drucken Sie eine Testseite aus.
3 Wahlen Sie aus den neun Bildern das Bild mit der besten Farbbalance aus. Lassen Sie dann mit der Taste , , oder die entsprechenden Werte für BAL X und BAL Y anzeigen.
Wiederholen Sie Schritt 1 und 2, bis Sie eine optimale Farbbalance erzielen.
4 Fahren Sie mit Schritt 10 unter "Einstellen der Farbbalance" auf Seite 386 fort.
Auswahlen des Betriebsmodus für automatische Druckfunktionen
Sie können den Drucker mit einer der folgenden Fernbedienungen steuern, die an den Anschluß REMOTE 2 oder REMOTE 3 an der Rückseite des Druckers angeschlossen ist.
- Fernbedienung RM-91 (nicht mitgeliefert): angeschlossen an den Anschluß REMOTE 2
- Fußschalter FS-30 (nicht mitgeliefert): angeschlossen an den Anschluß REMOTE 3
Außer dem können Sie den Drucker auch mit einer Fernbedienung fernsteuern, die das Fernbedienungssignal an Stift Nr.5 des Anschlusses REMOTE 3 sendet.
Über das Menu können Sie der an den Anschluß REMOTE 2 oder den Anschluß REMOTE 3 angeschlossenen Fernbedienung bestimmte Funktionen zuweisen. Außen dem kann der Drucker über ein an REMOTE 2 oder REMOTE 3 eingespeistes Impulssignal ferngesteuert werden (siehe Seite 410 und 411).
Der Drucker lαβt sich zudem über einen PC steuern.
Näheres zum Steuern des Druckers über einen Computer erfahren Sie bei ihrem Sony-Handler.
Hinweis
Der Fußschalter FS-36 wird zum Steuern des Druckers an REMOTE 2 angeschlossen. Die Funktion these Fuschalters konnen Sie jedoch nicht über das Menu definieren.

1 Drücken Sie die Taste MENU, und wahlen Sie mit der Taste « oder » die Option PRN aus.
Das Menu PRINTER SETUP wird über dem Quellenbild angezeigt.

Lassen Sie PRN mit der Taste oder grun anzeigen.
PRINTER SETUP /c/1/PRN/i/o/
Lassen Sie PRN mit der Taste oder in Großbuchstaben anzeigen.
2 Wahlen Sie mit der Taste oder die Option FUNCTION aus.


Stellen Sie den Cursor mit der Taste oder auf FUNCTION.
3 Drücken Sie die Taste Das Menu FUNCTION SETUP wird angezeigt.

Wenn Sie die Funktion der an REMOTE 2 angeschlossenen Fernbedienung definieren wollen, fahren Sie mit Schritt 4 fort.
Wenn Sie die Funktion der an REMOTE 3 (3A/3B/3C/3E) angeschlossenen Fernbedienung definieren wollen, fahren Sie mit Schritt 6 fort.
4 Wahlen Sie mit der Taste oder die Option IMMED. CAP aus.

IMMED.CAP : OFF/ on
Drucken Sie die Taste oder so oft, bis IMMED. CAP erscheint.
Stellen Sie den Cursor mit der Taste oder auf IMMED. CAP.
Fortsetzung
5 Wahlen Sie mit der Taste oder das gewünschte Timing zum Aufzeichen des Bildes.
| Timing | Einstellung |
| Aufzeichen des Bildes, unmittelbar nachdem der Auslöseimpuls an REMOTE 2 eingespeist wirda) | ON |
| Aufzeichen des Bildes nach einer bestimmen Zeitspanne, nachdem der Auslöseimpuls an Anschluß REMOTE 2 eingespeist wirdb) | OFF |
a) Wenn IMMED. CAP auf ON gesetzt ist, setzen Sie das Quellenbild auf dem Videomonitor anziegen, wenn Sie den Auslöseimpuls an den Drucker senden. Der Drucker soll das Bild nur aufzeichen, wenn der Auslöseimpuls einget.
b) Das Timing ist werkseitig festgelegt.
Naheres zum Timing am Anschluß REMOTE 2 finden Sie auf Seite 410.
Hinweise
- Wahlen Sie ON, wenn Sie die Bilderfassung mit exaktem Timing über den Computer auslösen wollen.
- Wenn Sie die Funktion für die Fernbedienung am Anschluß REMOTE 2 über das Menu FUNCTION SETUP definieren sollen, setzen Sie IMMED. CAP im Menu FUNCTION SETUP auf OFF.

Lassen Sie die gewünschte Timing-Auswahl mit der Taste oder grün anzeigen.

Lassen Sie die gewünschte Timing-Ausbwahl mit der Taste oder in Großbuchstaben anzeigen.
6 Wahlen Sie die Fernbedienung aus, und definieren Sie die Funktion für die ausgewählte Fernbedienung.
① Wahlen Sie mit der Taste oder die Fernbedienung aus, für die Sie eine Funktion definieren wollen.
| Fernbedienung, für die eine Funktion definiert wird | Fernbedienungsname auf dem Menu | |
| RM-91, angeschlossen an REMOTE 2 | RM2 FUNC | |
| FS-30, angeschlossen an REMOTE 3 | Taste A von FS-30 | RM3A FUNC |
| Taste B von FS-30 | RM3B FUNC | |
| Taste C von FS-30 | RM3C FUNC | |
| Fernbedienung, die den Auslöseimpuls an Stift Nr. 5 von REMOTE 3 sendet | RM3E FUNC | |


Lassen Sie die gewünschte Fernbedienung mit der Taste oder aneigen.
Stellen Sie den Cursor mit der Taste oder auf die gewünschte Fernbedienung.
Beim Beispiel in der Abbildung soll eine Funktion für die an REMOTE 2 angeschlossene Fernbedienung definiert werden. Sie können eine andere Fernbedienung genauso auswahlen.
② Definieren Sie mit der Taste oder eine Funktion für die in 1 ausgewählte Fernbedienung.
| Währbare Funktion | Funktion |
| GRAB | Aufzeichnen eines Bildes, wenn Sie den Schalter der Fernbedienung drücken. Wenn der Ausdrucktyp für mehrere verkleinerte Bilder ausgewähl wird, bewegt sich der Cursor (grüner Zeiger) auf dem Videomonitor nicht. Die Speicherseite wird ebenfalls nicht gewechselt. |
| CAPTURE | Hat thiselbe Funktion wie die Taste CAPTURE am Drucker. |
| Hat thiselbe Funktion wie die Taste PRINT am Drucker. | |
| C & PRINTa) (CAPTURE & PRINT) | Aufzeichnen eines Bildes in einer Speicherseite, in der sich kein Bild zum Drucken befindet, und Drucken. Wenn Sie den Schalter während eines Druckvorgangs drucken, wird das ausgewählte Bild in die Warteschlange gestellt und ausgedrucht, sobald der aktuelle Druckvorgang beendet ist. |
| CYCLIC-Cb) (CYCLIC CAPTURE) | Zyklisches Aufzeichnen von Bildern in Speicherheiten, in denen sich keine Bilder befinden, sobald der Schalter gedrückt wird. Der Drucker zeitnet weitere Bilder auf und ersetzt das zuvor gespeicherte durch ein neues. |
| CAP-STOPb) (CAPTURE STOP) | Aufzeichnen von Bildern in einer Speicherseite, wenn Sie den Schalter der Fernbedienung drucken. Wenn alle Speicherheiten voll sind, speichert der Drucker keine weiteren Bilder mehr, und die Meldung HIT ANY KEY erscheint. |
| BACK-SP (CAPTURE BACK) | Der Zeiger (grün) bewegt sich an seine vorherige Position zurück, wenn Sie den Schalter drucken und der Ausdrucktyp für mehrere verkleinerte Bilder ausgewählt ist. |
| POINTER+ | Der Cursor (grüner Zeiger) bewegt sich an die{nachste Position, wenn Sie den Schalter drucken und der Ausdrucktyp für mehrere verkleinerte Bilder ausgewählt ist. |
| STOP | Stoppen des Druckens nach dem Ende des aktuellen Druckvorgangs, sobald Sie den Schalter drucken. |
Fortsetzung
| Währbare Funktion | Funktion |
| CAP/SRC (CAPTURE/SOURCE) | Wenn ein Speicherbild angezeigt wird, wechselt die Anzeige zum Quellenbild, sobald Sie den Schalter drücken.Wenn ein Quellenbild angezeigt wird, wird das Bild in den Speicher gestellt, sobald Sie den Schalter auf der Fernbedienung drücken. Die Speicherseite wird jedoch nicht gewechselt. Das zuvor gespeicherte Bild wird durch das neue Bild ersetzt. |
| C/SRC PAGE b)(CAPTURE/SOURCE PAGE) | Wenn ein Speicherbild angezeigt wird, erscheint das Quellenbild, sobald Sie den Schalter auf der Fernbedienung drucken.Wenn ein Quellenbild angezeigt wird, wird das Bild in den Speicher gestellt, sobald Sie den Schalter drücken. Die Speicherseite wird auch gewechselt.Das aufgezeichnete Bild wird nicht gedrucht. |
| PRINT & PAGE | Wenn ein Bild in den Speicher gestellt wurde, Starten des Druckvorgangs beim Drücken des Schalters und gleichzeitig Wechsel zur{nachsten Speicherseite.Wurde kein Bild in die Speicherseite gestellt, arbeitet der Drucker nicht korrekt, wenn Sie den Schalter der Fernbedienung drucken. |
| SRC & CAP (SOURCE & CAPTURE) | Wenn Sie den Schalter der Fernbedienung gedrückhalten, erscheint das Quellenbild. Wenn Sie den Schalter loslassen, wird das Bild aufgezeichnet, das in dem Moment, in dem Sie den Schalter losgelassen haben, angezeigt wurde. Die Speicherseite wird nicht gewechselt. |
| SRC & C PAGE b)(SOURCE & CAPTURE PAGE) | Wenn Sie den Schalter der Fernbedienung gedrückhalten, erscheint das Quellenbild. Wenn Sie den Schalter loslassen, wird das Bild aufgezeichnet, das in dem Moment, in dem Sie den Schalter losgelassen haben, angezeigt wurde. Die Speicherseite wechselt daraufufhin zur{nachsten Speicherseite. Das aufgezeichnete Bild wird nicht gedrucht. |
a) Wenn Sie die Fernbedienung mit dieser Funktion verwenden, überprüfen Sieitte, ob das Quellenbild auf dem Videomonitor angezeigt wird. Wenn nicht, drücken Sie die Taste SOURCE/MEMORY, so daß das Quellenbild angezeigt wird. Nachdem das letzte Bild von mehreren verkleinerten Bildern aufgezeichnet wurde, druckt der Drucker das aufgezeichnete Bild bzw. besteht es in die Warteschlange. Danach wechselt der Drucker zur nachsten Speicherverseite.
b) Nachdem das letzte Bild von mehreren verkleinerten Bildern aufgezeichnet wurde, wechselt der Drucker zur nachsten Speicherseite.

Lassen Sie die gewünschte Funktion mit der Taste oder grün anzeigen. Wenn am rechten oder linken Rand / angezeigt wird, können Sie mit der Taste oder eine weitere Funktion auswahlen.

Lassen Sie die gewünschte Funktion mit der Taste oder anzeigen. Wenn am rechten oder linken Rand / angezeigt wird, konnen Sie mit der Taste oder eine weitere Funktion auswahlen.
Welche Funktion definiert werden kann, hängt von der in Schritt ① ausgewählten Fernbedienung ab.
7 Drücken Sie die Taste MENU. Die normale Anzeige erscheint.
Einstellen der Helligkeit des Drucker-Displays
Wenn die Anzeige im Drucker-Display nur schwer zu erkennen ist, stellen Sie die Helligkeit über das Menu ein.

1 Drücken Sie die Taste MENU, und wahlen Sie mit der Taste « oder » die Option PRN aus.
Das Menu PRINTER SETUP wird über dem Quellenbild angezeigt.

Lassen Sie PRN mit der Taste oder grun anzeigen.

Lassen Sie PRN mit der Taste oder in Großbuchstaben anziegen.
2 Wahlen Sie mit der Taste oder die Option SYSTEM aus.

Stellen Sie den Cursor mit der Taste oder auf SYSTEM.

Drucken Sie die Taste 出 oder so oft, bis SYSTEM erscheint.
3 Drucken Sie die Taste
Das Menu SYSTEM SETUP wird angezeigt.
| SYSTEM SETUP COLOR : 200 | |
| ◆PRN SETUP : PRESS [>] | |
| LCD-CONTR : 7……… | |
| BAUDRATE : /24/4800/96 | |
| BEEP : OFF/ON | |
| APPLI. : STANDARD / | |
| IRE : 100/11/12/13 | |
| SAVE USER : 1/2/3 [EXEC] | |
| USER NAME : PRESS [>] | |
| Q1 A 1 S |
SYSTEM SETUP
PRN SETUP[>]
4 Wahlen Sie mit der Taste oder die Option LCD-CNTR aus.

Stellen Sie den Cursor mit der Taste oder auf LCD-CNTR.

5 Stellen Sie mit der Taste oder die Helligkeit des Drucker-Displays ein.

Hinweis
Wenn Sie die Helligkeit ganz nach links stellen, wird OFF angezeigt. In thisem Fall erscheinen keine Meldungen im Drucker-Display, wenn im Videomonitor wieder die normale Anzeige erscheint.
6 Wahlen Sie mit der Taste oder die Option PRN SETUP aus, und drücken Sie dann die Taste.
Die eingestellten Werte werden gespeichert. Das Menu PRINTER SETUP wird angezeigt.
7 Drücken Sie die Taste MENU.
Die normale Anzeige erscheint.
Ein-/Ausschalten des Betriebs- und Fehlersignals
Bei jedem Drücken einer Taste auf dem Bedienfeld vorne oder dem Bedienfeld innen ist ein Signalton zu horen (einalmal). Wenn ein Fehler auftritt, ist der Warnton zu horen (dreimal). Diese akustischen Signale konnen Sie mit dem Menu ein- und ausschalten.

1 Rufen Sie das Menu SYSTEM SETUP auf.
Wie Sie das Menu SYSTEM SETUP aufrufen, ist in Schritt 1 bis 3 unter "Einstellen der Helligkeit des Drucker-Displays" auf Seite 390 beschreiben.
2 Wahlen Sie mit der Taste oder die Option BEEP aus.

Stellen Sie den Cursor mit der Taste oder auf BEEP.

3 Wahlen Sie mit der Taste oder aus, ob das Betriebs- und Fehlersignal zu horen sein soll.
| Funktion | Einstellung |
| Die Signale sind zu hören. | ON |
| Die Signale sind stummgeschaltet. | OFF |

Lassen Sie die gewünschte Option mit der Taste oder grün anzeigen.

4 Wahlen Sie mit der Taste oder die Option PRN SETUP aus, und drücken Sie dann die Taste.
Die eingestellten Werte werden gespeichert. Das Menu PRINTER SETUP wird angezeigt.
5 Drucken Sie die Taste MENU.
Die normale Anzeige erscheint.
Einstellen der Baud-Rate zur Kommunikation mit dem Computer
Wenn Sie den Drucker mit einem Computer steuern, der an den RS-232C-Anschluß des Druckers angeschlossen ist, müssen Sie die geeignete Baud-Rate auswahlen. Nahere Informationen dazu erhalten Sie bei Ihr dem Sony-Handler.

1 Rufen Sie das Menu SYSTEM SETUP auf.
Wie Sie das Menu SYSTEM SETUP aufrufen, ist in Schritt 1 bis 3 unter "Einstellen der Helligkeit des Drucker-Displays" auf Seite 394 beschrieben.
2 Wahlen Sie mit der Taste oder die Option BAUD RATE aus.

Stellen Sie den Cursor mit der Taste oder auf BAUD RATE.

3 Wahlen Sie die gewünschte Baud-Rate mit der Taste oder aus.
| Baud-Rate (Bit/s) | Im Menu angezeigte Baud-Rate. Die Anzeige im Display wechselt von der Angabe mit den ersten beiden Ziffern zur vollständigen Angabe. |
| 1200 | 12 → 1200 |
| 2400 | 24 → 2400 |
| 4800 | 48 → 4800 |
| 9600 | 96 → 9600 |

Lassen Sie die gewünschte Baud-Rate mit der Taste oder grün anzeigen. Die ausgewählte Baud-Rate wird mit vier Ziffern angezeigt.

4 Wahlen Sie mit der Taste oder die Option PRN SETUP aus, und drücken Sie dann die Taste.
Die eingestellten Werte werden gespeichert. Das Menu PRINTER SETUP wird angezeigt.
5 Drucken Sie die Taste MENU.
Die normale Anzeige erscheint.
Auswahlen des Beschichtungstyps
Wenn Sie den Farb-Drucksatz mit selbstbeschichtendem Papier UPC-540 verwenden, bleiben die Ausdrucke gut erhalten.
Sie können den Beschichtungstyp je nach der gewünschten Oberfläche des Ausdrucks auswahlen.

1 Drücken Sie die Taste MENU, und wahlen Sie mit der Taste oder die Option LAY aus.
Das Menu LAYOUT SETUP wird über dem Quellenbild angezeigt.


Lassen Sie LAY mit der Taste oder in Großbuchstaben anzeigen.
Lassen Sie LAY mit der Taste oder grün anzeigen.
2 Wahlen Sie mit der Taste oder die Option LAMINATION aus.


Drucken Sie die Taste 四 oder so oft, bis LAMINATION erscheint.
Stellen Sie den Cursor mit der Taste oder auf LAMINATION.
3 Wahlen Sie den Beschichtungstyp je nach gewünschter Oberfläche der Ausdrucke mit der Taste oder aus.
| Funktion | Beschichtungstyp |
| Glänzender Ausdruck | GLOSSY |
| Ausdruck mit strukturierten Oberfläche | TEXTURE |
| Matter Ausdruck | MATTE |


Lassen Sie den gewünschten Beschichtungstyp mit der Taste oder anzeigen.
Wenn am rechten oder linken Rand / angezeigt wird, können Sie mit der Taste oder einen weiteren Beschichtungstyp auswahlen.
Lassen Sie den gewünschten Beschichtungstyp mit der Taste oder grün anzeigen. Wenn am rechten oder linken Rand / angezeigt wird, konnen Sie mit der Taste oder einen weiteren Beschichtungstyp auswahlen.
4 Drücken Sie die Taste MENU. Die normale Anzeige erscheint.
Speichern von Benutzerdefinitionen
Sie können bis zu drei Gruppen mit allen Druckerspezifikationen speichern, die über die Tasten oder mit dem Menu eingestellt wurden, und diese Einstellungen als Benutzerdefinitionen speichern. Diese bleiben im Drucker gespeichert, auch wenn Sie den Drucker ausschalten.
So können unterschiedliche Benutzer Ausdrucke mit entsprechenden Einstellungen erstellen und brauchen dazu nur die entsprechende Benutzerdefinition abzurufen.
Wenn die Daten der abgerufenen Benutzerdefinition geändert werden, arbeitet der Drucker gemäß den geänderten Daten. In einem solchen Fall gelten die geänderten Daten, bis mit der Taste LOAD USER eine andere Benutzerdefinition abgerufen wird, auch wenn Sie den Drucker ausschalten.
Wenn Sie alle erforderlichen Einstellungen vorgenommen haben, gehen Sie wie im folgenden erlautert vor und speichern sie als Benutzerdefinition.

1 Rufen Sie das Menu System SETUP auf.
Wie Sie das Menu SYSTEM SETUP aufrufen, ist in Schritt 1 bis 3 unter "Einstellen der Helligkeit des Drucker-Displays" auf Seite 394 beschreiben.
Wenn Sie einen Namen für eine Benutzerdefinition eingeben wollen, fahren Sie mit Schritt 2 fort.
Wenn Sie keinen Namen für eine Benutzerdefinition eingeben wollen, fahren Sie mit Schritt 5 fort.
2 Wahlen Sie mit der Taste oder die Option USER NAME aus.

Stellen Sie den Cursor mit der Taste oder auf USER NAME.

Lassen Sie mit der Taste oder die Option USER NAME anzeigen.
3 Drücken Sie die Taste Das Menu USER NAME erscheint.


Einzelheiten zum Eingeben von Zeichen finden Sie unter "Eingeben eines Untertitels" auf Seite 341.
Der Namearf bis zu 16 Zeichen lang sein.
4 Wahlen Sie mit der Taste , , oder die Option EXIT im Menu USER NAME aus, und drücken Sie dann die Taste EXEC.
Der Benutzername wird gespeichert, und das Menu SYSTEM SETUP wird wieder angezeigt.
5 Wahlen Sie mit der Taste oder die Option SAVE USER aus.


Lassen Sie mit der Taste oder die Option SAVE USER anzeigen.
Stellen Sie den Cursor mit der Taste oder auf SAVE USER.
6 Wahlen Sie die gewünschte Benutzerdefinitionsnummer mit der Taste oder aus.


Lassen Sie die gewünschte Benutzerdefinitionsnummer mit der Taste oder anzeigen.
Lassen Sie die gewünschte Benutzerdefinitionsnummer mit der Taste oder grün anzeigen.
7 Drucken Sie die Taste EXEC.
Alle Daten zu den momentanen Einstellungen werden unter der in Schritt 6 ausgewählten Benutzerdefinitionsnummer gespeichert.
Wenn Sie in Schritt 3 einen Name eingeben, wird der Benutzername ebenfls gespeichert.
8 Drücken Sie die Taste MENU. Die normale Anzeige erscheint.
Der Drucker arbeitet mit diesen gespeicherten Daten, bis Sie eine andere Benutzerdefinition abrufen. Wenn Sie die Einstellungen ändern, gelten die geänderten Daten, bis mit der Taste LOAD USER eine andere Benutzerdefinition abgerufen wird, auch wenn Sie den Drucker ausschalten.
So erstellen Sie eine weitere Benutzerdefinition
Nehmen Sie alle erforderlichen Einstellungen über die Menüs vor, und speichern Sie sie dann unter einer anderen Benutzerdefinitionsnummer.
So rufen Sie die Benutzerdefinition zum Drucken ab
Wahlen Sie die gewünschte Benutzerdefinition mit der Taste LOAD USER aus. Mit jedem Tastendruck auf LOAD USER werden die Benutzerdefinitionen in der Reihenfolge 1, 2, 3, 1... abgerufen.
Drücken Sie anschließend die Taste EXEC, um die ausgewählte
Benutzerdefinition zu aktivieren.
Der Drucker arbeitet dann auf der Basis der abgerufenen Benutzerdefinition. Wenn Sie Einstellungen ändern, arbeitet der Drucker mit den geänderten Daten, bis Sie eine andere Benutzerdefinition abrufen.
Hinweis
Wenn die Benutzerdefinition gewechselt wird, werden alle Bilder im Speicher gelöscht.
So beholden Sie die ursprünglich eingestellten Werte bei
Beispiel: Sie ändern die Einstellungen unter Benutzerdefinition 1. Sie behalten die ursprünglich eingestellten Werte von Benutzerdefinition 1 bei, und speichern die geänderten Werte als Benutzerdefinition 2.
1 Wahlen Sie Benutzerdefinition 1 mit der Taste LOAD USER aus. Mit jedem Tastendruck auf LOAD USER werden die Benutzerdefinitionen in der Reihenfolge 1, 2, 3, 1... abgerufen.
2 Drücken Sie die Taste EXEC, um die ausgewählte Benutzerdefinition zu aktivieren.
Hinweis
Wenn die Benutzerdefinition gewechselt wird, werden alle Bilder im Speicher gelöscht.
3 Andern Sie die eingestellen Werte der Benutzerdefinition.
4 Wahlen Sie 2 unter SAVE USER im Menu SYSTEM SETUP.
5 Drücken Sie die Taste EXEC. Die eingestellten Werte, d. h. die in Schritt 3 geänderten, werden als Benutzerdefinition 2 gespeichert.
So kopieren Sie die vorhandene Benutzerdefinition
Sie können eine vorhandene Benutzerdefinition kopieren und unter einer anderen Benutzerdefinitionsnummer speichern.
1 Wahlen Sie die Nummer der zu kopierenden Benutzerdefinition mit der Taste LOAD USER aus.
2 Drücken Sie die Taste EXEC, um die ausgewählte Benutzerdefinition zu aktivieren.
Hinweis
Wenn die Benutzerdefinition gewechselt wird, werden alle Bilder im Speicher gelöscht.
3 Wahlen Sie mit SAVE USER im Menu SYSTEM SETUP die Nummer der Zielbenutzerdefinition aus.
4 Drücken Sie die Taste EXEC. Die eingestellten Werte der in Schritt 1 ausgewählten Benutzerdefinition werden kopiert und unter der Nummer der in Schritt 3 ausgewählten Zielbenutzerdefinition gespeichert.
Sicherheit
- Betreiben Sie den Drucker nur an der unter "Technische Daten" (Seite 409) angegebenen Stromquelle.
- Stellen Sie keine schweren Gegenstände auf das Netzkabel, und setzen Sie nichts darauf auf fallen. Das Netzkabel konnte dadurch beschädigt werden. Es ist gefährlich, das Gerät mit einem beschädigten Netzkabel zu betreiben.
- Wenn Sie das Gerät längerere Zeit nicht benutzen wollen,ziehen Sie das Netzkabel aus der Netzsteckdose.
- Ziehen Sie dabei immer am Stecker, nicht am Netzkabel selbst.
Zerlegen Sie das Gerät nicht. - Nehmen Sie die Abdeckung nicht ab. An den Komponenten im Inneren liegen hohe Spannungen an, und es besteht die Gefahr eines elektrischen Schlages.
- Achten Sie darauf, kein Wasser oder sonstige Flüssigkeiten auf dem Gerät zu verschütten. Achten Sie darauf, daß keine brennbaren oder metallenen Gegenstände in das Gehäuse gelangen. Wenn Sie das Gerät benutzen, nachdem Fremdkörper hineingelangt sind, besteht die Gefahr einer Fehlfunktion, eines elektrischen Schlages oder eines Brandes.
- Die Luftungsöffnungen dienen dazu, eine Überhitzung des Geräts zu verhindern. Blockieren Sie diese Öffnungen nicht, indem Sie andere Geräte direktiben dem Drucker aufstellen oder den Drucker mit einem Tuch o. ä. abdecken.
- Treten am Gerät Fehlfunktionen auf oder gelangen Fremdkörper in das Gehäuse, losen Sie sofort das Netzkabel, und wenden Sie sich an ihren Sony-Kundendienst oder ihren Sony-Handler.
Aufstellung
- Stellen Sie das Gerät nicht an Orten auf, an denen es folgenden Bedingungen ausgesetzt ist:
— mechanischen Erschütterungen
—hoher Luftfeuchtigkeit
— übermäßig viel Staub
— direktem oder übermäßig viel Sonnenlicht
extremen Temperature
-
Verwenden Sie in der Höhe des Geräts keine anderen elektrischen Geräte. In starken elektromagnetischen Feldern arbeitet das Gerät nicht ordnungsgemäß.
-
Stellen Sie keinen schweren Gegenstand wie z. B. einen Monitor auf den Drucker.
Feuchtgkeitskondensation
- Wenn der Drucker plottzlichen, starken Temperaturschwankungen ausgesetzt wird, wenn er beispisse von einem kalten in einen warmen Raum gebracht oder in einem Raum mit einem Heizkörper aufgestellt wird, der viel Feuchtigkeit erzeugt, kann sich im Drucker Kondenswasser niederschlagen. In einem solchen Fall arbeitet der Drucker in der Regel nicht korrekt. Wenn Sieihn dennoch langere Zeit benutzen, kann es?sagar zu Beschädigungen kommt. Hat sich im Drucker Feuchtigkeit niedergeschlagen, schalten Sieihn aus, und{lüssen Sieihn mindestens eine Stunde lang unbenutzt stehen.
- Wird der Drucksatz plötzlichen, starken Temperaturschwankungen ausgesetzt, kann sich auf dem Farbband oder dem Papier Feuchtigkeit niederschlagen. Dies führt zu Fehlfunktionen beim Drucken. Wenn Sie den Drucksatz in einem solchen Fall davon verwenden, erscheinen auf den Ausdrucken wahrrscheinlich Flecken. Bewahren Sie den Drucksatz daher nicht an einem Ort auf, an dem er starken, plötzlichen Temperaturschwankungen ausgesetzt ist.
- Wollen Sie einen erst teilweise verbrauchten Drucksatz lagern, verpacken Sieihn in der Originalpackung, und kleben Sie diese zu. Lagern Sie die Packung möglichst an einem kühlen, dunklen Ort. Wenn Sie den Drucksatz dann wieder benötigen, legen Sieihn in der geschlossenen Packung mehrere Stunden lang in einen warmen Raum. Auf diese Weise kommt es nicht zur Bildung von Kondenswasser, wenn Sie den Drucksatz aus der Packungnehmen.
Aufstellort
Um einen internen Wärnestau zu vermeiden, setzen Sie genug Platz um den Drucker, damit Luft durch die Lüftungsöffnungen an der linken Seite des Gehäuses zirkulieren kann.
Vor einem Transport des Druckers
Bevor Sie den Drucker transportieren, entfern den Sie wie nachstehend erlautert das mitgelieferte Zubehör und verstauen这点es wieder in der
Originalverpackung. Wenn Sie den Drucker transportieren, solange das mitgelieferte Zubehör noch installiert ist, kann es zu Fehlfunktionenkommen.
1 Entfernen Sie die Farbbandkassette und das Papierfach.
2 Sichern Sie wie nachstehend erklärt den eingebauten Thermokopf:
① Schalten Sie den Drucker mit dem POWER-Netzschalter ein.
② Drücken Sie gleichzeitig die Taste MENU sowie die Cursorasten und am Bedienfeldinnen.
③ Schalten Sie den Drucker mit dem POWER-Netzschalter aus.
Damit ist der Thermokopf gesichert.
Lösener Thermokopf-Sicherung
Schalten Sie den Drucker wieder ein. Der Thermokopf bewegt sich, so dass Sie die Farbbandkassette wieder einesetzen konnen.
Reinigung
Hinweis
Schalten Sie unbedingt den Drucker aus, bevor Sie mit der Reinigung beginnen.
Reinigen des Gehäuses
Reinigen Sie Gehäuse, Bedienfeld und Bedienelemente mit einem weichen, trockenen Tuch oder einem weichen Tuch, das Sie leicht mit einer milden Reinigungslösung angefeucht haben. Verwendten Sie keine Lösungsmittel wie Alkohol oder Benzin. Diese konnten die Oberfläche angreifen.
Reinigen des Thermodrukkopfs
Reinigen Sie den Thermodruckkopf mit dem mitgelieferten Reinigungssatz für den Thermodruckkopf, sobald weiß Streifen auf dem Ausdruck erschienen.
1 Setzen Sie den Reinigungssatz (Farbbandhalter mit Reinigungsband) fest in das Farbbandfach des Druckers ein, und drücken Sie den Reinigungssatz an, bis er mit einem Klicken einrastet.
Die folgende Meldung erscheint.

2 Drucken Sie die Taste EXEC.
Der Drucker beginnt mit der Reinigung des Thermokopfes.
Während des Reinigungsvorgangs blinkt "Q1" links unten auf dem Monitor.
Nachdem der Reinigungsvorgang beendet ist, leuchtet "Q1" wieder stetig.
Wenn die Markierung END entscheidt
Die Markierung END befindet sich am Ende des Bandes. Wenn diese Markierung erscheint, spulen Sie das Band an den Anfang zurück. Danach können Sie es weiter benutzen.
So bewahren Sie den Reinigungssatz auf
Bewahren Sie einen teilweise verbrauchten Reinigungssatz in der
Originalverpackung auf, so daß er vor Staub geschützt ist.
Hinweis
Die Oberfläche des Thermokopfes wird beim Reinigen abgeschlaffen. Dies führt zu einer verstärkten Abnutzung des Thermokopfes. Daher sollen den Sie den Thermokopf nicht zu halten reinigen. Achten Sie darauf, das Farbband und das Papier vor Staub und Fingerabdrücken zu schützen.
Wenn sich das Problem durch Reinigen des Thermokopfes nicht beheben laßt, wenden Sie sichitte an ihren Sony-Handler.
Reinigen Sie den Filter
Es empfieht sich, den Filter alle drei Monate zu reinigen.
1 Nehmen Sie die Luftungsabdeckung vom Drucker ab, und entfern den sie dann den Filter von der Luftungsabdeckung.

2 Reinigen Sie den Filter mit einem Staubsauger oder ähnlichem.
Hinweise
- Achten Sie darauf, daß der Filter nicht in den Staubsauger eingezogen wird.
- Reiben Sie nicht zu fest über das Netz des Filters.
3 Setzen Sie die Luftungsabdeckung und den Filter wieder zusammen, und bringen Sie die beiden Teile wieder wie zuvor an der Seite des Druckers an.

Zum Drucken benötigen Sie Druckpapier und eine Farbbandkassette. Verwenden Sie das Farbband zusammen mit dem in derselben Packung gelieferten Papier.
Farb-Drucksatz UPC-510
Enthalt Farbbandkassette und Druckpapier.
Farbbandkassette fur Farbdrucke (1 Rolle)
200 Blatt im Format A5
Farb-Drucksatz mit selbstbeschichtendem Papier UPC-540
Enthält eine Farbbandkassette und sebstbeschichtendes Papier.
Farbbandkassette fur Farbdrucke (1 Rolle)
102 Blatt im Format A5
Hinweise
- Verwenden Sie nur Farbbandkassette und Druckpapier, die speziell für diesen Drucker konzipiert sind. Andernfalls drucht der Drucker möglicherweise nicht ordnungsgemäß, oder es kommt zu Fehlfunktionen.
- Verwenden Sie das Farbband zusammen mit dem in derselben Packung gelieferten Papier. Andernfalls es zu einer Verringerung der Bildqualität bei den Ausdrucken oder sonstigen Problemen kommt. Erkennt der Drucker eine inkompatible Kombination von Farbbandkassette und Papier, erscheint eine Fehlermeldung im Drucker-Display.
- Farbband und Papier können nicht wiederverwendet werden. Tauschen Sie sie gegen neue aus, wenn sie verbraucht sind.
Mit dem Farb-Drucksatz UPC-510 konnen 200 Blatt mit einer Farbbandrolle bedrucht werden. Werfen Sie das Farbband nach dem Aufbrauchen von einem Paket mit 100 Blatt Papier nicht weg. Sie konnen das Farbband auch für das zweite Papierpaket verwenden.
Betriebsspannung
UP-51MDP:220-240V
Wechselstrom, 50 / 60Hz
UP-50/51MDU: 100 - 120 V
Wechselstrom, 50 / 60Hz
UP-51MD: 100 - 120/220 - 240 V
Wechselstrom, 50 / 60Hz
Leistungsaufnahme
UP-51MDP: max. ca. 1,2 A bei
25 °C, 240 V Wechselstrom
UP-50/51MDU: max. ca. 2,8 A bei
25^ 120V Wechselstrom
UP-51MD: max. ca. 2,8 A bei
25^ 120V Wechselstrom
max. ca. 1,2 A bei 25^ , 240 V
Wechselstrom
Betriebstemperatur
5^ C bis 35^ C
Luftfeuchtigkeit bei Betrieb
20% bis 80% (nicht
kondensierend)
Temperatur bei Lagerung und Transport
-20^ bis 60^
Luftfeuchtigkeit bei Lagerung und Transport
20% bis 90% (nicht
kondensierend)
Abmessungen ca. 370 × 125 × 490 ~mm (B/H/T)
Gewicht ca. 14,5kg
Drucksystem Sublimations-Hitzetransfer
Thermokopf 11,6Punkt/mm (2048Punkte)
Gesamtgradation
je 256 Stufen für Gelb, Magenta und Zyan
Druckdauer ca. 20 Sekunden (bei Farbdruck in
hoher Geschwindigkeit)
Farbfernsehsystem
Wahlbar mit NTSC/PAL
Wahlschalter (fur UP-50/
51MD/51MDP)
Im NTSC-Modus: NTSC/EIA
Standards
Im PAL-Modus: PAL B.G.I
Standards
Eingänge
RGB SYNC (analogges RGB-
(Signal): BNC-Anschluß × 4
RGB: 0,7 Vp-p (75-Ohm
Abschlusswiderstand-Schalter
auf ON)
SYNC: 0,3 bis 4 Vp-p
SYNC ON G: automatische
Erkennung
Ausgange
75 Ohm (75-Ohm
Abschlußwiderstand-Schalter auf ON), sync-negativ
SVIDEO (getrennte Luminanz-
(Y) und Chrominanzsignale
(C)): 4polig, Mini-DIN × 1
Y:1 Vp-p
C: Bei NTSC/EIA-Standards:
0,29 Vp-p Farb-Burst-Signal
Bei PAL B.G.I-Standards:
0,3 Vp-p Farb-Burst-Signal
75-Ohm-Abschluß, sync-negativ
VIDEO (NTSC-FBAS-
Videosignal bei NTSC/EIA-
Standards und PAL
Videosignal bei PAL B.G.I-
(Standards): BNC-Anschluß × 1
Abschlußwiderstand-Schalter
auf ON), sync-negative
AC IN (für Stromeingang)
RGB SYNC (analogges RGB-
Signal): BNC-Anschluß × 4
RGB: 0,7 Vp-p (75-Ohm
Abschlußwiderstand-Schalter auf ON)
SYNC: 1 Vp-p
75-Ohm-Abschluß, sync-negativ
SVIDEO (getrennte Luminanz(Y) und Chrominanzsignale
(C)): 4polig, Mini-DIN × 1
Y:1 Vp-p
C: Bei NTSC/EIA-Standards:
0,29 Vp-p Farb-Burst-Signal
Bei PAL B.G.I-Standards: 0,3
Vp-p Farb-Burst-Signal
75 Ohm (75-Ohm
Abschlußwiderstand-Schalter
auf ON), sync-negativ
VIDEO (NTSC-FBAS
Videosignal bei NTSC/EIA
Standards und PAL
Videosignal bei PAL B.G.I-
(Standards): BNC-Anschluß × 1
1 Vp-p, 75-Ohm
Abschlußwiderstand, sync-negativ
Buchsenn die Fernsteuerung
REMOTE 1 :
Spezialminibuchse × 1
Für Fernbedienung RM-5500
(nicht mitgeliefert)
REMOTE 2 (Anschluß für
automatisches Drucken):
Stereominibuchse × 1
Für Fernbedienung RM-91 und
Fußschalter FS-36
REMOTE 3 (Anschluß für
automatisches Drucken):
9 poliger D-SUB-Anschluß × 1
Für Fußschalter FS-30 (nicht
mitgeliefert)
(siehe "Auswahlen des
Betriebsmodus für automatische
Druckfunktionen" auf Seite 388)
RS-232C (Schnittstelle für
Steuerung über Computer):
25poliger D-SUB-Anschluß × 1
Ausgang: 5kOhm bei
Belastung
Normal ± 8V
Eingang: 5 kOhm Belastung
Hoher Pegel 5 bis 15V
Niedriger Pegel -5 bis -15 V
Mitgeliefertes Zubehör
Farb-Drucksatz (1)
Farbbandhalter (1)
Liftungsabdeckung mit Filter (1)
Reinigungssatz fur den
Thermokoph (1)
Papierfach (1)
Papierfachabdeckung (1)
Netzkabel (1)
Garantiekarte (1)
Gebrauchsanweisung (1)
Sonderzubehör
Farb-Drucksatz UPC-510
Farb-Drucksatz mit
selibstbeschichtendem Papier
UPC-540
Spezifikationen für medizinischen Bereich (für
UP-51MD/51MDU/51MDP)
Schutz vor elektrischem Schlag:
Klasse I
Schutz vor dem Eindringen von
Wasser: Normal
Grad der Gerätesicherheit bei
Vorhandensein von brennbarem
anasthetischen Gemisch oder
Sauerstoff:
Nicht geeignet zum Einsatz bei
Vorhandensein von brennbarem
anästhetischem Gemisch oder
Sauerstoff
Betriebsmodus:
Kontinuierlich
Die automatischen Druckfunktionen (REMOTE 2/REMOTE 3)
Wenn Sie die Impulssignale für die Fernsteuerung wie in der Abbildung über den Anschluß
REMOTE 2 oder REMOTE 3 senden, wird der Drucker je nach der Fernsteuerungseinstellung ferngesteuert (siehe Seite 388).
Schalten Sie den Drucker ein, und setzen Sie das
Quellenbild auf dem Monitorbildschirm anzeigen.
Senden Sie das Impulssignal für die Fernsteuerung mit dem unter dargestilten Timing.
Das Timing hängt von der Einstellung der Option
IMMED. CAP im Menu FUNCTION SETUP ab.
Hinweis
Die hier in den Beispielen aufgeführten
Impulsignale für die Fernsteuerung zeigen ein typisches Betriebs-Timing. Das Timing kann von der ausgewählten Speicherseite und dem Drucktyp beeinflübt werden.
CAPTURE-Timing-Impuls für REMOTE 2
Anschluß REMOTE 2 - Stiftbelegung:


Wenn IMMED. CAP. auf OFF gesetzt ist
| Notation | Parameter | MIN | TYP | MAX | Maß einheit | Anmerkungen |
| tRPE | Zeit, innerhalb derer ein Fernsteuerungs-impuls auf Null reduziert sein sollte | 3 | - | 12 | ms | - |
| tRPW | Länge eines Fernsteuerungs-impulses | 100 | - | - | ms | - |
| VRP | Amplitude eines - Fernsteuerungs-impulses | - | 5 | V | Dieser Wert basiert auf TTL-Standards. |
Das Beispiel oben zeigt, daß die Bilder an der siebten und achen Position aufgezeichnet werden. Bilder an anderen Positionen konnten jedoch je nach Druckermodus und Druckereinstellungen aufgezeichnet werden.
Hinweis
Wenn AUTO LIVE im Menu FUNCTION SETUP auf OFF gesetzt ist, wird das Speicherbild auf dem Bildschirm angezeigt, nachdem das Bild gespeichert wurde. Drücken Sie in einem solchen Fall bei jedem Speichern eines Bildes die Taste SOURCE/MEMORY, so daß das Quellenbild auf dem Videomonitor erscheint. Wenn das Speicherbild angezeigt wird, konnen Sie das Bild nicht mit dem korrekten Timing aufzeichnen.

Wenn IMMED. CAP. auf ON gesetzt ist
| Notation | Parameter | MIN | TYP MAX | Maßeinheit | Anmerkungen |
| tRPE | Zeit, innerhalb derer ein Fernsteuerungs-impuls auf Null reduziert sein sollte | 3 | - | 10 ms | - |
| tRPW | Länge eines Fernsteuerungs-impulses | 100 | - | - ms | - |
| VRP | Amplitude eines Fernsteuerungs-impulses | - | - | 5 V | Dieser Wert basiert auf TTL-Standards. |
Hinweis
Dieser Modus ist nur aktiv, wenn das Quellenbild auf dem Monitorbildschirm angezeigt wird. Wenn das Speicherbild zu sehen ist, wird das Bild nicht aufgezeichnet, auch wenn ein Impuls am Drucker eingeht. Achten Sie also daraufuf, daß das Quellenbild angezeigt wird, wenn Sie den Impuls senden.
CAPTURE-Timing-Impuls für REMOTE 3

Eingangsanalogstromkreis

Ausgangsanalogstromkreis
Stiftbelegung
| Stift | Signal | Anmerkungen | |
| 1 | A | (Eingang) | TTL-Pegel |
| 2 | B | (Eingang) | TTL-Pegel |
| 3 | C | (Eingang) | TTL-Pegel |
| 4 | Reserviert | (Eingang) | TTL-Pegel |
| 5 | Aufzeichnen | (Eingang) | TTL-Pegel |
| 6 | MASSE | - | - |
| 7 | VD-Ausgang | (Ausgang) | TTL-Pegel |
| 8 | Licht | (Ausgang) | TTL-Pegel |
| 9 | Belegt | (Ausgang) | TTL-Pegel |
Eingang: Das Signal wird mit niedrigem Pegel länger als 100 ms eingespeist.
VD-AUSGANG: Das VD des momentan ausgewählten Eingangssignal wird ausgegeben.
Licht: Ein Signal mit hohem Pegel wird ausgegeben, wenn der Drucker das Bild in den Speicher staat.
Belegt: Ein Signal mit hohem Pegel wird ausgegeben, wenn der Drucker ein Bild aufzeichnen und drucken kann. Ein Signal mit niedrigem Pegel wird ausgegeben, wenn der Drucker das Bild nicht aufzeichnen kann a), wenn der Drucker nicht drucken kann oder wenn der Drucker weder das Bild aufzeichnen noch drucken kann.
a) Wenn der Drucker das Bild nicht aufzeichnen kann: Wenn das Eingangssignal im Drucker vorhanden ist und der Benutzer das Bild in einen bestimmten Speicher stellen will, dies aber nicht möglich ist, weil das Bild im Speicher gerade gedrucht wird.
Hinweis
Wenn AUTO LIVE im Menu FUNCTION SETUP auf OFF gesetzt ist, wird das Speicherbild auf dem Bildschirm angezeigt, nachdem das Bild gespeichert wurde. Drücken Sie in einem solchen Fall bei jedem Speichern eines Bildes die Taste SOURCE/MEMORY, so daß das Quellenbild auf dem Videomonitor erscheint. Wenn das Speicherbild angezeigt wird, konnen Sie das Bild nicht mit dem korrekten Timing aufzeichnen.
Änderungen, die dem technischen Fortschnitt dienen, bleiben vorbehalten.
Es gibt zwei Arten von Meldungen: Fehlermeldungen und Warnungen. In dieser Abschnitt werden die Meldungen zusammen mit ihren möglichen Ursachen und Abhilfemaßnahmen aufgeführrt. Lesen Sie die Erläuterung zur jeweiligen Meldung durch, und gehen Sie entsprechend vor.
Fehlermeldungen
Wenneine Störung vorliegt, leuchtet die Anzeige ALARM orange auf, und eine Fehlermeldung, die die Störung naher beschreibt, erscheint auf dem Monitor und im Drucker-Display.
Bei den Fehlermeldungen in der folgenden Tabelle stehen "nn" stellvertretend für eine Nummer oder ein Symbol, die bzw. das in der tatsächlichen Meldung angezeigt wird.
| Meldung | Mögliche Ursachen und Abhilfemaßnahmen | |
| Auf dem Videomonitor | Im Drucker-Display | |
| INSERT RIBBON | INSERT RIBBON | Die Farbbandkassette ist nicht eingelegt. → Legen Sie die Farbbandkassette ein (Seite 293). |
| SET PAPER | SET PAPER | · Das Papier ist ausgegangen. → Legen Sie Papier ein (Seite 296). |
| RIBBON REMAIN 100 | RIBBON REMAIN 100 | · Das Papierfach ist nicht installiert. → Bringen Sie das Papierfach an (Seite 296). |
| · Wenn RIBBON REMAIN 0 angezeigt wird, tauschen Sie das Farband aus (Seite 293). | ||
| INSERT RIBBON AND PAPER | INSERT RIBBON | Farbbandkassette und Papier sind nicht eingelegt. |
| SET PAPER | → Legen Sie Farbbandkassette und Papier ein (Seite 293 und 296). | |
| REMOVE PRINTS | REMOVE PRINTS | Auf der Papierfachabdeckung hat sich die maximale Anzahl an Ausdrucken angesammelt. → Nehmen Sie die Ausdrucke von der Papierfachabdeckung herunter. |
| REMOVE PAPER: TRAY | REMOVE PAPER | Das Papier staut sich beim Einzug in den Farbbandbereich um das Papierfach. |
| TRAY | → Nehmen Sie das gestaute Papier hereaus (Seite 415). | |
| CHECK RIBBON | CHECK RIBBON nn | · Das Farbband ist gerissen. → Reparieren Sie das gerissene Farbband (Seite 296). |
| · Eine für diesen Drucker ungeeignete Farbbandkassette ist eingelegt. → Legen Sie eine geeignete Farbbandkassette ein. | ||
| · Das Farbband ist verbraucht. → Tauschen Sie die alte Farbbandkassette gegen eine neue aus (Seite 293). Das Farbband kann nicht wiederverwendet werden. | ||
| PAPER JAMMING | PAPER JAMMING nn | Im Drucker hat sich Papier gestaut. → Sehen Sie nach, wo sich der Papierstau befindet, und entfernen Sie das gestaute Papier aus dem Drucker (Seite 415). |
Fortsetzung
| Meldung | Mögliche Ursachen und Abhilfemaßnahmen | |
| Auf dem Videomonitor | Im Drucker-Display | |
| END OF RIBBON | END OF RIBBON | Das Farbband ist verbraucht. → Tauschen Sie die alte Farbbandkassette gegen eine neue aus (Seite 293). Das Farbband kann nicht wiederverwendet werden. |
| MECHA TROUBLE: HEAD | MECHA TROUBLE nn | Die Farbbandkassette ist nicht richtig eingelegt. → Überprüfen Sie die Farbbandkassette, und legen Sie sie korrekt ein (Seite 293). |
| HEAD | Im Drucker hat sich Papier gestaut. → Sehen Sie nach, wo sich der Papierstau befindet, und entfernen Sie das gestaute Papier aus dem Drucker (Seite 415). | |
| MECHA TROUBLE: TRAY | MECHA TROUBLE nn | Das Papierfach sitzt nicht mehr richtig. → Wenden Sie sich an ihren Sony-Kundendienst oder Sony-Händler, um den Fehlerstatus zu beheben. |
| TRAY | ||
| MECHA TROUBLE: PLATEN | MECHA TROUBLE nn | Im Drucker hat sich Papier gestaut. → Sehen Sie nach, wo sich der Papierstau befindet, und entfernen Sie das gestaute Papier aus dem Drucker (Seite 415). |
| PLATEN | ||
| MECHA TROUBLE: LOAD | MECHA TROUBLE nn | |
| LOAD PAPER | ||
| MECHA TROUBLE: EJECT | MECHA TROUBLE nn | |
| EJECT PAPER | ||
| MECHA TROUBLE: CHUCK | MECHA TROUBLE nn | |
| CHUCK | ||
Warnmeldungen
Bei einer Warnung erscheint nur die Warnmeldung. Die Anzeige ALARM leucht nicht auf.
| Warning | Mögliche Ursachen und Abhilfemaßnahmen | |
| Auf dem Videomonitor | Im Drucker-Display | |
| HIT ANY KEY | HIT ANY KEY | These Meldung erscheint, wenn die Fernbedienung im Modus CAP-STOP (CAPTURE STOP) benutzt wird und der Drucker keine weiteren Bilder mehr speichert, weil alle Speicherseiten voll sind (bis zur letzten Position in der letzten Speicherseite). → Drücken Sie eine beliebige Taste. Danach wird der Druckbetrieb aktiviert. |
| INPUT MISMATCH | INPUT MISMATCH | · Das Farbfernsehsystem des Signals, das vom Videogerät (Videorecorder, Videokamera usw.) eingespeist wird, ist nicht kompatibel mit dem Fernsehsystem des Druckers. → Überprüfen Sie das Fernsehsystem des Signals, und speisen Sie das korrekte Signal ein. · Das eingespeiste Signal ist kein Videosignal, sondern ein Audiosignal o. ä. → Speisen Sie das korrekte Videosignal ein. |
| NO INPUT | NO INPUT | Am Drucker gehen kein Eingangssignal von einem Gerät ein, das dem im Menu INPUT SETUP ausgewählten Eingang entsprechen wurde. → Überprüfen Sie das im Menu INPUT SETUP ausgewählte Eingangssignal (Seite 298). → Überprüfen Sie, ob das Videogerät das Videosignal im Wiedergabemodus ausgibt. → Überprüfen Sie die Verbindungen zwischen der Videoquelle und dem Drucker (Seite 358). |
| NO IMAGE | NO IMAGE | Das Bild wurde nicht in den Speicher gestellt. → Stellen Sie das Bild in den Speicher, und starten Sie dann den Druckvorgang (Seite 303). |
| PLEASE WAIT | PLEASE WAIT | Das in der ausgewählten Speicherseite aufgezeichnete Bild wird gedruckt oder befindet sich in der Warteschlange. |
| PRINTING MEMORY | PRINTING MEMORY | → Warten Sie, bis der Drucker den Druckvorgang beendet hat, und versuchen Sie es dann erneut. |
| PLEASE WAIT | PLEASE WAIT | Der Thermokopf ist überhitzt. |
| HEAD IN COOLING | HEAD IN COOLING | → Warten Sie ab, bis sich der Thermokopf abgekühlt hat und diese Meldung ausgeblendent wird. Der Drucker beginnnt automatisch zu drucken. |
| PLEASE WAIT | PLEASE WAIT | Der Thermokopf wird gerade aufgewärmt. |
| HEAD IN HEATING | HEAD IN HEATING | → Warten Sie, bis diese Meldung ausgeblendent wird. Der Drucker beginnnt automatisch zu drucken. |
| PLEASE WAIT | PLEASE WAIT | Der Drucker druckt und laßt keine andere Operation zu. |
| NOW PRINTING | NOW PRINTING | → Warten Sie, bis der Drucker den Druckvorgang beendet hat, und versuchen Sie es dann erneut. |
Beheben von Papierstaus
Wenn sich das Papier nach dem Drücken der Taste PRINT staut, erscheint eine entsprechende Meldung auf dem Monitor und im Drucker-Display. Entfern den Sie wie im folgenden beschreiben das gestaute Papier.
1 Öffnen Sie die Klappe vorne.

Fortsetzung
2 Nehmen Sie die Papierfachabdeckung ab.
Hat der Drucker Ausdrucke auf die Papierfachabdeckung ausgegeben,nehmen Sie sie herunter,behvor Sie die Papierfachabdeckung entfernen.

3 Sehen Sie nach, ob im Drucker Papier gestaut ist. Wenn Sie ein gestautes Papier sehen,ziehen Sie es langsam in Richtung auf das Papierfach aus dem Drucker hereby.

Hinweis
Versuchen Sie nicht, ein gestautes Blatt nach unten, oben, halten oder vorne Herauszuziehen. Andernfalls kann sich das Blatt noch mehr verfangen oder reiben.
4 Nehmen Sie das Papierfach hersus.

5 Legen Sie das Papier korrekt ins Papierfach ein.
- Verwenden Sie das in Schritt 3 entfernte Papier nicht nochmals, sondern werfen Sie es weg.
- Verwenden Sie nur das in dieser Anleitung empfohlene Druckpapier.

6 Setzen Sie das abgenommene Papierfach und die Papierfachabdeckung wieder in den Drucker ein, und schreiben Sie die Abdeckung vorne.
Anhand der folgenden Checkliste zur Störungsbehebung konnen Sie die meisten Probleme, die möglicherweise an Ihr dem Drucker auftauchen, selbst beheben. Sehen Sie jedoch zunachst nach, ob das Netzkabel fest angeschlossen ist. Sollte sich ein Problem nicht beheben让他们, lose den Sie das Gerät vom Netzstrom, und wenden Sie sich an ihren Sony-Handler oder ihren Sony-Vertragskundendienst.
| Symptom | Mögliche Ursachen und Abhilfemaßnahmen |
| Auf dem Videomonitor erscheint nichts, auch wenn Sie einige Funktionstasten drucken. | • Der Netzschalter POWER des Druckers steht nicht auf ON. → Stellen Sie den Netzschalter POWER am Drucker auf ON. • Der Netzschalter POWER des Videomonitors steht nicht auf ON. → Stellen Sie den Netzschalter POWER am Monitor auf ON. • Die Anschlüsse sind möglicherweise nicht korrekt. → Überprüfen und körrigieren Sie gegebenenfalls die Anschlüsse (siehe Seite 359). |
| Keine Meldung erscheint auf der normalen Anzeige. | Ein falsches Signal wird eingespeist. → Wahlen Sie mit der Taste INPUT SELECT ein anderes Eingangssignal (siehe Seite 298). Oder schalten Sie das angeschlossene Videogerät in den Wiedergabemodus, wenn es sich momentan in einem anderen Modus, z. B. im Stopmodus, befindet. → Überprüfen Sie in dieser Fall zuerst den Videomonitor, indem Sie mit der Taste SOURCE/MEMORY das Speicherbild anzeigen halten. Wenn ein Bild angezeigt wird, funktioniert der Monitor ordnungsgemäß. |
| Keine Meldung und kein Bild erschehen auf der normalen Anzeige. | • Wenn Sie die Taste SOURCE/MEMORY drucken und ein Speicherbild angezeigt wird, ist die Option SOURCE im Menu OUTPUT SETUP auf THRU gesetzt. → Setzen Sie die Einstellung für SOURCE auf EE (Seite 368). • Wenn das Menu mit der Taste MENU aufgerufen wird, wird die Option DISPLAY am Videomonitor auf OFF gesetzt. → Setzen Sie die Option DISPLAY auf ON, indem Sie die Taste DISPLAY drucken (Seite 352). |
| Keine Meldung erscheint im Drucker-Display. | • Der Kontrast im Drucker-Display ist nicht richtig eingestellt. → Stellen Sie über die Option LCD. CNTR. im Menu SYSTEM OUTPUT die Helligkeit im Drucker-Display ein (Seite 394). • Der Kontrast im Drucker-Display ist auf OFF eingestellt. → Stellen Sie über die Option LCD. CNTR. im Menu SYSTEM OUTPUT die Helligkeit im Drucker-Display ein (Seite 394). |
| Der Drucker druckt nicht. | • Eine Fehlermeldung erscheint im Display. → Führten Sie die unter "Fehler-/Warnmeldungen" auf Seite 413 beschriebenen Schritte aus. • Sie haben Papier eingelegt, das mit diesen Drucker nicht verwendet werden kann. → Legen Sie geeignetes Papier ein. Verwenden Sie nur Farbband und Druckpapier speziell für diesen Drucker (Seite 408). • Das Papier ist nicht korrekt eingelegt. → Überprüfen Sie, welche Seite des Papiers die zu bedruckende Seite ist, und legen Sie dann das Papier erneut ein (Seite 296). |
| Ein schwarzer Streifen erscheint auf dem Ausdruck. | Bereiche, für die kein Signal vorhanden ist, werden schwarz gedruckt. → Verschieben Sie den Druckbereich. Zeichnen Sie ein neues Bild auf, und drucken Sie es (siehe Seite 380). |
| Der Drucker erzeugt einen Ausdruck mit einem schwarzen Rand. | Bereiche, für die kein Signal vorhanden ist, werden schwarz gedruckt. → Verringern Sie die Breite des Ausdrucks. Zeichnen Sie ein neues Bild auf, und drucken Sie es (siehe Seite 380). |
| Das gedruckte Bild ist teilweise abgeschritten. | Nur ein Teil des Videosignals wurde gespeichert. → Verbreitern Sie den Ausdruck (siehe Seite 380). Zeichnen Sie ein neues Bild auf, und drucken Sie es. |
| Der Ausdruck ist unscharf. | Ein Bild mit einer Schnellen Bewegung wurde gespeichert. → Setzen Sie den Speichermodus mit der Taste MEMORY FRM/FLD auf FIELD, und drucken Sie das Bild (Seite 317). |
| Die Farben auf dem Ausdruck sind sehr blaß. | Das Papier ist nicht korrekt eingelegt. → Überprüfen Sie, welche Seite des Papiers die zu bedruckende Seite ist, und legen Sie dann das Papier erneut ein (siehe Seite 296). |
Fortsetzung
| Symptom | Mögliche Ursachen und Abhilfemaßnahmen |
| Die Farbbandkassetteläßt sich nicht einlagen. | Eine für diesen Drucker ungeeignete Farbbandkassette wird verwendet.→ Legen Sie eine geeignete Farbbandkassette ein (Seite 293). |
| Die Anzeige auf demVideomonitor ist zu hell,und der Kontrast in hellenBereichen ist zu schwach. | Der 75-Ohm-Abschlübbwiderstand-Schalter steht in der falschen Position.→ Stellen Sie den 75-Ohm-Abschlübbwiderstand-Schalter in die richtige Position (Seite 358). |
| Der Videomonitor istdunkel. |
NaheresfindenSieaufdeninKlammernangegebeneSeiten.
Hauptbedienfeld

1 Netzschalter ① POWER
Zum Ein- und Ausschalten des Druckers.
2 Drucker-Display
Zeigt die Meldungen an, die auch am unteren Rand des Monitorbildschirms erscheinen.
Zeigt außerdem die Zeile im Menübildschirm an, auf der sich der Cursor befindet. Wenn ein Fehler auftritt, wird eine entsprechende Fehlermeldung angezeigt.
Den Kontrast des Drucker-Displays konnen Sie über das Menu SYSTEM SETUP
einstellen. Die Anzeigen im Drucker-Display können Sie auch über das Menu SYSTEM SETUP ausblenden.
3 Fernbedienungssensor
Richten Sie die Stirnseite der Fernbedienung auf diesen Sensor.
4 Taste MEMORY PAGE (310, 323, 351)
Wahlen Sie mit dieser Taste die Speicherseite.
5 Taste SOURCE/MEMORY (328, 351, 362, 382)
Mit dieser Taste wahren Sie das Signal, das an den Bildschirm ausgegeben wird.
Das Speicherbild und das Quellenbild werden gewechselt, wenn Sie diese Taste drücken.
6 Taste CAPTURE (302, 310, 328, 335, 336, 384)
Stellen Sie mit dieser Taste ein Bild in eine Speicherverte.
7 Taste PRINT (303, 310, 335, 337, 347)
Zum Erzeugen eines Ausdrucks.
8 Papierausgabefach
Hier wird der Ausdruck ausgegeben.
9 Anzeige PRINT
Leuchtet während des Druckvorgangs.
10 Anzeige ALARM (413)
Leuchtet orange, wenn das Farbband oder das Druckpapier aufgebraucht ist, ein Papierstau vorliegt oder ein anderes Problem auftritt.
Vordere Abdeckung
Ziehen Sie zum Öffnen der vorderen Abdeckung den oberen Teil der Abdeckung auf sich zu.
Wenn die vordere Abdeckung geöffnet ist, sind die darunterliegenden Tasten des Bedienfeldesinnen, die Farbbandkassette, das Papierfach und die Papierfachabdeckung zu sehen.
Fortsetzung

Bei geöffneter vorderer Abdeckung
A Taste EJECT (294) Zum Auswerfenden Farbbandkassette.
B Farbbandkassette (293, 355)
Legen Sie die Farbbandkassette ein.
C Papierfachabdeckung (355) Hier werden die Ausdrucke ausgegeben.
D Papierfach (297, 355)
Legen Sie das Papier in diesen Fach ein.
E Tastenauf dem Bedienfeld innen Erläuterungen dazufinden Sie unter "Bedienfeld innen".
Bedienfeldinnen

1 Taste MENU
Mit dieser Taste konnen Sie die Menüs im Drucker-Display und auf dem Bildschirm aufrufen und wieder ausblenden.
Mit dieser Taste rufen Sie eine gespeicherte Benutzerdefinition ab. Wenn Sie diese Tastes drücken, wird die momentan ausgewählte Benutzerdefinition etwa drei Sekunden lang angezeigt. Wenn Sie eine andere Benutzerdefinition abrufen wollen, setzen Sie die Taste los, während die Nummer der gewünschten Benutzerdefinition angezeigt wird. Mit jedem Tastendruck auf diese Tastes wechseln die Benutzerdefinitionen in der Reihenfolge 1, 2, 3.
3 Taste MULTI PICTURE (320, 336)
Wahlen Sie mit dieser Taste den gewünschten Typ an Ausdrucken auf der normalen Anzeige aus. Wenn Sie diese Taste drücken, wird der momentan ausgewählte Ausdrucktyp etwa drei Sekunden lang angezeigt. Mit jedem Tastendruck auf diese Taste wechselt der Ausdrucktyp in der Reihenfolge 1, 2, 4, 8, 16, 1.... Die Einstellung von MULTIPIX im Menu LAYOUT SETUP wechselt, wenn Sie diese Taste drucken.
4 Taste PRINT QTY (Druckmenge) (307)
Stellen Sie mit dieser Taste die Anzahl der Exemplare auf der normalen Anzeige ein. Sie können eine Zahl bis 9 eingeben. Wenn Sie diese Taste drücken, wird die momentan
ausgewählte Anzahl etwa drei Sekunden lang angezeigt. Die Einstellung von PRT QTY im Menu PRINTER SETUP wechselt, wenn Sie diese Taste drücken. Sie können die Anzahl der Exemplare auch während des Druckvorgangs ändern.
5 Taste RIBBON REMAIN (304, 353)
Lassen Sie mit dieser Taste auf der normalen Anzeige den Typ und die Anzahl der Ausdrucke anzeigen, die noch angefertigt werden können. Wenn Sie die Angaben ausblenden wollen, drücken Sie diese Taste erneut. Die Einstellung von RBN REMAIN im Menu OUTPUT SETUP wechselt, wenn Sie diese Taste drucken.
6 Taste INPUT SELECT (298)
Wahlen Sie mit dieser Taste das
Eingangssignal auf der normalen Anzeige aus.
Wenn Sie diese Taste drücken, wird das
momentan ausgewählte Eingangssignal etwa
drei Sekunden lang angezeigt. Zum
Auswahlen des Eingangssignals setzen Sie die
Taste los, während das gewünschte
Eingangssignal angezeigt wird. Mit jedem
Tastendruck auf diese Taste wechselt das
Eingangssignal in der Reihenfolge VIDEO,
RGB, S-VIDEO, RGB...
7 Taste MEMORY FRM/FLD (302, 317)
Wahlen Sie mit dieser Taste den Speichermodus auf der normalen Anzeige aus. Wenn Sie diese Tastes drucken, wird der momentan ausgewählte Speichermodus etwa drei Sekunden lang angezeigt. Zum Auswahlen des Speichermodus setzen Sie die Tastes los, während der gewünschte Speichermodus angezeigt wird. Mit jedem Tastendruck auf diese Tastes wechselt der Speichermodus in der Reihenfolge FRAME, FIELD, FRAME.
Wenn Sie ein aufgezeichnetes Bild, das nicht ganz scharf ist, ausdrucken wollen, setzen Sie den Speichermodus mit dieser Taste auf FIELD, um die Unsächfe zu reduzieren, und erzeugen dann den Ausdruck.
8 Taste MOTION CHECK (330, 331)
Mit dieser Taste wahlen Sie auf der normalen Anzeige den Modus aus, mit dem Sie überprüfen können, ob die Speicherbilder verschwommen sind, wenn Sie zwei oder vier verkleinerte Bilder aufzeichnen. Mit jedem
Tastendruck auf diese Taste wechselt der Modus in der Reihenfolge ON, OFF, ON.... Die Einstellung von MOTION CHK im Menu PRINTER SETUP wechselt, wenn Sie diese Taste drucken.
9 Taste CAPTION INPUT (340)
Mit dieser Taste können Sie das Menu CAPTION auf der normalen Anzeige ein-oder ausblenden.
10 Taste CAPTION ON/OFF (347)
Zum Festlegen, ob der Ausdruck mit einem Untertitel versehen werden soll. Zum Erstellen eines Ausdrucks mit einem Untertitel setzen Sie mit dieser Tasse ON anzeigen. Zum Erstellen eines Ausdrucks ohne Untertitel setzen Sie mit dieser Tasse OFF anzeigen.
11 Taste CLEAR (350, 351)
Mit dieser Tastelöschen Sie die Bilder in den Speicherseiten. Welche Bilder mit der Taste CLEAR gelöscht werden können, hangt von der Einstellung im Menu FUNCTION SETUP ab.
Wenn die Löschfungtion dieser Taste auf OFF gesetzt wurde, ertont der Signalton, wenn Sie die Taste CLEAR drücken.
12 Taste EXEC (341, 375, 381, 385, 401, 402, 403)
Wenn Sie diese Tastes drucken, werden die im Menu COLOR ADJUST eingestelltten Werte ausgeführct, oder im Menu PRINTER SETUP wird eine Benutzerdefinition abgerufen, oder im Menu SYSTEM SETUP wird eine Benutzerdefinition gespeichert. Außer dem konnen Sie mit dieser Taste im Menu CAPTION die Zeichen für einen Untertitel eingeben.
13 Cursortasten
Zum Auswahlen der gewünschten Option aus dem Menu.
Mit diesen Tasten bewegen Sie außer dem Cursor (grüner Zeiger) auf der normalen Anzeige, wenn Sie mehrere verkleinerte Bilder aufzeichnen.
14 Taste INPUT SETUP (300, 363)
Mit dieser Tastes rufen Sie das Menu INPUT SETUP auf der normalen Anzeige auf.
15 Taste DISPLAY (304, 352, 384)
Wenn die normale Anzeige erscheint und Sie\ diese Tastes drücken, wird die\ Bildschirmanzeige (Q1, A usw) unabhängig\ von der Einstellung der Option DISPLAY im\ Menu OUTPUT SETUP ein- und\ ausgeblendet. Die Einstellung von DISPLAY\ im Menu OUTPUT SETUP wechselt, wenn\ Sie diese Tastes drucken.\ Wenn das Menu angezeigt wird und Sie diese\ Taste drücken, wird das Menu vorübergehend\ ausgeblendet. Das Menu bleibt so lange\ ausgeblendet, wie Sie diese Tastes gedrück\ halten.
16 Taste R/G/B/D/L (370)
Mit dieser Tastes können Sie das Menu COLOR ADJUST auf der normalen Anzeige ein- oder ausblenden.
17 Taste LOADCOLOR (371)
Mit dieser Taste rufen Sie die eingestellten Werte für die Farben des Ausdrucks ab (Farbintensität und Farbkontrast). Wenn Sie diese Taste drücken, wird die momentan ausgewählte LOAD COLOR-Nummer etwa drei Sekunden lang angezeigt. Drei verschiedene LOAD COLOR-Nummern stehen für die momentan ausgewählte Benutzerdefinition zur Verfügung. Zum Auswahlen der gewünschten LOAD COLOR-Nummer setzen Sie die Taste los, während die gewünschte LOAD COLOR-Nummer angezeigt wird.
Die im Menu COLOR ADJUST ausgewählte LOAD COLOR-Nummer wechselt, wenn Sie diese Taste drucken.
Rückseite

1 Eingänge INPUT (Eingangssignal) (358)
Zum Anschlieben des Videogeräts, das das Quellenbild einspeist.
| Anschluß | Anschließbares Gerät |
| S-VIDEO | Videogerät mit getrenntem Y/C-Signalausgang |
| VIDEO | Videogerät mit FBAS-Videosignalausgang |
RGB SYNC Videogerät mit RGB/SYNC-Ausgangen
2 75-Ohm-Abschlusswiderstandschalter (ON/OFF) (358)
Für den RGB-Eingang.
Normalerweise sollen den Sie diesen Schalter auf ON stellen. Wenn jeder das Eingangssignal beim Anschlieben eines zusätzlichen Geräts abfällt, sollen Sieihn auf OFF.
75-Ohm-Abschlusswiderstandschalter (ON/OFF) (358)
Für das NTSC-FBAS-Video signal im NTSC-Modus und das PAL-FBAS-Video signal im PAL-Modus.
Normalerweise sollen den Sie diesen Schalter auf ON stellen. Wenn jeder das Eingangssignal beim Anschlieben eines zusätzlichen Geräts abfällt, sollen Sieihn auf OFF.
4 Gleichpotentialanschluß
Zum Anschlieben des Gleichpotentialsteckers, um die Spannung der verschiedene Systemkomponenten anzugleichen.
Siehe auch "Wichtige Sicherheitschinweise für den Gebrauch in medizinischen Umgebungen (für UP-51MD/51MDU/51MDP)" auf Seite 286.
5 Wahlschalter NTSC/PAL (NTSC/PAL TV) (358, 359) (für alle Modelle außer UP-51MDU)
Stellen Sie diesen Wahlschalter je nach dem Farbfernsehsystem des Eingangssignals ein. Wenn Sie diese Einstellung ändern, schalten Sie den Drucker aus und dann wieder ein.
| Position des Wahlschalters | Funktion |
| NTSC | Ein NTSC-Videoerät ist angeschlossen. |
| PAL | Ein PAL-Videoerät ist angeschlossen. |
6 Anschluß REMOTE 1
(Spezialminibuchse) (360)
Zum Anschließlich der Fernbedienung RM-5500 (nicht mitgeliefert) als Kabelfernbedienung.
7 Anschluß REMOTE 2 (Stereominibuchse) (360)
Zum Anschließlich der Fernbedienung RM-91 (nicht mitgeliefert) oder des Fußschalters FS-36.
8 Anschluß REMOTE 3 (D-SUB, 9polig) (360)
Zum Anschlossen des Fußschalters FS-30. Sie können hier auch Fernsteuerungs-Impulssignale für automatische Druckfunktionen einspeisen.
RS-232C-Anschluß (360)
Zum Anschlieben eines Computers, mit dem Sie den Drucker steuern konnen. Nahere Informationen dazu erhalten Sie bei Ihr dem Sony-Handler.
10 Netzeingang AC IN
Zum Anschreiben des Druckers an eine Netzsteckdose über das mitgelieferte Netzkabel.
11 Anschlüsse OUTPUT (359)
Zum Anschließlich des Videomonitors.
Siehe auch "Wichtige Sicherheitshinweise für den Gebrauch in medizinischen Umgebungen (für UP-51MD/51MDU/51MDP)" auf Seite 286.
| Anschluß | Anschließbares Gerät |
| S-VIDEO | Videomonitor mit getrenntem Y/C-Signaleingang |
| VIDEO | Videomonitor mit FBAS-Videosignaleingang |
| RGB SYNC | Videomonitor mit RGB/SYNC-Eingängen |
Vergleich der Anzeige im Drucker-Display mit der auf dem Videomonitor
Sie konnen beim Bedieren des Druckers auf die Anzeige im Drucker-Display oder auf dem Videomonitor zurückgreifen. Die Anzeige im Drucker-Display ist schmaler und enthalt nur eine begrenzte Anzahl von Zeichen. Arbeiten Sie mit der von Ihnen bevorzugten Anzeige.
Normale Anzeige


Monitoranzeigen
Es gibt zwei Arten von Anzeigen: die normale Anzeige und die Menüanzeige. Die zwei Anzeigearten werden anhand der Anzeige auf dem Monitorbildschirm erlautert.
Normale Anzeige
Wenn Sie den Drucker einschalten, erscheint zunachst die normale Anzeige.

1 Untertitelanzeigebereich C
C wird weiß angezeigt, wenn der Drucker so eingestellt ist, daß ein Untertitel gedruckt wird.
2 Meldungsanzeigebereich
Hier werden Meldungen angezeigt.
3 Anzeigebereich für Farbbandtyp und restliches Farbband
Zeigt, sofern die Funktion zum Anzeigen des restlichen Farbbandes auf ON steht, den Farbbandtyp und das restliche Farband an, d. h. die Anzahl der Ausdrucke, die mit dem Farband noch erstellt werden konnen.
4 Anzeigebereich S oder M (Bildtyp)
Damit wird der Typ des auf dem Monitorbildschirm angezeigten Bildes angegeben.
S (Source - Quelle): Das Bild von der Eingangssignalquelle wird auf dem Bildschirm angezeigt.
M (Memory - Speicher): Das Bild im Speicher wird auf dem Monitor angezeigt.
5 Anzeigebereich für Druckerbetriebsmodus
Hier wird der Druckerbetriebsmodus (STANDARD oder DUPLICATE) bzw. der Ausdrucktyp (z. B. mehrere verkleinerte Bilder) angezeigt.
Beispiel:
1: Gibt an, daß ein Bild in voller Höhe und der Modus STANDARD ausgewählt sind.
4: Gibt an, daß vier verkleinerte Bilder und der Modus STANDARD ausgewählts sind.
16F: Gibt an, daß 16 verkleinerte Bilder mit weißen Rändern und der Modus STANDARD ausgewählt sind. Wenn die Option SEPARATE (Bild mit weißen Rändern) im Menu LAYOUT SETUP auf ON gesetzt ist, wird F angeführct.
DUP1: Gibt an, daß ein Bild in voller Höhe und der Modus Duplicated ausgewählt sind.
DUP4: Gibt an, daß vier verkleinerte Bilder und der Modus Duplicated ausgewählt sind.

a: Gibt den Ausdrucktyp an.
b: Gibt die Position an, an der sich der Cursor gerade befindet und an der ein Bild aufgezeichnet wird.
6 Anzeigebereich für Speicherseite
Gibt die ausgewählte Speicherseite an.
Während das Bild in der Speicherseite ausgedruckt wird, blinkt die Anzeige der Speicherseite. Die Nummer der Speicherseite, deren Bild sich in der Druckerwarteschlange befindet, blinkt weiß.
7 Anzeige Q (Druckmenge)
Gibt die Anzahl der zu druckenden Exemplare an. Diese Option blinkt, während der Druckvorgang lauft.
8 Anzeigebereich für Druckereinstellstatus
Der entsprechende gerade ausgewählte Status wird angezeigt, wenn eine der Tasten LOAD USER, LOAD COLOR,MULTI PICTURE, PRINT QTY,INPUT SELECT,MEMORY FRM/FLD,DISPLAY,RIBBON REMAIN oder CAPTION ON/OFF gedrückt wird.

A
Ändern der Gröbe des Ausdrucks/ des Druckbereichs 378
Anschlüsse
zum Anzeigen der zu druckenden Bilder auf dem Videomonitor 359
zumFernsteuerndes Druckers 360
zum Speichern von Videobildern 358
Anzeige
Farbbandtyp und restliches Farbband 353
Löschen der Bildschirmanzeige 357
Monitoranzeigen 424
Aufstellort -
Sicherheitsmaßnahmen 405
Aufstellung -
Sicherheitsmaßnahmen 404
Ausdrucke
Hinweise zumLagern 404
mit einem schwarzen Streifen 380
mit schwarzem Rahmen 380
teilweise abgeschritten 380
Ausdrucke in voller Große
einstellen 320
erstellen 301
AusdruckerverschiedenenTyps 291,312
Ausdruckfarben
Bildschärfe 373
Farbintensitat 372
Interpolation fur die Bilddaten 374
Kontrast 373
LOAD COLOR-Nummer 370
Ausdruckgroße 380
Ausdruckqualität
Einstellen der Bildschärfe 373
Einstellen der Farben des Ausdrucks 370
Eliminieren von Unschäften 302
Kompensieren der Engangssignale
Ausgangssignal des Druckers 367
Auswahlen des Eingangssignals 298
Automatische Druckfunktionen Betriebsmodus auswahlen 38
Impulssignal 410
B
Baud-Rate fur Kommunikation mit dem Computer 397
Baumdiagramm der Menübildschirme 425
Benutzerdefinition abrufen 305,402
Drucken mit bestimmter Benutzerdefinition 305
speichern 400
Beschichtungstyp auswahlen 398
Farb-Drucksatz mit selbstbeschichtendem Papier 408
Bildschärfe 373
Bildschirmanzeige ausblenden 352
vorübergehend ausblenden 353
C
COLOR ADJUST, Menu 370
Auswahlen der Speicherseite 323
Auswahlen des Ausdrucktypes 319
Drucker druckt nicht 303
einesBildesinvolverGröbe 301
einesBildesmiteingeufigtemBild 336
eines Spiegelbildes 337
Eliminieren von Unschäften 302
Fernsteuern des Druckers 357
Gespeichertes Bild ist verschwommen 302
mit hoher Geschwindigkeit 303
Papier gezehmt beim Drucken aus 309
Schlechte Bildqualität der Ausdrucke 304
Schwarzer Streifen erscheint auf Ausdruck 304
Speichern Weiterer Bilder
während des Druckens 310
von Bildern mit Untertitel 347
von Bildern mit weißem Rand 333
von identischen verkleinerten Bildern 334
von entsprechenden verkleinerten Bildern 319
Druckmenge einstellen 307
Drucksatz 408
E
Eingeben eines Untertitels
Einfugen von Zeichen zwischen anderen 344
Eingeben von Leerzeichen 344
Ersetzen eines zuvor
eingegebenen Zeichens 344
Korrigieren eines falschen Zeichens 343
Untertitel eingeben 341
Einlagen einer Farbbandkassette 293
Einlagen von Papier 296
Einstellen
Bildschärfe auf dem Ausdruck 373
Druckbereich 380
Farbbalance 382
Farben auf dem Ausdruck 370
Farben des Ausgangssignals am Drucker 356
Farben des Eingangssignals 367
Farbton auf dem Ausdruck 376
Gröbe des Ausdrucks 380
Helligkeit des Drucker-Displays 394
Interpolation 374
Pegel des Eingangssignals 365
Eliminieren von Unschäften 302
F
Farb-Drucksatz 408
Farbband und Papier 408
Farbbandkassette einlegen 293
herausnehmen 293
Hinweise zumLagern 296
wenn Farbband reiBt 296
Fehlermeldungen 413
Fernbedienungen (nicht mitgeliefert)
Fernbedienung 357, 360, 388
Fußschalter 357, 360, 388
Feuchtgkeitskondensation - Sicherheitsmaßnahmen 405
FUNCTION SETUP, Menu 326, 348, 388, 389
Fußschalter 357, 360, 388
Impulssignale 411
K
Konfigurieren des Druckers über das Menu
Ändern der Grübe des Ausdrucks/ des Druckbereichs 378
Anzeigen des Farbbandtypus und des restlichen Farbbands 353
Ausblenden der Bildschirmanzeige 352
Auswahlen des Betriebsmodus für automatische Druckfunktionen 388
Ein-/Ausschalten des Betriebs- und Fehlersignals 396
Einstellen der Baud-Rate zur Kommunikation mit dem Computer 397
Einstellen der Bildschärfe 373
Einstellen der Farbe auf den Ausdrucken 370
Einstellen der Helligkeit des Drucker-Displays 394
Einstellen des Beschichtungstyps 398
Kompensieren der Eingangssignale 362
L
Lage und Funktion der Teile und Bedienelemente
Bedienfeld innen 420
Hauptbedienfeld 419
Monitoranzeige 424
Rückseite 422
LOAD COLOR-Nummer abrufen 375
speichern 375
Löschen von Bildern aus den Speicherseiten
Einstellen der Funktion der Taste CLEAR zum Löschen von Bildern 348
Löschen aller gespeicherten Bilder 350
Löschen von Bildern auf einer bestimmten Speicherseite 351
M
Menu
USER NAME, Eingabemenü 400
WINDOW SETUP, Menu 380
Mitgeliefertes Zubehör
Auflistung 355
Montage 356
Monitoranzeige 424
Montage 356
P
Papier
einlagen 296
Entfernen von Papierstaus 415
Farbband und Papier 408
Hinweise zumLagern 297
Papierstaus 415
PRINTER SETUP, Menu 307, 314, 325, 332, 333
R
Reinigen
Filter 407
Gehäuse 406
Thermokopf 406
s
Sicherheitsmaßnahmen
Aufstellung 404
Feuchtigkeitskondensation 405
Reinigung 406
Sicherheit 404
Thermokopf 405
Transport 405
Speicherseite
Auswahlen der Speicherseite 323
verfügbare Speicherheiten 322
Spiegelbid 337
Störungsbehebung 417
SYSTEM SETUP, Menu 315, 365, 394, 395, 396, 400
Systemkonfiguration 292
Systemübersicht 291
T
Technische Daten 409
Thermokopf
reinigen 406
sichern 405
Sicherung löseng 405
U
Unschärfen
auf dem Ausdruck eliminieren 302
auf dem Speicherbild überprüfen 380
Untertitel
Ausdruck mit Untertitel erstellen 347
einguben 341
Menu CAPTION 339
V
Verwendend der automatischen
Druckfunktionen 388
W
Warnmeldungen 414
Z
Zubehör (mitgeliefert) 355
EinfachAnleitung