Vega BX80E HBXE800400 - Vytápění HARVIA - Bezplatný návod k obsluze
Najděte návod k zařízení zdarma Vega BX80E HBXE800400 HARVIA ve formátu PDF.
Dotazy uživatelů ohledně Vega BX80E HBXE800400 HARVIA
0 otázka o tomto zařízení. Odpovězte na ty, které znáte, nebo položte vlastní.
Položte novou otázku o tomto zařízení
Stáhněte si návod pro váš Vytápění ve formátu PDF zdarma! Najděte svůj návod Vega BX80E HBXE800400 - HARVIA a vezměte svůj elektronický přístroj zpět do rukou. Na této stránce jsou zveřejněny všechny dokumenty potřebné k používání vašeho zařízení. Vega BX80E HBXE800400 značky HARVIA.
NÁVOD K OBSLUZE Vega BX80E HBXE800400 HARVIA
TytoPokynykmontaiziapouzitijsouurcenyjak promajitele nebo osobu zodpovednou za provoz sauny, takiproelektrotechnika zodpovedneho za montaztopného tëlesa.Po dokonçeni montáze prédá osoba zodpovidajici za montaiz tytoPokyny majiteli sauny nebo osobe, ktera je za jej provoz zodpovedna.Pred pouzitim topného tëlesa si dúkladne prectete námovk pouziti.
Topné t'éleso je urçeno k vytapeni domácich saun na provozni teplotu. Topné t'éleso se nésmi použivat k zádnému jinému učelu.
Blahoprejeme Vam k vaši volbel
Záruka:
Zarucni doba, poskytovan na topna telesa a ovladaci zaizeni pouzivan v saunach a vyuzivanych rodinami, je dva (2) roky.
Zarucni doba, poskytovaná na topná telesa a ovladaci zarizeni použivaná v saunach vyuzivanych hromadnevice obyvateli domu je jeder (1) rok.
Záruka se nevztahuje na závady zpusobené nesprávnou instalaci, nesprávným používaním nebo nesprávnou udžbou.
Záruka se nevztahuje na závady zpusobené použivánim kamenu, ktere nejsou doporucné vyrobcm saunovych kamen.
OBSAH
- POKNY K POUZITI 69
1.1. Skladani topnych kamenu 69
1.1.1.Udrzba 69
1.2.Vyhrivani sauny 69
1.3.Provoz kamen 69
1.3.1.Zapnuti kamen 70
1.3.2. Nastaveni prodlevy (casove zapnuti) 70
1.3.3.Vypnuti kamen 70
1.3.4.Nastaveni teploty 70
1.4.Polevani horkych kamenu vodou. 70
1.5. Pokyny k použití sauny 71
1.6.Upozorneni 71
1.6.1.Vyznam symbolu 71
1.7. Rešeni potiži 71
2.MISTNOST SAUNY 72
2.1. Usporadani saunovaci mistosti.. 72
2.1.1.Cernani saunovych sten 72
2.2.Vetrani sauny 72
2.3.Vykon topneho tlesa 72
2.4.Hyqiena v sauné 72
- POKNY K MONTÁZI 73
3.1.Pred montázi 73
3.2. Pripevneni topneho tlesa na stenu 74
3.3.Zapojeni vodicu 74
3.3.1.Odpor izolace elektrického topného tëlesa....75
3.4.Montaz ridici jednotky a cidel (BX-E). 75
3.5. Resetovani ochrany proti prehratí 75
4.NAHRADNI DILY 77
1. KÄYTTÖOHJE 1. BRUKSANVISNING
1.1. Kiuaskivien latominen
1.1. Skládání topnych kamenú
Zpusob poskladani saunovych kamenu značne ovlivnuje funkcnost kamen (obl. 1).
Dulezite informace o saunovych kamenech:
Kameny musi mit prumér 5-10 cm.
- Používejte pouze hranate kameny, ktere jsou určené pro saunová kamna. Vhodnými kameny jsou peridotit, olivín-dolerit a olivín.
V kamnech se nesměji použivat lehke, porézní keramické „kameny" ani měkké mastéky, nebot pri ohřivání neabsorbuji dostatečné množstvi tepla.
- Než začnete kameny skládat do kamen, smyjte z nich prac.
Když skláté kameny:
Nepoustéje zvysky.
- Nevtlačujte je mezi topná tělesa.
Kameny neskladeje prilis natesno,aby mezi nimimohl proudit vzduch.
- Skladejte je tak, aby lezely na sobe a nezatežovaly topná tělesa.
- Neklad'te je na vysokou hromadu.
- Mezi kameny ani dojejich blizkosti neklad'te predmety, které by branily volnému pruchodu vzduchu, anebo by menily smer jeho proudeni.
1.1.1. Udrzba
V dusledku velkych zmen teplot se kameny casem rozpadaji. Pouzivate-li saunu casto, nejmene Jednou za rok, anebo radeji casteji, kameny preskladejte. Pritom z podlozyk pod kameny odstrahte opadané kaminky a popraskane kameny vymene za nové. Kamna si tak zachovaji optimálni vyhrevnost a nebudou se prehrivat.
1.2.Vyhrivani sauny
Pri prvním zapnutí topného tělesa vydáva topné těleso i kameny pach. Saunu je proto nutné dúkladné vyvetrat.
Ucelem topneho telesa je zvysit teplotu sauny a topnych kamenu na pozadovanou provozni teplotu. Pri vykonu topneho telesa odpovidajiciho velikosti sauny netrva vyhrati radne tepelniz izolovanene sauny na pozadovanou teplotu dele nezhodinu (2.3.). Topne kameny se obvykle ohrivaji na pozadovanou provozni teplotu priblizne ve stejnou dobu jaksauna.Vhodna teploty v saunéje +65^ a ± 80^
1.3.Provoz kamen
Pred tim, než topné těleso zapnete, se prěsvěděcte, ze na něm ani v jeho blízkosti nejsou zádné prědměty. 1.6.
- Modely kamen BX45, BX60, BX80 a BX90 jsou vybavené chasovačem a termostatem. Časovac sloužík nastavení doby provozu kamen, termostatem se udržuje požadovaná teplota.
- Modely kamen BX45E, BX60E, BX80E a BX90E mají samostatnou rídici jegnotku. Seznámte se s námodem k ovládání vaseho modelu.


Obrázek 1. Skladání topnych kamenú

1.3.1. Zapnuti kamen

Vypinačcasovace otoctede polohy „on" (cást A na obr. 2, 0-4 hodiny). Kamna ihned začnou topit.
1.3.2. Nastavení prodlevy (časové zapnuti)

Vypinac casovace otocte do polohy "pre-setting" (cAst B na obr. 2, 0-8 hodin). Kamna začnou topit, až casovac otoči vypinac zpet do polohy "on". Poté se kamna na zhruba 4
hodiny zapnou.
Priklad: Chcete si udelat trihodinovou prochazku a pak se chcete saunovat. Vypinačcasovač otočte do polohy „pre-setting" na cislo 2.
Spustí se casovac a po dvou hodinach se kamna zapnou. Sauna se vyhreje asi za hodinu, takze po návratu z trihodinove procházky se mužete hned začit saunovat.
1.3.3.Vypnuti kamen

Kamna se vypnou, ažcasovačpretočí vypinač na nulu. Chcete-li kamna vypnout driv, vypinač muzete kdykoli pretočit na nulu sami.
Po skončeni saunováni je nutné vypínač vypnout. Doporučujeme vsak obcas nechat kamna po urcitou dobu zapnutá, aby se vysusily d'revené současti sauny.
UPOZORNEN! Po pretocen vypinae na nulu vzdy zkontrolujte, zd je vypinac skutecné vypnuty a kamna netopi.
1.3.4. Nastavení teploty
Termostatem (obr. 3) se v sauné udruje pozadovaná teplota. Vyzkousejte, jaká teplota vám nejlépe vyhovuje.
Optimalni teplotu vyzkousejte tak, ze termostat nestavite na nejvyssi hodnotu. Zaene-li vam byt v saune priliis horko, trochu pootocte vypinacem termostatu zpet. K dosazeni priemneho pocitu v oblasti vysokych teplot vetsinou staci malyrozdil.
1.4. Polévání horkych kamenúvodou
Vzduch v sauné se s narustajíc teplotou stavá suchým. Proto je nutné topné kameny polevatvodou,aby zústa la v sauné pozadovaná uroven vlhkosti vduchu.Teplo a pára učinkují na kaźdeho jinak.Musite si sami vyzkoušet, jaká vlhost a teplota vám nejlépe vyhovuje.
Objem naběračky by nemel prekROCit 0,2 litru. Pri polévání kamenú nepoužívejte vice vody nel' 0,2 l, protoze pri větsím množství vody hrozi, ze se vypař pouze jejíást a zbytek muže jako vařić voda opařit uživatele sauny. Kameny nikdy nepolevejte,Pokud jsou v blizkosti topného telesa lidé,nebot by je vznikajici pára mohla opařit.
Voda použivaná k polevání kamenu musi splnovat požadavky na cistou vodu pro domacnost (tabulka 1). Je mozné použivat pouze parlémy urcené ysvlovné pro pouziti v sauné. Dodrzujte pokyny uvedené na obalu.
Tabulka 1. Požadavky na kvalitu vody
| Vlastnost vody Účinek Doporučeni | ||
| Necistoty Zbarvení, chuf, usazeniny < 12 mg/l | ||
| Železità voda Zbarvení, zápach, chuf, usazeniny < 0,2 mg/l | ||
| Tvrdost:nejdūležitějšimi složkami jsou mangan (Mn) a vapenec, resp. vaplík (Ca) | Usazeniny Mn: < 0,05 mg/l | Ca: < 100 mg/l |
| Chlorovaná voda Škodí zdraví Nesmí se používat | ||
| Móřáká voda Rychlá koroze Nesmí se používat |
CS
1.5. Pokyny k použití sauny
Zacnete osobni hygienou, napriklad sprchou.
V sauné zuste tete tak dlouho, jak je Vam to prijemne.
Zapomente na vsechny své problémy a uvolněte se.
- Neruste ostatni uživatele sauny hlasitým hovorem.
- Neobtežujte ostatni uzivatele sauny nadmernym polévánim kamu.
- Ochlazujte svou pokožku podle potreby.
- Pokud vám to zdraví dovolí, muzete si zaplavat, pokud je k dispozici bazén. Po použití sauny se dūkladné umyjte.
- Chvili odpočívejte a počkejte, než se váš tep vrátí do normálniho stavu, pak se teprve oblékněte. Dejte si Čerstvous vodu nebo jiný nealkoholický napoj, abyste vyrovnali obsah tekutin v těle.
1.6. Upozorněni
- Dlouhodobý poby v horké sauné zpúsobuje nárust tlesné teploty, což muže být zdravotné nebezpečné.
Dodržujte bezpečnou vzdálenost od horkého topného tělesa. Kameny a vnějsi povrch topného tělesa mohou zpúsobovat popáleny. - Nepolévejte kameny nadmérným množstvím vody. Odparujíci se voda je horká.
V sauné nenechávejte o samoté osoby nizkého věku, tělesné postižéné ani nemocné. - Poradte se svym lékarém o pripadnych zdravotnich omezenich pouziti sauny.
- Rodice musí dbát na to, aby se jejich deti nepriblizóvaly k topnému t'élesu.
- Poradte se se svym dětským lékarém ohledné saunováni malych detí, s ohledem na -vek; -teplotu v saune; -dobu strávenou v saune.
V sauné se pohybujte velice opatrne, protoze podlaha muze byt kluzka. - Do sauny nikdy nechod'te po požiti alkoholu, léčiv nebo drog.
Ve vtopené sauné nikdy nespête! - Mośký vzduch a vlhék podnebi muze zpúsobit korozki kovovych povrchu topného telesa.
- Nenechávejte v sauné Schnout odévy, protoze to muže zpʊsobit vznik požáru. Nadměrná vlhkest vzduchu muže zpʊsobit poskození elektröinstallaci.
1.6.1. Význam symbolů.

Cte t navod k pouziti.

Nezakryvat.
1.7. Resení potízí
Upozornénil Veskeré servisni operace musi provadět pověrená osoba.
Kamna netopi.
Zkontrolujte, zda jsou v pořadku pojistky.
Zkontrolujte kontakty privodniho kabelu (33.).
- Casovač vypínače otočte do polohy „on“ (13.1.).
- Pootocte termostatem k vyssi hodnote (13.4.).
Zkontrolujte, zda není vadná ochrana prehrát. Casovac funguje, ale kamna netopi. (3.5.)
Sauna se vytapi pomalu. Kdyz na kameny nalijete vodu, rychle se ochladi.
Zkontrolujte, zda jsou v poradku pojistky.
Zkontrolujte, jestli hreji vsechna topné privky.
Pootocte termostatem k vysi hodnote (13.4.).
Zkontrolujte vystup tepla z kamen. (23.).
Zkontrolujte saunové kameny (1.1.).Jsou-li naskládány priliš natésno, jsou-li znečistné nebo jsou nevhodného typu, mohou branit pruchodu vzduchu kamny, což muze snizit jejich učinnost.
Zkontrolujte, zda je správné nastavené větráníva sauné. (2.2.).
Sauna se vytopi rychle, avsak malo se ohrivaji kameny. Kdyz na ne striknete vodu, neodpari se, nybrz kameny jen protece.
Zkontrolujte, zda vzduch na vystupu z kamen neni prehraty (2.3.).
Zkontrolujte, zda je správné nastavené větráníva sauné. (2.2.).
Sauna je vytopená nerovnomérné.
Zkontrolujte, zda je topné t'éleso nainstalované ve správné výšce. Optimánlí výška pro umistěné topidla je 100 mm nad podlahou. Nejvyš může být topné t'éleso umistěno 200 mm nad podlahou. (3.2.)
Panel nebo jiný material基础知识 kamen rychle cerná.
Zkontrolujte, zda je dodrzena predepsaná vzdalenost (3.1.).
Zkontrolujte saunové kameny (1.1.).Jsou-li naskládány priliš natésno, jsou-li znečistěné nebo jsou nevhodného typu, mohou branit pruchodu vzduchu kamny a mohou se prehrívat okolníní prédměty.
Viz rovnéž odst. 2.1.1.
Z kamen jde zápach.
Vizodst.1.2.
Horkem z kamen se mohou zvyraznit pachy pritomné ve vzduchu, kterePRI normáni teploté nejsou citit anejdouz kamen. Muze se napriklad odpaovat barva, lepidlo, olej apod.
Kamna jsou hlučná
BX: Casovač je Mechanický a funguje-li normalné, tíka. Pokud tiká i pri vypnutych kamnech, zkontrolujte, zda je správně zapojeny.
- Obcas muze byt slyset, jak praskají zahráté kameny
Zvuky muze zpusobovat i tepelná roztažnost materiálu pri zahrivani.
2. MISTNOST SAUNY

2.1. Uspořádoní saunovací mistrnosti
A. Izolačni vlna, tloustka 50-100 mm. Sauna musi byt pečívice zaizolovaná, aby kamna nemusela bežet na príliš vytoký vykon.
B. Ochrana proti vlhkosti, napr. hlinikovy papir. Pripevnete jej hlinikovou paskou, lesklou stranou dovnitr.
C. Odvetravaci prostor cca 10 mm mezi ochranou proti vlhkosti a panelem (doporuceno).
D. Lehky sloupek panelu, tloustka 12-16 mm. Než začnete s montáží panelu, zkontrolujte privody ke kamnám a výztuhy lavic.
E. Odvetravaci prostor cca 3 mm mezi stenou a stropnim panelem.
F. Vyska sauny byva obvkykle zhruba 2100-2300 mm. Minimalni ytska zavisi na kamnech (viz tab. 2). Prostor mezi horni lavici a stropem by nemel byt vetsi nez 1200 mm.
G. Podlaha by mela-byt z keramickych dlazdic yvsparovanych riddkou cementovou maltou. Uslechtilejsi materialy by se mohly znecistit anebo poskodit ulomky ze saunovych kamenu a necistotami obsa-zenymi v saunove vode.
UPOZORNENl Izolaci protipozarni prepazy konzultujte s bezpecnostrnim technikem. Odtah od kamen nesmi byt zaizolovanyl
UPOZORNEN! Lehka ochranná izolace primo na stěne nebo na stropé muže byt z hlediska zahorení bezpečná.
2.1.1. Cernani saunovych sten
Povrch drevenych sten v saune obvykle casem zernáva. Tento proces se muze urychlit:
slunecnim svetlem
- teplem z kamen
- ochrannymi prostředky nanesenými na stenu (tyto prostředky nebývaji odolné proti vyssím teplotám)
jemnymi prachovymi zrny ve vzduchu, ktere se oddrolujze saunovych kamenu.
2.2.Vetrání sauny
Vzduch v sauné by se mél yvménit sestkrat za hodinu. Ruzné zpúsoby vetrání jsouznazornéne na obr. 5.
A. Umisteni privodu vzduchu. Ma-li sauna mechanicky odtah vzduchu, umistete privod vzduchu nad kamna. Vetră-li sejen pruvanem, privod umistete vedle kamen nebo pod ně. Vetraci potrubí musi mit prümér alespoř 50-100 mm. BX-E: Privod vzduchu nesmi byt umisteni tak, aby privadén yvzduch ochlazoval teplotniCIDlo (viz poukyny pro montáz teplotnho CIDla v navodu k instalaci ridici Jednotky)!
B. Odtah vzduchu. Vystupni vetrak umistete tses nad podlahu co nejdale od kamen. Prumer odvetravaciho potrubi musi byt dvojnasobkem prumru privodnio potrubi.
C. Volitelny vysouseci vetrak (behem vytapeni a saunovani je uzavreny). Saunu lze vysouset i tak, ze po saunovani nechame otevrenedve od sauny.
D. Je-li odtah vzduchu ve sprse, mezera pode dvermi sauny musi byt nejmene 100 mm. Odtah musi byt vybaveny mechanickym vetrakem.
2.3.Vykon topného t'élesa
Pokud jsou steny a strop sauny oblozeny panely, a tepelná izolace zabrañujíci uniku tepla do sten je dostatečna, stanovuje se potrebný vykon topného tělesa podle vinitrniho objemu mistristosti sauny. Jsu-li steny nezaizolované (cihly, skleněny bloc, skleněna tabule, beton, tvárnice apod.), zvyšují se nároky na topné vykon. Na každý Čtverečné metr nezaizolované steny je nutno pripecist 1,2 ml prostoru v sauné. Ma-li sauna například s prostorem 10 ml skleněné dveře, požadavek na vystup topného vzduchu odpopidá prostoru 12 ml. Jsu-li steny sauny z kulatiny, objem sauny je nutno vynásobit koeficientem 1,5. Vystupné vykon kamen je uvedeny v tabulce 2.
2.4. Hygiena v sauné
Aby se lavice nezneciistovaly potem, osoby v saune by mely sedet na ručniku.
Nejmenejednou zaest mesicu by se mely lavice, steny a podlaha v sauné dukladne vydrhnout kartacem adezinfekcnim prostredkem.
Pracha spinu z kamen vytirejte mokrym hadrem. Spina, ktera ulpi v kamnech, vmyjte 10% roztokem kyseliny citronove a povrch pak oplachnete.

3. POKNY K MONTÁZI
3.1.Pred montází
Pred montázi topného têlesa si prostudujte námod a zkontrolujte nasledujici body:
- Odpovída vykon topného tělesa velikosti sauny?
Dodžujte udaje o objemech uvedené v tabulce 2. -
Je dostupny zdroj napajeni vchodny pro dané topné teleso?
-
Minimálni bezpečné vzdálenosti pro montáz topidla jsou uvedeny na obr. 6 a v tabulce 2.
- Resetovani ochrany protiprehratii
Je bezpodminecne nutne, aby instalace byla provedena v souladu s temito hodnotami. Jakakoli nedbalost muze mit za nasledek nebezpeci vzniku pozaru. V potirne muze byt nainstalovano pouze jeginé topidlo.
Tabulka 2. Podrobnosti montal'topného telesa BX/BX-E
| Topné têleso Model a rozměry | Výkon | Mistnost sauny Zapojeni | vodiču | K termostatu (BX-E) | ||||
| Objem Výška | 400 V 3N~ 230 V 1N- Napájeci kabel Pojistka Napájeci kabel Pojistka | |||||||
| Śrīka • BX 500 mm • BX-E 470 mm Hloubka 340 mm Výška 510 mm Hmotnost 11 kg Množstvi topnych kamenù max. 25 kg kW | 2.3. min. m³ | max. m³ mm | min. mm² | Viz obr. 8. Hodnoty platí pouze pro prívodní kabel. | ||||
| A | mm² | |||||||
| BX45/BX45E | 4,5 | 3 | 6 | 1900 | 5 x 1,5 | 3 x 10 | 3 x 2,5 | 1 x 20 |
| BX60/BX60E | 6,0 | 5 | 8 | 1900 | 5 x 1,5 | 3 x 10 | 3 x 2,5 | 1 x 35 |
| BX80/BX80E | 8,0 | 7 | 12 | 1900 | 5 x 2,5 | 3 x 16 | 3 x 6 | 1 x 35 |
| BX90/BX90E | 9,0 | 8 | 14 | 1900 | 5 x 2,5 | 3 x 16 | 3 x 10 | 1 x 50 |
Obrázek 6. Bezpečné vzdálenosti pro topné těleso
| A min. od boku ke stěné nebo horní lavici | B min. | C min. od Čelní stěny k horní lavici nebo měži | |
| BX45/BX45E | 35 | 20 35 | |
| BX60/BX60E | 50 | 30 50 | |
| BX80/BX80E | 100 | 30 80 | |
| BX90/BX90E | 120 | 40 100 |
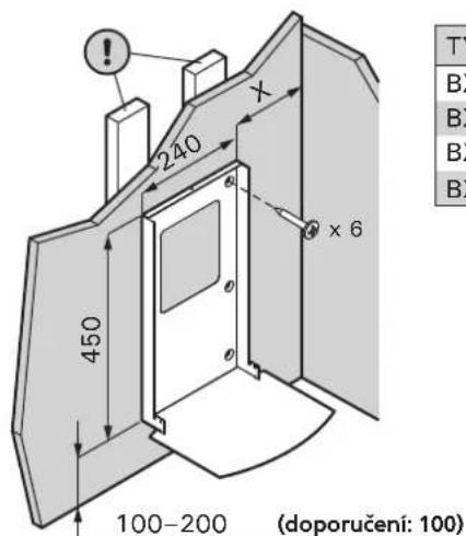
3.2. Připevně topného tělesa na stěnu
Viz obr. 7.
- Odstraţe oba dva papirove kryty predd instalaci.
- Pripevnéte na stenu drzak topneho telesa pomoci prilozenych sroubu. POZNÁMKA! Za oblozenim steny v miste montáze topného telesa musi byt nosná deska, aby se srouby drzaku sroubovaly do silnejsiho podkladu, než je samotné oblození. Pokud za oblozenim steny nosné deska není, lze ji pripevnit i na oblození.
- Kdyz zavirate kryt rozvodne skrine, zkontrolujte, zda radne dolhejeho horni okraj. Pokud by tam zustala skvirka, do rozvodne skrine by se mohla dostat voda.
- U topného têlesa namontovaného na stěne si mužeme zvolit, zda bude ovládání na pravé nebo na levé strane.
- Ulozte topné t'éleso na držák na stěné tak, aby nosné týče zapadly do otvorů v dolní cásti topného t'élesa. Upevněte horní cást topného t'élesa k držáku pomoci upinací svorky.
3.3. Zapojení vodiců
Topné t'éleso smí k Rozvodné siti pripiojt pouze oprávněny, zpúsobíly elektrotechnik v souladu s platnymi narizeními.
Topne teleso se priopojuje polotuhym kabelem k Rozvodne krabici na stene sauny (obr. 7: A). Rozvodna krabice musi byt odolna proti potrisneni aajei maximali vyska nad podlahou nesmi prekrocit 500~mm
Napajeci kabel (obr. 7: B) musi byt pryli krytymi typ H07RN-F nebo jemu opovidajici. POZNAMKA! Vzhledem ke kirehnuti v dusledku vysokych teplot se nesmi pouzivat kabely izolované PVC.
- Pokud jsou napajeci kabely a vodice vyse nez 100 mm nad urovn podlavy sauny, umistene v sauné nebo ve stenach, museji byt v provozu odolné proti teplotám 170°C (napr. SSJ). Veskerá elektrická zařizení montovaná vyse nez 1000 mm nad urovn podlavy sauny musi byt schvalena propoužití pri teploté 125°C (označeni T125).
BX: Kromé napáciho konektoru je rédici Jednotka vybavená dalím konektorem (P), který slouží k ovládání topidla, viz obr. Ovládaci kabel je veden prímo do pripojovác krabice topidla a odtud do koncového bloku topidla gumovým kabelem stejné tloušky, jako má pripojovác kabel.
1.

2.

| TYPE X min. | |
| BX45/BX45E 1 | 45 |
| BX60/BX60E 1 | 60 |
| BX80/BX80E 2 | 10 |
| BX90/BX90E 2 | 20 |
3.




A. Rozbočováč
B. Napajeci kabel
CS
3.3.1. Odpor izolace elektrického topného tëlesa
Pří závěrečné kontrole elektröinstalaci muže dojít ke zjištěni „uniku" pri měřeni odporu izolace topného tělesa. Dúvodem je absorpce vlhkosti ze vzduchu izolacním materiaLEM topného tělesa (skladováni, preprava). Po několikerém použiti topného tělesa se vlhkost z odporů vypaři.
Nepripojte napajeni topneho telesa prs proudovy chranic!
3.4. Montáz rédici jednotky aCIDEL (BX-E)
Současti dodávy rédici Jednotky jsou podrobné poukyn k jeji montázi na stenu. Teplotné cidlo musí byt umistěné na stěné potíny ve stredové osé topidla 100 mm pod stropem. Obr. 6.
Privod vzduchu nesmi byt umisteny tak,aby privadeny vzduch ochlazoval teplotni cidlo. Obr. 5.
3.5. Resetováni ochrany proti prěhátí
Pokud teplova v sauné nebezpečné stoupne, ochrana proti prehráti trvale odpoji privod elektriny ke kamnúm. Ochranu lze resetovat, az kamna vychladnou. Než budete ochranu resetovat, je nutné nalezt pricinu, proć sepnula.
- Nejsou kameny Rozdrolene nebo natésnané prilis na sebe?
- Nezapinali jste kamna po dlouhé dobre, kdy jste je nepouzivali?
- Neni odstraněné Čidlo termostatu, nebo neni vadné?
- Neutrpělo topidlo nějaký náraz nebo otrés?
Ochrana proti prehrati se také muze vypnout pri teplotach pod -5^ / 23^ (skladovani, preprava, prostredi). Pred instalaci umistete zařizeni do teplého prostredi. Ochranu proti prehrati je možné resetovat,Pokud je teplota zařazenji prbl. 18^ / 64^. Pred pouzitim zařazenji je nutné ochranu proti prehrati resetovat.
BX-E
Viz navod k instalaci fidici Jednotky.
BX
Obrazek 8

Obrázek 8. Resetovaci tlačitko ochrany prehrátí

CS
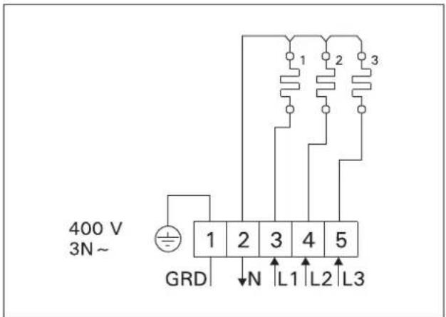
Obrázek 9. Zapojeni topného tělesa BX

Obrázek 11a. Pripojeni fidici Jednotky C150 a topidla BX-E k trífázovému napájení

Obrázek 10. Zapojeni topného tělesa BX-E

Obrázek 11b. Připojeni rédici Jednotky C90 a topidla BX-E k trifázovému napájeni
- VARAOSAT 4. RESERVDELAR
- SPARE PARTS 4. ERSATZTEILE
4.3APACHbIe YACTn - REZERVES DALAS
- PIECES DETACHÉES
-
NAHRADNI DILY
-
VARUOSAD
-
ATSARGINÉS DETALES
-
CZESCI ZAMIENNE
| 1 | ZSB-224 | 1500 W/230 V |
| 2 | ZSB-226 | 2000 W/230 V |
| 3 | ZSB-228 | 2670 W/230 V |
| 4 | ZSB-229 | 3000 W/230 V |
| 5 | ZSK-510 | (BX) |
| 6 | ZSB-125 | |
| 7 | ZSK-520 | °C (BX) |
| 8 | ZSB-115 | |
| 9 | ZSB-310 | |
| 10 | ZSB-320 | |
| 11 | ZSB-330 |

Doporucjeme pouzivat pouze nahradni dily od vyrobce.
HARVIA
PL12
40951 Muurame
Finland
www.harvia.fi

196006, TogoCAHKT-NETEPbYr
BH.TEP.Γ.MYHUNIINJIbHbI OKPYR MCKOBCKAR 3ACTABA,
IPI-KT JINFOBCKN,
Д.266 CTP.1,ПОМELSUЕНUE 2.1-H.50
PABOYEE MECTO 20.
+7 812 325 82 94(207)
spb@accountor.ru
ORPH 1157847200818
SnadnýManuál