V204 T - Máquinas de embalagem a vácuo Sammic - Manual de utilização gratuito
Encontre gratuitamente o manual do aparelho V204 T Sammic em formato PDF.
| Características técnicas | Equipamento de embalagem a vácuo Sammic V204 T, projetado para uso profissional. |
|---|---|
| Dimensões | Dimensões compactas adequadas para espaços de trabalho restritos. |
| Peso | Peso leve que facilita o deslocamento. |
| Potência | Potência suficiente para um funcionamento eficaz. |
| Uso | Facilidade de uso com um painel de controle intuitivo. |
| Manutenção | Manutenção regular recomendada para garantir desempenho ideal. |
| Reparação | Serviço pós-venda disponível para reparações. |
| Segurança | Conforme às normas de segurança vigentes para aparelhos eletrodomésticos. |
| Informações gerais | Ideal para profissionais da restauração e comércios alimentares. |
Perguntas frequentes - V204 T Sammic
Questions des utilisateurs sur V204 T Sammic
0 question sur cet appareil. Repondez a celles que vous connaissez ou posez la votre.
Poser une nouvelle question sur cet appareil
Baixe as instruções para o seu Máquinas de embalagem a vácuo em formato PDF gratuitamente! Encontre o seu manual V204 T - Sammic e retome o controlo do seu dispositivo eletrónico. Nesta página estão publicados todos os documentos necessários para a utilização do seu dispositivo. V204 T da marca Sammic.
MANUAL DE UTILIZADOR V204 T Sammic
NOZIONI BASILARI PER IL CONFEZIONAMENTO SOTTOVUOTO
Indicações para a marcação CE.
Cada máquina inclui a seguinte identificação:
- Nome e morada do fabricante: SAMMIC, S.L. Basarte, 1, Azkoitia, Gipuzkoa (SPAIN)
- Marca "CE"
- O modelo da máquina está indicado na alínea seguinte.
- O número de série da máquina está indicado no certificado de garantia e na declaração de conformidade.
MODELOS
Este manual descreve a instalação, o funcionamento e a manutenção das embaladoras V-204TI, V-253TA, V-253TI, V-410TA, V-410TI, V-421TA, V-421TI, V-426TI, V-641TA, V-641TI, V-821TI (versão vácuo controlado por tempo).
A referência do modelo e as respectivas características estão indicadas na placa de identificação colocada na máquina.
Estas embaladoras estão desenhadas e fabricadas de acordo com as directivas europeias 89 / 392 / CEE, 93 / 68 CEE, 73 / 23 / CEE e a normativa NSF de higiene e saúde.
Instalação
Para obter os melhores resultados assim como uma boa conservação da máquina deve seguir cuidadosamente as instruções contidas neste manual.
Colocação
Colocar a máquina de maneira a que fique devidamente nivelada. Para evitar danos, a máquina não deve ficar apoiada sobre um dos lados.
As máquinas V-410/V-421/V-426 devem ser instaladas sobre uma superfície lisa já que os pés estão fabricados com material deslizante para poder deslocar a máquina sem esforço e limpar a superfície sobre a qual se apoia.
Ligação eléctrica
- CARACTERÍSTICAS DA MÁQUINA
- As máquinas monofásicas são fornecidas para corrente de 230V.
- As máquinas trifásicas são fornecidas para corrente de 230V ou 400V (ligadas a 400 V).
Antes de ligar a embaladora à corrente,
verificar se a máquina está preparada para a mesma voltagem que a da rede eléctrica. Caso contrário, proceder à troca de voltagem.
Para a mudança de voltagem:
- Conectar os transformadores à tensão adequada tal como se indica na régua de bornes.
- Mudar, se necessário, as ligações no motor conforme se indica na caixa de bornes.
-
Ajustar, se necessário, o relé térmico conforme se indica no esquema eléctrico.
-
CARACTERÍSTICAS DO CABO
As embaladoras SAMMIC são fornecidas com um cabo eléctrico de 1,5 m de comprimento com revestimento termo plástico.
É OBRIGATÓRIA A LIGAÇÃO A TERRA. O fio de terra da máquina está sinalizado.
- Máquinas trifásicas: Preparar uma tomada de parede 3PN+ T de 20A e uma ficha para ligar ao cabo de alimentação da embaladora.
- Máquinas monofásicas: Preparar uma tomada de parede 2P+T de 20A e a ficha correspondente.
-
A ficha que forma parte do cabo de alimentação deve manter-se acessível.
-
MUDANÇA DO SENTIDO DE ROTAÇÃO DA BOMBA DE VÁCUO (unicamente em máquinas trifásicas) Se a máquina ao arrancar emitir um ruído anormal no motor da bomba de vácuo, isso deve-se ao facto de estar a girar no sentido inverso. Neste caso, parar imediatamente a máquina e intercambiar dois cabos na alimentação.
Enchimento de öleo
Nos modelos V-410, V-421, V-426, V-641 e V-821 a bomba já contém óleo.
Nos modelos restantes encher a bomba de óleo através da tomada até completar 34 partes do indicador visual. Utilizar apenas óleo sem detergentes:
- Óleo SAE10 (sem detergente) para as bombas até 20 m³/h.
- Óleo SAE30 (sem detergente) para as bombas superiores a 20m³/h.
Recomenda-se a utilização de óleos parafínicos.
ENTRADA EM FUNCIONAMENTO
Após accionar o interruptor geral, e com o objectivo de que o óleo aqueça e permita fazer um vácuo correcto, é necessário realizar vários ciclos em vácuo antes de proceder à primeira embalagem.
São os modelos nos quais todas as funções (vácuo, soldadura e atmosfera progressiva) são controladas por um microprocessador. O nível de vácuo atingido dependerá do tempo pré-fixado e o seu valor poderá ser lido no vacuómetro situado no lado esquerdo do painel de comandos.
PRINCIPAIS CARACTERÍSTICAS:
- Programação de funções rápida e simples.
- Contador automático das horas de trabalho da máquina, com aviso das mudanças de óleo.
- Memorização automática do último ciclo executado.
- Visualização mediante LEDS de cada etapa executada no ciclo.
- Tecla de STOP que permite a paragem em qualquer fase do ciclo, passando à seguinte.
- Sistema VAC-NORM. Permite realizar o vácuo exterior em recipientes.
Descrição técnica do painel de comandos

Visor
Ao ligar a máquina no interruptor geral, visualiza-se durante 2 segundos um número que representa as horas de funcionamento da bomba de vácuo, expresso em dezenas. Por exemplo, se num determinado momento visualizar o número 10, significa que tem 100 horas de trabalho acumuladas. A seguir pode-se visualizar os valores de vácuo, gás, soldadura, etc., premindo a tecla correspondente. Quando a bomba acumule 500 horas de trabalho, ao ligar a máquina o visor marcará 50 e piscará durante 10 seg. para avisar que é necessário mudar o óleo. Durante este tempo a máquina não entrará em funcionamento mesmo que se desça a tampa.

Tecla + Aumentar
Permite aumentar qualquer dos valores que se visualizam em ambos os visores. Mantendo constante a pressão, conseguese atingir rapidamente o valor desejado.

Tecla - Diminuir
Permite diminuir qualquer um dos valores que se visualizam em ambos os visores. Mantendo constante a pressão, conseguese atingir rapidamente o valor desejado.

Vácuo
Esta tecla serve para seleccionar/visualizar a % de vácuo, entre 0 e 99. O LED desta tecla acende-se no momento de seleccionar a % de vácuo e durante a fase de execução do vácuo.

Soldadura
Selecciona/ visualiza o tempo de soldadura entre 0 e 7 segundos. O LED desta tecla acende-se no momento de seleccionar o tempo de soldadura e durante a fase da sua execução.

Entrada de ar progressivo
Activa/ Desactiva a opção ar progressivo. O ar progressivo é fixo e portanto sem possibilidade de mudança. O LED desta tecla acende-se se a opção estiver activada.

Interruptor de ciclo - VAC-NORM
Esta tecla cumpre duas funções dependendo de a tampa estar aberta ou fechada.
TAMPA FECHADA-INTERRUPTOR DE CICLO
Permite interromper o ciclo e passar à fase seguinte do mesmo. Carregando na tecla repetidamente, activa-se a entrada de ar.
TAMPA ABERTA- VAC- NORM
Se premirmos a tecla quando a tampa está aberta, a máquina começa a aspirar, permitindo realizar o vácuo exterior em recipientes. Premindo de novo esta tecla, retoma-se o modo de funcionamento normal.
Para ajustar os diferentes parâmetros é CONDIÇÃO INDISPENSÁVEL ter a TAMPA ABERTA. Indica-se de seguida os passos para a programação tomando como exemplo um possível programa:
- Premir a tecla Vácuo: ilumina-se o seu LED. Seguidamente premir a tecla Aumentar até chegar a 20 o que significa o tempo de vácuo seleccionado.
- Premir a tecla Soldadura: ilumina-se o seu LED. Accionar a tecla Aumentar ou tecla Diminuir até que no Visor 2 surja o valor 3.0 que representa, em segundos, a duração da soldadura da bolsa.
- Premir a tecla Ar progressivo: acende-se o seu LED ficando activada a opção de ar progressivo.
- Uma vez determinados todos os valores, se em qualquer momento se quiser rectificar um deles, basta premir a tecla correspondente e accionar a tecla Aumentar ou a tecla Diminuir até obter o novo valor desejado.
- Fechar a tampa imediatamente após ter terminado de fixar todos os valores do programa. Os valores fixados ficarão gravados automaticamente.
Ao fechar a tampa, o ciclo começa automaticamente. No decorrer do ciclo acende-se sucessivamente os LED das teclas assinalando assim a fase do ciclo que está em curso. Quando a fase de soldadura termina, o ar entra na câmara e a tampa abre-se automaticamente.
FUNÇÃO VAC-NORM
Esta máquina de envasar que acaba de adquirir incorpora a função VAC-NORM que permite realizar o vácuo em recipientes. Para poder utilizar esta função é necessário adquirir o kit VAC-NORM, que incorpora a mangueira e a adaptação ao depósito da máquina de envasar.
1- Antes de activar a função VAC-NORM, colocar o adaptador e a mangueira na aspiração da máquina.
2- Para activar a função VAC-NORM, é necessário premir a tecla STOP com a tampa da máquina de envasar aberta. Nesse momento a máquina começará a aspirar.
3- Colocar o extremo da mangueira no recipiente. Nesse momento inicia-se a operação de vácuo dentro do recipiente. O sensor de vácuo indica o grau de vácuo atingido. Ao atingir o vácuo pretendido, retirar a mangueira do recipiente.
4- Premindo novamente o botão STOP ou apagando a máquina, volta-se ao modo de funcionamento normal.
Advertência: É recomendável apagar a função VAC-NORM enquanto não estiver a ser utilizada já que, caso contrário, a máquina aspiraria ar continuamente, sendo prejudicial para a bomba.
CORTE DA BOLSA
As barras que incluem o fio para o corte da bolsa são fornecidas como kits.
A instalação efectua-se substituindo a barra de soldadura pela barra que contém o fio de corte e mudando a ligação de um dos cabos no transformador de soldadura para a corrente que se indica no esquema eléctrico:
- V-410 / V-421 / V-426: 15 V (20 V conforme o tipo de bolsa)
- V-641: 15V (barra curta), 23V (barra comprida)
- V-821: 20 V (barra curta), 30 V (barra comprida)
Para realizar o corte da bolsa, basta programar o tempo adequado de soldadura na placa de controle. Soldada a bolsa, rasga-se manualmente pela linha marcada pelo fio de corte.
UTILIZAÇÃO E MANUTENÇÃO
Muito importante
- Não embalar produtos quentes visto que exalam vapor que danifica a bomba de vácuo.
- É importante limpar diariamente o interior e as beiras da câmara assim como a junta de fecho.
- O exterior da máquina não deve ser limpo com jacto directo de água. Limpar com um pano húmido e qualquer detergente habitual. Nunca limpar a tampa com álcool, dissolventes ou produtos limpa-vidros porque pode afectar as propriedades mecânicas do material e provocar a sua ruptura. Se
detectar alguma fissura na tampa, não continuar a trabalhar com a máquina e avisar o serviço técnico autorizado visto que existe perigo de ruptura da tampa.
- Se o cabo de alimentação se deteriorar, proceder à sua substituição que só deverá ser feita por um serviço técnico reconhecido por SAMMIC.
- Antes de efectuar qualquer operação de limpeza, revisão ou reparação da máquina, é obrigatório desligar a máquina da corrente eléctrica.
- O nível de ruído da máquina em funcionamento, colocada a 1.6 m de altura e a 1 m de distância, é de 75 dB (A). Ruído de fundo: 32 dB (A).
Mudança de óleo
É necessário controlar semanalmente o nível de óleo que deve cobrir 3/4 do indicador visual. Encher se necessário.
O óleo deve ser mudado após as primeiras 100 horas de funcionamento. Posteriormente mudar o óleo por aproximadamente cada 500 horas de trabalho da máquina ou pelo menos de 6 em 6 meses ou ainda se notar que o óleo está emulsionado. Pode-se visualizar a quantidade de horas de trabalho acumuladas ao acender a máquina. Para proceder à mudança de óleo, soltar o tampão de escoamento e deixar sair o óleo usado e finalmente seguir as instruções dadas no capítulo correspondente.
Nas bombas de 40m³/h e superiores deve-se mudar simultaneamente o filtro de óleo. Este filtro é do tipo que se usa nos automóveis conforme a referência: AWS2, rosca 3/4.
O filtro do escape deve ser substituído por cada 4 mudanças de óleo ou quando se detectar perdas de óleo ou vapor de óleo no escape.
Quando a bomba tiver 500 horas de trabalho acumuladas, ao ligar a máquina o visor marcará 50 e piscará durante 10 seg para avisar da necessidade de mudar o óleo. Durante este tempo a máquina não entrará em funcionamento ainda que se desça a tampa.
Mudado o óleo, deve-se seleccionar as horas de funcionamento. Para o efeito, proceder da seguinte maneira:
- Com a tampa aberta premir o STOP. A
bomba de vácuo entrará em funcionamento.
- Descer a tampa. A máquina entrará em funcionamento realizando um ciclo normal.
- Iniciada a fase de vácuo, premir o STOP rapidamente. Nesse momento as horas de funcionamento terão ficado a 0. Deixar que a máquina termine esse ciclo.
- Apagar e ligar a máquina para certificar que as horas estão a 0.
MUDANÇA DE CONFIGURAÇÃO E TESTE DE FUNÇÕES
Há três configurações para a placa electrónica dependendo da máquina em que está montada.
Configuração "0" Máquinas de pé e funcionamento contínuo. (V-641 e V-821). A bomba entra em funcionamento desde o momento em que se acciona o interruptor geral. Esta configuração está prevista para máquinas instaladas em lugares frios ou câmaras frigoríficas. Como a bomba está continuamente em funcionamento, a máquina mantém-se quente assegurando o seu bom funcionamento.
Configuração "1" Máquinas de pé e funcionamento intermitente. (V-641 e V-821). A bomba só está em funcionamento durante a fase de vácuo e soldadura.
Configuração"2" Máquinas de bancada e funcionamento intermitente. (V-204, V-253, V-410, V-421 e V-426). A bomba só está em funcionamento na fase de vácuo.
Para mudar a configuração da máquina, seguir os seguintes passos:
ATENÇÃO
A placa electrónica está alimentada a 230V pelo que a manipulação durante as operações de mudança de configuração e verificação da máquina devem ser realizadas com cuidado.
1- Desmontar o painel de comandos tirando os 6 parafusos que se encontram na sua parte frontal e depois retirar a tampa que cobre o circuito electrónico.
2- Accionar o interruptor geral.
3- Localizar na placa electrónica duas palhetas situadas ao lado da palavra TEST e provocar-lhes um curto-circuito com uma chave de parafusos ou algo
similar. Nesse momento começará o teste: a placa electrónica acciona durante 1 seg. cada uma das saídas (Motor, Electroválvula de soldadura, etc) acendendo-se por sua vez o LED correspondente na placa. Ao lado de cada LED surge um texto que identifica o componente que acciona em cada momento.
4- Terminada a sequência do teste, no visor 1 aparece a configuração da máquina e no 2 o número de horas de funcionamento da bomba. Se nesse momento premirmos a tecla STOP, o contador de horas de funcionamento da bomba põe-se a 0.
5- Para mudar a configuração, premir a tecla Aumentar ou a tecla Diminuir até que surja a configuração desejada no visor.
6- Para sair do modo test e memorizar a nova configuração deve-se apagar a máquina. Se se descer a tampa sem ter saído do modo test, a máquina não entrará em funcionamento. . Se se voltou a marcar as horas de funcionamento, comprovar o novo valor no visor ao ligar novamente a máquina.
Se a máquina apresentar alguma avaria, a placa electrónica dispõe de um sistema para testar as diferentes funções:
Seguir os passos 1,2 e 3 da enumeração anterior. Se durante o teste algum dos componentes não for accionado, actuar da seguinte maneira:
- Verificar se o componente está bem ligado e com corrente. Se o componente continuar a falhar, substituí-lo por um novo.
- Se a corrente não chega ao componente, testar a tensão à saída da placa quando o led correspondente se encontra aceso. Se não houver corrente, substituir então a placa electrónica.
NOÇÕES BÁSICAS SOBRE A EMBALAGEM EM VÁCUO
O vácuo é um sistema de conservação natural que consiste na extracção de ar do interior da bolsa eliminando o oxigénio, principal responsável pelo deterioro dos alimentos.
Vantagens da embalagem em vácuo
1- Reduz ao máximo a perda de qualidade dos produtos.
2- Rentabiliza as horas do pessoal ao aproveitar eventuais tempos mortos ao longo da semana, para adiantar o trabalho e aligeirar o fluxo de trabalho das cozinhas.
3- Racionaliza o armazenamento dos produtos nas câmaras:
- Não há mistura de cheiros.
- Os produtos são apresentados etiquetados o que permite a rotação de matérias- primas.
- Melhora o controle dos stocks já que se pode calcular com precisão as compras necessárias para cada momento.
4- Aproveitamento dos melhores dias para a compra:
- Permite comprar quando os preços são melhores.
- Reduz-se a número de deslocações.
5- Reduz a lavagem de utensílios.
Embalagem de produtos curados (enchidos, presuntos, etc)
Tratado-se por si só de produtos com uma vida prolongada, a embalagem em vácuo duplica, no mínimo, a vida destes produtos evitando que se ressequem e que percam peso com o prejuício económico que tal implica. Estes produtos não necessitam ser embalados com gás, excepto alguns produtos de textura frágil.
Embalagem de produtos cozinhados
Refere-se a produtos como os assados, estofados, canelones, etc. Uma vez cozinhados é indispensável arrefecer esses alimentos de +65°C a +10°C em menos de duas horas no centro do produto para impedir o desenvolvimento de microorganismos.
Este é o método más prático para manter a cozinha tradicional com as seguintes vantagens:
- Facilitar o trabalho nas preparações sem necessidade de correr riscos de perda de qualidade do produto.
- Alongar a vida do produto.
Cozedura de produtos embalados
Consiste em colocar um alimento dentro de uma embalagem estanque e termoresistente. Extrair o ar do seu interior, selar e submeter à acção de uma fonte de calor para cozinhar o alimento. A cozedura realiza-se a baixa temperatura (entre 65°C e 100°C) conseguindo um efeito de pasteurização. Este sistema tem muitas vantagens:
- Preserva as qualidades nutricionais.
- Preserva as condições higiénicas ao diminuir a manipulação.
- Reduz as perdas de peso na cozedura ao evitar a evaporação e a dessecação.
- Racionaliza a planificação do trabalho: preparação e cozedura fora do período de serviço, antecipação da preparação de banquetes, etc.
- Prolonga o tempo de conservação.
Após a cozedura do produto, este deve ser arrefecido rapidamente para deter o processo de cozedura e impedir o desenvolvimento de microorganismos. Este processo é levado a cabo mediante um redutor de temperatura.
Pratos refrigerados: Deve-se reduzir a temperatura de +65°C a +10°C em menos de 2 horas no interior do produto.
Pratos congelados: Deve-se reduzir a temperatura de +65°C a -18°C em menos de 4,5 horas no interior do produto.
O posterior armazenamento deve manter-se a uma temperatura entre 0°C a 3°C para os pratos refrigerados e -18°C para os pratos congelados.
Para pôr os alimentos em condições de serem degustados, o processo de recuperação do produto deve processar-se de forma imediata depois de retirado do refrigerador no qual foi armazenado. Basicamente são três as técnicas de regeneração: o forno a vapor a baixa pressão, banho-maria e o forno microondas. Nos dois primeiros casos, a regeneração do produto faz-se com o material dentro da própria embalagem enquanto que no caso do microondas é necessário perfurar a bolsa para que o vapor possa escapar sem que a embalagem rebente ou então retirar totalmente o produto da embalagem.
Se um produto regenerado não chegar a ser consumido, não pode voltar a ser embalado devendo desfazer-se dele.
O tempo de armazenamento dos pratos refrigerados não deve exceder os 6-21 dias.
Congelação de produtos embalados em vácuo
As técnicas de congelação tradicionais conservam o produto mas não a qualidade. A congelação de produtos embalados em vácuo tem muitas vantagens:
- Não se queimam exteriormente
- Não há cristalização superficial
- Não há perda de sabor nem de cheiro
- Não há dessecação
- Não há oxidação de gorduras
V-204 T

text_image
445 260 323 405V-253 T

text_image
615 355 323 475V-410 T

text_image
773 430 500 500V-421 T

text_image
773 460 500 500V-426 T

text_image
750 642 506 480| CARACTERISTICAS | SPECIFICATIONS | EIGENSCHAFTEN | V-204 T | V-253 T | V-410 T | V-421T | V-426 T | V-641 T 40/63 | V-821 T 63/100 |
| Capacidad bomba | Vacuum pump | Vakuumpumpe | 4 m3/h | 6 m3/h | 10 m3/h | 20 m3/h | 20 m3/h | 40 / 63 m3/h | 63 / 100 m3/h |
| Tipo soldadura | Sealing type | Verschweißung | Simple / Single / Einfach | Doble / Double / Doppelt | |||||
| Longitud barra soldadura | Sealing bar length | Schweißstablänge | 249 mm | 249 mm | 416 mm | 416 mm | 416 mm | 640+400 mm | 854+530 mm |
| Longitud barra soldadura util | Sealing strip usable length | Nützliche Schweißstablänge | 237 mm | 237 mm | 400 mm | 400 mm | 400 mm | 628+388 mm | 842+518 mm |
| Allimentación eléctrica | Electrical supply | Elektroanschluß | 230 V / 50-60 Hz / 1~ | 230 V / 400 V / 50 Hz / 3~ | |||||
| Potencia eléctrica | Electrical loading | Anschlußwert | 100 W | 370 W | 550 W | 900 W | 900 W | 1.100/1.500 W | 1500/2.200 W |
| Presión vacío (máxima) | Vacuum pressure (maximum) | Maximaler Druck | 2 mbar | 2 mbar | 2 mbar | 2 mbar | 2 mbar | 0.5 mbar | 0.5 mbar |
| Dimensiones de la cámara - Ancho - Fondo - Alto | Chamber dimensions - Width - Depth - Height | Kammerabmessugen - Breite - Tiefe - Höhe | 270 mm 300 mm 80 mm | 270 mm 370 mm 125 mm | 420 mm 420 mm 142 mm | 420 mm 420 mm 165 mm | 560 mm 422 mm 180 mm | 672 mm 481 mm 186 mm | 864 mm 603 mm 210 mm |
| Dimensiones exteriores - Ancho - Fondo - Alto | External dimensions - Width - Depth - Height | Außenabmessugen - Breite - Tiefe - Höhe | 323 mm 405 mm 260 mm | 323 mm 475 mm 355 mm | 500 mm 500 mm 430 mm | 500 mm 500 mm 460 mm | 642 mm 506 mm 460 mm | 740 mm 553 mm 1.035 mm | 990 mm 760 mm 995 mm |
| Peso neto | Net weight | Nettogewicht | 23 kg | 34 kg | 64 kg | 70 kg | 80 kg | 145/159 kg | 232/250 kg |
V-641 T

text_image
1320 106 740 553 1035V-821 T

text_image
1380 995 990 760| CARACTÉRISTIQUES | CARATTERISTICHE | CARACTERÍSTICAS | V-204 T | V-253 T | V-410 T | V-421T | V-426 T | V-641 T40/63 | V-821 T63/100 |
| Capacité pompo | Capacità pompa | Capacidade bomba | 4 m3/h | 6 m3/h | 10 m3/h | 20 m3/h | 20 m3/h | 40 / 63 m3/h | 63 / 100 m3/h |
| Soudure | Tipo di saldatura | Tipo sodadura | Simple / Semplice/ Simples | Double / Doppio / Duplo | |||||
| Longueur barre de soudure | Lunghezza barra di saldatura | Comprimento barra soldadura | 249 mm | 249 mm | 416 mm | 416 mm | 416 mm | 640+400 mm | 854+530 mm |
| Longueur de soudure utile | Lunghezza utile barra di saldatura | Comprimento barra soldadura útil | 237 mm | 237 mm | 400 mm | 400 mm | 400 mm | 628+388 mm | 842+518 mm |
| Alimentation électrique | Alimentazione elettrica | Alimentação eléctrica | 230 V / 50-60 Hz / 1~ | 230 V / 400 V / 50 Hz / 3~ | |||||
| Puissance électrique | Potenza eletrica | Potência | 100 W | 370 W | 550 W | 900 W | 900 W | 1.100/1.500 W | 1500/2.200 W |
| Pression vide (max.) | Pressione vuoto | Pressão vácuo (máxima) | 2 mbar | 2 mbar | 2 mbar | 2 mbar | 2 mbar | 0.5 mbar | 0.5 mbar |
| Dimensions de la chambre- Largeur- Profondeur- Hauteur | Dimensioni camera- Larghezza- Profondità- Altezza | Dimensões da câmara- Largura- Fundo- Altura | 270 mm300 mm80 mm | 270 mm370 mm125 mm | 420 mm420 mm142 mm | 420 mm420 mm165 mm | 560 mm422 mm180 mm | 672 mm481 mm186 mm | 864 mm603 mm210 mm |
| Dimensions extérieures- Largeur- Profondeur- Hauteur | Dimensioni esterne- Larghezza- Profondità- Altezza | Dimensões exteriores- Largura- Fundo- Altura | 323 mm405 mm260 mm | 323 mm475 mm355 mm | 500 mm500 mm430 mm | 500 mm500 mm460 mm | 642 mm506 mm460 mm | 740 mm553 mm1.035 mm | 990 mm760 mm995 mm |
| Poids net | Peso netto | Peso líquido | 23 kg | 34 kg | 64 kg | 70 kg | 80 kg | 145/159 kg | 232/250 kg |
| Denominación Description | Denomination |
| C1 | Contactor Bomba de Vacío | Vacuum pump contactor | Contacteur pompe à vide |
| C2 | Contactor Soldadura | Sealing Contactor | Contacteur soudure |
| D1 | Borne de Conexión | Connector | Borne de connection |
| E1 | Relé Térmico Motor | Motor heat relay | Relais thermique moteur |
| Ev1 | Electroválvula de Soldadura | Seal electrovalve | Electrovanne de soudure |
| Ev2 | Electroválvula de Descompresión | Decompression electrovalve | Electrovanne de décompression |
| Ev3 | Electroválvula de Vacío | Vacuum electrovalve | Electrovanne de vide |
| F1 | Fusible 1 A. | 1 A. fuse | Fusible 1A. |
| I1 | Interruptor General | Main switch | Interrupteur général |
| I2 | Microrruptor Tapa | Board microswitch | Microrrupteur cloche |
| M | Bomba de vacío | Vacuum pump | Pompe à vide |
| PPC | PCB Principal | Main PCB | PCB général |
| R1, R2 | Resistencias de Soldadura | Seal element | Résistances de soudure |
| TCL | Teclado | Keyboard | Clavier |
| T1,T2 | Transformadores de Soldadura | Seal transformer | Transformateurs de soudure |
| M1, M2 | Contactos placa bomba de vacío | Vacuum pump plate contacts | Contacts carte-pompe à vide |
| S1, S2 | Contactos placa soldadura | Sealing plate contacts | Contacts carte-soudure |
| CS | Contacto placa común salidas | Common exits plate contact | Contact carte commune-sorties |
| ES,EV,EA,ED,EG | Contactos placa salidas electrovávulas | Electrvalves exits plate contacts | Contacts carte - sorties électrovannes |
| CON2 | Conector salidas placa | Exits plate connector | Connecteur sorties plaques |
| NP, LP | Contactos alimentación placa | Feed plate contacts | Contacts alimentation carte |
| CON1 | Conector alimentación placa | Feed plate connector | Connecteur alimentation carte |
| MP | Contacto placa microrruptor tapa | Lid microswitch plate contact | Contact carte microrrupteur cloche |
| Vdr | Varistor | Varistor | Varistor |
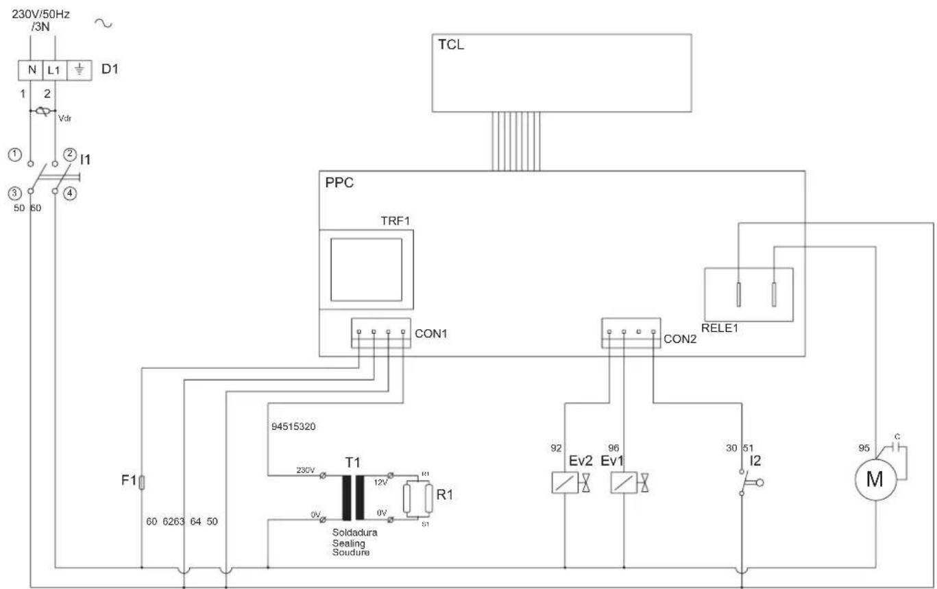
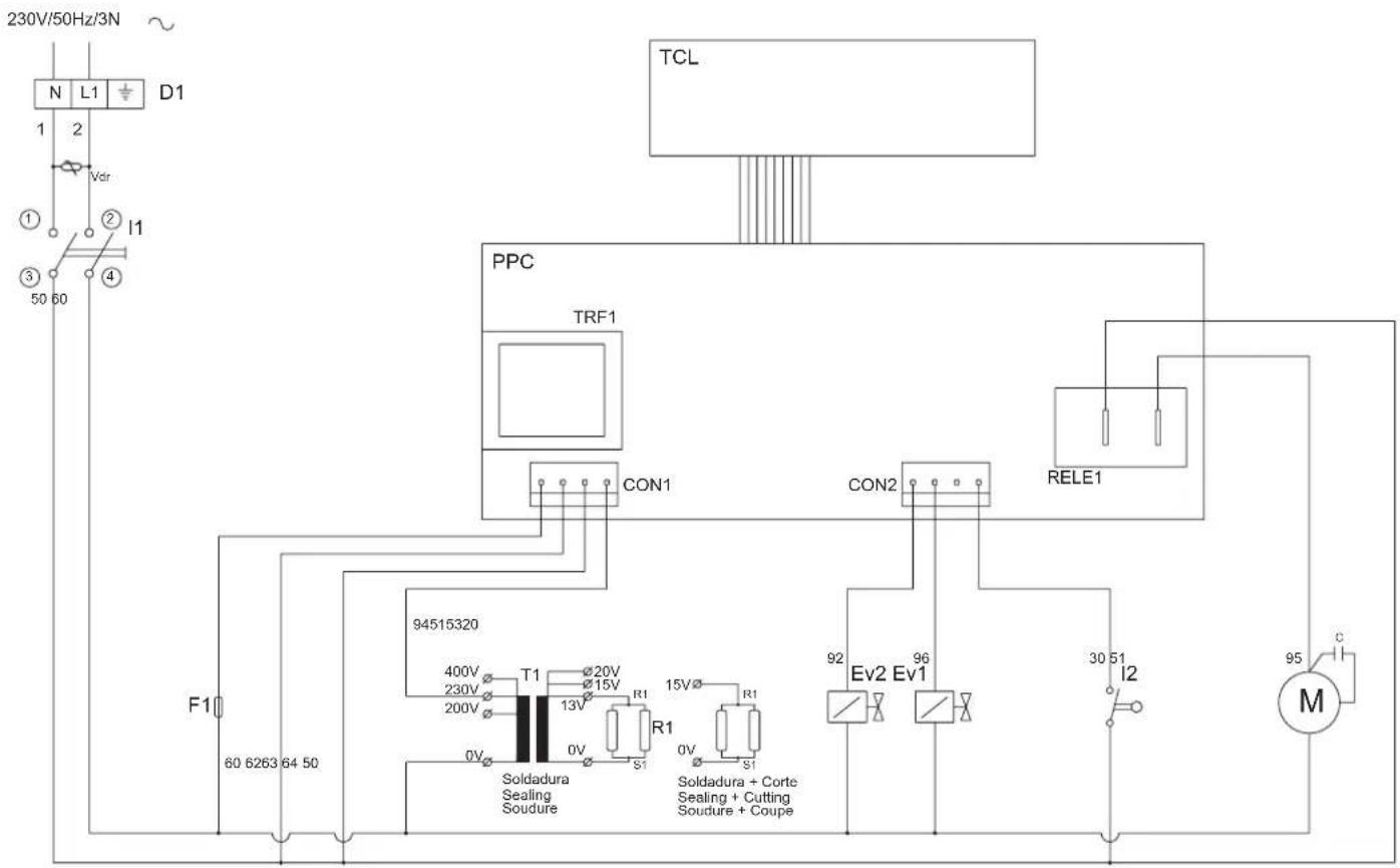
V-204T / V-253T

text_image
230V/50Hz /3N D1 N L1 1 2 Vdr ① ② I1 ③ ④ 50 60 TCL PPC TRF1 CON1 CON2 RELE1 F1 60 6263 64 50 94515320 230V 12V R1 0V 0V S1 Soldadura Sealing Soudure R1 92 Ev2 Ev1 30 51 I2 M 95 C
text_image
230V/50Hz/3N N L1 D1 1 2 Vdr ① ② I1 ③ ④ 50 60 TCL PPC TRF1 CON1 CON2 RELE1 F1 60 6263 64 50 94515320 400V 230V 20V 15V R1 200V 13V 0V S1 Soldadura Sealing Soudure Soldadura + Corte Sealing + Cutting Soudure + Coupe EV2 EV1 30 51 I2 M
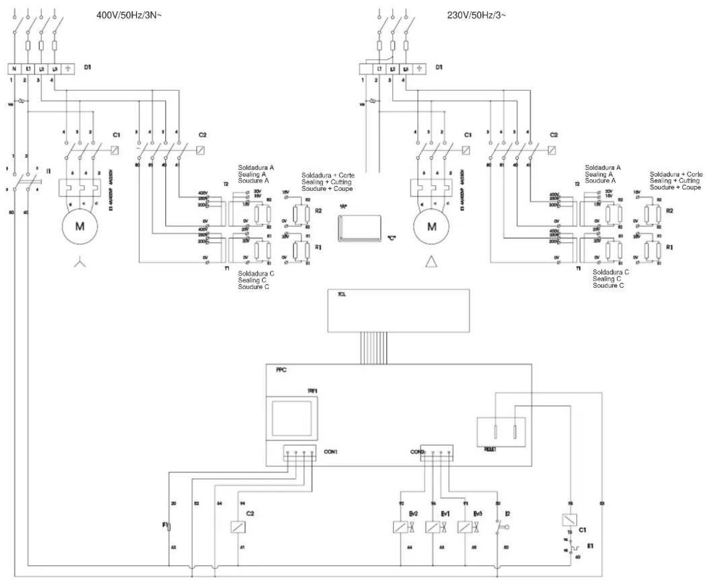
text_image
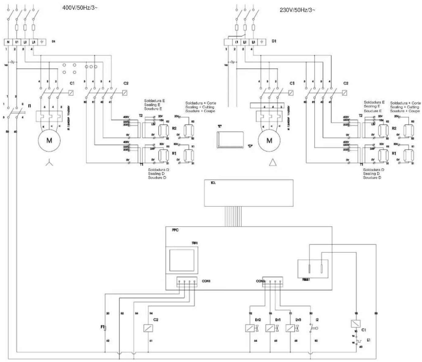
400V/50Hz/3N~ 230V/50Hz/3~ N L1 L2 L3 D1 1 2 3 4 M C1 E1 WINDP A200V C2 T2 Soldadura A Sealing A Soucure A Soldadura + Corte Sealing + Cutting Soucure + Coupe R2 M C1 E1 WINDP A200V C2 T2 Soldadura A Sealing A Soucure A Soldadura + Corte Sealing + Cutting Soucure + Coupe R1 Solladura C Sealing C Soucure C T1 Solladura C Sealing C Soucure C T1 Solladura C Sealing C Soucure C T2 Solladura + Corte Sealing + Cutting Soucure + Coupe R2 Solladura + Corte Sealing + Cutting Soucure + Coupe T1 Solladura C Sealing C Soucure C T2 Solladura + Corte Sealing + Cutting Soucure + CoupeV-821T

flowchart
graph TD
subgraph Power Supply
A["400V/50Hz/3~"] --> B["M"]
C["230V/50Hz/3~"] --> D["D1"]
E["Soldadura E Sealing E Soudure E"] --> F["T2"]
G["Soldadura + Corte Sealing + Cutting Soudure + Coupe"] --> H["R2"]
I["Soldadura D Sealing D Soudure D"] --> J["R1"]
end
subgraph Control Circuit
K["IPC"] --> L["CON1"]
K --> M["CON2"]
K --> N["REEL1"]
K --> O["EV1"]
K --> P["EV2"]
K --> Q["C1"]
K --> R["E1"]
end
style A fill:#f9f,stroke:#333
style C fill:#f9f,stroke:#333
style E fill:#f9f,stroke:#333
style I fill:#f9f,stroke:#333
style K fill:#ccf,stroke:#333
style L fill:#cfc,stroke:#333
style M fill:#cfc,stroke:#333
style N fill:#cfc,stroke:#333
style O fill:#cfc,stroke:#333
style Q fill:#cfc,stroke:#333
style R fill:#cfc,stroke:#333
style T fill:#fcc,stroke:#333
style U fill:#fcc,stroke:#333
style V fill:#fcc,stroke:#333
style W fill:#fcc,stroke:#333
style X fill:#fcc,stroke:#333
style Y fill:#fcc,stroke:#333
style Z fill:#fcc,stroke:#333
style AA fill:#fcc,stroke:#333
style AB fill:#fcc,stroke:#333
style AC fill:#fcc,stroke:#333
style AD fill:#fcc,stroke:#333
style AE fill:#fcc,stroke:#333
style AF fill:#fcc,stroke:#333
style AG fill:#fcc,stroke:#333
style AH fill:#fcc,stroke:#333
style AI fill:#fcc,stroke:#333
style AJ fill:#fcc,stroke:#333
style AK fill:#fcc,stroke:#333
style AL fill:#fcc,stroke:#333
style AM fill:#fcc,stroke:#333
style AN fill:#fcc,stroke:#333
style AO fill:#fcc,stroke:#333
style AP fill:#fcc,stroke:#333
style AQ fill:#fcc,stroke:#333
style AR fill:#fcc,stroke:#333
style AS fill:#fcc,stroke:#333
style AT fill:#fcc,stroke:#333
style AU fill:#fcc,stroke:#333
style AV fill:#fcc,stroke:#333
style AW fill:#fcc,stroke:#333


SAMMIC
AENOR

Empresa Registrada
Registrada ER-0437/1/96


UNE-EN ISO 9001
SAMMIC, S.L. (Sociedad Unipersonal) Basare, 1 - 20720 AZKOTIA- www.sammic.com
10-08 - 2141022/1
ManualFácil