LKWOBG1418SS - Fontaine a eau Elkay - Notice d'utilisation et mode d'emploi gratuit
Retrouvez gratuitement la notice de l'appareil LKWOBG1418SS Elkay au format PDF.
| Caractéristiques Techniques | Évier en acier inoxydable, dimensions 35,6 x 45,7 x 17,8 cm, profondeur de cuve de 45,7 cm, finition brossée. |
|---|---|
| Utilisation | Conçu pour une utilisation dans les cuisines résidentielles et commerciales, idéal pour le lavage des ustensiles et la préparation des aliments. |
| Maintenance et Réparation | Facile à nettoyer, résistant aux taches et à la corrosion. Recommandé d'utiliser des nettoyants doux pour préserver la finition. |
| Sécurité | Évier conçu pour résister à des températures élevées, ne pas utiliser d'objets tranchants sur la surface pour éviter les rayures. |
| Informations Générales | Compatible avec la plupart des systèmes de plomberie standard, garantie limitée du fabricant. |
FOIRE AUX QUESTIONS - LKWOBG1418SS Elkay
Questions des utilisateurs sur LKWOBG1418SS Elkay
0 question sur cet appareil. Repondez a celles que vous connaissez ou posez la votre.
Poser une nouvelle question sur cet appareil
Téléchargez la notice de votre Fontaine a eau au format PDF gratuitement ! Retrouvez votre notice LKWOBG1418SS - Elkay et reprennez votre appareil électronique en main. Sur cette page sont publiés tous les documents nécessaires à l'utilisation de votre appareil LKWOBG1418SS de la marque Elkay.
MODE D'EMPLOI LKWOBG1418SS Elkay
Manuel d'installation et d'utilisation
EZ™ & LZ™ Series Bottle Filling Stations & Coolers
EZ & LZ Stations de Remplissage de Bouteille Série et Refroidisseurs
RATED FOR COMMERCIAL USE ONLY
CLASIFICADO PARA USO COMERCIAL SOLAMENTE
Concus pour l'usage commercial seulement

Cet appareil peut etre utilise par des enfants ages de 8 ans et plus et des personnes avec dc capacitions ou le manque d'experiencie et de connaissances physiques, sensorielles ou mentales reduites si elles ont ete supervisees ou instructions concernant l'utilisation de I'appareil d'une maniere sure et comprende les dangers impliquer. Les enfants ne doivent pas jouer avec I'appareil. Nettoyage et detretien de I'utiliser ne sont pas fabriqes par des enfants sans surveillance.
Note: Danger! Electric shock hazard. Disconnect power before servicing unit.
Nota: peligro! Peligro de descarga electrica. Desconecte antes de reparar la unidad.
Remarque : Danger ! Risque d'électrocution. Débrancher avant de réparer l'appareil.
Pictured is unit only without bottle fi Iler. En la Foto, la unidad solo sin relleno botella.
Sur la photo, est une unité seulement sans replissage de la bouteille.
Uses HFC-134A refrigerant
Usa refrigerante HFC-134A
Utilise du fl uide frigorigène HFC-134A

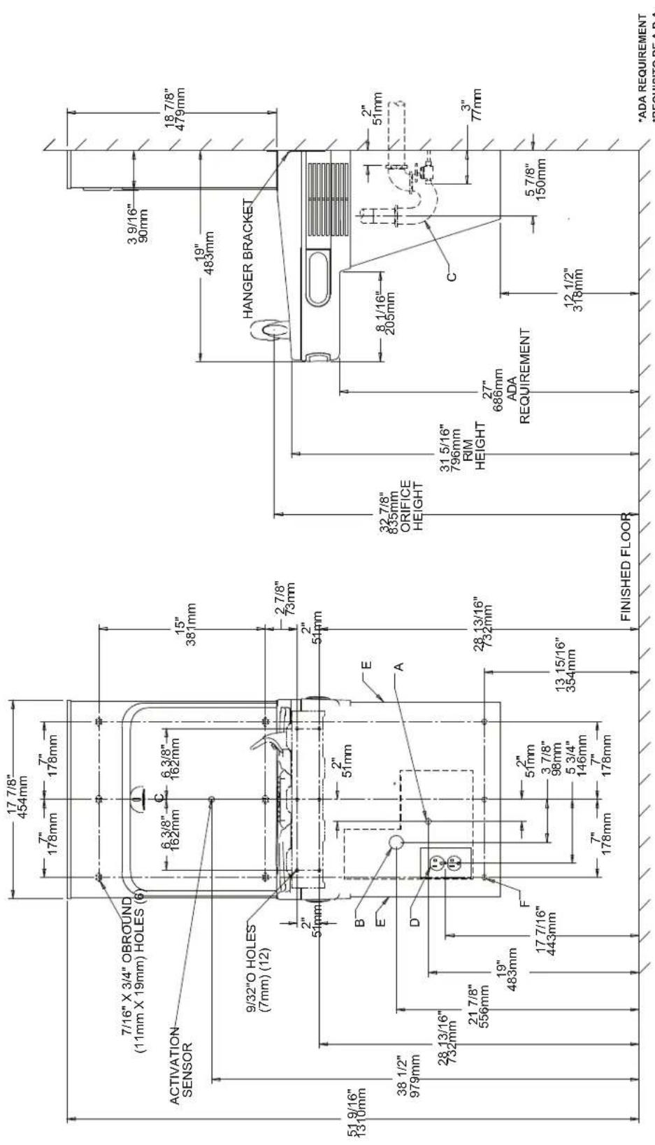
Fig. 1
REDUCE HEIGHT BY 3 INCHES FOR INSTALLATION OF CHILDREN'S ADA COOLER
Fig. 2

LEGEND/LEYENDA/LEGENDE
A = RECOMMENDED WATER SUP
POsION DE ABASTECIMIENTO DE DAGOVA RECOMENDADA:VALVOLA CER ENDOIT O APPROVISIONNEMENT EN EAU RECOMMANDE. LA VALVE ARR
NONPLAQUE.
UBICACION RECOMENDADA PARA EL DRENAGE DE SALIDA DE AGUA, DE 112 DE
EMPLOYMENT RECOMMENDATE FOR THE C
PURGADOR DE 1% NO PROPORCIONADO AGUEROS DE LAS TUERCAS DE 7/16 PARA SUETAR LA UNIDAD A LA PARED
SIRVON 148 NNN FCRNT
HANGER BRACKETS INSTALLATION
1) Retirez le support de suspension fixé au dos du refroidisseur en rerirant une (1) vis.
2) Montez le support de suspension comme indiquedans la fi gure 2.
REMARQUE: Le support de suspension doit être accroche sèrement. Renforce le soutien du mur par l'ajout d'un élément porteur fi xé si le mur ne peut pas, à lui tout seul, off rir un soutien suffi sans. Fixez le support au mur en utilisant des trous de fi xation de 6 pouées 14 de diamètre.
INSTALLATION DU REFROIDISSEUR
3) Pendez le refroidisseur au support de suspension. Assurez-vous que le support est correctement insere dans les emplacements au dos du refroidisseur, comme indiqued dans la fi gure 2.
4) Retirez les four (4) vis maintainant en place le panneau frontal au bas du refroidisseur. Retirez le capot inférieur en tirant vers le bas et metteze-le de cote.
5) Reliez l'alimentation en eau — Rêférez-vous à la remarque 4 des Instructions Générales.
6) Mettez en place le siphon. Retirez l'écrou coulissant et le joint statique du siphon et installez-les sur la conduite résiduaire du refroidisseur en vérifi ant bien que l'extrémité de la conduite résiduaire entre dans le siphon. Installez l'écrou coulissant et le joint statique au siphon et serrez fortement.
IMPORTANT: Au cas où il serait nécessaire de couper le drainage, déserrez la vis située sur la gaine noire en caoutchouc et retirez le tube, puis vérifie qu'il n'y a pas de fuites avant de remonter.
7) Installation de remplissage de bouteille par page (11).
8) Branchez l'alimentation electrique.
DEMARRAGE
Voir également le chapitre Instructions Générales
9) La pression de la vapeur a ete reglee en usiné à 35 psi. Si la pression d'approvisionnement change considérablement de ceci, ajustez la vis plac du cote gauche au-dessous de la barre de poussée ass'. sur la barre transversale Le reglage dans le sens des aiguilles d'une montre augmente le jet, et dans le sens inverse le diminue. Pour un meilleur reglage, le jet doit frapper le bassin à une distance d'environ 6 pouces et demi (165 mm) du barboteur sur la pente descendante du bassin.
REMARQUE: Si un fl ontinue se déclenché à la fi n du cycle de compression, tournez le Contrôle de refroidissement d'un quart de tour dans le sens inverse des aiguilles d'une montre.
10) Remettez le panneau frontal en place en vérifie ant que le couvre-joint metallique est bien installé à l'intérieur de l'enveloppe de protection supérieure. Revissez les four vis otées précédemment.
ENTRETIEN
Utiliser de I'eau tiéde savonneuse ou des produits de nettoyage domestiques doux pour nettoyer les pannaaux extérieurs des refroidisseurs EZ. Une prudence supplémentaire est requise lors du nettoyage du miroir ou des pannaux inox. Ces éléments peuvent se rayer facilement et doivent être uniquement nettoyés à l'aide de savon doux et d'eau ou de liquide nettoyant pour vitres Windex et d'un chiff on doux et propre. L'utilisation de produits chimiques corrosifs et de nettoyants abrasifs ou dérivés du petrole annulera la garantie constructeur.

Vue de dessous du bassin du Saint-Suaire
Emplacement de reglage hauteur Stream
Enveloppes de Protection Supérieure et Inférieure
Pour acceder au systeme de réfrigeration et aux raccords de plomberie, retirez les six vis situées au bas du refroidisseur pour referrer l'enveloppe inférieure.
Pour-retirer l'enveloppe supérieure ai n'd'avoir accès aux boutons-poussoir, au régulateur, à l'électrorobinet ou à tout autre composant situated au sommet de l'unité, retirees l'enveloppe inférieure, déconnectez le drain, retirez les quatre vis des pattes situées le long de l'arête inférieure de l'enveloppe supérieure, et débranchez les deux cables ainsi que le raccordement en eau.
Barboteur
Pour déposer le barboteur, débranchez d'abord l'alimentation électrique.
Le dessous du barboteur est accessible par le biais du panneau d'accès sur la face inférieure du collecteur d'air. Déposse le panneau d'accès en retirant la vis de retenue.
Pour déposer le barboteur, desserrez l'écrou de blocage du dessous du barboteur et retirez la tubulure à partir du raccord rapide conformément à la section Utilisation des raccords rapidos dans les instruction générales. Une fois le travail terminé, replacez le panneau d'accès et la vis de
Interrupteurs derrière le bouton-poussoir
Le refroidisseur EZ a un fonctionnement similaire a celui d'un capteur photo-electrique, dans le sens ou le regueur est always complètement ouvert mais ne dispense de l'eau que lorsque I'on presse le bouton-poussoir (composant 3). Un cléquet s'est produit quand l'interrupteur et I'electrorobinet se mettent en marche. Un seul écrou de régueur maintainé le régueur en position ouverte en permanence. Lors de l'installation de I'écrou, le dessort de détente doit être en position reliée pendant le réglage de I'écrou.
Afin de rétier les barres laterales, pressé les pattes évasées de l'intérieur et tirz doucement. Pour réinstaller les barres laterales, la partie avant est d'abord insérée. En gardant l'interrupteur reliéché, encastrez l'arrière du bouton-poussoir en position.

Fig. 3

Fig. 4 Fig. 5


Fig. 6

Fig. 7
REMARQUE:
Lors de L'installation du barboteur de remplacement ou du socle, serez la vis a fi n de maintainir les éléments en place.
Ne Pas Serrer Trop Fortement.

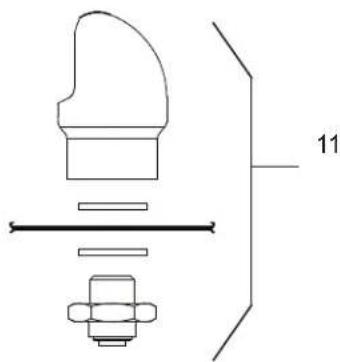
VR BUBBLER DETAIL VR DETALLE DEL GRIFO VR DETAIL DU BARBOTEUR
Fig. 13

PUSHING TUBE IN BEFORE PULLING IT OUT HELPS TO RELEASE TUBE

Fig. 14
WATERSENTRY PLUS FILTER EXPLODED VIEW
Fig. 15
| FILTER PARTS LIST | LISTA DE PIEZAS DEL FILTRO | LISTE DES PIEÇES DU FILTRE | ||
| ITEM NO. | PART NO. | DESCRIPTION | DESCRIPCIÑON | DESCRIPTION |
| 1 | 51300C | Filler Assy-3000 Gallon | Ensamblado del Filtró-3000 Galón | Ens. filtró-3000 Gallon |
| 2 | 000000746 | Assy-Filter & Bracket includes Filtr Head/Mtg Bkt/John Guest Ftgs/Screws | Conjunto del Filtró y Soporte,Incluye Filtró Soporte/John GuestGuarniclones/Tornillos de Montaje de Cabeza | Assemblée-Filtré et Support Inclut Filtré/Montage Support/John Guest/Vis à Tête |
| 115V PARTS LIST/ 115V LISTA DE PIEZAS/ 115V LISTE DES PIÉCES | ||||
| ITEM NO. | PART NO. | DESCRIPTION DESCRIPCION DESCRIPION | PICKUP DESCRIPTION | PICKUP DESCRIPTION |
| 1 | 28401C | Hanger Bracket | Soporte Colgante | Support de Suspension |
| 2 | 0000001337 | Basin - Stainless Steel | Estanque - Acero Inoxidable | Basin - Inox |
| 3 | 36216C | Wiring - Front/Side Push Bar | Barra de Empujé de Cabledo-Frontal/Lateral | Barro Anti-Panqueç Câblage Avanti/Câté |
| 4* | 36322C | Compr - Service Pak 115V EMIS70HHR | Compriso Paque de Servicio 115V EMIS70HHR | Kit d'Entretten du Compresseur 115V EMIS70HHR |
| 5 | 56092C | Poly Tube - (Cut To Length) | Tuberia de Polletelliño (Corte à la Longitud) | Tubes - Polyéthylene (Couper à la Longueur) |
| 6 | 56229C | Assy - Shroud - Upper (Front Side Push) | Cubierta - Superior (Frontal Lateral Presion) | Enveloppe de Protection - Supérieure (Face Laterel |
| 7 | 66703C | Drier | Sacador | Poussoré) Deshydratateur |
| 8 | 1000001877 | Kit - Drain Replacement EZ (BF) | Kit - Reemplazo de Drenaje (EZ)/Soporte/Tubo/Guar- nación de Tubo/Abrazadora | Kit - Remplacement de Drain (EZ)/Support/Tube/ Raccord de Tube/Bride Pour Tuyau |
| 9 | 55996C | In-Line Strainer | En Line Strainer | Filtre à eau en ligne |
| 10 | 1000004572 | Kit - Solenol Valve/Regulator Assay | Kit - Montaje del Regulador/Valvula Solenoide | Kit - Solenoide de la Varne/Regulator |
| 11 | 56073C | Kitt - Flexi Bubbler/O-C'-Ring/Nut | Kitt - Flexi Borboteador/Oring/Teurca | Kitt - Flexi Barboteur/Oring/Noix |
| 12 | 97446C | Kitt - Vandal Resistant Bubbier | Kitt - Grifo Resistente al Vandalismo | Kitt - Barboteur Anti-Vandalisme |
| 13 | 98734C | Kitt - Pushbar (Front/Side) | Kitt - Manillar (Frontal/Lateral) | Kitt - Barbe de Poussoie (Avanti/Câté) |
| 14 | 1000001600 | Kitt - Pushbar (Front) | Kitt - Manillar (Frontal) | Kitt - Barbe de Poussoie (Avanti) |
| 15 | 98773C | Kitt - Cold Control/Scrves | Kit - Control del Enfiernimiento/Tomilio | Kit - Contrôle de Refroidissement/Vis |
| 16 | 98774C | Kitt - Internal Wiring/Pwr Cord/Black and White Jumper Wires | Kit - Cablado Alto/Interno/Cable/No Negro Y Blanco Puente | Kit - Cablado Interno/Cable d'Alimentation/Noir et Flits de Raccordement Blanc |
| 17 | 98775C | Kitt - Fan Motor Assy/Blade/Mtr/Shroud/Screws/Nut | Kit - Ventilator Motor Montaje/Hojra/Motor/Cubierta/Tomillos/Tuercia | Kit - Ventilator Motor Assemblée/Lame/Motor/Cache/Vis/Errou |
| 18 | 98776C | Kit - Condensor/Drier | Kit - Condensador/Secador | Kit - Condensor/Schoair |
| 19 | 98777C | Kitt - Compr Mgt Hwge/Grommets/Cips/Studs | Kit - Matériel de Montaje Compressor/Ojal/Pinza/Taquete | Kit - Montage du Compressor material/Joint d'échéante/Clip/Goujon |
| 20 | 98898C | Kitt - Hardware (EZ) | Kit - Intercambiador Térmico/Secador | Kit - Echantiger Thermique/Deshydratateur |
| 21 | 98724C | Kitt - Elect/Relay/Overload/Cover | Kit - Relé/Sobrecarga/Cubierta | Kit - De Visserie (EZ) |
| 22 | 9800002062 | Kitt - Evaporator Assembly | Montaje del Kev-Evaporator | Assemblée de L'évaporateur en Kit |
| 23 | 1000001602 | Kit - 75583C Elbow 5/16" x 1/4" x 3/8" (3 Pack) | Tee - 1/4" x 1/4" x 3/8" (paque de 3) | Tee - 1/4" x 1/4" x 3/8" (Pack de 3) |
| 24 | 36287C | Power Cord EZSB | Kit - 75583C Elbow 5/16" x 1/4" (paque de 3) | Cable electroico EZSB |
| 25 | 35980C | Power Cord Non-Refrigerated | Cable electroico L/R | Cordon d'Alimentation L/R |
| 26 | 1000001812 | Kitt - Bottle Filter Drain (EZ) | Kit - de Drenaje de Llenada de la Botella (EZ) | Kit - de Rempillassage de Bouteille de Vidange |
| 27 | 1000004564 | Kitt - Regulator w/Holder & Nut | Kitt - regulator con soporte y la tvorca | Kit - regulator avec support et écrou |
| 28 | 0000001339 | Ferrule-Drain (BF) | Ferrule-Drenaje (Llenadora de botellas) | Bague-Drain (repulsance de la bouteille) |
| 29 | 36300C | Jumper Wire (Yellow) | Cable - Puente (Amarillo) | Cable - Cavalier (Jaune) |
| 30 | 27416C | Wrapper - Stainless | Envolutra - Acero inoxidable | Couvre-joint - Inox |
| 31 | 27413C | Wrapper - Light Grey | Envolturna - Gris claro | Couvre-joint - Gris Clair |
| 32 | See Filter Table | Water Filter Kit (When Provided) | Kit de Filtrato de Agua (Cuando Provisto) | Kit de Filtrato d'Eau (Si Foumi) |
| NS = NOT SHOWN | ||||
| 220V PARTS LIST/ 220V LISTA DE PIEZAS/ 220V LISTE DES PIÉCES | ||||
| ITEM NO. | PART NO. DESCRIPTION DESCRIPCION DESCRIPCION | |||
| *4 | 1000002147 | Compressor Serv. Pak (220v/50Hz) | Compressor Paque de serviceo 220v/50Hz) | Kit d'Entreltin du Compresseur (220v/50Hz) |
| 10 | 1000002146 | Compressor Serv. Pak (220v/50Hz) | Compressor Paque de serviceo 220v/50Hz) | Kit d'Entreltin du Compresseur (220v/50Hz) |
| 15 | 31431C | Kitt - Solenol Valve/Regulator Assy | Kit - Montaje del Regulador/Valvula Solenoide | Kit - Solenoide de la Varne/Regulator |
| 20 | 98751C | Kitt - Regulator w/Holder & Nut | Kitt - Regulator con soporte y la tvorca | Kit - Regulator with support and écrou |
| 21 | 98752C | Kitt - Relay/Overload/Cover (220v/50Hz) | Kitt - Relé/Sobrecarga/Cubierta (220v/50Hz) | Kit - Relais/Surcharge/Relais Coiffe (220v/50Hz) |
| 22 | 36004C | Wire - Jumper (White) | Cable - Puente (Branco) | Cable - Cavalier (Blanc) |
| NS | 36066C | Internal Power Cord | Cable de alimentacion intermo | Cordon d'Alimentation interme |
| NS | 36067C | Internal Power Cord Non-Refrigerated | Cable de alimentacion intermo L/R | Cordon d'Alimentation interme L/R |
| NS | 28030C | Brt - Power Inlet | Soporte - Entrada De Eléctric | Support - Entrada d'alimentation |
| NS | 35826C | Inlet Power | Entrada De Eléctric | Entrada d'alimentation |
| NS | 36300C | Jumper Wire (Yellow) | Cable - Puente (Amarillo) | Cable - Cavalier (Jaune) |
| NS = NOT SHOWN *INCLUDE RELAY & OVERLOAD. IF UNDER WAR- RANTY, REPLACE WITH SAME COMPRESSOR USED IN ORIGINAL ASSEMBLY. NOTE: All correspondence pertaining to any of the above water coolers or orders for repair parts MUST include Model No. and Serial No. of cooler, name and partnumber of replacement part. | ||||
| BOTTLLE FILLER REPLACEMENT PART KITS | ||||
| ITEM NO. | PART NO. DESCRIPTION DESCRIPCION DESCRIPCION | |||
| NS | 98543C | Kit - Electrical Package 115V | Paquete Kit - Eléctrico 115V | Forfait Kit - Electriqueso 115V |
| NS | 98631C | Kit - Electrical Package 220V | Paquete Kit - Eléctrico 220V | Forfait Kit - Electriqueso 220V |
| NS | 98544C | Kit - IR Sensor | Sensor Kit - IR | Kit - Recepteur IR |
| NS | 1000004573 | Kit - BF Solenol Valve Replacement 115V | Reemplazo de la Valvula de Solenoide Kit 115V | Remplazmente de la Valve Solenoide - Kit 115V |
| NS | 1000004574 | Kit - BF Solenol Valve Replacement 220V | Reemplazo de la Valvula de Solenoide Kit 220V | Remplazmente de la Valve Solenoide - Kit 220V |
| NS | 98546C | Kit - Aerator Replacement | Reemplazo Kit - Alreider | Remplazmente du Kit - Aéraleur |
| 29 | 98547C | Kit - Top Cover Replacement | Kit - Tapa Cubierta Reemplazo | Remplazmente du Kit - Top Couvercle |
| NS | 98549C | Kit - Hardware & Waterway Parts | Piezas del Kit - De Hardware y Por Via Navegable | Piezas Kit - Matériel et Vale Navigable |
| NS | 98551C | Kit - Filter Mounting Cover | Cubierta del Filtrato de Kit - De Montaje | Couvercle de Filtrato - Kit Montage |
| NS | 98552C | Kit - Retro Filter Mounting | Mortaje de Filtrato Kit - Retro | Mortaje de Retro - Kit Filtrate |
| NS | 1000001813 | Kit - Tower/Basin Gasket | Kit - Torra/Cuena Junta | Kit - Tour/Collecteur |
| FOR PARTS, CONTACT YOUR LOCAL DISTRIBUTOR OR CALL 1.800.834.4816 PARA OIBETEN DES PIEÇAS, CONTACTEZ VOTRE DISTRIBUTEUR LOCAL OLLAME AL 1.800.834.4816 POUR OBTEMEN DES PIEÇES, CONTACTEZ VOTRE DISTRIBUTEUR LOCAL OU COMPOSEZ LE 1.800.834.4816 PRINTED IN U.S.A. NUMERO GRÁS DEL ELEJU. IMPRESS AUX US. | ||||
Notice Facile