Hanwha SNP6230RH - Caméra de surveillance

SNP6230RH - Caméra de surveillance Hanwha - Notice d'utilisation et mode d'emploi gratuit

Retrouvez gratuitement la notice de l'appareil SNP6230RH Hanwha au format PDF.

📄 174 pages Français FR 💬 Question IA 10 questions ⚙️ Specs
Notice Hanwha SNP6230RH - page 2
Voir la notice : Français FR English EN
Caractéristiques techniques Caméra de surveillance IP, résolution 2MP, vision nocturne, objectif motorisé, angle de vue 105°.
Utilisation Idéale pour la surveillance intérieure et extérieure, compatible avec les systèmes de gestion vidéo.
Maintenance et réparation Vérifier régulièrement les mises à jour du firmware, nettoyer l'objectif pour une meilleure qualité d'image.
Sécurité Chiffrement des données, accès sécurisé par mot de passe, possibilité de configuration des alertes de mouvement.
Informations générales Alimentation par PoE, compatible avec les applications mobiles, garantie constructeur de 2 ans.

FOIRE AUX QUESTIONS - SNP6230RH Hanwha

Comment réinitialiser ma caméra Hanwha SNP6230RH aux paramètres d'usine ?
Pour réinitialiser votre caméra, localisez le bouton de réinitialisation sur l'appareil. Maintenez-le enfoncé pendant environ 10 secondes jusqu'à ce que les voyants clignotent. Cela réinitialisera la caméra aux paramètres d'usine.
Pourquoi ma caméra Hanwha SNP6230RH ne se connecte-t-elle pas au réseau Wi-Fi ?
Vérifiez que le mot de passe du réseau Wi-Fi est correct et que la caméra est à portée du routeur. Assurez-vous également que le routeur n'a pas de restrictions d'accès pour de nouveaux appareils.
Comment mettre à jour le firmware de ma caméra Hanwha SNP6230RH ?
Téléchargez la dernière version du firmware depuis le site officiel de Hanwha. Connectez-vous à l'interface web de la caméra, allez dans la section 'Mise à jour du firmware' et suivez les instructions pour télécharger le fichier.
Que faire si je ne peux pas accéder à l'interface web de ma caméra ?
Vérifiez que votre ordinateur est connecté au même réseau que la caméra. Essayez de redémarrer la caméra et votre routeur, puis essayez de vous reconnecter en utilisant l'adresse IP correcte.
Comment ajuster la qualité d'image de ma caméra Hanwha SNP6230RH ?
Connectez-vous à l'interface web de la caméra, allez dans les paramètres vidéo et ajustez la résolution, le taux de bits et d'autres paramètres selon vos préférences.
Pourquoi ma caméra Hanwha SNP6230RH ne détecte-t-elle pas les mouvements ?
Assurez-vous que la fonction de détection de mouvement est activée dans les paramètres de la caméra. Vérifiez également si les zones de détection sont correctement configurées et si les seuils de sensibilité sont appropriés.
Comment configurer les notifications d'alerte sur ma caméra Hanwha SNP6230RH ?
Accédez aux paramètres d'alerte dans l'interface web de la caméra. Activez les notifications et configurez les paramètres pour recevoir des alertes par e-mail ou via une application mobile.
Ma caméra Hanwha SNP6230RH est-elle compatible avec des systèmes de stockage en nuage ?
Oui, la caméra est compatible avec plusieurs services de stockage en nuage. Consultez la documentation de la caméra pour plus d'informations sur la configuration des options de stockage.
Comment résoudre les problèmes de vision nocturne de ma caméra Hanwha SNP6230RH ?
Vérifiez que le mode nuit est activé dans les paramètres. Assurez-vous également que l'environnement est suffisamment sombre pour activer les fonctions infrarouges de la caméra.
Où puis-je trouver des accessoires pour ma caméra Hanwha SNP6230RH ?
Les accessoires peuvent être achetés sur le site officiel de Hanwha ou auprès de détaillants spécialisés en électronique et en sécurité. Assurez-vous d'acheter des accessoires compatibles avec votre modèle.

Questions des utilisateurs sur SNP6230RH Hanwha

0 question sur cet appareil. Repondez a celles que vous connaissez ou posez la votre.

Poser une nouvelle question sur cet appareil

L'email reste privé : il sert seulement à vous prévenir si quelqu'un répond à votre question.

Aucune question pour l'instant. Soyez le premier à en poser une.

Téléchargez la notice de votre Caméra de surveillance au format PDF gratuitement ! Retrouvez votre notice SNP6230RH - Hanwha et reprennez votre appareil électronique en main. Sur cette page sont publiés tous les documents nécessaires à l'utilisation de votre appareil SNP6230RH de la marque Hanwha.

MODE D'EMPLOI SNP6230RH Hanwha

Manuel d'utilisation

SNP-6230RH

Hanwha SNP6230RH - 1

Caméra Réseau

Manuel d'utilisation

© 2015 Hanwha Techwin Co., Ltd. Tous droits réservés.

Marque commerciale

Chaque marque déposée ci-dessus est enregistrée. Les noms de ce produit et d'autres marques de commerce mentionnées dans ce manuel sont les marques déposées de leurs sociétés respectives.

Restriction

Le droit d'auteur de ce document est réservé. Enaucun cas ce document ne doit etre reproduit, distribue ou modifie, partiellement ou entierelement, sans l'autorisation formelle.

Clause de non responsabilité

Samsung fait de son moyen pour vérifi er l'integrité et l'exactitude des contenus de ce document, mais aucune garantie formelle ne sera fournir a cet effet. L'utilisation de ce document et les résultats subsequentes seront entierement de la responsabilité de l'utilisateur. Samsung se reserve le droit de modifi er les contenus de ce document sans avis préalable.

La conception et les caractéristiques techniques sont susceptibles d'être modifiées sans préavis.
L'ID initial de I'administrateur initi est "admin" et le mot de passage doit etre definei lors de la premiere connexion. Veuillez changer voit me mot de passage tous les trois mois afin de proteger les renseignements personnels sans risque et afin de prevenir les dommages du vol d'informations. Veuillez prend note que I'utiliseur est responsable de la sécurité et des autres problemes causes par une mauvaise gestion du mot de passage.

instructions importantes relatives à la sécurité

  1. Veuillez dire ces instructions.
  2. Conserve ces instructions.
  3. Prétez attention à tous les averissements.
  4. Veuillez suivre toutes les instructions.
  5. N'utilisez pas cet apparéil à proximité de l'eau.
  6. Nettoyez-le avec un tissu sec.
  7. N'obstruez pas les ouvertures de ventilation.
    Procedez à l'installation conformément aux instructions du fabricant.
  8. Ne pas installer l'appareil à proximé de sources de chaleur comme les radiateurs, les registres de chaleur et les autres appareils (incluant les amplificateurs) produitant de la chaleur.
  9. Veillez à vous conformer aux sécurités des prises de terre et polarisées. Une prise dite polarisée est composée de deux fiches, une plus large que l'autre. Une prise de terre est composée de deux fiches et d'une troisième fiche pour la terre. La troisième fiche, plus large que les deux autres, est fournie pour votre sécurité. Si la prise qui vous est fournie ne correspond pas à votre prise murale, demandez à un électricien de replacer la prise obsolete.
  10. Veillez à ce que personne ne marche ou se prenne les pieds dans le cordon d'alimentation et particulièrement au niveau des fiches et des prises de courant et au niveau où ils se situent.
  11. N'utilisez que des accessoires ou des produits additionnels spécifiés par le fabricant.
  12. Utilisez uniquement un chariot, un socle, un trépied, un support ou une table recommends par le fabricant ou vendus avec l'appareil. Si vous utilisez un chariot, déplacez le chariot transportant l'appareil avec précaution afin d'éviter les blessures que pourrait entraîner un basculement accidentel.
  13. Débranchez cet apparéil en cas d'orage ou de non-utilisation prolongée.
  14. Veuillez faire appel au personnel qualifié pour tous travaux de maintenance. Les travaux de maintenance sont nécessaires si l'appareil a été endommagé de chaque manière que ce soit, comme cordon d'alimentation endommagé, liquide repandu, objets tombés sur l'appareil, apparéil exposé à la pluie et à l'humidité, il ne fonctionne pas normalement ou est tombé par terre.
  15. Ce produit est concu pour être alimenté par une source d'alimentation marquee « LPS » ou « Class 2 » avec un courant de sortie de 24 Vac, 6 A.

Hanwha SNP6230RH - instructions importantes relatives à la sécurité - 1

avertissement

AFIN DE RÉDUIRE LE RISQUE D'INCENDIE OU DE DÉCHARGE ÉLECTRIQUE, N'EXPOSEZ PAS CET APPAREL À LA PLUIE NI À L'HUMIDITE. NE PAS INSÉRER D'OBJET METALLIQUE PAR LES FENTES DE VENTILATION OU TOUTE AUTRE OUVERTURE SITUÉE SUR L'ÉQUIPEMENT.

Veillez à éviter toute projection de liquide sur l'appareil et ne placez jamais sur celui-ci des recipients contenant des liquides, tels que des vases.

Pour éviter les blessures, cet apparéil doit être fermement fixé au mur/plafond conformément aux consignes d'installation.

attention

Hanwha SNP6230RH - attention - 1

attention

risQue De ecHoc electriQue ne pas ouvrir

Hanwha SNP6230RH - attention - 1

ATTENTION: POUR REDUIRE LES RISQUES DE CHOCSELECTRIQUES, NE RETIREZ PAS LE COUVERCLE (OU LA PARTIE ARRIERE) LES PIECES INTERIEURES NE SONT PAS ACCESSIBLES A L'UTILISATEUR. FAITES APPEL AU PERSONNEL DE MAINTENANCE QUALIFIE.

eXplication Des sYmBoles GraphHiQues

Hanwha SNP6230RH - eXplication Des sYmBoles GraphHiQues - 1

Le symbole de l'éclair se terminant par une flèche inscrit dans un triangle équilatéral sensibilise l'utilisateur à la présence d'une « tension élevée » au sein de l'unité, susceptible d'être suffisamment puissant pourprésenter un risque de décharge électrique.

Hanwha SNP6230RH - eXplication Des sYmBoles GraphHiQues - 2

Le symbole de point d'exclamation inscrit dans un triangle équilatéral sensibilise l'utilisateur à la présence d'importantes instructions de fonctionnement et de maintenance (entretien et réparation) dans la documentation accompagnant l'appareil.

Batterie

Les batteries (module batterie ou piles installées) ne doivent pas être exposées à des températures excessives, telles que la chaleur du soleil, le feu ou toute autre source de même type.

ATTENTION

Il existe un risque d'explosion si la batterie est remplaçaee par une autre de modèle incorrect.

Éliminez les batteries usagées conformément aux instructions.

Les instructions d'entretien sont fournies à l'intention d'un personnel qualifié exclusivement.

Pour réduire les risques de chocs électriques, ne procédez pas à des réparations autres que celles qui sont indiquées dans les instructions de fonctionnement, à moins que vous ne soyez qualifié pour ce faire.

La sortie composite de l'appareil est fournie afin de facilititer l'installation et n'est pas recommandee a des fins de surveillance.

Veuillez utiliser l'alimentation en entrée sur une seuleamera, les autres périphériques ne doivent pas'être connectés.

L'ITE ne doit être connecté que sur un réseau PoE sans routage vers l'alimentation extérieure.

Veuillez tire attentivement les consignes de sécurité recommandées ci-après.

  • Ne placez pas cet apparéil sur une surface inégale.
  • Ne placez pas cet apparéil à proximité de matérielux conducteurs.
  • N'essayez de réparer cet apparéil vous-même.
  • N'installez pas le produit à proximité de sources magnétiques.
  • Ne bloquez pas les ouvertures de ventilation.
  • Ne placez pas d' éléments lourds sur le produit.
  • N'exposez pas laamera à la radioactivité.

Le guide de l'utilisateur est un manuel d'instructions portant sur l'utilisation du produit.

La signification des indications fournies dans le manuel est comme suit.

  • Référence : Dans le cas de la fourniture d'informations pour aider à l'utilisation du produit.
  • Notification : En cas de risques d'endommagement du produit et de blessures à l'utilisateur provoqués par le non respect des instructions fournies.
  • Veuillez dire ce manuel et notamment les passages liés à la sécurité du produit, et gardez-le en lieu sûr.

pRésenTaTion

3

insTaLLaTion eT Connexion

16

Connexion eT ConfiguRaTion Réseau

31

3 Instructions Importantes
Relatives à la Sécurité
9 Caracteristiques du Produit
10 Spécifications PC Recommendées
11 Spécifications Carte mémoire SD/ SDHC/SDXC Recommendées
11 NAS - Indications du fabricant
12 Contenu
13 D'un Coup d'eel
18 Connexion à d'autres Periphériques
20 Installation
28 Insérer/Retirer une carte Mémoire SD
30 Informations sur la carte Mémoire (Non Incluse)
31 Connecter la Caméra Directement au Réseau de Zone Locale
32 Connexion de la Caméra
Directement à un Modem DSL/
Câble Base Sur le Protocole
DHCP
33 Connexion de la Caméra Directement à un Modem PPPoE
34 Connecter la Caméra au Routeur Large Bande par le Modem PPPoE/Cable
35 Boutons Utilisés Sous IP Installer
36 Configuration de l'adresse IP Fixe
40 Configuration de l'adresse IP Dynamique
41 Configuration de la Redirection de la Plage de Ports (Mappage de Ports)
43 Connexion à la Caméra Depuis
Un Ordinateur Local Partagé
43 Connexion à la Caméra Depuis
Un Ordinateur Distant Via Internet

visionneuR web

44

44 Connexion à la Caméra
45 Reglage du mot de passer
46 Login
47 Installation du Module STW WebViewer
49 Utilisation de l'écran Direct
54 Lire la video enregistrée

éCRan de ConfiguRaTion

61

61 Configuration
61 Configuration de base
71 Configuration PTZ
84 Configuration Video et Audio
98 Configuration Réseau
107 Configuration d'évenement
112 Guide du serveur de stockage en réseau (NAS)
130 Configuration du Systeme
136 Affichage des informations de profil

annexes

137

137 Réglage du commutateur DIP
139 Câblage de laamera
140 Spécifications
145 VueduProduit
146 Résolution de Problèmes
148 Open Source Announcement

  • Qualité video Full HD
  • Lecture en transit multiple

Cetteamera reseau peut afficher des videos en différentes qualités et résolutions simultanément, en utilisant plusieurs CODEC.
- Surveillance basée sur navigateur Web

Utilisation du navigateur Web pour afficher l'image dans un environnement réseau local.
- Alarme

Si un événement se produit, laamera envoie les vidés correspondantes à l'adresse e -mail ou au serveur FTP enregistré par l'utilisteur, les enregistr de une carte SD ou un périhérique NAS, ou envoie le signal au port de sortie de l'alarme.
Détction de sabotage

Detecte les tentatives de sabotage sur la surveillance video.

  • Détction de mouvement

Detecte les mouvements depuis l'entrée video de laamera.

  • Analyse videoi intelligente

Analyse la videoa fin de détecter les événements logiques des conditions spécifiées depuis l'entrée video de laamera.

  • Détction de visage

Detecte les visages depuis l'entrée video de laamera.

  • Detection audio

Détecte un son plus élevé qu'un certain niveau spécifique par l'utilisateur.

  • Détection auto du réseau déconnecté

Detecte la déconnexion reseau avant le déclenchement de l'evénement.

Conformité ONVIF

Ce produit prend en charge le protocole ONVIF Profile-S.

Pour obtenir de plus amples informations, consultez le site Web www.onvif.org.

Hanwha SNP6230RH - annexes - 1

spécifications pc recommDées

  • CPU: Intel Core 2 Duo 2,6 GHz ou supérieur (pour une résolution de 1920x1080 30 ips)
    Intel Core i7 2,8 GHz ou supérieur (pour une résolution de 1920x1080 60 ips)

Le module Web est optimisé pour le jeu d'instruction SSE 4.1.
- Résolution : 1280X1024 pixels ou supérieure (Couleurs 32 bits)
- RAM:2GO ou supérieure
- Système d'exploitation pris en charge : Windows XP / VISTA // 8, MAC OS X 10.7

  • Navigateur pris en charge : Microsoft Internet Explorer (Ver. 8~11),

Mozilla Firefox (Ver. 9~19), Google Chrome (Ver. 15~25),

Apple Safari (Ver. 6.0.2(Mac OS X 10.8, 10.7 unique), 5.1.7) * Mac OS X unique

Windows 8 est uniquement pris en charge en mode Desktop.
Aucune version develloppeur ni version d'evaluation beta gerée, contrairement à la version disponible sur le site Web.
Il est recommandé d'effectuer la connexion à IPv6 dans Windows 7.
La camera ne prend pas en charge les paramètres d'affichage de compatibilité d'Internet Explorer.
Seul le navigateur Safari est supporté pour Mac OS X.

  • Mémoire video : 256MO ou supérieure

Hanwha SNP6230RH - spécifications pc recommDées - 1

Si le lecteur de la carte videographique n'est pas correctement installé ou si la version instalée n'est pas la plus récente, la video pourra ne pas s'executer correctement.
Sur les systèmes avec au moins deux écrans, les performances de lecture peuvent etre alterées.
- Nous vous conseillons d'utiliser la Specification d'ordinateur Intel Core 2-Duo 2,93 GHz ou supérieure dans un environnement de navigateurs multiples.

spécifications cartemémoire sD/sDHc/sDXc recommndées

  • Capacité recommandée : 4GO ~ 64GO

  • Pour votreamera, nous recommendons que vous utilisez une carte mémoire des fabricants suivants :

Carte mémoire SD/SDHC/SDXC : Sandisk, Transcend

  • Pour une vitesse d'enregistrement inférieure à 30 ips, il est recommendé d'utiliser une carte mémoire spécifique de Class 6 ou supérieure.
  • Pour une vitesse d'enregistrement supérieur à 31 ips, il est recommendé d'utiliser une carte mémoire spécifique de Class 10 UHS ou supérieur.

nas - inDications Du FaBricant

  • Capacité recommandée : On recommande 200GO ou plus.
  • Accès simultané : Un apparéil NAS peut accepter un maximum de seize accès deamera.
  • Pour cetteamera-ci, il est recommandé d'utiliser un NAS respectant les indications suivantes.
Produits recommandés Grandeurs disponibles
NAS NetgearLe nombre maximum de cameras pouvant avoir accès simultanément est de 16.
NAS SynologyLe nombre maximum de cameras pouvant avoir accès simultanément est de 16.

Hanwha SNP6230RH - nas - inDications Du FaBricant - 1

Lors de l'utilisation d'équipement NAS de Netgear, ne définisse pas de capacité d'utilisation.
- Si vous utilisez de l'équipment NAS à des fins autres que de la sauvegarde video, le nombre de caméras accessibles peut diminuer.

contenu

Veuillez vérifier si votreamera et l'ensemble de ses accessoires sont contenus dans l'emballage du produit.

Apparance Nom de l'élementQuantitéDescription
Corps principal 1
Manuel d'utilisation, CD du logiciel Installer1
Guide de prise en main rapide (En option)1
Carte de garantie (En option)1
Cable pour l'écran de test 1Permet de tester la connexion de la camera à un dispositif d'affichage portable
Vis hexagonale 3Permet de relier la base d'installation et la camera.
Clé à ouverture fixe (en forme de L)1Permet de fixer la base d'installation après l'avoir reliée à la camera.
Base de l'installation 1 Support de fixation pour l'extérieur
Accessoire d'imperméabilité 1Installer et utiliser à des emplacements très humides.

Apparance

Hanwha SNP6230RH - Apparance - 1

Élément Description
1Unité principale
2Couvercle de protection
3Cable de sécurité Le cable prévient toute chute de l'appareil lors de l'skeleton.

Hanwha SNP6230RH - Apparance - 2
Intérieur

Élément Description
1 Compartiment de la carte mémoire SDCompartiment de la carte mémoire SD. Veuillez vous reférer à <Insérer/retirer une carte mémoire SD> au regard de l'emplacement du logement de carte mémoire SD. (page 28)
2 Commutateur d'initialisationLaamera est réinitialisée aux paramètres d'usine. Pour plus de renseignements, vuillez vous reférer à <Mise à niveau/Redémarrage>. (page 131) Veuillez vous reférer à <Insérer/retirer une carte mémoire SD> au regard de l'emplacement du commutateur. (page 28)
3 Capteur d'éclairage Détecte la lumière reçue pour commander la diode infrarouge.
4 Diode infrarouge Ces diodes infrarouge sont commandées par le capteur d'éclairage.
5 Objectif Objectif de laamera.

Hanwha SNP6230RH - Apparance - 3
Vue d'en dessous de la base d'installation

Hanwha SNP6230RH - Apparance - 4
Vue interne de la base d'installation

Élément Description
1Ports de communication et ports AUX
2Port d'entrée audio Permet de connecter le cable d'entrée audio.
3Port de sortie audio Permet de connecter le cable de sortie audio.
4Port de sortie video Permet de sortie video analogue. (pour l'installation)
5Commutateur de configuration des communications
6Connexions réseau Utilisé pour connecter le cable LAN. (compatible 10/100 Mbps)
7Port d'alimentation Permet de connecter l'alimentation.
8Port E/S d'alarme Permet de connecter le cable E/S de l'alarme.

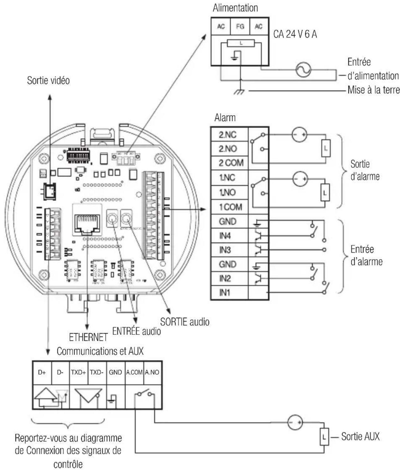
- Carte d'interface du cablage de la camera

Pour le câblage de laamera, veuillez consulter l'illustration ci-dessous.

Hanwha SNP6230RH - - Carte d'interface du cablage de la camera - 1

Hanwha SNP6230RH - - Carte d'interface du cablage de la camera - 2

La capacité d'alimentation maximale de l'alarme et des sorties AUX est respectivement de 30 V CC/2 A, 125 V CA/0,5 A et 250 V CA/0,25 A.
Lors de la connexion de l'entrée d'alarme et des cables de sortie, veillez à connecter un cable à chaque terminal.
- En cas de connexion de produits dépassant la capacité de laamera, veuillez utiliser un dispositif de relais supplémentaire.
- Connecter l'alimentation et la terre incorrectly au port de sortie de l'alarme peut entrainer un incendie et endommager laamera.

CONNEXION À D'AUTRES PÉRIPHÉRIQUES

Préparation de l'adaptateur et du cable

  • Branchez laamera sur l'adaptateur. Puis, branchez le cordon d'alimentation de l'adaptateur dans la prise murale.

Hanwha SNP6230RH - Préparation de l'adaptateur et du cable - 1

Vérifiez la tension et la puissance nominales avant d'effectuer les connexions.

Puisance nominale Tension d'entrée autorisée Consommation électrique
CA 24 V CA 22 V ~ 26 V 6 A

L'appareil ne peut etre utilise a une temperature ambiente de -50^ ou inférieure.

L'appareil peut ne pas etre degivre en fonction de la zone d'installation a -50^
Toujours laisser l'appareil en marche afin de maintainir une température interne de -10^ ou supérieure.
Si I'appareil est laissé seul dans un environnement a basse tempereature, il faudra ensuite attendre jusqu'à 3 heures afin qu'il fonctionne normalement.
La vitesse de zoom du variateur IR peut etre ralentie a -40^ ou dans un environnement plus froid.
Si l'appareil est allumé après avoir eté exposé à un environnement à -40°C ou inférieur pendant un certain temps, réinitialisez l'heure.

Résistance électrique constituée d'un fil de cuivre à [20°C (68°F)]

Calibre du fil de cuivre (AWG)N° 24 (0,22 mm²)N° 22 (0,33mm²)N° 20 (0,52mm²)N° 18 (0,83mm²)
Résistance (Ω/m) 0,078 0,050 0,030 0,018
Chute de tension (V/m) 0,0280,018 0,011 0,006
Distance recommangée (m) Moins de 20 Moins de30 Moins de 30 Moins de 30
  • Comme l'indique le tableau ci-dessus, vous pouvez être confronté à une baisse soudaine de tension selon la longueur du cable utilisé. Si avez recours à un cable excessivement long pour la connexion de la camera, celle-ci pourrait ne pas fonctionner normalement.

-Tension de fonctionnement de laamera : CA 24 V ± 10 %

  • Les mesures des chutes de tension figurant dans le tableau ci-dessus peuvent varier selon le type et le fabricant du cable en cuivre.

Connexion Ethernet

Connectez le cable Ethernet au réseau local ou à Internet.

Connexion du moniteur d'installation

Connectez le cable à la borne de sortie video située à l'arrière de laamera et à la borne d'entrée video du moniteur d'installation.

Hanwha SNP6230RH - Connexion du moniteur d'installation - 1

Le câblage varie selon les types de moniteur et de périhérique utilisés ; veuillez consulter le manuel d'utilisation de chacun des dispositifs concernés.
Assurez-vous que le moniteur et laamera sont desactivés avant de les relier.

Hanwha SNP6230RH - Connexion du moniteur d'installation - 2

  • Ce produit est uneamera reseau qui transfere les données video en reseau ; le terminal de sortie video sert à définir la gamme d'images de laamera, lors de l'installation.
    L'utilisation du terminal à des fins de contrôle risque d'entrainer certains problèmes, comme par exemple la dégradation de la qualité des images video.
    Il n'est pas adapté à la surveillance continue sur des moniteurs professionnels CRT ou des moniteurs portables TFT/LCD.
    Utilisez l'écran de transfert réseau aux fins de surveillance continue et de stockage.

INSTALLATION

Préparation et installation du support de laamera

Pour obtenir les instructions relatives à l'installation des supports et des boîtiers, consultez le manuel d'installation foumi avec le support ou le boîtier concerné.

  • Modèles de support disponibles
Modèle Élement
SBP-300WM1Monture au mur
SBP-300WM
SBP-300CM Monture au plafond
SBP-300LM Monture sur parapet
SBP-300KM Monture d'angle
SBP-300PM Monture sur poteau

Hanwha SNP6230RH - Préparation et installation du support de laamera - 1

  • Reportez-vous à la section « Accessoires en option pour l'installation » afin d'identifier les différents supports (dégroupés). (page 24)

Installation via une monture au mur

Fixation de la base d'installation à l'aide du support

  1. Fixez la base à l'aide du support en le faisant tourner dans le sens des aiguilles d'une montre.

Hanwha SNP6230RH - Fixation de la base d'installation à l'aide du support - 1

  1. Tel qu'indiqué dans l'illustration ci-dessous, appuyez doucement sur la poignée de la porte ferrée située dans la partie inférieure de la base d'installation et soulevez-la. Reportez-vous à la section « Carte d'interface du câblage de laamera » en page 16 pour connecter les cables.

Hanwha SNP6230RH - Fixation de la base d'installation à l'aide du support - 2

  • Ne branche pas laamera à la prise murale avant la fin de l'installation. Le branchement de l'alimentation en cours d'installation risque de provoquer un incendie ou d'endommager le produit.

Hanwha SNP6230RH - Fixation de la base d'installation à l'aide du support - 3
Poignée

Hanwha SNP6230RH - Fixation de la base d'installation à l'aide du support - 4

Vérifier la méthode de connexion du cable et installer.

Il convient de noter que les DOUILLES sont fournies pour les installations en extérieur spécialement exposées à des conditions d'humidité au niveau du TUBE ou de la FIXATION. Par conséquent, il est recommendé d'inclanger le BOITIER à l'aide des DOUILLES pour éviter que l'humidité ne penètre dans l'appareil.

Hanwha SNP6230RH - Fixation de la base d'installation à l'aide du support - 5

  • Appliquez sur la DOUILLE la dose de graisse appropriée avant le montage et faites passer les cables par les différents trous de douilles. Utilisez les BROCHES pour boucher les trous par lesquels aucun cable ne passe.

-Assemblez la DOUILLE sur la partie supérieure de l'intérieur du BOITIER, tel qu'illustré sur le schéma ci-dessous. À ce stade, appliquez une pression homogène sur la DOUILLE pour la fi xer fermement au BOITIER, tel qu'illustré sur le schéma.

Hanwha SNP6230RH - Fixation de la base d'installation à l'aide du support - 6

installation et connexion

  1. Connectez le cable de sécurité de la camera à la base d'installation.

Hanwha SNP6230RH - installation et connexion - 1

  1. Assemblez laamera et la base d'installation
    Assemblez laamera et la base d'installation en faisant correspondre les guides directionnels de l'installation.

Hanwha SNP6230RH - installation et connexion - 2

  1. Fixez laamera.
    Tournez le cadre de laamera dans le sens inverse des aiguilles d'une montre jusqu'à ce que les parties en saillie sur le cadre correspondent parfaitement à celles de la base d'installation.

Hanwha SNP6230RH - installation et connexion - 3

  1. Fixez fermement laamera et la base d'installation Fixez laamera et la base d'installation, tel qu'indiquedans l'illustration ci-dessous, a I'aide de 3 vis hexagonales.

Hanwha SNP6230RH - installation et connexion - 4

Remarques sur l'étanchéité

Ce modele est un boitier intégre destiné à l'installation extérieure.

  • En combinant le corps principal et le support mural pour une installation sur le mur

  • Installé le support mural sur un mur vertical. Lorsqu'il est installé sur un mur incliné, de l'humidité peut pénétrer dans le corps principal par l'intémediaire du cable externe.

  • Entourez les vis du boitier avec suffisamment de ruban en Teflon nécessaire pour le montage.
  • Veuillez vous assurer que le joint d'étanchéité n'est pas désassemblé du couvercle de protection lorsque celui-ci est déposé puis monté sur le corps du boîtier.
  • Installez l'adaptateur de montage mural pour l'étanchéité et appliquez un mastic silicone d'étanchéité entre et autour du mur et du support mural pour assurer l'étanchéité.

Prenez garde a ce qu'il y ait une bonne etanchete si la surface d'installation n'est pas plane.

Hanwha SNP6230RH - Remarques sur l'étanchéité - 1

Lorsque l'on combine le corps principal et l'adaptateur de support pour plafond pour une installation sur le mur

  1. Entourez les vis du boitier avec suffisamment de ruban en Teflon nécessaire pour le montage.
  2. Veuillez vous assurer que le joint d'étanchéité n'est pas désassemblé du couvercle de protection lorsque celui-ci est déposé puis monté sur le corps du boîtier.
  3. Installez l'adaptateur de montage pour plafond pour l'étanchéité et appliquez à un mastic silicone d'étanchéité entre et autour du mur et du support mural pour assurer l'étanchéité.

  4. Prenez garde à ce qu'il y ait une bonne étanchéité si la surface d'installation n'est pas plane.

Hanwha SNP6230RH - Remarques sur l'étanchéité - 2

Accessoires en option pour l'installation

Pour facilititer l'installation, vous pouvez acheter les accessoires appropriés disponibles en option.

  1. En cas d'installation de laamera au mur

Monture au mur (SBP-300WM1)

Hanwha SNP6230RH - Accessoires en option pour l'installation - 1

Monture au mur (SBP-300WM)

Hanwha SNP6230RH - Accessoires en option pour l'installation - 2

  1. En cas d'installation de laamera au plafond

Monture au plafond (SBP-300CM)

Hanwha SNP6230RH - Accessoires en option pour l'installation - 3

  1. En cas d'installation de la monture au mur (SBP-300WM/SBP-300WM1) sur un cylindre d'au moins 80 mm de long

Monture sur poteau (SBP-300PM)

Hanwha SNP6230RH - Accessoires en option pour l'installation - 4

installation et connexion

  1. En cas d'installation de la monture au mur (SBP-300WM /SBP-300WM1) sur un angle de mur

Monture d'angle (SBP-300KM)

Hanwha SNP6230RH - installation et connexion - 1

  1. En cas d'installation sur un toit d'immeuble

Monture sur parapet (SBP-300LM)

Hanwha SNP6230RH - installation et connexion - 2

Hanwha SNP6230RH - installation et connexion - 3
Assemblage du support
Monture au mur (SBP-300WM1)

Hanwha SNP6230RH - installation et connexion - 4
Monture au mur (SBP-300WM)

Hanwha SNP6230RH - installation et connexion - 5
Monture au plafond (SBP-300CM)

Hanwha SNP6230RH - installation et connexion - 6
Monture sur parapet (SBP-300LM)

INSÉRER/RETIRER UNE CARTE MÉMOIRE SD

  • Déconnectez le cable d'alimentation de laamera avant d'y insérer la carte mémoire SD.

  • Serrez les vis lors du montage du corps de laamera, du couvercle de protection et du support de maintainen SD afin de prévenir la pénétration de l'humidité.

Lors du montage ou du retrait d'une carte mémoire SD, placez tout d'abord le corps principal sur le sol afin d'éviter la perte de pieces et les accidents dus aux chutes.

Insérer une carte mémoire SD

  1. Retirez à la main les vis qui se trouvent à l'avant et à l'arrête du couvercle de protection.

Hanwha SNP6230RH - Insérer une carte mémoire SD - 1

  1. À l'aide du tournevis, desserrez les 4 vis en les tournant de droite à gauche et déposez le couvercle de protection.

Hanwha SNP6230RH - Insérer une carte mémoire SD - 2

  1. Desserrez deux vis du support de maintainen SD en les tournant de droite a gauche avec un tournevis.

Hanwha SNP6230RH - Insérer une carte mémoire SD - 3

Ne retirez pas les vis.

  1. Soulevez le support de maintainen SD et poussez la carte mémoire SD dans la direction de la flèche ainsi qu'illustré sur la figure.

N'insérez pas la carte mémoire SD à l'envers ou de force. Autrement, vous risquez d'endommager la carte mémoire SD.

  1. Montez laamera dans l'ordre inverse du démontage après que la carte mémoire SD ait été insérée.

Serrez les vis lors du montage de laamera afin d'empêcher l'humidité de pénétrer.

Retirer une carte mémoire SD

Appuyer doucement vers le bas sur l'extrémité exposée de la carte mémoire comme indiqué dans le diagramme pour éjecter la carte mémoire de la fente.

Appuyer trop fortement sur la carte mémoire SD peut entrainer l'éjection incontrôlée de la carte de la fente lorsqu'elle est libre.

Pour eteindre la camera ou retirer la carte memoire SD, mettez la carte en dans le menu et appuyez sur le bouton [Applique ( Applique) ]. (Page 108)

Si vous arrêtez laamera ou retirez la carte mémoire SD qui contient les données du produit, ces données peuvent être perdues ou endommagées.

Hanwha SNP6230RH - Retirer une carte mémoire SD - 1

INFORMATIONS SUR LA CARTE MÉMOIRE (NON INCLUSE)

Qu'est ce qu'une carte mémoire?

Une carte mémoire est un dispositif de stockage de données extente qui a été développé pour offrir une toute nouvelle manière d'enregistrer et de partager des données de texte, audio et video en utilisant des dispositifs numériques.

Sélectionner une carte mémoire qui vous convient.

Votre camera est compatible avec les cartes memoire SD/SDHC/SDXC.

Vous pouvez, toute fois, avoir des problèmes de compatibilité en fonction du modele et de la marque de la carte mémoire.

Pour votreamera, nous recommendons que vous utilisez une carte mémoire des fabricants suivants :

Carte mémoire SD/SDHC/SDXC : Sandisk, Transcend

Il est recommendé d'utiliser des cartes mémoires de 4 à 64 Go avec cetteamera.

La performance de lecture peut être affectée en fonction de la vitesse de la carte mémoire, il faut donc utiliser la carte mémoire à haute vitesse.

Pour une vitesse d'enregistrement inférieure à 30 ips, il est recommendé d'utiliser une carte mémoire spécifique de Class 6 ou supérieure.

Pour une vitesse d'enregistrement supérieur à 31 ips, il est recommendé d'utiliser une carte mémoire spécifique de Class 10 UHS ou supérieur.

Utilisation de la carte mémoire

Les cartes mémoire SD et SDHC comportent un cadenas qui désactive les données d'écriture sur le média.

Mettre ce cadenas en position Verrouillée évitera un effacement accidentel de données stockées dans la carte mémoire, mais en même temps, vous évitera d'écrire des données sur le média.

connexion et configuration reseau

Vous pouvez configurer les paramétrages de réseau en fonction de vos configurations de réseau.

CONNECTER LA CAMÉRA DIRECTEMENT AU RÉSEAU DE ZONE LOCALE

Se connecte à laamera à partir d'un PC local sur le LAN

  1. Lancer un navigateur Internet sur le PC local.
  2. Saisir l'adresse IP de laamera dans la barre d'adresse du navigateur.

Hanwha SNP6230RH - Se connecte à laamera à partir d'un PC local sur le LAN - 1

Hanwha SNP6230RH - Se connecte à laamera à partir d'un PC local sur le LAN - 2

  • Un PC à distance dans une sortie Internet externe de réseau LAN peut ne pas pouvoir se connecter à la camera installée dans l'intranet si le renvoi de port n'est pas correctement configuré ou si un pare-feu est mis.

Dans ce cas, pour résoudre le problème, contacter votre administrateur de réseau.

  • Dans le programme d'installation IP, vous pouze utiliser le mot de passer initial, "4321" pour définiir l'adresse IP, le masque de sous réseau, la passerelle, le port HTTP, le port VNP et le type d'IP. Àpres avoir changé l'interface réseau, pour une meilleure sécurité, accédez au navigateur Web et modifiez le mot de passer.
  • Par défaut, l'adresse IP sera attribuée automatiquement depuis le serveur DHCP. En l'absence de serveur DHCP disponible, l'adresse IP sera définie sur 192.168.1.100. Pour changer l'adresse IP, utilisez le programme d'installation IP. Pour obtenir de plus amples détails sur l'utilisation du programme d'installation IP, reportez-vous à la section « Configuration de l'adresse IP Fixe ».(Page 36)

connexion et configuration reseau

CONNEXION DE LA CAMÉRA DIRECTEMENT À UN MODEM DSL/CÂBLE BASE SUR LE PROTOCOLE DHCP

Hanwha SNP6230RH - CONNEXION DE LA CAMÉRA DIRECTEMENT À UN MODEM DSL/CÂBLE BASE SUR LE PROTOCOLE DHCP - 1

  1. Connectez l'ordinateur utiliser directement à laamera reseau.
  2. Executez le programme d'installation IP et changez l'adresse IP de laamera afin d'utiliser le navigateur Web sur votre poste pour la connexion à l'Internet.
  3. Utilisez le navigateur Internet pour connecter le Web viewer.
  4. Allez à la page [Setup].
  5. Allez sur [Network] - [DDNS], puis configurez les réglages DDNS.
  6. Allez à [Basic] - [IP & Port], et définièsez le type d'IP pour [DHCP].
  7. Connectez laamera, qui a ete retiree de sua r ordinateur, directement au modem.
  8. Redemarrez laamera.

Hanwha SNP6230RH - CONNEXION DE LA CAMÉRA DIRECTEMENT À UN MODEM DSL/CÂBLE BASE SUR LE PROTOCOLE DHCP - 2

Pour l'enregistrement des réglages DDNS, reportez-vous à la section « DDNS » (page 98)
Pour l'enregistrement des réglages DDNS, reportez-vous à la section « Enregistrement sur le serveur DDNS » (page 99)
Se référer à « IP & Port » pour la procédure de configuration de l'adresse IP. (page 69)

CONNEXION DE LA CAMÉRA DIRECTEMENT À UN MODEM PPPoE

Hanwha SNP6230RH - CONNEXION DE LA CAMÉRA DIRECTEMENT À UN MODEM PPPoE - 1

  1. Connectez l'ordinateur utiliseur directement à la camera reseau.
  2. Executez le programme d'installation IP et changez l'adresse IP de laamera afin d'utiliser le navigateur Web sur votre poste pour la connexion à l'Internet.
  3. Utilisez le navigateur Internet pour connecter le Web viewer.
  4. Allez à la page [Setup].
  5. Allez sur [Network] - [DDNS], puis configure les réglages DDNS.
  6. Allez à [Basic] - [IP & Port] Page de configuration, définisse le type d'IP [PPPoE], et saisissez l'ID du service réseau et le mot de passe.
  7. Connectez laamera, qui a eté retiree de votre ordinateur, directement au modem.
  8. Redemarrez laamera.

Hanwha SNP6230RH - CONNEXION DE LA CAMÉRA DIRECTEMENT À UN MODEM PPPoE - 2

Pour l'enregistrement des réglages DDNS, reportez-vous à la section « DDNS » (page 98)
Pour l'enregistrement des réglages DDNS, reportez-vous à la section « Enregistrement sur le serveur DDNS » (page 99)
Se référer à « IP & Port » pour la procédure de configuration de l'adresse IP. (page 69)

connexion et configuration reseau

CONNECTER LA CAMÉRA AU ROUTEUR LARGE BANDE PAR LE MODEM PPPoE/CÂBLE

C'est pour un petit environnement de réseau comme les maisons, SOHO et les magasins ordinaires.

Hanwha SNP6230RH - CONNECTER LA CAMÉRA AU ROUTEUR LARGE BANDE PAR LE MODEM PPPoE/CÂBLE - 1

Configurer les paramétrages de réseau du PC local connecté au routeur

Pour configurer les paramètres de réseau du PC local connecté au Routeur large bande, suivre les instructions ci-dessous.

  • SélectionnekNetwork <Properties <Local Area Connection <Properties <Internet Protocol (TCP/IP) <Obtain an IP address automatically ou .

  • Suivre les instructions ci-dessous si vous sélectionnez :

ex.1) Si l'adresse (LAN IP) du Routeur large bande est 192.168.1.1
Adresse IP: 192.168.1.100
Masque de sous-reseau: 255.255.255.0
Passerelle par défaut: 192.168.1.1

ex.2) Si l'adresse (LAN IP) du Routeur large bande est 192.168.0.1
Adresse IP: 192.168.0.100
Masque de sous-reseau: 255.255.255.0
Passerelle par défaut: 192.168.0.1

ex.3) Si l'adresse (LAN IP) du Routeur large bande est 192.168.xxx.1
Adresse IP: 192.168.xxx.100
Masque de sous-réseau: 255.255.255.0
Passerelle par défaut: 192.168.xxx.1

Hanwha SNP6230RH - Configurer les paramétrages de réseau du PC local connecté au routeur - 1

Pour l'adresse du Routeur large bande, se reférer à la documentation du produit.
Pour plus d'informations sur la redirection de port du routeur large bande, reportez-vous à « Configuration de la Redirection de la Plage de Ports (Mappage de Ports) ».(Page 41)

Boutons utilisés sous ip installer

Hanwha SNP6230RH - Boutons utilisés sous ip installer - 1

Élément Description
1 Device NameNom du modele de la camera connectée.Clique sur la colonne pour trier la liste par nom de modele.Cependant, si vous cliquez dessus durant la recherche, celle-ci sera interrompue.
2 Alias Cette fonction n'est pas appliquée pour le moment.
3 ModeAffiche <Static>, <Dynamic> ou <PPPoE> pour l'état de connexion réseau actuel.
4 MAC(Ethernet) AddressAdresse Ethernet de la camera connectée.Clique sur la colonne pour trier la liste par adresse Ethernet.Cependant, si vous cliquez dessus durant la recherche, celle-ci sera interrompue.
5 IP AddressAdresse IP.Clique sur la colonne pour trier la liste par adresse IP.Cependant, si vous cliquez dessus durant la recherche, celle-ci sera interrompue.
6 ProtocolRéglage réseau de laamera.Lé réglage par défaut est « IPv4 ».Les caméras ayant un réglage en IPv6 affichent « IPv6 ».

connexion et configuration réseau

Élement Description
7 URL
8 IPv4 Recherche les caméras réglées sur IPv4.
9 IPv6
10 Search
11 Auto Set
12 Manual Set Yours doivent configurer les réglages réseau manuelle.
13 Exit Quitte le programme IP Installer.

Hanwha SNP6230RH - connexion et configuration réseau - 1

En ce qui concerne le programme d'installation IP Installer, utilisez uniquement la version fournie sur le CD d'installation ou la derniere version disponible de l'application. Vous pouvez télécharger la version la plus recente du produit sur le site Internet de Samsung.

CONFIGURATION DE L'ADRESSE IP FIXE

Configuration réseau manuelle

Executez pour afficher la liste des résultats de la recherche de caméras.

Au démarrage initiaI, les deux options [Auto Set] et [Manual Set] sont grisees.

Hanwha SNP6230RH - Configuration réseau manuelle - 1

Pour les cameras trouées ayant un réglage IPv6, ces boutons sont grisés car ces cameras ne prennant pas en charge cette fonction.

  1. Sélectionnez uneamera dans la liste de recherche.

Vérifiez l'adresse MAC de laamera sur l'étiquette de laamera.

Les boutons [Auto Set] et [Manual Set] sont alors activés.

  1. Cliquez sur [Manual Set].

La boîte de dialogue Manual Setting

apparait. Les valeurs par défaut des options , , , et de la camera s'affichent.

Hanwha SNP6230RH - Configuration réseau manuelle - 2

  1. Renseignez les informations nécessaires dans la sous-fenêtre

    .
  2. MAC (Ethernet) Address: L'adresse MAC imprimée sur l'étiquette de laamera est automatiquement affichée et ne nécessite aucun réglage utilisateur.

Hanwha SNP6230RH - Configuration réseau manuelle - 3

Hanwha SNP6230RH - Configuration réseau manuelle - 4

Vous ne pourrait configurer les réglages IP fixe que si la case d'option DHCP est déslectionnée.

Si vous n'utilise pas de Routeur large bande

Pour le réglage des options , et , contactez votre administrateur réseau.

  1. Renseignez les informations nécessaires dans la sous-fenêtre .

  2. HTTP Port: Permet d'acceder à laamera à l'aide du navigateur Internet, réglé par défaut sur 80.
    VNP Port:Permet de controller le transfert du signal video,regle par défaut sur 4520.

Hanwha SNP6230RH - Si vous n'utilise pas de Routeur large bande - 1

  1. Entre le mot de passer.

Entrez le mot de passer du compte « admin » qui a été utilisé pour acceder à laamera.

Hanwha SNP6230RH - Si vous n'utilise pas de Routeur large bande - 2

Pour des raisons de sécurité, il est recommandé d'utiliser une combinaison de chiffres, de lettres majuscules et minuscules et caractères spéciaux pour votre mot de passer.
Si vous voulez modifier le mot de passé, consultez la section « Modification mot de passage administrateur » de la configuration utilisé. (page 66)

  1. Cliquez sur [OK].

La configuration reseau manuelle est ainsi terminée.

Si vous utilisez un Routeur large bande

  • IP AddressEntrez une adresse comprise dans la plage IP fournie par le Routeur large bande.

ex.)192.168.1.2~254,

192.168.0.2~254,

192.168.XXX.2~254

  • Subnet Mask: La valeur de du Routeur large bande est identique à celle de l'option de laamera.

  • Gateway: La valeur de du Routeur large bande est identique à celle de l'option de laamera.

Hanwha SNP6230RH - Si vous utilisez un Routeur large bande - 1

Hanwha SNP6230RH - Si vous utilisez un Routeur large bande - 2

  • Les réglages peuvent varier selon le modele du Routeur large bande connecté. Pour obtenir de plus amples informations à ce sujet, reportez-vous au guide d'utilisation du routeur applicable.
    Pour plus d'informations sur la redirection de port du routeur large bande, reportez-vous à « Configuration de la Redirection de la Plage de Ports (Mappage de Ports) ».(Page 41)

Si le Routeur large bande dispose de plusieurs cameras connectees

Configurez séparément les réglages IP et les réglages de port.

ex.)

Catégorie Caméra 1 Caméra 2
Réglages IPIP Address192.168.1.100192.168.1.101
Subnet Mask255.255.255.0255.255.255.0
Gateway192.168.1.1192.168.1.1
Réglages de portHTTP Port80808081
VNP Port45204521

Hanwha SNP6230RH - Si le Routeur large bande dispose de plusieurs cameras connectees - 1

Si l'option est régée sur une valeur différente de 80, vous devrez indiquer le numéro du réglage dans la barre d'adresse du navigateur Internet pour pouvoir acceder à laamera. ex.) http://IP address : HTTP Port http://192.168.1.100:8080

Configuration réseau automatique

Executez pour afficher la liste des résultats de la recherche de cameras.

Au démarrage initial, les deux options [Auto Set] et [Manual Set] sont grisees.

Hanwha SNP6230RH - Configuration réseau automatique - 1

Pour les cameras trouvées ayant un réglage IPv6, ces boutons sont grisés car ces cameras ne prennt pas en charge cette fonction.

  1. Sélectionnez uneamera dans la liste de recherche.

Vérifiez l'adresse MAC de laamera sur l'étiquette de laamera.

Les boutons [Auto Set] et [Manual Set] sont alors actifs.

  1. Cliquez sur [Auto Set].

La boîte de dialogue Auto Setting apparait.

Les options ,

et sont automatiquement régées.

  1. Entrez le mot de passer.

Entrez le mot de passer du compte

« admin » qui a été utilisé pour acceder à laamera.

Hanwha SNP6230RH - Configuration réseau automatique - 2

Hanwha SNP6230RH - Configuration réseau automatique - 3

Pour des raisons de sécurité, il est recommandé d'utiliser une combinaison de chiffres, de lettres majuscules et minuscules et caractères spéciaux pour votre mot de passer.
Si vous voulez modifier le mot de passé, consultez la section « Modification mot

Hanwha SNP6230RH - Configuration réseau automatique - 4

de salle administrateur » de la configuration utilisateur. (page 66)

  1. Cliquez sur [OK].

La configuration reseau automatique est ainsi terminée.

connexion et configuration réseau

CONFIGURATION DE L'ADRESSE IP DYNAMIQUE

Configuration de l'environnement IP Dynamique

Exemple d'environnement IP Dynamique

  • Routeur large bande, disposant de cameras connectées, affecté à une adresse IP par le serveur DHCP
  • En cas de connexion directe de laamera au modem via les protocoles DHCP.
  • Adresses IP affectées par le serveur DHCP interne via le réseau LAN

Vérification de l'adresse IP Dynamique

  1. Executez le programme IP Installer sur l'ordinateur local de l'utilisateur. Les cameras attribuées avec l'adresse sont indiquées dans la liste.
  2. Sélectionnez uneamera parmi les résultats de la recherche.
  3. Cliquez sur le bouton [Manual Set] (Réglage manuel) et vérifie l'adresse de laamera. Si vous déslectionnez , vous pourrez modifier la valeur de l'option IP en la réglant sur .

Hanwha SNP6230RH - Vérification de l'adresse IP Dynamique - 1

Hanwha SNP6230RH - Vérification de l'adresse IP Dynamique - 2

CONFIGURATION DE LA REDIRECTION DE LA PLAGE DE PORTS (MAPPING DE PORTS)

Si vous avez installé un Routeur large bande muni d'uneamera connectee, vous devrez regler la redirection de la plage de ports sur le Routeur large bande de sorte qu'un ordinateur distant puisse acceder à laamera qui y est installee.

Redirection manuelle de la plage de ports

  1. Depuis le menu Setup du Routeur large bande, selectionnez - . Pour le réglage de la redirection de la plage de ports sur un Routeur large bande tiers, reportez-vous au manuel d'utilisation du Routeur large bande concerné.

  2. Sélectionnez et pour chaque des cameras connectées au Routeur large bande.

Chaque numero de port lie au routeur large bande devrait corresponde a ce qui est specifie dans -

Hanwha SNP6230RH - Redirection manuelle de la plage de ports - 1

- depuis le menu du Web viewer de laamera.

  1. Une fois terminé, cliquez sur [Save Settings].

Vos réglages seront ainsi sauvegardés.

Hanwha SNP6230RH - Redirection manuelle de la plage de ports - 2

Les instructions des exemples ci-dessus sont basées sur le Routeur large bande de CISCO.
- Les réglages peuvent varier selon le modele du Routeur large bande connecté.

Pour obtenir de plus amples informations à ce sujet, reportez-vous au guide d'utilisation du routeur applicable.

connexion et configuration reseau

Réglage de la redirection de la plage de ports pour plusieurs camères en réseau

  • Vous pouvez définir une règle de redirection de port sur le périphérique du Routeur large bande via sa page Web de configuration.
  • Un utiliser peut modifier chaque port à l'aide de l'écran de réglage de laamera.

Lorsque la Caméra 1 et la Caméra 2 sont connectées à un routeur :

Hanwha SNP6230RH - Réglage de la redirection de la plage de ports pour plusieurs camères en réseau - 1

Hanwha SNP6230RH - Réglage de la redirection de la plage de ports pour plusieurs camères en réseau - 2

La redirection de port peut être réalisée sans paramétrage supplémentaire du routeur si celui-ci supporte la fonction UPnP.

Après avoir raccordé laamera réseau, réglez de sur dans le menu « Setup → Network → DDNS ».

connexion à laamera Depuis un orDinateur local partaGé

  1. Executez le programme d'installation IP. Le système recherche les cameras connectées et en affiche la liste.
  2. Double-cliquez sur une camera pour y acceder. Le navigateur Internet demarre et se connecte a la camera.

Hanwha SNP6230RH - connexion à laamera Depuis un orDinateur local partaGé - 1

Hanwha SNP6230RH - connexion à laamera Depuis un orDinateur local partaGé - 2

  • Vous pouze aussi acceder à laamera en tapant l'adresse IP de laamera trouvée dans la barre d'adresse du navigateur Internet.

connexion à laamera Depuis un orDinateur Distant via internet

L'utilisation du programme d'installation IP sur un ordinateur à distance n'appartenant pas à la grappe du réseau du Routeur large bande n'est pas autorisé, les utilisateurs peuvent acceder aux caméras au sein du réseau du Routeur large bande en utilisant l'adresse URL DDNS de laamera.

  1. Avant de pouvoir acceder à uneamera depuis le réseau du Routeur large bande, vous doivent regardier la redirection des plages de port du Routeur large bande.
  2. Depuis l'ordinateur distant, lancez le navigateur Internet et tapez l'adresse URL DDNS de la camera ou l'adresse IP du Routeur large bande dans la barre d'adresse. ex.) http://www.samsungipolis.com/ID de produit

Hanwha SNP6230RH - connexion à laamera Depuis un orDinateur Distant via internet - 1

Pour l'enregistrement des réglages DDNS, reportez-vous à la section « Enregistrement sur le serveur DDNS » (page 99)

CONNEXION À LA CAMÉRA

Normalement, vous devezrial proceder comme suit

  1. Lancez le navigateur Internet.
  2. Tapez l'adresse IP de laamera dans la barre d'adresse.

ex.)· Adresse IP (IPv4) : 192.168.1.100

→http://192.168.1.100

  • la boîte de dialogue de connexion devrait apparaitre.
    Adresse IP (IPv6) : 2001:230:abcd:ffff. 0000:0000:ffff:1111
    →http://2001:230:abcd:ffff:0000:0000

:ffff:1111] - la boite de dialogue de connexion devrait apparaitre.

Hanwha SNP6230RH - Normalement, vous devezrial proceder comme suit - 1

Si le numero de port HTTP est différent de 80

  1. Lancez le navigateur Internet.
  2. Tapez l'adresse IP et le numero de port HTTP de la camera dans la barre d'adresse ex.) Adresse IP: 192.168.1.100:HTTPNumero de port (8080)

http://192.168.1.100:8080 - la boite de dialogue de connexion devrait apparaitre.

Utilisation de l'adresse URL

  1. Lancez le navigateur Internet.
  2. Tapez l'adresse URL DDNS de laamera dans la barre d'adresse. ex.) Adresse URL : http://www.samsungipolis.com/ID de produit - la boîte de dialogue de connexion devrait apparaitre.

Se connector via UPnP

  1. Executez le systeme client ou d'exploitation afin de supporter le protocole UPnP.
  2. Cliquez sur le nom de laamera aux fins de recherche. Dans le système d'exploitation Windows, cliquez sur le nom de laamera recherche dans le menu reseau.

  3. La fenêtre de connexion s'affiche.

Se connecter via Bonjour

  1. Executez le système client ou d'exploitation afin de supporter le protocole Bonjour.
  2. Cliquez sur le nom de laamera pour recherche.

Sur le système d'exploitation Mac, cliquer sur le nom de laamera lance la recherche depuis l'onglet Bonjour de Safari.

  • La fenêtre de connexion s'affiche.

Vérification de l'adresse DDNS

Si laamera est directement connectee a un modem de cable DHCP, a un modem DSL ou a un modem PPPoE, l'adresse IP de votre réseau sera modifiee a chaque fois que vous essayez de vous connecter au serveur FSI (Fournisseur de services Internet).

Le cas échéant, vous ne serez pas informé du changement d'adresse IP par le serveur DDNS.

Une fois que vous enregistrez un périhérique dynamique base sur IP sur le serveur DDNS, vous pouvez facilement vérifier l'adresse IP modifiée lorsque vous essayez d'acceder au périhérique.

samsungopolis.com et enregistrez tout d'abord votre périphérique puis réglez - de Web Viewer sur . Renseignez également le champ avec la donnée utilisé pour l'enregistrement DDNS.

Vousspuvez unquielement utilisez une connexion DDNS lorsque youes etes connecte a un reseau externne.

RéGLAGE DU MOT DE PASSE

Lorsque vous accedez au produit pour la première fois, vousdez enregistrer le mot de passé de connexion.

Lorsque la fenêtre « Confirm new password » apparait, saisissez le nouveau mot de passer.

Hanwha SNP6230RH - RéGLAGE DU MOT DE PASSE - 1

Pour un nouveau mot de passer de 8 à 9 chiffres, vous devez utiliser au moins trois des éléments suivants : lettres majuscules / minuscules, chiffres et caractères spéciaux. Pour un mot de passer de 10 à

Hanwha SNP6230RH - RéGLAGE DU MOT DE PASSE - 2

15 chiffres, vous doivent utiliser au moins deux des types mentionnés.

  • Les caractères spéciaux qui sont autorisés. : ~!@#$%^*()_+-=|{}|.?/

Pour plus de sécurité, il n'est pas recommandé de repeter les mêmes caractères ou entrées clavier consécutives pour vos mots de passer.
Si vous avez perdu votre mot de passer, vous pouvez appuyer sur le bouton [RESET] pour initiaiser le produit. Veuillez donc ne pas perdre votre mot de passage en utilisant un bloc-notes ou bien memorisez-le.

LOGIN

Lorsque you accedez à laamera, la fenêtre de connexion apparait.

Saisissez l'identifient utiliseur et le mot de passepour acceder à laamera.

  1. Entrez « admin » dans la zone de saisie de texte .

L'identifant de I administrateur « admin est fixe et ne peut etre modifie.

  1. Saisissez le mot de passer dans le champ de saisie .
  2. Cliquez sur [OK].

Si vous vous étes connecté avec succès,
vous verrez l'écran Live Viewer s'afficher.

Hanwha SNP6230RH - LOGIN - 1

Lorsque you accedez à la visionneuse web de laamera, accordez une attention particuliere à la sécurité en vérifier si les données d'image sont cryptées.
Si vous selectionnez l'option « Remember my credentials » après avoir entrez-vous saisie, vous serez automatiquement connecté sans etre invite a entrer vos informations de connexion à voire prochaine connexion.
Pour une qualité video optimale, passes en affichage 100% . La réduction du format de l'image peut couper l'image sur les bords.

INSTALLATION DU MODULE STW WebViewer

Si vous vous connectez à uneamera pour la première fois, vous afficherez le message d'installation. Procedez ensuite à l'installation de la version requise du module WebViewer afin d'acceder à laamera pour y contrôler la video en temps réel.

  1. Lorsque vous accedez à une page de surveillance pour la toute première fois, la page d'installation s'affiche. Cliquez sur [Click Here] pour débuter l'installation.

Hanwha SNP6230RH - INSTALLATION DU MODULE STW WebViewer - 1

Si le téléchargement du fichier d'installation est suspendu à 99% dans Internet Explorer, reessayez après avoir selectionné « Libérer le filtré SmartScreen » dans « Outil → filtré SmartScreen »

  1. Cliquez sur [Run] dans la fenetre.

  2. Cliquez sur [Yes] lorsque la fenêtre de notification indique que toutes les fenêtres du navigateur sont très fermées.

  3. Lorsque l'ancienne version du module d'extension du navigateur Web est installée, une fenêtre de notification indique que cette dernière va être effacée. Cliquez sur [Yes] lorsque la fenêtre de notification est affichée.

Hanwha SNP6230RH - INSTALLATION DU MODULE STW WebViewer - 2

Hanwha SNP6230RH - INSTALLATION DU MODULE STW WebViewer - 3

Hanwha SNP6230RH - INSTALLATION DU MODULE STW WebViewer - 4

  • Les étapes 4 et 5 seront ignorées si aucun module d'extension pour le navigateur n'est installé.

visionneur web

  1. Cliquez sur [OK]. L'ancienne version du module d'extension est supprimée.

Hanwha SNP6230RH - visionneur web - 1

  1. Cliquez sur [Install] pour débuter l'installation du module d'extension du navigateur Web.

Hanwha SNP6230RH - visionneur web - 2

  1. Cliquez sur [Finish]. L'installation du module d'extension STW pour navigateur Web est achevée.

Dans votre Internet Explorer,si vous aze
besoin de passer à l'écran d'installation
apres l'installation du plug-in webviewer
STW,vérifiez si webviewer_activexplugin_ lib.control dans le menu « Outils Fonction de gestion complémentaire » est « activé ».Si non,et si le probleme
persiste,alsorsLECTIONnez«Outils OptionsInternet Général» et supprime

Hanwha SNP6230RH - visionneur web - 3

utilisation De l'écran Direct

Hanwha SNP6230RH - utilisation De l'écran Direct - 1

Élément Description
1Contrôle Permet de passer à l'écran de contrôle.
2LecturePassez à l'écran où vous pouvez chercher l'enregistrement video enregistré sur votre carte mémoire SD ou NAS.
3Configuration Permet de passer à l'écran Configuration.
4Informations d'accès au profilYouss pouvez dire les informations de profil.
5Écran du visionneurAffiche la videod en direct à l'écran. ■ Youss pouvez utiliser la molette de la souris pour activer le zoom numérique sur l'écran Visionneur.
6Type de profilYouss pouvez selectionner un type de profil dans <Vidéo profil> sous le menu de configuration <Basic>. ■ Lorsque le Web Viewer est connecté, les informations de profil en cours d'utilisation sont affichées.
7Optimisation écranLa taille de la videod de laamera s'adapte à la taille du navigateur Internet.
Élément Description
8 Fixez la résolutionQuelle que soit la résolution configurée sur la camera, il fixe la résolution à 640x480. Appuyez sur ce bouton à nouveau pour revenir à la résolution par défaut.
9 Plein écranAdaptez la video actuelle à la taille maximale de l'écran.
10 Prise Enregistre la capture instantanée comme un filchier image au format .jpg.
11 Enregistrement manuelLes utilisateurs peuvent eux-mêmes enregistrer leur video sur la carte mémoire SD ou NAS. ■ Pour prendre une video manuelles, changez tout d'abord le réglage d'enregistrement. Se référer à « Stockage » pour la procédure de réglage de l'enregistrement (page 108).
12 Contrôle des écouteurs/ du microphoneActive l'audio et le microphone qui sont contrôleés par le volume audio. ■ Seul le volume audio peut être contrôle.
13 Emission d'alerte Active le port de sortie de l'alarme.
14 PTZ Contrôler l'utilisation panoramicique / d'inclinaison / de zoom de laamera.
15 Masquer le menu contextualLe menu contextual Situé au coin gauche disparait mais l'icône du menu reste visible.

Pour saisir un instantané

  1. Cliquez sur [Prise (O)] sur la scene a saisir.
  2. Lorsqu'une video capturée est enregistrée, un message de notification apparait. Lorsque vous utilisez Internet Explorer, la video capturée est enregistrée dans Mon ordinateur/Mes Documents/images. Sur Mac OS, il est enregistrtré dans « \~/ Images » ou «/Utilisateurs/{compte utiliser}/ Images/'.

Hanwha SNP6230RH - Pour saisir un instantané - 1

Si une interruption video se produit au moment de la capture de l'image sur un PC équipé d'Internet Explorer 8 et fonctionnant sous Windows 7, déscochez l'options « Activer le mode sécurisé » dans « Outils - Options Internet - Sécurité »
- Si la capture d'écran n'est pas effectué par Internet Explorer sous Windows 7 ou 8, exécutez le navigateur avec les privilèges administrateur.

Comment enregistrer des videos manuellement

  1. Appuyez sur [Enregistrement manuel (O)].
  2. Pourmettre fin à l'enregistrement,appuyez a nouveau sur [Enregistrement manuel ( 10

Hanwha SNP6230RH - Comment enregistrer des videos manuellement - 1

  • Avant de démarrer l'enregistrement manuel, dans - , insérez la carte SD et modifie l'option de la carte SD en selectionnant « Active ».

Pour s'adapter à la taille réelle de l'écran

  1. Cliquez sur le bouton [Plein écran (
  2. Ceci permet d'afficher le visionneur en mode plein écran.
  3. Pour quitter le mode plein écran, appuyez sur la touche [Esc] du clavier.

Hanwha SNP6230RH - Pour s'adapter à la taille réelle de l'écran - 1

Pour les navigateurs Internet Explorer et Google Chrome, vous pouvez passer au plein écran.

Utiliser le microphone

Cliquez sur l'icone [Mic ( ] pour activer le microphone.

Utiliser l'audio

  1. Cliquez sur l'icone [Audio ( ] pour activer la communication audio.
  2. Utilisez la barre [ ] pour régler le volume.

Hanwha SNP6230RH - Utiliser l'audio - 1

S'il n'y aaucun son suite au raccordement du jack audio pendant le fonctionnement, cliquez sur l'icone [Audio ( ] afin de I'activer a nouveau.

Pour contrôle le PTZ

  1. Appuyez sur le bouton [PTZ (
  2. Reglez l'orientation de laamera en actionnant le curseur [ ] du pavé mobile de l'écran, ou commandez le zoom ou la mise au point.

Hanwha SNP6230RH - Pour contrôle le PTZ - 1

Pour obtenir plus de détails sur l'utilisation de la fonctionnalité PTZ, reportez-vous à « Configuration PTZ ».(page 71)

Pour lancer une série

  • : lancer un préréglage enregistré. Se référer à « Configuration des paramétrages détaillés pour le préréglage » pour les détails relatifs à un réglage préréglé. (page 73)
    : lancer un swing (trajectoire entre deux emplacements) enregistré. Se reférer à « Pour configurer les réglages de swing » pour les détails relatifs au réglage d'un swing. (page 74)

Hanwha SNP6230RH - Pour lancer une série - 1

lancer un groupe enregistré.

Se référer à « Pour définir un groupe » pour les détails relatifs au réglage d'un groupe. (page 75)

lancer un tour enregistré.

Se référer à « Pour configurer les réglages de tour » pour les détails relatifs au réglage d'un tour. (page 76)

lancer une piste enregistrée.

Se référer à « Pour régler la fonction de trace » pour les détails relatifs au réglage d'une piste. (page 76)

: lancer une position initiale enregistrée.
Se référer à « Pour ajouter la position d'origine » pour les détails relatifs au réglage d'une position initiale. (page 72)
: Configurer le préroglage.
Pour plus de détails sur la configuration du prééglage, voir section « Configuration des paramétrages détaillés pour le prééglage » (page 73)

Pour activer le mode Zoom de la zone

: Pour le mouvement du zoom, cliquer et glisser vers l'emplacement de I'ecran sur lequel vous vous youlez deplacer.
: Modifier le facteur de zoom actuel a x1.
Revenir à la zone précédente et aux paramètres.
: Si vous naviguez avec Précédent, cela basculera à la zone et réglage avant de naviguer.

Pour utiliser la fonction desuivi automatique

: lancer le comportement de suivi automatique pour l'heure de suivi reglee.

Se référer à « Suivi automatique configuration » pour la méthode de réglage détaillée (page 79).

Pour utiliser la fonction de verrouillage

Faites un click droit sur une video, puis selectionnez manuellement l'objet de suivi automatique.

LIRE LA VIDEO ENREGISTRée

Hanwha SNP6230RH - LIRE LA VIDEO ENREGISTRée - 1

Pour lire la video correctement, vous doivent configurer les réglages d'enregistrement. Pour les détails relatifs aux réglages d'enregistrement, reportez-vous à « Stockage » (page 108).

Nom et fonctions de l'écran de recherche d'evénements

Hanwha SNP6230RH - Nom et fonctions de l'écran de recherche d'evénements - 1

Élément Description
1Réglage de la plage de recherche
2Réglage d'événement de recherche
3Recherche d'événement

Afin de dire le contentu après une recherche par événement

  1. Cliquez sur le bouton Playback ( ).
  2. Sécífiez les dates de début et de fin de votre recherche.
  3. Sélectionnez un type d'évenement à rechercher dans la période spécifique.
  4. Cliquez sur le bouton [Rech. évén.]. Les résultats de la recherche s'affichent dans la liste.

Hanwha SNP6230RH - Afin de dire le contentu après une recherche par événement - 1

Hanwha SNP6230RH - Afin de dire le contentu après une recherche par événement - 2

Si plus de 800 événements sont enregistrés dans la période de recherche, votre

recherche sera limitee a la date d'enregistrement du 800 eme evenement.

Par exemple, si la période de recherche est comprise entre le 10ème et le 15ème jour du mois, et plus de 800 événements enregistrés entre le 10ème et le 11ème jour, votre recherche sera limitée au 11ème jour avec un total de 800 événements, et les événements ultérieurs à cette date (à partir du 12ème jour) ne seront pas trouvés.

  1. Sélectionnez un élément de donnée à dire dans la liste de recherche.
  2. Cliquez sur le bouton [Lecture (D)].
  3. Pour arrêter la lecture de la vente, cliquez sur [Arrêter (□)].
  4. Pour revenir à l'écran de recherche, cliquez sur [Quitter ( ])

Hanwha SNP6230RH - Afin de dire le contentu après une recherche par événement - 3

Hanwha SNP6230RH - Afin de dire le contentu après une recherche par événement - 4
Nom et fonctions de l'écran de recherche de périodes

Élément Description
1 Barre de lectureLa section afférie à la période spécifique est lue en déplaçant la barre de lecture.
2 Réglage de date de rechercheDéfinit la date de recherche à l'aide d'un calendrier. ■ S'il y a des données enregistrées sur votre carte mémoire SD ou NAS durant la journée, cela sera marqué comme une boîte sur le calendrier.
3 Haut-parleurPour écouter un signal vocal (si présente) dans la vente enregistrée, activez l'icône de signal vocal lorsque vous visionnez la vente.
4 Optimisation de l'écranL'image de laamera est convertie afin de s'adapter à la fenêtre du navigateur.
5 Fixez la résolutionQuelle que soit la résolution configurée sur laamera, il fixe la résolution à 800x600. Appuyez sur ce bouton à nouveau pour revenir à la résolution par défaut.
6 Prise L'image actuelleest enregistrée en tant que fichier image .jpg.
7 Plein écran L'image réelleest convertie de sorte qu'elle est affichée en plein écran.
8 Information video Lesdonnées de durée de la vente lue sont affichées à l'écran.
9 SauvegardeRéglez la date souhaitée pour faire une copie de sauvegarde des données video enregistrées sur votre carte mémoire SD ou NAS. ■ Peut être réglée jusqu'à 5 minutes.

Pour lire le contenu après une recherche par période

  1. Cliquez sur le bouton [Time Search (2)].
  2. Sélectionnez une date dans le calendrier.

La lecture de la video correspondant à la date indiquée démarre.

  1. Si la lecture de la video est arrêtée, seLECTIONnez une heures et cliquez sur [Lecture ( ])

Hanwha SNP6230RH - Pour lire le contenu après une recherche par période - 1

La lecture de la video correspondant à l'houre indiquée démarre.

  1. L'heure d'enregistrement de la video en cours de lecture s'affiche.
  2. Effectuez une recherche vers l'avant ou vers l'arriere et decidez de la vitesse de lecture.

  3. Comment contrôle l'intervalle de lecture

: Sélectionnez ce bouton pour avancer d'une image.
: Sélectionnez ce bouton pour revenir en arrêt d'une seconde.

  • Pour contrôle la vitesse de lecture

Le bouton permet de faire défilier les différentes vitesses disponibles (x1, x2, x4, x8) et d'augmenter la vitesse en fonction de l'option可以选择.

Lorsque le bouton « est sélectionné, la vitesse de lecture sera réduite de -1x, -2x, -4x, et -8x et diminuera graduellement. Par la suite, la vitesse de lecture rapide est réduite à la vitesse normale et la vitesse de lecture inverse augmente.

  • Pour contrôler le sens de lecture

Si le symbole est affiché à côté de la vitesse de lecture, cela signifie que la lecture se fait vers l'avant ; à l'inverse, si le symbole apparait à l'écran, la lecture est en marche arrière.

  • Comment régler la barre de temps

Si vous appuyez sur le bouton , les détails de la section de la barre de temps peuvent être visuaisés.

Si vous appuyez sur la touche , vous pouvez voir un plus grand nombre de temps et la durée souhaitation peut être selectionnée plus facilement.

  1. Placez le curseur [Barre chronologique (]) à l'endetroit où vous souhaitez que la lecture démarre.

L'heure contient un fichier d'enregistrement normal qui apparait en bleu ; l'heure d'enregistrement de I'évenement s'affiche en rouge.

Pour sauvegarder la video recherche

  1. Pendant la lecture, cliquez sur [ ] sur la scene a sauvegarder. La fenetre de planification des heures de début et de fin de la sauvegarde apparait.
  2. Cliquez sur le bouton [ ] La fenetre Enregistrer sous apparait.
  3. Confirmez le chemin de sauvegarde et cliquez sur le bouton [Save]. La capture d'écran est alors sauvegardée via le chemin spécifique.

Hanwha SNP6230RH - Pour sauvegarder la video recherche - 1

Hanwha SNP6230RH - Pour sauvegarder la video recherche - 2

Pour lire la video de sauvegarde

Les images sauvégardées sont enregistrées au format .avi. Les lecteurs de medias Gom, VLC, et Window Media Player sont recommends, car compatibles avec ce format.

Hanwha SNP6230RH - Pour lire la video de sauvegarde - 1

  • Dans le cas d'une utilisation de Windows Media Player, téléchargez le dernier codec sur www.windows7codecs.com et installez-le avant utilise.

Pour lire un fichier AVI

(1) Carte mémoire SD

Avant desterol la carte memoire SD,reglezsurdans le menu "Setup Event Stockage"menu.

  1. Retirez la carte mémoire SD de laamera.
  2. Insérez la carte mémoire SD dans l'ordinateur.
  3. Lisez le fichier AVI file dans le repertoire "\ch00\img\YYYY_MM_DD\AVI", à l'aide d'un lecteur de média.

Hanwha SNP6230RH - Carte mémoire SD - 1

Le nom d'un fichier début par le format « 001_YYMMDD_HHMMSS.avi » et le nombre de chaque nouveau fichier est incrémentede un. YYMMDD_HHMMSSindique l'heure et la date du début de la sauvegarde.
Un fichier « 001_YYYYMMDD_ HHMMSS.smi » est un fichier de sous-titres, et il peut s'afficher s'il existe dans le même dossier que le fichier AVI correspondant.
La durée d'enregistrement maximum par fichier AVI est de 5 minutes.
Si elles ont ete corompues, les donnees presentes dans la carte memoire SD ne pourront pas etre relues dans Web Viewer [Playback].

(2) NAS (Serveur de stockage en réseau)

  1. Dans le navigateur Windows, utilisez \\ pour acceder. ex)\192.168.20.31\defaultfolder\ch01\ img\2013_07_02\AVI
  2. Go to → Entrez 1.
  3. Connecté au NAS. La structure du repertoire est la même que celle d'une carte mémoire SD.

Hanwha SNP6230RH - NAS (Serveur de stockage en réseau) - 1

Hanwha SNP6230RH - NAS (Serveur de stockage en réseau) - 2

Le nom d'un fichier débute par le format « 001_YYYMMDD_HHMMSS.avi » et le numéro de chaque nouveau fichier est incrémentede un.

Hanwha SNP6230RH - NAS (Serveur de stockage en réseau) - 3

YYMMDD_HHMMSS indique l'heure et la date du début de la sauvegarde.

  • Un fichier « 001_YYYMMDD_HHMMSS.smi » est un fichier de sous-titres, et il peut s'afficher s'il existe dans le même dossier que le fichier AVI correspondant.
    La durée d'enregistrement maximum par fichier AVI est de 30 minutes.
    Si vous modifiez ou endommagez les données enregistrées, elles ne pourront plus etre lues ou sauvegardees correctement.

CONFIGURATION

Sur le réseau, vous pouvez configurer les informations de base de laamera, de la video et l'audio, des événements du réseau et du système.

  1. Dans l'écran Direct, cliquez sur [Setup( setup)].
  2. L'écran Configuration apparait.

Le plugiciel STB Web viewer doit etre instalé sur l'ordinateur pour pouvoir acceder à la page de réglage de prévisualisation de video.

En cas d'installation incorrecte, la page d'installation s'affiche automatiquement.

CONFIGURATION DE BASE

Védo profil

  1. Depuis le menu Configuration, selectionnez I'onglet .
  2. Cliquez sur .
  3. Réglez l'option .

  4. Reste connecté en cas de modification du réglage du profil : La modification des propriétés de profil utilisées par la connexion existante n'affecte pas cette connexion et la configuration de profil précédente est alors conservée.

S'il n'est pas sélectionné, le changement d'un profil utilisé par une connexion existante réinitialise la connexion.

Hanwha SNP6230RH - Védo profil - 1

  1. Sélectionnez les propriétés de chaque profil.

Pour plus d'informations, veuillez vous reférer à « Pour ajouter/modifier un profil video ». (Page 64)

  1. Cliquez sur l'encadré de saisie de chaque élément séparément et entrez ou seLECTIONnez la valeur souhaïée.

Le menu contextual peut varier selon le type de codec sélectionné.
- Profil par défaut : Siaucun profil n'est selectionné lors de l'utilisation de Web Viewer, le profil video par défaut est appliqué.
- Profil E-mail/FTP : Ceci est le profil video à transférer au site de messagerie ou au site FTP spécifique.

Seul le codec MJPEG peut être régé comme profil de messagerie/FTP.

  • Enregistrer profil : C'est le profil appliqué à l'enregistrement video sur carte SD ou NAS.
  • Entrée audio : Permet de régler su l'audio doit être utilisé pour les enregistrements video.

  • Conformément à votre situation, réglez le mode ATC (Contrôle de la transmission automatique).

Mode ATC: Il regle les propriétés de video conformément à la variation de la bande passante du réseau, ce qui permet de contrôler le début binaire.

Hanwha SNP6230RH - Védo profil - 2

Le réglage du débit binaire dépend du mode ATC.

  • Contr. vit. enreg : Réduisez la vitesse d'enregistrement si la bande passante du réseau s'effondre.
  • Contr. compression : Contrôlez le taux de compression si la bande passante du réseau s'effondre.

Le réglage de la compression peut déterminer la qualité de l'image.

  • Événement (DM): Cette fonction est opérationnelle lorsqu'un événement de Détction de mouvement (DM) est sélectionné. Si un événement se produit, le système contrôle la vitesse d'enregistrement.

Si aucun mouvement n'est détecté, le système transmet les signaux à la vitesse d'enregistrement minimale, réduisant ainsi l'utilisation de la bande passante.

Si est régèle sur , la priorité d'encodage pour le mode ATC sera fixée de la manière suivante :

Réal. déb. bin. / Mode ATC CoContr. vit. enreg Contr. compression Événement (DM)
CBR Vit enreg CoCompression Vit enreg
  • Sensibilité ATC : Affectez le début de transfert conformément à la variation de la bande passante du réseau.

Le débit de transfert est régèle sur la vitesse maximale si la bande passante est et sur la vitesse minimale si la bande passante est .

  • Limite ATC: Si la qualité de la vitesse d'enregistrement est régée, la propriété est modifiée vers la valeur appliquée (\%) à la place de la valeur de réglage précédente (100%).

Veuillez notes que si vous réduisez trop la valeur de la propriété, l'écran pourrait clignoter. Nous vous recommendons donc de régler une valeur inférieure au seuil.

Il est conseilé d'appliquer le contrôle ATC uniquement aux caméras prénant en charge ce mode.

  • Réglez la sensibilité ATC sur dans un environnement réseau avec une grande variation de la bande passante du réseau.
    Si la connexion réseau n'est pas stable, l'écran pourrait clignoter.

  • Une fois que vous avez effectué ceci, cliquez sur [Appliqueur( Appliqueur)].

Hanwha SNP6230RH - Védo profil - 3

  • MJPEG, H264 est le profil par défaut et vous ne pouvez pas supprimer ou modifier le nom et le codec.

Pour Ajouter/Modifier un profil video

Le paramétrage d'un profil peut être ajusté ou modifié afin de répondre aux différents profils en fonction des conditions d'enregistrement.

  1. Sélectionnez une des options
  2. Attribuez-lui un nom et selectionnee un codec.
  3. Spécifiez les conditions d'application du codec.
  4. Spécifiez les détails du codec sélectionné, notamment la résolution et la vitesse d'enregistrement des images.

Cliquez sur pour afficher le menu contextual.

  • RésolutionPermet de régler la taille de l'image video sur les fichiers H.264 et MJPEG.

Vitesse d'enregistrement : Définit le nombre max. d'images video par secondes.

Hanwha SNP6230RH - Pour Ajouter/Modifier un profil video - 1

  • La configuration du mode dans la configuration de la video change la fréquence d'image maximal configurable.
Capteur 25 fps 30 fps50 fps 60 fps
Vitesse d'enregistrement 1~25 fps 1~30 fps 1~50 fps 1~60 fps
  • Déb bin max : Définit le débit binaire video max. lorsque celui-ci est régèle sur VBR.

Hanwha SNP6230RH - Pour Ajouter/Modifier un profil video - 2

  • Étant donné que le débit binaire n'est régliable que de manière limite la résolution, la vitesse de défillement et la complexité de l'écran, le débit binaire réel peut être supérieur au débit binaire maximal. Vous devez donc prendre en considération les conditions d'utilisation lors du réglage de la valeur.

  • Déb bin cible : Définit le début binaire max. de la vente lorsque celui-ci est reglé sur CBR.

  • Régl. déb. bin.: Vous pouvez selectionner un débit binaire constant et un débit binaire variable pour la compression. Des débits binaires fixes signifient que le débit de transmission du réseau est fixe tout en faisant varier la qualité de la video ou la fréquence d'image, le débit binaire variable signifie qu'une priorité plus élevé est placee sur la qualité de la video en faisant varier le débit.

Après avoir reglé le début binaire fixe pour le contrôle du début, si vous Sélectionnez le mode priorité de la qualité de la réserve, en fonction de la complexité de l'écran, le taux réel de trame transmis peut différer de la configuration de la fréquence de trame afin de garantir une qualité video optimale pour le début binaire donné.

  • Priorité d'encodage : Vous pouvez définir la priorité de transmission video sur fréquence d'image ou compression.
  • Longueur de GOV : Il indique la distance (en termes de nombre d/images) entre deux périodes consécutives I-Frames dans une série video lorsque le codec H.264 a été sélectionné. (Une I-Frame + 0 ~ Plusieurs P-Frames)
  • Smart codec : Permet de specifier l'utilisation de l'option Codec intelligent.

Hanwha SNP6230RH - Pour Ajouter/Modifier un profil video - 3

L'option Smart codec sera activée uniquement si le codec est spécifique sur H.264 et le système de compression sur CBR.

  • Multidiffusion (SVNP): Permet de spécifique l'utilisation du protocole SVNP.

  • Adresse IP Entrez l'adresse IPv4 que vous souhaitez connecter au réseau IPv4.

  • Port : Permet de spécifier le port de communication video.
  • TTL: Permet de régler la valeur TTL correspondant au paquet SVNP.

  • Multidiffusion (RTP): Permet de spécifique l'utilisation du protocole RTP.

  • Adresse IP Entrez l'adresse IPv4 que vous souhaitez connecter au réseau IPv4.

  • Port : Permet de spécifier le port de communication video.
  • TTL : Vous pouvez régler la valeur TTL correspondant au paquet RTP.

Hanwha SNP6230RH - Pour Ajouter/Modifier un profil video - 4

Si vous définissez l'adresse de multidiffusion de 224.0.0.0 ~ 224.0.0.255, celle-ci peut ne pas fonctionner correctement dans tous les environnements. Dans ce cas, nous vous recommendons de changer l'adresse de multidiffusion.

Qu'est-ce que la longueur de GOV ?

GOV (Groupe de plans d'objects video) est un ensemble d'images video au format de compression H.264, indiquant une collection d'images comprises entre l'image I initiale (image clé) et l'image I suivante.

Le GOV comprend 2 types d'images : images I et images P.

L'image I est l'image de base pour la compression. Elle est également appelée Image clé et contient les données d'une image complète. L'image P compte unquiemment les données ayant subi des modifications par rapport à l'image I précédente.

Pour le codec H.264, vous pouze déterminer la longueur de GOV.

Si vous reglez un profil d'enregistrement avec le codec H.264, la longueur GOV sera fréquence d'image / 2.

Utilisateur

  1. Depuis le menu Configuration, selectionnez I'onglet
  2. Cliquez sur .
  3. Fournit les informations nécessaires pour l'utilisateur.

  4. Modification mot de passer administrateur : Changez le mot de passage relatif à l'administrateur.

Hanwha SNP6230RH - Utilisateur - 1

Pour des raisons de sécurité, il est recommendé d'utiliser une combinaison de chiffres, de lettres majuscules et minuscules et caractères spéciaux pour votre mot de passer.

Il est recommandé de changer votre mot de passer une fois tous les trois mois.
La longueur et les limites du mot de passse sont indiquées comme suit.

  • Une combinaison d'au moins trois types de majuscules, minuscules, chiffres et caractères spéciaux : 8 à 9 caractères.
    -Une combinaison d'au moins deux types de majuscules, minuscules, chiffres et caractères spéciaux: 10 à 15 caractères.
    -Doit etre different de I'ID.
  • Impossible de repeter le même numero, lecture ou caractère spécial plus de 4 fois.
    -N'utilisez pas de maniere consecutive 4 caractères ou plus. (Exemple : 1234, abcd)
    -N'utilisez pas de maniere repétitive 4 caractères ou plus. (Exemple : !!!, 1111, aaaa)
  • Les caractères spéciaux qui sont autorisés. : ~!@#$%^*()_+-=|{}|.?/
  • Àpres le réglage d'usine, les mots de passer de l'administrateur et de l'utilisateur seront réinitialisés. Vous doivent réinitialiser le mot de passer.
    -Lorsque vous accedez à la page Web de laamera pour la première fois ou que vous y accedez après l'initialisation, vous serez déplaced vers le menu de réglage du mot de passer administrateur.
    -Dans ce menu, vous doivent avoir le nouveau mot de passer avant d'utiliser les menus de la page web de laamera.

Hanwha SNP6230RH - Utilisateur - 2

-Si le mot de passer ne correspond pas, lorsque vous modifiez le mot de passer administrateur, vous ne pouvez pas changer le mot de passer.

-Àpres avoir modifié votre mot de passer, si il y a uneamera reliée à un client CMS ou NVR, alors vous avez besoin de vous réinscrite avec le mot de passer récemment changé. Si laamera est toujours connectée avec le même mot de passer, le compte peut être bloqué parce qu'un client utilise le mot de passer précédent.

Si vous essayez de vous connecter avec le compte enregistré et que l'authentication par mot de passée a échouée plus de 5 fois consécutives, le compte peut être verrouillé pendant trente secondes.
Lorsque le mot de passé est modifié alors que plusieurs connexions sont actives à partir d'un PC, le navigateur peut ne pas fonctionner correctement. Dans ce cas, reconnectectez-vous au serveur.

  • Configuration invitee: Si vous selectionnez , le compte invitee peut avoir accès à l'écran Web Viewer mais ne peut afficher que l'écran Live Viewer.

Le mot de passer/l'ID du compte invite est de type , et ne peut être modifié.

  • Config. de l'authentication : si vous selectionnez , vous pouvez acceder à RTSP sans vous connecter et visualiser la dette.
  • Utilisateur actuel : Si vous sélectionnez , vous pouvez régler ou modifier les droits d'accès utiliser.

L administrateur peut définir l'entrée audio, la sortie audio, la sortie d'alarme et les autorisations de contrôle PTZ.
- Profil: Si vous Sélectionnez , vous ne pouvez voir que la video du profil par défaut; si vous Sélectionnez , vous pouvez voir toute la video de profil.

  • Les fonctions ONVIF disponibles pour un utilisateur enregistré autorisé à utiliser les fonctions ONVIF sont limitées aux utilisateurs autorisés.

  • Transfert video et Informations concernant le changement video : Réglez le profil sur , et réglez l'entrée audio et la sortie audio.

  • Transfert video, Informations concernant le changement video, Sortie d'alarme: Réglez le profil sur et Sélectionnez vos préférences pour le reste.
  • Contrôle PTZ : Sélectionnez .

  • Une fois que vous avez effectué ceci, cliquez sur [Appliqueur( Appliqueur)].

Date et heures

  1. Depuis le menu Configuration, selectionnez I'onglet
  2. Cliquez sur .
  3. Spécifiez l'heure et la date qui seront appliquées à laamera.

Heure du système actuelle : Affiche les réglages de l'heure actuelle sur votre système.
- Fuseau hora : Spécifiez le fuseau hora en fonction de l'heure de Greenwich.
Utiliser l'heure d'etre : Lorsque cette option est selectionnée, l'heure est toujours reglee sur une heures en moins

que le fuseau hora local pour la période de temps spécifique.

Cette option s'affiche uniquement dans les zones ou l'heure d'etre DST est appliquée.

Hanwha SNP6230RH - Date et heures - 1

  • Configuration heures du système : Spécifiez l'heure et la date qui seront appliquées à votre système.

  • Manuel : Sécicfiez l'heure manuellement.

  • Synchro avec serveur NTP : Permet d'effectuer la synchronisation sur l'heure de l'adresse du serveur spécifique.
  • Synchro avec visionn. PC : Permet de régler sur l'heure de l'ordinateur connecté.

  • Une fois que vous avez effectué ceci, cliquez sur [Appliqueur ( Appliqueur)].

Hanwha SNP6230RH - Date et heures - 2

Lorsque you selectionnez l'option , veuillez selectionner le fuseau hora appropri pour le PC et laamera.

IP & Port

  1. Depuis le menu Configuration, selectionnez I'onglet
  2. Cliquez sur .
  3. Configurez .

  4. Type d'IP: Permet de sélectionn un type de connexion IP.

  5. Manuel : Permit de specifier les options Adresse IP, Masque de sous-reseau, Passerelle, DNS1 et DNS2.

  6. DHCP: Permet de spécifique les options DNS1 et DNS2.
  7. PPPoE: Permet de spécifier les options DNS1, DNS2, l'ID et le mot de passer.

Hanwha SNP6230RH - IP &amp; Port - 1

  • Si vous spécifie ce réglage sur , vous devrez définir manuellement les options Adresse IP, Masque de sous-reseau, Passerelle, DNS1 et DNS2.

  • Adresse MAC : Permet d'afficher l'adresse MAC.

  • Adresse IP : Affiche l'adresse IP actuelle.

  • Masque de sous-reseau : Affiche la valeur de pour l'IP spécifique.

  • Passerelle : Affiche la valeur de pour l'IP spécifique.

DNS1/DNS2: Affiche l'adresse du serveur DNS (Domain Name Service).

  1. Configurez .

  2. Réglez cette option sur pour utiliser l'adresse IPv6.

  3. Par default: Permet d'utiliser l'adresse IPv6 par défaut.

  4. DHCP: Permet d'afficher et d'utiliser l'adresse IPv6 obtenue via le serveur DHCP.
  5. Manuel : Permet d'entrée manuellement l'adresse IP et la passerelle afin de les utiliser.

Le système d'adressage IP est regle par défaut sur DHCP. Si aucun serveur DHCP n'est trouve, les réglages précédents seront automatiquement restaurés.

  • Une fois la modification terminée, cliquez sur le bouton [Appliqueur (Appliqueur)] pour appliquer les modifications et le navigateur se ferme.

Merci de vous reconnectcer dans un instant avec la nouvelle adresse IP.

  1. Saisissez les éléments correspondant dans le menu Port, selon les besoin.

La plage des ports comprise entre 0 et 1023 ainsi que le port 3702 sont indisponibles.
- HTTP: Port HTTP utilise pour acceder à laamera via le navigateur Web. La valeur par défaut est 80 (TCP).

Le réglage du port HTTP 65535 des navigateurs Safari et Google Chrome n'est pas autorisé pour des raisons de sécurité.
- HTTP$ dans cette version, la sécurité du protocole de communication Web HTTP est renforcée. Il peut être utilisé lorsque vous réglez le mode HTTPS en SSL. La valeur initiale est fixée à 443(TCP).
- La plage de réglage disponible est 1024~65535. (Pour des raisons de sécurité, dans votre navigateur Safari ou Google Chrome, vous ne pouvez pas utiliser 65535 comme port HTTPS.)

  • RTSP: Sert à transférer les videos en mode RTSP, la valeur par défaut étant 554.
  • Utilisation timeout : Pendant la connexion au RTSP, cette fonction reconfigure la connexion en l'absence de réponse pendant un certain temps.
  • Port périph.: Permet de spécifique le port servant à transférer les signaux videoi vias les protocoles Samsung.

Hanwha SNP6230RH - IP &amp; Port - 2

Si le port HTTP a eté changé, le navigateur se ferme.

L'adresse doitMAINANTcompterleportHTTPquvientdetreattribué,a la suite de l'adresse IP. ex.)AdresseIP:192.168.1.100,port HTTP:attribué 8080 http://192.168.1.100:8080 (Si le port HTTP est regle sur 80, il n'est pas nécessaire de specifier le numero de port)
- L'utilisation de RTSP et HTTPS estCOMMANDÉe pour prévenir la restauration des informations de l'image.

  1. Une fois que vous avez effectué ceci, cliquez sur [Appliqueur ( Appliqueur)].

Config.even.

Vouss pouvez facilement définir les éléments de détction d'evénements, puis passer au réglage détaillé.

  1. Depuis le menu Configuration, selectionnez I'onglet <Basic (
  2. Cliquez sur .
  3. Activez les éléments souhaités sur la liste Événements.
  4. Une fois que vous avez effectué ceci, cliquez sur [Appliquer ( Appliquer )].

Hanwha SNP6230RH - Config.even. - 1

Hanwha SNP6230RH - Config.even. - 2

Pour proceder aux réglages d'événements

détaillés, cliquez sur les paramètres souhaités. Allez sur le réglage détaillé.

Configuration préreglee

Vos pouvez changer la direction de I'objectif et activer le zoom.

  1. Depuis le menu Configuration, selectionnez I'onglet PTZ ()>.
  2. Cliquez sur.
  3. Cliquez sur [▼ Montrer].
  4. Cliquez avec le curseur [ ] sur le pavé mobile de l'écran pour commander le déplacement de l'écran.

  5. Déplacer l'écran : faites défiler le curseur dans la direction souhaïée.
    Commander la vitesse de déplacement de l'écran : Plus le curseur est éloigné du centre, plus il se déplace vite sur l'écran.

  6. Commander le mouvement du zoom.

  7. Zoom avant : déplacez vers le haut la barre à droite de l'interface utilisateur, ou appuyez sur le bouton [ ]. Plus la barre est éloignée du centre, plus l'écran s'agrandit rapidement.

  8. Zoom arrrière : déplacez vers le bas la

Hanwha SNP6230RH - Configuration préreglee - 1

Hanwha SNP6230RH - Configuration préreglee - 2

barre à droit de l'interface utilisateur, ou appuyez sur le bouton [ ] . Plus la barre est éloignée du centre, plus rapide est la réduction de la taille de l'écran.

  1. Régler la mise au point.

  2. Mise au point manuelle / à: l'utilisateur règle la mise au point.

  3. Mise au point automatique) : le système regle la mise au point automatiquement.

Hanwha SNP6230RH - Configuration préreglee - 3

Lors de l'execution de I'opération en séquence à haute ou BASSE TEMPERATURE, il se peut que le système réponde plus lentement que la vitesse réglée pour afficher une opération en séquence précise.

Pour ajouter la position d'origine

  1. Accedez à un point de l'écran de démarrage souhaite et appuyez sur [ ] Le point sera réglé pour la position initiale.
  2. Cliquez sur [ ] dans la position initiale. Vous serez dirigé vers la position initiale prédéterminée.
  3. Lorsque laamera est redémarrée après avoir l'avoir régée, l'écran est placé à la position initiale (si laamera était sur une autre opération en série, la série est effectué.)

Pour ajouter un préRéglage

  1. Cliqueur sur le bouton [ ]
  2. Sélectionner le numéro préréglé à ajouter.
  3. Définir le nom préréglé et cliquer sur le bouton [oK].

Pour supprimer un prééglage

  1. Sécífiez le numéro de préréglage à supprimer.
  2. Appuyez sur le bouton [Enlever].

Pour passer à un prédéfini souhaité

  1. Cliquez sur le numero de préréglage que vous pouze déplacer dans les paramètres de préréglage.

Configuration des paramétrages détaillés pour le prééglage

  1. Sélectionnez le numéro du préRéglage que vous souhaitez configurer.

  2. Àpres action: Pour le , executez le préréglage donné et spécifique s'il faut lancer le tracage automatique/exécution automatique/mouvement d'analyse de l'image.(ce reglage ne s'applique pas a la fonction de swing).

Hanwha SNP6230RH - Configuration des paramétrages détaillés pour le prééglage - 1

  • Suivi automatique: Executez le mouvement de tracage automatique jusqu'à ce que le temps de tracage soit configuré.
  • Demarrer automatique : le réglage de séquence pour l'execution automatique est effectué. Si vous désacteze la fonction ou si aucune opération en exécution automatique n'est en cours, l'état d'opération préréglé est maintenu. (ce réglage n'est pas appliqué si le préréglage est lancé avec une fonction de groupe ou de tour).
  • Analyse video : l'opération DM/AV (détection de mouvement/analyse video) est lancée.

  • Réglageamera: vous pouvez modifier le réglage de laamera relatif à l'environnement du préreglage sélectionné.

Se référer à « Réglageamera » pour les détails relatifs au réglage de laamera. (page 87)

  • MD / VA : dans le préréglage, vous pouvez configurer le système pour générer un signal d'évenement lorsqu'un mouvement est détecté, ou qu'un événement d'analyse video ingiligente est détecté.

Pour plus de détails, se référer à “MD / VA”. (page 120)

  1. Une fois que vous avez effectué ceci, cliquez sur [Appliqueur ( Appliquer )].

Hanwha SNP6230RH - Configuration des paramétrages détaillés pour le prééglage - 2

  • ÀpRES avoir sauvegardé le paramétrage de préréglage, assurez-vous de sélectionnner ou lancez le préréglage. Si l'opération n'est pas effectuee, le système peut lancer une opération erronée, telle qu'un changement involontaire de réglage préréglé.
  • Pendant l'edition d'un réglage préréglé, vous ne pouvez pas utiliser les fonctions telles que réglage préréglé, réglage de la position initiale et déplacer à la position initiale.

Sequence PTZ

  1. Depuis le menu Configuration, selectionnez I'onglet PTZ
  2. Cliquez sur .
  3. Définir l'opération de basculement, groupe, tour, tracing et auto.

pour configurer les réglages de swing

Swing est une fonction de surveillance qui bascule entre deux points présélectionnés et vous permet de tracer le mouvement.

  1. Sélectionnez . L'écran de menu bascule sur l'écran de réglage de la fonction swing.
  2. Sélectionnez un mode de réglage swing.

Plateauous pouvez parameter la surveillance en balayage a I'aide de la fonction PAN (panoramaque).
- Inclinaison : Vous pouvez paramétrer la

Hanwha SNP6230RH - pour configurer les réglages de swing - 1

Hanwha SNP6230RH - pour configurer les réglages de swing - 2

surveillance en balayage à l'aide de la fonction Tilt (Inclinaison).

  • Plateau et inclinaison : Vous ne pouvez régler la surveillance swing qu'en utilisant les fonctions PANORAMIQUE et Inclinaison.

  • Réglez les options et pour spécifique la plage de swing.

Hanwha SNP6230RH - pour configurer les réglages de swing - 3

Lors du déplacement du premier prééglage au deuxième, laamera se déplacera à droite de l'écran. Si vous reglez sur dans le réglage de la réserve, elle bougera dans la direction opposée. (Page 84)

  1. Réglez la vitesse du mouvement et le temps de commutation.
  2. Appuyez sur le bouton [Régler].

Le premier préréglage, le deuxième préréglage et le temps de commutation sont enregistrés selon le mode.

  1. Appuyez sur le bouton [Dab].

Permet d'effectuer l'opération de balayage.

  1. Appuyez sur le bouton [Arreter].

Le swing en cours d'exécution s'arrête.

Hanwha SNP6230RH - pour configurer les réglages de swing - 4

Si you souhaitez définir le swing, alors vous avez besoin d'au moins deux prereglages deja fixés.

Pour définit un groupe

La fonction de groupe vous permet de regrouper les divers prêrglages avant de les appeler en séquence. Six groupes peuvent enregistrer un total de 128 prêrglages chacun.

  1. Sélectionnez .

L'écran de menu bascule sur l'écran de réglage de groupe.

  1. Sélectionnez un mode de réglage de groupe.

  2. Groupe n° : Sélectionnez un numéro de groupe.

  3. Préréglage n° : Sélectionnez un numéro préréglé.
    Vitesse : Spécificiez la vitesse du mouvement.
  4. Temps de passage : Spécifiez la durée pour laquelle une opération est maintainue à la position préréglée.

  5. Appuyez sur le bouton [Régler].

Enregistré dans la liste du bas.

  1. Appuyez sur le bouton [Dab].

Permet d'effectuer l'opération de groupe.

  1. Appuyez sur le bouton [Arreter].

Le groupe en cours d'exécution s'arrête.

  1. Appuyez sur le bouton [Enlever].

Les données de groupe selectionnées seront supprimées.

Hanwha SNP6230RH - Pour définit un groupe - 1

pour configurer les réglages de tour

La fonction de tour vous permet d'appeler les groupes de vos prérégliages en séquence.

  1. Sélectionnez .

L'écran de menu bascule sur l'écran de réglage de tour.

  1. Configurez les réglages de tour en détaill.

  2. Groupe n° : Sélectionnez un nombre de groupe.

  3. Temps de passage : Spécifiez un temps d'attente avant l'appel d'un nouveau groupe.

Hanwha SNP6230RH - pour configurer les réglages de tour - 1

  1. Appuyez sur le bouton [Régler].

Enregisté dans la liste du bas.

  1. Appuyez sur le bouton [Deb].

Permet d'effectuer l'opération de tour.

  1. Appuyez sur le bouton [Arriet].

Le tour en cours d'exécution s'arrête.

  1. Appuyez sur le bouton [Enlever].

Les données de tour selectionnées seront supprimées.

pour régler la fonction de trace

La fonction Suivi<mérorise la trace des mouvements instruits à l'aide des boutons de direction et la produit à des fins de réference.

  1. Sélectionnez .

Ceci évoquera l'écran de menu de paramétrage de l'opération de suivi et auto.

Hanwha SNP6230RH - pour régler la fonction de trace - 1

  1. Selectionnez un numero de suivi.

L'opération sera sauvegardée avec affichage de la capacité de mémoire utilisée à cet effet. La durée d'enregistrement varie selon le niveau del'opération PTZ.

Si la mémoire est remplie à 100% , ou si la configuration de fin d'enregistrement n'est pas achevée dans les deux minutes qui suivent le début de la sauvegarde, il sera automatiquement arrêté.

  1. Appuyez sur le bouton [

Le numero de suivi selectionné sera sauvegarde.

  1. Modifiez le chemin de sauvegarde en utilisant pan/tiltzoom.
  2. Appuyez sur le bouton [Arriter].

La sauvegarde est terminée.

  1. Appuyez sur le bouton [dab].

Le numero de suivi selectionné sera activé tel que réglier.

pour régler l'exécution automatique

Cette fonction activera la fonction de séquence prédéfinie si l'utilisateur n'effectue aucune action sur l'appareil durant un certain temps.

1. Sélectionnez .

Ceci evoquera l'écran de menu de paramétrage de l'opération de suivi et auto.

Hanwha SNP6230RH - Sélectionnez . - 1

  1. Sélectionnez un mode d'exécution automatique.

  2. Acc: Il est déplaced à la position initiale.

  3. PréRéglage: Il est déplace au nombre de préRéglage sélectionné.
  4. Swing: Exécuté automatiquement l'opération en mode Swing.
  5. Groupe : Exécuté automatiquement l'opération en mode Groupe.
    Tour: Execute automatiquement l'opération en mode Tour.
  6. Piste: Exécuté automatiquement l'opération en mode Trace.

  7. Panoramaque automatique: Exécuté automatiquement la rotation à 360^ en direction du panoramaque.

Vouspouvez specifie l'angle d'inclinaison et la vitesse.

  • Calendrier : vous pouvez régler la fonction d'exécution automatique par jour / heures. Vous pouvez régler le comportement en minutes, et le réglage par défaut est la position initiale.

  • Reglez l'heure de démarrage de l'exécution automatique. ÀpRES avoir sélectionné le mode, Sélectionnéla durée (5s/10s/20s/30s/1min/2min/3mn/4min/5min).

  • Appuyez sur le bouton [Régler].

L'opération selectionnée sera effectue automatiquement.

Limin de PT

Vouspouvez specifier leslimites pour la fonction de panoramaique ou d'inclinaison.

  1. Depuis le menu Configuration, selectionnez I'onglet PTZ ()>.
  2. Cliquez sur .
  3. Vous pouvez decide de limiter les opérations PT. Le cas échéant, spécifiez les détails.

Mode: Sélectionnez un mode de réglage entre Butée Pan et Butée Tilt.
- Utilisation : Spécifiez d'utiliser ou non la fonction panoramique/inclinaison.
- Action: La limitation d'exécution PT est réglée.

Hanwha SNP6230RH - Limin de PT - 1

  • [Déb] : Démarrez le réglage limite.
  • Saisir ] : Indiquez les points de début et de fin.
  • [Quitter] : Si vous désirez changer le réglage du point, cliquez sur ce bouton pour revenir à la boîte de dialogue de saisie.

  • Regler le mode PT proportionnel.

La vitesse panoramicique et d'inclinaison est ajustée en fonction du grossissement du zoom. Plus le grossissement du zoom augmente, plus la vitesse panoramicique et d'inclinaison vitesse.

  • Désactivé : désative le mode Interopérabilité du zoom.

  • Lent : la vitesse de commande manuelle de panoramicique et d'inclinaison est modifiée en fonction du grossissement du zoom. Elle ralentit de 20% .

  • Normal : la vitesse de commande manuelle de panoramicique et d'inclinaison est modifiée en fonction du grossissement du zoom.
  • Rapide : la vitesse de commande manuelle de panoramicique et d'inclinaison est modifiée en fonction du grossissement du zoom. Elle est augmentée de 20% .

Suivi automatique configuration

You pouvez activer la fonction de suivi automatique sur la zone prédéfinie.

  1. Sélectionnez l'onglet ) > sur le menu Configuration.
  2. Cliquez sur .
  3. Reglez le comportement du suivi automatique de laamera.

  4. Hauteur de laamera : régler la hauteur de laamera.

  5. Un réglage inexact de la hauteur peut diminuer la fonction de suivi (hauteur: 2,5m ~ 30m)
  6. Zoom : vous pouvez utiliser la fonction d'interopérabilité du zoom avec le comportement de suivi automatique.

Hanwha SNP6230RH - Suivi automatique configuration - 1

  • Maintenir taille : vous pouvez régler la limite de zoom avant de la visée lorsque vous Sélectionnéz la fonction d'interopérabilité du zoom avec le comportement de suivi automatique.
  • Affichage témoin : le témoin indiquant la cible du suivi est affché sur l'écran.
  • Activation secteur : vous pouvez utiliser le secteur dans lequel la fonction de suivant automatique n'est pas opérationnelle.

Mode automatique

  • Illimité : le suivi automatique fonctionne sans restriction de durée. Si l'objet visé disparait du champ, laamera reste à sa position en attendant l'objet et redémarre le suivi si l'objet réapparait.
  • Il se termine lorsqu'il est incapable de détecter l'objet. : laamera arrête la suivi automatique si l'objet visé disparait du champ.

pour régler la zone de suivi automatique

Vous pouvez régler la zone à exclure du suivi automatique d'objets. (Vous pouvez régler jusqu'à 8 zones de non détction.)

  1. Cliquez sur [▼ Montrer].
  2. Maintenez la souris cliquée sur l'image et faites-la glisser pour régler la zone souhaïée.
  3. Saisissez le nom, puis cliquez sur [OK].

Hanwha SNP6230RH - pour régler la zone de suivi automatique - 1

Dans les conditions suivantes, le suivant automatique fonctionne normalement.

  • Regler la hauteur: Au minimum 2,5 m ou plus, jusqu'à 30 m et moins
  • Régler le type: Type interieur à niveau stabilisé sans inclinaison ou extérieur monté au plafond
    -Objet suiv : Une personne entrain

Hanwha SNP6230RH - pour régler la zone de suivi automatique - 2

de marcher et se déplacant sur le plan horizontal (Hauteur approximative 170 cm)

Hanwha SNP6230RH - pour régler la zone de suivi automatique - 3

Hanwha SNP6230RH - pour régler la zone de suivi automatique - 4

Hanwha SNP6230RH - pour régler la zone de suivi automatique - 5

Elle peut être dans l'impossibilité de suivre une cible ou entraîner des dysfonctionsnements dans les situations suivantes.

-En presence de multiples objets se déplacant dans la zone de capture
-Lorsqu'elle est cachée ou masquée par d'autres objets ou installations mobiles
-En l'absence d'une légère difference entre l'objet se déplacant et l'arrête-plan
-Un objet trop petit ou trop grand
-Lorsqu'un objet se déplace trop rapidement ou trop lentement
-Lorsqu'un objet en mouvement passe juste en dessous de la camera installee
-Lorsque la trajectorye d'un objet en mouvement ne correspond pas à la hauteur du sol installée à titre de reference
Mauvais temps tel qu'un vent violent, de la neige et de la pluie
-Lorsque la zone de capture est nombre
-En presence de brusques variations de luminosité
-En presence d'un flash de lumière dirigé vers laamera ou la zone de capture
-En presence d'une lumière ou d'une reflexion deelight dirigeee vers la camera
-Lorsque la video tremble suite à des secousses de laamera
-Lorsque le couvercle de la lentille et le couvercle du gradateur sont teintés ou mouillés
-En presence d'un changement d'axe de laamera

RS-485/422

Configurer la connexion du contrôleur afin que le PTZ de laamera puisse être contrôle à l'aide du contrôleur connecté au terminal RS-485/422 de laamera.

  1. Depuis le menu Configuration, selectionnez I'onglet PTZ (
  2. Cliquez sur .
  3. Cliquez sur < Montrer>.
  4. Sécífiez le port série.
    Le protocole de communication utilisé par le contrôleur connecté à laamera reseau peut être définir (RS-485/422).

  5. Protocole: Sélectionner la même version de protocole que le contrôleur,CHOSSING-T/ SAMSUNG-E/PELCO-D/PELCO-P PANASONIC/HONEYWELL/AD/VICON/GE/BOSCH.

Hanwha SNP6230RH - RS-485/422 - 1

  • Adresse: Définir l'ID de laamera (1-255).
  • Débit binaire : Définir la vitesse de communication RS-485/422.

  • Une fois que vous avez effectué ceci, cliquez sur [Appliqueur ( Appliqueur )].

Hanwha SNP6230RH - RS-485/422 - 2

Pour cette opération, laamera reseau et le contrôleur doivent etre bien connectés. De meme, le contrôleur doit avoir un port series defini pour contrcler laamera.

Hanwha SNP6230RH - RS-485/422 - 3

Il peut y avoir des fonctions qui ne sont pas prises en charge en fonction des specifications du contrôleur ou du protocole. Se référer au tableau ci-après pour plus de détails.

Fonctions supportées pour chaque protocole

Protocole Contrôle PVitesse de mouvement PContrôle TVitesse de mouvement TContrôle ZoomVitesse de mouvement Zoomntrôle Mise au pointVitesse Mise au pointPréréglageRemarques
SAMSUNG-T00 (1~6)00 (1~6)00 (1~4)00 (1~4)0
SAMSUNG-E00 (1~6)00 (1~6)00 (1~4)0X0
PELCO-D 0 0(1~6) 0 0 (1~6) 0 X 0 X0
PELCO-P 0 0(1~6) 0 0 (1~6) 0 X 0 X0
PANASONIC00 (1~6)00 (1~6)00 (1~4)00 (1~4)0
HONEYWELL 00 (1~6) 0 0 (1~6) 0 X 00
AD 0 0 (1~6) 0 0 (1~6) 0 x 0 X 0
VICON 0 0 (1~6) 0 0 (1~6) 0 x 0 X 0
GE00 (1~6)00 (1~6)00 (1~4)0X0
BOSCH00 (1~6)00 (1~6)00 (1~4)0XX
Entreprise Nom du protocoleVersion
AD RS-422/RS-485 Communications REV.B
BOSCH Protocole AutoDome5/30/11
GECalibur ImpacNet(Protocole RS485)REV.4.01(05/21/2004)
HONEYWELLProtocole ScanDomellV1.05(02/11/2004)
PANASONICProtocole WV-CS950VER,4.0
PELCO-DProtocole "D" Ver.4, Rev.1(4/7/2004)
PELCO-PProtocole "P"
SAMSUNG-EProtocole SamsungVer. 2.3(2006/09)
VICONProtocole de communication RS-422 du récepteurRev 404(4/08/04)
  1. Depuis le menu Configuration, selectionnez I'onglet
  2. Cliquez sur
  3. Sélectionnez le mode .

  4. Retourner/Inverser : Affiche la video à partir d'uneamera tenue à l'envers.

  5. Basculement numérique : Ceci limite la plage de navigation verticale de la lentille de laamera.

  6. Cliquez sur Activer ou Désactiver de la fonction de sortie video analogue.

  7. Sélectionnez le correspondant de l'équipment d'affichage.
  8. Sélectionnez le mode du capteur.
    Vous peuvent régler le nombre d'images par seconde capturées par le capteur CMOS.

Hanwha SNP6230RH - Fonctions supportées pour chaque protocole - 1

Hanwha SNP6230RH - Fonctions supportées pour chaque protocole - 2

Référez-vous à « Video profil » pour configurer la plage de fréquence d'enregistrement du conformément au mode de réglage. (Page 61)
- Vous ne pouvez pas selectionner pour le mode si le mode du capteur est 50 ips ou 60 ips.

  1. Spectoriez la zone de confidentialité.
  2. Une fois que vous avez effectué ceci, cliquez sur [Appliquer ( Appliquer)].

Pour définiir la zone de confidentialité

Vouspouvez speciér une certaine zone de la video prise par laamera comme étant protégée pour confidentialité.

  1. Réglez l'option sur .
  2. Sélectionnez le masquage de couleur de la zone de confidentialité souhaïée.
  3. Une fois que vous avez effectué ceci, cliquez sur [Appliquer ( Appliquer )].
  4. Cliquez sur [▼ Montrer].
  5. Placer le curseur à un point dans la video et le faire glisser vers tout ce dont vous avez besoin. Déplacez la zone régée au centre de l'écran en commandant le panoramicque/l'inclinaison.
  6. Vérifier si le champ indiqué sur l'écran est conforme avec le champ à définir et entraîr le nom. Lorsque vous n'utilise pas la fonction de restriction d'indication du zoom, Sélectionner [Désativé]

Hanwha SNP6230RH - Pour définiir la zone de confidentialité - 1

puis cliquer sur le bouton [OK]. Si le champ affiché et le champ du paramètre sont différents, appuyer sur le bouton [Annuler] et reconfigurer.

  1. Lorsque vous utilisez la fonction de restriction d'indication du zoom, selectionner [Active] puis cliquer sur le bouton [OK]. Le champ de confidentialité sera définir et une fenêtre contextuelle s'affiche. À ce moment, aller à la position du zoom que vous souhaitez définiir pour l'opération du zoom et cliquer sur le bouton [OK]. Pour annuler le paramètre du champ de confidentialité, cliquer sur le bouton [Annuler] et redéfinir.

Hanwha SNP6230RH - Pour définiir la zone de confidentialité - 2

Le champ de confidentialité peut être définisement lorsque la compensation de vibrations (DIS, stabilisateur d'image numérique) n'est pas utilisée et lorsque le zoom est inférieur à 23x.
- Les champs de confidentialité qui appliquent les fonctions de restriction d'indication s'affichent avec la mention [ZOOM] suivant le nom.

Audio configuration

Vos pouvez configurer les réglages d'E/S de la source audio depuis laamera.

  1. Depuis le menu Configuration, selectionnez I'onglet
  2. Cliquez sur
  3. Permit de régler la valeur de l'entrée audio.

  4. SourcePermet de régler l'entrée audio.

  5. Ligne : Raccordez le cable au dispositif audio.
  6. Microphone externe : Micro externetype mono 3,5 pi(¢).

Hanwha SNP6230RH - Audio configuration - 1

  • Mettez le Mic. ext. sous tension.: Si le microphone externe connecté n'est pas doté d'une source d'alimentation indépendante, cochez cette case pour que laamera soit la source d'alimentation du microphone externe connecté. L'option est activée si est selectionnée.

  • Codec : Spécifiez le codec audio.

  • G.711: Un codec audio standard. Il utilise le codage PCM (Modulation par impulsions et codage) de 64 kbps.

  • Codec audio standard ITU ajustat pour le transfert de voix numérique sur le réseau PSTN ou a travers un PBX.
  • G.726 : Codec audio standard ITU appliquant l'ADPCM (Modulation par impulsions et codage différentiel adaptatif) pour les débits binaires variables du codage PCM de 40/32/24/16 kbps à 64 kbps.

  • Débit Binaire: Réglez le début binaire pour désigner le ratio de compression si vous utilisez le codec G.726.

  • Gain: Spécifiez l'amplification de l'entrée audio.

Hanwha SNP6230RH - Audio configuration - 2

  • Des valeurs de volume ou de gain excessifs au niveau de la source de son peuvent cause des problèmes tels que la dégradation de la qualité du son ou le sifflement.

  • Permet de régler le niveau de la sortie audio.

  • Activer : Permet de définir si la sortie audio doit être utilisée.

  • Gain: Régler la valeur d'amplification pour la sortie audio.

  • Une fois que vous avez effectué ceci, cliquez sur [Appliqueur (Appliqueur)].

Réglageamera

Vous pouvez changer les réglages de laamera selon l'environnement dans lequel laamera est place.

  1. Depuis le menu Configuration, selectionnez I'onglet
  2. Cliquez sur .
  3. Configurez les réglages suivants selon les besoin : SSDR, Balance des blancs, Lumière à contre-jour, Exposition, Spécial, M.au.pt, OSD, IR
  4. Une fois que vous avez effectué ceci, cliquez sur [Appliquer ( Appliquer )].

Hanwha SNP6230RH - Réglageamera - 1

Si un certain tps (tempor : 240s) s'écoules sans que vous ayez appuyé sur [Appliquer

( Appliqueur ) ] après avoir changé les régl, vos modif ne seront pas appliquées.

Hanwha SNP6230RH - Réglageamera - 2

Configuration SSDR (Samsung Super Dynamic Range)

Dans une scene caractérisée par un contraste marquée entre les zones lumineuses et les zones obscures, vous pouvez augmenter la luminosité de la seule zone obscureAfin de régler la luminosité globale.

  1. Sélectionnez .
  2. Reglez sur .
  3. Configurez le réglage de l'ascenseur selon les besoin.

Hanwha SNP6230RH - Configuration SSDR (Samsung Super Dynamic Range) - 1

  • Niveau: Reglez le niveau de la plage dynamique.

Configuration de la balance des blancs

Vouss pouvez corriger les couleurs des images basées sur les blancs dans n'importe qu'elle condition d'éclairage.

  1. Sélectionnez .
  2. Sélectionnez .

ATW: Corrige automatiquement les couleurs de la video de laamera. L'ATW ne fonctionne pas sous des lampes à mercure/sodium.

Hanwha SNP6230RH - Configuration de la balance des blancs - 1

  • Manuel : Vous pouvez régler manuellement les gains de rouge et de bleu de la video de laamera.
  • AWC: Corrige les couleurs de la vente de laamera à optimiser en fonction des conditions d'éclairage actuelle et du mode d'écran sélectionné.

Pour obtenir la condition optimale pour le type d'éclairage actuel, réglez la mise au point de laamera sur un papier blanc puis appuyez sur le bouton [Régler]. Si les conditions d'éclairage changent, vous devrez réajuster les paramètres en conséquence.

  • Exter : Corrige automatiquement les couleurs de la video de laamera a etre optimisées en fonction de l'environnement en extérieur.
  • Inter : Corrige automatiquement les couleurs de la video de laamera a etre optimisées en fonction de l'environnement en interieur.
  • MERCURE : l'image s'équilibre automatiquement sur l'environnement de lampe à mercure.
  • SODIUM : L'image compense automatique a l'environnement de la lampe au sodium.

Hanwha SNP6230RH - Configuration de la balance des blancs - 2

  • En mode AWC, cliquez sur le bouton [Régler] afin de conserver le niveau de balance des blancs de l'image en cours.

Hanwha SNP6230RH - Configuration de la balance des blancs - 3

La balance des blancs peut ne pas fonctionner correctement dans les conditions suivantes. Si tel est le cas, passez en mode BM.

-Si les conditions environnementales de I'objet ne sont pas comprises dans la plage de correction de la température
Ex.: Ciel clair, coucher de soleil
-Si I'environnement de I'objet est nombre
-Si la mise au point de laamera est dirigée vers l'éclairage fluorescent ou si l'appareil est placé dans un lieu à éclairage variable, l'opération de balance des blancs peut être instable.

Configuration BLC

Vous pouvez spécifique manuellement la zone de la video que vous souhaitez afficher plus clairrement.

  1. Sélectionnez .
  2. Reglez sur . Si vous selectionnez BLC, l'écran Reglage coffre et Étape coffre BLC s'affichent sur l'écran de contrôle PTZ.
  3. Sélectionnez chaque élément séparément et réglez-le correctement.

  4. Niveau de la BLC : Vous pouvez changer le niveau pour régler la luminosité de la zone de contrôle.
    Mode coffre BLC: Specifiez le mode BLC box.

  5. Réglage coffre : Utilisez les boutons fléchés pour régler la taille et la position de la BLC Box.
  6. Étape coffre BLC : Preciser l'unité pixel pour le mouvement.

Vous pourrait utiliser les boutons fléchés de pour ajouter ou réduire les pixels.

Hanwha SNP6230RH - Configuration BLC - 1

Si un éclairage puissant tel qu'un lampadaire ou un phare de voiture pointe vers laamera, la zone peut être définie comme devant être coupée afin d'éviter une zone saturaée à l'écran.

  1. Sélectionnez .
  2. Réglez sur .
  3. Sélectionnez chaque élément séparément et réglez-le correctement.

  4. Niveau HLC: Ceci ajuste le niveau de luminosité afin de couper la zone sur-éclairée.

Hanwha SNP6230RH - Configuration BLC - 2

  • TON MASQ: Ceci ajuste le niveau de luminosité de la zone coupée.
    Lorsque la valeur augmente, les couleurs sont modifiées pour passer de sombres à blanches.

Hanwha SNP6230RH - Configuration BLC - 3

  • En cas de fonctionnement de nuit, cette fonction est activée uniquement lorsque la lumière provient d'une zone spécifique dans un environnement faiblement contrasté.
  • En cas de fonctionnement de nuit, l'option HLC est inopérante pour les scènes trop lumineuses ou tropsons.

Configuration WDR

Vous pouvezCHOISIR d'afficher une image nette des objets d'une scene ou les zones lumineuses et obscures coexistent.

  1. Sélectionnez .
  2. Reglez sur .
  3. Sélectionnez chaque élément séparément et réglez-le correctement.

  4. Niveau du WDR : Définis le niveau d' sensibilité du WDR.

Hanwha SNP6230RH - Configuration WDR - 1

Hanwha SNP6230RH - Configuration WDR - 2

Si le mode WDR est activé, le mode de l'obturator ne pourrait pas être modifié. Le transfert via le réseau est disponible jusqu'à 15 ips.
Si le mode WDR est activé, un objet en mouvement pourra laisser subsister une image résiduelle à l'écran.

Ex.)

Hanwha SNP6230RH - Configuration WDR - 3

Hanwha SNP6230RH - Configuration WDR - 4

WDRDésacté> WDRActivé>

Hanwha SNP6230RH - WDRDésacté&gt; WDRActivé&gt; - 1

Si vous selectionnez WDR, vous pouvez rencontres les problèmes suivants. Par conséquent, réglez-le sur Non utilisé.
- Modification non naturelle des couleurs entrainant une image non naturelle à l'écran
-Bruit sur la zone illuminée de l'image
- Comme la performance de la fonction WDR peut varier en fonction de la taille de la zone illuminée de l'image, il est recommandé d'optimiser l'angle d'installation pour obtenir de更好地 performances.
- En cas de fonctionnement de nuit, cette fonction est activée uniquement lorsque la lumière provient d'une zone spécifique dans un environnement faiblement contrasté.
L'augmentation de la valeur maximale peut entrainer l' apparition d'une partie non naturelle à l'image.
Pour obtenir les valeurs performances du WDR (plage dynamique etendue), il est recommandé de régler le mode Iris sur .
- Comme la mise au point automatique (AF) peut être répetée en fonction des conditions d'éclairage si la compensation de contre-jour utilisateur est utilisé, il est commandé d'utiliser le mode de mise au point ou .

Configuration de l'exposition

Vous pouvez régler le niveau d'exposition de laamera.

1. Sélectionnez .

  1. Sélectionnez chaque élément et réglez-le correctement.

Luminosite:Permet de regler la luminosite de I'ecran.

  • Obturation minimale : La limite la plus longue de la durée d'exposition.

Obturator est le mode permettant de régler la plage de temps d'exposition du

capteur, qui spécifiera les limites supérieure et inférieure du mouvement electronique de l'obturateur.

La vitesse d'enregistrement peut etre réduite dans de faibles conditions d'éclairage si le mode Obturator presente une valeur plus faible que cette spécifiée dans le mode Capteur.

  • Obturation maximale : La limite la plus courte du temps l'exposition.

  • Anti scintillagement: Cette fonctionnalité peut être utilisée lorsqu'un écran clignote en raison d'une disparité de fréquence avec l'éclairage ambient.

SSNR: Sécífiez si vous youlez supprimer les bruits dans la vente.

Lorsque le mode AGC est defini à < Désactivé>,SSNR ne peut être utilisé.

  • Niveau de SSNB: Permet de régler le niveau de réduction du bruit.

  • Volet en iris : Vous pouvez regler le diaphragme de la camera sur Auto ou Manuel a votre convenance.

  • Automatique : Permet de regler le diaphragme automatiquement sur l'éclairage ambient et la vitesse d'obturator.

  • Manuel : Iris F-No est paramétré manuellement.

  • Volet en iris F-No : Si le mode de diaphragme est régle sur Manuel, spécifique le nombre de F du diaphragme.

Lorsque F-No augmente, l'iris se réduit, ainsi l'écran s'assombrit, et lorsque F-No diminue l'écran devient plus lumineux.

CAG:Selectionnez le mode de contrôle AGC.

Regler la valeur du gain de la video (scene a faible contraste et a faible luminosite) pour regler la luminosite de la video.

  • Si le mode AGC est régé sur ou , vous ne pouvez pas utiliser le SSNR et ne pouvez pas sélectionner le mode pour le réglage du mode Date/Nuit.

  • Niveau AGC: Si le mode AGC est reglé sur Manuel, spécifique une valeur comprise entre 0 dB et 42 dB.

Hanwha SNP6230RH - Sélectionnez . - 1

Configuration Spécial

  1. Sélectionnez .
  2. Sélectionnez chaque élément et réglez le correctement.

DIScompense l'imag
automatiquement lorsque celle-ci
bouge afin de la stabiliser en sortie.

  • Empêche l'image d'être floue en cas de vibration de laamera en raison de facteurs externes tels que le vent.
    Le DIS (stabilisateur d'image numérique) ne peut pas ettre utilise si AV/DM (Analyse Video et Detection de Mouvement) et la détction d'activité sont utilisés.
    Le zoom numérique ne peut pas etre utilise si le DIS (stabilisateur d'imag numérique) est utilise.

  • diurne/nocturne : Vous pouvez changer de mode pour régler le niveau du noir et blanc et des couleurs également.

  • Couleur : Affiche toujours la video en couleurs.

  • N/B : Affiche toujours la video en noir et blanc.
  • Automatique : Affiche le mode couleurs en cours de journée et bascule en mode noir et blanc pour les scènes faiblement contrastées la nuit.
    Lorsque le mode AGC est défini à , le paramètre du mode jour/nuit automatique ne peut être sélectionné.

  • Temps de maintain : C'est le temps durant lequel la condition d'éclairage applicable est conservée de manière à activer le basculement entre les modes jour et nuit.
    Durée: Spécifiez l'intervalle de temps d'éclairage auquel l'opération est déclenchée.

Mode de nettete: Permet de régler la nettété globale de l'image.

En selectionnant , vous pouvez régler la netteté de l'image.

  • Nettété : Plus le niveau de réglage est élevé, plus nets et clairs les contours de l'image.

Hanwha SNP6230RH - Configuration Spécial - 1

  • Niveau des couleurs : Ajuste l'intensité des couleurs de la vente.
  • Dénébuliser : vous pouvez améliorer les images par temps de brouillard ou nuageux. Il est régle sur par défaut. Des réglages spéciaux sont utilisés lorsqu'la video est floue par temps brumeux.

  • Désactivé : la fonction d'élimination de buée n'est pas active.

  • Automatique : les images sont compensées automatiquement en fonction de la densité du brouillard. Pour améliorer les effets de cette fonction, réglez le .
  • Manuel : vous pouvez régler manuellement le niveau de compensation de l'image

Hanwha SNP6230RH - Configuration Spécial - 2

Utilisez cette fonction si l'image n'est pas nette en raison du temps brumeux.

Hanwha SNP6230RH - Configuration Spécial - 3

Si est sélectionné pour le mode de désembavage, le niveau est diminué conjointement avec la diminution du brouillard. Si vous souhaitezmaintenirle niveau de désembavage,meme lorsquela densitédu brouillarddiminue,sélectionnez.
- Notez que l'image peut être souvent si le niveau de désembuage est régle sur élevé alors que la densité du brouillard diminue.

  • Niveau de dénébulisation : réglez le niveau de désembusage.

Configuration de la mise au point

  1. Sélectionnez <M.au.pt> .
  2. Sélectionnez chaque éléments séparément et réglez-le correctement.

Mode

  • Manuel : La mise au point est reglee manuellesment selon le facteur de zoom.

Hanwha SNP6230RH - Configuration de la mise au point - 1

  • Automatique : La mise au point est régée automatiquement selon le facteur de zoom.
  • Prise AF : La fonction M.au.pt auto est executée après l'opération de zoom.

  • Zoom numérique : Spécifiez l'utilisation du zoom numérique.
    Le zoom numérique ne peut pas etre utilise si le DIS (stabilisateur d'imaginemérique) est utilise.
    Seuil zoom numérique : Specifiez la limite du zoom numérique.

  • Suivi zoom : Spécifiez le mode de synchronisation de la mise au point avec le fonctionnement panoramicique/inclinaison/zoom.

  • Désactivé : Seul l'objectif de zoom fonctionne encore.

  • Suivi automatique : Permet de contrôle (déctector et corriger) les opérations de zoom pour maintainir le réglage de la mise au point.
  • Suivi : L'opération de zoom sera guidée par la trajectorytre de la mise au point.

Vitesse du zoom: Reglez la vitesse de suivi de zoom.

  • Lentille Init.: Réinitialisez l'objet pour empêcher le zoom de passer en mode avant-arrête.

Durée : Specifiez la fréquence de réinitialisation de l'objet.

  • Vous pouvez spécifique la date de réinitialisation de l'objet en mode d'exécution de mise au point automatique. Sécífiez le temps entre 1 et 7 jours et la réinitialisation sera exécutée dans un intervalle de 24 heures à partir de la date indiquée.

Hanwha SNP6230RH - Configuration de la mise au point - 2

La fonction de mise au point automatique peut ne pas fonctionner correctement dans l'une des conditions suivantes :

-images brillantes ou scintillantes (ex.-enseigne néon)
-faible éclairage de la zone visée
- comportement lent de I'obturateur
-objetASF
-illumination excessive de la zone visée
-si un objet à courte distance et un objet à longue distance sont present dans la zone visée
-en l'absence d'espace de contraste (ciel, mur, etc.)
-si laamera prend une image d'une fine ligne horizontale.

En mode Mise au point automatique, du fait que la visée de laamera est axée sur l'objet au centre de la zone, d'autres objets éloignés du centre peuvent être flous.

Conf OSD

  1. Sélectionnez .
  2. Sélectionnez chaque élément séparément et réglez-le correctement.

  3. Titre de laamera : Spécifiez s'il faut afficher ou non le titre de laamera à l'écran.

  4. Vous pouvez saisir jusqu'à 15 caractères pour le titre.
    Titre de laamera X, Y: Permet de

Hanwha SNP6230RH - Conf OSD - 1

specifier les coordonnées de l'emplacement de l'affichage du titre de laamera sur l'écran.

  • Date et Heure : Vous pouvez régler la date et l'heure, et si elles doivent être affichées sur l'écran.
  • Date et Heure X, Y: Réglez la position de l'heure à afficher sur l'écran
    Superposition du jour de la semaine : vous pouvez afficher le jour sur l'écran.

  • Position PTZ : Définir l'emplacement PTZ sur l'écran.

  • Prérogler nom : Permet de spécifique si le nom prépréglé doit être affchéé ou non à l'écran.

  • Adresse: Défini si le numéro d'ID de laamera est affchéé ou non à l'écran.
  • Azimut : Cette fonction vous permet d'indiquer l'azimuth du champ vu dans l'écran actuel.

Huit directions cardinales apparaissent sur le cote inférieur droit de chaque écran, indiquant l'orientation actuelle : E/O/S/N/NE/NO/SE/SO

Hanwha SNP6230RH - Conf OSD - 2

  • Un élément dont la position est régliable (Titre de laamera, Date et Heure) peut ne pas être affché normalement s'il chevauche un autre élément d'OSD.
    La position PTZ s'affiche sur le coin inférieur gauche de l'écran et ne peut se déplacer vers une autre zone. Utilisez ces informations lors du placement d'autres éléments sur l'écran.

Paramétrage Azimuth

  1. Cliquez sur [▼ Montrer].
  2. ÀpRES avoir pointé le centre de la vue de laamera vers le nord et après avoir appuyé sur le bouton [ ] 'orientatio

Hanwha SNP6230RH - Paramétrage Azimuth - 1

correspondante sera enregistrée comme nord.

Réglages IR

  1. Sélectionnez .

  2. Sélectionnez chaque élément séparément et réglez-le correctement.

Mode:

  • Désacté: Arrête les LED IR.
  • Activé : Allume les LED IR

Hanwha SNP6230RH - Réglages IR - 1

Pendant l'utilisation, le mode jour/nuit spécial est regle sur N/B.

  • diurne/nocturne : Mets en marche/arrêt l'IR conformément au mode jour et nuit. Lorsque le mode est défini, le mode jour et nuit spécial ne peut être régèle.
  • Câteur : Change l'IR et le mode jour et nuit conformément au flux lumineux déetecté par le capteur de lumière.

Lorsque ce mode est défini, le mode jour et nuit spécial ne peut être régèle.

  • Chronométré, : Définis la durée d'utilisation de l'IR.
    Lorsque ce mode est defini, le mode jour et nuit spécial ne peut etre regle.

  • LED de niveau sur Marche : Les LED sont allumées lorsque le flux lumineux est inférieur au niveau d'utilisation des LED. Peut être régle de 1 à 90.

  • LED de niveau sur Arrêt : Les LED sont éteintes lorsque le flux lumineux est supérieur au niveau d'utilisation des LED. Peut être réalisé de 11 à 100.
    LED Heure sur Marche ; Définis l'heure à laquelle l'IR restera en marche.
    LED d'alimentation Max. : Définis le plus haut niveau de luminosité pour l'IR.
  • LED de commande d'alimentation : Contrôle la saturation à l'écran qui peut être causée par un objet proche.

S'il est défini sur , la sortie des LED n'est pas contrôleé même lorsque l'écran est sature.

Hanwha SNP6230RH - Réglages IR - 2

Lorsque vous reglez le mode IR sur, la LED s'allume et I'ecran passse automatique en mode noir et blanc. Lorsque vous reglez le mode IR sur, la LED s'eteint et I'ecran passse automatiquement en mode jour et nuit.
Si le grossissement est modifié alors que le variateur IR est en utilise, celui est interfacé sur le grossissement.

Cependant, l'interface du variateur IR sur le grossissement peut etre ralentie par la temperature.

Si la température ambiente est trop élevé, les LED IR peuvent être mise à l'arrêt de force afin de protégger l'équipement.

Smart codec

Définissez la zone souhaïée de la video en provenance de laamera en tant que Zone d'intérêt, puis spécifie la sensibilité de détction pour cette zone.

  1. Depuis le menu Configuration, selectionnez I'onglet
  2. Cliquez sur .
  3. Sélectionnez une valeur sous Zone d'intérêt.

  4. Manuel : Spécifiez la valeur de Zone d'intérêt pour le contrôle manuel.

  5. Détection de visage : Cette option est activée des qu'un visage est reconnu sur l'écran de contrôle.

Hanwha SNP6230RH - Smart codec - 1

Hanwha SNP6230RH - Smart codec - 2

L'option Detection de visage ne sera activée que si les conditions suivantes sont remplies :

-Le visage est positionné à ±45 degrés vers la gauche ou la droite à partir du haut.
-La plage effective de la rotation du visage est de ± 30 degrés à la verticale, et ± 60 degrés à l'horizontal.
-Laaille minimum du visage est de 20x20 dans une résolution de 320x240.

Hanwha SNP6230RH - Smart codec - 3

  • Uniquement lorsqu'un événement de détction faciale est activée, le champ concerné peut être définie comme détction faciale. Pour plus de détails sur les événements de détction faciale, voir "Détction de visage" (page 126)

  • Sélectionnez un niveau de qualité pour la région d'intérêt.
    La zone ROI sera affichée dans la qualité spécifique.

  • Si vous définisse la zone d'intérêt par , alors Sélectionnez la zone souhaïée avec votre nombre souris et faites-la glisser.
  • Vous pouvez spécifique jusqu'à 5 zones distinctes.
  • Pour annuler tous les paramètres de la zone, cliquer sur le bouton
    [Supprimer ( Supprimer)].
  • Une fois que vous avez effectué ceci, cliquez sur [Appliqueur (Appliqueur)].

Hanwha SNP6230RH - Smart codec - 4

L'option Codec intelligent ne sera pas activée si elle est réglée sur dans . (page 61)

DDNS est l'abréviation de Dynamic Domain Name Service, un service qui convertit l'adresse IP d'uneamera en nom d'hôte général afin que l'utilisateur puisse s'ensovir facilement.

VouspouvezutiliserleserviceDDNSuniquementsi l'Internetestconnecté.

  1. Depuis le menu Configuration, selectionnez I'onglet <Network(
  2. Cliquez sur .
  3. Sélectionnez le type de connexion .
  4. Entre les éléments DDNS correspondant au type sélectionné.

Samsung DDNS: Sélectionnez ceci si vous utilisez le serveur DDNS fourni par Samsung.

  • ID produit : Entrez l'identifant du produit qui est enregistré avec le service Samsung DDNS.
  • Connexion rapide : Permet de régler la redirection de port automatiquelement lorsqu'un router compatible UPnP (Universal Plug and Play) est utilisé.

Hanwha SNP6230RH - Smart codec - 5

Hanwha SNP6230RH - Smart codec - 6

  • Si vous pouze utiliser le service DDNS sans utiliser de concentrateur qui prend en charge la fonction UPnP, cliquez sur Connexion rapide, puis allez dans le menu du concentrateur et activez la redirection de port pour votre concentrateur.

Pour en savoir plus sur la façon de configurer la redirection de port pour votre concentrateur, voir "Configuration de la Redirection de la Plage de Ports (Mappage de Ports)". (page 41)

  • DDNS public: Sélectionnez l'un des serveurs DDNS publics fournis lorsque vous utilisez un serveur DDNS public.

  • Service : Permit de sélectionnur un serveur de service DDNS public souhaité.

  • Nom hôte : Entrez le nom de l'hôte, enregistré sur le serveur DDNS.
  • Nom d'utilisateur : Entrez le nom d'utilisateur du service DDNS.
  • Mot de passer : Entrez le mot de passer du service DDNS.

  • Une fois que vous avez effectué ceci, cliquez sur [Appliqueur ( Appliqueur)].

Si I'option < < Connexion rapide> est selectionnee, selectionnez le service Samsung DDNS.

Enregistrement sur le serveur DDNS

Pour enregistrer votre produit sur le serveur Samsung DDNS

  1. Consultez le site Web iPOLiS (www.samsungipolis.com), puis connectez-vous à l'aide d'un compte enregistré.

Hanwha SNP6230RH - Pour enregistrer votre produit sur le serveur Samsung DDNS - 1

  1. Depuis la barre de menu en haut de l'écran, Sélectionnez - .

Hanwha SNP6230RH - Pour enregistrer votre produit sur le serveur Samsung DDNS - 2

  1. Cliquez sur [PRODUCT REGISTRATION].

  2. Saisissez l'identifiant du produit.

  3. Vous devez effectuer une double verification de l'identifant que vous venez de saisir.

Hanwha SNP6230RH - Pour enregistrer votre produit sur le serveur Samsung DDNS - 3

  1. Sélectionnez puis spécifiez .
  2. Sécífiez l'emplacement du produit avec une description si nécessaire.
  3. Cliquez sur [REGISTRATION]. Le produit est ainsi ajouté à la liste des produits que vous pouvez contrôler.

Hanwha SNP6230RH - Pour enregistrer votre produit sur le serveur Samsung DDNS - 4

Pour effectuer la connexion au serveur Samsung DDNS durant la configuration de laamera

  1. Depuis la page de configuration DDNS, réglez sur .
  2. Indiquez la valeur du que vous avez spécifiée lors de l'enregistrement de l'identifant du produit sur le site DDNS.
  3. Cliquez sur [Appliqueur ( Appliqueur)]. Lorsque la connexion est reussie, vous verrez le message <(Réussit)> apparaitre à l'écran.

Hanwha SNP6230RH - Pour effectuer la connexion au serveur Samsung DDNS durant la configuration de laamera - 1

Configuration du server DDNS public sous les Réglages de laamera

  1. Ouvrez la page des réglages DDNS et Sélectionnez sous .
  2. Entrez le nom de l'hôte, le nom d'utilisateur et le mot de passer du site correspondant.
  3. Cliquez sur le bouton [Appliqueur (Appliqueur)].

Si la connexion s'établit correctement, l'option <(Réussit)> apparaitra.

  1. Une fois que vous avez effectué ceci, cliquez sur [Appliqueur ( Appliqueur)].

Hanwha SNP6230RH - Configuration du server DDNS public sous les Réglages de laamera - 1

Pour utiliser le service DDNS correctement, la configuration DDNS et la configuration de redirection du port de routeur sont nécessaires.

Concernant la configuration de redirection du port, reportez-vous à la section « Configuration de la Redirection de la Plage de Ports (Mappage de Ports) ».(page 41)

Filtrage d'IP

Voussouvez创建工作 une liste d'adresses IP auxquelles vous souhaitez accorder ou refuser l'accès.

  1. Depuis le menu Configuration, selectionnez I'onglet <Network (
  2. Cliquez sur .
  3. Sélectionnez .

  4. Interdire : Si vous sélectionnez cette option, l'accès des adresses IP ajoutées au filtrage sera restreint.

  5. Autoriser: Si vous selectionnez cette option, seul l'accès des adresses IP ajoutées au filtrage sera accordé.

Hanwha SNP6230RH - Filtrage d'IP - 1

  1. Cliquez sur le bouton [Ajouter (Ajouter)]. La liste des adresses IP est créé.
  2. Indiquez l'adresse IP pour laquelle vous souhaitez accorder ou refuser l'accès. Lorsque vous entrez une adresse IP et un préfixe, la liste d'adresses IP disponibles apparaît sur la colonne droite de la plage de filtrage.

Hanwha SNP6230RH - Filtrage d'IP - 2

Si vous selectionnez pour Filtrage d'IP et de est reglé sur , les adresses IPv4 et IPv6 de l'ordinateur en cours de configuration doivent être affectées.
L'adresse IP de l'ordinateur utilise pour la configuration actuelle ne peut pas etre ajoutee a ; elle doit etre ajoutee a .
Uniquement les adresses IP régées sur seront affichées sur la colonne de filtrage.

  1. Sélectionnez une adresse IP à supprimer de la liste. Cliquez sur le bouton [Effacer (Effacer)].
  2. Une fois que vous avez effectué ceci, cliquez sur [Appliqueur ( Appliqueur) ].

SSL

Vous pouze selectionner un systeme de connexion securise ou installer le certificat public à cet effet.

  1. Depuis le menu Configuration, Sélectionnez l'onglet <Network (
  2. Cliquez sur <SSL> .
  3. Select a secure connection system. Pour acceder à laamera en mode HTTPS, vous doivent saisir le type de l'adresse IP de laamera sous la forme suivante: « https:// » Si vous ne réussissez pas à configurer les paramétres Web viewer en mode HTTPS avec Internet Explorer, modifier les options Internet de la manière suivante : <Menu Outils

Hanwha SNP6230RH - SSL - 1

Options Internet Avance Securite Decochez TLS 1.0 et cochez TLS 1.1, TLS 1.2>

  1. Recherche le certificat public que vous souhaitez installer sur laamera. Pour installer le certificat sur laamera, il faut taper un nom de certificat (celui-ci peut être arbitrairement affecté par l'utilisateur) et indiquer un fichier de certificat émis par l'autorité concernée ainsi qu'un fichier de clé.

L'element sera activé uniquement s'il existe un certificat public installé.

  1. Une fois que vous avez effectué ceci, cliquez sur [Appliqueur ( Appliqueur)].

Installation du certificat

  1. Entrez le nom du certificat.
  2. Cliquer sur le bouton [Parcourir (Parcourir ], selectionner le fichier de certificat public et le fichier clé devant être installés, puis cliquer sur le bouton [Installer ].

Suppression du certificat

  1. Cliquez sur le bouton [Effacer (E) facer
  2. Pour supprimer un certificat public, vous devez acceder au décembre video sur réseau en mode ou <HTTPSPS (Mode de connex. sécurisée avec certificat unique)}.

802.1x

Lors de la connexion au réseau, vous pouvez désirer d'utiliser ou non le protocole 802.1x avant d'instructor la certification.

  1. Depuis le menu Configuration, selectionnez I'onglet <Network (
  2. Cliquez sur < 802.1x>
  3. Reglez l'option

  4. IEEE 802.1x: Spécifiez l'utilisation du protocole 802.1x.

  5. Type d'EAP: Sélectionnez EAP-TLS oi LEAP.
  6. Version EAPOL : Sélectionnez la version 1 ou 2.
    IDEntrez I'ID de certificat du client dans EAP-TLS et I'ID utiliseur dans LEAP.

Hanwha SNP6230RH - 802.1x - 1

  • Mot de passer : Entrez le mot de passer de la clé privée du client dans EAP-TLS et le mot de passer utiliser dans LEAP. Vous n'avez pas à entrer le mot de passer dans EAP-TLS s'il utilise un fichier de clé non crypté.

Si le periphérique réseau connecté ne prend pas en charge le protocole 802.1x, le protocole ne fonctionnera pas correctement même si le réglage a été effectué.
LEAP est une méthode d'authentication offrant une faible sécurité. L'utiliser uniquement dans un environnement dans lequel EAP-TLS n'est pas disponible.

  1. InstallInstaller/retirer le certificat.

Le certificat est requis uniquement pour EAP-TLS.

  • Certificats CA : Sélectionnez un certificat public contenant la clé publique.
  • Certificat client : sélectionnez un certificat public contenant la clé du certificat client.
  • Clé privée Client : Sélectionnez un certificat public contenant la clé privée client.

  • Une fois que vous avez effectué ceci, cliquez sur [Appliquer( Appliqueur)].

Pour installer/supprimer les certificates liés à 802.1x

  1. Appuyez sur le bouton [Parcourir (Parcourir)] pour chaque élément afin de sélectionner le certificat approprié à installer.
  2. Si aucun certificat n'est installé, vous verrez le message « Non disponible » apparaitre à côté du prochain élément sélectionné.
  3. Appuyez sur le bouton d'installation pour lancer le processus d'installation avec le message [Installer ( Installer) ] qui s'affiche à côté de l'élement.
  4. Appuyez sur le bouton [Effacer (Effacer)] pour-retirer le certificat.

QoS

Vous pouvez préciser la priorité afin d'obtenir un débit de transfert stable pour une adresse IP spécifique.

  1. Depuis le menu Configuration, selectionnez l'onglet <Network(
  2. Cliquez sur < QoS>
  3. Cliquez sur le bouton [Ajouter ( Ajouter)]. La liste des adresses IP est creee.
  4. Entrez l'adresse IP à laquelle vous souhaitez appliquer la qualité de service.

Hanwha SNP6230RH - QoS - 1

Hanwha SNP6230RH - QoS - 2

Le préfixe par défaut pour IPv4 est 32. Pour DSCP, la valeur par défaut est 63.
Seul l'ordre de priorite des adresses IP reglees sur peut etre configre.

  1. Sélectionnez une adresse IP à supprimer de la liste. Cliquez sur le bouton [Effacer (Effacer)].
  2. Une fois que vous avez effectué ceci, cliquez sur [Appliqueur ( Appliqueur) ].

SNMP

Grçé aux protocôles SNMP, l'administrateur système ou réseau peut contröler les périḥériques réseau à distance et configurer les réglages de l'environnement.

  1. Depuis le menu Configuration, selectionnez I'onglet <Network(
  2. Cliquez sur.
  3. Spécificez la valeur de réglage de .

  4. Activer SNMP v1 : la version 1 de SNMP est activée.

  5. Activer SNMP v2c : la version 2 de SNMP est activée.

  6. Communauté de lecture : indiquez le nom de la communauté de lecture depuis laquelle vous pouvez acceder aux informations SNMP. Le nom par défaut est .

Hanwha SNP6230RH - SNMP - 1

  • Communauté d'écriture : indiquez le nom de la communauté d'écriture depuis laquelle vous pouvez acceder aux informations SNMP. Le nom par défaut est .

  • Activer SNMP Trap : La trappe SNMP est utilisé pour envoyer des informations et des conditions d'importance à système d'administrateur.

  • Communauté : Saisissez le nom de la trappe communautaire afin de receivevoir des messages.
  • Adresse IP : Saisissez l'adresse IP à laquelle le message sera envoyé.
  • Échéce de l'authentication : Specifie si un événement doit être génééré lorsqu'une information communautaire est invalide.
  • Connexion au réseau : Specifie si un événement doit être géné ré lorsqu'une déconnexion réseau est restaurée.
  • Entrée d'alerte 1~4 : Déterminé si un événement doit être créé ou non lorsque la sortie d'alarme est déclenchée (Normalement ouverte ou Normalement fermée).
  • Émission d'alerte 1~2 : Déterminé si un événement doit être créé ou non lorsque la sortie d'alarme est déclenchée (Normalement ouverte ou Normalement fermée).
  • Détection sabotage : Déterminé si un événement doit être créé ou non après détection d'un sabotage à la suite duquel l'écran s'obscurcit et l'emplacement de laamera est changé.

  • Activer SNMP v3 : la version 3 de SNMP est activée.

  • Mot de passer : Saisissez le mot de passer par défaut pour la version 3 de SNMP. Le mot de passer par défaut est .

Le mot de passer par défaut peut être exposé à un fil de piratage ; il est donc recommandé de modifier le mot de passer après l'installation de l'appareil.
Notez que l'utilisateur sera tenu pour responsable de tout problème relatif à la sécurité ou autre provoqué par un mot de passer inchangé.
Le mot de passer doit comprendre entre 8 et 16 caractères.

4. Une fois que vous avez effectué ceci, cliquez sur [Appliqueur( Applicateur)].

Hanwha SNP6230RH - Une fois que vous avez effectué ceci, cliquez sur [Appliqueur( Applicateur)]. - 1

SNMP v3 n'est disponible que lorsque le mode de connexion sécurisé est HTTPS. Reportez-vous à « SSL » (page 102)
- Si vous n'utilise pas SNMP v3, il peut y avoir un problème de sécurité.

Configurer IP automatique

Vous pouvez définir l'adresse IP disponible pour rechercher l'accès et la camera automatiquement.

  1. Depuis le menu Configuration, Sélectionnez l'onglet <Network (
  2. Cliquez sur .
  3. Reglez l'option .

Une adresse IP supplémentaire peut être affectée afin d'évaluer laamera depuis le réseau Link-Local.

  • Configuration automatique : Specifie Activé ou Désactévu regard de l'adresse IPv4 Lien-Local.
  • Adresse IP : Affiche l'adresse IP assignée.

  • Masque de sous-réseau : Affiche le masque de sous-réseau de l'IP assigné.

Hanwha SNP6230RH - Configurer IP automatique - 1

  1. Reglez l'option .

Les caméras peuvent être automatiquement recherchées dans le client et le système d'exploitation grâce au protocole UPnP.

  • UPnP découverte : Specifie Activé ou Désactivé pour la découverte UPnP.
  • Nom convivial : Affiche le nom de laamera.

Le nom convivial est affché au format de SAMSUNG--- .

Hanwha SNP6230RH - Configurer IP automatique - 2

Sous le système d'exploitation Windows qui supporte de fait l'UPnP, les cameras connectées au réseau sont affichées.

  1. Reglez l'option .

Les caméras peuvent être automatiquement recherchées dans le client et le système d'exploitation grâce au protocole Bonjour.

  • Bonjour : Specifie Activé ou Désactivé pour Bonjour.
  • Nom convivial : Affiche le nom de laamera.

Le nom convivial est affché au format de SAMSUNG--- .

Hanwha SNP6230RH - Configurer IP automatique - 3

Sous le système d'exploitation Mac, qui supporte le protocole Bonjour par défaut, les cameras connectées sont automatiquement affichées dans le favori Bonjour du navigateur Web Safari. Si le favors Bonjour n'est pas affchéé, vérifie la configuration des Favoris dans le menu « Préférences »

  1. Une fois que vous avez effectué ceci, cliquez sur [Appliqueur ( Appliqueur)].

FTP / E-mail

VoussouspouvezconfigurerlesreglagesduserveurFTP/Emailafinde transmettrelesimges prises avec la cameraversvoire ordinateuren cas de survenue d'evénement.

  1. Depuis le menu Configuration, selectionnez I'onglet
  2. Cliquez sur .
  3. Sélectionnez ou , puis entrez ou sélectionnez une valeur souhaïée.

  4. Configuration FTP

  5. Adresse du serveur: Entrez l'adress IP du serveur FTP vers lequel vous transférez les images d'alarmes ou d'évenement.

  6. ID : Entrez l'ID utiliseur dont vous comptez vous servir pour vous connecter au serveur FTP.

Hanwha SNP6230RH - FTP / E-mail - 1

  • Mot de passer : Saisissez un mot de passer de compte d'utilisateur afin de vous connecter au serveur FTP.
  • Télecharger dossier : Spécifiez le chemin FTP via lequel vous allez transférer les images d'alarmes ou d'événement.
  • Port : Le port par défaut du serveur FTP est le port 21. Cependant, vous pouvez utiliser un numéro de port différent selon les réglages du serveur FTP.
  • Mode passif : Sélectionnez si vous devez passer en mode passif en raison du pare-feu ou des réglages du serveur FTP.

  • Configuration E-mail

  • Adresse du serveur : Entrez l'adresse IP du serveur du courier électronique vers lequel vous transférez les images d'alarmes ou d'événement.

  • Utiliser l'authentication : Spécificiez si vous souhaitez utiliser l'autorisation ou non.
  • Utilisation SSL : Permet de spécifique l'utilisation du protocole SSL
  • ID Saisissez un nom d'utilisateur afin de vous connecter au serveur de messagerie.
  • Mot de passer : Saisissez un mot de passer de compte d'utilisateur afin de vous connecter au serveur de messagerie.
  • Port : Le port par défaut du serveur de messagerie est le port 25. Cependant, vous pouvez utiliser un numéro de port différent selon les réglages du serveur de messagerie.
  • Destinataire : Saisissez l'adresse du destinataire du courrier électronique.
  • Expéditeur : Entrez l'adresse de l'expéditeur du courrier électronique.

Si l'adresse de l'expéditeur est incorrecte, le courier électronique concerne pourra être classé comme étant un SPAM et ne pas être transmis.

  • Obj : Entrez l'objet de votre courrier électronique.
  • Corps : Fournissez le texte du message. Joignez les images d'alarmes ou d'évenement au courrier électronique en préparation.

  • Une fois que vous avez effectué ceci, cliquez sur [Appliqueur ( Appliqueur )].

Stockage

Vouss pouvez activer I'enregistrement sur votre apparéil, régler les conditions d'enregistrement, vérifier la capacité de données sauvegardées et formater l' apparéil.

  1. Depuis le menu Configuration, selectionnez I'onglet .
  2. Cliquez sur .
  3. Sélectionnez un périhérique pour y sauver les données.

Hanwha SNP6230RH - Stockage - 1

Si vous appareil enregistre correctement les données, « Enregistrement » sera affché
Si vous Voyez un message "Erreur", vérifie ce qui suit :

  • Vérifiez si le système de stockage est branché à l'appareil.
  • Vérifiez si les fichiers du système de stockage sont endommages.
  • Vérifiez si le système de stockage est physiquement endommagé.

Hanwha SNP6230RH - Stockage - 2

Si le message "Erreur" ne disparait pas après les instructions ci-après, formatez la carte SD.
Après le formatage, si le message d'erreur reste affché, remplacez la carte SD.
Si vous retirez la carte SD sans avoir eteint la camera ou si vous connectez uneamera a une source d'alimentation instable, la carte SD risque de s'endommager.

Pour effectuer des enregistrements sur la carte mémoire SD

  1. Vérifiez l' et de votre carte mémoire.
  2. Autrement, vérifie les données stockées et si vous constaté qu'il ne s'agit pas de données importantes, cliquez sur pour formater la carte mémoire SD.

Certaines images peuvent etre ignorées si la carte memoire SD fonctionne a une vitesse inférieure que celle recommandee.

Pour plus d'informations, referez-vous à « Spécifications Carte Mémoire SD/SDHC/SDXC Recommendées » (Page 11)

Dans le cas d'une carte mémoire SD de grande capacité, le formatage sera ralenti en conséquence.
Le traffic de données augmentera lorsque laamera sera reglee sur une resolution plus haute, un debit binaire plus eleve ou une vitesse d'enregistrement plus elevee.

S'il y a trop de traffic de données, certaines images seront ignores bien que stockées en images complètes.

Lorsque un saut d'image survient, les images sont sauvégardées à un rythme minimum d'une image par seconde.

  1. Spécifiez l'action de stockage.

  2. Enregistrer profil : Le nom du profil enregistré s'affiche.

  3. Normale : l'enregistrement s'effectue selon une vitesse définie.

  4. Événement : permet de définir le type d'enregistrement d'un événement particulier.

  5. Durée pré-evénement : Spécifiez le moment avant l' apparition de l'événement ;
  6. les images seront transférées depuis ce point de départ. Vous pouvez spécifique jusqu'à 5 secondes avant l' apparition de l'évenement.
  7. Durée post-evénement : Spécifiez le moment après l'apparition de l'événement ; au moment défini, les images seront transférées. Vous pouvez spécifique jusqu'à 120 secondes après l'apparition de l'événement.
  8. Type de fisier enregistré : Specifie le format de fisier des images enregistrées. Si vous insérez une carte SD enregistrée sous un différent format (AVI/STW), vous devrez la formater avant de l'utiliser.

  9. STW: C'est le format de fichier unique Samsung.

  10. AVI: C'est le format avi conventionnel.

  11. Réécrite : Si la carte mémoire SD est pleine, cette action supprimera les ancériennes données et les replacera par de nouvelles données.

  12. Suppression automatique : Les données couvrant une certaine période sont supprimées, alors que d'autres données ne le sont pas. Elle peut être d'une durée allant de un à 180 jours.

Si la période de stockage a expiré, les données sont automatiquement suprimées et de nouvelles données seront enregistrées. Une fois suprimées, les données ne peuvent etre récapurées.

  1. Réglez sur .

  2. Type: Caméras prénant en charge des cartes SD avec systèmes de fichiers VFAT et EXT4 (salon l'utilisateur).

(Toutefois, une application distincte est nécessaire afin de permettre au système de fichiers EXT4 d'interagir avec le système d'exploitation Windows)

  1. Spécifiez l'options .

  2. Toujour Sauvegardez toujours la video enregistrée sur la carte mémoire SD.
    Si le réglage est spécifique sur Toujours, l'heure de l'activation ne pourra pas être modifiée.
    Heure programmée uniquement : Permet d'enregistrer uniquement à l'heure spécifique du jour de la semaine spécifique.

  3. [Supprimer ( Supprimer)]: Réinitialisez tous les réglages.

  4. Une fois que vous avez effectué ceci, cliquez sur [Appliqueur( appliqueur)].

Si vous voulez enregistrer sur votre NAS

  1. Réglez les opérations de sauvegarde et l'enregistrement de base.

Hanwha SNP6230RH - Si vous voulez enregistrer sur votre NAS - 1

La suppression automatique est prise en charge seulement si vous NAS répond aux spécifications recommandées.

  1. Entrez l'information enregistrée dans voitre NAS.

  2. Adresse IP : Une adresse IP unique est assignée au NAS.

  3. ID: Un ID enregistré dans le NAS.
  4. Mot de passer : Mot de passer enregistré dans le NAS.
  5. Dossier par défaut : Désignez un dossier pour la sauvégarde de données dans le NAS.

  6. Cliquez sur le bouton [Test] pour vérifier

si vous pouvez connecter le NAS correctement.

Hanwha SNP6230RH - Si vous voulez enregistrer sur votre NAS - 2

Si le message de confirmation apparait,ILA signifie que vous pouvez sauegarder des donnees dans le NAS.

Si un message d'erreur apparait, vérifie les informations suivantes.

-L'adresse IP du NAS est valide.

-ID/mot de passer du NAS est valide.

  • Assurez-vous de pouvoir acceder au dossier désigné comme dossier principal en utilisant le ID du NAS.

-Les items SMB/CIFS du NAS ne sont pas cochés.

-L'adresse IP du NAS et celle de laamera ont le même format.

Ex) La valeur initiale du masque de sous-reseau du NAS et de laamera est 255.255.255.0.

Si l'adresse IP est 192.168.20.32, alors l'adresse IP du NAS devrait etre quelque part dans 192.168.20.1\~192.168.20.255.

  • Vérifiez si vous avez tenté d'y acceder sous un autre nom d'utilisateur sans formater le principal dossier utilisé ou sauvégarde.

-Assurez-vous d'avoir utilisé l'équipement NAS recommandé.

  1. Une fois les réglages effectués, vous doiventmettre le NAS en marche à, et cliquer sur le bouton [Appliquer ( Appliquer ]).
  2. Accédez au NAS pour vérifier l'espace libre et l'espace total.
  3. S'il n'y a pasASFes, verifier la tailles des donnees et cliquer sur le bouton [Formater] pour formater le dossier NAS connecte a la page Internet.

Des erreurs d'accès au réseau pourrait vous empêcher de sauvégarder le NAS temporairement.
Le traffic de données augmentera lorsque laamera sera reglee sur une resolution plus haute, un débit binaire plus élevé ou une vitesse d'enregistrement plus élevé.

S'il y a trop de traffic de données, certaines images seront ignores bien que stockées en images complètes.

Lorsque un saut d'image survient, les images sont sauvegardées à un rythme minimum d'une image par seconde.

  1. Sélectionnez pour un apparéil ayant suffisamment d'espace.

Guide du serveur de stockage en réseau (NAS)

Lors de l'utilisation du NAS, il se peut que vous soyez temporairement incapable d'effectuer la sauvegarde de données, a cause de déconnexion temporaires du réseau.

Si les réglages permettent de connecter et utiliser simultanément une carte SD et un NAS, la priorité d'enregistrement est donnée au NAS.
Si vous activez la suppression du NAS en le définitant et que la capacité est inférieure à 1%, il sera sauvégárdé dans la carte SD.
Si vous faites la sauvete de données dans le NAS, il se peut que vous soyez incapable de le faire si vous inserez une carte memoire SD utilisée avec une autreamera.
- NAS — Indications du fabricant : Voir « NAS — Indications du fabricant » (Page 11)
Si vous apportez des modifications au NAS durant la sauvegarde de données sur celui-ci, elles ne seront pas visibles immédiatement dans le système.
Si vous enlevez de l'équipement NAS par vous-même durant la sauvegarde de données, ou si le réseau est déconnecté, les opérations de sauvegarde du NAS seront interrompues de façon anormale.
- De manière générale, il vous est recommendé d'utiliser un dossier de partage de NAS paramera, sans utilisations multiples.

Vous trouvez ci-dessous est une description des étapes d'enregistrement des données sur le NAS selon la méthode du NAS Synology, un des produits recommandés.

  1. Accedez au NAS Synology en tant qu'administrateur. Dans l'exemple, l'adresse IP du NAS est [192.168.20.253].

Hanwha SNP6230RH - Guide du serveur de stockage en réseau (NAS) - 1

  1. Si vous y accedez en tant qu'administrateur, l'écran suivant sera affché. Cliquez sur [Control Panel].

Hanwha SNP6230RH - Guide du serveur de stockage en réseau (NAS) - 2

  1. Dans le menu « Partage de dossiers et Privilege », cliquez sur

Hanwha SNP6230RH - Guide du serveur de stockage en réseau (NAS) - 3

  1. Cliquez sur le bouton [Create].
  2. Avec avoir entre le nom du dossier (ID), cliquez sur le bouton [OK] pour creer un dossier à partager. Dans l'exemple, le nom du dossier à partager est [testDirectory].
  3. Dans Windows, pour acceder au NAS, reglez le privilège pour le dossier partagé comme suit.
    Vérifiez le [Read/Write] de l'administrateur.
  4. Cliquez sur dans le menu de partage et privilège.

Hanwha SNP6230RH - Guide du serveur de stockage en réseau (NAS) - 4

Hanwha SNP6230RH - Guide du serveur de stockage en réseau (NAS) - 5

Hanwha SNP6230RH - Guide du serveur de stockage en réseau (NAS) - 6

écran de configuration

  1. ÀpRES avoir cliqué sur le bouton [Create], entrez un nom (ID) et un mot de passer. Dans l'exemple, le nom (ID) et le mot de passer sont [testID].
    Selon les indications pour le NAS, il ne faut pas assigner de capacité d'utilisation aux appareils NAS Netgear.
  2. Dans Windows, reglez le privilège pour l'accès au NAS. Pour le dossier partagé créé à l'étape 4 et nommé « testDirectory», cochez [Read/Write].
  3. Les réglages de base du NAS sont effectuels. Connectez votreamera au NAS. Comme il est démontré ci-dessous, entrez les paramètres de réglage de connexion du NAS.
  4. ÀpRES avoir entre l'item 10, cochez .
  5. Cliquez sur le bouton [Appliqueur (Appliqueur)]. Terminatez la sauvegarde en utilisant le NAS.

Hanwha SNP6230RH - écran de configuration - 1

Hanwha SNP6230RH - écran de configuration - 2

Hanwha SNP6230RH - écran de configuration - 3

Hanwha SNP6230RH - écran de configuration - 4

Émission d'alerte

  1. Depuis le menu Configuration, selectionnez I'onglet <Event (
  2. Cliquez sur <Émission d'alerte>.
  3. Réglez le type deamera de la sortie d'alarme.

Si vous changez le type de sortie d'alarme, le bouton de sortie d'alarme sur la page de surveillance et le type de sortie d'alarme affichés sur la page Config. éven. seront modifiés en conséquence.

Type

  • Ouverture normale : Considère l'éta « Circuit ouvert » du capteur ou du périphérique d'entrée d'alarme

Hanwha SNP6230RH - Émission d'alerte - 1

comme normal, et déclenché un événement d'alarme s'il passé en statut « Circuit fermé ».

  • Fermetre normale : Considère l'etat « Circuit fermé » du capteur ou du périphérique d'entrée d'alarme comme normal, et déclenché un événement d'alarme s'il passé en statut « Circuit ouvert ».

  • Reglez le bouton de sortie d'alarme.

Mode:Permet de regler la methode de sortie de I'alarme.
- Il existe une différence entre les opérations lorsque vous cliquez sur le bouton de sortie d'alarme alors qu'il est désactivé.

  • Impulsion : Elle est activée durant la période de temps spécifique par la durée (intervalle de basculement) puis elle devient automatiquement inactive.
  • Actif/Inactif : Reste active jusqu'à ce que l'utilisateur clique sur le bouton une nouvelle fois pour désactiver.

  • Durée: Permet de régler la durée d'alarme maintainant le statut activé si le mode est réglé sur impulsion pendant une durée de 1 à 15 secondes.

  • Une fois que vous avez effectué ceci, cliquez sur [Appliqueur (Appliqueur)].

Entrée d'alerte

Vous pouvez régler le type d'entrée de l'alarme, l'heure d'activation et le mode opérationaire.

  1. Depuis le menu Configuration, selectionnez I'onglet .
  2. Cliques sur .
  3. Sélectionnez le numéro d'entrée de l'alarme.
  4. Sélectionnez ou non .
  5. Sélectionnez le type.

  6. Ouverture normale : Le périphérique d'entrée est normalement ouvert mais s'il est fermé, il déclenchera une alarme.
    Fermeture normale:Le périphérique d'entrée est normalement fermé mais s'il est ouvert, il déclenchera une alarmé.

Hanwha SNP6230RH - Entrée d'alerte - 1

  1. Spécificiez l'options .

  2. Toutjours : Cochez toujours cette option en cas de déclenchement d'une alarme. Elle s'active en mode opérationnel lors du déclenchement d'une alarme.
    Si le réglage est spécifique sur , l'hour de l'activation ne pourra pas être modifiée.
    Heure programmée uniquementcochez cette option pour les alarmes qui survient un jour spécifique de la semaine, durant un intervalle de temps déterminé. Elle s'active en mode opérationnel lors du déclenchement d'une alarme.

  3. [Supprimer ( Supprimer)]: Réinitialisez tous les réglages.

  4. Minute : Cliquer sur une zone du temps d'activation et reglez le temps en minutes.
    Heure: Faire glisser votre souris au temps d'activation et de reglez le temps en heures.

Hanwha SNP6230RH - Entrée d'alerte - 2

Hanwha SNP6230RH - Entrée d'alerte - 3

La valeur de réglage de l'intervalle de transfert doit être plus petite que

I'intervalle d'activation predefinie de reussir la transmission d'image.

  1. Sécífiez une opération devant être executée en cas de déclenchement de l'alarme.

  2. FTP : Spécifiez l'utilisation du transfert via FTP dans la configuration de l'entrée de l'alarme.
    Se reporter à "FTP / E-mail" pour plus de détails. (page 107)

  3. E-mail: Spécifiez l'utilisation du transfert de couriers électroniques dans la configuration de l'entrée de l'alarme.
    Se reporter à "FTP / E-mail" pour plus de détails. (page 107)
  4. Enreg : Spécifiez l'utilisation de l'enregistrement dans la configuration de l'entrée de l'alarme.
    Régler sur dans . (page 108)
  5. Emission d'alerte1/Emission d'alerte2 : Sélectionnez le réglage de la sortie de l'alarme en cas d'alarme entrante, et spécifique ez les temps de sortie de l'alarme.
  6. Al à Prérég : Déplacement vers l'emplacement du préroglage spécifique é lors de la confi guration de l'entrée d'alarme.

  7. Une fois que vous avez effectué ceci, cliquez sur [Applique(r).

Programmation heure

Vous pouze définir d'enregistrer les données de la video avec un certain intervalle comme programme sans tener compte de l'occurrence réelle de l'évenement.

  1. Depuis le menu Configuration, selectionnez I'onglet
  2. Cliquez sur .
  3. Sélectionnez ou non .
  4. Sécífiez l'options .
  5. Spécifiez l'options .

  6. Toujours: Cette option s'active en mode opérationnel selon l'intervalle régèle.
    Heure programmée uniquement:
    Cette option s'active en mode opérationnel selon l'heure et la date spécifiées.

Hanwha SNP6230RH - Programmation heure - 1

  1. Spécifiez les conditions d'activation.

  2. FTP: Sécicfiez l'utilisation du transfert FTP en cas de survenue d'un événement.
    Se reporter à “FTP / E-mail” pour plus de détails. (page 107)

  3. Une fois que vous avez effectué ceci, cliquez sur [Appliqueur ( Appliqueur)].

Détction sabotage

Vouss pouvez déterminer de détecter les tentatives de sabotage et de déclencher des événements tels que le changement soudain de la direction de cadrage de laamera, l'objet bloqué et d'autres changements globaux des scènes de la vente.

  1. Depuis le menu Configuration, selectionnez I'onglet <Event (
  2. Cliquez sur .
  3. Sélectionnez ou non .

DIS ne peut pas etre utilise si la détction de falsification est utilisee.

  1. Reglez la sensibilité de détction de sabotage. Plus haute est la sensibilité, plus petites sont les tentatives de sabotage détectées.
  2. Spécifiez l'heure et les conditions d'activation.

Pour obtenir de plus amples informations sur les

Hanwha SNP6230RH - Détction sabotage - 1

options et , reportez-vous à la section « Entreee d'alerte » (page 116)

  1. Une fois que vous avez effectué ceci, cliquez sur [Appliqueur( Appliqueur)].

La fonction de détention de sabotage par défaut peut ne pas fonctionner correctement dans les cas suivants :

-La sensibilité de détction peut être réduite sous des conditions d'arrête-plan simple ou de faible illumination.
- Une secousse grave de laamera ou un changement drastique de l'éclairage peut être considéré comme un sabotage par erreur.
-La détction du sabotage peut prendre un certain temps (5 secondes maximum) après l'execution du sabotage.
-Lorsqu'un sabotage est detecté, laamera reprend un fonctionnement normal après un certain temps de stabilité (environ 5 secondes) pendant lequel aucune détction ne sera effectuee.

MD/VA

Les événements de détction de mouvement et d'analyse video peuvent être régles pour déclencher une sortie de signal d'évenement.

  1. Depuis le menu Configuration, selectionnez I'onglet
  2. Cliquez sur <MD / VA>.
  3. Sélectionnez ou non .

Hanwha SNP6230RH - MD/VA - 1

DIS ne peut pas etre utilise si Ianalyse de detection de mouvement / video est utilisée.

  1. Conformément à votre but, Sélectionnez l'option de détction du mouvement ou l'option d'analyse video intelligente.
  2. Reglez , et . Lorsque vous sélectionnez l'analyse video intelligente, selectionnez également.
  3. Spécifi ez l'heure et les conditions d'activation.

Pour oblirer de plus amples informations sur les options et , reportez-vous à la section « Entre d'alerte » (page 116)

  1. Une fois que vous avez effectué ceci, cliquez sur [Appliquer ( Appliquer ]).

Hanwha SNP6230RH - MD/VA - 2

Pour utiliser la fonction Détction de mouvement (MD)

  1. Sélectionnez le mode .
  2. Sélectionnez la sensibilité de la plage de mouvement depuis l'arrière plan. Vous pouvez selectionner 5 niveaux de sensibilité (très basse/basse/normale/ haute/très haute).
  3. Sélectionnez la taille de l'objet à observer.

  4. Taille mini. (pixel) : pour limiter le mouvement minimal à observer, sélectionnez et saississez la largeur et la hauteur. L'unité est le pixel, et vous pouvez sélectionner toute valeur équivalente ou supérieure à 32 x 32.

  5. Taille maxi. (pixel) : pour limiter le mouvement maximal à observer, sélectionnez et saississez la largeur et la hauteur. L'unité est le pixel, et vous pouvez sélectionner toute valeur équivalente ou supérieure à 1920x1080.

Les mouvements inférieurs à la taille minimale spécifiée ou supérieurs à la taille maximale ne sont pas détectés. Pour éviter toute détction imprévue provoquee par des bruits grands ou petits, réglez les

Hanwha SNP6230RH - Pour utiliser la fonction Détction de mouvement (MD) - 1

tailles de mouvement minimum/maximum correctement conformément à vos environnements.

  • Veuiliez notes que les mêmes mouvements au même emplacement peuvent être détectés avec des tailles différentes; il est donc conseillé de prendre en compte et d'inclure une différence tolérée lors de la configuration des tailles de détction minimale/maximale.

  • Réglez la zone dans laquelle le mouvement est détecté.

Youou pouez faire glisser la zone sur I'ecran. You pouez regler jusqu'a 4 zones.

  • Zone non détection : Réglez l'écran complet en dehors de la zone de détction, et ajoutez la zone spécifique en tant que zone de détction de mouvements. Vous pouvez faire glisser la zone à l'écran.

  • Une fois que vous avez effectué ceci, cliquez sur [Appliqueur( Appliquer)].

  • Contrairement à la fonction d'analyse video, la fonction de détction de mouvement ne générale aucune trace de superposition sur l'écran. Une boîte jaune apparait sur un côté de l'écran de contrôle, et la fonction de l'opération est enregistrée dans le journal système.

Pour utiliser la fonction Analyse video intelligente (VA)

  1. Sélectionnez le mode .
  2. Sélectionnez la sensibilité de la plage de mouvement depuis l'arrière plan. Vous pouvez selectionner 5 niveaux de sensibilité (très BASSE/BASSE/NORMALE/ haute/très haute).
  3. Sélectionnez la taille de l'objet à observer.

  4. Taille mini. (pixel) : pour limiter le mouvement minimal à observer, sélectionnez et saississez la largeur et la hauteur. L'unité est le pixel, et vous pouvez sélectionner toute valeur équivalente ou supérieure à 32 x 32.

  5. Taille maxi. (pixel) : pour limiter le mouvement maximal à observer, sélectionnez et saississez la largeur et la hauteur. L'unité est le pixel, et vous pouvez sélectionner toute valeur équivalente ou supérieure à 1920x1080.

Hanwha SNP6230RH - Pour utiliser la fonction Analyse video intelligente (VA) - 1

Hanwha SNP6230RH - Pour utiliser la fonction Analyse video intelligente (VA) - 2

  • Les mouvements inférieurs à la taille minimale spécifiée ou supérieurs à la taille maximale ne sont pas déetectés. Pour éviter toute détction imprévue provoquée par des bruits grands ou petits, réglez les tailles de mouvement minimum/maximum correctement conformément à vos environnements.
    Veuillez notes que les mêmes mouvements au même emplacement peuvent être détectés avec des tailles différentes ; il est donc conseilé de prendre en compte et d'inclure une différence tolérée lors de la configuration des tailles de détction minimale/maximale.

  • Sélectionnez le type d'analyse.

Passage: le système detecte le changement génére par un objet qui traverse la ligne prédéfinie.
- Entrée/Sortie : le système détecte le changement géné ré par un objet qui traverse la zone prédéfinie.
- Apparition (Disparition): le système détecte le changement génére par un objet qui apparait ou disparait dans la presente zone.

  1. Sélectionnez l'utilisation de la .

  2. Écran des résultats d'analyse : les résultats d'analyse sont indiqués sur la video.

  3. Écran des règles d'analyse : Les règles d'analyse défilent dans la video.

  4. Une fois que vous avez effectué ceci, cliquez sur [Applique(r Applique r)].

Pour définit les règles de l'analyse video

Passage

  1. Sélectionnez le type .
  2. Cliquez sur le point de départ et de fin sur l'écran pour définir la ligne de base. Par un clic droit de la souris, vous pouvez annuler la ligne tout en traçant une zone.
  3. Sélectionnez la règle souhaïée :

  4. Droite: Permet de détecter les mouvements de gauche à droite sur la ligne virtuelle.

Hanwha SNP6230RH - Passage - 1

  • Gauche : Permet de détecter les mouvements de droite à gauche sur la ligne virtuelle.

  • Cliquez sur [OK].

  • Pour supprimer une règle définie, cliquez avec le bouton droit sur la ligne virtuelle affichée pour ouvrir le menu contextuel et selectionnez le bouton [Effacer].

- Entrée/Sortie

  1. Sélectionnez le type .
  2. Cliquez sur 4 points sur l'écran pour définir la zone de base.
    Par unclcidroitde la souris,vous pouvez annuler la ligne tout entraçant une zone.
  3. Sélectionnez la règle souhaïée :

ENTREE: Detecte les mouvements des objets dont le point central entre dans la zone définie depuis l'extérieur.

Hanwha SNP6230RH - - Entrée/Sortie - 1

  • SORTIE: Déetecte les mouvements des objets dont le point central sort de la zone définie de l'intérieur vers l'extérieur.

  • Cliquez sur [OK].

  • Pour supprimer une règle définie, cliquez avec le bouton droit sur les lignes laterales affichées de la zone pour ouvrir le menu contextuel et Sélectionnéz le bouton [Effacer].

- Apparition (Disparition)

  1. Réglez le type d'analyse sur <Apparition (Disparition)}.
  2. Faire glisser l'emplacement souhaite de l'image.

La zone grise glissée sera définie comme une zone d'intérêt.

  • Apparition/Disparition : permet de détector des événements d'apparition d'objets dans la zone

Hanwha SNP6230RH - - Apparition (Disparition) - 1

pendant une certaine période de temps tout en ne traversant pas les limites de la zone. Il permet également de détecter les événements de disparition des objets existant dans la zone.

  1. Si vous souhaitez supprimer la règle existante, cliquez avec le bouton droit de la souris et cliquez sur le bouton [Effacer].

Hanwha SNP6230RH - - Apparition (Disparition) - 2

La détction de mouvement et l'analyse video ne peuvent pas etre utilisées simultanement.
- Avant toute utilisation, réglez les tailles de mouvement minimale et maximale les plus adaptées à la plage de mouvement à détecter.
La taille détectée d'un objet peut différer de sa taille réelle, selon sa forme.
Jusqu'à 16 objets peuvent être affichés depuis la partie supérieure de l'écran.
Si laamera capture un objet rapproché, la capacité d'analyse video peut se dégrader.
- Dans les cas suivants, la détction du mouvement et la fonction d'analyse videoi intelligente peuvent etre diminuées ou provoquer une détction incorrecte.

  • Absence de différence marquee de couleur ou de luminosité entre le sujet et l'arrière-plan.
    -Activités autour de la zone limite du champ de vision de laamera.
  • Existence de multiples mouvements continus aléatoires pour différentes raisons, notamment un changement de scene ou des changements rapides des conditions d'éclairage.
    -Objet fi xe continuant de bouger dans la même position.
    -Mouvements autres que la modification de la position tels que le rapprochement à la camera ou l'éloignement de la même.
    -Objet en mouvement qui se rapproche trop pres de laamera.
    -Objet masquant d'autres objets derriere lui.
    -Chevauchement de deux ou plusieurs objets ou scission d'un objet en plusieurs objets.
    -Objet se déplaçant trop rapidement (pour détecter correctement un mouvement, laamera doit capturer le chevauchement de plusieurs cadres contigus par l'objet en mouvement).
    Réfl exion, fl ou ou ombre dus à une forte lumière telle que la luzière directe du soleil, un éclairage artifi ciel ou des phares.
    -En cas de fortes chutes de neige, de pluie, en cas de vent violent ou à l'aube et au crépuscule.

Détction de visage

Permet de détector un visage reconnu et de déclencher un événement en conséquence.

  1. Depuis le menu Configuration, selectionnez I'onglet
  2. Cliquez sur .
  3. Sélectionnez ou non .
  4. Sélectionnez l'onglet pour régler le niveau de sensibilité.

Lorsque la sensibilité augmente, la détction de visage devient plus précise et détaillée.

  1. Sélectionnez l'onglet et 4 sommets de l'image à l'aide de votre souris afin de spécifique la zone de détction.

  2. Sélectionnez jusqu'à 4 zones pour la détction et la non-détction.
    Tout en dessinant le secteur, vous pouvez annuler une zone par un clic droit.

  3. Pour annuler une zone, cliquez droit sur la zone, puis selectionnez [OK] sur les menus contextuels.

  4. Spécifi ez l'heure et les conditions d'activation.

Pour obtenir de plus amples informations sur les options et , reportez-vous à la section « Entrée d'alerte » (page 116)

  1. Une fois que vous avez effectué ceci, cliquez sur [Appliqueur ( Appliqueur) ]

Hanwha SNP6230RH - Détction de visage - 1

Detection audio

Permet de détecter le son dépassant le niveau spécifique et de déclencher un événement en conséquence.

  1. Depuis le menu Configuration, selectionnez I'onglet <Event (
  2. Cliquez sur .
  3. Sélectionnez ou non .
  4. Reglez le niveau de son de la détction audio. Plus le niveau est bas, moins le changement de son est détecté.

Hanwha SNP6230RH - Detection audio - 1

Le niveau de détction audio est concu pour normaliser les données d'entrée à une valeur comprise entre 1 et 100 et qui détecte le signal plus grand que le niveau de seuil. Il n'est pas lié au niveau de décibels (dB).

  1. Spécifiez l'heure et les conditions d'activation.

Pour obtenir de plus amples informations sur les options et , reportez-vous à la section « Entreee d'alerte » (page 116)

Hanwha SNP6230RH - Detection audio - 2

  1. Une fois que vous avez effectué ceci, cliquez sur [Appliqueur (Applique)].

Hanwha SNP6230RH - Detection audio - 3

  • Sélectionnez
  • Vous pouvez utiliser la fonction de détction audio lorsque laamera est connectée à un périphérique d'entrée audio.

Déconnexion réseau

Lorsque le réseau est physiquement deconnecté, il est considéré comme un événement à enregistrer.

  1. Depuis le menu Configuration, selectionnez I'onglet .
  2. Cliquez sur .
  3. Sélectionnez ou non .
  4. Spécifi ez l'heure et les conditions d'activation.

Pour obtenir de plus amples informations sur les options et , reportez-vous à la section « Entre e d'alerte ».(page 116)

  1. Une fois que vous avez effectué ceci, cliquez sur [Appliquer (Applicer)].

Hanwha SNP6230RH - Déconnexion réseau - 1

Suivi automatique

Vouss pouvez configurer le système pour générer des signaux d'événements lorsque vous activez la fonction de suivi automatique.

  1. Depuis le menu Configuration, selectionnez I'onglet .
  2. Cliquez sur .
  3. Spécifi ez l'heure et les conditions d'activation.

Pour oblirer de plus amples informations sur les options et , reportez-vous a la section « Entrée d'alerte ». (page 116)

  1. Une fois que vous avez effectué ceci, cliquez sur [Appliquer (Applique)].

Hanwha SNP6230RH - Suivi automatique - 1

Événement App

Voussouspouce configurer le système pour générer des signaux pour les événements définis sur l'application. Les signaux d'événements délivrés varient en fonction de la fonction de l'application.

  1. Depuis le menu Configuration, selectionnez I'onglet
  2. Cliquez sur <Événement App>.
  3. Sélectionnez ou non .
  4. Spécifiez l'heure et les conditions d'activation.

Pour obtenir de plus amples informations sur les options et , reportez-vous à la section « Entre e d'alerte » (page 116)

  1. Une fois que vous avez effectué ceci, cliquez sur [Appliqueur ( Applicuer)].

Hanwha SNP6230RH - Événement App - 1

Informations produit

  1. Depuis le menu Configuration, selectionnez I'onglet < System(
  2. Cliquez sur .
  3. Vérifiez les informations relatives à laamera ou fournissez les détails selon l'environnement réseau.

  4. Modèle : nom du modele du produit.

  5. Nombre de série : nombre de série du produit.
  6. Nom de l'appareil : Indiquez un nom de pérophérique qui s'affichera sur l'écran Direct.

Hanwha SNP6230RH - Informations produit - 1

  • Emplacement : Permet de specifier l'emplacement de la camera à installer.
  • Description : Fournissez les informations détaillées sur l'emplacement de laamera.
    Note : Fournit une explication relative à laamera pour une meilleure compréhension.
  • Langue: Sélectionnez la langue de votre choix pour l'affichage à l'écran de Web Viewer.

Hanwha SNP6230RH - Informations produit - 2

La langue par défaut est définie sur .

  1. Une fois que vous avez effectué ceci, cliquez sur [Appliqueur (Appliqueur)].

Mise à niveau / Redémarrage

  1. Depuis le menu Configuration, selectionnez I'onglet <System (
  2. Cliquez sur .
  3. Sélectionnez chaque élément et réglez le convenabilité.

  4. Mise à niveau : Effectue la mise à niveau du système.

  5. Paramétres par défaut : Permet de réinitialiser le système sur ses valeurs par défaut.

Hanwha SNP6230RH - Mise à niveau / Redémarrage - 1

  • Hormis les paramètres reseau & l'Open SDK : Initialiseur tout à l'excection de la configuration du reseau et des paramètres de la lentille ainsi que les fichiers d'installation SDK ouverts et les paramètres internes.
  • Tout : Réinitialise les réglages complinant les réglages de laamera. (Cependant, les informations du journal ne seront pas réinitialisées).
    Le système d'adressage IP sera regle par défaut sur DHCP si vous réinitialisez laamera. Si chaque serveur DHCP n'est trouve, les réglages précédents seront automatiquement restaurés.

  • Configuration sauvegarde et restauration : Sauvegarde les réglages du système actuel avant d'effectuer un processus de restauration. Le système redémarre automatiquement après la sauvegarde ou la restauration.

Redémarrer: Redémarre le système.

Pour réaliser une mise à niveau

  1. Cliquez sur [Mise à niveau].
  2. Cliquez sur [Parcourir] pour spécifier un fichier àmettreà niveau.
  3. Cliquez sur [Envoyer].
  4. La boîte de dialogue « Mise à niveau » s'ouvre et affiche une barre de progression au bas de la fenêtre.
  5. La mise à niveau terminée, le navigateur se ferme et laamera redémarre.

Hanwha SNP6230RH - Pour réaliser une mise à niveau - 1

La procEDURE de mise à niveau peut nécessiter un maximum de 10 minutes. Si le processus de mise à niveau est interrompu, la mise à niveau ne sera pas complètement terminée.
Pendant le redémarrage du système, le visionneur Web ne peut pas y acceder.
-若您 pouvez télécharger la version la plus récente du produit sur le site Internet de Samsung.

Hanwha SNP6230RH - Pour réaliser une mise à niveau - 2

Hanwha SNP6230RH - Pour réaliser une mise à niveau - 3

Pour sauvegarder les réglages actuels

  1. Cliquez sur [Sauvegarde]. La boite de dialogue Enregistrer sous apparait.
  2. Spécifiez le chemin de la sauvégarde en indiquant le nom de fichier approprié, puis cliquez sur [Save]. Le fichier de sauvégarde sera stocké sur le chemin spécifique sous une forme «.bin »

Hanwha SNP6230RH - Pour sauvegarder les réglages actuels - 1

Pour restaurer les réglages de sauvegarde

  1. Pour restaurer les réglages de sauvégarde, cliquez sur [Restauration].
  2. Sélectionnez un fichier de sauvegarde, puis cliquez sur [Open].

Hanwha SNP6230RH - Pour restaurer les réglages de sauvegarde - 1

Si vous effectuez la sauvegarde ou la restauration, le navigateur Web se fermer et laamera redémarrera.
Si vous essayez de recuperer le fjichier de configuration sauvegarde dans un autre modèle, certaines fonctions peuvent ne pas fonctionner correctement et vous doivent changier le réglage manuelle.

Journal

Yououpouvezconsulterlejournal systèmeoulejournaldeserreurs.

  1. Depuis le menu Configuration, selectionnez I'onglet System (
  2. Cliquez sur .
  3. Sélectionnez un type de journal.

  4. Système : Vous pouvez consulter le journaux système dans lesquels sont consignées toutes les modifications du système, notamment les informations relatives à l'heure.

  5. Événement : Vous pouvez vérifier les journaux des événements, notamment p

Hanwha SNP6230RH - Journal - 1

  1. Depuis la liste des journaux de droite, Sélectionnez un élément à rechercher.

  2. Si vous sélectionnez dans le coin supérieur gauche de la liste déroulante, tous les journaux correspondants au type de journal applicable seront affichés.

  3. Si une page ne peut pas afficher l'ensemble des journaux disponibles, servez-vous des boutons du bas pour passer à l'élement suivant ou revenir sur le précédent ou aller sur le dernier élément.

  4. Cliquez sur le bouton pour enregistrer toutes les données du journal pour le mode actuellément selectionné (système, événement) dans la « valeur d'horodatage créé par laamera dans le fichier modelname-mode-camera.txt » du dossier de téléchargement du navigateur.

Hanwha SNP6230RH - Journal - 2

  • En cliquant sur [Info( ] à la droite de chaque message du journal, vous pouvez vérifier les détails du journal correspondant.
  • Chaque page affiche 15 journaux, le plus recent apparaisant en haut de la liste.
    La liste des journaux d'événements/système peut containir jusqu'à 1000 logs ; après cela, les journaux existants seront supprimés à chaque création d'un nouveau journal.

Open SDK

Un utilisateur peut installer une application sur saamera pour executer des tâches supplémentaires.

  1. Depuis le menu Configuration, selectionnez l'onglet <System (

  2. Cliquez sur .

  3. Cliquez sur le bouton [Parcourir (Percourir)] pour selectionner le fichier *.cap dans le dossier de I'utilisateur.

  4. Cliquez sur le bouton [Installer (Installer)] pour installer l'application.

  5. L'information de l'application installée est affichee dans la liste.

Hanwha SNP6230RH - Open SDK - 1

  • Désinstaller : Supprime les applications installées ou en cours d'exécution.

Application Go : Dirige vers la page web de chaque application.
- Demarrage : Lance une application installee.
- Arrêt : Interrrompt une application en cours d'exécution.

  • Santé : Affiche les applications en cours d'exécution, le taux d'occupation des ressources, le fil et le temps d'exécution, etc.
  • Priorité : Établit la priorité des applications en cours d'exécution. Si le taux d'utilisation des ressources de laamera (incluant les tâches et applications principales) dépasse 80 %, l'arrêt d'une application en cours d'exécution sera forcé. Dans ce cas, la priorité définie par l'utilisateur est utilisé pour déterminer qu'elle application devra être arrêtée en premier.
  • Demarrage auto : Lorsque l'alimentation ou les tâches principales de la camera sont actives, une application pour laquelle l'execution automatique a été activée demarrera automatiquement.
  • Gestionnaire de tâches : Affiche le taux d'occupation des ressources d'une application en cours d'exécution dans votreamera.

  • Utilisation de la mémoire (%) : Taux d'utilisation de la mémoire pour chaque application.

  • Utilisation du CPU (%) : Taux d'utilisation de l'UC pour chaque application.
  • Compte de processus : Nombre de processus créés pour chaque application.
  • Durée : Temps total d'exécution pour chaque application.
    -Tuer la tache:Ferme une application.
  • Utilisation totale : Taux d'occupation total des ressources de laamera (incluant les tâches et applications principales).

Hanwha SNP6230RH - Open SDK - 2

  • Si vous avez des questions à propos de l'utilisation ou l'installation, consultez le site web de Techwin.

AFFICHAGE DES INFORMATIONS DE PROFIL

Accès au profil

Vos pouvez consulter les informations relatives aux profils.

  1. Cliquez sur [Status ( ]) dans l'écran actif.
  2. L'écran d'informations de profil s'affiche.

  3. Accès au profil : permet d'afficher les informations du nouveau profil ajouté.

  4. Profil :permét d'afficher les informations du nouveau coderc ajouté.

  5. Débit Binaire(kbps) :permet d'afficher le début binaire actuel et le début binaire régèle.

Hanwha SNP6230RH - Accès au profil - 1

Hanwha SNP6230RH - Accès au profil - 2

  • Vitesse d'enregistrement(fps) : permet d'afficher la vitesse d'enregistrement actuelle et la vitesse d'enregistrement régée.
  • ATC (\%): permet d'afficher l'etat ATC.
  • Décombe utilisateurs simultanés : permet d'afficher le nombre d'utilisateurs simultanés ayant accès au profil.

  • Utilisateurs actuel : Affiche les informations concernant les utilisateurs accédant au Web Viewer et affichant des videos de surveillance.

  • Profil : permet d'afficher le nom du profil auquel l'utilisateur a accédé.

  • Débit Binaire(kbps) : permet d'afficher le débit binaire actuel.
  • Etat de connexion du réseau : Il indique si le réseau fonctionne bien.
  • IP: permet d'afficher l'adresse IP de l'utilisateur actuel.

Hanwha SNP6230RH - Accès au profil - 3

Pour vérifier les informations sur le profil actuellement utilisé, cliquez à nouveau sur [Status ( ] pour réactualiser.

L'application des changements requiert un certain temps.

RéGLAGE DU COMMUTATEUR DIP

Configuration des protocoles et des commutateurs DIP d'ID

Vous pouvez commander différents réglages du système de laamera à l'aide des commutateurs de liaison et des commutateurs DIP d'ID. Avant d'insteller le produit, configurez les commutateurs DIP en fonction de l'environnement de l'installation.

  1. Reglez les commutateurs selon les exigences de l'environnement de l'installation. Pour obtenir des informations de configuration plus détaillées, reportez-vous au tableau de la page suivante.
  2. Laamera pourra presenter des dysfonctionnements si les commutateurs ne sont pas correctement regles sur On ou Off ; veuiltz vérifier le réglage des commutateurs avant de terminer la configuration.
  3. Prenez garde au fait que le commutateur peut etre endommagé lorsqu'il est utilisé avec un outil pointu.
  4. Prenez garde au fait que le commutateur peut etre endommagé lorsqu'il est utilis en appliquant une force excessive.

Hanwha SNP6230RH - Configuration des protocoles et des commutateurs DIP d'ID - 1

Réglages du commutateur DIP du protocole de communication (SW1)

Hanwha SNP6230RH - Réglages du commutateur DIP du protocole de communication (SW1) - 1

N° broche SW1Objectif
7 Définir le protocole de transmission (RS-485/422)
8 Paramètre de fin 1
9 Paramètre de fin 2
1~6, 10 Reserved

- Réglages de la méthode de communication

Sélectionnez une méthode de communication pour laamera.

Fonction ON OFF
SW1-#7Commutateur du mode de transfertRS-422 (4 câbles)RS-485 (2 câbles)

- Réglages de terminaison

Pour prévenir l'atténuation des signaux de communication entre laamera et le contrôleur, les éléments en fin de ligne doivent être munis de réglages de terminaison.

Position d'entrée de la camera SW1- #8 SW1- #9
Terminaison du chemin le plus longON ON
Sur le chemin OFF OFF

Hanwha SNP6230RH - - Réglages de terminaison - 1

La valeur par défaut est ombrée dans les tableaux de réglages.
Pour contrôle cetteamera via un contrôleur fabriqué par un tiers, veuillez contacter notre service après-vente ou notre département de technologie.

Connexion des signaux de contrôle

Pour que laamera communique avec le contrôleur, il est nécessaire de-disposer d'une ligne de communication RS-485/422.

Hanwha SNP6230RH - Connexion des signaux de contrôle - 1

Pour la connexion, il est recommandé d'utiliser un cable d'une longueur inférieure ou égale à 30 m.

Le cable de communication n'est pas fourni avec laamera.

spécifications

Éléments Description
VidéoSystème imageur 1/2.8" 2.38M CMOS
Nombre total de pixels 1952(H) x 1116(V), 2.18M
Nombre de pixels réels 1944(H) x 1104(V), 2.14M
Système de balayage Balayage progressif
Luminosité minimaleCouleur: 0,3 Lux/F1.6 (1/30sec, F1.6, 50IRE), 0,005 Lux (2sec, F1.6, 50IRE) Couleur: 0,1 Lux/F1.6 (1/30sec, F1,6, 30IRE), 0,0005 Lux(2sec, F1.6, 30IRE) B/W: 0 Lux (LED IR ON)
Rapport signal / bruit50dB
Sortie vidéoCVBS: 1,0 Vp-p / 75Ω composite, 720x480(N), 720x576(P), pour l'installation
ObjectifLongueur focale (facteur zoom) 4,4 ~ 101,2 mm (23x)
Ouverture relative maxi F1,6 (Panoramique) / F4,5 (Télé)
Champ de vision angulaireH: 63,68 (Panoramaque) x 3,1 (Télé) / V: 37,52 (Panoramaque) x 1,76 (Télé)
Distance minimale de l'objet à l'objet1,5m (3.28pi)
Contrôle de la mise au point Autofocus / Autofocus One-Shot AF / Manuel
Type d'objet Automatique CC
Type montage Type embarqué
Panorama / Inclinaison / RotationPlage de panoramaque 360° Sans fin
Vitesse de panoramaquePrérglage : 250°/sec, Manuel : 0,024°/sec ~120°/sec
Plage d'orientation 190° (-5° ~ 185°)
Vitesse d'inclinaisonPrérglage : 250°/sec, Manuel : 0,024°/sec ~120°/sec
SéquencePrérglage (255ea), Oscillation, Groupe (6ea), Trace, Tour, Exéc Auto, Programme
Précision du prérglage ±0.2°
Azimuth Oui (E/W/S/N/NE/NW/SE/SW OSD)
Suivi automatique Désactivé / Activé
OpérationnelIR LED 2ea
Longueur de visualisation 100m
Titre deamera Désactivé / Activé(Affichage jusqu'à 15 caractères)
Jour et Nuit Auto (ICR) / Couleur / N/B
Compensation de rétroéclairageDésactivé / BLC / WDR / HLC
Large gamme dynamique 120 dB
Amélioration du contraste SSDRSamsung Super Dynamic Range) (Désactivé / Activé)
Réduction du bruit numérique SSNSNR (Filtre bruit 2D+3D) (Désactivé / Activé)
Stabilisation d'image numériqueDésactivé / Activé
DénébuliserAuto / Manuel / Désactivé
Détection mouvementOui (4ea, Zones rectangulaires)
Masque de confidentialitéArrêt / Marche (32ea, Zones rectangulaires) - Coûleur : Gris/Vert/Rouge/Bleu/Noir/Blanc/Blanc - Option de scélection du taux de zoom pour le mode Masque
Contrôle du gainDésactivé / Faible / Moyen / Élevé / Manuel
Balance BlancsATW / AWC / Manuel / Intérieur / Extérieur / Mercure / Sodium
Vitesse d'obturateur électroniqueMinimum / Maximum / Anti scintillagement (2 ~ 1/12,000sec)
Zoom numérique16x , la fonction de zoom localisé prend en charge le zoom numérique 2x
OpérationnelBasculement / Miroir Activé/Désactivé
Analyse videoe intelligenteAlteration (Changement de scene), Ligne virtuelle, Entrée/Sortie, Apparition/Disparition, Détction audio, Détction faciale (4ea)
E/S alarme Entrée 4 ea / Sortie 3 eaType de relais)
Interface de contrôle à distance RS-485/422
Entrée audioSélectionnable (entrée mic/entrée ligne),Tension d'alimentation : 2,5 V CC (4 mA), impédance d'entrée : envir. 2 k Ohms
Sortie audioLigne de sortie (mini-fiche stéreo de 3,5mm), Niveau de sortie max: 1Vrms
Protocole RS-485Samsung-T/E, Pelco-D/P, Panasonic, Honeywell, AD,Vicon, GE, BOSCH
Déclenchements d'alarmeEntrée d'alme, Détction de mouvements, Analyse intelligente de la vente, Réseau déconnecté
Événements d'alarmeTéléchargement du fichier via un serveur FTP, E-MailNotification via E-MailStockage local(SD/SDHC/SDXC) ou enregistrement NAS de l'évenement (déclencheurs d'alarme)Réglage PTZ
RéseauEthernet RJ-45 (10/100BASE-T)
Format de compression videoeFormat H.264 (également connu sous le nom de MPEG-4 Part 10/AVC) : Principal/Base/Hauteur , Motion JPEG
Résolution1920x1080 / 1280x1024 /1280x960 / 1280x720 /1024x768 / 800x600 / 720x576 / 640x480 / 640x360 /320x240 / 320x180
Vitesse d'enregistrement max.H.264 : 60 ips max. dans toutes les résolutionsMotion JPEG :1920x1080 / 1280x1024 /1280x960 / 1280x720 /1024x768 : Max. 15fps800x600 / 720x576 / 640x480 / 640x360 / 320x240 /320x180 : Max. 30fps
RéseauSmart CodecMode manuel (en fonction de la zone: 5EA) Mode de détention faciale
Réglage de la qualité videoH.264 : Niveau de compression, Contrôle du niveau de débit binaire cibleMJPEG : Contrôle du niveau qualité
Méthode de contrôle du débit binaireH.264 : CBR ou VBRMJPEG : VBR
Fonction de lecture en transit Lacture en transit multiple (Jusqu'à 10 profils)
Format de compression audioG.711 u-law /G.726 sélectionnableG.726 (ADPCM) 8KHz, G.711 8KHzG.726 : 16Kbps, 24Kbps, 32Kbps, 40Kbps
Communication audio Bidirectionnel (Bidirectionnel)
IP IPv4, IPv6
ProtocoleTCP/IP, UDP/IP, RTP(UDP), RTP(TCP), RTCP, RTSP, NTP, HTTP, HTTPS, SSL, DHCP, PPPoE, FTP, SMTP, ICMP, IGMP, SNMPv1/v2c/v3(MIB-2), ARP, DNS, DDNS, QoS, PIM-SM, UPnP, Bonjour
SécuritéAuthentication de l'identifient HTTPS(SSL)Authentication de l'identifient en abrégéFiltrage de l'adresse IPJournal d'accès des utilisateursAuthentication 802.1x (EAP-TLS, EAP-LEAP)
Méthode de lecture en transit Diffusion individuelle / multiple
Nombre maximal d'utiliseurs en accès15 utilisateurs max en mode Diffusion individuelle
Edge storageSD/SDHC/SDXC(jusqu'à 128G)- Les images en mouvement enregistrées dans une carte mémoire SD/SDHC/SDXC peuvent être téléchargees.NAS(Network Attached Storage)PC local pour un enregistrement instantané
RéseauInterface de programmation de l'applicationONVIF Profile S SUNAPI(HTTP API SVNP 1.2 Plateforme ouverte fournie par Samsung
Langue de la page WebAnglais, Français, Allemand, Espagnol, Italien, Chinois, Coréen, Russe, Japonais, Suédois, Danois, Portugais, Tchéque, Polonais, Turc, Roumain, Serbe, Néerlandais, Croatia, Hongrois, Grec, Norvège, Finlande
Web ViewerSystème d'exploitation pris en charge : Windows XP / VISTA / 7 / 8, MAC OS X 10.7 Navigateur pris en charge : Microsoft Internet Explorer (Ver. 8~11), Mozilla Firefox (Ver. 9~19), Google Chrome (Ver. 15~25), Apple Safari (Ver. 6.0.2(Mac OS X 10.8, 10.7 unquivalent), 5.1.7) * Mac OS X unquivalent
Logiciel de gestion centrale CMSSmartViewer, SSM
EnvironmentalTempérature / Humidité de fonctionnement-50°C ~ +55°C (-58°F ~ +131°F) / Moins de 90 % d'humidité(relative)
Température / Humidité de stockage-30°C ~ +60°C (-22°F ~ +140°F) / Moins de 90 % d'humidité(relative)
Protection captage IP66
Résistance au vandalisme IK10
ÉlectriqueTension d'entrée / Courant 24V CAuniquement / 6A
Consommation d'énergieMax. 30W(Dispositif de chauffage OFF) / 35W(Dispositif de chauffage OFF, IR ON), 90W(Dispositif de chauffage ON, IR ON)
MécaniqueCouleur / Matériau lvoire/Aluminum
Dimensions (Ø x H)Ø248 x H399,5 mm
Poids 7,1 kg

Unité : mm (pouce)

Hanwha SNP6230RH - Connexion des signaux de contrôle - 2

résolution De proBlèmes

PROBLÈME SOLUTION
Je n'ai pas accès à laamera à partir d'un navigateur Internet.Vérifier pour s'assurer que les paramètres de réseau de laamera sont appropriés.Vérifier pour assurer que tous les câbles de réseau ont été correctement connectés.Si elle est connectée en utilisant DHCP, vérifier que laamera peut acquerir des adresses IP dynamiques sans aucun problème.Si laamera est connectée à un Routeur large bande, vérifier que le renvoi de port est configuré correctement.
Le visionneur a été déconnecté pendant le suivi.Les visionneurs connectés se déconnectent à tout changement apporté à laamera ou aux configurations de réseau.Vérifier toutes les connexions de réseau.Si laamera est connectée par un réseau PPPoE, il est possible que le visionneur se déconnecté en raison de mauvaises conditions de réseau.
Je ne peut pas me connecter au système en utilisant le navigateur à ongel d'Internet Explorer 7.0.Une erreur peut être généraee lors de la connexion avec une nouvelle fenêtre ou un nouvel ongel du fait que les données de cookie sont partagées. N'utilise pas de nouvelle fenêtre ou de nouvel ongel, sélectionnez « Fichier → Nouvelle session ».
Laamera connectée au réseau n'est pas détectée dans le programme d'installateur IP.Déactiver les paramètres de pare-feu sur votre PC etcher de nouveau laamera.
Chevauchement d/images.Vérifier si une ou plusieurs cameras sont configurée à une adresse multidiffusion unique au lieu d'adresses différentes. Si une adresse unique est utilisé pour des cameras multiples, les images peuvent se chevaucher.
Aucune image n'apparait.Si la méthode de transmission est configurée sur multidiffusion, vérifier s'il y a un routeur qui prend en charge la multidiffusion dans le LAN sur lequel laamera est connectée.
<MD / VA> est régle sur <Activer>, maisaucen e-mail de notification ne m'est parvenu lorsqu'un événement d'analyse s'est produit.Vérifiez les régles selon la séquence suivante:A. Vérifiez les régles <Date et heures>.B. L'option <Détection mvt / Analytque de video> doit être réalisée sur <Activer>.C. Vérifiez si l'option <E-mail> du menu <Config. action évén.> est cochée avant utilisation.
Puis-jé définir les régles d'événement même lorsque je n'utilise pas <Détction mvt/Analyse video> ?• Oui, ceci est possible. Vous pouvez définir des régles d'événement en dépit du réglage de l'analyse video intelligente.
Aucun signal n'est detecté au port Emission d'alerte, même en cas de génération d'un événement d'analyse video intelligente.• Vérifiez les régles de port de sortie de l'alarme.
Impossible d'effectuer un enregistrement sur la carte mémoire SD.• Vérifiez que la carte mémoire n'est pas défectueuse. • Vérifiez si l'onglet de protection en écriture de la carte mémoire est régle sur « LOCK ».
La carte mémoire SD est insérée mais laamera ne fonctionne pas correctement.• Vérifiez si la carte mémoire est insérée dans le bon sens. Le fonctionnement des cartes mémoire formatées sur d'autres appareils n'est pas garantiet sur cetteamera. • Formatez la carte mémoire à nouveau sous le menu <Setup> → <Event> → <Stockage>.
Impossible de formater la carte mémoire SD.• Vérifiez si l'onglet de protection en écriture de la carte mémoire est régle sur « LOCK ».
Impossible d'enregistrer sur le système NAS.• Assurez-vous que l'information enregistrée dans le système NAS soit correcte.
Un rapport mentionne que le réglage du système NAS a échoué.• L'adresse IP du NAS est valide. • ID/mot de passer du NAS est valide. • Assurez-vous de pouvoir acceder au dossier désigné comme dossier principal en utilisant le ID du NAS. • Les items SMB/CIFS du NAS ne sont pas cochés. • L'adresse IP du NAS et celle de laamera ont le même format. Ex) La valeur initiale du masque de sous-résseau du NAS et de laamera est 255.255.255.0. Si l'adresse IP est 192.168.20.32, alors l'adresse IP du NAS devrait être celui part dans 192.168.20.1~192.168.20.255. • Vérifiez si vous avez tenté d'y acceder sous un autre nom d'utilisateur sans formater le principal dossier utilisé ou sauvégardé. • Assurez-vous d'avoir utilisé l'équipment NAS recommendé.

GPL/LGPL software license

Cet équipement a ete teste et se conforme aux limites relatives a un apparieil numerieque de classe A, conformement à la partie 15 des Reglementations FCC. Ces limites sont elaborées pour fournir un degré raisonnable de protection contre les interférences dangereuses si l'equipement fonctionne dans un environnement commercial.

Cet équipement génére, utilise et peut produit une énergie à radio fréquence, s'il n'est pas installé et utilisé selon le manuel d'instruction, il peut cause des interférences nuisibles aux communications radiophoniques.

Le fonctionnement de cet équipement au sein d'une zone résidentielle peut provoquer des interférences dangereuses, dans ce cas l'utilisateur est.Commé de corriger I'interfERENCE à ses propres frais.

Hanwha SNP6230RH - GPL/LGPL software license - 1

Samsung se soucie de l'environnement à toutes les phases de fabrication du produit et s'engage à tout mettre en œuvre pour offrir à ses clients des produits plus respectieux de l'environnement.

La marque Eco représenté l'engagement de Samsung à creator des produits respectieux de l'environnement et indique que le produit est conforme à la Directive RoHS de l'Union Européenne.

Hanwha SNP6230RH - GPL/LGPL software license - 2

Lesbons gestes de mise au rebut de ce produit (Déchets d'equipements électriques et Electroniques)

(Applicable dans les pays de l'Union Européenne et dans d'autres pays européens pratiquant le tri sélectif)

Ce symbole sur le produit, ses accessoires ou sa documentation indique que ni le produit, ni ses accessoires électroniques usages (chargeur, casque audio, cable USB, etc.) ne peuvent être jetés avec les autres déchets menagers. La mise au rebut incontrolée des déchets représentant des risques environnementaux et de santé publique, veuillesseparer vos produits et accessoires usages des autres déchets. Vous favoriserez ainsi le recyclage de la matière qui les compose dans le cadre d'un développement durable.

Les particuliers sont invités à contacter le magasin leur ayant vendu le produit ou à se renseigner auprès des autorités locales pour connaître les procédures et les points de collecte de ces produits en vue de leur recyclage.

Les entreprises et professionnels sont invités à contacter leurs fournisseurs et à consulter les conditions de leur contrat de vente. Ce produit et ses accessoires ne peuvent être jetés avec les autres déchets professionnels et commerciaux.

Hanwha SNP6230RH - GPL/LGPL software license - 3

Elimination des batteries de ce produit

(Applicable aux pays de l'Union europeenne et aux autres pays européens dans lesquels des systèmes de collecte sélective sont mis en place.)

Le symbole sur la batterie, le manuel ou l'emballage indique que les batteries de ce produit ne doivent pas etre eliminées en fin de vie avec les autres déchets menagers. L'indication eventuelle des symboles chimiques Hg, Cd ou Pb signifie que la batterie contient des quantités de mercury, de cadmium ou de plomb supérieures aux niveaux de reference stipulés dans la directive CE 2006/66. Si les batteries ne sont pas correctement eliminées, ces substances peuvent porter préjudice à la santé humaine ou à l'environnement.

Afin de protégé les ressources naturelles et d'encourager la réutilisation du matériel, veillez à séparer les batteries des autres types de déchets et à les recycler via votre système local de collecte gratuite des batteries.

Hanwha SNP6230RH - Elimination des batteries de ce produit - 1

RéSEAU DE VENTES

HEAD OFFICE

6, Pangyo-ro 319beon-gil, Bundang-gu, Seongnam-si, Gyeonggi-do, SEOUL 463-400 Rep. of KOREA Tel: +82-70-7147-8753, 8764 Fax: +82-31-8018-3740

www.samsungsecurity.com

Sommaire Cliquez un titre pour y accéder
Assistant notice
Powered by Anthropic
En attente de votre message
Informations produit

Marque : Hanwha

Modèle : SNP6230RH

Catégorie : Caméra de surveillance