2CKA006151A0237 - Maison intelligente Busch-Jaeger - Notice d'utilisation et mode d'emploi gratuit
Retrouvez gratuitement la notice de l'appareil 2CKA006151A0237 Busch-Jaeger au format PDF.
| Caractéristiques techniques | Busch-Jaeger 2CKA006151A0237, produit de la catégorie Maison intelligente, conçu pour l'automatisation et le contrôle des systèmes électriques. |
|---|---|
| Utilisation | Permet de contrôler les éclairages, les volets roulants et d'autres appareils connectés via une interface utilisateur intuitive. |
| Maintenance et réparation | Vérifiez régulièrement les connexions électriques et assurez-vous que le logiciel est à jour pour un fonctionnement optimal. |
| Sécurité | Conforme aux normes de sécurité électrique, assurez-vous de suivre les instructions d'installation pour éviter les risques d'électrocution. |
| Informations générales | Compatible avec divers systèmes de domotique, idéal pour améliorer l'efficacité énergétique et le confort dans la maison. |
FOIRE AUX QUESTIONS - 2CKA006151A0237 Busch-Jaeger
Questions des utilisateurs sur 2CKA006151A0237 Busch-Jaeger
0 question sur cet appareil. Repondez a celles que vous connaissez ou posez la votre.
Poser une nouvelle question sur cet appareil
Téléchargez la notice de votre Maison intelligente au format PDF gratuitement ! Retrouvez votre notice 2CKA006151A0237 - Busch-Jaeger et reprennez votre appareil électronique en main. Sur cette page sont publiés tous les documents nécessaires à l'utilisation de votre appareil 2CKA006151A0237 de la marque Busch-Jaeger.
MODE D'EMPLOI 2CKA006151A0237 Busch-Jaeger
Raccordement de l'apparei
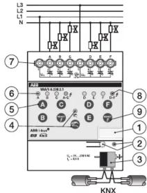
① Support d'étiquettes ② Touche et DEL de programmation (rouge) ③ Borne de raccordement du bus ④ Touche de commande manuelle et DEL (jaune) ⑤ Touche sortie A-F ou A-L ⑥ DEL d'état (jaune) sortie A-F ou A-L ⑦ Bornes de raccordement sortie A-F ou A-L et U _k ⑧ DEL d'erreur (rouge) pour chacune des 3 sorties ⑨ Touche de réinitialisation pour chacune des 3 sorties
Description de l'appareil
Les actuateurs Commande de vanne sont des appareils montés en série pour montage sur des profiliés de 35 mm. Les appareils disposent de 6 ou 12 sorties semi-conducteur. Ces sorties permettent de commander des servomoteurs thermélectriques 24 V ou 230 V dans des systèmes de chauffage ou de refroidissement. Les sorties sont protégées contre les courts-circuits et les surcharges. Les touches de commande manuelles permettent de commander directement les sorties. Les DEL indiquent alors l'état actuel ou l'erreur présente.
Caractéristiques techniques (extrait)
Alimentation 21-30 V c.c. (via KNX)
- Consommation de
- Puissance dissipée 250 MW maxi Sorties 6 / 12 sorties semi-conducteur
- Tension nominale U, 24. 230 V c.a. 50/60 Hz
- Intensité nominale
I_N par sortie 160 mA à T_U = 45^
- Courant d'e
ment par sortie Ressordements
- Sorties II. Bornes à vis
- Busch-Installations-
bus® KNX Borne de raccordement du bus
Bornes de raccordemen
avec tete combinée (PZ 1) 0.2 - 4 mm³ file de faible diemite
0.2 6 mm² à un fil
Couple de serrage maximum 0.6 Nm
Plage de température ambiante
Fonctionnement - 5 ... + 45°C
Elements de commande et d'amichage
- DEL (rouge) et touche - Pour la saisie de l'aur. phys DEL d'arrows (rouge). - Erreurs (par ax, eurebarge).
- Touche de réinitialisation. Réinitialisation de l'erreur
- DEL d'état (jaune) Sortie d'état (marche/arrêt)
- Touche Sortie X Commuter la sortie (marche/arrêt)

6164/45

text_image
7 8 9 1 2 3 4 5 6 7 8 KNX6164/46

text_image
⑦ ⑥ ⑤ ④ KNX ③ ② ① ⑧ ⑨ ⑩ ⑪ ⑶ ⑦ ⑧ ⑨ ⑩ ⑪ ⑬ ⑭ ⑮ ⑯ ⑰ ⑱ ⑲ ⑳ ⑯ ⑰ ⑱ ⑲ ⑳ ⑸ ⑹ ⑺ ⑳ ⑭ ⑮ ⑯ ⑰ ⑱ ⑲ ⑳ ⑸ ⑹ ⑺ ⑳ ⑭ ⑮ ⑯ ⑰ ⑱ ⑲ ⑳ ⑸ ⑹ ⑺ ⑳ ⑭ ⑮ ⑯ ⑰ ⑱ ⑲ ⑳ ⑸ ⑹ ⑺ ⑳ ⑭ ⑮6164/45

6164/46




BUSCH-JAEGER
Avertissement! Tension électrique dangereuse! Installation uniquement par des personnes qualifiées en électrotechnique. Lors de la planification et de la mise en place des installations électriques, il convient de respecter les normes, directives, réglementations et prescriptions applicables.
- Proteger l'appareil contre l'humidite, la poussière et tout endommagement lors de son transport, son stockage et son utilisation! - Utiliser l'appareil uniquement dans les limites spécifiées dans les caractéristiques techniques.
- Utiliser l'appareil uniquement dans un boîtier fermé (tableau de distribution).
Afin d'éviter une tension de contact dangereuse par alimentation de retour provenant de différents conducteurs extérieurs, il faut procéder à une mise hors circuit sur tous les pôles en cas d'extension ou de modification du raccordement électrique.
Nettoyage
Les appareils encrassés peuvent être nettoyés avec un chiffon sec. Si cela ne suffit pas, utiliser un chiffon imbibé de solution savonneuse. N'utiliser en aucun cas des produits corrosifs ou des solvants.
Maintenance
Cet appareil ne nécessite pas de maintenance. En cas de dommages (par ex. lors du transport, du stockage), aucune réparation ne doit être entreprise.
Abmessungen
H x L x P 90 x 72 ou 144 x 64,5 mm Largeur 4 ou 8 modules à 18 mm Poids env. 0,16 kg ou 0,28 kg
Certifications
EIB / KNX selon EN 50 090-1, -2
Indice de protection IP20 conf. à la norme EN 60 529 Classe de protection II selon DIN EN 61 140 Classe de surtension III selon EN 60 664-1 Degré de contamination 2 selon EN 60 664-1 Pression atmosphérique Atmosphère jusqu'à 2 000 m Position de montage Au choix
Montage
L'appareil est adapté au montage dans des tableaux de distribution ou dans des petits boîtiers pour une fixation rapide sur des profilés de 35 mm, conformément à la norme DIN EN 60715. L'accès à l'appareil doit être garanti pour son utilisation, son contrôle, son inspection, sa maintenance et sa réparation.
Anschluss
Le raccordement électrique s'effectue à l'aide de bornes à vis. La description des bornes se trouve sur le boîtier. La connexion à KNX s'effectue avec la borne de raccordement du bus fournie (rouge/noire).
Les 3 sorties (A-C, D-F, etc.) sont protégées ensemble par fusibles et sont alimentées via une phase. Plusieurs servomoteurs thermoelectriques peuvent être raccordés en parallèle sur une sortie. En cas de branchement parallèle de plusieurs servomoteurs, il faut veiller à ce que le courant d'enclenchement l'intensité nominale maximal(e) ne soit pas dépassé(e). Respecter les données techniques du servomoteur !
Commande manuelle Pour commuter entre le mode KNX et le mode manuel, appuyer sur la touche jusqu'à ce que la DEL s'allume (mode manuel actif) ou s'éteint (mode KNX actif).
[Non-Text]
[Non-Text]
Commande et affichage sortie A-F ou A-L
DEL (jaune) ○ et touche sortie A (A-F ou A-L) :
La DEL jaune indique l'état de commutation de la sortie. DEL allumée : Sortie marche/grandeur de commande > 0 DEL éteinte : Sortie arrêt/grandeur de commande = 0 La DEL clignote lentement : Fonction de sécurité active La DEL clignote rapidement : Erreur (court-circuit ou surcharge)
Touche Sortie X : Pour mettre en marche/à l'arrêt ou ouvrir/fermer. La sortie commute à chaque actionnement.
- DEL (louge) - cet touche de réinitialisation DEL allumée : Erreur (court-circuit ou surcharge sur au moins une des 3 sorties).
La DEL clignote lentement : Contrôle de court-circuit actif Touche de réinitialisation : Une fois l'erreur résolue, il faut appuyer sur la touche de réinitialisation correspondante des sorties concernées jusqu'à ce que la DEL d'erreur s'étaigne. Si l'erreur perciste, la DEL clignote de nouveau
Mise en service
La mise en service se fait via l'Engineering Tool Software (ETS). Vous trouverez une description détaillée du paramétrage et de la mise en service dans la documentation technique de l'équipement. Vous pouvez la télécharger à l'adresse suivante : www.BUSCH-JAEGER.de.



Bredd 4 resp. 8 moduler à 18 mm
Vikt ca 0,16 kg resp. 0,28 k
Certifikat FIR / KNY
LID / RNA: chiligt EN 50 650-1, -2 Chassi
Serie proM
Notice Facile