KSR10 - Jouets VELLEMAN - Notice d'utilisation et mode d'emploi gratuit
Retrouvez gratuitement la notice de l'appareil KSR10 VELLEMAN au format PDF.
| Caractéristiques techniques | Jouet éducatif, kit de construction de robot, composants électroniques inclus |
|---|---|
| Utilisation | Conçu pour l'apprentissage des bases de l'électronique et de la robotique, adapté aux enfants à partir de 8 ans |
| Maintenance et réparation | Vérifier régulièrement les connexions, remplacer les piles si nécessaire, nettoyer les composants avec un chiffon doux |
| Sécurité | Ne pas laisser les jeunes enfants sans supervision, éviter l'ingestion de petites pièces, respecter les instructions de montage |
| Informations générales | Idéal pour les projets scolaires, favorise la créativité et la logique, compatible avec d'autres kits de la même gamme |
FOIRE AUX QUESTIONS - KSR10 VELLEMAN
Questions des utilisateurs sur KSR10 VELLEMAN
0 question sur cet appareil. Repondez a celles que vous connaissez ou posez la votre.
Poser une nouvelle question sur cet appareil
Téléchargez la notice de votre Jouets au format PDF gratuitement ! Retrouvez votre notice KSR10 - VELLEMAN et reprennez votre appareil électronique en main. Sur cette page sont publiés tous les documents nécessaires à l'utilisation de votre appareil KSR10 de la marque VELLEMAN.
MODE D'EMPLOI KSR10 VELLEMAN
Aux résidents de l'Union européenne
Des informations environnementales importantes concernant ce produit

Ce symbole sur l'appareil ou I'emballage indique que I'élimination d'un appareil en fin de vie peut polluer I'environnement. Ne pas jeter un appareil électrique ou électronique (et des piles éventuelles) parmi les déchets municipaux non sujets au tri sélectif, une déchétené traitera l'appareil en question. Renvoyer les équipements usages à votre fournisseur ou à un service de recyclage local. Il convient de respecter la
reglementation locale relative à la protection de l'environnement.
En cas de questions, contacter les autorités locales pour élimination.
Nous you remercions de votre achat! Lire la presente notice attentivement avant la mise en service de l'appareil. Si l'appareil a etedommagependantle transport,ne paslinstalleretconsultervoirerevendeur.
Décovrez le monde de la robotique grâce à ce bras de manipulation à cinq moteurs et cinq articulations. Le bras est piloté à partir d'une unité de contrôle à cinq commandes et intégre un socle rotatif, coude et poignet articulés, et un grappin fonctionnel. Le projecteur s'avéré bien pratique pour une manipulation dans l'obscurité.
Specifications
Puisance de levage max.
Alimentation
Hauteur max. à bras déployé
Poids
Dimensions
100g
4 piles type R20 (réference LR20C, non incl.)
38cm
660g
22.85 cm (L) × 16 cm (W) × 38 cm (H)

2 Outilage nécessaire
| Pince plate | Pince coupante | Tournevis | 4 x pile type R20 (D) |
3 Pièces mécaniques
| P1 | Moteur (M4.M5) * | P2 | Moteur (M2.M3) * | P3 | Moteur (M1) * | |||
| Qté | Qté | Qté | ||||||
| 2 | 2 | 1 | ||||||
| P4 | Pignon 32/10T (gris) | P5 | Pignon 32/10T (marron) | P6 | Pignon 32T (bleu) | |||
| Qté | Qté | Qté | ||||||
| 10 | 5 | 5 | ||||||
| P7 | Pignon de sortie 10T (noir) | P8 | Pignon de sortie 10T (blanc) | P9 | Essieu | |||
| Qté | Qté | Qté | ||||||
| 4 | 1 | 9 (2x20) | ||||||
| P10 | Essieu | P11 | Vis taraudeuse | P12 | Vis taraudeuse | |||
| Qté | Qté | Qté | ||||||
| 1 (2x16) | 5 (2.3x7) | 11 (2.6x6) | ||||||
| P13 | Vis taraudeuse | P14 | Vis taraudeuse | P15 | Vis | |||
| Qté | Qté | Qté | ||||||
| 19 (2.6x10) | 12 (2.6x6) | 10 (2.6x6) | ||||||
| P16 | Vis taraudeuse | P17 | Vis taraudeuse | P18 | Boulon | |||
| Qté | Qté | Qté | ||||||
| 4 (3x11) | 3 (3x16) | 16 | ||||||
| P19 | Rondelle | P20 | Borne pour pile | P21 | Borne pour pile | |||
| Qté | Qté | Qté | ||||||
| 3 | 1 | 1 | ||||||
| P22 | LED câblée | P23 | Éponge (noir) | P24 | Clips | |||
| Qté | Qté | Qté | ||||||
| 1 | 2 | 3 | ||||||
| P25 | CI | |||||||
| Qté | ||||||||
| 1 | ||||||||
- P1 = orange + noir ; P2 = bleu + noir ; P3 = jaune + noir
KSR10_v6
VELLEMAN
4 Pièces en plastique






5 Pièces mécaniques unité de contrôle

6 Pièces en plastique unité de contrôle



7 Assemblage
Voir les pages 44~65.
8 Comment ca marche
- Actionner une commande sur l'unité de contrôle pour enclencher le bras.
- Les 12 mouvements du bras sont décns ci-dessous:


3. Porte du bras
- Chaque train d'engrenage integre un dispositif de sécurité qui s'enclanche des qu'un mouvement a atteint sa portée maximale.
- Relacher la commande des qu'un mouvement a atteint sa portee maxime afin de prolonger la durée de vie des trains d'engrenage.
9 En cas de problèmes
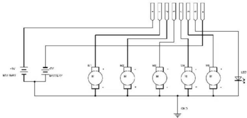
- Veiller à d'oment raccarder le circuit. Consulter à la page 62~63.
- Vérifier les raccordements BATTERY et GND lorsque le bras ne répond pas aux commandes. Vérifier également si les piles ont été insérées de manière correcte. Consulter à la page 52.
- Vérifier une inversion des raccordements M1, M2, M3, M4 et M5 lorsque le bras réagit inversement à la commande souhaïée. Consulter à la page 62-63.
- Verifier le raccordement L lorsque le projeteur ne fonctionne pas. Consulter a la page 62~63.
10 Schema electrique


Bras robotique
11 Prescriptions de sécurité
- Confier le remplacement et l'insertion des piles à une personneadulte.
- Ne pas recharger des piles non rechargeables. Retirer des piles usagées afin d'éviter l'écoulement
- Ne pas utiliser simultanément des piles neuves et usages ou des piles de type différent.
L'utilisation de piles au mercure ou de piles rechargeables est deconseillée. - Eviter de court-circuiter les contacts.
N'employer cet apparéil qu'avç des accessoires d'origine. SA Velleman ne sera aucunement responsable de dommages ou lesions survenus à un usage (incorrect) de cet apparéil. Pour plus d'information concernant cet article et la dernière version de cette notice, visitez notre site web www.velleman.eu. Toutes les informations représentées dans cette notice peuvent être modifiées sans notification préalable.
1 Introduccion
Remote Control - Afstandsbediening - Unité de contrôle
Unidad de control-Fernbediening-Modul pilota
1







Wiring-Bekabeling-Cablage-Cableado-Verkabelung-Polaczenie pilota doramienia robota

EN
Yelleman° service-en kwalitsbtsgarant
Garante de service et de qualite Velleman
Velterman)oit d'une experience de plus de 35 ans dans le monde de l'electronique avec une distribution dans plus de 85 pays.
Tous nos produits répondent à des équivalentes de quality rigoureuses et à des dispositions liangée à vigueur dans l'€. Àfin de garantir la qualité, nous contentions régulament non produits à des contrôles de qualité supplémentaires, tant par notre propre service qualité que par un service qualité extrema. Dans le cas impropable d'un début m-alge toutes les précautions, il est possible d'invequer notre garantie (voir les conditions de qarante). Conditions généales concernant la garantie sur les produits grand public (pour
-
tout produit grand public est garanté 24 mois contre toutvice de production ou de
materiaux a dater du jour d'acquisition effective; -
si la plante est justifiée et que la réparation ou le remplacement d'un article est jugé impossible, ou lorsque les coûts αvérét de disproportionatenées, Veilman5 a autorisé à remapier l'article par un article équivalent ou à rembourseur la totalité ou une partie du prix d'achat. La seçèances il vous sera consentu un article de remplacement ou le remboursement, et le disertant ne sera qu'une fois qu'une détaïe de 1 an après l'achat et la litigation, ou un article de remplacement moyen anté 50% du prix d'achat ou le remboursement de 50% du prix d'achat lors d'un début après 1 à 2 ans.
- sont par conséquent exclus :
-tout dommage direct ou indirect survenu a l'article après livrasson (p.eix.dommage lie a I'owydation, choc. duchte, possaire, sable, imputere) et provoque par I'appareil, aisi que son contente (p.eix perte de donnees) et une indemnisation eventuelle pour perte de
tout bien de consommation ou accesseoirou piie quin cecessite un remplacement regulier au longue durée, ci-dessus qu'elles ne s'est pas enconnue (see below).
comme p., piers, ampôtries, peuples à cadourchuc, couloirs (Térita rattachée)
de l'air, de la nature, qu'elles qu'elles qu'elles.
générale qu'elles qu'elles.
et cetera.
- tout dommage provoque par une NLégislation, volontaire ou non, une utilisation ou un enretten incrimé, ou une utilisation de l'apparé contraitre aux prescriptions du fabrant;
- tout dommage à cause d'une utilisation commerciale, professionnelles ou collective de l'apparé (la période de garantie sera réduite à 6 mois lors d'une utilisation professionnelle);
- tout dommage à l'apparé qui ris�ut de une utilisation incorrecte ou différente que celle pour laquelle il a été initialement prévenu comme désarticlant dans la notice;
-tout dommage engendre par un retour de l'appareil emballe dans un conditionnement non ou insuffisamment proteede:
-toute réparation ou modification effectue par une théorie personne sans l'autorisation explicée à SA Vellemen16
- frais de transport de et vers Vellemané à l'apparèil n'est plus couvert sous la garantie.
-
toute réparation sera fournie en l'endetroit de l'achat. L'apparèil doit nécessairement être achacpondu bon d'achat d'origine et être durement conditionné (de préférence dans l'embaillage d'origine avec mention du défau):
-
conseil: il est conseilé de convulter la notice et de contrôler cibles, pires, etc. avant de returner l'appleau. Un'article retourné jugue违法行为 qui a avéré en début de marche pourra faire l'objet d'une note de frais à charge du consommateur;
-
une répération effectée en dehors de la période de garante fera l'objet de frais de
-
toute garantie commerciale ne porte pas atteinte aux conditions susmentionnées. La liste susmentionné peut être sejette à une complètement selon le type de l'article et être mentionné dans la notice d'emploi.
Notice Facile