CPA24 - Recepteur Audac - Notice d'utilisation et mode d'emploi gratuit
Retrouvez gratuitement la notice de l'appareil CPA24 Audac au format PDF.
| Caractéristiques techniques | Récepteur audio professionnel, 2 canaux, puissance de sortie 2 x 120 W, impédance 4 Ohms, fréquence de réponse 20 Hz - 20 kHz. |
|---|---|
| Utilisation | Conçu pour des applications audio en direct, idéal pour les concerts, événements et installations fixes. |
| Maintenance et réparation | Vérifier régulièrement les connexions et les câbles, nettoyer les ventilations pour éviter la surchauffe, consulter un professionnel pour les réparations majeures. |
| Sécurité | Utiliser dans un environnement sec, éviter les surcharges, respecter les limites de puissance pour prévenir les dommages. |
| Informations générales | Dimensions compactes pour une installation facile, garantie constructeur de 2 ans, supporte une large gamme de sources audio. |
FOIRE AUX QUESTIONS - CPA24 Audac
Questions des utilisateurs sur CPA24 Audac
0 question sur cet appareil. Repondez a celles que vous connaissez ou posez la votre.
Poser une nouvelle question sur cet appareil
Téléchargez la notice de votre Recepteur au format PDF gratuitement ! Retrouvez votre notice CPA24 - Audac et reprennez votre appareil électronique en main. Sur cette page sont publiés tous les documents nécessaires à l'utilisation de votre appareil CPA24 de la marque Audac.
MODE D'EMPLOI CPA24 Audac
SPECIFICATIONS TECHNIQUES 36
NOTES PERSONNELLES 37
Introduction
Cette partie désoit brievement les possibilités du CPA12 - 24 - 36 amplificateur de puissance.
L e CPA12 - 24 - 36 a ete developpe comme une solution pratique et flexible pour un usage multifonctionnel.
En développement le CPA-series, les ingénieurs d'AUDAC poulaient atteindre 4 objectifs :
- Offrir une solution audio flexible avec plusieurs fonctions
- Permettre une utilisation facile
- Offrir une excellente qualité de son
- Afficher un design moderne et contemporain
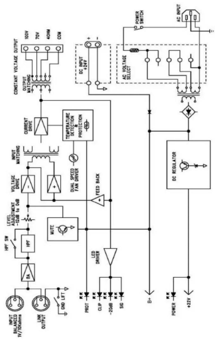
Le CPA12 - 24 - 36 a été développé pour un fonctionnement à 230VAC ou 24VDC (seulement pour des evacuations). Ces amplificateurs sont équipés d'un circuit de protection multifonctionnel, qui sur VE les perturbations liées à une limitation de courant; une surtension ou un échauffement anormal. IIs ont un détector encastré qui detecte des températures haute et une 'auto muting' fonction. Le CPA-series amplificateurs sont équipés avec une entree ligne et sortie 'link' avec XLR jacks. IIs ont unc sortie avec EURO block terminal' pour 4 ou 100V / 70V , un high-pass' filtr cre encastré de 400Hz et un power output de 120W pour le CPA12; 240W pour le CPA24 et 360W pour le CPA36. IIs ont une gamme de frquence de 40Hz a 16kHz± 3dB , un niveau de distorsion et bruit bas et un niveau d'entree ajustable (dc -12dB a 0dB).
C'est possible de monter les CPA-amplificateurs dans un 19 inch rack et de les agrandir, en ajustant un amplificateur de puissance avec LINK terminal.
Les CPA12 - 24 - 36 amplificateurs peuvent être utilisés dans des applications commerciales comme industrielles, comme des restaurants, des hotels, des halles d'usine, des grand magasins, desBATiments publics, ...
Chapit 1
Environnement
Ne placez pas cet apparéil dans un espace fermé comme une bibliothèque ou une armoire. Prévoyez assez de ventilation pour refroidir l' apparéil. Ne bloquez pas les ouïes de ventilation.
Ne placez pas cet apparéil dans des endroits où il y a beaucoup de poussière, de chaleur, d'humidité ou de vibrations.
N'utilisez pas cet apparéil tout après de l'eau ou d'autres substances liquides. Assurez-vous qu'aucune substance liquide ne peut tacher, gouter ou élabousser l'appareil.
L'appareil n'est développé que pour être utilisé à l'intérieur. Ne l'utilisez pas en plein air.
Ne posez pas d'autres objets au-dessus de l'appareil.
Posez l'appareil sur un support stable.
Prescriptions de sécurité
Prencz toujours soin de l'appareil.
N'utilisez que des prises de courant mises à la terre et un cordon secteur avec une fiche mise à la terre pour brancher l'appareil.
Cet apparéil n'est pas un jouet. Des enfants ne peuvent pas l'utiliser.
N'introduisez pas d'objects dans les ouïes de ventilation du CPA12 - 24 - 36.
N'ouvrez pas l'appareil (risque d'électrochoc).

AVERTISSEMENT-ENTRETIEN
Cet apparéil ne contient pas de pieces réparables par l'utilisateur. Faites réparer l' apparçil par du personnel de maintenance. Ne faites pas de travaux de réparation vous-même sauf si vous étés qualifié.
Remarque
Cet appeareil est conforme à la norme europeenne suivante : EN 50081-1: 1992, EN 50082-1: 1992, EN 60065: 199
Chapit 2
Vue générale de la façade & de l'arrière du CPA12-24-36
FAÇADE
Idcm CPA 12 & 24

ARRIERE
Idem CPA 12 & 24

Façade - détaill
Idem CPA 12 & 24

Arrière - détaill
Idem CPA 12 & 24

*
| Voltage Modèle | 115/120 Vac 220/230/240 Vac | |
| CPA12 | T4AL / 250V T3.15AL / 250V | |
| CPA24 | T8AL / 250V T4AL / 250V | |
| CPA36 | T12AL / 250V T6.3AH / 250V | |

Informations generales
Avant d'insteller le CPA12 - 24 - 36, vous l'éteignez complètement: si l'appareil est allumé, vous poussez sur le bouton d'alimentation pour l'étcindre. Tournez le 'level adjustment' bouton complètement en bas (niveau minime). Àpres vous avez installé l'amplificateur, vous pouvez lemettre en circuit en pouissant sur le bouton d'alimentation à la façade de l'appareil. Le témoin LED d'alimentation bleu ("ON") s'allumera si l'appareil est branche.
CÁBLAGE
Utilisez le cable de branchement et les connecteurs corrects. Des cables balances ligne fabriqués d'avance ou professionnellement branchés sont recommendés (22 à 24 gauge).

Connecteur pin information pour cablage
Utilizez le cable du haut-parleur et les connecteurs corrects.
Pour les connecteurs de sortie de l'amplificateur, l'utilisation des cables du haut-parleur qualitatif, heavy gauged et fabriqué d'avance ou professionnellement branchés, est recommendé. Pour les connecteurs de sortie, vous pouvez utiliser des 'EURO blocks'. Evitez des court-circuit: isolez ou enveloppez des connecteurs du cable du haut-parleur exposés.
Laisser le câblage aux spécialistes qualifiés. Câblage de classe 2 est recommendé.
Raccordements
OUTPUT
Maintencé la polarité correcte sur les connecteurs de sortie.
Canal de sortie: raccordez les 'output EURO block terminals' avec les 'speaker loads'. Utilisez les terminaux indiqués avec < 4> pour un speaker load de 4Ohm, ou utilisez les terminaux indiqués avec 70V ou 100V et COM pour des speaker loads avec un voltage constant.
Raccordez le COM terminal avec le 'speaker lead' négatif (-); raccordez un des autres terminaux avec le 'speaker lead' positif (+).
Consultez l'impedance et le voltage de sortie dans la table ci-dessous:
| CPA12 | 4Ω/22V | 41Ω/70V 83Ω/100V |
| CPA24 | 4Ω/31V 21Ω/70V 41Ω/100V | |
| CPA36 | 4Ω/38V 13.5Ω/70V 27.8Ω/100V |
Les impédances dans la table ci-dessus représentent les impédances du système haut-parleur total.

8Ω 8Ω

Transformateur concordant
RACCORDEMENT FAUTIF
L'imagé ci-dessous montre un raccordement fautif.
AVERTISSEMENT: n'utilisez JAMAIS les low-Z (4Ω) et Hi-Z (70V et 100V) terminaux en même temps.


Informations supplémentaires CPA12 - 24 - 36
SPECIFICATIONS TECHNIQUES
| CPA12 | CPA24 | CPA36 | ||
| Puisance de sortie(à T.H.D. 1.0%, 1kHz) | 120W | 240W 360W | ||
| Contrôle de gain -12dB ~ 0dB | ||||
| Sensibilité d'entrée(à ligne balancée) | 1.0 ± 0.1Vrms / 10Kohm | |||
| ‘High-pass' filtré(à 400Hz) | -3dB | |||
| Réponse en fréquence +1.5 / -3dB à 70Hz ~ 18kHz | ||||
| S/N Ratio Mieux que 90dB | ||||
| T.H.D. à 1/2 puissance de sortie, 1 kHz Moins que 1.0% | ||||
| Voltage de sortie et impédance | 4Ω / 22V 4Ω / 3V 4Ω / 38V | |||
| 41Ω / 70V | 21Ω / 70V | 13.6Ω / 70V | ||
| 83Ω / 100V | 41Ω / 100V | 27.8Ω / 100V | ||
| Refroidissement | Ventilateur | |||
| Température de fonctionnement/Humidité | 0° ~ 40°C à 95% sans condensation | |||
| Dimensions (LxHxP) | 48.2 x 8.8 x 34 cm | |||
| Poids net | 11.65 kg | 13.87 kg | 15.16 kg | |
| Puisance à 1/8 power | 185W | 361W 525W | ||
| Besoin de puissance | 100VAC ~ 230VAC, 50/60Hz et/ou 24VDC | |||
Notice Facile