WSP 7010 - Chauffage AEG - Notice d'utilisation et mode d'emploi gratuit
Retrouvez gratuitement la notice de l'appareil WSP 7010 AEG au format PDF.
| Caractéristiques techniques | Contrôle climatique AEG WSP 7010 |
|---|---|
| Type d'appareil | Déshumidificateur |
| Capacité de déshumidification | 10 litres par jour |
| Surface recommandée | Jusqu'à 50 m² |
| Niveau sonore | 35 dB(A) |
| Consommation énergétique | 220 W |
| Réservoir d'eau | Réservoir de 2 litres |
| Fonctionnalités supplémentaires | Mode automatique, indicateur de réservoir plein |
| Utilisation | Idéal pour les espaces humides, comme les sous-sols ou les salles de bains |
| Maintenance | Nettoyage régulier du filtre, vidange du réservoir |
| Sécurité | Système d'arrêt automatique en cas de réservoir plein |
| Informations générales | Garantie de 2 ans, dimensions compactes pour un rangement facile |
FOIRE AUX QUESTIONS - WSP 7010 AEG
Téléchargez la notice de votre Chauffage au format PDF gratuitement ! Retrouvez votre notice WSP 7010 - AEG et reprennez votre appareil électronique en main. Sur cette page sont publiés tous les documents nécessaires à l'utilisation de votre appareil WSP 7010 de la marque AEG.
MODE D'EMPLOI WSP 7010 AEG
Accumulateurs de chaleur
Serie standard
Notice d'utilisation et de montage
1. Notice d'utilisation
A l'intention de l'utilisateur
1.1 Description de l'appareil 35
1.2Commande 35
1.3 Consignes de sécurité
1.4 Entretien et maintenance 36
1.5 Remarque importante 37
Que faire si ...?
2. Notice de montage
A l'intention de l'installateur
2.1 Caracterisiques techniques 38
2.2 Description de l'apparil 39
2.3 Consignes et reglementations 40
2.4 Site de montage 41
2.5 Montage de l'appareil 41
2.6 Première mise en service 45
2.7 Reparation, modification de l'appareil_45
2.8 Remise a l'tilisateur 45
3.Environnement et recyclage 48
Table of Contents
1. Notice d'utilisation
1.1 Description de l'appareil
Les accumulateurs de chaleur permettent l'accumulation de chaleur produit par le courant électricque au cours des plages horaires à tarif réduit (en fonction du fournisseur, la plupart du temps pendant la nuit). Cette chaleur est ensuite restituee sous forme d'air chaud par le biais d'un ventilateur ou, dans une moindre mesure, par la surface de I'appareil en fonction de la température souhaitation.
1.2 Commande
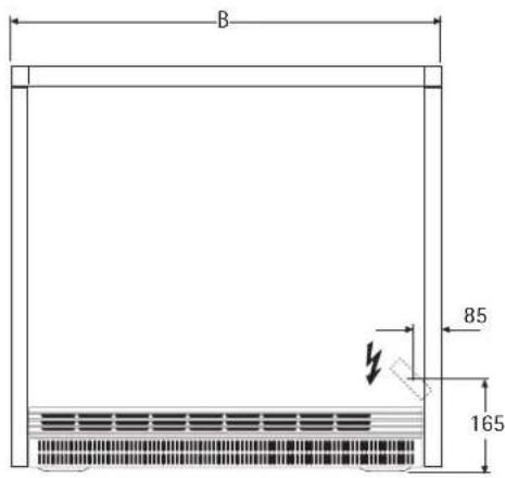
L'appareil est commandé à partir du panneau de commande (1)itué sur la paroi latérale droite (ill. 1).
1.2.1 Accumulation de chaleur
Le niveau d'accumulation de la chaleur (charge) est choisi à l'aide du sélecteur (ill. 17). Il faut ici faire la distinction entre le fonctionnement des accumulateurs de chaleur avec ou sans module de gestion centralisée de la charge en fonction des conditions atmosphériques (se trouve au bas de l'appareil). En l'absence d'un module de gestion centralisée de la charge en fonction des conditions atmosphériques (mode manuel, ill. 18), régler le sélecteur comme suit :
- = absence de charge 1 = période de transition (printemps/été) - correspond à env. 1/3 de la charge totale 2 = hiver doux - correspond à env. 2/3 de la charge totale 3 = hiver - correspond à la charge totale Après une courte période de familiarisation, vous trouvez facilement le réglage qui vous convient.
Avec un module de gestion centralisée de la charge en fonction des conditions atmosphériques (mode automatique), le selecteur doit se couver en position 3. C'est alors le module de gestion de la charge en fonction des conditions atmosphériques qui veillera à la charge appropriée. Toutefois, la présence de ce module de gestion de la charge n'empêche pas le recours à l'adaptation manuelle au moyen du selecteur pour assurer un réglage modulé des accumulateurs de chaleur individuels.
1.2.2 Emission de chaleur
L'émission de chaleur (décharge) est réglée par un thermostat d'ambiance AEG (accessoire en option) mural ou intégré à l'appareil.
Régrler la température souhaïée au thermostat qui, à son tour, module automatiquement l'émission de chaleur par le biais d'un ventilateur, de manière à étabir une température constante. Les jours de grand froid, il est conseilé de laisser fonctionner le thermostat d'ambiance en cas d'une absence prolongée de manière àMAINTER la température de la piece à env. 10^ et à protégger ainsi le bâtiment ou la piece contre le refroidissement (hors-gel)
1.3 Consignes de sécurité
L'appareil ne doit pas
- être exposé à la poussière, aux produits chimiques, aux gaz ou aux vapeurs représentant un risque d'incendie ou d'explosion ;
- se trouver à proximé immediate de conduites ou de recipients contenant des produits inflammables ou explosifs;
- être utilisé à une distance inférieure aux distances minimales imposées par rapport aux objets proches.
- Le montage (installation électrique) ainsi que la première mise en service et la maintenance de cet apparéil doivent être effectués par un spécialiste agrée conformément aux générées instructions.
- Il ne faut enaucun casutilier l'appareil lorsque des travaux de pose,deponge, de vitrification, de nettoyage a I'essence ou d'entretien (aerosol, encaustique)des sols ou similaires sont effectues dans la meme piece. Avant la charge, veiller a aerer convenablement la piece.
- Les surfaces du corps de l'appareil ainsi que la grille de sortie d'air peuvent atteindre des températures supérieures à 80 °C. C'est pourquoit il est interdit de poser sur l'appareil ou à proximite immédiate des objets combustibles, inflammables ou isolants pas plus que des tissus, que ce soit du linge, des couvertures, du papier, des recipients replis d'encaustique ou d'essence, des bombes aérosol ou similaires. Ne jamais faire secher de linge sur l'appareil. Risque d'incendie!
- Pour les objets de toute nature comme par ex. les meubles, ridesaux et textiles ou autres matieres inflammables ou non, voirlez à respecter les distances minimales suivantes par rapport à l'appareil, notamment à la grille de sortie d'air.
par rapport à la grille de sortie d'air 500 mm
par rapport à la paroi latérale droite pour le montage 100 mm
par rapport à la paroi latérale gauche 70 mm
par rapport à la paroi latérale gauche lorsque 2 accumulateurs
se trouvent l'un à côte de l'autre 100 mm
par rapport au capot (ex. rebord de fenêtre) 40 mm
par rapport au capot (rideaux, voilages, matériaux inflammables) 100 mm
L'air chaud doit pouvoir être evacué sans encombre (ill. 19)!
- Dans les locaux à usage professionnel (hôtels, résidences de vacances, écoles, etc.), apposer l'autocollant joint auprésent mode d'emploi « Ne rien poser ou appuyer contre cet apparéil » de manière bien visible sur le capot de l' apparéil.
1.4 Entretien et maintenance
S'il apparait de legères taches brunâtres à la surface de l'appareil, les faire disparaitre le plus rapidement possible à l'aide d'un chiffon humide.
Attendre que l'appareil soit froid pour le nettoyer avec un produit d'entretien d'usage courant. Ne pas utiliser de produits abrasifs.
Ne pas introduire de produit en bomber aérosol dans les fentes d'airation.
Faire vérifier tous les deux ans le canal d'aération situé derrière la grille de sortie d'air (5) par un spécialiste. Cet endroit est susceptible de s'encrasser légarement.
Il est conseilé de profiter de la maintenance régulière pour faire vérifier les organes de contrôle et de réglage. Les organes de sécurité, de contrôle et de réglage ainsi que l'ensemble du système de gestion de la charge et de la décharge doivent être vérifiés par un spécialiste au plus tard 10 ans après la première mise en service.
1.4.1 Nettoyage du filtré (ill. 3)
Le filtré (7) de la grille d'entrée d'air (6) doit être nettoyé régulièrement pour que la décharge de l'accumulateur de chaleur puisse se faire sans problème.
Par contre, si le filtré est encrassé, les ventilateurs s'arrêtent.
Pour nettoyer le filtrer, proceder comme suit :
- pousser légerement la grille de sortie d'air (6) des deux côtes vers le bas, faire basculer sa partie supérieure vers le haut et la retirer ;
- séparer le filtré de la grille avec un tournevis par ex. et le nettoyer avec unerosse, un aspirateur ou similaire ;
replacer le filtré dans la grille et l'insérer dans les encoches ; - placer la partie inférieure de la grille d'entrée d'air en biais sur les encoches situées sur le fond de l'appareil et l'insérer sous la grille de sortie d'air en poussant légération (ill. 16).
1.5 Remarque importante

Conservez avec soin ce mode d'emploi pour pouvoir le remettre, le cas échéant, au nouveau propriétaire.
LeMETTARdispositiondu specialistecharge d'effectuer I'entretien deI'appareil.
Que faire si ... ?
| A l'intention de l'utilisateur | à l'intention du spécialiste | |
| • l'accumulateur ne se réchauffe pas | Vérifier si ... ... le sélecteur est en position 3. ... les fusibles correspondant logés dans le boîtier à fusibles sont défectueux ou si l'inter-rupteur de protection contre les courants de court-circuit est intervenu. Remédier à ce problème! Si l'accumulateur n'est pas encore chaud le lendomain, appeler un spécialiste. | Vérifier si ... ... la commande du disjoncteur des éléments chauffants fonctionne convenablement. ... les bornes L1/L2/L3 sont sous tension. ... le limiteur de température (F1) est activé. |
| • la température du corps de l'accumulateur est anormalement élevé même en cas de température extérieure douce | Vérifier si ... ... la soufflante est activée par le thermostat d'ambiance. Dans le cas contraire, faire appel à un spécialiste. ... le filtrde de la grille d'entrée d'air est bouché. Remédier à ce problème selon le point 1.4.1! | Vérifier si ... ... le thermostat d'ambiance est activé et si la borne LE est sous tension. ... les soufflantes tournent. ... le régulateur de température (N5, voir page 3, ill. 1) de la sortie d'air est hors circuit. ... le signal de commande Z1 du module de gestion de la charge a été reçu à la borne A1/Z1 de l'accumulateur. |
2. Notice de montage
2.1 Caracteristiques techniques



L'installation et le raccordement électrique doivent être effectuels par un spécialiste conformément aux générées instructions de montage.
| WSP 2010 | WSP 3010 | WSP 4010 | WSP 5010 | WSP 6010 | WSP 7010 | |
| Largeur « I » m | 605 | m 780 | 955 | 1130 | 1305 | 1480 |
| Poids (avec les pierres) kg | 118 | 169 | 220 | 271 | 322 | 373 |
| Distance « X » m | 415 m | 590 | 765 | 940 | 1115 | 1290 |
| Raccordement | * | 3/N/PE ~ 50 Hz 400 V | ||||
| Puisance kW | 2,0 | 3,0 | 4,0 | 5,0 | 6,0 | 7,0 |
| Charge de mesure kWh | 16,0 | 24,0 | 32,0 | 40,0 | 48,0 | 56,0 |
| Charge maxi. PHi kWh | 17,0 | 25,5 | 35,0 | 42,0 | 51,0 | 61,5 |
| Pierres d'accumulation | ||||||
| Nbrc de paquets (pierres) Unité | 6 (12) | 9 (18) | 12 (24) | 15 (30) | 18 (36) | 21 (42) |
| Poids kg | 85 | 128 | 170 | 213 | 256 | 298 |
| Résistance de commande kΩ | 3,4 | 3,4 | 3,4 | 3,4 | 3,4 | 3,4 |
| Chauffage auxiliaire (accessoire en option) | ||||||
| Puisance kW | 0,35 / 0.5 | 0,5 / 0,8 | 0,8 / 1,0 | 1,0 / 1,2 | 1,2 / 1,5 | 1,5 / 1,7 |
*3×230V+T/40Hz
230 nono 50Hz
2.2 Description de l'appareil (page 3, ill. 1)
1 Panneau de commande
2 Capot
3 Paroi laterale droite
4 Paroi avant
5Grille de sortie d'air
6Grille d'entree d'air
7 Filtre
8 Paroi avant interne
9 Pierres d'accumulation
10 Tôle de recouvrement
11 Isolation thermique
12 Isolation thermique du fond
13 Buse
14 Canal d'air
15 Passe-cable
16 Canaux de circulation de l'air
17 Elément chauffant
18 Soufflante
19 Regulateur de température - Décharge (N5)
20 Regulateur de tempéature - Charge (N4)
21 Limiteur de température (F1)
2.2.1 Fonctionnement
Les pierres d'accumulation sont rechauffees par les éléments chauffants places entre les rangiés de pierres. La charge est régée en continu à l'aide du régulateur de charge (selecteur, ill. 17)
Le démarrage et la durée de la charge sont déterminés par L'opérateur énergétique concerné.
Deux réguleurs de température (19, 20) ainsi qu'un limiteur de température (21) empêchent une surchauffe de l'appareil. Alors que les régulateurs de température se remettent en marche automatiquement, le limiteur de température sera réactivé par le spécialiste après réparation par pression exercée sur le bouton situé au centre du limiteur.
La chaleur accumulée est ensuite diffusée par la soufflante mais également par la surface de l'appareil. L'air est en effet aspiré par la soufflante (18) à travers la grille d'entrée de l'air (6) avant d'être insuffle dans les canalisations des pierres d'accumulation (9) où il se rechauffe.
Avant de sorting par la grille de sortie d'air (5), l'air chaud est mélange à de l'air moins chaud passant par deux buses de manière à ce que la température de l'air sortant ne soit pas supérieure à la température maximale autorisée. La position de la buse et, par conséquent, la proportion du mélange est réglée par un régulateur bilame.
2.2.2 Reduction de la puissance absorbée
En déplaçant ou enlevant des cavaliers sur les bornes, il est possible de réduire de 3 niveaux (voir tableau) la puissance absorbée réglée départ-usine au niveau maximum."La dimension des sections de cables et les fusibles doivent être choisis en fonction de la puissance maximale possible de l'appareil.
| Variantes de puissance kW | éléments chauffants 8h (série) | lot d'éléments chauffants 6h (accessoire en option) | |||||||
| Variantes de raccordement | 100 % | 291,6 % | 383,3 % | 475 % | 5100 % | 100 % | 291,6 % | 383,3 % | 475 % |
| Modèle | |||||||||
| WSP 2010 | 2,0 | 1,83 | 1,67 | 1,50 | 2,0 | 2,7 | 2,47 | 2,25 | 2,03 |
| WSP 3010 | 3,0 | 2,75 | 2,50 | 2,25 | - | 4,1 | 3,75 | 3,42 | 3,07 |
| WSP 4010 | 4,0 | 3,66 | 3,33 | 3,00 | - | 5,5 | 5,04 | 4,58 | 4,13 |
| WSP 5010 | 5,0 | 4,58 | 4,16 | 3,75 | - | 6,5 | 5,96 | 5,42 | 4,88 |
| WSP 6010 | 6,0 | 5,50 | 5,00 | 4,50 | - | 8,1 | 7,42 | 6,75 | 6,08 |
| WSP 7010 | 7,0 | 6,42 | 5,83 | 5,25 | - | 9,0 | 8,24 | 7,5 | 6,75 |





2.3 Consignes et réglementations
- Tenir compte de tout ce qui se trouve dans l'emballage!
-
Respecter la reglementation concernant lesBATIMETS et les garages du pays concenre.
-
La surface d'installation doit partager une portance suffisante.
En cas de doute, faire appel à un expert en batiments (poids de l'accumulateur de chaleur voir « Caracteristiques techniques »).
- Respecter les distances minimales par rapport aux objets proches (ill. 2 et 2a).
- Tous les travaux de raccordement et d'installation electriques doivent être effectuels selon les directives VDE (0100), les consignes de l'opérateur énergétique et les directives nationales et régionales.
- L'appareil doit pouvoir être déconnecté du réseau sur tous les pôles par un dispositif supplémentaire doté d'une distance de coupure de 3 mm minimum. A cet effet, on peut utiliser des disjoncteurs, des fusibles etc.
- L'augmentation ultérieure de la puissance absorbée doit faire l'objet d'une nouvelle autorisation de l'opérateur énergétique. Si l'augmentation ultérieure de la puissance n'est pas signalée à l'opérateur énergétique, cela équivaut à une violation du contrat de fourniture de courant.
- Les moyens d'exploitation doivent être adaptations à la consommation nominale des apparciels.
- Tenir compte des indications figurant sur la plaque signalétique de l'appareil!
La tension indiquée doit concorder avec la tension du réseau.
- Pour satisfaire aux exigences VDE relatives à la sécurité d'installation, l'appareil doit être fixé.
2.4 Site de montage
L'appareil ne doit pas
- être exposé à la poussière, aux produits chimiques, aux gaz ou aux vapeurs représentant un risque d'incendie ou d'explosion ;
- se couver à proximé immediate de conduites ou de recipients contenant des produits inflammables ou explosives;
- être utilisé à une distance inférieure aux distances minimales imposées par rapport aux objets proches.
Dans les pieces dans lesquelles il se dégage des gaz d'échéppement, des odeurs d'huile ou d'essence, il peut se former des mauvaises odeurs persistantes et il y a, le cas échéant, des risques d'encrassement.
Mur d'installation
Vérifier si la force portante du mur est suffisante pour supporter l'appareil.
S'il n'y a pas de mur ajustat, l'appareil doit etre instalé au sol (vissage direct au sol ou par l'intérimédiaire d'un socle [accessoire en option]).
Plancher
La surface d'installation de l'appareil doit être plane etprésenter une force portante suffisante de manière à éviter toute déformation du corps de l'appareil.
Il faut garantir une résistance minimale à la température d'au moins 85^ au mur d'installation et d'au moins 80^ au plancher. Les appareils peuvent être installés sur tous les sols ordinaires, mais il faut toute fois tener compte du fait que des modifications peuvent surgir au niveau des patins sur les sols en PVC, les parquets, les tapis à poils longs, sous l'effet du poids et de l'action de la chaleur. Il convient alors de recourir à des cales thermostables (non comprises dans la fourniture).
2.5 Montage de l'appareil (ill. 3-14)
Pour répondre aux exigences VDE relatives à la sécurité du site d'installation, l'accumulateur de chaleur doit être maintainu par une fixation murale ou au sol (ill. 8).
Les vis et les chevilles nécessaire à la fixation de l'appareil ne sont pas comprises dans le volume de la fourniture. Elles doivent être choisis et fournies par l'installateur en fonction du matériel constitutif du mur.
Fixation murale
A l'arrière de l'appareil, à proximé du boitier de commande, un trou a été prévu pour recevoir une vis de fixation à un mur porteur approprié (ill. 8).
Avant de fixer l'appareil, veiller à respecter les distances minimales autorisées par rapport aux objets proches.
Fixation au sol
La fixation au sol est effectuee par vissage du fond de l'appareil à travers 4 orifices de 9 mm de diametre (cotes voir « Caracteristiques techniques », page 9)
Ce type de fixation n'est possible que si les grilles de sortie et d'entrée d'air et le tiroir du ventilateur ont ete retirés.
2.5.1 Installation de l'appareil (ill. 3-6)
- Pousser légerement la grille de sortie d'air (6) des deux côtes vers le bas, faire BASCER sa partie supérieure vers le haut et la retirer; Desserrer les deux vis du haut de la grille de sortie d'air (5) et retarder la grille (ill. 3).
- Desserrer (trous internes) 2 vis du bas de la paroi avant (4), soulever légèrement la partie inférieure de la paroi avant et la retirer (ill. 4, ill. 5). Desserrer 2 vis du bas de la paroi avant interne, la soulever légèrement et la retirer.
- Demontage de la paroi latérale droite (3): Déposer le/selecteur (a), desserrer la vis (b) de la paroi latérale (3), à l'arrête tirer légèrement la paroi latérale sur le côte (c), pousser vers l'avant, en haut faire basculer sur le côte (d), soulever etPTRir (ill. 6).
- Brancher les cables de raccord au secteur ainsi que les cables de raccordement du régulateur de charge et de décharge en les introduisant par l'orifice dans la paroi arrêté de l'appareil (15) tout en tenant compte de l'énoncé du point 2.5.2 (décaler le cable de raccordement d'env. 260 mm, le raccourcir au besoin de manière à ce qu'il ne touche pas les fentes d'aération de la paroi laterale);
- Placer l'appareil à l'emplacement prévu et le visser au mur de fixation (au sol, si la fixation au sol est nécessaire).
- Retirer la tôle de recouvrement (10), le replissage en carton et le bouton de commande se trouvant à l'intérieur (ill. 9). L'intérieur de l'appareil doit être entièrement exempt de corps étrangers telis que résidus d'emballage, etc.

Vérifier que l'isolement thermique de l'appareil n'a pas ete endommagee au cours du transport, la replacer si neccasseire.
Mise en place des pierres d'accumulation (ill. 10 et 11)
Les pierres d'accumulation sont livrées dans un emballage séparé.
Les pierres d'accumulation légèrement endommagées au cours du transport peuvent être utilisées. Cela n'aura aucune incidence sur le bon fonctionnement de l'appareil.
Pourmettre en place les pierres d'accumulation (9) soulever legerement les elements chauffants (17)(ill.10).
Poser la première pierre d'accumulation avec les rainures destinées à receivevoir les éléments chauffants tournées vers le haut, à quelles distances de l'isolement thermique droite, sous l'élement chauffant et la pousser vers l'isolement thermique droite et arrêté. Les trous oblongs constituent les canaux de chauffe.
En boulevant les éléments chauffants veiller à ce que les orifices percés dans les isolations thermiques laterales ne soient pas élargis par les éléments chauffants.
Puis insérer la tôle de recouvrement (10) retiree de l'intérieur de l'appareil sur la couche supérieure de pierres d'accumulation (ill. 12).
2.5.2 Raccordement electrique
Le raccordement électric des éléments chauffants est effectué avec 3 / N / P E 50Hz400V ou 3 / N / A 50Hz400V avec 1 / N / A 50Hz230V, 3 × 230V + A, Conmutable 3 × 230 + T ou 2 × 230 + T.

Le raccordement direct avec NYM est possible. Le nombre des cables d'amnée et des brins de cables ainsi que les sections des cables dépendent de la valeur de raccordement de l'appareil et du type de raccordement au secteur ainsi que d'eventuelles prescriptions de l'opérateur énergétique. Tenir compte des schémas des connexions correspondants.
Si l'accumulateur est raccordé à un module de gestion automatique de charge, il peut être sous tension aux bornes A1/Z1 - A2/Z2 bien que les fusibles soient rétérés.
Raccordement
Libérer les cables électriques d'une éventuelle traction et les brancher conformément au schéma des connexions électriques de l'appareil (sur la face interne de la paroi latérale droite) ou au schéma des raccordements.
Si la tôle logée dans le boîtier de commande, destinée à receivevoir les bornes secteur est difficile d'accès en raison d'un écart l'âtral trop juste, on peut la faire pivoter vers l'avant en desserrant la vis (ne pas dévisser) de la paroi arrêté.
En fonctionnement unifilaire**, poser un cavalier entre « N » et « A2/Z2 »!

Adapter la puissance en fonction de la durée nominale de charge
La puissance de raccordement peut etre adaptee a la durée nominale de charge de I'opérateur énergétique par décalage ou retrait de cavaliers aux bornes.
| Version d' éléments chauffants | 8h (série) | 6h (lot d' éléments chauffants) | ||||
| Durée de charge nominale | 8h | 9h | 10h | 5h | 6h | 7h |
| Variantes de raccordement (kW) Modèle | ① | ② | ③ | ① | ② | ③ |
| WSP 2010 | 2,0 | 1,83 | 1,67 | 2,7 | 2,47 | 2,25 |
| WSP 3010 | 3,0 | 2,75 | 2,5 | 4,1 | 3,76 | 3,42 |
| WSP 4010 | 4,0 | 3,66 | 3,33 | 5,5 | 5,04 | 4,58 |
| WSP 5010 | 5,0 | 4,58 | 4,16 | 6,5 | 5,96 | 5,42 |
| WSP 6010 | 6,0 | 5,5 | 5,0 | 8,1 | 7,42 | 6,75 |
| WSP 7010 | 7,0 | 6,42 | 5,83 | 9,0 | 8,24 | 7,5 |

(1)

②

③
Plaque signalétique
Tenir compte de la désignation figurant sur le schéma des connexions et la plaque signalétique!
Après le raccordement électrique, faire une croix au stylo bille indéléblé dans la case correspondant à la puissance de raccordement et à la durée nominale de charge de l'appareil sur la plaque signalétique de l'appareil et le schéma des connexions de cette notice de montage.
2.5.3 Appareil en etat de fonctionnement
Nettoyage de l'appareil (ill. 13 et 14)
Il convient de nettoyer l'appareil ouvert une fois son installation achevée et les pierres d'accumulation en place.
A cet effet, démonter également la soufflante et les canaux de circulation de l'air. Dévisser les canaux de circulation de l'air (16) et les retarder.
- Une fois les vis situées sur la face avant des équres de fixation desserrées (non dévisées), soulever la soufflante (18) et la retirer (attention au positionnement du cable!). Sur certains apparèils, il faut pour ce faire dévisser le thermostat - Décharge (19), y compris la tôle de fixation.
En déposant les pieces démontees, faire attention à ne pas endommager les fils.
- Nettoyer la tôle du fond et les ventilateurs (veiller à ne pas endommager les pales!) Puis reposer les ventilateurs, eventuellement le limiteur de temperature ainsi que les canaux de circulation de l'air (positionnement correct du cable!).
Fermer I'appareil (ill. 15 et 16)
- Accrocher la paroi avant interne avec l'isolement thermique à l'arrête supérieure en la plaçant légrement à l'oblique vers l'avant et la visser à l'arête inférieure à l'aide de 2 vis.
- Accrocher la paroi latereale droite en bas, la faire basculer vers le haut. L'accrocher en haut et la fixer à l'aide d'une vis ; (opération inverse voir 2.5.1 - Demontage de la paroi droite, ill. 6).
- Accrocher la paroi avant en haut, la faire basculer en bas sur l'appareil et la fixer à l'aide de 2 vis (utiliser les trous internes) (ill. 15);
- Visser la grille de sortie d'air. Pour ce faire, serrer les vis à la main et desserrer d'environ un tour (ill. 16);
- Placer le bas de la grille d'entrée d'air à l'oblique sur les encoches du fond de l'appareil, la faire basculer vers le haut et l'insérer dans les encoches derrière la grille de sortie d'air (ill. 16).
Scheme des raccordements
... avec thermostat d'ambiance intégré RTi 100M/RTi 101 EP

... avec thermostat d'ambiance mural

... avec un raccord monophasé (maxi. 2 kW)

... en cas de remplacement d'accumulateur ancien, avec thermostat d'ambiance mural et absence d'alimentation en courant diurne

2.6 Première mise en service
2.6.1 Contrôle de fonctionnement
Contrôler le fonctionnement de la soufflante de l'élement d'accumulation en mettant en marche le thermostat d'ambiance.
2.6.2 Charge
Une fois le contrôle de fonctionnement achemé, les apparciels peuvent être mis en service sans préchauffage. La charge s'effectue soit manuellement par le biais du régulateur de charge mécanique ou automatiquement avec la gestion de charge Elfamatic disponible.
Au cours de la première charge, relever la valeur de charge en kWh et la comparer à la charge maximum autorisée à froid figurant dans les « Caracteristiques techniques ». La valeur de charge relevante ne doit pas dépasser la charge maximum autorisée à froid.

Une oedur peut se dégager lors de la première charge, il convient donc d'aérer suffisamment la piece (1,5 renouvellement de l'air, fenêtre basculée par ex.). Dans une,chambre à coucher,ne pas procédéra la première chargependant le sommeil.
2.7 Réparation, modification de l'appareil
La réinstallation d'un apparéil désassemblé à des fins de réparation ou déjà en service à un autre emplacement s'effectue, comme pour la première mise en service, conformément à la présente notice de montage.
Dans ces cas la, veiller particulièrement aux points suivants : Remplacer les éléments de l'isolation thermique sur lesquels vous constatEZ des dommages ou des alterations susceptibles de nuire à la sécurité. Avant la mise en service, effectuer un contrôle de l'isoLation et mesurer la prise de courant nominale.
2.7.1 Reparation, modification de l'appareil
Pour les travaux de transformation, d'extension et d'encastrement, consulter les instructions jointes aux lots de pieces concernés.
2.8 Remise à l'utilisateur
Expliquer le fonctionnement de l'appareil à l'utilisateur. Attirer tout particulièrement son attention sur les consignes de sécurité.
Remetre la notice d'utilisation et de montage à l'utilisateur.

Symboles de la plaque signalétique (exemple WSP 7010)
Poids total
Charge
Décharge
- Chauffage auxiliaire
Ventilateur
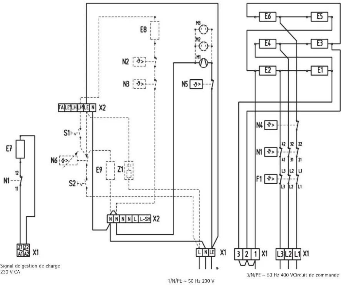
Scheme electrolyte WSP 2010 - 7010
E1 - E6: Element chauffant (accumulateur)
E7: Résistance de chauffage
F1: Limiteur de température
M1 - M3: Soufflante
N1: Limiteur de température - Charge
N5: Limiteur de température - Tiroir du ventilateur
N4: Limiteur de température - Charge
X1: Bornier secteur
X2: Bornier

Thermostat d'ambiance Integre
E9: Résistance de chauffage
N6: Thermostat - Décharge
S2: Commutateur à bascule - Décharge
Z1: Condensateur de protection contre lesétincelles

Chauffage auxiliaire
E8: Element chauffant
N2: Thermostat - Chauffage auxiliaire
N3: Thermostat - Chauffage auxiliaire
S1: Commutateur à bascule - Chauffage auxiliaire


Branchements de série

- pour le raccord d'un RI externe



Attention! Sur le 3/PE AC 50 Hz 230 V secteur
Il est nécessaire de modifier le câblage d'origine de l'accumulateur de chaleur!
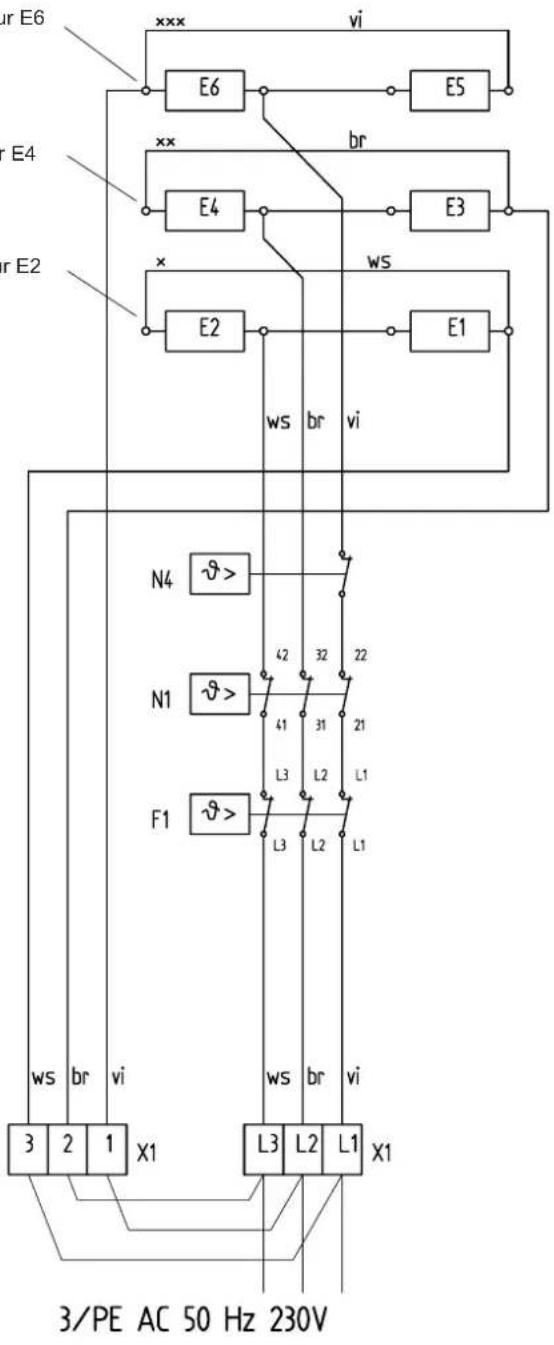
Scheme electrolyque du 3/PE AC 50 Hz 230 V
Il est nécessaire de modifier le cablage d'origine comme ci-dessous!
xxx Debrancher le fil vi (violet) de E2 et le brancher sur E6
xx Debrancher le fil br (brun) de E6 et le brancher sur E4
x Debrancher le fil ws (blanc) de E4 et le brancher sur E2

E1 - E6: éléments chauffants (accumulateur)
F1: limiteur de températe de sécurité
N1: limiteur de températe - charge
N4:limiteur de températe -charge
X1: borne secteur
Les points doivent être posés au cours de l'installation.
3. Environnement et recyclage
Nous vous demandons de nous aider à préserver l'environnement. Pour ce faire, merci de vous débarrasser de l'emballage conformément aux régles nationales relatives au traitement des déchets.
Garantie
La garantie est a faire valor dans le pays ou l'appareil a ete achete. A cette fin, veuillez prendre contact avec la filiale AEG concennee, a defaut l'importateur agreé.
Le montage, les raccordements, la maintenance ainsi que la première mise en service sont à réaliser par un installateur qualifié.
Le fabricant ne saurait etre rendu responsable des dommages causés par un apparéil qui n'aurait pas ete instalé ou utilisé conformément à la notice de montage et d'utilisation jointe à l' apparéil.
Notice Facile